Крупнейшая бесплатная информационно-справочная система онлайн доступа к полному собранию технических нормативно-правовых актов РФ. Огромная база технических нормативов (более 150 тысяч документов) и полное собрание национальных стандартов, аутентичное официальной базе Госстандарта. GOSTRF.com - это более 1 Терабайта бесплатной технической информации для всех пользователей интернета. Все электронные копии представленных здесь документов могут распространяться без каких-либо ограничений. Поощряется распространение информации с этого сайта на любых других ресурсах. Каждый человек имеет право на неограниченный доступ к этим документам! Каждый человек имеет право на знание требований, изложенных в данных нормативно-правовых актах!

  


 

Открытое акционерное общество

Проектно-конструкторский и технологический институт промышленного строительства

ОАО ПКТИпромстрой

 

 

ТЕХНОЛОГИЧЕСКАЯ КАРТА

НА УСТРОЙСТВО И ПРИМЕНЕНИЕ СРЕДСТВ ПОДМАЩИВАНИЯ ДЛЯ ОРГАНИЗАЦИИ РАБОЧИХ МЕСТ НА ВЫСОТЕ ПРИ ОТДЕЛКЕ ФАСАДОВ ЗДАНИЙ

 

Москва - 1998

АННОТАЦИЯ

Технологическая карта на устройство и применение средств подмащивания для организации рабочих мест на высоте предназначена для использования при отделке фасадов на строительстве, ремонте и реконструкции жилых и общественных зданий.

Карта разработана в соответствии с перечнем НИОКР Управления развития Генплана Комплекса перспективного развития города на 1998 год в составе комплекта технологических карт на отделку фасадов зданий.

В карту включены рациональные средства подмащивания, применяемые для работы на высоте, которые представлены лесами стоечными приставными, механизированными подъемниками и люльками с электрическим приводом. Для наиболее распространенных лесов строительных с хомутовыми соединениями приводятся правила их устройства и применения, график производства работ, требования к комплектности поставки элементов лесов и потребность в комплектующих материалах, калькуляция затрат труда и обеспечение качества устройства строительных лесов. По всем представленным в карте средствам подмащивания указывается область их применения, приводится их техническая характеристика, решения по технике безопасности, технико-экономические показатели.

Технологическая карта предназначена для инженерно-технических работников строительных и проектных организаций, связанных с производством отделочных и ремонтных работ на фасадах зданий.

Технологическая карта разработана ОАО ПКТИпромстрой с участием АОЗТ ЦНИИОМТП.

Технологическую карту разработали:

- Ю.А.Ярымов - руководитель работы, А.В. Колобов, Н.Н.Филипенко к.т.н., В.И.Гапеев, Т.А.Григорьева, Л.В.Ларионова, Е.С.Нечаева, О.Г.Шумская, Д.А.Матвеев, В.Ю.Ерохин, Б.К.Горлов (ЦНИИОМТП) - исполнители;

- В.В.Шахпаронов к.т.н. - научно-методическое руководство и редактирование;

- С.Ю.Едличка к.т.н. - общее руководство разработкой комплекта технологических карт.

Технологическая карта не заменяет ППР. (см. СНиП 3.01.01-85*)

 

СОДЕРЖАНИЕ

АННОТАЦИЯ

1. ОБЛАСТЬ ПРИМЕНЕНИЯ

2. ПРАВИЛА УСТРОЙСТВА И ПРИМЕНЕНИЯ СРЕДСТВ ПОДМАЩИВАНИЯ

А. Леса стоечные приставные, хомутовые.

Б. Подъемники.

В. Люльки.

3. ТРЕБОВАНИЯ К КОМПЛЕКТНОЙ ПОСТАВКЕ ЭЛЕМЕНТОВ ЛЕСОВ

4. КАЛЬКУЛЯЦИЯ ЗАТРАТ ТРУДА НА УСТРОЙСТВО ЛЕСОВ ПЛОЩАДЬЮ 1000 м2

5. ГРАФИК ПРОИЗВОДСТВА РАБОТ

6. ОБЕСПЕЧЕНИЕ КАЧЕСТВА УСТРОЙСТВА ЛЕСОВ.

7. РЕШЕНИЯ ПО ТЕХНИКЕ БЕЗОПАСНОСТИ

8. ТЕХНИКО-ЭКОНОМИЧЕСКИЕ ПОКАЗАТЕЛИ

ИЛЛЮСТРАЦИИ

ИСПОЛЬЗОВАННАЯ ЛИТЕРАТУРА

 

 

1. ОБЛАСТЬ ПРИМЕНЕНИЯ

1.1. Областью применения средств подмащивания, представленных в технологической карте, является использование этих средств для организация рабочих мест на высоте при отделке и ремонте фасадов жилых и общественных зданий. Такие средства подмащивания включают леса строительные-стоечные приставные (далее по тексту леса), механизированные подъемники(далее подъемники), а также люльки подвесные(далее люльки).

1.2. Технические условия на перечисленные типы средств подмащивания приводятся в ГОСТ 24258-88 "Средства подмащивания. Общие технические условия", ГОСТ 27321-87 "Леса стоечные приставные для строительно-монтажных работ. Технические условия", ГОСТ 22859-77 "Подъемники автомобильные гидравлические. Общие технические условия", ГОСТ 27372-87 "Люльки для строительно-монтажных работ. Технические условия".

1.3. При отделке фасадов многоэтажных здании, как правило, применяются леса приставные с хомутовыми и штыревыми соединениями (таблица 1). В технологической карте содержатся правила устройства лесов с хомутовыми соединениями. Такие леса широко применяются при отделке фасадов зданий высотой до 80 м, сложной конфигурации в плане и по высоте. В зависимости от очертания здания в этих лесах возможно изменять планировочные схемы, шаг стоек, расстояние между их рядами, высоту ярусов. По другим средствам подмащивания, к которым относятся подъемники, а также люльки, приводятся правила их применения с техническими характеристиками рациональных типов.

1.4. Технологическая карта в части устройства лесов включает:

- правила устройства лесов;

- график производства работ по устройству лесов;

- требования к комплектной поставке материалов;

- потребность в комплектующих материалах;

- профессиональный и численно-квалификационный состав рабочих-монтажников и калькуляция затрат труда;

- указания по обеспечению качества устройства лесов;

- решения по технике безопасности.

В части подъемников и люлек приводим правила на применение и технические характеристики рациональных типов.

1.5. Потребность в комплектующих изделиях, калькуляция трудовых затрат и график производства работ приведены на устройство лесов площадью 1000 м2*

1.6. При привязке настоящей карты к конкретным объектам, при отделке фасадов которых используются леса, подлежат уточнению калькуляция затрат труда, график производства работ и потребность в комплектующих материалов.

Характеристика и область применения строительных лесов.

Таблица 1.

Наименование типа

Обозначение

Шифр проекта

Параметры

Характеристика конструкций

Организация - разработчик

Макс, высота лесов м.

Нормативное значение нагрузки, кгс/м2

Шаг стоек вдоль стены

Расстояние между стопками перпендикулярно стене

1

2

3

4

5

6

7

8

9

Леса стоечные приставные хомутовые

ЛСПХ

1)1058-3.00.000

120,0

200,0

2,0

1,25

Представляют собой каркасную многоярусную систему, состоящую из элементов, соединенных между собой с помощью хомутов

АОЗТ

ЦНИИОМТП

 

2)737-3.00.000

80,0

200,0

2,0

1,25

АОЗТ

ЦНИИОМТП

 

3)-"-

60,0

200,0

2,5

1,25

АОЗТ

ЦНИИОМТП

 

4)3.316.00.000

40,0

200,0

2,5

1,25

АОЗТ

ЦНИИОМТП

Леса стоечные приставные штыревые

ЛСПХ

5)ТБЛО

60,0

200,0

2,0

1,25

Представляют собой каркасную многоярусную систему, состоящую из элементов, соединенных между собой с помощью штырей

Промстройпроект

 

 

 

 

 

 

 

 

 

 

 

 

 

 

 

 

 

6)338-3.00.000

40,0

200,

2,0

1,25

 

АОЗТ

ЦНИИОМТП

* Площадь лесов определяется проекцией их на фасад здания.

2. ПРАВИЛА УСТРОЙСТВА И ПРИМЕНЕНИЯ СРЕДСТВ ПОДМАЩИВАНИЯ

А. Леса стоечные приставные, хомутовые.

2.1. До начала работ по устройству лесов необходимо:

- установить временные ограждения вдоль границы опасной зоны на период монтажа, экспуатации и демонтажа лесов. Пределы опасной зоны устанавливаются согласно СНиП III-4-80* "Техника безопасности в строительстве" (п. 2.7*), а ее границы принимаются от внешнего ряда стоек лесов;

- доставить к месту установки отремонтированные и укомплектованные, согласно спецификации, элементы лесов;

- расчистить и спланировать, с учетом отвода поверхностных вод, полосы шириной 2,5м по всей длине фасада. В случае насыпного грунта полоса должна быть уплотнена, а при необходимости, по спланированной поверхности уложено основание из дорожных плит в соответствии с проектом;

- установить электролебедку для подъема элементов лесов;

- установить подъемную консольную балку с блоком. Для зданий с плоскими крышами рекомендуется консоль универсальная типа КУ-2,5 СКВ Мосстроя (арх. № 4793). Для зданий со скатными крышами рекомендуется консоль Мосжилуправления.

2.2. Монтаж лесов осуществляется по монтажным схемам проекта, в которых указывается начало и направление монтажа. Монтаж лесов следует начинать, как правило, от угла здания (рис. 1).

2.3. Монтаж лесов выполняется по ярусам, указанным в проекте. Для выполнения облицовочных, штукатурных, малярных и других видов отделочных работ на фасаде здания высота яруса устанавливается 2 м.

2.4. Работы по монтажу и демонтажу лесов выполняются звеном слесарей-монтажников в составе 4-х человек, в том числе 1 чел. - 4 разр., 2 чел. - 3 разр., 1 чел. -2 разр., а также одного моториста 3 разряда, обслуживающего лебедку. Работы ведутся в одну смену в светлое время суток.

2.5. Монтаж лесов при разной конфигурации зданий осуществляется в технологической последовательности, включающей:

- разметку мест сверления гнезд под пробки и мест установки опорных подкладок;

- раскладку дощатых подкладок перпендикулярно фасаду здания по разметкам. Размер сечения и длина подкладок принимается в соответствие с проектом (при толщине подкладок не менее 50 мм) (рис. 2, схема 1).

- установку башмаков на подкладки. Расстояние от стены до оси внутреннего ряда башмаков и между рядами башмаков должно соответствовать проекту. Башмаки закрепляются к подкладке гвоздями или костылями. Эту работу следует выполнять особенно тщательно, т.к. от правильной первоначальной разбивки и укладки башмаков зависит точность последующего монтажа лесов (рис. 2, схема 2);

- устройство отверстий для установки пробок;

- установку попарно чередующихся стоек внутреннего и наружного ряда (рис. 2, схема 3);

- установку на хомутах поперечин первого монтажного яруса на отм. 1,00 м., одновременно с помощью отвеса, выверкой вертикальности каждой пары стоек в поперечном направлении (рис. 2, схема 4);

- установку на хомутах продольных связей первого монтажного яруса на отм. 1,00 м., с одновременной выверкой вертикальности стоек в продольном направлении (рис. 2, схема 5);

- установку продольных связей по наружному ряду стоек для первого рабочего яруса на отм. 2,00 м (рис. 2, схема 6);

- установку щитов настила 1-го монтажного яруса на отм. 1,00 м (рис. 2, схема 7);

- наращивание коротких стоек длинными стойками с настила первого монтажного яруса на отм. 1,00 м. Для удобства монтажа наращивание торцевых стоек по всей высоте разрешается выполнять короткими стойками (рис. 2, схема 8);

- установку на хомутах на высоте 3 м на стойках внешнего ряда первой нитки ограждения рабочего яруса (рис. 2, схема 9);

- установку продольных связей первого рабочего яруса на отм. 2,00 м по внутреннему ряду стоек (рис. 2, схема 9);

- установку на хомутах поперечин первого рабочего яруса на отм. 2,00 м, которые крепятся пробками к стене. В месте крепления лесов к стене поперечина предварительно надевается проушиной на крюк и потом зажимается хомутом. В лесах для производства малярных работ незакрепляемые поперечины должны вплотную примыкать к стене (рис. 2, схема 10);

- перекладку на первый рабочий ярус на отм. 2,00 м щитов с первого наружного яруса (рис. 2, схемы 11, 12);

- установку лестницы (рис. 2, схема 12);

- установку на хомутах с первого рабочего яруса по внешнему ряду стоек на высоте 2,5 м второй нитки ограждения первого рабочего яруса и бортовой доски с креплением ее скобами (рис. 2, схема 12). Последующие ярусы устанавливаются в той же последовательности, как и 1-ый ярус;

- закрепление сваркой стальных полос от труб заземления после установки лесов 1-го яруса к стойкам в местах, указанных на монтажной схеме;

- установку дополнительных связей и дополнительных ригелей на уровне настила 1-го рабочего яруса на отм. 2,00 м;

- перекладку щитов настила с 1-го монтажного яруса на 1-ый рабочий ярус с одновременной установкой перильных ограждений. Сразу по окончании укладки щитов настила на длине одной секции (2 м) устанавливается перильное ограждение с фиксированием его, обеспечивающим устойчивость щитов настила от опрокидывания;

- установку последующих ярусов в той же последовательности, как 1-ый ярус;

- закрепление сваркой стальных полос от труб заземления после установки лесов 1-го яруса к стенам в местах, указанных на монтажной схеме;

- монтаж одновременно с лесами лестничных секций лесов. Причем, на рабочих ярусах решетки ограждения этих секций устанавливаются с четырех сторон;

-подъем элементов лесов лебедкой (рис. 3).

Приведенная последовательность сохраняется при установке лесов на зданиях различной конфигурации (рис. 4-10).

2.6. Молниеприемники устанавливаются после установки стоек на высоту 8 м (4 яруса) и затем по мере наращивания стоек лесов их переставляют на вышележащие ярусы каждый раз, плотно прикрепляя к стойкам. Расстояние между молниеприемниками должно соответствовать проекту (рис. 11).

2.7. Надежность затяжки гаек болтов в хомутах должны проверяться руководителем монтажа сразу по окончании монтажа яруса. Достаточность затяжки болтов проверяется пробной заверткой гаек ключом на выдержку. При завертывании гаек на затяжных болтах хомутов вставлять в ключ прокладки запрещается, нельзя также наращивать ручку ключа.

2.8. Демонтаж лесов осуществляется под наблюдением инженерно-технического работника, ответственного за соблюдением правил монтажа и демонтажа лесов и соответствие лесов проекту, а также за соблюдение правил техники безопасности и сохранность элементов лесов.

2.9. К демонтажу приступают только после того, как работы с лесов закончены и с настилов сняты все материалы, инвентарь, инструменты.

2.10. До начала разборки ответственный руководитель по монтажу должен осмотреть леса и ознакомить рабочих с последовательностью и способом разборки, мерами обеспечивающими безопасность работ.

2.11. Все дверные проемы первого этажа на участке разборки лесов должны быть защищены, а проходы полностью ограждены.

2.12. Демонтаж лесов начинают с верхнего яруса и ведут поярусно. сверху вниз в следующей последовательности:

- снимаются бортовые доски и перила ограждения;

- демонтируются стойки, стыковые соединения, которые находятся выше настила разбираемого яруса лесов и раскосы в пределах разбираемого яруса;

- щиты настила снимаются, начиная с края лесов.

2.13. Лестничная клетка разбирается одновременно с лесами в следующей последовательности: перила площадок, стойки, стыки которых расположены выше площадок в данном ярусе, щиты верхних площадок и лестницы.

2.14. После окончания демонтажа верхнего яруса рабочие переходят на нижележащий ярус (временно подмащиваясь на нем) и заканчивают разборку каркаса вышележащего яруса , снимаются поперечные и продольные связи. При этом хомуты освобождаются только от стоек, оставаясь закрепленными на поперечинах, связей и других элементов лесов.

2.15. Элементы лесов при помощи блоков, лебедки и пеньковых канатов спускаются вниз. Сбрасывание отдельных элементов лесов с высоты категорически запрещается. Мелкие элементы перед спуском вниз укладываются в специальные ящики.

2.16. Внизу с поперечин и других элементов снимаются хомуты, элементы лесов раскладываются по маркам и укладываются в контейнер для перевозки на новый объект или на склад. При сортировке элементы, требующие ремонта или замены, складируются отдельно и направляются в мастерские для ремонта.

2.17. При демонтаже лесов не допускается соприкосновение трубчатых элементов с электропроводами.

Б. Подъемники.

2.18. Подъемники, которые используются при отделке фасадов зданий, классифицируются по конструкции колен, возможности перемещения, виду привода и степени поворота (таблица 2).

Классификация подъемников

Таблица 2.

 

По конструкции колен

По возможности перемещения

По виду привода

По степени поворота

Подъемник

одноколейный,

двухколенный,

трехколенный

Самоходный:

автомобильный, на спецшасси, пневмоколесный, тракторный, железнодорожный.

Прицепной

Передвижной

Гидравлический Электрический

С гидравлическим и электрическим приводом

Неполноповоротный

Полноповоротный

Неповоротный

Применение подъемников должно производится в соответствии с "Правилами устройства и безопасной эксплуатации подъемника" ПБ 10-11-92, СНиП III-4-80* "Техника безопасности в строительстве", "Указаний по установке и безопасной эксплуатации грузоподъемных кранов и строительных подъемников при разработке проектов производства работ" (ОАО ПКТИпромстрой, 1995).

Общие технические требования, правила эксплуатации подъемников и производства работ приводятся в "Методических указаниях по применению автомобильных гидроподъемников при производстве работ по отделке фасадов при строительстве, реконструкции и ремонте зданий"(ОАО ПКТИпромстрой, 1998).

2.19. В строительстве применяются различные типы подъемников, многие из которых по своим техническим характеристикам могут использоваться при отделке фасадов зданий (таблица 3). Важным показателем является рабочая зона обслуживания подъемником, которая зависит от высоты подъема люльки и ее вылета (рис. 12-20).


Основные технические характеристики гидроподъемников

Таблица 3

№ п/п

Показатели

Ед. изм.

Марка подъемника

АПТ 12

АПТ 12-02

АПТ 17Э

АПТ 17Э П-42

АПТ 17Э П-43

АО 17А

АО 17

АГП 22.04

АГП 35

ВС-18-МС

ВС-22-МС

АГП 28

Р-183 Польша

Р-184Н Польша

Скай-лифт NS30-3LW Финлянд.

Бронто Скай-лифт 330-3 Финляндия

1

Максимальная высота подъема

м

12

12

17

17

17

17

17

22

35

18

22

28

18

17,6

31,5

31,5

2

Максимальный вылет

м

6

9,8

9

9

9

7,5

7,5

13

20

8

9,5

13,5

8,9

8,5

18,5

18,4

3

Грузоподъемность

кг

200

250

300

300

300

300

300

300

350

250

250

300

300

300

350

350

4

Базовое шасси

-

"Газель" ГАЗ-3302

ГАЗ-3307

ЗИЛ-433362

ГАЗ-3307

ЗИЛ-131

ГАЗ-3307

ЗИЛ-433362

ЗИЛ-433362

КАМАЗ 53213

ГАЗ-5203

ЗИЛ-130

ЗИЛ-133г

СТАР-28

ЗИЛ 130г

КАМАЗ 53213

КАМАЗ 53213


В. Люльки.

2.20. Люльки - подвесные конструкции, закрепленные на гибком подвесе с перемещением рабочего места по высоте. Люльки широко применяются для ремонтных и отделочных работ на фасадах многоэтажных зданий.

2.21. К рекомендуемым типам люлек для ремонтных и отделочных работ относятся:

-               люлька-кресло ЛОН-32-120 - металлическая конфигурация в форме кресла.

Высота подъема 32 м. Грузоподъемность 120 кг. Высота ее 1500, длина 850, ширина 700 мм;

-                - люлька самоподъемная ЛС-15-250. Высота подъема 15 м. Грузоподъемность люльки 250 кг. Длина 4,97 м, ширина 0,85, высота 1,675 м. Мощность электродвигателя 0,67 - 1,2 кВт;

- люлька самоподъемная ЛС-80-250. Наибольшая высота подъема 80 м. Грузоподъемность люльки 250 кг. Длина 4 м, ширина 0,8 м. Мощность электродвигателя 1,1 кВт;

- люлька одноместная ЛОС-100-120. Наибольшая высота подъема 100 м. Грузоподъемность люльки 120 кг. Габаритные размеры 1340×1175×2520 мм. Мощность эл. двигателя 0,8 кВт. Масса 165 кг;

- самоподъемная люлька ЛЭ-100-300. Наибольшая высота подъема 100 м. Грузоподъемность люльки 300 кг. Мощность электродвигателя 1,6 кВт. Габаритные размеры 4435×935×1765 мм. Масса 385 кг;

- самоподъемная люлька ЛЭ-30-250. Наибольшая высота подъема 30 м. Грузоподъемность люльки 250 кг. Мощность электродвигателя 1,2 кВт. Габаритные размеры 4970×850×1610 мм. Масса 490 кг.

3. ТРЕБОВАНИЯ К КОМПЛЕКТНОЙ ПОСТАВКЕ ЭЛЕМЕНТОВ ЛЕСОВ

3.1. Каждая партия лесов, состоящая из набора элементов, отправляется потребителю комплектно и сопровождается паспортом завода-изготовителя, актом приемки ОТК и комплектовочной спецификацией, в которой указывается количество и вес отправляемых элементов по маркам.

3.2. Крупные детали лесов отправляются с завода-изготовителя без упаковки, связанными проволокой в пачках весом не более 80 кг. К каждой пачке прикрепляется бирка с указанием марки и количества элементов в пачке. Мелкие детали отправляются в таре.

3.3. Элементы лесов окрашиваются:

4.                     стойки и поперечины – желтой эмалью;

4.                     продольные связи – красной эмалью;

4.                     чашки и крышки хомутов – черным битумным лаком БТ-577, ГОСТ 5631-79.

3.4. Элементы лесов, рассортированные по маркам, хранятся в закрытых помещениях или на открытом воздухе на подкладках под навесом, не соприкасаясь с грунтом. Хомуты, пробки и крепежные детали хранятся законсервированными в закрытых ящиках массой не более 60 кг. Консервация производится в соответствии с ГОСТ 13163-67.

3.5. Перед отправкой на объект леса комплектуются всеми типовыми и нетиповыми элементами согласно спецификации проекта лесов конкретного объекта. Комплектование лесов производится с отбраковкой элементов лесов, не соответствующих нормативным допускам.

3.6. При комплектовании соблюдаются следующие нормативные допуски и требования:

4.                     все деревянные элементы лесов, включая щиты настила, поручни, бортовые доски обрабатываются глубокой пропиткой огнезащитным составом;

4.                     геометрические размеры щитов настила, сечения и расположение сшивных планок должны соответствовать проекту;

4.                     отклонения от проектной длины элементов лесов не должны превышать в стойках + 2 мм, а в остальных элементах ± 3 мм;

4.                     резьба болтов и места шарнирных соединений хомутов должны быть смазаны солидолом УС-2, ГОСТ 1033-79.

3.7. Монтаж, демонтаж и эксплуатацию инвентарных лесов должны производиться специализированным подразделением (участком), в обязанности которого входит:

4.                     хранение, ремонт элементов инвентарных лесов;

4.                     изготовление нетиповых деталей;

4.                     комплектование лесов согласно спецификации в составе проекта лесов для конкретного объекта (таблица 4);

4.                     монтаж и демонтаж лесов;

4.                     контроль за состоянием лесов в процессе эксплуатации;

4.                     сдача смонтированных лесов в аренду строительным организациями.

Потребность в комплектующих изделиях

Таблица 4

Изделие

Единица измерения

КОЛИЧЕСТВО

по ярусам

Всего

I

II

III

IV

V

VI

VII-VIII

IX-X

XI-XII

XIII-XIV

XV-XVI

XVII-XVIII

XIX-XX

Подкладки

шт

11

-

-

-

-

-

-

-

-

-

-

-

-

11

 

 

 

 

 

 

 

 

 

 

 

 

 

 

 

 

Башмаки (рис. 21)

шт

22

-

-

-

-

-

-

-

-

-

-

-

-

22

 

 

 

 

 

 

 

 

 

 

 

 

 

 

 

 

Пробки (рис. 22)

шт

6

5

6

5

6

5

11

11

11

11

11

11

11

110

 

 

 

 

 

 

 

 

 

 

 

 

 

 

 

 

Стойки L=2,0 м

шт

12

-

-

-

-

-

-

-

-

-

-

-

12

24

L=4,0м (рис. 23)

шт

22

-

10

12

10

12

22

22

22

22

22

22

10

208

 

 

 

 

 

 

 

 

 

 

 

 

 

 

 

 

Поперечины (рис. 24)

шт

22

11

11

11

11

11

22

22

22

22

22

22

11

220

 

 

 

 

 

 

 

 

 

 

 

 

 

 

 

 

Связи L = 5,3 м

шт

26

18

18

18

18

18

36

36

36

36

36

36

36

368

L = 3,7 м (рис. 25)

шт

6

3

3

3

3

3

6

6

6

6

6

6

6

63

 

 

 

 

 

 

 

 

 

 

 

 

 

 

 

 

Хомуты (рис.26, 27)

шт

132

66

66

66

66

66

132

132

132

132

132

132

132

1386

 

 

 

 

 

 

 

 

 

 

 

 

 

 

 

 

Щиты (рис. 28)

шт

50

50

50

50

50

50

100

100

100

100

100

100

50

950

 

 

 

 

 

 

 

 

 

 

 

 

 

 

 

 

Бортовая доска

м

25

25

25

25

25

25

50

50

50

50

50

50

25

475

 

 

 

 

 

 

 

 

 

 

 

 

 

 

 

 

Лестницы (рис. 29)

шт

1

1

1

1

1

1

2

2

2

2

2

2

1

19

Примечание: Потребность в комплектующих изделиях приведена на устройство лесов площадью 1000 м2.

4. КАЛЬКУЛЯЦИЯ ЗАТРАТ ТРУДА НА УСТРОЙСТВО ЛЕСОВ ПЛОЩАДЬЮ 1000 м2

таблица 5

На именование работы

Единица измерения

Норма времени на ед.измерения чел-мин

Объем работ по ярусам

Затраты труда, чел-ч

I

II

III

IV

По ярусам

Всего

I

II

III

IV

Разметка площадки

разметка

2,21

11

-

-

-

0,41

-

-

-

0,41

Установка подкладок

шт

3,24

11

-

-

-

0,59

-

-

-

0,59

Установка и крепление башмаков

шт

3,77

22

-

-

-

1,38

-

-

-

1,38

Разметка высоты яруса

разметка

0,65

6,0

5,0

6,0

5,0

0,065

0,054

0,065

0,054

0,24

Сверление отверстий в стене

отверстие

1,45

6

5

6

5

0,15

0,12

0,15

0,12

0,54

Установка пробок

пробока

1,40

6

5

6

5

0,14

0,12

0,14

0,12

0,52

Установка стоек

м

0,74

112

-

40

48

1,38

-

0,49

0,59

2,46

Установка поперечин

шт

4,70

22

11

11

11

1,72

0,86

0,86

0,86

4,30

Установка продольных связей

шт

4,70

32

21

21

21

2,50

1,65

1,65

1,65

7,45

Установка хомутов

шт

2,27

132

66

66

66

5,0

2,49

2,49

2,49

12,47

Укладка щитов настила рабочего яруса

м2

2,70

37,5

37,5

37,5

37,3

1,69

1,69

1,69

1,69

6,76

Установка бортовой доски

м

2,38

25

25

25

25

0,99

0,99

0,99

0,99

3,96

Установка лестниц

шт

4,34

1

1

1

1

0,07

0,07

0,07

0,07

0,28

Подноска элементов лесов

т

3,53

1,95

1,18

1,35

1,38

0,11

0,07

0,08

0,08

0,34

Подача элементов лесов на высоту

подъем

4,80

-

7,85

8,98

9,18

 

0,68

0,72

0,73

2,08

 

 

 

 

 

 

 

 

 

 

 

 

Итого:

 

 

 

 

 

 

14,52

7,91

8,57

8,61

39,62

 

 

 

Затраты труда на 1м2 проекции лесов на здание:

 

 

 

V-VI

ярус - 17,2 чел.ч

VII-VIII

ярус - 17,2 чел.ч

IX-X

ярус - 19,78 чел.ч

XI-XII

ярус - 22,75 чел.ч

XIII-XIV

ярус - 26,16 чел.ч

XV-XVI

ярус - 30,08 чел.ч

XVII-XVIII

ярус - 34,59 чел.ч

XIX

ярус - 19,89 чел.ч

Веего на 1000м2:

227,27 чел.ч

 

Примечания:

1. Нормативные данные по монтажу лесов приняты по хронометражным данным.

 

2. Нормами предусмотрена высота лесов до 16 м. При большей высоте лесов н.вр. увеличивать для каждых 4м лесов на 15%.


5. ГРАФИК ПРОИЗВОДСТВА РАБОТ

В настоящем разделе приводятся график производства работ на монтаж лесов первого яруса

Таблица 6

 

Наименование технологических процессов

Единица измерения

Объем работ

Затраты труда рабочих чел.ч

Принятый состав звена

Продолж. процесса ч.

Рабочие часы

Разметка площадки

разметка

11

0,41

Слесари-монтажники 4разр.-1

3разр.-2

2разр.-1

Моторист

3разр.-1

0,41

Установка подкладок

шт

11

0,59

0,3

Установка и крепление башмаков

шт

22

1,38

1,38

Разметка высоты яруса

разметка

6

0,07

0,07

Сверление отверстий в стене

отверст.

6

0,15

0,15

Установка пробок

пробка

6

0,14

0,14

Установка стоек

м

64

0,79

0,79

Установка поперечин на отм. 1,0м

шт

И

0,86

0,86

Установка продольных связей первого монтажного яруса на отм.1,0м

шт

11

0,86

0,86

Установка продольных связей по наружному ряду стоек на отм. 2,0м

шт

5

0,38

0,39

Установка щитов настила первого монтажного яруса на отм. 1,0м

м2

37,5

1,69

1,69

Наращивание коротких стоек

м

48

0,59

0,3

Установка ограждения первого рабочего яруса на отм. 3,0м

шт

5

0,38

0,2

Установка продольных связей по внутреннему ряду стоек на отм. 2.0м

шт

6

0,47

0,23

Установка поперечин на отм. 2,0м

шт

11

0,86

0,43

Устройство настила первого рабочего яруса на отм.2,0м

м2

37,5

1,69

0,85

Установка второй нитки ограждения первого рабочего яруса на отм.2,5м

шт

5

0,39

0,2

Установка бортовой доски первого рабочего яруса

м

25

0,99

0,5

Установка хомутов

шт

44

3,33

1,67

Установка лестниц

шт

1

0,07

0,07

Подноска элементов лесов

т

1,25

0,11

-

 

 

 

 

 

 

 

Примечания:

1. Продолжительность устройства лесов площадью 1000м2 - 50 часов

 

2. Цифры над линиями обозначают количество рабочих

ГРАФИК ПРОИЗВОДСТВА РАБОТ НА ЗАХВАТКУ ПЛОЩАДЬЮ ЛЕСОВ 1000 м2


6. ОБЕСПЕЧЕНИЕ КАЧЕСТВА УСТРОЙСТВА ЛЕСОВ.

6.1. Требуемые качество и надежность устройства и эксплуатации лесов должны обеспечиваться строительными организациями путем осуществления комплекса технических и организационных мер в соответствии с требованиями ГОСТ 27321-87 "Леса стоечные приставные для строительно-монтажных работ", СНиП 3.01.01-85* "Организация строительного производства".

6.2. Производственный контроль качества устройства лесов должен включать входной контроль качества элементов лесов, операционный контроль отдельных монтажных процессов или операций и приемочный контроль смонтированных лесов.

6.3. При входном контроле элементов лесов проверяется их комплектность и соответствие требованиям стандартов, а также наличие и содержание паспортов, сертификатов и других сопроводительных документов.

6.4. При операционном контроле проверяется соблюдение технологии монтажа элементов лесов, соответствие устройства лесов рабочим чертежам, строительным нормам, правилам и стандартам.

6.5. При приемочном контроле производится проверка требуемого качества смонтированных лесов, подготовленных к эксплуатации.

6.6. При приемке лесов в эксплуатацию проверяется:

- соответствие собранного каркаса монтажным схемам;

- правильность сборки узлов и соответствие крепления лесов проекту;

- правильность и надежность опирания лесов на основание;

- правильность установки и крепления ограждения и настила;

- наличие диагональных связей и правильность их расположения;

- обеспечение сохранности лесов от возможных ударов транспортными средствами;

- проверка надежности затяжки болтов на хомутах;

- обеспечение отвода воды от лесов;

- соблюдение вертикальности установки стоек и надежности закрепления лесов к стенам;

- наличие средств пожаротушения и устройство молниезащиты;

- приемку лесов следует производить под расчетной нагрузкой, расположенной на рабочем настиле верхнего яруса. Величина нагрузки и ее расположение должно соответствовать принятой в проекте лесов схеме нагрузок.

6.7. Поверхность грунта, на которую устанавливают леса, необходимо спланировать, утрамбовать и обеспечить отвод с нее поверхностных вод.

6.8. В процессе эксплуатации должно производиться систематическое наблюдение за состоянием всех соединений, креплений к стене, настилов и ограждений. Для этого ежедневно перед началом смены леса осматриваются прорабом или мастером руководящими работами, выполняемыми с этих лесов.

Не реже одного раза в 10 дней состояние лесов должно проверяться представителями строительной организации с фиксированием замеченных дефектов.

6.9. Во всех случаях обнаружения деформаций элементов лесов, нарушения устойчивости и других дефектов, работа с лесов должна быть прекращена, до исправления и повторной приемки лесов.

7. РЕШЕНИЯ ПО ТЕХНИКЕ БЕЗОПАСНОСТИ

7.1. К работам на высоте при устройстве и эксплуатации средств подмащивания допускаются лица не моложе 18 лет, годные по медицинским показаниям к выполнению этих работ, прошедшие обучение и инструктаж в установленном порядке и, имеющие соответствующее удостоверение. Лица, впервые допускаемые к выполнению работ, должны работать в течение года под непосредственным надзором более опытного рабочего.

7.2. Перед началом работ по монтажу лесов рабочие должны получать наряд-допуск, на производство этих работ на срок, необходимый для выполнения всего объема работ.

7.3. Масса сборочных элементов лесов, приходящаяся на одного рабочего (при ручной сборке средства подмащивания) на строительном объекте, не должна превышать 25 кг - при монтаже и демонтаже (средств подмащивания) на высоте и 50 кг - при устройстве их на земле.

7.4. Леса должны быть оборудованы лестницами или трапами для подъема и спуска людей, находящимися на расстоянии не более 40 м друг от друга, причем для лесов длиной менее 40 м должно устанавливаться не менее двух лестниц или трапов. Верхние концы лестниц или трапов должны быть прикреплены к поперечинам лесов и проемы в настилах лесов для выхода с лестниц - ограждены с трех сторон. Угол наклона лестницы к горизонту не должен превышать 60°, а угол трапов - не более чем 1:3.

7.5. Рабочий настил со стороны внешнего ряда лесов должен иметь ограждение. Высота ограждения от уровня основания ограждения до верха горизонтального элемента должна быть не мене 1,0 м. Расстояние между горизонтальными элементами в вертикальной плоскости не должно быть более 0,45 м, между стойками не должно быть более 2 м. Ограждения и перила лесов должны выдерживать сосредоточенную нагрузку, равную 40 кг, приложенную горизонтально или вертикально в любом месте по длине поручня.

7.6. В местах проходов в здание леса должны иметь защитные козырьки (рис. 30) и боковую сплошную обшивку для предохранения людей от падения сверху различных предметов, причем защитный козырек должен выступать за леса не менее чем на 1,5 м и устанавливаться под углом 15-20° к горизонту. Высота проходов должна быть не менее 1,8 м.

7.7. Леса должны быть оборудованы грозозащитными устройствами и молниеотводами, состоящими из молниеприемника, токоотвода и заземления. Расстояние между молниеприемниками не должно превышать 20 м, а сопротивление заземления не должно быть более 15 Ом.

7.8. Леса должны быть надежно закреплены к стенам зданий по всей высоте в соответствии со схемами креплений (рис. 31).

7.9. Запрещается крепить леса к парапетам, карнизам, трубам, балконам и другим выступающим частям. При совпадении мест крепления стоек лесов с проемами в стене, леса следует крепить к внутренней стороне здания через проемы посредством накладных устройств (рис. 10).

7.10. При работе на высоте рабочие должны быть снабжены предохранительными поясами для крепления к надежным частям здания или стойкам лесов в соответствии с указанием инженерно-технического работника, руководящего монтажом лесов.

Рабочие-монтажники должны быть обеспечены спецодеждой, спецобувью, испытанными предохранительными поясами, веревками, касками и др. средствами индивидуальной защиты.

7.11. Во время монтажа лесов должны быть обеспечены:

- прочность и надежность конструкций;

- безопасные условия работы во время монтажа и эксплуатации;

- устойчивость во время монтажа и эксплуатации;

- ограждения и индивидуальные средства защиты, исключающие возможность падения рабочих и материалов с высоты;

- безопасное транспортирование материалов.

7.12. Настилы лесов, расположенные выше 1,0 м от уровня земли должны быть ограждены. Ограждение состоит из поручня, расположенного на высоте не менее 1,0 м от рабочего настила, одного промежуточного горизонтального элемента и бортовой доски высотой не менее 15 см. Зазор между досками настила должен быть не более 5 мм.

7.13. Зазор между стеной существующего здания и рабочим настилом установленных лесов не должен превышать 150 мм.

7.14. После окончания монтажа каждого яруса лесов до начала работ с них проверяется их правильность и качество монтажа путем осмотра всей конструкции и пробной завертки ключом гаек.

При завертывании гаек на затяжных болтах хомутов запрещается вставлять в ключ прокладки, наращивать ручку ключа, пользоваться ключами со сбитыми гранями и ключами с раздвижными губками.

7.15. Акт приемки лесов утверждается главным инженером организации. До утверждения акта работать с лесов не разрешается.

7.16. На лесах должны быть вывешены плакаты со схемами размещения нагрузок и их допускаемой величиной (рис. 32, 33).

7.17. Демонтаж лесов можно начинать только после того, как все работы на лесах будут закончены и с лесов будут сняты все материалы, инвентарь, инструмент и убран строительный мусор.

7.18. Во время демонтажа лесов все дверные проемы первого этажа и балконов должны быть закрыты.

7.19. Зона работ по демонтажу работ должна быть ограждена и иметь предупреждающие знаки и надписи.

7.20. При эксплуатации лесов необходимо руководствоваться требованиями "Правил пожарной безопасности при производстве строительно-монтажных работ" Главного управления пожарной охраны (ППБ 01-93).

7.21. Рабочий настил лесов должен иметь следующие первичные средства пожаротушения:

- на каждые 20 м рабочего настила - 1 огнетушитель;

- ведра - не менее 4 шт. на весь настил.

7.22. В случае монтажа лесов для ремонта зданий повышенной пожарной опасности должна быть предусмотрена установка временного стояка пожарного водопровода с разбором на рабочем настиле.

7.23. В целях пожарной безопасности кроме лестничной клетки на лесах должны быть предусмотрены запасные выходы с рабочего настила в помещение через проемы.

7.24. Кроме перечисленных в настоящем разделе решений при устройстве и эксплуатации лесов должны соблюдаться требования СНиП III-4-80* "Техника безопасности в строительстве", СНиП 3.01.01-85* "Организация строительного производства", ГОСТ 24258-88 "Средства подмащивания. Общие технические условия", ГОСТ 27321-87 "Леса стоечные приставные для строительно-монтажных работ. Технические условия ".

7.25. При эксплуатации подъемников и люлек необходимо соблюдать требования СНиП III-4-80* "Техника безопасности в строительстве", СНиП 3.01.01-85* "Организация строительного производства", ГОСТ 24258-88 "Средства подмащивания. Общие технические условия", ГОСТ 22859-77 "Подъемники автомобильные гидравлические. Общие технические условия", ГОСТ 27372-87 "Люльки для строительно-монтажных работ. Технические условия", ПБ 10-11-92 "Правила устройства и безопасной эксплуатации подъемников (вышек)", "Указания по установке и безопасной эксплуатации грузоподъемных кранов и строительных подъемников при разработке проектов производства работ".

8. ТЕХНИКО-ЭКОНОМИЧЕСКИЕ ПОКАЗАТЕЛИ

1

Площадь лесов

м2

1000

2

Трудоемкость устройства лесов

ч.час

227,27

3

Выработка на одного монтажника

м2/час

4,4

4

Трудоемкость разборки лесов

ч.час

136,36

5

Грузоподъемность автогидроподъемников

кг

до 350

6

Высота подъема рабочей площадки

м

до 35

7

Грузоподъемность люлек

кг

до 300

8

Высота подъема люльки

м

до 100


ИЛЛЮСТРАЦИИ

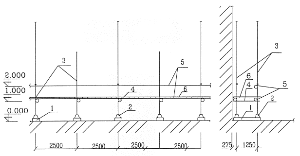
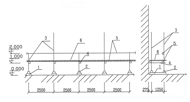
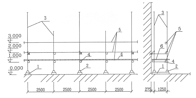
рис.1 Схема установки лесов по наружному ряду стоек. Общий вид.

1 - башмак опорный; 2 - стойка короткая; 3 - стойка длинная; 4 - связь короткая; 5 - связь длинная; 6 – поперечина; 7 - связь диагональная; х - крепление лесов к стене

 


рис.2 Схема установки элементов лесов

1) Схема установки подкладок (I ярус)

 

2) Схема установки башмаков (I ярус)

 

3) Схема установки стоек внутреннего и наружного ряда (I ярус)

1 - подкладка

2 - башмак

3 - стойки

 

4) Схема установки поперечин на отм. 1.0 (I ярус)

 

5) Схема установки продольных связей на отм. 1.0 (I ярус)

1 - подкладка

2 - башмак

3 - стойки

4 - поперечины

5 - связь

 

6) Схема установки продольных связей по наружному ряду стоек на отм. 2.00 (I ряд)

 

7) Схема раскладки щитов настила первого монтажного яруса, на отм. 1.00

1 - подкладки

2 - башмаки

3 - стойки

4 - поперечины

5 - продольные связи

6 - щиты настила

 

8) Наращивание коротких стоек длинными стойками.

 

9) Установка первой нити ограждения рабочего яруса на отм. 3.00 Установка продольных связей 1-го рабочего яруса по внутреннему ряду стоек на отм. 2.00

1 - подкладки

2 - башмаки

3 - стойки

4 - поперечины

5 - продольные связи

6 - щиты настила

 

10) Схема установки поперечин с креплением пробками к стене на отм. 2.00

 

11) Схема установки щитов настила первого рабочего яруса на отм. 2.00

1 - подкладки

2 - башмаки

3 - стойки

4 - поперечины

5 - продольные связи

6 - щиты настила

 


12) Схема раскладки щитов рабочего настила

1 - скоба

2 - бортовая доска

3 - щит настила

4 - связь

5 - стойка

6 - поперечина

13) Установка лестницы, второй нитки ограждения на отм. 2.5 и бортовой доски

1 - подкладки

2 - башмаки

3 - стойки

4 - поперечины

5 - продольные связи

6 - щиты настила

7 - бортовая доска

8 - лестница

 

 

 

 

 

     

 

 

Рис. 3 Схема подъема груза лебедкой

 


 


Рис. 4 Схемы установки лесов при различной конфигурации зданий

 
Схема №1

 

Схема №2

 

Схема №3

 

Схема №4 /при выступе стены до 1м/

 

Схема №5 /при выступе стены более 1м/

 

Схема №6

 

Схема №7

 

 

рис. 5. Схема крепления лесов при наличии балконов.

 

1 - стойка

2 - башмак

3 - поперечина

5 - связь

7 - инвентарная пробка

рис. 6. Схема креплении лесов при наличии арки.

 

1 - раскос

3 - стойка

8 - связь

5 - поперечина

 

рис. 8. Схема крепления лесов при наличии карниза.

 

1 - раскос

2 - дополнительные стойки дл. 4м

3 - основные стойки дл. 2 и 4м

4 -башмак

5 -поперечина

6 - инвентарная пробка

 

рис. 9. Схемы установки лесов при наличии эркера.

1 - стойка

2 - башмак

3 - поперечина

5 - связь

7 - инвентарная пробка

 

рис. 10. Схема крепления лесов при наличии оконных проемов.

 

а) у окон проема

 

б) в оконный проем (1 вариант)

 

в) в оконный проем (2 вариант)

1 - раскос

2 - стойка

4 - поперечина

5 - инвентарная пробка

7 - связь


1. Молниеприемник L=3600

2. Стойка лесов

3. Полоса 4×25×820

4. Труба заземления L=2500

Рис. 11 Грозозащитное устройство


рис. 12. Автогидроподъемник АГП-12.02.

 

рис. 13. Автогидроподъемник Р-184Н.

 

рис. 14. Автогидроподъемник Р-183.

 

рис. 15. Автогидроподъемник ВС-18-МС.

 

рис. 16. Автогидроподъемник АГП-22.04.

 

рис. 17. Автогидроподъемник ВС-22-МС.

 

рис. 18. Автогидроподъемник АГП-28.

 

рис. 19. Автогидроподъемник "Скайлифт NS30-3LW".

 

рис. 20. Автогидроподъемник "Бронто Скайлифт 330-3".

 

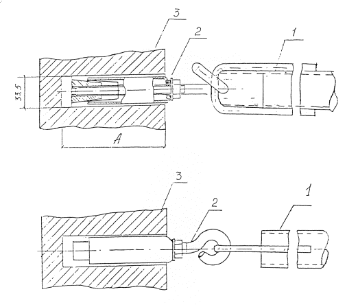
рис. 21. Башмак.

 

Примечание: удлиненные пробки применять при ослабленной кирпичной кладке, а также кладке из семищелевого и других видов эффективного кирпича.

1 - поперечина лесов

2 - инвентарная саморасклинивающая пробка

3 - кирпичная кладка

 

Длина пробки

А, мм

Наименование

Масса, кг

Проект

ЦНИИОМТП

135

Стандартная пробка

-

-

315

Удлиненная пробка

0,34

3316

365

Удлиненная пробка

0,38

3316

415

Удлиненная пробка

0,43

3316

520

Удлиненная пробка

0,51

3316

рис. 22. Типовое крепление лесов инвентарными пробками

 

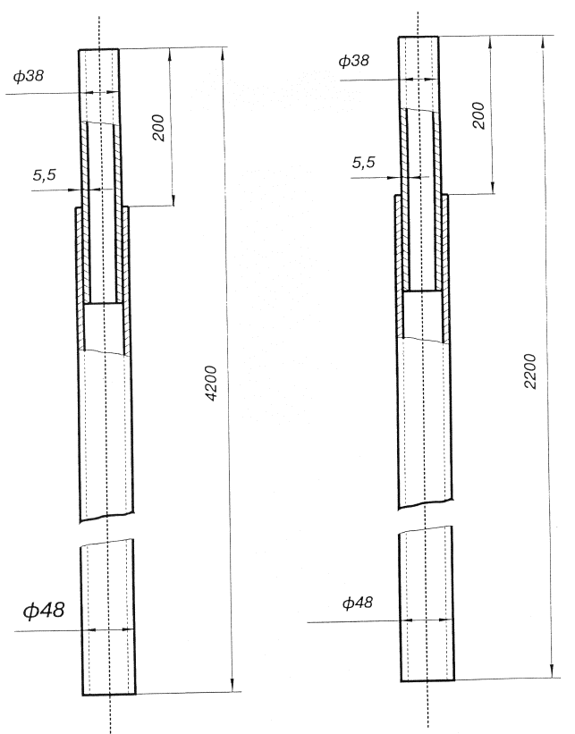
рис. 23. Стойки лесов.

 

Поз.

Обозначение

Наименование

Кол.

Материал

Масса

Лист

шт.

общ.

1.

3316.11.001

Скоба

1

Круг В8, ГОСТ 2590-88

Ст.3, ГОСТ 535-88

0,08

0,08

2

3316.11.002

Штанга

1

Труба 40, ГОСТ 3262-75

8,2

8,2

б/ч

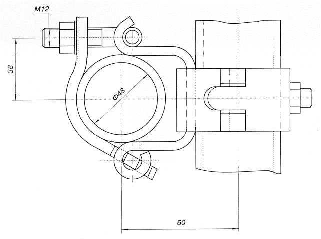
рис. 24. Поперечина.

 

рис. 25. Связь.

 

рис. 26. Хомут неповоротный.

 

рис. 27. Хомут поворотный.

 

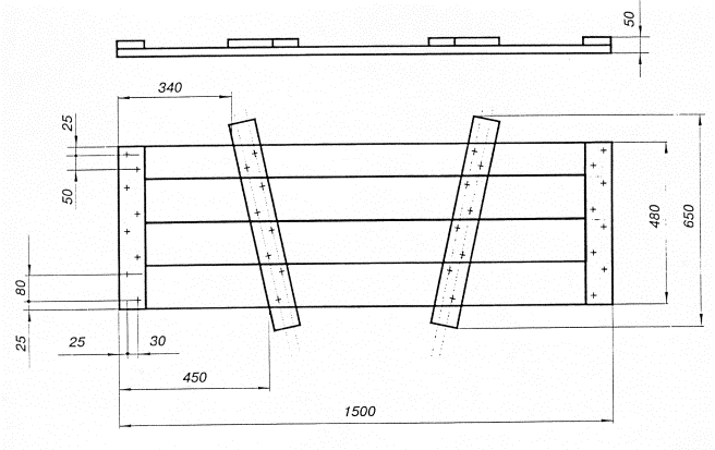
рис. 28. Щит

 

 

Поз.

Обозначение

Наименование

Кол.

Материал

Масса

Лист

шт.

общ.

1.

3316.10.001

Крюк

2

Круг Ст.3, ГОСТ 535-88

0,29

0,58

-

2.

3316.10.002

Поперечина l=430-1,55

8

Труба 20, ГОСТ 3262-75

0,71

5,68

б/ч

3.

3316.10.003

Стойка, l=2255-3,5

2

Угловая сталь

Б×36×36×4,ГОСТ 8509-93

Ст.З, ГОСТ 535-88

4,87

9,74

б/ч

4

3316.10.004

Штырь l=150-1

4

Круг В18, ГОСТ 2590-71

Ст.З. ГОСТ 535-88

0,26

1,04

б/ч

рис. 29. Лестница

 

Рис. 30 Козырек


рис. 31. Места крепления лесов к стене. Высота лесов 40 м.

рис. 32. Схема допускаемых нагрузок на леса.

 

рис. 33. Схема размещения нагрузок.


ИСПОЛЬЗОВАННАЯ ЛИТЕРАТУРА

1. СНиП 3.01.01-85* "Организация строительного производства"

2. СНиП III-4-80* "Техника безопасности в строительстве"

3. ГОСТ 24258-88 "Средства подмащивания. Общие технические условия"

4. ГОСТ 27321-87 "Леса стоечные приставные для строительно-монтажных работ. Технические условия"

5. ГОСТ 22859-77 "Подъемники автомобильные гидравлические. Общие технические условия"

6. ГОСТ 27372-87 "Люльки для строительно-монтажных работ. Технические условия»

7. Паспорт и инструкция на леса стоечные приставные хомутовые. ЛСПХ 3316

8. В.П.Сукачев, Р.А.Каграманов. Справочник строителя. Средства малой механизации для производства строительно-монтажных работ. Москва, Стройиздат, 1989г.

9. "Указания по установке и безопасной эксплуатации грузоподъемных кранов и строительных подъемников при разработке проектов производства работ" ОАО ПКТИпромстрой

10. ПБ 10-11-92."Правила устройства и безопасной эксплуатации подъемников (вышек)" Госгортехнадзор России

 




ГОСТЫ, СТРОИТЕЛЬНЫЕ и ТЕХНИЧЕСКИЕ НОРМАТИВЫ.
Некоммерческая онлайн система, содержащая все Российские Госты, национальные Стандарты и нормативы.
В Системе содержится более 150000 файлов нормативно-технической документации, действующей на территории РФ.
Система предназначена для широкого круга инженерно-технических специалистов.

Рейтинг@Mail.ru Яндекс цитирования

Copyright © www.gostrf.com, 2008 - 2026