|
|
|
РОССИЙСКОЕ АКЦИОНЕРНОЕ ОБЩЕСТВО ЗАКРЫТОГО ТИПА "РОСКОММУНЭНЕРГО"
ЗАКРЫТОЕ АКЦИОНЕРНОЕ ОБЩЕСТВО "АСУ МОСОБЛЭЛЕКТРО"
МЕТОДИЧЕСКИЕ РЕКОМЕНДАЦИИ ПО ОПРЕДЕЛЕНИЮ ПОТЕРЬ ЭЛЕКТРИЧЕСКОЙ ЭНЕРГИИ В ГОРОДСКИХ ЭЛЕКТРИЧЕСКИХ СЕТЯХ НАПРЯЖЕНИЕМ 10(6)-0,4 кВ
Основные организационно-технические мероприятия по снижению потерь электрической энергии
РАЗРАБОТАНЫ Российским акционерным обществом "Роскоммунэнерго" и ЗАО "АСУ Мособлэлектро" СОГЛАСОВАНЫ Госэнергонадзором Минэнерго России (09.11.00 №32-01-07/45) УТВЕРЖДЕНЫ Заместителем председателя Госстроя России 23.04.01 Методические рекомендации по определению потерь электрической энергии в городских электрических сетях напряжением 10(6)-0,4 кВ позволяют выполнять технически обоснованные расчеты, анализировать уровень потерь электрической энергии, разрабатывать мероприятия по оптимизации конфигурации и режимов работы городских электрических сетей по критерию минимизации потерь. В соответствии с Рекомендациями по укрупненной оценке нормативов условно-постоянных и переменных потерь электрической энергии, утвержденными ФЭК России (постановление от 17.03.00 № 14/10), настоящие Методические рекомендации определяют требования к схемно-техническому методу, используемому для обоснования уточненных значений потерь электрической энергии при передаче и распределении с учетом реальной структуры электрических сетей и исходной информации. В Методических рекомендациях рассмотрены основные организационно-технические мероприятия, направленные на снижение технологического расхода электрической энергии при ее передаче и распределении. ОБЩИЕ ПОЛОЖЕНИЯ1. Настоящие "Методические рекомендации по определению потерь электрической энергии в городских электрических сетях напряжением 10(6)-0,4 кВ" (далее - Методика) предназначена для применения организациями системы жилищно-коммунального хозяйства, эксплуатирующими городские электрические сети напряжением 10(6)-0,4 кВ. 2. В Методике рассматриваются положения, относящиеся к определению потерь электроэнергии в трансформаторах (ΔWтр) и линиях электропередачи (ΔWл). 3. Другие составляющие технологического расхода электроэнергии при ее передаче и распределении определяются: - погрешность измерения активной электроэнергии (ΔWи) - по Методическим указаниям РД 34.11.325-90, утвержденным Главтехуправлением Минэнерго СССР 12.12.90 [1]; - расход электрической энергии на собственные нужды подстанций (ΔWсн) и хозяйственные нужды предприятий электрических сетей (ΔWхн) - по Типовой инструкции по учету электроэнергии при ее производстве, передаче и распределении РД 34.09.101-94, утвержденной Главэнергонадзором России 02.09.94 [2]. В приложении 1 к настоящим Методическим рекомендациям приводятся извлечения из приложений 3, 4 Типовой инструкции РД 34.09.101-94. 4. Методика содержит порядок определения потерь электроэнергии методом поэлементного расчета и средних нагрузок, которые рекомендуются как предпочтительные для разомкнутых сетей 10(6) кВ. Применение поэлементного метода расчета позволяет рассчитывать потери по отдельным конкретным элементам (распределительные линии 10(6) кВ; трансформаторы 10(6)/0,4 кВ; распределительные линии 0,4 кВ), а также по сети в целом. 5. Для выполнения расчетов и анализа потерь электроэнергии в городских электрических сетях должны использоваться программы расчетов с применением ЭВМ, имеющие сертификат соответствия. До внедрения программ, расчеты потерь в сетях могут проводиться без использования ЭВМ с соблюдением требований настоящей Методики. Описание одной из рекомендуемых программ приведено в приложении к настоящей Методике. К использованию для расчета потерь электроэнергии допускаются программы, рекомендованные Госэнергонадзором или Госстроем России. 6. Для объективной оценки и анализа значений потерь электрической энергии целесообразно выполнение следующих видов расчетов: ретроспективные - выполняются по ретроспективным (отчетным) данным; оперативные - выполняются по оперативным (текущим) данным, получаемым через устройства телеизмерений; перспективные - выполняются по прогнозируемым (планируемым) показателям с учетом выполнения мероприятий по оптимизации работы электрической сети. 7. Ретроспективные расчеты выполняются в целях: определения структуры потерь по элементам (группам элементов) электрической сети; выявления элементов сети, имеющих повышенные потери; выявления величин потерь электроэнергии, не входящих в номенклатуру технически обоснованных, и составляющих безучетное потребление; определения эффективности внедряемых мероприятий по снижению потерь электроэнергии; составления баланса электроэнергии по системе электроснабжения в целом, по структурным подразделениям предприятия и подстанциям, и разработки мероприятий по снижению небалансов. 8. Оперативные расчеты выполняются в целях: текущего контроля за значениями потерь электроэнергии и их изменением во времени; оперативной корректировки режимов и схем электрических сетей в целях минимизации потерь; определения ожидаемых потерь электроэнергии за месяц, квартал, год; формирования базы данных, используемых при прогнозировании потерь электроэнергии и выполнении перспективных расчетов. 9. Перспективные расчеты выполняются для: определения ожидаемых потерь электроэнергии на планируемый и дальнейшие годы; расчета ожидаемой эффективности планируемых мероприятий по снижению потерь; сравнения вариантов реконструкции электрических сетей по уровню потерь электроэнергии. 10. Расчеты потерь электроэнергии должны базироваться на данные суточных графиков тока нагрузки и напряжения на шинах ЦП и РП, приходящихся на период контрольных замеров в зимний максимум и летний минимум нагрузок. Измерения проводятся при нормальном режиме работы электрической сети. Кроме того, необходимо иметь величину токов трехфазного короткого замыкания на шинах ЦП или реактанс системы (Rс; Хс). 11. Для выполнения расчетов потерь в сети 0,4 кВ измерения токов нагрузки фаз и напряжения в начале и конце линии должны производиться одновременно. Токовые нагрузки измеряются на всех фазах и в нулевом проводе. 12. Результаты расчетов используются для анализа структуры технологического расхода электроэнергии на ее передачу и распределение, выявления элементов с повышенными потерями, разработки мероприятий по снижению потерь электрической энергии, а также при обосновании их размера для целей установления тарифов на электрическую энергию или размера платы за услуги по ее передаче и распределению. 13. На основании выполненных расчетов потерь электроэнергии предприятия должны проводить структурный анализ потерь электроэнергии (по элементам сети), по результатам которого разрабатываются ежегодные планы мероприятий по снижению потерь электроэнергии в сетях. 14. Для анализа потерь электрической энергии и достоверности отчетных экономических показателей работы электрических сетей ежегодно должен составляться баланс, в состав которого включаются следующие показатели: - поступление электроэнергии с шин ЦП в городскую распределительную сеть (Wп); - отпуск электроэнергии потребителям (Wo); - расход электроэнергии на собственные (Wсн) и хозяйственные нужды (Wхн); - потери электроэнергии в силовых трансформаторах (ΔWтр); - потери электроэнергии в распределительных линиях (ΔWл); - погрешности измерений (ΔWи). Значение фактического небаланса (НБ) определяются по формулам, приведенным в [2]. Если фактическое значение НБ превышает его допустимое значение, необходимо выявить причины этого и принять меры по их устранению. МЕТОДИКА ОПРЕДЕЛЕНИЯ ПОТЕРЬ ЭЛЕКТРОЭНЕРГИИ15. Подготовка исходных данных для расчета потерь электроэнергии15.1. Для выполнения расчетов потерь электрической энергии используется утвержденная принципиальная электрическая схема питающей и распределительной сети 10(6)-0,4 кВ в нормальном режиме ее работы с указанием на ней всех центров питания (ЦП), распределительных пунктов (РП), типов реакторов, марок, сечений и длин всех кабельных (КЛ) и воздушных (ВЛ) линий, номера сетевых и абонентских трансформаторных подстанций (ТП). На ТП должны быть указаны номера ячеек, данные силовых трансформаторов, коммутирующих аппаратов. На ЦП и РП указываются номера секций и ячеек, наименование питающих и распределительных линий, отходящих от данных секций. Кроме того, на схеме сети должны быть проставлены токоразделы, соответствующие нормальному режиму работы электросети. 15.2. При расчетах потерь электрической энергии используются фактические данные, полученные из автоматизированной системы контроля и учета, а при ее отсутствии - результаты контрольных замеров за расчетный период. 16. Определение потерь электроэнергии в сетях напряжением 10(6) кВ16.1. Исходными данными для расчета потерь электрической энергии в сети напряжением 10(6) кВ являются: общее количество активной электроэнергии Wп (кВт-ч), поступившей в распределительную сеть за расчетный период; количество активной WA (кВт-ч) и реактивной Wр (кВАр∙ч) энергии, поступившей в каждую линию напряжением 10(6) кВ за расчетный период; суточные почасовые графики нагрузки I(t) (А) на шинах ЦП для рабочих суток зимнего максимума и летнего минимума нагрузок, выбранные для контрольных замеров в расчетный период; сведения о продолжительности отключения линий в течение расчетного периода, ч; данные о фактической величине расхода электрической энергии за расчетный период (кВт∙ч, %) на передачу ее и распределение. 16.2. Расчет потерь электрической сети 10(6) кВ по программам на ЭВМ выполняется для каждого участка линии, отходящей от шин ЦП до абонента. До внедрения программ расчетов потерь на ЭВМ уровень потерь электрической энергии в электрических сетях может быть определен по нижеприведенным формулам. 16.3. Потери электроэнергии в каждой линии сети определяются по следующей формуле:
где ΔW'A - потери активной энергии в активном сопротивлении линии (ф-2); ΔW"A - потери активной энергии в активном сопротивлении линии при передаче реактивной мощности
16.4. Потери активной и реактивной электроэнергии в распределительной линии за расчетный период времени t:
где Kэ - коэффициент эквивалентности сопротивления распределительной линии; R∑, X∑ - активное и реактивное сопротивления распределительной линии, Ом; t - расчетный период (за вычетом продолжительности отключения линии), ч; Iмин, Iмакс - соответственно минимальное и максимальное значение нагрузки на головном участке линии, взятые из суточных графиков нагрузки, снятые в зимний максимум и летний минимум, приходящихся на период контрольных замеров, А; β - коэффициент формы графика нагрузки. 16.5. Коэффициент эквивалентности сопротивления позволяет для упрощения расчета заменить разветвленную распределительную линию некоторым эквивалентным сопротивлением, по которому протекает ток головного участка линии, при условии сохранения неизменными потери мощности для определенного момента. Коэффициент эквивалентности Kэ определяется по графику рис. 1 в зависимости от отношения Rг.у/R∑ и места сосредоточения мощной нагрузки (номинальной мощности ТП) вдоль распределительной линии (Rг.у - активное сопротивления головного участка распределительной линии, Ом)
где ro - удельное расчетное активное сопротивление 1 км кабеля (провода) головного участка, Ом/км; Iг.у - длина кабеля (провода) головного участка от ЦП до места присоединения суммарной нагрузки, км. Для определения места сосредоточения мощной нагрузки вдоль распределительной линии поступают следующим образом. Количество нагрузок (ТП) распределительной линии делят пополам. По обе стороны предполагаемого сечения определяют суммарную установленную мощность трансформаторов ТП. В зависимости от того, по какую сторону сечения (в начале или в конце линии) суммарная установленная мощности больше, используются кривые 1 и 2 на графике рис. 1. Если имеется ответвление, то его условно заменяют сосредоточенной нагрузкой и суммарной установленной мощностью в месте присоединения ответвления. 1 - мощная нагрузка сосредоточена в начале линии; 2 - мощная нагрузка сосредоточена в конце или середине линии. Рис. 1. Зависимость коэффициента эквивалентности сопротивления распределительной линии: При выполнении расчетов на ЭВМ с использованием программных средств замена разветвленных линий эквивалентной нагрузкой не требуется, расчет потерь на ЭВМ выполняется для каждого участка сети 10(6) кВ. 16.6. Активное и индуктивное сопротивления распределительной линии определяют:
где roi, хoi - условное активное и индуктивное сопротивления 1 км кабеля (провода) одного сечения i-го участка, Ом∙км; Ii - длина i-го участка, км; k - число участков распределительной линии. 16.7. Средний ток нагрузки для каждой линии за расчетный период (год) определяется:
где Ucp - среднее напряжение на шинах ЦП за расчетный период. При наличии суточных графиков напряжения, снятых на шинах ЦП, можно определить наиболее вероятное (мода распределения U(М)) значения напряжения (приложение 8 п. 7). 16.8. Относительное значение среднего тока нагрузки для каждой линии определяют:
где Iмин, Iмакс - минимальный и максимальный ток, взятый из суточных графиков замеров нагрузок в период контрольных замеров в расчетный период. 16.9. Из усредненного графика ΔIср = ƒ(β) по значению ΔIср находится коэффициент формы годового графика нагрузки β рис. 2 [6] Рис. 2. Зависимость коэффициента формы графика ΔIср = ƒ(β) 16.10. Для определения потерь электроэнергии для всей сети определяются потери электроэнергии для каждой линии по формуле (1) и затем суммируются:
где m - число распределительных линий. Относительные потери электроэнергии в сети 10(6) кВ за расчетный период:
17. Определение потерь электроэнергии в силовых трансформаторах напряжением 10(6)/0,4 кВ17.1. Исходными данными для расчета потерь электрической энергии в силовых трансформаторах являются: тип трансформаторов, мощность; номинальный ток, потери холостого хода и короткого замыкания (по паспортным данным); сведения об отключении трансформаторов в течение расчетного периода; средний максимальный рабочий ток трансформатора, взятый из суточных графиков нагрузки в период контрольных замеров:
количество активной энергии, поступившей в силовые трансформаторы, Wтр, количество активной энергии, поступившей в абонентские трансформаторы Wтр.а (кВт∙ч) за расчетный период. 17.2. Годовые потери электроэнергии в силовом трансформаторе определяются:
где t - число часов работы трансформатора за расчетный период; τ - время максимальных потерь (условное время, в течение которого потери в активном сопротивлении элемента сети при постоянной максимальной нагрузке были бы равны потерям энергии в том же элементе за расчетный период времени при действительном графике нагрузки), ч; ΔРх.х.i, ΔРк.з.i - потери мощности холостого хода и короткого замыкания, кВт; Kз - коэффициент загрузки трансформатора в период годового максимума, определяемый как
где Iнi - номинальный ток i-го трансформатора, А; Iср.макс - средний максимальный ток по суточным графикам в период контрольных замеров. 17.3. Приближенно величину т определяют по следующей формуле: где Т- число часов использования максимальной нагрузки, ч. 17.4. Число часов использования максимальной нагрузки Т определяется по формуле:
где Uтр.н. - номинальное линейное напряжение трансформатора на низкой стороне. На основании расчетных величин Т и τ можно построить график зависимости τ = ƒ(Т) приложение 2 [7]. 17.5. Годовые потери электроэнергии во всех трансформаторах определяются:
где n - число трансформаторов в электрической сети. 17.6. Относительная величина потерь электроэнергии в силовых трансформаторах:
где Wтр - количество электроэнергии поступившей в силовые трансформаторы, кВт∙ч:
18. Определение величины потерь электрической энергии в сети напряжением 0,4 кВ18.1. Исходными данными для определения потерь электроэнергии в целом по сети 0,4 кВ или по какому-либо району указанной сети являются: количество электроэнергии Wн.н (кВт∙ч), поступившей в сеть напряжением 0,4 кВ за расчетный период; фазные напряжения на всех трех фазах отходящей линии U1а, U1б, U1в и токи Iа, Iб, Iв, измеренные на шинах ТП; фазные напряжения U2а, U2б, U2в измеренные в конце линии. Измерения выполняются в дни контрольных замеров в расчетный период. 18.2. Потери электроэнергии в линиях 0,4 кВ рассчитываются по формулам: для кабельной линии
для воздушной линии
где ΔUсрi - среднее падение напряжения в конце распределительной линии, В; Iсрi, - средний ток линии 0,4 кВ в ее начале на ТП в момент замера ΔUсрi. 18.3. Относительные потери электроэнергии в кабельной сети с коммунально-бытовой нагрузкой определяются: где Kд.п.ср - коэффициент дополнительных потерь, возникших из-за неравномерной загрузки фаз; ΔUср - средние относительные потери напряжения для сети низкого напряжения, %. 18.4. Определение относительных потерь напряжения (в %) для сети напряжением 0,4 кВ производится по измерениям фазных напряжений в начале и в конце линии и подсчитывается как среднее фазное значение напряжения в начале и в конце линии в дни контрольных замеров:
среднее значение потери напряжения в линиях:
средний процент потерь напряжения для одной ТП:
средний процент потерь напряжения для всех ТП, на которых проводились замеры:
где n - число ТП, на которых были выполнены контрольные замеры. Средний процент потерь мощности в сети 0,4 кВ:
где Kм/н - коэффициент, определяющий отношение потери мощности к потери напряжения (для приближенных вычислений принимать Kм/н = 0,75 [4]). 18.5. Число часов максимальных потерь τ рекомендуется определять по формуле 13 или из графика τ = ƒ(T) (приложение 2). 18.6. Средний коэффициент дополнительных потерь для сети напряжением до 0,4 кВ равен:
где n - число распределительных линий, включенных в расчет; Kд.пi - коэффициент дополнительных потерь при неравномерной нагрузке фаз распределительной линии определяют:
где Ro, Rф - соответственно активные сопротивления нулевого и фазного проводов, Ом; Kнi - коэффициент неравномерности нагрузки фаз распределительной линии, который равен:
где Iаi, Iвi, Ici - соответственно значения токов (А) фаз А, В, С головного участка распределительной линии 0,4 кВ; Iсрi - среднее значение токов (А) фаз А, В, С. Коэффициенты K2нi и Kд.п можно определить по приложениям 3 и 4. Для двухпроводной линии Kд.п = 1, для трехпроводной линии Kд.п = K2нi 18.8. Относительная величина потерь электроэнергии в сети с воздушными линиями и коммунально-бытовой нагрузкой определяется:
18.9. Относительная величина потерь электроэнергии в линии с одной нагрузкой равна:
18.10. Потери электроэнергии в сети напряжением 0,4 кВ будут равны:
МЕРОПРИЯТИЯ ПО СНИЖЕНИЮ ПОТЕРЬ ЭЛЕКТРИЧЕСКОЙ ЭНЕРГИИ В ГОРОДСКИХ ЭЛЕКТРИЧЕСКИХ СЕТЯХ19. Снижение потерь электроэнергии при передаче и распределении является актуальной задачей энергоснабжающих организаций и одним из основных направлений энергосбережения. Основным условием работы электрической сети с минимальными потерями является ее рациональное построение. При этом особое внимание должно быть уделено правильному определению точек деления в замкнутых сетях, экономичному распределению активных и реактивных мощностей, внедрению замкнутых и полузамкнутых схем сети 0,4 кВ. Потери энергии в рационально построенных и нормально эксплуатируемых сетях не должны превышать обоснованного технологического расхода энергии при ее передаче и распределении. Мероприятия по снижению потерь энергии должны проводиться в сетях, где есть те или иные отклонения от рационального построения и оптимального режима эксплуатации. Применение современных математических методов расчета позволяет минимизировать технологические расходы электроэнергии и довести их до технически обоснованных величин. 20. Снижение потерь электроэнергии в электрических сетях может быть достигнуто как в результате проведения мероприятий по общей оптимизации сети, когда снижение потерь энергии является одной из составляющих частей комплексного плана, так и в результате проведения мероприятий, направленных только на снижение потерь. По этому признаку все мероприятия по снижению потерь (МПС) могут быть условно разделены на три группы: - организационные, к которым относятся МПС по совершенствованию эксплуатационного обслуживания электрических сетей и оптимизации их схем и режимов (малозатратные и беззатратные МПС); - технические, к которым относятся мероприятия по реконструкции, модернизации и строительству сетей (МПС, требующие капитальных затрат); - мероприятия по совершенствованию учета электроэнергии, которые могут быть как беззатратные, так и требующих дополнительных затрат (при организации новых точек учета). 21. К организационным мероприятиям могут относиться: - определение (выбор) точек оптимального деления сети 6-10 кВ; - уменьшение времени нахождения линии в отключенном положении при выполнении технического обслуживания и ремонта оборудования и линий; - снижение несимметрии (неравномерности) загрузки фаз; - рациональная загрузка силовых трансформаторов. 22. К приоритетным техническим мероприятиям в распределительных сетях 10 (6)-0,4 кВ относятся: - в проектах предусматривающих при реконструкции перевод действующих сетей 6 кВ на повышенное напряжение 10 кВ рекомендуется использовать установленное оборудование при соответствии его характеристик повышенному напряжению; - увеличение доли сетей на напряжение 35 кВ; - сокращение радиуса действия и строительство ВЛ 0,4 кВ в трехфазном исполнении по всей длине; - применение столбовых трансформаторов (10 (6)/0,4 кВ) малой мощности для сокращения протяженности сетей напряжением 0,4 кВ; - перевод сетей низкого напряжения с 220 В на 380 В; применение самонесущих изолированных и защищенных проводов для ВЛ напряжением 0,4-10 кВ; - использование максимально допустимого сечения проводов в электрических сетях напряжением 0,4-10 кВ с целью адаптации их пропускной способности к росту нагрузок в течение всего срока службы: - усиление элементов действующей сети путем прокладки новых линий или замене проводов и кабелей на большие сечения; - проведение работы по компенсации реактивных нагрузок; - поддержание значений показателей качества электроэнергии в соответствии с требованием ГОСТ 13109-97; - внедрение устройств автоматического регулирования напряжения под нагрузкой, вольт добавочных трансформаторов, средств встроенного регулирования напряжения; - внедрение нового экономического электрооборудования, в частности, трансформаторов с уменьшенными активными и реактивными потерями холостого хода, установка конденсаторных батарей встроенных в КТП и ЗТП; - комплексная автоматизация и телемеханизация электрических сетей, применение коммутационных аппаратов нового поколения; - применение средств дистанционного определения мест повреждения в электрических сетях для сокращения времени поиска и ликвидации аварий. 23. В состав мероприятий по совершенствованию учета следует предусматривать: - применение приборов учета (электросчетчики, измерительные трансформаторы) более высокого класса точности измерения; - осуществление мер по предупреждению несанкционированного доступа к клеммам средств измерений; - внедрение автоматизированных систем учета, сбора и передачи информации; - проведение организационных и технических мероприятий по предупреждению выявления и устранению безучетного потребления электрической энергии. 24. Характерной особенностью режима работы электрических сетей 0,4 кВ является неравномерность загрузки фаз. - Величина потерь мощности при неравномерной нагрузке фаз ΔРн может быть выражена как
где ΔРс - потери мощности при симметричной нагрузке фаз, кВт; Kд.п - коэффициент дополнительных потерь при неравномерной нагрузке. Выравнивание нагрузок производится переключением нагрузки с более загруженной фазы на менее загруженные после проведения замеров нагрузок по фазам линии и анализа результатов. Отрицательное влияние несимметрии, которую нельзя устранить выравниванием нагрузок по фазам, можно уменьшить: заменой силовых трансформаторов со схемой соединения обмоток "звезда/звезда" на трансформаторы со схемой "звезда/зигзаг" или "треугольник/звезда", которые менее чувствительны к несимметрии нагрузок; увеличением сечения нулевого провода в линии 0,4 кВ до сечения фазного провода. В приложении 5 приводится пример расчета эффективности мероприятий выравнивания нагрузки фаз в сети 0,4 кВ. 25. Важным мероприятием по сокращению технологического расхода электроэнергии является увеличение эффективности использования трансформаторов за счет сезонного отключения одного из двух трансформаторов двухтрансформаторной подстанции. При этом отключается трансформатор, работающий с наименьшей нагрузкой, и его нагрузка переводится на другой трансформатор. Пример расчета эффективности данного мероприятия приводится в приложении 6. 26. Сокращение потерь электроэнергии достигается заменой трансформаторов при устойчивом недоиспользовании их мощности. При коэффициенте загрузки трансформатора 10(6)/0,4 кВ меньше 0,5, имеет место существенное относительное увеличение потерь электроэнергии за счет потерь холостого хода. Снижение потерь электроэнергии в результате замены трансформаторов определяется по формуле:
где ΔРх.х.1, ΔРх.х.2 - потери мощности холостого хода трансформаторов, кВт; ΔРкз.1, ΔРкз.2 - потери мощности короткого замыкания трансформаторов, кВт; Т - время использования максимальной нагрузки; τ - время максимальных потерь. В приложении 7 приведен пример расчета эффективности замены малозагруженных трансформаторов трансформаторами меньшей мощности. Приложение 1
|
|||||||||||||||||||||||||||||||||||||||||||||||||||||||||||||||||||||||||||||||||||||||||||||||||||||||||||||||||||||||||||||||||||||||||||||||||||||||||||||||||||||||||||||||||||||||||||||||||||||||||||||||||||||||||||||||||||||||||||||||||||||||||||||||||||||||||||||||||||||||||||||||||||||||||||||||||||||||||||||||||||||||||||||||||||||||||||||||||||||||||||||||||||||||||||||||||||||||||||||||||||||||||||||||||||||||||||||||||||||||||||||||||||||||||||||||||||||||||||||||||||||||||||||||||||||||||||||||||||||||||||||||||||||||||||||||||||||||||||||||||||||||||||||||||||||||||||||||||||||||||||||||||||||||||||||||||||||||||||||||||||||||||||||||||||||||||||||||||||||||||||||||||||||||||||||||||||||||||||||||||||||||||||||||||||||||||||||||||||||||||||||||||||||||||||||||||||||||||||||||||||||||||||||||||||||||||||||||||||||||||||||||||||||||||||||||||||||||||||||||||||||||||||||||||||||||||||||||||||||||||||||||||||||||||||||||||||||||||||||||||||||||||||||||||||||||||||||||||||||||
|
K2 |
K1 |
||||||||||
|
1,0 |
0,9 |
0,8 |
0,7 |
0,6 |
0,5 |
0,4 |
0,3 |
0,2 |
0,1 |
0 |
|
|
0 |
1,5 |
1,504 |
1,52 |
1,547 |
1,594 |
1,667 |
1,776 |
1,935 |
2,167 |
2,504 |
3,0 |
|
0,1 |
1,37 |
1,365 |
1,37 |
1,389 |
1,422 |
1,476 |
1,56 |
1,684 |
1,684 |
2,125 |
|
|
0,2 |
1,25 |
1,258 |
1,26 |
1,271 |
1,296 |
1,339 |
1,406 |
1,507 |
1,658 |
|
|
|
0,3 |
1,16 |
1,168 |
1,177 |
1,185 |
1,205 |
1,241 |
1,298 |
1,383 |
|
|
|
|
0,4 |
1,12 |
1,117 |
1,116 |
1,122 |
1,14 |
1,172 |
1,222 |
|
|
|
|
|
0,5 |
1,08 |
1,078 |
1,072 |
1,078 |
1,095 |
1,125 |
|
|
|
|
|
|
0,6 |
1,05 |
1,042 |
1,042 |
1,049 |
1,066 |
|
|
|
|
|
|
|
0,7 |
1,024 |
1,021 |
1,022 |
1,031 |
|
|
|
|
|
|
|
|
0,8 |
1,01 |
1,008 |
1,012 |
|
|
|
|
|
|
|
|
|
0,9 |
1,002 |
1,002 |
|
|
|
|
|
|
|
|
|
|
1,0 |
1,0 |
|
|
|
|
|
|
|
|
|
|
Коэффициенты
|
|
где Iа - ток наиболее загруженной фазы, Iс - ток наименее загруженной фазы (K1 > K2).
Зависимость Kд.п от K2 при ![]()

Зависимость дополнительных потерь от неравномерной загрузки фаз
Пример расчета эффективности мероприятий от выравнивания нагрузки фаз в сети 0,4 кВ
|
Номер рубильника |
До проведения выравнивания нагрузки фаз |
||||||||
|
ток в фазах, А |
средний ток Iср,А |
потери напряжения, ΔU, В |
число максимальных потерь, τ, ч |
коэффициент несимметрии Kн2 |
коэффициент дополнительных потерь Kд.п |
потери электроэнергии в линии ΔA1, кВт·ч |
|||
|
Iа |
Iв |
Iс |
|||||||
|
1 |
2 |
3 |
4 |
5 |
6 |
7 |
8 |
9 |
10 |
|
1 |
11 |
18 |
20 |
16,3 |
2,35 |
5650 |
1,042 |
1,105 |
322,9 |
|
2 |
65 |
29 |
56 |
50 |
14 |
5650 |
1,078 |
1,183 |
6316 |
|
3 |
18 |
16 |
20 |
18 |
1,79 |
5650 |
1,008 |
1,03 |
253 |
|
4 |
36 |
55 |
46 |
45,7 |
5,5 |
5650 |
1,022 |
1,088 |
2085 |
|
5 |
60 |
30 |
60 |
50 |
6,8 |
2650 |
1,08 |
1,2 |
1460 |
|
6 |
15 |
48 |
5 |
22,7 |
5 |
4550 |
1,684 |
2,71 |
1889 |
|
7 |
10 |
13 |
70 |
31 |
20,6 |
4550 |
1,684 |
4,56 |
17887 |
|
Итого |
|
30214 |
|||||||
|
1 |
2 |
3 |
4 |
5 |
6 |
7 |
8 |
9 |
10 |
|
1 |
16 |
18 |
15 |
16,3 |
2,35 |
5650 |
1,002 |
1,005 |
218 |
|
2 |
49 |
45 |
56 |
50 |
14 |
5650 |
1,008 |
1,025 |
5446 |
|
3 |
18 |
18 |
18 |
18 |
1,79 |
5650 |
1 |
1 |
246 |
|
4 |
40 |
51 |
46 |
45,7 |
5,5 |
5650 |
1,002 |
1,008 |
1932 |
|
5 |
50 |
50 |
50 |
50 |
6,8 |
2650 |
1 |
1 |
1171 |
|
6 |
25 |
25 |
18 |
22,7 |
5 |
4550 |
1,073 |
1,16 |
823 |
|
7 |
31 |
28 |
34 |
31 |
20,6 |
4550 |
1,022 |
1,11 |
4354 |
|
Итого |
|
14190 |
|||||||
|
Номер трансформатора |
Номинальная мощность Sн, кВА |
ток, А |
Коэффициент загрузки Kз |
число часов, ч |
потери мощности, кВт |
потери энергии, кВт-ч |
||||
|
номинальный Iн |
Максимальный рабочий Iм |
Максимальной нагрузки T |
максимальных потерь τ |
Холостого хода ΔPх.х |
Короткого замыкания ΔPк.з |
Холостого хода ΔWх.х |
Короткого замыкания ΔWхк.з |
|||
|
t = 8760 ч |
||||||||||
|
1 |
100 |
144 |
110 |
0,76 |
6789 |
5650 |
0,6 |
2,4 |
5256 |
7915 |
|
2 |
100 |
144 |
85 |
0,59 |
6789 |
5650 |
0,6 |
2,4 |
5256 |
4720 |
|
t = 6760 ч (трансформаторы на лето отключают) |
||||||||||
|
1 |
100 |
144 |
110 |
0,76 |
5540 |
4000 |
0,6 |
2,5 |
4056 |
5603 |
|
2 |
100 |
144 |
85 |
0,59 |
5540 |
4000 |
0,6 |
2,4 |
4056 |
3342 |
|
t = 2000 ч(летний период) |
||||||||||
|
1 |
100 |
144 |
53,3 |
0,37 |
1250 |
500 |
0,6 |
2,4 |
1200 |
164 |
Пример расчета эффективности замены малозагруженных трансформаторов трансформаторами меньшей мощности
|
Номер ТП |
номинальная мощность трансформатора, кВА |
потери холостого хода, кВт |
потери короткого замыкания, кВт |
номинальный ток, А |
макс. ток, Iм, А |
коэффициент загрузки |
число часов максим. потерь r, ч τ |
снижение потерь δA=ΔW1-ΔW2, кВт·ч |
|||||
|
Sн1 |
Sн2 |
Δх.х1 |
Δх.х2 |
Δк.з1 |
Δк.з2 |
Iн1 |
Iн2 |
Kз1 |
Kз2 |
||||
|
1 |
2 |
3 |
4 |
5 |
6 |
7 |
8 |
9 |
10 |
11 |
12 |
13 |
14 |
|
51/1 |
320 |
250 |
1,6 |
0,82 |
6,07 |
3,7 |
462 |
361 |
185 |
0,4 |
0,51 |
5650 |
5339 |
|
51/1 |
320 |
250 |
1,6 |
0,82 |
6,07 |
3,7 |
462 |
361 |
150 |
0,32 |
0,41 |
5650 |
5111 |
|
59/1 |
320 |
100 |
1,6 |
0,365 |
6,07 |
1,97 |
462 |
144 |
85 |
0,184 |
0,59 |
5650 |
5664 |
|
59/2 |
320 |
100 |
1,6 |
0,365 |
6,07 |
1,97 |
462 |
144 |
100 |
0,216 |
0,7 |
5650 |
4522 |
|
60 |
320 |
250 |
1,6 |
0,82 |
6,07 |
3,7 |
462 |
361 |
225 |
0,487 |
0,62 |
4550 |
4600 |
|
66 |
320 |
250 |
1,6 |
0,82 |
6,07 |
3,7 |
462 |
361 |
190 |
0,411 |
0,53 |
2650 |
3278 |
|
116/1 |
180 |
100 |
1 |
0,365 |
4 |
1,97 |
260 |
144 |
110 |
0,423 |
0,764 |
5650 |
4331 |
|
116/2 |
180 |
100 |
1 |
0,365 |
4 |
1,97 |
260 |
144 |
85 |
0,327 |
0,59 |
5650 |
2848 |
|
Итого 35693 |
|||||||||||||
ПРИМЕР ОПРЕДЕЛЕНИЯ ПОТЕРЬ ЭЛЕКТРИЧЕСКОЙ ЭНЕРГИИ
Использованные в примере расчета параметры электрической сети и режима ее работы приняты по реальному объекту, имеющему сети напряжением 6 и 0,4 кВ, 6 ЦП и 14 отходящих линий. Схема питания потребителей - петлевая, в нормальном режиме разомкнутая. Электрическая сеть имеет 9 РП и 168 ТП.
Через электросеть потребителя передано за предыдущий год 97650 тыс. кВт·ч электроэнергии; отчетные потери - 8%.
Расчет потерь электроэнергии в сети напряжением 6 кВ
1. Для расчета потерь электрической энергии в сети напряжением 6 кВ составляются таблицы 1, 2, в которые из принципиальной схемы сети заносятся марки, сечения, длина проводов и кабелей всех участков питающей и распределительной сети.
Значения активного и индуктивного сопротивления головных участков распределительных линий
|
Номер линии, отходящей от п/ст |
Марка и сечение провода или кабеля |
Длина, Ii км |
Удельное расчетное активное сопротивление , roi, Ом/км |
Активное сопротивление Ri, ОМ |
Удельное расчетное индуктивное сопротивление Xoi Ом/км |
Индуктивное сопротивление Хi, Ом |
|
Л1 |
СБ 3×150 |
1,69 |
0,123 |
0,208 |
0,08 |
0,135 |
|
Л3 |
АСБ 3×185 |
3,60 |
0,17 |
0,612 |
0,08 |
0,288 |
|
Л2 |
СБ 3×150 |
1,69 |
0,123 |
0,208 |
0,08 |
0,135 |
|
Л4 |
АСБ 3×185 |
1,36 |
0,17 |
0,231 |
0,08 |
0,109 |
|
Л5 |
СБ 3×120 |
0,709 |
0,158 |
0,112 |
0,08 |
0,057 |
|
Л7 |
АСБ 3×150 |
0,53 |
0,21 |
0,111 |
0,08 |
0,042 |
|
Л9 |
АСБ 3×240 |
2,29 |
0,132 |
0,302 |
0,08 |
0,419 |
|
Л6 |
АСБ 3×150 |
0,53 |
0,21 |
0,111 |
0,08 |
0,042 |
|
Л8 |
СБ 3×120 |
0,709 |
0,158 |
0,112 |
0,08 |
0,057 |
|
Г4 |
СБ 3×150 |
1,26 |
0,123 |
0,155 |
0,08 |
0,101 |
|
Л23 |
АСБ 3×240 |
3,935 |
0,132 |
0,519 |
0,08 |
0,315 |
|
Л54 |
АСБ 3×240 |
2,40 |
0,132 |
0,317 |
0,08 |
0,192 |
|
Л64 |
АСБ 3×240 |
1,16 |
0,132 |
0,153 |
0,08 |
0,093 |
|
Л85 |
АСБ 3×240 |
2,40 |
0,132 |
0,317 |
0,08 |
0,192 |
|
|
|
|
|
Rn = 3,468 |
|
Хn = 2,177 |
Значения активного и индуктивного сопротивлений и нагрузки участков распределительной сети фидера Л1*
_______________________________
*Для сокращения объема справочного материала в таблицу 2 занесены значения сопротивлений участков только одной распределительной линии (Л1), отходящей от ЦП (рис. 1, приложения 8).
|
Наименование участка |
Марка и сечение провода или кабеля |
Длина Ii км |
Удельное расчетное активное сопротивление , roi, Ом/км |
Активное сопротивление Ri, ОМ |
Удельное расчетное индуктивное сопротивление Xoi Ом/км |
Индуктивное сопротивление Хi, Ом |
Нагрузка i-го участка Iмi, А |
|
РП50-ТП59 |
СБ 3×50 |
1,658 |
0,39 |
0,647 |
0,08 |
0,133 |
10 |
|
РП50-ТП48 |
СБ 3×30 |
0,503 |
0,39 |
0,196 |
0,08 |
0,04 |
30 |
|
ТП48-ТП55 |
СБ 3×95 |
0,248 |
0,2 |
0,05 |
0,08 |
0,02 |
25 |
|
ТП55-ТП61 |
СБ 3×70 |
0,25 |
0,28 |
0,07 |
0,08 |
0,02 |
15 |
|
ТП61-ТП54 |
СБ 3×70 |
0,25 |
0,28 |
0,07 |
0,08 |
0,02 |
10 |
|
РП50-ТП62 |
СБ 3×50 |
0,362 |
0,39 |
0,141 |
0,08 |
0,029 |
30 |
|
ТП62-ТП116 |
ААБ 3×70 |
0,19 |
0,46 |
0,087 |
0,08 |
0,015 |
10 |
|
ТП62-ТП53 |
СБ 3×50 |
0,22 |
0,39 |
0,086 |
0,08 |
0,018 |
15 |
|
ТП53-ТП51 |
СБ 3×30 |
0,337 |
0,39 |
0,131 |
0,08 |
0,029 |
5 |
|
|
|
|
|
Rn = 1,478 |
|
Хn = 0,284 |
|
2. По суточным графикам нагрузок всех распределительных линий, отходящих от ЦП, заполняются таблицы 3 и 4.
Суточный график нагрузок за зимний рабочий день головных участков распределительных линий, снятый на шинах подстанций (А)
|
Часы |
Л1 |
Л3 |
Л2 |
Л4 |
Л5 |
Л7 |
Л9 |
Л6 |
Л8 |
Г4 |
Л23 |
Л54 |
Л64 |
Л85 |
|
0 |
30 |
70 |
62 |
50 |
50 |
20 |
100 |
63 |
55 |
0 |
Откл |
80 |
180 |
10 |
|
1 |
30 |
70 |
63 |
50 |
50 |
20 |
90 |
62 |
55 |
0 |
0 |
90 |
160 |
10 |
|
2 |
30 |
65 |
52 |
50 |
50 |
20 |
85 |
55 |
50 |
0 |
0 |
90 |
160 |
10 |
|
3 |
30 |
60 |
50 |
30 |
50 |
20 |
70 |
52 |
45 |
0 |
0 |
90 |
150 |
10 |
|
4 |
30 |
60 |
50 |
30 |
50 |
20 |
70 |
52 |
50 |
0 |
0 |
100 |
170 |
20 |
|
5 |
30 |
64 |
50 |
30 |
50 |
20 |
70 |
55 |
50 |
0 |
0 |
110 |
180 |
20 |
|
б |
30 |
65 |
57 |
30 |
50 |
20 |
90 |
60 |
50 |
0 |
0 |
140 |
210 |
30 |
|
7 |
57 |
100 |
70 |
55 |
50 |
20 |
115 |
75 |
70 |
160 |
0 |
150 |
260 |
40 |
|
8 |
65 |
105 |
75 |
60 |
80 |
20 |
120 |
75 |
80 |
220 |
0 |
150 |
270 |
40 |
|
9 |
70 |
110 |
80 |
75 |
80 |
20 |
120 |
90 |
80 |
230 |
0 |
130 |
250 |
30 |
|
10 |
70 |
115 |
90 |
80 |
100 |
20 |
140 |
110 |
90 |
220 |
0 |
115 |
240 |
40 |
|
11 |
60 |
110 |
100 |
70 |
90 |
20 |
130 |
90 |
90 |
210 |
0 |
115 |
260 |
30 |
|
12 |
60 |
110 |
90 |
65 |
110 |
20 |
130 |
80 |
80 |
200 |
0 |
120 |
270 |
30 |
|
13 |
60 |
110 |
90 |
60 |
50 |
20 |
110 |
70 |
80 |
190 |
0 |
120 |
270 |
10 |
|
14 |
60 |
100 |
90 |
55 |
50 |
20 |
120 |
60 |
70 |
190 |
0 |
120 |
250 |
30 |
|
15 |
50 |
95 |
80 |
50 |
50 |
20 |
110 |
70 |
70 |
200 |
0 |
140 |
270 |
30 |
|
16 |
50 |
100 |
80 |
50 |
50 |
20 |
110 |
70 |
70 |
210 |
0 |
160 |
265 |
40 |
|
17 |
50 |
100 |
75 |
50 |
30 |
20 |
110 |
70 |
70 |
220 |
0 |
190 |
280 |
60 |
|
18 |
50 |
90 |
75 |
50 |
30 |
20 |
110 |
70 |
70 |
220 |
0 |
200 |
300 |
80 |
|
19 |
50 |
100 |
80 |
50 |
30 |
20 |
120 |
70 |
70 |
230 |
0 |
210 |
275 |
80 |
|
20 |
60 |
100 |
90 |
55 |
30 |
20 |
140 |
80 |
80 |
230 |
0 |
200 |
275 |
80 |
|
21 |
60 |
120 |
120 |
60 |
40 |
30 |
160 |
120 |
100 |
220 |
0 |
175 |
250 |
80 |
|
22 |
65 |
115 |
100 |
70 |
40 |
30 |
160 |
120 |
100 |
200 |
0 |
120 |
215 |
40 |
|
23 |
60 |
120 |
100 |
70 |
40 |
30 |
160 |
110 |
90 |
170 |
0 |
120 |
140 |
40 |
|
24 |
30 |
70 |
60 |
50 |
30 |
20 |
100 |
70 |
70 |
160 |
0 |
120 |
140 |
40 |
Суточный график нагрузок за летний рабочий день головных участков распределительных линий, снятый на шинах подстанций (А)
|
Часы |
Л1 |
Л3 |
Л2 |
Л4 |
JI5 |
Л7 |
Л9 |
Л6 |
Л8 |
Г4 |
Л23 |
Л54 |
Л64 |
Л85 |
|
0 |
55 |
60 |
70 |
50 |
20 |
10 |
120 |
70 |
75 |
0 |
Откл |
90 |
70 |
10 |
|
1 |
55 |
80 |
65 |
50 |
20 |
10 |
110 |
60 |
65 |
0 |
0 |
90 |
80 |
20 |
|
2 |
55 |
80 |
65 |
50 |
20 |
10 |
100 |
60 |
60 |
0 |
0 |
90 |
50 |
20 |
|
3 |
50 |
80 |
65 |
50 |
10 |
10 |
100 |
60 |
60 |
0 |
0 |
70 |
40 |
20 |
|
4 |
50 |
80 |
65 |
50 |
10 |
10 |
100 |
60 |
65 |
0 |
0 |
60 |
40 |
20 |
|
5 |
55 |
85 |
70 |
50 |
10 |
10 |
120 |
60 |
80 |
0 |
0 |
60 |
50 |
20 |
|
6 |
65 |
80 |
75 |
55 |
10 |
10 |
120 |
60 |
80 |
50 |
0 |
100 |
75 |
20 |
|
7 |
90 |
125 |
115 |
100 |
40 |
30 |
200 |
115 |
140 |
50 |
0 |
150 |
130 |
30 |
|
8 |
145 |
115 |
135 |
105 |
100 |
30 |
210 |
130 |
145 |
150 |
0 |
140 |
140 |
40 |
|
9 |
140 |
120 |
140 |
100 |
100 |
30 |
200 |
120 |
135 |
180 |
0 |
140 |
150 |
40 |
|
10 |
135 |
115 |
140 |
100 |
100 |
30 |
190 |
130 |
150 |
185 |
0 |
110 |
130 |
50 |
|
11 |
130 |
100 |
130 |
90 |
100 |
30 |
170 |
140 |
130 |
170 |
0 |
150 |
110 |
40 |
|
12 |
120 |
90 |
120 |
90 |
80 |
30 |
160 |
100 |
90 |
170 |
0 |
110 |
150 |
40 |
|
13 |
125 |
100 |
130 |
70 |
90 |
30 |
150 |
90 |
80 |
160 |
0 |
110 |
140 |
40 |
|
14 |
130 |
90 |
120 |
65 |
80 |
30 |
140 |
100 |
80 |
180 |
0 |
130 |
240 |
40 |
|
15 |
125 |
95 |
115 |
75 |
100 |
30 |
150 |
100 |
95 |
170 |
0 |
140 |
120 |
40 |
|
16 |
130 |
95 |
125 |
85 |
90 |
30 |
170 |
120 |
125 |
160 |
0 |
180 |
100 |
40 |
|
17 |
135 |
110 |
140 |
90 |
90 |
30 |
220 |
130 |
150 |
150 |
0 |
160 |
170 |
40 |
|
18 |
140 |
120 |
140 |
95 |
90 |
50 |
235 |
145 |
152 |
150 |
0 |
150 |
120 |
70 |
|
19 |
145 |
122 |
145 |
100 |
90 |
70 |
240 |
145 |
155 |
150 |
0 |
150 |
120 |
70 |
|
20 |
145 |
125 |
150 |
100 |
90 |
50 |
260 |
150 |
165 |
150 |
0 |
110 |
140 |
80 |
|
21 |
145 |
125 |
150 |
100 |
90 |
50 |
260 |
150 |
165 |
160 |
0 |
140 |
140 |
80 |
|
22 |
140 |
100 |
130 |
90 |
50 |
50 |
230 |
130 |
160 |
170 |
0 |
140 |
110 |
80 |
|
23 |
115 |
65 |
85 |
60 |
30 |
30 |
140 |
80 |
90 |
170 |
0 |
140 |
100 |
80 |
|
24 |
90 |
60 |
75 |
50 |
30 |
30 |
120 |
60 |
70 |
160 |
0 |
100 |
100 |
80 |
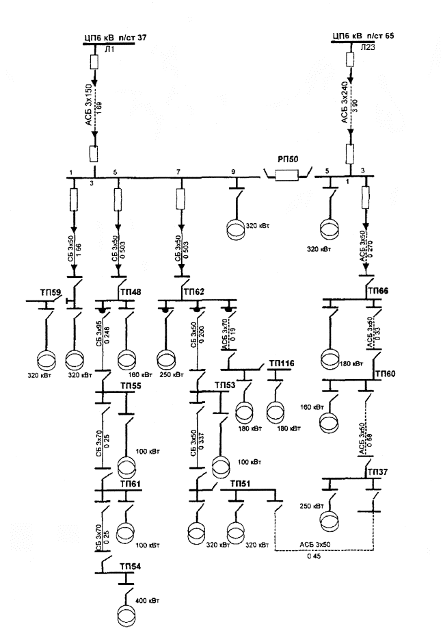
Рис. 1. Схема линий, отходящих от ЦП (фидер Л1, Л23)
3. Суточный график напряжения U(t) распределительных линий, отходящих от ЦП, за рабочие дни зимнего максимума и летнего минимума представлен соответственно в таблицах 5 и 6.
Суточный график напряжений головных участков распределительных линий за зимний день, снятый на шинах подстанций (кВ)
|
Часы |
Л6; Л8; Л2; Л4 |
Л5; Л7; Л9; Л1; Л3 |
Г4 |
Л23 |
Л54 |
Л64 |
Л85 |
|
0 |
6,4 |
6,2 |
5,9 |
5,9 |
6 |
6 |
6,1 |
|
1 |
6,4 |
6,2 |
5,9 |
6 |
6 |
6 |
6 |
|
2 |
6,4 |
6,2 |
5,9 |
6 |
6 |
6 |
6 |
|
3 |
6,4 |
6,2 |
5,9 |
6 |
6 |
5,9 |
5,9 |
|
4 |
6,4 |
6,2 |
5,9 |
5,9 |
6 |
6 |
6 |
|
5 |
6,4 |
6,2 |
5,9 |
6 |
6 |
6 |
6 |
|
6 |
6,4 |
6,2 |
5,8 |
6 |
6 |
6 |
6 |
|
7 |
6,4 |
6,2 |
5,9 |
6,1 |
6,1 |
6,1 |
6,2 |
|
8 |
6,4 |
6,2 |
5,9 |
6,1 |
6,1 |
6,1 |
6,2 |
|
9 |
6,4 |
6,2 |
5,9 |
6,1 |
6,1 |
6,1 |
6,2 |
|
10 |
6,4 |
6,2 |
5,9 |
6 |
6,1 |
6,2 |
6,3 |
|
11 |
6,4 |
6,2 |
6 |
6 |
6,1 |
6,2 |
6,3 |
|
12 |
6,45 |
6,25 |
6 |
6 |
6 |
6,2 |
6,3 |
|
13 |
6,45 |
6,25 |
6 |
6,1 |
6,1 |
6,2 |
6,3 |
|
14 |
6,4 |
6,2 |
6 |
6,1 |
6,1 |
6,2 |
6,3 |
|
15 |
6,45 |
6,25 |
6 |
6,1 |
6,1 |
6,2 |
6,2 |
|
16 |
6,45 |
6,25 |
6 |
6 |
6,1 |
6,2 |
6,2 |
|
17 |
6,45 |
6,25 |
6 |
6 |
6,1 |
6 |
6,2 |
|
18 |
6,45 |
6,25 |
6 |
6 |
6,1 |
6 |
6,2 |
|
19 |
6,45 |
6,25 |
6 |
6 |
6,1 |
6 |
6,2 |
|
20 |
6,4 |
6,3 |
6 |
6 |
6,1 |
6 |
6,2 |
|
21 |
6,4 |
6,3 |
6 |
6 |
6,1 |
6 |
6,2 |
|
22 |
6,4 |
6,3 |
6 |
6 |
6,1 |
6 |
6,2 |
|
23 |
6,4 |
6,3 |
6 |
6 |
6,1 |
6 |
6,2 |
|
24 |
6,4 |
6,3 |
6 |
6,1 |
6 |
6,2 |
6,2 |
Суточный график напряжения головных участков распределительных линий за летний рабочий день снятый на шинах подстанций (кВ)
|
часы |
Л6; Л8; Л2; Л4 |
Л5; Л7; Л9; Л1; Л3 |
Г4 |
Л23 |
Л54 |
Л64 |
Л85 |
|
0 |
6,2 |
6,4 |
6 |
Откл. |
6 |
6 |
6 |
|
1 |
6,22 |
6,38 |
6 |
0 |
6 |
6 |
6 |
|
2 |
6,2 |
6,35 |
6 |
0 |
6 |
6 |
6 |
|
3 |
6,2 |
6,35 |
6 |
0 |
6 |
6 |
6 |
|
4 |
6,2 |
6,35 |
6 |
0 |
6 |
6 |
6 |
|
5 |
6,2 |
6,35 |
6 |
0 |
6 |
6 |
6,1 |
|
6 |
6,2 |
6,35 |
6 |
0 |
5,9 |
6 |
6,1 |
|
7 |
6,25 |
6,4 |
6 |
0 |
6 |
6 |
6,1 |
|
8 |
6,25 |
6,4 |
6 |
0 |
6,1 |
6,2 |
6,2 |
|
9 |
6,3 |
6,4 |
6 |
0 |
6,1 |
6,1 |
6 |
|
10 |
6,3 |
6,4 |
6 |
0 |
6 |
5,9 |
6 |
|
11 |
6,3 |
6,4 |
6,1 |
0 |
6 |
6 |
6 |
|
12 |
6,3 |
6,4 |
6,2 |
0 |
6 |
6 |
6 |
|
13 |
6,3 |
6,4 |
6,2 |
0 |
6,1 |
6 |
6 |
|
14 |
6,3 |
6,4 |
6,2 |
0 |
6,1 |
6 |
6 |
|
15 |
6,3 |
6,4 |
6,2 |
0 |
6,1 |
6 |
6 |
|
16 |
6,3 |
6,4 |
6,2 |
0 |
6,1 |
6 |
6 |
|
17 |
6,3 |
6,4 |
6,2 |
0 |
6 |
6 |
6,1 |
|
18 |
6,3 |
6,4 |
6,2 |
0 |
6 |
6 |
6,2 |
|
19 |
6,3 |
6,4 |
6,2 |
0 |
6 |
6 |
6,2 |
|
20 |
6,3 |
6,4 |
6,2 |
0 |
6 |
6 |
6,2 |
|
21 |
6,3 |
6,4 |
6,2 |
0 |
6 |
6 |
6,2 |
|
22 |
6,3 |
6,4 |
6,2 |
0 |
6,1 |
6,1 |
6,2 |
|
23 |
6,3 |
6,4 |
6,2 |
0 |
6 |
6 |
6,2 |
|
24 |
6 |
6,4 |
6,2 |
0 |
6 |
6 |
6,2 |
4. Расчет выполняется для одной распределительной линии, отходящей от ЦП (фидер Л1) (рис. 1.).
5. Активное сопротивление всей распределительной линии фидера Л1 определяется суммированием данных, приведенных в таблицах 1 и 2.
R∑ = 0,208 + 0,647 – 0,196 + 0,05 + 0,07 + 0,07 + 0,141 + 0,087 + 0,086 + 0,131 = 1,686 Ом
6. Активное сопротивление головного участка распределительной линии фидера Л1 Rг.у = 0,208 Ом.
Коэффициент эквивалентности Кэ в зависимости от Rг.у. к R∑ определяется по рис. 1 (кривая 1, так как в начале распределительной линии подсоединяется мощное ответвление); Кэ = 0,19.
![]()
7. Для определения моды распределения напряжения U(м) используются суточные графики напряжения, снятые на шинах Л1 за зимний и летний рабочие дни и данные таблицы 7.
Вариационный ряд
|
Интервал, напряжений (кВ) |
Количество значений, попавших в данный интервал |
Частота |
|
6,15-6,25 |
13 |
13/50 = г' |
|
6,25-6,35 |
12 |
12/50 = г'mo-1 |
|
6,35-6,45 |
25 |
25/50 = г'mo-1 |
|
Uмо-6,35 |
N=50 |
0/50 = г'mo+1 |
|
i = 0,1 |
|
|
i = 0,1 - значение интервала (0,1 кВ) между максимальным и минимальным напряжением интервала;
Uмо - нижняя граница интервала с наибольшим количеством значений, в котором лежит мода;
г'mo - частота, соответствующая этому интервалу;
г'mo-1, г'mo+1 частота соответственно по предыдущему и последующему интервалам.
![]()
8. Количество активной энергии переданной в распределительную линию:
Wa = 5954076 кВт·ч
Количество реактивной энергии в распределительной линии:
Wр = 1120500 кВАр·ч
9. Средняя величина тока линии за расчетный период - год (8760 ч):

10. Значения минимального годового тока Iмин = 30 А и максимального годового тока Iм = 145 А берутся из суточных графиков нагрузки для летнего и зимнего рабочих дней на шинах Л1 (таблицы 3 и 4).
11. Относительное значение средней величины нагрузки:
![]()
По графику (рис. 2) определяем β = 0,22
12. Потери электроэнергии в распределительной линии Л1 за расчетный период (год) равны:
ΔWЛ1 = 3·0,19·1,686·8760[302 + (1452 – 302)·0,22]·10–3 = 40607 кВт·ч
13. Расчет потерь для остальных распределительных линий сведен в таблицу 8.
Расчет потерь электроэнергии в распределительных линиях 6 кВ за расчетный период (год)
|
Номер линии |
RГ.У, Ом |
R∑ Ом |
Kэ, |
U(м) KB |
Wa, кВт·ч |
Wр KBАр·ч |
|
Jм, А |
Jмин, А |
|
β |
ΔWi, кВт·ч |
|
Л1 |
0,208 |
1,686 |
0,19 |
6,38 |
5954076 |
112050 |
65 |
145 |
30 |
0,28 |
0,22 |
44850 |
|
Л3 |
0,612 |
1,645 |
0,48 |
6,384 |
8007600 |
0 |
33 |
125 |
60 |
0,35 |
0,285 |
145815 |
|
Л2 |
0,208 |
1,411 |
0,235 |
6,313 |
7926804 |
0 |
83 |
150 |
50 |
0,33 |
0,27 |
68841 |
|
Л4 |
0,231 |
2,521 |
0,155 |
6,313 |
4739200 |
0 |
50 |
100 |
30 |
0,28 |
0,22 |
29801 |
|
Л5 |
0,112 |
1,401 |
0,14 |
6,384 |
5556450 |
0 |
57 |
100 |
10 |
0,52 |
0,45 |
23479 |
|
Л7 |
0,111 |
5,447 |
0,06 |
6,384 |
2708520 |
0 |
28 |
70 |
10 |
0,3 |
0,24 |
10753 |
|
Л9 |
0,302 |
2,484 |
0,37 |
6,384 |
10745384 |
0 |
111 |
260 |
70 |
0,21 |
0,17 |
417141 |
|
Л6 |
0,111 |
0,834 |
0,2 |
6,313 |
5992848 |
0 |
63 |
150 |
52 |
0,11 |
0,08 |
18796 |
|
Л8 |
0,112 |
1,4 |
0,14 |
6,313 |
6881600 |
0 |
72 |
165 |
45 |
0,22 |
0,175 |
33146 |
|
Г4 |
0,155 |
2,622 |
0,11 |
5,99 |
9732336 |
0 |
107 |
230 |
50 |
0,32 |
0,26 |
94511 (t=7000) |
|
Л54 |
0,317 |
5,793 |
0,1 |
6,06 |
9592464 |
0 |
104 |
210 |
60 |
0,29 |
0,24 |
202784 |
|
Л64 |
0,153 |
3,998 |
0,09 |
6,0 |
14205780 |
0 |
156 |
300 |
40 |
0,45 |
0,38 |
332778 |
|
Л85 |
0,317 |
7,159 |
0,22 |
6,2 |
5433024 |
0 |
58 |
80 |
10 |
0,68 |
0,61 |
163203 |
|
Л23 |
0,519 |
0,852 |
0,71 |
6,0 |
172914 |
0 |
17 |
50 |
10 |
0,17 |
0,13 |
748 (t=1000) |
|
Итого |
|
|
|
|
97650000 |
|
|
|
|
|
|
1586646 |
![]()
Расчет потерь электрической энергии в силовых трансформаторах 10(6)-0,4кВ
14. Количество электроэнергии, поступившей в сетевые и абонентские трансформаторы:
Wтр.с = 97650000 – 1586646 = 96063354 кВт·ч
15. Исходные данные для расчета потерь электрической энергии в силовых трансформаторах, сводятся в таблицы.
Для примера заполнения таблиц в табл. 9 приведены технические данные некоторых трансформаторов, установленных в сети. В графе "Итого" приведены показатели по трансформаторам всех 168 ТП.
Замеры токов нагрузок выполнены в зимний максимум нагрузки, характер нагрузки - промышленный.
Расчет потерь электроэнергии в трансформаторах
|
Номер РП, ТП |
Ном. мощность SH, кВА |
Ном ток Iн, А |
Загрузка по фазам, А |
Средний максимальный рабочий ток Iм, А |
Коэф. Загрузки |
Потери мощности, кВт |
Число часов макс нагрузки Т, ч |
Число часов макс потерь τ, ч |
Потери электроэнергии ΔWi, кВт·ч |
|||
|
Iа |
Iв |
Iс |
холостого хода ΔPх.х |
короткого замыкания ΔPк.з |
||||||||
|
50/1 |
320 |
462 |
450 |
420 |
390 |
420 |
0,91 |
1,6 |
6,07 |
6014 |
4550 |
36837 |
|
50/2 |
320 |
462 |
300 |
330 |
350 |
327 |
0,71 |
1,6 |
6,07 |
6014 |
4550 |
27821 |
|
51/1 |
320 |
462 |
180 |
180 |
195 |
185 |
0,406 |
1,6 |
6,07 |
6789 |
5650 |
19503 |
|
51/2 |
320 |
462 |
150 |
150 |
150 |
150 |
0,32 |
1,6 |
6,07 |
6789 |
5650 |
17638 |
|
59/1 |
320 |
462 |
75 |
90 |
90 |
85 |
0,184 |
1,6 |
6,07 |
6789 |
5650 |
15177 |
|
59/2 |
320 |
462 |
100 |
100 |
100 |
100 |
0,216 |
1,6 |
6,07 |
6789 |
5650 |
15616 |
|
60 |
320 |
462 |
225 |
225 |
225 |
225 |
0,49 |
1,6 |
6,07 |
6014 |
4550 |
20566 |
|
66 |
320 |
462 |
180 |
195 |
195 |
190 |
0,411 |
1,6 |
6,07 |
4271 |
2650 |
16733 |
|
116/1 |
180 |
260 |
105 |
105 |
120 |
110 |
0,423 |
1 |
4 |
6789 |
5650 |
12804 |
|
116/2 |
180 |
260 |
90 |
90 |
75 |
85 |
0,33 |
1 |
4 |
6789 |
5650 |
11177 |
|
135 |
200 |
290 |
135 |
135 |
120 |
130 |
0,45 |
1,08 |
5,9 |
4271 |
2650 |
12599 |
|
и т.д. |
|
|
|
|
|
|
|
|
|
|
|
|
|
Итог о |
|
69338 |
|
|
|
35490 |
|
231,5 |
935,9 |
|
|
3000500 |
Относительная величина потерь электроэнергии в силовых трансформаторах
![]()
или 3,07% к общему количеству электроэнергии, поступившей в сеть.
Расчет потерь электроэнергии в сети напряжением 0,4 кВ
16. В качестве исходных данных для расчета потерь электроэнергии в сети напряжением 0,4 кВ (табл. 10) приняты:
24 ТП, имеющие наиболее протяженные распределительные линии; падение напряжения в конце каждой линии:
ΔUср = Uср ф1 – Uср ф2;
фазные токи отходящих от ТП распределительных линий; количество электроэнергии, поступившей в сеть 0,4 кВ
96063354 – 3000500 = 93062854 кВт·ч;
17. Процент потерь электроэнергии в сети напряжением 0,4 кВ определяется по формуле 20:
ΔWн.н% = 0,78·1,084·4,3%·2700/4600 = 2,14% или
ΔWн.н = 93062854×0,0214 = 1991545 кВт·ч,
где
средний коэффициент
дополнительных потерь из-за равномерной нагрузки фаз (таблица 10);
среднее значение потери напряжения в (%%) в
сети 0,4 кВ (таблица
10).
18. На распределительных линиях, отходящих от ТП 56, ТП 6, необходимо провести мероприятие по выравниванию нагрузки фаз, так как величина коэффициента дополнительных потерь значительно отличается от единицы.
Данные для расчета потерь электроэнергии в сети напряжением 0,4 кВ
|
Номер ТП |
Ток в фазах, А |
Средний ток Jср, А |
Коэффициент неравномерности Kн2 |
Коэффициент дополнительных потерь Kд.п. |
Потери напряжения ΔU |
|||
|
Iа |
Iв |
Iс |
В |
% |
||||
|
32 |
42 |
67 |
32 |
47 |
1,095 |
1,238 |
5 |
2,2 |
|
37 |
83 |
61 |
70 |
71,3 |
1,022 |
1,066 |
13 |
5,6 |
|
48 |
75 |
80 |
90 |
81,7 |
1,008 |
1,02 |
10 |
4,3 |
|
49 |
90 |
75 |
85 |
83,3 |
1,008 |
1,02 |
10 |
4,3 |
|
52 |
45 |
40 |
60 |
48,3 |
1,03 |
1,08 |
15 |
6,4 |
|
54 |
22 |
22 |
20 |
21,3 |
1,01 |
1,02 |
5 |
2,2 |
|
55 |
180 |
200 |
200 |
193,3 |
1,003 |
1,007 |
15 |
6,4 |
|
56 |
50 |
65 |
50 |
55 |
1,17 |
1,43 |
10 |
4,3 |
|
60 |
14 |
13 |
11 |
12,7 |
1,003 |
1,008 |
5 |
2,2 |
|
61 |
30 |
14 |
40 |
28 |
1,15 |
1,37 |
15 |
6,4 |
|
62 |
70 |
45 |
75 |
63,3 |
1,04 |
1,1 |
15 |
6,4 |
|
63 |
90 |
80 |
90 |
86,7 |
1 |
1 |
10 |
4,3 |
|
65 |
75 |
75 |
75 |
75 |
1 |
1 |
10 |
4,3 |
|
66 |
60 |
70 |
70 |
66,7 |
1 |
1 |
10 |
4,3 |
|
69 |
75 |
55 |
75 |
68,3 |
1,02 |
1,05 |
10 |
4,3 |
|
73 |
100 |
90 |
80 |
90 |
1 |
1 |
10 |
4,8 |
|
78 |
55 |
60 |
50 |
55 |
1 |
1 |
5 |
2,8 |
|
79 |
90 |
80 |
80 |
83,8 |
1 |
1 |
10 |
4,3 |
|
72 |
35 |
20 |
30 |
28,3 |
1,05 |
1,12 |
5 |
2,2 |
|
57 |
100 |
100 |
80 |
93,3 |
1,01 |
1,02 |
10 |
4,3 |
|
46 |
18 |
15 |
14 |
14 |
1 |
1 |
5 |
2,3 |
|
58 |
70 |
100 |
110 |
93,3 |
1,03 |
1,03 |
20 |
8,9 |
|
74 |
60 |
35 |
30 |
38,3 |
1,05 |
1,12 |
5 |
2,1 |
|
134 |
70 |
65 |
30 |
55 |
1,11 |
1,27 |
10 |
4,3 |
|
|
|
|
|
|
|
|
|
|
19. Структура потерь электроэнергии в городской электрической сети:
|
|
|
кВт·ч |
% |
|
распределительная сеть напряжением 6 кВ |
|
1586646 |
1,63 |
|
сетевые трансформаторы |
|
3000500 |
3,07 |
|
распределительная сеть напряжением до 0,4 кВ |
|
1991545 |
2,04 |
|
|
Итого: |
6578691 |
6,74 |
Общие потери электроэнергии по сети 6 кВ
![]()
Небаланс потерь электроэнергии составил величину:
ΔНБ = 8% – 6,74% = 1,26%
Далее выясняются причины небаланса потерь свыше 1% и принимаются меры к их устранению.
КРАТКОЕ ОПИСАНИЕ ПРОГРАММЫ ДЛЯ РАСЧЕТА И ОПТИМИЗАЦИИ ГОРОДСКИХ РАСПРЕДЕЛИТЕЛЬНЫХ ЭЛЕКТРИЧЕСКИХ СЕТЕЙ ("ПРОГРЭС")*, РЕКОМЕНДОВАННОЙ ГОССТРОЕМ РОССИИ
(письма от 05.08.98 № СК-662 и от 30.04.99 №ЛЧ-1487/13)
_____________________________
*Разработчик - ЗАО "АСУ Мособлэлектро" совместно с Объединенным институтом ядерных исследований
Сертификат соответствия ГОССТРОЯ РОССИИ № 001 от 07 мая 1999 года
На основании метода поэлементного расчета технологического расхода (потерь) электроэнергии, рассмотренного в Методических рекомендациях, создан программный комплекс "ПРОГРЭС" для расчета потерь электроэнергии и их снижения.
Программа дает возможность выполнения на ЭВМ расчетов различных вариантов построения электрической сети и выявления оптимального варианта с точки зрения минимума потерь мощности и энергии. Каждый расчет производится по полной схеме электрической сети.
Программа устанавливается на любом IBM - совместимом персональном компьютере.
Программа решает задачи анализа потерь в электросети 6-10 кВ с разработкой мероприятий по снижению потерь, рассчитывает потери в любом участке сети и в разных интервалах времени (год, квартал, месяц). Она может использоваться для моделирования нагрузок при подготовке перспективных схем развития электрических сетей городов и населенных пунктов, технических условий на присоединение новых мощностей и реконструкцию сетей.
Программа выполняет следующие задачи:
- расчет токораспределения на основании нагрузок, замеренных на силовых трансформаторах;
- расчет напряжения в узлах сети;
- расчет загрузки элементов сети (линий, трансформаторов);
- расчет токов короткого замыкания;
- расчет потерь мощности и энергии в линиях и трансформаторах. Программа предназначена для использования в городских электрических сетях системы жилищно-коммунального хозяйства, доступна к освоению инженерно-техническим персоналом, не имеющим специальной компьютерной подготовки, снабжена обучающим блоком.
Схема и информация о структуре распределительной сети 10(6)-0,4 кВ, данные о составе ее оборудования, замеренных токовых нагрузках хранятся в базе данных программы и могут быть оперативно изменены с целью моделирования аварийных режимов, а также различных эксплуатационных или ремонтных мероприятий.
Программа имеет библиотеку каталожных данных силовых трансформаторов, проводов и кабелей.
СПИСОК ЛИТЕРАТУРЫ
1. Методические указания по определению погрешности измерения активной электроэнергии при ее производстве и распределении РД 34.11.325-90. - М.: СПО ОРГРЭС, 1991.
2. Типовая инструкция по учету электроэнергии при ее производстве, передаче и распределении РД 34.09.101-94 - Правила учета электрической энергии, М.: Главгосэнергонадзор России, АОЗТ "Энергосервис", 1997.
3. Инструкция по проектированию городских электрических сетей РД 34.20.185-94 (с дополнением раздела 2, утвержденным приказом Минтопэнерго России от 29.06.99 № 213) - М.: Энергоатомиздат, 1995.
4. Методические указания по определению потерь электроэнергии и их снижению в городских электрических сетях напряжением 10(6)-0,4кВ местных Советов (утверждены приказом Минжилкомхоза РСФСР от 31.10.80 № 556)-М.: ОНТИ АКХ, 1981.
5. Рекомендации для электросетевых предприятий по реализации энергосберегающих мероприятий при электроснабжении потребителей и контролю за использованием электроэнергии - М.: ОНТИ АКХ, 1988.
6. Л.Д. Клебанов. Вопросы методики определения и снижения потерь электрической энергии в сетях - Л-д.: изд-во ЛГУ, 1973.
7. Инструкция по расчету и анализу технологического расхода электрической энергии на передачу по электрическим сетям энергосистем и энергообъединений И 34-70-030-87 - М.: СПО Союзтехэнерго, 1987.
8. Инструкция по снижению технологического расхода электрической энергии на передачу по электрическим сетям энергосистем и энергообъединений - М.: СПО Союзтехэнерго, 1987.
9. ГОСТ 13109-97 "Нормы качества электрической энергии в системах электроснабжения общего назначения"
10. Сборник нормативных и методических документов по измерениям, коммерческому и техническому учету электрической энергии и мощности - М: Изд-во НЦ ЭНАС, 1998.
11. Номограммы для определения потери напряжения в воздушных линиях электропередачи напряжением 0,38 кВ - АО РОСЭП.
12. Номограммы для определения потерь напряжения и значений токов короткого замыкания в воздушных линиях электропередачи напряжением 10 кВ - АО РОСЭП.
13. Современные методы и средства расчета, нормирования и снижения технических и коммерческих потерь электроэнергии в электрических сетях (информационно-методические материалы международного научно-технического семинара, 20-24.11.2000, г. Москва).
14. Воротницкий В.Э., Загорский Я.Т., Апряткин В.Н., Западнов А.А. Расчеты, нормирование и снижение потерь электрической энергии в городских электрических сетях - ж-л "Электрические станции", № 5, 2000.
СОДЕРЖАНИЕ
|
СОДЕРЖАНИЕ. Ошибка! Закладка не определена. МЕТОДИКА ОПРЕДЕЛЕНИЯ ПОТЕРЬ ЭЛЕКТРОЭНЕРГИИ.. 3 МЕРОПРИЯТИЯ ПО СНИЖЕНИЮ ПОТЕРЬ ЭЛЕКТРИЧЕСКОЙ ЭНЕРГИИ В ГОРОДСКИХ ЭЛЕКТРИЧЕСКИХ СЕТЯХ.. 9
|
|
ГОСТЫ, СТРОИТЕЛЬНЫЕ и ТЕХНИЧЕСКИЕ НОРМАТИВЫ. Некоммерческая онлайн система, содержащая все Российские Госты, национальные Стандарты и нормативы. В Системе содержится более 150000 файлов нормативно-технической документации, действующей на территории РФ. Система предназначена для широкого круга инженерно-технических специалистов. Copyright © www.gostrf.com, 2008 - 2026 |