| |

МИНИСТЕРСТВО РОССИЙСКОЙ ФЕДЕРАЦИИ ПО
СВЯЗИ И ИНФОРМАТИЗАЦИИ
РУКОВОДЯЩИЙ ДОКУМЕНТ ОТРАСЛИ
СОСТАВ
ИСПОЛНИТЕЛЬНОЙ ДОКУМЕНТАЦИИ НА
ЗАКОНЧЕННЫЕ
СТРОИТЕЛЬСТВОМ ЛИНЕЙНЫЕ
СООРУЖЕНИЯ
МАГИСТРАЛЬНЫХ
И
ВНУТРИЗОНОВЫХ ВОЛп
РД 45.156-2000
«ЦНТИ "ИНФОРМСВЯЗЬ»
Москва – 2000
Предисловие
1. РАЗРАБОТАН: АОЗТ « Межгорсвязьстрой» совместно с ОАО
«Ростелеком» и ГЦУ ОАО «Ростелеком»
ВНЕСЕН: Департаментом электросвязи Министерства Российской
Федерации по связи и информатизации
2. УТВЕРЖДЕН: Министерством Российской Федерации по связи и
информатизации 19.06.2000
3. ВВЕДЕН В ДЕЙСТВИЕ: Письмом Министерства Российской
Федерации по связи и информатизации от 22.06.2000 № 3636
4. ВВЕДЕН ВПЕРВЫЕ
Содержание
ПАСПОРТ ТРАССЫ
|
волп________ (индекс)_________
Паспорт трассы.
Опись документов.
|
|
Наименование документа
|
Кол-во листов
|
Номера страниц
|
Примечания
|
|
2
|
Титульный лист паспорта трассы.
|
|
|
|
|
3
|
Скелетная схема ВОЛП и основные данные цепей кабеля.
|
|
|
|
|
4
|
Схема размещения строительных длин и смонтированных муфт на
участке между оконечными пунктами ВОЛП.
|
|
|
С указанием нарастающей физической и оптической длины ВОК с
обоих концов участка.
|
|
5
|
Скелетная схема размещения строительных длин. кабеля и
смонтированных муфт на участках.
|
|
|
С отметками по нарастающей физической длины кабеля.
|
|
6
|
Схемы распределения ОВ на кассетах разветвительных муфт.
|
|
|
|
|
7
|
Схемы расшивки кабеля на оптических стойках в пунктах.
|
|
|
|
|
8
|
Схемы расшивки кабеля на оптических стойках на участке.
|
|
|
|
|
9
|
Планы ввода кабелей в ОП.
|
|
|
|
|
10
|
Схема заземления бронепокровов ВОК в шахтах ОП.
|
|
|
|
|
11
|
Планы ввода кабелей в НРП с привязкой контуров заземлений.
|
|
|
Включая кабели энергоснабжения
|
|
12
|
Планы размещения оборудования и стоек аппаратуры в пунктах.
|
|
|
|
|
13
|
Монтажные схемы участков регенерации
|
|
|
С указанием оптической и физической длины ВОК между смежными
муфтами
|
|
14
|
Ведомость проложенных строительных длин ВОК.
|
|
|
|
|
15
|
Откорректированные после прокладки и монтажа кабеля рабочие
чертежи проектной документации, уличные чертежи и планшеты.
|
|
|
(чертежи кабельных переходов через автомобильные и железные
дороги подшиваются сразу за соответствующим планшетом).
|
|
16
|
Картограммы глубины залегания кабеля и
сигнально-предупредителыюй ленты по участкам.
|
|
|
|
|
Составил:
|
(должность)
|
(Фамилия И.О.)
|
(подпись)
|
(дата)
|
|
|
волп ________(индекс)_________
Строительно-монтажная
организация – генподрядчик
|
ПАСПОРТ ТРАССЫ
магистральной (внутризоновой)
кабельной линии связи
на участке ОП «А» - ОП «Б»
магистрали (индекс)____
|
|
Марка кабеля -_____________________________________________
Длина трассы
_______________________________________________
Длина кабеля (всего)__________________________________
в
грунте____________________________________________________
|
|
|
км
|
|
км; в том числе:
|
|
км;
|
|
в
канализации______________________________________________
под
водой__________________________________________________
Год
прокладки кабеля -______________________________________
Паспорт составлен
-_________________________________________
(дата)
|
км;
|
|
км.
|
|
|
|
|
|
Ответственный представитель
генподрядчика:
_________(должность)_______________
(подпись) ____________________ (Ф.И.О.)_______________
Ответственный исполнитель
|
|
_______(должность)____________
|
__(подпись)
_______________ (Ф.И.О).
_________________
|
|
Объект______________________
Подрядчик:
|
(номер заказа) ______________
(наименование организации) _____
|
|
|
Форма ВОЛС-ПТ-3
волп (индекс)
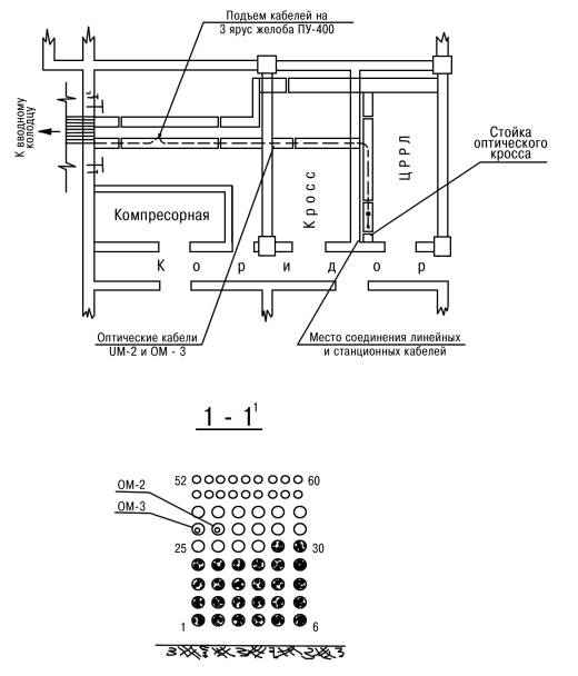
Скелетная схема ВОЛП и основные данные цепей кабеля.

Конструктивные и
технические данные оптического кабеля.
1. А-Дв2У 1x20 Е9/125 0,36Р 3,5 0,22 H18(R-1,7)
ВОК
второго типа; централыномодулъной конструкции; содержит 20 ОВ.
Изготовитель- «Siemens».
ОВ
одномодовое; коэффициент преломления -1.4675; киломефическое затухание при
измерении на длине волны =1,55 не более
0,24
dB. Изготовитель - «Siсcor»
1.
Оптические волокна (ОВ).
2.Гидрофобный
заполнитель,
3.
Двуслойная полиамидная оболочка центрального модуля
4.12
стальных проводок бронепокрова.
5.
Гидрофобный заполнитель
6.
Внешняя полиэтиленовая оболочка.
2.
A-Дf(ZN)(SR)2Y3x6 E9/125 0,36 F3,5+0,22H18 1x2 Е9/125 0,36 F3,5+0,22 1118
ВОК
четвертого типа многомодульной конструкции, содержит20 ОВ.
Изготовитель - «Siemens
ОВ
одномодовое;. Коэффициент преломления - 1,4675; километрическое затухание при
измерении на длине волны .= 1,55 не более
0,24
dB. Изготовитель - «Siсcor»

1.
Диэлектрический центральный силовой элемент.
2.
Трубка модуля с ОВ.
3.
Кордель без OB.
4.
Гидрофобный заполнитель
5.
Слой армирующих нитей.
6.
Стальная гофрированная лента,
7.Внешняя полиэтиленовая оболочка
|
Составили
|
Должность
|
Фамилия И.О.
|
Подпись
|
Дата
|
|
Представители Московской
зоны
|
|
|
|
|
|
|
|
|
|
|
Представители Отделения
№7
|
|
|
|
|
|
|
|
|
|
|
|
волп
(индекс)
Участок регенерации
Схема размещения
строительных длин и смонтированных муфт на участках регенерации между оконечными
пунктами ВОЛП
|
|
|
|

|
|
ВОК производства «Siemens» марка А-DB2Y 1 Х
14 Е9/125 0,36 F 3,5 0,22 h 18 (R1,7)
общая длина кабеля на участке ОП «А» - НРП 1/1 – ОП»Б»=183507,0 м
|
Составил:
|
(должность)
|
(Фамилия И.О.)
|
(подпись)
|
(дата)
|
|
|
|
Форма ВОЛС-ПТ-5
волп (индекс)
Участок
регенерации НРП…-НРП…
Скелетная схема
размещения строительных длин кабеля и смонтированных муфт на
участке регенерации.
Образец
на телефонную канализацию
|
Пункт…..
ЛАЦ……
Ряд…….
Место….
|
Образец
на грунт

|
Примечание:
На каждый колодец с муфтой
к типовому каналу прибавляется длина колец
|
|
Пункт.
ЛАЦ
Ряд
Место
|
Примечание: На каждой муфте с
обеих сторон выделяется плюсом длина кабеля в кольцах
|
Внимание! На этих схемах наносится только физическая
нарастающая длина по ВОК
|
Составил:
|
(должность)
|
(Фамилия И.О.)
|
(подпись)
|
(дата)
|
|
Форма ВОЛС-ПТ-6
волп- (индекс)
Участок
________
Схема распределения ОВ на кассете разветвительной муфты №.

|
|
|
Составил:
|
(должность)
|
(Фамилия И.О.)
|
(подпись)
|
(дата)
|
|
|
|
|
|
|
|
Форма ВОЛС-ПТ-7
волп- (индекс)
Участок ________
Схема расшивки кабеля на оптических
стойках в пунктах.

|
Составил:
|
(должность)
|
(Фамилия И.О.)
|
(подпись)
|
(дата)
|
|
Форма ВОЛС-ПТ-8
волп- (индекс)
Объект ________
Схема расшивки кабеля на оптических стойках на
участке.

|
Составил:
|
(должность)
|
(Фамилия И.О.)
|
(подпись)
|
(дата)
|
|
Форма ВОЛС-ПТ-9
волп- (индекс)
Объект ________
|
План ввода кабелей в ОП-…..
|
|

|
Составил:
|
(должность)
|
(Фамилия И.О.)
|
(подпись)
|
(дата)
|
|
Форма ВОЛС-ПТ-10
волп- (индекс)
Объект ________
|
Схема заземления бронепокровов ВОК в шахте ОП-…
|
|

|
Составил:
|
(должность)
|
(Фамилия И.О.)
|
(подпись)
|
(дата)
|
|
Форма ВОЛС-ПТ-11
волп- (индекс)
Объект ________
|
План ввода кабелей в НРП-….. с привязкой контуров заземлений.
|
|

|
Составил:
|
(должность)
|
(Фамилия И.О.)
|
(подпись)
|
(дата)
|
|
Форма ВОЛС-ПТ-12
волп- (индекс)
Объект ________
|
План размещения оборудования и стоек в НРП - ….
|
|

|
Составил:
|
(должность)
|
(Фамилия И.О.)
|
(подпись)
|
(дата)
|
|
Форма ВОЛС-ПТ-13
волп- (индекс)
Участок НРП1 – ТРП1
|
Монтажная схема участка
регенерации
|
|

|
Подписали
|
Должность
|
Фамилия И.О.
|
Подпись
|
Дата
|
|
Представители строительно-монтажной
организации
|
|
|
|
|
|
|
|
|
|
|
Представители технадзора
|
|
|
|
|
|
Форма ВОЛС-ПТ-14
|
|
|
волп
|
(индекс)
|
|
Участок
|
_________
|
Ведомость проложенных строительных
длин ВОК.
|
|
Строительно-монтажная организация
Завод-изготовитель кабеля
Марка проложенного кабеля:
|
|
|
|
1)от НРП-1 до М13 (тип-4)
|
___________________________
|
(марка)
|
|
2)от М13 до ТРП1 (тип-2).(марка)
|
___________________________
|
(марка)
|
|
|
Номер
барабана
|
Номер строи-
тельной длины
|
Номера сме-
жных муфт
|
Длина кабеля
полученная (м)
|
Длина кабеля
проложенная (м)
|
Остаток кабеля по-
сле прокладки (м)
|
Дата прокладки
|
Тип ВОК
|
|
|
|
|
|
|
|
|
|
|
|
|
|
|
|
|
|
|
|
|
|
|
|
|
|
|
|
|
|
|
|
|
|
|
|
|
|
|
|
|
|
|
|
|
|
|
|
|
|
|
|
|
|
|
|
|
|
|
|
|
|
|
|
|
|
|
|
|
|
|
|
|
|
|
|
|
|
|
|
|
|
|
|
|
|
|
|
|
|
|
|
|
|
|
|
|
|
|
|
|
|
|
|
|
|
|
|
|
|
|
|
|
|
|
|
|
|
|
|
|
|
|
|
|
|
|
|
|
|
|
|
|
|
|
|
|
|
|
|
|
|
|
|
|
|
|
|
|
|
|
|
|
|
|
|
|
|
|
|
|
|
|
|
|
|
|
|
|
|
|
|
|
|
|
|
|
|
|
|
|
|
|
|
|
|
|
|
|
|
|
|
|
|
|
|
|
|
|
|
|
|
|
|
|
|
|
|
|
Подписали
|
Должность
|
Фамилия И.О.
|
Подпись
|
Дата
|
|
Представители строительно-монтажной
организации
|
|
|
|
|
|
|
|
|
|
|
Представители технадзора
|
|
|
|
|
|
|
|
|
|
|
|
волп- (индекс)
Участок НРП1
– ТРП1
Рабочие чертежи
|
Форма ВОЛС-ПТ-16
Участок
_________
|
Картограмма глубины залегания кабеля и сигнально-предупредительной ленты.
|
|

|
Подписали
|
Должность
|
Фамилия И.О.
|
Подпись
|
Дата
|
|
Представители строительно-монтажной
организации
|
|
|
|
|
|
|
|
|
|
|
Представители технадзора
|
|
|
|
|
|
ПАСПОРТ ТРАССЫ ЭЛЕКТРИЧЕСКИЙ
|
ВОЛП - __(индекс
Паспорт трассы электрический.
Опись
документов.
|
|
Наименование
документа
|
Кол-во листов
|
Номера страниц
|
Примечания
|
|
2
|
Титульный лист
электрического паспорта трассы.
|
|
|
|
|
3
|
Технические
данные и особенности конструкции проложенного ВОК.
|
|
|
С эскизом
поперечного сечения.
|
|
4
|
Схема размещения
на магистрали строительных длин кабеля и смонтированных муфт.
|
|
|
|
|
5
|
Протоколы
монтажа муфт.
|
|
|
|
|
6
|
Протоколы
монтажа оптических кроссов
|
|
|
Затухание на
сростках ОВ оценивается только по сварочному устройству.
|
|
7
|
Рефлектограммы
двусторонних измерений затухания ОВ на смонтированных участках регенерации.
|
|
|
Представляются в
ксерокопиях на отдельных листах.
|
|
8
|
Протоколы
измерений затухания ОВ смонтированного кабеля на участках регенерации.
|
|
|
Измерения
проиводятся оптическим генератором и приёмником или рефлектометром.
|
|
9
|
Протоколы
измерения сопротивления изоляции внешней полиэтиленовой оболочки ВОК
(бронепокровы - «земля») на смонтированных участках регенерации.
|
|
|
|
|
10
|
Протоколы
измерения переходного сопротивления грозозащитных тросов по отношению к
«земле».
|
|
|
|
|
Составил:
|
(должность)
|
(Фамилия И.О.)
|
(подпись)
|
(дата)
|
|
|
|
волп (индекс)
Строительно-монтажная
организация – генподрядчик
|
|
ПАСПОРТ ТРАССЫ ЭЛЕКТРИЧЕСКИЙ
магистральной (внутризоновой) кабельной линии связи
на участке ОП «А» - ОП «Б»_
магистрали___(индекс)____
|
|
Марка
кабеля -
|
___________________________
|
|
|
Длина
трассы -
|
______________________________
|
км
|
|
Длина
кабеля (всего)
|
______________________________
|
км; в
том числе:
|
|
в
грунте
|
______________________________
|
км;
|
|
в
канализации
|
______________________________
|
км;
|
|
под
водой
|
______________________________
|
км.
|
|
Год прокладки кабеля -
|
______________
|
|
|
Паспорт
составлен -
|
______________
|
(дата)
|
|
Ответственный представитель
генподрядчика:
|
|
________(должность)___
Ответственный исполнитель:
|
________
(подпись)______ (Ф.И.О.)___
|
|
_______(должность)____
|
________(подпись)
______ (Ф.И.О). ___
|
|
Объект
Подрядчик:
|
(номер заказа) ______________
(наименование организации) ______
|
|
|
|
|
|
|
Форма ВОЛС-ПТЭ-3
волп (индекс)
|
Технические данные и особенности конструкции проложенного ВОК.
Волоконнно-оптический
кабель ДПС производства ЭАО «Севкабель-Оптик».
Эскиз
поперечного сечения.
|
|

Рекомендуемые условия прокладки
* В грунтах всех групп при прокладке в открытую
траншею
* В кабельной канализации, трубах, коллекторах при
наличии особо высоких требовании по механической устойчивости
Основные параметры и
особенности конструкции
* Оптическая скрутка 6-ти элементная с центральным
силовым элементом (ЦСЭ) диаметром 2 мм
* Коэффициент затухании, менее
-
0,25 дБ/км на длине волны 1,55 мкм
-0,4
дБ/км на длине волны 1,3 мкм (для одномодовых волокон )
-0,7
дБ/км на длине волны 1,3 мкм (для многомодовых волокон)
* Растягивающее усилие - 7 кН
* Температурный диапазон
- -40°С...5П°С
* Вес,не более - 650 ki /км
* Внешний диаметр -
16 мм
* Соотношение оптических модулей и корделей в
скрутке в зависимости от количества оптических волокон
* Максимальное количество оптических подокон - 36
|
Составил:
|
(должность)
|
(Фамилия И.О.)
|
(подпись)
|
(дата)
|
|
Форма ВОЛС-ПТЭ-4
волп- (индекс)
Участок
регенерации НРП – НРП
|
Схема
размещения
строительных длин кабеля и смонтированных муфт на участке регенерации
|
|
.

|
|
Составил:
|
(должность)
|
(Фамилия И.О.)
|
(подпись)
|
(дата)
|
|
Форма ВОЛС-ПТЭ-5
ВОЛП - __(индекс
Участок регенерации ОП-1. - НРП-1/1
Протокол
монтажа муфты №__________
|
|
Строительно-монтажная
организация________________________________________
Сварочное устройство (тип, зав
№)__________________________________________
Рефлектометр
(тип, зав.№)______________________________________________
|
|
Установочные параметры рефлектометра: показатель преломления
________________________________
|
|
длина волны_______________
|
длительность импульса ___________________
|
|
|
Диапазо_________________
|
|
|
|
Оптическое расстояние до смежной муфты №______________
|
составляет_____________
|
|
|
№ОВ
|
Затухание на сростках по сварочному
устройству
|
Затухание на сростках по
рефлектометру
|
Примечание
|
|
1
|
2
|
3
|
4
|
А-В
|
В-А
|
Среднее
|
|
1
|
|
|
|
|
|
|
|
|
|
2
|
|
|
|
|
|
|
|
|
|
3
|
|
|
|
|
|
|
|
|
|
4
|
|
|
|
|
|
|
|
|
|
5
|
|
|
|
|
|
|
|
|
|
6
|
|
|
|
|
|
|
|
|
|
7
|
|
|
|
|
|
|
|
|
|
8
|
|
|
|
|
|
|
|
|
|
9
|
|
|
|
|
|
|
|
|
|
10
|
|
|
|
|
|
|
|
|
|
11
|
|
|
|
|
|
|
|
|
|
12
|
|
|
|
|
|
|
|
|
Метровые метки
на оболочке ОК

|
Подписали
|
Должность
|
Фамилия И.О.
|
Подпись
|
Дата
|
|
Представители строительно-монтажной
организации
|
|
|
|
|
|
|
|
|
|
|
Представители технадзора
|
|
|
|
|
|
|
|
|
|
|
Форма ВОЛС-ПТЭ-6
ВОЛП -_(индекс)
Участок
регенерации ОП1 - НРП1/1
Объект НРП 1/1
Протокол монтажа оптического кросса.
|
|
Строительно-монтажная организация __________________________________
|
|
Наименование (номер) кросса _________________________________________
|
|
Сварочное устройство (тип, №) _______________________________________
|
|
|
№ОВ
|
Цвет ОВ
|
Затухание на
сростках по сварочному устройству (дБ)
|
|
1 -е сращивание
|
2-е сращивание
|
3-е сращивание
|
4-е сращивание
|
|
1
|
|
|
|
|
|
|
2
|
|
|
|
|
|
|
3
|
|
|
|
|
|
|
4
|
|
|
|
|
|
|
5
|
|
|
|
|
|
|
6
|
|
|
|
|
|
|
7
|
|
|
|
|
|
|
8
|
|
|
|
|
|
|
9
|
|
|
|
|
|
|
10
|
|
|
|
|
|
|
11
|
|
|
|
|
|
|
12
|
|
|
|
|
|
|
Подписали
|
Должность
|
Фамилия И.О.
|
Подпись
|
Дата
|
|
Представители строительно-монтажной
организации
|
|
|
|
|
|
|
|
|
|
|
Представители технадзора
|
|
|
|
|
|
Форма ВОЛС-ПТЭ-7
ВОЛП -
(индекс)
Участок
ОП-1-НРП-1/1.
Рефлекгограмма
ОВ №___(цвет) на
смонтированном участке регенерации.
Строительно-монтажная
организация_______________________________________________
Рефлектометр (тип,
зав. №)_______________________________________________________
Направление А-Б

|
Подписали
|
Должность
|
Фамилия И.О.
|
Подпись
|
Дата
|
|
Представители
строительно-монтажной организации
|
|
|
|
|
|
|
|
|
|
|
Представители
технадзора
|
|
|
|
|
|
Форма ВОЛС-ПТЭ-8
ВОЛП - (индекс)
Участок
регенерации: _______
ПРОТОКОЛ
измерения затухания ОВ смонтированного
кабеля на участке регенерации.
|
|
Строительно-монтажная организация _________________________________
|
|
Рефлектометр (марка и зав. номер)
____________________________________
|
|
Установочные параметры: диапазон _________________________;
|
длина волны ______________________-
|
|
показатель преломления
____________________________________;
|
длительность импульса -____________
|
|
|
№ОВ
|
Цвет
|
Затухание
суммарное на участке (дБ)
|
Затухание
километрическое (дБ/км)
|
Оптическая длина
ОВ (км)
|
|
|
|
А-Б
|
Б-А
|
А-Б
|
Б-А
|
|
|
1
|
|
|
|
|
|
|
|
2
|
|
|
|
|
|
|
|
3
|
|
|
|
|
|
|
|
4
|
|
|
|
|
|
|
|
5
|
|
|
|
|
|
|
|
6
|
|
|
|
|
|
|
|
7
|
|
|
|
|
|
|
|
8
|
|
|
|
|
|
|
|
9
|
|
|
|
|
|
|
|
10
|
|
|
|
|
|
|
|
11
|
|
|
|
|
|
|
|
12
|
|
|
|
|
|
|
|
Подписали
|
Должность
|
Фамилия И.О.
|
Подпись
|
Дата
|
|
Представители строительно-монтажной
организации
|
|
|
|
|
|
|
|
|
|
|
Представители технадзора
|
|
|
|
|
|
Форма ВОЛС-ПТЭ-9
ВОЛП-______________(нндекс)_
Участок
регенерации:
Протокол
измерения
сопротивления изоляции внешней полиэтиленовой оболочки ВОК (бронепокровы -
«земля») на смонтированном участке регенерации.
|
|
Строительно-монтажная организация _____________________________________
|
|
Измерительное оборудование
_____________________________________________
|
|
|
№ п/ п
|
Участок ВОЛП
|
Физическая длина
ВОК на участке (км)
|
Сопротивление
изоляции шланга (кОм)
|
Километрическое
сопр. изоляции шланга (кОм)
|
|
|
|
|
|
|
|
|
|
|
|
|
|
|
|
|
|
|
|
|
|
|
|
|
|
|
|
|
|
|
|
|
|
|
|
|
|
|
|
|
|
|
|
|
|
|
|
|
|
|
|
|
|
|
|
|
|
|
|
|
|
|
|
|
|
|
|
|
|
|
|
|
|
|
|
|
|
|
|
|
|
|
|
|
|
|
|
|
|
|
|
|
|
|
|
|
|
|
|
|
|
|
|
|
|
|
|
|
|
|
|
|
|
|
|
|
|
|
|
|
|
Подписали
|
Должность
|
Фамилия И.О.
|
Подпись
|
Дата
|
|
Представители строительно-монтажной
организации
|
|
|
|
|
|
|
|
|
|
|
Представители технадзора
|
|
|
|
|
|
Форма ВОЛС-ПТЭ-10
ВОЛП-_______(нндекс)_
Участок
регенерации: _______
Протокол
измерения
переходного сопротивления грозозащитных тросов по отношению к «земле».
Строительно-монтажная
организация _________________________________________
Измерительное
оборудование__________________________________________________
|
№ п/п
|
Участок ВОЛП
|
Физическая длина
грозозащитного троса(км)
|
Сопротивление
заземления (Ом)
|
Переходное
сопротивление (Ом)
|
|
|
|
|
|
|
|
|
|
|
|
|
|
|
|
|
|
|
|
|
|
|
|
|
|
|
|
|
|
|
|
|
|
|
|
|
|
|
|
|
|
|
|
|
|
|
|
|
|
|
|
|
|
|
|
|
|
|
|
|
|
|
|
|
|
|
|
|
|
|
|
|
|
|
|
|
|
|
|
|
|
|
|
|
|
|
|
|
|
|
|
|
|
|
|
|
|
|
|
|
|
|
|
|
|
|
|
|
|
|
|
|
|
|
|
|
|
|
|
|
|
Подписали
|
Должность
|
Фамилия И.О.
|
Подпись
|
Дата
|
|
Представители строительно-монтажной
организации
|
|
|
|
|
|
|
|
|
|
|
Представители технадзора
|
|
|
|
|
|
РАБОЧАЯ ДОКУМЕНТАЦИЯ
|
ВОЛП (индекс) _________
Рабочая документация
Опись документов.
|
|
Наименование
документа
|
Кол-во листов
|
Номера страниц
|
Примечания
|
|
2
|
Титульный лист
рабочей документации.
|
|
|
|
|
3
|
Заводские
паспорта строительных длин ВОК
|
|
|
|
|
4
|
Протоколы
входного контроля строительных длин ВОК.
|
|
|
На кабельных
барабанах.
|
|
5
|
Отчёт по
прокладке кабеля.
|
|
|
|
|
6
|
Протоколы
измерения затухания строительных длин кабеля после прокладки.
|
|
|
|
|
7
|
Заводские
паспорта оконечного оборудования.
|
|
|
|
|
8
|
Акты на скрытые
работы.
|
|
|
|
|
9
|
Перечень
внесённых изменений, отступлений от проектных решений и согласования к ним.
|
|
|
|
|
10
|
Справки и реестр
от землепользователей, лесхозов, комитетов по охране природы, Госсан
эпидемнадзора и
других инстанций о выполнении их требований.
|
|
|
|
|
Составил:
|
(должность)
|
(Фамилия И.О.)
|
(подпись)
|
(дата)
|
|
|
волп (индекс)
Строительно-монтажная
организация – генподрядчик
|
|
РАБОЧАЯ ДОКУМЕНТАЦИЯ
магистральной
(внутризоновой) кабельной линии связи
на участке ОП«А» -«Б»
магистрали____(индекс)_______
|
|
Марка
кабеля -
______________________________________________
|
|
Длина
трассы - _____________________________________
|
км
|
|
Длина
кабеля (всего) ________________________________
в
грунте __________________________________________
|
км; в
том числе:
|
|
км;
|
|
в
канализации ______________________________________
|
км;
|
|
под
водой _________________________________________
|
км.
|
|
Год
прокладки кабеля - _______________________________________
|
|
Паспорт
составлен -
_____________(дата) _______________________
|
|
Ответственный представитель
генподрядчика:
|
|
________(должность)______
Ответственный исполнитель:
|
_______
(подпись)____ (Ф.И.О.)_________
|
|
_______(должность)________
|
________(подпись)
____ (Ф.И.О). _________
|
|
Объект
Подрядчик:
|
(номер заказа) ______________
(наименование организации) ____
|
|
|
|
|
|
|
Заводские паспорта строительных длин ВОК.
Форма ВОЛС-РД-4
ВОЛП -
(индекс)
Участок
ОП-1-ТРП-1.
Протокол №......
входного контроля строительной длины
ВОК
Марка
кабеля_____________________________________________________ Тип
кабеля___________
Кабельный барабан
№__________________________ Кабель №__________
Физическая длина
кабеля на барабане_______________________ метров
Измерительное
оборудование:_________________(тип, марка рефлектометра , зав.
№)____________
Установочные
данные: длина волны- _________________;
показатель преломления -_________________
|
№ ОВ
|
Цвет модуля
|
Цвет ОВ
|
Коэфф. затухания
(дБ/км)
|
Оптическая
длина(м)
|
|
А-Б
|
Б-А
|
|
1
|
|
|
|
|
|
|
2
|
|
|
|
|
|
|
3
|
|
|
|
|
|
|
4
|
|
|
|
|
|
|
5
|
|
|
|
|
|
|
6
|
|
|
|
|
|
|
7
|
|
|
|
|
|
|
8
|
|
|
|
|
|
|
9
|
|
|
|
|
|
|
10
|
|
|
|
|
|
|
11
|
|
|
|
|
|
|
12
|
|
|
|
|
|
|
13
|
|
|
|
|
|
|
14
|
|
|
|
|
|
|
15
|
|
|
|
|
|
|
16
|
|
|
|
|
|
|
17
|
|
|
|
|
|
|
18
|
|
|
|
|
|
|
19
|
|
|
|
|
|
|
20
|
|
|
|
|
|
Средняя оптическая длина кабеля по ОВ_____________________________м
|
Подписали
|
Должность
|
Фамилия И.О.
|
Подпись
|
Дата
|
|
Представители строительно-монтажной
организации
|
|
|
|
|
|
|
|
|
|
|
Представители технадзора
|
|
|
|
|
|
Форма ВОЛС-РД-5
ВОЛП -
(индекс)
Участок
НРП-1-ТРП-1.
Отчёт по прокладке кабеля.
|
|
Строительно-монтажная организация
_____________________________________
|
|
Завод-изготовитель кабеля
______________________________________________
|
|
Марка проложенного кабеля:
|
|
|
1)от НРП-1 до МП (тип – 4 ) ……………….(марка)…………………………………
_____________
|
|
2)отМ13 доТРП1(тип-2)……………………..(марка)………………………………..
|
|
.
|
Номер барабана
|
Номер
строительной длины
|
Номера смежных
муфт
|
Длина кабеля
полученная (м)
|
Длина кабеля
проложеная (м)
|
Остаток кабеля
после прокладки (м)
|
Дата прокладки
|
Тип ВОК
|
|
|
|
|
|
|
|
|
|
|
|
|
|
|
|
|
|
|
|
|
|
|
|
|
|
|
|
|
|
|
|
|
|
|
|
|
|
|
|
|
|
|
|
|
|
|
|
|
|
|
|
|
|
|
|
|
|
|
|
|
|
|
|
|
|
|
|
|
|
|
|
|
|
|
|
|
|
|
|
|
|
|
|
|
|
|
|
|
|
|
|
|
|
|
|
|
|
|
|
|
|
|
|
|
|
|
|
|
|
|
|
|
|
|
|
|
|
|
|
|
|
|
|
|
|
|
|
|
|
|
|
|
|
|
|
|
|
|
|
|
|
|
|
|
|
|
|
|
|
|
|
|
|
|
|
|
|
|
|
|
|
|
|
|
|
|
|
|
|
|
|
|
|
|
|
|
|
|
|
|
|
|
|
|
|
|
|
|
|
|
|
|
|
|
|
|
|
|
|
|
|
|
|
|
|
|
|
|
Подписали
|
Должность
|
Фамилия И.О.
|
Подпись
|
Дата
|
|
Представители строительно-монтажной
организации
|
|
|
|
|
|
|
|
|
|
|
Представители технадзора
|
|
|
|
|
|
|
|
Форма ВОЛС-РД-6
ВОЛП -
(индекс)
Участок
НРП-1-ТРП-1.
Протокол
измерения
затухания ОВ строительной длины кабеля
после прокладки.
|
|
Строительно-монтажная
организация
Кабель проложен между муфтами №
|
____________________________________________
_______ и № ___________.
|
|
Марка кабеля ____________________
|
______ Тип
кабеля_____________________________
|
|
Кабельный барабан № _____________
|
_______Кабель №________
|
|
Физическая длина
кабеля ___________
Измерительное оборудование:________
|
____метров
(тип, марка рефлектометра)_________ Зав. №_____
|
|
Установочные данные: длина волны-
|
_____; показатель преломления
|
_______
|
|
|
№ ОВ
|
Цвет модуля
|
Цвет ОВ
|
Коэфф. затухания
(дБ/км)
|
Оптическая
длина(м)
|
|
А-Б
|
Б-А
|
|
1
|
|
|
|
|
|
|
2
|
|
|
|
|
|
|
3
|
|
|
|
|
|
|
4
|
|
|
|
|
|
|
5
|
|
|
|
|
|
|
6
|
|
|
|
|
|
|
7
|
|
|
|
|
|
|
8
|
|
|
|
|
|
|
9
|
|
|
|
|
|
|
10
|
|
|
|
|
|
|
11
|
|
|
|
|
|
|
12
|
|
|
|
|
|
|
13
|
|
|
|
|
|
|
14
|
|
|
|
|
|
|
15
|
|
|
|
|
|
|
16
|
|
|
|
|
|
|
17
|
|
|
|
|
|
|
18
|
|
|
|
|
|
|
19
|
|
|
|
|
|
|
20
|
|
|
|
|
|
Примечание: проверка ВОК
после прокладки допускается производить с одного конца кабеля.
|
Подписали
|
Должность
|
Фамилия И.О.
|
Подпись
|
Дата
|
|
Представители строительно-монтажной
организации
|
|
|
|
|
|
|
|
|
|
|
Представители технадзора
|
|
|
|
|
|
|
|
|
|
|
ВОЛП -
(индекс)
Участок
НРП-1-ТРП-1
Заводской паспорт
оконечного оборудования
|
Форма ВОЛС-РД-8/1
ВОЛП -
(индекс)
Участок
НРП-1-ТРП-1.
Участок трассы
находится между населёнными пунктами (пикетами)________
_________________________________________________________
|
|
Строительно-монтажная
организация___________________________________
|
|
Акт
на скрытые работы по прокладке кабелей связи и защитных средств.
Мы, нижеподписавшиеся, представитель
технического надзора Заказчика
____________________________________________________________
|
|
и представитель
|
________________________________________________________________________________________________________
|
|
|
(наименование
строительно-монтажной организации)
|
|
произвели
освидетельствование выполненных работ по прокладке кабелей и защитных
проводов и установили:
1. Проложен кабель марки ________________ производства завода
|
|
___________________
.___________________
|
от_______
км. и марка
|
до _________
____________
|
протяженностью
от _________ до ________ ,
|
|
протяженностью______
|
км, а всего
|
_______ км
|
|
2. Способ
прокладки
|
_______________________________________
(кабелеукладчиком,
вручную)
|
|
3. Глубина
прокладки по проекту______________
4. Перекрытие
концов на стыке строительных длин
5. Выполнены переходи через грунтовые дороги
|
фактически не
менее _____ м.
______________________
м
____________________м
|
|
________________________________________________________________________________________________________________________
________________________________________________________________________________________________________________________
(указать способ
прокладки кабеля на переходе: кабелеукладчиком, вручную, количество
труб и т.п.по каждому переходу)
6. Выполнены переходы через малые реки и
ручьи________________________________________________________________________________
___________________________________________________________________________________________________________________________
___________________________________________________________________________________________________________________________
7. Произведена защита кабеля кирпичем (железобетонными плитами)
на участке _______________________________ общей протяженностью
__________________________ М.
8. Выполнены работы по строительству постели (из привозного песка,
мягкого грунта) на участке __________________ в объеме ______________
|
Подписали
|
Должность
|
Фамилия И.О.
|
Подпись
|
Дата
|
|
Представители строительно-монтажной
организации
|
|
|
|
|
|
|
|
|
|
|
Представители технадзора
|
|
|
|
|
|
|
|
|
|
|
|
|
Форма ВОЛС-РД-8/2
ВОЛП -
(индекс)
Участок НРП-1-ТРП-1.
|
|
Участок трассы находится между
_____________________________________________________________
__________________________________________________________________________________________
|
|
Строительно-монтажная
организация__________________________________________________________
|
Акт
на скрытые работы по строительству
кабельной канализации.
|
|
Мы, нижеподписавшиеся, представитель технического
надзора заказчика _____________________________________________________________
и представителиподрядчика
|
|
(наименование
строительно-монтажной организации)
|
|
произвели освидетельствование работ по прокладке (докладке)
трубопроводов кабельной канализации согласно рабочим чертежам
|
|
№№ =_________________по
ул. _____________________________________от колодца №=_______________
|
|
(дом № = __________________)
до колодца №=________________( дом №= ____________________ ) и
установили:
|
|
1. Общие данные
|
Участок
между колодцами NN=
|
Длина
пролета
|
Характеристика
труб
|
Количество
каналов
|
Количество стыков
|
Примечание
|
|
материал
|
длина
|
Внутренний
диаметр труб, мм
|
|
|
|
|
|
|
|
|
|
|
|
2.Способ
соединении стыков труб ______________________________________________________________________
__________________________________________________________________________________________________________
|
|
3. Глубина заложения подошвы блока______________________________________________
|
|
________________________________________________________________________________________
4. Промежутки между трубами засыпаны
____________________________________________________
_
|
|
Подписали
|
Должность
|
Фамилия И.О.
|
Подпись
|
Дата
|
|
Представители строительно-монтажной
организации
|
|
|
|
|
|
|
|
|
|
|
Представители технадзора
|
|
|
|
|
|
ВОЛП -
(индекс)
Участок
НРП-1-ТРП-1.
Участок трассы находится_____________________________________________________________________________________
____________________________________________________________________________________________________________
Форма ВОЛС-РД-8/3
_________________________________________
|
|
Строительно-монтажная
организация ___________________________________________________________________________
|
|
Акт
на скрытые работы по устройству кабельных переходов на пересечении
с автомобильной (или железной) дорогой.
|
|
Мы, нижеподписавшиеся, представитель
заказчика________________________________________________________________
___________________________и представитель подрядчика ________________________________________________________
|
|
________________________________________произвели освидетельствование работ по устройству
переходов и установили:
|
|
1. Общие данные
|
Место перехода,
номер чертежа
|
Пересекаемое
сооружение
|
Характеристика
труб
|
Способ
выполнения работ
|
Примечание
|
|
материал
|
диаметр
|
длина
|
число каналов
|
|
|
|
|
|
|
|
|
|
|
|
2. Проверка проходимости каналов _____________________________________________________________________________
|
|
3. Покрытие труб битумной массой на пересечениях
электрифицированных дорог _____________________________________
|
|
4. Способ заделки стыков
_____________________________________________________________________________________
|
|
5. Заделка концов
труб ________________________________________________________________________________________
|
|
6. Установка
столбиков около концов труб
______________________________________________________________________
|
|
7. Восстановление
откосов, кюветов ____________________________________________________________________________
|
|
8.___________________________________________________________________________________________________________
9.____________________________________________________________________________________________________________
|
|
Работы выполнены
в соответствии с рабочей документацией проекта и действующими
правилами _______________________
|
|
Оценка выполненных работ ( ____________________________________ )
Приложение
|
Подписали
|
Должность
|
Фамилия И.О.
|
Подпись
|
Дата
|
|
Представители строительно-монтажной
организации
|
|
|
|
|
|
|
|
|
|
|
Представители технадзора
|
|
|
|
|
|

|
|
|
Форма ВОЛС-РД-8/4
ВОЛП -
(индекс)
Участок
НРП-1-ТРП-1.
ОбъектНРП1
Строительно-монтажная
организация_____________________________________________________________________
Акт
на скрытые работы по строительству НРП.
Мы, нижеподписавшиеся, представитель технического надзора Заказчика
_____________________________________________________________
и представитель___________________________________________________________________________________________________________
(наименование
строительно-монтажной организации
|
|
произвели
освидетельствование выполненных работ по строительству НРП
N= __________на участке трассы и установили :
|
|
1. Место
установки НРП соответствует рабочим чертежам
|
___________________________________________________________
|
|
2. Основание под
цистерну (контейнер, корпус) выполнено из
|
___________________________________________________________
|
|
3. Анкеровка
цистерны выполнена посредством анкеров и тяжей из
|
___________________________________________________________
|
|
4. Гидроизоляция
(противокоррозионное покрытие) повреждений не имеет.
|
___________________________________________________________
|
|
5. Анкеры, тяжи,
хомуты, закладные детали защищены от коррозии
|
___________________________________________________________
(указать способ)
|
|
6._______________________________________________________________________________________________________________________
7._______________________________________________________________________________________________________________________
8._______________________________________________________________________________________________________________________
Все работы
выполнены в соответствии с рабочей документацией и действующими правилами.
|
Подписали
|
Должность
|
Фамилия И.О.
|
Подпись
|
Дата
|
|
Представители строительно-монтажной
организации
|
|
|
|
|
|
|
|
|
|
|
Представители технадзора
|
|
|
|
|
|
Форма ВОЛС-РД-8/5
ВОЛП - (индекс)
Участок
НРП-1-ТРП-1.
Объект НРП1
Строительно-монтажная
организация_____________________________________
Акт
на скрытые работы по устройству заземлений.
Мы, нижеподписавшиеся, представитель технического надзора
Заказчика
__________________________________________
и представитель
._____________________________________
(наименование
строительно-монтажной организации)
произвели
освидетельствование выполненных работ по устройству
заземлений и установили:
1. Общие данные
|
N= пп
|
Характеристика
|
Назначение
заземления
|
|
рабочее
|
защитное
|
линейно-защитное
|
|
1
|
2
|
3
|
4
|
5
|
|
1
|
Материал
электродов
|
|
|
|
|
2
|
Количество
электродов, шт.
|
|
|
|
|
3
|
Длина
электродов, м
|
|
|
|
|
4
|
Материал шин
|
|
|
|
|
5
|
Длина шин, м
|
|
|
|
|
6
|
Марки
соединительного кабеля (провода)
|
|
|
|
|
7
|
Длина
соединительного кабеля, м
|
|
|
|
|
8
|
Глубина забивки
электродов, м
|
|
|
|
|
9
|
Глубина
прокладки шин, м
|
|
|
|
|
10
|
Способ
соединения электродов
|
|
|
|
|
11
|
Дата устройства
заземления
|
|
|
|
|
Подписали
|
Должность
|
Фамилия И.О.
|
Подпись
|
Дата
|
|
Представители строительно-монтажной
организации
|
|
|
|
|
|
|
|
|
|
|
Представители технадзора
|
|
|
|
|
|
Форма ВОЛС-РД-6
ВОЛП -
(индекс)
Участок
НРП-1-ТРП-1.
Объект НРП1
Строительно-монтажная
организация_____________________________________
Перечень
внесённых в проект изменений, отступлений от проектных решений
и согласований
к ним.
|
Дата внесения
изменения
|
Причина
изменения проектного решения
|
Регенерационный
участок и номера планшетов, на которых имеются изменения
|
Подпись лица,
внесшего изменения
|
|
|
|
|
|
|
|
|
|
|
|
|
|
|
|
|
|
|
|
|
|
|
|
|
|
|
|
|
|
|
|
|
|
|
|
|
|
|
|
|
|
|
|
|
|
|
|
|
|
|
|
|
|
|
|
Примечание: В
настоящем документе регистрируются лишь те изменения, которые произошли на
кабеле, например: вставки, выноски, бандажи и т.д. с данными о ликвидации
ненужных листов.
|
Составил:
|
(должность)
|
(Фамилия И.О.)
|
(подпись)
|
(дата)
|
|
Форма ВОЛС-РД-10
ВОЛП -
(индекс)
Участок
НРП-1-ТРП-1.
Справка
о принятии на учёт инженерных коммуникаций.
Трасса
кабеля.________________________________________________________________________________________________
(наименование, месторасположение)по проекту, разработанному
________________________________________________________________________________________________
(название организации)
(заказ №.______.),
и зарегестрированному в отделе по делам строительства и архитектуры,
проверена по данным чертежей исполнительной документации.
Замечания____________________________________________________________________________________________________
__________________________________________________________________________________________________________
|
|
«Трасса кабеля принята на учёт»
Начальник производственной группы отдела по делам строительства и
архитектуры____________________________________________
(наименование органа местной власти)
______________________________________________________
(подпись).(Фамилия И.О.)(Дата)
|
|
|
|