Крупнейшая бесплатная информационно-справочная система онлайн доступа к полному собранию технических нормативно-правовых актов РФ. Огромная база технических нормативов (более 150 тысяч документов) и полное собрание национальных стандартов, аутентичное официальной базе Госстандарта. GOSTRF.com - это более 1 Терабайта бесплатной технической информации для всех пользователей интернета. Все электронные копии представленных здесь документов могут распространяться без каких-либо ограничений. Поощряется распространение информации с этого сайта на любых других ресурсах. Каждый человек имеет право на неограниченный доступ к этим документам! Каждый человек имеет право на знание требований, изложенных в данных нормативно-правовых актах!

  


 

Научно-
исследовательский
Институт строительных конструкций
(НИИСК Госстроя
СССР

Проектный и научно-
исследовательский
Институт (Донецкий
Промстрой НИИпроект) Госстроя СССР

Зональный научно- исследовательский и проектный
Институт типового и экспериментального
Проектирования жилых и
Общественных зданий
(Киев-ЗНИИЭП)
Госгражданстроя

Научно-
исследовательский
и проектный
институт
градостроительства
(КиевНИИП
градостроительства)
Госгражданстроя

РУКОВОДСТВО
ПО ПРОЕКТИРОВАНИЮ ЗДАНИЙ И СООРУЖЕНИЙ НА ПОДРАБАТЫВАЕМЫХ ТЕРРИТОРИЯХ

Часть II Промышленные и гражданские здания

Москва Стройиздат 1986

Рекомендовано к изданию решением секции Научно-технического совета НИИСК Госстроя СССР.

Разработано к СНиП II-8-78 «Здания и сооружения на подрабатываемых территориях». Даны рекомендации по планировке и застройке подрабатываемых территорий; по выбору конструктивных решений; по расчету зданий различных конструктивных схем и отдельных конструкций на заданные деформации оснований, обусловленные подземной разработкой угольных пластов. Рассмотрены особенности проектирования зданий, приспособленных для защиты их методом поддомкрачивания, особенности расчета подрабатываемых зданий с учетом фактора времени.

Для работников проектных, строительных и научно-исследовательских организаций.

НИИСК
Госстроя СССР

Донецкий
ПромстройНИИпроект
Госстроя СССР

КиевЗНИИЭП
Госгражданстроя

КиевНИИП
градостроительства
Госгражданстроя

Руководство по проектированию зданий и сооружений на подрабатываемых территориях

Часть II

Промышленные и гражданские здания

Содержание

ВВЕДЕНИЕ

2(3). ПЛАНИРОВКА И ЗАСТРОЙКА ПОДРАБАТЫВАЕМЫХ СЕЛИТЕБНЫХ ТЕРРИТОРИЙ

3. ОСОБЕННОСТИ ИНЖЕНЕРНО-ГЕОЛОГИЧЕСКИХ ИЗЫСКАНИЙ ПОДРАБАТЫВАЕМЫХ ТЕРРИТОРИЙ

4. ПРИНЦИПЫ ПРОЕКТИРОВАНИЯ ЗДАНИЙ И СООРУЖЕНИЙ, ВОЗВОДИМЫХ НА ПОДРАБАТЫВАЕМЫХ ТЕРРИТОРИЯХ

ОБЩИЕ ПРИНЦИПЫ ПРОЕКТИРОВАНИЯ

ОСНОВНЫЕ РАСЧЕТНЫЕ ТРЕБОВАНИЯ

ОСНОВНЫЕ КОНСТРУКТИВНЫЕ ТРЕБОВАНИЯ

ОСОБЕННОСТИ ПРОЕКТИРОВАНИЯ ЗДАНИЙ, ПРИСПОСОБЛЕННЫХ ДЛЯ ЗАЩИТЫ ИХ МЕТОДОМ ВЫРАВНИВАНИЯ ДОМКРАТАМИ

5. КАРКАСНЫЕ ЗДАНИЯ. ОДНОЭТАЖНЫЕ ПРОМЫШЛЕННЫЕ ЗДАНИЯ

ОБЩИЕ ПОЛОЖЕНИЯ

ПРИНЦИПЫ ПРОЕКТИРОВАНИЯ

РАСЧЕТ ПОПЕРЕЧНЫХ РАМ ОДНОЭТАЖНЫХ ПРОМЫШЛЕННЫХ ЗДАНИЙ

РАСЧЕТ ПРОДОЛЬНЫХ РАМ ОДНОЭТАЖНЫХ ПРОМЫШЛЕННЫХ ЗДАНИЙ

РАСЧЕТ СВЯЗЕЙ-РАСПОРОК МЕЖДУ ОТДЕЛЬНО СТОЯЩИМИ ФУНДАМЕНТАМИ

ПРИМЕРЫ РАСЧЕТА

ПОДКРАНОВЫЕ КОНСТРУКЦИИ

6. КАРКАСНО-ПАНЕЛЬНЫЕ ЗДАНИЯ

КОНСТРУКТИВНЫЕ РЕШЕНИЯ

УКАЗАНИЯ ПО РАСЧЕТУ ЗДАНИЙ НА ВОЗДЕЙСТВИЕ ДЕФОРМАЦИЙ ЗЕМНОЙ ПОВЕРХНОСТИ

ПРИМЕРЫ РАСЧЕТА

РАСЧЕТ РАМНЫХ КАРКАСОВ ПО ПРЕДЕЛЬНЫМ ПЕРЕМЕЩЕНИЯМ ЭЛЕМЕНТОВ

7. БЕСКАРКАСНЫЕ ЗДАНИЯ

КОНСТРУКТИВНЫЕ РЕШЕНИЯ

РАСЧЕТ БЕСКАРКАСНЫХ ЗДАНИЙ (ОБЩИЕ ПОЛОЖЕНИЯ)

ОПРЕДЕЛЕНИЕ НАГРУЗОК НА ФУНДАМЕНТЫ ОТ ГОРИЗОНТАЛЬНЫХ ДЕФОРМАЦИЙ ОСНОВАНИЯ

ОПРЕДЕЛЕНИЕ ПРИВЕДЕННЫХ ЖЕСТКОСТНЫХ ХАРАКТЕРИСТИК ЗДАНИЯ

ОПРЕДЕЛЕНИЕ СДВИГОВОЙ ЖЕСТКОСТИ

ОПРЕДЕЛЕНИЕ ИЗГИБНОЙ ЖЕСТКОСТИ

ОПРЕДЕЛЕНИЕ ОБОБЩЕННЫХ УСИЛИЙ В ЗДАНИЯХ НА ИСКРИВЛЕННОМ ОСНОВАНИИ

ОПРЕДЕЛЕНИЕ ОБОБЩЕННЫХ УСИЛИЙ В ЗДАНИЯХ НА СТУПЕНЧАТО ОСЕДАЮЩЕМ ОСНОВАНИИ

ПРИМЕРЫ РАСЧЕТА

ОПРЕДЕЛЕНИЕ УСИЛИЙ В КОНСТРУКЦИЯХ ЗДАНИЙ

ПРИМЕР РАСЧЕТА БЕСКАРКАСНОГО КРУПНОПАНЕЛЬНОГО ЗДАНИЯ НА ДЕФОРМИРУЕМОМ ОСНОВАНИИ

8. ОСОБЕННОСТИ РАСЧЕТА ЗДАНИЙ И СООРУЖЕНИЙ НА ПОДРАБАТЫВАЕМЫХ ТЕРРИТОРИЯХ С УЧЕТОМ ФАКТОРА ВРЕМЕНИ (ПП. 5.7, 5.9, 5.10 СНиП II-8-78)

ОБЩИЕ ПОЛОЖЕНИЯ ПО УЧЕТУ ФАКТОРА ВРЕМЕНИ ПРИ ПРОЕКТИРОВАНИИ И ЗАЩИТЕ ЗДАНИЙ И СООРУЖЕНИЙ

ОПРЕДЕЛЕНИЕ ИСХОДНЫХ ДАННЫХ ДЛЯ РАСЧЕТА КОНСТРУКЦИЙ С УЧЕТОМ ФАКТОРА ВРЕМЕНИ

КОЭФФИЦИЕНТ ЖЕСТКОСТИ ДЛИТЕЛЬНО ДЕФОРМИРУЕМОГО ОСНОВАНИЯ (ПП. 12-16 ПРИЛ. 2. СНиП II-8-78)

ТЕКУЩИЕ ПАРАМЕТРЫ ДЕФОРМИРОВАНИЯ ЗЕМНОЙ ПОВЕРХНОСТИ

ЗАВИСИМОСТЬ МЕЖДУ НАГРУЗКОЙ И ПЕРЕМЕЩЕНИЕМ НА КОНТАКТЕ ФУНДАМЕНТА

ОПРЕДЕЛЕНИЕ ДЛИТЕЛЬНОЙ ОБОБЩЕННОЙ ЖЕСТКОСТИ ЗДАНИЙ И СООРУЖЕНИЙ

РАСЧЕТ КОНСТРУКЦИЙ НА ВОЗДЕЙСТВИЕ ГОРИЗОНТАЛЬНЫХ ДЕФОРМАЦИЙ ЗЕМНОЙ ПОВЕРХНОСТИ

ОПРЕДЕЛЕНИЕ НАГРУЗОК НА ФУНДАМЕНТНЫЕ КОНСТРУКЦИИ ОТ ГОРИЗОНТАЛЬНЫХ ДЕФОРМАЦИЙ ОСНОВАНИЯ С УЧЕТОМ ДЛИТЕЛЬНОСТИ ВОЗДЕЙСТВИЙ ПРИ МНОГОКРАТНОЙ ПОДРАБОТКЕ

Касательные нагрузки по боковым поверхностям фундаментов

Нагрузки по подошве фундаментов, примыкающих к расчетному

УПРОЩЕННАЯ МЕТОДИКА ОПРЕДЕЛЕНИЯ НАГРУЗОК НА ФУНДАМЕНТНЫЕ КОНСТРУКЦИИ ОТ ГОРИЗОНТАЛЬНЫХ ДЕФОРМАЦИЙ ОСНОВАНИЯ

Касательные нагрузки по подошве фундаментов

Касательные нагрузки по боковым поверхностям фундаментов

Нормальные нагрузки на боковые поверхности фундаментов

ПРИМЕРЫ РАСЧЕТА

ПРИЛОЖЕНИЕ 1 Определение параметров длительного деформирования грунтов

ПРИЛОЖЕНИЕ 2 Методика определения реологических характеристик грунтов подрабатываемых территорий

ПРИЛОЖЕНИЕ 3 Определение характеристики ползучести и деформаций усадки бетонов

ПРИЛОЖЕНИЕ 4 Определение высоты сжатой зоны

ПРИЛОЖЕНИЕ 5 Методика проведения подготовительных работ при выравнивании зданий методом поддомкрачивания

ВВЕДЕНИЕ

Руководство составлено на основании результатов законченных научно-исследовательских работ, накопленного за последние годы опыта проектирования и строительства зданий и сооружений на подрабатываемых территориях.

Руководство по проектированию зданий и сооружений на подрабатываемых территориях (промышленные и гражданские здания), часть II, составили: разд. 1 - канд. техн. наук: Г.М. Григорьев, Н.С. Метелюк, А.Б. Соловьева (НИИСК); канд. техн. наук А.А. Петраков (Донецкий ПромстройНИИпроект), канд. техн. наук Б.П. Хакало (КиевЗНИИЭП); разд. 2 - канд. техн. наук В.Ф. Макухин, инженеры: Г.В. Рожков, Л.И. Тузова (КиевНИИПградостроительства); разд. 3 - канд. техн. наук: А.С. Торбанов, В.Е. Макиенко, А.А. Петраков, инж. Э.Я. Гонский (Донецкий ПромстройНИИпроект); разд. 4 - д-р техн. наук, проф. С.Н. Клепиков, канд. техн. наук: Г.М. Григорьев, А.И. Кисиль, Н.С. Метелюк, А.Б. Соловьева, А.С. Трегуб, В.П. Шумов-ский, инженеры: Т.Г. Горновесова, А.В. Машкин, (НИИСК); канд. техн. наук: Б.П. Хакало (КиевЗНИИЭП); Ю.Л. Бучинский, М.А.

Коваленко, В.Е. Макиенко, А.А. Петраков, инж Ф.И. Мавроди (Донецкий ПромстройНИИпроект); разд. 5 - канд. техн. наук: Ю.Л. Бучинский, М.А. Коваленко, В.Е. Макиенко, А.А. Петраков, инженеры: В.В. Азараев, А.Г. Глущенко (Донецкий ПромстройНИИпроект), Д.А. Симонов (Ворошиловградгражданпроект); разд. 6 - канд. техн. наук: Г.В. Афанасьев, В.Е. Макиенко, А.А. Петраков, инженеры: С.В. Маликов, М.В. Прядко, A.Н. Семенец (Донецкий ПромстройНИИпроект); разд. 7 - д-р техн. наук, проф. С.Н. Клепиков, канд. техн. наук: Ф.Н. Бородачева, А.И. Кисиль, И.В. Матвеев, А.С. Трегуб, инж. B.В. Гречко, (НИИСК); канд. техн. наук Б.П. Хакало (КиевЗНИИЭП) канд. техн. наук: Г.В. Афанасьев, А.А. Петраков, инженеры: В.X. Батрак, Ф.И. Мавроди, К.П. Холопченко (Донецкий ПромстройНИИпроект); при участии инж. Д.А. Симонова (Ворошиловградгражданпроект); разд. 8 - канд. техн. наук Н.С. Метелюк, А.Б. Соловьева, инж. 3.М.Варейкис, (НИИСК); канд. техн. наук: В.Е. Макиенко, А.А. Петраков (Донецкий ПромстройНИИпроект).

Под общей редакцией д-р техн. наук, проф. С.Н. Клепикова, канд. техн. наук: И.А. Лукашенко, Н.С. Метелюка, А.Б. Соловьевой (НИИСК); канд. техн. наук: Ю.Л. Бучинского, А.А. Петракова (Донецкий ПромстройНИИпроект).

В скобках даны номера пунктов главы СНиП II-8-78.

1. ОБЩИЕ ПОЛОЖЕНИЯ

1.1. Руководство к главе СНиП II-8-78. «Здания и сооружения на подрабатываемых территориях».

1.2 (1.1.). Рекомендации настоящей части Руководства распространяются на проектирование производственных, жилых, общественных зданий, возводимых на подрабатываемых территориях. Проектирование инженерных сооружений и коммуникаций промышленных предприятий должно выполняться по рекомендациям ч. III «Руководства по проектированию зданий и сооружений на подрабатываемых территориях (башенные, транспортные и заглубленные сооружения, трубопроводы)».

1.3. Проектирование панельных зданий с учетом региональных условий территорий строительства и особенностей конструктивных схем зданий должно производиться с соблюдением требований следующих документов:

Руководство по проектированию конструкций панельных жилых зданий для особых грунтовых условий.- М.: Стройиздат, 1982;

Инструкция по проектированию конструкций панельных жилых зданий (ВСН 32-77);

Руководство по выбору рациональных строительных систем жилых зданий для массового строительства в различных условиях. (М.: Стройиздат, 1978);

Технико-экономический анализ проектных решений жилых домов для массового городского строительства (М.: Стройиздат, 1980).

1.4. (1.4). При проектировании объектов на территориях угольных месторождений, намечаемых к выемке подземным способом, следует применять специальные типовые и индивидуальные решения, разработанные с учетом прогнозируемых (ожидаемых) деформаций земной поверхности, или типовые решения для обычных условий, переработанные с учетом требований СНиП II-8-78 и включающие конструктивные мероприятия по защите объектов от вредного влияния подземных выработок.

1.5. Расчет деформаций земной поверхности выполняется по рекомендациям ч. I Руководства: «Исходные данные для проектирования зданий и сооружений на подрабатываемых территориях» (Стройиздат, 1983).

1.6. (1.10). Проектирование бескаркасных жилых и общественных зданий на подрабатываемых территориях, характеризующихся образованием на земной поверхности сосредоточенных деформаций в виде уступов и трещин при разработке крутопадающих угольных пластов, а также на участках с выходами тектонических нарушений и над старыми горными выработками следует выполнять с соблюдением требований «Инструкции по проектированию бескаркасных жилых зданий для строительства на ступенчато-оседающих подрабатываемых территориях Донецкого угольного бассейна Украинской ССР» (РСН 227-81).

2(3). ПЛАНИРОВКА И ЗАСТРОЙКА ПОДРАБАТЫВАЕМЫХ СЕЛИТЕБНЫХ ТЕРРИТОРИЙ

2.1. Разработке проектов детальной планировки жилых районов, проектов застройки микрорайонов должно предшествовать горно-геологическое обоснование, включающее картографический материал в соответствии с требованиями п. 3.4 главы СНиП по проектированию зданий и сооружений на подрабатываемых территориях.

2.2. При разработке проектной документации в состав проектов детальной планировки и проектов застройки необходимо включать схемы горно-геологических ограничений, выполненные в масштабе основных чертежей. На схемах должны быть выделены угленосные территории: неподрабатываемые, подрабатываемые, пригодные, ограниченно пригодные и непригодные для застройки жилых районов и микрорайонов, выявленные на основании исходных данных, включенных в горно-геологическое обоснование.

2.3. К неподрабатываемым территориям относят участки земной поверхности, расположенные вне зоны влияния горных выработок, под которыми не планируется отработка запасов полезного ископаемого, а также участки, под которыми имеются горные выработки, расположенные на глубинах, исключающих возможность образования провалов, и процесс сдвижения земной поверхности от которых к моменту начала строительства полностью закончен, а дальнейшая отработка запасов не планируется.

2.4. Подрабатываемыми территориями, пригодными для строительства, считаются участки земной поверхности, расположенные вне зон: возможного образования провалов; возможного затопления атмосферными осадками и грунтовыми водами; выходов тектонических нарушений и осевых поверхностей синклинарных складок; возможного образования оползней.

По величинам прогнозируемых деформаций от влияния горных работ эти участки относятся к III-III, к и IV-IV, к группам территорий.

2.5. К ограниченно пригодным подрабатываемым территориям относятся участки земной поверхности, соответствующие по величине прогнозируемых деформаций I, -I, к и II, II к группам территорий.

2.6. Непригодными к застрбйке считаются участки, на которых возможно образование провалов; затопление грунтовыми водами; образование оползней; выходы тектонических нарушений и осевых поверхностей синклинарных складок, величины деформаций и точное расположение которых не поддается прогнозированию.

Примечание. Пригодность площадок для строительства определяется исходя из условий подработки, возможности обеспечения конструктивных мероприятий по защите и методов выравнивания зданий и сооружений с учетом технико-экономических показателей (СНиП по проектированию зданий и сооружений на подрабатываемых территориях).

2.7. При освоении новых площадок для строительства в первую очередь необходимо застраивать неподрабатываемые территории.

Таблица 1

Функциональные зоны и элементы жилого района

Целесообразное размещение по группам подрабатываемых территорий

Участки школ и детских учреждений

Участки учреждений и предприятий обслуживания культурно-бытового назначения:

IV, III, IV, к, III, к

микрорайона

IV, III, IV, к, III, к

жилого района

IV, I, V, к, III

коммунально-хозяйственного назначения микрорайона и жилого района

IV, III, II, IV, к, III, к, II, к

Общественные здания (независимо от этажности)

IV, IV, к, III

Спортивные сооружения

IV, IV, к

Участки под жилыми зданиями с этажностью:

 

5

IV, III, II, I, IV, к, III, к,II, к, I, к

9

IV, III, II, I, IV, к, III, кII, к. I, к

12

IV, III, IV, к

14-16

IV

Магистральные улицы общегородского и районного значения

IV, III, IV, к

Жилые улицы и проезды

IV, III, II, I, IV, к, III, к,II, к, I, к

В случае отсутствия таких территорий освоению подлежат подрабатываемые территории с учетом степени пригодности для застройки (согласно требованиям п. 2.4-2.6 настоящего Руководства).

2.8. При планировке и застройке жилых районов и микрорайонов массового жилищного строительства на площадках с различным сочетанием групп по величине деформаций земной поверхности, рациональное размещение функциональных зон и отдельных зданий в соответствии с табл. 1, рис. 1, может быть обеспечено конструктивными мероприятиями, прошедшими испытание в натурных условиях и практике строительства.

Примечания: 1. Диапазон возможного размещения общественных и жилых зданий повышенной этажности по группам подрабатываемых территорий может быть увеличен по мере разработки для них новых конструктивных мероприятий, пригодных для массового жилищного строительства.

2. Размещение функциональных зон и элементов территории жилого района и микрорайона должен проводиться в пределах радиусов обслуживания в соответствии с главой СНиП по планировке и застройке городов, поселков и сельских населенных мест.

Рис. 1 Размещение функциональных зон на группах подрабатываемых территорий с учетом современных конструктивных мер защиты

а - жилой район; б - микрорайон; О-IV - группы подрабатываемых территорий; М - микрорайон; 5, 9, 16 эт. - жилые здания; Цжр - центр жилого района; Цм - центр микрорайона; Д - детские учреждения; Ш - школьные учреждения; У1 - магистральные улицы; У2 - жилые улицы и проезды

2.9. Зеленые насаждения общего пользования, не входящие в состав зон, перечисленных в табл. 1 настоящего Руководства, физкультурные, хозяйственные площадки, стоянки автомобилей, гаражи (наземные, подземные, полуподземные) размещаются на участках с наибольшей величиной деформаций земной поверхности в пределах площадок с различным сочетанием групп подрабатываемых территорий.

2.10. В микрорайонах, расположенных на площадках с различным сочетанием неподрабатываемых и подрабатываемых территорий, пригодных для строительства (IV, III, IV, к, III, к), школьные комплексы, детские учреждения и общественные центры размещаются на участках с большими в пределах данных групп величинами деформаций земной поверхности в случае, если это допускают градостроительные условия (рис. 2.).

Примечание. При застройке микрорайонов должно приниматься во внимание, что затраты на конструктивные мероприятия по защите жилых зданий, расположенных на территории, равной по величине участкам общественных зданий, больше, чем по защите зданий школ, детских учреждений или общественного центра.

2.11. При планировке и застройке жилых районов и микрорайонов на подрабатываемых территориях должны учитываться ситуации сочетания горно-геологических и градостроительных условий.

Горно-геологические условия необходимо принимать в соответствии со степенью пригодности для застройки согласно пп. 2.4-2.6 настоящего Руководства.

Градостроительные условия необходимо подразделять в зависимости от местоположения жилых районов и микрорайонов в плане города на два типа. К типу А следует относить жилые районы и микрорайоны, расположенные в центральной зоне города, у центров планировочных районов, участки, прилегающие к объектам эпизодического обслуживания вне центральной зоны города.

К типу Б, как правило, относятся жилые районы, расположенные в периферийной зоне города.

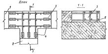
Рис. 2 Пример застройки микрорайона с учетом групп подрабатываемых территорий

1 - учреждения КБО; жилая застройка; 2 - 16-, 20-этажная; 3 - 16-, 9-этажная; 4 - 9-, 5-этажная застройка; 5 - школа; 6 - детское учреждение; 7 - спортивный комплекс; 8, 9 - группа подрабатываемых территорий; 10 - границы угленосных территорий различных групп

Таблица 2

Тип площадки по горно-геологическим условиям

Горно-гсологичсские условия площадок в соответствии с пп. 2.4-2.6

Рекомендуемая плотность жилого фонда (брутто) площадок с градостроительными условиями типа

А

Б

1

Неподрабатываемые территории

Ситуация

Повышать на 10- 15 %

Ситуация

Повышать на 10 %

2

Подрабатываемые территории, пригодные для строительства

Ситуация 2А

Повышать на 10 %

Ситуация

Принимать в соответствии с нормами главы СНиП по планировке и застройке городов, поселков и сельских населенных пунктов

3

Подрабатываемые территории, ограниченно пригодные для строительства

Ситуация

Обеспечивать в пределах нормативов при соответствующем градостроительном и технико-экономическом обосновании

Ситуация

Принимать в пределах нормативов в зависимости от этажности застройки, предельно допустимой по горногеологическим условиям

4

Различные сочетания горногеологических условий площадок типа 1, 2, 3

Соответствует усредненной плотности жилого фонда (нетто), принятой по зонам в соответствии с горногеологическими (типа 1, 2, 3)  и градостроительными (типа А, Б) условиями

2.12. Плотность жилого фонда (брутто) принимается в соответствии с ситуацией сочетания горно-геологических и градостроительных условий (табл. 2)

Примечание. Плотность жилого фонда (брутто) на неподрабатываемых и подрабатываемых территориях, пригодных для строительства (ситуации , Б, ), необходимо повышать, учитывая ограниченность таких площадок в городах угольных бассейнов, а также значительное увеличение стоимости конструктивных мероприятии по защите зданий и сооружений при их расположении на территориях с большими величинами деформаций земной поверхности.

2.13. При проектировании жилых районов и микрорайонов в ситуации 3, Б необходимо максимально учитывать планировочные методы защиты зданий и сооружений от влияния горных выработок такие, как функциональное зонирование территории с учетом величины деформаций земной поверхности, выбор застройки в соответствии с предельно допустимой по условиям горных выработок этажностью, постановку зданий относительно направления угольных пластов.

2.14. Приемы застройки в условиях горных выработок должны формироваться на базе блок-секций и блокировок (рис. 3), обеспечивающих необходимый уровень плотности жилого фонда (табл. 3) в соответствии с ситуацией сочетания горно-геологических и градостроительных условий (см. табл. 2, рис. 4).

2.15. На неподрабатываемых и подрабатываемых территориях, пригодных для строительства, в зависимости от применяемой номенклатуры блок-секций жилую застройку формируют с учетом одного или нескольких из указанных способов повышения плотности жилого фонда (см. табл. 3):

применение рациональных типов блок-секций и их блокировок (гр. 5, табл. 3);

обеспечение необходимого процента использования одной из блокировок среди рациональных типов в приеме застройки, максимально повышающей плотность жилого фонда (гр. 6, табл. 3):

применение точечных односекционных зданий (гр. 7. табл. 3);

применение рациональных типов блок-секций и их блокировок для повышения этажности в разноэтажных зданиях (гр. 8. табл. 3).

Примечания: 1. При формировании приемов застройки рациональными типами блок-секций и их блокировками возможно частичное их использование при условии сохранения одного из типов блокировок, максимально повышающих плотность жилого фонда.

2. Для типов точечных односекционных зданий, указанных в скобках, целесообразна блокировка точечных или точечного и протяженных зданий со сдвижкой на ширину корпуса (полкорпуса) здания.

2.16. При формировании жилых зданий из секций и блок-секций необходимо учитывать, что на подрабатываемых территориях IV, III, IV, к групп возможны любые блокировки блок-секций.

На подрабатываемых территориях II, I, III, к, II, к, I, к групп блокировки блок-секций необходимо выполнять только под прямым углом. При этом ориентация продольных осей здания должна приниматься по направлению простирания или перпендикулярно направлению простирания пластов полезных ископаемых.

Для групп III, к, II, к, I, к предпочтительным направлением продольной оси здания необходимо принимать направление перпендикулярно направлению простирания пластов полезных ископаемых.

2.17. Для обеспечения необходимой инсоляции на подрабатываемых территориях (группы II, I, III, к, II, к, I, к) жилые дома должны иметь неограниченную ориентацию.

Рис. 3. Типы применяемых в практике блокировок блок-секций и точечных зданий


Таблица 3

Ситуация

№ п/п

Применяемая номенклатура блок-секций

Воспроизводимые типы блокировок блок-секций

Рациональные типы секций и их блокировки

Типы блокировок, максимально повышающие плотность жилого фонда и оптимальный процент их использования

Точечные односекционные здания

Рациональные типы блок-секций и их блокировки для повышения этажности в разноэтажных зданиях

1

2

3

4

5

6

7

8

1

Р, Т, П2

Р, Т, П2-1, П2-2,

Р, П2-2, П2-3,

П2-3-40 %;

П2

П2-3, П2-7

 

П2-3,П2-4,П2-5,

П2-4, П2-7, П2-8

П2-7 - 20 %;

(Р, Т)

П2-8

 

П2=6, П2-7, П2-8

 

П2-8 - 20 %

 

 

2

Р, Т,

Р, Т, У-1, У-2,

Р,

У-3-60 %;

У, П3

У-2, У-3,

У-1-3, П3

У-3, П3-1, Пз-2,

У-1, У-2 У-3

П3-2-30 %

(Р. Т)

П3-2, П3-3

 

П3-3

П3-2, П3-3

 

 

 

3

Р, Т,

Р, Т, У-1, У-2,

Р,

У-3, У-4 - 40 %

У

У-3, У-4

У-1-4

У-3, У-4

У-1, У-3, У-4

 

(Р, Т)

 

4

Р, Т,

Р, Т

Р,

У-3, П3-3-40 %;

У, П3

Р,

У-1-3,

У-1, У-2, У-3,

У-1, У-2, У-3

Пз-2-30 %

(Р, Т, П1)

У-2, У-3,

П1, П3

П1-1, П2-2,П3-1,

П1-1, П3-2, П3-3

 

 

П3-2, П3-3

 

П3-2, Пз-3

 

 

 

 

1Б; 2А

5

Р, Т,

Р, Т

Р,

У-3- 60 %

Р, Т, У

Р,

У-1-3, П1

У-1, У-2, У-3,

У-1, У-2, У-3

 

П1

У-2, У-3

 

П1-1, П2-2

П1-1

 

 

 

6

Р, Т, П1

Р, Т,

Р, Т

Р - 70 %

Р, Т,

Р

 

П1-1, П2-2

П1-1

 

П1

 

7

Р, Т,

Р, Т

Р,

У-2 -30 %

У

У-2

У-1-2

У-1, У-2

У-1, У-2

 

(Р, Т)

 


Рис. 4. Рациональные типы блок-секций и их блокировки для формирования застройки с учетом горно-геологических и градостроительных условий

а - ситуация ; б - ситуация , ; в - ситуация

При выборе типов блок-секций и вариантов их блокировок для застройки подрабатываемых территорий указанных групп проверяют возможность их применения построением графиков градостроительной маневренности жилых домов исходя из условий инсоляции и ориентации по направлению простирания и перпендикулярно направлению простирания пластов полезных ископаемых (рис. 5).

Примечания: 1. Метод построения графиков градостроительной маневренности жилых домов на подрабатываемых территориях II, I, III, к , II, к, I, к групп показан на примере различных типов блокировок блок-секций с соответствующей недопустимой ориентацией по условиям инсоляции для наиболее характерных в городах Донбасса направлений угольных пластов: северо-запад-юго-восток, северо-восток-юго-запад (рис. 6, 7).

2. Одновременное удовлетворение требований инсоляции и ориентации зданий по направлению угольных пластов возможно в этих условиях только при ориентации фасадов жилых секционных и блок-секционных домов в пределах секторов 125-145° и 215-235° на подрабатываемых территориях II - I групп, а на территориях III, к, II, к, I, к групп только в одном из секторов перпендикулярно направлению простирания полезных ископаемых.

3. Применение домов галерейного типа, блокировка двух рядом стоящих угловых блок-секций У-3, У'-3 как в многосекционных домах, так и в отдельно стоящих (точечных) зданиях на подрабатываемых территориях II, I, III, к, II, к, I, к групп при указанных осях угольных пластов недопустимо в связи с тем, что постановка блок-секций по направлению простирания угольных пластов нарушает требования инсоляции зданий.

Рис. 5. График градостроительной маневренности блок-секции в зависимости от условий инсоляции и ориентции по направлению угольных пластов

Рис. 6. Варианты блокировок поворотной блок-секции и их ориентация на подрабатываемых территориях II, I, III, к, II, к, I, к групп при наиболее характерном направлении простирания и падения угольных пластов (С3-ЮВ. СВ-Ю3)

Рис. 7. Типы блокировок блок-секций и их ориентация на подрабатываемых территориях II, I, III, к, II, к, I, к групп при наиболее характерном навправлении простирания и падения угольных пластов С3-ЮВ, СВ-Ю3.

3. ОСОБЕННОСТИ ИНЖЕНЕРНО-ГЕОЛОГИЧЕСКИХ ИЗЫСКАНИЙ ПОДРАБАТЫВАЕМЫХ ТЕРРИТОРИЙ

3.1. При проведении инженерно-геологических изысканий на подрабатываемых территориях необходимо учитывать требования главы СНиП II-9-78.

3.2. Объем и состав инженерно-геологических изысканий для каждого подрабатываемого объекта или группы объектов определяется программой, которая разрабатывается с участием проектной организации и составляется с учетом особенностей геологического строения и условий разработки полезных ископаемых, а также типов проектируемых зданий и сооружений, их фундаментов, конструкций и способов защиты.

3.3. Полевым инженерно-геологическим изысканиям площадки строительства должны предшествовать сбор и тщательное изучение материалов об инженерно- и горно-геологических условиях района строительства на основании архивных данных и материалов натурного обследования.

3.4. (1.7). Собранные в соответствии с указаниями п. 3.3 настоящего Руководства и 1.7 СНиП II-8-78 материалы должны быть отражены на копиях геологических карт и разрезов участка строительства. На планах территории застройки должны быть нанесены контуры залежей полезных ископаемых и их выходов под наносы, границы горных отводов, тектонические нарушения, расположение старых и действующих горных выработок, устьев существующих стволов, шурфов, штолен, скважин и т.п.

3.5. (1.10.) При определении положения площадки строительства необходимо учитывать рекомендации пп. 3.5-3.8 и разд. 2 настоящего Руководства.

Площадки строительства по возможности необходимо располагать вне зон возможных провалов от подземных горных выработок, карстовых воронок и оползневых участков; при этом указанные явления надо увязывать с прогнозируемыми деформациями земной поверхности.

3.6. Неблагоприятными с точки зрения появления дополнительных усилий в конструкциях подрабатываемых зданий и сооружений являются площадки строительства со скальными, крупно-обломочными, плотными глинистыми грунтами с высокими или повышенными жесткостными свойствами. При выборе площадок с точки зрения инженерно-геологических условий предпочтение следует отдавать участкам с более слабыми грунтами в основании зданий и сооружений, если они обладают достаточной несущей способностью.

3.7. При оценке гидрогеологических условий площадок строительства на подрабатываемых территориях следует иметь в виду, что участки с высоким уровнем грунтовых вод, наличием рек, водоемов являются неблагоприятными для застройки, так как при оседании земной поверхности, существующий относительно нее уровень вод может повыситься, что может привести к затоплению зданий и подземных сооружений, траншей и санитарно-технических коммуникаций. Повышение уровня вод относительно земной поверхности может привести также к заболачиванию подработанного участка или активизации оползневых явлений. Следует также иметь в виду, что вызванное горными выработками или деформациями горных пород с появлением трещин понижение уровня грунтовых вод может привести к дополнительному уплотнению грунтов оснований и дополнительной осадке зданий и сооружений.

3.8. При оценке гидрологических условий площадок строительства необходимо также учитывать возможное изменение режима и направления стока поверхностных и ливневых вод при деформациях земной поверхности, так как эти данные необходимы для проектирования дорог, каналов, гидротехнических и водопропускных сооружений. Проектирование и строительство на таких территориях необходимо вести с учетом водозащитных мероприятий.

3.9. На окончательной стадии проектирования и выбора площадок застройки необходимо производить технико-экономические расчеты и сравнения вариантов расположения зданий и сооружений на площадках с разными инженерно- и гидрогеологическими условиями с целью выбора наиболее экономичных и целесообразных решений.

3.10. На выбранных и согласованных площадках производятся тщательные общие и дополнительные инженерно-геологические изыскания и исследования физико-механических свойств грунтов в соответствии с программой, указанной в п. 3.2 и требованиями глав СНиП 2.02.01-83, II-9-78, II-8-78.

3.11. Физико-механические характеристики грунтов, для которых в соответствии с требованиями главы СНиП 2.02.01-83 необходим учет их реологических свойств, следует определять в соответствии с прил. 2 СНиП II-8-78 и рекомендациями прил. 2 настоящего Руководства. При этом сопротивление грунтов сжатию и сдвигу следует определять при их различной влажности, если по данным инженерно-геологического и гидрогеологического прогнозирования ожидается изменение уровня грунтовых вод и влажности грунтов.

4. ПРИНЦИПЫ ПРОЕКТИРОВАНИЯ ЗДАНИЙ И СООРУЖЕНИЙ, ВОЗВОДИМЫХ НА ПОДРАБАТЫВАЕМЫХ ТЕРРИТОРИЯХ

ОБЩИЕ ПРИНЦИПЫ ПРОЕКТИРОВАНИЯ

4.1. Проектирование зданий для строительства на подрабатываемых территориях должно осуществляться с соблюдением требований как общестроительных, так и специальных, обусловленных особенностями строительства в этих условиях и приведенных в главе СНиП II-8-78, Инструкции РСН 227-81, Руководстве по проектированию конструкций панельных жилых зданий для особых грунтовых условий, а также в настоящем разделе Руководства.

4.2. К проекту здания и сооружения, возводимого на подрабатываемых территориях, прилагается паспорт по приведенной ниже форме (табл. 4)

4.3. Для обеспечения прочности, устойчивости и эксплуатационной надежности зданий, проектируемых для строительства на подрабатываемых территориях, в проектах должны предусматриваться мероприятия (специальная инженерная подготовка площадки, конструктивные и горные меры защиты, мероприятия по выравниванию здания или его частей), обеспечивающие нормальную эксплуатацию зданий и сооружений в период деформаций основания, а также после их завершения.

Таблица 4

Форма

ПАСПОРТ

1._____________________________________________________________________________

(наименование проектной организации и ее принадлежность)

2. Заказчик и шифр объекта_______________________________________________________

______________________________________________________________________________

3. Наименование объекта_________________________________________________________

______________________________________________________________________________

3. Наименование объекта

______________________________________________________________________________

______________________________________________________________________________

4. Год строительства ____________________________________________________________

______________________________________________________________________________

5. Конструктивная схема здания или сооружения, этажность, площадь, длина, количество и длина отсеков, шаг деформационных швов_________________________________________

______________________________________________________________________________

______________________________________________________________________________

6. Величина нагрузок на фундамент зданий и сооружений с учетом постоянных и временных нагрузок______________________________________________________________________

______________________________________________________________________________

7. Предельные значения М и Q для здания, сооружения _______________________________

______________________________________________________________________________

8. Горно-геологические условия___________________________________________________

______________________________________________________________________________

(угол падения пластов, тектоника, наличие старых горных выработок, глубина, намечаемые сроки подработки, величина деформации земной поверхности на ближайшие20 лет и на весь срок службы шахты

9. Физико-механические характеристики грунтов основания__________________________

______________________________________________________________________________

______________________________________________________________________________

10. Строительные меры защиты___________________________________________________

______________________________________________________________________________

(комплекс конструктивных мероприятий)

11.____________________________________________________________________________

______________________________________________________________________________

(проведение инструментальных наблюдений за деформациями в период подработки зданий в районах с тектоническими нарушениями, старыми горными выработками, при подработке крутопадающих пластов)

12.____________________________________________________________________________

______________________________________________________________________________

(данные о предусмотренных мерах защиты, осуществляемых в период эксплуатации, указания о способах выравнивания зданий и сооружений, возможности и пределы регулирования шахт лифтов, перестановка направляющих, уменьшение габаритов и т.п.)

Примечание. Пункты 11, 12 заполняются после окончания строительства службами наблюдения и выравнивания зданий.

Главный архитектор (инженер) проекта__________________________________________

 

4.4. Выполнение строительных и горных мер защиты в объеме, предусмотренном нормативными требованиями, не исключает возможности появления в несущих и ограждающих конструкциях допускаемых по условиям эксплуатации деформаций и трещин, устраняемых при проведении ремонта после подработки.

4.5. На территориях, под которыми предусматриваются подземные горные разработки, могут возводиться жилые, общественные и промышленные здания каркасной, бескаркасной и смешанной конструктивной системы.

Бескаркасные здания проектируются в кирпичном, крупноблочном, крупнопанельном, а также комбинированном панельно-блочном вариантах.

В случае необходимости устройства в зданиях помещений общественного назначения бескаркасную конструктивную систему в первых этажах допускается заменить на каркасную (смешанная конструктивная система). При этом следует производить контрольный расчет, а при необходимости корректировку всего проекта.

Выбор технических решений в проектах зданий должен осуществляться на основе технико-экономического анализа различных вариантов в зависимости от величины и характера ожидаемых деформаций земной поверхности, физико-механических характеристик грунтов основания, конструктивных особенностей проектируемых зданий.

4.6. При разработке типовых проектов зданий для подрабатываемых территорий необходимо стремиться к максимальной унификации проектов с целью их применения для строительства в различных грунтовых и горно-геологических условиях.

Унификацию следует осуществлять преимущественно за счет вариантного проектирования фундаментно-подвальной части.

Унифицированные типовые проекты зданий должны предусматривать общие объемно-планировочные и конструктивные решения надземной части. Конструктивные решения подземной части зданий должны разрабатываться в нескольких вариантах, применительно к различным условиям строительства с максимально возможным использованием принятой номенклатуры освоенных производством сборных элементов.

4.7. Конструкции зданий для особых горно-геологических условий должны проектироваться с учетом максимального использования формовочного и технологического оборудования, применяемого на заводах для производства изделий для обычных грунтовых условий.

4.8. При строительстве на территориях с выработанными угольными пластами и законченным процессом сдвижения земной поверхности разрешается возводить здания по проектам, разработанным для обычных грунтовых условий.

ОСНОВНЫЕ РАСЧЕТНЫЕ ТРЕБОВАНИЯ

4.9. При расчете зданий на воздействия от подработки в качестве исходных данных принимаются деформации земной поверхности в районе расположения объекта.

Расчет деформаций земной поверхности (оседание, кривизна, горизонтальные деформции, наклон, уступ и т.п.) производится горными инженерами-маркшейдерами по методике, изложенной в ч. 1 и разд. 8 ч. II настоящего Руководства.

4.10. (5.3-5.5). Возможное сочетание воздействий назначается с учетом требований глав СНиП II-6-74 и II-8-78.

При расчете конструкций и оснований на особые сочетания, состоящие из постоянных длительных, возможных кратковременных и особой нагрузки от воздействия деформаций земной поверхности в районах влияния горных выработок расчетные величины кратковременных нагрузок или соответствующих им усилий должны умножаться на коэффициент сочетания nс=0,8. При этом особая нагрузка должна приниматься без снижения.

4.11. (5.1). Расчетом по предельному состоянию первой группы необходимо проверять в период строительства и расчетного срока эксплуатации здания:

конструкции здания и их стыковые соединения для предотвращения разрушений;

здание в целом для предотвращения недопустимого крена и основание здания для предотвращения потери его несущей способности и ограничения развития недопустимых пластических деформаций.

Расчетом по предельным состояниям второй группы должны быть проверены:

панели перекрытий и связи между ними на усилия, возникающие в плоскости перекрытий, для предотвращения недопустимых перемещений;

стены здания для ограничения раскрытия трещин и взаимных смещений панелей.

4.12. (5.7). Выбор расчетной схемы здания должен производиться с учетом особенностей конструктивно-планировочного решения здания, характера и величин расчетных деформаций основания, степени точности исходных данных, требуемой точности расчета, возможностей использования ЭВМ.

Расчетные схемы зданий и сооружений могут приниматься в виде стержневых систем с дискретными связями (балочные, перекрестные, рамные, решетчатые) - упрощенная расчетная схема; то же, с непрерывными связями (вертикальный и горизонтальный составной стержень); плитных и пластинчато-стержневых систем; составных вертикальных и горизонтальных призматических оболочек; комбинированных систем - уточненная расчетная схема.

Характеристики видов и области применения расчетных схем приведены в «Руководстве по проектированию конструкций панельных жилых зданий для особых грунтовых условий» (М.: Стройиздат, 1982).

4.13. (5.12). Расчет зданий и сооружений по упрощенной расчетной схеме в виде балочных конструкций для бескаркасных или рамных - для каркасных зданий выполняется в общем случае с переменными по длине и во времени жесткостными характеристиками конструкции и основания (коэффициент жесткости); при необходимости следует учитывать физическую, конструктивную и геометрическую нелинейность, ползучесть материалов конструкции и основания. Расчет балочных и рамных конструкций рекомендуется выполнять численными методами с использованием соответствующих инструктивных материалов.

ОСНОВНЫЕ КОНСТРУКТИВНЫЕ ТРЕБОВАНИЯ

4.29. (5.17). Здания и сооружения для строительства на подрабатываемых территориях могут проектироваться по жесткой, податливой или комбинированной конструктивным схемам.

Жесткая конструктивная схема здания осуществляется путем объединения несущих элементов в единую пространственно-жесткую систему. При этом несущие элементы здания, их соединения и сопряжения должны быть рассчитаны на дополнительные усилия, вызванные неравномерными осадками основания в обычных условиях, а также неравномерными оседаниями и горизонтальными деформациями земной поверхности при горных подработках.

4.30. (5.15). Основной конструктивной мерой защиты зданий от неравномерных осадок и горизонтальных смещений основания является разрезка его на замкнутые прямоугольные отсеки поперечными деформационными швами. Деформационные швы должны располагаться на границах планировочных секций.

Дополнительной конструктивной мерой в случае необходимости является усиление конструкций замкнутых отсеков в соответствии с расчетом.

4.31. (5.17). При проектировании по жесткой конструктивной схеме кроме разрезки на отсеки рекомендуется применение следующих мер защиты:

усиление отдельных элементов несущих конструкций и связей между ними;

объединение несущих конструкций в жесткие пространственные системы;

устройство фундаментных и поэтажных железобетонных поясов - для бескаркасных и связей-распорок - для каркасных зданий;

устройство фундаментов в виде сплошных железобетонных плит, перекрестных балок, балок-стенок, фундаментных связей-распорок и т.п.

4.32.(5.17). При проектировании по податливым конструктивным схемам рекомендуется кроме разрезки на отсеки применение следующих защитных мероприятий:

устройство в фундаментной части зданий горизонтального шва скольжения;

введение шарнирных и податливых сопряжений между элементами несущих и ограждающих конструкций;

снижение жесткости несущих конструкций;

введение гибких вставок и компенсационных устройств.

4.33. При проектировании по комбинированной конструктивной схеме могут применяться сочетания мер защиты, рекомендуемых для жесткой и податливой схем.

При этом различные мероприятия могут применяться для подземной и надземной частей зданий, для их продольных и поперечных конструкций, при защите от горизонтальных и вертикальных деформаций основания,

4.34. Мероприятия, снижающие неблагоприятное воздействие деформаций земной поверхности на фундаменты и конструкции зданий, должны предусматриваться в проектах зданий и сооружений в соответствии с требованиями СНиП 2.02.01-83.

4.35. Для каждой длины отсека в типовом или повторно применяемом проекте необходимо установить на основании расчетов область возможного применения в зависимости от расчетных характеристик грунтов, величин прогнозируемых деформаций (вертикальных и горизонтальных) основания, особенностей принятого архитектурно-планировочного решения и этажности здания.

Длину рядовых и торцевых секций в типовых проектах рекомендуется принимать по возможности одинаковой. В случае если отсеки одного типа здания будут иметь различную протяженность, область применения такого проекта должна определяться по отсеку, имеющему наибольшую длину.

Назначаемая длина отсеков должна соответствовать требованиям унификации конструкций. Типовой проект здания должен содержать сведения о допустимой области его применения при различных вариантах блокировки.

4.36. Высоту зданий в пределах отсека рекомендуется принимать одинаковой. В местах изменения этажности здания необходимо устройство деформационных швов с разрезкой фундаментов.

При компоновке отсека несущие стены необходимо располагать, как правило, симметрично относительно продольной и поперечной осей зданий и обеспечивать по возможности относительно равномерное распределение жесткостей по длине и ширине отсека, простенки и проемы - принимать одинаковых размеров, распределяя их равномерно по длине и высоте отсека. Поперечные стены рекомендуется проектировать сквозными на всю ширину здания. В случае если по планировочным требованиям нарушается сквозное расположение поперечных стен, необходимо предусматривать устройство их связей с внутренней продольной стеной, которые должны обеспечить совместную работу продольных и смещенных поперечных стен как единой перекрестной системы.

4.37. Подвалы и подполья располагают, как правило, под всей площадью отсека на одном уровне. Отступление от этого требования в каждом отдельном случае должно быть обосновано расчетом, подтверждающим экономическую и техническую целесообразность принятого решения.

4.38 (5.24). При проектировании зданий для строительства на подрабатываемых территориях особое внимание должно уделяться мерам защиты подземных конструкций от действия горизонтальных подвижек грунтового основания.

Кроме разрезки здания на замкнутые отсеки в качестве конструктивной меры защиты, снижающей дополнительные усилия от воздействия горизонтальных деформаций основания, рекомендуется предусматривать устройство горизонтального шва скольжения, разделяющего надземную и фундаментную части здания.

При этом по контуру всех несущих стен здания над швом скольжения, а при необходимости по верху стен подвала предусматривается непрерывный пояс.

4.39 (5.24). Глубина заложения фундаментов назначается минимально возможной в соответствии с требованиями главы СНиП 2.02.01-83. При этом необходимо стремиться к уменьшению контакта боковых поверхностей фундаментов с грунтом.

Таблица 5

Плотность засыпки

Материал засыпки

Значение удельного сцепления и коэффициент засыпок

сб, МПа

kб×10 Н/м3

Рыхлая

Песок суглинок

0,01-0,02

0,2-0,4

Суглинок

0,02-0,03

0,15-0,2

Плотная

Песок

0,03-0,05

0,6-0,7

Супесь

0,06-0,08

0,4-0,5

Суглинок

0,09-1,1

0,3-0,4

Наружные вертикальные плоскости подземной части здания необходимо защищать от действия горизонтальных деформаций при сдвижении грунта в направлении, перпендикулярном к вертикальным плоскостям подземной части здания. Если подработка здания или сооружения предполагается в период менее 10 лет после его строительства, для грунта засыпки пазух допускается принимать уменьшенные значения прочностных и деформационных характеристик, которые устанавливаются изыскательской организацией на основе обобщения имеющегося опыта исследования грунтов.

Пазухи котлована засыпают грунтом обладающим малым сцеплением и трением на контакте с поверхностью фундамента. Рекомендуемые материалы засыпок помещены в табл. 5.

Заложение фундаментов, как правило, принимается в пределах отсека на одной отметке. При необходимости заглубления части фундаментов на разных отметках под ними выполняется подбетонка или подбутка, которые отделяются от подошвы фундаментов швом скольжения.

При строительстве на основаниях, сложенных практически несжимаемыми грунтами, рекомендуется устройство под фундаментами грунтовых подушек.

4.40 (5.19). Фундаменты примыкающих частей отсеков должны иметь одинаковое заглубление на протяжении не менее 1,5 м от деформационного шва и обеспечивать самостоятельность перемещений поперечных стен, образующих эти швы.

В этом случае фундаментный пояс должен устраиваться в одной плоскости на самой высокой отметке заложения фундаментов.

Ниже пояса кладка фундаментов может выполняться из бетонных блоков.

4.41. При резком изменении рельефа строительной площадки входы и полы этажей соседних отсеков в пределах здания допускается принимать на разных отметках.

4.42. При устройстве местных заглублений необходимо обеспечить прочность и устойчивость конструкций в месте заглубления от влияния бокового давления грунта при горизонтальном его перемещении.

4.43. При выполнении стен подземной части здания из крупных блоков должна быть обеспечена перевязка кладки в каждом ряду, а также во всех углах и пересечениях.

Расстояние между вертикальными швами фундаментной кладки из крупных блоков в соседних горизонтальных рядах должно быть  не менее их высоты.

4.44. В случае, когда прогнозируемые деформации основания вызывают крен здания, превышающий допустимый по СНиП 2.02.01-83, необходимо предусматривать в проекте мероприятия по ликвидации крена при помощи выравнивающих устройств или инженерных мероприятий.

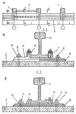
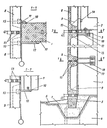
Рис. 8. Обособленная регулируемая шахта лифта

а - общий вид; б - вид верхней части; в - вид нижней части; 1 - ствол шахты; 2 - фундамент шахты; 3 - плита перекрытия верхнего этажа; 4 - шарнирное устройство; 5 - ннша для установки домкрата; 6 - фаркопф; 7 - закладные детали

4.45 (5.20). Шахты грузопассажирских лифтов должны проектироваться с учетом наклонов, вызываемых деформациями земной поверхности.

При проектировании оборудованных лифтами зданий на подрабатываемых территориях должны предусматриваться мероприятия, обеспечивающие безаварийную работу лифтов или возможность нетрудоемкой рихтовки положения шахты лифта.

4.46. Одним из способов рихтовки является устройство шахты лифта, обособленной от смежных конструкций здания с возможностью регулирования ее положения по вертикали, представленное на рис. 8, а.

Для обособления шахты в междуэтажных перекрытиях по ее периметру устраивается зазор, размер которого определяется из расчета прогнозируемых деформаций поверхности земли по величине ожидаемого крена здания.

Связь шахты с конструкциями здания осуществляется в верхней и нижней ее части, а при необходимости дополнительными связями с междуэтажными перекрытиями.

Нижняя часть шахты (рис. 8, в) опирается посредством шарнирного устройства на фундамент шахты, жестко связанный с фундаментом здания. В качестве шарнирного устройства можно использовать резино-металлические слоистые опоры, разработанные Киевским филиалом Союздорпроекта и применяемые для автодорожных мостов. Слоистые опоры устанавливаются по четырем углам шахты. При проектировании необходимо предусмотреть возможность замены слоистых опор, для чего в фундаменте шахты устроить ниши для установки домкратов.

Верхняя часть шахты (рис. 8, б) соединяется системой фаркоп-фов с перекрытием верхнего этажа здания. Для крепления фаркопфов в перекрытии верхнего этажа и в наружных стенках шахты необходимо предусмотреть закладные детали с петлей.

При необходимости соединения шахты с междуэтажными перекрытиями необходимо предусмотреть закладные детали для крепления фаркопфов в плитах перекрытия и наружных стенках шахты.

4.47. Для устройства обособленной шахты лифта применяют железобетонные конструкции (монолитные или сборные) из объемных элементов. Узлы соединения объемных блоков должны обеспечить монолитность ствола шахты. Проектирование шахт лифтов необходимо производить с учетом требований «Альбома заданий на проектирование строительной части лифтовых установок стандартных конструкций» ЦПКБ Союзлифтмаш, серия AT 6.00. - М., 1979, главы СНиП II-21-75.

Расчет конструкций шахты лифта, закладных деталей для соединения объемных блоков шахты и крепления фаркопфов, слоистых резинометаллических опор и сечения фаркопфов производится на нагрузки от массы шахты лифта, лифтового оборудования с учетом максимально возможного отклонения шахты от вертикали и динамических воздействий от работающего лифтового оборудования.

Зазор вокруг шахты на перекрытиях необходимо закрыть, что можно выполнить с помощью металлического листа, согнутого под прямым углом и закрепленного на стенке шахты.

4.48. При кренах зданий или отсеков, превышающих пределы возможного регулирования вертикальности направляющих или лифтовых шахт, производится выравнивание здания или отсека в целом.

4.49. Крыши зданий рекомендуется проектировать с устройством внутренних водостоков с отводом воды в ливнесточную сеть.

Применение организованного наружного водоотвода допускается только в III и IV строительно-климатических районах для зданий высотой до 5 этажей включительно.

ОСОБЕННОСТИ ПРОЕКТИРОВАНИЯ ЗДАНИЙ, ПРИСПОСОБЛЕННЫХ ДЛЯ ЗАЩИТЫ ИХ МЕТОДОМ ВЫРАВНИВАНИЯ ДОМКРАТАМИ

4.50. При проектировании зданий и сооружений для строительства на подрабатываемых территориях, где при выемке полезных ископаемых возможно возникновение суммарных деформаций земной поверхности, превышающих допускаемые для здания, например, ступенчатое оседание земной поверхности величиной 10-25 см, необходимо предусматривать возможность их выравнивания в процессе эксплуатации.

4.51. Для выравнивания зданий применяются гидродомкратные системы на основе плоских и поршневых домкратов.

4.52. Техническая возможность выравнивания зданий и сооружений обеспечивается введением при их проектировании специального комплекса конструктивных мероприятий.

4.53. Конструктивные решения зданий, проектируемых с учетом их возможного выравнивания, необходимо принимать в соответствии собщими требованиями СНиП II-8-78, РСН 227-81 и настоящего Руководства. При этом в подземной части зданий должны быть предусмотрены: подвал или техническое подполье; проемы для домкратов; распределительные железобетонные пояса.

4.54. Проемы для домкратов рекомендуется располагать в углах здания; в местах пересечения капитальных, стен; на прямолинейных участках стен под простенками.

4.55. Размеры проемов определяются размерами применяемых домкратов и должны обеспечивать возможность установки оборудования для выравнивания размером до 600´600 (h) мм. Для плоских домкратов, применение которых предпочтительнее, размеры проемов составляют: высота 250-300 мм, длина 600 мм. Ширина проемов определяется шириной распределительного пояса, но не должна быть меньше 350 мм.

4.56. Цокольный и фундаментный пояса должны образовывать в плане замкнутый контур без разрезки и устанавливаться преимущественно в одном уровне каждый. В необходимых случаях, например у входных проемов, допускается устройство излома цокольного пояса с утолщенными вертикальными участками, размеры и армирование которых определяют расчетом в зависимости от высоты излома.

4.57. При выполнении стен подвалов из крупных бетонных блоков проемы для домкратов рекомендуется располагать непосредственно под цокольным поясом. Проемы образуются путем соответствующей раскладки блоков с раздвижкой в местах установки домкратов.

4.58. При выполнении стен подвала из цокольных панелей проемы располагают в цокольных панелях, устанавливаемых непосредственно на фундаментный пояс либо в промежутке между фундаментным распределительным поясом и нижней гранью цокольной панели, заполненном монолитным бетоном или сборными блоками. В первом случае необходимо предусматривать цокольные панели с проемами, устанавливаемые в местах расположения домкратов, во втором - проемы образуются раздвижкой блоков или укладкой монолитного бетона с промежутками в требуемых местах.

4.59. Домкратные проемы в стенах по периметру здания закладывают заподлицо с наружной гранью стены кирпичной кладкой в  кирпича на слабом растворе.

4.60. Цокольный и фундаментный пояса должны проверяться расчетом на нагрузки от домкратов.

4.61. Расчетная нагрузка Р от домкратов может быть определена из следующей зависимости:

P = Q/n,                                                                                                                       (1)

где Q - расчетная суммарная нагрузка от массы конструкций здания (отсека), включая нагрузки на перекрытия, кН;

n - общее количество проемов для домкратов в здании (отсека) за вычетом проемов, под которыми возможно нарушение контакта грунта с подошвой фундамента при неравномерных оседаниях основания.

4.62. Швы скольжения, устраиваемые для снижения усилий, передаваемых на конструкции здания от горизонтальных деформаций основания, рекомендуется устраивать под фундаментным распределительным поясом.

4.63. Для облегчения отрыва здания от фундамента следует предусматривать прокладки из двух слоев рубероида (пергамина) по плоскости отрыва.

4.64. В цоколе здания у домкратных проемов должны быть заложены геодезические марки.

4.65. При проектировании инженерных коммуникаций, проходящих через фундаментно-подвальную часть здания, следует предусматривать меры, исключающие повреждение коммуникаций и максимальное сокращение времени перерыва в их функционировании при выравнивании здания (устройство компенсаторов или разъемных соединений на трубопроводах, компенсирующие петли на электрическом и телефонном кабелях и т.п.).

4.66. Техническая документация должна содержать паспорт, составленный по установленной форме (см. 4.2). По одному экземпляру паспортов передается заказчику и организации, эксплуатирующей здания.

4.67. При сдаче здания в эксплуатацию проводится нивелирование марок, результаты которого передаются организации, эксплуатирующей здание для занесения в паспорт.

5. КАРКАСНЫЕ ЗДАНИЯ. ОДНОЭТАЖНЫЕ ПРОМЫШЛЕННЫЕ ЗДАНИЯ

ОБЩИЕ ПОЛОЖЕНИЯ

5.1. Каркасы одноэтажных производственных зданий проектируются в сборном железобетоне и в металле. Металлическим каркасам следует отдавать предпочтение в тех случаях, когда согласно расчету ожидаются деформации земной поверхности I и 1, к групп подрабатываемых территорий.

Каркасные здания целесообразно проектировать в виде шарнир-но-связевых систем, как наименее чувствительных к неравномерным деформациям основания.

Применение в проектах рамно-связевых и рамных систем допускается при соответствующем технико-экономическом обосновании.

5.2. Сборные железобетонные конструкции назначаются в соответствии с действующими типовыми сериями индустриальных изделий для промышленного строительства. В некоторых случаях они могут быть усилены дополнительной арматурой или отличаться закладными деталями.

5.3. В тех случаях, когда несущая способность колонн недостаточна для восприятия усилий, вызванных деформациями земной поверхности, а усиление колонн или уменьшение длины отсеков нецелесообразно, рекомендуется между фундаментами предусматривать связи-распорки.

5.4. Фундаменты каркасных зданий необходимо проектировать монолитными или сборно-монолитными. Основными типами должны быть приняты отдельно стоящие фундаменты. Ленточные фундаменты целесообразно применять при слабых, неоднородных грунтах. Применение фундаментов в виде балок и балок-стенок рекомендуется при проектировании на территориях I и I, к групп.

5.5. В случае применения свайных фундаментов ростверк и сваи должны быть рассчитаны на дополнительные усилия, вызванные смещением грунта от влияния горных выработок. В случае применения связей-распорок для защиты каркаса здания рекомендуется устройство шва скольжения между ростверком и подошвой фундамента.

5.6. При наличии скальных грунтов в основании следует предусматривать под фундаментами устройство уплотненных грунтовых (песчаных) подушек высотой 0,3-0,5 м. Вокруг фундаментных конструкций могут предусматриваться компенсационные пазухи, заполненные сильно сжимаемым материалом, например древесными опилками, смешанными с суглинком или глиной и пр.

5.7. В зданиях в качестве подъемно-транспортных средств допускается использовать мостовые, подвесные и козловые краны. Рекомендуется применять подвесное и напольное подъемно-транспортное оборудование.

В зданиях с мостовыми кранами применяются разрезные железобетонные и металлические подкрановые балки. Более целесообразны - металлические.

Узлы опирания подкрановых конструкций рекомендуется проектировать с таким расчетом, чтобы не возникало препятствий при выполнении рихтовки их как в вертикальной, так и в горизонтальной плоскостях. При этом должны соблюдаться установленные габариты приближения кранового оборудования к элементам здания.

5.8. Для каркасных зданий, возводимых на подрабатываемых территориях, в качестве мер защиты допускается предусматривать выравнивание каркаса с помощью домкратов или других выравнивающих устройств, например, с применением термопластичных элементов.

Проектирование зданий с применением средств выравнивания необходимо выполнять по рекомендациям специализированных научно-исследовательских институтов.

ПРИНЦИПЫ ПРОЕКТИРОВАНИЯ

5.9. Одноэтажные каркасные производственные здания следует проектировать, как правило, по податливым конструктивным схемам. В качестве строительных мер защиты от влияния горных выработок необходимо предусматривать: разделение зданий на отсеки с устройством между ними деформационных швов; устройство связей-распорок и швов скольжения в фундаментных конструкциях, шарнирных и шарнирно-подвижных сопряжений и стыков несущих и ограждающих конструкций; снижение жесткости колонн и т.п.

5.10. Рекомендуются следующие конструктивные схемы одноэтажных производственных зданий:

обычные - с поперечными рамами, имеющими шарнирно-не-подвижное соединение колонн с ригелями и защемление в уровне верха фундаментов (рис. 9, а);

комбинированные - поперечных рам с качающимися крайними стойками (рис. 9, б) или шарнирно-подвижным опиранием ригелей на средние колонны (рис. 9, в)

поперечных рам с фундаментными связями-распорками в одном и двух уровнях (рис. 9, г, д);

поперечников с трехшарнирными рамами (рис. 9, е, ж);

продольных рам с постановкой (при необходимости) фундаментных связей-распорок и устройством в средней части крестовых или портальных связевых панелей, жестких или податливых в вертикальной плоскости (рис. 10).

5.11. Схемы поперечников, имеющие шарнирно-неподвижное соединение колонн с ригелями и защемление в фундаментах, рекомендуется применять для зданий, проектируемых на подрабатываемых территориях III, IV и IV, к групп. Комбинированные схемы поперечников рекомендуются для зданий, проектируемых на территориях I, II и III, к групп. Схемы поперечников с фундаментными связями-распорками в одном или двух уровнях, а также с применением трехшарнирных рам рекомендуются для зданий, проектируемых на территориях I, I, к, II, к групп и при технико-экономическом обосновании на внекатегорийных территориях.

5.12. Продольные рамы без фундаментных связей-распорок (за исключением шага, где устраивается блок жесткости) рекомендуются для зданий, проектируемых на территориях IV и IV, к групп. Продольные рамы с фундаментными связями-распорками в одном уровне рекомендуются при проектировании на территориях II, III групп, в двух уровнях и с устройством податливых связевых панелей в вертикальной плоскости - на территориях I, I, к - III, к групп.

Примечание. Не исключается возможность применения обычных схем одноэтажных каркасных зданий для более тяжелых горно-геологических условий, а комбинированных и других специальных схем - для менее тяжелых условий при соответствующем технико-экономическом обосновании.

5.13. Применение каркасов с подстропильными фермами на территориях I, II, I, к -III, к групп не рекомендуется.

5.14. Устойчивость одноэтажных каркасных зданий (отсеков) в поперечном направлении следует обеспечивать путем защемления колонн в фундаментах или введения трехшарнирных рам (см. рис. 9). В продольном направлении по каждому ряду колонн в его средней части необходимо устраивать блок жесткости путем установки вертикальных связей между колоннами и пролетными конструкциями. Фундаменты колонн в пределах блока жесткости соединяются связями-распорками.

Рис. 9. Схемы поперечных рам

a - с шарнирно-неподвижным опиранием ригелей на стойки; б, в - комбинированные, с качающимися крайними стойками и с шарнирно-подвижным опиранием ригелей на стойки в средних пролетах; г, д - с фундаментными связями-распорками в одном или двух уровнях; е, ж - из Г-образных элементов с шарнирным опиранием

Вертикальные связи, обеспечивающие пространственную устойчивость здания или отдельных его отсеков, следует группировать в пространственные блоки в средней части здания и рассчитывать на восприятие усилий от горизонтальных нагрузок и деформаций земной поверхности. При этом перекрытия должны иметь достаточную жесткость в горизонтальной плоскости для обеспечения совместной работы каркаса и пространственных блоков.

Рис. 10. Схемы продольных рам

а, б - бескрановых и кранозых здание с крестовыми связевыми панелями в блоке жесткости; в, г - то же, с фундаментными связями-распорками в одном уровне; д - с фундаментными связями-распорками в двух уровнях при прохождении уступов вне предела блоков жесткости; е, ж - с податливыми связевыми панелями, при прохождении уступа в пределах блока жесткости

5.16. В зданиях, оборудованных мостовыми кранами, подкрановые балки рассматриваются как распорки вертикальных связей. Крепление их должно быть рассчитано на передачу соответствующих усилий. Если имеются подстропильные фермы, то они выполняют функции распорок по колоннам, и связи-распорки, по верху колонн не предусматриваются.

5.16. Проектирование одноэтажных производственных зданий рекомендуется выполнять из условия соблюдения предельных размеров, которые для подрабатываемых территорий II - IV, III, к и IV, к групп необходимо принимать не более 72 м, а для подрабатываемых территорий I, I, к, II, к групп не более 48 м. Окончательные размеры зданий (отсеков) определяются с учетом комплексов дополнительных конструктивных мероприятий и расчетов конструкций.

5.17. Деформационные швы в одноэтажных каркасных зданиях выполняются путем установки дополнительных поперечных, продольных парных рам. Продольные деформационные швы рекомендуется образовывать увеличением общих габаритов зданий с сохранением типовых пролетов, поперечные деформационные швы - уменьшением шага между колоннами, примыкающими к швам. Размеры между плоскостями парных рам рекомендуется принимать минимальными. При этом отдельно стоящие фундаменты парных рам допускается проектировать уменьшенных габаритов, вытянутой формы в направлении деформационных швов и обрезанными со стороны деформационных зазоров. В обоснованных случаях смежные фундаменты парных рам допускается располагать вразбежку.

5.18. Деформационные зазоры между конструкциями фундаментов, стенового ограждения и покрытия рекомендуется устанавливать с учетом необходимой компенсационной линейной податливости деформационных швов в соответствии с формулами СНиП II-8-78, При этом максимальные значения линейной податливости следует ограничивать конструктивными возможностями элементов, перекрывающих зазоры.

5.19. В случаях, не противоречащих технологическим процессам, размещению и работе подъемно-транспортного оборудования, деформационные швы в одноэтажных каркасных зданиях допускается устраивать в типовом шаге или пролете колонн с помощью каткового или скользящего опирания несущих конструкций (рис. 11).

Опорные части несущих конструкций покрытия и колонн в шар-нирно-подвижных соединениях следит рассчитывать на дополнительные усилия, возникающие при перемещениях элементов соединений в крайние положения до ограничителей.

5.20. Для одноэтажных каркасных промышленных зданий наиболее благоприятным расположением на подрабатываемой территории является ориентирование плоскости поперечных рам по направлению простирания пластов полезного ископаемого или с отклонением не более 15°.

Рис. 11. Шарнирно-подвижное опирание ригелей на колонну

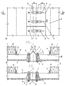
а - катковое; 6 - скользящее; 1 - пролетом конструкция; 2- колонна; 3 - косынка; 4 - ограничитель; 5 - опорный лист; 6 - каток; 7 - закладная деталь пролетной конструкции; 8 - шоп скольжении; 9 - металлический лист; 10 - опорный столик; 11 - вкладыш; 12 - реборда катка; 13 - подвижная плоская опора

При проектировании одноэтажных промышленных зданий на территориях с известным положением зон сосредоточенных деформаций следует здания размещать между этими зонами. Допускается членить здания на отсеки таким образом, чтобы деформационные швы располагались в указанных зонах.

5.21. При разрезке протяженных производственных зданий деформационными швами следует принимать равные размеры отсеков. Отличающиеся в силу необходимости размеры отсеков рекомендуется между собой располагать так, чтобы компенсационные зазоры деформационных швов были минимальными.

5.22. Шарнирно-неподвижные соединения колонн с ригелями рекомендуется устраивать с помощью центрирующих опорных вкладышей, размещаемых непосредственно между верхним обрезом колонн и опорной частью ригелей. Площадь вкладышей рекомендуется определять расчетом на местное сжатие с учетом неравномерное-тей эпюры давления, возникающих при угловых деформациях соединений.

При увеличении надкрановых габаритов зданий шарнирно-неподвижные соединения допускается образовывать на стальных опорных столиках, размеры которых определяются расчетом на действие максимальных продольных и поперечных сил (рис. 12).

5.23. Для оценки возможной применимости одноэтажных промышленных зданий и выбора их габаритных схем разрешается руководствоваться таблицей применимости поперечных рам (табл. 6).

5.24. Граница применимости зданий (отсеков) определяется показателем суммарных деформаций еп, который вычисляется по формуле:

                                                                                              (2)

где e, R - величины ожидаемых деформаций земной поверхности; ne, nк, me, me- коэффициенты перегрузки и условий работы, определяемые по указаниям СНиП II-8-78;

Н - высота здания от Подошвы фундаментов до низа пролетных конструкций (ферм, балок).

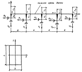
5.25. В зданиях с мостовыми кранами при типовом шаге колонн у деформационных швов допускается применять доборные элементы подкрановых балок, не стесняющие необходимую компенсационную податливость деформационных швов, а при уменьшенном шаге колонн у деформационных швов - консольное опирание подкрановых балок (рис. 13, а, б).

5.26. Размеры деформационных зазоров между торцами подкрановых балок рекомендуется назначать в зависимости от величин деформаций земной поверхности, но не менее 60 мм. При проектировании допускается принимать значения деформационных зазоров δдпр по табл. 7 в зависимости от групп подрабатываемых территорий, длин отсеков, расстояний  и hт (измеряемых соответственно от подошвы фундаментов и от головки подкрановых рельсов до плоскости верхнего обреза колонн) при выполнении условия

δпрдар,                                                                                                                      (3)

где ар - допустимый пролет рельса в свету между рельсовыми подкладами по прочности на изгиб.

Рис. 12. Шарнирно-подвижное опирание ригелей на колонну

а - высокое; б - низкое; 1 - колонна; 2 - пролетная конструкция; 3 - вкладыш; 4 - опорный столик 5 - столик для стеновой панели

5.27. Узлы сопряжения подкрановых балок с колоннами следует проектировать с учетом возможности рихтовок подкрановых конструкций в процессе эксплуатации зданий. Рекомендуется отдавать предпочтение узлам, рбеспечивающим рихтовку подкрановых балок (рис. 13, в).

Узлы сопряжения рекомендуется выполнять:

в верхней части линейно-подвижными в вертикальном направлении с резьбовым креплением опорных элементов;

в нижней части с опорными устройствами, позволяющими непосредственно корректировать положение подкрановых балок в вертикальном и горизонтальном направлениях, например, с винтовыми стойками опорных столиков.

При обосновании допускается опорные устройства выполнять из пакетов листовых или плитных подкладок.

Таблица 6

Тип отсека

Размер пролета, м

Высота колони, м

Шаг ферм, м

Применимость типа отсека

группа территорий

eп

1

2

3

4

5

6

72Б1-30-108а

72Б1-30-126а

72Б1-30-144а

72Б1-30-180а

30

10,8

12,6

14,4

18,0

6

III

III

II

II

5,4

5,6

6,4

6,8

72Б1-30-108в

72Б1-30т126в

72Б1-30-144в

72Б1-30-180в

30

10,8

12,6

14,4

18,0

12

III

III

II

II

5,5

5,7

6,5

7,0

72Б2-30-1086

72Б2-30-1266

72Б2-30-1446

72Б2-30-1806

72К1-30-1626

72К1-30-1806

30

10,8

12,6

14,4

18

16,2

18

12

-

IV

IV

III

III

III

2,1

2,3

2,4

4,2

6,0

6,2

72Б2-30-108в

72Б2-30-126в

72Б2-30-144В

72Б2-30-180в

72K1-30-162S

72К1-30-180В

30

10,8

12,6

14,4

18,0

16,2

18,0

12

-

IV

IV

III

III

III

2,3

2,5

2,6

4,4

6,3

6,5

72Б1-24-108а

72Б1-24-126а

72Б1-24-144а

72Б1-24-180а

24

10,8

12,6

14,4

18,0

6

III

III

II

II

7,5

7,8

14,3

15,5

72Б1-24-108в

72Б1-24-126в

72Б1-24-144в

72Б1-24-180в

24

10,8

12,6

14,4

18,0

12

III

III

II

II

7,6

7,9

14,4

15,7

72Б2-24-108б

72Б2-24-126б

72Б2-24-144б

72Б2-24-180б

24

10,8

12,6

14,4

18,0

6

IV

IV

III

II

3,2

3,3

6,8

10,3

72Б2-24-108в

72Б2-24-126в

72Б2-24-144в

72Б2-24-180в

24

10,8

12,6

14.4

18,0

12

IV

IV

III

II

3,3

3,5

7,1

10,5

72К1-24-108б

72К1-24-126б

72К1-24-162б

72К1-24-180б

24

10,8

12,6

16,2

18,0

6

IV

IV

III

II

5.1

5,4

8,3

15,5

72К1-24-108в

72К1-24-126в

72К1-24-162в

72К1-24-180в

24

10,8

12,6

16,2

18,0

12

IV

IV

III

II

5,3

5,5

8,6

15,9

72К2-24-108б

72К2-24-126б

72К2-24-162б

72K2-24-I80б

24

10,8

12,6

16,2

18,0

6

IV

IV

III

III

3,0

3,1

6,5

9,5

72К2-24-108в

72К2-24-126в

72К2-24-162в

72К2-24-180в

72К3-24-108в

72К3-24-126в

72К3-24-162в

72К3-24-180в

72Б3-24-60б

24

10,8

12,6

16,2

18,0

10,8

12,6

16,2

18,0

6,0

12

IV

IV

III

III

-

IV

IV

 

-

3,3

3,5

6,7

10,2

2,2

2,4

2,8

4,9

2,8

72Б3-24-72б

72Б3-24-84б

24

7,2

8,4

6

IV

IV

3,0

3,1

72Б3-24-60в

72Б3-24-72в

72Б3-24-84в

24

6,0

7,2

8,4

12

-

IV

IV

2,9

3,1

3,3

72Б1-18-48б

72Б1-18-60б

72Б1-18-72б

72Б1-18-84б

18

4.81

6,0

7,2

8,4

6

IV

IV

II

III

4,0

4,1

6,0

6,2

72Б1-18-48в

72Б1-18-60в

72Б1-18-72в

72Б1-18-84в

72Б1-18-108в

72Б1-18-126в

18

4,8

6,0

7,2

8,4

10,8

12,6

12

IV

IV

III

III

III

III

4,1

4,3

6,3

6,5

7,8

8,1

72Б2-18-48б

72Б2-18-60б

72Б2-18-72б

72Б2-18-84б

18

4,8

6,0

7,2

8,4

6

IV

IV

III

III

2,8

2,9

5,0

5,1

72Б2-18-48в

72Б2-18-60в

72Б2-18-72в

72Б2-18-84в

18

4,8

6,0

7,2

8,4

12

IV

IV

III

III

2,9

3,1

5,3

5,5

72Б3-18-48б

72Б3-18-60б

72Б3-18-72б

72Б3-18-84б

18

4,8

6,0

7,2

8,4

6

-

-

III

III

2,2

2,6

2,9

3,1

72Б3-18-48В

72Б3-18-60в

72Б3-18-72в

72Б3-18-84в

18

4,8

6,0

7,2

8,4

12

-

-

IV

IV

2,4

2,8

3,1

3,3

72Б4-18-48б

72Б4-18-60б

72Б4-18-72б

72Б4-18-84б

18

4,8

6,0

7,2

8,4

6

-

-

-

IV

1,9

2,3

2,7

3,1

72Б4-18-48в

72Б4-18-60в

72Б4-18-72в

72Б4-18-84в

72Б2-18-108в

18

4,8

6,0

7,2

8,4

10,8

12

-

-

-

IV

III

2,0

2,5

2,9

3,3

4,8

Продолжение табл. 6

Тип отсека

Размер пролета, м

Высота колони, м

Шаг ферм, м

Применимость типа отсека

группа территорий

eп

72Б2-18-126в

72Б3-18-108в

72Б3-18-126в

72К4-18-108в

72К4-18-126в

18

12,6

10,8

12,6

10,8

12,6

12

III

IV

IV

IV

IV

5,0

3,3

3,5

2,5

2,7

72Б1-12-48а

72Б1-12-60а

12

4,8

6,0

6

II

II

12,0

12,5

72Б2-12-48а

72Б2-12-60а

72Б3-12-48а

72Б3-12-60а

72Б4-12-48а

72Б4-12-60а

72Б5-12-48а

72Б5-12-60а

72Б6-12-48а

72Б6-12-60а

12

4,8

6,0

4,8

6,0

4,8

6,0

4,8

6,0

4,8

6,0

6

III

III

IV

III

-

VI

-

IV

-

IV

6,8

7,0

4,4

4,8

3,3

3,6

2,7

3,0

2,2

2,5

Примечание. Обозначение принятых типов отсеков:

Длина, м

Бескрановый (Б), крановый (К)

Количество пролетов

Размер пролета

72

Б

1

30

72

Б

2

24

72

К

4

18

Продолжение

Длина, м

Высота колонн, м

Конструктивный индекс

Шаг колонн, м

Шаг ферм,балок, м

72

10,8

а

6

6

72

14,4

б

12

6

72

12,4

в

12

12

Рис. 13. Крепление подкрановых балок к колоннам

а - с типовым шагом у деформационного шва; б - с уменьшенным шагом у деформационного шва; в - в средней части отсека (здания); 1 - колонна; 2- подкрановая балка; 3 - доборный элемент балки; 4 - кронштейн; 5 - опорный стержень; 6 - направляющие с ползуном; 7 - опорный лист; 8 - винтовой столик; 9- накладной уголок; δГ - величина рихтовки по горизонтали; δВ - величина рихтовки по вертикали; О -ось деформационного шва

5.28. Габариты приближения кранового оборудования к элементам зданий рекомендуется назначать из условий:

Гг ≥ 60+δгε;                                                                                                                                                        (4)

Гв ≥ 100+δв,                                                                                                                                                      (5)

где Гг - габарит приближения мостового крана в горизонтальном направлении к граням надкрановой части колонн или к элементам, закрепленным на них (мм); δгε - необходимая величина горизонтальной рихтовки подкрановых балок на один подкрановый путь в соответствии с деформациями земной поверхности.

Таблица 7

hT/hk+hф

Группа территорий

Расчетные величины деформационных зазоров между подкрановыми балками « деформационных швах δрпр д мм при длине отсеков, м

18

24

30

36

48

60

72

1,75

8,7

IV

68

90

90

110

140

180

210

III

113

151

150

180

230

300

360

II

198

264

260

310

410

510

610

I

373

498

460

560

740

920

-

2,05

9,9

IV

70

92

90

110

150

180

220

III

117

155

160

180

240

310

370

II

205

273

260

320

420

520

630

I

394

526

490

580

770

970

-

2,65

12,3

IV

73

97

100

110

150

190

230

III

123

163

160

190

250

320

380

II

219

293

280

330

440

550

660

1

437

583

530

630

840

-

-

2,95

14,1

IV

76

101

100

120

160

190

230

III

128

170

170

200

260

320

390

II

231

309

290

360

460

580

690

I

474

632

560

670

900

-

-

2,95

15,9

IV

78

104

100

120

160

200

240

III

132

175

170

200

270

340

410

II

240

321

300

360

480

600

720

1

500

668

600

720

960

-

-

3,35

17,7

IV

81

108

110

120

170

210

250

III

137

181

180

210

280

350

420

II

251

334

310

370

500

620

750

1

532

710

640

760

-

-

-

3,35

19,5

IV

83

111

110

130

170

210

260

III

141

187

180

220

290

360

430

II

262

348

330

390

520

650

780

I

564

752

680

810

-

-

-

Допускается значения принимать по табл. 8. равными расчетным величинам рихтовок δрп в зависимости от групп подрабатываемых территорий, количества и ширины пролетов, расстояний hк+hф и hт (мм); Гв - габарит приближения мостового крана в вертикальном направлении к нижним граням пролетных конструкций покрытия или к элементам, закрепленным на них (мм); δв - необходимая величина вертикальной рихтовки подкрановых балок в соответствии с деформациями земной поверхности (мм), принимаемая по большему значению по формулам:

при наклонах i

                                                                                                        (6)

Таблица 8

hT/hk+hф

Группа территорий

Расчетные величины горизонтальной рихтовки подкрановых балок в поперечном направлении на один подкрановый путь δрп мм, при количестве пролетов п и ширине пролетов, м

12

18

24

30

36

n

1

2

3

1

2

3

1

2

3

1

2

1

2

1,75

8,7

IV

III

II

I

4

7

11

17

4

6

10

15

3

4

7

10

6

9

15

22

5

8

12

18

4

7

11

16

8

13

20

30

6

10

16

24

6

9

15

22

9

15

24

36

8

13

20

30

9

15

23

36

9

15

24

36

2,05

9,9

IV

III

II

I

5

8

12

18

4

7

11

16

3

4

7

10

6

10

15

23

5

8

13

19

4

7

11

17

8

13

21

31

6

10

17

25

6

10

15

23

9

15

25

37

8

13

21

31

9

15

25

37

9

15

25

37

2,65

12,3

IV

III

II

I

5

8

12

18

4

7

11

16

3

4

7

11

6

10

15

23

5

8

13

19

4

7

11

17

8

13

21

32

6

10

17

25

6

10

16

64

10

16

26

39

8

13

21

32

10

16

26

39

10

16

26

39

2,95

14,1

IV

III

II

1

5

8

12

18

4

7

11

16

3

4

7

10

6

10

15

23

5

8

13

19

4

7

11

17

8

13

21

31

6

10

17

25

6

10

15

23

9

15

25

37

8

13

21

31

9

15

25

37

9

15

25

37

2,95

15,9

IV

III

II

I

4

7

11

16

4

5

9

14

2

4

6

9

5

9

14

21

4

7

11

17

4

6

10

15

7

12

19

28

6

10

15

23

5

9

14

21

8

14

23

34

7

12

19

28

8

14

23

34

8

14

23

34

3,35

17,7

IV

III

II

I

4

7

11

16

4

5

9

14

2

4

6

9

5

9

14

21

4

7

11

17

4

6

10

15

7

12

19

28

6

10

15

23

5

9

14

21

8

14

23

34

7

12

19

28

8

14

23

34

8

14

23

34

3,35

19,5

IV

III

II

I

4

6

10

15

3

5

9

13

2

4

6

9

5

8

13

19

4

6

10

15

4

5

9

14

7

11

17

26

5

8

13

20

5

8

13

19

8

13

21

31

7

11

17

26

8

13

21

31

8

13

21

31

при радиусах кривизны R

                                                                                                             (7)

где ni, nк, mi mк, - коэффициенты перегрузки и условий работы, определяемые по главе СНиП II-8-78; 1п - размер подкрановых путей в продольном или поперечном направлениях здания.

Допускается значения dв при проектировании принимать по табл. 9, 10 как сумму соответствующих расчетных величин рихтовок в продольном и поперечном направлениях в зависимости от групп подрабатываемых территорий, количества и ширины пролетов и длины подкрановых путей.

Таблица 9

Группа территорий

Расчетные величины вертикальной рихтопки-подкранояых балок

в продольном направлении

при длине подкрановых путей, м

30

36

48

60

72

144

216

IV

130

9

150

10

200

19

250

29

300

42

600

166

900

374

III

180

16

210

18

280

32

360

50

420

71

840

285

1260

641

II

250

37

300

42

400

74

500

85

600

166

1200

665

-

-

1

500

110

600

125

800

220

1000

350

1200

500

-

-

-

-

5.29. Для зданий с мостовыми кранами рекомендуется применять подкрановые пути с бесстыковыми рельсами, пропущенными в здании через все отсеки при общей длине одной петли, не превышающей 288 м (рис. 14). Крепление рельсовых плетей рекомендуется осуществлять:

линейно-подвижным фрикционным при помощи профильных тоннельных подкладок, не препятствующих продольным перемещениям плетей относительно подкрановых конструкций при взаимных смещениях отсеков;

неподвижным для предотвращения их угона в средней части плетей на длине одного шага, в котором размещен блок жесткости.

Допускается применять подкрановые пути с неподвижными креплениями рельсов к подкрановым балкам при условии выполнения у деформационных швов сменных рельсовых вставок с одинарным или двойным подвижным стыком (рис. 15).

5.30. Стеновые панели ограждения следует проектировать по податливым схемам, допускающим взаимные линейные и угловые подвижки панелей без нарушения прочности крепления панелей к колоннам и без разгерметизации вертикальных и горизонтальных швов между панелями (рис. 16).

Крепление панелей рекомендуется осуществлять по четырем углам шарнирными соединениями, например стержневыми накладными элементами: с одной стороны, при укороченных стержнях (шарнирно-неподвижно), с другой - при удлиненных стержнях (шарнирно-подвижно).

Таблица 10

Группы территорий

Расчетные величины вертикальной рихтовки подкрановых балок

в поперечном направлении

при количестве пролетов п и ширине пролетов, м

n

12

18

24

30

36

42

IV

2

 

3

4

72

6

9

14

90

10

21

31

120

18

37

70

153

29

73

110

151

42

83

125

180

57

113

170

III

2

 

3

4

100

10

16

24

125

18

35

53

167

32

64

121

214

50

126

189

211

71

142

213

247

97

194

291

II

2

 

3

4

144

23

37

55

180

42

83

125

240

74

160

283

306

117

294

441

302

167

332

498

353

226

452

679

I

2

 

3

4

288

70

110

116

360

125

248

375

480

220

445

846

612

350

882

-

604

500

998

-

706

679

-

-

Крепление панелей в углах зданий и у деформационных швов рекомендуется выполнять при укороченных стержнях (рис. 17).

Для навески стеновых панелей рекомендуется устраивать опорные консольные столики:

на колоннах в уровнях цоколя и верха оконных проемов;

на колоннах в других местах по высоте из условий прочности панелей от воздействия массы вышележащих участков стен;

на торцах пролетных конструкций покрытия в уровне их низа.

5.31. Деформационные зазоры между отсеками производственных зданий в стеновых ограждениях следует перекрывать с наружных и внутренних сторон панелей компенсационными устройствами из железобетона, армоцемента, асбофанеры, поливинилхлорида, стеклопластика и других материалов в зависимости от технологических и архитектурных требований (рис. 17).

Зазоры допускается перекрывать накладками:

гибкими фигурными, например, V-образного профиля с неподвижными креплениями к панелям; плоскими с фрикционным креплением, например, со щелевыми-горизонтальными отверстиями, обеспечивающими линейную податливость устройств, и нательниками, обеспечивающими герметичность деформационных швов.

Рис. 14. Крепление бесстыковых рельсов к подкрановым балкам

а - схема; б - неподвижное; в - подвижное; 1 - колонна; 2 - блок жесткости; 3 -подкрановая балка; 4 - крановый рельс; 5 - упругая прокладка; в - профильная стальная подкладка 7 - зажим; 8 - профильная тоннельная подкладка; 9 - анкерный болт; 10 - шайба; 11 - гайка; 12 - упор; 13 - ограничитель; l - шаг колонн

Рис. 15. Соединение рельсов у деформационного шва

а - с двойным подвижным стыкам; б - с одинарным подвижным стыком; 1 - колонна; 2 - подкрановая балка; 3 - крановый рельс; 4 - сменная вставка; 5 - плоская накладка; 6 - фигурная накладка; 7 - болт; 8 - гайка; 9 - шайба; δп - предельная величина подвижки; О - ось дьформанионного шва (на сечениях 1-1. 2-2, 9-3 подкрановые балкн условно не показаны)

Рис. 16. Стеновое панельное ограждение

1 - колонна; 2 - пролетная конструкция; 3 -вкладыш; 4 - фундамент; 5 - фундаментная балка; 6 - отмостка; 7 - противоморозная засыпка; 8 - стеновая панель; 9 - столик для стеновой панели; 10- закладная деталь колонны; 11 - укороченный крепежный стержень; 12 - удлиненный крепежный стержень; 13 - закладная деталь панелн; 14 - закладная деталь пролетной конструкции; 15 - упругие прокладки; а1, а2 - толщина горизонтальных швов; а3 - толщина вертикального шва между панелями

5.32. В производственных зданиях диски покрытий рекомендуется выполнять простой формы, без выступающих над дисками световых или аэрационных фонарных конструкций, из сборных железобетонных плит, соединенных с верхними поясами ригелей, обеспечивающих необходимую вертикальную податливость и жесткость в горизонтальной плоскости при передаче нагрузок.

В зданиях с разным шагом колонн не рекомендуется применять подстропильные конструкции.

Рис. 17. Деформационный шов в стеновом панельном ограждении

а - с неподаижным внутренним креплением; б - с подвижным креплением; 1 - колонна; 2 - стеновая панель; 3 - компенсатор из оцинкованной стали; 4 - плоская листовая накладка; 5 - щелевое отверстие; 6 - пащслькик с зубом; 7 - шпилька; 8 - шайба; 9 - гайка; 10 - закладная деталь колонны; 11 - укороченный крепежный стержень; 12 - закладная деталь стеновой панели; 13 - зуб; аш - компенсационная способность деформационного шва; Δ - ширина щелевого отверстия; О - ось деформационного шва

На подрабатываемых территориях II-IV; IV, к групп допускается осуществлять крепление плит покрытий к ригелям на сварке через закладные детали не менее чем по трем углам, а швы между плитами рекомендуется замоноличивать мелкозернистым бетоном. Для усиления дисков допускается в замоноличенных швах устанавливать арматуру.

На подрабатываемых территориях I; I, к - III, к групп крепление плит покрытий к ригелям допускается осуществлять стержневыми элементами по четырем углам, а под опорами плит устраивать упругие прокладки. Швы между плитами вдоль ригелей допускается заполнять эластичными материалами, например поролластом макропористой резиной и др.

5.33. Деформационные зазоры в кровлях покрытий в продольном, и поперечном направлениях рекомендуется перекрывать гибкими листовыми элементами:

нижними в виде накладок фигурного профиля, например, V-образного;

верхними в виде цилиндрических лотковых приставок.

К плитам покрытий гибкие элементы рекомендуется закреплять неподвижно. С наружной стороны цилиндрических лотковых приставок рекомендуется размещать соответственно пароизоляционные, утеплительные и гидроизоляционные слои. Допускается устраивать пароизоляцию с нижней стороны фигурных накладок (рис. 18).

Толщину и высоту гибких элементов следует определять расчетом их на прочность и компенсационную способность, при этом из конструктивных соображений высоту гибких элементов рекомендуется принимать не менее 0,6 ширины деформационных зазоров и не менее 100 мм.

В местах деформационных швов рекомендуется укладывать дополнительный гидроизоляционный слой с запуском его за грани деформационных зазоров не менее 500 мм.

5.34. Для всех групп подрабатываемых территорий в одноэтажных каркасных зданиях (отсеках) необходимо устраивать системы вертикальных и горизонтальных связей, соединяющие конструкции в продольном направлении и обеспечивающие каркасам устойчивость и малую деформативность. Связи рекомендуется выполнять из стального проката и присоединять к железобетонным конструкциям через закладные детали на сварке. При специальном обосновании связи допускается выполнять из других материалов.

На подрабатываемых территориях IV группы системы связей по каркасам допускается не устраивать при пролетах не более 12 м, высоте колонн не более 4,2 м и количестве колонн по каждой продольной раме не менее 5 при условии восприятия каркасами всех действующих горизонтальных нагрузок.

5.35. В одноэтажных каркасных зданиях для III, IV, IV, к подрабатываемых территорий вертикальные связи следует выполнять в каждом отсеке в виде геометрически неизменяемых связевых панелей, сгруппированных в блок жесткости в одном шаге.

Вертикальные панели по каждой продольной раме между колоннами рекомендуется устраивать:

при шаге колонн 6 м и высоте до 8,4 м с применением одного крестообразного элемента;

при шаге колонн 6 м и высоте более 8,4 м с применением двух крестообразных элементов сочлененных в двух уровнях;

Рис. 18. Деформационный шов в покрытии

а - поперечный; б - продольный; 1 - верхний пояс пролетной конструкции; 2 - плита покрытия; 3, 4, 5 - компенсаторы из оцинкованной стали; 6 - неподвижное крепление компенсатора к плите; 7 - утеплитель; 8 -рулонная кровля; 9 - дополнительный рулонный ковер; 10- пароизолядня; аш - компенсационная способность деформационного шва; δ1, δ2 - зазор в свету между торцами плит покрытия или пролетных конструкций; О -ось деформационного шва

при шаге колонн 12 ми высоте более 8,4 м с применением одного или двойных крестообразных элементов с общим центром пересечения в средней части шага.

При необходимости конфигурацию решетки вертикальных связевых панелей допускается принимать в виде портала или другой формы.

Как правило, в блоках жесткости в системах вертикальных панелей следует предусматривать замыкающие горизонтальные связи между колоннами (в том числе в уровне верха колонн) и связи-распорки между фундаментами в пределах блоков жесткости.

5.36. Для II, III, IV, к групп подрабатываемых территорий в покрытиях со стропильными фермами длиной 18 м и более рекомендуется выполнять между фермами в блоках жесткости вертикальные связевые панели в середине каждого пролета.

5.37. Для I, II, к; III, к групп подрабатываемых территорий вертикальные связевые панели между колоннами следует выполнять податливыми (рис. 19, а). Для этих же условий рекомендуется выполнять податливыми вертикальные связевые панели между ригелями.

При необходимости податливые связевые панели рекомендуется применять при проектировании зданий на подрабатываемых территориях I, к группы.

При специальном обосновании податливые связевые панели допускается проектировать с различными формами решетки и с разными размерами составляющих элементов.

5.38. Блоки жесткости рекомендуется размещать по осям симметрии отсеков или близко к осям симметрии. Блоки жесткости с вертикальными податливыми связевыми панелями допускается размещать в разных частях отсеков за исключением крайних шагов.

5.39. В пределах блоков жесткости в плоскости нижних поясов стропильных ферм следует предусматривать горизонтальные связевые панели для I; I, к, II, к групп подрабатываемых территорий, а также для II; III, к групп подрабатываемых территорий в тех случаях, когда центральные оси зданий отклонены от главных осей мульд сдвижения на угол более 20°. В остальных случаях необходимость применения горизонтальных связевых панелей рекомендуется устанавливать расчетом.

Горизонтальные связевые панели рекомендуется проектировать так, чтобы их узлы сходились с узлами стропильных ферм и вертикальных связевых панелей.

5.40. Вне блоков жесткости горизонтальные связи по покрытиям и в уровне верха колонн следует выполнять в случаях, когда через элементы дисков, ригели и опорные узлы не обеспечивается передача й восприятие горизонтальных нагрузок.

5.41. Для I, к, II, к групп подрабатываемых территорий узлы крепления горизонтальных связей и связевых панелей к колоннам и ригелям следует проектировать из условия обеспечения расчетных неравномерных перемещений смежных рам в вертикальном направлении.

5.42. При наличии в одноэтажных каркасных зданиях мостовых кранов податливые связевые панели по п. 5.37 следует устанавливать относительно подкрановых балок в двух уровнях.

Для ступенчатых колонн податливые связевые панели следует размещать в пределах каждой части колонны в вертикальной плоскости, проходящей через центры тяжести сечений.

При применении в зданиях двухветвевых колонн податливые связевые панели следует устраивать в двух вертикальных плоскостях, проходящих через центры тяжести сечении каждой ветви.

5.43. При проектировании податливых связевых панелей по пункту 5.37 рекомендуется выполнять:

Рис. 19. Податливая связевая панель

а - конструктивная схема; б - расчетная схема; 1 - фундамент; 2 - колонна; 3 - фундаментная связь; 4 - ригель; 5 - горизонтальная связь по верху колонн; 6 - диагональная связь; 7 - горизонтальная связь податливой панели; 8 - ползун; 9 - цилиндрическая открытая опора; 10- косынка; 11 - фланец; Δп - характеристика податливости панели; О - ось колонны; О1- ось элементов податливой связевой панели

верхние узлы по характеристикам податливости Δ с ползунами обеспечивающими неравномерное перемещение наклонных элемемтов в вертикальном направлении относительно открытых цилиндрических опор, закрепленных на колоннах;

средние узлы по характеристике податливости Δ с накладками, обеспечивающими взаимное перемещение наклонных элементов, расположенных в одной плоскости;

нижние узлы в обычном исполнении путем соединения наклонных элементов с закладными деталями колонн на косынках.

При обосновании конструкции крепления направляющих пар трения к колоннам и наклонным элементам, а также форму сечений элементов допускается изменять.

5.44. Вертикальные и горизонтальные связи в одноэтажных каркасных зданиях следует рассчитывать на особые сочетания нагрузок с учетом различных комбинаций деформаций земной поверхности.

Связи в зданиях допускается рассчитывать как отдельные системы, части систем и элементы, полностью воспринимающие и передающие нагрузки или их часть от конструкций на основание.

5.45. Расчет и проверку прочности податливых связевых панелей и их элементов по п. 5.37 следует выполнять для двухсостояний:

при статическом положении конструкций на совместные воздействия расчетных горизонтальных нагрузок и деформаций земной поверхности по расчетным характеристикам материалов;

при динамическом положении конструкций на совместные воздействия расчетных горизонтальных нагрузок, деформаций земной поверхности и дополнительных сил, возникающих в момент движения конструкций при вынужденных сдвижениях основания за счет изменения схемы их работы, по нормативным характеристикам материалов.

5.46. Расчет податливых связевых панелей рекомендуется выполнять в соответствии с расчетной схемой, представленной на рис. 19. Допускается разделять вертикальные связевые панели на простейшие системы. Каждую систему рекомендуется проектировать из условия работы наклонных элементов на растяжение и сжатие с изгибом.

5.47. При проектировании вертикальных связевых панелей напряженно-деформированное состояние элементов следует регулировать путем изменения углов наклона α, плеч ползунов а и b, коэффициентов трения покоя fтр.п и коэффициентов трения движения fтр.д, a также материалов трущихся пар.

5.48. Расчет вертикальных податливых панелей блоков жесткости производится с учетом указаний специальных рекомендаций.

РАСЧЕТ ПОПЕРЕЧНЫХ РАМ ОДНОЭТАЖНЫХ ПРОМЫШЛЕННЫХ ЗДАНИЙ

5.49. При расчете поперечных рам одноэтажного каркасного здания на обычные нагрузки (снеговые, ветровые, крановые) и воздействие от деформаций земной поверхности рекомендуется учитывать упругое защемление стоек в основание (упругий поворот фундаментов). Исключением могут быть поперечные рамы зданий, проектируемых на практически несжимаемом основании (скальных грунтах).

Определение усилий в элементах поперечной рамы следует производить с учетом продольно-пвяеречного изгиба и работы колонн в упругой или упругопластической стадиях напряженно-деформированного состояния. Продольно-поперечный изгиб учитывается при условии

                                                                                                                                    (8)

где SN - сумма всех вертикальных сил, действующих на рассматриваемую колонну;

hk - высота колонны;

[Bн]- эквивалентная жесткость нижней (подкрановой) части колонны.

Если условие (8) не соблюдается, то каркасы одноэтажных зданий рассматриваются как упруго-изгибаемые системы. Влияние продольного изгиба при этом учитывается введением коэффициента h>1 (СНиП Н-21-75)

5.50. При расчете каркасного здания с учетом деформационных воздействий от влияния горных выработок рекомендуется:

проверить несущую способность колонн и при необходимости назначить соответствующее армирование, марку бетона или изменить расчетную схему;

проверить общую устойчивость здания и при необходимости назначить дополнительное усиление конструкций и конструктивные мероприятия;

при устройстве фундаментных связей-распорок назначить их сечение, армирование и марку бетона;

5.51. При расчете поперечных рам наиболее приемлемым является метод перемещений. Единственным неизвестным для поперечных рам будет Dр - горизонтальное перемещение ригеля плоской (загружаемой) рамы.

Вводя по направлению неизвестного перемещения стерженек связи (в узле сопряжения стойки с ригелем), получим основную систему. От действия единичного неизвестного в стойках плоской рамы возникают реакции r11. В стерженьке связи возникает реакция Rс, равная сумме реакций верха колонн плоской рамы от перемещения Dр = 1. Для каждого вида загружения составляется каноническое уравнение

                                                                                                           (9)

где Rp- сумма реакций верха колонн плоской рамы от нагрузки;

Dр - горизонтальное перемещение ригеля плоской рамы от нагрузки.

Упругая реакция в уровне верха рассматриваемой колонны от нагрузки определяется по формуле:

                                                                                                            (10)

где r1p, r11- реакции в уровне верха рассматриваемой колонны плоской рамы в основной системе соответственно от нагрузки и единичного смещения, определяемые согласно указаниям пп. 5.55, 5.56.

Горизонтальное перемещение ригеля плоской рамы от нагрузки Dр определяется из уравнения (9).

5.52. Усилия в сечениях колонн (М, Q, N) определяют как для консольной балки, загруженной нагрузкой и упругой реакцией ryn.

Обычно расчетными являются три сечения по длине колонн; 1-1 - над крановой консолью, 2-2 - под крановой консолью, 3-3-у верха фундамента (опорное сечение).

5.53. Расчет поперечных рам одноэтажных каркасных зданий выполняется при следующих исходных предпосылках:

ригели и фундаменты принимаются бесконечно жесткими; продольные деформации в ригелях и колоннах не учитываются;

При горизонтальных деформациях земной поверхности отсутствует взаимное горизонтальное смещение деформируемого основания и фундаментов;

жесткость сечений железобетонных колонн определяется с учетом их работы в упругой или упругопластической стадиях напряженно-деформированного состояния в зависимости от действующих усилий (п. 5.60).

жесткость сечений металлических колонн определяется как произведение модуля упругости металла (Е) и момента инерции (I),

Податливость грунта в основании фундамента оценивается величиной А, которая определяется по формуле:

                                                                                                               (11)

где Iф - момент инерции подошвы фундамента относительно оси, перпендикулярной плоскости поперечной рамы и проходящей через точку приложения равнодействующей вертикальных сил, в плоскости подошвы фундамента; Сj - коэффициент жесткости, определяемый по формуле:

                                                                                                      (12)

 - модуль длительных деформаций, принимаемый для глинистых грунтов по табл. 2 прил. 2 СНиП II-8-78;

wj - безразмерный коэффициент формы, определяемый по табл. 11 в зависимости от соотношения сторон подошвы фундамента - сторона подошвы фундамента в направлении горизонтальных деформаций грунта);

F - площадь подошвы фундамента (при F > 10 м2 принимать F = 10 м2);

mг - коэффициент Пуассона грунта

Таблица 11

b/a

0,33

0,5

0,66

1.0

1,5

2,0

3,0

ωφ

1,65

1,72

1,80

1,98

2,24

2,5

2,97

5.54. Значения величин, входящих в формулы расчета поперечных рам, определяются следующими выражениями в зависимости от геометрических и жесткостных параметров и нагрузок

                                                                           (13)

5.55. Реакции в уровне верха колонн плоской рамы основной системы при единичном смещении основания (Δ = 1) следует определять по формуле:

                                                                                      (14)

где KDR - коэффициент, определяемый по номограмме (рис. 20) или по формуле:

                                                                           (15)

или

                                                                                    (16)

где KрDR - коэффициент, определяемый по номограммам (рис. 21-36), построенным в соответствии с формулой

                                                                                                (17)

где

                                                                 (18)

Рис. 20. Номограмма для определения коэффициента KDR

В тригонометрических функциях величина β, определяемая по формуле: (8), принимается в радианах.

5.56. Реакции в уровне верха колонн плоской рамы основной системы определяются следующим образом:

от действия момента Mп приложенного в верхнем конце колонны

                                                                                                         (19)

от действия момента Mk, приложенного к колонне на уровне консоли подкрановой части

                                                                                                         (20)

Рис. 21. Номограмма для определения коэффициента KрDR при λф =0,15; β = 0,16; λ=0,25

Рис. 22. Номограмма для определения коэффициента KрDR при λф = 0,15; β = 0,16; λ =0,45

Рис. 23. Номограмма для определения коэффициента KрDR при λф = 0,15; β = 0,3; λ =0,25

Рис. 24. Номограмма для определения коэффициента KрDR при λф = 0,15; β = 0,3; λ =0,45

Рис. 25. Номограмма для определения коэффициента KрDR при λф = 0,15; β = 0,5; λ =0,25

Рис. 26. Номограмма для определения коэффициента KрDR при λф = 0,15; β = 0,5; λ =0,45

Рис. 27. Номограмма для определения коэффициента KрDR при λф = 0,15; β = 0,7; λ =0,25

Рис. 28. Номограмма для определения коэффициента KрDR при λф = 0,15; β = 0,7; λ =0,25

Рис. 29. Номограмма для определения коэффициента KрDR при λф = 0,15; β = 1; λ =0,25

Рнс. 30. Номограмма для определения коэффициента KрDR при λф = 0,15; β = 1,0; λ =0,45

Рис. 31. Номограмма для определения коэффициента KрDR при λф = 0,15; β = 1,3; λ =0,25

Рис. 32. Номограмма для определения коэффициента KрDR при λф = 0,15; β = 1,3; λ =0,45

Рис. 33. Номограмма для определения коэффициента KрDR при λф = 0,15; β = 1,5; λ =0,25

Рис. 34. Номограмма для определения коэффициента KрDR при λф = 0,15; β = 1,5; λ =0,45

Рис.35. Номограмма для определения коэффициента KрDR при λф = 0,15; β = 2; λ =0,25

Рис. 36. Номограмма для определения коэффициента KрDR при λф = 0,15; β = 2; λ =0,45

от действия поперечной силы Т

                                                                                                                                                 (21)

от действия горизонтальной равномерно распределенной нагрузки интенсивностью q

                                                                                                             (22)

от действия горизонтальных сдвижений основания на величину Dl

                                                                                                                    (23)

от поворота основания фундамента на угол φ

                                                                                                      (24)

где φ - определяется в случае плавныx деформаций земной поверхности по формуле: (5) СНиП II-8-78; в случае образования уступа в основании фундаментов - по формуле:

                                                                                      (25)

где hy - расчетная величина уступа;

Hн - мощность наносов, принимаемая не более 15 м, или толщина грунтовой подушки (в случае скальных грунтов), равная половине минимального размера подошвы фундамента;

jг - расчетный угол внутреннего трения грунтов основания; mП, mк, mТ, mq  - коэффициенты, определяемые по номограммам (рис. 37, 38), построенным в соответствии с формулами:

                                               26)

5.57. Расчет поперечных рам по комбинированным схемам (см. рис. 9, б) отличается определением реакции верхнего конца колонн основной системы с шарнирным опиранием на фундаменты.

Исходные данные принимаются те же, что и для колонн с шарнирно-неподвижным опиранием ригелей и защемлением в фундаменте, но без учета высоты фундамента.

Рис. 37. Номограмма для определения коэффициентов mп и mк

Рис. 38 Номограмма для определения коэффициентов mg и mт

5.58. Реакция в уровне верха колонн основной системы с шарнирным опиранием на фундаменты при единичном смещении основания определяется по формулам:

                                                                                                                                                 (27)

где

                                                              (28)

5.59. Реакция в уровне верха колонн основной системы с шарнирным опмраиием на фундаменты определяется следующим образом:

от действия момента Мп, приложенного в верхнем конце колонны

                                                                                                       (29)

где:

                                                                                      (30)

от действия момента Мк, приложенного к колонне на уровне консоли подкрановой части

где:

                                                                                                                      (31)

от действия поперечной силы Т

                                                                                                            (32)

где

                                                                                                                       (33)

от действия горизонтальной равномерно распределенной нагрузки интенсивностью q

                                                                                                          (34)

Рис. 39. Определение эквивалентной жесткости колонны

а - номограмма для определения отношения эквивалентной жесткости Вэкв рассматриваемой части колонны к жесткости опорного сечения Вн; б - расчетное определение Вэкв

Примечание: Знак момента МТ В формулах пп. 7, 8 принимается таким же, как для момента Мн.

Рис. 40. Номограмма предельных моментов в железобетонных колоннах сечением 30´30 см при ξ≤ξR

Рис. 41. Номограмма предельных моментов в железобетонных колоннах сечением 30´30 см при ξ < ξR, где ξ = ξ1 + ξ2

Рис. 42. Номограмма предельных моментов в железобетонных колоннах сечением 40´40 см при ξ≤ξR

Рис. 43 Номограмма предельных моментов в железобетонных колоннах сечением 40´40 см при ξ < ξR, где ξ = ξ1 + ξ2

Рис. 44. Номограмма предельных моментов в железобетонных колоннах сечением 50´50 см при ξ≤ξR

где:

;

                                                                                                                         (35)

от горизонтального смещения фундамента на величину Dl

                                                                                                                  (36)

Рис. 45. Номограмма предельных моментов в железобетонных колоннах сечением 50´50 см при ξ < ξR, где ξ = ξ1 + ξ2

от поворота основания на угол φ

                                                                                                            (37)

5.60. При расчете железобетонных каркасов подрабатываемых промышленных зданий жесткость в расчетном сечении колонны определяется по рекомендациям разд. 8 настоящего Руководства.

Эквивалентную жесткость [В] железобетонной колонны или отдельных ее частей с постоянным сечением и постоянной продольной силой рекомендуется определять по номограммам, представленным на рис. 39. При первом случае эпюр моментов и жесткостей необходимо пользоваться номограммами А и Б, при втором случае - номограммой Б, при третьем случае - номограммами В и Б. Порядок определения величин [В]/Вп показан стрелками на рис. 39 для случаев 1, 2 и 3.

Рис. 46. Номограмма предельных моментов в железобетонных колоннах сечением 50´60 см при ξ≤ξR

Рис. 47. Номограмма предельных моментов в железобетонных колоннах сечением 50´60 см при ξ < ξR, где ξ = ξ1 + ξ2

Рис. 48. Номограмма предельных моментов в железобетонных колоннах сечением 50´80 см при ξ≤ξR

5.61. Расчет рамы необходимо начинать как расчет упругой системы с кратковременным действием всех нагрузок. Усилия, полученные в результате расчета упругой системы, используются для определения жесткостей, которые вводятся в повторный расчет. Производится, таким образом, многократный расчет с уточненными в процессе последовательных приближений жесткостями. Расчет при кратковременном действии нагрузок считается законченным, когда величины жесткостей колонн последнего расчета отличаются от величин предыдущего расчета не более чем на 5 %. После этого определяются жесткости с учетом длительно действующих нагрузок и выполняется окончательный расчет рамы. При этом должно соблюдаться следующее условие: МР < [М], где МР, [М] – расчетный момент в рассматриваемом сечении и предельный, определяемый по номограммам, построенным в. соответствии с требованиями главы СНиП II-21-75.

Рис. 49. Номограмма предельных моментов в железобетонных колоннах сечением 50´80 см при ξ > ξR, где ξ = ξ1 + ξ2

РАСЧЕТ ПРОДОЛЬНЫХ РАМ ОДНОЭТАЖНЫХ ПРОМЫШЛЕННЫХ ЗДАНИЙ

5.62. Устройство блока жесткости в средней Части отсека здания и наличие в продольной раме, как правило, трех и более колонн позволяет в расчетах не учитывать перемещение верха стоек, т.е. продольная рама подрабатываемого одноэтажного каркасного здания может считаться несвободной и расчет сводится к определению дополнительных усилий в отдельных стойках при горизонтальном смещении и повороте основания фундаментов.

5.63. Реакции в уровне верха колонн продольных рам бескрановых зданий определяются по рекомендациям, изложенным в п.п. 5.49-5.61.

5.64. Реакции в уровне верха колонны продольных рам с двухъярусным расположением продольных связей каркаса для крановых зданий RB определяются по формуле:

                                                                                                                                                           (38)

реакции в уровне подкрановых балок

                                                                                                       (39)

где Мб, Мн - моменты соответственно в уровне подкрановых балок и верха фундаментов, определяемые по п. 5.65.

5.65. Изгибающие моменты в стойках продольных рам с двухъярусным расположением продольных связей определяются по формулам:

от горизонтальных деформаций: момент в уровне верха фундамента МнD

                                                                                                                                             (40)

момент в уровне подкрановых балок

                                                                                                          (41)

от искривления основания:

момент в уровне верха фундамента

                                                                                                           (42)

момент в уровне подкрановых балок

                                                                                                            (43)

где V1, V2, V3, V4- коэффициенты, определяемые по номограммам (рис. 50-52) в зависимости от величины

                                                                                     (44)

или по формулам:

                                                                          (45)

                                                                            (46)

Рис. 50. Номограмма для определения коэффициентов V1, Vп

Рис. 51. Номограмма для определения коэффициента V2

Рис. 52. Номограммы для определения коэффициентов V3, V4

                                                                         (47)

                                                                        (48)

                                                                                                               (49)

момент в опорном сечении колонны при повороте фундамента в продольном направлении на единичный угол;

[BПН] - эквивалентная жесткость подкрановой части колонны в плоскости продольной рамы;

αп- отношение эквивалентных жесткостей подкрановой и над крановой частей колонны в плоскости продольной рамы;

- отклонение колонны от вертикали;

 - наклон основания фундамента колонны от радиуса кривизны;

- горизонтальное смещение основания фундамента;

Aп - податливость грунта в основании фундамента в плоскости продольной рамы, определяемая по формуле: (11).

РАСЧЕТ СВЯЗЕЙ-РАСПОРОК МЕЖДУ ОТДЕЛЬНО СТОЯЩИМИ ФУНДАМЕНТАМИ

5.66. Связи-распорки устраиваются для защиты фундаментов от поворотов и снижения влияния горизонтальных деформаций основания на напряженно-деформированное состояние несущих элементов каркасов промышленных зданий.

5.67. Связи-распорки располагаются в одном или двух уровнях, Применение связей-распорок в одном уровне рекомендуется для каркасных промышленных зданий, проектируемых на подраоатывае-мых территориях II - IV, IV, к групп; в двух уровнях -I-, I, к-III, к групп и на сверхкатегорийных площадках с тектоническими пару шениями, с выходами рабочих угольных пластов на земную поверхность, а также на площадках со старыми горными выработками, пройденными на малых глубинах.

Варианты конструктивного решения устройства связей-распорок приведены на рис. 53.

Примечание. При устройстве связей-распорок в одном уровне верхние не ставятся.

5.68. Для обеспечения работы связей-распорок на центрально направленные усилия устраиваются шарниры по их концам, а под подошвой - подготовка из легко сжимаемого материала. Указанным материалом может служить смесь, состоящая из равных частей мятой жирной глины и мелких древесных опилок. Толщина подготовки принимается не менее разности величины оседания фундаментов, соединенных связью.

Шарнирность соединений связей-распорок с отдельно стоящими фундаментами достигается за счет расположения по нейтральной оси связей арматуры, выпуски которой соединяются ванной сваркой с выпусками из фундаментов и замоноличиваются бетоном.

5.69. Анкеровка выпусков арматуры в связях и фундаментах производится согласно главе СНиП II-21-75. Площадь поперечного сечения выпусков принимается равной площади Поперечного сечения рабочей арматуры связей-распорок.

5.70. Поверхности замоноличенных бетоном шарнирных соединений дважды покрываются битумом вязкой консистенции с целью предохранения арматуры от коррозии при раскрытии трещин в бетоне.

5.71. С целью снижения усилий в связях-распорках промышленные здания размером в плане более 72 м, как правило, разделяются деформационными швами на отсеки и при необходимости устраиваются между подошвой фундаментов и подготовкой швы скольжения из двух слоев пергамина с прослойкой молотого графита. На подрабатываемых территориях I, I, к - III, к групп и сверхкатегорийных площадках длина промышленных зданий (отсеков) не должна превышать 48 м.

Рис. 53. Варианты конструктивного решения связей-распорок

a - верхние и нижние связи-распорки расположены по оси фундаментов; б - верхние связи-распорки расположены по оси ряда фундаментов нижние по краям фундаментов; в-верхние и нижние связи-распорки расположены соответственно, по краям стаканов и фундаментов; 1 - связи-распорки; 2- отверстия в коллонах и стенках фундаментов; 3 - стержни из арматуры в шарнире; 4 - ванная сварка арматурных выпусков; 5 -рабочая арматура связи-распорки в пролете; 6 - подготовка из легко сжимаемого материала; 7 - шарниры

5.72. Деформационные швы должны разделять смежные отсеки промышленного здания по всей высоте, включая фундаменты и кровлю.

5.73. В пределах здания (отсека) связи-распорки располагают на одной отметке путем заложения фундаментов на одинаковой глубине. При необходимости заглубления фундаментов на разных отметках их располагают в одном уровне, а разность заглублений заполняют бутовой кладкой или бутобетоном. Между подошвой фундаментов и подбуткой или подбетонкой выполняется шов скольжения. При этом плоскость шва скольжения должна быть тщательно выровнена. Отклонения размеров шва по вертикали допускаются не более 5 мм на 1 м длины шва.

5.74. Минимальное поперечное сечение связей-распорок принимается из условия расположения арматуры, но не менее 20´20 см. Увеличение поперечного сечения связей-распорок осуществляется, как правило, за счет их ширины. Высота сечения связей назначается в пределах 1/50 … 1/20 их расчетного пролета, который принимается равлым расстоянию между фундаментами в свету.

5.75. Расчет по прочности связей-распорок длиной до 12 м в свету рекомендуется производить на центральное растяжение или центральное сжатие. При этом значение коэффициента продольного изгиба принимается равным единице.

5.76. Нормативные значения модуля общей деформации, угла внутреннего трения и удельного сцепления грунтов должны устанавливаться на основе непосредственных определений в полевых или лабораторных условиях. Расчетные значения указанных характеристик грунта, необходимые для определения нагрузок, действующих на отдельно стоящие фундаменты от воздействия деформаций земной поверхности, принимаются согласно главе СНиП 2.02.01-83.

5.77. Усилия сжатия или растяжения в связях-распорках определяются по формуле:

                                                                                                         (50)

где Nε - равнодействующая сил, приложенных к отдельно стоящему фундаменту от воздействия горизонтальных деформаций земной поверхности

                                                                                          (51)

Ny - равнодействующая сил, приложенных к отдельно стоящему фундаменту при образовании уступа в основании

                                                                                         (52)

m - количество фундаментов отданного сечения до конца ряда фундаментов, через который не проходит центральная ось здания (отсека),

где NТe, NТ(у), Nб(e), Nб(у), NД(e), NД(у)e - величины сил трения грунта, действующих соответственно по подошве, боковым поверхностям и давление на лобовую поверхность 1-го фундамента.

Таблица 12

alb

5

3

2

1,5

1

0,66

0,5

0,33

0,2

ωz,i

1,22

1,13

1,09

1,07

1,06

1,07

1,09

1,13

1,22

ωx,i

0,53

0,53

0,53

0,53

0,50

0,45

0,42

0,37

0,29

5.78. Величина силы трения грунта, действующая по подошве фундамента при воздействии горизонтальных деформаций растяжения-сжатия земной поверхности NT(e), определяется по формуле:

                                                                   (53)

Величина силы трения, действующая по подошве фундамента при воздействии уступа в основании NТ(у), определяется по формуле:

                                                                   (54)

где NТ(пр) величина предельной силы трения от сдвигающегося грунта по подошве фундаментов, определяется по формуле:

                                                                                          (55)

Cx - коэффициент жесткости основания при сдвиге, определяется по формуле:

                                                                                 (56)

где FПi - площадь подошвы i-го фундамента;

Р - величина вертикальной нагрузки на основание;

wzi, wxi- коэффициенты, зависящие от соотношения сторон подошвы фундамента - где а - сторона подошвы фундамента  в направлении горизонтального сдвижения грунта или перпендикулярная линии прогнозируемого уступа в основании, принимаемые по табл. 12;

μГР - коэффициент Пуассона грунта, который допускается принимать по табл. 13;

Таблица 13

Наименование грунта

Консистенция грунта

Величина коэффициента Пуассона,mгр

Глины

Твердые и полутвердые

0,1-0,15

Тугопластичныс

0,2-0,25

Суглинки

Пластичные и тскучепластичные

0,3-0,4

Текучие

0,45-0,5

Супеси

Твердые и полутвердые

0,15-0,2 0,25-0,3

Пески

Тугопластичмые

0,2-0,25

Таблица 14

Наименование грунтов

Коэффициент ε пористости

Характеристика грунтов

α

β

υ

ψ

ξ

φ

Пески крупные и средней плотности

0,41-0,6

0,61-0,8

0.81-1,2

0,051

0,051

-

0,08

0,082

-

1,6

1,6

-

0,82

0,8

-

6,05

6,05

-

0,037

0,0379

-

Пески мелкие и пылеватые

0,41-0,6

0,61-0,8

0,81-1,2

0,051

0,087

-

0,057

0,094

-

1,7

1,6

-

0,89

0,87

-

6,43

6,05

-

0,0341

0,0349

-

Супеси

0,41-0,6

0,61-0,8

0,81-1,2

0,054

0,093

-

0,064

0,111

-

2

1,7

-

0,89

0,88

-

7,56

6,43

-

0,0341

0,0345

-

Суглинки

0,41-0,6

0,61-0,8

0,81-1,2

0,067

0,073

0,06

0,113

0,132

0,103

2,3

2,1

1,9

0,92

0,9

0,87

8,7

7,94

7,18

0,033

0,0337

0,0349

Глины

0,41-0,6

0,61-0,8

0,81-1,2

0,07

0,076

0,064

0,129

0,139

0,112

2,4

2,2

2

0,93

0,92

0,9

9,07

3,32

7,56

0,0326

0,033

0,0337

E0 - модуль общей деформации грунта;

σ0i- среднее нормативное давление под подошвой фундамента;

φp, cp- расчетные значения угла внутреннего трения и сцепления грунта;

υ, ψ , α, β- константы грунта, определяемые по табл. 14 hувысота уступа в основании:

hy-высота уступа в основании;

Dli- расчетное относительное горизонтальное перемещение грунта под фундаментом, определяемое по формуле:

                                                                                                                                (57)

nε, mε- коэффициенты перегрузки и условий работы, принимаемые по табл. 3 и 4 СНиП II-8-78;

ε0 - относительная горизонтальная деформация основания растяжения или сжатия по маркшейдерскому расчету;

εk - собственные деформации фундаментной связи-распорки от воздействия возникающих в ней напряжений, принимаемые εk = 1´10-3;

xi - расстояние от центральной оси здания отсека до оси фундамента.

Суммарная величина силы трения грунта, действующая по подошве фундамента при воздействии горизонтальных деформаций земной поверхности и при образовании уступа в основании должна удовлетворять условию

                                                                                                  (58)

В случаях, когда суммарная величина силы трения превышает предельную величину NТ(пр), величину NТ(у), следует определять по формуле:

                                                                                                 (59)

Таблица 15

Плотность кг/м3

Влажность %

tg φ3

Удельное сцепление грунта обратной засыпки кПа, при продолжительности эксплуатации сооружения до подработки, лет

1

2

3

4

6

8

10

>10

1650

10

0,938

32,7

34,6

35,9

36,5

37,2

37,7

37,9

41

20

0,548

12,7

13,2

13,5

13,7

13,8

14

14

15,4

30

0,238

8,7

8,9

9

9,1

9,3

9,3

9,3

10,2

1750

10

0,918

46,7

49,6

51,6

52,5

53,5

54,2

54,4

59,8

20

0,528

18,7

19,6

20,2

20,6

20,9

21,1

21,2

21,3

30

0,338

12,7

13,2

13,5

13,7

13,9

14

14

14,7

1850

10

0,848

67,7

72,1

74,4

75,1

78

79,1

79,4

87,3

20

0,508

28,7

30,3

31,4

32,0

32,5

32,9

33

36,3

30

0,218

15,7

16,4

16,9

17,1

17,4

17,5

17,6

19,4

1950

10

0,798

89,7

95,7

99,7

101,7

103,7

105,3

105,6

105,6

20

0,448

44,7

47,5

49,3

50,3

51,2

51,9

52,1

57,3

30

0,198

23,7

25

25,8

26,3

26,7

27

27,3

30

Примечания: 1. При совместном учете нагрузок на фундаменты от воздействия горизонтальных деформаций земной поверхности и образования уступа в основании величина Ng (у) не учитывается.

2. Промежуточные значения по вертикали и горизонтали табл. 15 определяют путем линейной интерполяции.

5.79. Величины сил трения от сдвигающегося грунта по боковым поверхностям фундамента Nб(пр), и Nб(у) определяются из условия предельного сдвига грунта по формуле:

                                                                                   (60)

где Fσi - площадь боковой поверхности i-ro фундамента; hПi - заглубление подошвы i-го фундамента; γ3 - плотность грунта засыпки к моменту подработки здания; φ3,C3-угол внутреннего трения и удельное сцепление грунта засыпки к моменту подработки здания принимается по табл. 15.

5.80. Величина силы бокового давления грунта, действующей по лобовой поверхности i-го фундамента от воздействия горизонтальных деформаций земной поверхности определяется по формуле:

                                                                    (61)

Рис. 54. Зависимость изменения коэффициента m от глубины грунтового массива h

Величина силы бокового давления грунта при образовании уступа в основании NД(у) определяется по формуле:

                                                                                (62)

где NД(пр) - предельная величина силы бокового давления грунта на i-й отдельно стоящий фундамент, определяется по формуле:

                                               (63)

Fлi; - площадь боковой поверхности i-го фундамента, воспринимающей боковое давление; р - константа грунта принимается для глинистых грунтов равной 2, для песчаных - 1,8; ξ, f - константы грунта, определяются по табл, 14; ωi- коэффициент формы, определяется по формуле:

                                                                                                                      (64)

hi - высота i-го фундамента;

* - приведенный модуль боковой деформации грунта, определяется по формуле:

                                                                                             (65)

Еб - модуль боковой деформации грунта, определяется по формуле:

                                                                                                                                                        (66)

n - коэффициент, учитывающий анизотропность механических свойств грунта при боковом и вертикальном давлении за счет особенностей природного сложения для лессовидных суглинков Донбасса, рацен 0,75;

m - коэффициент, учитывающий влияние изменяющихся по глубине деформативных свойств грунтового массива, ограниченного сверху горизонтальной незагруженной дневной поверхностью. Коэффициент т определяется по графику рис. 54, где h - расстояние от верха фундамента до равнодействующей бокового давления сдвигающегося грунта;

Е3 - модуль боковой деформации грунта обратной засыпки, определяется по формуле:

                                                                                                                    (67)

Таблица 16

Плотность кг/м3

Влажность %

Модули вертикальной деформации грунта обратной засыпки, EB3, МПа, при продолжительности эксплуатации сооружения до подработки, лет

1

2

3

4

6

8

10

>10

1650

10

6,3

7,6

8

8,4

8,8

9,1

9,1

9,1

20

3,6

4,3

4,6

4,8

5

5,2

5,2

5,2

30

1,4

1,7

1,8

1,9

2

2

2

2

10

8

9,6

10,2

10,6

11,2

11,5

11,5

11,5

1750

20

5,6

6,7

7,1

7,4

7,8

8,1

8,1

8,1

30

1,7

2

2,2

2,2

2,4

2,4

2,4

2,4

10

13,2

15,8

16,8

17,6

18,5

19

19

19

1850

20

7

8,4

8,9

9,3

9,8

10

10

10

30

2,5

3

3.2

3,3

3,5

3,6

3,6

3,6

10

22,8

27,4

29

30,3

31,9

32,8

32,8

32,8

1950

20

9,8

11,8

12,4

13

13,7

14,1

14,1

14,1

30

3,6

4,3

4,6

4,8

5

5,2

5,2

5,2

Примечание. Промежуточные значения по вертикали и горизонтали допускается определять путем линейной интерполяции.

EB3 - модуль вертикальной деформации грунта обратной засыпки, принимается по табл. 16; d3 - средняя ширина пазухи между фундаментом и стенкой котлована; Hi - условная длина зоны бокового обжатия грунта естественного сложения, определяется по формуле:

                                                                                                   (68)

 - приведены в табл. 17. Промежуточные значения по вертикали таблицы определяют путем линейной интерполяции;

В - величина, определяемая в зависимости от геометрических размеров фундамента и характеристик грунта;

                                                                                                            (69)

Суммарная величина силы бокового давления грунта при воздействии горизонтальных деформаций земной поверхности и при образовании уступа в основании должна удовлетворять условию

                                                                                                (70)

В случаях, когда суммарная величина силы бокового давления превышает предельную величину NД(пр), величину NД(у), следует определять по формуле:

                                                                                                (71)

Таблица 17

1,08´ξhy

1,08´ξhy

1,08´ξhy

1,08´ξhy

0,01

0,9901

0,48

0,6188

0,95

0,3867

1,42

0,2417

0,02

0,9802

0,49

0,6126

0,96

0,3829

1,43

0,2393

0,03

0,9704

0,50

0,6065

0,97

0,3791

1,44

0,2369

0,04

0,9608

0,51

0,6005

0,98

0,3723

1,45

0,2546

0,05

0,9522

0,52

0,5945

0,99

0,3716

1,46

0,2322

0,06

0,9418

0,53

0,5886

1,0

0,3679

1,47

0,2299

0,07

0,9324

0,54

0,5827

1,01

0,3642

1,48

0,2276

0,08

0,9231

0,55

0,5769

1,02

0,3606

1,49

0,2254

0,09

0,9139

0,56

0,5712

1,03

0,357

1,50

0,2231

0,10

0,9048

0,57

0,5695

1,04

0,3535

1,51

0,2209

0,11

0,8959

0,58

0,5559

1,05

0,3499

1,52

0,2187

0,12

0,8869

0,59

0,5543

1,06

0,3465

1,53

0,2167

0,13

0,8781

0,60

0,5488

1,07

0,343

1,54

0,2144

0,14

0,8694

0,61

0,5434

1,08

0,3396

1,55

0,2122

0,15

0,8607

0,62

0,5379

1,09

0,3362

1,56

0,2101

0,16

0,8521

0,63

0,5326

1,10

0,3329

1,57

0,208

0,17

0,8437

0,64

0,5273

1,11

0,3296

1,58

0,206

0,18

0,8353

0,65

0,5220

1,12

0,3363

1,59

0,2039

0,19

0,827

0,66

0,5169

1,13

0,323

1,6

0,2019

0,20

0,8187

0,67

0,5117

1,14

0,3198

1,61

0,1999

0,21

0,8106

0,68

0,5066

1,15

0,3166

1,62

0,1979

0,22

0,8025

0,69

0,5016

1,16

0,3135

1,63

0,1959

0,23

0,7945

0,70

0,4966

1,17

0,3104

1,64

0,194

0,24

0,7866

0,71

0,4916

1,18

0,3073

1,65

0,192

0,25

0,7788

0,72

0,4863

1,19

0,3042

1,66

0,1901

0,26

0.77U

0,73

0,4819

1,20

0,3012

1,67

0,1882

0,27

0,7634

0,74

0,4771

1,21

0,2982

1,68

0,1864

0,28

0,7558

0,75

0,4724

1,22

0,2952

1,69

0,1845

0,29

0,7483

0,76

0,4677

1,23

0,2923

1,70

0,1827

0,30

0,7408

0,77

0,4630

1,24

0,2894

1,71

0,1809

0,31

0,7334

0,78

0,4584

1,25

0,2865

1,72

0,1791

0,32

0,7261

0,79

0,4538

1,26

0,2837

1,73

0,1775

0,33

0,7189

0,80

0,4493

1,27

0,3808

1,74

0,1755

0,34

0,7118

0,81

0,4449

1,28

0,278

1.75

0,1738

0,35

0,7047

0,82

0,4404

1,29

0,2753

1,76

0,172

0,36

0,6977

0,83

0,436

1,30

0,2725

1,77

0,1703

0,37

0,6907

0,84

0,4317

1,31

0,2698

1,78

0,1686

0,38

0,6839

0,85

0,4274

1,32

0,2671

1,79

0,167

0,39

0,6771

0,86

0,4232

1,33

0,2645

1,8

0,1653

0,40

0,6703

0,87

0,4190

1,34

0,2616

1,81

0,1636

0,41

0,6637

0,88

0,4148

1,35

0,2592

1,82

0,162

0,42

0,657

0,89

0,4107

1,36

0,2567

1,83

0,1604

0,43

0,6505

0,90

0,4066

1,37

0,2541

1,84

0,1588

0,44

0,644

0,91

0,4025

1,38

0,2516

1,85

0,1572

0,45

0,6376

0,92

0,3985

1.39

0,2491

1,86

0,1557

0,46

0,6313

0,93

0,3946

1,40

0,2466

1,87

0,1541

0,47

0,625

0,94

0,3906

1,41

0,2441

1,88

0,1528

1,89

0,1511

1,94

0,1437

1,99

0,1367

2,4

0,0907

1,9

0,1496

1,95

0,1423

2

0,1353

2,5

0,0821

1,91

0,1481

1,96

0,1409

2,1

0,1225

2,6

0,0743

1,92

0,1466

1,97

0,1395

2,2

0,1108

2,7

0,0662

1,93

0,1451

1,98

0,1381

2,3

0,1003

2,8

0,0608

Примечания: 1. При устройстве фундаментов враспор со стенками котлована физические характеристики грунта γ, с и φ следует принимать для грунта ненарушенной структуры. При этом d3= 0.

2. Если в проекте производства работ по устройству фундаментов нет специальных оговорок, то в расчетах размер пазухи засыпки допускается принимать 0,4 м.

Усилия в нижних Nнс и верхних NВс  связях-распорках при устройстве их в двух уровнях определяются по формулам: в нижних связах-распорках

                                                           (72)

в верхних связях-распорках

                                                           (73)

где lB - расстояние от верхнего обреза фундамента до нейтральной оси верхней связи-распорки; lH - расстояние от подошвы фундамента до нейтральной оси нижней связи-распорки;

α - угол наклона связи-распорки к фундаменту при неравномерных оседаниях основания определяется по формуле:

                                                                                                       (74)

L - расстояние между осями фундаментов; Dук - разность оседаний фундаментов от воздействия кривизны земной поверхности, определяется по формуле: (2) СНиП II-8-78; n - коэффициент перегрузки, принимается по табл. 3 СНиП II-8-78.

При устройстве под отдельно стоящими фундаментами швов скольжения равнодействующая сил равна:

                                                                                             (75)

где NшТi - величина сил трения по шву скольжения i-ro фундамента, определяется по формуле:

                                                                                                                    (76)

k - коэффициент трения по шву скольжения, принимается по табл. 5 СНиП II-8-78;

Nшбi - величина силы трения от сдвигающегося грунта по боковым поверхностям i-го фундамента, определяется по формуле: (60), в которой величина hПi; принимается до отметки шва скольжения;

NшДi - величина силы бокового давления от сдвигающегося грунта на i-й фундамент, определяется по формулам (61-63), в которых величина hПi; принимается до отметки шва скольжения.

ПРИМЕРЫ РАСЧЕТА

Пример расчета I

Схема поперечной рамы и действующая система нагрузок представлены на рис. 55

Исходные данные

Ожидаемые деформации земной поверхности:

относительные горизонтальные деформации растяжения ;

радиус кривизны выпуклости R=12´103м;

общий крен здания i=5´10-3;

модуль деформации основания Er=15МПа; коэффициент Пуассона mr=0,36

Высота колонн hk=10,95 м, высота надкрановой части hB=4,2 м. Сечение надкрановой части колонн b´dB=0,5´0,6 м, подкрановой части -b´dн=0,5´0,8м. Коэффициент армирования сечений надкрановой части mа=m¢а=0,006, расстояние между центрами тяжести рабочей арматуры zав=0,52 м.

Рис. 55. Расчетная схема поперечной рамы

Коэффициент армирования сечений подкрановой части mа=m¢а=0,007, расстояние между центрами тяжести рабочей арматуры zан=0,72 м. Толщина защитного слоя а = 0,04 м. Марка бетона М 300, продольная рабочая арматура класса А-III.

Вертикальная нагрузка на крайние колонны Р=650 кН; Р= 380 кН; Р=230 кН.

Размер подошвы фундаментов для крайних и средних колонн bф´dф=3,5´4,0 м, коэффициент формы wф=1,91. Высота фундаментов hф=1,8 м. Вертикальная нагрузка на среднюю колонну Р=1250 кН, Р=550 кН (величины с индексами «п», «л», и «с», относятся к правой, левой и средней колоннам соответственно).

Расчет рамы при мгновенном задании нагрузок

Находим жесткостные характеристики колонн по формулам;

,

Для надкрановой части колонн:

Для подкрановой части колонн аналогично:

Определим коэффициенты β

Следовательно, расчет ведем с учетом продольно-поперечного изгиба колонн:

Определяем податливость основания под подошвой фундаментов:

Единичный момент колонн

В нашем случае , тогда

Определим все необхрдимые характеристики и коэффициенты для расчета рамы:

Определим реакции в уровне верха колонн плоской рамы основной системы при единичном смещении основания в соответствии с п. 5.55:

Определяем реакции в уровне верха колонн плоской рамы основной системы:

1. От действия момента, приложенного в верхней части колонны

2. От действия момента, приложенного к колонне в уровне консоли подкрановой части:

3. От действия горизонтальной равномерно распределенной нагрузки на колонну:

4. От действия поперечной силы торможения крана:

5. От действия сосредоточенной горизонтальной ветровой нагрузки:

6. От действия горизонтальных сдвижений основания:

7. От поворота основания при кривизне выпуклости:

8. От крена здания на мульде сдвижения:

где mтк определяется по формуле: (26) при lТ=l. Тогда

Учитывая, что расчет производится на особое сочетание нагрузок, величины кратковременных нагрузок (крановых, ветровых) или соответствующих им реакций необходимо умножить на коэффициент 0,8. Предположим также, что отдельные виды деформаций земной поверхности достигают своих максимальных значений одновременно и вызывают в конструкциях усилия одного знака. Тогда на основании п. 5.5 СНиП II-8-78 реакции или усилия определяются по формуле:

Вышеуказанные положения учитываются в дальнейшем при определении усилий в элементах поперечной рамы.

Определим сумму реакция верха колонн плоской рамы от нагрузки, кН:

Определим горизонтальное перемещение ригеля плоской рамы от нагрузок, м:

Определим величины упругих реакций в уровне верха колонн:

Определим моменты в опорных сечениях надкрановых и подкрановых частей колонн, кНм:

Мсв = (27+5,23) 4,2 + 0,3836´0,0778´1250 = 175 кНм;

Определим предельные моменты в сечениях при работе колонн в упругой стадии

где Rp = 1 МПа для бетона марки М300, Fпр, Wпр - приведенные площади и моменты сопротивления сечений колонн.

Для надкрановой части левой и правой колонн:

То же для средней колонны:

Для подкрановой части средней колонны:

Для подкрановой части правой колонны:

Расчеты показывают, что:

  

Следовательно, левая и средняя колонны работают в упруго-пластической стадии (с образованием трещин в сечениях колонн).

Определение жесткости сечений колонн по действующим усилиям.

Для левой колонны:

Решим уравнения:

Для средней колонны:

Определяем все необходимые величины по вышеприведенным формулам

Для правой колонны жесткости сечений остаются прежними, как при упругом расчете. Выполняем повторный расчет рамы с новыми жесткостными характеристиками колонн. Задача сводится к многократному расчету с уточнениями жесткостей в процессе последовательных приближений. Практически достаточно выполнить трехкратный расчет рамы. За расчетные величины моментов при мгновенном приложении нагрузок принимаем средние значения предпоследнего и последнего этапов расчета рам. Результаты расчетов сведены в таблицу 18.

Таблица 18

Этапы расчета

Упругие реакции верха колонн, кН

Изгибающие моменты в опорных сечениях колонн, кНм

левой

средней

правом

левой

средней

правой

Упругий

5

27

22

261

945

175

518

16,8

136

I

29,3

35,2

5,9

174

782

222

655

67

366

 

II

25,6

33,1

7,5

194

788

227

669

44

300

III

25,8

32,9

7,1

180

732

213

635

62,4

351,2

Среднее значение II и III этапов

25,7

33

7,3

187

760

220

652

53,2

325,6

Примечание. Величины над чертой - моменты в опорных сечениях надкрановой части колонн, под чертой моменты в опорных сечениях подкрановой части колонн.

Расчет рамы при длительном приложении нагрузок

Определим жесткости сечений колонн на основе полученных усилий при мгновенном приложении нагрузок. В расчетах принята характеристика ползучести бетона φt= 1,2 (а1 = 2,2; а2 = 0).

Для левой колонны:

Определяем жесткости сечений при работе колонны в упругой стадии.

Учитыаая, что по условию а2 = 0, жесткость при длительном задании нагрузок определяем по формуле:

где:

; 

;

;

Определим горизонтальное перемещение ригеля плоской рамы от нагрузок:

Результаты расчета необходимо сравнить с предельными усилиями при работе конструкций в стадии образования трещин в растянутой зоне бетона. Определим предельные моменты в сечениях колонн в соответствии с требованиями главы СНиП II-21-75:

Предельные моменты определим по формуле:

Для надкрановой части крайних колонн:

Для надкрановой части средних колонн:

Для подкрановых частей колонн:

Так как соблюдается условие М < [М], то усиление колонн не требуется.

Пример расчета 2

Исходные данные

Здание прямоугольной формы в плане (36´60 м) со сборным железобетонным каркасом с пролетами по 18 м и шагом колонн 12 м. Размер отдельно стоящих фундаментов понизу 2,5´3 м, высота - 1,6 м (рис. 56). Нагрузка на колонну - 1200 кН. Район строительства - Донбасс. Грунты в основании - суглинки, характеризующиеся следующими физико-механическими свойствами:

плотность грунта - γ0=1950 кг/м3;

природная влажность грунта - W=18,5 %;

коэффициент пористости - ε=0,646;

коэффициент Пуассона - μ=0,36;

модуль деформации грунта - E0=22 МПа;

удельное сцепление грунта - Ср=40 КПа;

угол внутреннего трения - jр=22°.

Рис. 56. Схема продольного ряда фундаментов

Ожидаемые величины деформаций земной поверхности при отработке угольных пластов достигнут следующих величин:

относительные горизонтальные

деформации земной поверхности - ε = 3,1´10-3;

величина уступа - hy=0,2 м.

Продолжительность эксплуатации объекта до подработки 5 лет.

Определение усилий в фундаментных связях-распорках

Боковые и лобовые поверхности, а также площадь подошвы фундамента составляют:

Среднее нормативное давление на грунт в уровне подошвы фундаментов:

Соотношение сторон подошвы столбчатых фундаментов:

Коэффициенты, зависящие от соотношения сторон подошвы фундаментов (табл. 12):

Константы грунта при коэффициенте пористости ε = 0,646 (табл. 14):

Определяем расчетные перемещения грунта под фундаментами здания по формуле: (57):

Находим коэффициент жесткости основания по формуле: (56):

Определяем предельную силу трения сдвигающегося грунта по подошве фундаментов по формуле: (55):

Определяем силы трения сдвигающегося грунта по подошве фундаментов по формулам (53), (54):

Аналогично:

Определяем силу трения сдвигающегося грунта по боковым поверхностям фундаментов по формуле: (60).

Грунт обратной засыпки характеризуется следующими данными (табл. 15) при плотности

Определяем силы бокового давления сдвигающегося грунта на фундаменты.

Константы грунта суглинка при коэффициенте пористости.

 (табл. 14):

.

Коэффициент формы фундамента:

.

Модуль боковой деформации грунта определяется по формуле: (66):

.

Модуль боковой деформации грунта обратной засыпки - по формуле: (67): .

Средняя ширина пазух между фундаментами и стенками котлована d3 = 0,5 м. Условная ширина зоны бокового обжатия грунта естественного сложения определяется по формуле: (68):

Приведенный модуль боковой деформации грунта находим по формуле: (65):

Величина предельной силы бокового давления грунта определяется по формуле: (63):

Определяем величину В по формуле: (69):

Величина силы бокового давления грунта на фундаменты определяется по формулам (61), (62), (70), (71):

Аналогично:

.

Определяем суммарные усилия в фундаментных связях-распорках по формуле: (50):

.

Учитывая, что площадка строительства относится к l, к группе подрабатываемых территорий, связи-распорки устанавливаем в двух уровнях.

Угол наклона связей-распорок к фундаменту определяем по формуле (74).

Усилия в нижних и верхних связях определяем по формулам (72), (73):

Аналогично:

Пример расчета 3

Исходные данные приняты, согласно примеру 2, без учета в прогнозируемых деформациях земной поверхности величины уступа.

Величины сил трения от сдвигающегося грунта по подошве NТ(e) по боковым поверхностям Ns(e) и лобовой поверхности NU(e)определены ранее в примере 2.

Определяем суммарные усилия в фундаментных связях-распорках по формуле: (50):

Учитывая, что в этом случае площадка строительства относится к IV группе подрабатываемых территорий, связи-распоркн устанавливаем в одном уровне.

ПОДКРАНОВЫЕ КОНСТРУКЦИИ

Определение влияния деформаций земной поверхности на подкрановые конструкции промышленных зданий.

5.81. Для обеспечения нормальной работы мостовых кранов при подработке промышленных зданий следует предусматривать возможность рихтовки подкрановых конструкций. При этом должны соблюдаться установленные габариты приближения кранового оборудования к элементам промышленного здания и наклон подкрановых путей.

Минимальное значение габарита приближения мостового крана к пролетным конструкциям составляет 100 мм, к колоннам (пилястрам) - 60 мм.

Наклон подкрановых путей мостовых кранов при подработке промышленных зданий не должен превышать следующих предельных величин:

                                                                                                                 (77)

5.82. За расчетный наклон подкранового пути, обусловленный деформациями земной поверхности, принимается большее из значений, полученных по формулам:

                                                                                                                                         (78)

                                                                                                                                                          (79)

где nk, ni, mk, mi - коэффициенты перегрузки и условий работы определяются по табл. 3, 4 СНиП II-8-78; lП - длина подкранового пути или ширина пролета промышленного здания, м; R - ожидаемый радиус кривизны земной поверхности, м; i - ожидаемый наклон земной поверхности, мм/м; ki - коэффициент, равный 0,5, для подкранового пути в продольном направлении (m - 1) - в поперечном направлении, где m - количество пролетов в раме.

Расчетный наклон подкранового пути должен удовлетворять условию

                                                                                                                         (80)

5.83. При расчете поперечных рам промышленных зданий с мостовыми кранами необходимо сравнивать расчетные и предельно допустимые величины изменения ширины колеи подкранового пути.

Расчетное изменение ширины колеи подкранового пути должно удовлетворять условию

                                                                                                               (81)

5.84. Габарит приближения Гв кранового оборудования к пролетным конструкциям здания с учетом неравномерных оседаний земной поверхности необходимо проверять по формуле:

                                                                                                            (82)

где δВ - расчетное значение разности оседаний крайних опор подкранового пути, мм.

Габарит приближения мостового крана к колоннам Гг с учетом деформаций земной поверхности при рихтовке обоих подкрановых путей должен удовлетворять неравенству

                                                                                                        (83)

где δП - расчетное изменение ширины колеи подкранового пути, мм.

5.85. Расчетное изменение ширины колеи подкранового пути мостового крана бп для многопролетных рам с шарнирно-неподвижным опиранием пролетных конструкций на колонны определяется по формуле:

                                                                                 (84)

где mε и nε - коэффициенты, определяемые по табл. 3, 4 СНиП II-8-78; e - ожидаемая величина относительных горизонтальных деформаций растяжения-сжатия земной поверхности; хn, xn-1- расстояния от осей n-й (n - 1) колонны до центральной оси поперечной рамы промышленного здания; Hn, Hn-1- расстояния от подошвы фундаментов или шарнирных опорных узлов колонн до низа пролетных конструкций; hn, hn-1- расстояния от головки подкрановых рельсов до низа пролетных конструкций.

Для однопролетных рам и среднего пролета многопролетных рам расчетное изменение ширины колеи подкранового пути определяется по формуле:

                                                                                     (85)

где hл и hn - расстояние от головки подкрановых рельсов до опор пролетных конструкций левой и правой колонны; Hл и Hn - расстояния от подошвы фундаментов или шарнирных опорных узлов левой и правой колонны до опор пролетных конструкций.

5.86. При больших расчетных изменениях ширины колеи подкранового пути мостового крана δп > 30 мм, когда рихтовку подкрановых путей в горизонтальной плоскости предполагается выполнить за счет смещения подкрановых балок, необходимо учитывать влияние эксцентриситета крановой нагрузки на расчетные усилия в колоннах. При смещении подкрановых балок по обеим рядам колонн эксцентриситет крановой нагрузки определяется по формуле:

                                                                                            (86)

5.87. Подкрановые балки и узлы сопряжения их с колоннами должны быть рассчитаны с учетом воздействия дополнительного распора Нбп, определяемого по формуле:

                                                                                                              (87)

где RПi - реакция от изгиба i-й колонны в уровне низа подкрановой балки, определяемая по формуле: (39);

m - количество колонн от ближайшего конца отсека (здания) до рассматриваемой подкрановой балки.

6. КАРКАСНО-ПАНЕЛЬНЫЕ ЗДАНИЯ

КОНСТРУКТИВНЫЕ РЕШЕНИЯ

6.1. Каркасно-панельные здания проектируются, как правило, в сборном железобетоне. Сборные железобетонные конструкции назначаются в соответствии с действующими типовыми сериями индустриальных изделий или их региональными модификациями.

Рис. 57. Конструкция деформационных швов

а - постановка парных рам при наличии связей-распорок между фундаментами; б - то же при отсутствии связей-распорок; в - с применением подвижных опираний балок; 1 - колонна; 2 - фундамент; 3 - связь-распорка; 4 - балка (ригель); 5 - деталь креплегия с овальным вырезом; 6 - шов скольжения

6.2. Каркасно-панельные здания следует проектировать по связевым схемам. Допускается применение рамно-связевых и рамных систем. Выбор конструктивной системы должен определяться с учетом соответствующих обоснований.

6.3. Пространственная устойчивость каркасно-панельных зданий обеспечивается защемлением колонн в фундаментах, постановкой вертикальных железобетонных диафрагм жесткости и омоноличиванием дисков сборных железобетонных перекрытий. В качестве ядер жесткости могут использоваться выполненные в монолитном железобетоне лестничные клетки.

6.4. Основным конструктивным мероприятием по защите от влияния горных выработок является разделение каркасно-панельных зданий на отсеки. Длина отсека определяется несущей способностью конструктивных элементов и назначается кратной шагу поперечных рам.

6.5. Деформационные швы между отсеками устраиваются постановкой парных рам, смещенных относительно разбивочной оси. Устройство деформационных швов путем применения подвижных опираний балок допускается при обеспечении расчетных горизонтальных реакций в подвижных опорах (рис. 57).

6.6. При проектировании каркасно-панельных зданий в виде рамно-связевых систем жесткие рамы следует ориентировать по направлению поперечных осей (короткая сторона здания). В качестве связей в продольном направлении используются плиты-распорки, узлы сопряжения которых при необходимости усиливаются установкой в продольные швы арматурных каркасов с последующим замоноличиванием.

6.7. На подрабатываемых территориях IV группы рекомендуется применять короткие рамные поперечники (до 18 м) без дополнительных конструктивных элементов (рис. 58, а, б). При этом в отдельных случаях может потребоваться незначительное усиление несущих конструкций дополнительной арматурой.

Продольные связевые рамы при горизонтальных деформациях до 2 мм/м, как правило, могут проектироваться без дополнительных конструктивных элементов (рис. 58, в). Существенное влияние на величину дополнительных усилий оказывает их гибкость и податливость основания. В связи с этим в качестве защитных мероприятий может быть использовано искусственное понижение жесткости основания и увеличение гибкости стоек.

6.8. В тех случаях, когда несущая способность колонн недостаточна для восприятия усилий, вызванных деформациями земной поверхности, и усиление колонн или уменьшение длины отсека нецелесообразно, рекомендуется между фундаментами предусматривать связи-распорки, тонкие железобетонные плиты или устраивать фундаменты в виде перекрестных балок, балок-стенок или сплошных плит.

Для уменьшения усилий в фундаментных связях-распорках и тонких плитах следует устраивать под стаканами отдельно стоящих фундаментов и плитами швы скольжения (рис. 58, г, д). Толщину тонкой железобетонной плиты, устраиваемой под фундаментами (рис. 58, д), следует принимать 100-150 мм с армированием в двух направлениях и обрывом стержней по мере удаления от центра отсека к крайним колоннам. На скальных основаниях под бетонной подготовкой рекомендуется устраивать песчаную подушку толщиной не менее 200 мм.

6.9. Уменьшение напряжения в фундаментных балках (плитах) может быть достигнуто устройством шва скольжения в месте опира-ния их на фундаментные подушки (бетонную подготовку) и постановкой диафрагм жесткости в уровне цокольного этажа (рис. 58, е).

6.10. Фундаменты каркасно-панельных зданий следует проектировать сборными железобетонными. Допускается также применение монолитных и сборно-монолитных фундаментов. Основными типами фундаментов для пятиэтажных зданий являются отдельно стоящие. Фундаменты в виде сплошных железобетонных плит или системы балок (балок-стенок) рекомендуется применять для зданий повышенной этажности при слабых неоднородно сжимаемых грунтах.

6.11. При армировании жестких узлов рам (рис. 59) следует предусматривать постановку косых стержней или более частое расположение поперечной арматуры; в крайних узлах рам анкеровку продольной арматуры ригеля осуществлять с помощью анкерных пластин с раззенковкой отверстий и приваркой концов стержней к пластине.

6.12. Армирование вертикальных диафрагм необходимо назначать с учетом горизонтальных нагрузок, возникающих от крена здания, обусловленного прохождением выработок.

Рис. 58. Конструктивные схемы многоэтажных каркасных зданий

1 - шов скольжения; 2 - фундаментные связи-распорки; 3 - бетонная подготовка; 4 - тонкая ж/б плита; 5 - фундаментная балка; 6 - фундаментные подушки; 7 - диафрагмы жесткости в уровне цокольного этажа; 8 - деформационный шов; 9 - блок жесткости

Рис. 59. Армирование жестких узлов рам

1 -отгибы рабочей арматуры; 2 - поперечная арматура; 3 - стержни пространственного каркаса; 4 - металлическая пластина

6.13. Армирование колонн каркаса, фундаментных связей-распорок следует предусматривать, как правило, симметричным.

Высота фундаментных балок принимается 1-2,5 м. Рекомендуется изготовлять их из монолитного железобетона с маркой бетона не ниже М200. Армирование предусматривать симметричным.

6.14. В качестве ограждающих конструкций каркасно-панельных зданий необходимо, как правило, использовать навесные облегченные (плотностью до 1200 кг/м3) панели с податливым креплением их к колоннам и упругой заделкой вертикальных и горизонтальных швов (рис. 60).

Рис. 60. Узлы податливого крепления ограждающих конструкций

1- плоская стеновая панель; 2 - колонна; 3 - пристенная плита перекрытия (ригель); 4 - деталь крепления с овальным вырезом; 5 - болт с уплотнительной шайбой

Рис. 61. Заполнение деформационных швов

а - устройство парных стен; б - устройство переходных галерей; в - заполнение зазоров упругим теплоизоляционным материалом (доборные плиты-вставки); 1 - колонна; 2 - парные стены; 3 - переходные галереи; 4 - отсек здания; 5 - стеновые панели; 6 - нательники; 7 - упругий теплоизоляционный материал; 8 - шов скольжения; 9 - детали крепления с овальным вырезом и фиксирующим стержнем; 10 - ригель; 11 -плита перекрытия

6.15. Внутренние стены и перегородки соединяются с наружными стенами или колоннами податливыми связями. Заполнение оконных проемов необходимо по всему контуру отделять от стеновых конструкций упругими прокладками.

6.16. При проектировании заполнений деформационных швов необходимо учитывать следующие требования:

если смежные отсеки не связаны между собой функционально (например, секции жилых зданий), деформационный шов необходимо проектировать по аналогии с бескаркасными зданиями, т.е. путем устройства в месте шва парных поперечных стен (рис. 61, а);

при необходимости сообщений между отсеками могут рекомендоваться короткие переходы типа однопролетных галерей с устройством шва скольжения на одной из опор (рис. 61, б);

при необходимости устройства деформационного шва в пределах функционально неразделимого помещения рекомендуется проектировать зазоры в ограждающих конструкциях, заполняемые упругим теплоизоляционным материалом и перекрываемые с наружной и внутренней стороны нащельниками, а также доборные плиты-вставки с одной неподвижной и противоположной скользящей опорами (рис. 61, в).

УКАЗАНИЯ ПО РАСЧЕТУ ЗДАНИЙ НА ВОЗДЕЙСТВИЕ ДЕФОРМАЦИЙ ЗЕМНОЙ ПОВЕРХНОСТИ

6.17. Расчет каркасно-панельных зданий, проектируемых на территориях, под которыми предполагается проведение горных разработок, производится на основании следующих допущений:

защемление фундаментов в грунте основания принимается податливым;

перемещения грунта основания, вызванные горными разработками, считаются статически приложенными;

для системы «каркас-основание» соблюдаются условия совместности перемещений на контакте (условие контактной задачи). Не допускается производить расчеты рамных конструкций на воздействие деформаций земной поверхности методами предельного равновесия.

6.18. Расчетная схема здания без дополнительных конструктивных элементов (см. рис. 58, а, б) представлена рамой на упругих опорах. Связевые и рамно-связевые каркасы расчленяются на отдельные плоские поперечные и продольные рамы. Жесткие в двух направлениях рамные каркасы при расчете их на пространственные деформации земной поверхности (при расположении под углом более 20° к главным осям мульды сдвижения) рассматриваются как пространственные системы.

6.19. Каркасы, проектируемые на ленточных фундаментах (см. рис. 58, е), в расчетах представляются рамами на упругом основании. Такие рамы рассчитываются только на вертикальные перемещения и общий крен здания. Сами ленты дополнительно рассчитываются на силовые факторы, обусловленные горизонтальными перемещениями основания.

Рис. 62. Расчетная схема в виде эквивалентной балки, моделирующей податливость основания

6.20. Жесткостные характеристики железобетонных сечений рекомендуется определять с учетом пластической работы арматуры и образования трещин в бетоне по рекомендациям инструктивно-нормативных документов на проектирование железобетонных конструкций. В предварительных расчетах допускается вычислять жесткости по моменту инерции геометрического сечения и модулю упругости бетона с коэффициентом 0,5. Жесткостные характеристики металлических элементов в предварительных расчетах определяются по моменту инерции и модулю упругости материала.

6.21. Для расчетов рам зданий на подрабатываемых территориях на воздействия сдвигающегося грунта следует использовать расчетные схемы опор в виде эквивалентных по жесткости балок или стержней. При использовании эквивалентных балок деформации оснований под i-м фундаментом задаются перемещением опор этих балок (рис. 62). Характеристики эквивалентных балок определены по формулам:

                                                                                                                                                       (88)

                                                                                                                                               (89)

где li - длина эквивалентной балки; [EI]li- ее жесткость; In - момент инерции подошвы фундамента; а - сторона подошвы фундамента в направлении поворота; Cz - коэффициент жесткости основания, определенный по формуле:

                                                                                                  (90)

где Егр- модуль деформации грунтов основания; FП - площадь подошвы фундамента; μГР- коэффициент Пуассона грунта основания; wz - коэффициент формы фундамента, величина которого в зависимости от отношения размеров сторон подошвы фундамента определяется по табл. 12.

6.22. Формула перемещений для стержня эквивалентной жесткости (рис. 63) при расчете рамы методом сил имеет вид

                                                                             (91)

где Мi(j)х, Мi(j)у, Ni(j) - изгибающие моменты и продольная сила в i(j) загружении основной системы на уровне стержня эквивалентной жесткости.

Рис. 63. Расчетная схема рамы на упругих опорах

1- абсолютно жесткие встазки (фундаменты); 2- стержни эквивалентной жесткости

Погонные жесткости эквивалентного стержня, входящие в выражение (91), вычисляются по следующим формулам:

                                                                                                                 (92)

                                                                                                                 (93)

                                                                                                                   (94)

где Ixп, Iyп - моменты инерции подошвы фундамента.

Формула (91) не учитывает деформации равномерного и неравномерного сдвига грунта, которые практически не влияют на величину усилий в рамах.

Перемещения основания под фундаментом относятся к верхнему сечению стержней эквивалентной жесткости.

При расчете рам методом перемещений следует пользоваться табл. 19, в которой приведены формулы для определения усилий в стойке первого этажа от деформационных воздействий с учетом податливости основания.

6.23. Учитывая, что воздействия от подработки являются прямо- или кососимметричными, при расчете симметричных каркасов намечаются следующие упрощения. Рассматривается половина плоской рамы, элементы которой в местах по оси симметрии имеют закрепления, препятствующие перемещениям по направлению прямо-симметричных усилий, когда производится расчет на воздействие горизонтальных деформаций и искривление основания (рис. 64), или закрепления, препятствующие перемещениям по направлению кососимметричных усилий, при расчете на пространственные воздействия (деформации земной поверхности, рис. 64, б). В частном случае при расчете связевой рамы могут рассматриваться отдельные стойки, закрепленные от горизонтальных перемещений в уровне перекрытий.

При расчете пространственной рамы на воздействие пространственных деформаций земной поверхности рассматривается ее четвертая часть, элементы которой в местах разреза плоскостями симметрии имеют закрепления, препятствующие перемещениям по направлению кососимметричных усилий (рис. 64, в).

6.24. При вычислении величины воздействий от подработки следует учитывать, что отдельные виды перемещений основания под фундаментами могут не вызывать усилий в элементах каркаса, если его конструкции являются податливыми по отношению к этим перемещениям. Так, например, в связевых рамах не учитываются усилия от вертикальных перемещений основания, а также от поворотов основания при наличии пластического шарнира в месте сопряжения стойки с фундаментом и т.п.

6.25. При расчете рам на горизонтальные перемещения и повороты основания под фундаментами допускается рассматривать двухэтажную раму (1 и 2-й этажи), предполагая, что в вышележащих этажах дополнительные усилия будут равны нулю.

Таблица 19

Схема стержня и воздействий

Эпюра изгибающих моментов

Величины усилий

1

2

3

Обозначения:; ;

if - по формулам 92, 93

Рис. 64. Расчетные схемы симметричных каркасов

6.26. Вертикальные диафрагмы жесткости при расчете рам каркасов учитываются как элементы бесконечной жесткости.

6.27. Рамы, включающие элементы, локализующие влияние горизонтальных перемещений основания, являются жесткими по отношению к этим перемещениям. Усилия от указанных видов перемещений в элементах рам принимаются равными нулю. Конструктивные элементы, локализующие влияние горизонтальных перемещений (фундаментные связи-распорки, тонкие плиты), рассчитываются на восприятие продольных сил, приложенных центрально.

6.28. Рамы на упругом основании (каркасы с ленточными фундаментами) допускается рассчитывать как рамы на упругих опорах согласно расчетной схеме, приведенной на рис. 65.

Таблица 20

Схема элемента и воздействия

Эпюра изгибающих моментов

Величины усилий

1

2

3

4

5

Обозначения: ; ; iz - по формуле: 94

Перемещения стержней эквивалентной жесткости в случае применения метода сил вычисляются по формуле:

                                                                                                                                                   (95)

                                                                                                                                                           (96)

где b - ширина подошвы фундамента; а - расстояние между стержнями эквивалентной жесткости.

При расчете рам на упругом основании методом перемещений следует пользоваться таблицей, в которой приведены усилия в элементе ленточного фундамента от деформационных воздействий (табл. 20).

6.29. Расчет элементов каркаса на горизонтальные силы W, обусловленные наклонами земной поверхности i, производится по аналогии с расчетом на ветровые нагрузки. При этом допускается основание принимать абсолютно жестким. В связевых рамах усилия от горизонтальных сил W воспринимаются конструкциями блока жесткости.

Воздействие наклонов земной поверхности во всех случаях учитывается введением поэтажных горизонтальных сил, величина которых определяется по формуле:

                                                                                                    (97)

Рис. 65. Расчетная схема каркаса на ленточных фундаментах

Рис. 66. Геометрические и жесткостные характеристики рамы

где ip - расчетная величина кренов земной поверхности; Рн, Qн - соответственно нормативные величины временной длительной и постоянной нагрузок, приходящихся на раму в уровне перекрытия рассматриваемого этажа.

Примечание. При определении кренов зданий повышенной этажности с учетом влияния горных выработок необходимо учитывать деформационные свойства основания.

6.30. Распределение горизонтальных нагрузок между элементами каркаса и поддерживающей системой (вертикальными диафрагмами жесткости) ориентировочно допускается производить пропорционально их деформативности (перемещениям от единичной горизонтальной нагрузки).

ПРИМЕРЫ РАСЧЕТА

Пример 1. Необходимо определить усилия в поперечной раме каркаса от воздействия деформаций земной поверхности. Геометрические и жесткостные характеристики рамы приведены на рис. 66. Шаг поперечных рам 6 м.

Вертикальные нормативные нагрузки: собственная масса конструкций покрытия и перекрытия 4000, временная длительная нагрузка на перекрытие 10 000 Н/м2.

Грунтовые условия: Е = 39 000 кН/м2, jн=21°, jр=25°, сн=0,035 МПа, ср=0,04 МПа, mгр=0,35.

Условия подработки: e=5´10-3; R = 7 км; i=7´10-3.

Определяем перемещения основания под крайними фундаментами рамы по формулам (1), (4), (5) СНиП II-8-78:

Горизонтальные нагрузки от крена здания:

в уровне покрытия Qн=288 кН, rн=0; ; в уровне перекрытия ; ;.

Расчет выполняем методом перемещения. Погонные жесткости стержней приведены на рис. 66.

Вычисляем константы

Основная система расчета представлена на рис. 67.

Учитывая симметрию рамы и симметрию воздействий, расчету подвергаем половину рамы.

На рис. 68, в приведены эпюры изгибающих моментов в основной системе от единичных поворотов узлов и перемещений грунта под крайним фундаментом. При вычислении величин усилий в стойке первого этажа использованы формулы табл. 19. Например, момент в верхнем сечении от горизонтального перемещения Δl = 0,036 м.

 и т.д.

Коэффициенты канонических уравнений:

;

;

.

Грузовые коэффициенты:

горизонтальные деформации R=0, Rр= -0,0278i;

вертикальные перемещения R=0,00597i, R=0,01765i;

повороты основания R=0; R=-0,0023i

Решая систему канонических уравнений методом перемещений 12,64z1+3z2=0; 3z1+29,09z2=0,0278, получим:

горизонтальные перемещения z1=-0,232´10-3; z2=0,98´10-3

вертикальные перемещения z1=-0,336´10-3; z2=-0,572´10-3

повороты основания z1=-0,0193´10-3; z2=0,081´10-3.

Суммируя эпюры от фактических поворотов узлов и соответствующих воздействий, получим окончательные эпюры изгибающих моментов в раме от горизонтальных деформаций, вертикальных перемещений и наклонов основания, которые приведены на рис. 69.

Там же показана эпюра от горизонтальных сил W, вызванных общим креном здания, которая построена приближенным методом по аналогии с расчетом на ветровую нагрузку.

Суммарные эпюры, изображенные на рис. 70, построены в соответствии с требованиями п. 5.3 СНиП II-8-78.

Рис. 67. Основная система метода перемещений

Z1, Z2 - неизвестные перемещения

Рис. 68. Эпюры изгибающих моментов в основной системе

Пример 2. В раме (пример 1) определить усилия при образовании уступа в основании высотой hр = 5 см. Уступ проходит между крайней и средней стойками.

В связи с несимметричными воздействиями подвергаем расчету всю раму. Основная система метода перемещения приведена на рис. 71, эпюры изгибающих моментов от единичных перемещений и уступа - на рис. 72. Изгибающие моменты в стойках первого этажа вычислены по формулам табл. 19.

Рис. 69. Эпюры изгибающих моментов в заданной системе, кНм

а - от горизонтальных деформаций; б - от вертикальных деформаций; в - от поворотов основания; г - от наклонов земной поверхности

Рис. 70. Суммарные эпюры изгибающих моментов, кНм

Система канонических уравнений имеет вид:

Решая систему уравнений, получим следующие значения неизвестных: z1=-0,00645; z2=-0,00835; z3=-0,00425; z4=-0,00407; z5=-0,00187; z6=-0,000115; z7=-0,0309; z8=-0,014.

Окончательная эпюра изгибающих моментов приведена на рис. 73.

Пример 3. В раме (пример 1) с ленточным фундаментом, ширина подошвы которого равна 1 м, определить усилия от кривизны земной поверхности при R=7 км, Егр=21000 кр/м2.

Расчет ведем методом перемещений с использованием табл. 20.

Геометрические и жесткостные характеристики рамы представлены на рис. 74.

Перемещения точек ленточного фундамента, м:

Константы:

Основная система рамы приведена на рис. 75, эпюры изгибающих моментов от единичных перемещений и осадок основания - на рис. 76. Учитывая симметричность рамы и воздействий, в узлах средней стойки поставлены закрепления, препятствующие поворотам и горизонтальным перемещениям. Расчет выполняется для половины рамы. При построении эпюры от z5 учтено, что средняя упругая опора под ленточным фундаментом относится к двум полурамам, в связи с чем реакция в этой опоре от единичного перемещения, приходящаяся на одну полураму, составит 0,5iz (вместо iz в формуле RА, строка 2, табл. 20).

Рис. 71. Основная система метода перемещений

Рис. 72. Эпюры изгибающих моментов в основной системе

Рис. 73. Эпюры изгибающих моментов в заданной системе (кН×м)

Рис. 74. Геометрические и жесткостные характеристики рамы

Рис. 75. Основная система метода перемещений

Рис. 76. Эпюры изгибающих моментов в основной системе

Рис. 77. Эпюра изгибающих моментов в заданной системе, кНм

Эпюра от перемещений основания в основной системе построена путем суммирования эпюр от расчетного перемещения каждой упругой опоры. При этом использовались формулы табл. 20 (строки 3, 4, 5).

Система канонических уравнений метода перемещений имеет вид:

.

Значения неизвестных перемещений, полученных в результате решения системы, следующие: z1=-0,2348´10-3; z2=-0,3348´10-3; z3=-0,5556´10-3; z4=2,884´10-3; z5=0,491´10-3.

Окончательная эпюра изгибающих моментов в раме на ленточных фундаментах приведена на рис. 77.

Следует отметить, что разность осадок земной поверхности под средней и крайней колоннами вследствие искривления составила 3,6 мм, разность осадок самих колонн 2,884 - 0,491 = 2,393 мм, т.е. ленточный фундамент в данном случае способствовал выравниванию неравномерных осадок на 1,2 мм, или на 30 %.

РАСЧЕТ РАМНЫХ КАРКАСОВ ПО ПРЕДЕЛЬНЫМ ПЕРЕМЕЩЕНИЯМ ЭЛЕМЕНТОВ

6.31. В отдельных случаях, например, при отдаленных сроках подработки, длительном периоде нарастания расчетных деформаций земной поверхности и т.д., а также при защите эксплуатируемых зданий, допускается конструкции железобетонных каркасов и меры по их усилению проектировать таким образом, чтобы в сечениях элементов в период проявления деформаций земной поверхности раскрытие трещин превышало нормативные допуски (0,3 мм по целому сечению, 1 мм в стыке и т.п.).

При этом в проектах должно быть указано на необходимость устранения указанных дефектов в процессе выполнения послеосадочных ремонтов.

6.32. Предельным состоянием рамной железобетонной конструкции по прочности принимается такое деформированное состояние, при котором хотя бы в одном сечении достигается предельная сжимаемость бетона или предельная растяжимость стали. Предельные перемещения элементов каркаса, удовлетворяющие условиям прочности, но не удовлетворяющие условиям раскрытия трещин, определяются в результате статического расчета из условия достижения в материалах конструкций следующих деформаций: сжатия в бетоне 0,0032; растяжения в арматуре 0,5 εв, где εв - нормативная величина деформации в арматуре в момент образования шейки разрыва.

Аналогичный подход допускается применять при проектировании стальных каркасов в отношении прогибов их элементов. При этом фибровые деформации в стальных элементах не должны превышать 0,5 εв.

6.33. Проверка прочности изгибаемых и внецентренно сжатых железобетонных сечений производится по формуле: оценивающей их деформированное состояние:

                                                                                                                                          (98)

где:

 - кривизна в сечении, определяемая в результате статического расчета рамы на особое сочетание нагрузки;

 - предельно допустимая кривизна в сечении, соответствующая достижению предельной сжимаемости бетона или предельной растяжимости стали;

k - коэффициент безопасности по материалам, принимаемый большим единицы, но не менее , где Мн и Мр соответственно нормативная и расчетная несущая способность железобетонного сечения по изгибающему моменту.

6.34. Предельно допустимая кривизна железобетонного сечения  определяется в результате решения нелинейного уравнения равновесия:

                                                                                                      (99)

где:

 - функции, описывающие расчетные диаграммы работы материалов (бетона и стали);

N - продольная сила в сечении;

                                                                                                          (100)

где ε - деформация в сечении с ординатой z (начало отсчета от сжатой грани сечения);

εн - фибровая деформация в сжатом бетоне, равная 0,0032.

Если деформация в крайней растянутой арматуре, определяемая по формуле:

                                                                                                      (101)

где:

h0 - расчетная высота сечения, окажется больше предельной растяжимости стали, формулу (100) заменяют выражением

                                                                                                          (102)

где:

εв - осевая деформация в крайней растянутой арматуре, равная 0,5 εв, и заново решают уравнение (99).

Таким образом, случаю разрушения сечения по сжатому бетону соответствует формула (100), а по растянутой арматуре - формула (102).

Диаграммы σ(ε), учитывающие действительную работу бетона и стали, рекомендуется принимать по данным испытаний или на основании апробированных предложений, содержащихся в инструктивно-нормативной литературе.

6.35. Результатом статических расчетов рам на особое сочетание нагрузок должны являться расчетные значения кривизны сечений. При этом необходимо учитывать нелинейную работу сечений при активном нагружении, их упругую разгрузку и деформированную схему системы. Допускается принимать, что входящие в особое сочетание нагрузки прикладываются к сооружению в виде последовательности двух условно простых ступеней нагружения. При этом второй ступенью являются собственно деформации земной поверхности, а в первую ступень входят все остальные нагрузки особого сочетания.

6.36. Расчетную зависимость между изгибающим моментом и кривизной сечения при активном нагружении рекомендуется принимать в виде

                                                                                                       (103)

где:

α, β и γ - коэффициенты, определяемые по формулам:

                                                         (104)

где:

В0 - начальная жесткость железобетонного сечения, определяемая в соответствии с требованиями главы СНиП по проектированию железобетонных конструкций;

Мр,  - несущая способность сечения по расчетным характеристикам материалов и соответствующая этому напряженному состоянию кривизна, определяемые в соответствии с требованиями главы СНиП по проектированию железобетонных конструкций;

Мпр - несущая способность сечения по нормативным характеристикам материалов;

 - предельная кривизна сечения, определяемая по формуле: (99).

При упругой разгрузке сечения формула (103) заменяется выражением

                                                                                                         (105)

где:

 - остаточная кривизна.

6.37. Статический расчет рам на воздействие особого сочетания

нагрузок с учетом физической нелинейности и сложного нагружения рекомендуется производить методом распределения перемещений в основной системе метода сил.

Суть метода распределения перемещений поясняется ниже приводимым алгоритмом, записанным для линейной задачи.

Вычисляется главный коэффициент системы канонических уравнений метода сил:

                                                                                                (106)

где:

{bi}t - матрица усилий в t-ом расчетном сечении от единичного значения i-го неизвестного усилия;

[F]t - матрица податливости элемента, которому принадлежит t-e расчетное сечение;

t - номера тех расчетных сечений, в которых усилия от i-го неизвестного тождественно не равны нулю. Определяется разрывное перемещение по i-му направлению на j-ом цикле итерации:

                                                                                 (107)

где D(0)i - начальное перемещение по i-му направлению, вызванное деформациями земной поверхности;

{S}(k-1)t - матрица усилий в t-ом расчетном сечении на (k-1)-ом приближении, при этом матрица {S}(0)t является матрицей усилий в t-ом расчетном сечении от нагрузки в основной системе метода сил.

Если D(j)i<a, где α - заданная разрывность перемещений, вычисления прекращаются.

Определяется приращение i-го неизвестного усилия на j-м цикле итераций, устраняющего разрывность перемещения по i-му направлению, т.е. приводящего к равенству D(j)i = 0:

                                                                                                         (108)

Корректируется матрица искомых усилий с учетом найденного приращения неизвестного усилия:

                                                                                          (109)

Индексы в формулах (106-109) изменяются в такой последовательности:

                                                                          (110)

где:

n - количество неизвестных метода сил;

m - количество итераций, при котором для всех i D(j)I<a.

С учетом формул (106-110) алгоритм распределения усилий для нелинейной задачи запишется в следующем виде.

Предварительно записывается физический закон нелинейного деформирования:

                                                                                                        (111)

где:

ei({S}t)-1 - логически разветвленные нелинейные функции от матрицы усилий для t-го расчетного сечения, составленные с учетом зависимостей (103) и (105).

Определяются матрицы касательных жесткостных характеристик сечений:

                                                                                (112)

 - дифференциальный оператор частной производной по l-му усилию матрицы {S}t.

Матрицу податливости записывают как функцию от матрицы касательных жесткостных характеристик:

                                                                                                        (113)

Далее организуется итерационный процесс по аналогии с тем, какой записан для линейной задачи. Процедура определения главных коэффициентов войдет теперь в состав итерационного процесса, так как матрица податливости будет зависеть от матрицы усилий.

Определяются матрицы касательных жесткостей в t-x расчетных сечениях на (k-1)-м приближении:

                                                                                           (114)

Определяются в тех же сечениях матрицы податливости на (k-1)-м приближении:

                                                                                               (115)

Вычисляется главный коэффициент системы канонических уравнений метода сил на j-ом цикле итераций:

                                                                                          (116)

Вычисляются деформации в t-x расчетных сечениях от матрицы усилий на (k-1)-ом приближении:

                                                                                                (117)

Определяется разрывное перемещение по i-му направлению на j-ом цикле итерации:

                                                                                            (118)

Если D(j)i<a,

где:

α - заданная разрывность перемещений, вычисления прекращают.

Определяется приращение i-го неизвестного усилия на j-oм цикле итераций, приводящего к равенству нулю величины D(j)i.

                                                                                                        (119)

Корректируется матрица искомых усилий с учетом найденного приращения неизвестного усилия:

                                                                                         (120)

Результатом расчета являются матрицы деформаций, определяемые по формуле (117).

6.38. Необходимость защиты многоэтажных каркасных зданий определяется на основании статического расчета конструкций, в результате которого определяются предельные перемещения элементов каркаса, допустимые по условию прочности (98).

Вывод о необходимости применения строительных мер защиты делается в результате сопоставления максимальных ожидаемых перемещений элементов конструкций с предельными.

При отрицательном результате, т.е., если применение мер защиты необходимо, конструктивно увеличивают прочность сечений и проверку повторяют.

6.39. Для некоторых типов конструкций, изготовляемых бе предварительного напряжения с арматурой класса A-I-А-III, предельные перемещения элементов каркаса допускается принимать по табл. 21, где приведены относительные предельные оседания опор балок и относительные предельные горизонтальные перемещения фундаментов колонн.

Примечание. Относительное перемещение определено как отношение абсолютного перемещения к длине элемента (к длине балки, высоте колонны).

6.40. Предельное оседание опоры железобетонной балки, жестко сопряженной с колоннами, допускается определять по упрощенной методике в излагаемой ниже последовательности.

Таблица 21

Тип конструкций кгфкаса

Относительные оседания

в плоскости ра мы

в связевом направлении

1. Монолитные железобетонные балки из бетона марки М 150 и ниже с площадью сжатой опорной арматуры менее 20 % растянутой

0,001

0,005

2. То же, из бетона марки М 150-200 с площадью сжатой опорной арматуры 20-30 % растянутой

0,003

0,006

3. То же, из бетона марки М 200 и выше с площадью сжатой опорной арматуры более 50 % растянутой

0,005

0,007

4. Сборные железобетонные балки по серии 1.420-12,1.020

0,007

0,01

5. Стальные балки и колонны (из стали СтЗ)

0,01

0,01

6. Железобетонные колонны с площадью сечения более 0,15 м2

0,002

0,004

7. То же, с площадью сечения менее 0,1 м2

0,004

0,008

Предельная величина смещения опоры определяется по формуле:

(121)

где k - коэффициент безопасности по материалам, назначаемый в пределах от 1,4 до 1,8 в зависимости от значимости сооружения;

Q - дополнительная поперечная сила, возникающая при смещении опоры, определяемая по формуле:

                                                                    (122)

l - пролет балки в свету; МОПр, МПРр - соответственно несущая способность опорного и пролетного сечений по расчетным характеристикам материала; МПРн - несущая способность пролетного сечения по нормативным характеристикам материалов; Мпр - предельная несущая способность опорного сечения, определяемая как несущая способность сечения с высотой сжатой зоны хпр по нормативным характеристикам бетона и сжатой арматуре, для прямоугольного сечения, по формуле:

                                         (123)

sТ - напряжение текучести растянутой арматуры;

E' - модуль упрочнения растянутой арматуры;

eб(ПР) - предельная сжимаемость бетона при изгибе, определяемая по формуле:

                                                                                                           (124)

eТ¢а - деформация начала текучести сжатой арматуры;

x0 - характеристика деформативных свойств бетона, определяемая по формуле:

                                                                                               (125)

eу - деформация начала упрочнения растянутой арматуры;

d1, d2 - параметры пластического шарнира, определяемые по формулам:

                                    (126)

                 (127)

МОПН - несущая способность опорного сечения по нормативным характеристикам материалов;  - кривизна опорного сечения, вычисляемая по формуле: СНиП II-21-75 на проектирование железобетонных конструкций при значении изгибающего момента, равного МОПр;  - кривизна опорного сечения в момент начала текучести, определяемая по формуле:

                                                                                                    (128)

 - относительная высота сжатой зоны бетона, используемо мая при определении МОПН;

- кривизна опорного сечения в момент начала упрочнения, определяемая по формуле:

                                                                                                    (129)

 - предельная кривизна опорного сечения, определяемая по формуле:

                                                                    (130)

Остальные обозначения приняты в соответствии с главой СНиП по проектированию железобетонных конструкций.

Дополнительное предельное смещение опоры балки за счет де-формативности стыка при опирании балок на консоли по типу серии ИИ-20 определяется по формуле:

                                                                                              (131)

где d - длина опорного участка консоли;

eа(ПР) - предельная деформация в растянутой арматуре, определяемая по формуле:

                                                                                         (132)

εТ - деформация начала текучести растянутой арматуры.

Предельное перемещение балки со стыками по типу серии ИИ-04 определяется по формуле:

                                                                                            (133)

где εВ - деформация в накладке, соответствующая началу образования шейки разрыва; εy - деформация начала упрочнения материала накладки; d - длина накладки; В - жесткость балки без трещин; Q - дополнительная поперечная сила, возникающая от смещения опоры, определяемая по формуле:

                                                                                           (134)

Е' - модуль упрочнения материала накладки; Fн - площадь сечения накладки.

Опорное сечение балки должно отвечать условиям прочности по поперечной силе, равной

                                                                                                           (135)

где:

qp - расчетная величина равномерно распределенной нагрузки, определяемая по формуле:

                                                                                                (136)

6.41. Предельное горизонтальное перемещение опорного сечения колонны допускается определять по упрощенной формуле

                                                                                                         (137)

где:

В - жесткость колонны без трещин; k - коэффициент безопасности по материалам, назначаемый равным от 1,4 до 1,8 в зависимости от значимости сооружения; Н - высота колонны от обреза фундамента до низа балки; Q - дополнительная поперечная сила в колонне от горизонтального смещения фундамента, определяемая по формуле:

                                                                                                         (138)

Mp- несущая способность сечения по расчетным характеристикам материалов, определяется для прямоугольного сечения по формуле:

                                           (139)

N - сжимающие усилия в колонне;

 - высота сжимаемой зоны, определяемая по формуле:

       (140)

Мпр - несущая способность сечения по нормативным характеристикам материалов, которая определяется по формулам (139), (140) с учетом RНПР, RНАС.

Величину продольной силы, входящей в формулу (140), допускается принимать равной

                                                                               (141)

Сечение колонны должно удовлетворять условиям прочности по поперечной силе, равной

                                                                                                                  (142)

6.42. Предельное оседание опоры стальной балки, жестко сопряженной с колоннами, допускается определять по упрощенной формуле:

                                                                                        (143)

где:

l - пролет балки в свету;

h - высота балки;

εТ - деформации начала текучести стали; εy- деформация начала упрочнения стали; εВ - деформация, соответствующая началу образования шейки стали; lTУ - длина пластической зоны, определяемая по формуле:

                                     (144)

МОППР, МПРПР - продольные изгибающие моменты, соответственно в опорном и пролетном сечении балки при образовании в них пластических шарниров, которые определяются по формуле:

                                                                                                            (145)

σТ - напряжение текучести стали; Sx - статический момент растянутой (сжатой) площади симметричного поперечного сечения относительно нейтральной оси; Mmax - максимальный изгибающий момент в опорном сечении, соответствующий достижению краевыми деформациями предельной величины, определяемый по формуле:

                                                                             (146)

Wx - момент сопротивления сечения.

Опорное сечение балки должно проверяться на прочность по поперечной силе, определяемой по формуле:

                                                                                                           (147)

где:

qПР - равномерно распределенная нагрузка, при которой на оси балки образуется три пластических шарнира, определяемая по формуле:

                                                                                              (148)

Q - дополнительная поперечная сила от смещения опоры

                                                                                                  (149)

6.43. Предельное горизонтальное смещение опорного сечения стальной колонны определяют по упрощенной формуле

                                                                                    (150)

где: Н - высота колонны от обреза фундамента до низа балки; lTУ - длина пластической зоны, определяемая по формуле:

                                                                                           (151)

где: МОППР  и Мmax - определяется по формулам (145), (146).

Предельное горизонтальное перемещение опорного сечения решетчатой колонны определяется по формуле:

                                                                                                      (152)

где: d - длина панели (участка пояса между смежными узлами решетки).

Сечение колонны должно отвечать условию прочности по поперечной силе, равной

                                                                                                                (153)

6.44. При предельных перемещениях в конструкциях возможно образование дефектов, не допускаемых при длительной их эксплуатации (раскрытие трещин в растянутой зоне железобетонных элементов более 0,3 мм, появление трещин в ограждающих конструкциях и т.п.). Указанные дефекты должны выявляться в процессе освидетельствования конструкций в период подработки и устраняться в процессе ремонтов.

6.45. Предельные перемещения конструкций, определенные по условиям прочности сечений, не должны превышать допустимые перемещения, регламентируемые санитарными нормами и техническими условиями эксплуатации оборудования.

Пример расчета

Необходимо определить предельные неравномерные вертикальные перемещения фундаментов жесткой железобетонной рамы, обусловленные образованием уступа в основании, при различных уровнях эксплуатационной нагрузки.

Диаграмма работы железобетонных сечений принята в соответствии с формулами (103) и (105). Эксплуатационная нагрузка изменялась в расчетах от нуля до такого уровня, при котором в наиболее нагруженном сечении балки изгибающий момент достигал расчетной несущей способности указанного сечения. Для каждого уровня эксплуатационной нагрузки неравномерные вертикальные перемещения изменялись от нуля до 22 см. Расчеты выполнены по формулам (111)-(120). Результаты расчета представлены на рис. 78 в виде графиков напряженного а и деформированного б состояния наиболее нагруженного опорного сечения балки.

Рис. 78. Напряженное (о) и деформированное (б) состояние сечения железобетонной балки

Расчетная несущая способность выделенного сечения, определенная в соответствии с нормами по проектированию железобетонных конструкций, составила Мр=329 кНм, предельная несущая способность Мпр=360 кНм, кривизна, соответствующая расчетной несущей способности сечения, составила  1/м, предельная кривизна, вычисленная по формуле: (99),  1/м. Коэффициент безопасности по материалам принят равным 1,4. В этом случае правая часть формулы (98) составит:  1/м.

Таблица 22

Перемещения

Уровень эксплуатационной нагрузки (номера кривых на рис. 78)

наименование

обозначение

1

2

3

4

Допустимое по условиюМ£Мр

[уi]

11

6

3,4

0

Допустимое по условию (98) при k=1,4

[уi]k

18

13,2

10,2

7

Предельное по условию (98) при k=1

уiпр

22

17

14

10,8

Для определения предельных неравномерных вертикальных перемещений железобетонной рамы в соответствии с условием прочности (98) проведем на графике (см. рис. 78, б) горизонталь .

Из точек ее пересечения с кривыми 1, 2, 3 и 4, соответствующими различным уровням эксплуатационной нагрузки, опустим вертикали до пересечения с осью перемещений у. Абсциссы пересечения указанных вертикалей с осью у будут численно равны допустимым перемещениям железобетонной рамы, т.е. будет выполнено условие прочности по формуле: (98). Для сопоставления сравним указанные предельные перемещения с допустимыми по условию прочности М£ Мр, которое используется в расчетах на силовые факторы (нагрузки). Для этого на графике (рис. 78, а) проведем горизонталь М = Мр. Из точек пересечения этой горизонтали с кривыми 1-4 опустим вертикали до пересечения с осью абсцисс. Абсциссы точек последних пересечений будут численно равны допустимым перемещениям железобетонной рамы, т.е. М = Мр. В частности, для эксплуатационной нагрузки (кривая 4) допустимое перемещение равно нулю, в то время как допустимое перемещение по условию (98) составляет 6,8 см. Результаты указанных сопоставлений сведены в табл. 22. Там же приведены величины предельных перемещений, определенные по предельной кривизне , т.е. при коэффициенте безопасности по материалам, равном единице.

Из данного примера становится очевидной эффективность использования в случае деформационных воздействий уравнений прочности, характеризующих деформированное (а не напряженное) состояние сечений, удовлетворяющих условию (98).

7. БЕСКАРКАСНЫЕ ЗДАНИЯ

КОНСТРУКТИВНЫЕ РЕШЕнИЯ

7.1. Конструктивная система бескаркасных зданий или их отсеков должна соответствовать характеру деформаций земной поверхности.

Здания рекомендуется проектировать на основе следующих конструктивных систем:

I - с поперечными и продольными несущими стенами, на которые перекрытия опираются по контуру или трем сторонам; наружные продольные стены могут быть при этом несущими или самонесущими (рис.79). Такая система применяется, как правило, для крупнопанельных зданий;

Рис. 79. Конструктивная система здания с поперечными и продольными несущими стенами.

Наружные и внутренние стены несущие. Перекрытие опирается по контуру.

а - общий вид; б - план-схема; 1 - панели перекрытия; 2 - наружные несущие стеновые панели однорядной разрезки; 3 - продольные и поперечные несущие стены

II - с поперечными несущими стенами, продольными диафрагмами жесткости (продольные стены лестничных клеток, отдельные участки наружных и внутренних стен) и перекрытиями, опертыми преимущественно по двум сторонам на поперечные стены (система с широким шагом поперечных стен); по такой системе чаще всего проектируются кирпичные здания с изломами в плане, крупнопанельные и крупноблочные здания следует допускать только для экспериментального строительства;

III - с продольными несущими стенами, поперечными диафрагмами жесткости (поперечные стены лестничных клеток, торцевые стены и др.) и перекрытиями, опертыми по двум сторонам на продольные стены (рис. 80). По такой системе проектируются крупнопанельные, крупноблочные и кирпичные здания.

Наряду с перечисленными системами для экспериментального строительства могут быть использованы комбинированные панельно-блочные системы, состоящие из плоских и объемно-пространственных элементов.

Рис. 80. Конструктивная система здания с продольными несущими стенами, поперечными диафрагмами жесткости

а - общий, вид; б - план-схема; 1 - несущие панели наружных стен; 2 панели перекрытия на комнату, опирающиеся на две стороны, или длинномерный настил; 3 - продольная внутренняя несущая стена; 4 - поперечная внутренняя самонесущая стена (диафрагма жесткости); 5 - наружная поперечная самонесущая стена (дополнительно выполняющая функции диафрагмы жесткости)

7.2 (7.1, 7.7). Бескаркасные здания должны проектироваться по жесткой или комбинированной конструктивной схеме.

При комбинированной схеме предусматривается сочетание податливой и жесткой конструктивных схем. В жилых зданиях, а также в общественных зданиях, решаемых по мелкоячеистой структуре (с пролетами 6 м и менее), фундаментно-подвальную часть допускается проектировать по податливой конструктивной схеме, а надземную - по жесткой.

Бескаркасные одноэтажные производственные здания при пролетах 12 м и более допускается проектировать по податливой конструктивной схеме с отделением поперечных стен от продольных при помощи деформационных швов.

7.3 (7.4). Прочность бескаркасных зданий, возводимых на подрабатываемых территориях, должна обеспечиваться конструктивными мероприятиями; по фундаментно-подвальной части зданий устройством фундаментного и цокольного поясов (рис. 81-82).

Рис. 81. Сечение стены фундаментно-подвальной части из крупных блоков, усиленных сборно-монолитными железобетонными поясами

1 - сборно-монолитный железобетонный пояс; 2 - шов скольжения

Рис. 82. Деталь армирования армокирпичного пояса подвальной части здания

1 - блок стены подполья; 2 - панель перекрытия; 3 - расчетная арматура по периметру здания; 4 - гидроизоляция

По надземной части зданий:

в панельных зданиях - путем соединений выпусков рабочей арматуры стеновых панелей в замкнутые связи по периметру наружных стен, в крупноблочных и кирпичных зданиях - устройством по периметру несущих стен поэтажных железобетонных сборно-монолитных или армокаменных замкнутых поясов в уровне перемычек или перекрытий (рис. 83-91).

Рис. 83. Деталь сборно-монолитного железобетонного пояса. Сопряжение продольной наружной и внутренней поперечной стен

1 - наружная продольная стена из крупных блоков; 2 - внутренняя поперечная стена из крупных блоков; 3 - сборно-монолитный пояс; 4 - расчетная арматура; 5 - шов скольжения

Рис. 84. Деталь сопряжения торцовой и наружной продольной стены в зданиях со стенами из кирпичной кладки

1 - наружная продольная стена; 2 - панель перекрытия; 3 - сборно-монолитный железобетонный пояс; 4 - торцовая стена; 5 - расчетная арматура; 6 - распределительная арматура

Рис. 85. Деталь сопряжения двух продольных наружных стен в зданиях со стенами из кирпичной кладки

1 - продольная наружная стена; 2 - панель перекрытия; 3 - сборно-монолитный железобетонный пояс; 4 - расчетная арматура; 5 - распределительная арматура

7.4 (7.4). Горизонтальные арматурные пояса в надземной части панельных зданий образуются путем выпуска и стыкования арматуры из панелей в уровне надпроемных перемычек с. таким расчетом, чтобы арматура перемычек использовалась как рабочая арматура поясов. Стыковые соединения должны обязательно замоноличиваться тяжелым бетоном. Панели продольных и поперечных стен должны соединяться между собой и панелями перекрытий связями, способными воспринимать расчетные усилия в стыках. При этом должны обеспечиваться необходимые надежность и долговечность соединения.

7.5. Детали стыковых соединений панельных зданий приведены в «Руководстве по проектированию конструкций панельных жилых зданий для особых грунтовых условий» (М.: Стройиздат, 1982).

7.6. Конструктивное решение стыков должно обеспечивать работу связей между пространственными элементами здания на восприятие усилий сдвига, растяжения, сжатия, возникающих при деформациях основания.

7.7 (7.9, 7.10). В панельных зданиях для восприятия усилий сдвига, действующих в плоскости стен по вертикальным стыкам между панелями, выполняется рифление вертикальных торцов панелей. Если этого недостаточно для восприятия сдвигающих усилий, рекомендуется устройство бетонных шпонок путем замоноличивания узловых соединений стеновых панелей и устройства в пределах этажа не менее двух дополнительных бетонных шпонок.

Усилия сдвига в горизонтальном стыке допускается воспринимать силами трения по шву, заполненному раствором или бетоном и обжатому вертикальной нагрузкой и вертикальными связями. При недостаточном противодействии сил трения рекомендуется устраивать шпоночные связи в горизонтальных стыках.

Рис. 86. Деталь сопряжения поясных блоков торцевой, стены с блоками наружной продольной стены

1 - наружная продольная стена; 2 - торцовая стена; 3 - панели перекрытия; 4 - сборно-монолитный железобетонный пояс; 5 - сварные швы

Рис. 87. Деталь сопряжения балконной плиты с блоками сборно-монолитного железобетонного пояса

1 - наружная продольная стена из крупных блоков; 2 - панель перекрытия; 3 - балконная плита; 4 - сборно-монолитный железобетонный пояс; 5 - перемычечный блок наружной продольной стены; 6 - анкер; 7 - сварные швы

Рис. 88. Деталь примыкания вентиляционного блока внутренней поперечной стены к поясным блокам наружной продольной стены

1 - вентиляционный блок; 2 - панели перекрытия; 3 - сборно-монолитный железобетонный пояс; 4 - сварные швы

Рис. 89. Деталь сопряжения блоков сборно-монолитного железобетонного пояса

1 - стеновой блок наружной стены; 2 - панели перекрытия; 3 - сборно-монолитный железобетонный пояс; 4 - сварные швы

Рис. 90. Деталь сопряжения блоков сборно-монолитного железобетонного пояса по внутренней продольной стене

1 - стеновой блок; 2 - панель перекрытия; 3 - сборно-монолитный железобетонный пояс; 4 - сварные швы

Рис. 91. Деталь сопряжения наружной продольной и внутренней поперечной стены в зданиях со стенами из кирпичной кладки

1 - наружная продольная стена; 2 - внутренняя поперечная стена; 3 - панели перекрытия; 4 - балконная плита; 5 - сборно-монолитный железобетонный пояс; 6 - расчетная арматура; 7 - распределительная арматура

Рис. 92. Конструктивное решение деформационного шва между отсеками. Величина зазора «в» назначается по расчету

1 - спаренные стены отсеков подполья или подвала; 2 - стены отсеков первого этажа; 3 - перекрытие; 4 - монолитный или сборно-монолитный железобетонный пояс; 5 - сборные фундаменты, установленные вразбежку; 6 - шов скольжения; 7 - вертикальная гидроизоляция

Рис. 93. Вариант конструкции деформационного шва в уровне крыши спаренных отсеков. Размер зазора «в» назначается по расчету

1 - вкладыши из поролона; 2 - фартук-компенсатор из оцинкованной стали; 3 -  рулонный ковер; 4 - компенсатор из оцинкованной стали; 5 - ребристая плита покрытия; 6 - поперечные стены спаренных отсеков

7.8 (7.11). В стенах крупноблочных зданий должны предусматриваться конструктивные меры, исключающие возможность отклонения блоков из плоскости стен. Проектная документация должна содержать указания о необходимости тщательного заполнения раствором вертикальных и горизонтальных швов между блоками в соответствии с требованиями главы СНиП II-22-81.

Перемычки над проемами необходимо использовать в качестве связей между простенками. Перемычки при неравномерных вертикальных деформациях основания должны работать на действие изгиба от взаимного смещения по вертикали смежных простенков, а также на действие растяжения или сжатия от изгиба в их плоскости.

7.9 (7.11). Пересечения несущих стен и простенки в кирпичных и крупноблочных зданиях в соответствии с требованиями СНиП II-8-78 должны по расчету усиливаться горизонтальными сетками.

Выпуски рабочей арматуры перемычек над проемами должны стыковаться с арматурой поясных блоков, образуя замкнутые железобетонные или армокаменные пояса, располагаемые в уровне междуэтажных перекрытий.

Несущие стены зданий необходимо поэтажно объединять горизонтальными диафрагмами, образуемыми из панелей перекрытий.

7.10 (7.8). Деформационные швы в бескаркасных зданиях конструктивно решаются в виде парных поперечных стен.

Конструкция фундаментов в зоне деформационных швов должна обеспечивать независимость перемещений поперечных стен, образующих деформационные швы (рис. 92).

В уровне покрытия шов должен быть перекрыт компенсационным устройством (рис. 93).

По фасаду деформационный шов должен быть закрыт нащельником и утеплен легкосжимаемым материалом, не препятствующим взаимному смещению наружных стен и обеспечивающим свободный поворот отсека при неравномерных деформациях основания.

Для передачи и распределения сжимающих усилий, возникающих при возможном замыкании деформационных швов между отсеками вследствие их взаимного, наклона при неравномерных оседаниях поверхности, а также для ограничения величин наклонов отсеков здания в продольном направлении применяются контактные устройства (конструктивные решения контактных устройств см. РСН 297-78, прил. 5).

7.11. Фундаментно-подвальная часть зданий может быть решена по жесткой, податливой или комбинированной конструктивной системе (рис. 94).

Рис. 94. Конструктивные схемы фундаментов

а, б - жесткой конструкции; в, г - плитные фундаменты; д. е - отдельно стоящие фундаменты; 1 - цокольная панель; 2 - шов скольжения; 3 - железобетонные подушки; 4 - железобетонный фундаментный пояс; 5 - фундаментная плита; 6 - бетонная подготовка; 7 - связь-распорка; 8 - фундамент

Рис. 95. Различные способы защиты зданий от воздействия горизонтальных деформаций грунта

а - самостоятельная работа надземной и подземной частей здания; б - совместная работа надземной и подземной частей здания; в - устройство местного заглубления подполья или подвала; 1 - шов скольжения; 2 - монолитное перекрытие, совмещенное с цокольным поясом; 3 - стены подвала, отделенные швом скольжения от вышележащих конструкций; 4 - фундаментный пояс; 5 - стены подвала, работающие совместно с надземной частью здания; в - сборные фундаменты, отделенные швом скольжения; 7 - конструкции местного заглубления

Жесткая конструктивная схема осуществляется путем соединения конструктивных несущих элементов надземной и фундаментно-подвальной части здания в одну пространственную систему, при которой исключаются их самостоятельные перемещения от воздействия вертикальных и горизонтальных деформаций основания.

Рис. 96. График зависимости площади сечения арматуры фундаментного пояса от прогнозируемых величин относительных горизонтальных деформаций основания

а - для блок-секции серии 121- 043/1; б - для блок-секции серии 96-06/1, двухсекционный отсек; в - для блок-секции серии 96-06/1, односекционный отсек

Площадь арматуры в фундаментном поясе под внутреннюю продольную стену определяется умножением площади сечения арматуры, полученной из графика, на: а - К=1,5; б - К=1,35; в - К=1,8. Для получения площади стали фундаментных поясов под поперечные стены необходимо площадь, найденную по графику при значении Х=0 м. умножить на а-К=0,5; б - К=0.25; в - К=0,6. Расчетное сопротивление стали, принято равным 360 МПа

Жесткая конструктивная схема фундамента зданий достигается устройством непрерывного железобетонного пояса по фундаментным подушкам под всеми несущими стенами и при необходимости также по верху фундаментно-подвальной части. Кроме этого предусматриваются дополнительные связи между подземными и надземными конструкциями.

В случае применения податливых фундаментов рекомендуется разделение надземной и подземной части здания с помощью шва скольжения. Над швом должен предусматриваться непрерывный железобетонный пояс, жестко связанный с цокольным перекрытием (рис. 95, а). Стены подземной части здания, расположенные ниже железобетонного пояса и шва скольжения, следует проектировать из сборных блоков заводского изготовления, сдвигающихся (без наклонов) по шву скольжения под действием горизонтальных деформаций основания. По низу блоков над фундаментными подушками устраивается шов скольжения.

Фундаменты комбинированной конструктивной схемы выполняются аналогично жестким фундаментам с устройством в нижней части шва скольжения (рис. 95, б).

Местные заглубления конструкций фундаментов необходимо отделять от вышележащих конструкций швами скольжения (рис. 95, в).

При проектировании фундаментов в виде монолитной железобетонной плиты шов скольжения следует устраивать в уровне подошвы фундамента на бетонной подготовке.

7.12. Фундаментный, а также цокольный (в случае его применения) железобетонные пояса должны образовывать горизонтальные рамы в пределах отсека; количество арматуры и распределение ее по сечению поясов принимается по расчету.

Подбор площади сечения арматуры фундаментных поясов в зависимости от прогнозируемых величин относительных горизонтальных деформаций удобно производить по графикам, приведенным на рис. 96.

Применение таких графиков в типовых и повторно применяемых, проектах позволяет без дополнительных расчетов назначать армирование фундаментных поясов дифференцировано для конкретных площадок строительства.

Графики составлены исходя, из следующих предпосылок: расчет выполнен на действие продольных сил по зависимостям (154)-(174).

Арматура фундаментного пояса не учитывается при расчете здания на усилия, возникающие от искривления основания.

Расчет выполнен при модуле деформации грунта Е = 10-30 МПа. При грунтах с модулем Е>30 МПа для односекционного отсека и Е>20 МПа для двухсекционного отсека необходимо устройство грунтовых подушек.

РАСЧЕТ БЕСКАРКАСНЫХ ЗДАНИЙ (ОБЩИЕ ПОЛОЖЕНИЯ)

7.13 (5.12). При расчете бескаркасных зданий по упрощенной расчетной схеме здание приводится к одномерной балке с приведенными жесткостными характеристиками изгиба (Е1) и сдвига (GF), расчет ведется по обобщенным усилиям и перемещениям.

Определение обобщенных усилий, распределение усилий по высоте здания, и определение усилий в конструктивных элементах выполняются в соответствии с рекомендациями настоящего раздела.

7.14 (5.12). Расчет здания по уточненной расчетной схеме (основные расчетные предпосылки и порядок расчета) показан на примере расчета крупнопанельного 9-этажного здания на искривленном основании при действии горизонтальных деформаций.

7.15. При искривленном основании здания, проектируемые с жесткими и податливыми фундаментами, рассчитываются на воздействие кривизны и горизонтальных деформаций. Нагрузки от горизонтальных деформаций определяются по рекомендациям настоящего раздела, а при необходимости учета фактора времени по рекомендациям раздела 8.

Здания, проектируемые с плитными фундаментами, а также по смешанной конструктивной системе, когда первый этаж выполняется каркасным, рассчитывают на кривизну.

Фундаментные плиты и связи-распорки рассчитываются на нагрузки, вызванные горизонтальными перемещениями грунта основания. Каркасная часть при этом рассчитывается на воздействие искривления земной поверхности.

7.16. При проектировании зданий повышенной этажности должны учитываться в несущих конструкциях и в основании зданий дополнительные усилия от наклонов земной поверхности с учетом кренов от ветровой нагрузки.

7.17. При ступенчато оседающем основании расчет зданий производится на действие уступа и горизонтальных деформаций. За расчетное местоположение уступа в плане здания принимается его действительное (протрассированное с соседних участков) или такое, при котором возникающие в несущих конструкциях здания усилия будут наибольшими.

7.18. При расчете конструктивных элементов следует иметь в виду, что основными элементами жилых домов, воспринимающими сдвигающие по вертикали усилия, являются надпроемные несущие элементы панельных зданий, перемычечные блоки крупноблочных и поэтажные железобетонное пояса кирпичных зданий, а также цокольный и фундаментный железобетонные пояса.

Перемычки-пояса наружных стен кирпичных и крупноблочных зданий рассчитываются на растягивающие (сжимающие) усилия (N) и на местный изгиб от перекосов, вызываемых действием распределенной по перемычкам обобщенной перерезывающей силы (Q).

Прочность простенков проверяется на внецентренное сжатие от вертикальной нагрузки с изгибом в плоскости стены от разности усилий в примыкающих к простенкам перемычках-поясах в сечении стены, где перерезывающая сила достигает максимума.

Кроме того, простенки должны быть, проверены на сдвигающие усилия S [формула (223)] в горизонтальном сечении в уровне перекрытия над i-тым этажом. Расчетом проверяются крайние простенки первого этажа, где, сдвигающие и сжимающие усилия максимальны.

Расчет арматуры поясов и бетонных простенков выполняется согласно главе СНиП на проектирование бетонных и железобетонных конструкций. Расчет кирпичных простенков производится по формулам главы СНиП на проектирование каменных и армокаменных конструкций.

ОПРЕДЕЛЕНИЕ НАГРУЗОК НА ФУНДАМЕНТЫ ОТ ГОРИЗОНТАЛЬНЫХ ДЕФОРМАЦИЙ ОСНОВАНИЯ

7.19. Горизонтальные деформации обусловливают следующие нагрузки на заглубленный в грунт ленточный фундамент жесткой конструкции:

силы трения сдвигающегося грунта по подошве рассчитываемого фундамента и фундаментов примыкающих стен;

нормальные давления сдвигающегося грунта на боковые поверхности фундаментов;

силы трения грунта по боковым поверхностям фундамента.

7.20. Суммарные нагрузки, вызванные горизонтальными деформациями грунта, определяются по формуле:

                                                                                                                   (154)

где: NT и NT - соответственно нагрузки, вызванные силами трения сдвигающегося грунта в продольном направлении по подошве рассчитываемого фундамента NT и по подошве фундаментов, примыкающих к расчетному и передающихся на расчетный фундамент NT;

Nб - нагрузки, вызываемые силами трения грунта, по боковым поверхностям контакта рассчитываемого фундамента с грунтом;

Nд - нагрузки, вызванные нормальным давлением сдвигающегося грунта на фундаменты, примыкающие к расчетному.

7.21. Нагрузка NT по подошве ленточных фундаментов в направлении их продольной оси определяется по формуле:

                                                                           (155)

где:

                                                                                                      (156)

                                                                                               (157)

                                                                                                                 (158)

                                                                                                           (159)

l и b - полудлина и полуширина рассчитываемого ленточного фундамента;

х - расстояние от оси отсека до сечения, в котором определяется усилие;

ε0 - расчетная величина относительной горизонтальной деформации грунта основания (растяжения или сжатия) по маркшейдерскому расчету;

εк - собственные деформации конструкций фундаментов (поясов) под воздействием возникающих в них напряжений, принимаются в зоне растяжений eк = 1´10-3, в зоне сжатия εк = 0;

Е0 и μ0 - модуль деформации и коэффициент Пуассона грунта;

υ, ψ- константы грунта, определяемые по табл. 14;

φ, с - угол внутреннего трения и сцепление (параметр линейности) грунта;

ωz, ωx - безразмерные коэффициенты, определяемые по табл. 12;

Ро - среднее нормативное удельное давление под подошвой рассчитываемого фундамента, МПа.

7.22. Нагрузка, вызванная силами трения по подошвам примыкающих стен, определяется по формуле:

                                                                                         (160)

где: ССД.xi - коэффициент жесткости основания примыкающего фундамента при сдвиге грунта, определяется из выражения (56);

FПi - площадь подошвы i-го примыкающего фундамента;

ωzi, ωxi, - коэффициенты, зависящие от соотношения сторон подошвы фундамента  ( - сторона подошвы фундамента в направлении горизонтального сдвижения грунта) принимается по табл. 12;

lПi - расчетное относительное перемещение грунта под i-м примыкающим фундаментом:

                                                                                                         (161)

NТ(ПР)i - величина предельной силы трения от сдвигающегося грунта по подошве фундамента, определяется по формуле:

                                                                                            (162)

P0i - среднее нормативное удельное давление под подошвой i-го фундамента;

xi - расстояние от оси отсека до продольной оси рассматриваемой примыкающей стены.

Примечание. Примыкающий фундамент передает на каждый продольный фундамент половину нагрузки.

7.23. Нагрузка NПТПi в любом сечении х продольного фундамента от сил трения под примыкающими стенами определяется из выражения:

                                                                                                            (163)

7.24. Нагрузки, вызываемые силами трения грунта по боковой поверхности контакта рассчитываемого фундамента определяются из условий предельного сдвига:

                                                                                (164)

где: h -величина заглубления фундамента; если фундамент, заглублен в грунт на одинаковую величину h, то формула (164) имеет множитель 2; если величины заглублений разные, то величины Nb(x) вычисляются для каждой боковой поверхности и затем суммируются;

γ3 - плотность грунта засыпки к моменту подработки здания;

φ3, c3 - угол внутреннего трения и удельное сцепление грунта к моменту подработки здания, принимаются по табл. 15.

7.25. Нагрузки, вызываемые нормальным давлением сдвигающегося грунта на фундаменты, примыкающие к расчетному, определяются по формуле:

                                                                                  (165)

                                                                                                        (166)

где: hi, ai - заглубление фундамента со стороны надвигающегося на него грунта и длина фундамента;

FПi - площадь боковой поверхности i-го фундамента, воспринимающей боковое давление;

 - приведенный модуль боковой деформации грунта, определяемый по формуле: (65).

7.26. NД(ПР)i - предельная величина бокового давления от сдвигающегося грунта вычисляется по формуле:

                                               (167)

Причем при

                                                                                                                   (168)

где:

                                                                                                           (169)

                                                                                              (170)

величина бокового давления определяется по формуле: (167).

Примечание. При устройстве фундаментов враспор со стенками котлована физические характеристики грунта γ, c и φ следует принимать для грунта ненарушенной структуры. При этом dп = 0,2 м.

Если в проекте производства работ по устройству фундаментов нет специальных оговорок, то в расчетах размер пазух засыпки допускается принимать равным 0,5 м для наружных фундаментов и 0,2 м для внутренних.

Рис. 97. График коэффициента условий работы m, учитывающего неполное развитие сил трения по шву скольжения

7.27. Стены подвала (фундаментные стены) должны дополнительно проверяться на боковое нормальное давление грунта и на внецентренное сжатие с учетом вертикальных нагрузок. При этом стену можно рассматривать как простую балку, опорами для которой являются: внизу железобетонный фундаментный пояс и вверху цокольный пояс или перекрытие над подвалом. Такая проверка должна обязательно выполняться для наружных стен при воздействии деформаций сжатия.

7.28. При устройстве шва скольжения ниже планировочной отметки (например, над фундаментными подушками) конструкции фундаментов ниже шва работают по податливой схеме, а выше - по жесткой (комбинированная конструктивная схема фундаментов): при этом нагрузки от сдвигающих сил по боковым поверхностям и от нормального давления грунта учитываются по жесткой схеме на высоте от планировочных отметок (или пола подвала) до отметки шва скольжения.

7.29. Суммарные продольные нагрузки растяжения или сжатия, вызванные силами трения по шву скольжения при сдвиге фундамента, определяются по формуле:

                                                                                                     (171)

где: NПТ - нагрузка, вызванная силами трения по шву скольжения при сдвиге фундаментов вдоль пояса рассчитываемой стены;

NПТ.П - нагрузка, вызванная силами трения при сдвиге фундаментов по шву скольжения под примыкающими стенами и передающаяся на железобетонный пояс под рассчитываемой стеной.

Нагрузка NПТ в любом сечении х определяется по формуле:

                                                                                                 (172)

где: f - коэффициент трения по шву скольжения, принимаемый по табл. 23;

m1 - коэффициент условий работы, учитывающий неполное развитие силы трения по шву скольжения. Принимается по графику рис. 97 в зависимости от длины отсека.

Таблица 23

Материал заполнения шва скольжения

Расход материала кг/м2

Коэффициент трения

Два слоя пергамина прослойкой:

 

 

молотого графита

0,25

0,2

щипаной слюды

1

0,3

инертной пыли

1

0,4

Нагрузка NПТ.П  в любом сечении х рассматриваемого пояса от сдвига фундаментов под примыкающими стенами определяется по формуле:

                                                                                                   (173)

где: m¢1 - коэффициент условий работы, учитывающий неполное развитие силы трения по шву скольжения, принимаемый по табл. 24, в зависимости от количества примыкающих стен на участке;

Таблица 24

Количество учитываемых стен на участке (l-x)

Коэффициент условий работы m¢

Количество учитываемых стен на участке (l-x)

Коэффициент условий работы m¢

1

1

4

0,6

2

0,85

5

0,5

3

0,7

6

0,4

lп - длина стены, примыкающая к рассчитываемой;

tПТ.Пi - максимальная сила трения по шву скольжения под i-й примыкающей стеной, приложенная перпендикулярно поясу и определяемая по формуле:

                                                                                                                  (174)

n - число примыкающих стен на участке (l-x);

P0i - вертикальная нормативная нагрузка в уровне шва скольжения под i-й примыкающей стеной;

f - коэффициент трения по шву скольжения, принимаемый по табл. 23.

ОПРЕДЕЛЕНИЕ ПРИВЕДЕННЫХ ЖЕСТКОСТНЫХ ХАРАКТЕРИСТИК ЗДАНИЯ

7.30. Жесткостные характеристики здания с поперечными и продольными несущими стенами, В которых панели перекрытий размером на комнату опираются по всему контуру или трем сторонам и связаны между собой расчетными связями, определяются для здания в целом, считая, что осадки продольных стен в каждом поперечном сечении одинаковы.

7.31. В зданиях с продольными несущими стенами расчет каждой стены производится отдельно, соответственно определяются и жесткостные характеристики.

7.32. Жесткостные характеристики здания (стены) определяются с учетом надземной и подземной (фундаментно-подвальной) частей.

Если фундаментно-подвальная часть жестко соединена со стенами надземной части, то при определении жесткостных характеристик они рассматриваются как единое целое.

Если фундаментно-подвальная часть представляет собой жесткую конструкцию, отделенную от надземной части швом скольжения, жесткостные характеристики всего здания или стены определяются как сумма жесткостных характеристик надземной и подземной частей здания.

Если надземная часть здания (стены) представляет собой податливую конструкцию, отделенную от подземной части швом скольжения, то при определении жесткостных характеристик она в расчет не принимается.

7.33. При вычислении жесткостных характеристик элементов здания (панелей, перемычек, железобетонных поясов, узловых соединений и т.п.) необходимо учитывать ползучесть бетона (кладки) при длительном действии нагрузки, трещинообразование и податливость стыковых соединений.

При длительном действии нагрузки допускается снижение жесткости сжатых и изгибаемых элементов (при отсутствии в них трещин) путем уменьшения начальных модулей упругости материала панелей (кладки) в соответствии с рекомендациями соответствующих нормативных документов.

Изгибная жесткость В элементов конструкций (перемычек, простенков, цоколя), в которых возможно трещинообразование, определяется по рекомендациям в соответствии с требованиями главы СНиП по проектированию бетонных и железобетонных конструкций и других нормативных документов в зависимости от материала стены; а с учетом длительного действия нагрузки - по рекомендациям раздела 8 настоящего Руководства.

Жесткость растянутых элементов определяется с учетом ползучести бетона при длительном действии нагрузки, трещинообразования и податливости стыковых соединений по указаниям п. 7.40.

ОПРЕДЕЛЕНИЕ СДВИГОВОЙ ЖЕСТКОСТИ

7.34. Приведенная сдвиговая жесткость (GF) коробки здания в целом вычисляется как сумма приведенных сдвиговых жесткостей наружных и внутренних стен.

Приведенные сдвиговые жесткости стен определяются как сопротивление единичному перекосу участков, равных половине расчетной длины здания.

7.35. Приведенная сдвиговая жесткость (GF) внутренней продольной стены (рис. 98), ослабленной вертикальными рядами дверных проемов кирпичных, блочных, панельных зданий, вычисляется по формуле:

                                                                                 (175)

где: g - число участков, ослабленных проемами, на половине расчетной длины здания;

l - половина расчетной длины здания;

lf - ширина проемов f-го вертикального ряда дверных проемов в надземной части стены;

FCT - приведенная площадь вертикального сечения сплошного участка стены (приведенная к модулю сдвига материала надземной части стены);

GBH - модуль сдвига материала надземной части стены;

[GF]j - приведенная сдвиговая жесткость f-го участка стены, ослабленного проемами только в надземной части, определяется по формуле:

                                                                                                (176)

В случае наличия проема шириной lцf также и в цокольной части f-го участка стены второе слагаемое формулы (176) принимается равным:

                                                                                                         (177)

В формулах (176) и (177) Bf, Bцf - изгибная жесткость перемычек соответственно в надземной и цокольной частях стены;

Gц, Fц- соответственно модуль сдвига и площадь поперечного сечения цокольной части стены.

В случае платформенного стыка панелей перекрытий к изгибной жесткости перемычек Bf следует добавлять изгибную жесткость примыкающих участков перекрытий. Ширину прилегающих участков перекрытий допускается принимать равной шести толщинам перекрытий (с каждой стороны).

Рис. 98. Схема внутренней продольной стены

а - развертка стены; б - сечение 1-1; в - сечение 2-2; г - сечение 3-3; д - сечение 4-4; 1 - ось симметрии; 2 - цоколь; 3 - фундамент

7.36. Приведенная сдвиговая жесткость наружной продольной стены панельного здания (рис. 99) определяется по формуле:

                                                                                                    (178)

где: t - число вертикальных столбцов панелей на половине расчетной длины здания;

dr - ширина панелей r-го вертикального столбца (расстояние между вертикальными стыками);

[GF]r - приведенная сдвиговая жесткость r-го столбца панелей, равная:

                                                                                           (179)

k - количество этажей; h - высота этажа; [GF]ц - приведенная сдвиговая жесткость цокольной части стены, определяемая по формуле:

                                                                                           (180)

где:

Bц.н, Fц.н - соответственно изгибная жесткость и площадь поперечного сечения цокольной части стены; ηjr - жесткостная характеристика панели-го этажа -го вертикального столбца.

Для глухих (без проема) панелей (рис. 100):

                                                                                                             (181)

где: δ - суммарная толщина несущих слоев стеновой панели.

Характеристику ηok для панелей с оконными проемами допускается определять как для рамных конструкций.

Для панелей с оконным проемом при соединении панелей между собой только в углах (см. рис. 100, а):

                                                           (182)

Для балконной панели с дверными проемами (см. рис. 100, а):

m=0,5; n=0,25iв+0,5ic

Рис. 99. Схема наружной продольной стены

а - развертка стены; б - расчетная схема; 1 - ось симметрии (совпадает с i-м швом); 2 - цоколь; 3 - фундамент

Рис. 100. Схема соединения панелей к определению жесткостной характеристики панели при перекосе

а - соединение панелей только в углах; б - соединение панелей в вертикальных стыках рассредоточенными связями

В этих формулах hp - расстояние между осями надоконной и подоконной перемычек;

dp - расстояние между осями простенков; Be, Bн, Bc - соответственно изгибные жесткости верхней и нижней перемычек и простенков панели.

При опирании перекрытий на наружные стены к изгибной жесткости верхней перемычки следует добавлять изгибную жесткость примыкающего участка перекрытий шириной, равной шести толщинам перекрытий, если последние соединены между собой расчетными жесткостными связями. При отсутствии жестких связей перекрытия в расчет не принимаются.

При наличии рассредоточенных связей сдвига между перекрытиями и верхней перемычкой допускается рассматривать их как работающие совместно.

Для панелей с оконным проемом при соединении их между собой в вертикальных стыках с рассредоточенным по высоте замоноличенными связями (см. рис. 100, б):

                                                (183)

Для балконной панели с дверным проемом (см. рис. 100, б):

В этих формулах  - изгибная жесткость сечения, образованного простенками смежных панелей; d - ширина панелей (расстояние между вертикальными стыками).

Жесткостную характеристику спаренной панели допускается определять как сумму жесткостных характеристик, определенных отдельно для каждой из составляющих ее панелей.

7.37. Сдвиговая жесткость наружной стены кирпичных и крупноблочных зданий определяется по формуле:

                                                                                                    (184)

где: l - полудлина здания; t - количество шагов по осям простенков; dr - шаг по осям простенков; [GF]у - сдвиговая жесткость в пределах одного шага;

                                                                                         (185)

где: [GF]jn - приведенная сдвиговая жесткость поперечного сечения пояса -го этажа, определяемая по формуле:

                                                                                           (186)

где: Gjn, Fjn, Bjn - соответственно модуль сдвига, площадь поперечного сечения и изгибная жесткость пояса; df - ширина оконного проема; [GF]ц - приведенная сдвиговая жесткость цокольной (фундаментной) части стены, определяемая по формуле: (180).

ОПРЕДЕЛЕНИЕ ИЗГИБНОЙ ЖЕСТКОСТИ

Приведенную изгибную жесткость здания при отношении высоты H здания к его длине L  допускается принимать бесконечно большой.

7.38. Приведенная изгибная жесткость коробки здания (стены) при  определяется с учетом совместной работы продольных стен (включая подземную часть) и перекрытий (рис. 101).

В состав расчетного сечения вводятся: в растянутой зоне - сквозные арматурные пояса продольных стен и перекрытий, которые условно сосредоточиваются в уровне перекрытия; в сжатой зоне - надпроемные и подпроемные участки продольных стен и перекрытий.

Площади сечения рабочей продольной арматуры растянутых и сжатых перекрытий учитываются на участках, примыкающих к расчетным связям. Ширина этих участков принимается равной трем толщинам перекрытия.

7.39. Приведенная изгибная жесткость коробки здания (или отдельной стены) при расчете на изгиб (при кривизне земной поверхности) расчетная схема (рис. 102), определяется по формуле:

                                                                  (187)

где: m - количество продольных стен в поперечном сечении коробки здания; yj - расстояние от центра тяжести цокольной части здания до верхней грани перекрытия j-го этажа; y0 - расстояние от центра тяжести цокольной части здания (или нижнего расчетного пояса при отсутствии цоколя) до условной нейтральной оси вертикального сечения здания (или стены), определяемое по формуле:

                                                                                                                            (188)

Рис. 101. Расчетная схема здания к определению приведенной изгибной жесткости коробки здания

а) - коробка здания; б - схема усиления в сечении 1-1 коробки здания

где: μj - приведенная податливость поясов j-го этажа, включая фундаментную часть, определяется по формуле:

                                                                                                          (189)

где: [EF]j - жесткость всех поясов (перекрытий и продольных стен) j-го этажа поперечного сечения всей коробки или продольной стены, условно располагаемых при расчете в уровне перекрытия над j-м этажом; χj- характеристика, учитывающая отклонение от закона плоских сечений при изгибе стены, определяемая по формуле:

                                                                            (190)

где:  - усредненное расстояние между вертикальными стыками панелей наружных стен; [GF]jлев(пр) - приведенные сдвиговые жесткости левой и правой (от рассматриваемого ro сечения) частей коробки здания, определяемые по формулам:

                                                                             (191)

где: [GF]внjлев(пр), - приведенная горизонтальная сдвиговая жесткость соответственно внутренних и наружных продольных стен, расположенных слева (справа) от рассматриваемого r-то сечения [GF]внjлев(пр), определяемая по формуле:

                                                                                           (192)

где: SFлев(пр) - суммарная площадь горизонтального сечения (в уровне проемов) участков внутренних продольных стен, расположенных слева (справа) от рассматриваемого r-го сечения.

При расчете отдельной стены формулы (191) приобретают вид:

при расчете наружной стены:

                                                                                                (193)

Рис. 102. Расчетные схемы зданий

а - при расчете на изгиб; б - при расчете на изгиб с растяжением

при расчете внутренней стены:

                                                                                             (194)

В формулах (187) и (188)  - жесткость подземной части здания в целом при растяжении или сжатии, равная сумме приведенных жесткостей подземных частей наружных и внутренних продольных стек и определяемая по аналогии с [EF]i;  -изгибная жесткость подземной части здания, равная сумме приведенных изгибных жесткостей подземных частей наружных и внутренних стен при расчете здания в целом, каждая из которых определяется по формуле:

                                                                                               (195)

где: Bц.б - изгибная жесткость цоколя, определяемая по формуле: Bц.б=0,85 Ец/ц без учета возможного трещинообразования в теле цокольной панели; dср.ц - усредненное расстояние между вертикальными стыками цокольных панелей; hц.с - расстояние между арматурными поясами, расположенными у верхней и нижней граней подземной части здания; λ - податливость стыкового соединения цокольных панелей, определяемая экспериментальным путем в зависимости от конструктивного решения стыка; для некоторых типов стыковых соединений λ при растяжении λр приведена в табл. 25; при отсутствии экспериментальных данных допускается принимать λ = 0.

7.40. Жесткость армированного элемента при растяжении с учетом трещинообразования и податливости стыковых соединений определяется по формуле:

                                                                                                 (196)

где: λр - податливость стыкового соединения; ψ - коэффициент, учитывающий работу растянутого бетона на участках между трещинами; для железобетонных растянутых элементов с учетом длительного действия нагрузки при определении жесткостных характеристик здания коэффициент ψ допускается принимать равным 0,7.

Жесткость армированного элемента при сжатии определяется по формуле:

                                                                                                (197)

где: Fбj- площадь бетонного сечения рассматриваемого элемента; Faj - суммарная площадь арматуры в элементе.

При расчете кирпичных зданий с железобетонными поясами в стадии до образования трещин учитывается совместная работа кладки в поясе (как комплексной конструкции). В этом случае в формуле (196) вместо EaFaj принимается EkFkj+EaFaj600/Ra, где: Ек - модуль деформации кладки, определяемый по СНиП на проектирование каменных и армокаменных конструкций; Fkj - площадь кирпичного сечения рассматриваемого элемента.

Таблица 25

Тип стыка

Характеристика и конструктивная схема стыка

Диаметр стержня, мм

Марка бетона панели

Предельно допустимые растягивающие усилия в связях замоноличенных стыков между панелями фасадной наружной стены и коэффициенты податливости (на одну связь) при ширине раскрытия одной трещины в стыках-

1 мм

0,3 мм

коэффициент податливости, 10-21/МПа×м

предельно допустимые усилия, кН

коэффициент податливости, 10-21/МПа×м

предельно допустимые усилия, кН

I

Заманоличенные стыки со сваркой выпусков

12

М 200 и выше

4

25

1?7

18

12

М 150 и ниже

4,5

22

1.9

16

10

М 200 и выше

5

20

2

15

10

М 150 и ниже

5

18

2,3

13

II

Замоноличенные стыки с соединением петлевых выпусков неприваренными скобками

12

М200 и выше

5

20

2,3

13

12

М 150 и ниже

5,5

18

2,5

12

10

М 200 и выше

6

16

2,7

11

10

М 150 и ниже

6,5

15

3

11

Примечания: 1. При плотном примыкании отгибов скоб к петлевым выпускам предельное допустимое усилие на одну связь повышается на 10 %, а коэффициент податливости уменьшается на 10 % по сравнению с характеристиками стыков типа II.

2. Для замоноличивания применяется тяжелый бетон марки М 200.

7.41. Приведенная изгибная жесткость здания при расчете на изгиб с растяжением и на изгиб со сжатием при совместном действии вертикальных и горизонтальных деформаций (расчетную схему смотрите рис. 102) определяется по формуле:

                                                                                                (198)

где: у0 - расстояние от низа цокольной части здания (или нижнего расчетного пояса при отсутствии цоколя) до условной нейтральной оси вертикального сечения здания.

Расстояние у0 определяется по формуле:

                                                                                                                (199)

где: уi - расстояние от низа цокольной части здания до верхней грани перекрытия j-го этажа.

Приведенная податливость поясов j-го этажа определяется по формуле: (189). Жесткость поясов [EF]j при расчете на изгиб с растяжением определяется по формуле: (196), а при расчете на изгиб со сжатием по формуле: (197).

7.42. В случае, когда наружные продольные стены имеют двухрядную поясную разрезку, допускается учитывать при определении жесткостных характеристик здания пояса, образованные панелями, соединенными между собой расчетными связями.

Сдвиговая жесткость наружной стены определяется по формуле:

                                                                                         (200)

где: [GF]jн - приведенная сдвиговая жесткость поперечного сечения пояса j-го этажа определяется по формуле: (180) так же, как и изгибная жесткость всего здания определяется по формулам (187) или (198) с добавлением слагаемого ,представляющего собой сумму приведенных изгибных жесткостей поясов, каждая из которых определяется по формуле: (195). Одновременно с этим при вычислении μj в формулах (191) и (193) следует принимать ηji=0, а в [EF]j  площадь сечения поясов наружных стен не учитывать.

При наличии балконных проемов (более одного на каждую стену секции здания) собственную сдвиговую и изгибную жесткость поясов при подсчете жесткостных характеристик здания можно не учитывать (принимать их равными нулю).

7.43. Жесткостные характеристики зданий, у которых отсутствует сплошная внутренняя продольная стена и имеются только отдельные, не связанные друг с другом участки стены (например, в местах расположения лестничных клеток), определяются для здания в целом по приведенным рекомендациям, если соблюдаются конструктивные условия, указанные в п. 7.30.

При этом [GF]вн и [GF]внjлев, [GF]внjnр, определяемые соответственно по формулам (175) и (192), принимаются равными нулю.

7.44. Жесткостные характеристики зданий того же типа, что описаны в п. 7.31, но с несущими (навесными и т.п.) панелями надземной части наружных продольных стен определяются для здания в целом. При этом [GF]н  принимается равной [GF]ц, а ηji в формуле (191) и (193) принимается равной нулю.

Примечание. При этом соответствующим конструированием стыков необходимо исключить из работы панели надземной части наружных продольных стен.

7.45. Приведенная изгибная жесткость кирпичных и крупноблочных зданий определяется также по формулам (187)-(199). При этом в формуле (189) при вычислении [EF]j в состав расчетного сечения вводится: в кирпичных зданиях - сквозная арматура железобетонных поясов; в крупноблочных зданиях - сквозная арматура перемычных блоков.

В формулах (191), (193) ηji сдвиговая жесткость простенка одного столбца определяется по формуле:

                                                                                                              (201)

где: Ecr - расчетный модуль упругости материала простенков стены каменных зданий; Icr - момент инерции стен, образовывающих простенки.

Характеристику xj в случае одинаковых простенков, кроме формулы (190), можно определять также по формуле:

                                                                                                   (202)

где: s - общее число стоек стены здания; r - число стоек до ближайшего торца рассматриваемого сечения; dcp - расстояние между осями простенков.

ОПРЕДЕЛЕНИЕ ОБОБЩЕННЫХ УСИЛИЙ В ЗДАНИЯХ НА ИСКРИВЛЕННОМ ОСНОВАНИИ

7.46. Величины осадок W(x), прогиба здания Y(x), отпора грунта P(x), изгибающего момента M(x)и поперечной силы Q(x)в бескаркасных зданиях рассматриваемых по балочной расчетной схеме с использованием линейно-упругой системы основания, при расчете в общем случае на совместное воздействие кривизны и горизонтальных деформаций (рис. 103; 104) определяются по формулам:

                                                                                           (203)

где: Wk(x), Uk(x), Pk(x), Mk(x), Qk(x)- величины обобщенных перемещений и усилий при расчете на воздействие вертикальных деформаций основания кривизны, определяются по формулам:

                                                                         (204)

                                                                      (205)

Рис. 103. Расчетная схема к расчету здания на кривизну основания

Рис. 104. Расчетная схема к расчету здания на касательные нагрузки

EI - приведенная изгибная жесткость; GF - приведенная сдвиговая жесткость; q - приведенная погонная нагрузка на балку; x - расстояние от оси симметрии отсека до рассматриваемого сечения; C - коэффициент жесткости основания (средний), определяемый по главе СНиП II-8-78, прил. 2, п. 7; l - полудлина здания; We(x), Ue(x), Pe(x), Me(x), Qe(x) - величины обобщенных перемещений и усилий при расчете на воздействие горизонтальных деформаций основания, определяются по формулам:

                                                                            (206)

N - равнодействующая касательных нагрузок от горизонтальных деформаций основания, определяется расчетом по настоящему руководству;

Y0 - расстояние от низа цокольной части здания (или фундамента) до условной нейтральной оси вертикального сечения.

Примечание. В формулах знак над чертой принимается при расчете здания на выпуклость при горизонтальных деформациях растяжения; под чертой - на вогнутость при горизонтальных деформациях сжатия.

7.47. Обобщенные усилия и перемещения с учетом нелинейной зависимости осадок от давления в бескаркасных зданиях рассматриваемых по балочной расчетной схеме определяются с использованием средних величин двух коэффициентов жесткости основания, идеализируемого билинейной диаграммой, действующих в зонах с уменьшенным (разгружающим) и увеличенным (догрузка) давлением под подошвой фундамента Cy и Cн.нл. Коэффициенты жесткости основания Cy и Cн.нл принимаются постоянными на участках догрузки и разгрузки и определяются с учетом рекомендаций пп. 9-11 прил. 2 СНиП II-8-78.

Границы зон, где действуют коэффициенты Cy и Cн.нл, принимаются по первому приближению и определяются из условия равенства нулю эпюр приращения реактивного отпора на этих участках для абсолютно жесткой балки. Безразмерная координата границы зон нагружения и разгрузки  определяется из зависимости:

                                                                                                        (207)

или по графику рис. 105.

где: l1 - абсцисса границы зон догрузки и разгрузки.

7.48. Величины осадок Wнл(x), прогиба здания Uнл(x), отпора грунта Pнл(x), изгибающего момента Mнл(x), и поперечной силы Qнл(x)в бескаркасных зданиях, рассматриваемых по балочной расчетной схеме с использованием нелинейно-упругой системы основания при расчете на совместное воздействие кривизны и горизонтальных деформаций (рис. 106-107), определяется по формулам:

                                                                                   (208)

где: Wk.нл(x); Uk.нл(x); Pk.нл(x); Mk.нл(x); Qk.нл(x) - величины обобщенных перемещений и усилий при расчете на воздействие вертикальных деформаций основания (кривизны) определяются по формулам:

                                                                  (209)

                                                        (210)

Рис. 105. График зависимости t от a

Рис. 106. Расчетная схема к расчету здания на кривизну основания с учетом нелинейной зависимости осадок от давления

Рис. 107. Расчетная схема к расчету здания на горизонтальные касательные нагрузки с учетом нелинейной зависимости осадок от давления здания

Рис. 108. Номограмма коэффициентов ha и ca.

We.нл(x), Ue.нл(x), Pe.нл(x), Me.нл(x), Qe.нл(x)- величина обобщенных перемещений и усилий при расчете на воздействие горизонтальных деформаций основания:

                                                                     (211)

где:

                                                                                                 (212)

7.49. Коэффициенты A, ηα, cα, ηε.нл могут быть определены в зависимости от коэффициентов α, β, λ, r по номограммам рис. 108, 109.

Рис. 109. Номограмма коэффициента he нл

Рис. 110. Номограмма для определения безразмерных величин моментов

Рис. 111. Номограмма для определения безразмерных величин поперечных сил

Рис. 112. Номограмма для определения безразмерных величин осадок  при выпуклости земной поверхности

Рис. 113. Номограмма для определения безразмерных величин осадок  при вогнутости земной поверхности

7.50. Обобщенные усилия M(xQ(x), а также осадки W(x)при расчете на воздействие вертикальных и горизонтальных деформаций основания для линейно-упругой системы могут быть определены с помощью номограмм (рис. 110-113) по формулам:

                                                                                                      (213)

где: , ,  - безразмерные величины осадок, изгибающих моментов и поперечных сил в любом сечении балки от вертикальных либо горизонтальных деформаций основания, определяемые по номограммам рис. 110-113 в зависимости от параметров V, λ, r которые вычисляются:

при расчете на вертикальные деформации основания:

                                (214)

Рис. 114. График коэффициента а

Рис. 115. График для определения

Рис. 116. График для определения

Рис. 117. График для определения ηr

ОПРЕДЕЛЕНИЕ ОБОБЩЕННЫХ УСИЛИЙ В ЗДАНИЯХ НА СТУПЕНЧАТО ОСЕДАЮЩЕМ ОСНОВАНИИ

7.51. При расчете зданий на ступенчатое оседание основания с учетом конечной изгибной жесткости при λ > 2 обобщенные максимальные изгибающие моменты и поперечные силы с учетом приведенных жесткостей EI и GF определяются по формулам:

от воздействия уступа при неизвестном его положении в основании здания:

                                                                                                  (215)

где: , - безразмерные величины, находятся по графикам рис. 115-116 в зависимости от безразмерных параметров , λ, r; , λ, r - определяются по формулам (214);

от горизонтальных деформаций основания:

                                                                                            (216)

где: N - равнодействующая сдвигающих усилий с половины отсека; y0 - расстояние плоскости действия касательной нагрузки до условной нейтральной оси; ηr- безразмерный параметр, определяемый по рис. 117 в зависимости от λ, (см. (214); cr- безразмерный параметр, определяемый по формуле:

При известном положении уступа в основании здания, если приведенная высота уступа , величины изгибающих моментов в 10 сечениях балки и максимальных поперечных сил при заданной координате уступа x определяются по формулам:

                                                                                          (217)

Рис. 118. Номограмма для определения безразмерных величин изгибающих моментов  в зависимости от параметров , l, r. Уступ в сечении x = 0,1

Рис. 119. Номограмма для определения безразмерных величин изгибающих моментов  в зависимости от параметров , l, r. Уступ в сечении x = 0,2

Рис. 120. Номограмма для определения безразмерных величин изгибающих моментов  в зависимости от параметров , l, r. Уступ в сечении x  = 0,3

Рис. 121. Номограмма для определения безразмерных величин изгибающих моментов  в зависимости от параметров , l, r. Уступ в сечении x  = 0,4

Рис. 122. Номограмма для определения безразмерных величин изгибающих моментов  в зависимости от параметров , l, r. Уступ в сечении x  = 0,6

Рис. 123. Номограмма для определения безразмерных величин изгибающих моментов  в зависимости от параметров , l, r. Уступ в сечении x  = 0,7

Рис. 124. Номограмма для определения безразмерных величин изгибающих моментов  в зависимости от параметров , l, r. Уступ в сечении x  = 0,8

Рис. 125. Номограмма для определения безразмерных величин изгибающих моментов  в зависимости от параметров , l, r. Уступ в сечении x  = 0,9

Рис. 126. График зависимости  от l, r для уступа в сечении x у=0,6

Рис. 127. График зависимости  от l, r для уступа в сечении x у =0,7

Рис. 128. График зависимости  от l, r для уступа в сечении x у =0,8

Рис. 129. График зависимости  от l, r для уступа в сечении x у =0,9

где: - безразмерная величина, определяется по рис. 118-125 в сечении x = 0,1; 0,2, ...; 0,9;

 - безразмерная величина, определяется по рис. 126-129 для местоположения уступа в сечении ξy = 0,6; 0,7; 0,8; 0,9.

ПРИМЕРЫ РАСЧЕТА

Пример 1.

Дом девятиэтажный крупноблочный. Рассчитывается одна продольная стена на совместное воздействие уступа и горизонтальных деформаций. Исходные данные: длина отсека l= 36,8 м; активная нагрузка q= 51,1´104 Н/м; равнодействующая горизонтальной касательной нагрузки N0 = 1214 кН; погонный коэффициент жесткости основания Ccp= 1176´104 Н/м3; приведенные жесткости здания El =8,345´109 Па×м4, GF =16,7´108, Па×м2; расстояние до нейтральной оси y0 = 1,54 м; расчетная высота уступа hp = 0,08 м; Рассматриваются два положения уступа в основании здания на расстоянии 7,4 и 25,8 м, а также неизвестное положение уступа.

Вычисляем безразмерные параметры:

Mmax и Qmax от воздействия уступа при  определяем по графикам рис. 118-129;

При ξy=0,4

При ξy =0,7;

Mh,max= -0,004×51,1×104×36,82 = - 277´104Н×м;

Qh,max= 0,0155×51,1×104×36,8 = 29×104 Н.

Определяем максимальные обобщенные усилия от горизонтальных деформаций основания:

При ξy =0,4; μ=0,041;

 

Определяем коэффициент hГ:

cГ= (1-0,667m2r2)= (1-0,112´1,19) =0,86;

При zу=0,7; m=0,534;

cГ = (1-0,667m2r2)= (1-0,667´0,285´1,19) =0,77;

Совместное воздействие уступа и горизонтальных деформаций основания при ξy =0,4:

Mmax=(346 + 59,9)´10= 405,9´10Н×м;

Qmax= (62 + 22,6) ´104= 84,6´104 Н;

При ξy =0,7:

Mmax=(-277+24,6)´10= -252,4´104 Н×м;

Qmax= (29+4,8) 104 = 33,8´10Н.

Пример 2.

По исходным данным примера 1 для высоты уступа 0,12 м при неизвестном положении уступа определить при помощи графиков на рис. 110 и 111 Mmax и Qmax от воздействия уступа.

Определяем коэффициенты , λ, r:

λ = 5;

r= 1,09.

По графикам определяем  и :

Определяем величины максимальных обобщенных усилий:

ОПРЕДЕЛЕНИЕ УСИЛИЙ В КОНСТРУКЦИЯХ ЗДАНИЙ

7.52. Расчетные усилия в конструкциях, их соединениях в панельных зданиях, в поясах и перемычках кирпичных и блочных зданий при расчете по упрощенной схеме определяются исходя из обобщенных изгибающих моментов M и обобщенных поперечных сил Q, действующих в расчетном сечении коробки здания.

7.53. Распределение продольных усилий и перерезывающих сил в вертикальном сечении здания (стены) производится при H/L³ 0,75 как для бесконечно жесткой балки в соответствии с рекомендациями пп. 13-16 прил. 1 РСН 297-78.

При H/L<0,75 распределение усилий в вертикальном сечении здания (стены) производится как для балок конечной жесткости в соответствии с пп. 7.54-7.58 настоящего Руководства.

7.54. Продольное усилие от изгибающего момента в расчетном поясе j-го этажа (включая цоколь и фундамент) r-го вертикального стыка при расчете на изгиб с растяжением (совместный учет кривизны и горизонтальных деформаций) определяется по формуле:

                                                                                                                          (218)

где: Mr - изгибающий момент в r-м сечении коробки здания; [EI]r; yor; μjr- характеристики, определяемые по п. 7.39 для r-го сечения коробки здания.

Продольные усилия в этом же расчетном поясе и сечении от перенесенной на ось касательной нагрузки N определяются по формуле:

                                                                                                       (219)

где: Nr - касательная нагрузка в r-м сечении коробки здания. Суммарное продольное усилие в расчетном поясе j-го этажа r-го вертикального стыка определяется как сумма продольных усилий от изгибающего момента и касательной нагрузки:

                                                                                                 (220)

Суммарное усилие Njr распределяется между отдельными элементами расчетного пояса (связями панелей, перекрытий, поясов и т.д.) пропорционально их расчетным жесткостям [EI]j.

7.55. Продольное усилие при расчете только на изгиб (кривизну) в расчетном поясе j-го этажа r-го сечения определяется по формуле: (218). Продольное усилие в цокольной части каждой стены здания определяется по формуле:

                                                                                             (221)

7.56. Изгибающий момент в цокольной части каждой стены здания (при расчете на изгиб) определяется по формуле:

                                                                                                      (222)

7.57. Сдвигающие усилия  в стыке между плитами перекрытий (если они соединены расчетными связями) и продольной наружной стеной r-го столбца j-го этажа (рис. 130) определяются по разности продольных усилий во всех поясах плит перекрытий  рассматриваемого этажа, по формуле:

                                                        (223)

Сдвиговые жесткости, указанные в формуле (223), подсчитываются по формулам (181)-(183), (191)-(194) для той части здания (левой или правой), у которой меньше длина, и относительно того сечения, в котором усилия в соединениях перекрытий больше (для сечения r+1 при ).

Сдвигающее усилие в горизонтальном стыке панелей, панельном и горизонтальном сечении кирпичной и крупноблочной продольной и наружной стены в уровне перекрытия над j-м этажом r-го столбца определяется с учетом всех продольных внутренних сил (включая ), приложенных к рассматриваемому вертикальному столбцу (выделенному из стены двумя соседними сечениями) выше j-го горизонтального сечения по формуле:

                                                    (224)

где:  и  - продольные усилия в i-м арматурном поясе (i>j) стеновой панели панельного здания, в i-м арматурном поясе блочного здания, i-м железобетонном поясе кирпичного здания. Усилия в поперечных соединениях плит перекрытий j-го этажа r-го столбца, а также сдвигающие усилия в горизонтальных стыках внутренних стен с плитами перекрытий определяются исходя из условия равновесия рассматриваемых фрагментов зданий с учетом определенных по формуле: (223) усилий.

Рис. 130. Схема усилий взаимодействия между панелями перекрытий и продольных стен

7.58. Сдвигающие усилил в вертикальных стыках и соединениях поперечных и продольных стен рекомендуется определять с использованием стандартных программ для ЭВМ, как показано в примере расчета бескаркасных зданий в настоящем Руководстве и разд. 5 Руководства по проектированию конструкций панельных жилых зданий для особых грунтовых условий (М.: Стройиздат, 1982).

ПРИМЕР РАСЧЕТА БЕСКАРКАСНОГО КРУПНОПАНЕЛЬНОГО ЗДАНИЯ НА ДЕФОРМИРУЕМОМ ОСНОВАНИИ

Расчетные предпосылки

1. Расчет зданий производится на основе комбинированной расчетной схемы с использованием двух расчетных схем.

Первая расчетная схема принимается в виде системы перекрестных балок, лежащих на деформируемом основании. Она служит для определения усилий взаимодействия между основанием и зданием, являющихся нагрузкой на здание со стороны деформируемого основания. С помощью этой расчетной схемы может производиться учет произвольных форм оседаний поверхности основания, его нелинейных и длительных деформаций, определение наибольших обобщенных усилий в стенах здания.

Вторая расчетная схема принимается для отдельных стен здания в виде пластинчато-стержневой системы. Она предназначается для определения напряжений и деформаций в элементах конструкций здания. Нагрузками в этой расчетной схеме являются: постоянные, временные длительные и от деформаций основания (реактивные усилия со стороны основания и силы взаимодействия между продольными и поперечными стенами, определяемые в результате расчета по первой расчетной схеме).

2. Расчетная схема основания принимается в виде модели переменного коэффициента жесткости. Деформационные свойства основания определяются одновременно двумя коэффициентами жесткости Ссж (сжатие) и Ссд (сдвиг). Коэффициенты жесткости определяются по рекомендациям, изложенным в прил. 2 СНиП II-8-78, или по другим обоснованным методам.

3. Численные расчеты производятся по стандартным программным комплексам расчета пластинчато-стержневых систем.

Вначале рассчитываются отдельные пластинки, на которые можно разбить стену, на заданные смещения и формируются матрицы жесткости. Полученные матрицы жесткости используются при расчете стены как системы пластинок методом конечных элементов (МКЭ) на приложенные к ней нагрузки. Коэффициенты жесткости связей между пластинчатыми элементами стен определяются по рекомендациям Пособия по расчету крупнопанельных зданий. Вып. 1. «Характеристики жесткости стен, элементов и соединений крупнопанельных зданий». (М.: Стройиздат, 1974).

Применение способа «суперэлементов» позволяет сократить время счета. В случае если программный комплекс не позволяет использовать конечные элементы, задаваемые численной матрицей жесткости, расчет стен необходимо производить обычным способом, т.е. представлять их в виде набора плоских конечных элементов и стержней.

В результате расчета определяются реакции опорных стержней, усилия в стержнях стыков, а также вертикальные z и горизонтальные х перемещения узлов.

4. На основе этого расчета подсчитываются величины нормальных Nic, поперечных Qic, сил, а также величины изгибающих моментов Mic(z) по сечениям стены в местах стыка панелей.

5. Подсчитываются обобщенные значения нормальных NiБ и поперечных QiБ сил, а также величины изгибающих моментов MiБ(z) как для обыкновенной балки в тех же сечениях. При этом должны удовлетворяться условия:

                                                                                         (225)

Первые два уравнения (225) удовлетворяются автоматически, что говорит о правильности расчета стены по МКЭ. В уравнения MiБ(z) войдут величины hi (рис. 131). Эти уравнения имеют вид:

                                                      (226)

Величины h0, h1, ..., hi находятся на основании третьего условия (225), приравнивая последовательно , ....  и т.д.

Рис. 131. Расчетная схема балки

6. Жесткости балок на изгиб EI и на растяжение-сжатие EF подбираются исходя из условий равенства вертикальных и горизонтальных перемещений стены и балки по формулам:

                                                                                                   (227)

где: z и x - соответственно вертикальные и горизонтальные перемещения, полученные в результате расчета стены по МКЭ;

М и N - соответственно изгибающий момент и нормальная сила, полученные на основе расчета балки, заменяющей стену. Эпюра М строится со стороны растянутого волокна. Эпюры М, z и x строятся на определенном расстоянии от низа стены. Производные z’’ и x находятся по формулам численного дифференцирования:

7. После того как выбраны расчетные параметры каждой стены в отдельности, пространственная коробка здания заменяется системой перекрестных балок. Расчетные параметры балочных аналогов стен подсчитываются относительно осей, выбранных на расстоянии z от низа стены. Это дает нам право состыковать балки в перекрестную систему в расчетной плоскости, отстоящей от низа стены на расстоянии z.

На рис. 148 представлена расчетная схема здания как системы перекрестных балок. За расчетную принята плоскость хОу. Начало общей системы координат принято в центре балочного аналога торцевой стены. Геометрические размеры перекрестной системы в точности совпадают по сечениям 1-1 и 3-3 с наружными продольными стенами: по 2-2 с внутренней продольной стеной; по 4-4 с торцевой, по 5-5 и 6-6 с внутренними поперечными стенами. Соединение внутренних стен с наружными считается жестким.

Для учета работы грунтового основания при деформировании каждой из балок системы из своей плоскости в узлы, объединяющие жесткие опоры и грунтовые стержни, добавлено по одному горизонтальному стержню с жесткостью, равной жесткости горизонтального стержня, лежащего в плоскости балки, т. е. предполагается, что в горизонтальной плоскости грунт обладает одинаковыми свойствами во всех направлениях.

Перекрестная система загружается теми же нагрузками, что и отдельные балки.

В результате расчета перекрестной системы на ЭВМ получаются значения вертикальных и горизонтальных перемещений системы, а также усилия в балках перекрестной системы и в опорных стержнях. В частности, определяются усилия в местах примыкания продольных и поперечных стен.

8. После расчета перекрестной системы следует каждую стену снова рассматривать отдельно. При этом стена нагружается внешней заданной нагрузкой и силами взаимодействия (которые учитывают совместную работу данной стены с остальными стенами здания). Усилия взаимодействия распределяются по высоте стены.

Производится повторный расчет каждой стены в отдельности на воздействие нагрузок и усилий взаимодействия стен. На основании: этого расчета определяются нагрузки, действующие на каждую панель стены. Далее известными методами производится расчет наиболее нагруженных панелей, определяется их напряженное состояние и составляются условия прочности.

Расчет

На основе метода сведения пространственной коробки здания к системе перекрестных балок выполнен расчет 9-этажного жилого крупнопанельного дома, запроектированного для строительства на подрабатываемых территориях.

Нагрузкой является собственная масса здания, а также вертикальные и горизонтальные смещения основания. Вертикальные смещения основания заданы по цилиндрической поверхности с образующей, параллельной поперечным стенам здания. Расчетные деформации земной поверхности приняты: R = 7 км; ε= 5´10-3. Коэффициенты жесткости грунтового основания принимаются: Ссж = 4972´104 Н/м3; Ссд= 0,7´Ссж = 3480´104 Н/м3.

Подробно предлагаемый метод поясним на примере наружной продольной стены здания.

Развертка стены показана на рис. 132.

Фундаментные подушки укладываются на выровненное песчаное основание. По фундаментным подушкам устраивается сборно-монолитный пояс, воспринимающий приходящиеся на него усилия от вертикальных и горизонтальных деформаций основания. Размеры поперечного сечения блоков фундаментного пояса 600´580 мм. Блоки изготовляются из тяжелого бетона марки М400.

Цокольные панели изготовляются из тяжелого бетона в соответствии с проектом. На боковых гранях панелей предусмотрены шпонки, обеспечивающие совместную работу с примыкающими конструкциями после замоноличивания стыков бетоном.

Наружные стеновые двухшаговые однослойные панели выполняются из керамзитобетона толщиной 400 мм при плотности керамзитобетона 1400 кг/м3 марки 100.

Однослойные двухшаговые парапетные панели выполняются из керамзитобетона слитной структуры на пористых заполнителях толщиной 400 мм. Марка бетона М 75, плотность керамзитобетона 1200 кг/м3.

Расчетная схема стены по МКЭ приведена на рис. 133.

Фундаментный пояс и цокольные панели набраны рядом конечных элементов (прямоугольных и треугольных), соединенных в узлах шарнирами.

Стена (с первого по девятый этаж) набрана одношаговыми панелями с оконными и дверными проемами, которые соединены между собой в вертикальных стыках связями, работающими на растяжение, сжатие и сдвиг. Жесткость соединительных связей будет различна в зависимости от того, аппроксимируют ли они шов между панелями или тело панели.

Рис. 132. Развертка наружной продольной стены

Рис. 133. Расчетная схема стены

Таблица 26

Тип

№ связей

Тип

№ связей

Тип

№ связей

Тип

№ связей

10

3-30

25

[226-227]н

30

[266-276]н

32

351-370

5-34

 

[232-233]н

 

[272-273]н

 

366-407

7-40

 

 

 

[304-305]н

 

367-406

11-44

26

[224-225]в

 

[310-311]н

 

372-413

 

 

[230-231] в

 

[326-327]н

 

373-412

11

4-30

 

[246-247] в

 

[332-333]н

 

 

6-34

 

[252-253] в

 

[344-345]н

33

[246-247]н

10-40

 

[264-265] в

 

[350-351]н

 

[252-253]н

12-44

 

[270-271] в

 

[366-367]н

 

[264-265]н

 

 

[306-307] в

 

[372-373]н

 

[270-271]н

12

136-137

 

[312-313] в

 

[404-405]н

 

[306-307]н

150-151

 

[324-325] в

 

[410-411]н

 

[312-313]н

 

 

[330-331] в

 

 

 

[324-325]н

13

136-205

 

[346-347] в

31

[244-245]в

 

[330-331]н

137-204

 

[352-353] в

 

[250-251]в

 

[346-347]н

150-211

 

[364-366] в

 

[266-267]в

 

[352-353]н

151-210

 

[370-371] в

 

[272-273]в

 

364-365

 

 

 

 

[304-305]в

 

370-371

14

[204-205]

27

224-245

 

[310-311]в

 

406-407

[210-211]

 

225-244

 

[326-327]в

 

412-413

 

 

230-251

 

[332-333]в

 

 

15

143-144

 

231-250

 

[344-345]в

34

[404-405]в

155-156

 

246-267

 

[350-351]в

 

[410-411]в

 

 

247-266

 

[366-367]в

 

 

16

143-207

 

252-273

 

[372-373]в

35

404-425

144-206

 

253-272

 

 

 

405-424

155-213

 

264-305

32

226-247

 

410-451

156-212

 

265-304

 

227-246

 

411-450

 

 

270-311

 

232-253

 

 

17

[206-207]

 

271-310

 

233-252

36

424-425

[212-213]

 

306-327

 

244-265

 

430-431

 

 

307-326

 

245-264

 

 

20

[204-205]

 

312-333

 

250-271

37

[406-407]в

[210-211]

 

313-332

 

251-270

 

[412-413]в

 

 

324-345

 

266-307

 

 

21

204-225

 

325-344

 

267-306

40

406-427

205-224

 

330-351

 

272-313

 

407-426

210-231

 

331-350

 

273-312

 

412-433

211-230

 

346-367

 

304-325

 

413-432

 

 

347-366

 

305-324

 

 

22

[224-225]

 

352-373

 

310-331

41

426-427

[230-231]

 

353-372

 

311-330

 

432-433

 

 

364-405

 

326-347

 

 

23

[206-207]

 

365-404

 

327-346

 

 

[212-213]

 

370-411

 

332-353

 

 

 

 

371-410

 

333-352

 

 

24

206-227

 

 

 

344-365

 

 

207-226

30

[244-245]н

 

345-364

 

 

221-233

 

[250-251]н

 

350-371

 

 

213-232

 

 

 

 

 

 

Рис. 134. План фундаментов

Рис. 135. Схема нагрузки, действующей на продольную наружную стену

В горизонтальных стыках вследствие их обжатия вертикальной нагрузкой соединения достаточно жестки. Жесткость их увеличивается и за счет перевязки стеновых панелей.

Парапетные панели представлены также одношаговыми панелями без проемов и соединены между собой связями в вертикальных стыках.

Цифра внутри каждого элемента на рис. 133 обозначает его тип. Номера типов соединительных связей для половины стены приведены в табл. 26.

Примечание. Связи, работающие на растяжение и сжатие между узлами, соединяющими отдельные панели, имеют два стержня (индекс н - относится к нижнему стержню, в-к верхнему). Жесткость этих стержней различная. Вызвано это в одном случае тем, что стержни аппроксимируют верхнее и нижнее соединение панелей, которое осуществляется различным количеством стержней арматуры; в другом случае это зависит от того, аппроксимируют ли они шов между панелями или тело панели.

План фундаментов приведен на рис. 134.

Расчетные вертикальные нагрузки в уровне подошвы фундамента и физико-механические характеристики грунтов приведены в табл. 27.

Схема нагрузки, действующей на продольную наружную стену, приведена на рис. 135.

В качестве исходных данных для проектирования зданий и сооружений на подрабатываемых территориях должны быть заданы максимальные величины прогнозируемых деформаций земной поверхности на участке строительства.

Неравномерное оседание земной поверхности Y и перемещения грунта ∆l относительно центральной оси отсека определяются по формулам (1) и (4) СНиП II-8-78. При: R = 7 км; ε= 5´10-3; nk= 1. 4; nε = 1,2; mk =0,7; mε = 0,85 величины Y, l в точках деления приведены в табл. 28. Изгибная жесткость железобетонных элементов на участках без трещин с учетом влияния длительной и кратковременной ползучести бетона определяется по формуле:

                                                                                                                                              (228)

где: с - коэффициент, учитывающий влияние длительной ползучести бетона и принимаемый по табл. 35 СНиП II-21-75;

Kп - коэффициент, учитывающий влияние кратковременной ползучести бетона и принимаемый для бетонов: тяжелого на пористых заполнителях - 0,85; на пористых заполнителях поризованного - 0,7.

Используя формулу (228), можно записать:

                                                                                                           (229)

При численных расчетах величина начального модуля упругости бетона при сжатии и растяжении должна быть уменьшена на отношение Kп/c. По табл. 35 принимаем с = 2. Следовательно, для тяжелых бетонов Kп/c = 0,425, для легких бетонов Kп/c = 0,35.

В формулах (228) и (229): I - момент инерции сечения бетона относительно центра тяжести сечения элемента; Iп - момент инерции приведенного сечения (с учетом арматуры) относительно его центра тяжести.

Таблица 27

Ось

Характеристика грунтовых условий

Расчетные нагрузки, кН/м

r, кг/м3

с, МПа

j°

Е, МПа

А; В

 

 

 

 

482

Б

 

 

 

 

685

1; 6

1860

0,025

18

2

336

2; 5

 

 

 

 

343

3; 4

 

 

 

 

336

Таблица 28

i

Y, м

Dl, м

0

12,19´10-3

-67,32´10-3

1

6,858´10-3

-50,49´10-3

2

3,048´10-3

-33,66´10-3

3

0,762´10-3

-16,83´10-3

4

0

0

5

0,762´10-3

16,83´10-3

6

3,048´10-3

33,66´10-3

7

6,858´10-3

50,49´10-3

8

12,19´10-3

67,32´10-3

В случае, когда армирование элементов конструкций невелико, отношение Iп/I принимается равным единице. В случае, когда армирование элементов конструкции значительно, расчетный модуль упругости бетона может быть увеличен на отношение Iп/I.

Панели типа 1, 2, 3, 4 рассчитываются на единичные смещения узлов, что позволяет сформировать матрицы жесткости этих панелей, которые в дальнейшем используются при расчете стены по мкэ.

Начальный модуль упругости бетона при сжатии и растяжении по главе СНиП II-21-75 табл. 18 при марке бетона М 100 и r= 1 400 кг/м3 равен: Еб = 95´102 МПа.

Начальный коэффициент поперечной деформации бетона (коэффициент Пуассона) n = 0,2. Толщина панелей δ = 0,4 м.

Расчетный модуль упругости бетона принимается равным Е = 95´102´0,35 = 33,25´102 МПа.

Модуль упругости бетона надпроемной перемычки увеличивается за счет учета арматуры на отношение Iп/I = 1,15 и принимается равным: Е = 33,25´102´1,15 = 38,24´102 МПа.

К изгибной жесткости надпроемной перемычки добавляется изгибная жесткость прилегающих участков перекрытий. Ширина прилегающего участка перекрытия принимается равной трем толщинам перекрытия.

Жесткостные характеристики стыковых соединений определяются по рекомендациям Пособия по расчету крупнопанельных зданий. Вып. 1. Характеристики жесткости стен, элементов и соединений крупнопанельных зданий (М.: Стройиздат, 1974).

Так как стеновые панели в основном двухшаговые (см. рис. 132.), а расчетная схема стены представлена одношаговыми панелями (см. рис. 133), то жесткостные характеристики на растяжение, сжатие и сдвиг вертикальных швов будут различными в зависимости от того, что аппроксимируют эти связи: шов между панелями или тело панели.

Принято, что ширина вертикального стыка между панелями а = 10 см.

Рассмотрим стык между панелями наружной продольной стены. Жесткостные связи обозначены типами 26, 27, 30. Вычислим их жесткостные характеристики на растяжение, сжатие и сдвиг (рис. 136, а).

Рис. 136. К определению жесткостных характеристик связей между панелями.

а - схема связей; б - схема армирования панели

Определим жесткость связей 26 и 30 на растяжение. По табл. 7* имеем:

__________________

x Пособие по расчету крупнопанельных зданий. Вып. 1. Характеристики жесткости стен, элементов, соединений крупнопанельных зданий, М.: Стройиздат, 1974.

Жесткость на растяжение связи 30:

Жесткость на растяжение связи 26:

Определяем жесткость связей 26 и 30 на сжатие.

По табл. 10* находим λш = 0,8´10-4 м/МПа при бетоне марки М 100 и выше. Жесткость связей 26 и 30 на сжатие будет одинаковой:

Определяем жесткость связей 27 на сдвиг. На сдвиг по длине стыка работают 4Ф12А1. Величина податливости определяется по формулам и табл. 8* где:

При марка бетона панели и бетона замоличивания обинаковая

Бетон марки М 100 Е = 33,25´102 МПа.

Следовательно:

Жесткость на сдвиг стержней 27 определяется:

Рассмотрим, как определяются жесткостные характеристики связей 31, 32 и 33, когда разрез производится по телу панели.

Схема армирования панели показана на рис. 136. б:

Подсчитываем приведенную площадь поперечного сечения:

где: n=Ea/Eб; Fa=9,24×10-4 м2; в том числе

Жесткость на растяжение:

Жесткость на сжатие:

Жесткость на сдвиг:

GF32= GFпр=0,4´33,25´102´1,14=1,52´103 МПа×м2.

Аналогичным образом определялись жесткостные характеристики на растяжение, сжатие и сдвиг всех типов связей между панелями расчетной схемы стены (см. рис. 133).

Грунтовое основание в каждой точке контакта представляется двумя стержнями: вертикальным (2-23, 4-30 и т.д.) и горизонтальным (1-23, 3-30 и т.д.), шарнирно соединенными с балкой. Жесткость на сжатие-растяжение этих стержней определяется по формуле:

                                                                                                                                                       (230)

Эта формула получается из сопоставления формулы сопротивления материалов для относительной деформации сжатых стержней  и гипотезы местной деформации для грунта S=P/Cb, где: l=1 - высота стержня; Е - модуль деформации; F - площадь сечения; b - ширина балки; λ- шаг расчетной сетки; Р - усилие; С - коэффициент жесткости основания; S - осадка основания.

Для горизонтальных стержней жесткость ЕF2 принимается также по формуле: (230), но умноженной на коэффициент 0,7.

Заданная деформация грунтового основания прикладывается к нижним узлам вертикальных стержней (2, 4 и т.д.) и к узлам (1, 3 и т.д.) горизонтальных стержней.

Используя формулу (230), подсчитываем жесткости опорных стержней:

ЕF10= 3480´104´3,3´1,0=1,148´108 Н => 114,8 МПа×м2;

ЕF11= 4972´104´3,3´1,0 =1,641´108 Н => 164,1 МПа×м2;

ЕF45= 3480´104´1,65´1=0,574´108 Н=> 57,4 МПа×м2;

ЕF46= 4972´104´1,65´1=0,820´108 Н=> 82,0 МПа×м2.

Рис. 137. Эпюры продольных и сдвигающих усилий в сечениях наружной продольной стены от суммарного действия нагрузки и смещений основания

Рис. 138. Эпюры вертикальных и горизонтальных перемещений на уровне z=1,2 м от низа стены от суммарного действия нагрузки и смещений основания

В результате расчета стены по программе «Супер-76» на воздействие внешней нагрузки q и смещений основания Y и ∆l были получены реакции опорных стержней, усилия в стержнях стыков, а также вертикальные и горизонтальные перемещения узлов.

На рис. 137 представлены эпюры продольных и сдвиговых усилий в различных сечениях стены; на рис. 138 - эпюры вертикальных и горизонтальных перемещении, построенных на уровне z = 1,2 м от низа стены.

Имея эпюры продольных и сдвигающих усилий в связях в различных сечениях стены можно определить продольные и поперечные силы, а также изгибающие моменты в вертикальных сечениях стены.

Имеем:  где: Nic - нормальная сила в i-м вертикальном сечении стены; Qic - поперечная сила в i-м вертикальном сечении стены;  - изгибающий момент в i-м вертикальном сечении стены относительно точки, отстоящей от низа стены на расстоянии z;  - сумма проекций на горизонтальную ось усилий во всех связях i-го сечения и внешней нагрузки, приложенной к левым узлам рассматриваемого сечения;  - сумма проекций на вертикальную ось усилий во всех связях i-го сечения и внешней нагрузки, приложенной к левым узлам рассматриваемого сечения;  - сумма моментов усилий во всех связях i-го сечения и внешней нагрузки, приложенной к левым узлам рассматриваемого сечения относительно точки, отстоящей от низа стены на расстоянии z.

Результаты расчета приведены в табл. 29.

Расчетная схема стен может быть сведена к расчетной схеме балки (рис. 131) при условии, что будут выполняться соотношения (225).

Так, для совместного действия нагрузки и смещений основания имеем:

Таблица 29

i

N, кН

Q, кН

M (z), кНм

1

- 4 720,0+3 285,7 z1

2

- 11 188,5+8 057,0 z2

3

16005,4 + 11 187,7 z3

4

- 17 881,6+12 749,0 z4

Принимая во внимание третье уравнение (225) и используя табл. 29, можем найти последовательно величины hi.

Находим: h0 = - 0,56 м; h1 = - 0,45 м; h2 = - 0,48 м; h3 = - 0,44 м.

Основываясь на данных, приведенных на рис. 139, обычным способом строим эпюры М, Q и N для рассматриваемой балки.

Теперь подбираются жесткости балки Е1 и ЕF таким образом, чтобы вертикальные и горизонтальные перемещения Z и X в рассматриваемом сечении стены и балки были достаточно близки друг другу.

Эпюра вертикальных перемещений балки должна соответствовать эпюре изгибающих моментов в соответствии с уравнением (227). Однако, если взять эпюру вертикальных перемещений ZС стены (см. эпюру ZС на рис. 140 штриховой линией), то она в общем случае на ряде участков не соответствует эпюре М. Чтобы получить эпюру вертикальных перемещений балки ZС, необходимо произвести небольшую корректировку эпюры ZС, с тем чтобы в результате выполнялось равенство Zб ZС;  = - М.

Корректировка эпюры ZС показана на рис. 140.

Сплошной линией на этом рисунке показана эпюра Zб.

Погрешность в любом сечении в результате перехода от эпюры Zб к эпюре Zб может быть определена по формуле, %:

Наибольшая погрешность, подсчитанная по этой формуле, составляет 1,7 %.

Величины производных X' и Z'' приведены в табл. 30.

Используя формулы (227) и данные табл. 30, подсчитываются жесткости балок ЕI и ЕF. Эти эпюры приведены на рис. 141, а. При дальнейшем расчете эти эпюры заменяются кусочно-постоянными (рис. 141, б). При такой замене эпюры перемещений и усилий в балке весьма мало отличаются от фактических эпюр.

Аналогичным образом производится определение жесткости балки, заменяющей внутреннюю продольную стену.

Расчетная схема внутренней продольной стены по МКЭ приведена на рис. 142. На рис. 143 приведены эпюры перемещений Z и X внутренней продольной стены при загружении ее внешней нагрузкой и смещениями основания. Эпюры продольных и сдвигающих усилий в сечениях внутренней продольной стены приведены на рис. 144, 145,

Далее расчетная схема стены приводится к расчетной схеме балки (рис. 146). Эпюры жесткостей ЕI и ЕF (фактических и кусочно-постоянных) приведены на рис. 147.

Рис. 139. Эпюры М, Q и N от суммарного действия внешней нагрузки и смещений основания (наружная продольная стена)

Рис. 140. Переход от эпюры вертикальных перемещений стены ZС к эпюре вертикальных перемещений балки ZС

Так как заданные смещения основания распределены по цилиндрической поверхности с образующей, параллельной поперечным стенам, жесткости на изгиб и сжатие этих стен принимаются бесконечно большими.

Таблица 30

i

X'

Z", 1/м

i

X'

Z", 1/м

О

9,39´10-5

- 1,28´10-3

С

84,31´10-5

0,48´10-3

А

31,57´10-5

- 1,76´10-3

3

87,51´10-5

0,0294´10-3

I

43,79´10-5

Д

90,54´10-5

0,0147´10-3

В

67,51´10-5

- 0,64´10-3

4

100,81´10-5

0,0294´10-3

2

72,62´10-5

 

 

 

Рис. 141. Эпюры жесткости EF×10-9, ПА×м4 и EF×10-9, ПА×м2 (схемы):

а - расчетные: 1 – (EF)max= 135.33; (EF)min = 0,3; 2 - (EF)max = 34,99; (EF)min = 7,50; б - кусочно-постоянные: 3 - (EF)max = 111,54; (EF)min = 0,34; 4 - (EF)max = 22,7; (EF)min = 8,96. (1 - 4 - номера схем эпюр сверху вниз).

Рис. 142. Расчетная схема внутренней продольной стены

Рис. 143. Эпюры перемещений Z и X, мм, внутренней продольной стены:

1 - Zmах = 19,549, Zmin = 13,405; 2 - Xmах = 10,685, Xmin=0. (1-2 - номера схем эпюр сверху вниз).

Рис. 144 Эпюры продольных усилий N´10-1, кН, в сечениях внутренней продольной стены:

1 - Nmах = +255,07, Nmin = -0,05; 2 -Nmах = +4:8.63; 3 -Nmin = -1,25; 3 -Nmах = +484,13, Nmin = -1,62; 4 - Nmах = +539,54, Nmin = -1.54. (1-4 - номера схем эпюр слева направо).

Рис. 145. Эпюры сдвиговых усилий Q´10-1, кН, в сечениях внутренней продольной стены:

1 - Qmах = 153,17, Qmin = 0,49; 2 - Qmах = 153,17, Qmin = 0,05; 3 - Qmах = 129,21, Qmin = 0,04. (1-3 - номера схем эпюр слева направо).

Расчетная схема здания в виде системы перекрестных балок приведена на рис. 148. Жесткости на изгиб и растяжение-сжатие балок, составляющих перекрестную систему, были подсчитаны выше.

Зная ЕI и ЕF, задавшись формой поперечного сечения балки, можно определить крутильную жесткость.

Примем для определенности, что балка имеет прямоугольное поперечное сечение (рис. 131, б).

Известно, что:

                                                                                                                                       (231)

Рис. 146. Эпюры М, Q и N от суммарного действия нагрузки и смещений основания (внутренняя продольная стена)

Зная ЕF и EI и модуль упругости Е, можно определить Iу и F. Из формул (231) находим:

                                                                    (232)

Найдем отношение:

                                                                                                                      (233)

Рис. 147. Эпюры жесткости EJ×10-9, Па×м4 и ЕF×10-9, Па×м2 (схемы):

а - расчетные: 1 - (ЕJ)тах = 41,79, (ЕJ)тin = 1,71; 2 - (ЕF)тах = 13,15, (ЕF) тin = 5,35; б - кусочно-постоянные: 3 - (ЕJ)тах = 38,04, (ЕJ)тах = 5,72; 4 - (ЕF)тах = 12,32, (ЕF)тin = 6,44. (1-4 - номера схем эпюр сверху вниз).

Зная b и h можно найти Ik по формуле:

                                                                                                                   (234)

где: b - меньшая сторона прямоугольника; h - большая сторона прямоугольника.

Рис. 148. Расчетная схема здания как система перекрестных балок на упругих опорах

Рис. 149. Эпюры перемещений Y и Z

Рис. 150. Эпюры усилий N и Мкр

Рис. 151. Эпюры усилий Му и Qz

Коэффициент β зависит от отношения h/b, причем h/b³1. Если по формуле: (233) получится, что h/b<1, то надо брать b/h. Значение коэффициента β можно определять на основании табл. 31.

Таблица 31

1

1,5

1,75

2

2,5

3

4

6

8

10

 

0,141

0,196

0,214

0,229

0,249

0,263

0,281

0,299

0,307

0,213

0,333

Определив Iк, можно найти GIк, приняв G = 0,4Е.

Величины GIк приведены в табл. 32.

На рис. 149-151 показаны эпюры, полученные в результате расчета перекрестной системы с учетом указаний п. 7. Все эпюры получены для случая суммарного действия нагрузки и смещения основания.

Дальнейший расчет производится в соответствии с указаниями п. 8 Расчетных предпосылок.

Таблица 32

№ типа балки

GIк´10-4 Па×м4

№ типа балки

GIк´10-4 Па×м4

№ типа балки

GIк´10-4 Па×м4

№ типа балки

GIк´10-4 Па×м4

1

63650

11

240710

21

111570

31

120355

2

63650

12

142490

22

111570

70

120355

3

63650

13

142490

23

111570

71

120355

4

63650

14

240710

24

111570

72

71245

5

63650

15

240710

25

14228

 

 

6

63650

16

142490

26

240710

 

 

7

63650

17

142490

27

240710

 

 

10

63650

20

240710

30

12548

 

 

8. ОСОБЕННОСТИ РАСЧЕТА ЗДАНИЙ И СООРУЖЕНИЙ НА ПОДРАБАТЫВАЕМЫХ ТЕРРИТОРИЯХ С УЧЕТОМ ФАКТОРА ВРЕМЕНИ (ПП. 5.7, 5.9, 5.10 СНиП II-8-78)

ОБЩИЕ ПОЛОЖЕНИЯ ПО УЧЕТУ ФАКТОРА ВРЕМЕНИ ПРИ ПРОЕКТИРОВАНИИ И ЗАЩИТЕ ЗДАНИЙ И СООРУЖЕНИЙ

8.1. Целесообразность учета фактора времени определяется видом грунта основания, возрастом бетона конструкции к моменту окончания строительства или начала деформационных воздействий основания при его подработке, скоростью возведения здания и подработки основания.

8.2. Влияние фактора времени проявляется в изменении жесткостных характеристик конструкции и основания, а также параметров деформирования земной поверхности. Учет длительности деформирования основания за счет ползучести целесообразен для глинистых и суглинистых грунтов.

Ползучесть бетона следует учитывать для монолитных и сборных железобетонных конструкций, изготовляемых без термовлажностной обработки, при начале подработки не более чем через три года после окончания строительства, а также в промышленных зданиях с технологическими процессами, проходящими при повышенном температурном режиме.

Изменение во времени параметров деформирования земной поверхности проявляется при многократной подработке и наличии толщи пород или оставляемых целиков, обладающих реологическими свойствами.

8.3. Первым этапом проектирования сооружений является определение реальных условий строительства и фактических свойств материалов конструкций и основания. Для конструкции необходимым является определение условий изготовления (сборный или монолитный вариант), в зависимости от чего определяется расчетная величина ползучести бетона. Для основания кроме определения обычных свойств грунтов важно установить, обладает ли грунт свойствами ползучести.

В зависимости от деформативных свойств конструкции и основания расчет рекомендуется производить на следующие сочетания:

конструкция и основание - упругие. Расчет производится на действие кратковременных нагрузок.

Примечание. Термин «упругий» применяется в значении «не обладающий свойством ползучести»;

упругая конструкция на упругоползучем основании. В расчете учитывается длительная деформативность основания;

упругоползучая конструкция на упругом основании. Учитывается ползучесть материала конструкции;

конструкция и основание обладают свойством ползучести. Учитывается ползучесть материала конструкции и длительная деформативность основания.

Расчет должен производиться на наиболее невыгодные сочетания деформативных свойств конструкции и основания. Для расчета по несущей способности наиболее невыгодным будет сочетание «упругая конструкция - упругоползучее основание», для расчета по деформациям - «упругоползучие конструкции и основание».

8.4. Основными критериями при оценке влияния длительной деформативности основания и ползучести бетона на работу проектируемого или эксплуатируемого сооружения являются максимально допустимые для данного типа сооружения величина деформаций (осадок, наклонов) и длительная несущая способность конструкции или сооружения в целом, не превышающие предельных. При проектировании сооружений степень их надежности будет оцениваться следующими условиями:

                                                                                                                                                (235)

                                                                                                                                                    (236)

                                                                                                                                              (237)

                                                                                                                                               (238)

где: Vmax(t), imax(t), Mmax(t), Qmax(t) - наибольшие величины перемещений и усилий в конструкциях с учетом ползучести бетона и длительных деформаций основания; [S], [i] - предельные осадка и крен сооружений с учетом требований главы СНиП 2.02.01-83; [М], [Q] - предельные изгибающий момент и поперечная сила, определяемые (для конструкций) по главе СНиП II-21-75.

8.5. Вопросы защиты эксплуатируемых сооружений связаны с определением времени достижения предельных усилий и деформаций, т.е. с определением длительности эксплуатации сооружения и определением времени, к которому должны быть выполнены необходимые защитные мероприятия. Первым этапом при этом является вычисление максимальных расчетных величин деформаций и обобщенных усилий с целью проверки условий нормирования, определяемых формулами (235)-(238). Если условия нормирования выдержаны (рис. 152, а), расчетное время эксплуатации сооружения бесконечно (в пределах сроков долговечности стройматериалов).

Рис. 152. График определения длительности эксплуатации сооружений

а - М(t)<[М]; б - М(t)>[М]

Если условия не выдержаны, следует определить расчетную длительность эксплуатации.

Вычислив расчетные величины усилий и деформаций для нескольких дискретных моментов времени, строятся графики, на которых откладываются предельные значения перемещений и усилий (рис. 152, б). Далее определяются максимальные эксплуатационные величины Vэ (t), iэ(t), Mэ(t), Qэ(t) формулам:

                                                                                                                 (239)

                                                                                                                   (240)

                                                                                                             (241)

                                                                                                               (242)

где: к - коэффициент условий работы, равный 0,8.

По графикам находим соответствующие этим величинам моменты времени, меньший из которых будет представлять расчетную длительность эксплуатации tэ.

ОПРЕДЕЛЕНИЕ ИСХОДНЫХ ДАННЫХ ДЛЯ РАСЧЕТА КОНСТРУКЦИЙ С УЧЕТОМ ФАКТОРА ВРЕМЕНИ

8.6. В качестве исходных данных для расчета конструкций на деформируемом основании с учетом фактора времени задаются переменные во времени параметры длительного деформирования земной поверхности Rt, εt, it, ηt, ht, ξt, определяемые по рекомендациям части I настоящего Руководства, и коэффициент жесткости Сt или модуль деформации Et длительно деформируемого основания при сжатии или сдвиге, определяемые по прил. 2 СНиП II-8-78 и рекомендациям настоящего раздела.

КОЭФФИЦИЕНТ ЖЕСТКОСТИ ДЛИТЕЛЬНО ДЕФОРМИРУЕМОГО ОСНОВАНИЯ (ПП. 12-16 ПРИЛ. 2. СНиП II-8-78)

8.7. Коэффициент жесткости основания при различных видах нагружения определяется по следующим формулам:

при постоянной (рис. 153, а):

                                                                                                                     (243)

при монотонно возрастающей (рис. 153, б, в):

                                                                                                              (244)

В формулах (243)-(244) обозначено:

коэффициент релаксации:

                                                                                                            (245)

где: δ2; φt0 - коэффициенты, определяемые в соответствии с прил. 1.

ξ(t) - функция, учитывающая развитие процесса сдвижения поверхности во времени. Определяется маркшейдерскими расчетами.

Рис. 153. Изменение во времени коэффициента жесткости основания при нагрузке:

a - постоянной; б - монотонно возрастающей; в - монотонно возрастающей после мгновенного приложения; г - ступенчатой; д - ступенчато-монотонной; е - монотонно возрастающей (прерывистой)

8.8. Коэффициент жесткости при многократной подработке (рис. 153, г, д, e) в случаях искривления или горизонтальных деформаций земной поверхности на заданный момент времени определяется по формуле:

                                       (246)

где: Cy - упругий (условно-мгновенный) коэффициент жесткости, определяемый по методике прил. 2 данного Руководства; ∆, ∆’ - параметры ползучести при сжатии или сдвиге, определяемые опытным путем по методике, приведенной в прил. 2 к настоящему Руководству; Т - суммарное время влияния всех подработок Т =åТi на рассматриваемый отрезок времени; Тi - время влияния i-й подработки; Твi - время разрыва между влиянием i-й и (i + 1) подработками;  - отношение средней скорости искривления или горизонтальных деформаций основания в период i-й подработки к средней скорости за весь период влияния горных выработок, при искривлении земной поверхности:

                                                                                                             (247)

при горизонтальных деформациях земной поверхности

где: Ki, εi- соответственно максимальная расчетная величина кривизны или горизонтальных деформаций земной поверхности от i-й подработки.

Предельный коэффициент жесткости длительно деформируемого основания при  определяется по формуле:

                                                                                                      (248)

8.9. Коэффициент жесткости длительно деформируемого основания при неравномерном сжатии с учетом зон дополнительной нагрузки и разгрузки определяется по формуле:

                                                                                                                                   (249)

где: Ct - коэффициент жесткости длительно деформируемого основания в зоне дополнительной нагрузки, определяется по формуле: (13) прил. 2 СНиП II-8-78;

Ctp - то же, в зоне разгрузки, при этом:

                                                                                                        (250)

где: Yx - прогиб конструкции в точке х, определяемый из решения контактной задачи;

fx - перемещение земной поверхности от подработки в той же точке к рассматриваемому моменту времени;

βt - безразмерная функция времени, показывающая, какая часть общей деформации земной поверхности соответствует времени t.

ТЕКУЩИЕ ПАРАМЕТРЫ ДЕФОРМИРОВАНИЯ ЗЕМНОЙ ПОВЕРХНОСТИ

8.10. Прогнозирование деформаций основания зданий и сооружений к любому заданному моменту времени и определение текущих параметров деформирования земной поверхности производится на основании эмпирического уравнения, построение которого осуществляется по нижеприведенной методике.

8.11. Настоящая методика предназначена для построения аналитической зависимости, описывающей изменение во времени коэффициента жесткости основания Сt (сплошного и с уступами) балочных конструкций, кривизны земной поверхности Kt и определения параметров этого уравнения.

Методика позволяет подобрать эмпирическую зависимость, описывающую кривую изменения искомого параметра, построенную на основании экспериментальных данных или натурных наблюдений; использование эмпирической зависимости, вводимой в расчет на ЭВМ по определению усилий в конструкциях, позволяет определять их на любой заданный момент времени при непрерывном счете; имея набор кривых, построенных по наблюдениям за деформациями земной поверхности и осадками зданий, и сгруппировав их по региональным условиям, построить типовые кривые и прогнозировать деформации зданий в этих районах расчетным методом без дополнительных исследований; используя аналитическую зависимость продлевать прогнозирование на более отдаленный промежуток времени, чем имеется по данным наблюдений; зная коэффициенты уравнения вычислять требуемый параметр от любого исходного расчетным путем.

8.12. Текущий коэффициент жесткости сплошного основания с реологическими свойствами для балочных конструкций рекомендуется определять по формуле:

                                                                                                               (251)

Применимость формулы в каждом конкретном случае определяется из условия спрямления заданной кривой в логарифмических координатах  и lgt.

Для определения входящих параметров А, b с помощью подстановок уравнение заменяется эквивалентным многочленом. Полагая , X=lgt, a0=lgA, уравнение приводится к виду:

Y= a0+bX.                                                                                                                    (252)

Вычисления сводятся в табл. 33

Таблица 33

1

2

3

4

5

6

7

8

9

-

 

Искомые параметры а0, b определяются из решения системы уравнений:

                                                                                        (253)

По формулам:

                                                                                  (254)

                                                                                      (255)

8.13. Текущий коэффициент жесткости основания с уступом рекомендуется определять по формуле:

                                                                                                           (256)

Применимость формулы проверяется спрямлением кривой в полулогарифмических координатах t и .

Для приведения уравнения к линейному виду применяются замены: ; X = I; a0=lnA1.

Дальнейшие вычисления проводятся как указано выше.

8.14. Увеличение кривизны (нарастание оседаний) земной поверхности подрабатываемых территорий вычисляется по формуле:

                                                                                           (257)

Отыскание постоянных производится указанным выше способом с помощью подстановок:

                                                                      (258)

8.15. Проверка степени точности полученных зависимостей производится по коэффициенту корреляции r, который должен быть больше 0,8:

                                                      (259)

8.16. При резком возрастании скорости оседания в пределах 0<t3,5 мес. для описания кривой в этом интервале следует применять зависимость вида:

                                                                                                 (260)

Для определения постоянных А3, b3, с ищем линейную зависимость между t и D1lgKt/Kmax по методу средних, складывая условные уравнения:

                                                                                     (261)

по группам из трех уравнений,

где: D1lgKt/Kmax  - разность двух последовательных значений lgKt/Kmax при значениях t, составляющих геометрическую прогрессию со знаменателем равным 2.

Для определения A3 складываем все уравнения вида:

                                                                             (262)

Вычисления сводятся в табл. 34

Таблица 34

ni

Xi=ti

lgXi

lgYi

D1lgYi

(Kt/Kmax)выч

1

2

3

4

5

6

7

 

 

 

 

 

 

 

Рис. 154. График относительных величин нарастания во времени кривизны земной поверхности в районе комбината Кузбассуголь

1 - кривая, построенная по наблюдениям за деформациями земной поверхности; 2 - описание кривой по зависимости ; 3 - описание участка кривей при 0<t<4 по зависимости .

Пример.

Описать кривую увеличения во времени кривизны земной поверхности в районе комбината «Кузбассуголь», полученную по данным инструментальных наблюдений за деформациями земной поверхности, (рис. 154) зависимостью вида (257).

Отыскание коэффициентов зависимости (257) производим по рекомендациям п. 8.14, Применяя замены (258) и сводя вычисления в табл. 35, получаем систему уравнений:

откуда по формулам (254), (255):

a0= 0; b2= -0,257;

A2=1.

Искомая зависимость будет иметь вид:

Вычисленные значения Kt/Kmax при 0< <4 мес. (табл. 35 гр. 7) могут быть уточнены при использовании зависимости (260)

Таблица 35

ni

Xi=t

1

2

3

4

5

6

7

1

0,5

0,93

-0,0726

0,25

-0,0363

0,1278

1

1

0,86

-0,1508

1,00

-0,1508

0,2265

1

1,5

0,69

-0,3711

2,25

-0,555

0,32

1

2

0,49

-0,7134

4

-1,4268

0,403

1

3

0,38

-0,9676

9

-2,9028

0,537

1

4

0,32

-1,1087

16

-4,4348

0,743

1

6

0,24

-1,4271

36

-8,5626

0,7856

1

8

0,17

-1,772

64

-14,176

0,8713

1

10

0,1

-2,3026

100

-23,026

0,9235

1

14

0,02

-3,9121

196

-54,7

0,9727

10

50

 

-12,798

428,5

-109,9711

 

Определение коэффициентов уравнения (260) выполняем по методике п. 8.16.

Вычисления сведены в табл. 36. Для определения b3, с складываем по 3 уравнения вида (261).

Откуда b3 = 1,59; с = 0,349.

Таблица 36

ni

Xi=

lgXi

lgYi

DlgYi

1

0,5

0,1

-0,3009

-1

0,301

0,089

1

1

0,2

0

-0,699

0,4066

0,225

1

1,5

0,31

0,1761

-0,5086

0,301

0,359

1

2

0,51

0,301

-0,2924

0,1249

0,477

1

2,5

0,59

0,3979

-0,2291

0,0864

-

1

3

0,62

0,4771

-0,2076

0,0884

0,635

1

3,5

0,66

0,5441

-0,1805

-

0,688

1

4

0,68

0,6021

-0,1675

-

0,71

1

4,5

0,7

0,6532

-0,1549

-

-

1

5

0,72

0,699

-0,1427

-

0,679

1

5,5

0,74

0,7404

-0,1308

-

-

1

6

0,76

0,7782

-0,1192

-

0,675

12

39

 

5,0682

-3,8328

 

 

Для определения A3 складываем все уравнения вида (262), в которые подставляем полученные значения b3, и с, в результате чего получаем уравнение: -3,8323 = 121lgA3+ 1,59´5,0682+ (-0,349)0,4343´39, откуда A3 = 0,317, а искомое уравнение имеет вид:

ЗАВИСИМОСТЬ МЕЖДУ НАГРУЗКОЙ И ПЕРЕМЕЩЕНИЕМ НА КОНТАКТЕ ФУНДАМЕНТА

8.17. Зависимость между реактивным давлением по подошве фундамента и осадкой основания определяется выражениями:

в зоне нагрузки:

                                                                                                              (263)

в зоне разгрузки:

                                                                                                             (264)

где: Ct, Cy- коэффициенты жесткости основания, определяемые в соответствии с прил. 2 СНиП II-8-78.

8.18. При искривлении земной поверхности осадка основания S(t) определяется следующими выражениями:

при расчете конструкций конечной жесткости:

                                                                                (265)

где: Y(x,t), Y(x)- прогибы (перемещения) конструкции в точке с абсциссой х соответственно в моменты времени τ = t и τ = 0 из решения контактной задачи; f(x) - расчетное перемещение точки земной поверхности с абсциссой х, вызванное влиянием подземных горных выработок; φt0 - характеристика длительного деформирования грунта при сжатии, определяемая в соответствии с прил. 1;

при расчете конструкций бесконечной жесткости:

                                                                                                    (266)

8.19. При образовании уступа в основании осадка S(t) определяется выражениями:

при расчете конструкций конечной жесткости для

консоли при частичном ее врезании:

                                                                                     (267)

для участков с ненарушенным контактом:

                                                                                         (268)

В формулах (267), (268):

Y1(x,t), Y1(x) - прогибы (перемещения) конструкции в точке с абсциссой х в зоне консолирования соответственно в моменты времени τ = t и τ = 0;

Y2(x,t), Y2(x) - то же в зоне ненарушаемого контакта;

hy - высота уступа.

При расчете конструкций бесконечной жесткости:

для консоли при частичном ее врезании:

                                                                                                       (269)

для участков с ненарушенным контактом:

                                                                                                              (270)

8.20. Зависимость между моментной нагрузкой на фундамент бесконечной жесткости и его угловым перемещением определяется выражением:

                                                                                        (271)

где: Iф - момент инерции подошвы фундамента относительно оси поворота; iф(t) - угловое перемещение фундамента, определяемое из решения контактной задачи; i - расчетный угол наклона (угловое перемещение) основания, вызванное влиянием горных выработок.

8.21. Зависимость между касательной нагрузкой и горизонтальными деформациями земной поверхности определяется выражением

                                                                                         (272)

где: ε - расчетная величина горизонтальных деформаций земной поверхности; εk - осевая деформация конструкций фундамента, которую допускается принимать 1 мм/м при растяжении и равной нулю при сжатии; τдл - длительное сопротивление грунта сдвигу

τдл = 0,9 τ;                                                                                                                    (273)

τ - расчетное сопротивление грунта сдвигу, определяемое в соответствии с главой СНиП 2.02.01-83.

8.22. Расчетное значение горизонтального смещения отдельно стоящего фундамента под колонну определяется по формуле:

                                                                                                 (274)

где: x - расстояние от рассматриваемого фундамента до центральной оси здания или его отсека; р - нормальное напряжение под подошвой фундамента; φ1 - расчетные значения угла внутреннего трения грунта, определяемого в соответствии со СНиП 2.02.01-83.

ОПРЕДЕЛЕНИЕ ДЛИТЕЛЬНОЙ ОБОБЩЕННОЙ ЖЕСТКОСТИ ЗДАНИЙ И СООРУЖЕНИЙ

8.23. Для бескаркасных зданий при определении обобщенных усилий с учетом длительных воздействий земной поверхности в расчетах по упрощенной расчетной схеме приведенная изгибная жесткость зданий в произвольный момент времени рассчитывается по формуле:

                                                                                 (275)

где: Bф(t) - длительная жесткость железобетонного фундамента; [EI]npi - приведенная жесткость i-го этажа; mti - коэффициент релаксации, определяемый по формуле:

                                                                                                              (276)

где: φti - характеристика ползучести материала конструкции i-го этажа.

8.24. Для каркасных зданий на ленточных фундаментах при шарнирном соединении ригелей с колоннами обобщенная жесткость определяется как приведенная жесткость ленточного фундамента с учетом жесткости каркаса по формуле:

                                                                                                (277)

где: Kф(t) - коэффициент приведенной жесткости, определяемый по формуле:

                                                                                                    (278)

где: iф(t), iс(t) - погонные жесткости элементов рамы (фундамента и стойки), определяемые по формулам:

                                                                                    (279)

где: l - пролет рамы; h - высота колонны.

При жестком соединении колонн с ригелем приведенная жесткость последнего:

                                                                                                (280)

где:

                                                                             (281)

Таблица 37

Количество пролетов

Номер пролета

1

2

3

4

5

1

-

-

-

-

2

-

-

-

3

-

-

4

-

5

Приведенная жесткость одноэтажного каркасного здания:

                                                                                           (282)

Приведенная жесткость многоэтажного каркаса-рамы:

                                                                                       (283)

где: т - количество этажей.

Для двух и более пролетных рам значение для Kф(t) следует определять по формуле:

                                                                                             (284)

где:

                                                                                                    (285)

Выражения f[Ф1Ф2] для рам с количеством пролетов n от 1 до 5 приведены в табл. 37. Формула для Kф(t) будет аналогична (284).

Определение длительной жесткости сечений железобетонных конструкций.

8.25. При определении усилий в железобетонных конструкциях зданий и сооружений их жесткость следует определять с учетом трещинообразования и ползучести бетона.

Целесообразность учета ползучести бетона определяется возрастом бетона к моменту окончания строительства, скоростью возведения сооружения, условиями изготовления и эксплуатации конструкций, в зависимости от чего определяется характеристика ползучести бетона.

8.26. Характеристика ползучести бетона φt (определяется по табл. 38 в долях от конечного значения).

Таблица 38

t, сут

10

20

30

45

60

90

180

1 год

3 года

jt/j¥

0,2

0,25

0,3

0,35

0,4

0,5

0,6

0,8

1,0

Примечание. Конечная характеристика ползучести бетона j¥ при t®¥ вычисляется в соответствии с прил. 3.

8.27. Жесткость сечений железобетонных элементов в начальный и произвольный момент времени вычисляется по формулам:

                                                                              (286)

где: m0, mt- коэффициенты релаксации, определяемые по формулам:

для изгибаемых элементов без трещин:

                                                                                                 (287)

для изгибаемых элементов с трещинами:

                                                             (288)

для внецентренно сжатых элементов без трещин:

                                                                                    (289)

                                                                        (290)

для внецентренно сжатых элементов с трещинами:

                                                                              (291)

                                                            (292)

для сжатоизогнутых элементов без трещин:

                                                                                      (293)

                                                                     (294)

для сжатоизогнутых элементов с трещинами:

                                                                                  (295)

                                                        (296)

В формулах (286)-(296) принято  В формулах (293)-(296):

                                                       (297)

                                       (298)

Коэффициент φat определяется по формуле: (165) СНиП II-21-75, но с заменой М на М(t), где М (t) - изгибающий момент в сечении конструкций от длительного воздействия силовых и деформационных нагрузок.

С использованием указанных зависимостей определяется жесткость сечений следующих конструктивных элементов зданий и сооружений: фундаментов балочных прямоугольного, таврового или коробчатого сечений, свай, ригелей, поясов и т.п.

8.28. Приведенный момент инерции сечений без трещин определяется как для сплошного тела с учетом растянутой зоны бетона:

                                                          (299)

Приведенный момент инерции сечений при наличии трещин в бетоне определяется с учетом неупругих деформаций бетона и растянутой арматуры:

                                                    (300)

где: Iбс - момент инерции сжатой зоны бетона.

Относительная высота сжатой зоны определяется в зависимости от геометрических параметров, армирования сечения и величины усилий в соответствии с прил. 4.

8.29. Жесткость сечений колонн подрабатываемых промышленных зданий с учетом длительности воздействия нагрузок определяется:

при отсутствии трещин в растянутой зоне бетона

                                                                                                                (301)

где:

                                                                             (302)

где: φt, ξ2- характеристика ползучести бетона к моменту времени τ = t и поправочный коэффициент, зависящий от возраста бетона в момент загружения колонны, определяемые по «Указаниям по проектированию железобетонных и бетонных конструкций железнодорожных автодорожных и городских мостов и труб» (СН 365-67);

ξ0 - относительная высота сжатой зоны бетона при кратковременном воздействии нагрузок, определяемая по формуле:

                                                                                                    (303)

где:

                                                                 (304)

M0, N0 - соответственно момент и нормальная сила в расчетном сечении при кратковременном воздействии нагрузок;

ξt- относительная высота сжатой зоны бетона при длительном воздействии нагрузок, определяемая по формулам:

                                                                                (305)

                                                                                                                 (306)

при образовании трещин в растянутой зоне бетона:

                                                                                                               (307)

                                                                (308)

где:

                                                                               (309)

ξT0 - относительная высота сжатой зоны при кратковременном воздействии нагрузок, определяемая из уравнения:

                                                                         (310)

где:

                                                                             (311)

где: ξTt - относительная высота сжатой зоны бетона при длительном воздействии нагрузок, определяемая по формуле:

                                                                                                   (312)

где:

                                                                                  (313)

Eб, Ea, h, b, h0, fa, za - обозначения, принятые в главе СНиП на проектирование бетонных и железобетонных конструкций;

IT0 - момент инерции, определяемый по формуле: (308) при кратковременном действии нагрузок.

8.30. Изгибные жесткости сечений фундаментов плит определяются по формулам:

при отсутствии трещин в бетоне:

                                                                                                          (314)

при наличии трещин в бетоне:

                                                                                                        (315)

8.31. Жесткость при кручении определяется по следующей формуле:

                                                                                  (316)

в которой при отсутствии трещин в бетоне:

                                                                                                       (317)

а при наличии трещин в бетоне:

                                                                                                          (318)

где:

h0 = 0,5 (h+ h).                                                                                                       (319)

8.32. Приведенный момент инерции сечения при отсутствии трещин в бетоне определяется как для сплошного тела с учетом растянутой зоны бетона:

                                                      (320)

8.33. Приведенный момент инерции сечений при наличии трещин в бетоне определяется с учетом неупругих деформаций бетона и растянутой арматуры

                                               (321)

В формулах (321):

ICб - момент инерции бетона сжатой зоны;

Ψ0, v - коэффициенты, определяемые в соответствии со СНиП II-21-75;

                                                                                                (322)

                                                                                                        (323)

8.34. Величины момента сопротивления приведенного сечения Wtx, Wty определяются по формуле: (132) СНиП II-21-75

8.35. Высота сжатой зоны сечений без трещин определяется по формулам:

                                                       (324)

                                           (325)

8.36. Высота сжатой зоны в сечениях с трещиной (μx>Mtx; μy>Mty) определяется по формулам:

                                                     (326)

                                                                         (327)

РАСЧЕТ КОНСТРУКЦИЙ НА ВОЗДЕЙСТВИЕ ГОРИЗОНТАЛЬНЫХ ДЕФОРМАЦИЙ ЗЕМНОЙ ПОВЕРХНОСТИ

8.37. Проверка устойчивости железобетонных фундаментных связей распорок длиной более 12 м, подверженных сжатию, производится из условия:

N< Nкр(t)                                                                                                                     (328)

где: N - продольные усилия сжатия в связях-распорках, определяемые по разд. 5;

Nкр(t) - критическая сила с учетом фактора времени

                                                                                    (329)

Nкр - критическая сила в начальный момент времени

                                                                                                  (330)

                                                                                           (331)

                                                                                                             (332)

l - длина фундаментной связи-распорки.

8.38. Проверка несущей способности железобетонной колонны при перемещении фундамента в результате подработки производится по формуле:

                                                                                                                 (333)

где: M(t) - определяется из выражений:

при сдвиге фундамента:

                                                                                                       (334)

где: λ(t) - длительное перемещение фундамента, определяемое по формуле: (274);

при повороте фундамента:

где: bф - ширина фундамента;

Н - высота колонны;

i - расчетный угол наклона основания, вызванный влиянием горных выработок.

8.39. При учете переменной по высоте колонны жесткости конструкция разбивается на несколько участков с условно постоянной жесткостью. На каждом участке определяется его минимальная жесткость Bi(t), соответствующая жесткости наиболее напряженного сечения на этом участке.

Значения изгибающих моментов определяются по формулам:

при сдвиге фундамента:

                                                                                       (336)

при повороте фундамента:

                                                                       (337)

где:

п - количество участков.

ОПРЕДЕЛЕНИЕ НАГРУЗОК НА ФУНДАМЕНТНЫЕ КОНСТРУКЦИИ ОТ ГОРИЗОНТАЛЬНЫХ ДЕФОРМАЦИЙ ОСНОВАНИЯ С УЧЕТОМ ДЛИТЕЛЬНОСТИ ВОЗДЕЙСТВИЙ ПРИ МНОГОКРАТНОЙ ПОДРАБОТКЕ

8.40. Горизонтальные касательные нагрузки на заглубленный в грунт ленточный фундамент жесткой конструкции определяются по рекомендациям пп. 7.31, 7.32 настоящего Руководства.

8.41. Расчетные нагрузки τt по подошве ленточных фундаментов в направлении их продольной оси при величине касательных напряжений τ< τlim определяются по формуле:

                                                                                    (338)

где: Cсд(t) - длительный коэффициент жесткости основания при сдвиге;

mε, nε - коэффициенты условия работы и перегрузки в соответствии с табл. 34 СНиП II-8-78;

ε - ожидаемая величина горизонтальных деформаций земной поверхности от всех подработок (по маркшейдерскому расчету);

х - абсцисса точки под подошвой фундамента, для которой определяется τt(t) (начало отсчета принимается от центра горизонтальных деформаций);

εk - собственные деформации конструкции фундамента под воздействием возникающих в них напряжений; принимаются в зоне растяжения εk = 1×10-3, в зоне сжатия εk = 0.

8.42. При определении величины ε необходимо учитывать следующее:

при определении нагрузок под подошвой фундаментов по простиранию (направлению движения забоя) принимается наибольшая ожидаемая величина ε от одной, самой интенсивной подработки;

при определении нагрузок под подошвой фундаментов по направлению вкрест простирания (направления движения забоя) принимается величина ε, определенная как сумма максимальных горизонтальных деформаций от всех подработок;

во всех случаях величина  не должна превышать величину εlim для данной точки под подошвой фундамента, при которой касательные напряжения остаются меньше порога ползучести τlim:

                                                                                   (339)

8.43. Абсцисса xlim точки под подошвой фундамента от горизонтальных деформаций земной поверхности, в которой касательные напряжения достигают величины порога ползучести от 6-ой подработки, определяется по формуле:

                                                                            (340)

Коэффициент жесткости основания при сдвиге  определяется на момент времени t завершения i-ой подработки.

Величину εik допускается определять по соотношению:

В интервале 0®хlim эпюра касательной нагрузки τt под подошвой фундаментов представляется прямой линией (рис. 155) в соответствии с уравнением (338). Ордината эпюры в точке с абсциссой xlim равна τlim.

В зависимости от соотношения xlim и l (где l - полудлина отсека) нагрузку Nt следует определять по следующим формулам:

для случая xlim > l на участке l³x³0

                                                                                                  (341)

где: d - ширина подошвы фундамента.

Максимальная нагрузка Nt - возникает в сечении х =0 и равна:

                                                                                                  (342)

для случая xlim =l на участке :

                                                                                       (343)

Максимальная нагрузка Nt в сечении х = 0:

                                                                                                    (344)

8.44. Эпюра нагрузки Nt по подошве ленточных фундаментов в направлении их продольной оси при величине касательных напряжжений τ> τlim строится как огибающая эпюра максимально возможных касательных нагрузок от всех подработок

.

Рис. 155. Нагрузки на заглубленную часть жесткого фундамента от воздействия горизонтальных деформаций

а - план фундамента с эпюрами нагрузок; б, в - эпюры сдвигающих сил по подошве фундаментов

, , , , tn=tlim; г, д, е-эпюры нагрузок NГ, NБ, NТП, NД.

8.45. Абсциссы х(k)Iim точек земной поверхности, в которых возникают напряжения порога ползучести от к-ой подработки, определяются по формуле: (340).

8.46. Ординаты τi огибающей эпюры касательной нагрузки в точках от 1 до n-1 в зависимости от величины

где:  - максимальная скорость развития горизонтальных деформаций земной поверхности в интервале подработок от i+1 до п определяется по графику υ0-τ, который строится для реального фундамента по графику y-τ. При этом

Графическое построение основано на решении системы уравнений:

                                                          (345)

где: D - глубина активной зоны сдвигаемого грунта;

b - половина ширины подошвы ленточного фундамента. Для графических построений используются функции:

                                                                                  (346)

значения которых в зависимости от параметра  представлены в табл. 39.

Таблица 39

z/b

0

0,1

0,2

0,3

0,4

0,5

0,6

0,7

0,8

0,9

1

Ф1

1

0,874

0,752

0,639

0.538

0,45

0,375

0,312

0,26

0,217

0,182

Ф2

1

0,937

0,874

0,815

0,758

0,705

0,656

0,611

0,57

0,534

0,5

Графические построения представлены на рис. 156. По оси т откладываются величины τlim и τmax, определяемые по формулам прил. 2. Интервал τlim-τmax разбивается на пять равных частей. Из точек 1-5 проводятся кривые Ф1τ1 и Ф2τ2, при этом используются данные табл. 39, а величины τi вычисляются по формулам:

                                                                                   (347)

Из точки 0 проводится вертикаль, от точки пересечения этой вертикали с горизонталью  = 1,0 откладываются отрезки 0,5  и , концы которых соединяются с точкой 0 (соответственно, прямые 2 и 1). Через точки пересечения кривых Ф1τ1 с прямой 1 проводятся горизонтали до пересечения с осью . Отсекаемые при этом на оси отрезки представляют собой величины . Глубина активного слоя Di, соответствующая нагрузке τi, определяется умножением длины отрезка  на половину ширины фундамента b. Продолжая горизонтали, проходящие через точки  до пересечения с прямой 2 и кривыми Ф2τ2, определяют величины τi, как отрезки на горизонталях между точками указанных пересечений. Затем по формуле: (348) вычисляются значения скоростей :

                                                                                                                  (348)

и строится график υ0- τ.

Рис. 156. Построение графика υ0- τ для реального фундамента

8.47. Нагрузки, обусловленные сдвигающими силами в продольном направлении по подошве рассчитываемого фундамента NT, определяются путем суммирования площади эпюры касательной нагрузки (рис. 155) по одну сторону от сечения, в котором определяется усилие, и умножением этой суммы на ширину подошвы фундамента.

Касательные нагрузки по боковым поверхностям фундаментов

8.48. Эпюра касательной нагрузки по боковой поверхность фундамента от горизонтальных деформаций земной поверхности строится по методике, изложенной в пп. 8.44-8.46.

8.49. Абсциссы точек земной поверхности , в которых возникают напряжения порога ползучести от к-й подработки, вычисляются по формуле: (340).

При этом величина  определяется для средних давлений на боковую поверхность фундаментов по формуле:

                                                                                             (349)

8.50. Длительный коэффициент жесткости основания в формуле (338) вычисляется на момент завершения влияния каждой подработки, при этом используются ранее определенные по методике прил. 2 характеристики грунтов засыпки , , . Высота эквивалентного слоя:

где: а - ширина пазухи (при отсутствии в проекте данных о ширине пазухи допускается принимать а = 0,4 м).

Величина  имеет то же значение, что и в формуле (340).

8.51. Ординаты τi огибающей эпюры, касательной нагрузки в точках от 1 до (п-1) определяются в зависимости от скорости деформаций сдвига слоя засыпки . вычисленной по формуле: (350) для максимальной скорости горизонтальных деформаций в интервалах подработок от i+ 1 до :

                                                                                                            (350)

где: х - абсцисса точки земной поверхности (начало отсчета принимается в центре горизонтальных деформаций).

При этом используется график  испытания грунтов засыпки в лабораторных условиях. Предельное значение касательных напряжений τmax в указанных опытах должно соответствовать среднему давлению на боковую поверхность фундаментов.

                                                                            (351)

8.52. Нагрузки, обусловленные сдвигающими силами по боковым поверхностям контакта рассчитываемого фундамента с грунтом Nб, определяются путем суммирования площади эпюры касательной нагрузки по одну сторону от рассматриваемого сечения и умножения этой суммы на высоту контактирующих с грунтом конструкций.

Нормальные нагрузки на боковые поверхности фундаментов

8.53. Суммарная нагрузка Nд, обусловленная нормальным давлением сдвигающегося грунта на лобовые поверхности фундаментов, примыкающих к расчетному, определяется по формуле:

                                                                                     (352)

где: Nдi - нагрузка от фундамента i-й примыкающей стены;

tдi - погонная поперечная нагрузка на лобовые поверхности фундаментов i-й примыкающей стены, расположенной на участке от х до l; вычисляется по формулам (353) и (354) и принимается меньшее из полученных значений.

8.54. Погонные поперечные нагрузки определяются по формулам:

из условия возникновения нормального давления за счет обжатия грунта

                                                                                        (353)

из условия достижения нагрузкой величины пассивного давления грунта:

                                                                             (354)

где: xi - абсцисса точки земной поверхности, в которой определяется нормальная нагрузка (расстояние от центра горизонтальных деформаций до боковой поверхности i-го фундамента);

ξi - понижающий коэффициент, равный отношению расстояния  в свету от i-го примыкающего фундамента со стороны подвигающегося грунта к длине призмы выпирания:

                                                                                                              (355)

при ξi >1 принимается ξi = 1;

                                                                                                     (356)

где: hi - высота фундамента (по боковой поверхности, контактирующей с грунтом);

в - плотностью грунта засыпки с учетом его естественного уплотнения к моменту подработки здания;

 и  - соответственно длительные коэффициенты жесткости для грунтов ненарушенной структуры и грунтов, засыпки при нагрузках на вертикальные поверхности фундаментов, определяемые по формулам (357);

C(t) - общее сцепление грунта, зависящее от относительной, скорости деформаций сдвига i:

                                                                                               (357)

где: C(t) и Cзас(t) - соответственно длительные коэффициенты жесткости основания для грунтов ненарушенной структуры и грунтов засыпки.

Общее сцепление грунта, входящее в формулу (354), определяется выражением:

                                                                                                            (358)

где: η - коэффициент вязкости, определяемый по табл. 40

Таблица 40

Консистенция грунта

Мягкопластичная

Тугопластичная

Полутвердая

Твердая

Коэффициент вязкости, Паxc

1010

1011

1013

1014

Скорость деформаций сдвига yi вычисляется по формуле:

                                                                                   (359)

где:  - максимальная скорость горизонтальных деформаций в интервале всех подработок.

Нагрузки по подошве фундаментов, примыкающих к расчетному

8.55. Суммарная нагрузка NТП, передаваемая от фундаментов примыкающих стен на пояс под продольной стеной, определяется по формуле:

                                                                                                  (360)

где: NТПi - нагрузка от фундамента i-й примыкающей стены.

8.56. Касательные нагрузки τТП по подошве фундаментов, примыкающих к расчетному, определяются аналогично методике, изложенной в пп. 8.41-8.46 настоящего Руководства.

При этом эпюра τТП строится для конкретного фундамента примыкающей стены.

8.57. Нагрузка NТПi определяется умножением площади эпюры по длине фундамента i-й примыкающей стены на ширину подошвы фундамента.

УПРОЩЕННАЯ МЕТОДИКА ОПРЕДЕЛЕНИЯ НАГРУЗОК НА ФУНДАМЕНТНЫЕ КОНСТРУКЦИИ ОТ ГОРИЗОНТАЛЬНЫХ ДЕФОРМАЦИЙ ОСНОВАНИЯ

8.58. Рекомендации настоящего раздела могут быть использованы для выполнения статических расчетов на стадии технических проработок при общей длительности процесса сдвижения земной поверхности не менее 12 мес.

Касательные нагрузки по подошве фундаментов

8.59. Касательные нагрузки τt по подошве ленточных фундаментов в направлении их продольной оси при величине касательных напряжений τ<τlim определяются формулой (338), в которой длительный коэффициент жесткости основания при сдвиге равен:

                                                                                          (361)

где: ωz, ωx - коэффициенты формы фундамента, определяемые по табл. 12;

Gдл - длительный модуль сдвига грунта, определяемый по табл. 41;

F - площадь подошвы фундамента (не более 10 м2 для ленточных и 100 м2 для плитных фундаментов);

μ0 - коэффициент Пуассона грунта, определяемый по табл. 13.

Таблица 41

Предел нормативных показателей консистенции

Нормативные значения длительных модулей сдвига грунта Gдл, МПа, при коэффициенте пористости е, равном:

0,55

0,65

0,75

0,85

0,95

IL<0

13,5

9

6

4

3

0£IL£ 0,25

9,5

6

3,5

2,5

2

0,25£IL£ 0,5

-

3,5

2

1,5

1

8.60. Предельное касательное напряжение по подошве фундаментов определяется по формуле: (1) прил. 2. Входящие в эту формулу значения угла внутреннего трения φω и сцепления связности Sw определяются по табл. 42, 43.

Таблица 42

Предел нормативных показателей консистенции

Общее сцепление с0, МПа, и угол внутреннего трения, град, при коэффициенте пористости, равном:

0,55

0,65

0,75

0,85

0,95

IL<0

0,07

29

0,057

27

0,047

26

0,040

25

0,036

24

0£IL£ 0,25

0,053

25

0,043

23

0,035

22

0,029

21

0,025

20

0,25£IL£ 0,5

-

0,036

21

0,028

20

0,022

18

0,018

17

Значение структурного сцепления, входящее в формулу (1) прил. 2, определяется как разность между общим сцеплением с0 (см. табл. 42) и сцеплением связности Sw (см. табл. 43).

8.61. Эпюра касательной нагрузки по подошве фундамента состоит из трех (или менее) прямолинейных участков (рис. 157).

Рис. 157. Эпюра касательной нагрузки по подошве фундамента

Абсциссы точек земной поверхности под подошвой фундамента, в которых возникают напряжения, порога ползучести τlim и предельные касательные напряжения τmax вычисляются по формулам:

                                                                                                        (362)

                                                                                                          (363)

где: yпр - относительный предельный сдвиг, величина которого определяется по табл. 44.

В - утроенная ширина подошвы фундамента при сдвижении грунта вдоль длинной стороны. Отрезок ВС является горизонталью.

8.62. Нагрузки, обусловленные сдвигающими силами в продольном направлении по подошве рассчитываемого фундамента NТ, определяются путем суммирования площади эпюры касательной нагрузки (см. рис. 157) по одну сторону от того сечения, в котором определяется усилие, и умножением этой суммы на ширину подошвы фундамента.

8.63. Нагрузки, обусловленные сдвигающими силами по подошве фундаментов, примыкающих к расчетному, NТП определяются на основании той же эпюры (см. рис. 157), построенной для конкретного фундамента.

Величина В в формуле (363) принимается равной ширине подошвы фундамента, примыкающего к расчетному.

При этом нагрузка NТП определяется умножением площади эпюры по длине фундамента, примыкающего к расчетному, на его ширину.

Таблица 43

Предел нормативных показателей консистенции

Сцепление связности Sw, МПа при коэффициенте пористости е, равном:

0,55

0,65

0,75

0,85

0,95

IL<0

0,046

0,034

0,025

0,019

0,016

0£IL£ 0,25

0,035

0,027

0,02

0,015

0,012

0,25£IL£ 0,5

-

0,023

0,016

0,011

0,008

Таблица 44

Предел нормативных показателей консистенции

Относительный предельный сдвиг lпр при коэффициенте пористости е, равном:

0,55

0,65

0,75

0,85

0,95

IL<0

0,049

0,117

0,164

0,190

0,195

0£IL£ 0,25

0,096

0,162

0,210

0,240

0,252

0,25£IL£ 0,5

-

0,197

0,249

0,285

0,303

Касательные нагрузки по боковым поверхностям фундаментов

8.64. Касательные нагрузки по боковым поверхностям фундаментных конструкций определяются в соответствии с указаниями пп. 8.48-8.52, при этом используются характеристики грунтов засыпки.

8.65. Длительный коэффициент жесткости грунта засыпки при сдвиге допускается определять по формуле:

                                                                                                          (364)

Нормальные нагрузки на боковые поверхности фундаментов

8.66. Нормальные нагрузки на боковую поверхность фундаментов определяются в соответствии с указаниями пп. 8.53-8.54.

В формулы (353), (354) вносятся изменения:

                                                                                                    (365)

ПРИМЕРЫ РАСЧЕТА

Пример 1. Влияние изменения во времени параметров деформирования основания на напряженно-деформированное состояние зданий показано на примерах, рассмотренных ниже.

Определим обобщенные усилия и их изменения во времени при переменных коэффициентах жесткости, параметрах искривления, ступенчатого оседания основания.

Расчет выполнен по упрощенной расчетной схеме в соответствии с указаниями п. 5.12 СНиП II-8-78 по программе для ЭВМ.

Исходные данные:

Приведенные параметры здания:

Размеры:

длина 30 м, ширина 8 м;

жесткостные характеристики:

[ЕI] = 6,79×1010 Па×м4;

[GF] = 7,3×109 Па×м2;

нагрузка на балку (каркасное здание) - в виде двух сосредоточенных сил Р1 = Р2 = 28 950 кН;

на балку (бескаркасное здание) - равномерно распределенная q = 1930 Н/м.

Рис. 158. Изменение во времени усилий в конструкции на сплошном реологическом основании

Расчетные схемы:

I - здание на сплошном реологическом основании с изменяющимся во времени коэффициентом жесткости.

Изменение от Сt = 10720×104 Н/м3 до Сt = 3550×104 Н/м3 распределяется во времени по графику на рис. 158.

II - здание на искривленном основании.

Уменьшение во времени радиуса кривизны от R = 16,8 км до R-7 км с распределением во времени по графику на рис. 159-162.

III - здание на основании с уступом.

В расчете учитывается изменение во времени коэффициента жесткости основания в зоне, граничащей с уступом, и его переменность по длине конструкции.

Изменение коэффициента жесткости показано на графике рис. 163-164. Определение обобщенных усилий М, прогибов Y и отпора грунта Р произведено на ЭВМ. Их эпюры приведены на рис. 158-164.

Анализ расчетных данных показывает, что изменение параметров деформирования основания влияет следующим образом.

В балках, загруженных равномерно распределенной нагрузкой:

уменьшение радиуса кривизны приводит к значительному увеличению изгибающих моментов и незначительному перераспределению прогибов и реактивного отпора.

При изменении радиуса кривизны в 1,7 раза максимальные моменты увеличились в 2,5 раза (с учетом знака искривления).

При ступенчато оседающем основании наибольшее увеличение моментов не в конечный момент времени, а при обжатии грунта в зоне уступа на длине 0,32L. Дальнейшее уменьшение коэффициента жесткости по длине конструкции приводит к уменьшению максимальных моментов и выравниванию эпюры реактивного отпора, но вызывает недопустимый крен балки.

В балках, загруженных сосредоточенными силами, при изменении во времени радиуса кривизны в 1,7 раза при кривизне выпуклости моменты уменьшились в 1,05 раза, при кривизне вогнутости увеличились в такое же количество раз.

Прогибы и реактивный отпор перераспределяются по длине балки незначительно.

При сплошном основании уменьшение коэффициента жесткости приводит к увеличению изгибающих моментов, прогибов и перераспределению реактивного отпора по длине. Так, при уменьшении коэффициента жесткости в 3 раза Mmax увеличился в 1,13 раза, прогиб увеличился в 3 раза.

При ступенчато оседающем основании так же, как и в случае равномерно распределенной нагрузки, наиболее неблагоприятным является момент обжатия грунта в зоне уступа на длине 0,32L.

Пример 2. Определение касательной нагрузки по подошве ленточного фундамента.

Исходные данные:

Размеры подошвы фундамента в плане - 40×3,2 м; нагрузка: 2×105 Н/м2 (0,2 МПа).

Характеристики грунта основания по данным лабораторных опытов:

Рис. 159. Изменение во времени усилий в конструкции в зависимости от изменения радиуса кривизны

Рис. 160. Изменение во времени усилий в конструкции в зависимости от изменения радиуса кривизны основания (кривизна выпуклости)

Рис. 161. Изменение во времени усилий в конструкции в зависимости от изменения радиуса кривизны

Рис. 162. Изменение во времени усилий в конструкции в зависимости от изменения радиуса кривизны основания (кривизна вогнутости)

Рис. 163. Изменение во времени усилий в конструкции в зависимости от изменения коэффициента жесткости основания с уступом

Рис. 164. Изменение во времени усилий в конструкции в зависимости от изменения коэффициента жесткости основания с уступом

Параметры подработки:

Расчет по точной методике.

Определяем коэффициенты жесткости основания при сдвиге на период начала и завершения второй подработки.

Предварительно вычисляем характеристики ползучести х, x1 и  для фундамента.

При соотношении сторон фундамента b/L = 3,2/40 = 0,08, ωx = 0,53, ωz = 1,22 (по табл. 12).

Так как Fф = 128 м2 > 10 м2, принимаем Fф = 10 м2.

По формуле: (22) прил. 2:

По формулам (23)-(25) прил. 2:

Перед началом второй подработки по формуле: (246):

В конце второй подработки по формуле:

Здесь:

Вычисляем величину порога ползучести и предельное сопротивление грунта сдвигу по формулам (1) и (3) прил. 2:

Вычисляем величины х(1)Iim абсциссы точек, в которых возникают напряжения порога ползучести при завершении k-ой подработки:

от первой подработки:

где:  - принимается по соотношению:

от первой и второй подработок:

Для окончательного построения эпюры касательной нагрузки определяем скорости перемещений в точках с абсциссами 20; 17; 13,4 и 9 м. Промежуточные точки с абсциссами 20; 17 и 9 м приняты для точности построения эпюры касательной нагрузки, так как в рассматриваемом примере всего лишь одна расчетная точка с абсциссой х(1)Iim.

Так как все рассматриваемые точки находятся левее точки с абсциссой х(2)Iim, то

По графику скорости ползучести фундамента (рис. 165) определяем касательные нагрузки:

Эпюра продольных усилий в ленточном фундаменте, построенная по ординатам эпюры касательной нагрузки τ20, τ17, τ13,4, τ9 в соответствии с указаниями пп. 8.43-8.46 представлена на рис. 166 (кривая 1).

Расчет по упрощенной методике:

По формуле: (361) вычисляем Ссд.дл:

при этом Ссд принимаем по табл. 41, ωz , μ0 соответственно по табл. 12 и 13.

По формулам (362) и (363) определяем xlim и xпред:

 

Таким образом, точка А имеет координаты: -6,86 м, 0,876´105 Н/м2 (0,0876 МПа); точка В - 46,12 м, 1,516×105 Н/м2 (0,1516 МПа).

Эпюра продольных усилий в фундаменте по полученной эпюре касательной нагрузки приведена на рис. 166 (кривая 2). Отклонение на 27 % в меньшую сторону величин продольных усилий, полученных по упрощенной методике от точного решения объясняется тем, что длительность процесса сдвижения земной поверхности в конкретном примере менее 12 мес. (Т = 4 мес.).

Рис. 165. График скоростей ползучести фундамента

Рис. 166. Эпюра продольных усилий в ленточном фундаменте. Расчет:

1 - точный; 2 - упрощенный

ПРИЛОЖЕНИЕ 1

Определение параметров длительного деформирования грунтов

1. Характеристика длительного деформирования грунта f0t определяется, как правило, при инженерно-геологических изысканиях по результатам полевых испытаний штампом статической нагрузкой и для детального изучения отдельных участков лабораторными компрессионными методами.

Возможность проведения длительных испытаний выясняется на стадии проектного задания, с тем, чтобы для рабочего проектирования иметь необходимые исходные данные. При выдаче задания на лабораторные испытания грунтов требуется специально оговорить необходимость проведения таких испытаний.

2. Длительность испытания грунта должна быть не менее 7-10 дней для сильносжимаемых грунтов (коэффициент сжимаемости а»0,1 см2/кг, 15 дней для среднесжимаемых (а»0,01 см2/кг), 20-25 дней для малосжимаемых (а»0,001 см2/кг).

3. Величина нагрузки, при которой испытывается грунт, определяется по табл. 2 прил. 4 СНиП 2.02.01-83 и величине средней распределенной нагрузки, передаваемой от проектируемого сооружения. За опытную нагрузку принимается меньшая из указанных величин.

4. Характеристика длительного деформирования грунта в произвольный момент времени t определится выражением:

                                                                                                              (1)

где: S (t) - полные деформации грунта в момент времени I

S0 - условно-мгновенные деформации, полученные через 5 с после приложения нагрузки.

5. Для предварительных расчетов по оценке влияния длительного деформирования грунта на напряженно-деформируемое состояние зданий и сооружений величина φt0 определяется расчетным путем с использованием некоторых результатов компрессионных испытаний:

                                                                                                    (2)

где: S¥ - полные деформации грунта к моменту окончания испытаний (к моменту полной стабилизации);

U(t) - функция, характеризующая длительность деформирования оснований, значения которой определяются из следующего выражения:

                                                                                                         (3)

где: t - время в годах;

δ1 - безразмерный коэффициент, зависящий от вида и свойств грунта (скорости протекания деформаций), для:

сильносжимаемого δ1= 2,5;

средкесжимаемого δ1= 1;

слабосжимаемого δ1= 0,5.

6. Значения функции U(t) могут быть также определены по табл. 1 прил. 2 к СНиП 11-8-78.

ПРИЛОЖЕНИЕ 2

Методика определения реологических характеристик грунтов подрабатываемых территорий

Методика определения реологических характеристик грунтов в лабораторных условиях

Приборы для определения реологических характеристик грунтов

1. Для определения параметров затухающей ползучести, порога ползучести и коэффициента вязкости грунта при сдвиге применяются приборы одноплоскостного среза конструкции Маслова- Лурье, доукомплектованные набором колец толщиной 1,5 мм с целью фиксации высоты скашиваемой части образцов.

2. Параметры затухающей ползучести при действии на образец грунта сжимающей нагрузки определяются в компрессионных приборах типа К-1М с дополнительным индикатором часового типа для измерения осадок по центральной оси прибора.

Определение прочностных характеристик грунтов, соответствующих их плотности-влажности к началу подработки.

3. Исходная зависимость сопротивляемости грунтов сдвигу в основаниях подрабатываемых зданий и сооружений принимается в виде:

                                                                                        (1)

где: Р - действующее по данной площадке нормальное напряжение;

φw - Угол внутреннего трения при влажности W;

Cc - структурное сцепление, обусловленное прочностью цементационно-кристаллизационных связей;

Sw - связность грунта водно-коллоидной природы при влажности W.

4. Сопротивляемость грунта сдвигу определяется в соответствии с ГОСТ 12248-78 с изм. с учетом необходимости получения характеристик φw, и Sw, при различной плотности-влажности грунта, соответствующей его состоянию в основаниях подрабатываемых зданий и сооружений через различное время после их возведения. Для испытания грунтов на срез при различной влажности образцы предварительно обжимают вертикальной нагрузкой различное время.

5. Из монолитов исследуемого грунта отбирают не менее 12 образцов в кольца срезного прибора.

Три образца естественной влажности срезаются после предварительного уплотнения их при вертикальных нагрузках 0,1; 0,3 и 0,5 МПа. Остальные образцы в кольцах помещаются в устройства для насыщения грунта водой без возможности набухания. Выдержанные в течение суток в условиях насыщения водой, образцы переносятся в приборы предварительного уплотнения, где обжимаются вертикальной нагрузкой 0,1; 0,3 и 0,5 МПа (по три образца на каждую нагрузку). При этом образцы, обжимаемые одним и тем же давлением, выдерживаются: первый - 1, второй- 5 и третий - 10 сут.

6. После испытания на срез образцов (при двукратном срезе каждого образца на двух уровнях) из зоны среза отбирается грунт для определения влажности W. Это дает возможность построить графики вида τmaxx=f(W), которые в общем, виде представлены на рис. 1.

7. Вторым этапом обработки данных испытаний является преобразование графиков рис. 1 в графики вида τmax=f(P), которые в общем виде показаны на рис. 2. По графикам рис. 2 определяют значения φw и cw = Ccw для влажности грунта в основании подрабатываемых зданий при Р - R.

При построении графиков τmax=f(P) для осей τmax и Р берется одинаковый масштаб.

8. По значениям φw и cw из графиков рис. 2 строят графики φw = f(W) и cw = f(W), которые в общем, виде приведены на рис. 3 и 4.

По графику рис. 4 общее сцепление cw разделяют на сцепление связности Σw и структурное сцепление Cc. Для этого из той части графика, где cw, практически не изменяется с увеличением влажности, проводят линию, параллельную оси W. Точка пересечения ординаты с этой линией при меньшей влажности покажет величину связности грунта Σw, являющуюся переменной величиной, зависящей от влажности, величину структурного сцепления Cc, не зависящую от влажности и являющуюся постоянной величиной для данного грунта.

Рис. 1. Зависимость сопротивления сдвигу грунта от влажности

Рис. 2. Зависимость сопротивления сдвигу грунта от вертикальной нагрузки при различной влажности

Рис. 3. Зависимость угла внутреннего трения от влажности грунта

Рис. 4. Зависимость сцепления от влажности грунта

Рис. 5. Зависимость сопротивления сдвигу от вертикальной нагрузки

1 - для монолита; 2 - для плашек

9. Структурное сцепление допускается также определять методом «плашек». Для этого производят сдвиг трех образцов ненарушенной структуры, при вертикальных нагрузках 0,1; 0,3 и 0,5 МПа, предварительно уплотненных при давлении 0,5 МПа для приобретения ими одинаковой плотности-влажности. Другие три образца этой же плотности-влажности после закладки их в сдвиговой прибор до приложения вертикальной нагрузки при помощи стальной струны разрезаются в плоскости сдвига на две части. В результате в плоскости сдвига произойдет разрушение структурных связей. После этого поверхность разреза слегка смачивается, и к образцу прикладывается вертикальная нагрузка, под которой он выдерживается сутки для восстановления по поверхности разреза связности Σw.

Графики сдвига грунта ненарушенной и нарушенной структуры вычерчиваются на совмещенной диаграмме, как это показано на рис. 5.

Величину структурного сцепления определяют по разности:

Cc=c1-c2                                                                                                                                                              (2)

10. По значению величины структурного сцепления и угла внутреннего трения fw при влажности, соответствующей длительному уплотнению грунта, под давлением Р-R вычисляют приближенную величину порога незатухающей ползучести τlim:

                                                                                                                                     (3)

где:

Р - в условиях опыта принимается равным R (R - расчетное давление на основание в соответствии со СНиП по проектированию оснований зданий и сооружений).

Величина τlim используется в дальнейшем для проведения испытаний грунта в стадиях затухающей и незатухающей ползучести.

Определение условно-мгновенного модуля и параметров затухающей ползучести при сдвиге.

11. Реологические свойства грунта при сдвиге в стадии затухающей ползучести характеризуются условно-мгновенным модулем сдвига Gмгн и параметрами затухающей ползучести при сдвиге X, X1.

Рис. 6. График затухающей ползучести относительной деформации сдвига грунта

12. Величины условно-мгновенного модуля сдвига и параметров затухающей ползучести X и X1 взаимосвязаны и поэтому должны определяться из одного опыта по ветви нагрузки.

13. Здания и сооружения подрабатываются горными выработками в среднем через несколько лет после их возведения, поэтому фильтрационную консолидацию грунта под фундаментами можно считать завершенной. Исходя из этого, перед определением Gмгн, X и X1 образец грунта необходимо предварительно обжать вертикальной нагрузкой, равной R, до условной стабилизации деформации 0,001 мм за 24 ч.

14. Величина мгновенно прикладываемого к образцу грунта касательного напряжения принимается равной 0,5τlim. Порог ползучести τlim ориентировочно рассчитывается по формуле: (3).

15. Мгновенная деформация сдвига при вертикальном давлении Р = R после приложения горизонтальных напряжений 0,5τlim должна фиксироваться за время, не превышающее 20 с. В этом случае условно-мгновенный модуль сдвига будет равен:

                                                                                                                             (4)

где: мгн - относительная условно-мгновенная деформация сдвига.

16. Относительная деформация сдвига y определяется как отношение разности показаний индикаторов часового типа, фиксирующих горизонтальные перемещения верхнего и нижнего колец в наборной обойме, к высоте скашиваемой части образца

                                                                                                                                             (5)

где: λ1 -. перемещение верхнего кольца, мм;

λ2 - перемещение нижнего кольца, мм;

d - расстояние по высоте между точками верхнего и нижнего индикаторов (высота скашиваемой части образца).

17. После фиксирования условно-мгновенной деформации отсчеты по индикаторам при τ=0,5τlim =const берутся через 1, 2, 3, 5, 10, 20 и 30 мин; 1, 2, 3, 5, 8 ч. В дальнейшем отсчеты берутся через 24 ч. За условную стабилизацию деформации сдвига (ползучести) принимается величина приращения горизонтальных перемещений λ1- λ2, равная 0,001 мм за 24 ч.

18. По результатам испытаний строят график ползучести y=f(t),

где: t - время, ч.

Этот график имеет вид, представленный на рис. 6.

Стабилизация деформации сдвига считается достигнутой при условии, что критерий стабилизации выполняется не менее чем на трех интервалах наблюдения длительностью 24 ч.

19. Для вычисления параметра ползучести X1 необходимо взять по графику ползучести следующие значения y: yмгн;

*    72) - деформация сдвига через 72 ч (трое суток);

*    ст - стабилизированная деформация сдвига.

Параметр ползучести X1 вычисляют по формуле:

                                                                                                           (6)

20. Параметр ползучести X вычисляют по формуле:

                                                                                                                  (7)

21. При проведении опытов на ползучесть при сдвиге следует обеспечивать расположение колец в наборной обойме сдвигового прибора на расстоянии 0,5 мм друг от друга и сохранение постоянной начальной влажности грунта в течение всего опыта, для чего образцы грунта в сдвиговом приборе необходимо испытывать в герметичных резиновых оболочках.

Определение порога ползучести и коэффициента вязкости при сдвиге.

22. Для прямого определения порога незатухающей ползучести τlim используются и продолжаются опыты по определению характеристик в стадии затухающей ползучести. Для этого дополнительно задаются три-четыре ступени касательных напряжений в интервале τlim - τmax. Предельное касательное напряжение при Р = R устанавливается предварительно, при проведении опытов в соответствии с пп. 3-10 настоящего Приложения.

23. Величины ступеней касательных напряжений принимаются равными:

При этом каждая последующая ступень сдвигающей нагрузки прикладывается лишь в том случае, если скорость сдвига на предыдущей ступени приобретает постоянное значение (в течение каждых суток деформация возрастает на одну и ту же величину). Об этом будет свидетельствовать линейный характер графика λ=f(t),

где:

λ=(λ1- λ2) - абсолютная величина сдвига.

24. Абсолютная скорость деформации сдвига v определяется как отношение величины приращения деформации сдвига ∆λi, см за 24 ч (86 400 с) к указанному промежутку времени:

                                                                                                                                                          (8)

где: ∆ti = 24 ч (86 400 с).

Относительная скорость v деформации сдвига вычисляется по формуле:

                                                                                                                                                                 (9)

где: d - высота скашиваемой части образца, см.

25. Используя результаты вычислений по формуле: (9), строят график зависимости относительной скорости сдвига от величины касательного напряжения υ=f(τ), который в общем виде приведен на рис. 7.

26. Величину порога ползучести определяют по величине отрезка, отсекаемого графиком υ=f(τ) (см. рис. 7) на оси τ абсцисс.

Рис. 7. Зависимость относительной скорости сдвига от величины касательных напряжений

Рис. 8. График затухающей ползучести грунта при постоянной величине вертикальной нагрузки

27. После проведения испытаний по описанной выше методике опыт продолжают до полного среза образца грунта для определения τmax.

28. Коэффициент вязкости представляет собой тангенс угла наклона графика υ=f(τ) (см. рис. 7) к оси ординат и вычисляется по формуле:

                                                                                                                                              (10)

Определение условно-мгновенного модуля и параметров затухающей ползучести при компрессионном сжатии грунта.

29. Реологические свойства грунтов при компрессионном сжатии в стадии затухающей ползучести характеризуются условно-мгновенным модулем деформации Емгн и параметрами затухающей ползучести при компрессионном сжатии δ1, δ.

30. Величины условно-мгновенного модуля деформации Емгн и параметров затухающей ползучести δ1, δ взаимосвязаны и поэтому должны определяться из одного опыта по ветви нагрузки.

31. Здания и сооружения подрабатываются горными выработками через несколько лет после их возведения, поэтому фильтрационную консолидацию к моменту подработки следует считать завершенной и параметры затухающей ползучести определять на образцах грунта после предварительного отжатия из них поровой воды.

32. Перед определением характеристик затухающей ползучести образец грунта предварительно уплотняется вертикальным давлением r, равным 0,6 R для данного грунта и вида фундамента, и выдерживается до условной стабилизации осадки, приращение которой не должно превышать 0,001 мм за 24 ч.

33. К ранее уплотненному образцу мгновенно прикладывается дополнительное давление, равное 0,4 R, в результате чего суммарное давление на образец составит R. При этом фиксируется мгновенная деформация сжатия за время, не превышающее 20 с. В дальнейшем отсчеты по приборам берутся с периодичностью, изложенной в п. 17. За условную стабилизацию деформаций сжатия принимает приращение осадки, не превышающее 0,001 мм за 24 ч.

34. Условно-мгновенный модуль деформации грунта вычисляется по формуле:

                                                                                                                                              (11)

где: емгн - относительная убловно-мгновенная деформация сжатия при напряжении равном 0,4 R.

35. По результатам испытания грунта на ползучесть строят график ползучести е=f(τ),

где: е - относительная деформация сжатия грунта;

t - время, ч.

Этот график будет иметь вид, представленный на рис. 8.

Стабилизация деформации сжатия считается достигнутой при условии, что критерий стабилизации выполняется не менее чем на трех интервалах наблюдения длительностью 24 ч.

Примечание. При построении графика е=f(τ) (см. рис. 8) относительная деформация сжатия определяется как отношение разности осадки при давлении Р = R и конечной осадки при Р = 0,6R к начальной высоте образца.

36. Для вычисления параметра ползучести δ1 необходимо взять по графику ползучести следующие значения е: емгн;

e(72) - деформация сжатия через 72 ч;

ecm - стабилизированная деформация сжатия. Параметр ползучести δ1 вычисляют по формуле:

                                                                                                                (12)

37. Параметр ползучести δ вычисляют по формуле:

                                                                                                                                    (13)

38. После проведения опыта по методике, изложенной в пп. 29-35, определяется влажность образца грунта, соответствующая найденным параметрам затухающей ползучести.

39. По результатам опытов определяется также характеристика ползучести грунта φt:

                                                                                                                                      (14)

Методика определения реологических характеристик грунтов при сжатии в полевых условиях.

Приборы и приспособления для определения реологических характеристик грунтов в полевых условиях.

40. Комплект оборудования, предназначенного для испытания грунтов на сжатие в полевых условиях, регламентирован ГОСТ 12374-77. Испытания, как правило, следует производить квадратными штампами площадью 5000 см2. В состав комплекта оборудования должен входить стабилизатор давления для поддержания постоянного давления на ступенях нагрузки.

41. В качестве измерительных приборов при испытаниях применяются стандартные приборы: индикаторы часового типа с ценой деления 0,01 мм, манометры масляные с ценой деления 1-2 атмосферы.

Определение в полевых условиях путем вдавливания стандартного штампа параметров затухающей ползучести и условно-мгновенных коэффициентов жесткости основания при нагрузке и разгрузке.

42. Реологические свойства грунтов при сжатии в полевых условиях характеризуются условно-мгновенным коэффициентом жесткости основания при нагрузке Cмгн, параметрами затухающей ползучести ∆, ∆’ и длительным коэффициентом жесткости основания при разгрузке .

43. Испытание грунта штампом производится на отметке подошвы проектируемого фундамента. Предварительно лабораторными опытами определяются основные расчетные характеристики испытуемого грунта (φ, с) на образцах, взятых на уровне отметки подошвы проектируемого фундамента. По полученным характеристикам вычисляется расчетное давление на грунт, согласно СНиП по основаниям зданий и сооружений, R.

44. Испытание выполняют с предварительным уплотнением грунта нагрузкой, равной природному давлению Pб на грунт на отметке подошвы штампа ступенями удельных нагрузок, согласно ГОСТ 12374-77, до напряжений 0,6R.

45. Осадка штампа измеряется четырьмя индикаторами часового типа, устанавливаемыми на углах штампа и закрепленными к приборной раме. Приборная рама крепится к стойкам, забитым в грунт на глубину не менее 1,5 м и на расстоянии не менее 2 м от центра штампа по обе стороны. Осадки вычисляются как среднее арифметическое по показаниям четырех индикаторов.

46. Каждая ступень нагрузки на штамп, за исключением последней, выдерживается до условной стабилизации осадки согласно ГОСТ 12374-77.

47. Последняя ступень нагрузки, соответствующая 0,6 R, выдерживается до стабилизации осадки штампа, приращение которой не превышает 0,01 мм за 12 ч. Стабилизация при этом считается достигнутой, если указанное условие выполняется в течение двух последующих интервалов времени наблюдения.

48. Опыт по определению ∆, ∆’ и Cмгн является продолжением опыта по п. 47. Штамп, выдержанный под давлением 0,6R до условной стабилизации по п. 47, быстро нагружается (в течение не более 20 с) дополнительной нагрузкой, соответствующей напряжениям по подошве 0,4 R, таким образом, чтобы суммарные напряжения под штампом составили R.

49. Замеряется условно-мгновенная осадка штампа S0 от приращения давления 0,4 R (при t= 20 с). Периодичность снятия отсчетов по приборам принимается следующая: в первый час через 15 мин, во второй час через 30 мин, в первые шесть часов через час и далее два раза в сутки.

50. Под общим давлением R штамп выдерживается до условной стабилизации осадки штампа, приращение которой не превышает 0,01 мм за 12 ч. Стабилизация при этом считается достигнутой, если это условие выполняется в течение двух последующих интервалов времени наблюдения (отсчетов).

51. В течение всего опыта нагрузка, поддерживаемая стабилизатором давления, не должна отклоняться от своего расчетного значения более чем на 2 %.

Рис. 9. График осадки штампа во времени при ступенчатой нагрузке

а - график осадки штампа во времени; б - график задания ступеней нагрузки во времени

Рис. 10. Перестроенный график осадки штампа

52. После окончания опыта по п. 48 производится полная разгрузка штампа от внешнего давления, равного R. При этом фиксируется восстанавливающаяся часть осадки через 2 ч.

53. По результатам испытаний строят график осадки штампа S(t), где: S - осадка штампа, t - время.

Качественный вид этого графика представлен на рис. 9.

Этот график перестраивается в тех же координатах S - t, для чего начало координат переносится в точку 1. Перестроенный график осадки штампа показан на рис. 10. На графике (см. рис. 10) фиксируют следующие точки:

S0 - осадка штампа за t - 20 с;

S72 - осадка штампа через 72 ч (трое суток);

S¥ - стабилизированная осадка штампа;

S¥ - Sp - восстанавливающаяся осадка при полной разгрузке штампа.

54. Параметры затухающей ползучести грунта вычисляют по формулам:

                                                                                                                      (15)

                                                                                                                                     (16)

Мгновенный коэффициент жесткости основания при нагрузке:

                                                                                                                                                    (17)

Длительный коэффициент жесткости основания при разгрузке:

                                                                                                                                        (18)

55. Характеристики грунтов, определяемые в лабораторных и полевых условиях, связаны между собой следующими зависимостями:

                                                                                                                                          (19)

                                                                                                                                                              (20)

                                                                                                                                                              (21)

                                                                                                                                  (22)

где: ωx - безразмерный коэффициент подошвы фундамента, определяемый по табл. 12;

F - площадь подошвы фундамента (не более 10 м2 для ленточных, 100 м2 для плитных фундаментов).

Переход от характеристик грунта, полученных для штампа, к характеристикам для реального фундамента, осуществляется следующим образом (индексом «ф» обозначены характеристика грунта для реального фундамента): по результатам опыта определяют Cхмгн, X, Х1; по формулам (19)-(22) вычисляют Gмгн, χ1 X; при этом в формуле (22) F = 5000 см2, ωz = 1,06, ωx - 0,5; по данным лабораторных опытов вычисляют характеристики для реального фундамента:

                                                                                                                                             (23)

                                                                                                                                                     (24)

                                                                                                                                                           (25)

Характеристики грунта для реального фундамента определяют непосредственно по формулам (23)-(25).

ПРИЛОЖЕНИЕ 3

Определение характеристики ползучести и деформаций усадки бетонов

Ползучесть материала конструкций необходимо учитывать для монолитных и сборных железобетонных конструкций, изготовляемых без термовлажностной обработки, при начале подработки не более трех лет после окончания строительства, а также в промышленных зданиях с технологическими процессами, проходящими при повышенном температурном режиме.

Ползучесть бетонных и железобетонных конструкций следует учитывать с помощью характеристики ползучести бетона φτ, представляющей отношение конечной (при t®¥) величины деформации ползучести к величине упругой деформации. Характеристику ползучести определяют по формуле:

                                                                                                                (1)

где: Cτ - конечное значение меры ползучести бетона;

Eб - модуль упругости бетона.

Вводимые в расчет конечные (при t®¥) значения меры ползучести Cτ и деформации усадки εy вычисляются в зависимости от их нормативных величин (табл. 1) по формулам:

                                                                          (2)

где: ξ1234 - коэффициенты, учитывающие фактические условия работы конструкции и принимаемые по табл. 2.

Таблица 1

Нормативные меры ползучести Сн и деформаций усадки eу.н. бетона

Характеристика подвижности (удобоукладываемости) бетонной смеси по ГОСТ 10181.1-81

Значение Сн´10 для бетона проектной марки

eу.н´10 для бетона проектной марки

осадка стандартного конуса, см

жесткость по техническому вискозиметру, с

150

200

250

300

400

500

600»

150-200

300-600

-

35-30

14

10,8

9,1

7,7

6,2

5,2

4,5

230

270

1-2

15-10

16,2

12,4

10,5

8,9

7,2

6,0

5,3

290

330

5-6

 

18,2

14,0

11,7

10,1

8,1

6,8

5,9

350

400

9-10

 

19,2

14,8

12,4

10,7

8,5

7,2

6,2

380

430

Примечания.

1. Для бетонов, подвергнутых тепловлажностной обработке по полному режиму (прочность после пропаривания - не менее 80 % проектной марочной прочности), значения Сн, εy.н., определенные по таблице, снижают на 10 %.

2. Характеристику подвижности (удобоукладываемости) бетонной смеси устанавливают в зависимости от конструктивных особенностей технологии изготовления элемента с учетом главы СНиП II-21-75.

Таблица 2

Коэффициенты ξ1,ξ2,ξ3,ξ4

Условия работы конструкции

Характеристика условий работы конструкций и численные значения соответствующих коэффициентов

Кубиковая прочность бетона в момент загружения в долях от проектной марочной прочности

-

0,6

0.7

0,8

0,9

1 и более

ξ1

-

1,5

1,4

1,25

1,15

1

Возраст бетона в момент загружения, сут

28 и менее

45

60

90

180

360 и более

ξ2

1

0,9

0,85

0,75

0,65

0,6

Открытая удельная поверхность элемента, см-1

0

0,2

0,4

0,6

0,8

1 и более

ξ3

0.65

0,8

1

1 ,15

1,35

1,55

Относительная влажность среды, %

-

40

50

60

70

80 и более

ξ4

-

1,4

1,8

1,15

1

0,65

Примечания:

1. Отличным от единицы принимают во всех случаях лишь один из двух коэффициентов ξ1, или ξ2. При прочности бетона в момент загружения меньшей, чем его проектная марка, используют значения коэффициента ξ1, принимая ξ2 = 1. а при загружении бетона в возрасте более 28 сут - значения коэффициента ξ2, полагая ξ1= 1.

2. Открытую удельную поверхность стержневых (немассивных) элементов допускается вычислять как отношение открытого периметра поперечного сечения к его площади. Участки поверхности элемента (периметра сечения), покрытие гидроизоляцией, при подсчете величины открытой поверхности не учитывают, если гидроизоляция наносится на бетон в возрасте не более чем 90 сут.

Относительную влажность среды устанавливают по фактическим данным, а влажность воздуха - в зависимости от климатического района расположения сооружения как среднюю летнюю за многолетний период. При отсутствии таких данных, а также для элементов типовых конструкций допускается принимать ξ4 = 1.

Для массивных элементов с величиной открытой удельной поверхности менее 0,4, а также для элементов, покрытых гидроизоляцией со всех сторон вне зависимости от влажности воздуха, принимают: при вычислении деформаций ползучести £4 = I, а при подсчете деформаций усадки ξ4 = 0,5.

При определении деформаций ползучести и усадки элементов, находящихся в воде или насыщенном водой грунте, принимают соответственно ξ4 = 0,4 и ξ4 = 0.

Таблица 3

Учитываемые в расчетах доли меры ползучести и усадки к произвольному моменту времени

Время, сут

Доля конечной величины меры ползучести и усадки

Время, сут

Доля конечной величины меры ползучести и усадки

2

-

60

0,4

10

0,2

90

0,5

20

0,25

180

0,6

30

0,3

1 год

0,8

45

0,35

3 года

1

Значение меры ползучести Сτ(t) и деформаций усадки εy(t) к произвольному моменту времени 0<t<¥ получают приближенно в долях от конечных значений, используя данные табл. 3.

При этом для ползучести время отсчитывается с момента приложения, нагрузки, а для усадки - с момента окончания влажного хранения (тепловлажностной обработки).

Если воздействие усадки на напряженное состояние конструкции начинается не сразу после окончания влажного хранения (тепловлажностной обработки), а через некоторый период времени, то в этом случае конечные значения деформации усадки должны быть уменьшены на величину ее, проявившуюся за этот промежуток времени.

Нормативные значения меры ползучести бетона Сн представляют конечную (при t®¥) относительную величину деформации ползучести на 0,1 МПа постоянно действующих напряжений бетона, прикладываемых в возрасте 28 сут естественного твердения к элементу сечением 10´10 см в условиях относительной влажности среды 70 % (см. табл. 1).

Нормативные значения деформации усадки бетона εy представляют конечную (при t®¥) относительную величину линейной деформации усадки, развивающейся с момента окончания влажного хранения в элементе сечением 10´10 см в условиях относительной влажности среды 70 % (см. табл. 1).

ПРИЛОЖЕНИЕ 4

Определение высоты сжатой зоны

ФУНДАМЕНТ КОРОБЧАТОГО СЕЧЕНИЯ (рис. 1)

Высота сжатой зоны при отсутствии трещин в бетоне:

                                                                                              (1)

                                                                                      (2)

                                                                            (3)

                                                                                                           (4)

N, N’ - усилия предварительного напряжения.

Высота сжатой зоны при наличии трещин в бетоне:

                                                                             (5)

                                                                        (6)

                                                                      (7)

                                                                     (8)

ω=0,5 v=0,33

При отсутствии предварительного напряжения в формулах (1)-(8) следует принять: N = N'=0;

μн = μ'н = 0

Рис. 1. Фундамент коробчатого сечения

a - фактического; б - приведенного

ЛЕНТОЧНЫЙ ФУНДАМЕНТ ТАВРОВОГО СЕЧЕНИЯ (рис. 2)

Относительная высота сжатой зоны при отсутствии трещин в бетоне определяется по формулам (1)-(4), а при наличии трещин в бетоне - по формулам (5)-(8).

Рис. 2. Ленточный фундамент таврового сечения

При этом в указанных формулах следует принимать Fсв = 0, μсв = 0.

В случае обычного армирования учитывается также, что N = N=0;

μн = μ'н = 0

КОНСТРУКЦИЯ ПРЯМОУГОЛЬНОГО СЕЧЕНИЯ (рис. 3)

Относительная высота сжатой зоны при отсутствии трещин в бетоне определяется по формулам (1)-(4), а при наличии трещин в бетоне - по формулам (5)-(8).

Рис. 3. Конструкция прямоугольного сечения

При этом в указанных формулах принимается Fсв = FуШ = 0;

μсв = μуШ = 0

В случае обычного армирования учитывается, что N = N'=0;

μн = μ'н = 0

КОНСТРУКЦИЯ С СИММЕТРИЧНЫМ АРМИРОВАНИЕМ (рис. 4)

Рис. 4. Конструкция с симметричным армированием

Высота сжатой зоны при отсутствии трещин в бетоне:

с преднапряженным армированием:

                                                                                                                (9)

                                                                                                                          (10)

                                                                                                                   (11)

                                                                                                                                               (12)

с обычным армированием:

                                                                                                                          (13)

                                                                                                                                               (14)

Высота сжатой зоны при наличии трещин в бетоне:

с преднапряженным армированием:

                                                                                            (15)

                                                                                               (16)

                                                                                                                       (17)

                                                                                                                    (18)

с обычным армированием:

                                                                                                                                   (19)

                                                                                                                                  (20)

                                                                                                                        (21)

СЖАТО-ИЗОГНУТЫЕ КОНСТРУКЦИИ ПРЯМОУГОЛЬНОГО СЕЧЕНИЯ (Рис. 5)

Высота сжатой зоны при отсутствии трещин в бетоне:

                                                                                                                                  (22)

где: Р - продольное усилие/

Высота сжатой зоны при наличии трещин в бетоне:

                                                                            (23)

Примечание.

Коэффициенты А, В, С определяются по формулам (2)-(4) и (6)-(8) при μн = μн = μсв = μуШ = 0.

Принимая в уравнениях (22), (23) θ = 0, получим выражения для определения положения нейтральной оси внецентренно-сжатого элемента.

Рис. 5. Сжато-изогнутые конструкции прямоугольного сечения

ПРИЛОЖЕНИЕ 5

Методика проведения подготовительных работ при выравнивании зданий методом поддомкрачивания

1. Необходимость выравнивания здания или сооружения определяется по данным наблюдений за деформациями земной поверхности и непосредственно защищаемого объекта. Наблюдения за деформациями земной поверхности осуществляются маркшейдерскими службами соответствующих шахт, а за деформациями зданий и сооружений - специальными службами защиты, состоящими при организациях и предприятиях, на балансе которых находятся указанные объекты.

2. Данные наблюдений по п. 1 должны устанавливать значения необходимых высотных отметок, до которых следует производить выравнивание здания или сооружения.

3. В период подготовки и проведения выравнивания здания или сооружения наблюдения (геодезические и др.) осуществляются службой защиты зданий.

4. При подготовке к выравниванию проводится обследование здания с целью установления состояния конструкций.

При наличии недопустимых величин деформаций конструкций или их взаимных смещений назначаются мероприятия по усилению конструкций. Одновременно при обследовании определяется возможность выравнивания здания или сооружения без временного прекращения его эксплуатации.

5. Результаты обследования здания или сооружения с указанием мероприятий по усилению конструкций и по обеспечению непрерывности эксплуатации оформляются актом.

6. Перед выравниванием здания должен быть составлен график проведения работ, включающий объемы планируемых работ и их последовательность (работы по подготовке здания к выравниванию, монтажу домкратной системы, отключению и восстановлению инженерных коммуникаций, выравниванию, фиксации в поднятом положении и др.). Различные виды работ рекомендуется по возможности совмещать во времени с целью сокращения общей продолжительности выравнивания.

7. На период выравнивания необходимо осуществить дополнительное временное электроосвещение технического подполья, обеспечить удобные входы и выходы из технического подполья (не менее двух на отсек), освободить подходы к проемам для домкратов, произвести подготовку проемов для установки домкратов, заключающуюся в удалении из проемов кирпичного заполнения, очистке проемов от строительного мусора и выравнивании нижней площадки проемов подливкой из цементно-песчаного раствора марки не ниже 100.

Примечание.

Если верхний распределительный пояс выполнен со значительными неровностями, верхнюю плоскость проемов следует выровнять цементно-песчаным раствором со стальной сеткой или же закреплением стального листа.

Непараллельность верхней и нижней плоскостей проемов после их подготовки не должна превышать 10 мм по короткой стороне проема.

8. В зависимости от погодных условий и времени года решается вопрос о необходимости установки деревянных щитов с наружной стороны проемов для защиты работающих в техподполье от сквозняков.

9. Объем работ по подготовке инженерных коммуникаций к выравниванию здания зависит от их приспособленности к неравномерным деформациям. В случае если инженерные коммуникации приспособлены к неравномерным осадкам отсеков или здания в целом, то объем работ назначается в соответствии с возможными деформациями и перемещениями при выравнивании. Если не приспособлены, то состав мероприятий, обеспечивающих целостность коммуникаций при выравнивании здания, определяют специальным проектом в каждом конкретном случае. Во всех случаях, на время выравнивания здания должны быть перекрыты задвижки на наружной подводящей сети газопровода, подающей и обратной трубах теплотрассы, отключена подача электроэнергии от ТП.

10. Работы по проведению выравнивания выполняются службой Защиты в соответствии со специальной инструкцией.

11. Осуществление выравнивания, наблюдение за состоянием конструкций, составление отчета по защите рекомендуется проводить при участии представителей НИИСК Госстроя СССР.

12. По результатам выравнивания зданий делается краткий отчет, хранящийся у службы защиты.

 

 




ГОСТЫ, СТРОИТЕЛЬНЫЕ и ТЕХНИЧЕСКИЕ НОРМАТИВЫ.
Некоммерческая онлайн система, содержащая все Российские Госты, национальные Стандарты и нормативы.
В Системе содержится более 150000 файлов нормативно-технической документации, действующей на территории РФ.
Система предназначена для широкого круга инженерно-технических специалистов.

Рейтинг@Mail.ru Яндекс цитирования

Copyright © www.gostrf.com, 2008 - 2026