Крупнейшая бесплатная информационно-справочная система онлайн доступа к полному собранию технических нормативно-правовых актов РФ. Огромная база технических нормативов (более 150 тысяч документов) и полное собрание национальных стандартов, аутентичное официальной базе Госстандарта. GOSTRF.com - это более 1 Терабайта бесплатной технической информации для всех пользователей интернета. Все электронные копии представленных здесь документов могут распространяться без каких-либо ограничений. Поощряется распространение информации с этого сайта на любых других ресурсах. Каждый человек имеет право на неограниченный доступ к этим документам! Каждый человек имеет право на знание требований, изложенных в данных нормативно-правовых актах!

  


 

ОТРАСЛЕВОЙ СТАНДАРТ

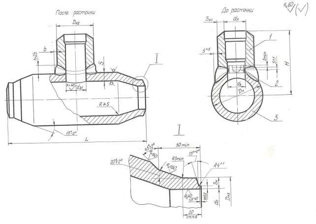
ТРОЙНИКИ Сварные РАВНОПРОХОДНЫЕ для ПАРопроводов ТЭС

Конструкция и размеры

ОСТ 108.104.10-82

Взамен

НО 1076-77 в части Рном.=225 кгс/см2, t=545ºC

Указанием Министерства энергетического машиностроения от 04.06.82 № ВВ-002/4628

срок введения с 01.01.85

до 01.01.96

(Измененная редакция. Изм. № 1)

(Измененная редакция. Изм. № 3)

(Измененная редакция. Изм. № 4)

Проверен в 1983 г.

(Отметка введена дополнительно. Изм. № 1)

1. Настоящий стандарт распространяется на тройники сварные равнопроходные паропроводов тепловых электростанций с абсолютным давлением и температурой пара:

Р=25,01 МПа (255 кгс/см2), t=545ºC;

Р=13,73 МПа (140 кгс/см2), t=560ºC;

Р=13,73 МПа (140 кгс/см2), t=545ºC.

(Измененная редакция. Изм. № 3)

2. Конструкция и размеры сварных тройников должны соответствовать указанным на чертеже и в табл. 1 и 2.

3. Сварочные материалы - по ОСТ 108.940.02-82.

4. После сварки штуцер поз. 1 растачивается напроход до диаметра dв1 с целью удаления подкладного кольца и корня шва (см. чертеж).

5. Материал трубы поз. 3 - см. табл. 2.

6. Размер прямого участка - рекомендуемый и уточняется технологическим процессом изготовителя. Допускается изготовление подкатанной части без прямых участков.

7. Остальные технические требования по ОСТ 24.125.60-89.

(Измененная редакция. Изм. № 3)

(Измененная редакция. Изм. № 4)

8. Масса наплавленного металла уточняется технологическим процессом.

9. Исполнение, указанное в скобках, применять по согласованию с предприятием-изготовителем.

Пункты 8, 9. (Введены дополнительно. Изм. № 2)

(Измененная редакция. Изм. № 2)

 

 

Таблица 1

Размеры в мм

Исполнение

Условный проход Dу

Присоединяемые трубы

Dн

Dн2*

Dн3

dв

dв1

Наружный диаметр

Толщина стенки

Номин.

Пред. откл.

Номин.

Пред. откл.

Номин.

Пред. откл.

Р=25,01 МПа (255 кгс/см2), t=545ºC

(01)

65

108

22

159

120

108

+2

-1

50

+0,62

56

+0,46

02

100

159

32

245

180

159

71

+0,74

79

03

125

194

38

210

194

+3

-1

90

+0,87

98

+0,54

04

150

245

48

325

260

245

+4

-1

120

125

+0,63

Р=13,73 МПа (140 кгс/см2), t=560ºC; Р=13,73 МПа (140 кгс/см2), t=545ºC

05

100

133

20

219

154

133

+2

-1

84

+0,87

90

+0,54

Продолжение табл. 1

Размеры в мм

Исполнение

dр

L

H

S

Sк

Sк1*

b

Масса наплавленного металла, кг

Масса, кг

Номин.

Пред. откл.

Пред. откл. ±5

не менее

не менее

Р=25,01 МПа (255 кгс/см2), t=545ºC

(01)

67

+0,46

450

232

32

18,7

23,3

26

0,6

58

02

97

+0,54

650

304

48

27,5

33,3

34

5,8

193

03

120

341

33,0

40,1

42

8,6

213

04

151

+0,63

700

438

60

42,0

49,8

44

13,2

388

Р=13,73 МПа (140 кгс/см2), t=560ºC; Р=13,73 МПа (140 кгс/см2), t=545ºC

05

94

+0,54

550

290

32

17,3

17,6

23

1,1

103

(Измененная редакция. Изм. № 2)

* Размер для справок

Пример условного обозначения тройника равнопроходного с условным проходом Dy 100 мм исполнения 02:

ТРОЙНИК равнопроХОДНЫЙ 100 02 ОСТ 108.104.10-82

Пример маркировки: 02 ОСТ 108.104.10-82

Таблица 2

Поз. 1

1

2

3

наименование

Штуцер

Кольцо подкладное

Труба

Материал

Марка, ТУ

Количество

1

1

1

-

Обозначение тройника

Обозначение

-

(01) ОСТ 108.104.10-82

01 ОСТ 108.462.10-82

04 ОСТ 108.520.03-82

-

Сталь 15ХIМIФ

ТУ 14-3-460-75

02 ОСТ 108.104.10-82

02 ОСТ 108.462.10-82

07 ОСТ 108.520.03-82

03 ОСТ 108.104.10-82

04 ОСТ 108.462.10-82

09 ОСТ 108.520.03-82

04 ОСТ 108.104.10-82

06 ОСТ 108.462.10-82

12 ОСТ 108.520.03-82

05 ОСТ 108.104.10-82

08 ОСТ 108.462.10-82

08 ОСТ 108.520.03-82

Сталь 12ХIМФ

ТУ 14-3-460-75

(Измененная редакция. Изм. № 2)

ЛИСТ РЕГИСТРАЦИИ ИЗМЕНЕНИЙ

Изм.

Номера листов (страниц)

Номер документа

Подпись

Дата

Срок введения изменения

измененных

замененных

новых

аннулированных

 

 

 

 

 

 

 

 

 

 

 

 

 

 

 

 

 

 

 

 

 

 

 

 

 

 

 

 

 

 

 

 

 

 

 

 

 

 

 

 

 

 

 

 

 

 

 

 

 

 

 

 

 

 

 

 

 

 

 

 

 

 

 

 

 

 

 

 

 

 

 

 

 

 




ГОСТЫ, СТРОИТЕЛЬНЫЕ и ТЕХНИЧЕСКИЕ НОРМАТИВЫ.
Некоммерческая онлайн система, содержащая все Российские Госты, национальные Стандарты и нормативы.
В Системе содержится более 150000 файлов нормативно-технической документации, действующей на территории РФ.
Система предназначена для широкого круга инженерно-технических специалистов.

Рейтинг@Mail.ru Яндекс цитирования

Copyright © www.gostrf.com, 2008 - 2026