Крупнейшая бесплатная информационно-справочная система онлайн доступа к полному собранию технических нормативно-правовых актов РФ. Огромная база технических нормативов (более 150 тысяч документов) и полное собрание национальных стандартов, аутентичное официальной базе Госстандарта. GOSTRF.com - это более 1 Терабайта бесплатной технической информации для всех пользователей интернета. Все электронные копии представленных здесь документов могут распространяться без каких-либо ограничений. Поощряется распространение информации с этого сайта на любых других ресурсах. Каждый человек имеет право на неограниченный доступ к этим документам! Каждый человек имеет право на знание требований, изложенных в данных нормативно-правовых актах!

  


 

ОТРАСЛЕВОЙ СТАНДАРТ

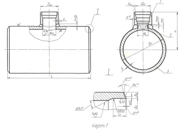
ТРОЙНИКИ Сварные ПЕРЕХОДНЫЕ для ПАРопроводов ТЭС

Конструкция и размеры

ОСТ 108.104.12-82

Взамен

ОСТ 24.104.14 в части

Рном.=41 кгс/см2, t=545ºC

ОСТ 24.104.21

Указанием Министерства энергетического машиностроения от 04.06.82 № ВВ-002/4628

срок введения с 01.01.85

до 01.01.96

(Измененная редакция. Изм. № 1)

(Измененная редакция. Изм. № 3)

(Измененная редакция. Изм. № 4)

Проверен в 1983 г.

(Отметка введена дополнительно. Изм. № 1)

1. Настоящий стандарт распространяется на тройники сварные переходные паропроводов тепловых электростанций с абсолютным давлением Р=4,02 МПа (41 кгс/см2) и температурой пара t=545ºC.

(Измененная редакция. Изм. № 3)

2. Конструкция и размеры сварных тройников должны соответствовать указанным на черт. 1, 2 и в табл. 1.

3. Сварочные материалы - по ОСТ 108.940.02-82.

4. После сварки штуцер поз. 1 растачивается напроход до диаметра dв1 с целью удаления подкладного кольца и корня шва (см. черт. 1 и 2).

5. Материал трубы поз. 3 – см. табл. 2.

6. Остальные технические требования по ОСТ 24.125.60-89.

(Измененная редакция. Изм. № 3)

(Измененная редакция. Изм. № 4)

7. Масса наплавленного металла уточняется технологическим процессом.

Пункт 7. (Введен дополнительно. Изм. № 2)

(Измененная редакция. Изм. № 2)

 

 

 

Таблица 1

Размеры в мм

Исполнение

Черт.

Условный проход Dу×Dу1

Присоединяемые трубы

Dн*

Dн2*

dв

dв1

Наружный диаметр и толщина стенки

Номин.

Пред. откл.

Номин.

Пред. откл.

01

1

426×150

426×19

159×8

426

168

130

+1,0

135

+0,63

02

2

700×150

720×25

720

120

+0,87

128

03

1

700×250

273×13

300

240

+1,15

245

+0,72

04

500×350

530×25

377×17

530

404

328

+1,3

334

+0,89

05

600×350

630×28

630

06

700×350

720×25

720

(Измененная редакция. Изм. № 2)

Продолжение табл. 1

Размеры в мм

Исполнение

dр

dр1*

H

L

lp

S*

Sк

не менее

Sк1*

b

Масса наплавленного металла, кг

Масса, кг

Номин.

Пред. откл.

Пред. откл. ±5

Пред. откл. ±5

не менее

01

390

+0,89

144

338

600

50

24

14,7

5,8

11

1,3

182

02

672

+1,00

495

1000

30

21,8

562

03

248

540

9,9

20

4,1

589

04

484

+0,97

345

487

800

40

17,0

13,0

25

10,3

494

05

576

+1,00

544

60

21,5

581

06

672

597

1000

50

30

21,8

631

 

(Измененная редакция. Изм. № 2)

* Размеры для справок

Пример условного обозначения тройника переходного с условным проходом Dу×Dу1 400×150 исполнения 01:

ТРОЙНИК переХОДНЫЙ 400×150 01 ОСТ 108.104.12-82

Пример маркировки: 01 ОСТ 108.104.12-82

Таблица 2

Поз.

1

2

3

наименование

Штуцер

Кольцо подкладное

Труба

Материал

Марка, ТУ

Количество

1

1

1

-

Обозначение тройника

Обозначение

-

01 ОСТ 108.104.12-82

17 ОСТ 108.462.10-82

14 ОСТ 108.520.03-82

-

Сталь 12ХIМФ

ТУ 14-3-460-75

02 ОСТ 108.104.12-82

09 ОСТ 108.462.09-82

12 ОСТ 108.520.03-82

Сталь 15ХIМIФ

ТУ 14-3-460-75

03 ОСТ 108.104.12-82

21 ОСТ 108.462.10-82

23 ОСТ 108.520.03-82

04 ОСТ 108.104.12-82

22 ОСТ 108.462.10-82

06 ОСТ 108.520.03-82

05 ОСТ 108.104.12-82

23 ОСТ 108.462.10-82

06 ОСТ 108.104.12-82

24 ОСТ 108.462.10-82

 

(Измененная редакция. Изм. № 2)

ЛИСТ РЕГИСТРАЦИИ ИЗМЕНЕНИЙ

Изм.

Номера листов (страниц)

Номер документа

Подпись

Дата

Срок введения изменения

измененных

замененных

новых

аннулированных

 

 

 

 

 

 

 

 

 

 

 

 

 

 

 

 

 

 

 

 

 

 

 

 

 

 

 

 

 

 

 

 

 

 

 

 

 

 

 

 

 

 

 

 

 

 

 

 

 

 

 

 

 

 

 

 

 

 

 

 

 

 

 

 

 

 

 

 

 

 

 

 

 

 




ГОСТЫ, СТРОИТЕЛЬНЫЕ и ТЕХНИЧЕСКИЕ НОРМАТИВЫ.
Некоммерческая онлайн система, содержащая все Российские Госты, национальные Стандарты и нормативы.
В Системе содержится более 150000 файлов нормативно-технической документации, действующей на территории РФ.
Система предназначена для широкого круга инженерно-технических специалистов.

Рейтинг@Mail.ru Яндекс цитирования

Copyright © www.gostrf.com, 2008 - 2026