|
|
|
Опорные кабельные конструкции Технические условия ТУ 3449-009-51216464-01
Взамен ТУ 3349-005-17416124-00
Дата
введения 01.
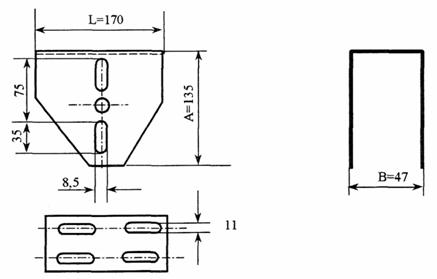
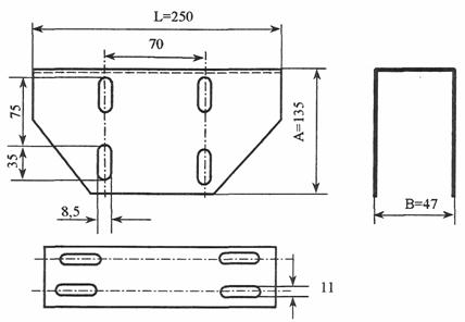
Главный специалист ООО НОРМА-РТМ Чудинов М.А. 20.08.2001 г. Содержание Настоящие технические условия распространяются на опорные кабельные конструкции, (в дальнейшем конструкции), предназначенные для монтажа трубных и электрических проводок систем автоматизации. Технические условия распространяются на конструкции серии «К», у которых крепление полки к стойке производится за счет специальной формы хвостовика, и конструкции серии «П», соединение которых между собой производится на базе перфорированных профилей. Полки рассчитаны на сосредоточенную нагрузку, приложенную к средней части полки до 3800 Н. Полки имеют рабочую длину от 50 до Стойки изготовляются рабочей длиной до Конструкции могут эксплуатироваться в климатических зонах У, УХЛ с категорией размещения 1 по ГОСТ 15150. Стойкость к промышленной атмосфере определяется типом покрытия. Настоящие технические условия разработаны взамен ТУ 3449-005-17416124-00. Примеры записи конструкций в спецификации оборудования, изделий и материалов (рабочая документация СА) и в спецификации других изделий: Стойка кабельная серии «К» длиной Стойка К1150-2 ТУ 3449-009-51216464-01. Полка кабельная серии «К» рабочей длиной Полка К1163-1 ТУ 3449-009-51216464-01 Полка кабельная серии «С» рабочей длиной Полка ПКП-200-3 ТУ 3449-009-51216464-01 1 Технические требования1.1 Общие требования 1.1.1 Конструкции должны соответствовать требованиям настоящих технических условий и комплекта документации, приведенной в таблице 1. 1.2 Основные параметры и размеры.1.2.1 Краткое обозначение, наименование, габаритные размеры и коды ОКП конструкций приведены в таблицах 1, 1а. Таблица 1 Конструкции серии «К»
Таблица 1а Конструкции серии «П»
1.2.2 Конструкции должны выдерживать нагрузки, приведенные в таблицах 2, 2а, 2б. Таблица 2. Допустимые нагрузки на конструкции серии «К»
Таблица 2 а. Допустимые нагрузки на полки серии «П»
Таблица 2 б. Допустимые нагрузки на стойки, скобы и пластины конструкций серии «П»
1.2.3 Виды покрытий приведены в таблице 3. Таблица 3.
Примечание. Вид покрытия 1 является предварительным. Для обеспечения климатического исполнения У, УХЛ с категорией размещения 1, после монтажа на конструкции должны быть нанесены покрытия по указаниям рабочей документации проекта, либо по технологическим инструкциям монтажной организации. 1.3 Характеристики.1.3.1 Используемые материалы должны соответствовать действующим стандартам и техническим условиям на них. 1.3.2 Допуски на размеры не должны
превышать h 14, H14, 1.3.3 Заусенцы и острые кромки не допускаются. 1.3.4 На поверхности деталей допускаются отдельные отпечатки, царапины и риски, защищенные покрытием. Исполнение изделий из оцинкованного листа на срезах не защищается. Защита мест обрезки от коррозии обеспечивается протекторным эффектом. Толщина покрытий должна быть не менее, указанной в рабочих чертежах. 1.3.5. Лакокрасочные покрытия должны быть не ниже класса V по ГОСТ 9.032 и соответствовать требованиям ГОСТ 9.401. 1.3.6 Металлические покрытия должны соответствовать требованиям ГОСТ 9.301, ГОСТ 9.303, ГОСТ 9.306. 1.3.7 Конструкции должны быть устойчивы к воздействию факторов внешней среды для условий эксплуатации У, УХЛ, категория размещения 1. 1.3.8 Полки должны устанавливаться на стойки К1150-К1154 и запираться путем поворота на 45° хвостовика стойки ключом К1158. При этом должно обеспечиваться переходное сопротивление между стойкой и полкой не более 0,1 Ом. 1.3.9 Установленный срок службы
конструкций до замены - не менее 20 лет при условии применения типа покрытия в
соответствии с условиями промышленной атмосферы и их восстановления по мере
разрушения. Критерием предельного состояния является наличие ржавых пятен на
поверхности деталей при глубине очагов коррозии более 1.4 Маркировка1.4.1 Маркировка выполняется на бирке, прикрепляемой к упаковочным пакетам или таре. На ней должно быть указано: обозначение изделия; товарный знак завода-изготовителя; год изготовления; количество изделий в упаковке. 1.4.2 Транспортная маркировка грузовых мест должна быть выполнена в соответствии с ГОСТ 14192 раздел 1. 1.5 Упаковка.1.5.1 Крупногабаритные кабельные конструкции упаковывают в пакеты, другие изделия - в тарные ящики любого типа. Допускаются другие способы упаковки, обеспечивающие сохранность изделий при транспортировании и хранении. 2 Требования безопасности.2.1 Изделия должны применяться и монтироваться в соответствии с инструкцией по применению, утвержденной заводом-изготовителем. 3 Правила приемки3.1 Для проверки соответствия кабельных конструкций требованиям настоящих технических условий предприятие-изготовитель обязано производить приемо-сдаточные, и периодические испытания. 3.2 При приемо-сдаточных испытаниях должен проводиться 100% контроль на соответствие требованиям п.п. 1.3.3, 1.3.5, 1.3.6, 1.4, и выборочный контроль в размере не менее одного изделия каждого вида и исполнения за смену на соответствие требованиям п.п. 1.2.1, 1.3.1, 1.3.2, 1.3.4, 1.5. 3.3 Периодические испытания проводятся один раз в три года. Им подвергаются: представители каждого размера полки, стойки (максимальной длины) на соответствие требованиям п. 1.2.2 (по три изделия с любым типом покрытия); представители изделий с каждым типом покрытия (по три представителя любого типа на один тип покрытия) на соответствие требованиям п.1.3.7; представители конструкций (с любыми типами и размерами) по три представителя с каждым типом покрытия на соответствие требованиям п. 1.3.8. 3.4 При получении неудовлетворительных результатов при испытаниях хотя бы по одному из показателей, должны проводиться повторные испытания на удвоенном количестве конструкций. Результаты повторных испытаний являются окончательными. 3.5 Требования п. 1.3.9 не проверяются, а обеспечиваются расчетом конструкции. 4 Методы контроля4.1 Проверку конструкций на соответствие п. 1.3.3, 1.3.5, 1.3.6, 1.4 проводят внешним осмотром, используя при необходимости 2-х кратную лупу. Качество покрытия производят сравнением с эталоном, утвержденным в установленном на предприятии - изготовителе порядке. 4.2 Проверку на соответствие п. 1.2.1, 1.3.2 проводят сравнением с чертежом и с использованием универсального мерительного инструмента, приведенного в приложении Б. 4.3 Проверку на соответствие п. 1.3.1 проводить по действующим стандартам или техническим условиям на материалы. 4.4 Проверку качества покрытий на соответствие п. 1.3.4
проводить визуальным контролем, измерением толщины покрытия и определением
балла адгезии. Визуальный контроль выполнять по ГОСТ
9.032. Измерение толщины лакокрасочных покрытий производить толщиномерами с
пределом измерения от 0 до 4.5 Проверку на соответствие требованиям п. 1.5 на прочность при транспортировании проводить испытанием на ударную прочность по ГОСТ 16962 метод 104-1, степень жесткости 1. Допускается проводить
испытания следующим образом: транспортную тару с упакованными в ней изделиями
устанавливают и укрепляют в кузове грузового автомобиля. Испытание проводят при
движении по грунтовым проселочным дорогам со скоростью 20-30 км/час на
расстояние 200- Изделия считаются выдержавшими испытания, если после испытания внешним осмотром не обнаружены механические повреждения покрытий и упаковки. 4.6 Испытания по п. 1.2.2 проводить следующим образом. 4.6.1 Испытания несущей способности полок. Полка устанавливается в закрепленную к стене стойку и нагружается грузом, подвешиваемым по схеме рис.1 (на середину полки) для обеспечения усилия равного 1,1 от максимального значения, приведенного в таблицах 2, 2а. После пятиминутной выдержки груз снимается. Изделие выдержало испытание, если при осмотре не обнаружены остаточные деформации.
1 - полка; 2 - стойка; 3 - строп; 4 – груз Рисунок 1 Схема испытания полок 4.6.2 Испытание стоек производить следующим образом.
1 - зажим; 2 - стойка; 3 - строп; 4 - груз массой Рисунок 2 Схема испытания стоек серии «К» Стойку зажать горизонтально. И нагрузить грузом по схеме рис.2, 2а. Выдержать в течение 5 мин. В результате испытаний не должно быть остаточных деформаций.
1 - зажим; 2 - стойка СКП; 3 - полка ГЖШОО 4 шт.; 4 -
строп; 5 - груз массой Рисунок 2.а. Схема испытания стоек серии «П» 4.7 Проверку на соответствие требованиям п. 1.3.7. Испытание на устойчивость к воздействию климатических факторов по ГОСТ 9.401, ГОСТ 9.302. Изделие считается выдержавшим испытания при отсутствии следов теплового воздействия на покрытия. 4.8 Проверку на соответствие требованиям п. 1.3.8 проводить совместно с испытаниями по п. 4.7 в следующем порядке. Собрать полку со стойкой по рис. Г1.5, Г2.8, Г2,9, повернуть хвостовик с использованием ключа К1158 на 45°для конструкций серии «К». Измерить сопротивление между полкой и стойкой (для контроля сопротивления на изделиях с лакокрасочным покрытием зачистить участки поверхности на полке и стойке). Наложить на оголенные от покрытия участки временную защиту от коррозии методами, принятыми на заводе. Произвести испытания в соответствии с п. 4.7. После завершения проверок по п. 4.7 замерить переходное сопротивление между полкой и стойкой. Нарушение качества покрытия на участках повреждения покрытий для проведения проверки переходного сопротивления не является браковочным признаком. 5 Транспортирование и хранениеТранспортирование может производиться любым видом транспорта при условии обеспечения сохранности груза и в соответствии с действующими правилами на транспорте. Условия транспортирования упакованных конструкций в части воздействия климатических факторов должны соответствовать условиям 8 (ОЖ3)по ГОСТ 15150. Хранение изделий должно соответствовать условиям хранения 6(ОЖ2) по ГОСТ 15150. 6 Указания по монтажу и эксплуатацииПолки и стойки не должны нагружаться основными и дополнительными нагрузками (масса электрических или трубных проводок и поддерживающих конструкций, монтажные, снеговые, ветровые, гололедные, вибрационные, сейсмические нагрузки) свыше указанных в таблице 2. Конструкции, предназначенные для монтажа электрических проводок необходимо соединить с контуром заземления в соответствии с требованиями ПУЭ. На конструкции с видом покрытия 1 после монтажа должны быть нанесены лакокрасочные покрытия по указаниям рабочей документации проекта. При применении и монтаже конструкций следует руководствоваться инструкцией по монтажу кабельных конструкций, утверждаемой заводом - изготовителем в установленном порядке. 7 Гарантии изготовителяИзготовитель гарантирует соответствие конструкций требованиям настоящих технических условий при соблюдении условий транспортирования, хранения, монтажа и эксплуатации. Гарантийный срок эксплуатации конструкций 18 месяцев со дня ввода в эксплуатацию, при условии, что глубина коррозионного износа не превысит показатель, приведенный в п. 1.3.9, но не более 24 месяцев со дня получения потребителем. Приложение А
|
|||||||||||||||||||||||||||||||||||||||||||||||||||||||||||||||||||||||||||||||||||||||||||||||||||||||||||||||||||||||||||||||||||||||||||||||||||||||||||||||||||||||||||||||||||||||||||||||||||||||||||||||||||||||||||||||||||||||||||||||||||||||||||||||||||||||||||||||||||||||||||||||||||||||||||||||||||||||||||||||||||||||||||||||||||||||||||||||||||||||||||||||||||||||||||||||||||||||||||||||||||||||||||||||||||||||||||||||||||||||||||||||||||||||||||||||||||||||||||||||||||||||||||||||||||||||||||||||||||||||||||||||||||||||||||||||||||||||||||||||||||||||||||||||||||||||||||||||||||||||||||||||||||||||||||||||||||||||||||||||||||||||||||||||||||||||||||||||||||||||||||||||||||||||||||||||||||||||||||||||||||||||||||||||||||||||||||||||||||||||||||||||||||||||||||||||||||||||||||||||||||||||||||||||||||||||||||||||||||||||||||||||||||||||||||||||||||||||||||||||||||||||
|
Обозначение стандарта |
Наименование стандарта |
|
ГОСТ 14192-77 |
Маркировка грузов |
|
Сталь тонколистовая оцинкованная с непрерывных линий. Технические условия |
|
|
Материалы лакокрасочные. Методы определения адгезии. |
|
|
Машины, приборы и другие технические изделия. Исполнения для различных климатических районов. Категории, условия эксплуатации, хранения и транспортирования в части воздействия климатических факторов внешней среды |
|
|
ГОСТ 16962-71 |
Изделия электронной техники и электротехники. Механические и климатические воздействия. Требования и методы испытаний. |
|
ЕСЗКС Покрытия лакокрасочные. Группы, технические требования и обозначения. |
|
|
ЕСЗКС Покрытия лакокрасочные. Общие требования и методы ускоренных испытаний на стойкость к воздействию климатических факторов. |
|
|
ЕСЗКС Покрытия металлические и неметаллические неорганические. Общие требования |
|
|
ЕСЗКС Покрытия металлические и неметаллические неорганические. Методы контроля. |
|
|
ЕСЗКС Покрытия металлические и неметаллические неорганические. Общие требования к выбору. |
|
|
ЕСЗКС Покрытия металлические и неметаллические неорганические. Обозначения. |
|
|
Эмаль ПФ-133. Технические условия. |
|
|
Правила устройства электроустановок. Издание 6, 7. |
|
Наименование |
Характеристика |
|
Камера влаги |
Размеры не менее 400×400×2000 |
|
Камера тепла |
Размеры не менее 400×400×2000 |
|
Линейка |
Пределы измерения |
|
Мост постоянного тока |
Измерение сопротивления с точностью до 0,01 Ом |
|
Рулетка Стенд имитации транспортирования "СИТ" |
Пределы измерения По документации, прилагаемой к стенду |
|
Толщиномер лакокрасочных покрытий |
Шкала 0- |
|
Толщиномер металлических покрытий по подложке из стали |
Шкала до 100 мКм. |
|
Штангенциркули ШЦ-1ДТЩ-2, ШЦ-3 ГОСТ 166-80 |
Цена деления |
Примечание. Все применяемые средства измерений и испытаний должны иметь свидетельства, клейма, отметки в паспортах или аттестатах о проведении проверки. Допускается применение другого оборудования с аналогичными характеристиками.
1 Эталон лакокрасочного покрытия

Рис. Г1.1 Полка

Рис. Г1.2. Стойка
Рис. Г1.3 Скоба К1157
Рис. Г 1.4 Ключ
Рис. Г 1.5 Полка К- в сборе со стойкой К-
Рис. Г2.1 Полка ПКП-50

Рис. Г2.2 Полка ПКП-100 - ПКП-400

Рис.Г2.3 Стойка СКП

Рис. Г2.4 Скоба СОП
Рис. Г2.5 Скоба двойная СДП
Рис. 2.6 Пластина ПСП
Рис. Г2.7. Пластина ПОП.
1 - стойка СКП (профиль перфорированный); 2 - полка ПКП-50; 3 - болт М8х16.029 по ГОСТ 7798-70; 4 - шайба царапающая (зубчатая) 8-02; 5 – гайка М8.01.029 ГОСТ 5915-70
Рис. Г2.8 Установка полки ПКП-50
1 - стойка СКП; 2 - полка ПКП; 3 - шплинт стальной 8×60-02 по ГОСТ 397-79; 4 -шайба 8.01.029 по ГОСТ 6958-78 -3 ед.; 5 - болт М8×16.029 по ГОСТ 7798-70; 6 - шайба царапающая (зубчатая) 8-02; 7 - гайка М8.01.029 ГОСТ 5915-70
Рис. Г2.9 Установка полки ПКП-100-400 на стойке
|
|
|
Лист регистрации изменений |
|||||||||
|
|
|
Изм |
Номера листов (страниц) |
Всего (страниц) в докум. |
№ документа |
Входящий № сопроводительного док. и дата |
Подпись |
дата |
|||
|
|
|
Измененных |
Замененных |
Новых |
Анулированных |
||||||
|
|
|
|
|
|
|
|
|
|
|
|
|
|
|
|
|
|
|
|
|
|
|
|
|
|
|
|
|
|
|
|
|
|
|
|
|
|
|
|
|
|
|
|
|
|
|
|
|
|
|
|
|
|
|
|
|
|
|
|
|
|
|
|
|
|
|
|
|
|
|
|
|
|
|
|
|
|
|
|
|
|
|
|
|
|
|
|
|
|
|
|
|
|
|
|
|
|
|
|
|
|
|
|
|
|
|
|
|
|
|
|
|
|
|
|
|
|
|
|
|
|
|
|
|
|
|
|
|
|
|
|
|
|
|
|
|
|
|
|
|
|
|
|
|
|
|
|
|
|
|
|
|
|
|
|
|
|
|
|
|
|
|
|
|
|
|
|
|
|
|
|
|
|
|
|
|
|
|
|
|
|
|
|
|
|
|
|
|
|
|
|
|
|
|
|
Подп. и дата |
|
|
|
|
|
|
|
|
|
|
|
|
Инв. № дубл. |
|
|
|
|
|
|
|
|
|
|
|
|
Взам. инв. № |
|
|
|
|
|
|
|
|
|
|
|
|
Подп. и дата |
|
|
|
|
|
|
|
|
|
|
|
|
Инв. № подл. |
|
|
|
|
|
|
|
|
|
|
|
КАТАЛОЖНЫЙ ЛИСТ ПРОДУКЦИИ
|
Код ЦСМ |
01 |
200 |
Группа КГС |
02 |
Е78 |
Регистрационный номер |
034567 |
|
Код ОКП |
11 |
344961 |
|
Наименование и обозначение продукции |
12 |
Опорные кабельные конструкции |
|||||||
|
|
|
|
|||||||
|
Обозначение нормативного или технического документа |
14 |
ТУ 3449-009-51216464-01 |
|||||||
|
|
|
|
|||||||
|
Наименование нормативного или технического документа |
15 |
Опорные кабельные конструкции |
|||||||
|
|
|
|
|||||||
|
Код предприятия- изготовителя по ОКПО, штриховой код |
16 |
01394509 |
|||||||
|
|
|
|
|
|
|
||||
|
Наименование предприятия-изготовителя |
17 |
ОАО «Люберецкий завод Монтажавтоматика» |
|||||||
|
|
|
|
|
|
|
||||
|
Адрес предприятия- изготовителя |
18 |
|
|||||||
|
|
|
|
|
|
|
||||
|
Телефон |
19 |
503-84-88 |
Телефакс |
20 |
|
||||
|
|
|
|
|
|
|
||||
|
|
|
|
Телетайп Тел |
22 |
206-721 |
||||
|
|
|
|
|
|
|
||||
|
Наименование держателя подлинника ТУ |
23 |
ООО "Норма-РТМ" |
|||||||
|
|
|
|
|
|
|
||||
|
Адрес держателя подлинника
|
24 |
123298, Москва, ул.3-я Хорошевская, Д.2 |
|||||||
|
|
|
|
|
|
|
||||
|
Дата начала выпуска продукции |
25 |
1 октября
|
|||||||
|
|
|
|
|
|
|
||||
|
Дата введения в действие нормативного документа
|
26 |
1 октября
|
|||||||
|
|
|
|
|
|
|
||||
|
Номер сертификата соответствия
|
27 |
|
|||||||
30. Характеристики продукции
Опорные кабельные конструкции предназначены для прокладки трубных и электрических проводок систем автоматизации.
Конструкции собираются из стоек и полок. Стойки могут
крепиться к перекрытиям или стенам. Для крепления к стенам поставляется
специальная скоба. Длина полок от 85 до
Конструкции выпускаются с лакокрасоными и металлическими покрытиями. Климатическое исполнение и категория размещения У1, УХЛ1.
|
|
|
Фамилия |
Подпись |
Дата |
Телефон |
|
Заполнил |
04 |
Чудинов |
|
20.08.2001 |
191-11-24 |
|
Зарегистрировал |
05 |
|
|
|
|
|
Ввел в каталог |
05 |
|
|
|
|
|
ГОСТЫ, СТРОИТЕЛЬНЫЕ и ТЕХНИЧЕСКИЕ НОРМАТИВЫ. Некоммерческая онлайн система, содержащая все Российские Госты, национальные Стандарты и нормативы. В Системе содержится более 150000 файлов нормативно-технической документации, действующей на территории РФ. Система предназначена для широкого круга инженерно-технических специалистов. Copyright © www.gostrf.com, 2008 - 2026 |