Крупнейшая бесплатная информационно-справочная система онлайн доступа к полному собранию технических нормативно-правовых актов РФ. Огромная база технических нормативов (более 150 тысяч документов) и полное собрание национальных стандартов, аутентичное официальной базе Госстандарта. GOSTRF.com - это более 1 Терабайта бесплатной технической информации для всех пользователей интернета. Все электронные копии представленных здесь документов могут распространяться без каких-либо ограничений. Поощряется распространение информации с этого сайта на любых других ресурсах. Каждый человек имеет право на неограниченный доступ к этим документам! Каждый человек имеет право на знание требований, изложенных в данных нормативно-правовых актах!

  


 

ГОСУДАРСТВЕННОЕ ПРЕДПРИЯТИЕ «ВСЕРОССИЙСКИЙ НАУЧНО-ИССЛЕДОВАТЕЛЬСКИЙ ИНСТИТУТ ФИЗИКО-ТЕХНИЧЕСКИХ И РАДИОТЕХНИЧЕСКИХ ИЗМЕРЕНИЙ»

(ГП «ВНИИФТРИ»)

НАУЧНО-ПРОИЗВОДСТВЕННОЕ ПРЕДПРИЯТИЕ «ЭЛЕМЕР»

(НПП «ЭЛЕМЕР»)

 

УТВЕРЖДАЮ

Зам. ген. директора

ГП «ВНИИФТРИ»

Д. Р. Васильев

3 мая 2001г.

 

РЕКОМЕНДАЦИЯ ГОСУДАРСТВЕННАЯ СИСТЕМА ОБЕСПЕЧЕНИЯ ЕДИНСТВА ИЗМЕРЕНИЙ

 

ТЕРМОПРЕОБРАЗОВАТЕЛИ С УНИФИЦИРОВАННЫМ ВЫХОДНЫМ СИГНАЛОМ ТСМУ-055, ТСМУ-205, ТСПУ-055, ТСПУ-205, ТХАУ-205, ТХКУ-205

Методика поверки

МИ 2356-2001

СОГЛАСОВАНО

Ген. директор НПП «ЭЛЕМЕР»

_______________В.М. Окладников

 28 апреля 2001 г.

СОГЛАСОВАНО

Главный метролог

ГП «ВНИИФТРИ»

Д. Р. Васильев

3 мая 2001г.

 

2001

Содержание

ПРЕДИСЛОВИЕ

РАЗРАБОТАНА

Научно-производственным предприятием «ЭЛЕМЕР»

ИСПОЛНИТЕЛИ:

Косотуров А.В., Крюков А.В., Толбина Л.И.

 

УТВЕРЖДЕНА ГП «ВНИИФТРИ» " 03 " мая 2001 г.

ЗАРЕГИСТРИРОВАНА ВНИИМС " 18 " мая 2001 г.

ВЗАМЕН МИ 2356-95

Государственная система обеспечения единства измерений

Термопреобразователи с унифицированным выходным сигналом ТСМУ-055, ТСМУ-205, ТСПУ-055, ТСПУ-205, ТХАУ-205, ТХКУ-205

Методика поверки

Рекомендация МИ 2356-2001

Дата введения в действие 2001-05-18

1 ОБЛАСТЬ ПРИМЕНЕНИЯ

Настоящая рекомендация распространяется на термопреобразователи с унифицированным выходным сигналом ТСМУ-055, ТСМУ-205, ТСПУ-055, ТСПУ-205, ТХАУ-205, ТХКУ-205, а также ТСМУ-205Ех, ТСПУ-205Ех, ТХАУ-205Ех, ТХКУ-205Ех во взрывозащищенном исполнении (далее - термопреобразователи), предназначенные для непрерывного преобразования температуры твердых, жидких, газообразных и сыпучих веществ в унифицированный токовый выходной сигнал и устанавливает методику их первичной и периодической поверок.

Термопреобразователи состоят из первичного преобразователя и измерительного преобразователя (ИП). В качестве первичного преобразователя используются термопреобразователи сопротивления (ТС) с номинальными статическими характеристиками преобразования (НСХ) 50М, 100М, 50П, 100П по ГОСТ 6651 и Pt 100 DIN 43760, преобразователи термоэлектрические ТХА (К) и ТХК (L) по ГОСТ Р 50431.

По настоящей рекомендации допускается проведение поверки ИП отдельно без термопреобразователя.

Настоящая рекомендация может быть применена при калибровке термопреобразователей и ИП.

Основные метрологические характеристики термопреобразователей и НСХ первичного преобразователя приведены в таблице 1.1.

Пределы допускаемой основной приведенной погрешности ИП относительно НСХ при сопротивлении нагрузки RH = 1 кОм для выхода 0...5 мА и RH = 0,4 кОм для выхода 4...20 мА не превышают значений, указанных в таблице 1.1.

Межповерочный интервал: не более одного года.

Таблица 1.1

Основные метрологические характеристики термопреобразователей

НСХ первичного преобразователя

Шифр модификации

Диапазон унифицированного выходного сигнала, мА

Диапазон измерений температуры, °С

Класс точности

Предел допускаемой основной приведенной погрешности, %

ТСМУ-055

0...5

минус 50...+50

0,25; 0,5

0,25; 0,5

50М

100М

0...100

0...150

ТСМУ-205

(ТСМУ-205Ех)

4...20

минус 50...+50

0,25; 0,5

0,25; 0,5

0...100

0...150

ТСПУ-055

0...5

минус 50...+50

0,25; 0,5

0,25; 0,5

50П

100П

Pt100

0...100

0...200

0...300

0...500

ТСПУ-205

(ТСПУ-205Ех)

4...20

минус 50...+50

0,25; 0,5

0,25; 0,5

0...100

0...200

0...300

0...500

ТХАУ-205

(ТХАУ-205Ех)

4...20

0...600

0,5; 1,0

0,5; 1,0

ТХА(К)

0...900

0...1200

1,5

1,5

ТХКУ-205

(ТХКУ-205Ех)

4...20

0...400

1,5

1,5

TXK(L)

0...600

1,0

1,0

2 НОРМАТИВНЫЕ ССЫЛКИ

В настоящей рекомендации использованы ссылки на следующие нормативные документы.

ГОСТ 6651-94 Термопреобразователи сопротивления. Общие технические требования и методы испытаний

ГОСТ 23737-79 Меры электрического сопротивления. Общие технические условия

ГОСТ Р 50431-92 Термопары. Часть 1. Номинальные статические характеристики преобразования

ПР 50.2.006-94 ГСИ. Порядок проведения поверки средств измерений.

3 ОБОЗНАЧЕНИЯ И СОКРАЩЕНИЯ

В настоящей рекомендации применены следующие сокращения:

НСХ

-

номинальная статическая характеристика преобразования,

ИП

-

преобразователь измерительный,

ТС

-

термопреобразователь сопротивления,

ТП

-

преобразователь термоэлектрический.

4 ОПЕРАЦИИ ПОВЕРКИ

4.1 При проведении поверки выполняют операции, указанные в таблице 4.1.

Таблица 4.1

Наименование операции

Номер пункта рекомендации

Обязательность проведения операций при

первичной поверке

периодической поверке

1. Внешний осмотр

8.1

Да

Да

2. Опробование

8.2

Да

Да

3. Определение основной приведенной погрешности термопреобразователей

8.3

Да

Да

4. Определение основной приведенной погрешности измерительного преобразователя (ИП) *

8.4

Да

Да

* Определение основной приведенной погрешности ИП по требованию заказчика

5 СРЕДСТВА ПОВЕРКИ

5.1 При проведении поверки термопреобразователей применяют средства, указанные в таблице 5.1.

Таблица 5.1

Рекомендуемые средства поверки и оборудование

Тип поверяемого термопреобразователя

ТСМУ-055,

ТСМУ-205,

ТСМУ-205Ех

ТСПУ-055,

ТСПУ-205,

ТСПУ-205Ех

ТХАУ-205,

ТХАУ-205Ех,

ТХКУ-205,

ТХКУ-205Ех

1

2

3

4

1 .Калибратор-измеритель унифицированных сигналов эталонный ИКСУ-2000 ТУ 4381-031-13282997-00 Диапазон воспроизведения температуры ТС (от минус 200 до +550) °С. Основная погрешность не более 0,05 °С. Диапазон воспроизведения температуры ТП (от минус 210 до 1300) °С. Основная погрешность не более 0,3 °С

+

+

+

2.Источники питания постоянного тока БП 96/24, БП 96/36 ТУ 4229-018-13282997-99 Выходное напряжение: (24 ±0,48) В, (36 ±0,72) В. Ток нагрузки не более 45 мА

+

+

+

3.Измеритель-регулятор технологический (милливольтметр универсальный) ИРТ 5920 ** ТУ 4210-019-13282997-00 Диапазон (0...20) мА. Основная погрешность не более 0,05 %

+

+

+

4.Система поверки термопреобразователей автоматизированная АСПТ ** ТУ 4381-028-13282997-00 Диапазон (0...30) мА. Основная погрешность не более (10-4I+1) мкА

+

+

-

5.Магазин сопротивлений Р33 ГОСТ 23737 Сопротивление до 99999,9 Ом Класс точности 0,2

+

+

+

6.Термометр эталонный (образцовый) 1-го разряда ПТС-10 ПИ3.879.001 ТУ Диапазон (от минус 183 до +630) °С. Основная погрешность не более 0,01 °С

+

+

-

7.Калибратор температуры эталонный КТ-500 ТУ 4381-030-13282997-00 Диапазон воспроизведения температур (от +50 до +500) °С. Основная погрешность не более (0,05+0,0006·t) °C. Нестабильность поддержания температуры за 5 мин, °С, в диапазонах:

(от +50 до +200) °С             ±0,015,

(от +200 до +500) °С           ±0,05

+

+

+

8.Термопара платинородий-платиновая эталонная (образцовая) 2-го разряда типа ППО ТУ 50-104-83 Диапазон (от +300 до +1200) °С. Основная погрешность не более 0,9 °С

-

+

+

9.Термометр цифровой малогабаритный ТЦМ-9210М1 ТУ 4211-001-13282997-00 Диапазон (от 0 до +100) °С Основная погрешность не более (0,1+*) %

+

+

+

10.Жидкостный термостат U15C ТГЛ 32386 Диапазон (от минус 60 до +260) °С. Погрешность термостатирования не более ± 0,02 °С

+

-

-

11 Печь МТП-2М ТУ 50-239-84 Температура (от +300 до +1200) °С. Градиент температуры в рабочей зоне не более 0,8 °С/см

-

+

+

Примечания:

1 Знак "+" означает применяемость средства поверки, знак "-" - неприменяемость.

2 * - Одна единица последнего разряда, выраженная в процентах от диапазона измерений.

3 ** - Для измерений выходного сигнала термопреобразователя используют ИРТ 5920 или АСПТ.

4 Предприятием-изготовителем средств поверки по пп. 1, 2, 3, 4, 7, 9 является НПП «ЭЛЕМЕР».

5 Допускается применять отдельные, вновь разработанные или находящиеся в применении средства поверки и оборудование, по своим характеристикам не уступающие указанным в настоящей рекомендации.

6 ТРЕБОВАНИЯ БЕЗОПАСНОСТИ

6.1 При поверке выполняют требования техники безопасности, изложенные в документации на применяемые средства поверки и оборудование.

7 УСЛОВИЯ ПОВЕРКИ И ПОДГОТОВКА К НЕЙ

7.1 При проведении поверки соблюдают следующие условия:

температура окружающего воздуха, °С

20±5;

относительная влажность окружающего воздуха, %,

30...80;

атмосферное давление, кПа (мм рт.ст.)

84,0...106,7 (630...800);

напряжение питания, В

220±4,4;

частота питающей сети, Гц

(50±0,5).

7.2 Поверяемые термопреобразователи и используемые средства поверки должны быть защищены от вибраций, тряски, ударов, влияющих на их работу.

7.3 Операции, проводимые со средствами поверки и с поверяемыми термопреобразователями, должны соответствовать указаниям, приведенным в эксплуатационной документации.

7.4 Перед проведением поверки выполняют следующие подготовительные работы:

1) термопреобразователь выдерживают в условиях, установленных в п. 7.1, в течение 4 ч;

2) средства поверки подготавливают к работе в соответствии с эксплуатационной документацией.

8 ПРОВЕДЕНИЕ ПОВЕРКИ

8.1 Внешний осмотр

8.1.1 При внешнем осмотре устанавливают отсутствие механических повреждений, правильность маркировки, проверяют комплектность.

При наличии дефектов покрытий, несоответствия комплектности, маркировки определяют возможность дальнейшего применения термопреобразователя.

8.1.2 Проверяют наличие паспорта с отметкой ОТК при предъявлении в первичную поверку и свидетельство о предыдущей поверке при предъявлении на периодическую поверку.

8.2 Опробование

8.2.1 Опробование термопреобразователей проводят в следующей последовательности:

1) устанавливают в калибраторе КТ-500 (термостате или печи)* температуру, соответствующую одной из поверяемых точек диапазона преобразований температуры (5, 25, 50, 75, 95 % диапазона);

2) подключают поверяемый термопреобразователь к источнику питания постоянного тока БП 96/24 (или БП 96/36), ИРТ 5920 (или АСПТ) и сопротивлению нагрузки RH по соответствующей схеме, приведенной на рисунке 8.1;

3) помещают поверяемый термопреобразователь в КТ-500 (термостат или печь) на глубину, соответствующую длине погружаемой части (для КТ-500 - на глубину 160 мм, для термостата или печи, если длина погружаемой части термопреобразователя более 250 мм - на глубину не менее 250 мм), и выдерживают их при температуре, указанной в п. 8.2.1.1, в течение не менее 30 мин;

4) ИРТ 5920 (или АСПТ) измеряют ток Ii,. Измеренное значение тока должно находиться в диапазоне выходных унифицированных сигналов, указанных в таблице 1.1;

5) термопреобразователь извлекают из КТ-500 (термостата или печи), выдерживают его в нормальных условиях в течение 30 мин и ИРТ 5920 измеряют выходной сигнал термопреобразователя Ii = IН;

6) определяют температуру Ti, соответствующую нормальным условиям применения, по формуле

* КТ-500 (термостат или печь и эталонный термометр) выбирают согласно разделу 2

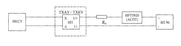
Термопреобразователи с унифицированным выходным сигналом (4...20) мА

ТСМУ-205, ТСПУ-205 (ТСМУ-205Ех, ТСПУ-205Ех).

Схема электрическая соединений

Термопреобразователи с унифицированным выходным сигналом (0...5) мА

ТСМУ-055,ТСПУ-055.

Схема электрическая соединений

Термопреобразователи с унифицированным сигналом (4...20) мА

ТХАУ-205, ТХКУ-205 (ТХАУ-205Ех, ТХКУ-205Ех).

Схема электрическая соединений

БП 96 - источник питания постоянного тока БП 96/36, БП 96/24;

RH - сопротивление нагрузки; ИП - измерительный преобразователь;

ИКСУ - калибратор-измеритель унифицированных сигналов эталонный ИКСУ-2000;

ИРТ 5920 - измеритель-регулятор технологический (милливольтметр универсальный);

АСПТ - система поверки термопреобразователей автоматизированная.

Рисунок 8.1

                                                                                      (8.1)

где Imin, Imax - нижний и верхний пределы унифицированного выходного сигнала, указанные в таблице 1.1;

Tmin, Tmax - нижний и верхний пределы преобразований температуры, указанные в таблице 1.1.

Значение температуры Ti = Tн должно соответствовать температуре (20 ± 5) °С.

8.2.2 Опробование ИП проводят в следующей последовательности:

1) подключают ИП к средствам поверки по соответствующей схеме рисунка 8.1;

2) выдерживают ИП во включенном состоянии в течение 15 мин;

3) проводят измерения выходного сигнала ИП для одной из поверяемых точек, указанных в п. 8.4.2, в соответствии с п. 8.2.1.4 (значения входных сигналов: сопротивлений для ТСМУ, ТСПУ и термоэлектродвижущей силы (т.э.д.с.) для ТХАУ, ТХКУ приведены в таблицах 8.1 -8.3);

• Измеренные значения тока должны находиться в диапазоне 0...5 мА для ТСМУ-055, ТСПУ-055 и 4...20 мА - для ТСМУ-205, ТСПУ-205, ТХАУ-205, ТХКУ-205 (для ТСМУ-205Ех, ТСПУ-205Ех, ТХАУ-205Ех, ТХКУ-205Ех).

8.3 Определение основной приведенной погрешности термопреобразователей

8.3.1 Основную приведенную погрешность термопреобразователей определяют по методике п. 8.2.1 в точках, соответствующих 5, 25, 50, 75, 95 % диапазона преобразований температуры.

8.3.2 Снимают показания с индикатора КТ-500, а при использовании термостата (или печи) помещают эталонный (образцовый) термометр (или термопару) в термостат (или печь) и измеряют температуру эталонным (образцовым) термометром (или термопарой) То и выходной сигнал термопреобразователя - ИРТ 5920 (или АСПТ).

8.3.3 Рассчитывают значение основной приведенной погрешности γ1 по формуле

                                                                     (8.2)

где Тi, - температура в поверяемой точке, рассчитанная по формуле (8.1).

Наибольшее из рассчитанных значений основной приведенной погрешности не должно превышать соответствующего значения, указанного в таблице 1.1.

Примечание. Допускается основную приведенную погрешность термопреобразователей определять в двух точках, соответствующих 5 и 95 % диапазона преобразований температуры, для ТСМУ и ТСПУ, и в трех точках, соответствующих 5, 50, 95 % диапазона преобразований температуры, для ТХАУ и ТХКУ, при предварительной проверке линейности ИП с помощью калибратора-измерителя унифицированных сигналов эталонного ИКСУ-2000 с допускаемым отклонением не более 0,5 от основной приведенной погрешности термопреобразователя. Нелинейность ИП проверяют при определении основной приведенной погрешности по методике п. 8.4.

8.4 Основную приведенную погрешность и нелинейность ИП определяют методом сравнения показаний ИРТ 5920 (АСПТ) с расчетным значением выходного сигнала.

8.4.1 ИП поверяемого термопреобразователя присоединяют к источнику питания и средствам поверки по соответствующей схеме, приведенной на рисунке 8.1.

8.4.2 Основную приведенную погрешность и нелинейность ИП определяют в точках, соответствующих 1, 20, 40, 60, 80, 100 % диапазона изменений выходного сигнала для выхода 0...5 мА и 5, 25, 50, 75, 100 % диапазона изменений выходного сигнала для выхода 4...20 мА.

Значения температур в поверяемых точках Ti определяют по формуле (8.1).

8.4.3 Тип термопреобразователя, условное обозначение НСХ, диапазоны измерений температуры, расчетное значение выходного сигнала в поверяемой точке, значение входного параметра (значение температуры по НСХ) должны соответствовать приведенным в таблицах 8.1-8.3.

Таблица 8.1

Тип термопреобразователя, условное обозначение НСХ

Диапазон измерений, °С

Расчетное значение выходного сигнала в поверяемой точке, мА

0,05

1

2

3

4

5

Значение входного параметра в поверяемой точке, Ом (для справки: значение температуры по НСХ, °С)

ТСМУ-055

100М

W=l,4280

-50...50

78,88

(-49)

87,10

(-30)

95,71

(-10)

104,28

(10)

112,83

(30)

121,39

(50)

0...100

100,43

(1)

108,56

(20)

117,11

(40)

125,67

(60)

134,22

(80)

142,78

(100)

0...150

100,65

(1,5)

112,83

(30)

125,67

(60)

138,50

(90)

151,33

(120)

164,16

(150)

ТСМУ-055

50М

W=l,4280

-50...50

39,44

(-49)

43,55

(-30)

47,86

(-10)

52,14

(10)

56,42

(30)

60,70

(50)

0...100

50,21

(1)

54,28

(20)

58,56

(40)

62,84

(60)

67,11

(80)

71,39

(100)

0...150

50,32

(1,5)

56,42

(30)

62,84

(60)

69,25

(90)

75,66

(120)

82,08

(150)

ТСПУ-055

100П

W=l,3910

-50...50

80,40

(-49)

88,04

(-30)

96,02

(-10)

103,96

(10)

111,86

(30)

119,70

(50)

0...100

100,40

(1)

107,92

(20)

115,78

(40)

123,61

(60)

131,38

(80)

139,11

(100)

0...200

100,79

(2)

115,78

(40)

131,38

(80)

146,79

(120)

162,02

(160)

177,05

(200)

0...300

101,19

(3)

123,61

(60)

146,79

(120)

169,56

(180)

191,90

(240)

213,83

(300)

0...500

101,98

(5)

139,11

(100)

177,05

(200)

213,83

(300)

249,44

(400)

283,89

(500)

ТСПУ-055

50П

W=l,3910

-50...50

40,20

(-49)

44,02

(-30)

48,01

(-10)

51,98

(10)

55,93

(30)

59,85

(50)

0...100

50,20

(1)

53,96

(20)

57,89

(40)

61,80

(60)

65,69

(80)

69,55

(100)

0...200

50,39

(2)

57,86

(40)

65,69

(80)

73,39

(120)

81,01

(160)

88,57

(200)

0...300

50,59

(3)

61,80

(60)

73,39

(120)

84,78

(180)

95,45

(240)

106,91

(300)

0...500

50,49

(5)

69,55

(100)

88,52

(200)

106,91

(300)

124,72

(400)

141,94

(500)

ТСПУ-055

Pt 100

W= 1,3850

-50...50

80,70

(-49)

88,22

(-30)

96,09

(-10)

103,90

(10)

111,67

(30)

119,40

(50)

0...100

100,39

(1)

107,79

(20)

115,54

(40)

123,24

(60)

130,90

(80)

138,51

(100)

0...200

100,78

(2)

115,54

(40)

130,90

(80)

146,07

(120)

161,05

(160)

175,86

(200)

0...300

101,17

(3)

123,24

(60)

146,07

(120)

168,48

(180)

190,47

(240)

212,05

(300)

0...500

101,95

(5)

138,51

(100)

175,86

(200)

212,05

(300)

247,09

(400)

280,98

(500)

Таблица 8.2

Тип термопреобразователя, условное обозначение НСХ

Диапазон измерений, °С

Расчетное значение выходного сигнала в поверяемой точке, мА

4,8

8

12

16

20

Значение входного параметра в поверяемой точке, Ом (для справки: значение температуры по НСХ, °С)

ТСМУ-205

100М

W=l,4280

-50...50

80,62

(-45)

89,26

(-25)

100,00

(0)

110,69

(25)

121,39

(50)

0...100

102,14 (5)

110,69

(25)

121,39

(50)

132,08

(75)

142,78

(100)

0...150

103,21

(7,5)

116,04

(37,5)

132,08

(75)

148,13

(112,5)

164,16

(150)

ТСПУ-205

50М

W=l,4280.

-50...50

40,31

(-45)

44,63

(-25)

50,00

(0)

55,34

(25)

60,70

(50)

0...100

51,07

(5)

55,34

(25)

60,70

(50)

66,04

(75)

71,39

(100)

0...150

51,61

(7,5)

58,02

(37,5)

66,04

(75)

74,96

(112,5)

82,08

(150)

ТСПУ-205

100П

W=l,3910

-50...50

82,01

(-45)

90,04

(-25)

100,00

(0)

109,89

(25)

119,70

(50)

0...100

101,98

(5)

109,89

(25)

119,70

(50)

129,44

(75)

139,11

(100)

0...200

103,96

(10)

119,70

(50)

139,11

(100)

158,23

(150)

177,05

(200)

0...300

105,94

(15)

129,44

(75)

158,23

(150)

186,36

(225)

213,83

(300)

0...500

109,89

(25)

148,70

(125)

195,59

(250)

240,65

(375)

283,89

(500)

ТСГТУ-205

50П

W=1.3910

-50...50

41,01

(-45)

45,02

(-25)

50,00

(0)

54,94

(25)

59,85

(50)

0...100

50,99

(5)

54,94

(25)

59,85

(50)

64,72

(75)

69,55

(100)

0...200

51,98

(10)

59,85

(50)

69,55

(100)

79,11

(150)

88,52

(200)

0...300

52,97

(15)

64,72

(75)

79,11

(150)

93,18

(225)

106,91

(300)

0...500

54,94

(25)

74,35

(125)

97,79

(250)

120,32

(375)

141,94

(500)

ТСПУ-205

Pt 100

-50...50

82,29

(-45)

90,19

(-25)

100,00

(0)

109,73

(25)

119,40

(50)

0...100

101,95

(5)

109,73

(25)

119,40

(50)

128,99

(75)

138,51

(100)

0...200

103,90

(10)

119,40

(50)

138,51

(100)

157,33

(150)

175,86

(200)

0...300

105,85

(15)

128,99

(75)

157,33

(150)

185,01

(225)

212,05

(300)

0...500

109,73

(25)

147,95

(125)

194,10

(250)

238,44

(375)

280,98

(500)

Таблица 8.3

Тип термопреобразователя, условное обозначение НСХ

Диапазон измерений, °С

Расчетное значение выходного сигнала в поверяемой точке, мА

4,8

8

12

16

20

Значение входного параметра в поверяемой точке, мВ (для справки: значение температуры по НСХ, °С)

ТХАУ-205

ТХА

ХА(К)

0...600

1,203

(30)

6,137

(150)

12,207

(300)

18,513

(450)

24,902

(600)

0...900

0,597

(15)

9,139

(225)

18,513

(450)

28,078

(675)

37,325

(900)

0...1200

2,436

(60)

12,207

(300)

24,902

(600)

37,325

(900)

48,828

(1200)

ТХКУ-205 ТХК

XK(L)

0...400

1,289

(20)

6,860

(100)

14,557

(200)

22,839

(300)

31,488

(400)

0...600

1,951

(30)

10,621

(150)

22,839

(300)

35,882

(450)

49,098

(600)

8.4.4 Основную приведенную погрешность ИП рассчитывают по формуле

                                                                    (8.3)

где Iвых. - значение выходного тока в поверяемой точке, измеряемое ИРТ 5920 (АСПТ);

Iвых.р. - расчетное значение выходного сигнала в поверяемой точке, приведенное в таблицах 8.1 - 8.3;

Iн - нормирующее значение выходного сигнала, равное 5 мА для выхода 0...5 мА, и 16 мА для выхода 4...20 мА.

За основную приведенную погрешность ИП принимают наибольшее из полученных значений, которое не должно превышать соответствующих значений, указанных в таблице 1.1.

8.4.5 Нелинейность ИП определяют по значению наибольшего отклонения измеренных значений выходного сигнала от линейной зависимости между входным и выходным сигналами, при котором минимизируется значение этого отклонения в заданном диапазоне измерений. Значение этого отклонения не должно превышать 0,5 предела допускаемой основной погрешности ИП.

8.5 Если при проведении поверки будет обнаружено несоответствие термопреобразователя пп. 8.2.1.4), 5), 6); 8.2.2.3), 8.3.3, 8.4.3, а ИП - пп. 8.2.2.3), 8.4.4, 8.4.5, то поверку прекращают до выяснения причин и устранения неисправности. После устранения неисправности термопреобразователя или ИП проводят повторную поверку.

9 ОФОРМЛЕНИЕ РЕЗУЛЬТАТОВ ПОВЕРКИ

9.1 Результаты поверки оформляют протоколом по форме приложения А.

9.2 Положительные результаты поверки термопреобразователей или ИП оформляют свидетельством о государственной поверке установленной формы по ПР 50.2.006.

9.3 Отрицательные результаты поверки термопреобразователей или ИП оформляют извещением о непригодности по форме ПР 50.2.006, свидетельство о предыдущей поверке аннулируют, а термопреобразователи не допускают к применению.

ПРИЛОЖЕНИЕ А

Форма протокола поверки

ПРОТОКОЛ №

                                                                                  от _________________________________

поверки _____________________________________________________________________

                             (наименование поверяемого прибора с указанием типа)

______________________________________________ № ____________________________

представленного ______________________________________________________________

Поверка проводилась по средствам поверки (наименование, зав. №)

_____________________________________________________________________________

_____________________________________________________________________________

_____________________________________________________________________________

 

Замечания по внешнему осмотру ________________________________________________

_____________________________________________________________________________

Определение основной приведенной погрешности термопреобразователя

Поверяемая температура, °С

Значение температуры, измеренное

Основная приведенная погрешность термопреобразователя, %

Эталонным (образцовым) термометром, °С *

термопреобразователем, °С

 

 

 

 

* При использовании термостата или печи, при использовании КТ-500 - значение температуры, отображающееся на его индикаторном табло

Определение основной приведенной погрешности измерительного преобразователя (ИП)

Значение входного сигнала по НСХ (ед. изм.)

Значение преобразуемой температуры, °С

Расчетное значение выходного сигнала в поверяемой точке, мА

Измеренное значение выходного сигнала, мА

Основная приведенная погрешность ИП, %

 

 

 

 

 

Заключение: _________________________________________________________________

____________________________________________________________________________

____________________________________________________________________________

 

Поверку провели: _______________             ___________                     __________________

                                      должность                      подпись                                 И.О.Фамилия

                               _______________             ___________                     __________________

                                      должность                      подпись                                 И.О.Фамилия

 




ГОСТЫ, СТРОИТЕЛЬНЫЕ и ТЕХНИЧЕСКИЕ НОРМАТИВЫ.
Некоммерческая онлайн система, содержащая все Российские Госты, национальные Стандарты и нормативы.
В Системе содержится более 150000 файлов нормативно-технической документации, действующей на территории РФ.
Система предназначена для широкого круга инженерно-технических специалистов.

Рейтинг@Mail.ru Яндекс цитирования

Copyright © www.gostrf.com, 2008 - 2026