Крупнейшая бесплатная информационно-справочная система онлайн доступа к полному собранию технических нормативно-правовых актов РФ. Огромная база технических нормативов (более 150 тысяч документов) и полное собрание национальных стандартов, аутентичное официальной базе Госстандарта. GOSTRF.com - это более 1 Терабайта бесплатной технической информации для всех пользователей интернета. Все электронные копии представленных здесь документов могут распространяться без каких-либо ограничений. Поощряется распространение информации с этого сайта на любых других ресурсах. Каждый человек имеет право на неограниченный доступ к этим документам! Каждый человек имеет право на знание требований, изложенных в данных нормативно-правовых актах!

  


 

ФЕДЕРАЛЬНОЕ АГЕНТСТВО
ПО
ТЕХНИЧЕСКОМУ РЕГУЛИРОВАНИЮ И МЕТРОЛОГИИ

НАЦИОНАЛЬНЫЙ
СТАНДАРТ
РОССИЙСКОЙ
ФЕДЕРАЦИИ

ГОСТ Р ЕН
818-2-
2005

Цепи стальные из круглых коротких звеньев для подъема грузов

БЕЗОПАСНОСТЬ

Часть 3

Цепи стальные нормальной точности для стропальных цепей класса 4

EN 818-3:1999
Short link chain for lifting purposes - Safety -
Part 3: Medium tolerance chain for chain slings - Grade 4

(IDT)

Москва

Стандартинформ

2006

Предисловие

Цели и принципы стандартизации в Российской Федерации установлены Федеральным законом от 27 декабря 2002 г. № 184-ФЗ «О техническом регулировании», а правила применения национальных стандартов Российской Федерации - ГОСТ Р 1.0-2004 «Стандартизация в Российской Федерации. Основные положения»

Сведения о стандарте

1 ПОДГОТОВЛЕН Всероссийским научно-исследовательским институтом стандартизации и сертификации в машиностроении (ВНИИНМАШ) на основе собственного аутентичного перевода стандарта, указанного в пункте 4

2 ВНЕСЕН Техническим комитетом по стандартизации ТК 351 «Механические приводы»

3 УТВЕРЖДЕН И ВВЕДЕН В ДЕЙСТВИЕ Приказом Федерального агентства по техническому регулированию и метрологии от 28 декабря 2005 г. № 440-ст

4 Настоящий стандарт идентичен региональному стандарту ЕН 818-3:1999 «Цепи стальные из круглых коротких звеньев для подъема грузов. Безопасность. Часть 3. Цепи стальные нормальной точности для стропальных цепей класса 4» (EN 818-3:1999 «Short link chain for lifting purposes - Safety - Part 3: Medium tolerance chain for chain slings -Grade 4»).

При применении настоящего стандарта рекомендуется использовать вместо ссылочных международных и региональных стандартов соответствующие им национальные стандарты Российской Федерации, сведения о которых приведены в дополнительном приложении D

5 ВВЕДЕН ВПЕРВЫЕ

Информация об изменениях к настоящему стандарту публикуется в ежегодно издаваемом информационном указателе «Национальные стандарты», а текст изменений и поправок  в ежемесячно издаваемых информационных указателях «Национальные стандарты». В случае пересмотра (замены) или отмены настоящего стандарта соответствующее уведомление будет опубликовано в ежемесячно издаваемом информационном указателе «Национальные стандарты». Соответствующая информация, уведомление и тексты размещаются также в информационной системе общего пользования  на официальном сайте национального органа Российской Федерации по стандартизации в сети Интернет

Содержание

1 Область применения

2 Нормативные ссылки

3 Термины и определения

4 Опасности

5 Требования безопасности

6 Проверка требований безопасности

7 Маркировка

8 Свидетельство об испытаниях

9 Информация для потребителя

Приложение А (справочное) Расчет размеров, грузоподъемности и механических характеристик цепей

Приложение В (справочное) Масса цепей

Приложение С (справочное) Условное обозначение цепей

Приложение D (справочное) Сведения о соответствии национальных стандартов Российской Федерации ссылочным международным и региональным стандартам

Введение

В соответствии с требованиями комплекса стандартов ЕН 818 цепи подразделяют на следующие классы с соответствующими механическими свойствами.

Класс цепи

Номинальное напряжение при минимальном разрывающем усилии, Н/мм2

высокой точности

нормальной точности

М

Р

Т

V

4

5

6

8

10

400

500

630

800

1000

Примечание - Напряжение в звене цепи распределяется неравномерно. На внешней стороне звена оно значительно превышает номинальное напряжение. Значения номинального напряжения рассчитывают, исходя из того, что разрывающее усилие распределяется по всей площади сечения звена.

НАЦИОНАЛЬНЫЙ СТАНДАРТ РОССИЙСКОЙ ФЕДЕРАЦИИ

Цепи стальные из круглых коротких звеньев для подъема грузов

БЕЗОПАСНОСТЬ

Часть 3

Цепи стальные нормальной точности для стропальных цепей класса 4

Short link steel chains for lifting purposes. Safety.
Part 3. Medium tolerance steel chains for grade 4 chain slings

Дата введения–2007-01-01

1 Область применения

Настоящий стандарт устанавливает требования безопасности к стальным цепям из круглых коротких звеньев класса 4 нормальной точности (далее - цепи), применяемым для строповки и подъема грузов, изготовленным при помощи электросварки и соответствующим требованиям ЕН 818-1.

Настоящий стандарт распространяется на цепи с номинальной толщиной звена от 7 до 45 мм.

Опасности, которые рассматриваются в настоящем стандарте, приведены в разделе 4.

Рекомендации по расчету размеров, грузоподъемности и механических характеристик приведены в приложении А.

Значения массы цепей приведены в приложении В.

Пример условного обозначения цепей приведен в приложении С.

2 Нормативные ссылки

В настоящем стандарте использованы ссылки на следующие стандарты:

ЕН 292-1:1991 Безопасность машин. Основные термины и определения. Общие принципы конструкции. Часть 1. Основные понятия. Методика

ЕН 292-2:1991 Безопасность машин. Основные термины и определения. Общие принципы конструкции. Часть 2. Технические условия и спецификации

ЕН 292-2:1991/А1:1995 Безопасность машин. Основные термины и определения. Общие принципы конструкции. Часть 2: Технические инструкции и спецификации (Изменение 1:1995)

ЕН 818-1:1996 Цепи стальные из круглых коротких звеньев для подъема грузов. Безопасность. Часть 1: Общие требования к приемке

ЕН 818-6:2000 Цепи стальные из круглых коротких звеньев для подъема грузов. Требования безопасности. Часть 6. Стропальные цепи. Инструкции по применению и техническому обслуживанию

ЕН 1050:1997 Безопасность машин. Оценка рисков

ИСО 643 Сталь. Определение при помощи микроскопа размера ферритных или аустенитных частиц

3 Термины и определения

В настоящем стандарте применены термины по ЕН 818-1.

4 Опасности

Падение грузов вследствие выхода из строя стропальных цепей представляет непосредственную опасность для людей, находящихся в зоне работы подъемных устройств.

Для того чтобы обеспечить необходимую прочность и долговечность цепей, в настоящем стандарте установлены требования к конструкции, выбору материалов и методам испытаний.

Если цепи, соответствующие требованиям настоящего стандарта, применяют для обычных операций подъема, то опасность разрушения вследствие усталостного износа не возникает. Так как выход из строя может быть вызван неправильным выбором класса стропальных средств, настоящий стандарт устанавливает также требования к их маркировке. В настоящем стандарте рассмотрены также опасности, которые могут возникнуть из-за неправильного монтажа стропальных устройств. Опасности, указанные в приложении A EN 1050, приведены в таблице 1.

Таблица 1 - Опасности по приложению A EN 1050

Опасности по приложению A EN 1050

Пункт приложения A EN 292-2

Раздел настоящего стандарта

Номер пункта

Наименование

1.1.5

Механические опасности вследствие
недостаточной
прочности

1.3.2, 4.1.2.3, 4.1.2.5

5

4.2.4

6

1.7.3, 4.2.4, 1.7.4

7, 8, 9

5 Требования безопасности

5.1 Общие положения

Цепи должны соответствовать требованиям ЕН 818-1.

5.2 Размеры

5.2.1 Номинальная толщина звена

Номинальная толщина звена dnom должна соответствовать значениям, приведенным в таблице 2.

Таблица 2 - Размеры цепей

В миллиметрах

Номинальная

толщина звена dnom

Предельное допускаемое отклонение номинальной толщины звена

Толщина

участка сварки ds, не более

Шаг

Внутренняя ширина звена напротив участка сварки w1 , не менее

Внешняя ширина звена напротив участка сварки w2, не более

Pnom

Pmax

Pmin

7

8

10

±0,28

±0,32

±0,40

7,7

8,8

11,0

21

24

30

21,6

24,7

30,9

20,4

23,3

29,1

9,1

10,4

13,0

25,9

29,6

37,0

13

16

18

±0,52

±0,64

±0,90

14,3

17,6

19,8

39

18

54

40,2

19,4

55,6

37,8

16,6

52,4

16,9

20,8

23,4

48,1

59,2

66,6

19

20

22

± 1,00

± 1,00

± 1,10

20,9

22,0

24,2

57

60

66

58,7

61,8

68,0

55,3

58,2

64,0

24,7

26,0

28,6

70,3

74,0

81,4

23

25

26

± 1,20

± 1,30

± 1,30

25,3

27,5

28,6

69

75

78

71,1

77,3

80,3

66,9

72,8

75,7

29,9

32,5

33,8

85,1

92,5

96,2

28

32

36

± 1,40

±1,60

±1,80

30,8

35,2

39,6

84

96

108

86,5

98,9

111,0

81,5

93,1

105,0

36,4

41,6

46,8

104,0

118,0

133,0

40

45

±2,00

±2,30

44,0

49,5

120

135

124,0

139,0

116,0

131,0

52,0

58,5

148,0

167,0

5.2.2 Предельные допускаемые отклонения номинальной толщины звена

Значения предельных допускаемых отклонений номинальной толщины звена должны соответствовать указанным в таблице 2.

5.2.3 Толщина участка сварки

Значения максимальной толщины участка сварки ds должны соответствовать указанным в таблице 2. Толщина участка сварки не должна быть меньше фактической толщины звена рядом с участком сварки.

5.2.4 Длина участка сварки

Длина участка сварки е не должна быть более 0,6 dnom в каждую сторону от сварочного шва.

5.2.5 Шаг и ширина

Размеры шага и ширины отдельных звеньев и всей цепи должны соответствовать указанным в таблице 2 и на рисунке 1 ЕН 818-1.

5.3 Материал и термическая обработка

5.3.1 Материал

5.3.1.1 Общие положения

Сталь, применяемая для изготовления цепей, должна соответствовать требованиям 5.3.1.2-5.3.1.4, чтобы изготовленная и прошедшая термообработку цепь по своим механическим свойствам соответствовала требованиям настоящего стандарта

5.3.1.2 Марки стали

Применяемая сталь должна быть изготовлена электрическим методом или методом кислородного дутья.

5.3.1.3 Раскисление

Сталь должна быть раскислена по EH 10025/A1 и устойчива к старению. При проведении испытания по ИСО 643 размер аустенитных частиц не должен быть более 5.

5.3.1.4 Химический состав

Сталь должна содержать достаточное количество легирующих элементов, чтобы после термообработки по 5.3.2 цепь по своим механическим свойствам соответствовала требованиям настоящего стандарта, была устойчивой к воздействию низких температур и выдерживала импульсные нагрузки.

Содержание в стали серы и фосфора должно соответствовать указанному в таблице 3.

Таблица 3 - Содержание серы и фосфора

Наименование элемента

Содержание, %, не более

при выплавке стали

при анализе образца

Сера

0,025

0,030

Фосфор

0,025

0,030

Чтобы цепи при эксплуатации были устойчивы к старению, 0,025 % состава стали должен составлять алюминий.

Содержание в стали кремния должно соответствовать указанному в таблице 4.

Таблица 4 - Содержание кремния

Наименование элемента

Содержание, %

при выплавке стали

при анализе образца

Кремний

0,12-0,30

0,15-0,35

5.3.2 Термообработка

Все цепи должны пройти закалку при температуре, превышающей точку АС3, с последующим отпуском, а затем должны быть подвергнуты испытанию на воздействие испытательного усилия. Температура отпуска должна быть не менее 475 °С; отпуск должен проводиться в течение 1 ч. При необходимости проверки образцы в течение 1 ч повторно нагревают до температуры 475 °С, затем охлаждают до комнатной температуры, после чего проверяют на соответствие требованиям 5.4.2 и 5.4.3.

5.4 Механические свойства

5.4.1 Испытательное усилие MPF

Образцы подвергают испытанию согласно таблице 5.

5.4.2 Разрывающее усилие BF и относительное удлинение при разрыве А

При статическом испытании на разрыв цепи должны выдерживать разрывающее усилие согласно таблице 5. После проведения статического испытания на разрыв относительное удлинение при разрыве должно быть не менее 20 %.

5.4.3 Прогиб

Образцы должны выдерживать испытание на изгиб согласно таблице 5, после которого на образцах не должно быть видимых дефектов.

Таблица 5 - Номинальная толщина звена, грузоподъемность и испытательные значения

Номинальная толщина звена dnom, мм

Грузоподъемность WLL, т

Испытательное усилие MPF, кН

Разрывающее усилие BF, кН, не менее

Прогиб f, мм, не менее

7

8

10

1,5

2,0

3,15

38,5

50,3

78,5

61,6

80,4

126,0

5,6

6,4

8,0

13

16

18

5,3

8,0

10,0

133,0

201,0

254,0

212,0

322,0

407,0

10,0

13,0

14,0

19

20

22

11,2

12,5

15,0

284,0

314,0

380,0

454,0

503,0

608,0

15,0

16,0

18,0

23

25

26

16,0

20,0

21,2

415,0

491,0

531,0

665,0

785,0

849,0

18,0

20,0

21,0

28

32

36

25,0

31,5

40,0

616,0

804,0

1020,0

985,0

1290,0

1630,0

22,0

26,0

29,0

40

45

50,0

63,0

1260,0

1590,0

2010,0

2540,0

32,0

36,0

6 Проверка требований безопасности

6.1 Отбор образцов

Объем партии, из которой отбирают образцы цепей, должен быть не менее 400 м. Отбор образцов проводят по ЕН 818-1

6.2 Испытательное усилие, разрывающее усилие и относительное удлинение при разрыве

6.2.1 Статическое испытание на разрыв

Оборудование и метод испытания должны соответствовать установленным в ЕН 818-1.

6.2.2 Испытательное усилие

Цепь должна выдерживать испытательное усилие по 5,4.1.

6.2.3 Разрывающее усилие и относительное удлинение

После статического испытания на разрыв цепь должна соответствовать требованиям 5.4.2.

6.3 Испытание на изгиб

6.3.1 Метод испытания на изгиб

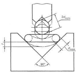
Оборудование и метод испытания должны соответствовать установленным в ЕН 818-1. Образец должен выдержать прогиб, указанный в таблице 5 и на рисунке 1.

После снятия нагрузки должна быть проведена проверка образца экспертом.

Примечание - После испытания на изгиб с поверхности образца при необходимости снимают покрытие для проведения экспертизы.

Рисунок 1 - Прогиб f

6.3.2 Результаты испытаний на изгиб

После испытаний образец должен соответствовать требованиям 5.4.3.

7 Маркировка

Маркировку проводят по ЕН 818-1.

8 Свидетельство об испытаниях

Свидетельство об испытаниях должно соответствовать требованиям ЕН 818-1.

9 Информация для потребителя

Информация для потребителя должна входить в комплект поставки цепи и соответствовать требованиям ЕН 818-6.

Приложение А
(справочное)
Расчет размеров, грузоподъемности и механических характеристик цепей

А.1 Размеры и предельные отклонения

А.1.1 Предельные отклонения номинальной толщины звена, приведенные в таблице 2, рассчитывают по следующим зависимостям:

а) ± 4 % при номинальной толщине звена < 18 мм;

d) ± 5 % при номинальной толщине звена ≥ 18 мм, округленной с точностью до 0,1 мм. А.1.2 Значения, указанные в таблице 2, рассчитывают по следующим формулам: максимальный диаметр участка сварки

ds max=1,1dnom;

номинальный шаг

pnom=3 dnom;

минимальный шаг

pmin=2,91dnom;

максимальный шаг

pmax=3,09 dnom;

минимальная внутренняя ширина напротив участка сварки

w1= 1,3 dnom;

максимальная внешняя ширина напротив участка сварки

w2 =3,7 dnom

А.2 Грузоподъемность и механические свойства

А.2.1 Общие положения

При вычислениях, проводимых по А.2.2-А.2.4, используют следующие значения:

напряжение при рабочей нагрузке - 200 Н/мм2;

напряжение при испытательном усилии - 500 Н/мм2;

напряжение при разрыве - 800 Н/мм2.

А.2.2 Вычисление грузоподъемности WLL

Грузоподъемность WLL, т, вычисляют по следующей формуле

,

где g - ускорение свободного падения, м/с2, равное 9,80665.

Значения грузоподъемности, приведенные в таблице 5, округлены до ближайшего меньшего значения, взятого из стандартного числового ряда R40.

А.2.3 Вычисление испытательного усилия

Испытательное усилие MPF, кН, вычисляют по следующей формуле

.

Округление значений MPF, приведенных в таблице 5: значения менее 100 кН округляют с точностью до 0,1 кН; менее 1000 кН - с точностью до 1 кН, а св. 1000 кН - с точностью до 10 кН.

А.2.4 Вычисление минимального разрывающего усилия

Минимальное разрывающее усилие BFmin, кН, вычисляют по следующей формуле

Округление значений MPF, приведенных в таблице 5: значения менее 100 кН округляют с точностью до 0,1 кН; менее 1000 кН - с точностью до 1 кН, а св. 1000 кН - с точностью до 10 кН.

А.2.5 Вычисление прогиба

Прогиб f мм, вычисляют по следующей формуле

Округление значений/приведенных в таблице 5: значения менее 10 мм округляют с точностью до 0,1 мм, значения более или равные 10 мм - с точностью до 1 мм.

Приложение В
(справочное)
Масса цепей

Значения массы, приведенные в таблице В=1, соответствуют плотности материала, цепи 7,85 г/см3.

Таблица В.1 - Масса цепей

Номинальная толщина звена, мм

Масса, кг/м

Номинальная
толщина звена, мм

Масса, кг/м

7

8

10

1,10

1,40

 2,20

23

25

26

12,00

14,10

15,20

13

16

18

3,80

5,70

7,30

28

32

36

17,60

23,00

29,00

19

20

22

8,10

9,00

10,90

40

45

36,00

45,50

Приложение С
(справочное)
Условное обозначение цепей

Пример условного обозначения цепи стальной нормальной точности для стропальных цепей класса 4 с номинальной толщиной звена 10 мм и шагом 30 мм:

Цепь ГОСТ Р ЕН 818-3-4-10×30

Приложение D
(справочное)
Сведения о соответствии национальных стандартов Российской Федерации ссылочным международным и региональным стандартам

Таблица D.1

Обозначение ссылочного международного (регионального) стандарта

Обозначение и наименование соответствующего национального стандарта

ЕН 292-1: 1991

*

ЕН 292-2: 1991

*

ЕН 292-2: 1991/А1 :1995

*

ЕН 818-1: 1996

ГОСТ Р ЕН 818-1-2005 Цепи стальные из круглых коротких звеньев для подъема грузов. Безопасность. Часть 1 . Общие требования к приемке

ЕН 818-6:2000

*

ЕН 1050:1997

*

ЕН 10025: 1990/А1: 1993

*

ИСО 643

*

* Соответствующий национальный стандарт отсутствует. До его утверждения рекомендуется применять перевод на русский язык данного международного (регионального) стандарта. Перевод данного международного или регионального стандарта находится в Федеральном информационном фонде технических регламентов и стандартов.

Ключевые слова: стальные цепи из круглых коротких звеньев для подъема грузов, безопасность, стропальные цепи класса 4

 




ГОСТЫ, СТРОИТЕЛЬНЫЕ и ТЕХНИЧЕСКИЕ НОРМАТИВЫ.
Некоммерческая онлайн система, содержащая все Российские Госты, национальные Стандарты и нормативы.
В Системе содержится более 150000 файлов нормативно-технической документации, действующей на территории РФ.
Система предназначена для широкого круга инженерно-технических специалистов.

Рейтинг@Mail.ru Яндекс цитирования

Copyright © www.gostrf.com, 2008 - 2026