|
|
|
ОАО «ИНЖЕНЕРНЫЙ ЦЕНТР ЕЭС» ИНСТРУКЦИЯ СО 34.35.302-2006
Москва 2006 ОАО «ИНЖЕНЕРНЫЙ ЦЕНТР ЕЭС» ИНСТРУКЦИЯ СО 34.35.302 2006 Москва Центр
производственно-технической информации 2006 Разработано Филиалом ОАО "Инженерный центр ЕЭС" - "Фирма ОРГРЭС" Исполнители А.П. УДРИС, В.А. БОРУХМАН Утверждено ОАО "Инженерный центр ЕЭС" 28.03.2006 г. Член Правления С.В. ЛЫСЦЕВ Срок первой проверки настоящего СО - 2010 г., периодичность проверки - один раз в 5 лет Ключевые слова: устройства релейной защиты и электроавтоматики, организационные мероприятия, техническое обслуживание Содержание
ИНСТРУКЦИЯ ПО ОРГАНИЗАЦИИ И ПРОИЗВОДСТВУ РАБОТ
|
||||||||||||||||||||||||||||||||||||||||||||||||||||||||||||||||||||||||||||||||||||||||||||||||||||||||||||||||||||||||||||||||||||||||||||||||||||||||||||||||||||||||||||||||||||||||||||||||||||||||||||||||||||||||||||||||||||||||||||||||||||||||||||||||||||||||||||||||||||||||||||||||||||||||||||||||||||||||||||||||||||||||||||||||||||||||||||||||||||||||||||||||||||||||||||||||||||||||||||||||||||||||||||||||||||||||||||||||||||||||||||||||||||||||||||||||||||||||||||||||||||||||||||||||||||||||||||||||||||||||||||||||||||||||||||||||||||||||||||||||||||||||||||||||||||||||||||||||||||||||||||||||||||||||||||||||||||||||||||||||||||||||||||||||||||||||||||||||||||||||||||||||||||||||||||||||||||||||||||||||||||||||||||||||||||||||||||||||||||||||||||||||||||||||||||||||||||||||||||||||||||||||||||||||||||||||||||||||||||||||||||||||||||||||||||||||||||||||||||||||||||||||||||||||||
|
Номера зажимов панели |
Марка жилы кабеля |
Номера зажимов панели |
|
|
|
|
б) отключить заземляющие проводники, имеющиеся в схемах;
в) отсоединить провода от схемы с обеих сторон путем разъединения мостиков измерительных зажимов, снятием крышек испытательных блоков, приведением в разомкнутое состояние контактов реле, отсоединением проводов на рядах зажимов и на выводах аппаратуры;
г) по одной из схем, приведенных на рис. 2, проверить правильность монтажа, при этом желательно отмечать цветным карандашом проверенный провод в месте его маркировки, в кабельном журнале и в развернутой принципиально-монтажной схеме;
д) после "прозвонки" очередной жилы целесообразно сразу подсоединить ее на место с обеих сторон.
3.4.7. При "прозвонке" следует обратить особое внимание на проверку соответствия проекту положения контактов реле и кнопок, а также диаграмме переключателей, согласование полярностей обмоток реле и измерительных трансформаторов, а также на согласование подключения реле с несколькими обмотками и контактов с магнитами гашения дуги к схеме оперативного тока. Кроме того, следует контролировать место подключения перемычек на ряде зажимов (со стороны подключения кабелей или со стороны подключения внутренней коммутации панели). Это обстоятельство необходимо учитывать при сборке токовых цепей и при сборке схем, в которых различные режимы устанавливаются снятием или установкой контактных мостиков на испытательных выводах.
3.4.8. При "прозвонке" схемы проверяется правильность маркировки проводов, кабелей, надписей под аппаратурой и соответствия этих надписей диспетчерским наименованиям первичного оборудования.
3.5.1. Проверка изоляции включает в себя измерение сопротивления изоляции и испытание электрической прочности.
3.5.2. Проверку изоляции при новом включении следует производить в два этапа:
I этап - предварительное измерение сопротивления изоляции отдельных узлов устройств РЗА (трансформаторы тока и напряжения, приводы коммутационных аппаратов, панелей, шкафов, пультов РЗА, контрольных кабелей и т.д.);
II этап - измерение и испытание электрической прочности изоляции устройств в полностью собранной схеме.
При техобслуживании действующих устройств РЗА первый этап может не выполняться, если результаты измерений в полной схеме удовлетворяют нормам. Второй этап целесообразно выполнять после предварительной проверки временных характеристик (п. 3.6.1).
Измерение сопротивления изоляции следует производить:
а) относительно земли (корпуса);
б) между отдельными электрически не связанными между собой группами цепей, в частности, между группами цепей тока, цепей напряжения, оперативных цепей, цепей сигнализации и др.;
в) между жилами контрольных кабелей тех цепей, где имеется повышенная вероятность замыкания между жилами с серьезными последствиями; к таким цепям относятся: токовые цепи отдельных фаз, где имеется реле или устройства с двумя и более первичными обмотками (реле КРС, КРБ, РТФ и др.), токовые цепи трансформаторов тока с номинальным значением тока 1А, цепи газовой защиты, цепи конденсаторов, используемых как источник оперативного напряжения и т.п.;
г) между верхними и нижними выводами испытательных блоков при снятых крышках и отсоединенной на панели земле в этих цепях в тех случаях, когда внутри блоков устанавливаются закорачивающие перемычки.
3.5.3. Для проверки изоляции нужно провести следующие подготовительные работы.
а) Проверить, что проверяемые цепи полностью отсоединены от действующих цепей. Для этого необходимо отключить автоматические выключатели или предохранители в цепях оперативного напряжения, сигнализации, вторичных обмоток трансформатора напряжения (во избежание обратной трансформации напряжений на высокую сторону). Цепи, не имеющие автоматических выключателей или предохранителей, необходимо отсоединить от общих шинок.
б) Тщательно очистить всю проверяемую аппаратуру, кабельные разделки, ряды зажимов от пыли, грязи, ржавчины, влаги и т.п.
в) Отключить от схемы все заземляющие проводники.
г) Исключить из проверяемой схемы все аппараты, изоляция которых проверяется более низкими уровнями напряжений. Для этого надо снять с панелей магнитоэлектрические, поляризованные реле, платы полупроводниковых нуль-индикаторов, закоротить выводы конденсаторов, диодов, стабилитронов, неоновых и электронных ламп, цепей выходных напряжений блоков питания полупроводниковых устройств РЗА, входных выводов промежуточных реле РП18, если они не закорачиваются обмотками других реле, резисторами или перемычками, установленными на выводах для проверки изоляции. От испытуемой схемы отсоединяются также терминалы микропроцессорных защит.
д) В пределах испытуемой схемы установить в рабочее положение переключатели, накладки, рабочие крышки испытательных блоков, кожухи аппаратуры.
е) Для панелей, выполненных на полупроводниковой элементной базе, установить в рабочее положение задние крышки кассет, переключатели защит и автоматические выключатели блоков питания, отсоединить от корпуса панели шинки питания, переключатели контроля изоляции блоков питания установить в отключенное положение (для устройств с блоками питания БП-180).
ж) Цепи, входящие в состав проверяемой схемы и отделенные от нее контактами реле или другой коммутационной аппаратурой, соединить с ней установкой в соответствующее положение ключей, накладок, контактов реле и т.п. или присоединить их к проверяемой схеме временными перемычками.
з) На рядах зажимов устройства РЗА целесообразно собрать все цепи, электрически связанные между собой в отдельные группы, объединив выводы с помощью гибкого неизолированного провода или иным способом, например, специально изготовленными перемычками с учетом конструктивных особенностей зажимов. Такими группами являются, например, токовые цепи проверяемой защиты, цепи напряжения, оперативные цепи и т.д. Оперативные цепи и цепи сигнализации, подключаемые к разным автоматическим выключателям или предохранителям, относят к разным группам.
При наличии на устройстве цепей, питающихся от двух аккумуляторных батарей, эти цепи должны быть объединены в разные группы. В случаях, когда в схемах имеются реле или измерительные приборы с обмотками, расположенными на общем каркасе (ваттметры, счетчики и т.п.), следует эти обмотки выделить из схемы, соединить одну с другой и подключить к одной из испытуемых групп цепей.
3.5.4. Процесс измерения сопротивления изоляции регламентируется нормативными документами [3, 4, 7, 8, 14] и настоящей Инструкцией в соответствии с п. 1.14 [14]. В случае расхождений между этими документами следует пользоваться документом с более поздней датой выпуска. При этом нормируются напряжения, используемые для измерения сопротивления изоляции, и минимально допустимые значения сопротивления изоляции. Методика измерения и выявления мест с ослабленной изоляцией рассматривается в настоящем пункте.
3.5.4.1. Напряжение, используемое для измерения сопротивления изоляции, зависит от рабочего напряжения испытуемых цепей. Измерение сопротивления изоляции цепей с рабочим напряжением выше 60 В следует производить мегаомметром с номинальным напряжением, указанным в табл. 1.
При проверке изоляции между фазами в токовых цепях, где имеются двухобмоточные реле с обмотками, включенными в разные фазы, необходимо учитывать, что они имеют пониженную электрическую прочность изоляции между обмотками (особенно, если они выполнены одновременной намоткой на общий каркас, и, следовательно, их провода касаются один другого). Эту проверку следует производить с помощью мегаомметра с номинальным напряжением 500 В.
Измерение сопротивления изоляции цепей с рабочим напряжением 60 В и ниже следует производить мегаомметром с номинальным напряжением 500 В.
Измерение сопротивления изоляции цепей устройств РЗА на микроэлектронной и микропроцессорной базе с рабочим напряжением 24 В и ниже следует производить в соответствии с указаниями завода-изготовителя.
3.5.4.2. Значение сопротивления изоляции относительно земли и между электрически не связанными цепями должно быть не менее значений, приведенных в табл. 1.
Таблица 1
|
Испытуемый элемент |
Напряжение мегаомметра, В |
Наименьшее допустимое значение сопротивления изоляции, МОм |
|
1. Шины постоянного тока на щитах управления и в распределительных устройствах (при отсоединенных цепях) |
1000-2500 |
10 |
|
2. Вторичные цепи каждого присоединения и цепи питания приводов выключателей и разъединителей1 |
1000 |
1 |
|
3. Цепи управления, защиты, автоматики и измерений, а также цепи возбуждения машин постоянного тока, присоединенные к силовым цепям |
1000 |
1 |
|
4. Токовые цепи с многообмоточными реле, включенными в разные фазы токовых цепей |
500 |
1 |
|
5. Вторичные цепи и элементы при питании от отдельного источника или через разделительный трансформатор, рассчитанные на рабочее напряжение 60 В и ниже2 |
500 |
0,5 |
|
6. Вторичные цепи микропроцессорных и микроэлектронных устройств на рабочее напряжение 24 В и ниже |
По рекомендациям завода-изготовителя |
|
|
1Измерение производится со всеми присоединенными аппаратами (катушки приводов, контакторы, пускатели, автоматические выключатели, реле, приборы, вторичные обмотки трансформаторов тока и напряжения и т.п.). 2Должны быть приняты меры для предотвращения повреждения устройств, в особенности, микроэлектронных и полупроводниковых элементов |
||
3.5.4.3. Для оценки состояния изоляции отдельных элементов схемы можно ориентироваться на средние опытные значения сопротивления изоляции, приведенные в табл. 2.
Таблица 2
|
Наименование |
Ориентировочное значение сопротивления исправной изоляции относительно «земли», МОм |
|
1. Отдельные панели устройства РЗА с отключенными контрольными кабелями |
50-100 |
|
2. Вторичные обмотки встроенных трансформаторов тока |
10-20 |
|
3. Вторичные обмотки трансформаторов напряжения и выносных трансформаторов тока |
50-100 |
|
4. Обмотки электромагнитов управления |
15-25 |
|
5. Контрольный кабель длиной до 300 м |
20-25 |
3.5.4.4. Измерение сопротивления изоляции следует производить в следующем порядке:
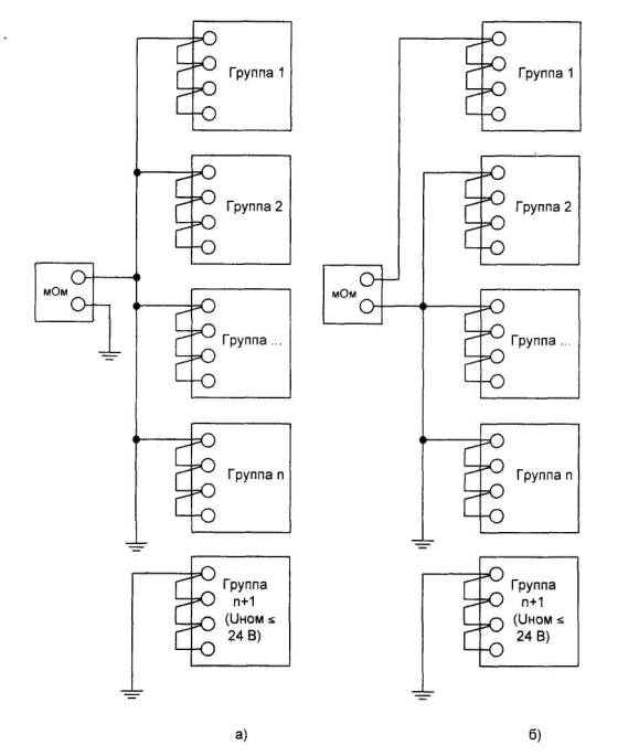
а) соединить все группы цепей, проверяемые мегаомметрами с одним и тем же номинальным напряжением, между собой с помощью вспомогательной шинки (удобно выполнить из гибкого оголенного проводника), измерить сопротивление изоляции относительно земли (рис. 3, а);
б) заземлить вспомогательную шинку и, поочередно отключая от нее каждую группу, измерить сопротивление изоляции этой группы относительно всех остальных групп, объединенных между собой и заземленных (рис. 3, б). При этом группа (группы) цепей, для которой предусмотрена проверка мегаомметром с меньшим номинальным напряжением (группа n + 1 на рис. 3, б), должна быть заземлена и отключена от вспомогательной шинки.

Рис. 3. Схема измерения сопротивления изоляции:
а - всех групп относительно земли (корпуса); б - выделенной группы относительно других групп и земли
3.5.4.5. Для панелей, выполненных на базе полупроводниковых элементов и ИМС, измерение сопротивления изоляции следует производить сначала при вынутых из кассет модулях или блоках, а затем при вставленных. Вращение ручки мегаомметра с ручным приводом следует начинать медленно, постепенно доводя до номинальных оборотов. При бросках стрелки мегаомметра в направлении нулевого значения шкалы вращение ручки мегаомметра прекратить во избежание повреждения полупроводниковых элементов. При использовании электронного мегаомметра измерение сопротивления изоляции необходимо производить, переходя с помощью переключателя выходных напряжений мегаомметра от меньших значений испытательного напряжения к большим.
3.5.4.6. В случае пониженного значения сопротивления изоляции необходимо:
а) выяснить место и причину ухудшения изоляции (дефекты конструкции, неправильный монтаж или случайные местные дефекты, грязь, сырость, порча изоляции и пр.). Для этого следует разделить схему на участки и выделить те из них, которые имеют пониженное значение сопротивления изоляции. Затем, разделяя эти участки на более мелкие: отдельные обмотки, провода и детали и, проверяя сопротивление изоляции каждого из них, определить дефектный элемент;
б) устранить причины, вызвавшие ухудшение изоляции, затем повторить измерение.
3.5.5. Следует произвести испытание электрической прочности изоляции всех объединенных в группы цепей (п. 3.5.4.4, за исключением цепей с номинальным напряжением до 60 В) устройств РЗА подвергшихся реконструкции, ремонту или вновь смонтированных, напряжением 1000 В синусоидального переменного тока частоты 50 Гц в течение 1 мин относительно земли. Такое же испытание следует произвести при первом профилактическом контроле.
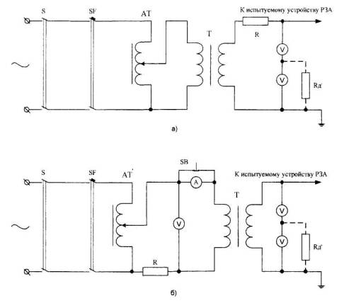
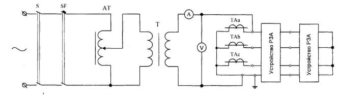
3.5.5.1. Испытание электрической прочности изоляции производят с помощью специальных испытательных установок, изготавливаемых различными фирмами. При отсутствии испытательных установок испытания могут проводиться по схеме, приведенной на рис. 4.

Рис. 4. Схема испытания электрической прочности изоляции:
а - при измерении испытательного напряжения с высокой стороны повышающего трансформатора; б - то же с низкой стороны повышающего трансформатора
В схеме в качестве повышающего трансформатора Т может быть использован трансформатор НОМ-3, НОМ-6 или любой другой трансформатор мощностью 200-300 В А с коэффициентом трансформации 100-200/1000-6000 В. Для плавного регулирования напряжения используется автотрансформатор AT типа ЛАТР или комплектное устройство достаточной мощности.
Резистор R служит для ограничения тока при пробое изоляции. В схеме на рис. 4, а устанавливается резистор сопротивлением 1000 Ом, а в схеме на рис. 4, б сопротивление резистора R (Ом) подсчитывается по формуле:
(1)
где nТН - коэффициент трансформации повышающего трансформатора Т.
Измерение напряжения следует производить на стороне высшего напряжения повышающего трансформатора Т с помощью киловольтметра, двух одинаковых последовательно включенных вольтметров V или вольтметра с добавочным сопротивлением Rд. Допускается производить измерение на стороне низкого напряжения повышающего трансформатора при условии, что при испытании ток в обмотке низкого напряжения, измеряемый амперметром А, не превышает тока холостого хода повышающего трансформатора.
3.5.5.2. Перед производством испытаний следует:
а) выполнить все мероприятия, предусмотренные "Правилами" [6] при производстве высоковольтных испытаний (п. 5.1), в том числе убедиться в отсутствии напряжения в испытуемой схеме, оградить схему от возможного прикосновения, вывесить необходимые плакаты, удалить людей из зоны проведения испытаний, тщательно проверить схему для исключения попадания испытательного напряжения в другие схемы и т.д.;
б) соединить группы цепей для испытаний. Разветвленные цепи допускается испытывать по отдельным участкам для исключения перегрузок испытательной установки. Например, сложные цепи, связывающие несколько присоединений - схемы дифференциальной защиты шин, синхронизации, АВР, цепи напряжения и сложных блокировок, - испытывать отдельными участками для каждого присоединения;
в) произвести непосредственно перед испытаниями измерение сопротивления изоляции относительно земли мегаомметром.
3.5.5.3. После присоединения к испытуемым цепям испытательной установки подать напряжение питания и произвести плавный подъем напряжения до 500 В.
Осмотреть с соблюдением правил техники безопасности всю испытываемую схему. В случае, если не замечено искрения или пробоя, и испытательное напряжение не изменяется, увеличить напряжение до 1000 В, которое подавать в течение 1 мин, после чего напряжение плавно снизить до нуля и отключить питание от испытательной установки.
Испытательную схему замкнуть на землю для снятия остаточного заряда.
3.5.5.4. После окончания испытаний повторно измерить сопротивление изоляции мегаомметром.
3.5.5.5. Изоляция устройства РЗА считается выдержавшей испытание на электрическую прочность, если во время испытания не произошло пробоя изоляции, перекрытия поверхности изоляции или резкого снижения показаний вольтметра испытательной установки, и значение сопротивления изоляции, измеренное до и после испытаний, существенно не изменилось.
3.5.5.6. Если устройства РЗА и вспомогательные цепи не выдержали испытания напряжением 1000 В, то после обнаружения места повреждения и устранения неисправности испытание следует повторить.
3.5.5.7. При профилактическом восстановлении допускается проводить испытание электрической прочности изоляции относительно земли мегаомметром с номинальным напряжением 2500 В вместо испытания напряжением 1000 В переменного тока. Такая замена недопустима для устройств РЗА, содержащих полупроводниковые элементы и ИМС. Испытание мегаомметром проводится при тех же условиях, что и испытание напряжением 1000 В переменного тока.
3.5.5.8. После проведения испытания изоляции необходимо восстановить схему электрических соединений устройств РЗА и вспомогательных цепей.
3.6.1. Проверка электрических и временных характеристик устройств РЗА производится при техническом обслуживании (ТО) в объемах, определенных [3, 4]. При плановом ТО действующего устройства РЗА до выполнения внутреннего осмотра, механической ревизии и проверки изоляции следует выполнить предварительную проверку временных характеристик устройства в полной схеме (п. 3.9). Этим проверяется работоспособность устройства, выявляются дефекты, возникшие за время, прошедшее с момента предшествовавшего ТО, и элементы устройства, на которые проверяющему персоналу следует обратить первоочередное внимание. В противном случае, обнаружение дефектов при проверке временных характеристик только в конце ТО не дает ответа на вопрос, возникли ли эти дефекты ранее, или они внесены при данном ТО. Удобнее всего выполнять такую предварительную проверку с помощью испытательных устройств, обеспечивающих автоматическую проверку устройств РЗА по специальным программам, например, типа PETOМ-51 (приложения 3, 4).
Конкретные перечни параметров и характеристик отдельных типов реле и устройств РЗА, а также условия их проверки определены инструкциями и методическими указаниями по техническому обслуживанию, разработанными для соответствующих типов реле и устройств РЗА. Перечень этих материалов также изложен в [3, 4]. Устройства РЗА, в частности, микропроцессорные, для которых отсутствуют соответствующие методические материалы, проверяются в соответствии с указаниями фирм-изготовителей.
Программы, инструкции и методические указания по техническому обслуживанию должны в установленном порядке периодически пересматриваться с учетом опыта эксплуатации в целях повышения эффективности проверок устройств РЗА с одной стороны, и облегчения труда обслуживающего персонала, сокращения времени на обслуживание и снижения вероятного количества ошибок, с другой стороны.
Методические указания по проверке сложных устройств РЗА должны допускать возможность автоматической проверки соответствия параметров устройства заданным уставкам в пределах заданных допустимых отклонений. При этом оценка точности должна производиться автоматически по факту фиксации попадания контролируемого параметра (уставки) в заданную область допустимого отклонения (погрешности).
Приведенные ниже общие указания по проверке электрических и временных характеристик реле и устройств РЗА являются основой, определяющей подход к этим проверкам, и предназначены для руководства при составлении или пересмотре методических указаний и инструкций на отдельные виды и типы реле и устройств РЗА.
Указания по проверке электрических и временных характеристик элементов приводов коммутационных аппаратов приведены в п. 3.7.
3.6.2. Проверку устройства РЗА или отдельных элементов можно производить на месте установки или в другом приспособленном для этой цели помещении. При проверке и настройке в другом помещении после возвращения устройства РЗА или отдельных элементов на место установки необходимо проверить контрольные точки их характеристик и работу этих устройств РЗА в полной схеме.
3.6.3. При проверках устройств РЗА питание испытательных устройств должно производиться, как правило, не от рабочих, а от посторонних источников постоянного и переменного напряжения через специальные щитки, обеспеченные защитой, чувствительной к коротким замыканиям в схеме испытаний, кроме проверок по п. 3.12.
3.6.4. Для экономии времени и сокращения возможных ошибок проверку устройств РЗА следует производить с помощью комплектных испытательных устройств (переносных, передвижных или стационарных, а также встроенных в устройства РЗА).
Испытательные устройства должны обеспечивать возможность регулирования и измерения тока, напряжения и угла сдвига между ними в нужных пределах и быстрый переход (с помощью специальных переключателей) от одних испытательных схем к другим и от проверки реле на одних фазах к проверке их на других, а также измерение временных характеристик устройств РЗА
В качестве испытательных устройств целесообразно применять ранее выпускавшиеся устройства У5053, ЭУ 5001, или другие устройства, удовлетворяющие вышеуказанным требованиям, например, РЕТОМ-51, РЕТОМ-11 НПП "Динамика", Уран 1, 2 НПФ "Радиус". Рекомендации по выбору измерительных приборов для проверки устройств РЗА приведены в приложении 2.
Методические указания по автоматической проверке сложных устройств РЗА с помощью устройств типа РЕТОМ-51 и аналогичных ему должны допускать возможность проверки измерительных органов и логической схемы (алгоритма) устройства со стороны входных зажимов во всех, предусмотренных схемой, режимах его функционирования. Проверка должна производится путем подачи/снятия определенных последовательностей сигналов переменного тока и напряжения, а также внешних логических сигналов, на ряды зажимов устройства при значениях оперативного напряжения, равных номинальному и 0,8 и 1,1 номинального.
При проверке устройств РЗА с большим входным сопротивлением токовых цепей (например, электромеханических устройств) и недостаточным значением выходного напряжения в канале тока испытательного устройства допускается подключение канала тока этого устройства непосредственно к проверяемому аппарату.
Для быстрой и качественной регулировки отдельных электромеханических реле и всего устройства РЗА в целом рекомендуется применять специальные наборы инструментов. Аналогично, для быстрого и качественного задания функций микропроцессорных устройств РЗА рекомендуется применять переносные компьютеры и программы задания уставок, поставляемые фирмами комплектно с устройствами РЗА.
Все испытательные устройства должны быть укомплектованы набором соединительных проводов для их подключения к источнику питания, проверяемому устройству РЗА и измерительным приборам. Все провода должны иметь маркировку с обоих концов и подобранные по размерам и форме наконечники к выходным зажимам испытательного и проверяемого устройства. Провода должны иметь хорошую изоляцию и защиту от механических повреждений. Для уменьшения влияния магнитных полей, создаваемых током соединительных проводов, облегчения сборки схемы и уменьшения загроможденности рабочего места рекомендуется свивать соединительные провода в шнуры. В частности, для питания цепей тока и напряжения проверяемого устройства рекомендуются четырехжильные шнуры, для включения секундомера - двух- и трехжильные и т.д. Для питания цепей переменного и постоянного напряжения достаточно применять сечения проводов 1-1,5 мм2 в основном по условиям механической прочности. По условиям нагрева для токовых цепей рекомендуется применять провода сечением не менее 2,5-4 мм2, а для соединения устройства с источником питания - 4-6 мм2. Для всех соединительных проводов рекомендуются гибкие многожильные провода с резиновой или хлорвиниловой изоляцией, а для цепей питания - шланговые провода с резиновой изоляцией. Должна иметься возможность подключения соединительных проводов к устройству РЗА под винт, чтобы избегать соскакивания проводов в процессе испытаний с возможностью повреждения аппаратуры, неправильных действий РЗА и т.п.
3.6.5. При проверке и настройке электрических характеристик аппаратуры в схеме устройства РЗА ток и напряжение от испытательных устройств должны, как правило, подводиться к входным зажимам панели, по крайней мере, при новом включении. В этом случае учитывается наличие в цепях устройства различных вспомогательных аппаратов, влияющих на его характеристики, и обеспечивается одновременно проверка правильности монтажа устройства РЗА и взаимодействие реле в схеме.
Поскольку при плановом ТО возможна подача тока и напряжения от испытательных устройств через контрольные штекеры испытательных блоков, при новом включении должна быть проверена правильность монтажа цепей от ряда зажимов панели до испытательных блоков.
После присоединения устройства РЗА к действующим цепям подключение проверочной аппаратуры при проведении планового ТО может осуществляться с помощью контрольных штекеров испытательных блоков. Это целесообразно во избежание случайного попадания напряжения от проверочной аппаратуры в цепи трансформаторов тока, напряжения, оперативного напряжения и т.п. При этом все контактные шпильки контрольных штекеров, находящихся под рабочим напряжением, должны быть изолированы, а необходимые перемычки на штекерах выполняться изолированным проводом.
3.6.6. Проверку электрических характеристик аппаратов, параметры которых зависят от формы кривой тока, например, некоторых индукционных реле с зависимой характеристикой, реле с насыщающимися трансформаторами, быстродействующих полупроводниковых реле и др., следует производить по схемам, обеспечивающим синусоидальность тока, подаваемого на реле защиты. Синусоидальность тока может быть обеспечена, например, питанием проверочных устройств от линейных напряжений, от понижающих трансформаторов достаточной мощности, включением активных сопротивлений в цепь регулируемого тока и т.п.
При настройке или проверке электрических характеристик аппаратов, реагирующих на угол между векторами напряжения и тока или между векторами двух токов (напряжений), необходимо учитывать возможность появления вносимых испытательными установками дополнительных углов сдвига между измеряемыми и подаваемыми в проверяемый аппарат величинами. Следует, по возможности, исключить эти углы сдвига или учесть их при проверке.
3.6.7. Параметры срабатывания реле или измерительного органа зависят от способа подачи сигнала на его вход: плавно или толчком, так как в состав реле и датчиков сигнала входят реактивные элементы. При коротких замыканиях в энергосистеме все электрические величины на входе защиты меняются именно толчком, в отличие от режима перегрузки, где они изменяются плавно. При разработке устройств РЗА обычно в числе технических требований указывается допустимая динамическая погрешность уставки реле, то есть допустимый процент отклонения уставки, измеренной при плавном изменении входной величины и при ступенчатом изменении (подаче ее толчком). В определенных случаях для быстродействующих реле эта погрешность должна учитываться при расчете уставок защит, если уставка при проверке определялась плавным изменением входной величины.
При плавном нарастании тока или напряжения легче обнаружить различные неисправности деталей электромеханических реле и ошибки в регулировке. Поэтому определение электрических параметров срабатывания и возврата всех реле следует производить, как правило, при плавном изменении электрических величин, на которые реагируют реле, если в инструкции или в указаниях завода-изготовителя по проверке данного реле нет других указаний. Испытательные устройства, обеспечивающие автоматическую проверку характеристик устройств РЗА, должны использовать в основном физически правильный динамический метод проверки уставок реле - при подаче входного воздействия толчком. Однако испытательные устройства автоматической проверки должны позволять также в необходимых случаях определять электрические параметры срабатывания и возврата реле при плавном изменении входной электрической величины или при ступенчатом изменении с достаточной степенью дискретности.
3.6.8. При проверке необходимо учитывать термическую стойкость устройств РЗА, проявляя особую осторожность при подведении к проверяемому устройству токов или напряжений, превышающих длительно допустимые значения. В этом случае необходимо подавать ток (напряжение) кратковременно или исключать из схемы термически неустойчивые элементы.
3.6.9. Времена срабатывания и возврата устройств РЗА, в том числе, промежуточных реле и реле времени в электромеханических устройствах определяются при номинальном значении оперативного напряжения на выводах панели. Если временные параметры промежуточных реле определяют селективность работы устройств РЗА, то они должны также проверяться и при изменении оперативного напряжения в диапазоне от 80 до 110% номинального значения.
Временные параметры аппаратов, используемых в измерительных органах устройств РЗА, определяются при определенных кратностях по отношению к параметру срабатывания (возврата), указанных в технических данных на это устройство.
3.6.10. На устройствах РЗА должны быть выставлены уставки, заданные соответствующей службой РЗА в письменном виде. Уставки, если специально не оговорено, задаются в первичных величинах. Эти уставки должны быть пересчитаны во вторичные величины с учетом коэффициентов трансформации трансформаторов тока, напряжения и схемы включения реле по следующим формулам:
(2)
(3)
где I1; U1, Z1, S1 - первичные значения тока (А), напряжения (В), сопротивления (Ом) и мощности (В·А);
I2, U2, Z2, S2 - вторичные значения тока (А), напряжения (В), сопротивления (Ом) и мощности (В·А);
Кcх1 - коэффициент схемы, учитывающий схему соединений вторичных обмоток трансформаторов тока, равный отношению значения тока, протекающего в устройстве РЗА в симметричном режиме, к значению тока во вторичной обмотке трансформатора тока;
КcxU - коэффициент схемы, учитывающий соответствие между фазными и линейными значениями напряжения, задаваемыми в уставках, и схемой включения реле во вторичных цепях;
KcxS - коэффициент схемы, учитывающий соответствие между мощностью (однофазной и трехфазной), заданной в уставках и схемой подключения устройства ко вторичным цепям;
Ктт, Ктн - коэффициенты трансформации трансформатора тока и трансформатора напряжения.
Желательно в целях уменьшения вероятности ошибок при настройке устройства указывать в уставках, задаваемых службой РЗА, также их вторичные (пересчитанные) значения. Это особенно важно, например, в случаях, когда коэффициенты схемы не равны единице, или когда дистанционная защита трансформатора подключена к трансформаторам тока со стороны обмотки высокого напряжения, а трансформаторы напряжения, питающие дистанционную защиту, подключаются к обмотке низкого напряжения силового трансформатора.
3.6.11. Промежуточные реле и реле времени электромеханических устройств РЗА допускается проверять отдельно от общей схемы, отключая от нее обмотки реле или снимая сами реле с панели, если в схеме не предусмотрены токоограничивающие резисторы, конденсаторы, диоды, резисторы, шунтирующие обмотки реле и другие элементы, влияющие на работу реле. При наличии таких элементов необходимо реле проверять в полной схеме. При этом следует учитывать такие факторы, как длительность подачи напряжения в схему до начала измерения (для того, чтобы успели полностью зарядиться конденсаторы, участвующие в работе схемы), так и возможные изменения в цепях, шунтирующих обмотку испытуемого реле в процессе измерения, например, возможные колебания оперативного напряжения от испытательных устройств.
В случае если проверка аппаратуры производилась со снятием с панели (шкафа, ящика, пульта и т.п.) и отключением проводов внешней коммутации, после окончания проверки и подсоединения аппарата должна быть проверена его схема соединений одним из способов, указанных в п. 3.4.
3.6.12. Регулировку и настройку уставок аппаратуры необходимо выполнять с учетом следующих условий:
а) Для выходных быстродействующих реле постоянного тока (или реле воздействующих на выходные), ложное срабатывание которых может привести к действию коммутационных аппаратов или устройств противоаварийной автоматики, необходимо устанавливать напряжение срабатывания реле равным 60-65% номинального значения оперативного напряжения.
б) Проверка шкалы уставок электромеханических реле должна производиться с учетом имеющихся разбросов параметров реле в связи с зависимостью времени срабатывания от фазы включения тока или напряжения. Поэтому уставка должна определяться как среднее арифметическое значение из трех измерений на одной точке шкалы для электромеханических реле и среднего из десяти измерений для быстродействующих полупроводниковых реле. В последнем случае может быть использовано устройство включения в заданную фазу. При этом можно также ограничиться тремя измерениями.
в) Электромеханические токовые реле, реле напряжения, времени, сопротивления, мощности, а также пусковые и блокирующие устройства следует проверять только на рабочей уставке, а также на тех делениях шкалы, где уставки изменяются оперативным персоналом.
г) Электромеханические промежуточные реле, реле тока и напряжения, имеющие несколько обмоток, включенных в разные цепи, должны проверяться при подаче тока или напряжения поочередно в каждую из обмоток. Кроме того, должна быть проверена полярность включения обмоток.
д) Настройка уставки реле сопротивления должна производиться при заданных углах и токах настройки в соответствии с методическими указаниями по техобслуживанию дистанционных защит.
е) Настройка уставок микропроцессорных защит выполняется путем задания их через дисплей устройства или по специальной программе задания уставок через подключенный компьютер. После ввода требуемых значений производится их проверка подачей соответствующих величин от испытательного устройства. При отсутствии промежуточных контрольных точек и наличии только выходных и сигнальных реле следует использовать выделение одного из этих реле (которое можно перепрограммировать) для проверки различных внутренних функций устройств.
3.6.13. При выполнении работ в устройствах с микроэлектронной элементной базой модульной или блочной конструкции следует дополнительно соблюдать следующие меры предосторожности:
а) при необходимости работы с модулем вне панели заземлить шасси модуля;
б) запрещается при протекании через устройство РЗА рабочего тока вынимать модули, содержащие токовые элементы и цепи, при вставленных рабочих крышках испытательных блоков в токовых цепях, поскольку самозакорачивающиеся токовые штекерные разъемы не всегда обеспечивают надежное закорачивание цепей при вынутом модуле (блоке);
в) во избежание повреждений микросхем модули и блоки вынимать из кассет и вставлять их в кассеты следует только при отключенном блоке питания.
3.6.14. В уставках на устройства РЗА следует, как правило, указывать полное время работы устройства РЗА или его отдельных ступеней. В случае, когда указанное в уставках время действия ступени или устройства РЗА должно быть выставлено непосредственно на элементе задержки, это должно быть специально оговорено. В полное время работы устройства РЗА входит время от момента приложения воздействующей величины на вход устройства РЗА до момента замыкания контактов выходных реле, воздействующих на отключение (включение) коммутационных аппаратов или на другие устройства РЗА.
Поэтому запускать секундомер следует одновременно с подачей аварийных параметров тока, напряжения или дискретного сигнала на вход устройства РЗА, а останавливать от контакта выходного реле схемы. Регулируя при этом время действия элементов задержки, реле времени или промежуточных реле (имеющих такую регулировку), добиваются, чтобы полное время работы устройства РЗА было равно заданному.
Учитывая вышеизложенное, целесообразно проверку времени действия устройств РЗА совмещать с проверкой временных характеристик устройств РЗА (п. 3.9).
Время срабатывания или возврата отдельных элементов в сложных защитах, в том числе на ИМС, измеряется с помощью выносных или встроенных приспособлений и выносного или встроенного в испытательное устройство секундомера.
Для таких схем измерение времени действия отдельных элементов устройств РЗА можно производить с помощью дополнительного быстродействующего (герконового) реле, включаемого на выход схемы. При этом следует проверять допустимость дополнительной нагрузки на бесконтактном выходе схемы и при недопустимости этой нагрузки включать герконовые реле через полупроводниковый повторитель.
Время срабатывания этого реле при измерении небольших выдержек времени следует вычитать из измеренного времени.
3.6.15. Уставки устройств РЗА следует настраивать при текущем техническом обслуживании в случаях, если отклонения уставок устройств РЗА отличаются от ранее выставленных на значения более, чем указанные в табл. 3. Допустимое отклонение выражено в единицах измерения параметра или в процентах от заданного значения уставки.
|
Наименование параметра |
Допустимое отклонение |
|
1. Выдержка времени быстродействующих защит без элемента задержки, с |
Примечание 1 |
|
2. Выдержка времени устройств РЗА с элементами задержки на базе электромеханических реле, с: |
|
|
с реле времени с максимальной уставкой более 3,5 с |
±0,1 |
|
с реле времени с максимальной уставкой менее 3,5 с |
±0,06 |
|
устройств БАПВ, УРОВ, противоаварийной автоматики, выполненной с реле времени повышенной точности (с максимальной уставкой по времени 1,3 с) |
±0,03 |
|
3. Выдержка времени устройств РЗА с зависимой характеристикой, с: |
|
|
в зависимой части (контрольные точки) |
±0,15 |
|
в независимой части |
±0,1 |
|
4. Выдержка времени встроенных в привод реле в независимой части (с учетом времени отключения выключателя), с |
±0,15 |
|
5. Ток и напряжение срабатывания реле, встроенных в привод, % |
±5 |
|
6. Сопротивление срабатывания дистанционных органов устройств РЗА, % |
±3 |
|
7. Ток и напряжение срабатывания реле переменного тока и напряжения, % |
±3 |
|
8. Ток и напряжение срабатывания для отключающих и включающих катушек приводов коммутационных аппаратов, % |
±5 |
|
9. Мощность срабатывания реле мощности, %: |
|
|
Устройств РЗА (кроме измерительных органов противоаварийной автоматики) |
±5 |
|
Измерительных органов противоаварийной автоматики |
±3 |
|
10. Напряжение и ток срабатывания реле постоянного тока, % |
±3-5 |
|
11. Коэффициент возврата реле: |
|
|
не встроенного в привод |
±0,03 |
|
встроенного в привод |
±0,05 |
|
12. Напряжение и ток прямой, обратной и нулевой последовательности пусковых органов устройств РЗА, % |
±5 |
|
13. Выходные напряжения блоков питания полупроводниковых защит, %: |
|
|
стабилизированные |
±1-3 |
|
нестабилизированные |
±5-10 |
|
14. Угол между векторами напряжения реле контроля синхронизма,% |
±10 |
|
15. Угол срабатывания панели угловой автоматики, % |
±2 |
|
16. Параметры срабатывания и возврата поляризованных реле измерительных органов устройств РЗА, % |
±5-10 |
|
17. Напряжение срабатывания устройства блокировки неисправности цепей напряжения, % |
±10-15 |
|
18. Сопротивление компенсации сопротивления обратной последовательности, % |
5-10 |
|
19. Ток компенсации емкостного тока ВЛ, % |
±15 |
|
20. Проводимость компенсации емкостной проводимости ВЛ, % |
±15 |
|
21. Координаты особых точек характеристик реле сопротивления, % |
15-20 |
|
22. Время срабатывания и возврата промежуточных реле, для которых оно задано в уставках или определено в инструкциях или методических указаниях, % |
±10 |
Примечания:
1. В соответствии с указаниями завода-изготовителя. Если допустимое значение не указано, то оно определяется как сумма максимальных значений времени срабатывания последовательно работающих элементов.
2. См. также Приложение 2 «Правил» [3]
Под коммутационными аппаратами, рассматриваемыми в настоящем параграфе, понимаются выключатели, предназначенные для коммутации токов нагрузки и отключения токов КЗ, а на подстанциях упрощенного типа - короткозамыкатели и отделители, также предназначенные для отключения токов КЗ путем создания искусственного короткого замыкания, которое чувствует защита на питающем конце линии электропередачи.
В электроэнергетике России используется несколько типов выключателей как отечественного, так и зарубежного производства. Наибольшее распространение имеют масляные и воздушные выключатели. Для относительно низких напряжений используются также электромагнитные выключатели. Все более широкое распространение приобретают элегазовые и вакуумные выключатели.
Для управления коммутационными аппаратами используются привода электромагнитные, пневматические, пружинные, грузовые и др. Привод и управляемый им коммутационный аппарат следует рассматривать как единое целое. Правильность работы коммутационного аппарата зависит от правильности регулировки привода и наоборот. Поэтому регулировать механизм привода необходимо совместно с регулировкой аппарата.
Обязательным условием правильной работы привода является полная исправность всех деталей его механизма, чистота, отсутствие ржавчины, надлежащая смазка, выполнение всех требований в части зазоров, люфтов и др. требований, излагаемых в нормативных материалах и инструкциях фирм-изготовителей. Только после выполнения всех требований к механике привода имеет смысл производить проверку его электрических характеристик.
Согласно [1] регулировку приводов и его блок-контактов осуществляет персонал, обслуживающий коммутационные аппараты.
3.7.1. Проверку электрических и временных характеристик следует производить в объемах, указанных в "Правилах" [3, 4] и в "Объеме и нормах испытаний электрооборудования" [14] на механически исправных приводах после их ревизии и проверки правильности регулировки их блок-контактов. Вследствие большого разнообразия коммутационных аппаратов и приводов перед проверкой их электрических характеристик следует изучить материалы фирм-изготовителей, поскольку в ряде случаев указанные объемы не совпадают с требованиями изготовителя. Например, проверка блока управления вакуумного выключателя BB-TEL, имеющего единственный электромагнит, управляющий как включением, так и отключением, должна выполняться по особым требованиям.
3.7.2. При техническом обслуживании следует измерить сопротивления постоянному току электромагнитов управления и контактора электромагнитов включения. Измерение можно производить с помощью моста постоянного тока или методом амперметра и вольтметра с ближайшего к приводу ряда зажимов. Измеренные значения должны соответствовать заводским нормам, а по ряду выключателей - значениям, приведенным в [14].
Для электромагнитов с форсировкой это измерение следует произвести как в режиме форсировки, так и в режиме ввода дополнительной части обмотки или сопротивления при дешунтировании блок-контакта электромагнита от руки. Измеренное значение должно соответствовать данным завода-изготовителя.
При новом включении или реконструкции следует измерить также сопротивление постоянному току всей цепи включения и всей цепи отключения (или всех упомянутых цепей для выключателей с пофазным приводом или для выключателей с двумя электромагнитами отключения) от шин постоянного тока как в нормальной схеме, так и при закороченных электромагнитах управления. По измеренным значениям расчетным путем следует убедиться в том, что падение напряжения в кабелях управления в момент включения и отключения не превышает 10% номинального значения. Для воздушных выключателей с электромагнитами, имеющими форсировку, падение напряжения в кабелях необходимо определять при расчетном токе, составляющем 50% от установившегося значения при несработавших электромагнитах (блок-контакты форсировки замкнуты).
Для электромагнитов с внешним токоограничивающим резистором (выключатели ВВД-330, ВВБ-500 и ВВБ-750) при новом включении следует отрегулировать в соответствии с требованиями завода-изготовителя, а при последующих проверках измерить от шинок управления сопротивление постоянному току петли включения и отключения каждой фазы в режиме форсировки и после ввода дополнительной части сопротивления. В состав петли входят жила включения (отключения), токоограничивающий резистор данной фазы, обмотка электромагнита и обратный провод до отрицательной шинки управления. Цепи электромагнитов других двух фаз должны быть разомкнуты. При проверках при новом включении для этих выключателей следует убедиться в том, что в наиболее тяжелом случае (при одновременном отключении наибольшего реально возможного числа выключателей) напряжение на шинках управления не будет ниже 80% номинального значения.
3.7.3. Необходимо проверить параметры срабатывания и возврата электромагнитов управления и контакторов электромагнитов включения.
3.7.3.1. Для всех электромагнитов отключения и включения электромагнитных, ручных, пружинных и грузовых приводов, электромагнитов управления воздушными выключателями и контакторов включения электромагнитных приводов постоянного и переменного тока различают напряжение (ток) надежной работы и напряжение (ток) срабатывания.
Напряжением (током) надежной работы считается минимальное напряжение (ток), при подаче которого толчком электромагнит отключает или включает выключатель, отделитель, короткозамыкатель и т.п. с временными и скоростными характеристиками, гарантированными заводом-изготовителем для данной конструкции. При проверках определяется не абсолютное значение этого напряжения (тока), а только то, что оно не превышает нормативного значения.
Напряжением (током) срабатывания считается минимальное напряжение (ток), при котором электромагнит отключает или включает коммутационный аппарат с возможным отклонением временных и скоростных характеристик от гарантированных заводом-изготовителем. При проверках определяется либо абсолютное значение этого напряжения, либо то, что оно не превышает нормативного значения.
Для всех электромагнитов определение параметра срабатывания производится при плавном увеличении напряжения или тока, т.е. определяется напряжение или ток срабатывания. Такой метод рекомендуется по следующим причинам:
- при плавном нарастании тока или напряжения легче обнаруживаются различные неисправности деталей и ошибки в регулировке;
- во многих конструкциях, особенно в пружинных и грузовых приводах, применены облегченные сердечники, скорость движения которых при токе или напряжении срабатывания невелика. Невелика и кинетическая энергия, накопленная сердечником в момент соприкосновения с отключающей планкой, так как их масса и ход малы. Поэтому поворот планки происходит в основном за счет статического усилия, развиваемого сердечником. Заводы-изготовители регулируют приводы по статическому усилию на отключающей планке;
- в некоторых конструкциях электромагнитных приводов начальное расстояние между головкой бойка и защелкой равно нулю, поэтому электромагнит начинает сразу, без свободного хода, поднимать защелку.
Напряжение надежной работы также подбирается при плавном увеличении напряжения. Затем значение напряжения надежной работы уточняется при подаче напряжения толчком.
Напряжение или ток срабатывания (возврата) является одним из основных показателей правильности сборки, регулировки и исправности привода. Если напряжение или ток срабатывания электромагнита оказываются чрезмерно велики (малы), то необходимо выяснить причину неисправности электромагнита или привода.
Основные причины, вызывающие отказ электромагнитов, следующие:
- обрыв одной из секций двухсекционной обмотки;
- межвитковое замыкание в обмотке;
- неправильно выбранные номинальные напряжение и ток электромагнита;
- неисправность механизма: грязь, заусенцы, перекосы, малое начальное расстояние между бойком и защелкой, неправильно установленное начальное расстояние между сердечником и контрполюсом.
Неисправности обмоток постоянного тока определяют измерением их сопротивления. Неисправности обмоток переменного тока определяются при снятии их вольт-амперных характеристик или при определении их сопротивления на переменном токе. Эти значения определяют при номинальном напряжении и втянутом якоре, чтобы можно было сравнить результаты измерений с данными заводов-изготовителей. Неисправности механизма определяют осмотром или измерением статического усилия на отключающей планке. Повышенное напряжение или ток срабатывания исправного электромагнита указывает на неисправность привода, обычно на чрезмерно глубокое зацепление.
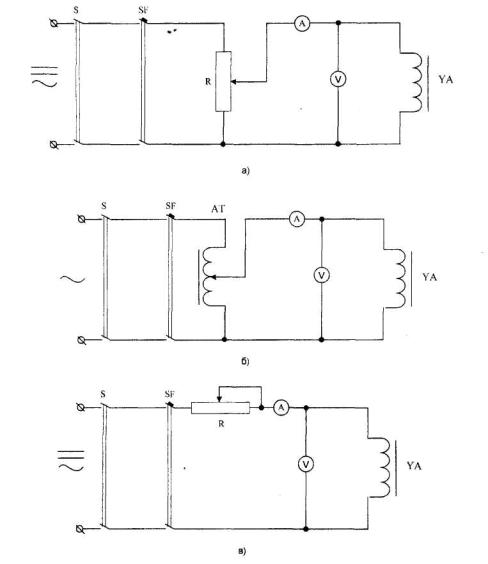
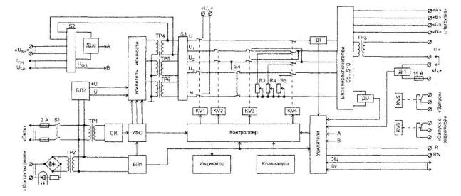
3.7.3.2. Электромагниты включения и отключения и контакторы включения постоянного тока можно проверять по простейшим схемам, приведенным на рис. 5, а, в. Схема на рис. 5, а применяется для проверки электромагнитов малой мощности, а на рис. 5, в - большой.

Рис. 5. Схемы для проверки электрических характеристик электромагнитов приводов коммутационных аппаратов:
а - потенциометром; б - автотрансформатором; в - реостатом
Для проверки шунтовых электромагнитов переменного тока рекомендуется схема, приведенная на рис. 5, б, а для токовых электромагнитов, работающих в схемах дешунтирования, схема на рис. 5, в.
При подборе реостатов, потенциометров и автотрансформаторов необходимо учитывать следующее:
а) значение тока в обмотках токовых электромагнитов не должно изменяться при втягивании сердечника более чем на 5-10%, поэтому реостат в схеме на рис. 5, в должен иметь достаточно большое значение сопротивления. Ориентировочное значение сопротивления реостата (R) может быть определено по приближенной формуле:
R = (2 - 3) Xэ - Rэ, (4)
где Хэ - индуктивное сопротивление обмотки электромагнита при втянутом положении сердечника, Ом;
Rэ - активное сопротивление обмотки электромагнита, Ом.
Проверять токовые электромагниты по схемам рис. 5, а, б недопустимо, так как они не обеспечивают соблюдения вышеуказанного условия;
б) значение напряжения на обмотке электромагнита переменного напряжения не должно изменяться при втягивании сердечника. Для выполнения этого условия сопротивление потенциометра в схеме на рис. 5, а должно быть очень мало. Поэтому рекомендуется проверку этих электромагнитов производить с помощью автотрансформатора по схеме на рис. 5, б;
в) во всех случаях при проверке электромагнитов постоянного тока сопротивление реостатов и части потенциометра, включенных последовательно с обмоткой электромагнита, должно быть минимальным. Чем больше значение этого сопротивления, тем быстрее будет нарастать ток в обмотке электромагнита при подаче на нее напряжения толчком за счет уменьшения результирующего отношения индуктивности к активному сопротивлению цепи. Напряжение надежной работы при этом снижается, что может вызвать ошибки в регулировке.
Поскольку проверка электромагнитов управления осуществляется, как правило, с помощью комплектных испытательных устройств, следует учитывать особенности испытательного устройства. В частности, для проверки электромагнитов постоянного тока в установках, например, У5053 используется пульсирующий выпрямленный ток. При недостаточном сглаживании значение напряжения или тока срабатывания может несколько искажаться. При проверке электромагнитов управления переменного тока внутреннее сопротивление устройства должно быть значительно меньше, чем сопротивление электромагнита, чтобы, как говорилось выше, ток при втягивании сердечника изменялся не более чем на 5-10%,
3.7.3.3. Для электромагнитов включения и отключения воздушных выключателей следует проверить работоспособность при наибольшем рабочем давлении воздуха и снижении напряжения на зажимах электромагнитов до 70% номинального значения при питании привода от источника постоянного тока и 65% номинального значения при питании привода от источника переменного тока в [14]. Этим проверяется, что напряжение срабатывания ниже нормируемого значения. Проверку следует производить со щита управления (релейного щита) подачей напряжения толчком. Напряжение, равное 70 (65)% номинального значения, подается либо от мощного источника пониженного напряжения (например, от зарядного агрегата, отпайки от аккумуляторной батареи и т.п.), либо создается искусственно путем ввода дополнительных электромагнитов в цепь питания электромагнитов выключателя от источника оперативного напряжения. Для выключателей с последовательным включением электромагнитов трех фаз необходимо включить дополнительно два последовательно включенных электромагнита. Для выключателей с параллельным включением электромагнитов проверка производится пофазно (цепь электромагнитов двух других фаз разрывается) с включением дополнительно двух электромагнитов, собранных параллельно. В данном случае в качестве дополнительных электромагнитов могут быть использованы электромагниты двух других фаз. При отсутствии вспомогательных электромагнитов снижение напряжения на зажимах электромагнитов до 70 (65)% номинального значения можно произвести путем ввода добавочного активного сопротивления в цепь питания электромагнитов выключателя от источника оперативного напряжения по схеме рис. 5, в. В такой схеме за счет последовательно включенного активного сопротивления увеличивается скорость нарастания тока в обмотках электромагнитов. Поэтому при испытании они работают при более легких условиях, чем в действительности. Чтобы компенсировать это различие, рекомендуется проверку производить при понижении напряжения до (0,5-0,6)Uном в зависимости от схемы соединений электромагнитов вместо нормируемого значения 0,65 Uном. Для выключателей с последовательным включением электромагнитов трех фаз значение этого сопротивления (R), в омах, должно быть:
R = 0,75 Rэм, (5)
где Rэм - суммарное активное сопротивление трех электромагнитов. Для выключателей с параллельным включением электромагнитов с форсировкой проверки производятся пофазно (цепь двух других фаз разрывается), а значение добавочного сопротивления (в Омах) должно быть:
Rдоб = Rэм, (6)
где Rэм - активное сопротивление обмотки проверяемого электромагнита в режиме форсировки.
Сопротивление всех участков кабеля от источника питания до электромагнитов не учитывается и идет в запас. Подачей напряжения на электромагниты ключом управления или от выходного реле устройства защиты (АПВ) следует убедиться в отключении и включении всех фаз выключателя.
Для электромагнитов управления воздушных выключателей с внешними токоограничивающими резисторами (ВВД-330, ВВБ-500, ВВБ-750) работоспособность проверяется при снижении до 80% номинального значения напряжения на шинках управления. Способы снижения напряжения такие же, как и указано выше. В случае снижения напряжения путем подключения добавочного резистора значение его сопротивления подбирается экспериментально.
3.7.3.4. Для электромагнитов отключения масляных выключателей следует проверить напряжение срабатывания, т.е. минимальное значение оперативного напряжения, при котором отключается выключатель.
Проверка производится непосредственно возле привода выключателя с использованием схемы рис. 5, в следующем порядке:
а) быстро (чтобы нагрев обмотки электромагнита был минимальным) увеличить напряжение до 35% номинального значения. Снять напряжение и подать его толчком. Выключатель не должен отключаться, в противном случае требуется регулировка;
б) продолжить увеличение напряжения с контролем по вольтметру до момента отключения выключателя, но не выше 65% номинального значения. Зафиксировать напряжение на электромагните, которое было перед отключением выключателя, как напряжение срабатывания;
в) если при плавном увеличении напряжения до 65% номинального значения выключатель не отключится, то опробовать действие электромагнита при подаче этого же значения напряжения толчком. Если и при этом он не отключится, то отрегулировать привод.
При проверке напряжения срабатывания после каждой неудавшейся попытки отключить выключатель (при подаче напряжения толчком) возвратить отключающую защелку в исходное положение. При предварительной проверке возврат допускается производить вручную, перед окончательной проверкой следует отключить и включить выключатель от схемы управления.
3.7.3.5. Для контактора включения масляного выключателя с электромагнитным приводом проверить напряжение срабатывания и возврата с использованием схемы рис. 5, в.
При снятом питании электромагнита включения и установленных на контакторе гасительных камерах плавно увеличить напряжение на обмотке контактора включения и зафиксировать напряжение полного втягивания магнитной системы, которое должно быть не выше 65% номинального значения. Плавно снижая напряжение, проверить напряжение возврата, которое не нормируется, но не должно существенно отличаться от данных предыдущих измерений (снижение напряжения возврата свидетельствует о нарушении механической регулировки, затираниях и т.п.).
3.7.3.6. Проверку напряжения срабатывания электромагнитов включения короткозамыкателей, электромагнитов отключения отделителей, электромагнитов включения и отключения выключателей с пружинными и грузовыми приводами осуществляют аналогично описанным в п. 3.7.3.4.
Напряжение срабатывания электромагнитов отключения отделителей и масляных выключателей с грузовым и пружинным приводами (а также электромагнитов включения короткозамыкателей) на постоянном и переменном оперативном напряжении не должно превышать 65% номинального значения.
Напряжение срабатывания электромагнитов включения выключателей с грузовым и пружинным приводами на постоянном и переменном оперативном напряжении должно быть не выше 80% номинального значения.
3.7.3.7. У электромагнитов, питающихся переменным током по схеме дешунтирования, проверяется ток срабатывания. На основании опыта эксплуатации рекомендуется обеспечивать ток срабатывания токовых электромагнитов не более 80% тока срабатывания наиболее чувствительной защиты, действующей на этот электромагнит. Поскольку коэффициент чувствительности токовых защит зоне основного действия в соответствии с ПУЭ должен быть не менее 1,5, то минимальное значение тока, проходящего по обмотке электромагнита при КЗ, должно быть в 1,5/0,8 = 1,9 раза больше значения его тока срабатывания. Соответственно, при КЗ в зоне резервного действия минимальное значение тока, проходящего по обмотке электромагнита при КЗ, должно быть в 1,2/0,8 = 1,5 раза больше значения его тока срабатывания. За счет этого обычно обеспечивается и необходимое время его работы.
Одновременно с током срабатывания необходимо проверить падение напряжения на обмотке токового электромагнита для проверки пригодности трансформаторов тока, от которого работает электромагнит, и для проверки контактов реле, дешунтирующих обмотки электромагнита.
3.7.3.8. Для электромагнитов, работающих от предварительно заряженных конденсаторов, рекомендуется выполнить следующие условия:
а) действительная емкость конденсатора, от которого работает электромагнит, должна быть в 1,5-2 раза больше емкости срабатывания электромагнита;
б) напряжение срабатывания - минимальное напряжение на конденсаторе, обеспечивающее работу электромагнита при отключенном источнике зарядного напряжения, должно быть равно примерно 50% нормального.
Такие значительные запасы объясняются следующими причинами:
а) Напряжение срабатывания электромагнитов отключения устанавливается обычно равным 65-70% напряжения питания. Следовательно, после длительного понижения напряжения питания конденсатор может быть заряжен только до 65-70% нормального напряжения. При таком напряжении и выясняется минимальная емкость, необходимая для срабатывания - емкость срабатывания.
б) При новом включении привод и электромагниты находятся в хорошем состоянии: смазка не загустела, детали не загрязнены и не заржавели. Сопротивление изоляции между конденсатором и электромагнитом высокое. За несколько лет эксплуатации до очередного ремонта состояние привода ухудшается, вследствие чего усилие, требующееся от сердечника электромагнита, значительно увеличивается. Кроме того, ухудшается сопротивление изоляции цепей, и увеличивается утечка. Конденсаторы стареют, и емкость их уменьшается.
в) Разряд конденсатора на электромагнит продолжается сотые доли секунды. За это время электромагнит должен успеть сработать и освободить запирающий механизм привода. Ухудшение условий работы, несущественное для электромагнитов, питающихся, например, от аккумуляторной батареи, может вызвать отказ электромагнита при питании от конденсатора.
г) Для надежной работы и обеспечения необходимого времени работы выключателя электромагнит должен успеть сработать за время нарастания тока разряда конденсатора. При этом для обеспечения быстрого отключения выключателя необходимо, чтобы максимальное значение тока разряда значительно превышало ток срабатывания электромагнита.
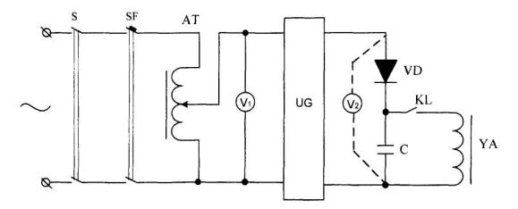
Исходя из вышеизложенного, необходимо определить минимальное напряжение заряда блока конденсаторов для четкого срабатывания электромагнита, работающего от предварительно заряженных конденсаторов. Проверку следует произвести при совместной работе блоков конденсаторов и зарядных устройств с действием на электромагнит включения (отключения) по схеме рис. 6 в следующем порядке:
а) отключить 30-50% емкости конденсаторной батареи;
б) зашунтировать контакты реле минимального напряжения зарядного устройства;
в) подать пониженное напряжение на зарядное устройство для заряда конденсаторных батарей и после заряда измерить напряжение на конденсаторной батарее кратковременным подключением вольтметра с внутренним сопротивлением не менее чем 2 кОм на 1 В;
г) отключить зарядное устройство;
в) подключить к заряженному конденсатору обмотку электромагнита;
г) разрядить конденсаторы и увеличить напряжение на входе зарядного устройства, если электромагнит не работает или работает нечетко;

Рис. 6. Схема измерения минимального напряжения заряда конденсатора, необходимого для четкой работы элетромагнита
д) повторить операцию заряда конденсаторов и подключение к ним обмотки электромагнита. Подобные операции произвести несколько раз до четкого срабатывания электромагнита.
Значение напряжения на выходе зарядного устройства, при котором электромагнит четко срабатывает, должно быть не более 260 В (65% номинального значения выпрямленного напряжения).
После этого следует подключить отключенную часть конденсаторной батареи, расшунтировать реле минимального напряжения зарядного устройства и при номинальном напряжении на батарее опробовать работу электромагнита с целью убедиться в отсутствии ошибок при восстановлении цепей.
3.7.3.9. Проверка электромагнитов приводов большинства элегазовых и вакуумных выключателей принципиально не отличается от проверки их в приводах масляных выключателей. Особенности проверки должны быть изложены в заводских инструкциях.
Особое место занимают вакуумные выключатели с так называемой магнитной защелкой (BB-TEL). Длительное включенное состояние этих выключателей обеспечивается за счет остаточной магнитной индукции в магнитной системе привода. Привод снабжен единственным электромагнитом управления, обеспечивающим включение выключателя при подаче на него напряжения от блока управления, поставляемого комплектно с выключателем. Отключение выключателя происходит при подаче на электромагнит напряжения обратной полярности от предварительно заряженного конденсатора в блоке управления. Техническое обслуживание такого привода осуществляется в соответствии с инструкциями фирмы-изготовителя. В настоящее время не накоплен достаточный опыт эксплуатации таких приводов, в частности, влияние старения и загрязнения конденсаторов, участвующих в процессе включения, довключения и отключения, влияние износа контактных систем промежуточных реле в блоке управления на надежную работу выключателя.
3.7.4. В соответствии с [14] проверяется надежность работы приводов коммутационных аппаратов в полной схеме при значениях оперативного напряжения 0,9 Uном на включение и 0,8 Uном на отключение. Количество коммутаций зависит от типа выключателя и также нормируется в [14]. При этих же значениях напряжения проверяется надежность работы контакторов и автоматов многократными включениями и отключениями [14, п. 26.4]. Способы получения пониженного напряжения аналогичны указанным в п. 3.7.3.3. При плановом техобслуживании надежность работы привода проверяется при номинальном оперативном напряжении.
3.7.5. Проверяется время включения (отключения) выключателя, время включения короткозамыкателя и отключения отделителя, время готовности привода для приводов с механизмом или электрической схемой для повторного включения в цикле АПВ. Время включения и отключения должно соответствовать нормативам, приведенным в [14].
3.7.6. Работы, перечисленные в п. 3.7, выполняются персоналом, которому это вменено в обязанность положениями по разграничению зон обслуживания, по методикам, принятым для данного типа коммутационного аппарата.
3.8.1. Проверку взаимодействия элементов устройств РЗА следует производить в целях определения правильности выполнения монтажа, его соответствия принципиальной схеме устройства РЗА (особенно важно при проверках тех типовых панелей устройств РЗА, для которых проверка правильности монтажа согласно п. 3.4.4 методом "прозвонки" не производится) и исправности отдельных элементов устройств РЗА.
3.8.2. Проверку взаимодействия следует производить при оперативном напряжении, равном 80% номинального значения.
Во время проверки взаимодействия по мере срабатывания реле изменяется потребление проверяемого устройства. При недостаточно мощном источнике питания это может привести к изменению оперативного напряжения на панели, особенно при простейшей схеме питания через потенциометр. Например, потребление по оперативным цепям широко распространенной панели ЭПЗ-1636 колеблется от 110 Вт в режиме дежурства до 370 Вт в режиме срабатывания. Поэтому в процессе проверки необходимо по возможности использовать низкоомные потенциометры, установки с малым внутренним сопротивлением, контролировать значение оперативного напряжения и, при необходимости его корректировать. Фирмы-изготовители в своей документации должны давать внешние характеристики испытательных устройств.
3.8.3. В объем проверки взаимодействия элементов устройств входит проверка взаимодействия всех элементов, изображенных на принципиальной проектной схеме, включая оперативные цепи, выходные цепи, цепи сигнализации, резервные выходные цепи. Проверяется надежность отсоединения элементов типовой схемы, отключенных в соответствии с проектной схемой.
3.8.4. Проверку взаимодействия реле в схемах устройств РЗА, выполненных на базе электромеханических реле, следует производить, как правило, вызывая замыкание и размыкание контактов реле путем непосредственного воздействия от руки на якорь реле. При необходимости проверки монтажа схемы или в процессе проверки ее отдельных элементов допускается замыкание или размыкание отдельных контактов реле методами, не нарушающими механическую регулировку контактной системы реле. Запрещается в процессе проверки подкладывать под контакты реле материалы и предметы, которые могут загрязнить контакты реле или нарушить их механическую регулировку. Вызывая необходимые комбинации срабатываний и возвратов реле, сопоставляют реакции схемы устройства с принципиальной схемой и имитируемыми условиями. Поочередно проверяется действие каждого из контактов схемы на срабатывание или блокировку элементов схемы.
Проверку взаимодействия сложных устройств РЗА, выполненных на базе ИМС, следует производить путем подачи входных воздействий с помощью блоков тестового контроля, имеющихся в таких устройствах. В отдельных случаях, когда объем операций, выполняемых блоком тестового контроля, недостаточен для проведения имитируемых режимов, проверку взаимодействия можно производить путем подачи тока, напряжения от посторонних источников на ряды зажимов устройства, путем замыкания или размыкания контактов устройства. Также допускается вызывать требуемые воздействия путем подачи сигналов логического нуля (он часто оказывается связанным с корпусом панели) в контрольные точки схемы за исключением той точки, на которую подан положительный потенциал блока питания. Эту проверку нужно производить с особой осторожностью с тем, чтобы ошибочно не подать сигнал логической единицы, что может привести к повреждению микросхемы. Реакцию устройства следует определять по светодиодной сигнализации, срабатыванию указательных реле, действию промежуточных реле и с помощью омметра или вольтметра, подключенного на выводах устройства к выходным цепям. Для некоторых устройств целесообразно на время проверки устанавливать временную перемычку для подключения выходной группы реле, отключаемой во время тестового опробования.
Взаимодействие микропроцессорных терминалов и функций внутри терминалов проверяется как с помощью тестового контроля, так и подачей входных токов и напряжений, имитирующих аварийные режимы.
3.8.5. При проверке взаимодействия устройств РЗА выполняются следующие основные пункты.
а) Проверяется правильная последовательность работы элементов схемы устройства от пусковых до выходных элементов. В устройствах РЗА имеющих разделение цепей по отдельным фазам, - правильность работы и соответствие фаз входного и выходного воздействий, отсутствие связи между цепями отдельных фаз или наличие предусмотренной схемой взаимосвязи.
б) Проверяется отсутствие обходных связей, приводящих к ложному срабатыванию элементов схемы, которые не должны реагировать на подаваемые входные воздействия.
в) Проверяется правильность работы схемы в зависимости от состояния реле направления мощности в устройствах РЗА, имеющих такие реле.
г) Проверяется наличие замедления при срабатывании в устройствах РЗА, действующих с выдержкой времени.
д) Проверяется правильность взаимодействия элементов устройства, относящихся к цепям каждой из ступеней в устройствах РЗА, имеющих несколько ступеней.
е) Проверяется правильность действия различных блокировок, например, блокировки при качаниях, при неисправностях цепей напряжения и др.
ж) Проверяется правильность переключений в цепях тока и напряжения, достоверность маркирования фаз тока и напряжения.
з) Проверяется правильность работы устройства РЗА во всех положениях переключающих устройств: ключей, переключателей, накладок, испытательных блоков, штекерных разъемов, автоматических выключателей, контактных мостиков измерительных зажимов в случаях, когда с их помощью выставляется режим работы схемы. В последнем случае следует обратить внимание на надежность фиксации отключенного положения контактных мостиков. Учитывая ненадежность контактных мостиков измерительных зажимов, не рекомендуется использовать измерительные зажимы для изменения режима работы схемы.
и) Проверяется правильность подключения выводов обмоток (соблюдение полярности) на промежуточных реле с несколькими обмотками, правильность работы реле по цепям основной и удерживающих обмоток.
к) Проверяется правильность и полнота содержания надписей под переключающими устройствами, реле, блоками, комплектами в соответствии с обозначениями проектной схемы и диспетчерскими наименованиями первичного оборудования.
л) Проверяется соответствие положения переключателя уставок выставленной метке (например, для защит обходных выключателей).
м) Проверяется надежность отстройки промежуточных реле, обмотки которых включены через добавочные резисторы, от срабатываний, не предусмотренных схемой (по цепям удерживания), надежность удерживания реле через добавочные резисторы.
н) Проверяется четкость и стабильность срабатывания промежуточных реле, отсутствие "зависаний" якоря реле.
о) Проверяется эффективность работы и правильность включения искрогасительных контуров, если это возможно оценить по поведению контактов.
п) Проверяется правильность работы устройств сигнализации: табло, светодиодов, указательных реле.
р) Проверяется правильность включения цепей, содержащих разделительные диоды в оперативных цепях, в цепях сигнализации и выходных цепях. Следует измерить с помощью омметра сопротивления резисторов (если они предусмотрены схемой) в цепях выходных контактов и в цепях сигнализации устройства. С помощью вольтметра следует проверить значение напряжений в цепях аналоговых выходных сигналов, например, при использовании бесконтактных схем управления коммутационными аппаратами.
с) Проверяется правильность работы схемы сигнализации при действии максимального количества сигналов, цепи которых включаются параллельно одна другой.
т) Проверяется обеспечение однократности действий устройства, например, АПВ, а также выполняется ориентировочная оценка времени повторной готовности устройства к работе.
у) Проверяется отсутствие ложных срабатываний устройства при подаче и снятии оперативного напряжения, при возникновении помех, вызванных коммутациями отдельных элементов с большой индуктивностью проверяемого и других (расположенных вблизи проверяемого) устройств РЗА, а также из-за наводок на жилах контрольных кабелей при операциях с выключателями и разъединителями. Следует обратить внимание, что при проверке взаимодействия микропроцессорных устройств и устройств на ИМС неправильные действия, вызываемые помехами, не всегда выявляются. Поэтому вопросы электромагнитной совместимости таких устройств должны решаться тщательной проверкой принятых проектных решений и проверкой электромагнитной обстановки на объекте, что особенно важно при замене электромеханических устройств на микропроцессорные в действующих объектах.
ф) Проверяется обеспечение полноты имитируемых режимов для проверки всех элементов устройства, изображенных на принципиальной схеме.
х) Проверяется снятие напряжения с группы выходных реле при переводе устройства РЗА в режимы ВЫВОД и ПРОВЕРКА.
Перечисленными основными пунктами проверка взаимодействия не исчерпывается и может быть дополнена при предварительном анализе проверяемой схемы.
3.8.6. Проверку взаимодействия элементов схемы управления коммутационными аппаратами следует производить в следующем порядке.
3.8.6.1. Предварительно необходимо опробовать взаимодействие элементов схемы без воздействия на коммутационный аппарат. Для этого необходимо временно разомкнуть цепи электромагнитов управления (размыканием разъемов электромагнитов, отключением автоматического выключателя в цепи электромагнита включения масляного выключателя и т.п.). Можно также ограничить токи, протекающие по обмоткам, путем ввода добавочного резистора, если это не сложно, в цепь, соединяющую общую точку обмоток электромагнитов с отрицательным полюсом источника оперативного напряжения. Для схем управления воздушным выключателем это удобно выполнить путем размыкания контакта манометра, разрешающего управление выключателем.
При опробовании цепей управления коммутационными аппаратами следует обратить особое внимание на проверку следующих цепей:
а) действие защиты от непереключения фаз выключателя (для выключателей с пофазными приводами) на отключение выключателя и на размыкание цепи обмоток электромагнитов при имитации неполнофазного включения (отключения) выключателя;
б) правильность взаимного включения основной и удерживающих обмоток реле блокировки по давлению;
в) наличие подхвата импульса, подаваемого на электромагниты, необходимого для предотвращения повреждения контактов реле и ключей;
г) обеспечение завершения операции при снижении давления ниже уставки блокировки в процессе операции.
3.8.6.2. Восстановить цепи обмоток электромагнитов управления и проверить:
а) отключение и включение аппарата от устройств дистанционного управления (ключей, кнопок), а также от всех предусмотренных схемой реле защиты и автоматики;
б) действие блокировки по давлению воздуха при фактическом снижении давления на выключателе ниже уставок;
в) действие блокировки от многократных включений;
г) работу выключателей во всех режимах автоматического повторного включения (ТАПВ, БАПВ, УТАПВ, ОАПВ). Имитацию режимов ОАПВ удобно производить с помощью схемы, приведенной на рис. 7, если отсутствует установка ЭУ 5001. В этой схеме к токовым цепям избирателей проверяемой фазы выключателя через размыкающий контакт реле KL (серии РП 251) подводится ток, достаточный для срабатывания избирателя, затем нажатием кнопки SB на время, превышающее время цикла ОАПВ, производится кратковременный пуск схемы ОАПВ.
При недостаточной мощности регулировочного устройства, понижающего оперативное напряжение до значения, равного 0,8 Uном, проверки взаимодействия при подключенных электромагнитах управления производятся при номинальном значении оперативного напряжения.

Рис. 7. Схема для опробования ОАПВ
3.8.7. Отыскание неисправностей, выявленных при опробовании взаимодействия устройства, удобно производить, измеряя напряжения в различных точках проверяемой цепи высокоомным вольтметром. Измерения могут производиться по отношению к земле (рис. 8), если устройство подключено к сети с включенным устройством контроля изоляции, или по отношению к одному из полюсов источника оперативного напряжения, определяя при этом место обрыва или ложную цепь. В обоих случаях по полярности измеренного напряжения определяют, со стороны какого полюса источника оперативного напряжения, имеет место разрыв или ложная цепь.

Рис. 8. Схема отыскания неисправности с помощью вольтметра
На практике вместо вольтметра используют иногда бытовые индикаторы напряжения, в которых установлена неоновая лампа с удлиненным газоразрядным промежутком, например, ВМН-2. В этом случае знак измеряемого напряжения определяется по свечению одного из электродов. Предварительно индикатор маркируют, подключая его к источнику с известной полярностью. Способ неприменим при переменном оперативном напряжении.
Отыскание неисправностей в схеме может быть также выполнено при отключенном оперативном напряжении с помощью "прозвонки", подключаемой по схеме, приведенной на рис. 9.

Рис. 9. Отыскание неисправности в схеме с помощью «прозвонки»
В этом случае, временно устанавливая перемычки 1, шунтирующие обмотки аппаратуры или заземляющие перемычки 2 в различных местах устройства, например, начиная с середины цепи, и в необходимых случаях размыкая или замыкая контакты реле, включенных в проверяемую цепь, можно быстро определить место разрыва или ложную цепь. Этот способ менее надежен и удобен, поэтому рекомендуется к использованию лишь в случае, когда отыскание неисправности с помощью вольтметра не приводит к желаемым результатам.
После выявления неисправности следует повторить проверку взаимодействия, поскольку в процессе отыскания неисправности могут быть оставлены излишние перемычки или разрывы цепей.
3.9.1. Временные характеристики устройства РЗА определяются путем измерения времени действия устройства по каналам срабатывания отдельных функциональных узлов (отдельных видов и ступеней защит, устройств, блокировок и др.), входящих в состав устройства. Характеристики снимаются с учетом взаимодействия устройств между собой при подаче на вход устройства аварийных или пусковых параметров режима (тока, напряжения, замыкания или размыкания контактов других устройств, воздействующих на вход проверяемого устройства РЗА и др.).
3.9.2. Полное время действия устройств следует измерять согласно п. 3.6.14.
3.9.3. Проверку временных характеристик следует производить от постороннего источника тока и напряжения при полностью собранных цепях устройств, закрытых кожухах реле, установленных и зафиксированных модулях, при номинальном оперативном напряжении.
Для проверки удобно использовать комплектные устройства, например, У5053 (ЭУ5001) или современные устройства РЕТОМ-51, "Уран 1, 2" и другие, обеспечивающие необходимые режимы проверки. Устройства, предполагающие физическое воспроизведение аварийных процессов по математическим программам, разрабатываемым для конкретных типов устройств РЗА, предпочтительнее. Для измерения интервалов времени следует пользоваться встроенным или выносным электросекундомером (миллисекундомером).
3.9.4. При проверке временных характеристик сложных устройств РЗА на проверяемое устройство РЗА, как правило, должно быть предварительно подано переменное симметричное напряжение, соответствующее нормальному режиму (ток, соответствующий току нагрузки, на устройство обычно предварительно не подается). Затем одновременно с запуском секундомера на устройство подаются сочетания токов и напряжений, имитирующие различные режимы КЗ (однофазные, двухфазные, трехфазные) различной удаленности в зоне действия устройства или его отдельных ступеней, вне зоны, в начале защищаемого участка, "за спиной" (для защит линий - на шинах подстанции), а также другие режимы, при которых может проявляться правильное или неправильное поведение устройства РЗА, например, при сбросе обратной мощности, снижении переменного напряжения до нуля при отсутствии тока и т.п. Объем имитаций определяется соответствующими инструкциями и методическими указаниями для конкретных видов защит.
3.9.5. При проверках времени срабатывания (или возврата) устройств РЗА с характеристиками времени действия, зависящими от кратности подводимых параметров, должно быть проверено несколько точек этих характеристик в соответствии с заданными при расчете уставок требованиями. Если от устройств такая зависимость не требуется, проверки должны проводиться при подведении таких кратностей, которые соответствовали бы расчетным значениям параметров при КЗ.
Эти кратности должны соответствовать приведенным ниже.
а) Для защит максимального действия должны подаваться кратности, соответствующие 0,9 и 1,1 уставки срабатывания для контроля несрабатывания защиты в первом и срабатывания во втором случаях; для контроля времени действия - ток или напряжение, равные 1,3 уставки срабатывания.
Для дифференциальных защит ток подается поочередно в каждое из плеч защиты.
Для токовых направленных защит подается номинальное переменное напряжение с фазой, обеспечивающей срабатывание органа направления мощности. При этом поданная мощность должна превышать мощность срабатывания органа не менее чем в 2-3 раза.
б) Для защит минимального действия должны подаваться кратности, соответствующие 1,1 и 0,9 уставки срабатывания для контроля несрабатывания защиты в первом и срабатывания во втором случаях; для контроля времени действия - ток или напряжение, равные 0,8 уставки срабатывания. Для токовых защит с пуском минимального напряжения должны подаваться кратности, соответствующие комбинациям пп. а и б.
в) Для многоступенчатых дистанционных защит временную характеристику следует снимать для сопротивлений, равных 0,5Z1; 0,9Z1; 1,1Z1; 0,9Z2; 1,1Z2; 0,9Z3; 1,1Z3 и т.д. Регулировку выдержки времени второй, третьей и следующих ступеней следует производить при сопротивлениях, равных соответственно 1,1Z1 и т.д. Регулировку выдержки времени в первой ступени (при необходимости) следует производить при сопротивлении, равном 0,5Z1 Кроме времени срабатывания следует измерить длительность сработанного состояния защиты в случае работы по "памяти" при имитации близких КЗ в "мертвой зоне".
При проверках временных характеристик необходимо измерять время действия отдельных ступеней защиты по цепи ускорения. Эти измерения производятся при подведении к защите тех же кратностей тока и напряжения что и при контроле (регулировке) времени действия.
Если выполняется пуск УРОВ от проверяемой защиты, необходимо измерить время замкнутого состояния выходных реле защиты, которое должно быть меньше времени срабатывания УРОВ во избежание его неправильного действия.
3.9.6. Следует измерить время повторной готовности всех элементов схемы, невозврат которых может привести к отказу или излишней работе устройств РЗА.
3.9.7. Проверку и регулировку временных характеристик следует производить с учетом имеющего место разброса временных параметров (п. 3.6.12, б).
3.9.8. После проверки временных характеристик не следует производить работы, в результате которых может нарушиться целостность проверенных цепей и работоспособность устройства, например, изменять положение переключателей уставок, вынимать блоки из разъемов, отсоединять проводники и т.п.
3.10.1 Перед вводом устройства РЗА в работу (или перед проверкой под нагрузкой, если она будет производиться) следует произвести проверку взаимодействия устройства РЗА с другими устройствами РЗА и коммутационными аппаратами для проверки работоспособности устройств РЗА, коммутационных аппаратов и правильности функционирования оперативных цепей, связывающих их между собой в единый комплекс. Проверка производится при новом включении или после технического обслуживания, связанного с работой в оперативных цепях, при котором эти цепи могли оказаться нарушенными. В последнем случае проверяются по крайней мере те цепи, которые могли оказаться нарушенными в процессе работы.
3.10.2. Проверку взаимодействия устройств РЗА следует производить, как правило, на выведенных из работы устройствах РЗА и разобранных разъединителями схемах первичных соединений коммутационных аппаратов. Проверку взаимодействия в этом случае следует производить в следующем порядке.
а) При снятом с устройств и коммутационных аппаратов оперативном напряжении подсоединяются кабельные связи между устройствами РЗА и коммутационными аппаратами, с предварительной проверкой их изоляции (или проверкой изоляции устройства РЗА в полностью собранной схеме) согласно п. 3.5.
б) На устройства РЗА подается номинальное оперативное напряжение.
в) Производится проверка взаимодействия непосредственным воздействием одного устройства на другое для каждой цепи с учетом требований, изложенных в пп. 3.8.4-3.8.7. При проверке взаимодействия следует учитывать положение коммутационных аппаратов и реле, блок-контактов, фиксирующих это положение. Проверку в необходимых случаях следует производить при включенном и отключенном положении коммутационных аппаратов, а если такой возможности нет, размыканием или замыканием блок-контактов коммутационных аппаратов.
Для сложных устройств РЗА выполненных на базе ИМС, или микропроцессорных устройств РЗА в случаях, когда имитация проверяемых режимов затруднена, допускается проводить проверку взаимодействия, устанавливая перемычки в выходных цепях на рядах выводов устройств РЗА при условии, что предварительно на этих выводах были проверены выходные воздействия устройства.
г) Подается оперативное напряжение на коммутационные аппараты и опробуется действие устройства РЗА на отключение, включение, в том числе АПВ. Действие газовой защиты должно быть опробовано на отключение выключателей (или другие коммутационные аппараты) путем непосредственного воздействия на газовые реле.
При невозможности опробования действия устройства РЗА непосредственно на другие устройства РЗА и коммутационные аппараты следует произвести это опробование косвенным способом, например, на вольтметр при соответствующем положении коммутационного аппарата.
3.10.3. Подключение кабельных связей проверяемого устройства и проверку его взаимодействия с включенными в работу устройствами РЗА следует производить при номинальном оперативном напряжении в следующей последовательности:
а) проверить отсутствие подсоединения на рядах зажимов устройств РЗА цепей связи с проверяемым устройством;
б) проверить отсутствие (наличие) сигналов на соответствующих зажимах проверяемого устройства;
в) подсоединить цепи связи с другими устройствами на рядах зажимов проверяемого устройства, предварительно проверив "прозвонкой" правильность маркировки жил и их изоляцию (п. 3.5);
г) проверить запуск проверяемого устройства от воздействия других устройств по цепям связи с ними подачей сигналов на жилы кабелей со стороны других устройств;
д) проверить исправность цепей воздействия проверяемого устройства на другие устройства путем измерения сопротивления (напряжения) между жилами кабелей со стороны других устройств;
е) подготовить цепи управления коммутационными аппаратами, проверить отсутствие сигналов от проверяемого устройства на цепи отключения (включения) коммутационных аппаратов, подсоединить цепи связи проверяемого устройства с коммутационными аппаратами;
ж) проверить отсутствие (наличие) сигналов от проверяемого устройства на жилах остальных кабелей со стороны других устройств;
з) подсоединить цепи связи проверяемого устройства к выводам других устройств;
и) произвести с разрешения оперативного персонала опробование действия цепей отключения (включения) каждого вводимого в работу устройства РЗА на коммутационные аппараты и на другие устройства РЗА, посредством которых производится отключение (включение) коммутационных аппаратов, например, УРОВ, дифференциальной защиты шин, устройства АПВ.
При наличии разделения цепей отключения по фазам должны быть опробованы цепи отключения каждой фазы коммутационного аппарата. Если выключатель имеет два отключающих электромагнита, также должны быть опробованы цепи отключения на каждый электромагнит отдельно.
3.10.4. Проверка взаимодействия устройств, реализация действия которых происходит на других энергообъектах, например, с использованием ВЧ каналов устройств релейной защиты и противоаварийной автоматики, должна выполняться по программам (п. 2.1). Проверка производится под контролем служб РЗА, в управлении которых находятся устройства, взаимодействие которых проверяется.
3.10.5. Проверка взаимодействия устройств РЗА с АСУ ТП выполняется по программам с участием всех заинтересованных служб: РЗА, АСУ, диспетчерской службы и службы связи. Это взаимодействие частично может проверяться в процессе наладки устройства РЗА. В частности, отображение на мониторах оперативного персонала положения коммутационных аппаратов, отключения их от защиты, срабатывания аварийной сигнализации, срабатывания указательных реле и т.п. может проверяться в процессе вышеописанной проверки взаимодействия элементов устройства РЗА и проверки характеристик устройства РЗА в полной схеме.
3.10.6 После проверки действия проверяемого устройства на коммутационные аппараты работы в оперативных цепях не должны производиться.
3.11.1. Перед проверкой устройств РЗА первичным током и напряжением в ряде случаев целесообразно проверять правильность прохождения токов через все устройства РЗА и правильность подаваемых на устройства РЗА напряжений путем подключения посторонних источников к проверяемым вторичным цепям тока и напряжения. Это целесообразно в случаях, когда имеется сомнение в правильности сборки схемы токовых цепей или цепей напряжения, или есть необходимость в их предварительной проверке для ускорения последующих этапов работы.
3.11.2. Правильность сборки токовых цепей следует проверять, подключая поочередно однофазный источник тока к выводам сборки трансформаторов тока или к выводам ближайшего к трансформаторам тока устройства РЗА между каждым фазным и нулевым проводами (рис. 10) или между фазными проводами, в случае сборки вторичных обмоток трансформаторов тока в треугольник. Вполне можно использовать и трехфазный источник, если это позволяет испытательное устройство. При проверке первичная обмотка трансформаторов тока не должна быть замкнута.

Рис. 10. Схема проверки правильности сборки токовых цепей однофазным вторичным током
В процессе проверки следует контролировать протекание токов через каждое из устройств РЗА (на входных зажимах устройств) по тем фазным и нулевым проводам, к которым подключен источник тока, и отсутствие тока (точнее, весьма малое его значение) в остальных проводах и обмотках. Могут контролироваться также токи намагничивания, протекающие по вторичным обмоткам трансформаторов тока. Измерение токов производится токоизмерительными клещами вольтамперфазометра, например, прибора ВАФ-85, "Парма ВАФ-А", или "РЕТОМЕТР" производства "НПП Динамика" или любого другого, имеющегося в наличии (далее для краткости - ВАФ). Если используются нагрузочные устройства без разделительного (нагрузочного) трансформатора Т, следует отключить проводник, заземляющий токовые цепи.
Если в наличии имеется однофазный источник тока, поочередно проверяются цепи, подключенные к каждой из обмоток трансформаторов тока. Если используется трехфазный источник симметричных токов, можно проверить одновременно токи во всех фазах токовых цепей подключенных устройств защиты и даже снять векторную диаграмму токов.
Подключив амперметр А и вольтметр V (см. рис. 10) при этой проверке, можно определить также сопротивление нагрузки токовых цепей. Если источник подключен в непосредственной близости к трансформаторам тока, измеренное сопротивление нагрузки позволяет рассчитать токовую погрешность трансформаторов тока при расчетных видах коротких замыканий.
3.11.3. Правильность сборки цепей напряжения следует проверять путем подачи напряжения от источника симметричного трехфазного напряжения со значением подводимого линейного напряжения 100 В к одному из устройств РЗА в релейном зале (или в другом месте) с тем порядком чередования фаз, который предусмотрен схемой цепей напряжения и проверки. При этом проверяется сохранение этого порядка чередования фаз во всей схеме цепей напряжения. Источник напряжения не должен иметь гальванической связи с землей. Автоматические выключатели и рубильники в цепях трансформатора напряжения должны быть отключены. Временно устанавливается дополнительное заземление цепей напряжения после коммутационных аппаратов за исключением случаев, когда заземление установлено на щите управления. Заземляется фаза В цепей напряжения или нуль, если на объекте старого типа нормально предусмотрено заземление нуля. Поочередно или одновременно в обе схемы, если позволяет схема источника, подаются напряжения в цепи "звезды" и "разомкнутого треугольника". При этом прибором ВАФ измеряются значения напряжений на всех устройствах РЗА, и на выводах автоматических выключателей трансформаторов напряжения определяется чередование фаз. Чередование фаз напряжения на устройствах РЗА должно быть такое же, как и на источнике. При определении порядка чередования фаз напряжения в цепях "звезды" вывод В прибора ВАФ присоединяется к земле, если в проектной схеме объекта заземлена фаза В, а выводы А и С - к цепям напряжения с одноименной маркировкой. При проверке схемы цепей "разомкнутого треугольника" от источника напряжения, собранного в схему "звезды" с нулевым проводом, следует установить соответствие между выводами источника напряжения, например, А, В, С, 0 и цепями "разомкнутого треугольника", например, Н, К, И, Ф. При заземлении вывода В прибора ВАФ и подключении его выводов А и С к цепям с маркировкой "Н" и "И" прибор должен показать то же чередование, что и на источнике (А, В, С). Следует иметь в виду, что при наличии в цепях напряжения "разомкнутого треугольника" аппаратуры с термически неустойчивыми обмотками напряжения, например, реле мощности типов РБМ-78, РБМ-278, они должны быть на время проверки в вышеуказанном случае исключены из схемы цепей напряжения на испытательных блоках или рядах зажимов устройства РЗА.
3.11.4. При проверках, указанных в пп. 3.11.2, 3.11.3, следует фиксировать работу измерительных щитовых приборов и избегать их зашкаливания.
3.12.1. Проверку устройств РЗА первичным током и напряжением следует производить для окончательной проверки исправности и правильности подключения устройств РЗА к цепям тока и напряжения и самих трансформаторов тока и напряжения. В ряде руководств по вводу в работу микропроцессорных устройств РЗА такая проверка зачастую не рассматривается. Это не должно служить основанием для отказа от такой проверки, поскольку в данном случае фактически проверяется не само устройство, а цепи подключения устройства к измерительным трансформаторам тока и напряжения.
3.12.2. Проверку следует производить при подаче тока и напряжения непосредственно в первичные обмотки трансформаторов тока и напряжения. Проверка токовых защит может осуществляться либо подачей токов от постороннего источника, либо током нагрузки. Проверка более сложных защит осуществляется, как правило, током нагрузки и рабочим напряжением.
3.12.3.Для простых дифференциальных и ненаправленных максимальных токовых защит проверка от постороннего источника тока может быть окончательной, и после нее эти защиты могут вводиться в работу.
Для других устройств РЗА эта проверка может быть выполнена с целью предварительной проверки исправности цепей тока, .устройств РЗА и измерительных трансформаторов тока.
3.12.4. Проверку устройств РЗА током нагрузки и рабочим напряжением следует производить в следующих случаях:
а) если в защитах есть органы, питающиеся одновременно от трансформаторов тока и напряжения;
б) когда проверка устройства РЗА производится без отключения силового оборудования, на котором оно установлено;
в) когда проверка первичным током нагрузки и рабочим напряжением выполняется более просто и с меньшей затратой времени, чем проверка от постороннего источника;
г) при необходимости двусторонней проверки устройств РЗА линий.
3.12.5 Для того, чтобы во время проверки не нарушить токовые цепи, измерения токов следует производить с помощью специальных токоизмерительных клещей, имеющихся в вольтамперфазометрах, например, в приборах ВАФ-85, РЕТОМЕТРАХ производства НПП "Динамика", приборах "Парма ВАФ-А" производства ООО "Парма" и др. Малые токи, например токи небаланса, токи, протекающие в нулевом проводе вторичных цепей трансформаторов тока при симметричной нагрузке, и прочие измеряются с помощью миллиамперметров, подключаемых к измерительным зажимам панелей защиты с соблюдением правил безопасности при работе в токовых цепях или к выводам испытательных блоков. Векторные диаграммы токов при малых токах нагрузки и недостаточной чувствительности имеющихся в наличии приборов снимаются способами, указанными в п. 3.12.14.
3.12.6. Во избежание коротких замыканий все переключения в цепях напряжения проверяемого устройства РЗА при проверке рабочим напряжением должны, как правило, производиться с помощью контрольных штекеров испытательных блоков либо при снятом напряжении с устройства РЗА.
3.12.7. Непосредственно перед проверкой устройств РЗА первичным током и напряжением следует произвести:
а) осмотр аппаратуры устройств РЗА и рядов зажимов;
б) проверку целостности токовых цепей путем измерения их активного сопротивления;
в) проверку изоляции цепей тока и напряжения в соответствии с п. 3.5;
г) проверку наличия заземления в цепях тока, напряжения и т.п.;
д) установку накладок, переключателей, крышек испытательных блоков и других переключающих устройств в положения, при которых исключается воздействие проверяемого устройства на другие устройства и коммутационные аппараты.
В отдельных случаях цепи воздействия на коммутационные аппараты могут не отключаться, если схема первичных соединений допускает одновременное опробование отключения коммутационных аппаратов и это предусмотрено программой.
3.12.8. При проверке устройств РЗА от постороннего источника ток к первичным обмоткам трансформаторов тока может подаваться разными способами, указанными ниже.
3.12.8.1. Одним из способов является проверка от однофазных нагрузочных устройств, например, РЕТ-3000 производства НПП "Динамика". Схемы проверки для разных соединений трансформаторов тока приведены на рис. 11. Первичный ток от любого достаточно мощного нагрузочного устройства подают поочередно на каждый трансформатор тока или на два, или три последовательно включенных трансформатора тока в зависимости от схемы соединений трансформаторов тока и увеличивают до тех пор, пока ток во вторичных цепях трансформаторов тока не достигнет 10-20% номинального значения тока трансформаторов тока. Измеряя токи во вторичных цепях, проверяют исправность токовых цепей, правильность их соединения и правильность установленного коэффициента трансформации трансформаторов тока.

Рис. 11. Схема проверки максимальных токовых защит первичным током от однофазного источника тока:
а - в «полную звезду» при подаче тока в одну фазу; б - «на разность токов»; в - в «неполную звезду»; г - «полную звезду» при подаче тока в три фазы
При этом в схеме "полной звезды" (рис. 11, а) значения токов в фазном проводе проверяемого трансформатора тока и нулевом проводе должны быть практически равны между собой. В схеме "на разность токов" (рис. 11,б) значение тока, поступающего в защиту, должно быть в два раза больше токов, протекающих во вторичных обмотках трансформаторов тока. В схемах "неполной звезды" (рис. 11, в) и "полной звезды" (рис. 11, г) значения токов в фазных проводах должны быть одинаковыми, а значение тока в нулевом проводе должно быть равно сумме токов, протекающих в фазных проводах.
После проверки исправности токовых цепей, если позволяет мощность источника, значение тока следует увеличивать до момента срабатывания защиты. Именно такой способ используется для проверки защит прямого действия.
От однофазного источника могут быть проверены также схемы дифференциальных защит крупных двигателей (рис. 12).

Рис. 12. Схема проверки дифференциальной защиты первичным током от однофазного источника тока
Проверку следует производить поочередно для каждой фазы двигателя. При проверке обмотка проверяемой фазы двигателя должна быть закорочена, а испытательное устройство подключено таким образом, чтобы обтекались током оба трансформатора тока проверяемой фазы (имитация КЗ вне зоны действия защиты). Значения токов, измеренных в фазном и нулевом проводах, должны быть одинаковы (при равных коэффициентах трансформации трансформаторов тока), а в дифференциальном проводе - равны нулю. Целостность проводов дифференциальной цепи следует проверять при подсоединении одного из проводов источника тока к точке К, расположенной в зоне действия защиты, или, если в токовых цепях установлены испытательные блоки, - снятием рабочей крышки блока в одном из плеч дифференциальной защиты (в режиме имитации КЗ вне зоны).
3.12.8.2. Другим способом проверки устройств РЗА является проверка от трехфазного источника питания. Этот способ применяется для проверки продольных дифференциальных, максимальных токовых защит и других устройств РЗА трансформаторов, автотрансформаторов, двигателей, генераторов и блоков генератор-трансформатор. Этот метод следует применять для проверки мощных сетевых трехобмоточных трансформаторов (автотрансформаторов), когда от обмотки низкого напряжения питаются только собственные нужды подстанции, и в этом плече при включении под рабочее напряжение не будет достаточного значения тока для проверки дифференциальной защиты.
Схема проверки защит трансформатора приведена на рис. 13.

Рис. 13. Схема проверки защит трансформатора первичным током от трехфазного источника
Со стороны низкого напряжения трансформатора следует установить испытательную трехфазную закоротку, а со стороны высокого напряжения подать трехфазное напряжение от сети 0,4; 3-10 кВ или от другого трансформатора. Источник питания подключается обычно со стороны высокого напряжения трансформатора для того, чтобы можно было использовать источник меньшей мощности, чем при включении источника со стороны низкого напряжения трансформатора.
Значение испытательного тока (Iисп), в амперах, проходящего через трансформатор от источника пониженного напряжения, следует определить по формуле:
(7)
где Iном - номинальный ток проверяемого трансформатора, А;
Uисп - напряжение источника пониженного напряжения, кВ;
Uном - номинальное напряжение проверяемого трансформатора со стороны подключения источника пониженного напряжения, кВ;
Uк - напряжение короткого замыкания проверяемого трансформатора (той пары обмоток, которая участвует в проверке), %.
При использовании в качестве источника питания другого трансформатора его необходимая мощность Sисп, кВ·А, может быть подсчитана по формуле:
(8)
где Uисп - номинальное напряжение испытательного трансформатора со стороны обмотки, подключаемой к проверяемому трансформатору, кВ;
Sном, Uк - номинальные мощность и напряжение короткого замыкания проверяемого трансформатора соответственно, кВ·А и %;
Uном - номинальное напряжение проверяемого трансформатора со стороны обмотки, к которой подключается испытательный трансформатор, кВ.
Проверку рекомендуется производить в следующем порядке.
а) Необходимо подобрать источник питания (по мощности и напряжению), место его подключения (с какой стороны испытуемого трансформатора) и рассчитать значения первичных и вторичных токов. По значению первичного тока выбрать сечение подводящего кабеля и закоротки, а также оценить, допустим ли режим испытания для источника питания. Рекомендуется в качестве источника питания применять трансформаторы, отключение которых не может вызвать нарушения электроснабжения.
б) При подключении к источнику питания необходимо обеспечить защиту от короткого замыкания в подводящем кабеле.
в) По значениям вторичных токов следует оценить возможность получения достоверных результатов проверки.
При достаточных значениях вторичных токов следует измерить токи и напряжения небалансов дифференциальных защит, фильтров тока прямой, обратной и нулевой последовательностей, снять векторную диаграмму вторичных токов. При снятии векторной диаграммы опорное напряжение, подаваемое на прибор ВАФ, должно быть синхронным с напряжением сети пониженного напряжения. Это напряжение может быть взято от вторичных цепей трансформаторов напряжения или непосредственно от трехфазной сети с линейным напряжением 220-380 В.
Измерение углов между векторами токов в измеряемых цепях можно произвести также с помощью двухлучевого осциллографа и двух токоизмерительных клещей прибора ВАФ. В этом случае осциллографом измеряются утлы между напряжением на выходах токоизмерительных клещей. Двое клещей первоначально подключают в цепь одного и того же провода одинаковой полярностью и соответствующим образом к входам осциллографа, чтобы на экране две синусоиды совпадали по фазе, затем одни клещи поочередно переносятся в цепь двух других фаз токовых цепей, а другие клещи остаются на прежнем месте. При этом определяются углы сдвига фаз между векторами токов по отношению к вектору тока в цепях первой фазы.
При правильно собранных токовых цепях значения токов в фазных проводах должны быть равны:
![]()
(9)
, (10)
где I2зв, I2Δ - токи, протекающие в фазных проводах вторичных цепей трансформаторов тока, соединенных соответственно в "звезду" и "треугольник", А;
I1зв, I1Δ - токи, протекающие в первичных обмотках трансформатора тока, А.
Ктт - коэффициент трансформации трансформаторов тока.
Токи небаланса, измеряемые миллиамперметром в дифференциальных и нулевом проводах, должны быть близки к нулю и не превышать расчетных токов небаланса более чем на 20-30%. При поочередном снятии крышек испытательных блоков измеряются токи в дифференциальных проводах. Они должны быть равны токам в фазных проводах того плеча защиты, вторичные цепи которого остаются в работе. Равенство токов выполняется при отсутствии токовых отсоединений и закорачиваний в сторону трансформаторов тока соответствующих цепей на рядах зажимов устройства РЗА.
Защиты двигателей высокого напряжения могут быть проверены от трехфазного нагрузочного устройства при закороченных обмотках статора или при подключении обмотки статора к сети пониженного напряжения, например, 380 В при закороченных и заземленных обмотках ротора (для двигателей с фазным ротором).
От трехфазного источника может быть проверена также правильность сборки цепей напряжения. В этом случае закоротки не устанавливаются, к первичным обмоткам трансформаторов напряжения подводится пониженное трехфазное напряжение, а во вторичных цепях трансформаторов напряжение вольтметром (милливольтметром) снимается потенциальная диаграмма и затем методом засечек строится векторная диаграмма, по которой определяется правильность сборки схемы (п. 3.12.11).
3.12.8.3. Проверку защит генераторов и блоков генератор-трансформатор удобно выполнять в процессе пусковых испытаний, во время которых производится снятие характеристик КЗ и XX.
Трехфазная закоротка (должна быть рассчитана на номинальный ток генератора) устанавливается на выводах генератора, если он работает на сборные шины, или на стороне высокого напряжения повышающего трансформатора, если генератор работает в блоке с трансформатором. При этом если в цепи протекания первичного тока КЗ от генератора находятся выключатели, необходимо принять меры, предотвращающие их отключения во время проверки, а в цепях возбуждения генератора принять меры, предотвращающие повышение напряжения в статоре генератора при обрыве цепи протекания тока КЗ.
Постепенно повышая ток возбуждения генератора, увеличивают ток КЗ до значения, достаточного для проверки устройств РЗА. Проверку правильности сборки токовых цепей защит можно начинать уже с момента достижения генератором более или менее устойчивых частот вращения, если устанавливаются вторичные токи, достаточные для проверки защит. Окончательную проверку токовых защит можно проводить непосредственно во время опыта КЗ, когда генератор работает при номинальной частоте вращения и с номинальным током. Можно также предварительно снять векторные диаграммы токов, если имеется прибор ВАФ, который может измерять утлы сдвига фаз относительно опорного тока.
Цепи напряжения возбужденного генератора проверяются также при пусковых испытаниях во время снятия характеристики XX.
Таким же способом можно проверять устройства РЗА трансформаторов и линий электропередачи, когда имеется возможность выделить генератор для проверки из защит.
Устройства РЗА генератора могут быть также проверены при вращении невозбужденного генератора валоповоротным устройством при установленной трехфазной закоротке в цепях статора (или за блочным трансформатором) согласно [9].
3.12.9. В случаях, когда проверка устройств РЗА от постороннего источника проводилась малыми токами, недостаточными для достоверной оценки правильности включения устройства РЗА следует после включения оборудования под нагрузку произвести проверку устройств РЗА в полном объеме согласно п. 3.12.10. Если же токи были достаточны, и проверка производилась от трехфазного источника питания, допустимо ограничиться проверкой векторной диаграммы только одной из групп трансформаторов тока и измерить токи небалансов в нулевых проводах, дифференциальных цепях, фильтрах.
3.12.10. Проверку устройств РЗА током нагрузки и рабочим напряжением следует производить при включении в работу первичного оборудования за счет токов нагрузки. Эту проверку можно производить также при предварительном включении первичного оборудования под напряжение за счет уравнительных токов параллельно включенных трансформаторов, токов шунтирующих реакторов, подключенных к ВЛ 500-1150 кВ, емкостных токов участков ВЛ напряжением 500-750 кВ.
При отсутствии нагрузки или источника питания на стороне низкого напряжения автотрансформатора с выносными регулировочными устройствами можно использовать ток регулировочного трансформатора при установке переключателя в крайние положения. При правильно собранных токовых цепях защиты при установке переключателя в положение 1, что соответствует минимальному коэффициенту трансформации между сторонами высокого и среднего напряжения автотрансформатора, вектор тока стороны низкого напряжения должен примерно совпадать с вектором тока стороны среднего напряжения. При установке же переключателя в другое крайнее положение, соответствующее максимальному коэффициенту трансформации, вектор тока стороны низкого напряжения должен примерно совпадать с вектором тока стороны высокого напряжения.
При новом включении проверку следует производить в полном объеме, указанном в п. 3.12.11.
3.12.11. Перед включением под нагрузку должны быть сфазированы первичные цепи вновь вводимого и действующего оборудования. Для этого вновь вводимое оборудование опробуется действующим рабочим напряжением. При этом напряжение должно быть подано и на первичные обмотки вновь вводимых трансформаторов напряжения.
Следует убедиться в исправности вновь вводимых трансформаторов напряжения путем измерения значений напряжений (фазных, линейных, 3U0, между выводами обмоток, собранных в "звезду" и "разомкнутый треугольник") во вторичных цепях проверяемого трансформатора напряжения и проверкой чередования фаз или снятием векторной диаграммы напряжений прибором ВАФ. Измерения производятся в шкафу трансформатора напряжения и на панели щита управления, куда приходят кабели из шкафа трансформатора напряжения. Удобно сначала измерить все напряжения относительно земли. По результатам этих измерений оценивается правильность соединений вторичных обмоток трансформаторов. Если фазные и линейные напряжения симметричны, а в цепи разомкнутого треугольника напряжение небаланса не превышает 1-3 В, то в схеме нет неправильно включенных (перевернутых по полярностям) обмоток. Правильность наименования фаз определяется при определении чередования фаз, либо пофазным отключением трансформатора напряжения со стороны высокого напряжения, если там установлены однофазные разъединители или предохранители. При пользовании фазоуказателем или прибором ВАФ вывод В прибора соединяется с землей (если в схеме трансформатора напряжения заземлен нуль, а не фаза В, то на время проверки заземление нужно перенести на фазу В при снятом первичном напряжении).
Для трехобмоточных трансформаторов напряжения с номинальным первичным напряжением 35 кВ и выше с выведенными вершинами "разомкнутого треугольника" проверку правильности сборки цепей "разомкнутого треугольника" нужно произвести также построением потенциальной диаграммы напряжений. Если вершины "разомкнутого треугольника" не выведены на панель управления, потенциальная диаграмма строится только по результатам измерений в шкафу ТН. Диаграмма строится методом "засечек" по результатам измерений напряжения между каждым из выводов разомкнутого треугольника и всеми фазами и нулем "звезды". Для стандартной схемы вторичных цепей трансформатора напряжения с заземленными выводами фаз В и К построение потенциальной диаграммы приведено на рис. 14, а значение измеренных напряжений - в табл. 4.
Следует обращать особое внимание на проверку правильности маркировки выводов Н и К цепей "разомкнутого треугольника", имеющих приблизительно одинаковые потенциалы по отношению ко всем другим выводам вторичных обмоток трансформатора напряжения. Необходимо проверить на сборке выводов, от какой фазы трансформатора напряжения приходит заземленный конец цепи 3U0. Следует иметь в виду, что ошибочная маркировка и установка заземления в цепи 3U0 приводят к неправильному включению направленных защит и к их неправильным действиям при КЗ в защищаемой сети.
Напряжение вывода К относительно "земли" должно быть равно нулю, а вывода Н - напряжению небаланса 1-3 В.

Рис. 14. Проверка цепей напряжения:
а - принципиальная схема вторичных цепей напряжения сети 35 и выше;
б - векторная диаграмма напряжений для сети с заземленной нейтралью;
в - то же для сети с изолированной нейтралью
В некоторых случаях измеренные значения напряжения выводов Н и К по отношению к корпусу панели, установленной на щите управления, имеют незначительные отличия из-за наведенных напряжений между точкой заземления вторичных обмоток в шкафу трансформатора напряжения и корпусом панели, относительно которого производится измерение на щите управления. В этом случае проверку можно произвести указанным ниже способом.
На ряде зажимов панели, на которую подведены кабели от трансформатора напряжения, временно отсоединяют жилу кабеля с маркой Н в сторону трансформатора напряжения (рис.. 15). Между выводами И и К включают резистор R сопротивлением 50-100 Ом, при этом в цепях между выводами Н и И протекает ток 1-2 А. С помощью клещей прибором ВАФ измеряют токи в цепях с маркировкой Н, К и И на ряде выводов панели и в шкафу трансформатора напряжения, где можно визуально определить заземленную жилу. При правильно выполненных обозначениях на жилах кабеля на панели и в шкафу трансформатора напряжения в цепях с маркировкой К и И должен протекать ток 1-2 А, а в цепях с маркировкой Н ток должен отсутствовать.
После этого следует произвести фазирование вторичных цепей проверяемого трансформатора напряжения с цепями другого, заведомо исправного трансформатора напряжения, измеряя вольтметром напряжения между всеми вторичными цепями проверяемого и заведомо исправного трансформаторов напряжений. При этом напряжение на первичные обмотки проверяемого и заведомо исправного трансформатора напряжения должно непосредственно подаваться от одного и того же источника напряжения. Фазировку следует считать правильной, если

Рис. 15. Схема определения выводов Н и К разомкнутого треугольника
напряжения между цепями с одноименной маркировкой равны нулю (или близки к нулю для цепей с маркировкой В и К), а между другими цепями соответствуют значениям, приведенным в табл. 4.
Аналогично указанным выше способом следует проверить правильность подвода напряжений от проверяемого ТН к колонке синхронизации и к другим устройствам РЗА.
|
Вид сети |
Значения напряжений между фазами вторичных цепей напряжения |
||||||||||
|
АО |
ВО |
СО |
АВ |
ВС |
СА |
ни |
ИФ |
ФК |
нк |
АН |
|
|
С заземленной нейтралью |
58 |
58 |
58 |
100 |
100 |
100 |
100 |
100 |
100 |
1-3 |
100 |
|
С изолированной нейтралью |
58 |
58 |
58 |
100 |
100 |
100 |
33 |
33 |
33 |
1-3 |
100 |
Окончание таблицы 4
|
Вид сети |
Значения напряжений между фазами вторичных цепей напряжения |
||||||||||
|
АИ |
АФ |
АК |
вн |
ви |
ВФ |
вк |
СН |
СИ |
СФ |
СК |
|
|
С заземленной нейтралью |
195 |
195 |
100 |
1-3 |
100 |
100 |
0 |
100 |
142 |
195 |
100 |
|
С изолированной нейтралью |
130 |
129 |
100 |
1-3 |
33 |
33 |
0 |
100 |
105 |
130 |
100 |
После этого первичные цепи проверяемого и действующего оборудования разделяются отключением коммутационных аппаратов, и на проверяемое оборудование подается рабочее напряжение от вновь вводимого источника.
Проверяется фазировка цепей между вторичными цепями вновь вводимого трансформатора напряжения и цепями одного из заведомо исправных трансформаторов напряжения. Этим проверяется фазировка первичных напряжений между проверяемым и действующим оборудованием.
Если на вводимом в работу первичном оборудовании отсутствуют трансформаторы напряжения, оно подключается к специально выделенной системе шин, и фазировка производится аналогично при поданном на оборудование напряжении от противоположного источника между цепями трансформатора напряжения выделенной системы шин и исправными цепями другого трансформатора, питающегося от другого источника. Фазировка цепей считается правильной, если одноименные векторы напряжений совпадают или сдвинуты один относительно другого на небольшой угол, соответствующий углу нагрузки на шунтирующих связях. При правильной фазировке поступающих напряжений первичное оборудование может ставиться под нагрузку (замыкаться в транзит линии электропередачи, подключаться нагрузка к трансформаторам и т.д.).
3.12.12. Проверку исправности всех токовых цепей производить путем измерения токов в фазных и нулевом проводах (проверкой "обтекания" токовых цепей). Ток в нулевом проводе следует измерять с помощью миллиамперметра, включаемого в цепь нулевого провода через измерительный зажим или контрольный штекер испытательного блока, если не хватает чувствительности современных приборов ВАФ. Измерения производятся для проверки целостности токовых цепей, поэтому измеряются только значения токов. Токи измеряются во всех вторичных обмотках, в том числе и в неиспользуемых (измерения в этом случае должны быть проведены в месте их закорачивания в ящике выводов трансформаторов тока).
3.12.13. Проверка исправности и правильности подключения цепей напряжения.
Ниже приведен полный объем работ, который необходимо выполнить в процессе проверки (объем работ, выполненных при фазировке первичных источников, может не повторяться):
а) Проверяется исправность цепей напряжений на выходе панели автоматики трансформатора напряжения во всех положениях ключей, переводящих нагрузку с рабочего на резервный трансформатор напряжения путем снятия потенциальной диаграммы и проверки чередования фаз или снятием векторной диаграммы прибором ВАФ. При определении чередования фаз и снятии векторных диаграмм вывод В фазоуказателя (прибора ВАФ) должен быть подсоединен к земле. При этом также измеряются напряжения цепей всех фаз относительно земли. Измеренные значения должны соответствовать приведенным в табл. 4, напряжение небаланса на выходе "разомкнутого треугольника" не должно превышать 1-3 В.
б) Измеряются значения напряжений цепей "звезды" и "разомкнутого треугольника" на рядах зажимов всех вводимых устройств РЗА, после чего фазируются цепи этих напряжений с цепями напряжений на панели автоматики трансформатора напряжения или с другими панелями РЗА, на которых цепи напряжения заведомо исправны.
В отдельных случаях следует производить фазировку напряжений на выводах отдельных реле и аппаратов и на рядах зажимов устройств РЗА, если имеется сомнение в достаточности предыдущих проверок для определения правильности выполнения монтажа панели.
3.12.14. Проверяется правильность подключения устройств РЗА к цепям тока. Проверка производится в следующей последовательности:
а) С помощью прибора ВАФ снимаются векторные диаграммы токов на входе каждого устройства РЗА. Измерения следует производить на рядах зажимов устройств. В отдельных случаях в соответствии с инструкциями на отдельные устройства следует снять векторные диаграммы токов на выводах реле, комплектов, например, при съеме этих реле, комплектов, когда схема переменного тока этих реле, комплектов проверялась при подаче токов не на ряд зажимов устройства, а на выводы реле, комплектов и т.п.
Для обеспечения возможности снятия векторных диаграмм при малых значениях токов нагрузки (меньше 50-100 мА во вторичных цепях трансформаторов тока) применяются современные приборы ВАФ или при их отсутствии следующие методы. В рассечку токовых цепей на контрольных штекерах испытательных блоков или на контактных мостиках измерительных зажимов ряда зажимов включаются катушки из нескольких витков изолированного провода. Токоизмерительными клещами при измерении охватываются все витки катушки, и значения токов, измеренных ВАФ в этом случае, следует разделить на число витков катушки, охватываемых токоизмерительными клещами. Другой метод: между токоизмерительными клещами и прибором ВАФ включаются приставки - усилители тока (схемы таких приставок разработаны в ряде энергосистем) для увеличения тока, поступающего к прибору. Однако следует обратить внимание, что при малых токах нагрузки погрешности трансформаторов тока, к которым подключена защита, могут возрастать, и это может вносить погрешности в векторные диаграммы. Причиной тому пологая начальная часть характеристики намагничивания трансформаторов тока, приводящая к относительному возрастанию погрешности.
Перед снятием векторных диаграмм в токовых цепях следует проверить соблюдение полярности подключаемых к прибору токоизмерительных клещей и установку нуля по току. (Одним из методов проверки исправности прибора ВАФ-85 является подключение клещей обратной полярностью на провод, подходящий к выводу фазы С опорного напряжения. ВАФ-85 должен показать угол 0°).
При снятии векторных диаграмм токов токоизмерительными клещами следует охватывать провод, в котором измеряется ток, таким образом, чтобы полярная сторона токоизмерительных клещей (отмеченная звездочкой) была обращена в сторону фазных выводов трансформаторов тока.
При измерениях должно быть обеспечено плотное прилегание плоскостей магнитопроводов токоизмерительных клещей без зазоров и перекосов, при измерении прибором ВАФ-85 фазы тока относительно опорного напряжения направление вращения лимба и направление движения стрелки к нулю должны обязательно совпадать.
б) Выясняется точное направление и значения активной, реактивной мощностей и первичного тока, протекающего по данному присоединению. В некоторых режимах направления мощностей заранее известны, например, при прогрузке защит током реактора или емкостным током ВЛ, при работе нагруженного двигателя и т.п. Целесообразно также создавать тупиковый режим нагрузки по присоединению с проверяемой защитой. В остальных случаях определение направления и значений мощностей и тока следует производить по соответствующим ваттметрам и амперметрам и уточнять у диспетчера, в управлении которого находится данное присоединение (стабильность направления и значений активной и реактивной мощностей при проверке токовых цепей под нагрузкой следует периодически контролировать). Для повышения достоверности при определении направления перетоков мощности следует, по возможности, снимать также векторные диаграммы на противоположных концах присоединения.
При симметричной нагрузке положение вектора какой-либо фазы первичного тока, протекающего по присоединению, например, IА, относительно вектора соответствующего фазного напряжения, например, UА0, может быть определено с помощью диаграммы мощностей на плоскости Р, Q (рис. 16). На осях Р и Q следует нанести (с учетом направления) значения активной и реактивной мощностей, протекающих по присоединению. Поскольку эти значения являются проекциями полной мощности S, (Р = U I cosφ, Q = U I sinφ) по имеющимся двум проекциям строится изображение полной мощности S. Угол φ между направлением +Р и направлением изображения полной мощности S является также углом между фазным напряжением (UA0) и соответствующим фазным током (IA), поскольку РА = UA0 IA cosφ. Располагая вектор UA0 по оси +Р, получаем, что интересующее нас направление вектора тока (IA) совпадает с направлением изображения полной мощности S. Если рассчитанное таким образом направление тока совпадает с направлением, полученным при снятии векторной диаграммы, значит, токовые цепи защиты собраны правильно, и векторная диаграмма снята правильно.
Точные значения активной и реактивной мощностей могут быть вычислены и в обратном порядке. При снятии векторной диаграммы выяснилось, что ток каждой фазы, например, IA, отстает от своего фазного напряжения, например, UA0, на угол φ. Активная мощность по фазе А присоединения вычисляется по выражению РА = UA0 IA cosφ, а реактивная - по выражению
QA = UA0 IA sinφ, или для трехфазной системы
и
где все напряжения и
токи заданы в первичных значениях, и в двух последних формулах использованы
линейные напряжения. Результаты расчета сравниваются с показаниями достоверных
щитовых приборов, с данными диспетчера и данными противоположного конца линии.

Рис. 16. Построение вектора первичного тока по значениям и направлению активной и реактивной мощностей, протекающих по присоединению
в) Проверяется соответствие коэффициентов трансформации трансформаторов тока по значениям первичных и вторичных токов и направления векторов одноименных фаз первичного и вторичного токов. Направления этих векторов должны совпадать. Исключения допускаются для дифференциальных защит шин, трансформаторов, генераторов и т.п., в которых токи в отдельных плечах защиты могут быть сдвинуты относительно первичного тока на 180°. Если вторичные обмотки трансформаторов тока собраны в "треугольник", сравнивать направления первичных и вторичных токов следует с учетом группы соединения вторичных обмоток трансформаторов тока.
Правильность сборки токовых цепей дифференциальных защит следует определять по минимальному значению тока небаланса в дифференциальных проводах при протекании по всем плечам защиты тока нагрузки и по увеличению небаланса при поочередном исключении вторичных токов, протекающих в плечах защиты. Исключение вторичных токов производится снятием крышек испытательных блоков. Как правило, нагрузка должна быть не менее 10-20% значения номинального тока трансформаторов тока, используемых в защите. Порядок производства этой работы аналогичен описанному в п. 3.12.8. Во многих реле, в том числе микропроцессорных, дифференциальная цепь существует лишь виртуально, внутри устройства. Значит, небаланс надо измерять иными способами, для реле серий РНТ, ДЗТ по току в реагирующем органе, для МП терминалов по показаниям дифференциального тока на дисплее или иными способами, изложенными в инструкциях фирм-изготовителей.
Не следует делать заключения о правильности подключения токовых цепей только на основе проверки направления вторичных токов без учета соответствия направлению первичных токов.
3.12.15. Проверяется поведение устройств блокировок при неисправностях цепей напряжения. Следует проверять поведение устройства при поочередном отключении на ряде выводов устройства всех проводов цепей напряжения "звезды" и "разомкнутого треугольника", при поочередном снятии крышек испытательных блоков цепей "звезды" и "разомкнутого треугольника". В этих режимах следует измерять токи в цепях выходного реле устройства. Значения этих токов должны превышать значения токов срабатывания реагирующего органа, и устройство должно срабатывать при отсоединении любого из проводников цепей напряжения за исключением цепей с маркировкой К и 0. При восстановленных цепях напряжения следует измерить значения тока небаланса. Если устройства блокировки выполнены с компенсирующими обмотками, подключенными к напряжениям разомкнутого треугольника (3U0 и Н-И), следует произвести измерение небаланса при имитации однофазного короткого замыкания в сети (рис. 17). На представленном рисунке изображен модернизированный вариант блокировки с общей компенсирующей обмоткой, подключенной через резисторы R38, 39 к напряжению 3U0 и через резисторы R36, 37 к напряжению Н-И. Тем не менее, схема имитации однофазного КЗ остается такой же и для варианта блокировки с двумя разными обмотками, подключенными к напряжениям 3U0 и Н-И. В типовом исполнении цепей "разомкнутого треугольника" и блокировки имитируется КЗ на фазе А Однако при других вариантах сборки цепей "разомкнутого треугольника" необходима реконструкция блокировки. В этом случае имитируется однофазное КЗ на другой фазе. Значение тока небаланса должно быть меньше тока возврата реле. Конкретные значения кратности токов, протекающих в выходном реле блокировки, при обрывах отдельных цепей напряжения, а также небалансов при подводе исправных цепей напряжения должны соответствовать нормам, приведенным в заводской документации.

Рис. 17. Схема проверки модернизированного варианта блокировки при неисправностях в цепях напряжения
3.12.16. Проверяется правильность работы и небалансы на выходах фильтров симметричных составляющих тока и напряжения прямой и обратной последовательностей.
Должны быть проверены правильность подключения к цепям тока или напряжения и правильность настройки фильтров симметричных составляющих тока и напряжения, содержащихся в измерительных и пусковых органах устройств РЗА. Проверка производится путем измерения значений тока или напряжения на выходах фильтров при поочередной подаче на вход устройств симметричной трехфазной системы тока или напряжения прямого и обратного чередований фаз. Проверку настройки фильтров тока желательно производить при токах нагрузки во вторичных токовых цепях не менее 20% номинального значения вторичного тока трансформаторов тока, к которым подключены устройства. В некоторых случаях оценку правильности подключения к токовым цепям можно производить и при меньших значениях тока.
Для фильтров обратной последовательности измеряется значение небаланса при подаче прямого чередования фаз воздействующих величин и значение выходного параметра при подаче обратного чередования фаз перекрещиванием любых двух фазных проводов. Значение выходного параметра в этом случае должно быть пропорционально подведенным токам или напряжениям обратной последовательности. При этом фиксируется поведение выходного реле. Оно должно сработать при превышении входным током или напряжением выполненной уставки. Для фильтров прямой последовательности - наоборот, значение выходного параметра должно быть пропорционально подведенным токам или напряжениям, а при подаче обратного чередования фаз на выходе фильтра должно быть лишь напряжение небаланса.
Значение небаланса измеряется амперметром с малым потреблением или вольтметром с большим внутренним сопротивлением. Для фильтра напряжения значение небаланса должно быть меньше параметра возврата выходного реле. Для фильтра тока значение небаланса должно быть меньше параметра возврата выходного реле при заданном максимальном токе нагрузке. Значение этого тока небаланса определяется по току, измеренному в обмотке выходного реле и умноженному на отношение тока максимальной нагрузки к току, протекающему по линии в момент измерения. Повышенные значения небалансов в выходных цепях фильтров могут быть вызваны следующими причинами: наличием в кривых подводимых напряжений и токов гармонических составляющих (третьей - в токах и напряжениях и пятой - в напряжениях), наличием несимметрии подводимых напряжений и токов, разницей в частотах сети при проверке рабочим напряжением и током нагрузки и при настройке фильтра от испытательного устройства. Учет влияния этих факторов достаточно сложен, поэтому проверки желательно производить при таком режиме, когда влияние этих факторов на значение небаланса незначительно.
При проверке комбинированных фильтров тока I1; + К I2 следует измерить напряжение на выходе фильтра (органа манипуляции) при подаче обратного и прямого чередований фаз тока. Отношение выходного напряжения при подаче обратного чередования к выходному напряжению при подаче прямого чередования фаз должно быть примерно равно коэффициенту К комбинированного фильтра. Аналогично, но при подаче соответствующей системы напряжений проверяются и комбинированные фильтры напряжений U1 + К U2, применяемые в некоторых схемах для компенсации емкостного тока в органе манипуляции ВЧ передатчиком.
После окончания проверок и восстановления цепей тока и напряжения в исходное состояние следует проконтролировать правильность восстановления цепей напряжения и тока измерением значения выходного параметра фильтра. Это значение должно соответствовать выходному параметру при токе (напряжении) прямой последовательности при данной нагрузке (напряжении).
3.12.17. Проверяется правильность работы устройств компенсации в защитах ВЛ 330-500 кВ. Следует проверить правильность подключения вторичных обмоток устройств компенсации сопротивлений обратной последовательности I2 Z2k в пусковых органах релейной защиты, К·3I0, - нулевой последовательности в дистанционных реле, включенных на фазные напряжения и токи, и компенсации емкостных токов - в измерительных органах устройств РЗА, включенных на ВЛ напряжением 330 кВ и выше.
3.12.17.1. Проверяется устройство компенсации сопротивления обратной последовательности в пусковом устройстве защиты, включенном на напряжение и ток обратной последовательности в соответствии с выражением |Up| = |U2 - I2Z2k|, где U2, и I2, - напряжение и ток обратной последовательности, подаваемые на устройство, a Z2k - сопротивление компенсирующего устройства. Для проверки этого устройства на защиту подается обратное чередование фаз тока (перекрещиваются фазы В и С), поочередно отсоединяются фазы А, В, С проверяемого устройства от цепей напряжения с подключением их к нулевому проводу (имитируются однофазные КЗ в цепях напряжения), и измеряются значения токов I2p на выходе измерительного или пускового органа. Соотношения значений измеренных токов должны быть пропорциональны значениям U2p, определенным графически из векторной диаграммы рис. 18:
I2p(A) : I2p(B) : I2p(C) = U2p(A) : U2p(B) : U2p(C) (11)
При построении векторной диаграммы следует учесть, что вектор тока I2(A) равен и совпадает с вектором тока 1A, поскольку в устройстве поменяли местами фазы В и С (см. рис. 18, а). Модуль вектора jI2A Z2k подсчитывается по заданной уставке Z2k и измеренному значению тока IA а по направлению вектор jI2A Z2k опережает вектор этого тока на угол 90°.
Значение вектора напряжения U2A равно одной трети фазного напряжения, а его направление для каждой имитации, определенное по формуле:
(12)
совпадает с вектором минус UA при отключении фазы А, минус UC при отключении фазы В и минус UB при отключении фазы С.
Четкость проверки правильности настройки устройств компенсации обеспечивается при соблюдении условий IфZ2K ≥ 0,05 Uф.. При малых значениях токов нагрузки следует на время проверки установить максимальное значение Z2k.

Рис. 18. Построение диаграмм для определения правильности включения компенсирующего устройства сопротивления обратной последовательности при подаче обратного чередования тока и имитации однофазных КЗ в цепях напряжения:
а - векторная диаграмма рабочих токов и напряжений; б - диаграмма рабочих токов и напряжений при имитации по цепям напряжения КЗ на фазе А; в - то же на фазе В; г - то же на фазе С
3.12.17.2. Проверяется устройство компенсации
сопротивления нулевой последовательности в реле сопротивления, включенных на
фазные токи и напряжения по схеме с токовой компенсацией. При проверке
направленности характеристики реле сопротивления путем уменьшения рабочего
напряжения, подаваемого на устройство РЗА с помощью потенциометра (п. 3.12.19 и рис.
26), определяют по два значения сопротивления срабатывания. Первое - при
подаче в устройство только фазного тока и второе при подаче только тока 310.
В обоих случаях эти сопротивления, определяемые по соотношениям
и
должны соответствовать углу между рабочим напряжением и током
нагрузки, а также угловой характеристике срабатывания реле. Затем фазный ток и
ток 3I0
подаются одновременно. По уменьшению сопротивления срабатывания до значения,
рассчитанного по соотношению
определяется правильность включения фазной и компенсационной
обмоток между собой. Этим подтверждается правильность суммирования токов Iф + k·3I0.
3.12.17.3. Проверяется устройство компенсации емкостного тока ВЛ напряжением 330 кВ и выше. В случае, если проверка производится на ВЛ, включенной на холостой ход (реакторы на противоположном конце ВЛ должны быть отключены), условием правильного включения будет уменьшение напряжения на выходе устройства компенсации наполовину или до нуля (при компенсации соответственно половины значения емкостного тока ВЛ или полного его значения) при подаче одновременно тока и напряжения по сравнению с выходным напряжением только от поданного тока. Для устройств, где компенсируются другие части значения емкостного тока ВЛ, эти соотношения, характеризующие правильность включений компенсирующего устройства, могут быть иные. Например, в защите ПДЭ-2003 компенсируется 0,5 и 1,2-1,4 емкостного тока ВЛ. Изменением положения переключателя уставки следует при необходимости произвести корректировку уставки емкостного тока. В зависимости от вида устройства следует подавать соответствующие системы токов и напряжений (симметричные и несимметричные, прямое и обратное чередования фаз). Например, при проверке емкостной компенсации в комбинированных фильтрах органа манипуляции дифференциально-фазных защит ВЛ сначала подаются три комбинации симметричных токов и напряжений прямой, а затем обратной последовательности, а при проверке емкостной компенсации в токовых реле УРОВ (в устройстве ПДЭ-2005) подаются фазные напряжения и токи.
В случае, если по ВЛ протекает ток нагрузки, правильность подключения устройства следует определять по соотношению величин, получаемых при измерениях, и из векторной диаграммы.
На устройство, подключенное через фильтры обратной последовательности, подается напряжение обратной последовательности (перекрещиваются фазы В и С) совместно с поочередной подачей одного из фазных токов и измеряются напряжения на выходе измерительных и пусковых органов U2p. Соотношения значений измеренных напряжений должны быть пропорциональны значениям I2p,определенным графически из векторной диаграммы рис. 19:
U2р(А) : U2p(B) : U2p(C) = I2p(A) : I2p(B) : I2p(C). (13)

Рис. 19. Построение диаграмм для определения правильности включения компенсирующего устройства емкостного тока ВЛ, включенного через фильтры обратной последовательности:
а - векторная диаграмма рабочих токов и напряжений; б - диаграмма при подведении к устройству тока фазы А; в - то же фазы В; г - то же фазы С
При построении векторной диаграммы следует учесть, что вектор напряжения U2A, равен и совпадает с вектором напряжения UA, значение вектора jU2A Y2K подсчитывается по заданной уставке и опережает вектор UA на 90°. Значение вектора тока I2A равно одной трети фазного тока, а его направление, определенное формулой:
(14)
совпадает с вектором IA при пропускании через устройство тока фазы А, IC при пропускании через устройство тока фазы В, IB при пропускании через устройство тока фазы С.
На устройство, включенное на фазное напряжение и фазный ток, подается
сначала только ток, на который оно включено, затем только напряжение, а затем
совместно напряжение и ток, и измеряются напряжения Up(I), Up(U),
Up(I + U) на выходе измерительного или пускового
органа. Соотношения значений измеренных напряжений должны быть пропорциональны
значениям векторов IA, IKA(C), IΣ,
полученным из векторной диаграммы рис. 20:
Up(I) : Up(U) : Up(I+U) = IA : IKA(C) : IΣ (15)

Рис. 20. Построение векторной диаграммы для определения правильности включения компенсирующего устройства емкостного тока ВЛ, включенного на фазное напряжение
3.12.18. Проверяется правильность включения органа направления мощности. Эту проверку следует производить путем фиксации состояния контактов реле (выхода реле или терминала) при подведении к реле различных комбинаций тока и напряжения (достаточно трех комбинаций). Обычно следует подавать одно и то же напряжение и поочередно ток каждой фазы (рис. 21). Так как векторы токов разных фаз смещены один относительно другого на 120°, это всегда позволяет получить четкие действия реле, хотя бы для токов двух фаз.
Для реле, включенных на полные значения напряжений и токов, подаются полные значения напряжений и токов (рис. 21, б).
Для защиты от замыканий на землю к реле вместо цепей с маркировкой "Н" подаются цепи с маркировкой "И" (испытательная жила) от цепей напряжения "разомкнутого треугольника" (имитируется однофазное КЗ на фазе А, при условии, что цепи напряжения "разомкнутого треугольника" собраны по типовой схеме), и поочередно токи каждой фазы пропускаются через токовую обмотку реле (рис. 21, в).
Для реле мощности обратной последовательности по цепям напряжения имитируются междуфазные или однофазные КЗ, а в токовые цепи реле поочередно подаются токи всех фаз (рис. 21, г, д). Эти реле можно проверить также и при подаче на них токов и напряжений обратной последовательности трех фаз. Для этого на реле путем перекрещивания двух фаз напряжения на крышке испытательного блока подается система напряжений обратной последовательности и затем поочередно три системы токов обратной последовательности (рис. 21, е).
Для облегчения анализа правильности поведения реле токи нагрузки разных фаз целесообразно подводить к одним и тем же цепям реле, например, при проверке реле мощности обратной последовательности однофазными токами можно через токовую обмотку фазы А реле или через последовательно соединенные токовые обмотки фаз В и С поочередно пропустить нагрузочный ток фаз А, В и С.
Предварительно, зная векторные диаграммы токов нагрузки, следует определить ожидаемое поведение реле. Для этого нужно определить, какие из векторов рабочего напряжения будут подводиться при имитациях к обмотке напряжения реле, т.е. определить положение вектора Up. Относительно вектора Up, зная угол максимальной чувствительности, определить линию максимальных, а затем нулевых моментов, т.е. определить зону работы реле. Для реле мощности обратной последовательности зоны работы могут строиться для токов и напряжений обратной последовательности (рис. 21, г, е) или для полных значения токов и напряжений (рис. 21, д). Углы максимальной чувствительности при этом будут разные. После этого следует нанести на диаграмму положение трех векторов тока, которые будут подводиться к токовым обмоткам реле при имитациях (на основании положения векторов токов нагрузки и вида симметричных составляющих, на которые реагирует реле). По положению этих векторов относительно зоны работы определяют ожидаемое поведение реле. Кроме того, на диаграмму обычно наносят положение вектора тока КЗ, который протекал бы при КЗ на защищаемом элементе первичной сети в режиме, соответствующем имитируемому по цепям напряжения. Вектор тока КЗ должен попадать в зону работы реле, если оно должно срабатывать при КЗ на защищаемых элементах, или в зону блокировки, если оно в этом режиме должно блокироваться. При нанесении векторов тока и напряжения, подводимых к обмоткам реле, на диаграмму, следует определять положения векторов Up, Ip , начала (стрелки) которых подходят к однополярным выводам реле (отмечены *), так как относительно них задается угол максимальной чувствительности реле, и строится зона работы реле. Кроме того, зону работы следует строить для определенного контакта реле с учетом назначения реле и схемы включения этого контакта в оперативных цепях.
На рис. 22 для примера построена зона работы реле мощности нулевой последовательности C φм.ч = 75°.
После этого следует произвести намеченные имитации режимов и сравнить фактическое поведение реле с ожидаемым. Если они совпадают, реле мощности включены правильно. При возникновении сомнений в правильности поведения следует снять векторные диаграммы токов и напряжений на выводах самого реле.
При проведении имитаций режимов к реле должны подводиться мощности, достаточные для срабатывания реле при различных углах между векторами тока и напряжения (превышающие мощность срабатывания реле не менее чем в 2-3 раза). При малых значениях токов нагрузки можно на время проверок уменьшать заданную уставку мощности срабатывания реле с помощью переключателей уставок, если таковые имеются, или искусственно увеличивать значение тока, подводимого к реле, с помощью трансформатора тока, например, И54 (рис. 23). В этом случае необходимо проверить, чтобы векторная диаграмма токов, подводимых к реле от повышающих трансформаторов тока, соответствовала нагрузке.
При проверках электромеханических реле мощности следует ориентировочно оценивать механический момент на траверсе подвижного контакта при различных имитациях.
Следует учитывать, что некоторые реле могут иметь ширину зоны работы, меньшую 180°. Например, в реле мощности обратной последовательности защиты ПДЭ-2003 ширина этой зоны и на срабатывание, и на блокировку составляет 120-135°.
Для проверки таких реле следует подбирать такие сочетания токов и напряжений, при которых реле четко действует на срабатывание или на блокировку.
Устройства компенсации сопротивления обратной последовательности и емкостного тока изменяют зону работы реле, поэтому при имитациях они должны быть выведены из работы с помощью переключателей.
На рис. 21 приведены примеры построения векторных диаграмм и переключений в цепях тока и напряжения при имитациях для проверки различных типов реле мощности. На рис. 21,б приведена диаграмма для реле мощности, включенного на напряжение UВС и ток IA На рис. 21, в - для реле мощности нулевой последовательности при имитации в цепях напряжения однофазного КЗ на фазе А и поочередной подаче в цепь тока фазных токов.
На рис. 21 г, д, е для реле мощности обратной последовательности: на рис. 21, г при имитации однофазного КЗ в цепях напряжения и построения диаграммы относительно составляющих тока и напряжения обратной последовательности, на рис. 21, д при имитации по цепям напряжения междуфазного КЗ на фазах В и С с подачей в последовательно соединенные токовые обмотки фаз В и С тока фазы А на рис. 21, е при подаче трехфазной системы напряжений обратной последовательности АСВ и трех систем токов обратной последовательности АСВ, ВАС и СВА (при этом фильтр напряжений обратной последовательности будет выделять значения UA, а фильтры токов - поочередно значения, пропорциональные векторам IA, IВ, IС).


Рис. 21. Определение ожидаемого поведения реле мощности при подведении рабочих токов и напряжений:
а - векторная диаграмма рабочих токов и напряжений; б - проверка реле мощности, включенного на междуфазные КЗ по 90-градусной схеме; в - проверка реле мощности нулевой последовательности; г - проверка реле мощности обратной последовательности с построением диаграммы работы реле в системе напряжений и токов обратной последовательности; д - то же с построением диаграммы в системе полных величин; е - тот же с подачей системы напряжений и трех систем токов обратной последовательности

Рис. 22. Определение зоны работы реле мощности нулевой последовательности при подведении рабочих токов и напряжений:
а - схема подведения цепей тока и напряжения к реле; б - построение зоны работы реле
С учетом векторной диаграммы нагрузок (см. рис. 21, а) реле реагируют следующим образом:
на рис. 21, б реле срабатывает при подведении тока IA и не срабатывает при подведении токов IB, IC;
на рис. 21, в реле срабатывает при подведении токов IA, IB и не срабатывает при подведении тока IС;
на рис. 21, г реле срабатывает при подведении токов IA, IВ и не срабатывает при подведении тока IС;
на рис. 21, д реле срабатывает при подведении тока IB и не срабатывает при подведении токов IA, IC;
на рис. 21, е реле срабатывает при подведении системы токов СВА и не срабатывает при подведении системы токов АСВ и ВАС.
3.12.19. Проверяется правильность включения реле сопротивления.
Проверку реле сопротивления следует производить путем перевода реле сопротивления в режим реле направления мощности (в случае, если имеется контур подпитки, питающийся от неповрежденной фазы напряжения) или снижением значения рабочего напряжения, подводимого к реле (в случае, если контур памяти отсутствует или питается от линейных напряжений), и путем оценки поведения реле при подведении к нему разных фаз токов нагрузки.

Рис. 23. Схема увеличения значения тока, подводимого к реле, с помощью измерительного трансформатора тока
Правильность включения реле сопротивления дистанционных защит обычно проверяют только для одного реле сопротивления первой ступени, например, включенного на линейное напряжение АВ, считая при этом, что возможные ошибки в пределах устройства РЗА были выявлены на предыдущих этапах наладки с помощью испытательного устройства.
При включении отдельных ступеней дистанционной защиты на разные группы вторичных обмоток трансформаторов тока (например, при раздельном включении I и II комплектов модернизированной панели ЭПЗ-1636 или основного и резервного комплекта защиты ШДЭ-2802) следует производить проверку только для одного реле сопротивления, но для каждой группы. Для других устройств РЗА следует проверить правильность подключения каждого реле сопротивления.
Перевод реле сопротивления, в котором подпитка выполнена от неповрежденной фазы напряжения, в режим реле направления мощности следует производить путем его отсоединения от цепей напряжения, закорачивания в сторону панели цепей рабочего напряжения реле и подведения фазных напряжений от цепей напряжения в контур подпитки проверяемого реле, При этом цепи тока этого реле остаются подключенными к току нагрузки. Угол максимальной чувствительности реле в режиме реле направления мощности, отсчитываемый относительно напряжения, подаваемого в контур подпитки, равен углу максимальной чувствительности реле сопротивления плюс 90°. Можно также пользоваться углом максимальной чувствительности реле сопротивления, но помнить, что подавая напряжение Со, имитируем напряжение АВ, подавая напряжение А0 имитируем напряжение ВС, подавая напряжение В0, имитируем напряжение СА.
Для электромеханических реле сопротивления (в настоящее время сняты с производства) перевод в режим реле направления мощности следует осуществлять переключением соответствующих накладок, при этом значение угла максимальной чувствительности реле в режиме реле направления мощности остается тем же, что и в режиме реле сопротивления или равном 90° (в зависимости от типа реле).
Реле, у которых отсутствует контур подпитки, питающийся от неповрежденной фазы цепей напряжения, следует проверять, подводя к реле ток нагрузки и пониженное напряжение от трансформатора напряжения. Для этого с помощью потенциометра или автотрансформатора понижают напряжения, поступающие от трансформаторов напряжения, и, подводя к реле напряжения разных фаз, измеряют напряжения срабатывания реле (рис. 24).
Для реле, имеющих характеристики срабатывания с охватом начала координат, для фиксации двух точек срабатывания измерения следует производить с изменением фазы подводимого напряжения на 180°.

Рис. 24. Схема проверки правильности подключения реле сопротивления путем подвода к реле пониженного значения рабочего напряжения:
а - реостата, включенного по схеме потенциометра; б - лабораторного автотрансформатора
При проверках ненаправленных реле сопротивления с характеристикой в виде окружности (или многоугольника) с центром в начале координат следует дополнительно снять векторные диаграммы напряжений и токов на выводах реле.
Значения сопротивлений срабатывания (Zcp), в омах на фазу, для реле, включенных на линейные напряжения и токи, необходимо подсчитать по формуле:
(16)
Для реле, включенных на фазные напряжения и токи:
(17)
если фазный ток не пропускается через компенсационную обмотку;
(18)
если фазный ток пропускается только через компенсационную обмотку;
(19)
если фазный ток пропускается через фазную и компенсационную обмотки, где Zcр - сопротивление срабатывания реле, Ом/фазу;
Uл.ср, Uф.ср - линейные и фазные значения напряжений срабатывания, В;
К - коэффициент компенсации тока нулевой последовательности;
Iф - фазный ток нагрузки, А.
Iл - линейный ток нагрузки, понимаемый, как геометрическая разность фазных токов, подводимых к реле, А.
По угловым характеристикам реле сопротивления, зная углы между напряжениями и токами, определяют расчетные значения сопротивлений срабатывания и сравнивают их с измеренными. Измерения выполняются для нескольких сочетаний подводимых напряжений (или токов).
Реле сопротивления следует считать включенными правильно, если ожидаемое поведение их совпадает с фактическим при проверках реле сопротивления в режиме реле направления мощности или расчетные значения сопротивлений срабатывания совпадают с измеренными при проверках снижением напряжения.
При сомнениях в результатах проверки следует проверить векторную диаграмму токов и напряжений на выводах самого реле.
Реле сопротивления следует проверять при токах нагрузки, близких или превышающих значения тока точной работы реле сопротивления. Увеличить значения токов, подводимых к реле, можно с помощью трансформаторов тока, включаемых по схеме, приведенной на рис. 23.
На рис. 25 построены векторные диаграммы и показаны переключения, проводимые в цепях напряжения при проверках реле сопротивления с переводом в режим направления мощности, а на рис. 26 - при подведении пониженного напряжения. На рис. 25, б, в, г диаграммы построены относительно напряжений, подводимых к контуру подпитки (Un), и нанесены векторы тока IAB в соответствии с диаграммой на рис. 25, а. На рис. 25, д векторная диаграмма построена относительно условно неподвижного вектора тока. В этом случае знак значения утла максимальной чувствительности меняется на противоположное по отношению к знаку значения этого угла при неподвижном векторе напряжения. Как видно из рисунка, для определения ожидаемого поведения реле при построении диаграммы приведенным способом достаточно построить одну диаграмму вместо трех.

Рис. 25. Определение ожидаемого поведения реле сопротивления при переводе реле в режим направления мощности:
а - векторная диаграмма рабочих токов; б - при подведении к контуру подпитки Uc0;
в - при подведении к контуру подпитки UA0 г - при подведении к контуру подпитки UB0
д - путем построения векторной диаграммы относительно условно-неподвижного вектора тока

Рис. 26. Определение ожидаемого поведения реле сопротивления путем снижения напряжения:
а - векторная диаграмма рабочих токов и напряжений;
б - Zcp по угловой характеристике;
в - схема подачи напряжений
На рис. 26 показано определение расчетных значений Z по угловой характеристике реле в зависимости от фаз подведенного напряжения. Порядок подключения цепей от трансформатора напряжения к устройству РЗА для проверки Zcp в различных точках угловой характеристики приведен в табл. 5.
Таблица 5
|
Точки угловой характеристики |
Подключение зажимов реостата к фазам вторичных цепей напряжения |
|
|
Зажим 1 |
Зажим 2 |
|
|
1 |
А |
В |
|
1' |
В |
А |
|
2 |
В |
С |
|
2' |
С |
В |
|
3 |
с |
А |
|
3' |
А |
С |
3.12.20. Производятся двусторонние проверки устройств РЗА совместно с аппаратурой ВЧ каналов.
3.12.20.1. Следует проверить правильность совместной работы устройств РЗА, установленных на противоположных концах ВЛ (на многоконцевых ВЛ двусторонние проверки производятся поочередно) и связанных между собой с помощью ВЧ аппаратуры, например, высокочастотных дифференциально-фазных защит, направленных защит с ВЧ блокировкой, устройств отключения противоположного конца ВЛ, устройств ускорения резервных защит, устройств противоаварийной автоматики и т.п. Двусторонняя проверка диффазной защиты выполняется путем снятия фазной характеристики и установкой заданного угла блокировки, проверки фазировки цепей тока и напряжения и правильности подключения органов манипуляции ВЧ передатчиками на противоположных концах ВЛ, обмена ВЧ сигналами для дифференциально-фазных защит ВЛ. Для других устройств РЗА производится проверка правильности прохождения сигналов от передающего к приемному устройству РЗА. Перед этими проверками должна быть полностью проверена аппаратура ВЧ канала.
3.12.20.2. При двухсторонней проверке диффазной защиты снимается фазная характеристика, т.е. зависимость тока в исполнительном реле органа сравнения фаз от угла сдвига между векторами напряжений на выходе органов манипуляции противоположных концов ВЛ. Эту работу возможно производить и при отключенной ВЛ при наличии источников синхронных напряжений на обоих концах ВЛ или после включения ВЛ под напряжение или под нагрузку. Ветви фазной характеристики могут оказаться несимметричными из-за наличия отраженного от неоднородностей ВЧ канала сигнала, мощность которого достаточна для дополнительного запирания ВЧ приемника. Считается допустимым такое влияние отраженного сигнала, при котором при переключении выхода приемопередатчика с 75 Ом на линию ширина импульса тока на выходе приемника уменьшается (напряжение на выходе приемника увеличивается) не более чем на 10°.
При снятии фазной характеристики нуль отсчета, т.е. совпадение векторов напряжения манипуляции двух концов ВЛ целесообразно брать при совмещении начал "своего" и "чужого" пакетов ВЧ передатчиков за линейным фильтром (в сторону "своего" передатчика). Только в случае такого подхода к снятию фазной характеристики можно оценить несимметрию ее ветвей.
3.12.20.3. В диффазной защите проверяется правильность фазировки цепей тока. Эта проверка производится на включенной под нагрузку линии (нагрузка должна быть достаточной для полной манипуляции ВЧ сигналов) при запущенных передатчиках на обоих концах ВЛ путем пофазной подачи токов нагрузки в защиту на каждом конце ВЛ и сравнения манипулированных ВЧ сигналов в приемниках обоих полукомплектов защит (рис. 27).



Рис. 27. Проверка правильности фазировки цепей тока по концам ВЛ:
а - направление перетоков мощности по ВЛ; б - векторная диаграмма рабочих токов и напряжений по концам ВЛ; в - вид осциллограмм ВЧ сигнала на входе приемника на подстанции 1
Для правильного проведения фазировки на одном из полукомплектов в фазу А панели подается фаза А токовых цепей. На другом конце в такую же фазу А подаются поочередно фазы А, В и С токовых цепей. Затем на первом полукомплекте в фазу А панели подается фаза В токовых цепей, а на другом конце повторяется поочередная подача фаз А, В и С. Процесс повторяется при подаче в первом полукомплекте фазы С токовых цепей в фазу А панели.
Следует иметь в виду, что для уменьшения мешающего влияния короны на работу дифференциально-фазной защиты ВЛ 330-750 кВ подвод цепей тока к защите осуществляется с циклической перестановкой фаз тока на рядах выводов панели со стороны подходящих кабелей с тем, чтобы комбинированный фильтр органа манипуляции выделял на выходе напряжение той фазы ВЛ, которая подвергнута ВЧ обработке, поэтому для упрощения терминологии при проверках пользуются маркировкой токовых цепей, указанной в заводской документации, т.е. панельной маркировкой, а не маркировкой на жилах кабеля.
Проверку правильности фазировки следует осуществлять с помощью осциллографов, подключаемых на входе ВЧ приемников (за линейными фильтрами), а также по токам (напряжениям) на выходах приемников и в выходных цепях органа сравнения фаз, Фазировка токовых цепей считается выполненной правильно, если при подведении к защитам одноименных фаз тока на экране осциллографов отсутствуют перерывы между ВЧ пакетами передатчиков обоих концов ВЛ, т.е. ВЧ пакеты смещены один относительно другого на 180°, а показания приборов соответствуют заблокированному состоянию защит или между ВЧ пакетами имеются небольшие паузы (фиксируемые осциллографами и приборами), которые обусловлены запаздыванием распространения ВЧ сигнала (6° на каждые 100 км ВЛ) и сдвигом фаз между токами по концам ВЛ, вызванным емкостными токами. Могут иметь место случаи, когда ВЧ пакеты при подаче токов одноименных фаз совмещены между собой и смещены один относительно другого на утлы, близкие к 180°, при подведении к защитам разноименных фаз, например, на ВЛ 750 кВ при нулевых или малых перетоках активной мощности по ВЛ, когда по ВЛ могут протекать чисто емкостные токи, что соответствует направлению токов при внутренних КЗ. При значительных углах между ВЧ пакетами (20° и более) при подведении одноименных фаз тока этот сдвиг (φ) в град, должен быть оценен по формуле:
φ = Θ + α, (20)
где Θ - угол между токами по концам ВЛ, эл. град;
α - угол, вызванный запаздыванием ВЧ сигнала (6° на 100 км длины ВЛ), град.
Значение угла Θ следует определить путем построения векторной диаграммы токов обоих концов ВЛ, получив векторную диаграмму токов противоположного конца ВЛ по телефону. Значение этого утла отсчитывается от вектора тока на рассматриваемом конце ВЛ (в направлении, противоположном вращению часовой стрелки) до вектора тока на противоположном конце ВЛ (см. рис. 27, б).
В связи с тем, что векторная диаграмма токов на противоположном конце ВЛ снимается относительно собственных напряжений, которые сдвинуты относительно напряжений на рассматриваемом конце на угол δн, при нанесении вектора тока противоположного конца ВЛ на диаграмму нужно учесть значение этого угла для ВЛ, по которым протекают значительные активные мощности. При построении диаграммы на питающем конце значение угла δн вычитается, а на приемном - складывается со значением фазы вектора тока, полученным по телефону. Значение угла (δн), в градусах, если можно пренебречь емкостными токами, может быть подсчитано по формуле:
(21)
где Р - активная мощность на рассматриваемом конце ВЛ, МВт;
Хл - индуктивное сопротивление ВЛ, Ом;
U1, U2 - напряжения на концах ВЛ, кВ.
Эта формула справедлива, если нет параллельных связей.
Значение угла (Θ), в градусах, может быть также подсчитано по приближенной формуле:
(22)
где Р и Q - активная и реактивная мощности на рассматриваемом конце ВЛ, МВт, МВар;
I - ток на данном конце ВЛ, кА;
ХC, XL - емкостное и индуктивное сопротивления ВЛ, Ом.
На рис. 27, в показан примерный вид осциллограммы ВЧ импульсов, соответствующей векторной диаграмме, приведенной на рис. 27, б. Сдвиг между ВЧ импульсами (β), в градусах, определенный по осциллограмме, должен соответствовать расчетным, определяемым по одной из формул:
β
= Θ'1 + α - γпр - для опыта 1, (23)
где γпр - ширина ВЧ импульса передатчика противоположного конца ВЛ, град;
β = Ωс - Θ″1 - α - для опыта 2, (24)
где Ωс - ширина паузы ВЧ сигнала собственного передатчика, град.
В остальных опытах значения углов β определяется по одной из вышеприведенных формул при подстановке соответствующих углов Θ1 Аналогичные опыты выполняются и на подстанции 2, при этом утлы определяются по соответствующим углам Θ2.
3.12.20.4. Проверку правильности фазировки цепей напряжения можно произвести аналогично путем подачи на один из концов ВЛ одной фазы напряжения, а на другой конец ВЛ - поочередно напряжений трех фаз. Фазировка цепей напряжения считается правильной, если при подведении к защитам одноименных фаз напряжения ВЧ импульсы передатчиков совпадают или сдвинуты на угол, обусловленный запаздыванием ВЧ сигнала противоположного конца (угол α), углом нагрузки δн и разностью ширины импульсов ВЧ передатчика.
3.12.20.5. Для проверки правильности включения устройств компенсации емкостных токов следует произвести совместную проверку при подаче одновременно и цепей тока, и цепей напряжения. На обоих концах ВЛ к защитам одновременно подводится трехфазная система токов и напряжений с прямым, с обратным чередованиями фаз, а затем с поочередным исключением одноименных фаз тока и напряжения (поочередно для всех трех фаз). При этом пакеты ВЧ импульсов должны быть смещены один относительно другого на угол, близкий к 180°, или по крайней мере, пауза между ВЧ импульсами должна быть меньше, чем при подведении к защитам одноименных фаз токов (последнее условие может иногда не выполняться для приемного конца длинной сильно нагруженной ВЛ сверхвысокого напряжения).
3.12.20.6. Производится обмен ВЧ сигналами между комплектами дифференциально-фазной и направленных высокочастотных защит. Для этого сначала поочередно, а потом одновременно запускаются передатчики на концах ВЛ. Для ВЧ каналов защит, оборудованных автоматическим контролем ВЧ канала, обмен ВЧ сигналами производится с помощью этих устройств.
В дифференциально-фазных защитах при запуске передатчика только с одной стороны при достаточной нагрузке ток на выходе приемника уменьшается примерно наполовину в обоих приемниках (появляется напряжение на выходе приемников АВЗК-80 при работе с полупроводниковыми защитами со значением, равным примерно половине максимального значения), что соответствует манипулированному ВЧ сигналу при односторонне запущенном передатчике, а при одновременном запуске обоих передатчиков ток приема падает до нуля (напряжение на выходе приемника АВЗК-80 при работе с полупроводниковыми защитами достигает максимального значения), что соответствует заблокированному состоянию защиты.
В направленных ВЧ защитах состояние защиты должно соответствовать заблокированному состоянию при хотя бы одном запущенном передатчике.
После окончания двусторонних проверок устройства РЗА могут вводиться в работу в соответствии с пп. 2.6.2-2.6.4.
В промежутках между плановыми техническими обслуживаниями устройств РЗА текущая эксплуатация включает в себя ряд мероприятий.
3.13.1. "Правилами" [3, 4] предусмотрена необходимость опробований устройств РЗА и их действий на коммутационные аппараты. Регламентирована необходимость опробования АВР механизмов СН ТЭС не реже одного раза в шесть месяцев, АВР вводов питания СН и АПВ ВЛ не реже одного раза в год в соответствии с п. 2.3.12 [3, 4]. Опробование должно проводиться оперативным персоналом. Для участия в опробовании может привлекаться персонал служб РЗА (ЭТЛ).
Необходимость опробования иных устройств определяется по местным условиям, например, в осенне-зимний период целесообразно опробование устройств РЗА действующих на включение короткозамыкателя и отключение отделителя. Также по местным условиям в межремонтный период может проводиться тестовый контроль микроэлектронных и микропроцессорных устройств, имеющих соответствующие встроенные средства.
3.13.2. "Правилами" [3, 4] (п. 2.3.11) предусмотрена также необходимость периодического осмотра аппаратуры РЗА и вторичных цепей персоналом служб РЗА (ЭТЛ). Периодичность осмотров устанавливается по местным условиям, но не реже одного раза в год. При техническом осмотре контролируется отсутствие внешних повреждений устройства и его элементов, состояние креплений устройств, проводов на рядах зажимов и на выводах устройств, наличие надписей и позиционных обозначений. При техническом осмотре в ранневесенний период целесообразно контролировать состояние кабельных каналов и, по возможности, состояние проложенных в них кабелей, особенно в местах пониженной надежности, например, в местах, которые могут быть затоплены паводковыми водами.
При осмотре контролируется положение оперативных переключающих устройств: накладок, переключателей, испытательных блоков, рубильников и других элементов. В особенности следует обратить внимание на устройства РЗА, оперативно вводимые и выводимые в заданных режимах, например, защиты обходных и шиносоединительных включателей. Положение переключающих устройств должно соответствовать инструкциям для оперативного персонала или оперативным картам, а также картам уставок служб РЗА.
При осмотре контролируется положение сигнальных элементов указательных реле, состояние сигнальных светодиодов и сигнальных ламп, проверяется наличие на устройствах РЗА оперативного напряжения, исправность цепей напряжения "звезды" и "разомкнутого треугольника", исправность приборов, контролирующих состояние защит, например, контроля исправности токовых цепей дифзащиты шин.
При осмотре терминалов микропроцессорных защит целесообразно контролировать по дисплею текущие значения токов, напряжений и других доступных параметров, сравнивать их с показаниями щитовых приборов или с показаниями мониторов АСУ ТП. Рекомендуется контролировать соответствие выполненных уставок заданным. Целесообразно проверять наличие зарегистрированных аварийных процессов, ранее не рассмотренных службой РЗА (ЭТЛ).
3.13.3. По информации оперативного персонала службы РЗА (ЭТЛ) должны расследовать и вести внутренний учет случаев неисправностей устройств РЗА, например, повышенный небаланс в дифференциальных цепях защиты шин, неисправности в цепях напряжения, обрывы токовых цепей, сигнализируемые рядом микропроцессорных устройств РЗА. Основной задачей такого учета является выявление узких мест при повторяющихся повреждениях и подготовка технических мероприятий по устранению узких мест.
3.13.4. Необходимо в соответствии с [13] проводить учет и анализ срабатываний устройств РЗА. Анализ срабатываний устройств РЗА проводится на основе сопоставления данных, полученных от оперативного персонала (время и последовательность событий, работа коммутационных аппаратов, работа световой и звуковой сигнализации, выпавшие флажки указательных реле и т.п.), и объективных данных (записи осциллографов, цифровых регистраторов аварийных процессов, как отдельно смонтированных, так и встроенных в микропроцессорные устройства РЗА, показания приборов или программ для определения мест повреждения на ВЛ).
Анализ срабатываний позволяет правильно классифицировать работу устройств РЗА, выявлять некоторые недостатки устройств, неточности выбора уставок и т.п., подготавливать технические мероприятия по повышению качества работы устройств РЗА. Не следует пренебрегать анализом простых случаев срабатывания устройств РЗА, например, КЗ на ВЛ с успешным АПВ. Может выявиться глубокое насыщение трансформаторов тока при близких КЗ, может произойти замедление в срабатывании выключателя на отключение, может возникнуть ряд других факторов, влияющих на надежную работу энергообъекта. Такие факторы, не выявленные в простейших случаях работы защиты и автоматики, могут существенно осложнить анализ серьезных нарушений, связанных с наложением нескольких аварийных событий.
Цифровые регистраторы предоставляют широкие возможности для подробного и достоверного анализа сложных событий, в том числе с неправильными действиями устройств РЗА. Например, представляется возможным проанализировать поведение защит при глубоких насыщениях трансформаторов тока, питающих защиту, при развившихся качаниях, выявить отличия реального токораспределения при КЗ от токораспределения, принятого при расчетах, и т.п. По измерению частоты в районе, оказавшемся энергодефицитным, выявляются отказавшие или излишне сработавшие устройства АЧР. По измерению токов и напряжений обратной последовательности в процессе КЗ проверяется качество работы фильтровых устройств РЗА.
На основании результатов анализа неправильных действий устройств РЗА проводится их послеаварийная проверка. Важными условиями проведения такой проверки являются сохранение устройства в том виде, в каком оно было в момент события, и организация режима, сходного с тем, какое было в момент события. Проверочными устройствами имитируются условия, существовавшие на входе устройства РЗА, без каких-либо переключений в нем. Наиболее полноценная имитация события может быть осуществлена с применением автоматического проверочного устройства, позволяющего воспроизвести на входах устройства РЗА аварийный процесс, записанный цифровым регистратором.
3.13.5. В порядке текущей эксплуатации необходимо производить корректировку инструкций для оперативного персонала по обслуживанию устройств РЗА и уточнение исполнительных схем. Рекомендуется выполнять исполнительные схемы в электронном виде, например, с помощью программы AutoCad. Первоначальные затраты на выполнение исполнительных схем в электронном виде окупаются экономией времени на внесение изменений при реконструкциях и сокращением количества ошибок при производстве работ в устройствах РЗА.
4.1. Работы по техническому обслуживанию устройств РЗА и вспомогательных цепей в действующих электроустановках производятся по нарядам или распоряжениям в соответствии с требованиями "Правил" [6, 10], "Инструкции" [11] и пп. 2.3-2.6 настоящей Инструкции.
Работы повышенной опасности, выполняемые на выделенном участке вне действующих электроустановок, также должны выполняться по наряду.
4.2. Каждый работник, принимающий непосредственное участие в работах, обязан пройти медицинское освидетельствование и проверку знаний правил техники безопасности (получить соответствующую группу по технике безопасности), получить вводный инструктаж и целевой инструктаж на рабочем месте по технике безопасности, освоить методику проведения соответствующих работ с учетом требований правил техники безопасности, при необходимости - пройти стажировку под руководством опытного работника.
4.3. При работах необходимо пользоваться специальным электротехническим инструментом с изолированными ручками в соответствии с [11]; в частности, металлический стержень отверток должен быть изолирован. Изоляция должна оканчиваться на расстоянии не более 10 мм от конца жала отвертки.
4.4. При выполнении работ по техобслуживанию устройств РЗА следует обратить особое внимание на следующие указания.
а) Временные схемы, собираемые для наладки оборудования (снятие характеристик, осциллографирование и т.п.), должны выполняться на специальных столах. Запрещается применять столы с металлической рабочей поверхностью или с металлическим обрамлением. Изоляция соединительных проводников не должна быть нарушенной.
б) Временные питающие линии должны быть выполнены изолированным проводом (кабелем), надежно закреплены, а в местах прохода людей должны быть подняты на высоту не менее 2,5 м.
в) Питание временных схем для проверок и испытаний должно выполняться через автоматический выключатель с обозначением включенного и отключенного положений. Последовательно с выключателем в цепь питания устанавливается коммутационное устройство с видимым разрывом цепи (штепсельный разъем). При снятии напряжения со схемы первым выключается выключатель, а затем штепсельный разъем.
г) Сборку временных схем для электрических испытаний, переключение проводов в схеме, перестановку приборов и аппаратов в ней запрещается производить без снятия напряжения и создания видимого разрыва питающей сети.
д) При перерывах и окончании работ по техническому обслуживанию персонал, производивший работы, должен отключить линию временного питания с созданием видимого разрыва.
е) Металлические корпуса переносных приборов, аппаратов должны быть заземлены (заземлены и занулены).
ж) При использовании в работе комплектных испытательных устройств должны быть предусмотрены меры, предотвращающие доступ к выводам, находящимся под напряжением. При подключении испытательного устройства к цепям, которые могут быть заземлены (цепи тока, напряжения), необходимо убедиться в отсутствии гальванической связи между входными и выходными зажимами устройства. При наличии такой связи следует временно отключать заземления. Во всех случаях необходимо тщательно ознакомиться с правилами безопасности при пользовании испытательным устройством.
з) Рабочее место должно быть удобным и достаточно освещенным соответствии с требованиями [6, п. 1.4.12] и СНиП 23-05-95 "Естественное и искусственное освещение" [12].
и) При производстве работ следует строго следить, чтобы левая и правая руки не прикасались одновременно к элементам или точкам схемы, находящимся под напряжением 36 В и более, и заземленным предметам и аппаратам (заземленным корпусам панелей, приборов, стендов, батареям центрального отопления и др.).
к) При наличии в схемах устройств РЗА конденсаторов в случае необходимости работы в этих цепях конденсаторы должны быть разряжены.
л) Измерения следует производить сухими руками в одежде с опущенными рукавами, кольца и металлические браслеты должны быть сняты.
м) Работы в цепях и устройствах РЗА должны производиться по исполнительным схемам. Работа без схем, по памяти, запрещается.
4.5. Дистанционное включение и отключение первичных коммутационных аппаратов для опробования может производить работник, проводящий техническое обслуживание, с разрешения дежурного персонала (а в электроустановках без местного оперативного персонала - без получения такого разрешения) в соответствии с [6, пп. 2.3.11, 4.5.7].
Перед подачей оперативного напряжения для наладки и опробования схем коммутационных аппаратов, управление которыми производится из нескольких мест, должна быть устранена возможность управления ими с других мест (отключены цепи, вывешены плакаты "Не включать. Работают люди" или "Не открывать. Работают люди").
При работах в цепях вторичных обмоток трансформаторов напряжения с подачей напряжения от постороннего источника отключаются автоматические выключатели и рубильники, установленные в цепях вторичных обмоток трансформаторов напряжения, во избежание обратной трансформации на сторону высокого напряжения.
4.6. При работах в цепях вторичных обмоток трансформаторов тока и трансформаторов напряжения следует учитывать следующее:
а) Все вторичные обмотки измерительных трансформаторов тока и напряжения должны иметь постоянное заземление.
б) Запрещается снимать заземление вторичных обмоток трансформаторов тока и трансформаторов напряжения, если они находятся под рабочим напряжением. Запрещается снимать заземление металлических корпусов устройств РЗА, находящихся в работе.
в) При необходимости переключений в цепях вторичных обмоток трансформаторов тока при протекании тока через его первичную обмотку вторичная обмотка должна быть предварительно закорочена на специальных выводах или на контрольных штекерах испытательных блоков. Переключения должны производиться с диэлектрического коврика. Откручивание винтов, крепящих провода, следует производить медленно, одной рукой, не касаясь другой рукой ни вторичной коммутации, ни корпуса панели, при появлении малейшего искрения, треска винт следует немедленно закрутить обратно и еще раз тщательно проверить подготовительную схему. При раскорачивании токовых цепей измерительных трансформаторов тока должны быть немедленно прекращены все работы в устройствах РЗА и в аварийном порядке отключены коммутационные аппараты в цепях первичных обмоток этих трансформаторов тока.
г) При проверке полярности обмоток трансформаторов тока импульсами постоянного тока измерительный прибор должен быть предварительно надежно присоединен к выводам вторичной обмотки, только после этого в первичную обмотку можно подавать импульс тока.
д) Вторичные токовые цепи измерений и защиты должны подсоединяться к выводам вторичных обмоток трансформаторов тока только после полного окончания монтажа всех цепей.
4.7. При выполнении работ в цепях статора вращающегося невозбужденного генератора (измерение значения остаточного напряжения, чередования фаз и т.п.) принять меры по блокированию включения АГП, предварительно проверить отсутствие большого значения напряжения на вторичной обмотке измерительного трансформатора напряжения. Работы следует производить в диэлектрических перчатках или диэлектрических галошах.
4.8. Настройка, проверка и измерение фильтров присоединения высокочастотной части дифференциально-фазных защит, устройств ВЧТО, АНКА, отборов напряжения разрешается на действующем высокочастотном канале.
При этом нижняя обкладка конденсатора связи должна быть заземлена по нормальной схеме через линейную катушку фильтра присоединения или заземляющий дроссель с разрядником, включенным между нижней обкладкой конденсатора связи и землей.
Подключать и отключать приборы в цепи между конденсатором связи и фильтром присоединения и в шкафу отбора напряжения разрешается только при наглухо заземленной с помощью заземляющего ножа обкладки конденсатора связи.
При производстве ремонтных работ на печатных платах и, в частности, заменах интегральных микросхем (ИМС) и других полупроводниковых элементов следует руководствоваться указаниями, приведенными ниже. Настоящие рекомендации не распространяются на многослойные печатные платы микропроцессорных устройств РЗА, которые неремонтнопригодны.
1. Во избежание повреждения микросхем от статического электричества поверхность стола, на котором производятся работы, должна быть покрыта металлическим листом, который заземлен через резистор сопротивлением 1 МОм. Лист изготавливается из нержавеющей стали или латуни. Оборудование, оснастка и инструмент, необходимые для работы с ИМС, не имеющие цепей питания от сети, должны подключаться к заземляющему зажиму через резистор сопротивлением 1 МОм или находиться на металлическом листе.
2. Лицу, производящему работы, рекомендуется надевать одежду из малоэлектризующихся материалов (например, халаты из хлопчатобумажной ткани, обувь на кожаной подошве и др.); не рекомендуется одежда из шелка, капрона, нейлона и других подобных материалов.
3. Для замены вышедшей из строя микросхемы или другого элемента необходимо удалить лак с платы со стороны пайки, для чего предварительно нагреть это место до 150-180°С. После этого осторожно подрезать лак в местах пайки и удалить его остатки тампоном, смоченным в этиловом спирте или спирто-бензиновой смеси (бензин "БР-1" Галоша - 50%, спирт этиловый - 50%). После просушки в течение 5-10 мин плата будет готова к выпаиванию элемента. Перед выпайкой на очищенные места нанести флюс. Для этого использовать твердую канифоль или жидкий флюс, для приготовления которого толченую канифоль заливают двойным количеством этилового спирта.
4. Выпаивать микросхему следует с помощью обыкновенного электропаяльника напряжением 220, 36 и 12 В, мощностью до 40 Вт, обеспечивающим нагрев жала паяльника до 270°С. Электропаяльник следует включить через разделительный трансформатор или его жало подключить к заземляющей шине.
Можно также воспользоваться выпускаемым серийно электропаяльным набором, в котором предусмотрена двухступенчатая регулировка температуры, гальваническая развязка с напряжением сети и заземление стержня паяльника.
Перед выпаиванием необходимо откусить бокорезами выводы микросхемы или другого элемента со стороны его установки на высоте 1,5-2 мм от поверхности платы. Затем поочередно расплавлением припоя в монтажном отверстии удалить оставшиеся выводы из отверстия с помощью пинцета со стороны, противоположной установке навесных элементов.
Удалить электропаяльником, вращая в отверстии заостренную деревянную палочку или спичку, излишки припоя из монтажного отверстия.
Проверить металлизацию монтажных отверстий и контактных площадок на отсутствие повреждений, прочистить их спичкой и промыть спиртом или спирто-бензиновой смесью.
При нарушении металлизации монтажного отверстия без повреждения контактной площадки в монтажное отверстие впаять проволоку ММ-0,9 длиной 5-8 мм или специальный пистон с последующей развальцовкой и пайкой.
При нарушении контактной площадки допускается установка лепестка с развальцовкой и последующей пайкой.
5. Перед началом пайки необходимо произвести лужение выводов элемента. Эту операцию следует выполнять теми же флюсами и припоями, что и последующую пайку. Микросхему с подготовленными выводами установить на печатную плату и ориентировать по ключу. Ключом (первым выводом) является вывод, отмеченный специальным знаком (точкой).
Пайку, осуществлять припоями ПОС-60, ПОС-61, ПОС-61М, ПОСК-50 или ПОСВ-33 кратковременным однократным прикосновением жала паяльника к контактной площадке и выступающему концу вывода со стороны, противоположной стороне установки навесных элементов и штырьковых микросхем. Продолжительность пайки не должна превышать 3 с, интервал между пайками соседних выводов - не менее 10 с. Пайку проводить с обязательным применением теплоотвода от запаиваемой ножки. В качестве теплоотвода допускается использовать пинцеты, плоскогубцы и т.п. Теплоотвод следует снимать не ранее чем через 5 с после пайки.
Процесс пайки начинать с нанесения жидкого флюса с помощью волосяной кисти или кусочков твердой канифоли. Пайку микросхем начать с крайних выводов, чтобы закрепить микросхему. При пайке диаметр проволоки или трубчатого припоя должен быть на 50-60% меньше диаметра стержня паяльника. Если такой проволоки нет, то следует использовать припой в виде крошки. Расстояние по длине вывода от места пайки до корпуса должно составлять не менее 1 мм. В процессе монтажа допускается подрезка выводов при условии обеспечения выступающей части выводов над поверхностью печатной платы в местах пайки не менее 0,5 мм.
После пайки с места соединения следует удалить флюс с помощью спирта или спирто-бензиновой смеси, покрыть лаком УР-231, ЭП-730 или Э-4100.
6. При отслоении или повреждении печатного проводника его следует дублировать внешним проводником. Дублирующий проводник допускается располагать с обеих сторон платы; проводник разрешается припаивать только к контактной площадке. При отслоении печатного проводника по всей длине или на длине 40% его протяженности поврежденный проводник удалить. Сечение внешнего проводника должно быть 0,20 или 0,35 мм2. Допускается применение проволоки ММ-0,5 в изоляционной трубке.
1. Точность измерений должна соответствовать требованиям технической документации на конкретные устройства РЗА (классу точности устройств РЗА если он установлен для устройства) и быть не ниже данных, приведенных в табл. 3.
2. Точность измерения характеризуется как погрешностями самого измерительного прибора, так и метода измерения. Различают следующие погрешности измерительных приборов.
2.1. Абсолютную погрешность Δ, определяемую как разницу между показанием прибора Аи и действительным значением измеряемой величины А:
Δ = Аи - А. (25)
2.2. Относительную погрешность δ - абсолютную погрешность, выраженную в процентах от действительного значения измеряемой величины:
(26)
на практике обычно принимают
(27)
поскольку значение абсолютной погрешности относительно значения измеряемой величины обычно невелико.
3. Точность стрелочных измерительных приборов и преобразователей характеризуется классом точности прибора γmax, который определяется как максимальная абсолютная погрешность измерения Δmax, произведенного прибором в пределах рабочей части шкалы в нормальных условиях (п. 4 данного приложения), отнесенная к верхнему пределу шкалы прибора Аш:
(28)
Исходя из понятия класса точности прибора, основная погрешность прибора (относительная погрешность прибора при измерении при нормальных условиях величины Аи) может быть подсчитана по формуле:
(29)
Как следует из формулы (29), для уменьшения погрешности измерения его следует производить таким образом, чтобы стрелка измерительного прибора находилась как можно ближе к верхней границе шкалы (рекомендуется в последней ее четверти или трети).
Например, при измерении амперметром класса точности 1,0 (со шкалой 10
А) тока 4 А относительная погрешность измерения составит
,при измерениях этого же тока аналогичным прибором, но со
шкалой 5 А относительная погрешность составит
= 1,25%, т.е.
значение близкое к классу точности прибора.
Для обеспечения указанных условий измерения в ряде случаев необходимо применять многопредельные приборы, трансформаторы тока, добавочные резисторы и шунты.
Точность цифровых измерительных приборов характеризуется непосредственно погрешностями измерения. Абсолютная погрешность цифровых измерительных приборов задается в виде одной из формул:
(30)
где Аи - показания прибора, соответствующие измеряемой величине;
а - относительная погрешность (часто выражается в единицах младшего разряда);
b - относительная величина;
р - показатель пределов, имеющих декадное отношение (например, для пределов 1:1, 10:1 и 100:1 показатель р равен 1, 2 и 3 соответственно), или
Δ = ± (аАи + b'Ak), (31)
где Ak - конечное значение установленного предела измерения;
b' - относительная величина (произведение b'Ak соответствует значению абсолютной погрешности).
4. Класс точности приборов определяется при нормальных условиях.
4.1. Под нормальными условиями понимается следующее:
- температура окружающего воздуха 20°С;
- нормальная частота переменного тока 50 Гц;
- определенное (горизонтальное, вертикальное) положение прибора;
- отсутствие внешних электрических полей;
- другие условия, оговоренные в паспорте на измерительный прибор.
4.2. Дополнительные (относительные) погрешности измерительных приборов вызываются отличием условий проведения измерений от нормальных и применением дополнительной аппаратуры.
a) δt - погрешность от изменения температуры окружающего воздуха от нормальных значений до любой температуры в пределах рабочих температур. Область рабочих температур и предельное значение этой погрешности для различных групп измерительных приборов на каждые 10°С изменения температуры указаны в табл. 6.
Таблица 6
|
Влияющая величина |
Значение влияющей величины для различных групп в долях от класса точности прибора |
||||||
|
1 |
2 |
3 |
4 |
5 |
6 |
7 |
|
|
Область рабочих температур окружающего воздуха, °С Нижнее значение |
|
|
|
|
|
|
|
|
10 |
10 |
5 |
-10 |
-30 |
-50 |
-30 |
|
|
Верхнее значение |
25 |
35 |
40 |
40 |
50 |
60 |
70 |
|
Предельное значение δt для |
- |
1 |
1 |
1 |
0,8 |
0,6* |
0,5* |
|
амперметров, вольтметров, ваттметров |
|
|
|
|
|
0,5** |
0,5** |
|
То же для фазометров |
|
1 |
1 |
1 |
0,8 |
0,5 |
0,5 |
|
То же для частотомеров |
|||||||
|
*Для приборов класса точности 0,2 и 0,5. **Для приборов класса точности 1; 1,5; 2,5; 4; 5. |
|||||||
б) δf - погрешность, вызванная отклонением частоты от нормальной. Предельное значение этой погрешности при отклонении частоты на ±10% от нормальной частоты (нормальной области частот), как правило, равно классу точности прибора.
в) δф - погрешность от влияния внешнего магнитного и электрического поля. Предельное значение этой погрешности для приборов, не имеющих символа F30, за исключением электростатических приборов, под влиянием однородного магнитного поля с индукцией 0,5 мТл равно значениям, указанным в табл. 7.
Таблица 7
|
Вид прибора |
Предел допустимой дополнительной погрешности, %, для классов точности |
|
|
0,05; 0,1; 0,2 |
0,5; 1,0; 1,5; 2,5; 4; 5 |
|
|
Астатический с магнитным экраном, магнитоэлектрический |
±0,75 |
±1,5 |
|
Ферродинамический |
±1,5 |
±3 |
|
Прочие приборы |
±3 |
±6 |
Предельное значение дополнительной погрешности приборов, имеющих символ F30, за исключением электростатических приборов, под влиянием внешнего однородного магнитного поля с индукцией, равной указанной в символе в миллитеслах, равно классу прибора.
Предельное значение допустимой дополнительной погрешности для электростатических вольтметров, не имеющих символа F34, под влиянием внешнего электрического поля частоты 50 Гц напряженностью 20 кВ/м равно ±0,5% для приборов классов точности 0,05-0,5 и классу точности - для приборов классов точности 1-5. Предельное значение для приборов, имеющих символ F34, под влиянием внешнего электрического поля частоты 50 Гц напряженностью, равной указанной в символе в киловольтах на метр, равна классу точности прибора.
г) δL - погрешность, вызванная изменением положения прибора от нормального положения в любом направлении. Предельное значение этой погрешности при отклонении на ±5° должно быть равно классу точности прибора. Допускается изготовление приборов с изменением положения от нормального более чем на 5°. При этом предельное значение дополнительной погрешности также равно классу точности прибора. Если на приборе отсутствует символ положения, предельное значение этой погрешности, вызванное изменением положения от 0 до 90° для переносных и от 90 до 0° для щитовых приборов, равно половине класса точности прибора.
д) δпр - другие виды погрешностей, вызванных различными факторами, например, работой в условиях вибрации или ударов (для вибро- и удароустойчивых приборов), действием других однотипных приборов, помещенных рядом, от изменения напряжения (для фазометров, ваттметров предельное значение дополнительной погрешности, вызванное отклонением напряжения на ±10% номинального, равно классу точности прибора), отклонением формы кривой тока и напряжения от синусоидальной и т.п. Указанные погрешности учитывают в редких случаях, когда воздействующий фактор сильно выражен, обычно же ими пренебрегают.
е) δТТ - погрешность, вызванная применением измерительных трансформаторов тока.
Токовая
и угловая
погрешности для
трансформаторов тока класса точности 0,1-0,2 при протекании первичного тока I в
диапазоне от 0 до 120% номинального значения Iном и нагрузке в пределах 25-100% номинального значения
могут быть подсчитаны по формулам:
, (32)
(33)
В зависимости от вида измерения учитывается одна или другая погрешность.
4.3. В общем случае результирующая относительная погрешность измерительного прибора δn может достигнуть суммы погрешности прибора от всех влияющих факторов. В действительных условиях маловероятно совпадение всех неблагоприятно влияющих факторов и одинакового знака всех погрешностей. Поэтому эту погрешность более правильно подсчитывать по формуле:
(34)
4.4. В случаях, когда результирующее значение регистрируемой величины получаете в результате арифметических преобразований показаний отдельных приборов, полная относительная погрешность определения регистрируемой величины δΣ может быть определена по формулам:
а) при суммировании двух измеренных значений А1 и А2
δΣ=
± (А1|δn1|+A2|δn2|)/(А1+А2) (35)
б) при вычитании двух измеренных значений А1 и А2
δΣ
= ± (А1|δn1| + A2|δn2|)/(А1-А2) (36)
в) при умножении или делении двух измеренных величин
δΣ = ± (|δn1| + |δn2|) (37)
г) в общем случае, когда измерение производится m приборами, а регистрируемая величина А получается в результате преобразования
А = f (A1,A2,…,An) (38)
(39)
В вышеперечисленных формулах:
δn1, δп2,..., δnm -
относительные погрешности приборов при измерении величин А1, А2,…,Аm;
и т.д.
соответствующие частные производные.
5. При определении погрешности измерения сначала определяются основные, дополнительные и результирующие погрешности каждого измерительного прибора, а затем - полная относительная погрешность определения регистрируемой величины.
Пример. Определить возможную погрешность при измерении сопротивления срабатывания реле сопротивления при следующих условиях: измерение производится при токе 40 А, напряжении 50 В; используются вольтметр Э515/3 с пределом измерений 75-600 В класса точности 0,5 и амперметр Э514/3 на 5-10 А класса точности 0,5, включенный через трансформатор тока И-54. Измерение производится при температуре окружающего воздуха +10°С, угол наклона плоскости стола, на котором установлены приборы 10°, частота сети 49,8 Гц.
Установим коэффициент трансформации трансформатора тока равным 50/5, предел амперметра - 5 А, предел вольтметра - 75 В. Такой выбор пределов обеспечивает измерение с наименьшей погрешностью.
Основная относительная погрешность амперметра δ0А и вольтметра δ0В составит:
![]()
![]()
Дополнительные погрешности от отклонения температуры окружающего воздуха на 20 - 10 = 10°С для обоих приборов одинаковы (приборы принадлежат ко II-IV группе по климатическим условиям) и равны классу точности прибора δtA = δtB = 0,5%.
Определим дополнительную погрешность от магнитного поля, вызванного протеканием тока 40 А (примем расстояние этого провода до измерительных приборов L = 0,1 м). Индукция внешнего магнитного поля вокруг проводника с током определяется по формуле:

Дополнительная погрешность от магнитного поля для амперметра δfА и вольтметра δtВ согласно табл. 7 составляет:
![]()
Дополнительная погрешность от наклона прибора для амперметра δLA и вольтметра δLB одинакова и равна классу точности:
δLA = δLB = 0,5%
Погрешностью от изменения частоты можно пренебречь.
Дополнительная погрешность, вызванная применением трансформатора тока, составит:
![]()
Результирующая относительная погрешность амперметра δnA и вольтметра δnВ составит:




Полная относительная погрешность определения сопротивления δΣZ (как частного от деления) составит
![]()
6. Кроме факторов, влияющих на перечисленные выше погрешности (регламентированные ГОСТ), имеются также другие факторы, которые существенно влияют на точность измерения. Как и вышеперечисленные факторы, их влияние в ряде случаев можно полностью или частично устранить введением соответствующих поправок, изменением метода измерения другим или учесть количественно в виде дополнительной погрешности. К таким существенным факторам при проверках устройств РЗА относятся следующие:
а) Внутреннее сопротивление приборов. Подбор приборов следует осуществлять таким образом, чтобы не было взаимного влияния измерительных приборов и их влияния на схему проверяемого устройства РЗА. Ниже для примера на рис. П2.1 приведены две схемы включения амперметра и вольтметра для снятия вольт-амперных характеристик. Из схемы видно, что при несоблюдении условий, указанных в подрисуночных надписях, увеличится дополнительная погрешность измерения, вызванная для схемы на рис. П2.1, а сравнительно малым внутренним сопротивлением вольтметра ZpV, а для схемы на рис. П2.1, б - сравнительно большим внутренним сопротивлением амперметра ZpA. Поэтому схема рис. П2.1, а обычно применяется при малых Zн, а рис. П2.1, б, - при больших.

Рис. П2.1. Схемы включения амперметра и вольтметра для снятия вольт-амперных характеристик:
а - для Zн << Zpv; б - для Zн >> ZpA
Из схемы, приведенной на рис. П.2.2, видно, что в случае, когда внутреннее сопротивление вольтметра соизмеримо с сопротивлениями резисторов R1-R3, может произойти существенное изменение режима работы схемы проверяемого устройства.

Рис. П2.2. Изменение токов при подключении в схему вольтметра с недостаточно большим внутренним сопротивлением
б) Существенным фактором является система измерительного прибора при измерении несинусоидальных токов и напряжений, например, в цепях выпрямленного тока, токов и напряжений на выходе насыщающихся трансформаторов, стабилизаторов и т.п.
Измерительные приборы переменного тока и напряжения реагируют либо на действующее значение, либо на среднее по модулю (средневыпрямленное) значение, либо на амплитудное значение, наконец, на постоянную составляющую. На действующее значение реагируют электромагнитная, электродинамическая, ферродинамическая, электростатическая, термоэлектрическая системы приборов, а также электронные вольтметры с двухполупериодным выпрямлением и квадратичной характеристикой. На среднее по модулю значение реагируют магнитоэлектрическая система приборов с выпрямителем, электронные вольтметры с однополупериодным выпрямлением и линейной или квадратичной характеристикой. На амплитудное значение реагируют электронные вольтметры с амплитудной характеристикой. На постоянную составляющую реагируют магнитоэлектрические системы приборов без выпрямителя. Градуировка этих приборов (кроме магнитоэлектрических систем приборов без выпрямителя) производится в действующих значениях тока или напряжения при правильной синусоидальной форме кривой измеряемой величины.
Соотношения между амплитудным значением Аm, действующим Аэ и средним значением Аср измеряемой величины А определяется выражениями: при действии синусоидально изменяющейся величины
(40)
(41)
при действии несинусоидально изменяющихся величин (путем разложения в ряд Фурье на n гармонических составляющих) эти величины могут быть представлены в виде:
a = Ao + A1m sinωt + A2m sin (2ωt + ψ2) + …+ Anmsin(nωt + ψn); (42)
(43)
(44)
При измерении несинусоидальных величин приборы разных типов могут давать различные показания. Как видно из вышеприведенных формул, показания приборов, реагирующих на действующее значение, не будут зависеть от угла сдвига фаз между гармоническими составляющими, а показания приборов, реагирующих на среднее по модулю значение, будут зависеть от угла сдвига фаз отдельных гармонических составляющих относительно основной гармонической составляющей и от схемы выпрямления (в схемах с однополупериодным выпрямлением будут суммироваться основная и нечетная гармонические составляющие, а в схемах с двухполупериодным выпрямлением - все гармонические составляющие). Для получения результата в средних значениях необходимо выполнить пересчет согласно формуле:
(45)
Амплитудные электронные вольтметры измеряют значение напряжения, равное 0,707 амплитудного значения напряжения любой формы, симметричного относительно оси времени, а при несимметричной кривой их показания зависят от того, к каким выводам прибора подведено измеряемое напряжение. При синусоидальном напряжении они измеряют действующее значение напряжения.
Производить каждый раз анализ формы кривой и вводить какие-либо поправки в показания приборов затруднительно. Поэтому при измерениях в цепях с несинусоидальной формой кривой и в цепях выпрямленного тока следует применять измерительные приборы такой же системы, как и работающая в этих цепях аппаратура. Так, если в цепях с несинусоидальным током работает электромагнитное реле, то измерение следует производить также электромагнитным прибором. Если в цепях выпрямленного тока работает поляризованное реле или от этих цепей заряжаются конденсаторы (БПЗ-400), то измерения следует производить магнитоэлектрическим прибором. В цепях, к которым подключены микропроцессорные защиты, измерения следует производить прибором, измеряющим то значение электрической величины, на которое реагирует защита. Обычно это указывается в руководствах по эксплуатации защит, в разделе "Измерения".
Особо следует отметить случаи работы электромагнитного реле постоянного тока на выпрямленном напряжении. Такое реле теоретически реагирует на действующее значение выпрямленного тока, и в принципе измерения следовало бы производить электромагнитным прибором. Учитывая, что индуктивное сопротивление обмотки реле велико, а для высших гармонических составляющих оно еще больше, ток через его обмотку почти не содержит высших гармонических составляющих и с достаточной для практики точностью может считаться постоянным током. Поэтому измерения в таких цепях правильнее производить магнитоэлектрическим прибором.
7. Для уменьшения вышеперечисленных и других погрешностей измерения следует руководствоваться следующими рекомендациями.
а) Испытательное устройство должно давать практически синусоидальный ток и напряжение. Для этого испытательные устройства запитываются от линейных напряжений, во вторичную цепь нагрузочного трансформатора включается добавочный резистор, сопротивление (Ra, в омах) которого определяется по формуле:
, (46)
где Zp - сопротивление обмотки реле, Ом.
б) Система измерительного прибора выбирается таким образом, чтобы прибор и проверяемое реле реагировали на одни и те же значения (действующее, среднее и др.). Детекторные и электронные измерительные приборы в цепях с несинусоидальными током или напряжением можно применять лишь для измерений, не требующих высокой точности, или для определения максимальных и минимальных значений.
в) Пределы измерительных приборов подбираются таким образом, чтобы их показания составляли не менее двух третей шкалы прибора.
г) При измерении тока (мощности) через промежуточный трансформатор тока предел амперметра (ваттметра) желательно выбирать равным номинальному вторичному току трансформатора тока.
Класс точности этого трансформатора тока должен быть, по крайней мере, на одну ступень выше класса точности амперметра (ваттметра). Коэффициент трансформации подбирается таким образом, чтобы значение измеряемого тока было как можно ближе к номинальному первичному току трансформатора тока. Значение сопротивления нагрузки должно быть в пределах 25-100% номинального значения трансформатора тока. При использовании трансформаторов тока температура окружающего воздуха должна быть в пределах 10-35°С.
д) Следует применять приборы группы, соответствующей температуре окружающего воздуха. При значительных отклонениях температуры окружающего воздуха от нормальной следует выбирать приборы тех групп, которые имеют меньшую дополнительную погрешность по температуре. При этом результирующая погрешность в ряде случаев может оказаться меньшей, чем при применении приборов других групп с более высоким классом точности.
е) Следует правильно устанавливать прибор, по возможности не допуская отклонений от его нормального положения.
ж) Во всех случаях, особенно при измерении малых значений токов и напряжений, следует включать амперметр и вольтметр так, чтобы собственное потребление прибора вносило минимальные ошибки в измерения. При измерениях напряжений в цепях маломощных источников (на выходах фильтров, в полупроводниковых схемах и др.) следует применять высокоомные вольтметры. Сопротивление вольтметров переменного тока должно быть не менее 1-2 кОм/В, сопротивление вольтметров для измерения в цепях постоянного тока (полупроводниковые устройства РЗА, цепи приемопередатчиков ВЧ защит) должно быть не менее 10-20 кОм/В. Сопротивление Милли- и микроамперметров для измерений токов на выходе фильтров, в дифференциальных схемах, в схемах сравнения и т.п. должно быть минимальным, около десятых долей Ома при шкалах 25-50 мА.
з) Для устранения влияния внешних полей следует скручивать вместе прямой и обратный провода, по которым протекают значительные токи.
и) При измерении одной и той же величины двумя приборами и определении ее по сумме показаний этих приборов следует большую долю измеряемой величины измерять прибором с более высоким классом точности.
к) При измерении электрической мощности целесообразнее производить измерение с помощью ваттметров, а не по показаниям трех приборов того же класса точности: вольтметра, амперметра и фазометра (так как их погрешности при измерении складываются).
л) При применении электронных средств измерения (электронных вольтметров, осциллографов, частотомеров и др.) следует учитывать наличие возможного заземления отдельных точек схемы (в токовых цепях и цепях напряжения, в блоках питания и др.). При неправильном подключении заземленного вывода измерительного прибора возможно возникновение КЗ (см. рис. П2.2) или значительная ошибка в измерении из-за нарушения режимов работы проверяемой схемы (шунтирование резистора R3 или R2, в схеме рис. П2.2). Поэтому указанными приборами следует производить измерения только относительно заземленных точек схемы. При измерении напряжений в схеме по рис. П2.2 ламповым вольтметром с незаземленным корпусом появится дополнительная ошибка в измерении из-за наличия емкостных связей между корпусом прибора и землей.
м) Для стабилизации характеристик проверяемого устройства РЗА и измерительных приборов измерения следует производить после их предварительного прогрева током и напряжением.
н) Для уменьшения погрешностей, носящих случайный характер, следует производить несколько измерений и определять среднее значение, отбросив единичные результаты, значительно отличающиеся от остальных (промахи). Для уменьшения влияния вариации прибора в отдельных случаях, требующих особо точных измерений, следует производить измерение при плавном увеличении, а затем при плавном снижении измеряемой величины; такой способ не пригоден для снятия вольт-амперных характеристик трансформаторов тока.
о) При проверках устройств РЗА следует производить измерения с необходимой степенью точности. Необходимо заранее определить, какая точность измерения нужна согласно табл. 3, и необходимые классы точности измерительных приборов путем расчета или согласно рекомендациям, приведенным в табл. 8, для проверки устройств РЗА различных типов.
Таблица 8
|
Наименование |
Класс точности приборов |
|
1. Дистанционное реле, реле мощности с регулированием уставки срабатывания |
Не менее 0,5 |
|
2. Токовые реле защит, согласующиеся друг с другом с запасом 1,1-1,2 |
Не ниже 0,5-1,0 |
|
3. Второстепенные измерения: напряжения срабатывания реле, характеристики намагничивания трансформаторов тока и т.п. |
До 1,5 |
|
4. Измерение небалансов, настройка фильтров, проверка схем включения трансформаторов тока и напряжения, фазировка трансформаторов напряжения, проверка исправности цепей и т.п. |
До 4 |
Измерительные приборы проверочных устройств должны удовлетворять предъявляемым требованиям. Допускается применение устройств с приборами меньшей точности (например, У5053). При этом следует обязательно оценивать возможные последствия, к которым может привести неточность замеров.
Требования к испытательной аппаратуре определяются составом устройств РЗА, современными техническими возможностями и условиями обслуживания. Настоящие требования обусловлены:
- появлением в электроэнергетике нового поколения устройств РЗА (микроэлектронных, микропроцессорных);
- появлением компьютерных средств, позволяющих в значительной степени автоматизировать техническое обслуживание (далее - ТО), устройств РЗА, автоматически создавать протоколы проверки требуемой формы, обеспечивать ряд дополнительных удобств для персонала;
- намечающимся изменениям подхода к ТО устройств РЗА, в частности, уменьшением времени, выделяемого на плановое ТО при сокращении численности персонала.
Испытательные устройства, необходимые для ТО устройств РЗА, цифровых регистраторов, устройств для определения мест повреждения на линиях электропередачи, могут выполняться в двух основных вариантах.
Первый вариант, наиболее распространенный в настоящее время, предусматривает подачу в устройства РЗА входных величин в ручном или полуавтоматическом режиме. Это реализуют комплектные устройства У5053, ЭУ5001, установки "Уран-1", "Уран-2" и др. Второй вариант позволяет подавать в устройства РЗА требуемые значения входных величин как в ручном, так и в автоматическом режиме. Возможна также подача в устройство входных величин, физически воспроизводящих аварийные процессы либо по математическим программам, разрабатываемым для конкретных типов устройств РЗА либо по записям реально возникавших аварийных процессов в энергосистемах. Такими возможностями обладают, например, устройства типа "РЕТОМ" (НПП "Динамика").
В обоих вариантах устройства должны обеспечивать выполнение "Правил технического обслуживания" [3, 4], достоверность и достаточную точность измерений, безопасность и удобство, минимальные трудозатраты на ТО.
Устройства должны обеспечивать плавное или ступенчатое с достаточной степенью дискретности регулирование в необходимых пределах значений тока, напряжения, угла между векторами переменного тока и напряжения. Вместе с тем, устройства должны поддерживать на заданном уровне значения упомянутых величин при изменениях входных сопротивлений испытуемых устройств. В частности, это относится к случаям использования устройств в качестве источника оперативного напряжения. При опробовании взаимодействия элементов устройств РЗА, особенно с использованием электромеханических реле, возникают скачкообразные изменения сопротивления устройства. Стационарные источники оперативного напряжения на энергообъектах, как правило, обеспечивают стабильность оперативного напряжения. Однако в процессе наладки вновь вводимых объектов таких источников еще может не быть.
Для ТО большинства устройств РЗА достаточны следующие пределы регулирования выходных величин:
- по переменному напряжению от нуля до 400 В с длительно допустимой нагрузкой 0,5-1 А и кратковременной 1,5-2 А;
- по постоянному напряжению от нуля до 245 В с такой же допустимой нагрузкой;
- по переменному току от нуля до 10 А без нагрузочного устройства (блока) и до 200 А с нагрузочным устройством (блоком);
- по углу между синусоидальными выходными величинами (напряжением и током для ТО направленных защит, двумя напряжениями для ТО аппаратуры проверки синхронизма) в диапазоне от нуля до 360° плавно или плавно-ступенчато;
- по частоте от 45 до 55 Гц для ТО устройств АЧР, ЧАПВ и т.п.
Устройства могут выполняться для имитации как однофазных, так и трехфазных режимов. Желательна независимая регулировка токов и напряжений в каждой фазе, однако для большинства использующихся в эксплуатации устройств РЗА (направленные и дистанционные защиты, защиты от несинхронных режимов и др.) допустимо иметь трехфазную систему регулируемых выходных напряжений и однофазную систему регулируемых выходных токов.
В качестве источника оперативного напряжения устройство должно поддерживать напряжения 110 и 220 В в пределах, допустимых "Правилами технической эксплуатации" [8], (от -20 до +10%) с допустимой нагрузкой до 400 Вт. Зависимость выходного напряжения от тока нагрузки должна предоставляться фирмами-изготовителями. При использовании в таком качестве выпрямленного напряжения изготовитель должен предоставлять информацию о степени сглаживания в зависимости от значения комплексного сопротивления нагрузки.
Устройства должны давать минимальные искажения синусоидальной кривой переменного тока или напряжения (в зависимости от проверяемого устройства РЗА). В частности, для снятия вольт-амперной характеристики трансформаторов тока (ТТ) желательно иметь минимальные искажения формы кривой напряжения. А для проверки устройств РЗА с нелинейными характеристиками (электромеханические реле типов ДЗТ, РТ40/Р, схемы дешунтирования отключающих катушек выключателей и др.) желательно иметь минимальные искажения формы кривой тока. Коэффициенты нелинейных искажений во всем диапазоне подаваемых величин и в зависимости от значений нагрузки также должны предоставляться фирмами-изготовителями.
Вместе с тем устройства, выполняемые по второму варианту, должны обеспечивать имитацию режимов глубокого насыщения трансформаторов тока, питающих токовые цепи устройств РЗА с возможностью регулирования этого режима. Это, в частности, необходимо при ТО микропроцессорных защит, использующих квантование аналоговых сигналов по времени, для имитации режимов близких КЗ, так как фирмы, выпускающие микропроцессорную аппаратуру, далеко не всегда указывают принципы восстановления исходной функции по ее дискретным значениям.
Устройства должны обеспечивать контроль как устройства РЗА в целом, так и его отдельных частей, если они не могут быть проверены в процессе проверки устройства в целом. Это относится, в частности, к характеристикам отдельных функциональных узлов и реле (параметры срабатывания и возврата, коэффициенты торможения и др.). Для этого устройства должны быть укомплектованы необходимым набором соединительных проводников, подобранных по условиям нагрева, с наконечниками (или разъемами), пригодными для подключения к элементам проверяемой аппаратуры.
Тепловой режим работы устройства должен обеспечивать подачу выходных величин на время, необходимое для успокоения переходных процессов в проверяемых устройствах плюс время считывания показаний оператором. В устройствах, выполняемых по второму варианту тепловой режим должен обеспечивать подачу требуемых выходных величин на весь цикл испытания. Предельно допустимые значения времени подачи выходных величин должны указываться фирмами-изготовителями.
Устройства должны обеспечивать измерение значений выходных величин (или их задание - для устройств автоматической проверки) в пределах диапазона их регулирования с точностью, соответствующей требованиям вышеупомянутых "Правил" [3, 4] и настоящей инструкции. Фирма-изготовитель должна указывать, какое значение выходной величины измеряет (или задает) устройство - действующее, амплитудное или средневыпрямленное. В частности, это важно при снятии вольт-амперных характеристик трансформаторов тока.
Устройства должны обеспечивать измерение времени срабатывания и возврата, времени замкнутого состояния временно замыкающих контактов как отдельных реле, так и устройств РЗА в целом с точностью, соответствующей требованиям вышеупомянутых документов. Желательно обеспечить измерение времени удержания сигнала пуска защиты (выдержки времени на возврат логики устройства РЗА после исчезновения величины, превышающей уставку срабатывания), поскольку оно достаточно широко используется в микропроцессорных защитах для выявления перемежающихся коротких замыканий.
Для измерения временных характеристик, а также для контроля за срабатыванием и возвратом аппаратуры РЗА устройство должно иметь входы для подключения дискретных сигналов от аппаратуры РЗА.
Питание устройств должно осуществляться от сети однофазного или трехфазного переменного напряжения 220-380 В. Устройства должны быть обеспечены защитой от коротких замыканий и недопустимых перегрузок.
Устройства автоматической проверки (второй вариант испытательных устройств), должны содержать не менее трех источников напряжения и трех источников тока (чтобы создавать симметричные системы токов и напряжений прямой и обратной последовательностей), независимо управляемых по модулю, фазе и частоте.
Источники тока и напряжения устройства автоматической проверки должны обладать следующими эксплуатационными характеристиками:
- допускать длительную работу;
- иметь защиту от перегрева;
- иметь защиту от коротких замыканий источников напряжения;
- иметь защиту от обрыва в цепях источников тока.
При срабатывании защит должен выдаваться соответствующий сигнал.
Комплект программ устройств автоматической проверки должен включать в себя проверку наиболее распространенных устройств РЗА, ручное управление источниками тока и напряжения, моделирование сигнала заданной формы, синтез сигнала при известном его гармоническом составе, генерирование последовательности состояний сигналов на входе устройств РЗА для проверки АПВ, АВР, АЧР и др.
Среди большого количества комплектных испытательных устройств, облегчающих техническое обслуживание сложных устройств РЗА (далее - УРЗА), наибольшее распространение получили устройства У5053, ЭУ5001. Эти устройства стали прототипом для более совершенных установок "Уран". Оба типа этих устройств предполагают подачу в устройства входных величин в ручном (У5053, ЭУ5001) или полуавтоматическом ("Уран") режиме.
В последнее время появилось новое поколение испытательных устройств для обслуживания сложных защит, к которому относятся устройства типа РЕТОМ, позволяющие осуществлять как ручную, так и автоматическую проверку УРЗА с помощью компьютера по заданным программам и минимизирующие затраты ручного труда на переключения в схемах РЗА и составление протоколов.
В данном приложении приводятся краткие сведения об этих устройствах для оценки их возможностей и сравнения с другими типами испытательных устройств. Полные сведения об устройствах и правилах их эксплуатации содержатся в материалах фирм-изготовителей. Схемы и технические характеристики приведены по материалам, предоставленным НПФ «Радиус» и НПП «Динамика».
1. Устройства типа У5053 и "Уран"
Описание для краткости дается совместно обоих типов устройств, благодаря схожести их конструктивного исполнения и функциональных схем. Наименование блоков и элементов схем дается для более современного устройства типа "Уран", а соответствующие наименования для устройств У5053 приводятся в скобках.
Устройства (установки) в полном объеме состоят из трех блоков, блока регулировочного (К513), нагрузочного (К514) и блока трехфазного напряжения (К515). Первые два блока предназначены для проверки простых устройств защиты, т.е. устройств, в которых используются измерительные органы с одной входной величиной (током или напряжением). Комплект из двух блоков называется "Уран-1" (У5052). При добавлении третьего блока устройство в целом становится способным проверять сложные защиты, т.е. защиты, в которых используются измерительные органы с двумя входными величинами (током и напряжением). Комплект из трех блоков называется "Уран-2" (У5053).
1.1. В состав регулировочного блока входят следующие основные элементы:
а) узел плавно-ступенчатого регулирования тока и напряжения, включающий в себя трансформаторы ТР и AT (Т1, Т2) с переключателями S5, S6 (S9) пределов грубой и плавной регулировки выходных напряжений и токов, магнитный пускатель KM (K1), коммутирующий выходные цепи; трансформатор вспомогательного питания ТВ (доп. обмотка Т2) для подключения контактов проверяемого реле к сигнальному светодиоду (и к цепям секундомера); выпрямительный мост VD6-VD9 (VD7-VD10) и блок конденсаторов с переключателем емкости фильтра для формирования постоянного (выпрямленного со сглаживанием) напряжения; узел формирования тока I, необходимого для проверки токовых обмоток промежуточных реле; переключатель "Режим работы" S7 (S7); переключатель питания блока напряжением 220 или 380 В;
б) измерительная схема, включающая в себя в устройстве "Уран" датчики напряжения на 500 В, выходного тока на 10 А, тока в цепи 1д на 5 А и температуры для включения вентилятора охлаждения, а также схему усиления аналоговых сигналов, поступающих с датчиков; в устройстве У5053 измерительная схема включает в себя стрелочный ампервольтметр с переключателем пределов, стрелочный электросекундомер с переключателем вида контактов и схему для подключения внешнего миллисекундомера.
В отличие от устройства У5053 регулировочный блок устройства "Уран" дополнен схемой управления, состоящей из контроллера, жидкокристаллического индикатора, клавиатуры и блока питания измерительной схемы. Такое построение значительно расширяет измерительные возможности блока по сравнению с соответствующим блоком в У5053
Функциональная схема регулировочного блока "Уран" приведена на рис. П4.1. Функциональная схема регулировочного блока К513 приводится в заводских данных и отличается незначительно.

Рис. П4.1. Функциональная схема регулировочного блока установки "Уран"
Регулировочный блок обеспечивает регулировку выходных электрических величин в следующих диапазонах (в скобках - данные по У5053):
|
Переменное напряжение, В |
0,01...410 (380) |
|
Переменный ток, А |
0,001...10(10) |
|
Постоянное (выпрямленное со сглаживанием) напряжение, В |
0,01...240 (240) |
|
Постоянный (выпрямленный со сглаживанием) ток, А |
0,001...5 (4,5) |
|
Выпрямленный (без сглаживания) ток, А |
0,01...4,5 (4,5) |
|
Переменное или постоянное напряжение питания оперативных цепей (нерегулируемое постоянное), В |
110,220 (210,220) |
|
Максимальный ток питания оперативных цепей, А |
1 (0,65) |
Регулировочный блок обеспечивает измерение выходных электрических величин в рабочем диапазоне в полосе частот 50±0,5 Гц с основной приведенной погрешностью ±1,5 (±2,5)%. Диапазон измерения времени срабатывания и возврата проверяемых устройств от 0,001 до 99,99 с (от 0,1 до 10 с) с точностью, не превышающей 1% (±0,03 с при измерениях до 3 с и ±0,05 с при измерениях до 10 с для устройств У5053).
1.2. В состав нагрузочного блока входят следующие основные элементы:
а) нагрузочный трансформатор ТН (ТЗ), формирующий выходной ток и имеющий шесть одинаковых обмоток напряжением 22 (12) В с переключателями для ступенчатой регулировки выходного тока S3, S4 (S16, S17); набор резисторов, включаемых в первичную обмотку нагрузочного трансформатора для улучшения формы кривой выходного тока, и переключатель S2 (S21) для выбора подходящего сопротивления из этого набора; переключатель реверса тока - "Ток" S20 (S1); переключатель "Режим работы", S6 (S19) для выбора режима большого тока на низкоомную нагрузку или большого напряжения на высокоомную нагрузку и соответственно переключатель "Диапазон измерения" S5 только в установке "Уран"; переключатель выбора фазы проверяемого устройства "Фаза тока" S7 (S18);
б) измерительная схема, включающая в себя в устройстве "Уран" датчики напряжения на 500 В, выходного тока на 300 А, выходного тока на 10 А и температуры для включения вентилятора охлаждения, а также схему усиления аналоговых сигналов, поступающих с датчиков; все измерения выполняются в регулировочном блоке; в устройстве У5053 измерительная схема включает в себя многопредельный трансформатор тока с максимальным первичным током 50 А; его вторичная обмотка подключается к амперметру в регулировочном блоке.
Функциональная схема нагрузочного блока "Уран" приведена на рис. П4.2. Функциональная схема аналогичного блока К514 приводится в заводских данных и отличается незначительно.

Рис. П4.2. Функциональная схема нагрузочного блока установки "Уран"
При совместной работе двух блоков регулируемое напряжение с регулировочного блока через соединительный кабель подается на первичную обмотку ТН. Совместная работа блоков обеспечивает регулировку выходных электрических величин в следующих диапазонах (в скобках - данные по У5053):
|
Переменное напряжение, В |
0,01...550 (250) |
|
Переменный ток, А |
0,5...200 (250) |
Установки "Уран-1" и У5052 обеспечивают:
- определение напряжения (тока) срабатывания (возврата) реле и других устройств переменного и постоянного напряжения (тока) в том числе промежуточных реле постоянного тока с параллельной и последовательной обмотками;
- определение однополярных выводов параллельной и последовательной обмоток промежуточных реле постоянного тока;
- определение времени срабатывания (возврата) УРЗА или времени замкнутого состояния контактов (например, выходного реле или проскальзывающего контакта реле времени);
- снятие вольт-амперных характеристик;
- организацию измерения временных характеристик защиты ("Уран-1" позволяет делать это в циклическом режиме с накоплением информации в памяти установки и вычислением средних значений измеряемых величин).
1.3. Состав блока трехфазного напряжения в устройстве "Уран-2" значительно отличается от блока К515 устройства У5053. Тем не менее, основные узлы имеют сходные назначения.
1.3.1. В состав блока К515 входят следующие основные элементы:
а) трехфазный фазорегулятор для регулирования фазы подаваемого напряжения и регулировочные трансформаторы Т5, Т6; коммутационные ключи S27, S29-S31 и реле К3, К5, К8 для имитации аварийных режимов; коммутационный ключ S26 для выбора фаз проверяемого устройства, на которых имитируется аварийный режим; ключ S28 для подключения фазорегулятора к регулировочному блоку или к сети;
б) измерительная схема, включающая фазоизмеритель с переключателем пределов S23, и вольтметр с переключателем пределов S24.
1.3.2. В состав блока трехфазного напряжения в установке "Уран-2" входят следующие элементы:
а) блок питания (БП2), три усилителя мощности с устройством формирования синусоидального сигнала и схемой формирования синхроимпульса (в составе схемы управления), трансформаторы ТР4, ТР5, ТР6, формирующие выходные напряжения;
б) узел формирования аварийных режимов, включающий в себя переключатели S3, S4, реле KV1-KV4, управляемые контроллером схемы управления, блок переключателей S5-S10;
в) измерительная схема, включающая в себя датчики внешнего напряжения на 400 В (ДUC), формируемого напряжения на 200 В (ДU), датчики тока на 5 А (ДI) и на 25 А (ДII), схему усиления аналоговых сигналов, поступающих с датчиков, схему измерения сопротивления;
г) схема управления, включающая в себя контроллер, жидкокристаллический индикатор, клавиатура, блок питания БП1;
д) ряд дополнительных устройств, расширяющих возможности устройства. Функциональная схема блока трехфазного напряжения "Уран-2" приведена на рис. П4.3.
Функциональная схема блока К515 приводится в заводских данных.

Рис. П4.3. Функциональная схема блока трехфазного напряжения установки "Уран-2"
1.3.3. Блок трехфазного напряжения обеспечивает регулировку выходных электрических величин в следующих диапазонах, в скобках, как и выше, данные по У5053:
|
Трехфазное напряжение, В фазных |
0,02...65 |
|
Максимальный выходной ток, А |
0,5 |
|
Однофазное напряжение, В |
0,02...195 |
|
Регулируемое междуфазное напряжение, В |
(0,1-110) |
|
Нерегулируемое симметричное междуфазное напряжение, В |
(110) |
Блок обеспечивает измерение выходных электрических величин тока и напряжения в рабочем диапазоне в полосе частот 50±0,5 Гц с основной приведенной погрешностью ±1,5% (±1,5%), измерение утла сдвига фаз ±2 (±5-10) эл. градусов.
1.3.4. Установки "Уран-2" и У5053 дополнительно к перечисленным выше функциям обеспечивают:
- проверку работы наиболее распространенных сложных защит путем подачи на них трехфазного напряжения и однофазного тока (напряжения) с возможностью регулировки угла сдвига фаз между ними;
- определение времени срабатывания сложных защит при имитации одно-, двух- и трехфазных коротких замыканий;
- регулировку частоты формируемого сигнала (только "Уран-2");
- измерение внешнего напряжения, внешнего тока, угла сдвига фаз между двумя внешними напряжениями и между внешним током и внешним напряжением (только "Уран-2").
В процессе работы установки "Уран-2" обеспечивается автоматический контроль работоспособности, контроль за предельно допустимыми значениями формируемых величин и температурой силовых узлов.
2. Устройства типа "РЕТОМ"
Компьютерно-управляемое устройство типа РЕТОМ для проверки УРЗА выполняет следующие функции:
- Генерирует сигналы переменного и постоянного тока и напряжения, независимо друг от друга управляемые по модулю, фазе и частоте. Это позволяет в ручном или автоматическом режиме проверять характеристики УРЗА при КЗ различного вида и других аномальных режимах энергосистем (например, при качаниях и асинхронном ходе). При автоматической проверке эти сигналы могуг подаваться на УРЗА как толчком, изменяясь от шага к шагу, так и при плавном (ступенчатом) изменении.
- Управляет необходимыми при автоматической проверке переключениями в схеме УРЗА при помощи дискретных (преимущественно контактных) сигналов, синхронизированных по заданной программе с аналоговыми сигналами.
- Контролирует реакцию УРЗА - принимает и обрабатывает поступающие от нее дискретные и аналоговые сигналы для проверки параметров и характеристик УРЗА. Дискретные входы РЕТОМ гальванически развязаны, универсальны и позволяют подключаться даже к контактам реле под напряжением постоянного тока до 250 В и к потенциальным выходам ИМС.
- Автоматически оценивает правильность защитных функций и точность параметров и уставок УРЗА.
- Автоматически создает протоколы испытаний УРЗА установленной формы.
РЕТОМ предоставляет проверяющему во время проверки УРЗА возможность наблюдать на экране компьютера ход проверки, анализировать промежуточные результаты, гибко менять параметры проверки и в необходимых случаях корректировать параметры УРЗА и сам ход проверки.
Выпущен уже ряд поколений устройств РЕТОМ. В данном описании приводятся принципы действия и краткие характеристики только одного устройства, РЕТОМ-51, поскольку оно в полной мере отображает подход к техобслуживанию УРЗА, существенно отличающийся от предыдущих подходов.
Набор стандартных программ, поставляемых с РЕТОМ-51, включает в себя универсальные программы: "ручное" управление источниками тока и напряжения; программы для проверки реле тока, напряжения, направления мощности, сопротивления, частоты; универсальный секундомер-регистратор; программы воспроизведения аварийных процессов, записанных цифровыми регистраторами; RL-модели энергосистемы; программу формирования несинусоидальных токов и напряжений в виде суммы синусоидальных сигналов заданных частот.
Кроме того, в составе программного обеспечения для РЕТОМ-51 есть специализированные программы, в том числе программы по проверке устройств защиты типа ЭПЗ-1636, ШДЭ-2801(02), ДФЗ-201, ПДЭ-2802, ОМП, АЧР, автосинхронизаторов, диффзащит с реле РНТ и ДЗТ, реле обратной последовательности типов РТФ, счетчиков электроэнергии, систем возбуждения генераторов, программа генерирования сигналов тока и напряжения произвольной формы и другие. Создан также специальный язык для разработки проверочных программ самим пользователем.
Внешний вид лицевой панели устройства показан на рис. П4.4.

1 - выключатель питания;
2 - индикатор готовности;
3 - индикатор высокого напряжения;
4 - зажимы дискретных входов (8 входов);
5 - выходные зажимы источников напряжения (UС, UA, UB, UN);
6 - KC-51.01 - внешний кабельный силовой разъем, гальванически связанный с выходами источников тока и напряжения, (поз. 5 и 7);
7 - выходные зажимы источников тока (IN, IА, IВ, IС);
8 - зажимы аналоговых входов;
9 - разъемы контактных выходов;
10 - КИ-51.01 - внешний кабельный информационный разъем (гальванически связанный с поз. 4, 9)
Рис. П4.4. Лицевая панель РЕТОМ-51
2.1. Функциональная схема программно-технического измерительного комплекса РЕТОМ-51 (рис. П4.5) включает в себя силовой блок, управляемый портативным персональным компьютером (ПК).
С помощью программ, разработанных для проверки отдельных реле или устройств РЗА в целом, оператор вводит в ПК требуемые исходные данные, ПК рассчитывает необходимые для проверки режимы и отправляет информацию во внутренний контроллер силового блока. Этот контроллер по заданию программы рассчитывает цифровые выборки токов и напряжений, передает их в интерфейсный модуль, откуда эти выборки подаются в цифро-аналоговый преобразователь (ЦАП). С выхода ЦАП требуемые аналоговые сигналы через усилители подаются в проверяемое УРЗА, Туда же через дискретные выходы силового блока подаются задаваемые программой проверки управляющие команды.
Выходные сигналы проверяемого УРЗА (например, замыкание контакта реле тока или напряжение на реагирующем органе дифференциального реле) подаются в дискретные или аналоговые входы силового блока, и через внутренний контроллер отправляются в ПК. Здесь сигналы обрабатываются, и ПК выдает на экран результаты проверки устройства. Эти результаты по желанию оператора могут быть распечатаны в виде протокола.

Рис. П4.5. Функциональная схема программно-технического измерительного комплекса РЕТОМ-51
2.2. В соответствии со своей структурой УРЗА подключается токовыми цепями к источникам тока силового блока, цепями напряжения - к источникам напряжения (рис. П4.6), логическими оперативными цепями (например, цепями ускорения) - к контактным выходам силового блока.

Рис. П4.6. Схема подключения защиты к РЕТОМ-51
2.2.1. В составе РЕТОМ имеются три источника тока (ИТ) максимальной выходной мощностью 250 В А каждый, регулируемые независимо друг от друга по модулю, фазе и частоте (рис. П4.7).

Без дополнительных устройств ИТ обеспечивают пофазную регулировку переменных токов в диапазоне 0,01-20 А. Три ИТ могут использоваться также в однофазном режиме, обеспечивая регулировку тока в диапазоне 0,01-60 А. Внутреннее сопротивление ИТ составляет не менее 330 Ом, что обеспечивает стабильность значения тока при колебаниях сопротивления нагрузки. ИТ могут работать также в режиме источника постоянного тока, обеспечивая регулировку в диапазоне 0,01-20 А. Внутреннее сопротивление ИТ в этом режиме составляет не менее 1000 Ом, что также обеспечивает стабильность значения подаваемого тока в режиме изменения сопротивления нагрузки.
2.2.2. В составе РЕТОМ имеются также три независимо регулируемых источника напряжения (ИН) максимальной выходной мощностью 60 В-А каждый, регулируемые независимо друг от друга по модулю, фазе и частоте. Без дополнительных устройств ИН обеспечивают пофазную регулировку переменных напряжений в диапазоне 0,01-120 В. Два ИН могут использоваться также в однофазном режиме, если включить их в противофазе, обеспечивая регулировку в диапазоне 0,01-240 В. Внутреннее сопротивление ИН не превышает 0,5 Ом, что обеспечивает стабильность значения напряжения при изменении сопротивления нагрузки. ИН могут работать также в режиме источника постоянного тока, обеспечивая регулировку в пределах 0,01-320 В. Внутреннее сопротивление ИН не превышает в этом режиме 0,5 Ом, что также обеспечивает стабильность значения подаваемого напряжения при изменении сопротивления нагрузки.
2.3. Коэффициент нелинейных искажений синусоидального сигнала не превышает 1,5%. Вместе с тем имеются программы формирования несинусоидальных сигналов для специальных испытаний аппаратуры, например, проверки поведения реле при глубоких насыщениях трансформаторов тока.
2.4. Устройство позволяет регулировать фазовые углы ИТ и ИН в пределах 0-359,9° с погрешностью ±0,1%, позволяет измерять интервалы времени в диапазоне 0,001-99999 с с погрешностью ±1,0%. В составе устройства имеются два аналоговых и 8 дискретных входов для получения информации с проверяемого устройства. Устройство подключается к источнику однофазного переменного напряжения 220±22 В, потребляемая мощность устройства не превышает 2200 В А. Работоспособность обеспечивается в диапазоне температур 5-40°С.
2.5. Устройство РЕТОМ 51 работает под управлением компьютера со следующими минимальными параметрами:
1. Процессор Pentium III 450 МГц.
2. ОЗУ - 128 Мб, рекомендуемый объем памяти - 256 Мб.
3. Дисплей SVGA с разрешением 800×600, рекомендуемый - 1024 768.
4. Наличие USB и СОМ-портов. Для подключения устройства рекомендуется использовать USB-порт как более быстрый в отличие от СОМ-порта, Устройство поддерживает протокол USB 1.1, который совместим и с USB 2.0.
5. Наличие привода CD-ROM желательно, он используется для установки программного обеспечения.
6. Операционная система - WINDOWS '98, '2000, 'ХР, рекомендуется WINDOWS XP как более современная.
7. Требования безопасности должны удовлетворять ТСО-95.
8. Для специальных программ рекомендуется Internet Explorer версия 6.0 и выше. Программное обеспечение (ПО) занимает на жестком диске объем не более 50 Мб. Для работы потребуется также стандартная клавиатура и координатное устройство типа Mouse ("мышь").
2.6. Особенностью устройства типа РЕТОМ-51 является отсутствие необходимости использовать при проверке защит измерительные приборы: амперметры, вольтметры, частотомеры, фазометры, секундомеры, осциллоскопы. При этом РЕТОМ-51, сертифицированный как средство измерения, обеспечивает декларированную точность параметров выдаваемых сигналов тока и напряжения. Первичная настройка выполняется фирмой-изготовителем. Для подстройки коэффициентов усиления каналов тока и напряжения, а также других параметров под конкретную нагрузку с целью получить повышенную точность используется специальная программа юстировки, настройки и коррекции, поставляемая вместе с устройством.
Устройство типа РЕТОМ-11М
Устройство РЕТОМ-11М предназначено для:
- выдачи регулируемого однофазного переменного тока или напряжения сетевой частоты, а также постоянного напряжения или тока;
- измерения формируемых токов и напряжений, а также внешних напряжений с помощью двух встроенных цифровых мультиметров;
- измерения временных характеристик реле и коммутационных аппаратов с помощью встроенного цифрового секундомера.
РЕТОМ-11М дает возможность проводить проверку и настройку параметров и основных характеристик практически всех типов простых реле (тока, напряжения, времени, указательных, промежуточных), блок-реле, комплектов, панелей и шкафов защит, блоков питания, широкой номенклатуры низковольтных аппаратов управления (реле управления, контакторы и электромагнитные пускатели до 200 А) и другого электрооборудования в схемах релейной защиты и автоматики, в том числе:
- тока и напряжения срабатывания и возврата;
- времени срабатывания и возврата реле, разновременности переключения контактов, длительности замкнутого состояния контактов (на замыкающих и размыкающих контактах).
Технические данные РЕТОМ-11М
|
Источник 1. ВЫХОД «=U1». Регулируемое напряжение постоянного тока |
|||||||
|
Положение переключателя |
4А |
1,5 А |
|||||
|
Диапазоны регулирования тока, А |
0-8 |
0-3 |
|||||
|
Диапазоны регулирования напряжения, В |
0,2-35 |
2,4-300 |
|||||
|
Выходная мощность номинальная, Вт, не менее: |
140 |
300 |
|||||
|
Источник 1. ВЫХОД «~U2». Регулируемое напряжение переменного тока |
|||||||
|
Положение переключателя |
4 А |
1,5 А |
|||||
|
Диапазоны регулирования тока, А |
0-8 |
0-3 |
|||||
|
Диапазоны регулирования выходного напряжения, В |
0,18-25 |
1,6-220 |
|||||
|
Выходная мощность номинальная, ВА, не менее: |
100 |
300 |
|||||
|
Источник 2. ВЫХОД «~U3,~I». Регулируемые переменный ток или напряжение |
|||||||
|
Положение переключателя |
~250 В, 8 А |
~20 А, 100 В |
~50 А, 40 В |
||||
|
Диапазоны регулирования тока, А |
0-16 |
0-40 |
0-135 |
||||
|
Диапазоны регулирования напряжения, В |
3-250 |
1,2-100 |
0,5-40 |
||||
|
Выходная мощность номинальная, В-А, не менее: |
2000 |
2000 |
2000 |
||||
|
Источник 2. ВЫХОД «=U4». Регулируемое выпрямленное (несглаженное) напряжение |
|||||||
|
Положение переключателя |
= 250 В, 8 А |
||||||
|
Диапазон регулирования напряжения, В |
3-250 |
||||||
|
Диапазон регулирования тока, А |
0-10 |
||||||
|
Номинальная выходная мощность, Вт: |
2000 |
||||||
|
Источник 2. ВЫХОД «~U5». Регулируемый переменный ток |
|||||||
|
Положение переключателя |
~200 А, 10 В |
||||||
|
Диапазон регулирования тока, А |
0-400 |
||||||
|
Диапазон регулирования напряжения, В |
0-10 |
||||||
|
Выходная мощность номинальная, В-А, не менее: |
2000 |
||||||
|
Источник 2. ВЫХОД «~U6». Регулируемое напряжение переменного тока (ВЫХОД ЛАТР2) |
|||||||
|
Диапазон регулирования выходного напряжения, В |
3-250 |
||||||
|
Номинальный выходной ток, А |
6 |
||||||
|
Выходная мощность номинальная, В А, не менее: |
2000 |
||||||
|
Ограничение времени выдачи выходного сигнала |
20 мс - 9999 с |
||||||
|
ВСТРОЕННЫЙ ЦИФРОВОЙ МУЛЬТИМЕТР |
|||||||
|
Род тока |
@ |
||||||
|
Пределы измерений напряжения, В |
2,5; 25; 250; 500 |
||||||
|
Пределы измерений тока, А |
0,25; 2,5; 10; 50; 300 |
||||||
|
ВСТРОЕННЫЙ ЦИФРОВОЙ СЕКУНДОМЕР |
|||||||
|
Пределы измерений |
999,9 мс |
99,99 с |
999,9 с |
9999 с |
|||
|
Разрешающая способность |
0,1 мс |
0,01 с |
0,1 с |
1с |
|||
|
Дискретные входы |
контакт с потенциалом до + 400 В, «сухой контакт», потенциальный выход ИМС |
||||||
|
ОБЩИЕ ТЕХНИЧЕСКИЕ ДАННЫЕ |
|||||||
|
Масса устройства, кг, не более |
34 |
||||||
|
Габаритные размеры устройства, мм, не более |
455×375×200 |
||||||
РЕТОМ-11М выполнен в виде чемодана со съемной крышкой. Рабочее положение прибора - горизонтальное или вертикальное.
В дополнение к РЕТОМ-11М выпускаются:
- трехфазный измерительно-трансформаторный блок РЕТ-ВАХ, который предназначен для снятия вольт-амперных характеристик и измерения коэффициентов трансформации трансформаторов тока и напряжения, а также для расширения диапазона выдаваемого РЕТОМ-11М напряжения до 1000 В;
- однофазный нагрузочный тороидальный трансформатор РЕТ-3000, применение которого вместе с РЕТОМ-11М позволяет получать на выходе ток до 3500 А для проверки первичным током выключателей, трансформаторов тока и реле прямого действия.
АСУ (или АСУ ТП) - автоматизированная система управления объектом, (АСУ технологическим процессом, в данном случае процессом производства и распределения электроэнергии).
Вольт-амперфазометр, кратко - ВАФ, - прибор для измерения напряжений, токов без разрыва цепи, а также углов сдвига между напряжениями и токами.
ИМС - интегральная микросхема, цифровая или аналоговая.
Зажимы и ряды зажимов, измерительные зажимы - устройства для перехода от кабельных связей к проводам панели (клеммы) в отличие от выводов реле и аппаратов. Измерительные зажимы позволяют без отсоединения проводов размыкать цепи тока, напряжения, отключения и т.п.
Оперативное напряжение - постоянное, выпрямленное или переменное напряжение, предназначенное для питания логических цепей устройства РЗА, приводов коммутационных аппаратов и т.п.
Отключающее устройство: накладка, ключ, испытательный блок, автоматический выключатель, - элементы аппаратуры, специально предназначенные для вывода устройства РЗА из работы без нарушения цепей вторичной коммутации, в отличие от отключения устройства РЗА, например, на рядах зажимов панели. Как правило, предназначено для использования оперативным персоналом.
Переключающее устройство, также накладка, ключ и т.п., предназначенное для изменения схемы подключения устройства РЗА, например, переключатель цепей напряжения, испытательный блок перевода цепей защиты на обходной выключатель. Также, как правило, предназначено для использования оперативным персоналом.
Рабочий журнал, журнал производителя работ, в котором заносятся все предварительные данные по проверке устройства РЗА. Ведение журнала является обязательным для квалифицированного и безошибочного выполнения технического обслуживания.
Цепи напряжения - цепи вторичной коммутации, подключающие устройство РЗА к измерительным трансформаторам напряжения.
Цепи тока или токовые цепи - цепи вторичной коммутации, подключающие устройство РЗА к измерительным трансформаторам тока.
Штекер испытательного блока, иначе контрольный штепсель - устройство, вставляемое вместо крышки испытательного блока, для подачи испытательных величин (тока, напряжения и т.п.) в панель помимо ряда зажимов. На лицевой стороне штекера имеются 8 или 12 клемм (в зависимости от типа испытательного блока, БИ-4 или БИ-6), к которым подключаются провода от испытательной установки или требуемые перемычки.
ЭМС - электромагнитная совместимость технических средств (ТС) - способность технических средств функционировать с заданным качеством в заданной электромагнитной обстановке (ЭМО) и не создавать недопустимых электромагнитных помех другим ТС.
|
Назначение отсоединяемых цепей |
Обозначение на схеме |
№ клеммы |
Дата проверки и подпись исполнителя |
||||||
|
|
|
|
|
|
|
|
|||
|
Цепи отключения |
1 |
92 |
|
|
|
|
|
|
|
|
33 |
98 |
|
|
|
|
|
|
|
|
|
Цепи оперативного напряжения |
+ ШУ |
51 |
|
|
|
|
|
|
|
|
- ШУ |
54 |
|
|
|
|
|
|
|
|
|
Токовые цепи |
N 421 |
1 |
|
|
|
|
|
|
|
|
А 421 |
3 |
|
|
|
|
|
|
|
|
|
В 421 |
5 |
|
|
|
|
|
|
|
|
|
С 421 |
7 |
|
|
|
|
|
|
|
|
|
Цепи напряжения |
А 710 |
40 |
|
|
|
|
|
|
|
|
В 600 |
41 |
|
|
|
|
|
|
|
|
|
С 710 |
42 |
|
|
|
|
|
|
|
|
|
N 710 |
43 |
|
|
|
|
|
|
|
|
|
Н 710 |
45 |
|
|
|
|
|
|
|
|
|
И 710 |
46 |
|
|
|
|
|
|
|
|
|
Цепи сигнализации |
- ШС |
124 |
|
|
|
|
|
|
|
|
125 |
|
|
|
|
|
|
|
||
|
127 |
|
|
|
|
|
|
|
||
|
+ ШС |
134 |
|
|
|
|
|
|
|
|
|
Цепи автоматики |
0105 |
60 |
|
|
|
|
|
|
|
|
0117 |
70 |
|
|
|
|
|
|
|
|
|
0107 |
76 |
|
|
|
|
|
|
|
|
Начальник СРЗА__________________________________
1. Типовое положение о службах релейной защиты и электроавтоматики: РД 153-34.0-04.418-98, - М: СПО ОРГРЭС, 1998.
2. Инструкция для оперативного персонала по обслуживанию устройств релейной защиты и электроавтоматики энергетических систем. - М.: СПО ОРГРЭС, 2005.
3. Правила технического обслуживания устройств релейной защиты, электроавтоматики, дистанционного управления и сигнализации электростанций и подстанций 110-750 кВ: РД 153-34.0-35.617-2001. - М: СПО ОРГРЭС, 2001. Изменение № 1. Дата введения 01.09.2001. - М.: СПО ОРГРЭС, 2001. Изменение № 2. Утверждено 29.04.2004. - М: СПО ОРГРЭС, 2004.
4. Правила технического обслуживания устройств релейной защиты, электроавтоматики, дистанционного управления и сигнализации электрических сетей 0,4-35 кВ: РД 153-34.3-35.613-00. Изд. 3. - М.: СПО ОРГРЭС, 2001.
5. Образцы программ проведения сложных типовых операций с устройствами РЗА. - М.: СПО Союзтехэнерго, 1980.
6. Правила по охране труда (правила безопасности) при эксплуатации электроустановок: ПОТ Р М-016-2001 (РД 153-34.0-03.150-00) /Утв. Минэнерго РФ 27.12.2000 № 163; Минтруда РФ 05.201 № 3. - М.: "Изд. НЦ ЭНАС", 2001.
Изменения и дополнения к межотраслевым правилам по охране труда (правилам безопасности) при эксплуатации электроустановок: ПОТ Р М-016-2001 (РД 153-34.0-03.150-00) /Введены в действие с 1 июля 2003 г. - М.: "Изд. НЦ ЭНАС", 2003.
7. Правила устройства электроустановок. Изд. шестое. - М.: Энергоатомиздат, 1985.
8. Правила технической эксплуатации электрических станций и сетей Российской Федерации. - М.: СПб, "Изд. ДЕАН", 2004.
9. Методические указания по проведению комплексных электрических испытаний блоков генератор-трансформатор и их устройств релейной защиты и автоматики. - М.: СПО Союзтехэнерго, 1980.
10. Правила безопасности при работе с инструментом и приспособлениями: РД 34.03.204 /Утв. Упр. по технике безопасности и пром. санитарии Минэнерго СССР 27.03.91; Разраб. ПО "Союзтехэнерго"; Срок действ, не ограничен. - М.: СПО ОРГРЭС, 1993.- 115 с.
11. Инструкция по применению и испытанию средств защиты, используемых в электроустановках /Утв. Приказом Минэнерго от 30.06.03 № 261.
12. СНиП 23-05-95. Естественное и искусственное освещение/ Минстрой России,- М.: ГП "Информрекламиздат", 1995.
13. Инструкция по учету и оценке работы релейной защиты и автоматики электрической части энергосистем: РД 34.35.516-89. - М.: СПО Союзтехэнерго, 1990.
14. Объем и нормы испытаний электрооборудования: РД 34.45-51.300-97, - М.: ЭНАС, 1998.
15. Методические указания по определению электромагнитных обстановки и совместимости на электрических станциях и подстанциях: /Утв. РАО «ЕЭС России» 13.02.2004; Разраб. МЭИ ТУ, НПФ ЭЛНАП. - М.: Изд-во МЭИ, 2004, - 76 с.
|
ГОСТЫ, СТРОИТЕЛЬНЫЕ и ТЕХНИЧЕСКИЕ НОРМАТИВЫ. Некоммерческая онлайн система, содержащая все Российские Госты, национальные Стандарты и нормативы. В Системе содержится более 150000 файлов нормативно-технической документации, действующей на территории РФ. Система предназначена для широкого круга инженерно-технических специалистов. Copyright © www.gostrf.com, 2008 - 2026 |