Крупнейшая бесплатная информационно-справочная система онлайн доступа к полному собранию технических нормативно-правовых актов РФ. Огромная база технических нормативов (более 150 тысяч документов) и полное собрание национальных стандартов, аутентичное официальной базе Госстандарта. GOSTRF.com - это более 1 Терабайта бесплатной технической информации для всех пользователей интернета. Все электронные копии представленных здесь документов могут распространяться без каких-либо ограничений. Поощряется распространение информации с этого сайта на любых других ресурсах. Каждый человек имеет право на неограниченный доступ к этим документам! Каждый человек имеет право на знание требований, изложенных в данных нормативно-правовых актах!

  


 

ГЛАВМОСОБЛСТРОЙ

Трест МОСОБЛОРГТЕХСТРОЙ

Согласовано

УТВЕРЖДЕНО:

Начальник Управления механизации и транспорта

Начальник Управления Спецработ Главмособлстроя

М. Немчинов

А. Мамонтов

ТЕХНОЛОГИЧЕСКАЯ КАРТА
НА
ПРОКЛАДКУ ТЕПЛОВЫХ СЕТЕЙ БЕСКАНАЛЬНЫМ СПОСОБОМ С ИЗОЛЯЦИЕЙ ИЗ БИТУМОПЕРЛИТА

 

Управляющий трестом "Мособлоргтехстрой"                                                П. Малый

Москва - 1974

СОДЕРЖАНИЕ

ВВЕДЕНИЕ

Технологическая карта на прокладку тепловых сетей бесканальным способом с изоляцией из битумоперлита охватывает основные виды строительно-монтажных работ при диаметре трубопроводов Д до 426 мм.

При разработке технологической карты особое внимание было уделено максимальной механизации всех производственных процессов с применением существующих машин, механизмов и новых приспособлений, созданных в различных строительных организациях для облегчения и ускорения работ при строительстве тепловых сетей.

В карте также отражено применение наиболее совершенных материалов, удешевляющих строительство и повышающих качество и надежность тепловых сетей.

В состав каждой операции входят основные указания по выполнению работ, схема организации работ и производственная калькуляция затрат.

В разработке карты принимали участие сотрудники треста "Мособлоргтехстрой" Е.М. Авдолимов, А.К. Дудиков, Т.А. Туранская.

Технические консультанты Е.М. Мамекин, М.Я. Груцкий (трест "Мособлсантехмонтаж" № 1), В.И. Ульянцев, Г.М. Дуплищев (трест "Мособлсантехмонтаж № 2).

 


СХЕМА УСТРОЙСТВА БИТУМОПЕРЛИТОВОЙ ИЗОЛЯЦИИ ТРУБ

ТАБЛИЦА ИЗМЕНЕНИЯ ТОЛЩИНЫ СЛОЯ ИЗОЛЯЦИИ В ЗАВИСИМОСТИ ОТ ДИАМЕТРА ТРУБ И ТЕМПЕРАТУРЫ ТЕПЛОНОСИТЕЛЯ

Ø трубы в мм

57

76

89

108

133

159

219

273

325

377

426

480

tо теплон.

150

50

60

60

60

60

60

60

60

60

70

70

70

95

95

40

40

40

40

40

40

40

40

-

-

-

70

70

30

30

30

30

30

30

30

30

4d

40

40

ПРИМЕРНЫЙ ПЛАН ТРАССЫ

МОНТАЖНАЯ СХЕМА

ПРИМЕЧАНИЕ: l1 и l2 - длины канальных участков при Г-образных и Z - образных поворотах трубопровода.

 


ПОДГОТОВИТЕЛЬНЫЕ РАБОТЫ

УКАЗАНИЯ ПО ВЫПОЛНЕНИЮ ПОДГОТОВИТЕЛЬНЫХ РАБОТ

До начала земляных работ территория, на которой предусматривается разработка траншей для прокладки теплосетей, должна быть освобождена от деревьев, кустарника, пней, крупных камней, а также от всяких временных сооружений и зданий. По окончании расчистки и сноса сооружений производится разбивка траншей с выносом на местность их очертаний.

Разбивка на местности трассы теплосетей производится в соответствии с координатами, нанесенными на плане тепломагистралей. Перенесение на местность теплотрассы осуществляется при помощи геодезических инструментов с привязкой к полигонометрическим знакам или при помощи стальных лент и рулеток, когда теплосети привязываются к ближайшим зданиям, существующим люкам подземных колодцев или к другим сооружениям, не изменяющим свое положение на местности.

Независимо от метода разбивки трассы вначале переносятся и закрепляются на местности какие-либо две основные точки оси теплосети. Они закрепляются в натуре путем забивки на 15 - 25 см деревянных кольев или стальных стержней длиной 30 - 40 см. Линия оси трассируется при помощи вех, устанавливаемых в створе между точками.

Границы рытья траншей, ниш, камер размечаются забивкой временных колышков по их наружным габаритам. На размеченных линиях рытья траншей колышки забиваются через каждые 20 - 25 см. В местах пересечения трассы с другими подземными сооружениями закладываются контрольные шурфы с целью проверки отметок существующих подземных сооружений.

Выполненные геодезические работы подлежат обязательному актированию с приложением схем разбивки и привязки к опорной геодезической сети.

Одновременно с разбивкой производится завоз инвентарных сооружений и основных материалов. По окончании, разбивки трасса ограждается инвентарными щитами. Ограждения устанавливаются с двух сторон на хорошо спланированном основании и закрепляются металлическими штырями. На концах ограждений и поворотах должны быть установлены световые сигналы. Расстояние от ограждения до оси теплотрассы определяется в зависимости от местных условий с учетом возможности складирования материалов и безопасности работы механизмов. Материалы должны быть уложены на стороне, противоположной отвалу грунта на расстоянии не менее 1,5 м от бровки траншеи.

ПРОИЗВОДСТВЕННАЯ КАЛЬКУЛЯЦИЯ ЗАТРАТ

ТРУДОВЫЕ ЗАТРАТЫ

№ пп

Основание

Описание работ

Состав бригады

Единица измерения

Норма времени на единицу измерения в чел/час

Расценка

1.

Обязательная технология строительства подземных водопроводных, канализационных, водосточных и газовых сетей

Ознакомление с проектом и разбивка трассы

Трубоукладчик 6 разряда - 1

1 м траншеи

0,01

0-00,6

2.

Ограждение трассы

Плотник 3 разряда - 1

Плотник 2 разряда - 1

-"-

0,155

0-08,1

3.

То же, люков и деревьев

 

1 место

0,35

0-17,9

4.

ЦНИС Мосстроя 1969 года

Разборка ограждения трассы

 

1 м траншеи

0,105

0-05,1

5.

 

То же люков и деревьев

 

1 место

0,195

0-09,8

ПРИМЕЧАНИЕ: При устройстве и разборке ограждений с одной стороны Н.вр. и Расцен. умножать на 0,5.

ИНСТРУМЕНТЫ

пп

Наименование

Ед. измерения

Кол-во

1.

Теодолит

шт.

1

2.

Нивелир

-"-

1

3.

Рейки

-"-

2

4.

Рулетка

-"-

1

5.

Визирки

-"-

3

6.

Молотки

-"-

2

7.

Лопата штыковал

-"-

1

8.

Лом

-"-

1

9.

Шнур длиной 50 м

-"-

2

10.

Топор

-"-

1

11.

Пила-ножовка

-"-

1

12.

Клещи

-"-

2

13.

Плоскогубцы

-"-

1

ОСНОВНЫЕ МАТЕРИАЛЫ, СТРОИТЕЛЬНЫЕ МАТЕРИАЛЫ И КОНСТРУКЦИИ

№ пп

Наименование

Ед. изм.

На ограждение

Люков

Деревьев диаметром

Места произ. работ

15

25

40

60

1.

Пиломатериалы

м3/место

0,056

0,025

0,035

0,05

0,065

-

2.

Гвозди

м3/место

0,18

0,11

0,15

0,2

0,28

-

3.

Стойки инвентарные

шт./пм

-

-

-

-

-

1,6

4.

Щиты инвентарные

-"-

-

-

-

-

-

1,6

5.

Штыри металлические

-"-

-

-

-

-

-

3,2


СХЕМА ОРГАНИЗАЦИИ РАБОТ

1 - инвентарный щит для перекрытия шурфа

2 - брус для подвески короба»


УКАЗАНИЯ ПО ПРОИЗВОДСТВУ РАБОТ

До начала разработки грунта механизмами все подземные коммуникации (эл. кабели, кабели связи, водопровод, газопровод и т.д.), расположенные выше отметок теплотрассы, должны быть вскрыты шурфами. Шурфы разрабатываются до проектной отметки дна траншеи и ограждения инвентарными щитами.

Наиболее ответственной разработкой является вскрытие мест пересечения теплосети с электрическими кабелями и кабелями связи. При выполнении этих работ запрещается применять металлические лопаты, ломы, кирки и т.д., а разработку шурфа необходимо вести деревянной лопатой с окантовкой режущей кромки металлом. Кабели, вскрытые шурфами, должны быть заключены в металлический футляр покрывающий траншею по 0,5 м в каждую сторону.

В случае разработок шурфов большой ширины (более 1,0 м) в местах пересечения теплосети с трубопроводами, расположенными выше отметок её заложения, трубы необходимо заключить в деревянный короб и подвесить к перекладине.

Размер и материал перекладин определяется в зависимости от ширины траншеи и вида подвешиваемых коммуникаций. Разборка подвесок производится только после засыпки траншей до низа короба. После разборки короба грунт под сооружением должен быть хорошо утрамбован.

 


ПРОИЗВОДСТВЕННАЯ КАЛЬКУЛЯЦИЯ ЗАТРАТ

ТРУДОВЫЕ ЗАТРАТЫ

№ пп

Основание

Описание работ

Состав бригады

Ед. изм.

 

Нормы времени чел/час на ед. измерения в зависимости от группы грунтов

Расценки на ед. измерения в зависимости от группы грунтов

 

 

I

II

III

IV

IVр(ск)

Vр(ск)

I

II

III

IV

IVр(ск)

Vр(ск)

1.

ЕНиР сборник 2 выпуск

Послойная разработка грунта

Землекоп II разряда

м3

1

1,2

1,6

2,3

3,0

4,4

6,0

0,44,4

0,59,2

0,85,1

1,11

1,87

2,55

-

-

2.

Установка подвесок

Плотник 3 разряда - 2 человека

1 место

Ширина траншеи до 1,5 м

1,47

-

-

-

-

-

0,61,4

-

-

-

-

-

1,47

0-61,4

3.

Разборка подвесок

-"-

0,8

-

-

-

-

-

0,32,9

-

-

-

-

-

0,8

0-32,9

 


ИНСТРУМЕНТ ПРИСПОСОБЛЕНИЯ

№ пп

Наименование

Ед. изм.

Кол-во

1.

Лопата металлическая

шт.

3

2.

Лом

-"-

2

3.

Кувалда

-"-

1

4.

Клин

-"-

1

5.

Лопата деревянная

-"-

1

6.

Топор

-"-

1

7.

Пила

-"-

1

8.

Молотки

-"-

2

9.

Плоскогубцы

-"-

1

ОСНОВНЫЕ МАТЕРИАЛЫ

№ пп

Наименование

Ед. изм.

Кол-во

1.

Пиломатериалы (на 1 место)

м

0,11

2.

Проволока (на 1 место) - 5 мм

кг

1,4

3.

Металлический футляр для кабелей 1,0 + ширина траншеи (на 1 место)

шт.

1

4.

Инвентарный щит для перекрытия шурфа по верху (на 1 место)

-"-

1

ЗЕМЛЯНЫЕ РАБОТЫ

УКАЗАНИЯ ПО ПРОИЗВОДСТВУ РАБОТ

В технологической карте рытье траншей предусматривается одноковшовым экскаватором, оборудованным обратной лопатой, с совмещением оси экскаватора с осью траншеи.

До начала разработки траншей выполняется разбивка её оси и бровок, границ отвала грунта и подготавливается место для его складирования. Вдоль трассы траншеи на расстоянии не более 40 - 50 м и на переломах устанавливаются в 0,5 м от верхнем бровки траншеи неподвижные визирки с рабочими отметками глубины разработки.

Грунт разрабатывается экскаватором ниже уровня его стоянки продольной проходкой. Для обеспечения минимальной продолжительности рабочего цикла экскавации следует совмещать поворот стрелы экскаватора с операциями по спуску ковша для его наполнения и подъема - для его разгрузки. Угол поворота экскаватора пря разгрузке должен быть не более 80°.

Грунт выбрасывается на одну сторону, с которой возможен приток дождевых вод. В грунтах, насыщенных водой, рытье траншей начинается с пониженной стороны, а для сбора и удаления грунтовых вод в траншее выкапываются приямки. Разработка грунта ниже грунтовых вод производится с применением открытого механизированного водоотлива или искусственного понижения уровня грунтовых вод.

При рытье траншей экскаватором грунт не добирается до проектной отметки на 10 см. Последующий добор грунта выполняется вручную с выбрасыванием грунта на бровку (при глубине траншеи до 1,5 м) или с погрузкой в бадьи и подъемом на поверхность с помощью крана (при глубине траншей более 1,5 м).

Грунт, выброшенный из траншей, следует размещать на расстоянии 0,5 м от бровки.

При необходимости вслед за экскаватором на расстоянии не менее 10,0 м можно производить работы по креплению стен траншей.

Крутизна откосов траншей, разрабатываемых без креплений, принимается по таблице (см. лист 12).

При глубине траншей и котлованов свыше 5 м крутизна откосов устанавливается по расчету. Крутизну откосов траншей в глинистых грунтах, переувлажненных снеговыми, дождевыми и др. водами, следует уменьшать против указанной в таблице до 1:1 (45°), о чем производитель работ обязан составить акт.

Разработка траншеи должна выполняться строго по проекту без перебора грунта и нарушения его естественной структуры. В случае перебора грунта, подсыпку и выравнивание дна траншеи следует производить песком.

По дну траншеи, предназначенной для бесканальной прокладки тепловых сетей, должна устраиваться песчаная подушка толщиной не менее 100 - 150 мм.

В насыпных, торфянистых и других слабых грунтах песчаная подушка должна укладываться на слой трамбованного щебня, гравия или тощего бетона толщиной не менее 100 мм. Тип основания под песчаную подушку устанавливается проектом в зависимости от характеристики грунта и местных условий,

Наибольшая допустимая крутизна откосов котлованов и траншей в грунтах естественной влажности

Наименование грунта

При глубине траншей и котлованов в м

до 1,5

до 3

до 5

Угол между направлением откоса и горизонталью в градусах

Отношение высоты откоса к его заложению

Угол между направлением откосов и горизонталью в градусах

Отклонение высоты откоса к его заложению

Угол между направлением откосов и горизонталью в градусах

Отклонение высоты откоса к его заложению

Насыпной, естественной влажности

76

1:0,25

45

1:1

38

1:1,25

Песчаный и гравийный, влажный (ненасыщенный)

63

1:0,50

45

1:1

45

1:1

Глинистый, естественной влажности

 

 

 

 

 

 

Супесь

86

1:0,25

56

1:0,67

45

1:0,25

Суглинок

90

1:0

63

1:0,5

53

1:0,75

Глина

90

1:0

76

1:0,25

63

1:0,5

Лессовый сухой

90

1:0

63

1:0,3

63

1:0,5

СХЕМА РАЗРАБОТКИ ТРАНШЕЙ ЭКСКАВАТОРОМ С ОБРАТНОЙ ЛОПАТОЙ С ОТСЫПКОЙ ГРУНТА В ОТВАЛ.

Скорость движения экскаватора по траншее определяется по следующей формуле:

где П - производительность в м3 в смену по ЕНиР ст.2 выпуск I.

v - средний объем грунта в м3 приходящийся на 1 п.м траншеи.

Тсм - время смены в часах

РАБОЧИЕ ПАРАМЕТРЫ ЭКСКАВАТОРОВ

№ пп

Наименование параметра

Ед. изм

Марка экскаватора

Э-153

Э-1514

Э-155

Э-255

Э-258

Э-302

Э-505

Э-652

1.

Наибольший радиус резания

м

4,1

5,2

7,3

7,5

7,8

9,2

2.

Наименьший радиус резания

-"-

-

-

2,9

2,9

-

3,2

3.

Наибольший глубина траншеи

-"-

2,2

3,0

4,0

3,8

4

3,2

4.

Начальный радиус выгрузки

-"-

-

-

3,95÷4,32

2,8÷3,8

3,1÷4,5

3,8÷5,0

5.

Конечный радиус выгрузки

-"-

2,7

-

5,24÷6,29

5,24÷6,29

5,8÷6,8

7,1÷8,1

6.

Начальная высота выгрузки

-"-

-

2,1÷2,6

2,3÷3,0

2,6÷3,3

2,25÷3,6

2,3÷3,1

7.

Конечная высота выгрузки

-"-

2,6

3,15÷3,7

5,6÷6,8

4,7÷5,4

4,9÷5,6

5,26÷6,14

8.

Длина рабочей передвижки при рытье траншей

-"-

-

-

1,2

1,03

1,65

2,5

9.

Емкость ковша

м3

0,15

0,15

0,25

0,25

0t3

0,50÷65

10

Производительность t

-"-

 

 

 

 

 

 

 

в смену

-"-

56

67

140

140

180

350

 

в нас

-"-

8

9,5

20

20

25,7

50

ВЕДОМОСТЬ ПОТРЕБНОСТИ ОСНОВНЫХ МАТЕРИАЛОВ

№ п/п

Наименование

Ед. изм.

Потребность на 1 машино-час работы

Э-153

Э-1514

Э-155

Э-255

Э-258

Э-302

Э-505 Э-505А

Э-651, Э-652

1.

Бензин

кг.

0.1

0,1

-

0,1

0,1

0,1

0,23

0,23

2.

Дизельное топливо

-"-

5,4

5,4

2,5

5,4

5,4

5,4

7,9

8,5

3.

Автол

-"-

0,004

0,004

0,004

0,004

0,004

0,004

0,01

0,01

4.

Веретенное масло

-"-

0,07

0,07

-

-

-

-

0,07

-

5.

Дизельное масло

-"-

0,25

0,25

0,12

0,35

0,25

0,25

0,4

0,4

6.

Индустриальное масло

-"-

0,02

0.02

0.02

0,02

0,02

0,02

0,04

0,04

7.

Трансмиссионное масло /нигрол/

-"-

0,07

0,07

0,07

0,07

0,07

0,07

0,1

0,1

8.

Солидол

-"-

0,06

0,06

0,06

0,06

0,06

0,06

0,09

0,09

9.

Канатная мазь

-"-

-

-

0,04

0,04

0,04

0,04

0,05

0,05

10.

Обтирочные материалы

-"-

0,012

0,012

0,012

0,018

0,016

0,018

0,022

0,022

11.

Стальной канат

м

-

-

0,066

0,059

0,065

0,057

0,112

0,112

ПОДГОТОВКА ДНА ТPAHШEИ К УКЛАДКЕ ТРУБ

СХЕМА ПРОИЗВОДСТВА РАБОТ

устройство основания в насыпных. торфяных И ДРУГИХ СЛАБЫХ ГРУНТАХ

УКАЗАНИЯ ПО ПРОИЗВОДСТВУ РАБОТ.

Подготовка основания под тепловые сети производится вслед за разработкой траншеи. При подготовке дна траншеи необходимо произвести срезку недобора грунта после экскаватора. После срезки по дну траншеи устраивается песчаная подушка толщиной 10 - 15 см. В насыпных, торфяных и других слабых грунтах песчаная подушка укладывается на слой утрамбованного щебня, гравия или тощего бетона толщиной 10 см. Затем песок уплотняют и планируют до проектной отметки. Песок, щебень, гравий должны быть завезены на объект заранее и разложены на бровке вдоль траншеи. Бетон подвозится по мере надобности. Качество основания принимается представителями заказчика, проектной и эксплуатационной организаций и оформляется актом.

СХЕМА ПОПУТНОГО ДРЕНАЖА ПРИ ПРОКЛАДКЕ ТРУБОПРОВОДОВ ТЕПЛОСЕТИ В МОКРЫХ ГРУНТАХ

Для труб Ø до 300 мм                                                    Для труб Ø от 300 до 500 мм

а = не менее 450 мм                                                       а = не менее 500 мм

в = не менее 300 мм                                                       в = не менее 500 мм

 


СХЕМА ПРОВЕРКИ СООТВЕТСТВИЯ ОТМЕТОК ДНА ТРАНШЕИ С ПРОЕКТНЫМИ

 

ПРИМЕЧАНИЕ:

Укладка труб разрешается лишь после проверки соответствия отметок основания траншеи с проектными. Результаты проверки фиксируются актами.

Заданный проектом уклон основания траншеи должен соблюдаться без всяких отступлений. Его выдерживают путем устройства обносок и применения визирок.

 

 

 

 

 

 


ПРОИЗВОДСТВЕННАЯ КАЛЬКУЛЯЦИЯ ЗАТРАТ

№ пп

Основание

Описание работ

Состав бригады

Ед. изм.

Вид основания

Норма времени в чел/час на ед./изм, в зависимости от группы грунта

Расценка в руб. на ед. изм. в зависимости от группы грунта

1.

ЕНиР § 10-30

Планировка дна траншеи по визирке. Установка бортовых досок и маячных колышков. Подача материалов в траншею. Разравнивание и уплотнение материалов по визирке.

Трубоукладчик III разряда - 2

1 м2

Песчаная или щебеночное

1,2

0-62,9

Трубоукладчик II разряда - 2

Бетонное

1,65

0-86,5

ИНСТРУМЕНТЫ И ИНВЕНТАРЬ

№ пп

Наименование

Ед. изм

Кол-во

1.

Лопата металлическая

шт.

3

2.

Трамбовка

-"-

1

3.

Рейка

-"-

1

4.

Нивелир

-"-

1

5.

Рулетки

-"-

1

6.

Кувалда

-"-

1

7.

Топор

-"-

1

ОСНОВНЫЕ МАТЕРИАЛЫ

пп

Наименование

Ед. изм

Потребное количество при ширине траншеи 1 м

1.

Песок (на 100 п.м. траншеи)

м3

19

2.

Щебень (гравий на 100 п.м.)

-"-

15

3.

Бетон (на 100 п.м. траншеи)

-"-

10

4.

Деревянные колья (на 100 п.м. траншеи)

-"-

20

 


СХЕМА УСТРОЙСТВА ОТКРЫТОГО ВОДООТЛИВА

1 - ограждение

2 - отвал грунта

3 - крепление траншеи

4 - поперечные дренажные канавки

5 - дренажный лоток в траншее

6 - отверстие для стока воды в холодец

7 - шпунтовое ограждение колодца

8 - водозаборный колодец

9 - насос

10 - кожух насоса

11 - распорки

 


УКАЗАНИЯ ПО ВЫПОЛНЕНИЮ РАБОТ

Разработка траншей до отметок, находящихся ниже горизонта грунтовых вод, должна производиться с применением открытого водоотлива или искусственного понижения уровня грунтовых вод.

Открытый водоотлив рекомендуется применять при малом притоке вод и когда это снижает несущей способности грунта. При открытом водоотливе вода удаляется из приемных колодцев, расположенных вдоль траншеи насосами. Колодцы изготовляются в виде деревянных ящиков следующих размеров:

а) при небольшом притоке 0,7 × 1,0 м или 1,0 × 1,0 м;

б) при значительном притоке 2,0 × 1,5 м.

В стенках колодцев устраиваются отверстия для стока воды, закрываемые сеткой.

Дно колодца для размещения премного патрубка необходимо располагать на 0,7 - 1,0 м ниже дна траншеи. Приемные колодцы рекомендуется сооружать через 40 - 50 м по длине траншеи.

Для предохранения дна траншеи от размыва необходимо установить дренажный лоток 0,2 × 0,2м, а поперек траншеи через 5 - 10 м откопать канавы для отвода воды в лоток. Открытый водоотлив рекомендуется проводить с помощью центробежных и диафрагмовых насосов (С-203, С-245, С-204 и др.). Для предварительных расчетов и выбора марки насоса рекомендуется принимать приток воды q0 на 1 м2 площади дна траншеи в час в следующих количествах:

а) для мелкозернистых песков - 0,16 м3/час;

б) для среднезернистых песков - 0,24 м3/час;

в) для крупнозернистых песков - 0,3 - 3,0 м3/час.

Полное количество воды, которое будет скапливаться в траншеи в течение часа:

Q = q0F м3/час (площадь дна траншеи). По результатам расчета подбирают марки и количество насосов.

ПРОИЗВОДСТВЕННАЯ КАЛЬКУЛЯЦИЯ ЗАТРАТ

ТРУДОВЫЕ ЗАТРАТЫ.

№ пп

Основание

Описание работ

Состав звена

Единицы измерения

Норма времени в чел/час на ед. измерения

Расценка, руб.

1.

Расчетные дневные ставки рабочих-металлистов.

Открытый водоотлив с помощью насоса С-203

Моторист 5 разр. - 1

24 м3

1,0

0-33,7

2.

Расчетные дневные ставки рабочих-металлистов.

Открытый водоотлив с помощью насоса C-204

Моторист 5 разр. - 1

120 м3

1,0

0-33,7

3.

Расчетные дневные ставки рабочих-металлистов.

Открытый водоотлив с помощью насоса С-245

Моторист 7 разр. - 1

120 м3

1,0

0-48

ОБОРУДОВАНИЕ

№ пп

Наименование

Ед. изм.

Кол-во

1.

Водоотливный насос

С-203

 

В зависимости от требуемой производительности

-"-

С 0-204 или

-"-

С-245

ОСНОВНЫЕ МАТЕРИАЛЫ

№ пп

Наименование

Ед. изм.

Кол-во

1.

Электроэнергия для насоса С-203

КВт-час

1,5

2.

Электроэнергия для насоса С-204

-"-

7,4

3.

Дизельное топливо для насоса С-245

кг

маш-час

1,3

4.

Индустриальное масло для насоса С-203,0-204 или С-245

кг

маш-час

0,02

5.

Дизельная смазка для насоса С-245

кг

маш-час

0,1

6.

Солидол для насоса С-245

кг

маш-час

0,005

УКЛАДКА ТРУБ

УКАЗАНИЯ ПО ПРОИЗВОДСТВУ РАБОТ

До начала укладки все трубы должны быть завезены на объект и разложены в две линии вдоль траншеи на расстоянии 1,5 м от бровки в том порядке, в каком они должны быть уложены в траншею. После раскладки труб должны быть устранены все повреждения изоляции. Трещины шириной до 10 мм должны заливаться горячим битумом марки БН-ТУ, отколы и др. разрушения изоляции заделываются горячей битумоперлитовой массой с последующей оклейкой поврежденных мест двумя слоями стеклоткани.

Спуск труб с битумоперлитовой изоляцией в траншею производится трубоукладчиком, который должен быть снабжен траверсой с мягкими полотенцами или клещевым захватом конструкции треста "Киевподземстрой" № 1. Запрещается строповка труб тросом за изолированные участки.

Укладка труб начинается после приготовления песчаной подушки, заготовки песка для подбивки труб и проверки соответствия отметок дна траншеи проекта.

Опускание труб должно производиться плавно без рывков и ударов о дно и стенки траншеи. Категорически запрещается сбрасывание труб в траншею.

Освобождение труб от захватных приспособлений следует производить после закрепления их подбивкой песком, выверки по уклону и прямолинейности и прихватки стыков сваркой.

Не допускается укладка труб "змейкой" в вертикальной или горизонтальной плоскости. Отклонение трубопровода от проектного положения не должно превышать 10 мм.

СХЕМА ОРГАНИЗАЦИИ РАБОТ ПО УКЛАДКЕ ТРУБ ТЕПЛОСЕТИ В ТРАНШЕЮ

 

ОБОЗНАЧЕНИЕ

1 - бровка траншей;

2 - песчаная подушка;

3 - приямок;

4 - уложенные трубы;

5 - трубоукладчик;

6 - мягкий клещевой захват для труб или траверса с двумя мягкими "полотенцами";

7 - укладываемая труба;

8 - лежки под трубы;

9 - отвал грунта.

ПРИМЕЧАНИЕ

Для труб диаметром до 219 мм длиной 6 - 12 м применять трубоукладчик марки ТЛ-ДТ-54А.

Для труб диаметром свыше 219 мм длиной 6 - 12 м применят» трубоукладчик марки ТЛ-4.

РАЗРЕЗ II - II

 

Таблица геометрических размеров

Размер в мм

Условные обозначения.

а

в

с

DН диаметр тр-да

 

 

 

57

280

280

840

76

£80

295

870

89

280

300

880

108

400

310

1020

188

400

320

1040

159

400

385

1070

219

540

865

1270

278

540

390

1820

325

660

520

1700

377

660

555

1770

426

660

580

1820

426

1160

580

2320

480

1160

605

2370

CВАРОЧНЫЕ РАБОТЫ

ПОДГОТОВИТЕЛЬНЫЕ ОПЕРАЦИИ ДЛЯ СБОРКИ И СВАРКИ ТРУБ ТЕПЛОСЕТИ

Перед сборкой и сваркой стальных труб (в соответствии с гл. СНиП III-Г.6-62) надлежит:

а) полностью очистить трубы от грунта, грязи, мусора и пр.

б) в случае необходимости обрезать или выправить деформированные концы труб:

в) проверять форму кромок;

г) при дуговой (ручной или автоматической) сварке очистить до металлического блеска кромки и прилегающие к ним внутреннюю и наружную поверхности на ширину не менее 10 мм.

Постоянный контроль за подготовкой труб к сборке и сварке должен производить сменный мастер.

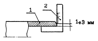
Проверка концов труб на эллипсность производится несколькими замерами взаимно перпендикулярных диаметром торца трубы путем вращения металлической линейки по всей окружности торца. Отклонения диаметров концов труб допускаются в пределах ±1,5 мм.

Проверка перпендикулярности плоскости торца трубы к продольной оси трубы производится при помощи угольника и металлической линейки. Отклонение перпендикулярности не должно превышать 1 мм.

1 - угольники

2 - металлическая линейка

3 - труба

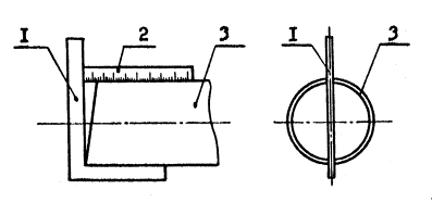
Проверка скоса кромок труб производятся угломером или универсальным калибр-шаблоном (см. лист 29).

Угол должен быть в пределах 30о ÷ 35о ÷ 2о

1 - стенка трубы

2 - угломер.

Проверка величины притупления кромки производится при помощи угольника с делениями. Хорошее качество сварного шва обеспечивается при величине притупления кромки 1,5 ÷ 2,5 мм.

1 - стена трубы

2 - угольник с делениями

Форма, угол скоса и величина притупления кромки труб при различных способах сварки.

Метод сварки

Форма кромок

Угол скоса в градусах

Величина притупления в мм

Ручная дуговая сварка

30 - 35

1 - 3

Автоматическая или полуавтоматическая дуговая сварка под флюсом или в среде углекислого газа

15 - 20

3 - 4

При наличии на концах труб забоин и вмятин необходимо производить правку концов труб при помощи домкратов.

1 - винтовая ось;

2 - разжимающие башмаки;

3 - муфта;

4 - выправляемая труба;

5 - вмятины.

После подготовки концов труб к сварке, трубы следует собрать, т.е. обеспечить соосность труб /совпадение свариваемых кромок/, а также необходимый равномерный зазор между свариваемыми трубами.

Трубы, изготовленные с продольным сварным швом, должны собираться со смещением продольных швов каждой трубы по отношению к шву смежной трубы не менее чем на 100 мм.

Сборку труб необходимо производить с помощью винтовых, рычажных эксцентриковых и цепных центраторов. Трубы считаются правильно сцентрированными, если величина смещений кромок и величина зазора между кромками не превышают величин, указанных в таблицах /СНиП III-Г.6-62/.

Толщина стенок труб в мм

Эскиз

Допускаемое смещение кромок в мм при дуговой сварке

до 5

1

5 - 8

1 - 1,5

7 - 8

1,6 - 2

9 - 14

2 - 2,5

 

Метод сварки

Величина зазора при толщине стенок труб в мм

до 8

8 - 10

11 и выше

Ручная дуговая

1,5 - 2

1,5 - 2,5

3 - 3,5

Автоматическая

1,5 - 2,5

1,5 - 2,5

1,5 - 2,5

Сцентрированные трубы для ручной дуговой сварки закрепляют прихватками. Длина каждой прихватки должна составлять 30 - 40 мм для поворотных стыков и 50 - 60 мм для неповоротных стыков. Высота прихватки должна составлять 40 - 60 % от толщины стенок трубы. Количество прихваток в зависимости от диаметра свариваемых труб приводится и на следующей таблице /СНиП III-Г.6-62/:

Диаметр трубы в мм

Менее 200

250-350

400-500

600

700

300-1200

Число прихваток

2

3

4

5 - 6

5 - 7

6-8

Постоянный контроль за качество сборки труб должен осуществлять мастер производственного участка.

ПОДГОТОВИТЕЛЬНЫЕ ОПЕРАЦИИ ДЛЯ СВАРКИ ТРУБ

Универсальный калибр-шаблон

Схема определения универсальным калибром-шаблоном углов скоса кромок, величины смещения кромок и величины зазоров.

УКАЗАНИЯ ПО ВЫПОЛНЕНИЮ РАБОТ.

Определение величины угла разделки кромок труб. Устанавливая шаблон скошенными концами в собранный для сварки стык, определяет угол разделки кромок.

Определение величины смещения кромок труб. Прямолинейной частью со стороны щупа шаблон плотно наложить на превышающую кромку /конец/ одной трубы так, чтобы прорезь /l - 25, h = 5 мм/ находилась над разделкой. Ослабить прижим /3/ так, чтобы планка /2/ скользила по остову вниз; после соприкосновения конца планки с трубой закрепить прижим. Сдвиг шкалы планки по отношению к нижней кромке шаблона покажет величину смещения.

Определение величины усиления стыкового шва. Обратной стороной шаблона, наложить на трубу так, чтобы прорезь "А" и "Б" в шаблоне приходилась над сварным швом. Если шаблон будет прилегать плотно в трубе, усиление достаточно. Если имеется зазор между швом и кромкой прорези, усиление мало и требуется его увеличить. При проверке усиления поворотных швов необходимо пользоваться прорезью "А" для потолочных швов - прорезью "Б".

Определение величины зазора между трубами в стыке. Щуп шаблона имеет ступенчатую форму с размерами 1; 2; 3; 4; 5 мм. Просовывая щуп в зазор между трубами, можно с точностью до 1 мм определись величину зазора.

ПРОИЗВОДСТВЕННАЯ КАЛЬКУЛЯЦИЯ ЗАТРАТ.

п/п

Основание

Описание работ

Состав бригад /звена/

Ед. изм

Объем р-т

Норма времени чел.-час

Расценка в руб.

Диаметр труб в мм 90

 

200

400

600

200

400

600

 

1.

ЕНиР §10-34

табл. 1-2

Правка концов труб с подогревом, поворачиванием их ключами и переходами в процессе работы.

Трубоукладчик IV разр.

Трубоукладчик II разр

Газосварщик III разр.

1 конец трубы

 

0,55

0,65

0,83

0-30,7

0-36,3

0-46,3

 

2.

-"-

Правка концов труб без подогрева с поворачиванием их ключами и переходами в процессе работы

Трубоукладчик IV разр.

Трубоукладчик II разр

-"-

 

0,37

0,42

0,55

0-20,7

0-23,5

0-30,7

 

МЕХАНИЗМ, ОБОРУДОВАНИЕ, ИНСТРУМЕНТ, ИНВЕНТАРЬ И ПРИСПОСОБЛЕНИЯ.

т/п

Наименование

Един. изм.

Количество

1.

Баллон- кислородный

шт.

1

2.

Баллон ацетиленовый

шт.

1

3.

Редуктор кислородный

шт.

1

4.

Редуктор ацетиленовый

шт.

1

5.

Шланги

компл.

1

6.

Горелка сварочная

шт.

1

7.

Тележка для баллонов

шт.

1

8.

Очки защитные

шт.

1

9.

Домкрат - 15 т

шт.

1

10.

Кувалда - 8 кг

шт.

1

11.

Ключ поворотный

шт.

1

ОСНОВНЫЕ МАТЕРИАЛЫ.

п/п

Наименование

Ед. изм.

Кол-во

1.

Кислород

л

100

2.

Ацетилен

л

85

 


ПРОИЗВОДСТВЕННАЯ КАЛЬКУЛЯЦИЯ ЗАТРАТ

№ пп

Основание

Описание работ

Состав бригады

ед. изм.

Объем работ

Норма времени в чел/час

Расценка в руб. коп.

Диаметр труб в мм

100

150

200

250

300

400

100

150

200

250

300

400

1.

ЕНиР

§ 36-5-б

Обивка окалины с концов труб после газовой резки.

Опиловка и зачистка кромок:

а) шлифовальной машиной;

б) вручную

Слесарь 4 разр.

концы

190

8,4

12

19

25

33

40

6,25

7-81

11-18

15-63

20-63

25-00

 

 

 

3 раза.

 

10

14

21

32

43

56

68

7-77

11-66

17-76

23-87

31-08

37-74

МЕХАНИЗИРОВАННЫЙ ИНВЕНТАРЬ, ИНСТРУМЕНТЫ, ПРИСПОСОБЛЕНИЯ

№ пп

Наименование

Единица измерения

Количество

1.

Металлическая щетка

шт.

1

2.

Электро и пневмомашинка с абразивным кругом

-"-

1

3.

Напильник

-"-

1

4.

Угольник

-"-

1

5.

Угломер

-"-

1

ПРОИЗВОДСТВЕННАЯ КАЛЬКУЛЯЦИЯ ЗАТРАТ

№ пп

Основание

Описание работ

Состав

Ед. изм

Объем

работ

Норма времени в чел/час

Расценка в руб. коп.

Наружный диаметр труб в мм

108

168

219

273

325

377

426

108

168

219

273

325

377

426

1.

ЕНиР

Перерезка труб со скосом кромок. Копка приямка для прохода резака. Установка и снятие резака и приспособления

Обслуживание ацетиленового генератора и газорежущей аппаратуры: с переходами в процессе работы

Газосварщик IV разр.

Газосварщик III разр

 

10

2,3

3,2

3,9

4,б

5,2

5,8

6,8

1-25

1-46

1-78

2-10

2-37

2-63

3-10

ОБОРУДОВАНИЕ, ИНСТРУМЕНТЫ, ПРИСПОСОБЛЕНИЯ

пп

Наименование

Ед. изм

Кол-во

1.

Баллон кислородный

шт.

1

2.

Баллон ацетиленовый

-"-

1

3.

Редуктор кислородный

-"-

1

4.

Редуктор ацетиленовый

-"-

1

5.

Шланг

компл.

1

6.

Очки защитные

шт.

1

7.

Лопата

-"-

4

ОСНОВНЫЕ МАТЕРИАЛЫ

№ пп

Наименование

Ед. изм

Кол-во

1.

Кислород

м3

1,3

2.

Ацетилен

-"-

0,4

 


ЦЕНТРИРОВАНИЕ ТРУБ

Винтовой центратор

Рычажный центратор

1 - левое полукольцо,

2 - правое полукольцо,

3 - винт,

4 - гайка-барашек

1 - верхнее полукольцо,

2 - нижнее полукольцо,

3 - кулачок,

4 - рукоятка,

5 - труба

6 - рычаг

Рабочие чертежи винтового центратора разработаны трестом "Мособлоргтехстрой"

черт. 3-0-0-0.

ПРОИЗВОДСТВО РУЧНОЙ ЭЛЕКТРОДУГОВОЙ СВАРКИ СТАЛЬНЫХ ТРУБ.

Последовательность наложения слоев сварного шва.

1, 2, 3 - номера слоев в последовательности их наложения; (δ - толщина стенки трубы, h - усиление шва, β - ширина шва, А - зазор между свариваемыми трубами)

Ручную электродуговую сварку применяют для соединения стальных труб диаметром не менее 25 мм.

Дуговую сварку стыков труб при толщине стенок до 6 мм выполняют в два слоя, при толщине 6 - 12 мм - в три слоя и при толщине более 12 мм - в четыре слоя.

Величина первого слоя составляет 15 - 20 % толщины стенки трубы; толщина первого и второго слоев 65 - 75 %; толщина всех трех слоев должна быть больше толщины стенки трубы на 1 - 3 мм за счет усиления, т.е. выпуклого валика наплавленного металла.

По окончании сварки стыка сварщик обязан наплавить около стыка присвоенное ему клеймо. Клеймо наплавляют или набивают на расстоянии 100 - 150 мм от стыка.

Для ручной электродуговой сварки труб применяют преобразователи тока (СУГ-2ч, ПС-300, ПС-300М и т.д.), сварочные трансформаторы типа СТН, ТС и ТСК переменного тока и неподвижные электросварочные агрегаты постоянного тока АСБ-300Г, АСД-300, АСДП-500Г и др. с дизельными и автомобильными бензиновыми двигателями мощностью 20 - 60 л.с.

ПОСЛЕДОВАТЕЛЬНОСТЬ ВЫПОЛНЕНИЯ ЭЛЕКТРОДУГОВОЙ РУЧНОЙ СВАРКИ ПОВОРОТНЫХ СТЫКОВ.

I, II, III - положение при сварке соответственно первого, второго и третьего слоев.

Технология ручной электродуговой сварки поворотных стыков заключается в следующем.

Первый слой накладывают на верхнюю полуокружность всех стыков секции. После этого секцию поворачивают на 180° и продолжают сварку первого слоя на второй полуокружности стыка,

Второй слой накладывают в полувертикальном положении путем постепенного поворачивания трубы. Второй слой шва, так же как и первый, делают с вогнутой поверхностью валика.

Третий слой накладывают аналогично второму, но трубу поворачивают в обратном направлении. Третий, последний слой должен иметь выпуклую равномерную поверхность с усилением 1 - 8 мм. Переход от наплавленного металла к основному делают плавным по всей длине шва.

Перед наложением второго и третьего слоев, образовавшийся шлак пря сварке предыдущего слоя тщательно удаляют.

Сварку поворотных стыков выполняют электродами УОНИ - 13/45 и УОНИ -13/55, а также Э-42 и Э-42А и другими толщиной 3 мм (первый слой), 4 мм (второй слой) и 5 мм (третий и последующие слои).

Первый слой сваривают током величиной 120 - 160 а, для последующих слоев ток увеличивают до 220 - 240 а.

ПОСЛЕДОВАТЕЛЬНОСТЬ ВЫПОЛНЕНИЯ ЭЛЕКТРОДУГОВОЙ РУЧНОЙ СВАРКИ НЕПОВОРОТНЫХ СТЫКОВ

I, II, III - положение при сварке соответственно первого, второго и третьего слоев.

1 - 5 - последовательность наложения участков корневого шва.

Сварку неповоротных стыков теплопроводов выполняют при соединении секций в траншеях, при вварке "катушек", а также при сварке трубопроводов методом наращивания.

Неповоротные стыки сваривают наложением отдельных слоев шва, как показано на рисунке. Первый слой стыка сваривают обратноступенчатым швом.

При этом "замок" первого слоя располагают в точке зенита трубы или вблизи неё. Второй слой шва сваривают снизу вверх, а "замок" смещают от точки зенита на 50 - 70 мм. Сварку ведут поочередно или одновременно с обеих сторон трубы. При сварке третьего слоя шва "замок" смещают от зенита в противоположную сторону.

В случае многослойной сварки стыков труб поверхность каждого слоя, кроме последнего, должна быть вогнутой и тщательно зачищенной от шлака. Необходимо следить, чтобы замыкающие участки "замка" верхнего слоя не совпадали с "замками" нижнего.

Ручную электродуговую неповоротную сварку производят теми же толстообмазными электродами, что и поворотную при режимах сварочного тока с последовательным увеличением его от 110 - 140 а для первого слоя до 170 - 180 а для последнего.

 


ПРОИЗВОДСТВЕННАЯ КАЛЬКУЛЯЦИЯ ЗАТРАТ

№ пп

Основание

Описание работ

Состав бригады

Ед. изм

Объем работ

Толщ. стенок трубы

Положен. стыка

Норма времени в чел/час

Расценка в руб. коп.

Наружный диаметр труб в мм

108

168

219

273

325

377

426

108

168

219

273

325

377

426

1.

ЕНиР

§ 22-13

Сварка в стык с У-образным скосом кромок труб

Экскаваторщик V разр.

Эл. сварщик V разр.

Эл. сварщик IV разр

.

 

4

поворотное

2,3

3,2

4,1

5

5.9

6,8

7,4

1-61

2-25

2-88

3-51

4-14

4-77

5-19

6

2,7

3,5

4,6

5,5

6,5

7,4

8

1-90

2-45

3-23

3-86

4-56

5-19

5-62

8

3,4

4,4

5,5

6.5

7,5

8,4

9

2-89

3-09

3-86

4-56

5-27

5-9

6-32

10

4,3

5,4

6,5

7,5

8,6

9,8

10,5

3-02

3-79

4-56

5-34

6-04

6-88

7-37

12

5,4

6,6

7;9

9

10

11,9

12,5

4-27

5-21

5-55

6-62

7-02

8-07

8-38

4

неповоротное

3,2

4,5

5,7

7

8,3

9,5

10

2-25

3-16

4-00

4-61

5-35

6-67

7-02

6

3,9

5

6,4

7,7

9,1

10

11

2-74

3-51

4-43

5-41

6-39

7-02

7-72

8

4,8

6,2

7,7

9,1

10,5

11.5

12,5

3-37

4-35

5-41

6-39

7-37

8-07

8-78

10

6

7,6

9,1

10,5

12

13,5

14,5

4-21

5-34

6-39

7-37

8-42

9-43

10-18

12

7,6

9,2

11

12,5

14

16

17,5

6-00

7-27

7-72

8-78

9-53

11-23

12-29

ОБОРУДОВАНИЕ, ИНСТРУМЕНТЫ, ИНВЕНТАРЬ, ПРИСПОСОБЛЕНИЯ

№ пп

Наименование

Ед. изм.

Кол-во

1.

Электросварочный агрегат

шт.

1

2.

Щиток или маска

-"-

1

3.

Провод сварочный

м

20

4.

Электродерхатель

шт.

1

5.

Молоток

-"-

1

6.

Зубило

-"-

1

7.

Щетка металлическая

-"-

1

ОСНОВНЫЕ МАТЕРИАЛЫ

№ пп

Наименование

Ед. изм

Кол во

Диаметр труб в мм, до

108

219

325

426

529

630

720

820

Толщина стенок труб

7

9

10

11

11

12

12

12

1.

Электроды

кг

на 1 стык

0,22

0,67

1,2

1,8

2,25

3,1

3,5

4,0


КОНТРОЛЬ КАЧЕСТВА СВАРКИ

Контроль качества сварки осуществляется в первую очередь мастером строительно-монтажного управления или участка повседневно, пооперационно. При этом контролируется качество сборки, величина зазоров и притуплений у торцов труб, очистка поверхности стыкуемых труб, качество применяемых при сварке электродов и режим сварки.

Мастер, производитель работ или специально выделенный руководителем строительно-монтажного управления, треста, участка специалист по сварке производит внешний осмотр всех сварных стыков.

Перед осмотром сварные швы и прилегающая к ним поверхность труб по обе стороны шва должна быть очищена от шлака и брызг металла на ширину не менее 20 мм.

При этом сварной шов должен иметь правильную форму и размеры, он не должен иметь заметных на глаз трещин, пор, непроваров, наплывов, подрезов основного металла, незаваренных кратеров и смещения кромок.

Для проверки размеров шва применяется специальный инструмент.

При удовлетворительном качестве сварки по внешнему осмотру сварные швы подвергаются в дальнейшей проверке физическим методом контроля:

просвечиванием их рентгеновскими или гамма-лучами или магнитографическим способом.

Такой проверке подвергаются 5 % общего количества сварных швов всего трубопровода при диаметре труб свыше 100 мм.

Для контроля физическим методом отбираются стыки, которые по внешнему осмотру были признаны менее удовлетворительными, чем остальные стыки.

Физическим методом контроля подвергаются 100 % сварных стыков, прокладываемых в городских коллекторах и технологических коридорах, при прокладке под железнодорожными и трамвайными путями и автомобильными дорогами (включая расстояние не менее 25 м по нормали от подошвы насыпи земляного полотна или 40 м по нормали от осей крайних путей) и при устройстве подводных, а также подземных переходов через железнодорожные и трамвайные пути и автомобильные дороги.

Целесообразно подвергнуть контролю физическим методом 100 % стыков трубопроводов тепловых сетей; прокладываемых в подводных дюкерах, в гильзах и футлярах.

Сварные швы бракуются, если физическим методом контроля будут обнаружены трещины, непроварки глубиной более 10 % толщины стенок, шлаковые выключения и поры глубиной более 10 % толщины стенок труб, а также скопления выключений и пор в виде сплошной сетки в швах независимо от их глубины.

Направление обнаруженных дефектов при физическом контроле допускается, если протяженность дефектного участка сварного шва не превышает 1/4 окружности стыка.

В случае превышения указанной длины дефектный стык вместе с прилегаемым участкам труб с двух сторон шва вырезается.

Для систематической проверки сварки физическим методом контроля организации, производящей сварочно-монтажные работы по тепловым сетям, нужно иметь передвижную лабораторию.

В комплект лаборатории входит дефектоскоп типа МЛ-10, дисковый магнит ДМ-61, магнитная лента, намагничивающее устройство с преобразователем ПО-380А на напряжение 127/220 в и аккумулятор BCTM-128, Все перечисленное оборудование устанавливается на автомобиле УАЗ-450А.

Передвижная лаборатория для дефектоскопии сварных швов магнитографическим методом изготовляется Киевским экспериментальным механическим заводом

Для магнитографического контроля применяется лента МК.

Кроме контроля внешним осмотром и физическим методом, качество сварки определяется механическим испытанием на растяжение и загиб образцов, вырезаемых из контрольных стыков.

Такому испытанию подвергается 0,5 % общего количества стыков, сваренные каждым сварщиком, но не менее одного стыка.

Для механических испытаний из контрольного стыка вырезаются три образца с неснятыми усилениями для испытания на растяжение или разрыв и три образца со снятым усилением для испытания на загиб в соответствии с ГОСТ 6996-54.

Испытание сварщиков производится в соответствии с правилами Госгортехнадзора.

 


ИСПЫТАНИЕ ТРУБОПРОВОДА

СХЕМА ОРГАНИЗАЦИИ РАБОТ ПО ПРОВЕДЕНИЮ ГИДРАВЛИЧЕСКОГО УЧАСТКА ТЕПЛОСЕТИ

1. Испытанный участок теплосети. 2. Испытываемый участок теплосети. 3. Воздухоспускные трубки с вентилями, устанавливаемые на конце испытываемого участка и в повышенных местах. 4. Пробковый кран. 5. Временный трубопровод. 6. Емкость для воды. 7. Пружинный манометр. 8. Насос. 9. Редуктор. 10. Вал отбора мощности трактора. 11. Трактор Т-40. 12. Заглушка.


ОСНОВНЫЕ УКАЗАНИЯ ПО ПРОИЗВОДСТВУ РАБОТ

Гидравлическое испытание трубопроводов теплосетей производится неподогретой водой давлением равным 1,25 рабочего давления, но не меньше 16 атм для подающих труб и 10 атм для обратных.

Рабочее давление принимается равным давлению на подающем коллекторе ТЭЦ или максимальному давлению на коллекторе наносной центральной или районной котельной.

Гидравлическое испытание трубопроводов тепловых сетей, прокладываемых бесканально или в непроходных каналах, производится в два приема /предварительное и окончательное/. Предварительное гидравлическое испытание производится на небольших участках трубопроводов длиной не более 1 км после установки на место и приварки подвижных опор и надежного закрепления неподвижных опор, но до наложения на трубы тепловой изоляции /или до изоляции сварных стыков, если трубы изолированы в заводских условиях/ и до установки сальниковых компенсаторов и врезки секционных задвижек.

Предварительное испытание производит строительная организация в отсутствие представителя заказчика с внесением в журнал работ записей о результатах.

Окончательное испытание производится после завершения строительно-монтажных работ и установки всего оборудования тепловых сетей, предусмотренного проектом, в присутствии представителя заказчика и организации, ведающей эксплуатацией тепловых сетей; о результатах испытания составляется акт.

Гидравлические испытания производятся с соблюдением следующих требований:

а/ задвижки, установленные на испытываемом участке, должны быть полностью открыты, а сальники уплотнены;

б/ для отключения испытываемого участка трубопровода от действующих сетей устанавливаются глухие фланцы или заглушки; использование задвижек для отключения испытываемого участка трубопровода от действующих сетей не разрешается.

Гидравлические испытания производятся в следующем порядке:

а/ во время заполнения трубопровода водой из него удаляется воздух через воздухоспускные краны;

б/ в трубопроводе устанавливается пробное давление, равное рабочему, и выдерживается в течение времени, необходимого для осмотра стыков, но не менее 10 мин.

в/ если во время испытания пробным давлением не будет обнаружено каких-либо дефектов или утечки, оно доводится до испытательного /1,25 рабочего/ и выдерживается в течение времени, необходимого для тщательного осмотра, но не менее чем 10 мин.

Результаты гидравлического испытания следует считать удовлетворительным, если во время их проведения не произошло падения давления, а в сварных швах труб, корпусах арматуры и т.п. не обнаружены признаки разрыва или запотевания.

 


СХЕМА ПНЕВМАТИЧЕСКОГО ИСПЫТАНИЯ ТРУБОПРОВОДОВ ТЕПЛОСЕТИ.

ЭКСПЛИКАЦИЯ:

1. Компрессор                                                                                            5. Заглушка

2. Манометр пружинный                                                                        6. Битумоперлитовая изоляция

3. Арматура дпя испытаний                                                                   7. Трубопровод

4. U - образный ртутный манометр                                                      8. Штуцер

 


ОСНОВНЫЕ УКАЗАНИЯ ПО ПРОИЗВОДСТВУ РАБОТ

При затруднении проведения испытания трубопроводов теплосетей на прочность и герметичность вместо гидравлического способа согласно § 12.1 СНиП III-6.6-62 можно производить испытание пневматическим способом по усмотрению строящей организации /в зимний период, при отсутствии воды на месте испытания и др./.

Пневматическое испытание производится с соблюдением следующих требований:

а/ задвижки, установленные на испытываемом участке, должны быть полностью открыты, а сальники уплотнены;

б/ для отключения испытываемого участка трубопровода от действующих сетей устанавливаются глухие фланцы или заглушки, использование задвижек для отключения испытываемого участка трубопровода от действующих сетей не разрешается.

Пневматическое испытание трубопроводов тепловых сетей с температурой свыше 120°С, паропроводов с давлением свыше 1 кгс/см2 должно производиться пробным давлением, равным рабочему, с коэффициентом 1,25, но не менее 16 кгс/см2, для подающих трубопроводов и 10 кгс/см2 для обратных.

Пневматическое испытание трубопроводов должно производиться, как правило, участками длиной не свыше 1 км.

Предварительное испытание трубопровода пневматическим способом производится с выдерживанием трубопровода под испытательным давлением в течение 30 мин. Затем давление снижается до 3 атм и при этом давлении производится осмотр трубопровода.

Утечки воздуха следует выявить обмыливанием сварных стыков, по звуку, нарушению земляного или снегового покрова и т.д.

Выявленные при осмотре дефекты должны устраняться после снижения избыточного давления в трубопроводе до нуля.

Окончательное испытание трубопровода пневматическим способом выполняется в следующей последовательности.

а/ давление в трубопроводе доводится до испытательного и выдерживается 30 мин.

б/ если нарушение цельности трубопровода не произойдет, давление снижается до 0,5 атм и под этим давлением трубопровод выдерживается 24 часа;

в/ по окончании срока выдержки устанавливается давление Рн, равное 3000 мм вод. ст. при заполнении жидкостного манометра водой /или 3450 мм. кер. ст. - при заполнении керосином/ отмечается время начала испытаний и барометрическое давление Рн в мм рт.ст.;

г/ при длине испытываемого участка до 1 км продолжительность испытаний берутся по таблице. Если длина участка превышает 1 км, то величину, указанную в таблице, следует умножить на длину участка в км;

д/ по истечении испытания измеряется давление в трубопроводе  в мм вод. ст. /или в мм кер. ст./ и барометрическое давление  в мм рт.ст.;

е/ истинная величина снижения давления в мм вод. ст. определяется по формуле:

При использовании в манометре в качестве рабочей жидкости воды γ = 1, при использовании керосина γ = 0,87.

Трубопровод следует считать выдержавшим окончательное испытание, если не будет обнаружено нарушения его целостности и величина Р, определенная по формуле, не будет превышать допустимую величину указанную в таблице.

 

Условный проход Ду в мм

Продолжительность испытан, в мин.

Допускаемое падение давления в мм вод. ст.

1

2

3

100

0-30

55

125

0-30

45

150

1-00

75

200

1-00

55

250

1-00

45

300

2-00

75

350

2-00

55

400

2-00

45

450

4-00

75

После испытания трубопровод промывают водой для удаления из него попавших загрязнений с максимальной большой скоростью в течение не менее 1,5 - 2 часов согласно СНиП III-Г.6-62.

ПРОИЗВОДСТВЕННАЯ КАЛЬКУЛЯЦИЯ ЗАТРАТ

№ пп

Основание

Описание работ

ед. изм

нормы времени в чел/час на ед. измерения

Расценка в рублях на ед. измер.

 

100

200

300

400

600

100

200

300

400

600

1.

ЕНиР § 10-6

Гидравлическое испытание трубопроводов

1 пм

0,11

0,13

0,16

0,19

0,24

0-06,5

0-07,7

0-09,5

0-11,2

3-14,6

2.

Пневматическое испытание трубопроводов

0,2

0,23

0,27

0,32

0,38

0-12,3

0-14,1

0-16,6

0-19,6

0-24

3.

Промывка труб после окончания испытания

0,055

0,063

0,078

0,095

0,12

3-02,9

0-0,33

0-04,1

0-05

0-06,5

МАШИНЫ, ОБОРУДОВАНИЕ И ПРИСПОСОБЛЕНИЯ

№ пп

Наименование

ед. изм.

Кол-во

 

Пневматические испытания

 

 

1..

Компрессор ЗИФ - 55

шт.

1

2.

Заглушки инвентарные

-"-

2

3.

Манометр водяной

-"-

1

4.

-"- пружинный

-"-

1

5.

-"- образцовый

-"-

1

6.

Барометр

-"-

1

 

Гидравлические испытания

 

 

1.

Гидропресс с механическим или электрическим приводом

шт.

1

2.

Заглушки

-"-

4

3.

Манометр пружинный

-"-

1

4.

Временный трубопровод Ø 3/4" - 1"

п.м.

10-15

5.

Пробковый кран Ø 3/4" - 1й

шт.

5

Изоляция стыковых СОЕДИНЕНИЙ

СХЕМА ОЧИСТКИ СТЫКОВ ТЕПЛОПРОВОДА

УКАЗАНИЯ ПО ВЫПОЛНЕНИЮ РАБОТ

Поверхность трубы, подлежащая изоляции (участок стыка) должна быть очищена от грязи, ржавчины и окалины, пыли, влаги и острых брызг металла, оставшегося после сварки.

Очистка концов труб должна быть произведена по всей их наружной поверхности (сверху, снизу, с боков). Очистку концов труб нужно производить до характерного металлического блеска.

Ржавчина и окалина удаляются с помощью ручных чистильных приспособлений: металлических щеток, скребков, пневматических или электрических щеток. Пыль и влага удаляются ветошью, смоченной бензином. Острые брызги металла на стыках и примыкающих к ним участках трубы выравниваются рашпилем.

После очистки поверхность металла не должна оставаться шероховатой. Разрешается оставлять плотно соединенную с металлом окалину и ржавчину в углублениях, трудно доступных для очистного инструмента.

Концы труб, прошедшие механическую очистку и праймерование на базе, на трассе чистке не подвергаются, производится лишь смыв старого праймера ветошью, смоченной в бензине. В случае повреждения отдельных участков старого праймера, они должны быть вновь очищены.

Чистка концов труб должна производиться перед изоляцией в случаях, когда изоляция не выполнена в тот же день, на другой день стыки повторно очищаются в полном объеме.

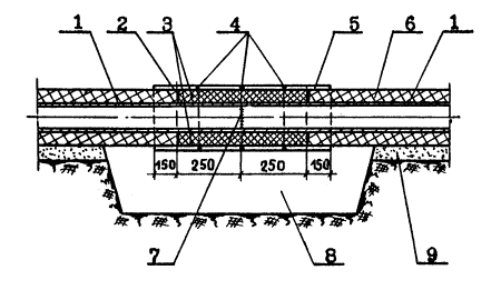
СХЕМА УСТРОЙСТВА ТЕПЛО- ГИДРОИЗОЛЯЦИИ СТЫКОВОГО СОЕДИНЕНИЯ ТРУБОПРОВОДА ТЕПЛОСЕТИ БИТУМОПЕРЛИТОВЫМИ СКОРЛУПАМИ.

1 - труба теплосети

2 - заливка горячим битумом БН-1У

3 - битумоперлитовая скорлупа;

4 - скрутка из обожженной проволоки;

5 - 2 слоя гидроизоляции /бризол или стеклоткань/ по горячей мастике;

6 - битумоперлитовая изоляция трубопровода /заводская/;

7 - сварной стык;

8 - приямок;

9 - песчаная подушка

БИТУМОПЕРЛИТОВЫЕ СКОРЛУПЫ ЗАВОДСКОГО ИЗГОТОВЛЕНИЯ, ПОСТАВЛЯЕМЫЕ ВМЕСТЕ С ТРУБАМИ.

Для изоляции стыков на прямых участках трубопровода.

УКАЗАНИЯ ПО ПРОИЗВОДСТВУ РАБОТ

Изоляцию сварных стыков разрешается производить после опрессовки трубопроводов теплосети.

Перед устройством битумоперлитовой изоляции стыка сварной шов и металлическая труба должны быть очищены от грязи, ржавчины и окалины, а затем окрашены праймером.

Тепловая изоляция стыков теплопроводов выполняется битумоперлитовыми скорлупами.

Битумоперлитовая изоляция стыков должна быть прочной, сплошной и плотно прилегать к металлической трубе и торцевым поверхностям заводской изоляции.

После устройства тепловой изоляции стыка поверх неё должны быть наклеены два слоя стеклоткани по горячему битуму БН-IV или мастике БЛК.

Обертывание стыка стеклотканью осуществляется следующим образом:

поверхность битумоперлита должна быть загрунтована горячим битумом БН-IV или мастикой БЛК; лента стеклоткани шириной 25 - 35 см наматывается по винтовой линии с натяжением, обеспечивающим её плотное прилегание к изолируемой поверхности, и с нахлестом на половину ширины ленты так, чтобы за одни проход получалась двухслойная оклейка; сверху стеклоткань должна быть вновь окрашена горячим битумом или мастикой БЛК.

Наклеенная стеклоткань должна иметь напуск 15 - 20 см на примыкающие участки трубопровода с заводской изоляцией.

Температура горячего битума должна быть не ниже 180°С, а мастики БЛК не ниже 70°С.

Битумоперлитовые скорлупы поставляются с завода вместе с изолированными трубами. При установке на место они должны быть подогнаны по размерам (скорлупы хорошо режутся ножовкой), а внутренние и торцевые поверхности их должны быть приклеены на горячем битуме.

Закрепление скорлуп на стыке осуществляется с помощью двух-трех скруток из отожженной вязальной проволоки. Зазоры между скорлупами и заводской изоляцией должны заливаться горячим битумом.

После этого производят наклейку двух слоев стеклоткани.

 


КОНТРОЛЬ ИЗОЛЯЦИИ НА ОТСУТСТВИЕ КОНТАКТА ТРУБЫ С ЗЕМЛЕЙ ПРИБОРОМ ИПИТ.

ОБОЗНАЧЕНИЕ:

Б - батарея, В - выключатель, Р - реле-прерыватель, Т - телефонные наушники, Ш - шунт, Э - электрод-щуп, ЭЗ - заземленные электроды, К - контакт с трубой.

После присыпки теплопроводов на 20 - 25 см нужно производить проверку на отсутствие непосредственного электрического контакта между металлом труб и землей прибором ИПИТ, один из проводников которого заземляют, а другой соединяют с трубой. Если после замыкания выключателя (В) в приборе раздается характерный треск, издаваемый реле-прерывателем, значит на проверяемом участке труб имеется повреждение битумоперлитной изоляции. В этом случае при помощи телефона, находят места повреждения, которое определяют по наибольшей силе шума в наушниках.

ЗАСЫПКА ТЕПЛОВЫХ СЕТЕЙ

ЗАСЫПКА ТЕПЛОСЕТЕЙ БУЛЬДОЗЕРОМ

СXEМA ОРГАНИЗАЦИИ РАБОТ

1. Отвал грунта.

2. Засыпанная траншея.

3. Грунт засыпанный вручную и утрамбованный.

4. Направление движении бульдозера*

5. Трубы теплосети.

6. Бульдозер.

I, II, III и т.д. -захватки засыпки грунта.


ОСНОВНЫЕ УКАЗАНИЯ ПО ПРОИЗВОДСТВУ РАБОТ

После укладки трубопроводов пазухи между трубопроводами и стенами траншеи, а также первые слои грунта над трубопроводами должны засыпаться местным грунтом вручную с тщательным послойным трамбованием, избегая при этом повреждения битумоперлитовой изоляции. Мерзлый грунт к укладке в нижней части траншеи не допускается. Уплотнение грунта в нижней части траншеи производится пневмотрамбовками TP-1 или вручную.

Дальнейшая засыпка траншеи грунтом из отвала производится бульдозером перекрестными, косопоперечными проходами, Для этого площадь отвала, из которого забирается грунт, разбивается на отдельные захватки с последующей разработкой каждой захватки.

Бульдозер подходит к краю отвала с его торца под некоторым углом, забирает грунт на захватке I и, после перемещения его в траншею, подходит к следующей захватке II и т.д. Грунт из захваток II, IV и т.д. перемещается в траншею поперечными проходами бульдозера, а из захваток I, III, V и т.д. - косыми проходами.

При таком способе работы сокращается длина прохода бульдозера с отвалом грунта и улучшаются условия его набора.

Уплотнение грунта при обратной засыпке не обязательно в местах, где проектом допускается последующая осадка грунта. В этих местах траншея должна засыпаться "с верхом" как это показано на схеме (см. лист 57).

Во всех других случаях необходимо производить послойное трамбование.

ПРОИЗВОДСТВЕННАЯ КАЛЬКУЛЯЦИЯ ЗАТРАТ

пп

Основание

Описание работ

Состав бригады

толщина требуемого слоя

Единица измерения

Норма времени в чел/час на ед. изм. в зависимости от группы грунта

Расценка в руб. на ед. изм. в зависимости от труппы грунта

 

 

 

 

 

 

I

II

III

I

II

III

1.

ЕНиР

§ 2-1-44

Предварительная засыпка траншей, пазух с трамбованием грунта ручной трамбовкой и поливкой водой

Землекоп II разряда

0,2 м

1 м3

0,8

0,88

1,1

0-372

0-41

3-51,2

2.

ЕНиР

§ 2-1-45

Уплотнение грунта пневматической трамбовкой

Землекоп III разряда

0,2 м

100 м2

1,95

1,95

2,3

1-08

1-08

1-28

 

 

Засыпка траншей бульдозером Д-271 на базе трактора C-100

машинист IV разряда

-

100 м3

0,35

0,43

0,49

0«2?7

0-34

0-387

МАШИНЫ, ИНСТРУМЕНТЫ

пп

Наименование

Ед. изм.

Кол-во

1.

Бульдозер "Д-271"

шт.

1

2.

Лопата

-"-

2

3.

Кирки и ломы

-"-

2

4.

Трамбовка пневматическая

 

 

ОСНОВНЫЕ МАТЕРИАЛЫ

1

Наименование

Ед. изм.

Кол-во

1.

Бензин

кг на 1 м час работы

0,05

2.

Дизельное топливо

9,8

3.

Автол

0,02

4.

Веретенное масло

0,01

5.

Дизельная смазка

0,44

6.

Нигрол

0,03

7.

Солидол

0,15

8.

Керосин

0,03

9.

Обтирочные материалы

0,02

СДАЧА И ПРИЕМ В ЭКСПЛУАТАЦИЮ ТЕПЛОВЫХ СЕТЕЙ

По окончания строительства отдельных участков тепловых сетей бесканальным способом прокладки с изоляцией из битумоперлита производится их сдача строительно-монтажной организации (с генеральный подрядчиком) организации, эксплуатирующей тепловые сети (заказчику).

Приемно-сдаточная комиссия образуется в соответствии с указаниями главы СНиП III-А.10-62. Комиссия производят осмотр объекта строительства тепловых сетей в натуре, знакомится с технической документацией, предъявляемой строительно-монтажной организацией. После решения вопроса об оценке качества главных видов работ (строительных, монтажных и изоляционных) составляется соответствующий акт сдачи-приема. К акту сдачи-приема работ должны быть приложены исполнительные чертежи-планы с привязками основных узлов (камер) к наземным сооружениям и мест пересечения с другими подземными сооружениями, а также исполнительный чертеж профиля тепломагистрали. На исполнительных чертежах должны быть нанесены все изменения, допущенные в процессе строительства и согласованные с проектной организацией.

К акту сдачи-приема прилагаются: паспорт тепловых сетей, сертификаты на трубы, на тепловую изоляцию из битумоперлита, сварочные материалы и фасонные части заводского изготовления, паспорт на установленную арматуру, акты ревизий и испытаний, схема сварных стыков, заключения по проверке сварных стыков физическим методом контроля, копия паспортов сварщиков, журнал сварочных работ, а также все акты на скрытые работы промежуточной приемки; разбивки трассы, устройства основания и засыпки траншей и котлованов, высоты песчаной подсыпки, укладки трубопроводов, монтажа строительных конструкций, заделка и омоноличивания стыков, отсутствия электрического контакта между металлом труб и грунтом, гидравлического или пневматического испытания и промывки трубопроводов.

 


Примечание: В зависимости от местных условий длину захватки следует брать от 50 до 150 м. В случаях небольшого объема работ вместо врубового механизма следует принять компрессор в комплекте с отбойными молотками.

1.        Врубовой механизм на тракторе С-80.

2.        Экскаватор Э-153.

3.        Трубоукладчик ТЛ-ДТ54А.

4.        Сварочный аппарат.

5.        Бульдозер Д271.

6.        Трубы.

КОНСТРУКТИВНЫЕ УЗЛЫ

ПРИМЫКАНИЕ БЕСКАНАЛЬНОЙ ПРОКЛАДКИ К КАНАЛУ И КАМЕРЕ

1. камера,

2. канал,

3 - узел входа трубы в канал и примыкания битумоперлитовой изоляции к подвесной (см. лист 63).

УЗЕЛ ВХОДА ТРУБЫ В КАНАЛ И ПРИМЫКАНИЕ ИЗОЛЯЦИИ ИЗ БИТУМОПЕРЛИТА К ПОДВЕСНОЙ ИЗОЛЯЦИИ

 

Выборка гильз

Усл  диам. Ду мм

Марка гильзы

Внутр. диаметр Д в мм

№ листа

50

М-3

260

65

70

М-4

300

-"-

80

M-5

310

-"-

100

М-6

330

-"-

125

М-7

350

-"-

150

М-8

380

-"-

200

М-9

460

-"-

250

М-10

510

-"-

300

М-11

570

-"-

350

М-12

 640

-"-

400

М-I3

690

-"-

450

М-14

740

-"-

500

М-15

790

-"-

ГИЛЬЗА

М-3 ÷ М-15 (развертка)

Спецификация на материл Ст 3кп

Марка

№ дет.

Сечение

Длина в мм

Кол-во

Вес в кг

Марка

№ дет

Сечение.

Длина в мм

 

Кол-во

т

м

1 дет.

всех

марка

т

м

1 дет.

всех

марка

М-3

1

Ø10A-III

150

3

 

0,1

0,3

6,5

М-9

1

Ø10A-III

150

3

 

0,1

0,3

10,8

2

Ø10A-I

150

4

0,1

0,4

2

Ø10A-I

150

4

0,1

0,4

3

300×6

150

1

5,8

5,8

9

300×6

720

1

10,1

10,1

М-4

1

Ø10A-III

150

3

 

0,1

0,3

7,4

М-10

1

Ø10A-III

150

4

 

0,1

0,4

12,1

2

Ø10A-I

150

4

0,1

0,4

2

Ø10A-I

150

4

0,1

0,4

4

300×6

470

1

6,7

6,7

10

300×6

800

1

11,3

11,3

М-5

1

Ø10A-III

150

3

 

0,1

0,3

7,6

М-11

1

Ø10A-III

150

4

 

0,1

1,4

13,5

2

Ø10A-I

150

4

0,1

0,4

2

Ø10A-I

150

4

0,1

0,4

5

300×6

490

1

6,9

6,9

11

300×6

900

1

12,7

12,7

М-6

1

Ø10A-III

150

3

 

0,1

0,3

7,9

М-12

1

Ø10A-III

150

4

 

0,1

0,4

14,9

2

Ø10A-I

150

4

0,1

0,4

2

Ø10A-I

150

4

0,1

0,4

6

300×6

420

1

7,2

7,2

12

300×6

1000

1

14,1

14,1

М-7

1

Ø10A-III

150

3

 

0,1

0,3

8,5

М-13

1

Ø10A-III

150

5

 

0,1

0,5

16,2

2

Ø10A-I

150

4

0,1

0,4

2

Ø10A-I

150

4

0,1

0,4

7

300×6

550

1

7,8

7,8

13

300×6

1080

1

15,3

15,3

М-8

1

Ø10A-III

150

3

 

0,1

0,3

9,2

М-14

1

Ø10A-III

150

5

 

0,1

0,5

17,3

2

Ø10A-I

150

4

0,1

0,4

2

Ø10A-I

150

4

0,1

0,4

8

300×6

600

1

8,5

8,5

14

300×6

1160

1

16,4

16,4

 

М-15

1

Ø10A-III

150

5

 

0,1

0,5

18,4

2

Ø10A-I

150

4

0,1

0,4

15

300×6

1240

1

18,5

17,5


M-16; М-17

M-18; М-19

Спецификация на материал Ст-3кп

Марка

дет.

Сечение

Длина в мм

Кол-во

Вес; в кг

т

м

1 дет.

всех

марка

М-16

16

Труба Ду=150

Ø8А-1

200

5

 

3,6

0,6

4,0

20

150

4

0,1

0,4

M-I7

17

Труба Ду 150

Ø8А-1

250

1

 

4,2

4,2

4,6

20

150

4

0,1

0,4

M-I8

18

Труба Ду 200

Ø8А-1

300

1

 

9,6

9,6

10,0

20

150

4

0,1

0,4

M-I9

19

Труба Ду 200

Ø8А-1

350

1

 

11

11

11,4

26

150

4

0,1

0,4


СХЕМА УСТРОЙСТВА НЕПОДВИЖНОЙ ОПОРЫ.

1 - патрубок (=1,5 м), 2 = паронитовый цилиндр, 3 - паронитовое кольцо, 4 - железобетонная плита, 5 - упорное стальное кольцо, 6 - стальная косынка, 7 - сварной стык, 8 - труба теплосети, 9 - битумоперлитовая изоляция (заводская), 10 - два слоя бризола (стеклоткани), 11 - битумоперлитовая изоляция, 12 - просмоленная пакля, 13 - бетонная подушка

 


Расчетные горизонтальные усилия на опору

Условный диаметр трубопровода Ду мм

Тип опоры

Расчетное усилие в тн

50 ÷ 150

НО - 1

11,0

200 ÷ 250

НО - 2

25,3

300 ÷ 350

НОМ - 3

39,6

400 ÷ 500

НОМ - 4

53,9

ПРИМЕЧАНИЕ

Несущая способность неподвижных опор дана для сухих грунтов с объемным весом γ = 1,8 т/м3 и нормативным углом естественного откоса φн =30°.

При других исходных данных несущая способность опоры должна быть пересчитана.

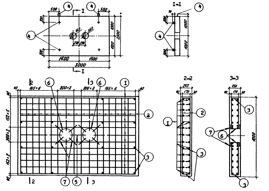
1. Неподвижные щитовые опоры труб Ду 50 ÷ 250 мм с патрубками изготавливаются в заводских условиях или на полигоне. Опоры для труб Ду 300 ÷ 500 мм выполняются на трассе. Расход материалов на одну щитовую опору для двухтрубной прокладки приведен на. листе 83.

2. При наличии попутного дренажа в щите заложить гильзу соответствующего диаметра для пропуска дренажной трубы.

3. Наружные поверхности опор обмазать горячим битумом марки БН-IV за два раза.

4. При агрессивности грунтовой воды по отношению к бетону выбирать плотность бетона, инертные для его приготовления и вид цемента стойкие к данному виду агрессии.

5. Траншею у опоры засыпать песчаным грунтом с тщательным послойным трамбованием.

 


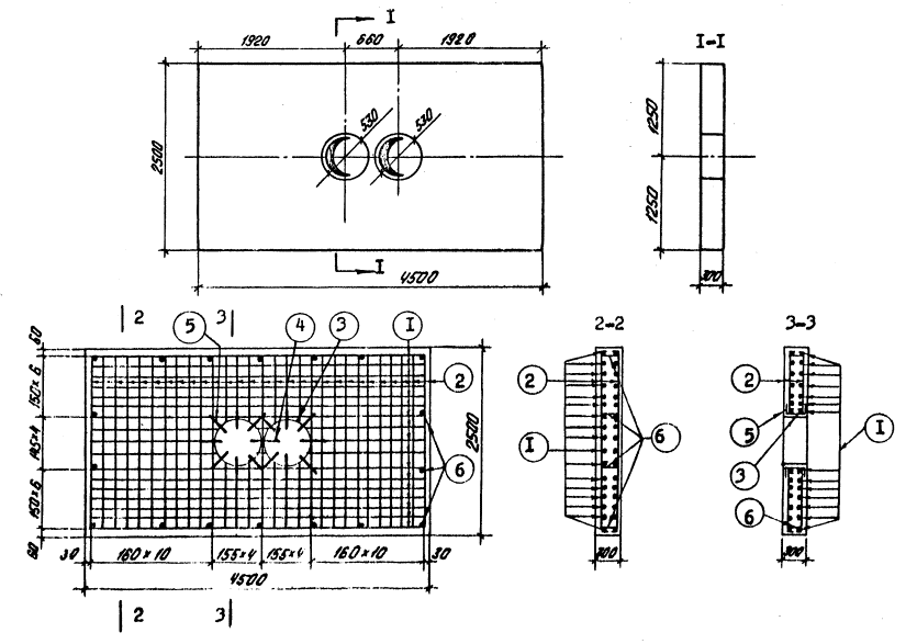
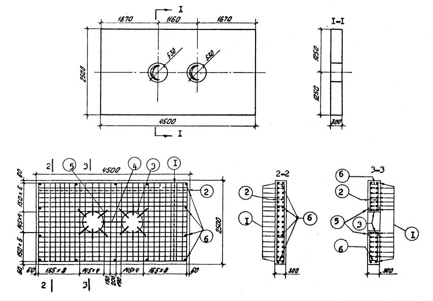
СБОРНЫЕ ЖЕЛЕЗОБЕТОННЫЕ ЩИТОВЫЕ ОПОРЫ ТИПА "НО"

Таблица основных характеристик сборных железобетонных неподвижных щитовых опор

№ листа

Условн. проход Ду мм

Тип опоры

Размеры, мм

Гильза для пропуска дренажных труб

Бетон

Вес опоры в кг

Содержание ар-ры в кг

l

H

h

d

b

L

K

m

Марка

кг

Марка

Кол-во м3

класса A-I

класса A-III

70-71

50

НО-1-1

280

1500

1100

140

200

2000

220

Определяется в конкретном проекте

M-16

4,0

300

0,6

1500

5,0

88,0

70

НО-1-2

160

220

80

НО-1-3

170

220

100

НО-1-4

400

190

70

5,0

90,0

125

НО-1-5

210

70

150

НО-1-6

240

70

72-73

200

НО-2-1

540

2000

1350

300

250

3500

400

M-17

4,6

300

1,5

3750

6,0

257,0

250

НО-2-2

360

400

сбоРНЫе железобетонные щитовые опоры ho-1-1 ÷ ho-1-6

Геометрические размеры и арматура

СБОРНЫЕ ЖЕЛЕЗОБЕТОННЫЕ ЩИТОВЫЕ ОПОРЫ НО-1-1 ÷ HO-1-6

Спецификация на один элемент

Наим. эл-та

Эскиз

№ дет.

Сечение в мм

Длина дет. "l" в мм

Кол. на элемент "п"

Общая длина "ln", м

Всего на элемент

Сечение мм

Σln, м

Вес, кг

НО-1-1; НО-1-2; НО-1-3

_____1990___________

1

12a-III

1990

22

43,8

8А-I

12.7

5,0

_______1490________

2

12A-III

1490

28

41;7

12A-I

4,f

4,0

3

8A-I

300

12

3,6

12A-III

85,5

76,0

4

12A-I

780

6

4,7

16A-III

4,8

8,0

5

8А-I

640

I

0,64

Итогоi

 

93,0

 

16А-III

1200

4

4,8i

 

 

 

 

 

 

)

 

 

 

 

7

8A-I

600

14

8,4

 

 

 

 

 

 

 

 

 

 

 

НО-1-7 ÷ НО-1-6

 

 

 

 

 

 

 

85,0

8

16A-III

1400

4

5,6

8A-I

0,8

1,0

 

 

 

 

 

16А=III

5.6

9,0

9

8A-I

740

1

0,74

ИТОГО

 

95,0

 

Расход материалов на один элемент

№ пп

Наименование элементов

Бетон

Армата

Вес элемента, кг

Марка

Кол. м3

Вес, кг

Содерж. в кг на 1 м3

1.

HO-1-1; HO-1-2; НО-1-3

300

0,6

93,0

155

1500

2.

HО-1-4; HО-1-3; НО-1-6

300

0,6

95,0

159

1500

ПРИМЕЧАНИЕ.

1. B местах установки дет. 6, 8 стержни дет. 1 и 2 обрезаются по месту и привариваются к дет. 6, 8.

2. Перед установкой на место стержня сварить в пространственный каркас точечной электросваркой.

СБОРНЫЕ ЖЕЛЕЗОБЕТОННЫЕ ЩИТОВЫЕ ОПОРЫ НО-2-1 ÷ НО-2-2

Геометрические размеры и арматура


СБОРНЫЕ ЖЕЛЕЗОБЕТОННЫЕ ЩИТОВЫЕ ОПОРЫ HО-2-1 ÷ НО-2-2

Спецификация на один элемент

Наим. эл-та

Эскиз

№ дет.

Сечение в мм

Длина дет. "l" в мм

Кол. на элемент "п"

Общая длина "ln", м

Всего на элемент

Сечение мм

Σln, м

Вес, кг

НО-2-1; НО-2-2

______2990_________

I

16A-III

2990

26

77,5

8A-I

15,6

6,0

______1990______

2

16А-Ш

1990

36

72,0

16A-III

156,9

248,4

3

8A-I

350

16

5,6

16A-I

5,7

9,0

4

16A-I

940

6

5,7

ИТОГО:

 

263,1

 

 

 

 

 

 

 

 

5

8A-I

680

1

1,0

 

 

 

 

 

 

 

 

 

 

 

6

16A-1

1850

4

7,4

 

 

 

 

 

 

 

 

 

 

 

 

 

 

 

 

 

 

 

 

 

 

 

 

 

 

 

7

8A-1

640

14

9,0

4

 

 

 

Расход материала на один элемент

кг

Наименование элементов

Бетон

Армата

Вес элемента, кг

Bee эл-та в кг

 

 

Марка

Кол. м3

Вес, кг

Содерж. в кг на 1 м3

 

1

НО-2-1

300

1,5

263

175

3750

2

НО-2-2

 

 

 

 

 

 

 

 

 

 

 

 

ПРИМЕЧАНИЕ

1. В местах установки дет.6 стержни дет 1, 2 обрезаются по месту и привариваются к дет. 6.

2. Перед установкой на место стержни сварить в пространственный каркас точечной электросваркой.

МОНОЛИТНЫЕ ЖЕЛЕЗОБЕТОННЫЕ ЩИТОВЫЕ ОПОРЫ ТИПА "НОМ"

 

Таблица основных характеристик монолитных железобетонных неподвижных щитовых опор

№ листов

Условн. проход Ду мм

Тип опоры

Размеры мм

Гильза для пропуска дрен. трубы

Бетон

Арматура в кг

l

H

h

d

b

L

K

т

Марка

Вес в кг

Марка

Кол-во м3

Класса A-I

Класса A-III

Общий вес

75-76

200

HОM-3-1

660

2500

1450

430

300

4500

1075

Определяется в конкретном проекте

М-18

10,0

200

3,25

8

659

667

350

НОМ-3-2

480

1040

77-60

400

НОМ-3-3

530

1015

7

832

839

НОМ-3-4

1160

765

7

614

621

81-82

450

HОМ-4-1

1160

580

350

5500

1210

М-19

11,4

4,58

8

749

757

500

НОМ-4-2

630

1215

МОНОЛИТНЫЕ ЖЕЛЕЗОБЕТОННЫЕ ЩИТОВЫЕ ОПОРЫ НОМ-3-1 ÷ НОМ 3-2

Геометрические размеры и арматура


МОНОЛИТНЫЕ ЖЕЛЕЗОБЕТОННЫЕ ЩИТОВЫЕ ОПОРЫ HОM-3-1 ÷ НОМ-3-2

Спецификация на один элемент

Наим. эл-та

Эскиз

№ дет.

Сечение в мм

Длина дет. "l" в мм

Кол-во на эл-т "n"

Общая длина "ln", м

Всего на эл-т

Сечение мм

Σln, м

Вес, кг

НОМ-3-1

________4490_____

1

22А-III

4490

32

143,0

8A-I

19,0

8

_______2490_______

2

16А-III

2490

56

140,0

16A-III

148,0

234

3

16А-III

1930

4

8,0

22А-III

143,0

425

 

 

 

 

 

 

 

 

 

 

 

 

 

ИТОГО:

 

667

7

8A-I

700

14

9,8

 

 

 

5

8A-I

1160

1

1,16

 

 

 

 

 

 

 

 

 

 

 

8

8A-I

400

20

8,0

 

 

 

 

 

 

 

 

 

 

 

 

 

 

 

 

8A-I

19,0

8

НОМ-3-2

Дет. 1, 2, 7, 8, см выше

 

 

 

 

 

16А-III

148,0

234

 

 

 

 

 

22A-III

143,0

425

 

 

 

 

 

 

 

 

4

16А-III

2020

4

8,3

Итого:

 

667

 

 

 

 

 

 

 

 

 

 

 

 

 

 

 

 

6

8A-I

1080

1

1,08

 

 

 

 

 

 

 

 

 

 

 

 

 

 

 

 

 

 

 

 

Расход материалов на один эл-т

п/п

Наименование элементов

Бетон

Арматура

Марка

Кол-во м3

вес, кг

Содерж. в кг на 1 м3 бетона

1

HОM-3-1

200

3,25

667

206

2

НОМ-3-2

200

3,25

667

206

ПРИМЕЧАНИЕ,

1. В местах установки дет.3, 4 и стержни дет.1, 2 обрезаются по месту и приваривается к дет. 3, 4.

2, Перед установкой на место стержни сварить в пространственный каркас точечной электросваркой.

МОНОЛИТНАЯ ЖЕЛЕЗОБЕТОННАЯ ЩИТОВАЯ ОПОРА НОМ-3-3.

Геометрические размеры и арматура.

МОНОЛИТНАЯ ЖЕЛЕЗОБЕТОННАЯ ЩИТОВАЯ ОПОРА НОМ -3-3

Спецификация на один элемент

Наим. эл-та

Эскиз

№ дет.

Сечение в мм

Длина дет. "l" в мм

Кол-во на эл-т "n"

Общая длина "ln", м

Вес в кг

Сечение мм

Σln, м

Вес кг

НОМ-3-3

_______4490______

1

25A-III

4490

34

153,0

25А-III

153,0

590

______2490_____

2

16A-III

2490

58

144,5

16A-III

153,6

242

 

 

 

 

 

 

 

 

3

16A-III

2250

4

9,0

8А-I

17,74

7

 

 

 

 

 

 

 

 

 

 

 

 

 

Итого:

 

839

5

8А-I

700

14

9,8

 

 

 

 

 

 

 

 

 

 

 

 

 

 

 

 

 

 

 

4

8А-I

740

1

0,74

 

 

 

 

 

 

 

 

 

 

 

 

 

 

 

 

 

 

 

6

8A-I

400

18

7,2

 

 

 

 

 

 

 

 

 

 

 

 

Расход материалов на один эл-т

№ пп

Наименование элементов

Бетон

Арматура

Марка

Кол-во м3

вес, кг

Содерж. в кг на 1 м3 бетона

1

HОМ-3-2

200

3,25

839

258

 

 

 

 

 

 

ПРИМЕЧАНИЕ.

1, В местах установки дет.3 стержни дет. 1 и 2 обрезаются по месту и привариваются к дет.3.

2. Перед установкой на место стержни сварить в пространственный каркас точечной электросваркой.

 

МОНОЛИТНАЯ ЖЕЛЕЗОБЕТОННАЯ ЩИТОВАЯ ОПОРА НОМ-3-4

Геометрические размеры и арматура

 

МОНОЛИТНАЯ .ЖЕЛЕЗОБЕТОННАЯ ЩИТОВАЯ ОПОРА НОМ-3-4

Спецификация на один элемент

Наим. эл-та

Эскиз

№ дет.

Сечение в мм

Длина дет. "l" в мм

Кол-во на эл-т "n"

Общая длина "ln", м

Бос в кг

Сечение мм

Σln, м

Вес кг

НОМ-3-4

_____4490_____

1

20а-III

4490

34

153,0

20А-III

153.0

378

_____2490_______

2

16А-III

2490

56

139,0

16А-III

148,0

236

 

 

 

 

 

8А-III

17,46

7

3

16А-III

2250

4

9,0

 

 

 

 

 

 

 

 

 

 

 

4

8А-I

1860

1

1,86

Итого:

 

fi21

 

 

 

 

 

 

 

 

 

 

 

 

 

 

 

 

5

8A-I

700

14

10,0

 

 

 

 

 

 

 

 

 

 

 

 

 

 

 

 

 

 

 

6

8A-I

700

14

5,6

 

 

 

 

 

 

 

 

 

 

 

 

Расход материалов на один эл-т

№ пп

Наименование элементов

Бетон

Арматура

Марка

Кол-во м3

вес, кг

Содерж. в кг на 1 м3 бетона

1

НОЙ-3-4

200

3,25

621

191

 

 

 

 

 

 

ПРИМЕЧАНИЕ.

1. В местах установки дет. 3, 4 стержни дет.1, 2 обрезаются по месту и привариваются к дет.3.

2. Перед установкой на место стержни сварить в пространственный каркас точечной электросваркой

 

МОНОЛИТНЫЕ ЖЕЛЕЗОБЕТОННЫЕ ЩИТОВЫЕ ОПОРЫ НОМ-4-1 ÷ НОМ-4-2

Геометрические размера и арматура

МОНОЛИТНЫЕ ЖЕЛЕЗОБЕТОННЫЕ ЩИТОВЫЕ ОПОРЫ НОМ-4-1 ÷ НОМ-4-2

Спецификация на один элемент

Наим. эл-та

Эскиз

№ дет.

Сечение в мм

Длина дет. "l" в мм

Кол-во на эл-т "n"

Общая длина "ln", м

Вес в кг

Сечение мм

Σln, м

Вес кг

НОМ-4-1

_______5490______

1

20A-III

5490

42

231,0

8A-I

20,2

8

_______2490_____

2

I2A-III

2490

74

184,0

12А-III

184,0

164

 

 

 

 

 

 

 

 

3

16А-III

2400

4

9,6

16А-III

9,6

15

 

 

 

 

 

20 А-III

231,0

570

 

 

 

 

 

 

 

 

5

8A-I

1800

1

1,8

 

 

 

 

 

 

 

 

ИТОГО:

 

757

7

8A-I

750

14

10,8

 

 

 

8

8A-I

450

16

7,6

 

 

 

НОМ-4-2

Дет. 1, ,2, 7, 8 см. выше

 

 

 

 

 

8A-I

20,1

8

 

 

 

 

 

12A-I

184,0

 

4

16А-III

2560

4

10,3

16A-I

9,6

15

 

 

 

 

 

20A-I

231,0

570

 

 

 

 

 

 

 

 

6

8A-I

1740

1

1,74

ИТОГО:

 

757

 

 

 

 

 

 

 

 

 

 

 

 

 

 

 

 

 

 

 

 

 

 

 

.

 

Расход материалов на один эл-т

№ пп

Наименование элементов

Бетон

Арматура

Марка

Кол-во м3

вес, кг

Содерж. в кг на 1 м3 бетона

1

НОМ-4-1

200

4,58

757

165

2

НОМ-4-2

200

4,58

757

165

ПРИМЕЧАНИЕ.

1. В местах установки дет. 3, 4 стержни дет. 1, 2 обрезаются по месту и привариваются к дет. 3, 4.

2. Перед установкой на место стержни сварить а пространственный каркас точечной электросваркой.

РАСХОД МАТЕРИАЛОВ НА ОДНУ ЩИТОВУЮ ОПОРУ ПРИ ДВУХТРУБНОЙ ПРОКЛАДКЕ

Условн. проход тр-да Ду

Наружный диаметр тр-да Дн

Тр-д длиной 1500 мм 2 шт.

Неподвижная опора

Расход паронита на две трубы

Поверхность покрыв. антикорро-зийным слоем на 2 трубы

Изоляционный слой

Расход крафт-бумаги

Расход бризола

Расход битума для наклейки бризола

Конструкция неподвижной щитовой опоры

Марка щита

Beс

№ детали (лист)

нормаль

Вес для 2х труб

Объем

Вес

Объемная масса 350 кг/см3

Объемная масса 450 кг/см3

мм

мм

кг

 

 

кг

м2

м2

м3

кг

кг

м2

м2

кг

 

 

50

57

12,0

Деталь № 1 лист 64

 

4,56

0,11

0,840

0,0225

7,9

10,2

1,165

1,600

3,78

Сборная ж/бетонная опора

НО-1-1

70

76

16,2

4,8

0,135

1,12

0,0321

11,25

14,4

1,410

1,935

4,6

НО-1-2

80

89

19,1

4,84

0,150

1,24

0,0354

12,4

15,9

1,525

2,080

4,95

НО-1-3

100

108

23,4

 

14,84

0,495

1,34

0,0402

14,1

18,1

1,680

2,300

5,4

HО-1-4

125

133

33,6

17,02

0,534

1,586

0,0467

16,4

21,0

1,845

2,580

6,12

HО-1-5

150

159

51,5

19,5

0,574

1,84

0,0532

18,6

24,0

2,120

2,880

6,75

НO-1-6

200

219

94,8

47,4

0,727

2,48

0,0687

24,1

31,0

2,630

3,54

8,38

НО-2-1

250

273

138,0

38,4

0,82

3,015

0,0822

28,8

37,0

3,080

4,160

9,8

НО-2-2

300

325

187,8

42,0

1,01

3,408

0,0902

31,6

40,5

3,340

4,500

10,55

Монолитная ж/б опора

НОМ-3-1

350

377

245,0

53,0

1,14

3,925

0,1280

45,0

57,6

3,920

5,280

12,35

НОМ-3-2

400

426

219,5

57,8

1,22

4,373

0,1427

50,0

64,2

4,300

5,800

13,6

HОM-3-3/

НОМ-3-4

450

480

248,0

66,4

1,323

4,875

0,1585

55,5

71,5

4,720

5,350

14,9

НОМ-4-1

500

530

312,2

93,0

1,335

5,376

0,1640

57,5

74,0

5,150

5,920

16,25

НОМ-4-2

 


ТЕХНИКА БЕЗОПАСНОСТИ

Организация труда должна осуществляться в соответствии с правилами СНиП III-А.Г-62  "Организация труда. Основные положения". Правила техники безопасности изложены в СНиП III-А.11-70.

Руководителям и инженерно-техническим работникам строительно-монтажных организаций, старшим производителям работ (начальникам участка), производителям работ, мастерам участков и бригад необходимо руководствоваться следующими правилами;

1. Правила, изложенные в главе СНиП III-1.11-70. "Техника безопасности в строительстве".

2. Правила устройства и безопасности эксплуатации трубопроводов пара и горячей воды Госгортехнадзора СССР.

3. Правила устройства и безопасности эксплуатации грузоподъемных кранов Госгортехнадзором СССР.

4. Правила устройства и безопасности сосудов, работающих под давлением.

5. Технические условия, правила производства работ и инструкции Госстроя СССР, строительные нормы и правила (СНиП).

 




ГОСТЫ, СТРОИТЕЛЬНЫЕ и ТЕХНИЧЕСКИЕ НОРМАТИВЫ.
Некоммерческая онлайн система, содержащая все Российские Госты, национальные Стандарты и нормативы.
В Системе содержится более 150000 файлов нормативно-технической документации, действующей на территории РФ.
Система предназначена для широкого круга инженерно-технических специалистов.

Рейтинг@Mail.ru Яндекс цитирования

Copyright © www.gostrf.com, 2008 - 2026