|
|
ЦЕНТРАЛЬНЫЙ ИНСТИТУТ НОРМАТИВНЫХ ИССЛЕДОВАНИЙ И НАУЧНО-ТЕХНИЧЕСКОЙ ИНФОРМАЦИИВ ТРАНСПОРТНОМ СТРОИТЕЛЬСТВЕ(ОРГТРАНССТРОЙ)ТЕХНОЛОГиЧЕСКАЯ кАРТАУСТРОЙСТВО АЭРОДРОМНЫХ ОСНОВАНИЙ ИЗ ГРУНТОВ, УКРЕПЛЕННЫХ ЦЕМЕНТОМ, С ПРИГОТОВЛЕНИЕМ СМЕСИ В УСТАНОВКЕТехнологическая карта составлена отделом автодорог и аэродромов института «Оргтрансстрой» (исполнитель инж. В.К. Пишванов) по материалам Челябинской и Ростовской нормативно-исследовательских станций. Ответственный за выпуск инж. О.Н. Добровольский. Cодержание Технологическая карта предназначена для использования при разработке проекта производства работ и организации работ и труда на объекте. Во всех случаях применения технологической карты необходима привязка ее к местным условиям производства работ. Карта составлена на устройство цементогрунтового основания
толщиной Цементогрунтовая смесь должна удовлетворять требованиям «Указаний по применению в дорожном и аэродромном строительстве грунтов, укрепленных вяжущими материалами» СН 25-64. Из условия надежного уплотнения смеси предусмотрена ее укладка в два слоя с раздельным уплотнением слоев. В технологическую карту включены работы по установке и снятию рельс-форм, приемке, разравниванию и уплотнению цементогрунтовой смеси, уходу за уложенным цементогрунтовым основанием.
|
|
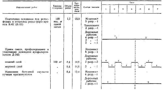
Машинист автокрана |
5 разр - |
1 |
|
Такелажник |
3 разр |
1 |
|
Дорожные рабочие: |
4 разр - |
1 |
|
|
3 разр - |
1 |
|
|
2 разр- |
1 |
В первой половине смены дорожные рабочие 3 и 2 разр. делают разбивку работ по вехам, установленным геодезистом, укладывают подкладки под стыки рельс-форм, планируют грунтовое основание под рельс-формы, а после установки рельс-форм подштопывают их и забивают штыри.
Дорожный рабочий 4 разр. и такелажник 3 разр. с помощью автокрана (машинист 5 разр.) на подготовленное основание устанавливают рельс-формы и производят их рихтовку.
После установки рельс-форм на очередной захватке из звена выделяется группа для снятия рельс-форм на участках затвердевшего цементогрунтового основания в составе: машиниста автокрана, дорожного рабочего 3 разр. и такелажника 3 разр.
Дорожный рабочий и такелажник вытаскивают штыри, отделяют рельс-формы от цементогрунтового основания, смазывают грани основания эмульсией или разжиженным битумом, разбирают рельс-формы на звенья, очищают рельс-формы, а затем с помощью автокрана грузят их в автомобили.
На месте установки рельс-форм дорожный рабочий 2 разр. подштопывает рельс-формы, а дорожный рабочий 4 разр. рихтует установленные рельс-формы после обкатки их профилировщиком. Эти же рабочие выгружают рельс-формы из транспортных средств на новом месте установки.
Укладка смеси и уход за основанием
|
Машинист профилировщика |
6 разр - |
1 |
|
Машинист компрессора |
4 разр - |
1 |
|
Дорожные рабочие: |
3 разр - |
1 |
|
|
2 разр - |
3 |
Один рабочий 2 разр. принимает смесь, указывая шоферам место выгрузки смеси, очищает кузова автомобилей-самосвалов после выгрузки, с помощью самосвалов перемещает переездные мостики по ходу работ.
Машинист профилировщика и два рабочих 2 разр. производят разравнивание, профилирование и уплотнение цементо-грунтовой смеси. При этом рабочие 2 разр. идут впереди отвала профилировщика и поддерживают равномерное сечение валика смеси.
Машинист профилировщика управляет машиной при разравнивании, профилировании, уплотнении смеси, а также производит обкатку установленных рельс-форм; он также выполняет все работы, связанные с уходом и обслуживанием машины.
Машинист компрессора и рабочий 3 разр. выполняют работы по уходу за цементогрунтовым основанием; рабочий 3 разр. принимает битумную эмульсию, заполняет ею рабочую емкость, подготовляет к работе шланги и ручной краскопульт (или другой распылитель). В начале смены он помогает двум рабочим 2 разр. распределять цементогрунтовую смесь впереди профилировщика.
Рабочей площадкой (зоной) при устройстве оснований служит место у сменной захватки движущего потока, которое предварительно должно быть очищено, обеспечивая свободное размещение рабочих, инструментов, приспособлений, машин и материалов.
На рабочей площадке располагаются оборудованные в передвижных вагонах:
служебное помещение;
бытовое помещение для отдыха, обогрева и приема пищи с душевой установкой;
кладовая для хранения инструментов, запчастей и приспособлений;
ремонтная мастерская для текущего ремонта машин.
Применяемые материалы (доски для подкладок под стыки рельс-форм, горюче-смазочные материалы), а также запасной резерв рельс-форм складируют на передвижной платформе.
При работе бригады в темное время рабочая площадка должна быть хорошо освещена; источником электроэнергии служит передвижная электростанция (ПЭС).
Для повышения производительности профилировщика Д-345 разгружать смесь следует расстилая ее по земляному полотну, не создавая куч, а также правильно настраивать рабочие органы машины.
Положение отвала профилировщика регулируется по высоте
относительно поддона вибробруса, и это обеспечивает нормирование припуска в
толщине слоя на уплотнение с требуемой степенью плотности, а также позволяет
добиться образования во время рабочего хода машины перед профилирующим отвалом
небольшого валика излишка смеси высотой 15-
Сначала для более эффективной настройки рабочих органов машины Д-345 вибробрус устанавливают на уровне проектных отметок поверхности цементогрунтового основания в данном сечении, затем при движении машины профилирующий отвал перед вибробрусом постепенно поднимают и этим увеличивают величину припуска в толщине слоя смеси на уплотнение.
Поднимая вместе с отвалом передний «рай вибробруса, увеличивают угол его наползания. Величина подъема переднего края бруса должна быть несколько меньше величины подъема отвала и равна примерно 50-60 % от величины полной осадки смеси при максимальном уплотнении. От правильного подбора угла наползания и величины припуска в толщине слоя на уплотнение зависит эффективность уплотнения слоя смеси, а следовательно, и производительность профилировщика.
Высокая эффективность уплотнения цементогрунтового слоя машиной Д-345 обеспечивается тем, что вибробрус машины снабжен механическими вибраторами, работа которых синхронизирована по всей длине бруса. В начале строительного сезона рекомендуется проверить, правильно ли установлены дебалансы вибраторов: все они должны быть расположены на валу строго по прямой линии.


Примечание. Цифры над линией - число рабочих.
|
№ |
Шифр норм |
Наименование работы |
Состав бригады |
Единица измерения |
Объем работ |
Норма затрат труда на единицу измерения, чел-ч |
Расценка, |
Количество чел-ч на полный объем работ |
Стоимость затрат труда на полный объем работ, руб.-коп. |
|
1 |
ЕНиР-17, §17-11, № 1 |
Подготовка основания под рельс-формы и установка рельс-форм с помощью крана К-51 (K-6I) |
Машинист 5 разр. - 1 Такелажник 3 разр. - 1 Дорожные рабочие: 4 разр. - 2 3 разр. - 2 2 разр. - 1 |
100 пог. м одной нитки |
1,43 |
18,9 |
8-60 |
27 |
12-30 |
|
2 |
Общая часть |
Прием цементогрунтовой смеси с очисткой кузова автомобиля-самосвала |
Дорожный рабочий 2 разр. - 1 |
чел-ч |
7 |
1 |
0-37 |
7 |
2-59 |
|
3 |
ЕНиР-17, §17-12 |
Планировка и уплотнение цементогрунтового основания профилировщиком Д-345 |
Машинист 6 разр. - 1 Дорожные рабочие 2 разр. - 2 |
|
20 |
1,8 |
0-82,8 |
36 |
16-56 |
|
4 |
Т-36-19 |
Нанесение битумной эмульсии ручным краскопультом |
Машинист 4 разр. - 1 Дорожный рабочий 3 разр. - 1 |
То же |
10 |
1,3 |
0-59,3 |
13 |
5-93 |
|
5 |
ЕНиР-17, §17-11, №.2 |
Снятие рельс-форм, очистка их и погрузка в автомобиль краном К-51 (К-61) |
Машинист крана 5 разр. - 1 Такелажник 3 разр. - 1 Дорожный рабочий 3 разр. - 1 |
100 пог. М одной нитки |
1,43 |
7,6 |
3-57 |
10,9 |
5-10 |
|
|
|
Итого |
|
|
|
|
|
93,9 |
42-48 |
|
|
По графику |
По калькуляции |
|
Трудоемкость работ на |
13,1 |
13,4 |
|
Количество маш-смен
на Выработка одного рабочего в смену, м2 |
3 76 |
3,7 53 |
|
Профилировщик Д-345 |
0,9 |
|
Самоходный кран К.-61 |
0,92 |
|
Компрессор ЗИФ-55 |
0,79 |
|
Цементогрунтовая смесь Битумная эмульсия 1030 |
|
|
Профилировщик Д-345 |
1 |
|
Самоходный кран К-61 (К-51) Компрессор ЗИФ-55 |
1 1 |
|
Распылитель эмульсии |
1 |
|
Звенья рельс-форм с креплениями и штырями |
600 пог. м |
|
Рейка-шаблон 3-метровая Шаблоны для установки подкладок |
1 2 |
|
Деревянные подкладки под рельс-формы Щиты деревянные размером 4×5 м Рулетка стальная |
150 4 1 |
|
Ломы-лапы |
2 |
|
Ломы |
2 |
|
Молотки |
2 |
|
Кувалды |
9 |
|
Лопаты совковые |
4 |
|
Лопаты штыковые |
4 |
|
Стропы из тросов (захваты) Шнур трассировочный |
9 |
|
Трамбовки деревянные |
2 |
|
Вёдра |
2 |
|
Щетки капроновые |
2 |
|
Доски
для рабочих швов (длиной |
2 |
|
Нивелир |
1 |
|
Рейки нивелирные |
2 |
|
Теодолит |
1 |
|
ГОСТЫ, СТРОИТЕЛЬНЫЕ и ТЕХНИЧЕСКИЕ НОРМАТИВЫ. Некоммерческая онлайн система, содержащая все Российские Госты, национальные Стандарты и нормативы. В Системе содержится более 150000 файлов нормативно-технической документации, действующей на территории РФ. Система предназначена для широкого круга инженерно-технических специалистов. Copyright © www.gostrf.com, 2008 - 2026 |