Крупнейшая бесплатная информационно-справочная система онлайн доступа к полному собранию технических нормативно-правовых актов РФ. Огромная база технических нормативов (более 150 тысяч документов) и полное собрание национальных стандартов, аутентичное официальной базе Госстандарта. GOSTRF.com - это более 1 Терабайта бесплатной технической информации для всех пользователей интернета. Все электронные копии представленных здесь документов могут распространяться без каких-либо ограничений. Поощряется распространение информации с этого сайта на любых других ресурсах. Каждый человек имеет право на неограниченный доступ к этим документам! Каждый человек имеет право на знание требований, изложенных в данных нормативно-правовых актах!

  


 

МИНИСТЕРСТВО ТРАНСПОРТНОГО СТРОИТЕЛЬСТВА СССР

ГЛАВНОЕ ТЕХНИЧЕСКОЕ УПРАВЛЕНИЕ

ВСЕСОЮЗНЫЙ ПРОЕКТНО-ТЕХНОЛОГИЧЕСКИЙ ИНСТИТУТ ТРАНСПОРТНОГО СТРОИТЕЛЬСТВА «ВПТИТРАНССТРОЙ»

ТЕХНОЛОГИЧЕСКИЕ СХЕМЫ МОНТАЖА ТИПОВЫХ УЗЛОВ КРУПНОПАНЕЛЬНЫХ ДОМОВ СЕРИИ 125

МОСКВА 1987

Содержание

ПОЯСНИТЕЛЬНАЯ ЗАПИСКА

1. КРАТКАЯ ХАРАКТЕРИСТИКА КОНСТРУКТИВНЫХ РЕШЕНИИ СЕРИИ 125

2. ОРГАНИЗАЦИЯ РАБОТ ПО МОНТАЖУ ЗДАНИЯ

3. ОРГАНИЗАЦИЯ ТРУДА ПРИ МОНТАЖЕ

4. ТРАНСПОРТИРОВКА, ПРИЕМКА И СКЛАДИРОВАНИЕ КОНСТРУКЦИЙ

5. ГЕОДЕЗИЧЕСКИЕ РАБОТЫ ПРИ МОНТАЖЕ

6. МОНТАЖ КОНСТРУКЦИЙ, ВЫПОЛНЕНИЕ СТЫКОВ И УЗЛОВ

7. ЗАМОНОЛИЧИВАНИЕ СТЫКОВ И ШВОВ В ЗИМНИХ УСЛОВИЯХ

8. ТЕХНИКА БЕЗОПАСНОСТИ ПРИ МОНТАЖЕ

Схемы планов типовых блок-секций

Спецификация типовых проектов серии 125

Краны, рекомендуемые для монтажа блок-секций и домов серии 125

Перечень средств малой механизации - оборудования, инвентаря, приспособлений и инструмента - для производства монтажных работ при строительстве

Количество и параметры основных элементов типового этажа крупнопанельных домов серии 125

Перечень автотранспорта, рекомендуемого для перевозки элементов крупнопанельных домов серим 125

Краткие указания по сварке стыков сборных элементов при монтаже крупнопанельных домов серии 125

Краткие указания по герметизации стыков крупнопанельных домов серии 125 (на основе СН 420-71)

Монтажные узлы

Детали заделки стыков наружных стеновых панелей (варианты)

Сопряжение наружных и внутренних стен.

Узлы сопряжения наружных и внутренних стен.

Сопряжение наружных и внутренних стен.

Сопряжение наружных и внутренних стен западающих лоджий.

Сопряжение фризовых панелей.

Детали опирания панелей перекрытия на внутренние стены.

Сопряжения внутренних стеновых панелей.

Узлы сопряжения внутренних стеновых панелей.

Сопряжения внутренних стеновых панелей.

Крепление панелей перекрытий.

Узлы и детали крыши.

Номенклатура и основные показатели металлических монтажных элементов серии 125

 

Технологические схемы монтажа типовых узлов Крупнопанельных домов серии 125 разработаны отделом проектирования и внедрения прогрессивной технологии строительства транспортных зданий ВПТИтрансстроя на основании тематического плана ВПТИтрансстроя на 1983 год, утвержденного Главным техническим управлением Минтрансстроя, тема, № 1.4.11.

Работа предназначена для инженерно-технических работников и бригадиров строительных организаций, ведущих строительство крупнопанельных домов серии 125 из изделий, выпускаемых заводами Минтрансстроя.

ПОЯСНИТЕЛЬНАЯ ЗАПИСКА

Технологические схемы монтажа типовых узлов предназначены для использования при строительстве пяти- и девятиэтажных крупнопанельных жилых домов серии 125, разработанных конструкторским бюро по железобетону Госстроя РСФСР и выпускаемых заводами Министерства транспортного строительства.

Работа содержит монтажные узлы типовых проектов жилых домов 111-125-8 и блок-секций 125-010, 011, 012 (5-эт.), 111-125-9 и 125-03, 04, 05 (9-эт.), предназначенных для строительства в IB, II (ПБ, В, Г), III (IIIA, В) климатических районах при расчетной зимней температуре наружного воздуха от -20 до -40°С, с обычными геологическими условиями. Строительство домов в особых условиях (в сейсмических районах, на просадочных и набухающих грунтах, в районах печной мерзлоты, на подрабатываемых территориях) должно выполняться с применением специальных конструкций и с учетом дополнительных требований, предусматриваемых в проектах. Использование данных технологических схем не исключает необходимости пользоваться при производстве работ полным комплектом привязанной к конкретному объекту рабочей документации, включая альбомы рабочих чертежей монтажных узлов и деталей.

1. КРАТКАЯ ХАРАКТЕРИСТИКА КОНСТРУКТИВНЫХ РЕШЕНИИ СЕРИИ 125

Конструктивная схема домов серии 125 решена с несущими поперечными стенами из крупных панелей с шагом 6,4 и 3,2 м. Ширина корпуса в осях 12,0 м. Наружные продольные и торцевые стены самонесущие. Фасады домов выполнены с западающими лоджиями.

Панели наружных стен полосовой (двухрядной) разрезки из ячеистого или легкого бетона, однослойные, толщиной 250, 300, 350, 400 мм. Панели внутренних стен - железобетонные плоские, толщиной 160 мм. Панели перекрытий - железобетонные многопустотные, толщиной 220 мм. Перегородки межкомнатные - гипсобетонные или керамзитобетонные панели, толщиной 80 мм, в санузлах - железобетонные, толщиной 50 мм. Общая пространственная жесткость и устойчивость здания обеспечивается совместной работой поперечных и продольных внутренних и наружных стеновых панелей и панелей перекрытий, образующих после замоноличивания стыков и швов жесткие диски.

Схемы объемно-планировочных решений типовых этажей блок-секций пяти- и девятиэтажных домов серии 125 приведены на листе 11.

Спецификация типовых проектов серии 125 дана в табл. 1.

Количество и параметры основных элементов типового этажа даны в табл. 4.

2. ОРГАНИЗАЦИЯ РАБОТ ПО МОНТАЖУ ЗДАНИЯ

Производство работ по монтажу крупнопанельного дома серии 125 должно отвечать требованиям СНиП III-1-76. Для организации работ, оперативного планирования, контроля и учета строительного производства на объекте должен быть разработан проект производства работ (ППР).

Проект производства работ разрабатывается на основе решений, принятых в утвержденном проекте организации строительства (ПОС). ППР содержит:

календарный план производства работ;

график поступления на объект конструкций, деталей и материалов или транспортно-монтажный график доставки деталей, применяемых при монтаже конструкций непосредственно с транспортных средств;

график движения рабочей силы;

строительные генеральные планы объекта на период сооружения подземной и надземной частей дома;

технологические карты на монтаж элементов здания. В технологических картах приводятся схемы организации монтажных работ, основные указания о последовательности и способах производства работ, графики выполнения работ, таблицы потребности в основных материально-технических ресурсах, механизмах и приспособлениях, калькуляция трудозатрат.

Проект производства работ должен предусматривать комплексную механизацию строительных работ, т. е. выполнение всех трудоемких процессов с использованием комплекта механизмов, взаимосвязанных по своим параметрам и производительности.

Выбор основного механизма - монтажного крана - производится при составлении ППР с учетом размера, веса и расположения в плане здания монтируемых конструкций, конфигурации и габаритов дома, темпов монтажа и особенностей условий строительства. При подборе крана сопоставляют высоту подъема крюка, вылет стрелы и грузоподъемность крана с соответствующими параметрами возводимого дома и его элементов. При этом:

требуемая высота подъема крюка определяется как сумма четырех величин: расстояния от головки рельса подкрановых путей до верхней отметки здания, максимального вертикального размера поднимаемого элемента, высоты грузозахватных устройств и наименьшей допустимой высоты перемещения низа элемента над монтажным уровнем;

требуемый вылет стрелы крана определяется с учетом необходимости полного обслуживания строящегося дома при обеспечении минимального безопасного расстояния от крана в любом его положении до выступающих конструкций дома;

требуемая грузоподъемность крана на соответствующем вылете стрелы должна обеспечивать установку наиболее тяжелых конструкций в проектное положение.

В табл. 2 приведен перечень кранов, рекомендуемых для монтажа блок-секций и домов серии 125.

Возведение подземной части дома выполняется после завершения всех предстроительных подготовительных работ, выполнения земляных работ по устройству котлована, закрепления разбивочных осей здания на обноске и выноса вертикальных отметок. К монтажу надземной части приступают после окончания монтажа подземной части и других работ нулевого цикла, а также постройки дорог для проезда вдоль монтируемого дома и подъездов от транспортных магистралей к местам приемки сборных элементов.

Для подъезда используются постоянные дороги. В случаях, когда постоянные дороги не могут обеспечить проезд панелевозов и других тяжелых транспортных средств по своим габаритам или по прочности покрытия, устраивают временные дороги из дорожных железобетонных плит по песчаному основанию. Для стоянки панелевозов под разгрузкой в зоне действия монтажного крана предусматривают разгрузочные площадки.

Обязательным условием поточного строительства является комплектная поставка на объект сборных элементов и материалов в установленной технологической последовательности и в сроки, определенные ППР.

В состав комплекта входят все конструкции и материалы, которые необходимо иметь на объекте для возведения части здания или выполнения определенного вида работ.

При одновременном строительстве нескольких зданий в квартале, микрорайоне рекомендуется вести монтаж конструкций с транспортных средств. При сооружении отдельного дома целесообразно монтировать с приобъектного склада. Примерные планы монтажной площадки для указанных случаев даны на листах 25, 26.

3. ОРГАНИЗАЦИЯ ТРУДА ПРИ МОНТАЖЕ

Монтажные работы должны выполняться комплексными бригадами во главе с бригадиром под техническим руководством мастера и производителя работ. Квалификация, права и обязанности руководителей работ определены «Положением о бригадире, мастере и производителе работ в строительстве», утвержденным Госстроем СССР.

До начала монтажа бригада должна быть ознакомлена с технологической последовательностью работ, определенной ППР и технологическими картами, и с проектной рабочей документацией - монтажными планами, фасадами, разрезами, узлами и деталями.

Численно-квалификационный состав бригады определяется с учетом объемов и трудоемкости работ. В комплексную монтажную бригаду входят монтажники, такелажники, сварщики, бетонщики, плотники, машинист монтажного крана. В бригаде формируются звенья, специализированные по монтажу конструкций, сварке стыков, заделке и герметизации швов. Для обеспечения выполнения всего комплекса работ бригада должна быть укомплектована специалистами, владеющими, кроме основной, смежными профессиями (плотник-бетонщик, монтажник-изолировщик стыков). Инструментом и приспособлениями для монтажа бригаду обеспечивает управление. Монтажный инструмент и приспособления закрепляются за бригадиром, который несет ответственность за его сохранность, эксплуатационную пригодность и своевременный ремонт.

Перечень средств малой механизации для монтажа надземной части домов серии 125, рассчитанный на бригаду монтажников численностью 24 человека, приведен в табл. 3.

4. ТРАНСПОРТИРОВКА, ПРИЕМКА И СКЛАДИРОВАНИЕ КОНСТРУКЦИЙ

Сборные элементы должны доставляться без перегрузки непосредственно на монтажную площадку или на приобъектный склад, расположенный в зоне действия монтажного крана. Перевозку конструкций следует производить с учетом основных требований:

положение элементов конструкций на транспортном средстве должно быть проектным или близким к проектному, за исключением длинномерных изделий, которые транспортируются в горизонтальном положении;

перевозимые конструкции следует опирать на подкладки в местах, обозначенных заводом, или у монтажных петель;

при многоярусной погрузке подкладки и прокладки должны располагаться по вертикали штабеля и иметь толщину, превышающую высоту монтажных петель или выступающих частей изделий;

малогабаритные и легковесные детали (перемычки, ступени, плиты парапета) должны грузиться в контейнерных пакетах;

для перевозки объемных сантехкабин, элементов шахт лифтов следует использовать специализированные транспортные средства (например, сантехкабиновоз ПЗ 1209).

В табл. 5 дан перечень автотранспорта, рекомендуемого для перевозки сборных элементов крупнопанельных домов серии 125.

При приемке поступающих на стройплощадку элементов необходимо иметь в виду следующее:

каждая партия доставляемых конструкций должна быть снабжена паспортом, в котором указываются наименование и реквизиты завода-изготовителя, наименование и марки (по проекту) элементов, дата изготовления, прочность бетона, номер контролера ОТК;

конструкции должны иметь ясно видимую несмываемую маркировку, клеймо ОТК, в необходимых случаях - осевые риски и отметки мест строповки;

элементы должны иметь установленную прочность, отделка лицевых поверхностей, ребер, кромок и углов должна исключать необходимость обработки их на стройплощадке.

При приемке сборных элементов должен осуществляться входной контроль их качества. При этом проверяются: соответствие проектным данным геометрических размеров изделия, расположения в нем закладных деталей, выпусков арматуры, проводок инженерных сетей; качество поверхностей, наличие и величина трещин, околов, других дефектов; качество отделочных покрытий. Отклонения фактических размеров от проектных не должны превышать величин, установленных ГОСТом. На отбракованные элементы составляется акт с участием представителей генподрядчика, завода, транспортной организации. Приобъектный склад сборных элементов должен быть оборудован приспособлениями для складирования. Панели внутренних и наружных стен, панели перегородок, вентблоки хранят в вертикальном или наклонном положении в кассетах или пирамидах. Фундаментные блоки, панели перекрытий, лестничные марши и площадки, балконные плиты хранят в штабелях в горизонтальном положении при высоте штабеля не более 2,5 м.

Элементы устанавливают или укладывают так, чтобы заводская маркировка была обращена в сторону проезда, при этом порядок расположения элементов на складе должен соответствовать технологической последовательности монтажа. Гипсобетонные панели перегородок необходимо предохранять от увлажнения, устраивая навесы или укрывая их щитами.

5. ГЕОДЕЗИЧЕСКИЕ РАБОТЫ ПРИ МОНТАЖЕ

Геодезические работы предшествуют, сопровождают и завершают монтаж крупнопанельного здания. Основные задачи геодезической службы приведены в «Положении о геодезическо-маркшейдерской службе в строительно-монтажных организациях» (М., Стройиздат, 1970 г.).

При монтаже надземной части дома выполняется комплекс геодезических работ по созданию планового и высотного обоснования на каждом этаже в соответствии с проектом производства геодезических работ (ППГР).

Перед началом монтажа конструкций надземной части дома определяют исходный монтажный горизонт на перекрытии над техподпольем, закрепляя его маяками. За монтажный горизонт принимается уровень, превышающий наивысшую отметку верха перекрытия не более чем на 10 мм при общей толщине горизонтального шва не более 30 мм.

На исходном горизонте в качестве базовых осей разбивают оси продольных и торцевых наружных стен и оси внутренних стен. Риски базовых осей наносят несмываемой краской на наружных поверхностях стен подземной части здания.

При определении горизонта и разбивке базовых осей опираются на постоянные репера и створные знаки, закрепленные на стройплощадке при разбивке здания.

Базовые оси и монтажные горизонты переносят на перекрытия монтируемых этажей по мере возведения здания. Точность разбивки проверяют, измеряя стальной рулеткой стороны и диагонали образованных осями прямоугольников; отклонение не должно превышать 1/5000 измеренного размера.

По окончании монтажа каждого этажа выполняется исполнительная геодезическая съемка и составляются исполнительные схемы положения стеновых панелей и панелей перекрытия, прилагаемые к актам поэтажной приемки смонтированных конструкций. Предельные отклонения смонтированных конструкций от проектного положения даны в пояснительной записке альбома, часть 1 типового проекта.

В случаях, когда отклонения отдельных элементов превышают допускаемые, вопрос об их приемке решается авторским надзором.

6. МОНТАЖ КОНСТРУКЦИЙ, ВЫПОЛНЕНИЕ СТЫКОВ И УЗЛОВ

Монтаж конструкций следует производить в строгом соответствии с указаниями, данными в проекте (альбомы, части 1 и 9), а также с требованиями СНиП III-16-80 и других действующих нормативных документов. Особое внимание при монтаже необходимо обращать на точность соблюдения проектных размеров монтируемой коробки здания, на качество сварных соединений узлов, их антикоррозийную защиту, качество выполнения замоноличиваемых узлов наружных и внутренних стен и перекрытий, качество герметизации швов.

Монтаж сборных элементов каждого вышележащего этажа может производиться только после выполнения всех сварных соединений и их антикоррозийной защиты, заполнения горизонтальных и вертикальных стыков и швов раствором, бетоном и герметизирующими прокладками, приемки этих работ, снятия кондукторов, струбцин и других временных связей, переноса на перекрытие монтажного горизонта и базовых осей, разбивки установочных рисок, подготовки монтажных приспособлений и размещения их на перекрытии.

Конструкция замоноличенных узлов наружных и внутренних стеновых панелей решена на петлевых выпусках с соединением скобами и заделкой бетоном на заполнителе мелких фракций.

Связь между внутренними конструкциями (стеновыми панелями, панелями перекрытий) осуществляется при помощи монтажных накладок, привариваемых к закладным деталям панелей.

Панели наружных и внутренних стен устанавливают на слой цементного раствора, который расстилают выше уровня маяков на 5 мм. Панели наружных стен в плане устанавливают в поперечном направлении с помощью шаблона, ориентированного по установочной риске, а в продольном - путем совмещения риски, определяющей середину панели, с риской на перекрытии, фиксирующей середину между осями внутренних поперечных стен.

Панели внутренних стен устанавливают в поперечном направлении с помощью шаблона, ориентированного по установочной риске, а в продольном направлении по риске, указывающей положение торца панели, удаленного от наружной стены.

Установленные панели выверяют по вертикали рейкой-отвесом и временно закрепляют. Снимать временные связи разрешается только после устройства постоянных связей по проекту.

При монтаже вентиляционных блоков необходимо точно совмещать каналы. Устанавливая сантехнические кабины, нужно следить за точностью совмещения канализационных и водопроводных стояков со стояками нижерасположенных кабин.

При монтаже лестничных маршей и площадок нужно обеспечить точное соблюдение проектных отметок опорных поверхностей и точное расположение элементов в плане. Монтаж лестничных маршей производится после полного закрепления площадок. Лестничный марш подают к месту установки в проектном положении с помощью специальных грузозахватных устройств. При монтаже марша вначале опускают его нижнюю часть, затем верхнюю.

По окончании монтажа элементов лестницы необходимо установить постоянные или временные ограждения.

Плиты лоджий и балконов монтируют после монтажа панелей перекрытия. Выверка их положения и устройство постоянных креплений производится без расстроповки.

После укладки панелей перекрытия выполняете: замоноличивание стыков наружных стеновых панелей. Проектом предусмотрены варианты герметизации этих стыков с применением пороизола на мастике «изол» или с помощью мастик: УМС-50, или мастики тиоколовой, наносимой по упругой основе из прокладок типа пороизола, гернита, просмоленного каната, пакли. Подробные указания по устройству замоноличенных вертикальных и горизонтальных стыков наружных стеновых панелей даны в проекте, часть 9.2 лист 1.

Выпуски арматуры в наружных стеновых пане лях, стальные закладные детали и детали крепления должны быть защищены от коррозии в соответствии с проектом и СНиП II-28-73.

7. ЗАМОНОЛИЧИВАНИЕ СТЫКОВ И ШВОВ В ЗИМНИХ УСЛОВИЯХ

При производстве работ в зимних условиях необходимо руководствоваться указаниями, данными в проекте, в СНиП III-15-80 и в «Руководстве по возведению каменных и полносборных конструкций зданий в зимних условиях» ЦНИИСК Госстроя СССР.

Нормальное твердение уложенного в стыки бетона или раствора при отрицательных температурах может быть обеспечено путем термообработки или введения в бетонную (растворную) смесь противоморозных добавок. Для транспортировки бетонных и растворных смесей следует использовать автосамосвалы с подогреваемыми кузовами или специальные утепленные кузова с крышками. Тара для подачи смеси к месту укладки также должна быть утеплена. Отогревание замерзшего бетона или раствора не допускается.

В качестве противоморозных добавок в стыках, имеющих стальные закладные детали и арматуру, следует использовать поташ или нитрит натрия. Применение хлористых солей запрещено. Количество противоморозных добавок назначается в зависимости от ожидаемой отрицательной температуры бетона при его выдерживании в первые 15 суток после замоноличивания стыка.

Обогрев бетона в полости стыка с целью ускорения его твердения может быть осуществлен с помощью нагревательных устройств, к которым относятся установки инфракрасного излучения, электрокассеты, греющие опалубки, а также с помощью электропрогрева.

Для обеспечения требуемой надежности конструкций при строительстве крупнопанельных домов серии 125 в зимнее время в условиях отрицательных температур должен осуществляться систематический контроль (лабораторный) за величиной фактической прочности бетона и раствора в стыках и швах. В случае выявления при проверке недостаточной прочности должны приниматься меры по временному усилению конструкций на период оттаивания.

8. ТЕХНИКА БЕЗОПАСНОСТИ ПРИ МОНТАЖЕ

При монтаже необходимо обеспечивать безопасные условия труда в соответствии со СНиП III-4-80.

Территория строительно-монтажной площадки должна быть ограждена, в темное время суток освещена. Проезды, проходы, подкрановые пути, разгрузочные площадки необходимо постоянно очищать от мусора и грязи, в зимнее время- от снега и льда.

На границах опасных зон должны быть установлены предупреждающие знаки и надписи, хорошо видимые в дневное и ночное время. Границы зон должны находиться на расстоянии от мест возможного положения поднятого груза для 5-этажных домов в 7 м, для 9-этажных - в 10 м.

К монтажным работам допускаются лица не моложе 18 лет, прошедшие обучение, общий инструктаж и инструктаж на рабочем месте по технике безопасности.

Рабочие должны иметь каски и предохранительные пояса.

Не допускается нахождение людей и выполнение работ под поднимаемым грузом, ведение работ в нижних этажах здания на тех захватках, где работает кран. Не разрешается укладка инструментов и приспособлений на грани стеновых панелей или у краев перекрытий. По окончании монтажа опасные зоны (лестничные марши и площадки, проемы лифтовых шахт и т. п.) должны быть ограждены. У края перекрытий на время отсутствия стеновых панелей должно быть установлено инвентарное металлическое ограждение.

Руководители работ, ответственные за обеспечение безопасных условий труда, обязаны принимать меры по предотвращению несчастных случаев, обращая особое внимание на соблюдение правил выполнения работ монтажниками и такелажниками.

Схемы планов типовых блок-секций

Спецификация типовых проектов серии 125

Таблица 1

Шифр типового проекта

Наименование проекта

Количество и типы квартир, мест

Этажность

Площадь, кв. м

Габаритные размеры осевые, м

жилая

приведенная общая

длина

ширина

высота

Блок-секции жилых домов

125-03

Рядовая

36 (2Б-3Б)

9

1202

2102

25,6

12,0

27,0

125-

04

Торцевая

левая

36 (1Б-2Б-3Б)

9

1013

1823

22,4

12,0

27,0

05

правая

125-025

С магазином

34 (1Б-2Б-3Б)

9

967

1736

22,4

12,0

27,0

Общежития

161-125-31/1

Общежитие

628 на 3, 4, 12 чел.

9

3839

7952

92,8

13,6 (28,7) 13,6

30,5

125-

039/1

Б/с общежития

192 на 12 чел.

9

1154

2206

25,6

29,7

040/1

125-041/1

Б/с общежития

204 на 12 чел.

9

1226

2162

25,6

13,6

29,7

125-042/1

Б/с общежития

244 на 3, 4 чел.

9

1576

3157

38,4

13,6

29,7

Дома-представители

111-125-2

6-секционный

216(1-2-3-4)

9

7360

12248

147,2

12,0

27,0

111-125-9

6-секционный

216 (1Б-2Б-ЗБ)

9

6816

12002

147,2

12,0

28,6

Блок-секции жилых домов

125-010

Рядовая

30 (1Б-2Б-ЗА)

5

832

1479

32,0

12,0

15,8

125-

011

Торцевая

левая

15 (1Б-2Б-4А)

5

472

792

16,0

12,0

15,8

012

правая

125-024

С магазином

13 (1Б-2Б-ЗБ-4А)

5

424

710

16,0

12,0

15,8

Общежития

161-125-7

Общежитие

400 на 5 и 10 чел.

5

2355

3875

70,4

13,6(21,2)

15,8

161-125-33/1

Общежитие

400 для студентов

5

2403

4756

78,4

13,6(40,6)

17,8

161-125-34/1

Общежитие

400 для рабочих и служащих

5

2450

5629

104,0

13,6(43,9)

17,8

Дома-представители

111-125-1

6-секционный

79 (1-2-3-4)

5

2551

4265

96,0

10,8

16,0

111-125-8

6-секционный

89 (1Б-2Б-ЗА-4Б)

5

2600

4492

96,0

12,0

16,0

Примечание. В табл. 1 даны типовые проекты блок-секций, общежитий и домов-представителей серии 125, предназначенных для строительства в IB, II (IIБ, В, Г) и III (IIIA, В) климатических районах при расчетной зимней температуре от -20° до -40°С, с обычными геологическими условиями и сейсмичностью не более 6 баллов, действующие на 1 сентября 1983 г.


Краны, рекомендуемые для монтажа блок-секций и домов серии 125

Таблица 2

Шифр типового проекта

Этажность

Максимальная ширина здания, м

Максимальная масса монтажного элемента, т

Марка крана

Техническая характеристика

Грузоподъемность, т

Вылет стрелы, м

Высота подъема крюка, м

Колея, м

Минимальный радиус закругления пути, м

Масса крана, т

при наибольшем вылете стрелы

максимальная

наибольший

при максимальной грузоподъемности

наименьший

при максимальном вылете

при минимальном вылете

125-03

 

12,0

 

КБ-160.4

6,0

8,0

25,0

20,0

13,0

29,3

43,8

6,0

7,0

78,7

125-04

 

12,0

 

МСК-10-20

10,0

10,0

20,0

20,0

10,0

36,0

46,0

6,5

7,0

80,0

125-05

9

12,0

6,2

КБ-405

4,9

8,0

30,0

20,0

15,0

25,0

42,0

6,0

7,0

106,0

111-125-2

 

12,0

 

КБ-160.2

6,0

8,0

25,0

20,0

13,0

29,3

43,8

6.0

7,0

78,0

111-125-9

 

12,0

 

 

 

 

 

 

 

 

 

 

 

 

125-010

 

12,0

 

 

 

 

 

 

 

 

 

 

 

 

125-011

 

12,0

 

МСК-8-20

8,0

8,0

20,0

20,0

10,0

28,0

39,0

5,5

9,0

57,7

125-012

5

12,0

6,0

КБ-160.2

6,0

8,0

25,0

20,0

13,0

23,7

38,7

6,0

7,0

78,0

111-125-1

 

10,8

 

КБ-160.4

6,0

8,0

25,0

20,0

13,0

23,7

38,7

6,0

7,0

78,7

111-125-8

 

12,0

 

 

 

 

 

 

 

 

 

 

 

 


Перечень средств малой механизации - оборудования, инвентаря, приспособлений и инструмента - для производства монтажных работ при строительстве

Таблица 3

Наименование средств малой механизации

Тип, марка, ГОСТ

Количество в нормокомплекте, шт.

Организация-разработчик технической документации, № рабочих чертежей

Установка для приема товарного раствора

УПТР-2Т

1

СКБ Мосстроя Главмосстроя

Термостат для подогрева гильз с мастикой.

-

1

ЦНИИОМТП Госстроя СССР, р. ч. № 3.295.05.000

Установка для набивки гильз мастиками

УМС-50

1

ЦНИИОМТП Госстроя СССР, р. ч. № 1484.00.000

Инструментально-раздаточная мастерская на базе вагона 0П-6АМ

-

1

ПКБ Главстроймеханизации, р. ч. № 2619-00000-00

Сварочный трансформатор

ТС-500

1

Покупное изделие

Компрессор передвижной

СО-7А

1

То же

Люлька навесная

ЛЭ-100-300

1

ЦНИИОМТП Госстроя СССР

Преобразователь частоты тока

ИЭ-9401

2

Покупное изделие

Оснастка и инвентарь

Склад-пирамида

 

4

ЦНИИОМТП Госстроя СССР, р. ч. № 3.348.01.000

Подкос длиной 1300-2190 мм

 

12

КБ по железобетону Госстроя РСФСР, р. ч. № 1146-01-000

Подкос длиной 3600-5000 мм

 

12

КБ по железобетону Госстроя РСФСР, р. ч. № 1146-02-00

Подкос длиной 4200 мм

 

12

КБ по железобетону Госстроя РСФСР, р. ч. № 1146-03-00

Подкос длиной 1918-2505 мм

 

12

КБ по железобетону Госстроя РСФСР, р. ч. № 324-00-00-00

Подкос длиной 2505-3500 мм

 

12

КБ по железобетону Госстроя РСФСР, р. ч. № 321-00-00-00

Подкос длиной 2505-3500 (1918) мм

 

12

КБ по железобетону Госстроя РСФСР, р. ч. № МП-06-00-00

Стойка высотой 900 мм для крепления перегородок

 

6

КБ по железобетону Госстроя РСФСР, р. ч. № МП-08-00-00

Стойка высотой 1600 мм для крепления перегородок

 

6

КБ по железобетону Госстроя РСФСР, р. ч. № МП-08-00-00

Приспособление для крепления перегородок

 

6

Трест «Оргтехстрой» Главсредуралстрой, шифр КП 1.00.00

Опалубка угловая инвентарная

 

6

КБ по железобетону Госстроя РСФСР, р. ч. № МП-16-00-00

Строп двухветвевой

 

2

КБ по железобетону Госстроя РСФСР, р. ч. № МП-39-00-00

Строп четырехветвевой

 

2

КБ по железобетону Госстроя РСФСР, р. ч. № МП-50-00-00

Траверса балансирная для подъема изделий

 

1

КБ по железобетону Госстроя РСФСР, р. ч. № МП-23-00-00

Универсальная траверса с дистанционной отцепкой крюков

 

1

Трест «Мосоргстрой» Главмосстроя, р. ч. № 4047-К

Траверса для монтажа санитарно-технических кабин

 

1

ЦНИИОМТП Госстроя СССР, р. ч. № 3.241.25.000

Приспособление для монтажа лестничных маршей

 

1

Трест «Оргтехстрой» Главсредуралстроя Минтяжстроя СССР, шифр Л-00-00

Траверса для монтажа шахт лифтов

 

1

ЦНИИОМТП Госстроя СССР, р. ч. № 3.297.10.000

Площадка передвижная

 

2

ЦНИИОМТП Госстроя СССР, р. ч. № 3.294.21.000 (3.294.22.000)

Площадка навесная

 

2

ЦНИИОМТП Госстроя СССР, р. ч. № 3.295.06.000

Лестница

 

4

ЦНИИОМТП Госстроя СССР, р. ч. № 3.257.02.000 (3.257.03.000)

Столик складной двухвысотный

 

2

Управление механизации отделочных работ Главмосстроя

Столик универсальный

 

2

ЦНИИОМТП Госстроя СССР, р. ч. № 3.241.08.000

Мачта прожекторная

 

2

ЦНИИОМТП Госстроя СССР, р. ч. № 3.294.54.000

Ящик для раствора

 

4

Трест «Оргтехстрой» Главсредуралстроя Минтяжстроя СССР, шифр Л-00-00

Контейнер для раствора

 

4

ЦНИИОМТП Госстроя СССР, р. ч. № 3.293.15.000

Временное ограждение лестничных маршей

 

20

Трест «Мособлоргтехстрой» Главмособлтехстроя, р. ч. № 457-0-0-0

Бачок для подноски мастики

 

2

Управление механизации отделочных работ Главмосстроя, р. ч. № 806-00-00

Механизированный инструмент

Вибратор ручной глубинный с гибким валом

ИВ-56

4

Покупное изделие

Горелка газовая в комплекте с баллоном и редуктором

ГПС-16

2

ЦНИИОМТП Госстроя СССР, р. ч. № 808.00.000

Пневмошприц

 

 

ЦНИИОМТП Госстроя СССР, р. ч. № 1520.00.000

Ручной инструмент

Кельма

Типа Б, ГОСТ 9533-81

8

Покупное изделие

Молоток-кирочка

МКП ГОСТ 11042-83

2

То же

Лом монтажный

ЛМ-20 ГОСТ 1405-83

4

»

Расшивка стальная

ЛЛ-28А ГОСТ 12803-76

5

Покупное изделие

Лопата стальная растворная

ЛР ГОСТ 3620-76

8

То же

Кувалда кузнечная тупоносая массой 3 кг (массой 5 кг)

ГОСТ 11401-75*

7

»

Молоток слесарный

А-5 ГОСТ 2310-77

2

»

Щетка стальная

-

2

»

Ключ разводной

ГОСТ 7275-75

2

»

Пила-ножовка

ТУ 25-06-642-000

3

»

Заправщик жгутовых материалов

 

4

ЦНИИОМТП Госстроя СССР, р. ч. № 762.02.000

Материалы

Рукав Б-10 диаметром 12 мм

ГОСТ 18698-79*

100 м

Покупное изделие

Канат пеньковый диаметром 8 мм

ГОСТ 483-75*

50 м

То же

Кабель КРПТ 3´6+1´4

ГОСТ 13497-77*Е

150 м

»

Кабель КРПТ 3´16+1´10

ГОСТ 13497-77*Е

30 м

»

Кабель КРПТ 2´1

ГОСТ 13497-77*Е

140 м

»

Индивидуальные средства защиты

Пояс предохранительный

ГОСТ 5718-77*

8

Покупное изделие

Каска винипластовая

ГОСТ 12.4.087-84

24

То же

Щиток сварщика

ГОСТ 12.4.035-78

3

»

Перчатки резиновые технические

ГОСТ 20010-74*

3

»

Контрольно-измерительные приборы

Теодолит ТБ-1 в комплекте с треногой

ГОСТ 10529-79

1

Покупное изделие

Нивелир НВ-1 в комплекте с треногой

ГОСТ 10528-76*

1

То же

Нивелирная рейка

ГОСТ 11158-76*

1

»

Рейка навесная с уровнем

 

2

ЦНИИОМТП Госстроя СССР, р. ч. № 3.295.20.000

Угольник стальной 500´240

Нормаль 7-55

1

Главстальконструкция Минспецмонтажстроя СССР

Рейка с отвесом

 

1

ЦНИИОМТП Госстроя СССР, р. ч. № 3.295.03.000

Шаблон для установки низа стеновых панелей по рискам

 

3

ЦНИИОМТП Госстроя СССР, р. ч. № 3.295.02.000

Шаблон для разбивки рисок

 

3

ЦНИИОМТП Госстроя СССР, р. ч. № 3.295.01.000

Отвес 0-600

ГОСТ 7948-80

2

Покупное изделие

Чертилка для разметки

Нормаль 1-55

1

То же

Рулетка РС-20

ГОСТ 7502-«0

2

»

Метр складной металлический

ТУ 2-12-156-76

2

»

Примечания. Нормокомплект для монтажных работ разработан ВПТИтрансстроем для бригад, занятых на строительстве надземной части жилых домов серии 125, элементы конструкций которой изготавливают заводы ЖБК Минтрансстроя, и рассчитан на бригаду монтажников численностью 24 человека.

Рабочую документацию поставляет ПКБ Главстроймеханизации Минтрансстроя по заявкам организаций.

Оборудование, инструмент и инвентарь могут заменяться равнозначными по характеристикам.

Количество и параметры основных элементов типового этажа крупнопанельных домов серии 125

Таблица 4

Наименование элементов

Габаритные размеры, мм

Максимальный вес, кг

Количество, шт., на типовой этаж

длина

ширина

высота

111-125-8

111-125-9

Наружные стеновые панели из ячеистого или легкого бетона

6390

250, 300 (ячеистый), 300, 350, 400 (легкий)

1380

Из ячеистого бетона: 1805 (250) 2270 (300)

Из легкого бетона: 2920 (300) 3290 (350) 3690 (400)

16

24

6300

1380

10

4

6200

1380

2

-

5150

1380

-

5

4500

1380

4

1

3920

1380

2

4

3850

1380

6

5

3190

1380

6

35

3100

1380

6

10

2580

1380

4

8

1940

1380

2

22

1300

1380

28

22

645

1380

12

12

1180

2780

16

10

Внутренние стеновые панели

5930

160

2540

6000

20

54

4730

160

2540

8

6

3180

160

2540

6

28

2930

160

2540

-

2

1360

160

2540

-

14

1180

160

2540

6

6

5930

160

2780

12

12

3350

240

2780

6

6

Панели перекрытий многопустотные

6380

2390

220

4820

44

48

6380

1190

220

28

24

3180

2390

220

12

66

3180

1190

220

6

58

Вентблок

880

300

2780

800

36

48

Элементы лестниц

2741

1200

254

1700

12

12

3020

1780

320

1750

12

12

Элементы сантехкабин

2730

1600

80

625

12

22

2080

1820

80

6

2

2670

50

2450

12

22

2080

50

2450

10

4

1760

50

2450

6

4

1710

50

2450

2

-

1540

50

2450

24

44

1280

50

2450

12

22

Элементы балконов

3510

950

260

1060

8

24

950

50

2360

6

20

910

50

2640

-

2

Перегородки гипсобетонные и керамзитобетонные

470

80

2530

Из керамзитобетона 1410

Из гипсобетона 1300

2

2

620

80

2530

8

54

1600

80

2530

12

12

1860

80

2530

6

-

2140

80

2530

-

10

2510

80

2530

2

-

2860

80

2530

-

11

2930

80

2530

4

 

3360

80

2530

4

24

3900

80

2530

2

20

4030

80

2530

8

-

4070

80

2530

12

-

4100

80

2530

6

-

4230

80

2530

4

-

4300

80

2530

-

10

5000

80

2530

-

11

5400

80

2530

2

-

5900

80

2530

-

2

Шахта лифта

1860

1710

2780

3450

-

6

Объемные сантехкабины (вариант)

2080

1820

2530

2800 (без оборудования)

3000 (без оборудования)

-

3

2080

1820

2480

6

-

2730

1600

2530

12

21

2730

1600

2480

 

 

Перечень автотранспорта, рекомендуемого для перевозки элементов крупнопанельных домов серим 125

Таблица 5

Основные параметры

Марка панелевоза для элементов, транспортируемых в вертикальном положении (стеновых панелей, перегородок, вентблоков и др.)

УПП 2008

УПП 1207

ПЗ 1209

УПП 0907

УПП 2112

УПП 1208

НАМИ 790

Грузоподъемность, т

19,5

12,0

11,6

7,0

20,0

12,0

12,0

Масса с грузом, т

30,0

17,8

17,8

10,4

30,0

17,8

20,8

Габаритные размеры, мм:

 

 

 

 

 

 

 

длина

16360

11800

14300

10486

12670

12130

6500

ширина

2500

2500

2500

2500

2500

2500

630´2

высота

3100

3050

2260

2990

-

600

690

Длина автопоезда, м

21,235

15,81

18,31

-

17,235

16,11

14,40

Марка тягача

КрАЗ-258

МАЗ-504А

МАЗ-504А

ЗИЛ-130В1

КрАЗ-258

МАЗ-504А

МАЗ-504Г

Основные параметры

Марка панелевоза для элементов, транспортируемых в горизонтальном положении (лестничных маршей и площадок, балконных плит и др.)

УПР 1212

ПК 2021

УПЛ 0906

УПЛ 1412

ЗИЛ-130

ЗИЛ-130Г

КамАЗ-5320

Грузоподъемность, т

12,0

19,0

9,0

14,0

5,0

5,0

8,0

Масса с грузом, т

17,8

30,0

12,4

19,1

-

-

15,3

Габаритные размеры, мм:

 

 

 

 

 

 

 

длина

12685

21110

6320

12200

3752

4686

7435

ширина

3310

2500

2500

3300

2326

2326

2500

высота

3150

2595

-

2750

-

-

3350

Длина автопоезда, м

-

-

9,843

15,8

-

-

-

Марка тягача

МАЗ-504А

КрАЗ-258

ЗИЛ-130В1

КамАЗ-3410

-

-

-

Примерный план монтажной площадки при монтаже с транспортных средств:
1-кран башенный; 2-подкрановые пути; 3-полуприцеп-панелевоз; 4-тягач-панелевоз; 5-временная дорога; 6-разгрузочная площадка; 7-контора прораба; 8-гардероб и помещение для приема пищи; 9-уборная; 10-склад инвентаря и инструментов; 11-склад-мастерская для специальных работ; 12-навес для сантехнических материалов и заготовок; 13-навес для столярных изделий; 14-будка монтажников; 15-светильники; 16-прожекторная мачта; 17-открытая площадка для складирования элементов; 18-площадка для приемки раствора; 19-граница зоны работы крана

Примерный план монтажной площадки при монтаже со склада:
1-кран башенный; 2-подкрановые пути; 3-полуприцеп-панелевоз; 4-тягач; 5-временная дорога; 6-разгрузочная площадка; 7-контора; 8-бытовки; 9-уборная; 10-склад инвентаря и инструментов; 11-склад-мастерская; 12-навес для сантехнических материалов и заготовок; 13-навес для столярных изделий; 14-будка монтажников; 15-светильники; 16-прожекторная мачта; 17-открытая площадка для складирования элементов; 18-прием раствора; 19-граница зоны работы крана; склады панелей: 20-внутренних стен; 21-перекрытий; 22-наружных стен; 23-электропанелей и вентблоков; 24-стен лоджий; 25, 26-перегородок квартир и санузлов; 27-автокран

Краткие указания по сварке стыков сборных элементов при монтаже крупнопанельных домов серии 125

Электросварку закладных деталей в стыках сборных железобетонных элементов крупнопанельных домов следует выполнять в соответствии с указаниями, данными в рабочей документации привязанного проекта, а также с требованиями СНиП III-16-80, СНиП III-4-80 и других действующих нормативных документов по сварочным работам.

К работам по сварке закладных деталей допускаются сварщики, прошедшие специальное обучение и сдавшие экзамен. Сварщики должны иметь удостоверения, устанавливающие их квалификацию и характер работ, к которым они допущены. Выполнение сварных соединений осуществляется под руководством лица, имеющего специальную подготовку по производству сварочных работ.

Сварщик должен иметь индивидуальное оснащение: электрододержатель (ГОСТ 14651-78*Е), стальные щетки, зубило, молоток с одним концом в виде зубила, светофильтры, щиток или маску, защитные прозрачные стекла и спецодежду.

В процессе монтажа крупнопанельных домов применяется в основном дуговая ручная сварка протяженными однослойными и многослойными швами. Для дуговой сварки закладных деталей используют электроды с качественными покрытиями. Тип и марка электродов (ГОСТ 9466-75 и 9467-75) принимается согласно указаниям в рабочей документации, ППР и технологических картах и удостоверяется паспортами или сертификатами заводов-поставщиков. После длительного хранения или в случае увлажнения электроды перед сваркой необходимо прокалить в электрической печи.

В качестве источника сварочного тока в нормокомплекте, разработанном для производства монтажных работ по домам серии 125, предусмотрен сварочный трансформатор ТС-500.

Наружные поверхности и кромки закладных деталей, подлежащие сварке, должны быть очищены от наплывов бетона и раствора, от ржавчины, грязи, пятен масла и краски, в зимнее время - от льда и снега. Сварочное оборудование, рабочее место сварщика, а также свариваемые соединения должны быть защищены от дождя, снега, ветра и хорошо освещены дневным или искусственным светом.

Собранные на монтаже узлы железобетонных элементов крупнопанельного дома скрепляются при помощи прихваток. Прихватки должны выполняться электродами с теми же покрытиями, которые предусмотрены для сварки рабочими швами, но меньшего диаметра. Прихватки имеют длину сварного шва 20-25 мм, высоту шва 4-5 мм. Прихватки размещают в пределах расположения рабочих швов и при сварке переплавляют.

Швы накладывают после зачистки ранее сделанных прихваток от шлака и брызг металла.

Сварные швы должны иметь гладкочешуйчатую поверхность без наплывов и плавный переход к основному металлу. Наплавленный металл должен быть плотным, однородным по всей длине шва, без трещин и кратеров. При сварке закладных деталей допускаются поры - не более 3 шт. диаметром до 2 мм на длину шва в 100 мм при расстоянии между ними не менее 10 мм и шлаковые включения - протяженностью не более 10 мм на длине 100 мм.

Отклонения размеров сварных соединений от проектных и смещение осей стержневых накладок в стыках не должны превышать допусков, установленных в нормативных документах. Применение непроектных стальных накладок и связей, устройство не предусмотренных чертежами подкладок или вставок между свариваемыми деталями, замена типа и марки электродов допускаются только по согласованию с привязавшей проект организацией.

Сварка каждого стыка фиксируется в журнале сварочных работ. К журналу прикладываются чертежи или схемы узлов с указанием номеров сварных швов. По окончании сварки на каждом стыке сварщик должен поставить присвоенное ему клеймо. Клеймо ставится на усилении шва или на нерасчетных деталях соединения.

Законченные сварные соединения должны быть покрыты антикоррозийным составом по проекту.

При отрицательной температуре наружного воздуха сварку разрешается производить с соблюдением обычной технологии, но при повышенном сварочном токе. Ток повышают на 1% при падении температуры на каждые 2,5-3°С. Дуговая сварка соединений элементов из сталей группы марок Ст.3 и класса А-1 допускается при температуре не ниже -30°С.

При контроле и приемке сварных соединений должен производиться внешний осмотр и обмеры всех соединений. Осмотр выполняется при помощи лупы 5-кратного увеличения. Размеры сварных соединений должны измеряться с точностью до 0,5 мм. По требованию технического или авторского надзора на дефектных участках, выявленных внешним осмотром, выполняется засверливание швов с последующим травлением для обнаружения внутренних дефектов (непровара, пор, шлаковых включений, трещин).

Сварные соединения должны удовлетворять требованиям ГОСТ 10922-75. Если в результате внешнего осмотра, обмера и механических испытаний сварных соединений хотя бы одно сварное соединение не будет соответствовать указанному ГОСТу, производят повторную проверку удвоенного количества соединений. Если при повторной проверке хотя бы одно сварное соединение не будет соответствовать требованиям ГОСТ 10922-75, все сварные соединения в стыках подлежат усилению по согласованию с проектной организацией.

Текущий контроль качества выполнения сварных соединений, а также качества материалов, оборудования и инструментов, используемых при производстве сварных работ, должны осуществлять инженерно-технические работники, непосредственно руководящие этими работами, с привлечением строительной лаборатории. Приемочный контроль должен осуществлять технический надзор заказчика с участием представителя авторского надзора.

Краткие указания по герметизации стыков крупнопанельных домов серии 125 (на основе СН 420-71)

При производстве работ по герметизации стыков должны соблюдаться указания, данные в рабочей документации проекта дома серии 125, а также требования СНиП III-16-80 и СНиП III-4-80.

Поверхности конструкций, образующих стык, в момент герметизации должны быть в воздушно-сухом состоянии (при влажности бетона не более 4%), очищены от наплывов раствора, от пыли, в зимнее время - от снега и наледей. Увлажненные поверхности необходимо высушить горячим воздухом от калориферов или газом горелок.

При герметизации стыков необходимо руководствоваться следующими основными правилами.

1. Герметизация уплотняющими прокладками:

в качестве уплотняющих прокладок могут быть применены пороизол и гернит, представляющие собой эластичные жгуты из пористого материала;

уплотняющая прокладка пороизол применяется в сочетании с мастикой «изол», гернит - с мастикой «КН»;

толщина прокладки должна быть на 30-40% больше ширины стыка;

в горизонтальных стыках поверхности стеновых панелей, на которые укладывается прокладка, грунтуют мастикой, подсушивают ее в течение 15-20 минут, затем приклеивают прокладку и также покрывают ее мастикой. После этого устанавливают монтажные подкладки, фиксирующие размер шва, расстилают раствор и монтируют верхние стеновые панели;

в вертикальных стыках, после их замоноличивания бетоном, грунтуют мастикой поверхности стыка, к которым примыкает прокладка, затем с помощью ролика закатывают прокладку в стык;

при укладке прокладок в горизонтальные стыки и закатке в вертикальные стыки не допускается натягивание прокладок;

в местах пересечения вертикальная прокладка должна быть снаружи;

прокладки устанавливаются без разрывов, в местах соединений их склеивают «на ус» мастикой. Места соединений должны отстоять от мест пересечений не менее чем на 0,5 м;

установленные прокладки снаружи покрывают слоем мастики и защищают, заполняя швы раствором;

герметизацию стыков рекомендуется производить при температуре не ниже -20°С.

2. Герметизация нетвердеющей мастикой УМС-50:

мастика УМС-50 (ГОСТ 14791-79) должна подаваться к рабочему месту в гильзах в разогретом состоянии;

заполнение стыков разогретой мастикой производится по упору, образованному в вертикальных стыках конопаткой (паклей, просмоленным канатом), в горизонтальных стыках - границей слоя цементного раствора, образованной с помощью фиксирующего шаблона, устанавливаемого при монтаже;

мастика выдавливается и швы с наружной стороны дома с помощью пневмошприца. Мастичный валик не должен иметь разрывов и наплывов;

мастика, уложенная в стык, должна быть сразу же разглажена и прижата к стыкуемым поверхностям стальной или деревянной расшивкой;

после укладки мастику защищают путем заполнения с наружной стороны швов раствором;

герметизацию стыков мастикой УМС-50 рекомендуется выполнять при температуре не ниже -20°С.

3. Герметизация вулканизирующимися мастиками У-30м и ГС-1:

вулканизирующиеся мастики приготовляются на месте работ;

тиоколовая мастика У-30м (ГОСТ 13489-79) приготавливается путем смешивания пасты У-30 с пастой № 9, ускорителем вулканизации ДФТ и разжижителем Р-5;

тиоколовая мастика ГС-1 приготавливается путем смешивания герметизирующей пасты Г-1 с отверждающей пастой Б-1;

мастику У-30м следует использовать в течение 1,5-2 часов после приготовления, мастику ГС-1 - непосредственно после приготовления;

тиоколовые мастики наносят по упругим прокладкам из пороизола, гернита; допускается применение просмоленного каната. Нанесение мастик на подоснову из цементного раствора не допускается;

мастику вводят в стыки с помощью пневмошприца или шпателя. Толщина слоя мастики 2-3 мм.

Мастичная пленка должна покрывать поверхность панелей с обеих сторон стыка не менее чем на 20 мм на каждой панели.

Контроль качества работ по герметизации стыков следует осуществлять путем проверки качества подготовки поверхностей под герметизацию, толщины слоя и непрерывности наносимого герметика, правильности дозировки мастик, плотности примыкания прокладок и мастик к стыкуемым поверхностям, величины адгезии (сцепления) мастики.

Монтажные узлы

Детали заделки стыков наружных стеновых панелей (варианты)

Сопряжение наружных и внутренних стен.

Узел 1/3

Узел 2/3

Узел 1/4и

Узел 2/4 и

Узел 3/4и

Узел 4/4и

Узлы сопряжения наружных и внутренних стен.

Узел 1/5

Узел 2/5

Узел 3/5

Сопряжение наружных и внутренних стен.

Узел 1/6

Узел 2/6

Узел 3/6

Узел 4/6

Узел 5/6

Узел 6/6

Узел 1/7и

Узел 2/7и

Узел 3/7и

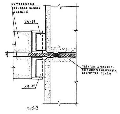
Сопряжение наружных и внутренних стен западающих лоджий.

Узел 1/8

Узел 2/8

Узел 3/8

Узел 4/8

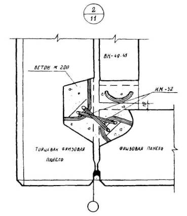
Сопряжение фризовых панелей.

Узел 1/11

Узел 2/11

Узел 3/11

Узел 4/11

Детали опирания панелей перекрытия на внутренние стены.

Узел 1/12

Узел 2/12

Узел 3/12

Узел 4/12

Узел 5/12

Сопряжения внутренних стеновых панелей.

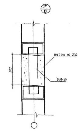
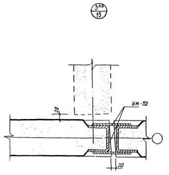
Узел 1АБ/13

Узел 1В/13

Узел 2АБ/13

Узел 2В/13

Узел 3АБ/13

Узел 3B/13

Узел 4АБ/13

Узел 4В/13

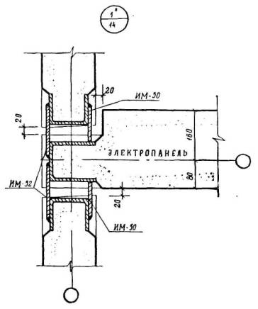
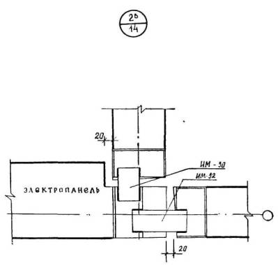
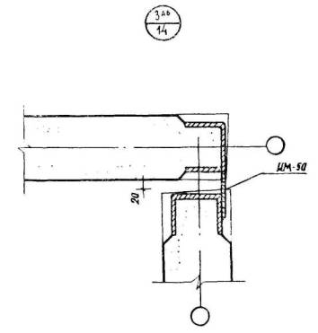
Узел 1Б/14

Узел 1В/14

Узлы сопряжения внутренних стеновых панелей.

Узел 2АБ/14

Узел 2В/14

Сопряжения внутренних стеновых панелей.

Узел 3АБ/14

Узел 3В/14

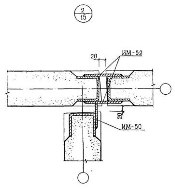
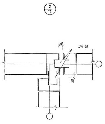
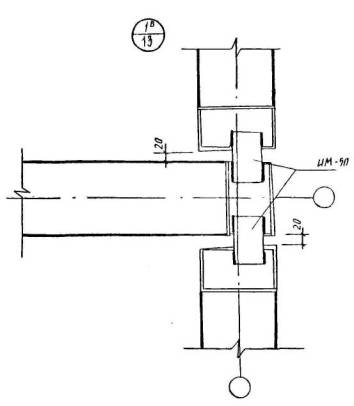
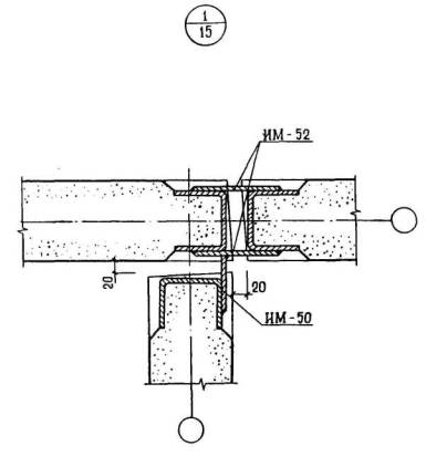
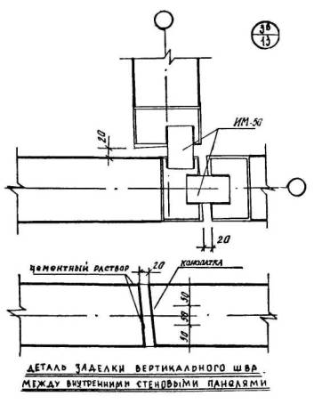
Узел 1/15

Узел 1Б/15

Узел 1В/15 (разрез)

Узел 2/15

Узел 2/15

Узел 1АБ/16

Узел 1В/16

Узел 2АБ/16

Узел 2В/16

Узел 3АБ/16

Узел 3В/16

Крепление панелей перекрытий.

Узел 1/17

Узел 2/17

Узел 3/17

Узел 4/17

Узел 1/18

Узел 2/18

Узел 3/18

Узел 4/18

Узел 5/18

Узел 1/19и

Узел 2/19и

Узел 3/19и

Узел 4/19и

Узел -/19и

Узел 1/20

Узел 2/20

Узел 3/20

Узел 4/20

Узел 5/20

Узлы и детали крыши.

Узел 1/39

Узлы А и Б (1/39)

Узел 2/39

Узел 3/39

Узел 4/39

Узел 5/39

Узел 1/42

Узел 2/42

Узел 3/42

Узел 4/42

Узел 5/42

Номенклатура и основные показатели металлических монтажных элементов серии 125

Таблица 6

Марка

Эскиз

Размеры элемента, мм

Вес марки, кг

а

в

с

ИМ-31

ИМ-32

ИМ-49

100

100

100

120

160

200

Æ 12А-1

Æ 12А-1

Æ 12А-1

0,28

0,32

0,36

ИМ-33

ИМ-37

130

130

290

210

Æ 12А-1

Æ 12А-1

0,56

0,42

ИМ-34

ИМ-46

ИМ-58

50

50

50

180

250

100

Æ 12А-1

Æ 12А-1

Æ 12А-1

0,36

0,49

0,22

ИМ-36

ИМ-42

ИМ-44

100

100

100

290

240

150

Æ 12А-1

Æ 12А-1

Æ 12А-1

0,36

0,31

0,23

ИМ-38

50

260

Æ 12А-1

0,32

ИМ-47

100

100

Æ 12А-1

0,36

ИМ-35

ИМ-39

ИМ-40

ИМ-41

ИМ-43

ИМ-53

ИМ-45

ИМ-50

ИМ-51

ИМ-52

ММ-55

ИM-63

ИМ-68

80

40

40

40

40

60

40

60

60

60

60

40

20

100

150

220

120

80

300

70

100

350

150

200

100

150

8

8

8

8

8

8

6

6

6

6

6

6

4

0,50

0,38

0,55

0,30

0,20

1,12

0,43

0,28

1,00

0,43

0,56

0,19

0,09

ИМ-48

50

300

Æ 12А-1

0,39

ИМ-69

50

400

Æ 12А-1

0,54

ИМ-54

ИМ-66

ИМ-67

ИМ-70

90

180/120

75/50

140/90

150

170

600

80

8

12

8

8

1,63

8,50

4,54

1,13

ИМ-56

ИМ-64

-

-

200

300

Æ 10А-1

Æ 12А-1

0,12

0,26

ИМ-57

ИШ-65

100

50

150

150

Æ 12А-1

Æ 12А-1

0,22

0,18

ИМ-61

60

150

6

0,42

ИМ-62

60

100

6

0,28

ИМ-59

Æ 18А-11

Æ 6А-1

600

120

-

1,63

ИМ-60

Æ 12А-1

700

-

0,62

Примечания

1. Металлические монтажные элементы, примыкающие к наружным стенам, должны иметь антикоррозийное цинковое покрытие, выполненное методом металлизации напылением.

Для улучшения защитного действия и повышения долговечности цинкового покрытия рекомендуется поверх него наносить один слой битумного лака.

2. На эскизе монтажного элемента ИМ-66 ребра жесткости условно не показаны.

 




ГОСТЫ, СТРОИТЕЛЬНЫЕ и ТЕХНИЧЕСКИЕ НОРМАТИВЫ.
Некоммерческая онлайн система, содержащая все Российские Госты, национальные Стандарты и нормативы.
В Системе содержится более 150000 файлов нормативно-технической документации, действующей на территории РФ.
Система предназначена для широкого круга инженерно-технических специалистов.

Рейтинг@Mail.ru Яндекс цитирования

Copyright © www.gostrf.com, 2008 - 2026