Крупнейшая бесплатная информационно-справочная система онлайн доступа к полному собранию технических нормативно-правовых актов РФ. Огромная база технических нормативов (более 150 тысяч документов) и полное собрание национальных стандартов, аутентичное официальной базе Госстандарта. GOSTRF.com - это более 1 Терабайта бесплатной технической информации для всех пользователей интернета. Все электронные копии представленных здесь документов могут распространяться без каких-либо ограничений. Поощряется распространение информации с этого сайта на любых других ресурсах. Каждый человек имеет право на неограниченный доступ к этим документам! Каждый человек имеет право на знание требований, изложенных в данных нормативно-правовых актах!

  


 

МИНИСТЕРСТВО СТРОИТЕЛЬСТВА СССР УПРАВЛЕНИЕ ОРГАНИЗАЦИИ ТРУДА И ЗАРАБОТНОЙ ПЛАТЫ

Центральная нормативно-исследовательская станция

ТИПОВАЯ КАРТА ТРУДОВОГО ПРОЦЕССА СТРОИТЕЛЬНОГО ПРОИЗВОДСТВА

«РАЗРАВНИВАНИЕ СЛОЯ ГРУНТА ПРИ ОШТУКАТУРИВАНИИ КИРПИЧНЫХ СТЕН»

КТ-8-1-68

Стройиздат

Москва-1969

СОДЕРЖАНИЕ

I. НАЗНАЧЕНИЕ И ЭФФЕКТИВНОСТЬ ПРИМЕНЕНИЯ

1. Настоящая карта предназначена для широкого внедрения рациональных методов и приемов труда, а также эффективных форм его организации на разравнивании слоя грунта при оштукатуривании кирпичных стен.

Карта может быть использована:

при составлении и осуществлении на объектах строительства мероприятий по совершенствованию приемов, методов и форм организации труда рабочих на основе планов НОТ;

при обучении рабочих в школах передового опыта, а также учебных комбинатах и курсах, осуществляющих подготовку и повышение квалификации рабочих и при индивидуально-бригадном методе обучения;

при разработке технологических карт на строительные и монтажные работы, проектов и графиков производства работ.

2. ИСТОЧНИКИ ПЕРЕДОВОГО ОПЫТА

При оптимизации карты использован опыт работы бригад Главверхневолжкстроя, Главволговятскстроя Министерства строительства СССР, а также других министерств и ведомств.

3. ЭФФЕКТИВНОСТЬ ПРИМЕНЕНИЯ КАРТ

Рекомендуемые в картах эффективные приемы, методы и формы организации труда на выравнивании слоя грунта при оштукатуривании кирпичных стен позволяют достигнуть звену штукатуров, состоящему из 3 человек, выработку в смену 252 м2. В ЕНиР даны данные на все три операции: т.е. на обрызг, нанесение слоя грунта и разравнивания его, поэтому сравнивать данные наших трех карт в отдельности с ЕНиР не представляется возможным. Однако, по всем трем картам взятым вместе, производительность труда составляет 285 м2, а по ЕНиР - 250 м2, т.е. технология, предложенная картой, обеспечивает рост производительности труда штукатуров при нанесении обрызга, грунта и разравнивании его на 14 %.

II. Исполнители, орудия и предметы труда.

1. Исполнители:

штукатур 4 разряда - Ш1

штукатур 3 разряда - Ш2

штукатур 2 разряда - Ш3

2. Инструмент и орудия труда

Набор инструмента для выполнения процесса необходимо делать по "Альбому ручного инструмента для производства строительно-монтажных работ" - выпуск I - 1968 г., разработанному и изданному Центральной нормативно-исследовательской станцией Управления организации труда и заработной платы Министерства строительства СССР. Ниже дается характеристика на приспособления и инвентарь, не вошедшие в этот альбом.

№№ пп

Наименование инструмента, приспособления и инвентаря

Назначение инструмента, приспособления, инвентаря

ГОСТ или организация, разработавшая рабочие чертежи

Ед. изм.

К-во

Иллюстрации

1.

Емкость

для хранения запаса раствора

0-65025

шт.

1

Емкость для раствора

2.

Ящик для раствора

для хранения раствора на рабочем мосте

0-63068

шт.

2

 

3.

Столик-подмости

для работы на II ярусе

0-63070

шт.

3

Столик-подмоcти

4.

Ведро

для воды

Изготовляется промышленностью

шт.

1

При выравнивании грунта применяется известковый раствор состава 1:3; 1:4 (известь:песок) марки 4. Кроме того, на объекте должна быть вода для смачивания поверхности стены по мере надобности.

III. УСЛОВИЯ И ПОДГОТОВКА ПРОЦЕССА

Перед тем, как приступить к выравниванию слоя грунта, оштукатуриваемые поверхности должны быть подготовлены в соответствии с требованиями СНиП III-В.13-62 §§ 1.3 - 1.5; 1.7 - 1.9; 1.11 - 1.14; 2.2 и 2.3;

К разравниванию слоя грунта надо приступать сразу после механизированного нанесения раствора. Выровненная поверхность штукатурки должна отвечать той точности, которая указана в технических условиях. При разравнивании слоя грунта одновременно наносят раствор в тех местах, где его недостаточно, и срезают в тех местах, где он излишний. Слой грунта разравнивают деревянными полуторками размером 1-0,75 м. При разравнивании поверхность проверяют и выправляют ее правилом. Малым полутерком ведут разравнивание в неудобных местах: ниши, заглушины, шкафы. Для нанесения дополнительного слоя грунта в процессе выравнивания на рабочих местах устанавливаются ящики для раствора, которые наполняются по мере надобности из емкостей, устанавливаемых в коридорах или лестничных клетках, а емкости эти заполняются раствором при помощи растворонасоса. На рабочем же месте находится ведро с водой. При нанесении дополнительного слоя грунта поверхность сначала смачиваетоя водой, а затем наносится намет. Штукатур четвертого разряда выполняет более oтветственные операции по разравниванию слоя грунта правилом и производит выделку лузг и усенков. Штукатуры третьего и второго разряда следом за штукатуром четвертого разряда разравнивают поверхность полутерками, одновременно собирают отскоки раствора, складывают в ящик, перелопачивают его и набрасывают на пропущенные места. До каждого штукатура должны быть доведены технические условия приемки данной работы, согласно СНиП III-В. Все остальные условия и подготовка процесса идентичны с картой КТ. (на процесс подготовки поверхности к оштукатуриванию).

Ниже дается примерный график режима труда и отдыха при разравнивании слоя грунта на оштукатуриваемой поверхности кирпичных стен.

Для снижения утомляемости в работе должен быть использован отдых, включенный в нормы времени в размере, предусмотренном нормативами, указанными в "Основах методики технического нормирования труда в строительстве" НИИЭС Госстроя СССР, выпуск 1,1967 год.

ТЕХНИКА БЕЗОПАСНОСТИ

При производстве работ по выравниванию слоя грунта при оштукатурировании кирпичных стен необходимо руководствоваться нормами и правилами по технике безопасности, изложенными в СНиП III-А.II-62 §§ 17.1; 17.5; 17.14; 17.9 и противопожарными мероприятиями.

IV. ТЕХНОЛОГИЯ И ОРГАНИЗАЦИЯ ПРОЦЕССА

От качества разравниваемой поверхности грунта зависит качество последнего штукатурного слоя - накрывочного. Поэтому разравнивание должно производиться с особой тщательностью. Одновременно с разравниванием производится выделка лузг, усенков, фасок. Вертикально выполненные лузги, усенки и фаски придают интерьеру нарядный вид. Выделка их является одной из самых трудоемких работ и занимает от 16 до 37 % времени, требуемого на все внутренние штукатурные работы.

Перед началом работ на рабочее место подносят необходимый инструмент, инвентарь и приспособления, устанавливают ящики с раствором и ведро с водой.

Затем приступают к разравниванию слоя грунта, и в необходимых случаях, в отдельных местах - к нанесению дополнительного слоя, а также выделке лузг и усенков.

В процессе работы отскоки раствора собираются в ящик, где он перелопачивается. В дальнейшем им можно пользоваться для нанесения на отдельные места. По окончанию работы инструмент и инвентарь очищаются от раствора и насухо протираются.

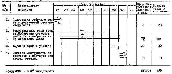
ГРАФИК ТРУДОВОГО ПРОЦЕССА

СХЕМА ОРГАНИЗАЦИИ РАБОЧЕГО МЕСТА

V. ПРИЕМЫ ТРУДА

пп

Наименование операций и их продолжительность

Характеристика приемов труда (описание)

Иллюстрации

1.

Подготовка рабочего места с установкой столика-подмостей продолжительность 8 мин.

Штукатуры Ш1, Ш2, Ш3 устанавливают столики-подмости, приносят ведро с водой, наполняют ящики раствором, который берут из емкости и приносят нужный инструмент.

 

2.

Разравнивание слоя грунта, собирание отскоков и нанесение их на отдельные места, продолжительность - 78 мин.

Штукатур Ш1, после нанесения слоя грунта, приступает к разравниванию его с помощью правила, движением справа налево при вертикальной его положении. Штукатуры Ш2 и Ш3 вслед за штукатуром Ш1 выполняют разравнивание слоя зигзагообразными движениями полутерков снизу вверх при горизонтальном положении и справа налево или слева направо при вертикальном положении инструмента, при этом полуторки держат под углом 30-45° к поверхности стены. Одновременно с этим штукатур Ш2 и Ш3 собирают отскоки раствора в ящик, доводят его там до рабочей консистенции, а затем кельмой с сокола набрасывают на отдельные места поверхности с разравниванием полуторками.

 

 

 

3.

Выделка лузг и усенков, продолжительность - 20 мин.

Штукатур Ш1, одновременно с разравниванием слоя грунта, производит выделку лузг и усенков полутерок длиной от 1,5 до 2м. Чем длиннее полутерок, тем точнее можно получить лузги и усенки. Выделка лузг производится следующим образом: В угол, образуемый стенами, приставляют полутерок, нажимают на него и двигают его вверх и вниз.

 

 

Если раствор подсох, то его следует смачивать водой. При выделке усенка с одной стороны прибивается правило с ровной кромкой; и к нему полутерком, за счет выравнивания нанесенного слоя грунта, притирают раствор. Выделку выполняют до тех пор, пока линии лузг и усенков будут вертикальными, без изломов и зигзагов.

 

4.

Очистка инструмента и инвентаря от раствора и протирка его насухо, продолжитвльность-3 мин.

Штукатуры Ш1, Ш2, Ш3 после окончания работы очищают инструмент, инвентарь и приспособления от раствора и протирают ветошью насухо*

 

Таким образом, распределение выполнения отдельных операций между штукатурами можно представить следующей таблицей:

пп

Наименование операций

Исполнители

Штукатур 4 разряда

Штукатур 3 разряда

Штукатур 2 разряда

1.

Подготовка рабочего места с установкой столиков-подмостей

+

+

+

2.

Разравнивание слоя грунта, собирание отскоков раствора и наброска их на отдельные места

+

+

+

3.

Выделка лузг и усенков

+

 

 

4.

Очистка инструмента от раствора и протирка его насухо ветошью

+

+

+

 

 




ГОСТЫ, СТРОИТЕЛЬНЫЕ и ТЕХНИЧЕСКИЕ НОРМАТИВЫ.
Некоммерческая онлайн система, содержащая все Российские Госты, национальные Стандарты и нормативы.
В Системе содержится более 150000 файлов нормативно-технической документации, действующей на территории РФ.
Система предназначена для широкого круга инженерно-технических специалистов.

Рейтинг@Mail.ru Яндекс цитирования

Copyright © www.gostrf.com, 2008 - 2026