|
|
|
ФЕДЕРАЛЬНОЕ АГЕНТСТВО
ТЕПЛОСЧЕТЧИКИ Часть 3Обмен данными и интерфейсы EN 1434-3:1997
ПредисловиеЦели и принципы стандартизации в Российской Федерации установлены Федеральным законом от 27 декабря 2002 г. № 184-ФЗ «О техническом регулировании», а правила применения национальных стандартов Российской Федерации - ГОСТ Р 1.0-2004 «Стандартизация в Российской Федерации. Основные положения» Сведения о стандарте1 ПОДГОТОВЛЕН Закрытым акционерным обществом «ИВК-Саяны» (ЗАО «ИВК-Саяны») на основе собственного аутентичного перевода европейского стандарта, указанного в пункте 4 2 ВНЕСЕН Управлением метрологии Федерального агентства по техническому регулированию и метрологии и Техническим комитетом по стандартизации ТК 445 «Метрология энергоэффективной экономики» 3 УТВЕРЖДЕН И ВВЕДЕН В ДЕЙСТВИЕ Приказом Федерального агентства по техническому регулированию и метрологии от 1 сентября 2006 г. № 180-ст 4 Настоящий стандарт идентичен европейскому стандарту ЕН 1434-3:1997 «Теплосчетчики. Часть 3. Обмен данными и интерфейсы» (EN 1434-3:1997 «Wärmezähler. Teil 3: Datenaustausch und Schnittstellen»). Европейский стандарт разработан Техническим комитетом СЕН/ТК 176 «Теплосчетчики». Перевод с немецкого языка (de). Официальные экземпляры европейского стандарта, на основе которого подготовлен настоящий стандарт, и стандартов, на которые даны ссылки, имеются во ФГУП «СТАНДАРТИНФОРМ». При применении настоящего стандарта рекомендуется использовать вместо ссылочных международных (региональных) стандартов соответствующие им национальные стандарты Российской Федерации, сведения о которых приведены в дополнительном приложении F 5 ВВЕДЕН ВПЕРВЫЕ Информация об изменениях к настоящему стандарту публикуется в ежегодно издаваемом информационном указателе «Национальные стандарты», а текст изменений и поправок - в ежемесячно издаваемых информационных указателях «Национальные стандарты». В случае пересмотра (замены) или отмены настоящего стандарта соответствующее уведомление будет опубликовано в ежемесячно издаваемом информационном указателе «Национальные стандарты». Соответствующая информация, уведомление и тексты размещаются также в информационной системе общего пользования - на официальном сайте Федерального агентства по техническому регулированию и метрологии в сети Интернет СодержаниеПредисловие
|
|||||||||||||||||||||||||||||||||||||||||||||||||||||||||||||||||||||||||||||||||||||||||||||||||||||||||||||||||||||||||||||||||||||||||||||||||||||||||||||||||||||||||||||||||||||||||||||||||||||||||||||||||||||||||||||||||||||||||||||||||||||||||||||||||||||||||||||||||||||||||||||||||||||||||||||||||||||||||||||||||||||||||||||||||||||||||||||||||||||||||||||||||||||||||||||||||||||||||||||||||||||||||||||||||||||||||||||||||||||||||||||||||||||||||||||||||||||||||||||||||||||||||||||||||||||||||||||||||||||||||||||||||||||||||||||||||||||||||||||||||||||||||||||||||||||||||||||||||||||||||||||||||||||||||||||||||||||||||||||||||||||||||||||||||||||||||||||||||||||||||||||||||||||||||||||||||||||||||||||||||||||||||||||||||||||||||||||||||||||||||||||||||||||||||||||||||||||||||||||||||||||||||||||||||||||||||||||||||||||||||||||||||||||||||||||||||||||||||||||||||||||||||||||||||||||||||||||||||||||||||||||||||||||||||||||||||||||||||||||||||||||||||||||||||||||||||||||||||||||||
|
Тип интерфейса |
Тип протокола |
Альтернатива протокола (только со специально отмеченными теплосчетчиками) |
|
Оптический, по 3.2 ЕН 61107 |
ЕН 61107 (части 4 и 5) |
ЕН 60870-5-1 |
|
ЕН 60870-5-2 |
||
|
ЕН 60870-5-4 |
||
|
Индуктивный |
ЕН 60870-5-1 |
ЕН 61107 (части 4 и 5) |
|
ЕН 60870-5-2 |
||
|
ЕН 60870-5-4 |
||
|
M-Bus |
ЕН 60870-5-1 |
Нет альтернативы |
|
ЕН 60870-5-2 |
||
|
ЕН 60870-5-4 |
||
|
Токовая петля (CL), по 3.1 ЕН 61107 |
ЕН 61107 (части 4 и 5) |
ЕН 60870-5-1 |
|
ЕН 60870-5-2 |
||
|
ЕН 60870-5-4 |
Для обоих протоколов ЕН 61107 и ЕН 60870-5 (см. таблицу 1) структура уровня 7 в модели ISO/OSI оставлена свободной для определения. В настоящем стандарте уровень 7 описан с точки зрения требований, относящихся к теплосчетчикам.
Теплосчетчик может либо не иметь, либо иметь несколько интерфейсов для связи с внешним миром. Если теплосчетчик имеет интерфейс, соответствующий настоящему стандарту, то требования к данному интерфейсу должны соответствовать установленным ниже требованиям.
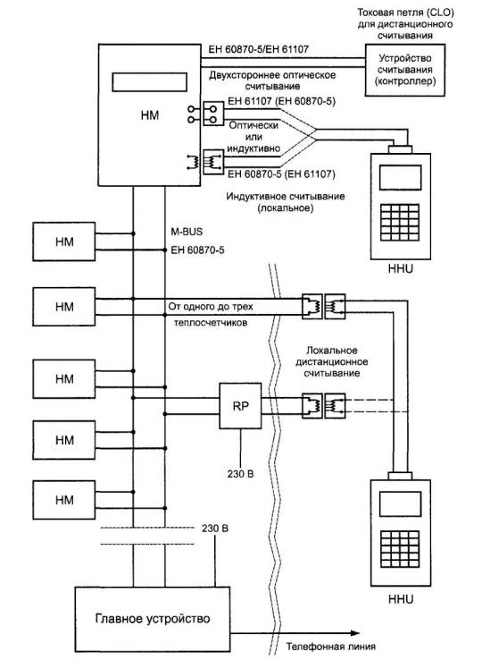
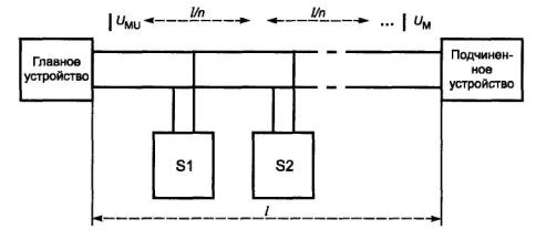
Интерфейс M-Bus может быть использован для двух - или многосторонней связи (рисунки 1 и 2). В приложении В приведено несколько примеров конфигураций системы для наихудшего случая: один пример - система с 250 подчиненными теплосчетчиками, подключенными через обычный телефонный кабель длиной 380 м (0,5 мм2), другой пример - 64 теплосчетчика подключены через кабель длиной 3600 м (1,5 мм2). Для обоих вариантов возможна любая топология связи (например, дерево, кольцо, звезда или линия).

НМ - плосчетчик;
ННU - ручной портативный блок;
RP - повторитель
Рисунок 1 - Интерфейсы связи теплосчетчиков

Рисунок 2 - Схема для интерфейса M-Bus
4.1.1 Состояние передачи
Только одно главное устройство может быть подсоединено временно или постоянно к интерфейсу M-Bus. Когда главное устройство находится в своем активном состоянии, оно обеспечивает M-Bus энергией. Все интерфейсы подключенных (подчиненных) теплосчетчиков являются пассивными.
Передача от главного устройства к подчиненному теплосчетчику
Главное устройство посылает информацию в двоичной системе счисления (в битах), управляя уровнем напряжения.
На разъемах счетчиков должны быть следующие уровни:
- сигнал (MARK): Н ≈ напряжение пробела + ≥ 10 В (но ≤ 42 В);
пробел (SPACE): L ≈ ≥ 12 В.
Подчиненный теплосчетчик посылает информацию в двоичной системе счисления (в битах) импульсами тока:
- сигнал (MARK): L = 0...1,5 мА (одна единица нагрузки UL = 1,5 мА);
- пробел (SPACE): Н = (11...20 мА) + ток MARK.
Главное устройство активно, но никакой передачи не происходит.
Главное устройство: напряжение MARK «Н».
Теплосчетчик: ток MARK «L».
Для того чтобы защитить главное устройство от поступления ложной информации, вызванной суммированием вариаций тока от 250 подчиненных теплосчетчиков, значение тока покоя («L») не должно изменяться более чем на указанные ниже значения при изменении напряжения, времени и температуры главного устройства:
L = L ± 0,002 L (изменение на 1 В);
L = L + 10 мкА (более 10 с);
L = L ± 10 % (время и температура).
4.1.2 Внутренний уровень детектора приемника теплосчетчика
Детектор максимального напряжения сравнивает все значения напряжения теплосчетчика с напряжением MARK. Детектор максимального напряжения должен иметь асимметричную постоянную времени. Постоянная времени разряда должна быть по крайней мере в 30 раз больше, чем постоянная времени заряда.
Предел для L ≤ U-MARK: 8,2 В.
Предел для Н ≥ U-MARK: 5,7 В.
4.1.3 Гальваническая изоляция
Контакты M-Bus должны быть гальванически изолированы от заземленного корпуса. Если у теплосчетчика имеются дополнительные контакты, они должны быть гальванически изолированы от контактов M-Bus.
Минимальное сопротивление изоляции: 1 МОм.
4.1.4 Полярность проводов M-Bus
Провода M-Bus должны быть взаимозаменяемы на двух контактах M-Bus.
4.1.5 Наихудшие условия
Напряжения до ±50 В неограниченной продолжительности не должны повреждать электрическую схему интерфейса. Если интерфейс поврежден, теплосчетчик должен продолжать работу без сбоев.
4.1.6 Электрическая емкость интерфейса M-Bus
Максимальная входная емкость интерфейса не должна превышать 0,5 нФ.
4.1.7 Скорость передачи
Интерфейс M-Bus должен иметь скорость передачи от 300 до 9600 бод.
4.1.8 Время повторного пуска после отключения питания M-Bus
В случае падения мощности на M-Bus в течение времени более 0,1 с время повторного пуска должно быть менее 3 с.
4.1.9 Последовательное сопротивление интерфейса теплосчетчика
Два последовательно подсоединенных резистора (2 × Rs/2 - см. рисунок 2) по (215 ± 5) Ом каждый должны быть предусмотрены для того, чтобы избежать выхода из строя M-Bus в случае короткого замыкания в неисправной цепи интерфейса. Это также необходимо для определения неисправных устройств.
Оптический интерфейс используют для локального считывания данных. Ручной прибор, оснащенный оптической считывающей головкой, временно подсоединяют к одному теплосчетчику, и информацию считывают с одного теплосчетчика в каждый момент времени.
Физические свойства оптического интерфейса определены в ЕН 61107.
Индуктивный интерфейс используют для локального считывания данных и дистанционного считывания данных в небольших системах M-Bus. Механические размеры индуктивного интерфейса аналогичны размерам оптического интерфейса. Поэтому ручной прибор может, с одной стороны, иметь считывающую головку с оптическим интерфейсом, а с другой стороны, - считывающую головку с индуктивным интерфейсом.
4.3.1 Расположение составных элементов внутри теплосчетчика

1 - стенка корпуса теплосчетчика; 2 - ферритовое кольцо См. также рисунок D.1 приложения D.
Рисунок 3 - Размеры индуктивного интерфейса в теплосчетчике
4.3.2 Характеристики индуктивного интерфейса
Для обеспечения передачи данных со скоростью до 2400 бод несущая частота должна быть менее 100 кГц.
Спецификация индуктивного интерфейса, вторичная часть:
- обмотка: 200 витков, провод диаметром 0,1 мм;
- ферритовое кольцо: магнитная проницаемость μi = 750 ± 150; плотность магнитного потока B (Н = 3000 А/м) = 450 мТл без воздушного зазора; диаметр 14 мм, высота 5,3 мм.
Интерфейс должен быть легко подсоединяем к M-Bus со следующими ограничениями:
- можно подключать напрямую не более трех нагрузок (1,5 мА);
- поток ответных данных от теплосчетчика может быть прочтен всеми другими участниками M-Bus.
Если один индуктивный интерфейс встроен в корпус теплосчетчика, то можно подсоединить второй интерфейс к интерфейсу M-Bus, вставив развязывающий диод между интерфейсом M-Bus и индуктивным интерфейсом.
|
Вторичный ток, мА |
Напряжение, В |
|
5 |
12 |
|
0 |
42 |

Рисунок 4 - Электрические элементы в теплосчетчике
Тип сигнала: 20 мА [токовая петля (CL-интерфейс) в соответствии с ИСО/МЭК 7498-1 с гальванической развязкой].
Источник питания: со стороны теплосчетчика интерфейс должен быть пассивным [токовая петля (CL-интерфейс) по ИСО/МЭК 7498-1]. Считывающее устройство обеспечивает необходимую мощность.
Соединение: с помощью разъемов или соответствующих штекеров.
Протокол по ЕН 61107 используют для оптического интерфейса и токовой петли (CL-интерфейса). Он может быть также использован в качестве альтернативного протокола для индуктивного интерфейса, и в этом случае теплосчетчик должен иметь маркировку, указывающую тип протокола. Этот протокол не может быть применен с M-Bus.
Основные правила применения протокола указаны в ЕН 61107. Приложение В к ЕН 61107 содержит информацию об устройствах, работающих от батарей.
Идентификационный знак производителя (ID) по ЕН 61107 (три заглавные буквы) таким же образом используют и в теплосчетчиках, применяющих этот протокол. Поставщики теплосчетчиков, применяющие протокол передачи данных по ЕН 60870-5, для определения ID (по разделу 6 настоящего стандарта) должны использовать ID по ЕН 61107. Следует руководствоваться предписаниями 6.6.1 (см. также приложение Е).
В ЕН 61107 указаны различные режимы работы. Для теплосчетчиков допускают все основные режимы: А, В, С и D.
Протокол по ЕН 61107 следует использовать с некоторыми ограничениями. В некоторых случаях ЕН 61107 предлагает несколько вариантов связи. Для связи с теплосчетчиками применяют только те варианты, которые перечислены в нижеследующих пунктах.
5.2.1 Вычисление контрольного символа блока
Вычисление контрольного символа блока всегда используют для информационного сообщения, посылаемого от теплосчетчика к считывающему устройству.
5.2.2 Синтаксис диаграммы
Синтаксис, описанный в 5.5 ЕН 61107, используют для теплосчетчиков следующим образом:
- стартовое сообщение может быть послано с ручного прибора к теплосчетчику, оно активирует средства связи в теплосчетчике;
- блок данных состоит из одной или более строки данных;
- сообщение для теплосчетчиков начинают с символа STX и заканчивают последовательностью ЕТХ и ВСС;
- каждая строка данных содержит 78 символов и заканчивается CR или LF.
ЕН 61107 не устанавливает представляемые данные в сообщении. Для пользователей теплосчетчиков, получаемых от различных поставщиков, определяют кодирование информации для считывающих устройств. Это кодирование информации проводят для всех режимов (А, В, С и D) протокола ЕН 61107. В режиме С кодирование проводят только в подрежиме а) «считывание данных». Кодирование информации в других подрежимах: b) «режим программирования» и с) «специальная операция поставщика» - согласовывают поставщик и пользователь.
5.3.1 Набор данных

Как указано в 5.7 ЕН 61107, каждый набор данных (графически представленный выше) состоит из:
- идентификационного номера со специфической структурой: «T».«UU».«W»*«VV» или «T».«UU».«W» & «VV»;
- «(» - открывающей скобки перед информацией о значении и блоке;
- «Значение» - максимум 32 печатных символа, за исключением символов «(», «)», «*», «/», «!». Десятичные точки (не запятые) можно включать в значение;
- «*» - символа разделения между значением и единицей измерений1). Этот разделитель не нужен, если нет единицы измерений;
- «Блок» - максимум 16 печатных символов, за исключением «(», «)», «/» и «!»;
- «)» - закрывающей скобки.
_________
1)Под единицей измерений (физической единицей измерений, физической единицей) следует понимать единицу величины.
5.3.2 Кодирование идентификационного номера набора данных
Схематическая структура

5.3.3 Специфические значения кодов для теплосчетчиков
Специфические значения кодов для теплосчетчиков следующие:
«0» - для идентификации, «6»-для идентификации теплосчетчика и «F» - для идентификации сообщения об ошибке. Код «9» может быть использован для специфической информации изготовителя.
Дополнительная информация - по Е.3 приложения Е.
5.3.4 Значения для «UU», коды регистров
«UU» состоит из одно - или двухразрядного числа, которое идентифицирует измеряемые величины. Для теплосчетчиков используют следующие числа:
0 Связано с кодом группы «0» для идентификации. Значение может состоять максимум из 20 разрядов.
1 Сброс (память). Два разряда от 00 до 99.
4 Мгновенная мощность. Числовое значение может состоять максимум из шести разрядов.
6 Пиковое значение мгновенной мощности. Числовое значение может состоять максимум из шести разрядов.
8 Энергия. Числовое значение может состоять максимум из девяти разрядов.
10 Дата и/или время последнего сброса. Формат времени - максимум 19 разрядов.
26 Объем. Числовое значение может состоять максимум из девяти разрядов.
27 Расход. Числовое значение может состоять максимум из шести разрядов.
28 Температура обратного потока. Числовое значение может состоять максимум из пяти разрядов.
29 Температура прямого потока. Числовое значение может состоять максимум из пяти разрядов.
30 Разность температур. Числовое значение может состоять максимум из шести разрядов.
31 Время работы. Формат времени - максимум 19 разрядов.
32 Время неисправности. Формат времени - максимум 19 разрядов.
33 Максимально допустимое значение расхода. Числовое значение может состоять максимум из шести разрядов.
34 Дата и (или) время события. Формат времени - максимум 19 разрядов.
35 Время интегрирования. Формат времени - максимум 19 разрядов.
36 Дата и (или) время записи в память. Формат времени - максимум 19 разрядов. Теплосчетчик должен, как минимум, передавать числа 0, 8 и 26.
5.3.5 Значение «W», номер тарифа состоит из одного разряда. Если теплосчетчик имеет один тариф, то ведущий разделительный символ (десятичная точка) можно опустить, сам разряд тоже пропускают. Теплосчетчик может иметь до девяти тарифов (1, 2, 3, ..., 9).
5.3.6 Использование символов «*/&» и «VV» для значений, записанных в память
Последовательность кодированных данных используют для значений, записанных в память.
Применяемые числа должны быть согласованы между поставщиком и пользователем.
Данную последовательность также можно применять для документирования соотношения между значением времени и одной или несколькими величинами, характеризующими тепловой процесс. Если теплосчетчик вносит в память какие-то значения в определенный момент времени, то он должен передать значение соответствующего времени, когда произошли запись в память, событие и т. д., вместе с тем же значением «VV».
«*» используют как ведущий разделитель, если сброс записанного в память значения включается автоматически.
«&» используют как альтернативный ведущий разделитель, если сброс записанного в память значения осуществляют вручную.
«VV» - номер записанного в память значения. Теплосчетчик может иметь до 99 записанных в память значений.
Если в теплосчетчике не предусмотрена запись в память, то нумерация в памяти может быть опущена.
Если значение передаваемой величины имеет единицу измерений, то ее отделяют символом «*» и кодируют следующим образом:
|
Энергия: |
Температура: |
|
«J» - джоуль. |
«С» - градус Цельсия. |
|
«kJ» - килоджоуль. |
|
|
«MJ» - мегаджоуль. |
Мощность |
|
«GJ» - гигаджоуль. |
|
|
«Wh» - ватт-час. |
«W» - ватт. |
|
«kWh» - киловатт-час. |
«kW» - киловатт. |
|
«MWh» - мегаватт-час. |
«MW» - мегаватт. |
|
«GWh» - гигаватт-час. |
«GW» - гигаватт. |
|
Объем: |
Время и/или дата: |
|
«ml» - миллилитр. |
«s» - секунда. |
|
«l» - литр. |
«m» - минута. |
|
«m3» - кубический метр. |
«h» - час. |
|
|
«D» - день. |
|
|
«М» - месяц. |
|
|
«Y» - год. |
|
Объемный расход: |
Массовый расход: |
|
«lps» - литр в секунду. |
«kgps» - килограмм в секунду. |
|
«lpm» - литр в минуту. |
«kgpm» - килограмм в минуту. |
|
«lph» - литр в час. |
«kgph» - килограмм в час. |
|
«m3ph» - кубический метр в час. |
|
Измеренную или рассчитываемую величину представляют ее значением. Оно может содержать специфическую исходную информацию поставщика, сообщение об ошибке и дату и (или) значение времени.
5.5.1 Кодирование измеренной величины
Измеренную величину представляют разрядами (от 1 до 32 разрядов). Для теплосчетчиков максимальное количество разрядов зависит от кода регистра.
5.5.2 Кодирование сообщения об ошибке
Следующие числа представляют собой коды ошибки:
«0» Нет ошибки
«1» Только внешняя ошибка
«2» Внешняя и внутренняя ошибки одновременно
«3» Только внутренняя ошибка
«4» Зарезервировано
«5» Ошибка расхода
«6» Прерывание датчика температуры прямого потока
«7» Короткое замыкание датчика температуры прямого потока
«8» Прерывание датчика температуры обратного потока
«9» Короткое замыкание датчика температуры обратного потока
Несколько сообщений об ошибках могут быть указаны в одном сообщении с помощью разделителя «&».
5.5.3 Кодирование отметки даты и (или) времени
Отметка даты и времени имеет следующую общую структуру:

Некоторые примеры наборов данных, содержащих отметки даты и (или) времени:
- относительное время, проистекшее с последнего события (сброс, старт и т.д.):
6.31 (4711*h) = время работы 4711 ч;
6.35 (15*m) = время интегрирования 15 мин.
В этом случае используют только одну единицу времени. Единицу указывают. Допускается применение любой единицы времени;
- абсолютное время дня:
6.34 (11:55:00) = время события (например, пиковое значение и т.д.).
Разделитель «:» помечает какое-либо число в качестве времени. Нет необходимости в указании устройства. Значение должно состоять по крайней мере из часов и минут. Второй разделитель «:» и количество секунд являются необязательными;
- абсолютная дата:
6.36 (1991-12-24) = время записи в память.
Разделитель «-» отмечает число в качестве даты. Нет необходимости в указании устройства. Для отметки даты допускается только указанный формат;
- отметка абсолютной даты и абсолютного времени:
6.10 (1991-12-24 & 11:55:00) = время последнего сброса.
Разделитель «&» отмечает число в качестве даты и времени. Перед разделителем «&» идет дата в стандартном формате, за ним время. Последний разделитель «:» и секунды являются необязательными. Нет необходимости в указании устройства.
Если нет возможности документировать соотношение между временем (датой) и величинами, характеризующими тепловой процесс с помощью «VV», протокол предоставляет альтернативы.
В этом случае теплосчетчик должен выдавать наборы данных в указанной ниже последовательности:
- должны быть посланы все текущие наборы данных, касающиеся времени считывания, и невзаимосвязанные наборы данных;
- может быть открыто поле взаимосвязанных наборов данных, т.е. послана одна или несколько отметок времени (время сброса и время записи в память или только время записи в память и т.д.);
- должны быть высланы все наборы данных, которые отнесены к этим моментам времени;
- поле должно быть закончено новой отметкой времени, затем может быть открыто новое поле взаимосвязанных наборов данных, или же оно должно быть закончено символами ЕТХ и ВСС, указанными на конец передачи данных.
Этот протокол используют для M-Bus и индуктивного интерфейса. Его можно использовать также для токовой петли (CL-интерфейс) и оптического интерфейса. В последнем случае теплосчетчик должен иметь маркировку, указывающую наименование протокола.
Протокол использует уровни 1/2/7 по ИСО/МЭК 7498-1.
ЕН 60870-5 описывает различные режимы связи. Далее определены режимы, допускаемые для теплосчетчиков.
6.1.1 Тип передачи
В полудуплексном режиме должна быть применена асинхронная последовательная передача битов (Start - Stop) по ЕН 60870-5-1. Состояние паузы обозначают логической «1». Паузы между стартовыми и стоповыми битами не допускаются.
6.1.2 Скорость передачи Минимальная скорость передачи: 300 бод.
Более высокая скорость передачи зависит от структуры M-Bus и физических соединений и не всегда может быть допустима. Внутри одной M-Bus допускаются различные скорости передачи.
6.1.3 Качество сигнала
Величины, характеризующие качество сигнала, должны удовлетворять разделу 4 ИСО/МЭК 7480, причем категория качества сигнала при передаче - Р1, а при приеме - РА.
Для тестирования (приложение А) следует применять нагрузочный резистор 60 Ом.
6.1.4 Формат сигнала
Формат сигнала должен соответствовать ЕН 60870-5-1, а именно: количество стартовых битов - 1, количество битов информации - 8, 1 контрольный бит четности и 1 столовый бит. Все байты передают, начиная с младших разрядов.
6.1.5 Класс формата
Следует использовать класс формата FT1.2 по ЕН 60870-5-1. Этот класс формата совпадает с классом 12 и гарантирует расстояние Хэмминга, равное 4.
В таблицах настоящего подраздела порядок передачи - слева направо.
Короткий фрейм с фиксированной длиной (например, запрос данных):
S = стартовый бит;
Р = бит четности;
Е = столовый бит.

Определение полей С, A, CI:
Таблица 2 - Функциональные коды, используемые в поле С
|
|
S |
D1 |
|
|
|
|
|
|
D8 |
р |
Е |
|
|
Нормализация |
0 |
0 |
0 |
0 |
0 |
0 |
0 |
1 |
0 |
1 |
1 |
40 hex |
|
Запрос информации |
0 |
1 |
1 |
0 |
1 |
1 |
в |
1 |
0 |
1/0 |
1 |
5В/7В hex |
|
Передача данных пользователя |
0 |
1 |
1 |
0 |
0 |
1 |
в |
1 |
0 |
0/1 |
1 |
53/73 hex |
|
Ответная информация |
0 |
0 |
0 |
0 |
1 |
0 |
0 |
0 |
0 |
0 |
1 |
08 hex |
В: FCB (бит счета фреймов), который включают, если последняя запись неизменна. Процедура «Инициализация» устанавливает как у запрашиваемого устройства, так и у теплосчетчика внутренний FCB-бит на 0 таким образом, что первая связь происходит при FCB = 1.
Все другие коды, приведенные в ЕН 60870-5-2, могут быть использованы дополнительно.
Диапазон адресов (поле А):
|
диапазон значений: |
1-250 |
(максимум 250 участников M-Bus); |
|
специальные значения: |
255 |
зарезервирован для общих сообщений («ко всем», «нет ответа», см. ЕН 60870-5-2), может быть использован, например для значения «Инициализация»; |
|
|
254 |
немедленный ответ (ответ независим от адреса); |
|
|
253 |
зарезервирован для расширенной адресации в дальнейшем; |
|
|
252 |
зарезервирован; |
|
|
251 |
зарезервирован; |
|
|
0 |
адрес по умолчанию для несконфигурированного счетчика. |
Поле CI кодирует тип и последовательность служебной информации, передаваемой в этом фрейме.
Таблица 3 - Кодирование управляющей информации, поле CI
|
|
S |
D1 |
|
|
|
|
|
|
D8 |
Р |
Е |
М = 0/1 |
|
Передача информации |
0 |
1 |
0 |
м |
0 |
1 |
0 |
1 |
0 |
1/0 |
1 |
51/55 hex |
|
Ответ с фиксированной структурой |
0 |
1 |
1 |
м |
0 |
1 |
1 |
1 |
0 |
1/0 |
1 |
73/77 hex |
|
Ответ с переменной структурой |
0 |
0 |
1 |
м |
0 |
1 |
1 |
1 |
0 |
0/1 |
1 |
72/76 hex |
М = 0: Последовательность данных в многобайтовых записях начинают с младшего байта.
М = 1: Последовательность данных в многобайтовых записях начинают со старшего байта.
В таблицах настоящего подраздела порядок передачи - слева направо.
6.3.1 Классы сервиса связи
Следует использовать классы сервиса S3 (Запрос/Ответ) и S2 (Передача/Подтверждение).
Процедуры Запрос/Ответ и Передача/Подтверждение представляют собой несбалансированную передачу по ЕН 60870-5-2.

Единичный управляющий символ:
|
E5h |
Расшифровка: L - длина байтов данных пользователя;
С - контрольное (управляющее) поле;
А - адресное поле;
CI - поле контрольной (управляющей) информации;
CS - контрольная сумма.
6.3.2 Процедура инициализации
Для инициализации бита счета фреймов со стороны запроса и со стороны теплосчетчика используют процедуру «Инициализация». Фрейм короткий.

В качестве процедуры «Подтверждение» используют единичный управляющий символ:
|
E5h |
После процедуры «Инициализация» теплосчетчик ожидает от главного устройства сообщения с FCB = 1.
6.3.3 Пример процедуры Запрос/Ответ и время реакции

Рисунок 5 - Успешная передача

Рисунок 6 - Передача с ошибкой в направлении запроса

Рисунок 7 - Передача с ошибкой в направлении ответа
Пояснения к рисункам 5, 6 и 7:
tD - 11 tBIT (время задержки);
i - количество попыток;
tBIT - 1/бод (с);
1 Char - 11 tBIT - (длина времени символа);
tprot - (количество символов во фрейме)·11 tBIT (длина фрейма);
tR - 50 мс + 30·11 tBIT (время реакции);
tfba - (фактическая длина фрейма в символах)·11 tBIT;
tLI - 3·11 tBIT (линия свободна).
6.3.4 Оптический интерфейс с протоколом по ЕН 60870-5
Если оптический интерфейс используют с протоколом по ЕН 60870-5, то после каждого периода бездействия более 330 бит может быть послан инициирующий сигнал к теплосчетчику. Инициирующий сигнал состоит из нулей и единиц, чередующихся с необходимой частотой на протяжении (2,2 ± 0,1) с. После периода бездействия от 33 до 330 бит связь может быть возобновлена.
Фрейм может иметь либо фиксированную, либо переменную длину. Все многобайтовые записи могут быть переданы, начиная либо с младшего, либо со старшего байта. Используемую последовательность кодируют в поле CI.
Тип данных А: целая величина без знака BCD: = XUI4 [от 1 до 4] <от 0 до 9BCD>
|
|
|
|
1UI4 [от 1 до 4] <от 0 до 9BCD>: = разряд 10° 2UI4 [от 5 до 8] <от 0 до 9BCD>: = разряд 101 |
|
|
XUI4 [от 5 до 8] <от 0 до 9BCD>: = разряд 10х-1
|
|
|
|
|
|
|
|
1В1 [X]: = S = Sign: S<0>: = положительное S<1>: = отрицательное
|
|
|
|
Отрицательные величины в дополнение представления в двоичной системе исчисления
Тип данных С: двоичное целое число без знака: = UI [от 1 до X] < от 0 до 2х - 1 >
|
|
|
|
UI8 [от 1 до 8] <от 0 до 255> |
|
|
|
Тип данных D: логическая величина (1 бит представлен в бинарном разрезе)
|
|
|
|
ХВ1:В1 [1] <от 0 до 1> |
|
|
В1 [I] <0>: = недостоверное В1 [I] <1>: = достоверное |
Тип данных Е: компаунд СР16 (информация о типах и устройствах)

1UI6 [от 1 до 6] <от 0 до 63> : = физическое устройство 1
1UI4 [от 7 до 8, от 15 до 16] <от 0 до 15>: = измеряемая среда
Типы данных F, G и Н следует использовать только для переменной структуры данных.
Тип данных F: компаунд СР32 (дата и время)
Минута: UI6 [от 1 до 6] <от 0 до 59>
Час: UI5 [от 9 до 13] <от 0 до 23>
День: UI5 [от 17 до 21]<от 1 до 31>
Месяц: UI4 [от 25 до 28] <от 1 до 12>
Год: UI7 [от 22 до 24, от 29 до 32] <от 0 до 99>
IV: В1 [8] (время недействительно) IV <0>: = действительно
SU <1>: = летнее время
RES1: В1 [7] (зарезервировано): <0>
RES2: В1[14] (зарезервировано): <0>
RES3: В1[15] (зарезервировано): <0>

Тип данных G: компаунд СР16 (дата)
День: UI5 [от 1 до 5] <от 1 до 31 >
Месяц: UI4 [от 9 до 12] <от 1 до 12>
Год: UI7 [от 6 до 8, от 13 до 16] <от 0 до 99>

Тип данных Н: с плавающей точкой
«Короткое число с плавающей точкой» = R32·23 (основание, экспонента, знак)
Основание = F: = UI23 [от 1 до 23] <от 1 до 1 - 2-23>
Экспонента = Е: = UI8 [от 24 до 31] <от 0 до 255>
Знак = S: = BS1 [32] S<0> = положительное
S <1> = отрицательное
F<0> и Е<0> : = (-1)s·0 = ± нуль
F<¹ 0> и Е<0> : = (-1)s·2E-126 (0.F) = неинициированные числа
Е<от 1 до 254> : = (-1)s·2E-127(1.F) = инициированные числа
F<0> и Е<255> : = (-1)s·∞ = ± бесконечность
F<¹ 0> и Е<255>: = NaN = отсутствие числа, S не учитывают

Специфицируют следующие пределы изменения для чисел с плавающей точкой:
- диапазон: от (-2128 + 2104) до (+ 2128 - 2104), т.е. от - 3,4·1038 до + 3,4·1038;
- наименьшее отрицательное число: -2-149, т.е. - 1,4·10-45;
- наименьшее положительное число: + 2-149, т.е. + 1,4·10-45.
6.5.1 Графическое представление

(*1) Идентификационный номер Кодирование: тип данных А
(Х = 8).
Идентификационный номер (*1) доступен для оператора счетчика.
(*2) Номер доступа Кодирование: тип данных С
(X = 8).
Номер доступа увеличивают на единицу после каждой операции ОТВЕТ.
(*3) Статус Кодирование: тип данных D
(Х = 8).
Биты статуса содержат следующую информацию:
В1 [1] = неправильно = BCD без знака;
= правильно = двоичный код со знаком (действителен для *5 и *6);
В1 [2] = неправильно = фактические (мгновенные) значения для счетчиков 1 и 2;
= правильно = значения, записанные в память при фиксированной дате, действительны для счетчиков 1 и 2;
В1 [3] = «Падение питающего напряжения»;
В1 [4] = «Постоянная ошибка»;
В1 [5] = «Временная ошибка»;
В1 [от 6 до 8] = «Специфическая информация производителя».
(*4) Типы и единицы измерений
счетчиков 1 и 2 Кодирование: тип данных Е.
Эта информация касается типа счетчика (например, теплосчетчика) и физических единиц измерений для нижеследующих счетчиков:
(*5) = Счетчик 1 Кодирование: тип данных А (X = 8) или В(Х = 32)
(*6) = Счетчик 2 Кодирование: тип данных А (X = 8) или В(Х = 32)
Таблица 4 - Представление среды, типов и единиц измерений в фиксированной структуре данных
|
Байт |
Байт № 8 (поле *4) |
Байт № 7 (поле *4) |
|||||||||||||||||
|
Бит |
16 |
15 |
14 |
13 |
12 |
11 |
10 |
9 |
8 |
7 |
6 |
5 |
4 |
3 |
2 |
1 |
|||
|
|
Среда |
Единица счетчика 2 |
Среда |
Единица счетчика 1 |
|||||||||||||||
|
MSB |
MSB |
|
LSB |
LSB |
MSB |
LSB |
|||||||||||||
6.5.2 Измеряемая среда
В таблице 5 указаны коды измеряемой среды для типа данных Е.
Таблица 5 - Кодирование измеряемой среды
Восьмеричная величина |
Бит 16 |
Бит 15 |
Бит 8 |
Бит 7 |
Среда |
|
От 0 до 3 |
- |
- |
- |
- |
Зарезервировано для дальнейшего применения |
|
4 |
0 |
1 |
0 |
0 |
Тепло |
|
От 5 до 15 |
- |
- |
- |
- |
Зарезервировано для дальнейшего применения |
6.5.3 Таблица физических единиц измерений
Нижеследующее кодирование с данными типа Е используют для кодирования физической единицы измерений теплосчетчиков.
Таблица 6 - Кодирование физических единиц измерений для фиксированной структуры данных
Счетчики 1 и 2, физическая единица от 0 до 15
|
BIT |
D6 |
D5 |
D4 |
D3 |
D2 |
D1 |
Единица |
Байты № 7 и 8 в шестнадцатеричном коде |
||||||||
|
|
0 |
0 |
0 |
0 |
0 |
0 |
ч, мин, с |
00 |
||||||||
|
|
0 |
0 |
0 |
0 |
0 |
1 |
День, месяц, год |
01 |
||||||||
|
|
0 |
0 |
0 |
0 |
1 |
0 |
вт·ч |
02 |
||||||||
|
|
0 |
0 |
0 |
0 |
1 |
1 |
Вт·ч×10 |
03 |
||||||||
|
|
0 |
0 |
0 |
1 |
0 |
0 |
Вт·ч×100 |
04 |
||||||||
|
|
0 |
0 |
0 |
1 |
0 |
1 |
кВт·ч |
05 |
||||||||
|
|
0 |
0 |
0 |
1 |
1 |
0 |
кВт·ч×10 |
06 |
||||||||
|
|
0 |
0 |
0 |
1 |
1 |
1 |
кВт·ч×100 |
07 |
||||||||
|
|
0 |
0 |
1 |
0 |
0 |
0 |
МВт·ч |
08 |
||||||||
|
|
0 |
0 |
1 |
0 |
0 |
1 |
МВт·ч×10 |
09 |
||||||||
|
|
0 |
0 |
1 |
0 |
1 |
0 |
МВт·ч×10 |
0А |
||||||||
|
|
0 |
0 |
1 |
0 |
1 |
1 |
кДж |
0В |
||||||||
|
|
0 |
0 |
1 |
1 |
0 |
0 |
кДж×10 |
0С |
||||||||
|
|
0 |
0 |
1 |
1 |
0 |
1 |
кДж×100 |
0D |
||||||||
|
|
0 |
0 |
1 |
1 |
1 |
0 |
МДж |
0Е |
||||||||
|
|
0 |
0 |
1 |
1 |
1 |
1 |
МДж×10 |
0F |
||||||||
|
|
|
|
|
|
|
|
|
|
|
|
|
|
|
………………………….. |
Байты № 7 и 8 |
|
|
|
25 |
24 |
23 |
22 |
21 |
20 |
|
|
||||||||
Продолжение таблицы 6
Счетчики 1 и 2, физическая единица от 16 до 31
|
BIT |
D6 |
D5 |
D4 |
D3 |
D2 |
D1 |
Единица |
Байты № 7 и 8 в шестнадцатеричном коде |
||||||||
|
|
0 |
1 |
0 |
0 |
0 |
0 |
МДж×100 |
10 |
||||||||
|
|
0 |
1 |
0 |
0 |
0 |
1 |
ГДж |
11 |
||||||||
|
|
0 |
1 |
0 |
0 |
1 |
0 |
ГДж×10 |
12 |
||||||||
|
|
0 |
1 |
0 |
0 |
1 |
1 |
ГДж×100 |
13 |
||||||||
|
|
0 |
1 |
0 |
1 |
0 |
0 |
Вт |
14 |
||||||||
|
|
0 |
1 |
0 |
1 |
0 |
1 |
Вт×10 |
15 |
||||||||
|
|
0 |
1 |
0 |
1 |
1 |
0 |
Вт×100 |
16 |
||||||||
|
|
0 |
1 |
0 |
1 |
1 |
1 |
кВт |
17 |
||||||||
|
|
0 |
1 |
1 |
0 |
0 |
0 |
кВт×10 |
18 |
||||||||
|
|
0 |
1 |
1 |
0 |
0 |
1 |
кВт×100 |
19 |
||||||||
|
|
0 |
1 |
1 |
0 |
1 |
0 |
МВт |
1А |
||||||||
|
|
0 |
1 |
1 |
0 |
1 |
1 |
МВт×10 |
1В |
||||||||
|
|
0 |
1 |
1 |
1 |
0 |
0 |
МВт×100 |
1С |
||||||||
|
|
0 |
1 |
1 |
1 |
0 |
1 |
кДж/ч |
1D |
||||||||
|
|
0 |
1 |
1 |
1 |
1 |
0 |
кДж/ч×10 |
1Е |
||||||||
|
|
0 |
1 |
1 |
1 |
1 |
1 |
кДж/ч×100 |
1F |
||||||||
|
|
|
|
|
|
|
|
|
|
|
|
|
|
|
………………………….. |
Байты № 7 и 8 |
|
|
|
25 |
24 |
23 |
22 |
21 |
20 |
|
|
||||||||
Продолжение таблицы 6
Счетчики 1 и 2, физическая единица от 32 до 47
|
BIT |
D6 |
D5 |
D4 |
D3 |
D2 |
D1 |
Единица |
Байты № 7 и 8 в шестнадцатеричном коде |
||||||||
|
|
1 |
0 |
0 |
0 |
0 |
0 |
МДж/ч |
20 |
||||||||
|
|
1 |
0 |
0 |
0 |
0 |
1 |
МДж/ч×10 |
21 |
||||||||
|
|
1 |
0 |
0 |
0 |
1 |
0 |
МДж/ч×100 |
22 |
||||||||
|
|
1 |
0 |
0 |
0 |
1 |
1 |
ГДж/ч |
23 |
||||||||
|
|
1 |
0 |
0 |
1 |
0 |
0 |
ГДж/ч×10 |
24 |
||||||||
|
|
1 |
0 |
0 |
1 |
0 |
1 |
ГДж/ч×100 |
25 |
||||||||
|
|
1 |
0 |
0 |
1 |
1 |
0 |
мл |
26 |
||||||||
|
|
1 |
0 |
0 |
1 |
1 |
1 |
мл×10 |
27 |
||||||||
|
|
1 |
0 |
1 |
0 |
0 |
0 |
мл×100 |
28 |
||||||||
|
|
1 |
0 |
1 |
0 |
0 |
1 |
л |
29 |
||||||||
|
|
1 |
0 |
1 |
0 |
1 |
0 |
л×10 |
2А |
||||||||
|
|
1 |
0 |
1 |
0 |
1 |
1 |
л×100 |
2В |
||||||||
|
|
1 |
0 |
1 |
1 |
0 |
0 |
м3 |
2С |
||||||||
|
|
1 |
0 |
1 |
1 |
0 |
1 |
м3×10 |
2D |
||||||||
|
|
1 |
0 |
1 |
1 |
1 |
0 |
м3×100 |
2Е |
||||||||
|
|
1 |
0 |
1 |
1 |
1 |
1 |
мл/ч |
2F |
||||||||
|
|
|
|
|
|
|
|
|
|
|
|
|
|
|
………………………….. |
Байты № 7 и 8 |
|
|
|
25 |
24 |
23 |
22 |
21 |
20 |
|
|
||||||||
Окончание таблицы 6
Счетчики 1 и 2, физическая единица от 48 до 63
|
BIT |
D6 |
D5 |
D4 |
D3 |
D2 |
D1 |
Единица |
Байты № 7 и 8 в шестнадцатеричном коде |
||||||||
|
|
1 |
1 |
0 |
0 |
0 |
0 |
мл/ч×10 |
30 |
||||||||
|
|
1 |
1 |
0 |
0 |
0 |
1 |
мл/ч×100 |
31 |
||||||||
|
|
1 |
1 |
0 |
0 |
1 |
0 |
л/ч |
32 |
||||||||
|
|
1 |
1 |
0 |
0 |
1 |
1 |
л/ч×10 |
33 |
||||||||
|
|
1 |
1 |
0 |
1 |
0 |
0 |
л/ч×100 |
34 |
||||||||
|
|
1 |
1 |
0 |
1 |
0 |
1 |
м3/ч |
35 |
||||||||
|
|
1 |
1 |
0 |
1 |
1 |
0 |
м3/ч×10 |
36 |
||||||||
|
|
1 |
1 |
0 |
1 |
1 |
1 |
м3/ч×100 |
37 |
||||||||
|
|
1 |
1 |
1 |
0 |
0 |
0 |
°С×10-3 |
38 |
||||||||
|
|
1 |
1 |
1 |
0 |
0 |
1 |
Зарезервировано |
39 |
||||||||
|
|
1 |
1 |
1 |
0 |
1 |
0 |
Зарезервировано |
3А |
||||||||
|
|
1 |
1 |
1 |
0 |
1 |
1 |
Зарезервировано |
3В |
||||||||
|
|
1 |
1 |
1 |
1 |
0 |
0 |
Зарезервировано |
3С |
||||||||
|
|
1 |
1 |
1 |
1 |
0 |
1 |
Зарезервировано |
3D |
||||||||
|
|
1 |
1 |
1 |
1 |
1 |
0 |
Та же единица, но значение заранее задано |
3Е |
||||||||
|
|
1 |
1 |
1 |
1 |
1 |
1 |
Нет единицы |
3F |
||||||||
|
|
|
|
|
|
|
|
|
|
|
|
|
|
|
………………………….. |
Байты № 7 и 8 |
|
|
|
25 |
24 |
23 |
22 |
21 |
20 |
|
|
||||||||
В следующих пунктах изложена структура данных с переменной длиной. Кодирование начинают с начала фрейма (FRAME), если для ответа (RESPOND) используют шестнадцатеричные числа 72 или 76 поля СI.
6.6.1 Графическое представление
Заголовок данных (DATA HEADER):
![]()
Запись данных:

DRH: Заголовок записи данных (DATA RECORD HEADER) - описывает содержание данных.
DIB: Блок информации (DATA INFORMATION BLOCK) - состоит из информационного поля DIF и (необязательно) одного или более информационного расширения DIFE.
VIB: Информационный блок значений (VALUE INFORMATION BLOCK) - состоит из VIF и (необязательно) из одного или более информационного расширения VIFE.
MDH: Специфическая часть заголовка данных, принадлежащая производителю (MANUFACTURER SPECIFIC DATA HEADER PART).
MS: Специфическая информация производителя до конца фрейма (MANUFACTURER SPECIFIC DATA UP TO THE END OF FRAME).
|
(*1) = Идентификационный номер |
Кодирование: тип данных А |
|
|
(Х = 8) |
Идентификационный номер (*1) имеется в распоряжении оператора счетчика.
|
(*7) = Производитель/поставщик |
Кодирование: тип данных С |
|
|
(Х=16) |
Идентификационный код производителя определяют из ASCII-кода производителя по ЕН 61107 (три заглавные буквы) с помощью следующей формулы:
|
номер ID по ЕН 60870 |
= [ASC(1 - я буква) - 64] × 32 × 32+ |
|
|
+ [АЭС(2 - я буква) - 64] × 32+ |
|
|
+ [ASC(3 - я буква) - 64] |
Следует использовать значения ASCII-кодов, приведенные в ИСО/МЭК 646.
В результате данных расчетов получают числа от 1 до 27482 с пробелами. Пробелы резервируют для дальнейшего применения. Число 0 (0000hex) используют производители счетчиков без идентификации.
|
(*8) = Поколение счетчика |
Кодирование: тип данных С |
|
|
(Х = 8) |
Специфическая информация производителя
|
(*9) = Измеряемая среда |
Кодирование: тип данных D |
|
|
(Х = 8) |
Эта информация относится к типу счетчика (например, теплосчетчику).
|
(*2) = Номер доступа |
Кодирование: тип данных С |
|
|
(Х = 8) |
Номер доступа увеличивают на один шаг после каждой операции ОТВЕТ (RESPOND).
|
(*3) = Статус |
Кодирование: тип данных D |
|
|
(Х = 8) |
Биты статуса содержат следующую информацию:
В1 [2] = зарезервировано
В1 [3] = «Падение мощности сети питания»
В1 [4] = «Постоянная ошибка»
В1 [5] = «Временная ошибка»
В1 [от 6 до 8] = специфическая информация пользователя
|
(*10) = Подпись |
Кодирование: тип данных С |
|
|
(Х = 16) |
Зарезервирован для подписи и шифрования. Если не используют, равен 0.
|
(*11) = Поле информации о данных |
Кодирование: тип данных D |
|
(DIF) |
(Х = 8) |
Кодирует длину области данных в записи данных.
|
(*12) = Расширение поля информации о данных (DIFE) |
Кодирование: тип данных D |
|
(Х = 8) |
DIFE следует сразу за DIF и расширяет возможности DIF. Допускается до 10 DIFE.
|
(*13) = Информационное поле |
Кодирование: тип данных D |
|
значений (VIF) |
(Х = 8) |
VIF описывает физическую единицу измерений и значение измеряемой величины.
|
(*14) = Расширение информационного поля значений (VIFE) |
Кодирование: тип данных D |
|
(Х = 8) |
Поля значений VIFE зарезервированы для дальнейшего применения, они следуют сразу за VIF. Допускается до 10 VIFE.
|
(*15) = Заголовок данных производителя (MDH) |
Кодирование: тип данных D |
|
(Х = 8) |
MDH являются специфическими байтами пользователя вплоть до конца данных пользователя. Если специфическую информацию не посылают, то MDH опускают.
6.6.2 Описание заголовка записи данных
Информационный блок данных (от 1 до n байтов, n ≤ 11)
Байт 1: Поле информации о данных

Бит расширения: 0: последний байт поля информации о данных
1: дальше следует расширение поля информации о данных
LSB: старшие биты в DIFE, если бит расширения = 1
Функциональное 00: мгновенное значение/во время записи
поле: 01: максимум
10: минимум
11: значение во время состояния ошибки
Таблица 7 - Кодирование поля данных
|
Код |
Длина |
В = 0 (двоичный) или специфическая величина |
Тип, если неспецифическая величина |
В = 1 (BCD без знака) |
Тип |
|
в000 |
0 |
Нет данных |
- |
Выбор для запроса считывания |
- |
|
В001 |
8 |
8 (INTEGER) |
В (X = 8) |
2 числа BCD |
А (Х = 2) |
|
В010 |
16 |
16 (INTEGER) |
В (Х = 16) |
4 числа BCD |
А (Х = 4) |
|
В011 |
24 |
24 (INTEGER) |
В (X = 24) |
6 чисел BCD |
А (X = 6) |
|
В100 |
32 |
32 (INTEGER) |
В (X = 32) |
8 чисел BCD |
А (X = 8) |
|
В101 |
32 |
32 (REAL) |
Н |
Зарезервировано |
- |
|
В110 |
48 |
48 (INTEGER) |
В (X = 48) |
12 чисел BCD |
А (Х=12) |
|
В111 |
64 |
64 (INTEGER) |
В (X = 64) |
Конец стандартной структуры |
- |
С байта 2 по байт n: расширение поля информации о данных

|
Номер памяти: |
0 означает текущее значение |
|
В [от 1 до 4], (В[0] в DIF), старшие биты - из DIFE |
|
|
Тариф: |
0 означает без тарифа |
|
от 0 до 3, старшие биты - из DIFE |
|
|
Единица измерений: |
от 0 до 1, старшие биты - из DIFE |
|
Бит расширения: |
0: последний DIFE |
|
1: за DIFE следует байт с такой же структурой |
Информационный блок значений (от 1 до n битов, n ≤ 11)
Байт 1: Поле информации о значениях

|
Бит расширения: |
0: Последний байт поля значений |
|
1: Следующий байт расширения поля значений будет определен в дальнейшем |
Байты от 2 до n: Расширение информационного поля значений

|
Бит расширения: |
0: Последний байт поля значений |
|
|
1: Следующий байт расширения поля значений будет определен в дальнейшем |
Кодирование поля значений для теплосчетчиков:
Таблица 8 - Кодирование поля значений; интегрированные значения
|
Кодирование |
Описание |
Кодирование диапазона |
Диапазон |
|
0000nnn |
Энергия |
10(nnn-3) Bт ч |
От 0,001 до 10000 Вт·ч |
|
0001nnn |
Энергия |
10(nnn) Дж |
От 0,001 до 10000 кДж |
|
0010nnn |
Объем |
10(nnn-6) м3 |
От 0,001 до 10000 л |
|
0011nnn |
Масса |
10(nnn-3) кг |
От 0,001 до 10000 кг |
|
01000nn |
Время во включенном состоянии |
nn: (при первом запуске установлено на 0) |
|
|
00 секунды |
|||
|
01 минуты |
|||
|
10 часы |
|||
|
11 дни |
|||
|
01001nn |
Время работы |
nn кодируется как «EIN-Zeit» |
|
Таблица 9 - Кодирование поля значений; типовые средние значения (усредненные по «среднему времени», см. таблицу 11)
|
Кодирование |
Описание |
Кодирование диапазона |
Диапазон |
|
0101nnn |
Мощность |
10(nnn-3) Вт |
От 0,001 до 10000 Вт |
|
0110nnn |
Мощность |
10(nnn) Дж/ч |
От 0,001 до 10000 кДж/ч |
|
0111nnn |
Объемный расход |
10(nnn-6) м3/ч |
От 0,001 до 10000 л/ч |
|
1000nnn |
Объемный расход |
10(nnn-7) м3/мин |
От 0,0001 до 1000 л/мин |
|
1001nnn |
Объемный расход |
10(nnn-9) м3/с |
От 0,001 до 10000 мл/с |
|
1010nnn |
Объемный расход |
10(nnn-3) кг/ч |
От 0,001 до 10000 кг/ч |
Таблица 10 - Кодирование поля значений; типовые мгновенные значения (см. таблицу 11)
Кодирование |
Описание |
Кодирование диапазона |
Диапазон |
|
10110nn |
Температура прямого потока |
10(nn-3) °C |
От 0,001 °С до 1 °С |
|
10111nn |
Температура обратного потока |
10(nn-3) °C |
От 0,001 °С до 1 °С |
|
11000nn |
Разность температур |
10(nn-3) К |
От1 до 1000 мК |
|
11001nn |
Температура окружающей среды |
10(nn-3) °C |
От 0,001 °С до 1 °С |
|
11010nn |
Давление |
10(nn-1) кПа |
От 1 до 1000 гПа |
|
110110n |
Точка времени |
n = 0 дата |
(тип данных G) |
|
n = 1 дата и время |
(тип данных F) |
||
|
110111n |
Зарезервировано |
|
|
Таблица 11 - Кодирование информационного поля значений; параметры
|
Кодирование |
Описание |
Кодирование диапазона |
|
11100nn |
Время усреднения |
nn: 00 с |
|
01 мин |
||
|
10 ч |
||
|
11 дни |
||
|
11101nn |
Фактическое время |
nn закодировано как время усреднения |
|
1111000 |
Сфабрикованный номер |
|
|
1111001 |
Идентификационный номер |
|
|
1111010 |
Адреса M-Bus, тип данных С (X = 8) |
|
|
1111011 |
Зарезервировано |
|
|
1111100 |
VIF в следующей определенной пользователем строке ASCII (длина в первом байте) |
|
|
1111101 |
Код VIF в следующем байте VIFE |
|
|
1111110 |
Любой VIF для чтения |
|
|
1111111 |
Специфическая информация производителя (включая VIFE) |
|
6.6.3 Кодирование измеряемой среды, переменная структура данных
Таблица 12 - Кодирование измеряемой среды (тепловой энергии)
8В 1 |
Среда |
||||
|
В [от 7 до 4] |
В [3] |
В [2] |
В [1] |
В [0] |
|
|
0000 |
0 |
1 |
0 |
0 |
Тепло |
|
Все другие коды зарезервированы для дальнейшего применения. |
|||||

Рисунок А.1 - Оборудование для тестирования качества сигнала при передаче
Направление движения потока данных:


Рисунок А.2 - Оборудование для тестирования качества сигнала при приеме
|
Высокое напряжение, В |
24 |
24 |
36 |
36 |
|
Низкое напряжение, В |
12 |
14 |
26 |
24 |
Направление движения потока данных:

Максимальный ток в режиме MARK для каждого подчиненного теплосчетчика.
Максимальное измеряемое сопротивление в главном устройстве.
Одновременный ответ двух подчиненных теплосчетчиков (совпадение).

Рисунок В.1 - Зависимость напряжения от времени
Условия:
|
UMU,M = 36 B |
Напряжение на главном устройстве, уровень покоя (MARK) |
|
UMU,S = 24 B |
Напряжение на главном устройстве, уровень передачи (SPACE) |
|
UM,M = 12 B |
Напряжение на подчиненных теплосчетчиках, уровень передачи (SPACE) |
|
UM,S = 11,3 B |
Напряжение на подчиненных теплосчетчиках, уровень покоя (MARK) |
|
IM = 1,5 мА |
Ток питания, уровень покоя |
|
IS = 20 мА |
Сигнальный ток, уровень передачи |
|
n = |
Количество подчиненных теплосчетчиков в M-Bus |
|
RS = 440 Ом |
Максимальное измеряемое сопротивление в теплосчетчике |
|
RC = |
Сопротивление кабеля |
|
RM = 60 Ом |
Максимальное измеряемое сопротивление в главном устройстве |
|
Rcon = 2 Ом |
Сопротивление всех соединений |

Рисунок В.2 - Тестовое оборудование для M-Bus (/)
Подчиненный теплосчетчик получает данные:
![]()
Подчиненный теплосчетчик передает данные:
![]()
Пример с 64 подчиненными теплосчетчиками:
n = 64, А (площадь поперечного сечения) = 1,5 мм2 º 24 Ом/км, Rcon = 2 Ом;
a) RC= 125 Ом,
b) RC - 89 Ом, следовательно, l = 3,6 км.
Пример с 250 подчиненными устройствами:
n = 250, А = 0,5 мм2 º 71 Ом/км, Rcon = 2 Ом;
a) RC = 32 Ом,
b) RC = 29 Ом, следовательно, l = 380 м.

Рисунок В.3 - Тестовое оборудование для M-Bus (l)
Подчиненное устройство получает данные:
![]()
Подчиненный теплосчетчик передает данные:
.
Пример с 64 подчиненными теплосчетчиками:
n = 64, А = 1,5 мм2 º 24 Ом/км, Rcon = 2 Ом;
a) RC = 247 Ом;
b) RC = 136 Ом, следовательно, l = 5,5 км.
Пример с 250 подчиненными теплосчетчиками:
n = 250, А = 0,5 мм2 º 71 Ом/км, Rcon = 2 Ом;
a) RC = 64 Ом;
b) RC = 53 Ом, следовательно, l = 710 м.
Интерфейс с M-Bus от центрального пункта должен удовлетворять условиям:
- электрическое питание для нагрузки от 1 до N (250) устройств;
- напряжение уровня MARK: от (24 В + Rc·lmax) до 42 В;
- напряжение уровня SPACE = отрицательное напряжение уровня минус (≤ 12 В);
- скорость передачи данных: от 300 до 9600 бод;
- обнаружение и обеспечение медленно изменяющегося статического тока;
- прием информации на уровне SPACE, если сигнальный ток составляет от 6 до 8 мА;
- обеспечение динамического импеданса: от 50 до 60 Ом;
- защита от короткого замыкания;
- защита против электромагнитных помех (ЕМС) и электростатических разрядов (ESD);
- гальваническая изоляция сигнальных линий от земли;
- симметричное управление данными по низкой эмиссии радиочастотных помех (RF).
На рисунках С.1 - С.3 показаны принципы работы, которые приведены только в качестве учебного примера. Работоспособность этих схем не гарантирована.
Требования можно смягчить, если длина кабеля менее 100 м и временно подключены только три подчиненных теплосчетчика:
- напряжение MARK > 25 В;
- нет развязки (разделения) со статическим током;
- нет изоляции сигнальных линий от земли.
Простая схема для конвертера уровней с уровня 24 В к уровням M-Bus показана на рисунке С.1.
Для 64 подчиненных теплосчетчиков (статический ток менее 100 мА) при максимальной инсталляции (RL менее 120 Ом), а также для 128 подчиненных теплосчетчиков (статический ток менее 200 мА) при стандартной инсталляции (RL менее 29 Ом) возможно простое разделение статического и сигнального токов путем измерений минимального падения напряжения на внутреннем терминальном резисторе 50 Ом. В этом случае напряжение MARK и ток покоя изменяются в соответствии со статическим током между максимум 42 В (при минимальной нагрузке), 36 В (при 100 мА) и 31 В (при 200 мА). Схема на рисунке С.2 соответствует данным функциям. Необходимо отметить, что мероприятия для защиты от токовой перегрузки, коротких замыканий и перенапряжения не проводят. Скорость передачи данных: от 300 до 2400 бод.
Для больших статических токов напряжение MARK пришлось бы увеличивать за допустимые пределы (42 В), если статический ток течет через детекторный резистор 50 Ом, как на рисунке С.2. В данном случае управляемый источник тока направляет сигнальный ток в обход через резистор 50 Ом. Схема на рисунке С.3 демонстрирует эту дополнительную функцию.
В данном случае напряжение MARK минимально зависит от статического тока.

Несущий сигнал частотой 120 кГц передает энергию с помощью трансформатора с первичной части на вторичную. Трансформатор состоит из двух частей: первичной обмотки со считывающей головкой и вторичной обмотки, находящейся либо внутри счетчика, либо внутри небольшой коробки, которая может быть размещена вне здания.
Частота демодулируется (выпрямляется) диодом и сглаживается конденсатором. Этот сигнал индуцирует состояние покоя и представляет собой высокий уровень напряжения в M-Bus. Биты посылаются с помощью модуляции несущей частоты, при этом напряжение вторичной части уменьшается до низкого уровня в M-Bus.
Вторичная часть реагирует путем увеличения тока на 4...6 мА, когда бит равен нулю. Эта дополнительная передача энергии может быть обнаружена в первичной части трансформатора.

Рисунок D.1 - Расположение компонентов и размеры
Характеристика магнита:
- сила притяжения: 5N, измеренная на железной плите.
Вариант с шестью магнитами:
- диаметр 5,0 мм/длина 5,0 мм/материал - лантанид.
Вариант с одним кольцевым магнитом:
- внутренний диаметр 19,5 мм/внешний диаметр 28 мм/толщина 7 мм.
Считывающая головка:
Считывающая головка может быть подсоединена к считывающему устройству, которое имеет асинхронный последовательный порт связи с TTL-совместимыми интерфейсными сигналами.
Сигналы интерфейса:
Т × D - данные, передаваемые к счетчику;
R × D - данные, получаемые от счетчика;
GND - эталонное напряжение;
VP - положительное рабочее напряжение (5 ± 0,5) В.
Уровни рабочих сигналов:
Несущая EIN Несущая AUS
от минус 0,5 до плюс 0,4 В. от 2,4 В до VP.
MARK (статическое состояние) SPACE
двоичная 1. двоичный 0.
Скорость передачи:
Максимальная скорость передачи зависит от несущей частоты и ограничена значением 2400 бод при несущей частоте 120 кГц.
Рабочее напряжение: от 4,5 до 5,5 В.
Потребление мощности: не более 100 мА при 4,8 В (4 никель-кадмиевые батареи).
Рабочую мощность обеспечивают внешними устройствами.
Современные теплосчетчики, как правило, снабжены CMOS-микропроцессорами с очень низким потреблением мощности, что позволяет использовать питание от батарей. Тестирование и настройка теплосчетчиков данного типа требуют другого подхода. До сих пор теплосчетчик почти каждого типа требовал своего собственного тестового оборудования, удовлетворяющего специфическим требованиям производителя. Это очень сложный и дорогостоящий путь для пользователей счетчиков нескольких типов. Необходимо обеспечить экономичное тестирование различных счетчиков.
Над этой проблемой работают эксперты. Один из примеров приемлемого решения приведен в справочнике «Стандартизованный адаптер теплосчетчика», AGFW 1993, Франкфурт, Германия.
Помимо независимой идентификации теплосчетчиков, для поставщиков предусмотрены дополнительные специфические возможности. Так, например, передаваемые данные могут содержать идентификационный номер поставщика (ID). Этот ID устанавливают по ЕН 61107 и составляют из трех заглавных букв.
Использование протокола по ЕН 61107 и ID поставщика лицензирует владелец протокола. Поставщики могут обращаться для регистрации и резервирования ID по адресу:
FLAG Association Ltd.
Хортонвуд, 30
Телфорд
Шропшир TF1 4 ЕТ
Великобритания.
Настоящий стандарт описывает использование протокола по ЕН 60870-5, а также протокола по ЕН 61107. Если для связи применяют протокол по ЕН 60870-5, то ID может быть составлен из трех заглавных букв в соответствии с протоколом по ЕН 61107.
Следует использовать формулу
ID (номер пользователя) по ЕН 60870-5 =
= [АSС(1-я буква) - 64] × 32 × 32 +
+ [АSС(2-я буква) - 64] × 32 +
+ [ASC(3-я буква) - 64].
ASCII-коды установлены ИСО/МЭК 646 (международная справочная версия). Указанная формула дает числа от 1 до 27482 с несколькими пробелами. Эти пробелы и числа от 27483 до 65535 (= 216 - 1) зарезервированы для дальнейшего применения; 0 (нуль) может быть использован без регистрации.
Данная процедура гарантирует единообразие кода идентификации пользователя ID, который может быть установлен и одним и двумя протоколами.
Список «Т» групповых кодов
Перечень применяемых значений:
«0» Идентификация (только в связи с величиной типа 0)
«1» Зарезервировано для активной электрической энергии
«2» Зарезервировано для холостой электрической энергии
«3» Зарезервировано для резервной электрической энергии
«4» Не используют
«5» Зарезервировано для энергии
«6» Теплосчетчики
«7» Газовые счетчики
«8» Водяные счетчики
«9» Зарезервировано для специфического идентификационного номера или статусной информации
«F» Символ ошибки теплосчетчика.
Детальное описание M-Bus, включая полное описание протокола, рекомендации и примеры можно получить в «Группе пользователей M-Bus» (M-Bus usergroup). Подробную информацию можно также получить в секретариате СЕН/ТК 176 (СЕН/ТК 176 «Теплосчетчики»).
Документация по M-Bus включает в себя следующие данные:
- измеряемая среда для фиксированной структуры данных по 4.5 (таблица Е.1)
|
Шестнадцатеричное значение |
Бит 16 |
Бит 15 |
Бит 8 |
Бит 7 |
Среда |
|
0 |
0 |
0 |
0 |
0 |
Другая |
|
1 |
0 |
0 |
0 |
1 |
Нефть |
|
2 |
0 |
0 |
1 |
0 |
Электричество |
|
3 |
0 |
0 |
1 |
1 |
Газ |
|
4 |
0 |
1 |
0 |
0 |
Тепло |
|
5 |
0 |
1 |
0 |
1 |
Пар |
|
6 |
0 |
1 |
1 |
0 |
Горячая вода |
|
7 |
0 |
1 |
1 |
1 |
Вода |
|
8 |
1 |
0 |
0 |
0 |
HKV |
|
От 9 до 15 |
|
|
|
|
Зарезервировано для дальнейшего применения |
|
Примечание - HKV: Назначение стоимости тепловой энергии. |
|||||
- измеряемая среда для переменной структуры данных по 4.6 (таблица Е.2)
|
8В 1 |
Среда |
||||
|
В [от 7 до 4] |
В [3] |
В [2] |
В [1] |
В [0] |
|
|
0000 |
0 |
0 |
0 |
0 |
Другая |
|
0000 |
0 |
0 |
0 |
1 |
Нефть |
|
0000 |
0 |
0 |
1 |
0 |
Электричество |
|
0000 |
0 |
0 |
1 |
1 |
Газ |
|
0000 |
0 |
1 |
0 |
0 |
Тепло |
|
0000 |
0 |
1 |
0 |
1 |
Пар |
|
0000 |
0 |
1 |
1 |
0 |
Горячая вода |
|
0000 |
0 |
1 |
1 |
1 |
Вода |
|
0000 |
1 |
0 |
0 |
0 |
HKV |
|
0000 |
1 |
0 |
0 |
1 |
Сжатый воздух |
|
…….. зарезервировано: |
|||||
|
0000 |
1 |
1 |
1 |
1 |
Неизвестная среда |
|
Примечание - Все другие коды зарезервированы для дальнейшего применения. |
|||||
Таблица F.1
|
Обозначение ссылочного международного (регионального) стандарта |
Обозначение и наименование соответствующего национального стандарта |
|
ЕН 60870-5-1:1993 |
ГОСТ Р МЭК 870-5-1-95 Устройства и системы телемеханики. Часть 5. Протоколы передачи. Раздел 1. Форматы передаваемых кадров |
|
ЕН 60870-5-2:1993 |
ГОСТ Р МЭК 870-5-2-95 Устройства и системы телемеханики. Часть 5. Протоколы передачи. Раздел 2. Процедуры в каналах передачи |
|
ЕН 60870-5-4:1993 |
ГОСТ Р МЭК 870-5-4-96 Устройства и системы телемеханики. Часть 5. Протоколы передачи. Раздел 4. Определение и кодирование элементов пользовательской информации |
|
ЕН 61107:1992 |
ГОСТ Р МЭК 61107-2001 Обмен данными при считывании показаний счетчиков, тарификации и управлении нагрузкой. Прямой локальный обмен данными |
|
ИСО/МЭК 646:1991 |
ГОСТ 27463-87 Система обработки информации. 7-битные кодированные наборы символов |
|
ИСО/МЭК 7480:1991 |
ГОСТ Р ИСО/МЭК 7480-98 Информационная технология. Передача данных и обмен информацией между системами. Качество сигналов на стыках ООД/АКД при стартстопной передаче данных |
|
ИСО/МЭК 7498-1:1996 |
ГОСТ 28906-91 (ИСО 7498-84, Доп. 1 - 84 ИСО 7498-84) Системы обработки информации. Взаимосвязь открытых систем. Базовая эталонная модель |
Ключевые слова: средство измерений, теплосчетчик, тепловая энергия, интерфейс, обмен информацией, передача данных, протокол, M-Bus, физическая величина, единица измерений, представление данных, кодирование
|
ГОСТЫ, СТРОИТЕЛЬНЫЕ и ТЕХНИЧЕСКИЕ НОРМАТИВЫ. Некоммерческая онлайн система, содержащая все Российские Госты, национальные Стандарты и нормативы. В Системе содержится более 150000 файлов нормативно-технической документации, действующей на территории РФ. Система предназначена для широкого круга инженерно-технических специалистов. Copyright © www.gostrf.com, 2008 - 2026 |