Крупнейшая бесплатная информационно-справочная система онлайн доступа к полному собранию технических нормативно-правовых актов РФ. Огромная база технических нормативов (более 150 тысяч документов) и полное собрание национальных стандартов, аутентичное официальной базе Госстандарта. GOSTRF.com - это более 1 Терабайта бесплатной технической информации для всех пользователей интернета. Все электронные копии представленных здесь документов могут распространяться без каких-либо ограничений. Поощряется распространение информации с этого сайта на любых других ресурсах. Каждый человек имеет право на неограниченный доступ к этим документам! Каждый человек имеет право на знание требований, изложенных в данных нормативно-правовых актах!

  


 

ФЕДЕРАЛЬНОЕ ГОСУДАРСТВЕННОЕ УНИТАРНОЕ ПРЕДПРИЯТИЕ ВСЕРОССИЙСКИЙ НАУЧНО-ИССЛЕДОВАТЕЛЬСКИЙ ИНСТИТУТ МЕТРОЛОГИЧЕСКОЙ СЛУЖБЫ (ФГУП ВНИИМС) ФЕДЕРАЛЬНОГО АГЕНСТВА ПО ТЕХНИЧЕСКОМУ РЕГУЛИРОВАНИЮ И МЕТРОЛОГИИ

УТВЕРЖДАЮ
Директор ФГУП ВНИИМС
______________С.А. Кононов
«____»______________2006 г.

РЕКОМЕНДАЦИЯ

ГОСУДАРСТВЕННАЯ СИСТЕМА

ОБЕСПЕЧЕНИЯ

ЕДИНСТВА ИЗМЕРЕНИЙ

МИ 2982-2006

Трансформаторы напряжения измерительные 500/3…750/√3 кВ

Методика поверки на месте эксплуатации

СОДЕРЖАНИЕ

ПРЕДИСЛОВИЕ

1. ОБЛАСТЬ ПРИМЕНЕНИЯ

2. НОРМАТИВНЫЕ ССЫЛКИ

3. ОПЕРАЦИИ ПОВЕРКИ

4. СРЕДСТВА ПОВЕРКИ

5 ТРЕБОВАНИЯ К КВАЛИФИКАЦИИ ПОВЕРИТЕЛЕЙ И ОБСЛУЖИВАЮЩЕГО ПЕРСОНАЛА

6. ТРЕБОВАНИЯ БЕЗОПАСНОСТИ

7. УСЛОВИЯ ПОВЕРКИ И ПОДГОТОВКА К НЕЙ

8. ПРОВЕДЕНИЕ ПОВЕРКИ

9. ОБРАБОТКА РЕЗУЛЬТАТОВ ИЗМЕРЕНИЙ

10. ОФОРМЛЕНИЕ РЕЗУЛЬТАТОВ ПОВЕРКИ

ПРИЛОЖЕНИЕ А Схемы расположения оборудования при поверке

ПРИЛОЖЕНИЕ Б Схема подключения оборудования при поверке трансформаторов напряжении линии на месте эксплуатации в случае трехфазной работы разъединителей

ПРИЛОЖЕНИЕ В Схема поверки шинных трансформаторов напряжения на месте эксплуатации

ПРИЛОЖЕНИЕ Г (Рекомендуемое) Форма протокола поверки

ПРИЛОЖЕНИЕ Д (Рекомендуемое) Форма свидетельства о поверке

ПРИЛОЖЕНИЕ Е (Рекомендуемое) Форма извещения о непригодности к применению №

ПРЕДИСЛОВИЕ

1. РАЗРАБОТАНА

ФЕДЕРАЛЬНЫМ ГОСУДАРСТВЕННЫМ УНИТАРНЫМ ПРЕДПРИЯТИЕМ ВСЕРОССИЙСКИЙ НАУЧНО ИССЛЕДОВАТЕЛЬСКИЙ ИНСТИТУТ МЕТРОЛОГИЧЕСКОЙ СЛУЖБЫ» (ФГУП «ВНИИМС»)

ИСПОЛНИТЕЛИ:

Киселев В.В., нач. отдела, к.т.н. (руководитель темы),

Боярин Н.А., ст. научный сотрудник

2. УТВЕРЖДЕНА

ФГУП «ВНИИМС» 6 апреля 2006 г.

3. СОГЛАСОВАНА

ФГУП «ВНИИМ им. Д. И. Менделеева»,

ФГУП «УНИИМ»

4. ЗАРЕГИСТРИРОВАНА

ФГУП «ВНИИМС» 21 апреля 2006 г.

5. ВВЕДЕНА ВПЕРВЫЕ

 

1. ОБЛАСТЬ ПРИМЕНЕНИЯ

Настоящая рекомендация распространяется на трансформаторы напряжения измерительные (далее ТН) заземляемые однофазные индукционного и емкостного типов, предназначенные для работы на частоте 50 Гц, и изготовленные в соответствии с ГОСТ 1983. Настоящая рекомендация распространяется на ТН класса напряжения 500/3…750A/3 кВ с классом точности 0,2 и менее точные. Настоящая рекомендация устанавливает методику периодической поверки ТН на месте их эксплуатации.

2. НОРМАТИВНЫЕ ССЫЛКИ

ГОСТ 1983-2001

Трансформаторы напряжения. Общие технические условия;

ГОСТ 8.216-88

ГСИ. Трансформаторы напряжения. Методика поверки;

ГОСТ 12.2.007.0-75

ССБТ. Изделия электротехнические. Общие требования безопасности;

ГОСТ 12.2.007.3-75

ССБТ. Электротехнические устройства на напряжение свыше 1000 В. Требования безопасности;

ГОСТ 12.2.007.14-75

ССБТ. Кабели и кабельная арматура. Требования безопасности;

ГОСТ 22261 -94

Средства измерений электрических и магнитных величин. Общие технические требования;

ГОСТ Р 51350-99

Безопасность электрических контрольно-измерительных приборов и лабораторного оборудования. Часть 1. Общие требования.

3. ОПЕРАЦИИ ПОВЕРКИ

При проведении поверки следует выполнять операции, указанные в таблице 1.

Таблица 1 Операции поверки

Наименование операции

Номер пункта НД по поверке

Обязательность проведения операции при периодической поверке

1 Внешний осмотр

8.1

Да

2 Определение погрешности ТН

8.2

Да

4. СРЕДСТВА ПОВЕРКИ

4.1. При проведении поверки должны быть применены средства поверки, приведенные в таблице 2.

Таблица 2 Средства поверки

Эталонные средства поверки и вспомогательное оборудование

Требуемые технические и метрологические характеристики

1. Эталонный трансформатор напряжения

Номинальные значения входного напряжения - 500/√3…750/√3 кВ

Диапазон напряжения от номинального значения - 80. 120 %

Номинальные значения выходного напряжение - 100 В, 100√3 В

Частота напряжения - (50 ± 10) Гц

Класс точности -≤0,1

2. Прибор сравнения

Абсолютная погрешность измерения погрешности напряжения не более ± (0,03 + 0,05∙А*) %;

Абсолютная погрешность измерения угловой погрешности не более ±(1 + 0,2∙А*) %;

Абсолютная погрешность измерения частоты -≤0,1 Гц

Абсолютная погрешность измерения коэффициента искажения синусоидальности кривой напряжения -≤0,1 %

3. Нагрузочное устройство

Диапазон нагрузок от номинальной мощности поверяемого трансформатора - 25…100 %

Относительная погрешность активной и реактивной составляющих мощности нагрузки -≤4%

*) А - значение измеряемой погрешности.

4.2 Перечень рекомендуемых эталонных средств измерений и вспомогательного оборудования:

1) Эталонный трансформатор:

мобильный эталонный трансформатор напряжения

NUES 500 (диапазоны: 220/√3 кВ, 330/√3 кВ, 500/√3 кВ),

NUES 750 (диапазоны: 500/√3 кВ, 750/√3 кВ);

2) Прибор сравнения - КНТ-03;

3) Нагрузочное устройство - комплект нагрузок «MP 3025».

4.3. Допускается применение основных и вспомогательных средств поверки других типов с метрологическими характеристиками не хуже приведенных в таблице 2.

4.4. Все средства измерений, применяемые при поверке, должны быть внесены в Государственный реестр СИ и иметь действующие свидетельства о поверке.

5 ТРЕБОВАНИЯ К КВАЛИФИКАЦИИ ПОВЕРИТЕЛЕЙ И ОБСЛУЖИВАЮЩЕГО ПЕРСОНАЛА

5.1. К проведению поверки допускаются лица, имеющие стаж работы по данному виду измерений не менее 3 лет, изучившие настоящую методику и прошедшие обучение по проведению поверки в соответствии с указанной рекомендацией.

5.2. Поверка должна проводиться с участием не менее двух поверителей, один из которых должен иметь удостоверение, подтверждающее право работы на установках до и выше 1000 В с группой по электробезопасности не ниже IV.

5.3. При поверке должны присутствовать работники объекта, на котором размещён поверяемый трансформатор, имеющие допуск на работы во вторичных цепях трансформаторов напряжения, а также персонал, имеющий право оперативных переключений.

6. ТРЕБОВАНИЯ БЕЗОПАСНОСТИ

6.1. При проведении поверки должны быть соблюдены требования «Межотраслевых правил по охране труда (правил безопасности) при эксплуатации электроустановок» ПОТ Р М-016-2001 (РД 153-34.0-03.150), а также требования безопасности на средства поверки и поверяемые трансформаторы, изложенные в их руководствах по эксплуатации.

6.2. Эталонные средства измерений, вспомогательные средства поверки оборудование должны соответствовать требованиям ТУ 38.106977, ГОСТ 12.2.007.0, ГОСТ 12.2.007.3, ГОСТ 12.2.007.14, ГОСТ 22261 и ГОСТ Р 51350.

6.3. Все оперативные отключения и включения должны проводиться оперативным персоналом электроэнергетического объекта в соответствии с программой проведения работ, утвержденной в установленном порядке.

7. УСЛОВИЯ ПОВЕРКИ И ПОДГОТОВКА К НЕЙ

7.1. При проведении поверки необходимо соблюдать технические и климатические условия, указанные в руководстве по эксплуатации на средства поверки, а также руководствоваться требованиями ГОСТ 8.216.

7.2. Подготовка к поверке ТН, включенных в линии.

При подготовке к поверке ТН рекомендуется использовать схему расположения оборудования, представленную на рис. 1 в Приложении А. Подготовительные процедуры проводят в следующей последовательности:

- отключите ТН от высокого напряжения для чего переключите выключатели В2 и разъединители ЛР В2 и ШР В2 в фазах А, В, С в разомкнутое положение;

- заземлите ТН, для этого, переключите заземляющие ножи ЗН ЛР в ст. В2 и ЗН ШР В2 в ст. В2 в фазах А, В, С в замкнутое положение;

- переключите вторичные цепи поверяемых ТН в фазах А, В, С на соответствующие клеммы резервных ТН;

- разместите и заземлите ЭТН на свободном пространстве с таким расчетом, чтобы провод от высоковольтного контакта ЭТН при его подключении к высоковольтной сети не проходил ближе допускаемого расстояния к заземленным и потенциальным объектам (не менее 3,5 м для класса напряжения 500/√3 кВ, не менее 5,0 м для класса напряжения 750/3 кВ) от поверяемого трансформатора;

- разместите в безопасном месте (10 - 30 м от поверяемого ТН и ЭТН) и заземлите прибор сравнения (при наличии заземляющего зажима на приборе);

7.3. Подготовка к поверке ТН, включенных в шины.

При подготовке к поверке ТН рекомендуется использовать схему расположения оборудования, представленную на рис. 2 в Приложении А. Подготовительные процедуры проводят в следующей последовательности:

- отключите ТН от высокого напряжения для чего переключите разъединители РТН в фазах А, В, С в разомкнутое положение;

- заземлите ТН, для этого переключите заземляющие ножи ЗН ТН в фазах А, В, С в замкнутое положение;

- отключите вторичные цепи от поверяемого ТН;

- разместите ЭТН таким образом, чтобы была возможность подключить его высоковольтный вывод к высоковольтному выводу одного из поверяемых ТН, при этом ЭТН и провод от него к контактам ТТ2 не должен находиться ближе, чем 3,5 м для ТН класса 500/3 кВ и ближе, чем 5,0 м для ТН класса 750/3 кВ от заземленных и потенциальных объектов энергообъекта;

8. ПРОВЕДЕНИЕ ПОВЕРКИ

8.1. Внешний осмотр

При внешнем осмотре должно быть установлено соответствие поверяемого трансформатора следующим требованиям:

- выводы первичной и вторичной обмоток должны быть исправными и иметь маркировку, соответствующую нормативной документации;

- трансформатор должен быть снабжён табличкой с соответствующей маркировкой;

- заземляющий зажим (если он предусмотрен в НД на поверяемый трансформатор) должен иметь соответствующее обозначение;

трансформатор должен быть прочно закреплен (отсутствует дополнительная вибрация);

наружные поверхности трансформатора не должны иметь дефектов, препятствующих его нормальному функционированию;

- изоляторы вводов не должны иметь повреждений, сколов и трещин, препятствующих его эксплуатации.

8.2. Определение погрешности.

8.2.1. Определение погрешностей ТН, включенных в линии.

При проведении поверки ТН рекомендуется использовать схему подключения оборудования, представленную на рис. 1 в Приложении Б. Определение погрешностей ТН линии проводят в следующей последовательности:

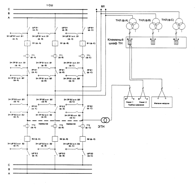
8.2.1.1. Подключите высоковольтный вывод ЭТН гибким медным проводом сечением не менее 6 мм к контакту ТТ фазы А со стороны ЛР В2 (в случае пофазной работы разъединителей допускается делать перемычку медным проводом сечением не менее 6 мм2 между всеми тремя фазами).

8.2.1.2. Подключите в клеммном шкафу ТН выводы «а» и «х» поверяемого ТН фазы А к прибору сравнения с помощью штатного измерительного кабеля и к магазину нагрузок с помощью нагрузочного кабеля;

8.2.1.3. Включите прибор сравнения и дайте ему прогреться в течение времени, установленного в руководстве по эксплуатации;

8.2.1.4. Установите на магазине нагрузок значение, равное 0,25Sном(U1/U1ном),

где Sном - номинальное значение мощности трансформатора, В-А;

U1 - значение первичного напряжения, подведенного к трансформатору, В;

U1ном - номинальное значение первичного напряжения трансформатора, В;

8.2.1.5. Отключите заземление, для чего переключите ЗН ШР В2 в ст. В2 фазы А и ЗН ЛР В2 в ст. В2 фазы А в разомкнутое положение;

8.2.1.6. Подайте напряжение на поверяемый ТН, для этого переключите ЛР В2 фазы А в замкнутое положение;

8.2.1.7. Контролируйте напряжение, частоту сети и коэффициент искажения синусоидальности кривой напряжения сети при помощи прибора сравнения, значения которых не должны превышать условий проведения поверки. Если данные требования не обеспечиваются, то поверка трансформатора должна быть прекращена.

8.2.1.8. Снимите измерительную информацию с дисплея прибора сравнения;

8.2.1.9. Установите на магазине нагрузок значение, равное Sном(U1/U1ном) и для данной нагрузки снимите измерительную информацию;

8.2.1.10. Занесите в протокол поверки, рекомендуемая форма которого приведена в Приложении Г, полученные результаты измерений;

8.2.1.11. Снимите высокое напряжение, для чего отключите ЛР В2 фазы А;

8.2.1.12. Повторите операции поверки по пунктам 8.2.1.1 - 8.2.1.11 для фазы В;

8.2.1.13. Повторите операции поверки по пунктам 8.2.1.1 - 8.2.1.11 для фазы С.

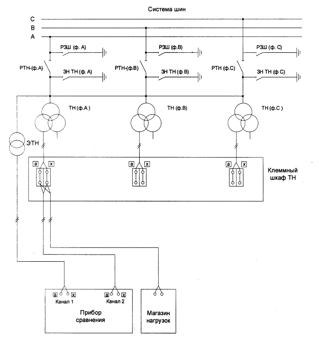
8.2.2. Определение погрешностей ТН, включенных в шины. При проведении поверки ТН рекомендуется использовать схему подключения оборудования, представленную на рис. 1 в Приложении В. Определение погрешностей ТН линии проводят в следующей последовательности:

8.2.2.1. Подключите высоковольтный вывод ЭТН гибким медным проводом сечением не менее 6 мм2 к высоковольтному выводу ТН фазы А и соедините высоковольтные выводы ТН всех трех фаз между собой этим же проводом;

8.2.2.2. Подключите в клеммном шкафу ТН выводы «а» и «х» поверяемого ТН фазы А к прибору сравнения с помощью измерительного кабеля и к магазину нагрузок с помощью нагрузочного кабеля;

8.2.2.3. Включите прибор сравнения и дайте ему прогреться в течений времени, установленного в руководстве по эксплуатации;

8.2.2.4. Установите на магазине нагрузок значение, равное 0,25 Sном(U1/U1ном),

где Sном - номинальное значение мощности трансформатора, В-А;

U1 - значение первичного напряжения, подведенного к трансформатору, В;

U1ном - номинальное значение первичного напряжения трансформатора, В;

8.2.2.5. Отключите заземление, для чего переключите ЗН ТН фазы А в разомкнутое положение;

8.2.2.6. Подайте на ТН высокое напряжение, для этого переключите РТН фазы А в замкнутое положение;

8.2.2.7. Контролируйте напряжение, частоту сети и коэффициент искажения синусоидальности кривой напряжения сети при помощи прибора сравнения, значения которых не должны превышать условий проведения поверки. Если данные требования не обеспечиваются, то поверка трансформатора должна быть прекращена.

8.2.2.8. Снимите измерительную информацию с дисплея прибора сравнения;

8.2.2.9. Установите на магазине нагрузок значение, равное Sном(U1/U1ном) и для данной нагрузки снимите измерительную информацию;

8.2.2.10. Занесите в протокол поверки, рекомендуемая форма которого приведена в Приложении Г, полученные результаты измерений;

8.2.2.11. Снимите высокое напряжение, для чего переключите РТН фазы А в разомкнутое положение;

8.2.2.12. Повторите операции поверки по пунктам 8.2.1.1 - 8.2.1.11 для фазы В;

8.2.2.13. Повторите операции поверки по пунктам 8.2.1.1 - 8.2.1.11 для фазы С.

Примечание - Операции поверки, не указанные в данной рекомендации, в случае необходимости могут выполняться в соответствии с требованиями ГОСТ 8.216.

9. ОБРАБОТКА РЕЗУЛЬТАТОВ ИЗМЕРЕНИЙ

Рассчитайте значения погрешностей поверяемого ТН по напряжению и по угловой погрешности, используя следующие формулы:

- погрешность напряжения поверяемого трансформатора (Δfпов) в процентах и его угловая погрешность (Δδпов) в минутах (радианах) при учете значений погрешностей ЭТН:

Δfпов = Δfизм = Δfэ,                                                                   (1)

Δδпов = Δδизм = Δδэ,                                                                 (2)

где Δfизм - отсчет по шкале погрешности напряжения прибора сравнения, %;

Δδизм - отсчет по шкале угловой погрешности прибора сравнения, мин (рад);

Δfэ, Δδэ - значения погрешности напряжения в процентах и угловой погрешности в минутах (радианах) ЭТН, указанные в протоколе его поверки.

- погрешность поверяемого трансформатора без учета погрешности ЭТН:

Δfпов = Δfизм                                                                                                                               (3)

Δδпов = Δδизм                                                                           (4)

При получении неудовлетворительного значения хотя бы одной из погрешностей процедура поверки прекращается, поверяемый ТН бракуется.

Трансформаторы считают прошедшими поверку, если значения погрешностей, определённые при поверке по формулам (1), (2), (3), (4), не превышают допускаемых значений погрешностей, соответствующих их классу точности, установленному в нормативной документации на данные типы ТН.

Примечание - Формулы (1) и (2) необходимо использовать при поверке ТН классов точности 0,2 ЭТН класса точности 0,1. При этом необходимо, чтобы ЭТН класса точности 0,1 имел протокол поверки по эталонной установке класса точности не хуже 0,05 %.

10. ОФОРМЛЕНИЕ РЕЗУЛЬТАТОВ ПОВЕРКИ

10.1. Положительные результаты периодической поверки оформляют выдачей свидетельства о поверке с нанесением поверительного клейма. Рекомендуемая форма свидетельства о поверке приведена в приложении Д.

10.2. Трансформаторы напряжения, не удовлетворяющие требованиям настоящей методики, к применению не допускают, свидетельство аннулируют, клеймо гасят и выдают извещение о непригодности к применению с указанием основных причин. Рекомендуемая форма извещения о непригодности к применению приведена в приложении Е.

ПРИЛОЖЕНИЕ А
Схемы расположения оборудования при поверке

ТНЛ (ф. А, В, С) - трансформатор напряжения линии (фазы А, В, С);

ЗН ШР В (ф. А, В, С - заземляющий нож шинного разъединителя выключателя (фазы А В, С);

ШР В (ф. А, В, С) - шинный разъединитель выключателя (фазы А, В, С);

В (ф. А, В, С) - выключатель (фазы А, В, С);

ТТ (ф. А, В, С) - трансформатор тока (фазы А, В. С);

ЗН ЛР В1 (ф. А, В, С) - заземляющий нож линейного разъединителя выключателя фазы А, В, С соответственна

ЛР В (ф. А, В, С) - линейный разъединитель выключателя(фазы А, В, С);

Рис. 1 - Схема расположения оборудования при поверке трансформаторов напряжения линии

 


Передвижная поверочная лаборатория

ЗН РТН (ф. А, В, С) - заземляющий нож резервного трансформатора напряжения(фазы А, В, С);

РТН (ф. А, В, С) - резервный трансформатор напряжения (фазы А, В, С;

ТН(ф. А, В, С) - трансформатор напряжения (фазы А, В, С);

ЭТН - эталонный трансформатор напряжения

ППЛ - передвижная поверочная лаборатория

Рис. 2 - Схема расположения оборудования при поверке шинных трансформаторов напряжения 


ПРИЛОЖЕНИЕ Б
Схема подключения оборудования при поверке трансформаторов напряжении линии на месте эксплуатации в случае трехфазной работы разъединителей

ЭТН - эталонный трансформатор напряжения;

2 СШ ГНЛ (ф.А, В, С) - трансформаторы напряжения (фазы А, В, С);

ШР В (ф. А, В, С) - шинные разъединители выключателя(фазы А, В, С);

ЗН ШР 1 в ст. В (ф. А, В, С) - заземляющие ножи шинных разъединителей в сторону выключателей (фазы А, В, С);

ЛР В1, ЛР В2 - линейные разъединители выключателей B1 и В2;

ЗН ЛР В1 в ст. В (ф. А, В, С) - заземляющие ножи линейных разъединителей в сторону выключателей (фазы А, В, С);

ЗН ЛР В1 в ст. ВЛ, ЗН ЛР В2 в ст. ВЛ -заземляющие ножи линейных разъединителей в сторону линии;

В (ф. А, В, С) - выключатель (фазы А, В,С);

ТТ (ф. А, В, С) - трансформаторы тока (фазы А, В, С);

1 СШ, 2 СШ - системы шин

ПРИЛОЖЕНИЕ В
Схема поверки шинных трансформаторов напряжения на месте эксплуатации

ЭТН - эталонный трансформатор напряжения ;

ТН (ф. А, В, С) - трансформаторы напряжения (фазы А, В, С);

РТН (ф.А, В, С) - разъединители трансформаторов напряжения (фазы А, В, С);

ЗН ТН (ф. А, В, С) - заземляющие ножи трансформаторов напряжения (фазы А, В, С);

РЗШ (ф. А, В, С) - разъединители заземляющие шинные(фазы А, В, С).

ПРИЛОЖЕНИЕ Г
(Рекомендуемое)
Форма протокола поверки

ПРОТОКОЛ №

Первичное напряжение, В

Значение мощности вторичной нагрузки ТН, В∙А

Отсчетные данные прибора сравнения

Погрешности эталонного трансформатора

Погрешности поверяемого трансформатора с учетом (без учета) погрешности эталонного трансформатора

Δf изм, %

Δδ изм, мин (рад)

Δfэ, %

Δδэ, мин (рад)

Δf пов, %

Δδ пов, мин (рад)

 

0,25SНОМ

 

 

 

 

 

 

 

 

 

SНОМ

 

 

 

 

 

 

ПРИЛОЖЕНИЕ Д
(Рекомендуемое)
Форма свидетельства о поверке

Свидетельство о поверке №____________________

Действительно до____________

Средство измерений_________________________________________________

 

Наименование, тип

Заводской номер___________________________________________________

Принадлежащее____________________________________________________

__________________________________________________________________

Установлено_______________________________________________________

Класс точности_____________________________________________________

Коэффициент трансформации________________________________________

Номинальная вторичная нагрузка______________________________________

поверено и на основании результатов периодической поверки признано пригодным к применению____________________________________________

__________________________________________________________________

__________________________________________________________________

Поверительное клеймо

Начальник отдела

_____________________

 

 

Подпись

И. О. Фамилия

Поверитель

 

 

 

Подпись

И. О. Фамилия

«____»________________г.

Примечание - Оборотная сторона свидетельства в случае необходимости протоколом, форма которого приведена в Приложении Г.

ПРИЛОЖЕНИЕ Е
(Рекомендуемое)
Форма извещения о непригодности к применению №

Извещение о непригодности к применению №______________

Средство измерений___________________________________________________________

 

Наименование, тип

Заводской номер____________________________________________________

Принадлежащее_____________________________________________________

___________________________________________________________________

Установлено________________________________________________________

Класс точности______________________________________________________

Коэффициент трансформации_________________________________________

Номинальная вторичная нагрузка______________________________________

поверено и на основании результатов периодической поверки признано непригодным применению в сферах распространения государственного метрологического контроля надзора____________________________________

___________________________________________________________________

___________________________________________________________________

Начальник отдела

__________________________

 

 

Подпись

И. О. Фамилия

Поверитель

__________________________

 

 

Подпись

И. О. Фамилия

«____»________________г.

 

 




ГОСТЫ, СТРОИТЕЛЬНЫЕ и ТЕХНИЧЕСКИЕ НОРМАТИВЫ.
Некоммерческая онлайн система, содержащая все Российские Госты, национальные Стандарты и нормативы.
В Системе содержится более 150000 файлов нормативно-технической документации, действующей на территории РФ.
Система предназначена для широкого круга инженерно-технических специалистов.

Рейтинг@Mail.ru Яндекс цитирования

Copyright © www.gostrf.com, 2008 - 2026