Крупнейшая бесплатная информационно-справочная система онлайн доступа к полному собранию технических нормативно-правовых актов РФ. Огромная база технических нормативов (более 150 тысяч документов) и полное собрание национальных стандартов, аутентичное официальной базе Госстандарта. GOSTRF.com - это более 1 Терабайта бесплатной технической информации для всех пользователей интернета. Все электронные копии представленных здесь документов могут распространяться без каких-либо ограничений. Поощряется распространение информации с этого сайта на любых других ресурсах. Каждый человек имеет право на неограниченный доступ к этим документам! Каждый человек имеет право на знание требований, изложенных в данных нормативно-правовых актах!

  


 

УТВЕРЖДАЮ

Зам. генерального директора

По производству ТРГ

ЗАО «НОВОМЕТ Пермь»

__________О.Ю. Исаев

«_____» ________ 2003 г

ИНСТРУКЦИЯ № 2.2.

по монтажу плетеной сальниковой графитовой набивки для арматуры, работающей при давлениях до 40 МПа и температуре до 600 °С.

Содержание

1. ОБЩИЕ УКАЗАНИЯ

1.1. Настоящая инструкция распространяется на плетеные графитовые набивки НГ-100 (НГ-Л) и НГ-200 (НГ-Н), предназначенные для герметизации подвижных и неподвижных сальниковых уплотнений пароводяной арматуры, работающей при температуре до 600 °С.

Графитовая набивка, армированная лавсановой нитью марки НГ-100 (НГ-Л) применяется для уплотнения арматуры с рабочим давлением не более 25 МПа.

Графитовая набивка, армированная нержавеющей проволокой марки НГ-200 (НГ-Н) - для арматуры с рабочим давлением не более 35 МПа.

1.2. Рекомендуемое количество колец из набивки в пакете 6-8 штук в зависимости от давления рабочей среды и режима работы арматуры.

При давлении до 25 МПа - 6 колец для запорной и регулирующей арматуры.

При давлении до 35 МПа - 6 колец для запорной и 8 колец для регулирующей арматуры.

Не допускается установка колец с полным заполнением сальниковой камеры.

Во время установки необходимо раздельно обжимать каждое кольцо грундбуксой с использованием разрезной удлинительной втулки, либо устанавливать кольца, предварительно обжатые в прессформе соответствующего размера.

1.3. Для изготовления колец заданного диаметра из плетеной набивки предпочтительна намотка необходимого количества витков на подготовленный заранее деревянный цилиндр диаметром, равный диаметру штока, закрепление концов скотчем и разрезание набивки под углом 45° одним резом.

Метод отрезания предварительно вычисленной длины кольца по формуле L = π×(d + S) (где d - диаметр штока, S - сечение набивки) дает ошибку на 2 - 8 мм в зависимости от диаметра штока. Стыки колец при этом получаются некачественными, поэтому необходимо учитывать поправочный коэффициент k = 1,07.

Формула для вычисления длины заготовки (Рис. 1): L = 1,07×π×(d + S)

Рис. 1

1.4. Набивки НГ-100 (НГ-Л) и НГ-200 (НГ-Н), при обеспечении оптимального выбора конструкции и усилия сжатия сальника, обеспечивает ресурс работы уплотнения не менее 10000 циклов в течение 4 лет.

2. УКАЗАНИЕ МЕР БЕЗОПАСНОСТИ.

2.1. К работе по набивке сальниковых уплотнений допускаются работники, изучившие инструкцию по монтажу.

2.2. При работе арматуры парение через сальник не допускается.

3. ПОДГОТОВКА К СБОРКЕ САЛЬНИКОВОГО УЗЛА.

3.1. Очистить сальниковую камеру от грязи и старой набивки, убедиться в отсутствии изгиба шпинделя и следов коррозии.

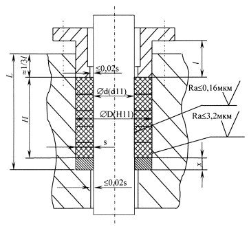
3.2. Зазор между штоком, грундбуксой, корпусом и подсальниковым кольцом, а также шероховатость поверхности штока не должна превышать показателей указанных на Рис. 2. При наличии эксцентриситета между осями шпинделя и камеры сальника его необходимо устранять. Изгиб шпинделя (штока) не допускается.

ВНИМАНИЕ: Не допускается применения корродированного (поврежденного) штока (шпинделя).

Рис. 2

3.3. Поверхности грундбуксы, подсальникового кольца или дна сальниковой камеры не должны иметь скошенных торцов, сколов и фасок. Острые кромки притупить, но не закруглять.

3.4. Если сальниковая камера имеет большую глубину, изготовить по месту подсальниковое кольцо. Высота подсальникового кольца x определяется как разность между глубиной сальниковой камеры L и суммой высоты сальникового пакета Н, состоящего из 6 - 8 колец набивки, подпрессованных на 30% и 1/3 длины рабочей части грундбуксы l.

(Рис.2).

x = L - (H + l/3l)

Наружный и внутренний диаметры подсальникового кольца вычисляется по формулам;

Dк = D - 0,2 (мм)

dк = d + 0,2 (мм)

Пример:

Среда -

пар;

Давление -

20 МПа;

Температура -

300°C;

Размеры узла сальника:

Ø штока -

30 мм;

Ø камеры -

46 мм;

глубина камеры -

100 мм;

длина рабочей части грундбуксы -

40 мм;

Для уплотнения используем 8 колец набивки НГ-200 (НГ-Н) размером 8×8 мм;

Начальная высота сальникового пакета -

8×8 = 64 мм;

Уплотненного на 30% -

64 - 64×0,3 = 44,8 мм ≈ 45 мм;

1/3 длины рабочей части грундбуксы -

1/3×40≈13 мм;

Необходимая глубина сальниковой камеры -

45 + 13 = 58 мм;

Высота подсальникового кольца -

100 - 58 = 42 мм

3.5. Для уменьшения адгезии (налипания) графита поверхность штока натереть графитом марки ГС-1 ГОСТ 8295-73.

4. ПОРЯДОК СБОРКИ САЛЬНИКОВОГО УЗЛА.

4.1. Определить усилие затяжки сальника Q (кг):

Q = 2Ppa6 × Fc

где Рраб - давление рабочей среды в трубопроводе, кг/см2;

Fc - площадь сальника, см2.

Примечание: при Рраб < 100 кг/см2, Рраб принимается равным 100 кг/см2.

ВНИМАНИЕ: при затяжке перекос грундбуксы не допускается.

4.2. Каждое кольцо при установке в сальниковую камеру обжать усилием Q грундбуксой с использованием разрезной удлинительной втулки, либо устанавливать кольца, предварительно обжатые в соответствующей прессформе.

4.3. Непосредственно весь комплект обжать усилием Q.

4.4. Сделать 5-6 циклов «верх-низ» перемещений шпинделя на величину большую, чем высота сальника для распределения усилия затяжки по высоте сальникового пакета.

4.5. Вновь обжать сальниковый пакет усилием Q.

4.6. Повторить п.п. 4.4 и 4.5 до прекращения ослабления затяжки болтов после п.п. 4.4.

4.7. Допускается вместо замера усилия обжатия сальника контроль вести по изменению высоты. После установки каждого кольца необходимо обжимать пакет разрезной удлинительной втулкой на величину 20÷30 % от первоначальной высоты пакета Н0 = N*S, где N - количество установленных в данный момент колец, S - начальный размер сечения набивки.

4.8. Окончательное обжатие сальникового уплотнения рекомендуется производить после заполнения трубопровода водой, т.к. при гидроопрессовке может иметь место выброс воздуха, скапливающегося в верхней части арматуры через уплотнение.

4.8. Окончательное обжатие всего пакета на 43÷45 % от полной первоначальной высоты Но осуществляется в 2 этапа с выполнением после каждого этапа п.п. 4.4.

5. РАБОТА САЛЬНИКОВОГО УПЛОТНЕНИЯ.

5.1. Для обеспечения длительной герметичности набивки желательно после незначительного времени эксплуатации арматуры на рабочих параметрах во время ее останова провести дополнительную подтяжку болтов грундбуксы еще на 10 % высоты пакета, т.е. на величину 0,1×N×S, где

N - количество колец;

S - размер набивки

5.2. Набивка НГ-100 (НГ-Л) и НГ-200 (НГ-Н) может вызвать электрохимическую коррозию контактирующего с ним металла, поэтому при хранении арматуры зоны контакта необходимо смазать ингибиторами коррозии типа К-17, НГ-203Б, M1.

6. ТРАНСПОРТИРОВАНИЕ И ХРАНЕНИЕ

6.1. Набивку НГ-100 (НГ-Л) и НГ-200 (НГ-Н) можно транспортировать любым видом транспорта закрытого типа, с соблюдением действующих правил перевозки грузов.

6.2. Набивка упаковывается в закрытую тару.

6.3. Сбрасывание коробок и ящиков с набивкой категорически запрещается.

6.4. Условия хранения набивки должны соответствовать группе "С" ГОСТ 15150-69.

 

 




ГОСТЫ, СТРОИТЕЛЬНЫЕ и ТЕХНИЧЕСКИЕ НОРМАТИВЫ.
Некоммерческая онлайн система, содержащая все Российские Госты, национальные Стандарты и нормативы.
В Системе содержится более 150000 файлов нормативно-технической документации, действующей на территории РФ.
Система предназначена для широкого круга инженерно-технических специалистов.

Рейтинг@Mail.ru Яндекс цитирования

Copyright © www.gostrf.com, 2008 - 2026