Крупнейшая бесплатная информационно-справочная система онлайн доступа к полному собранию технических нормативно-правовых актов РФ. Огромная база технических нормативов (более 150 тысяч документов) и полное собрание национальных стандартов, аутентичное официальной базе Госстандарта. GOSTRF.com - это более 1 Терабайта бесплатной технической информации для всех пользователей интернета. Все электронные копии представленных здесь документов могут распространяться без каких-либо ограничений. Поощряется распространение информации с этого сайта на любых других ресурсах. Каждый человек имеет право на неограниченный доступ к этим документам! Каждый человек имеет право на знание требований, изложенных в данных нормативно-правовых актах!

  


 

УТВЕРЖДАЮ

Зам. генерального директора

По производству ТРГ

ЗАО «НОВОМЕТ Пермь»

__________О.Ю. Исаев

«_____» ________ 2003 г

ИНСТРУКЦИЯ 2.5.

по монтажу и эксплуатации сальниковых колец из терморасширенного графита (ТРГ) для арматуры, работающей при температуре от минус 200°С до плюс 600°С и давлении до 40 МПа.

СОДЕРЖАНИЕ

1. ОБЩИЕ УКАЗАНИЯ

1.1. Настоящая инструкция распространяется на кольца уплотнительные из терморасширенного графита (ТРГ), предназначенные для герметизации подвижных и неподвижных сальниковых уплотнений арматуры, работающей при температуре от минус 200°С до плюс 600°С и давлении до 40 МПа.

Кольца исполнения Н (плотностью менее 1,3 г/см3) применяются для арматуры с рабочим давлением не более 6,4 МПа.

Кольца исполнения А (плотностью 1,3÷1,5 г/см3) применяются для арматуры с рабочим давлением не более 14 МПа.

Кольца исполнения Б (плотностью 1,5÷1,7 г/см3) применяются для арматуры с рабочим давлением не более 25 МПа., с запорными кольцами исполнения В - до 40 МПа.

Кольца исполнения В (плотностью более 1,7 г/см3) и С (слоеные типа «сэндвич») используются для арматуры с рабочим давлением не более 40 МПа в качестве запорных (крайних) колец совместно с шестью кольцами исполнения Б.

1.2. Характеристики уплотнительных колец отображены в паспорте качества на каждую партию продукции в соответствии с ТУ 5728-001-12058737-2005. К использованию допускаются партия колец, имеющая паспорт качества и прошедшая входной контроль.

1.3. Рекомендуемое количество колец в пакете 5-6 штук в зависимости от давления рабочей среды и условного прохода арматуры.

При давлении до 25 МПа:

при условном проходе Dy ≤ 100 мм - 5 колец;

при условном проходе Dy ≤ 100 мм - 6 колец.

При давлении до 40 МПа - 4 кольца плюс 2 ограничительных кольца ТРГ исполнения В или С.

Для запорных и регулирующих клапанов производства Чеховского завода энергетического машиностроения при условном проходе до Dy 50 ограничительные кольца не требуются.

Не допускается установка колец с полным заполнением сальниковой камеры.

Если сальниковая камера имеет большую глубину, изготовить по месту подсальниковое кольцо.

1.4. Кольца ТРГ, при обеспечении оптимального выбора конструкции и усилия сжатия сальника, обеспечивает ресурс работы уплотнения не менее 10 000 циклов в течение 4 лет.

1.5. Повторное использование уплотнительных колец возможно, если кольца не имеют механических повреждений.

2. УКАЗАНИЕ МЕР БЕЗОПАСНОСТИ.

2.1. К работе по установке сальниковых уплотнений из колец допускаются работники, изучившие инструкцию по монтажу.

2.2. При работе арматуры парение через сальник не допускается.

3. ПОДГОТОВКА К СБОРКЕ САЛЬНИКОВОГО УЗЛА.

3.1. Перед установкой пакета уплотнительных колец в сальниковую камеру, поверхности шпинделя и камеры очистить от грязи, убедиться в отсутствии изгиба шпинделя и следов коррозии.

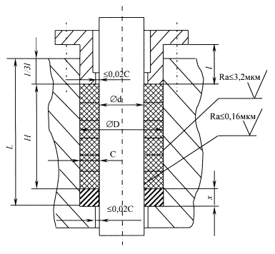
3.2. Зазор между штоком, грундбуксой, корпусом и подсальниковым кольцом не должен превышать 2% от ширины сечения кольца, но быть не больше 0,5 мм (рис. 1).

Шероховатость поверхности штока не должна превышать показателей указанных на Рис. 1.

3.3. При наличии эксцентриситета между осями шпинделя и камеры сальника его необходимо устранять. Изгиб шпинделя (штока) не допускается.

ВНИМАНИЕ: Не допускается применения корродированного (поврежденного) штока (шпинделя)

Рис. 1

3.4. Поверхности грундбуксы, подсальникового кольца, не должны иметь сколов и фасок Острые кромки притупить, но не закруглять, не рекомендуется применение грундбуксы и подсальникового кольца со скошенными торцами (15°).

3.5. Высота подсальникового кольца χ определяется как разность между глубиной сальниковой камеры L и суммой высоты сальникового пакета Н, состоящего из 6-8 колец ТРГ и 1/3 длины рабочей части грундбуксы l. (Рис.1).

χ = L - (H + 1/3l)

Внутренний и наружный диаметр подсальникового кольца вычисляется по формулам;

Dk = D - 0,2 (мм)

dk = d + 0,2 (мм)

3.6. Для уменьшения адгезии (налипания) графита на контактирующие с ним поверхности штока, грундбуксы, кольца сальника, эти поверхности натереть графитом марки ГС ГОСТ 8295-73.

4. ПОРЯДОК СБОРКИ САЛЬНИКОВОГО УЗЛА.

4.1. Обжать сальниковое уплотнение усилием Q (кг):

Q = 2Ppa6×Fc

где Рраб - давление рабочей среды в трубопроводе, кг/см2;

Fc - площадь сальника, см2.

Примечание: при Рраб < 100 кг/см2, Рраб принимается равным 100 кг/см2.

ВНИМАНИЕ: при затяжке перекос грундбуксы не допускается.

4.2. Сделать 5-6 циклов «верх-низ» перемещений шпинделя на величину большую, чем высота сальника для распределения усилия затяжки по высоте сальникового пакета.

4.3. Вновь обжать сальниковый пакет усилием Q.

4.4. Повторить п.п. 4.2 и 4.3 до прекращения ослабления затяжки болтов после п. 4.2.

4.5. Допускается вместо замера усилия обжатия сальника контроль вести по изменению высоты пакета.

Расчет изменения высоты пакета колец можно произвести по формуле, указанной в РД 153-34.1-39.605-2002:

где: Н - первоначальная высота пакета колец; мм

ρ - плотность колец ТРГ, г/ см3

При условиях, указанных в данной инструкции, изменение высоты пакета ΔН составляет:

- для пакета колец исполнения A и Б: ΔH = 0,09H

- для пакета колец исполнения Б с ограничительными кольцами В при расчете ΔН учитывать только высоту колец исполнения Б: ΔН = 0,11Нб

-для пакета колец исполнения Б с ограничительными кольцами С ΔН = ΔНб + ΔНс, где

ΔНб - изменение высоты колец Б: ΔНб = 0,11Нб, а ΔНс - изменение высоты колец

С: ΔНс = 0,2Нс

При установке необходимо произвести первоначальную затяжку болтов на 1/2 величины обжатия пакета ΔН.

4.6. Выполнить несколько перемещений штоком согласно п. 4.2.

4.7. Провести подтяжку на 1/4 ΔН.

4.8. Выполнить несколько перемещений штоком согласно п. 4.2.

4.9. Провести окончательную затяжку на оставшуюся величину 1/4 ΔН и повторить п. 4.2.

5. РАБОТА САЛЬНИКОВОГО УПЛОТНЕНИЯ.

5.1 Кольца ТРГ практически не выгорают и дополнительная подтяжка сальника не требуется, однако если имеет место значительный вынос сальника при движении штока, необходимо периодически проверять усилие сжатия сальника.

6. ТРАНСПОРТИРОВАНИЕ И ХРАНЕНИЕ.

6.1. Кольца ТРГ можно транспортировать любым видом транспорта закрытого типа, с соблюдением действующих правил перевозки грузов.

6.2. Кольца упаковываются в закрытую тару.

6.3. Сбрасывание коробок и ящиков с кольцами категорически запрещается.

6.4. Условия хранения колец должны соответствовать группе "С" ГОСТ 15150-69.

 

 




ГОСТЫ, СТРОИТЕЛЬНЫЕ и ТЕХНИЧЕСКИЕ НОРМАТИВЫ.
Некоммерческая онлайн система, содержащая все Российские Госты, национальные Стандарты и нормативы.
В Системе содержится более 150000 файлов нормативно-технической документации, действующей на территории РФ.
Система предназначена для широкого круга инженерно-технических специалистов.

Рейтинг@Mail.ru Яндекс цитирования

Copyright © www.gostrf.com, 2008 - 2026