|
|
Трубы чугунные высокопрочные для систем Технические условия
Держатель подлинника - ОАО ЛМЗ «Свободный сокол» Дата введения с
Содержание 1 Область примененияНастоящие технические условия распространяются на трубы чугунные напорные высокопрочные, изготовленные из чугуна с шаровидным графитом (ЧШГ) и предназначенные для систем безнапорной ливневой канализации. Настоящие технические условия применимы к трубам из ЧШГ, которые изготовлены центробежным способом литья с раструбными концами и различными типами соединения в трубопроводе: - соединением «Универсал»; - соединением «Тайтон»; - соединением «ВРС». Настоящие технические условия
содержат технические требования на материалы, размеры, допуски, механические
свойства, методы испытания труб с диаметром условного прохода (Dу) от 100 до Трубопроводы и трубы могут испытывать большие диаметральные прогибы при эксплуатации, сохраняя все функциональные характеристики, что позволяет им выдерживать большую толщину почвенного покрытия и большие дорожные нагрузки. Трубы в сборе должны выдерживать гидравлическое давление не менее 0,2 МПа (2 кгс/см2). Раструбное соединение
(«Универсал», «Тайтон», «ВРС») не является жестким и позволяет отклоняться
соединенным трубам на угол до 5° для труб с Dу 100- Изготовитель поставляет: - трубы раструбные под соединение «Универсал» с внутренним и наружным покрытием или без покрытий; - трубы раструбные под соединение «Тайтон» с внутренним и наружным покрытием или без покрытий; - трубы раструбные под соединение «ВРС» с внутренним и наружным покрытием или без покрытий; - уплотнительные резиновые кольца под соединение «Универсал» и «Тайтон» и «ВРС»; - стопора (левый и правый) под соединение «ВРС». При заказе на поставку труб необходимо указывать условный диаметр внутреннего прохода и длину труб. Примеры условных обозначений труб и уплотнительных колец: Труба раструбная под
соединение «Универсал», мерной длины ( - труба раструбная ЧШГУ-300×6000. ТУ 1461-064-50254094-2003. Труба раструбная
под соединение «Тайтон», мерной длины ( - труба раструбная ЧШГТ-150×6000. ТУ 1461-064-50254094-2003. Труба раструбная под
соединение «ВРС», мерной длины ( - труба раструбная ЧШГВ-250×6000. ТУ 1461-064-50254094-2003. Уплотнительное резиновое кольцо под соединение «Универсал» Dу 300 мм: - резиновое кольцо У-300. ТУ 1461-064-50254094-2003. Уплотнительное резиновое кольцо под соединение «Тайтон» Dу 300 мм: - резиновое кольцо Т-300. ТУ 1461-064-50254094-2003. Уплотнительное резиновое кольцо под соединение «ВРС» Dу 300 мм: - резиновое кольцо В-300. ТУ 1461-064-50254094-2003. Стопора из высокопрочного
чугуна для труб условного прохода Dу - стопора ЧШГ 200. ТУ 1461-064-50254094-2003. 2 Нормативные ссылкиВ настоящих технических условиях использованы ссылки на следующие стандарты: ИСО 2531:98 Трубы, фитинги, арматура и их соединения из чугуна с шаровидным графитом для водо- и газоснабжения. ГОСТ 1497-84 Металлы. Методы испытаний на растяжение. ГОСТ 5631-79 Лак БТ-577 и краска БТ-177. Технические условия. ГОСТ 7293 Чугун с шаровидным графитом для отливок. ГОСТ 9012-59 Металлы. Методы испытаний. Измерение твердости по Бринелю. ГОСТ 10692-80 Трубы стальные, чугунные и соединительные части к ним. Маркировка, упаковка, транспортирование, хранение. ГОСТ 27208-87 Отливки из чугуна. Методы механических испытаний. СНиП 2.04.02-84 Водоснабжение. Наружные сети и сооружения. СНиП 3.05.04-85 Наружные сети и сооружения водоснабжения и канализации. СНиП III-4-80 Техника безопасности в строительстве. 3 ОпределенияВ настоящих технических условиях используются следующие определения: 3.1 высокопрочный чугун с шаровидным графитом: Тип чугуна, в котором графит присутствует преимущественно в шаровидной форме. 3.2 труба: Отливка с равномерным каналом, с прямой осью, имеющая гладкий, раструбный или фланцевый концы. 3.3 раструб: Охватывающий конец трубы. 3.4 гладкий конец: Конец трубы, помещаемый в раструбное соединение. 3.5 условный проход (Dу): Округленное цифровое обозначение условного размера, которое является общим для всех компонентов трубопроводной системы. 3.6 партия: Количество труб, из которого выбирается образец для испытаний. 4 Технические требования4.1 Трубы и стопора из высокопрочного чугуна с шаровидным графитом должны соответствовать требованиям настоящих технических условий. 4.2 Трубы должны изготавливаться из высокопрочного чугуна с шаровидным графитом (ЧШГ). 4.3 Твердость металла не должна превышать 230 НВ для труб и 250 НВ для стопоров. 4.4 Механические свойства металла труб и стопоров, определяемые при испытании образцов на растяжение, должны быть не менее: - Временное сопротивление σв, МПа (кгс/мм) 420 (42) - Условный предел текучести σт, МПа (кгс/мм2) 300 (30) - Относительное удлинение δ, % 5,0 Примечание - Величина предела текучести контролируется по требованию потребителя. 4.5 На наружной и внутренней поверхностях труб допускаются пороки, обусловленные способом производства и не влияющие на эксплуатационные характеристики трубопровода. 4.6 На внутренней поверхности раструба в месте расположения резинового уплотнительного кольца не допускаются наплывы металла. Допускаются раковины, не влияющие на герметичность зоны уплотнения. 4.7 Трубы не должны иметь отклонение от прямолинейности на величину более 0,125 % от их длины. 4.8 Размеры и масса труб, стопоров и уплотнительных резиновых колец должны соответствовать величинам, указанным в таблицах А.1-А.10 и на рисунках А.1-А.10 (приложение А). 4.9 Трубы раструбные под соединение «Универсал» и «Тайтон» и «ВРС» поставляются мерной длиной (L), (5800, 6000±30) мм. Примечания: 1) Допускается увеличение мерной
длины труб 2) По
заказу потребителя трубы могут быть изготовлены любой длины от 1 до При поставке труб одной мерной длины допускается поставка до 10% труб другой мерной длины с определением общей длины поставляемых труб путем суммирования эффективных длин труб. 4.10 Предельные отклонения по толщине стенки трубы (S) и по наружному диаметру цилиндрической части (DH) не должны превышать величин, указанных в таблицах А.1-А.6 и рисунках А.1-А.6 (приложение А). Положительный допуск на величину толщины стенки трубы ограничивается допуском на массу трубы. 4.11 Отклонение фактической массы труб от теоретической не должно превышать ±10%. Примечание - Допускается превышение максимальной массы трубы при соблюдении всех остальных требований настоящих технических условий. 4.12 Трубы под соединение «Универсал» и «Тайтон» поставляются потребителю в комплекте с уплотнительными резиновыми кольцами. Трубы под соединение «ВРС» поставляются потребителю в комплекте с уплотнительными резиновыми кольцами и стопорами. Состав материала и свойства уплотнительных резиновых колец регламентируются технической документацией предприятия-изготовителя. 4.13 Торец гладкого конца трубы должен иметь с наружной стороны фаску для монтажа и демонтажа труб. 4.14 Наружная поверхность труб, поставляемых с покрытием, должна быть защищена битумным лаком по ГОСТ 5631 или другим нетоксичным материалом. 4.15 На внутреннюю поверхность труб может быть нанесено внутреннее цементно-песчаное покрытие, состоящее из смеси цемента, песка и воды. В случае нанесения на внутреннюю поверхность труб цементно-песчаного покрытия его оптимальная толщина (S1) должна соответствовать величинам, указанным в таблицах 2, 4, 6. На поверхности внутреннего цементно-песчаного покрытия допускаются шероховатости, трещины, наплывы металла и покрытия, а также местное отслоение и обрушение покрытия, обусловленное способом нанесения этого покрытия и не влияющее на эксплуатационные характеристики труб. 4.16 Допускается ремонт поврежденных или некачественных участков цементно-песчаного покрытия. 4.17 На внутреннюю поверхность и торцевую часть раструба труб наносится краска желтого цвета. 5 Правила приемки5.1 Трубы и стопора предъявляются к приемке партиями. Количество проверяемых в партии отливок устанавливается предприятием-изготовителем. 5.2 Трубы из ВЧШГ подвергаются следующим видам контроля: - визуальный контроль; - измерительный контроль; - неразрушающий контроль; - контроль твердости; - контроль механических свойств. 5.3 Осмотру, измерительному контролю и гидроиспытанию должна быть подвергнута каждая труба. 5.4 Проверка твердости и механических свойств металла труб проводится на образцах, изготовленных из любой трубы в проверяемой партии. Проверка твердости и механических свойств металла стопоров проводится на одном изделии от партии или отдельно отлитом образце. 5.5 При получении неудовлетворительных результатов испытаний хотя бы по одному из показателей, производятся повторные испытания по этому показателю удвоенного количества образцов взятых от той же партии. Результаты повторных испытаний распространяются на всю партию. Допускается в случае неудовлетворительных результатов повторных испытаний подвергать каждое изделие поштучному контролю по невыполняемому показателю. 6 Методы испытаний6.1 Для контроля свойств металла труб от гладкого конца отобранной трубы отрезают кольцо, из которого изготавливают образцы для проведения механических испытаний и определения твердости. Для контроля механических свойств металла стопоров применяют отдельно отлитые заготовки согласно ГОСТ 7293 или образцы, изготовленные из деталей. 6.2 Изготовление и испытание образцов проводятся согласно ГОСТ 1497 и ГОСТ 27208. 6.3 Испытание на твердость металла труб и стопоров проводится по ГОСТ 9012. 6.4 Неразрушающий контроль проводится по методике завода-изготовителя. 6.5 Осмотр труб производится визуально. 6.6 Гидравлическое испытание труб проводится по методике, изложенной в ИСО 2531. 6.7 Геометрические размеры труб контролируются стандартными мерительными инструментами или инструментом, изготовленным по чертежам завода- изготовителя. 6.8 Проверка прямолинейности труб проводится визуально. В случае сомнения, отклонение может быть измерено поверочной линейкой и щупами или другими методами по методике завода-изготовителя. 6.9 Контроль качества цементно-песчаного покрытия производится визуально. 7 Маркировка, упаковка, транспортирование и хранение7.1 Упаковка, транспортирование и хранение труб, оформление документации должно производиться в соответствии с требованиями ГОСТ 10692-80. 7.2 Трубы должны быть маркированы краской или иметь литую маркировку на раструбе. На трубе должны быть нанесены следующие обозначения: - товарный знак предприятия-изготовителя; - диаметр условного прохода; - тип уплотнительного кольца (соединения); - обозначение, что материалом трубы является чугун с шаровидной формой графита (ЧШГ). 7.3 При перевозке труб автотранспортом длина свисающих концов не должна превышать одного метра. 7.4 Хранение труб на складах и строительных площадках должно производиться в штабелях, уложенных на ровных площадках. Нижние и последующие ряды укладываются на прокладки. Раструбы в каждом ряду должны быть направлены попеременно в противоположные стороны. Допускается складирование труб без прокладок на специальных стеллажах, исключающих раскатывание и повреждение труб. 7.5 При хранении труб высота штабеля не должна превышать 2-х метров. 7.6 Возможна упаковка труб в пакеты с прокладками между рядами по методике завода-изготовителя. 7.7 На каждую отгружаемую потребителю партию труб Поставщик выдает документ о качестве труб, в котором должны быть указаны: наименование предприятия-изготовителя, диаметр труб, их количество и общая длина в метрах, теоретическая масса, тип и количество уплотнительных колец, предел прочности при растяжении, относительное удлинение и твердость металла труб. 7.8 Стопора хранятся в открытой таре, рассортированные по диаметрам. 7.9 Резиновые
кольца должны храниться в закрытых помещениях при температуре от 0°С до 25°С,
на расстоянии не менее Приложение A
|
|||||||||||||||||||||||||||||||||||||||||||||||||||||||||||||||||||||||||||||||||||||||||||||||||||||||||||||||||||||||||||||||||||||||||||||||||||||||||||||||||||||||||||||||||||||||||||||||||||||||||||||||||||||||||||||||||||||||||||||||||||||||||||||||||||||||||||||||||||||||||||||||||||||||||||||||||||||||||||||||||||||||||||||||||||||||||||||||||||||||||||||||||||||||||||||||||||||||||||||||||||||||||||||||||||||||||||||||||||||||||||||||||||||||||||||||||||||||||||||||||||||||||||||||||||||||||||||
|
Dу |
DH |
S |
S1 |
L1 |
Масса раструба, кг |
Масса 1м трубы без раструба (с цем. покрытием), кг |
Масса трубы с раструбом (без цем. покрытия / с цем. покрытием), кг, при расчетной длине L |
|||
|
5800 |
6000 |
|||||||||
|
100 |
118 |
6,0-2,0 |
3 |
85 |
4,6 |
17,5 |
94,5 |
107,8 |
97,6 |
111,4 |
|
150 |
170 |
6,0-2,0 |
3 |
90 |
7,8 |
25,8 |
144,1 |
163,2 |
148,8 |
168,6 |
|
200 |
222 |
6,3-2,0 |
3 |
89 |
10,5 |
35,5 |
192,6 |
220,5 |
198,9 |
227,7 |
|
250 |
274 |
6,8-2,0 |
3 |
94 |
14,0 |
47,0 |
253,0 |
287,2 |
261,2 |
296,6 |
|
300 |
326 |
7,2-2,0 |
3 |
98 |
18,0 |
59,0 |
320,2 |
361,4 |
330,6 |
373,2 |

Рисунок А.2 - Труба раструбная под соединение «ВРС»
Таблица А.2 Размеры в миллиметрах
|
Dу |
DH |
S |
S1 |
1 |
l1 |
h |
b |
Масса раструба, кг |
Масса 1м трубы без раструба (с цем. покрытием), кг |
Масса трубы с раструбом (без цем. покрытия / с цем. покрытием), кг, при расчетной длине L |
|||
|
5800 |
6000 |
||||||||||||
|
100 |
118 |
6,0-2,0 |
3 |
91 |
135 |
5 |
8±2 |
6,9 |
17,5 |
97,0 |
110,1 |
100,1 |
114,0 |
|
150 |
170 |
6,0-2,0 |
3 |
101 |
150 |
5 |
8±2 |
10,7 |
25,8 |
147,1 |
166,3 |
152,1 |
172,0 |
|
200 |
222 |
6,3-2,0 |
3 |
106 |
160 |
5,5 |
9±2 |
16,8 |
35,5 |
199,1 |
227,1 |
205,3 |
234,0 |
|
250 |
274 |
6,8-2,0 |
3 |
106 |
165 |
5,5 |
9±2 |
23,2 |
47,0 |
262,2 |
297,1 |
270,5 |
306,1 |
|
300 |
326 |
7,2-2,0 |
3 |
106 |
170 |
5,5 |
9±2 |
29,6 |
59,0 |
332,0 |
373,0 |
342,1 |
385,0 |

Рисунок А.3 - Труба раструбная под соединение «Тайтон»
Таблица А.3 Размеры в миллиметрах
|
Dу |
DH |
S |
S1 |
l1 |
Масса раструба, кг |
Масса 1м трубы без раструба (с цем. покрытием), кг |
Масса трубы с раструбом (без цем. покрытия / с цем. покрытием), кг, при расчетной длине L |
|
|||
|
5800 |
6000 |
||||||||||
|
100 |
118 |
6,0-2,0 |
3 |
88 |
4,3 |
17,5 |
94,2 |
107,5 |
97,3 |
111,1 |
|
|
150 |
170 |
6,0-2,0 |
3 |
94 |
7Д |
25,8 |
143,4 |
162,5 |
148,1 |
167,9 |
|
|
200 |
222 |
6,3-2,0 |
3 |
100 |
10,3 |
35,5 |
192,4 |
220,3 |
198,7 |
227,5 |
|
|
250 |
274 |
6,8-2,0 |
3 |
105 |
14,2 |
47,0 |
253,2 |
287,4 |
261,4 |
296,8 |
|
|
300 |
326 |
7,2-2,0 |
3 |
ПО |
18,9 |
59,0 |
321,1 |
362,3 |
331,5 |
374,1 |
|

Рисунок А.4 - Уплотнительное резиновое кольцо (под соединение «Универсал»)
Таблица А.4 Размеры в миллиметрах
|
Dу |
В |
b1 |
b2 |
b3 |
b4 |
h |
h1 |
h2 |
d1 |
d2 |
d3 |
Масса, кг (справочная) |
|
100 |
30 |
10 |
6 |
3 |
6 |
14 |
5 |
7 |
133 |
105 |
146 |
0,174 |
|
150 |
33 |
10 |
7 |
3 |
6 |
15 |
5 |
7 |
186 |
156 |
200 |
0,292 |
|
200 |
33 |
10 |
7 |
3 |
12 |
17 |
5 |
8,5 |
242 |
208 |
255 |
0,442 |
|
250 |
34 |
10 |
7 |
3 |
12 |
17 |
5 |
9 |
294 |
260 |
307 |
0,560 |
|
300 |
35 |
10 |
7 |
3 |
12 |
17 |
5 |
9,5 |
346 |
312 |
359 |
0,673 |

Рисунок А. 5 - Уплотнительное резиновое кольцо (под соединение «ВРС»)
Таблица А. 5 Размеры в миллиметрах
|
Dу |
d1 |
d2 |
d3 |
d4 |
b |
t1 |
t2 |
R1 |
Масса, кг (справочная) |
|
100 |
146,5 |
134,5 |
99,5 |
140,5 |
30 |
5,5 |
14,3 |
5 |
0,17 |
|
150 |
203,5 |
189,5 |
151 |
196 |
32 |
5,5 |
15,3 |
5,5 |
0,41 |
|
200 |
260 |
244 |
202 |
250 |
33 |
5,5 |
15,3 |
6 |
0,50 |
|
250 |
315 |
299 |
257 |
305 |
33 |
5,5 |
15,3 |
6 |
0,63 |
|
300 |
369 |
353 |
311 |
359 |
33 |
5,5 |
15,3 |
6 |
0,95 |

Рисунок А.6 - Уплотнительное резиновое кольцо (под соединение «Тайтон»)
Таблица А.6 Размеры в миллиметрах
|
Dу |
d1 |
d2 |
d3 |
h1 |
t1 |
t2 |
r |
Масса, кг (справочная) |
|
100 |
146 |
144 |
16 |
10 |
26 |
5 |
3,5 |
0,212 |
|
150 |
200 |
198 |
0,356 |
|||||
|
200 |
256 |
254 |
18 |
11 |
30 |
6 |
4 |
0,50 |
|
250 |
310 |
308 |
32 |
0,72 |
||||
|
300 |
366 |
364 |
20 |
12 |
34 |
7 |
4,5 |
0,94 |

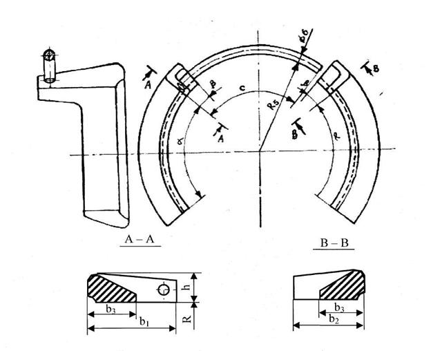
Рисунок А.8 - Стопора из высокопрочного чугуна (под соединение «ВРС»)
Таблица А. 8 Размеры в миллиметрах
|
Dу |
b1 |
b2 |
b3 |
h |
R |
α° |
β° |
c° |
с |
Масса стопора |
|
|
левого со стопорной проволокой, кг |
правого, кг |
||||||||||
|
100 |
50 |
30 |
24 |
17 |
59 |
78 |
11 |
93 |
107 |
0,265 |
0,226 |
|
150 |
55 |
43 |
26 |
18 |
85 |
78 |
9 |
95 |
152 |
0,431 |
0,378 |
|
200 |
60 |
48 |
26 |
19 |
111 |
78 |
8 |
96 |
197 |
0,602 |
0,536 |
|
250 |
65 |
53 |
28 |
21 |
137 |
80 |
7 |
97 |
243 |
0,846 |
0,765 |
|
300 |
70 |
58 |
30 |
22 |
163 |
50 |
6 |
56 |
167 |
0,769 |
0,703 |
|
Номер изменения |
Дата утверждения |
Перечень измененных пунктов |
Дата введения в действие изменения |
|
|
|
|
|
|
|
|
|
|
|
ГОСТЫ, СТРОИТЕЛЬНЫЕ и ТЕХНИЧЕСКИЕ НОРМАТИВЫ. Некоммерческая онлайн система, содержащая все Российские Госты, национальные Стандарты и нормативы. В Системе содержится более 150000 файлов нормативно-технической документации, действующей на территории РФ. Система предназначена для широкого круга инженерно-технических специалистов. Copyright © www.gostrf.com, 2008 - 2026 |