Крупнейшая бесплатная информационно-справочная система онлайн доступа к полному собранию технических нормативно-правовых актов РФ. Огромная база технических нормативов (более 150 тысяч документов) и полное собрание национальных стандартов, аутентичное официальной базе Госстандарта. GOSTRF.com - это более 1 Терабайта бесплатной технической информации для всех пользователей интернета. Все электронные копии представленных здесь документов могут распространяться без каких-либо ограничений. Поощряется распространение информации с этого сайта на любых других ресурсах. Каждый человек имеет право на неограниченный доступ к этим документам! Каждый человек имеет право на знание требований, изложенных в данных нормативно-правовых актах!

  


 

ФЕДЕРАЛЬНОЕ АГЕНТСТВО

ПО ТЕХНИЧЕСКОМУ РЕГУЛИРОВАНИЮ И МЕТРОЛОГИИ

НАЦИОНАЛЬНЫЙ
СТАНДАРТ
РОССИЙСКОЙ
ФЕДЕРАЦИИ

ГОСТ Р
52161.2.21-
2006

(МЭК 60335-2-21:2004)

БЕЗОПАСНОСТЬ БЫТОВЫХ И АНАЛОГИЧНЫХ ЭЛЕКТРИЧЕСКИХ ПРИБОРОВ

Часть 2.21

Частные требования для аккумуляционных водонагревателей

IEC 60335-2-21:2004

Household and similar electrical appliances - Safety - Part 2-21: Particular requirements for storage water heaters

(MOD)

Москва

Стандартинформ

2007

Предисловие

Цели и принципы стандартизации в Российской Федерации установлены Федеральным законом от 27 декабря 2002г. 184-ФЗ «О техническом регулировании», а правила применения национальных стандартов Российской Федерации - ГОСТ P 1.0-2004 «Стандартизация в Российской Федерации. Основные положения»

Сведения о стандарте

1. ПОДГОТОВЛЕН ООО «ТЕСТБЭТ» на основе собственного аутентичного перевода стандарта, указанного в пункте 4

2. ВНЕСЕН Техническим комитетом по стандартизации ТК 19 «Электрические приборы бытового назначения»

3. УТВЕРЖДЕН И ВВЕДЕН В ДЕЙСТВИЕ Приказом Федерального агентства по техническому регулированию и метрологии от 13 ноября 2006г. 252-ст

4. Настоящий стандарт является модифицированным по отношению к международному стандарту МЭК 60335-2-21:2004 «Бытовые и аналогичные электрические приборы. Безопасность. Часть 2-21. Частные  требования для аккумуляционных водонагревателей», издание 5.1 (IEC 60335-2-21:2004 «Household and similar electrical appliances - Safety - Part 2-21: Particular requirements for storage water heaters») путем внесения дополнительных требований, объяснение которых приведено во введении к настоящему стандарту.

Наименование настоящего стандарта изменено относительно наименования указанного международного стандарта для приведения в соответствие с ГОСТ P 1.5-2004 (подраздел 3.5)

5. ВЗАМЕН ГОСТ P МЭК 60335-2-21-99

Информация об изменениях к настоящему стандарту публикуется в ежегодно издаваемом информационном указателе «Национальные стандарты», а текст изменений и поправок - в ежемесячно издаваемых информационных указателях «Национальные стандарты». В случае пересмотра (замены) или отмены настоящего стандарта соответствующее уведомление будет опубликовано в ежемесячно издаваемом информационном указателе «Национальные стандарты». Соответствующая информация, уведомление и тексты размещаются также в информационной системе общего пользования - на официальном сайте Федерального агентства по техническому регулированию и метрологии в сети Интернет

Содержание

1. Область применения

2. Нормативные ссылки

3. Термины и определения

4. Общие требования

5. Общие условия испытаний

6. Классификация

7. Маркировка и инструкции

8. Защита от доступа к токоведущим частям

9. Пуск электромеханических приборов

10. Потребляемая мощность и ток

11. Нагрев

12. Свободен

13. Ток утечки и электрическая прочность при рабочей температуре

14. Динамические перегрузки по напряжению

15. Влагостойкость

16. Ток утечки и электрическая прочность

17. Защита от перегрузки трансформаторов и соединенных с ними цепей

18. Износостойкость

19. Ненормальная работа

20. Устойчивость и механические опасности

21. Механическая прочность

22. Конструкция

23. Внутренняя проводка

24. Комплектующие изделия

25. Подсоединение к источнику питания и внешние гибкие шнуры

26. Зажимы для внешних проводов

27. Заземление

28. Винты и соединения

29. Воздушные зазоры, пути утечки и непрерывная изоляция

30. Теплостойкость и огнестойкость

31. Стойкость к коррозии

32. Радиация, токсичность и подобные опасности

Приложение A (справочное) Текущие испытания

Введение

Настоящий стандарт относится к группе стандартов, регламентирующих требования безопасности бытовых и аналогичных электрических приборов, состоящей из Части 1 (ГОСТ P 52161.1) - общие требования безопасности приборов, а также Частей, устанавливающих частные требования к конкретным видам приборов.

Настоящий стандарт содержит нормы, правила и методы испытаний, которые дополняют, изменяют или исключают соответствующие разделы и (или) пункты ГОСТ P 52161.1.

Стандарт применяют совместно с ГОСТ P 52161.1.

Методы испытаний выделены курсивом.

Термины, применяемые в настоящем стандарте, выделены полужирным шрифтом.

Номера пунктов настоящего стандарта, которые дополняют разделы ГОСТ P 52161.1, начинаются с цифры 101.

Изменение наименования раздела 3 вызвано необходимостью приведения в соответствие с ГОСТ P 1.5-2004.

В настоящем стандарте раздел «Нормативные ссылки» изложен в соответствии с ГОСТ P 1.5-2004 и выделен сплошной вертикальной линией, расположенной слева от приведенного текста.

Сведения о соответствии ссылочных международных стандартов национальным стандартам Российской Федерации, использованным в настоящем стандарте в качестве нормативных ссылок, приведены в разделе «Нормативные ссылки» В тексте стандарта соответствующие ссылки выделены подчеркиванием сплошной горизонтальной линией.

НАЦИОНАЛЬНЫЙ СТАНДАРТ РОССИЙСКОЙ ФЕДЕРАЦИИ

БЕЗОПАСНОСТЬ БЫТОВЫХ И АНАЛОГИЧНЫХ ЭЛЕКТРИЧЕСКИХ ПРИБОРОВ

Часть 2.21

Частные требования для аккумуляционных водонагревателей

Safety of household and similar electrical appliances. Part 2.21. Particular requirements for storage water heaters

Дата введения - 2008-01-01

1. Область применения

Этот раздел Части 1 заменен следующим.

Настоящий стандарт устанавливает требования безопасности электрических аккумуляционных водонагревателей (далее - приборы) бытового и аналогичного применения, предназначенных для нагревания воды ниже точки кипения номинальным напряжением не более 250 B для однофазных приборов и 480 B - для других приборов.

Приборы, не предназначенные для бытового использования, но которые тем не менее могут быть источником опасности для людей, например приборы, используемые неспециалистами в магазинах, в легкой промышленности и на фермах, входят в область распространения настоящего стандарта.

Насколько это возможно, настоящий стандарт устанавливает основные виды опасностей приборов, с которыми люди сталкиваются внутри и вне дома. Стандарт не учитывает опасностей, возникающих в случаях:

- безнадзорного использования приборов детьми или немощными лицами;

- игр детей с приборами.

Примечания

101. Следует обратить внимание на следующее:

- для приборов, предназначенных для использования на больших высотах над уровнем моря, могут быть необходимы дополнительные требования;

- для приборов, предназначенных для использования в транспортных средствах, на борту кораблей, самолетов, могут быть необходимы дополнительные требования;

- во многих странах национальные органы здравоохранения, охраны труда и др., ответственные за качество водоснабжения, предъявляют к приборам дополнительные требования;

- во многих странах существуют правила по установке оборудования, подсоединяемого к водопроводной сети.

102. Настоящий стандарт не распространяется:

- на приборы для кипячения воды (ГОСТ P 52161.15);

- проточные водонагреватели (ГОСТ P МЭК 60335-2-35);

- коммерческие дозирующие устройства и торговые автоматы;

- приборы, предназначенные исключительно для промышленных целей;

- приборы, предназначенные для применения в местах, где преобладают особые условия, например коррозионная или взрывоопасная среда (пыль, пар или газ).

2. Нормативные ссылки

Этот раздел Части 1 применяют, за исключением следующего.

Дополнение

ГОСТ P 52161.1-2004 (МЭК 60335-1:2001) Безопасность бытовых и аналогичных электрических приборов. Часть 1. Общие требования (МЭК 60335-1:2001 «Бытовые и аналогичные электрические приборы. Безопасность. Часть 1. Общие требования», MOD)

ГОСТ P 52161.2.15-2006 (МЭК 60335-2-15:2005) Безопасность бытовых и аналогичных электрических приборов. Часть 2.15. Частные требования для приборов для нагревания жидкостей (МЭК 60335-2-15:2005 «Бытовые и аналогичные электрические приборы. Часть 2-15. Частные требования для приборов для нагревания жидкостей», MOD)

ГОСТ P МЭК 60335-2-35-2000 Безопасность бытовых и аналогичных электрических приборов. Дополнительные требования к проточным водонагревателям и методы испытаний (МЭК 60335-2-35:1997 «Бытовые и аналогичные электрические приборы. Безопасность. Часть 2. Частные требования для проточных водонагревателей», MOD)

ГОСТ P МЭК 60730-1-2002 Автоматические электрические управляющие устройства бытового и аналогичного назначения. Общие требования и методы испытаний (МЭК 60730-1:1999 «Автоматические электрические управляющие устройства бытового и аналогичного назначения. Часть 1. Общие требования», MOD)

ГОСТ 14254-96 (МЭК 529-89) Степени защиты, обеспечиваемые оболочками (Код IP) (МЭК 60529:1989, NEQ)

Примечание - При пользовании настоящим стандартом целесообразно проверить действие ссылочных стандартов в информационной системе общего пользования - на официальном сайте Федерального агентства по техническому регулированию и метрологии в сети Интернет или по ежегодно издаваемому указателю «Национальные стандарты», который опубликован по состоянию на 1 января текущего года, и по соответству­ющим ежемесячно издаваемым информационным указателям, опубликованным в текущем году. Если ссылочный стандарт заменен (изменен), то при пользовании настоящим стандартом следует руководствоваться замененным (измененным) стандартом. Если ссылочный стандарт отменен без замены, то положение, в котором дана ссылка на него, применяется в части, не затрагивающей эту ссылку.

3. Термины и определения

Этот раздел Части 1 применяют, за исключением следующего.

3.1.9. Замена

нормальная работа (normal operation): Работа прибора после его установки в соответствии с инструкциями и заполнения холодной водой.

3.101. аккумуляционный водонагреватель (storage water heater): Стационарный прибор для нагревания и сохранения воды в баке, снабженный устройством для контроля температуры воды.

3.102. закрытый водонагреватель (closed water heater): Аккумуляционный водонагреватель, не соединенный с атмосферой и предназначенный для работы под давлением водопроводной сети; поток воды регулируют одним или несколькими вентилями на сливной системе воды.

Примечания

1. Закрытый водонагреватель приведен на рисунке 101а.

2. Рабочее давление может быть равно выходному давлению понижающего или повышающего устройства.

3.103. водонагреватель, питаемый от отдельного резервуара (cistern-fed water heater): Аккумуляционный водонагреватель, открытый в атмосферу, в который подается вода из отдельного резервуара под атмосферным давлением; поток воды регулируют одним или несколькими вентилями на сливной системе воды.

Примечания

1. Водонагреватель, питаемый от отдельного резервуара, приведен на рисунке 101Ь.

2. Водонагреватель может быть установлен таким образом, что расширяющаяся вода возвращается в резервуар.

3. В водонагревателе, питаемом от отдельного резервуара, давление в баке создается столбом воды, поступающей из резервуара.

3.104. водонагреватель со встроенным резервуаром (cistern-type water heater): Аккумуляционный водонагреватель, имеющий бак, в который подается вода под атмосферным давлением из резервуара, который встроен в прибор. Расширенная вода может вернуться в резервуар. Поток воды регулируют одним или несколькими вентилями на сливной системе воды.

Примечания

1. Водонагреватель со встроенным резервуаром приведен на рисунке 101с.

2. В водонагревателе со встроенным резервуаром поверхность воды всегда находится под атмосферным давлением.

3.105. водонагреватель со свободным сливом (open-outlet water heater): Аккумуляционный водонагреватель, в котором поток воды контролируют только вентилем на входной трубе, а расширяющаяся или перемещающаяся вода вытекает через выходную трубу.

Примечания

1. Водонагреватель со свободным сливом приведен на рисунке 101 d.

2. В водонагревателе со свободным сливом статическое давление всегда равно атмосферному.

3.106. водонагреватель низкого давления (low-pressure water heater): Аккумуляционный водонагреватель, открытый в атмосферу и предназначенный для подсоединения к водопроводной сети через клапан сброса давления. Поток воды регулируют одним или несколькими вентилями на сливной системе воды.

Примечания - Водонагреватель низкого давления приведен на рисунке 101 е

3.107. номинальное давление (rated pressure): Давление воды, установленное для прибора изготовителем.

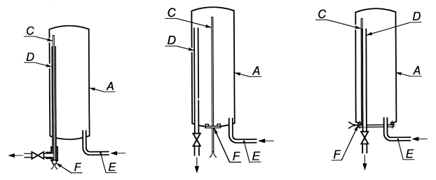
А - нагревательный элемент; B - бак; С - выходная труба; D - труба расширения; Е - шаровой клапан; F - уровень воды; G - резервуар; Н - вентиляционная труба

Типы водонагревателей:

а - закрытый водонагреватель; b - водонагреватель со свободным сливом; с - водонагреватель, питаемый от отдельного резервуара; d - водонагреватель со встроенным резервуаром; е - водонагреватель низкого давления

Рисунок 101 - Примеры аккумуляционных водонагревателей

4. Общие требования

Этот раздел Части 1 применяют.

5. Общие условия испытаний

Этот раздел Части 1 применяют, за исключением следующего.

5.2. Дополнение

Примечание 101 - Могут потребоваться дополнительные приборы в случае повреждения образца при испытаниях по 19.2 или 19.3.

5.3. Дополнение

Если проводят испытания на одном приборе, то испытания по 22.102, 22.103, 22.112 и 24.102 проводят перед испытаниями по разделу 19.

6. Классификация

Этот раздел Части 1 применяют, за исключением следующего.

6.1. Изменение

Водонагреватели должны быть I, II или III классов защиты от поражения электрическим током.

6.2. Дополнение

Водонагреватели, предназначенные для установки вне помещения, должны иметь степень защиты не менее IPX4 по ГОСТ 14254. Другие водонагреватели должны иметь степень защиты не менее IPX1.

7. Маркировка и инструкции

Этот раздел Части 1 применяют, за исключением следующего.

7.1. Дополнение

На приборы, кроме водонагревателей со встроенным резервуаром, должна быть нанесена маркировка номинального давления в паскалях.

На приборы наносят маркировку номинального объема в литрах.

На закрытых водонагревателях должно быть указано, что устройство для сброса давления должно быть вмонтировано при установке прибора, если оно не встроено в прибор.

На закрытых водонагревателях, имеющих номинальное давление менее 0,6 МПа, и на водонагревателях низкого давления должна быть нанесена маркировка, предупреждающая, что клапан снижения давления должен быть вмонтирован при установке прибора.

Водонагреватели со свободным сливом должны иметь маркировку, расположенную вблизи подсоединения выходной трубы, или на этикетке, прикрепленной к прибору, со следующим предупреждением:

«ПРЕДУПРЕЖДЕНИЕ - Эта выходная труба действует как вентиляционное отверстие и должна подсоединяться только к фитингу, рекомендованному изготовителем. Выходная труба не должна быть подсоединена к крану».

(Поправка, ИУС 11-2007)

7.12. Дополнение

В инструкциях для закрытых водонагревателей указывают следующее:

- что вода может просачиваться из выпускной трубы устройства для сброса давления и эта труба должна оставаться открытой в атмосферу;

- что устройство для сброса давления должно срабатывать регулярно для удаления известковых осадков и для проверки того, что оно не заблокировано;

- как можно опорожнить водонагреватель.

7.12.1 Дополнение

Инструкции по установке должны содержать следующие сведения:

- тип или характеристики устройства для сброса давления и как его подсоединять, если оно не встроено в прибор;

- выпускная труба, подсоединенная к устройству для сброса давления, должна быть установлена постоянно вниз и в незамерзающей окружающей среде;

- тип или характеристики клапана снижения давления и установочные деталей (для приборов, имеющих номинальное давление менее 0,6 МПа).

В инструкциях для закрытых водонагревателей с теплообменником должны быть указаны детали установки контролирующих устройств и их температурные уставки, предотвращающие срабатывание термовыключателя, вызванное теплом от теплообменника.

Инструкции для водонагревателей, питаемых от отдельного резервуара, и водонагревателей низкого давления должны содержать следующее предупреждение:

«ПРЕДУПРЕЖДЕНИЕ - Не подсоединять любое устройство сброса давления к вентиляционной трубе этого водонагревателя».

(Поправка, ИУС 11-2007)

7.101. Места подвода и слива воды должны быть обозначены. Это обозначение не должно быть расположено на съемных частях. Если используют цвета, то голубой цвет должен означать подвод воды, красный - слив воды.

Примечание - Подвод и слив воды могут быть обозначены стрелками, указывающими направление потока воды.

Соответствие требованию проверяют осмотром.

8. Защита от доступа к токоведущим частям

Этот раздел Части 1 применяют.

9. Пуск электромеханических приборов

Этот раздел Части 1 не применяют.

10. Потребляемая мощность и ток

Этот раздел Части 1 применяют.

11. Нагрев

Этот раздел Части 1 применяют, за исключением следующего.

11.7. Замена

Прибор работает до достижения установившегося состояния или до прерывания тока терморегулятором первый раз через 16ч в зависимости от того, что короче.

12. Свободен

13. Ток утечки и электрическая прочность при рабочей температуре

Этот раздел Части 1 применяют.

14. Динамические перегрузки по напряжению

Этот раздел Части 1 применяют.

15. Влагостойкость

Этот раздел Части 1 применяют, за исключением следующего.

15.2. Дополнение

Испытание применяют только к водонагревателям со встроенным резервуаром.

15.3. Дополнение

Примечание 101 - Если прибор слишком велик для камеры влажности, то испытанию подвергают только части, содержащие электрические компоненты.

16. Ток утечки и электрическая прочность

Этот раздел Части 1 применяют.

17. Защита от перегрузки трансформаторов и соединенных с ними цепей

Этот раздел Части 1 применяют.

18. Износостойкость

Этот раздел Части 1 не применяют.

19. Ненормальная работа

Этот раздел Части 1 применяют, за исключением следующего.

19.1. Изменение

Вместо испытаний для приборов с нагревательными элементами применяют следующее: Для закрытых водонагревателей, водонагревателей низкого давления и водонагревателей со свободным сливом соответствие требованию проверяют испытаниями по 19.2, 19.3 и 19.4, если применимо. Однако испытание по 19.101 применяют для приборов, которые не могут быть опорожненными при нормальной эксплуатации и имеют четыре следующие характеристики:

- внешняя оболочка изготовлена из металла.

Примечание 1 - Неметаллические крышки могут быть использованы для зажимов питания и управляющих устройств;

- теплоизоляция невоспламеняющаяся.

Примечание 2 - Теплоизоляция, выдерживающая испытание игольчатым пламенем по ГОСТ Р 52161.1 (приложение Е), считается невоспламеняющейся;

- объем превышает 30л;

- номинальная потребляемая мощность не превышает 6 кВт.

Примечания

3. Приборы не считают подлежащими опорожнению при нормальной эксплуатации, если опорожнение через подвод невозможно посредством запорного клапана, трубчатого прерывателя или воздушного зазора. Эти устройства могут быть вмонтированы во входную трубу в соответствии с инструкциями. Слив воды через отверстие для ремонта не считают нормальной эксплуатацией.

4. Водонагреватели, питаемые от отдельного резервуара, и водонагреватели со встроенным резервуаром не подвергают испытаниям.

19.2. Дополнение

Прибор работает пустым, при этом все термоуправляющие устройства, работающие при испытании по разделу 11, замыкают накоротко.

Примечание - Если прибор снабжен более чем одним термоуправляющим устройством, то их замыкают накоротко по очереди.

19.4. Для водонагревателей со свободным сливом испытание по 19.2 повторяют, но бак наполняют водой до уровня на 10 мм выше наивысшей точки нагревательного элемента. Прибор работает при 1,15 номинальной потребляемой мощности в условиях нормальной работы.

Примечание - Если водонагреватель был поврежден при предыдущих испытаниях, то используют новый прибор.

19.13. Дополнение

Не должно быть утечки из бака в течение испытаний.

19.101. Прибор испытывают в течение 24 ч при условиях, установленных в разделе 11, но с пустым баком.

20. Устойчивость и механические опасности

Этот раздел Части 1 применяют.

21. Механическая прочность

Этот раздел Части 1 применяют.

22. Конструкция

Этот раздел Части 1 применяют, за исключением следующего.

22.6. Дополнение

Оболочка должна иметь дренажное отверстие, расположенное так, что вода может сливаться без повреждения электрической изоляции при условии, что конденсат воды может аккумулироваться внутри оболочки при нормальной эксплуатации. Отверстие должно быть диаметром не менее 5 мм или площадью 20 мм2 с шириной не менее 3 мм.

Соответствие требованию проверяют осмотром и измерением.

22.20. Дополнение

Термоизоляция не должна использоваться в качестве основной изоляции для внутренней проводки.

22.101. Номинальное давление закрытых водонагревателей, предназначенных для непосредственного подсоединения к водопроводной сети, должно быть не менее 0,6 МПа.

Номинальное давление закрытых водонагревателей и водонагревателей низкого давления, предназначенных для питания через клапан сброса давления, который не встроен в прибор, должно быть не менее 0,1 МПа.

Номинальное давление водонагревателей, питаемых от отдельного резервуара, не должно превышать 0,2 МПа.

Примечание - Номинальное давление в паскалях водонагревателей со свободным сливом равно нулю.

Соответствие требованию проверяют осмотром.

22.102. Приборы должны выдерживать давление воды, возможное при нормальной эксплуатации.

Соответствие требованию проверяют, подвергая прибор давлению воды, равному:

- двойному номинальному давлению - для закрытых водонагревателей. Если водонагреватель питается через клапан снижения давления, бак подвергают двойному рабочему давлению.

Примечания

1. Клапан снижения давления может быть встроен во входную трубу для воды.

2. Рабочее давление является максимальным давлением в баке, измеренным при испытании по разделу 11;

- 1,5 номинального давления - для водонагревателей, питаемых от отдельного резервуара, и водонагревателей низкого давления;

- 0,15 МПа - для водонагревателей со свободным сливом;

- 0,03 МПа - для водонагревателей со встроенным резервуаром.

Устройство для сброса давления приводят в недействующее состояние. Давление возрастает со скоростью 0,13 МПа/с по отношению к установленному значению, и такое значение поддерживают в течение 15 мин.

Вода не должна вытекать из прибора, а также не должно быть остаточной деформации, уменьшающей соответствие требованиям настоящего стандарта.

Примечания

3. Теплообменники, встроенные в прибор, подвергают испытанию давлением, равному рабочему давлению теплообменника.

4. Повреждение защитной оболочки на внутренней стороне баков не считают опасным.

(Поправка, ИУС 11-2007)

22.103. Устройство сброса давления закрытых водонагревателей должно предотвращать повышение давления в баке свыше номинального давления более чем на 0,1 МПа.

Соответствие требованию проверяют, подвергая бак медленному увеличению давления воды.

Примечание - Устройство сброса давления может быть смонтировано при установке водонагревателя.

22.104. Выходное отверстие водонагревателя со свободным сливом должно быть сконструировано так, чтобы поток воды не ограничивался до такой степени, при которой в баке создавалось бы значительное давление.

Соответствие требованию проверяют осмотром и измерением.

Примечание - Требование считают выполненным, если площадь поперечного сечения отверстия слива не менее отверстия для подвода воды.

Выходная труба водонагревателя низкого давления должна иметь внутренний диаметр не менее 20 мм.

Соответствие требованию проверяют осмотром и измерением.

22.105. Водонагреватели со встроенным резервуаром должны быть сконструированы таким образом, чтобы бак всегда находился под атмосферным давлением, обеспечиваемым вентиляционным отверстием площадью не менее 30 мм2 при минимальном размере не менее 3мм.

Соответствие требованию проверяют осмотром и измерением.

22.106. Закрытые водонагреватели должны иметь встроенный термовыключатель, обеспечивающий отключение всех полюсов и работающий независимо от терморегулятора. Однако для приборов, предназначенных для подсоединения к стационарной проводке, провод нейтрали не должен быть отсоединен.

Соответствие требованию проверяют осмотром.

22.107. Нагревательные элементы и сенсорные термоуправляющие устройства, находящиеся в контакте с внешней поверхностью бака, должны быть надежно закреплены.

Соответствие требованию проверяют осмотром.

22.108. Приборы, закрепляемые на стене, должны иметь надежное устройство крепления к стене, не связанное с устройством присоединения к водопроводной сети.

Соответствие требованию проверяют осмотром.

22.109. Приборы объемом более 15 л, опорожнение которых невозможно через дренаж, установленный в водопроводной трубе, должны быть снабжены сливным устройством, открывание которого возможно только при помощи инструмента.

Соответствие требованию проверяют осмотром и испытанием вручную.

Примечания

1. Небольшое количество воды в баке, оставшееся после спуска воды под спускным краном, не учитывают.

2. Сливной кран может быть объединен с предохранительным клапаном.

22.110. Конструкция водонагревателей со свободным сливом с пластиковыми баками должна гарантировать, что прибор будет установлен только в заданном положении.

Примечание - Приборы, на которых указано, что их установку проводят рядом с подсоединением к водопроводной сети, считают отвечающими данному требованию.

Соответствие требованию проверяют осмотром.

22.111. Закрытые водонагреватели со встроенным теплообменником должны быть сконструированы так, чтобы при нормальной эксплуатации термовыключатель не срабатывал от тепла теплообменника.

Терморегулирующие клапаны, перепускные клапаны или аналогичные управляющие устройства, используемые для этой цели, следует поставлять с прибором.

Соответствие требованию проверяют осмотром.

22.112. Закрытые водонагреватели должны быть сконструированы так, чтобы повторное выливание не вызывало кипения воды.

Соответствие требованию проверяют следующим испытанием.

Прибор работает, как указано в разделе 11.

Когда терморегулятор срабатывает первый раз, вода выливается со скоростью приблизительно 2л в минуту или 10% объема прибора в минуту, в зависимости от того, что меньше, до тех пор, пока терморегулятор не включится вновь.

Когда терморегулятор срабатывает во второй раз, вода выливается опять с той же скоростью, пока терморегулятор не выключится. Эта последовательность повторяется до достижения установившегося состояния.

Температура воды, измеренная с помощью термопары на выходе, не должна превышать 98 ˚С.

23. Внутренняя проводка

Этот раздел Части 1 применяют.

24. Комплектующие изделия

Этот раздел Части 1 применяют, за исключением следующего.

24.1.4. Дополнение

Термовыключатели, встроенные в закрытые водонагреватели, должны соответство­вать требованиям для управляющих устройств типа 2В по ГОСТР МЭК 60730-1 (разделы 13, 15, 16, 17 и 20), если их не испытывают с прибором.

24.101. Термовыключатели должны быть без самовозврата. Они должны иметь механизм свободного выключения или должны быть расположены так, что их можно повторно включить только после удаления несъемной крышки.

Соответствие требованию проверяют осмотром.

24.102. Рабочая температура термовыключателя закрытого водонагревателя должна гарантировать, что температура воды не может превысить 99 ˚C или термовыключатель срабатывает прежде, чем температура превысит 110 °С.

Соответствие требованию проверяют испытанием по 24.102.1 для температур воды, не превышающих 99 ˚C, или испытанием по 24.102.2 для термовыключателей, имеющих рабочую температуру до 110 ˚C.

24.102.1. Прибор работает в условиях, указанных в разделе 11, до срабатывания терморегулятора в первый раз. Количество воды, равное 25 % объема бака, выливают и заменяют холодной водой.

Сразу после срабатывания терморегулятора во второй раз его замыкают накоротко. Испытание продолжают до срабатывания термовыключателя. Сливной клапан затем открывают и измеряют температуру воды на выходе.

Температура воды не должна превышать 99 ˚C.

24.102.2. Рабочую температуру термовыключателя измеряют термопарами, установленными на сенсорный элемент или как можно ближе к нему.

Температуру воды для приборов, имеющих вертикально установленные металлические баки, измеряют термопарой, прикрепленной к внешней поверхности верхнего колпака. Если бак установлен горизонтально, то две термопары крепят к внешней поверхности. Положение термопар приведено на рисунке 102а.

Температуру воды для приборов, имеющих неметаллические баки, измеряют термопарой, расположенной на 5см ниже верхней внутренней поверхности бака, как приведено на одной из схем рисунка 102a. Данный метод может быть также использован для измерения температуры воды приборов, имеющих вертикально установленные металлические баки.

Прибор работает в условиях нормальной работы при 1,15 номинальной потребляемой мощности с закрытым сливным клапаном и замкнутым накоротко терморегулятором. Испытание продолжают до срабатывания термовыключателя.

Термовыключатель должен сработать прежде, чем температура превысит 110˚C. Температура воды не должна превышать 20 ˚C максимально разрешаемой рабочей температуры термовыключателя.

25. Подсоединение к источнику питания и внешние гибкие шнуры

Этот раздел Части 1 применяют, за исключением следующего.

25.1. Изменение

Приборы не должны быть снабжены приборным вводом.

26. Зажимы для внешних проводов

Этот раздел Части 1 применяют.

27. Заземление

Этот раздел Части 1 применяют, за исключением следующего.

27.1. Дополнение

Для водонагревателей класса I оболочка нагревательного элемента должна быть постоянно и надежно подсоединена к заземляющему зажиму, если:

- бак не снабжен металлическими трубами подвода и слива воды, которые постоянно и надежно подсоединены к заземляющему зажиму;

а - Положение термопар для металлических баков

Термопара в трубке вставлена в выходную трубу через изолирующую прокладку

Термопара в трубке вставлена внутрь бака через изолирующую прокладку

Изолированные провода термопары вставлены через изолирующую про кладку и закреплены на выходной трубе

b - Положение термопар для вертикально установленных металлических баков

Рисунок 102 - Примеры расположения термопар

- другие доступные металлические части бака, контактирующие с водой, постоянно и надежно не подсоединены к заземляющему зажиму.

28. Винты и соединения

Этот раздел Части 1 применяют.

29. Воздушные зазоры, пути утечки и непрерывная изоляция

Этот раздел Части 1 применяют.

30. Теплостойкость и огнестойкость

Этот раздел Части 1 применяют, за исключением следующего.

30.1. Дополнение

Превышения температуры, возникающие при испытаниях по 19.2, 19.3 и 19.101, не принимают во внимание.

30.2.2. Не применяют.

31. Стойкость к коррозии

Этот раздел Части 1 применяют.

32. Радиация, токсичность и подобные опасности

Этот раздел Части 1 применяют.

Приложения Части 1 применяют, за исключением следующего.

Приложение A
(справочное)
Текущие испытания

Дополнение

А.101 Испытание на давление

Бак для воды подвергают испытанию на давление, используя жидкость или газ.

Если используют жидкость, то давление составляет:

- для закрытых водонагревателей 0,7 МПа, имеющих номинальное давление не выше 0,6 МПа, и 1,1 номинального давления для других;

- для водонагревателей, питаемых от отдельного резервуара и водонагревателей низкого давления 1,1 номинального давления;

- для водонагревателей со свободным сливом 0,05 МПа;

- для водонагревателей со встроенным резервуаром 0,03 МПа.

Если используют газ, то эти значения давления могут быть уменьшены, но быть достаточными для обнаружения утечки.

Примечание - Необходимо соблюдать осторожность при испытаниях закрытых водонагревателей с газом.

Утечка жидкости не допускается в течение испытания.

Ключевые слова: безопасность, аккумуляционные водонагреватели, методы испытаний

 

 




ГОСТЫ, СТРОИТЕЛЬНЫЕ и ТЕХНИЧЕСКИЕ НОРМАТИВЫ.
Некоммерческая онлайн система, содержащая все Российские Госты, национальные Стандарты и нормативы.
В Системе содержится более 150000 файлов нормативно-технической документации, действующей на территории РФ.
Система предназначена для широкого круга инженерно-технических специалистов.

Рейтинг@Mail.ru Яндекс цитирования

Copyright © www.gostrf.com, 2008 - 2026