Крупнейшая бесплатная информационно-справочная система онлайн доступа к полному собранию технических нормативно-правовых актов РФ. Огромная база технических нормативов (более 150 тысяч документов) и полное собрание национальных стандартов, аутентичное официальной базе Госстандарта. GOSTRF.com - это более 1 Терабайта бесплатной технической информации для всех пользователей интернета. Все электронные копии представленных здесь документов могут распространяться без каких-либо ограничений. Поощряется распространение информации с этого сайта на любых других ресурсах. Каждый человек имеет право на неограниченный доступ к этим документам! Каждый человек имеет право на знание требований, изложенных в данных нормативно-правовых актах!

  


 

МИНИСТЕРСТВО АВТОМОБИЛЬНЫХ ДОРОГ РСФСР

Государственный дорожный проектно-изыскательский и
научно-исследовательский институт

ГИПРОДОРНИИ

РЕКОМЕНДАЦИИ
ПО ПРОЕКТИРОВАНИЮ ОБСЫПНЫХ УСТОЕВ МОСТОВ
НА АВТОМОБИЛЬНЫХ ДОРОГАХ

Москва 1982

Утверждены
Миавтодором РСФСР
Протокол № 9
от 19.06.81 г.

СОДЕРЖАНИЕ

ПРЕДИСЛОВИЕ

I. ОБЩИЕ ПОЛОЖЕНИЯ

2. РАСЧЕТ ОБСЫПНОГО УСТОЯ КАК ПРОТИВООПОЛЗНЕВОГО СООРУЖЕНИЯ

3. РАСЧЕТ ОБСЫПНЫХ УСТОЕВ КАК УПРУГИХ ОПОР В ЛИНЕЙНО-ДЕФОРМИРУЕМОЙ СРЕДЕ

4. РАСЧЕТ ОСНОВАНИЙ И ФУНДАМЕНТОВ ОБСЫПНЫХ УСТОЕВ

5. УКАЗАНИЯ ПО КОНСТРУИРОВАНИЮ И ТЕХНОЛОГИИ СТРОИТЕЛЬСТВА

Приложение 1 Структурная схема предельных состояний и расчетов обсыпных устоев

Приложение 2 Данные к расчету обсыпного устоя как противооползневого сооружения

Приложение 3 функции влияния

Приложение 4 Параметры ρ1-4

Приложение 5 Пример расчета обсыпного устоя

Приложение 6 Перечень нормативных и руководящих материалов для проектирования обсыпных устоев

 

ПРЕДИСЛОВИЕ

"Рекомендации по расчету обсыпных устоев мостов на автомобильных дорогах" разработаны на основе теоретических и экспериментальных исследований, выполненных в 1969-1980 гг. в филиале Гипродорнии и инженерно-строительном институте (г. Воронеж), и предназначены для опытного проектирования и строительства.

"Рекомендации" содержат комплекс расчетов обсыпных устоев и их оснований по предельным состояниям первой (по потере несущей способности или непригодности к эксплуатации) и второй (по непригодности к нормальной эксплуатации) групп.

В них изложены методы расчета обсыпных устоев, основанные на принципах и допущениях, принятых в современных нормативных документах и многократно проверенных при проектировании различных категорий сооружений.

В расчетах используют модели грунтовой среды, широко применяемые при проектировании массовых сооружений:

модель теории предельного равновесия;

модель теории линейно-деформируемой среды.

Ранее опытное проектирование обсыпных устоев велось в соответствии с "Методическими рекомендациями" (1978),1) предназначавшимися для расчета однорядных систем в благоприятных инженерно-геологических условиях. Настоящие "Рекомендации", сохраняя большинство положений "Методических рекомендаций", заменяют их и позволяют охватить все проектируемые сооружения.

________________

1) Методические рекомендации по расчету обсыпных однорядных свайных и стоечных устоев автодорожных мостов как упругих опор в линейно-деформируемой среде. - М., 1978.

"Рекомендации" разработаны канд. техн. наук Д.М. Шапиро. Ответственный редактор - канд. техн. наук Н.Д. Поспелов.

Замечания и пожелания просьба направлять по адресам: 109089, Москва, наб. Мориса Тореза, 34, Гипродорнии или 394000, Воронеж, ул. 25 лет Октября, 45, филиал Гипродорнии.

Зам. директора по научной работе д-р техн. наук                А.П. ВАСИЛЬЕВ

I. ОБЩИЕ ПОЛОЖЕНИЯ

1.1. Настоящие "Рекомендации" содержат указания по расчету и конструирование обсыпных устоев и отражают связанные с ними вопросы проектирования конусов и сопряжений автомобильно-дорожных мостов с насыпями.

1.2. Указания по расчету позволяют определить внешние нагрузки, действующие на устой, перемещения, внутренние усилия в поперечных сечениях элементов устоя, а также производить расчет основания (определение давлений, перемещений, расчет несущей способности) на эксплуатационные нагрузки.

Указания по проверке прочности по материалу и трещиностойкости элементов устоев (стоек, свай, фундаментных плит, оголовков) не приведены и должны приниматься в соответствии с действующими нормативными документами1).

____________________

1) См. приложение 6.

1.3. В "Рекомендациях" не рассмотрены специфические условия расчета и конструирования устоев мостов, возводимых в районах с сейсмичностью 6 баллов и выше, в северных условиях, на просадочных и вечномерзлых грунтах. При проектировании обсыпных устоев в этих условиях, кроме настоящих "Рекомендаций", следует руководствоваться соответствующими главами СНиП и нормативными документами.

1.4. Обсыпные устои должны быть рассчитаны по двум расчетным схемам, отличающимся используемой моделью окружающей грунтовой среды:

как противооползневого сооружения (на устойчивость совместно с конусом и подходной насыпью против глубокого или локального оползневого сдвига);

как упругой опоры в линейно-деформируемой среде.

1.5. Расчеты грунтовых оснований и фундаментов обсыпных устоев производят на:

общую устойчивость против глубокого или локального оползневого сдвига без учета поддерживающего противодавления устоя;

устойчивость слабых глинистых грунтов против длительных деформаций (перемещений);

прочность по осевому сжатию грунта под плитой фундамента и подстилающих слоев;

прочность свай и оболочек по грунту при действии вертикальных и горизонтальных сил;

прочность основания свайного фундамента, рассматриваемого как условный массивный;

по деформациям основания (расчет осадок).

Номенклатуру грунтов следует принимать в соответствии с главой СНиП II-15-74.

1.6. Равнодействующую нагрузок, приложенных к оголовку устоя (Р, Н, М - вертикальная, горизонтальная составляющие и момент), определяют в зависимости от типа опорных частей (упругоподатливых, шарнирно-неподвижных, подвижных) с учетом совместного восприятия горизонтальных сил всеми опорами моста или как отдельно стоящей опоры.

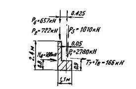
В расчетах учитывают следующие нагрузки, приложенные к оголовку обсыпного устоя (рис. 1):

Рис. 1. Нагрузки, приложенные к оголовку:

1 - переходная плита; 2 - лежень; 3 - щебеночная подушка

P1 и Р2 - опорные давления пролетного строения и переходной плиты от их массы и массы проезжей части; Р3 - собственный вес оголовка; Н4 - боковое давление засыпки на шкафную стенку; Р5 и Р6 - опорное давление пролетного строения и переходной плиты от временной вертикальной нагрузки; Т7 - воздействие торможения (или силы тяги); Т8 - воздействия, связанные с деформацией (удлинением или укорочением) пролетного строения (температурная деформация, ползучесть и усадка бетона и др.).

Боковое давление засыпки на шкафную стенку определяют по формуле:

                                                                                    (1)

где γ0 - объемный вес засыпки; hш и вш - высота и ширина шкафной стенки; φ0 - угол внутреннего трения засыпки, принимаемый равным: φ0 = 35° - нормативное, φ0 = 30° - расчетное значение.

Остальные нагрузки, а такие коэффициенты перегрузки к ним определяют по нормам СНиП II-Д.7-62* и технических условий СН 200-62.

Действие тормозной силы в пределах насыпи и переходной плиты не учитывают.

1.7. В расчетах принимают, что переходная плита представляет собой однопролетную балку, опирающуюся на лежень и шкафную стенку устоя (см. рис. 1). Опорное давление, передаваемое на лежень, распределяют равномерно по основанию щебеночной подушки под лежнем.

1.8. Допускается принимать объемный вес грунта насыпи и основания γ0 = 18 и 19 кН/м3 и объемный вес грунта, взвешенного подтоплением, γw = 11 и 12 кН/м3 (нормативные и расчетные значения).

1.9. Расчет обсыпного устоя как противооползневого сооружения допускается не производить, если высота подходной насыпи не превышает 6 м - при наличии временного подтопления и 8 м - для неподтопляемых откосов, и основание устоя и конуса сложено скальными, полускальными, крупнообломочными, глинистыми незаторфованными грунтами с коэффициентом консистенции Jz 0,35 или песчаными непылеватыми грунтами.

2. РАСЧЕТ ОБСЫПНОГО УСТОЯ КАК ПРОТИВООПОЛЗНЕВОГО СООРУЖЕНИЯ

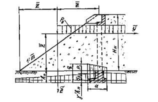
2.1. Форма поверхности скольжения при расчете устоя совместно с конусом и насыпы на устойчивость против глубокого или локального оползневого сдвига принимается в соответствии с рис. 2. Поперечное сечение поверхности скольжения имеет вид ломаной АВСД (см. рис. 2), горизонтальная грань ВС (основание) равна ширине насыпи в, грани АВ и СД (борта) наклонены под углом β, величину которого определяют в соответствии с указаниями п. 2.9. Продольное осевое сечение поверхности скольжения (см. рис. 2 а) принимается в виде дуги окружности (глубокий сдвиг) или прямой (ломаной) линии, проходящей по ослабленным поверхностям контакта геологических слоев (локальный оползневой сдвиг).

2.2. Характеристики сопротивления сдвигу (φi - угол внутреннего трения и Ci - удельное сцепление грунтов), насыпи и основания, а также объемный вес грунта принимают в размере расчетных значений.

2.3. Блок обрушения (смещающаяся часть грунтового массива) разделяют вертикальными плоскостями на n отсеков. В пределах каждого отсека характеристики φi и Ci сопротивления сдвигу грунтов на осевом сечении поверхности скольжения должны быть постоянными; кроме того, в пределах одного отсека принимается постоянным угол наклона αi - поверхности скольжения (см. рис.2 а). Угол αi в пределах бортов допускается принимать равным аналогичному углу в основании отсека. Расчетные значения φσi угла внутреннего трения и Сσi - удельного сцепления грунта в пределах бортов определяют в соответствии с указаниями приложения 2.

2.4. В расчетах учитывают горизонтальные (нормальные) составляющие сил взаимодействия между отсеками. Силы трения и сцепления на границах отсеков в расчете не учитывают.

2.5. В расчете рассматривался произвольные, но возможные формы поверхности скольжения, отличающиеся положением центра и величиной радиуса осевого сечения.

Рис. 2. Расчетная схема обсыпного устоя как противооползневого сооружения:

а - разрез по оси моста; б - разложение силы Gi на нормальную Ni и касательную Ti составляющие; 1 - след поверхности скольжения по форме дуги окружности; 2 - то же в виде ломаной линии; 3 - граница геологических слоев; 4 - поверхность пойменных вод; 5 - бортовые части сечения; 6 - средняя часть сечения.

Расчетную поверхность скольжения определяют методом попыток по условию максимума равнодействующей Е (формула 2 п. 2.6) горизонтального давления грунта на устой.

2.6. Равнодействующую горизонтального давления грунта на устой определяют по формуле:

                                                                                               (2)

где ΣEi - приращение горизонтальных активных сил взаимодействия отсеков в пределах i-го отсека.

                                                         (3)

                                                                                                       

ΣJi - равнодействующая сил фильтрационного давления в пределах i-го отсека.

ΣJi = J0Vwi,                                                                                                                  (4)

Tci, Tσi, Nсi, Nσi - касательные (сдвигающие, или удерживающие) и нормальные составляющие к поверхности скольжения от весов средней Gci и бортовой Gσi частей i-го отсека. Tci = Gcisin αi;

Tσi = Gσisin αi; Nci = Gcicos αi; Nσi = Gσicos αi                                                          (5)

Sci, Sσi - площади поверхности скольжения в пределах средней и бортовой частей i-го отсека; J0 - средний уклон поверхности депрессии, определяемый по данным табл. 1; Vwi - объем затопленной части i-го отсека; Кн - коэффициент надежности, принимаемый равным 1,4 - для сдвигающих (направленных в сторону откоса) сил Tci, Tσi, ΣJi и Кн = 1,0 - для удерживающих сил Tci и Tσбi

Таблица 1

Средний уклон кривой депрессии J0

Наименование грунта, через который проходит поверхность пойменных вод

J0, %

Гравелистые и крупные пески

3-6

Мелкие и пылеватые пески

6-20

Супеси

20-50

Суглинки

50-100

Глины

100-200

Знак плис (минус) в формуле (3) соответствует сдвигающим (удерживающим) силам Tci и Tσi

В равнодействующую Gci входят внешняя нагрузка, действующая в пределах i-го отсека.

Если поверхность скольжения пересекает свайный фундамент стоечного обсыпного устоя (см. рис. 2 а), то из веса соответствующих отсеков исключают вес грунта и конструкций, передаваемый на сваи (столбы), заглубленные в неподвижную часть грунтового массива.

Формульные зависимости для определения параметров, входящих в формулы (3-5) , приведены в приложении 2.

2.7. Если величина равнодействующей Е получена равной 0 или отрицательной, то устой считают свободным от активного давления грунта.

Величину Е также принимают равной 0, если возможные поверхности не пересекают фундаментные конструкции обсыпного устоя и проходят под ними (рис. 3). В этом случае в расчете основания на устойчивость против сдвига без учета поддерживающего влияния устоя (разд. 4) принимают коэффициент надежности равным 1,4.

Рис. 3. Поверхность скольжения, не пересекающая фундаментные конструкции устоя

2.8. Распределение горизонтальной нагрузки на устой принимают по линейному закону:

                                                                                                (6)

где Pz - погонная горизонтальная нагрузка на устой, остальные обозначения к формуле (6) показаны на рис. 4.

Рис. 4. Распределение нагрузки Рz

Погонная нагрузка Рz распределяется равномерно по ширине устоя:

                                                                                                     (7)

где σjz - давление на поверхность шкафной стенки и задней грани плиты ростверка шириной вj; qjz - погонная нагрузка на сваю или стойку; nj - число стоек или свай; j - порядковый номер яруса устоя.

Если в пределах шкафной стенки давление

σjz < γz0tg2(45°-φ0/2),                                                                                                   

то при z0 от 0 до h1, распределение нагрузки от горизонтального давления грунта определяют по формуле:

Pz = γz0в1tg2(45°-φ0/2),                                                                                                 (8)

а в пределах остальной части высоты устоя h0 - h1 - (см. рис. 4) по формуле:

                                                                          (9)

в формулах (8) и (9) обозначено: φ0 - угол внутреннего трения дренирующей засыпки, принимаемый равным 30°, h1 = hш; в1 = вш - высота и ширина шкафной стенки.

2.9. Для каждого рассматриваемого положения центра и радиуса осевого сечения поверхности скольжения выбирают наиболее невыгодное значение угла наклона β бортов блока обрушения (или относительного заложения  см. рис. 2), которое определяют перебором (методом попыток) или по методике, изложенной в приложении 2. При этом параметры  и β должны находиться е пределах 26°30 β 63°30; 0,5   2,0.

2.10. При расчете устоя как противооползневого сооружения горизонтальное давление грунта учитывают совместно с другими нагрузками, указанными в п. 1.6 (за исключением нагрузки Н4). При Е 0 дальнейший расчет устоя как противооползневого сооружения не производят.

2.11. Условия заделки свай (столбов) в неподвижную часть грунтового массива (ниже поверхности скольжения) принимают в соответствии с приложением СНиП II-17-77. За расчетную поверхность основания принимают уровень поверхности скольжения.

3. РАСЧЕТ ОБСЫПНЫХ УСТОЕВ КАК УПРУГИХ ОПОР В ЛИНЕЙНО-ДЕФОРМИРУЕМОЙ СРЕДЕ

3.1. В расчетах принято, что грунтовую среду вокруг свай (стоек) устоя характеризуют коэффициентом жесткости, распределенным по линейному закону:

Cz = mz,                                                                                          (10)

где m = 2000 кН/м4 -коэффициент пропорциональности; z - координата длины сваи (стойки), отсчитываемая от уровня ее заделки в оголовок.

3.2. Задачей расчета является определение изгибающих моментов Мz, поперечных сил Qz в сваях (стойках) от расчетных нагрузок (воздействий), по которым назначает (проверяют) армирование и размеры поперечных сечений. Кроме того, определяет горизонтальное перемещение верхнего конца свай (стоек) У0 от нормативных нагрузок (воздействий), которое не должно превышать 1 см.

3.3. Изгибающий момент Мz и поперечную силу Qz (рис. 5)

Рис.5. Положительные направления У0, М0, Q0, Мz, Qz, Ni; а, с, vi, ω, φh'' и отрицательное φ0:

1 - первоначальное положение; 2 - изгиб свай; 3 - перемещение оголовка; 4 - поворот фундамента

в поперечном сечении свай (стоек) на глубине z определяют по уравнениям:

                                                                       

                                                      (11)

где  - коэффициент деформации свай (стоек) в грунте; Еj - изгибная жесткость свай (стойки);

У0, φ0, Мо, Q0 - горизонтальное перемещение, поворот, изгибающий момент и поперечная сила в сечении сваи (стойки) при z = 0, определяемые в зависимости от условий ее заделки; А3, В3... С4, Д4 - функции влияния, определяемые по данным приложения 3 в зависимости от приведенное длины αz; вp - расчетная ширина свай (стоек), определяемая в зависимости от их диаметра d по формуле:

при d < 1,0 м вр = 1,5d+0,5 м;                                                                                   (12)

при d 1,0 м вр = d+1,0 м                                                                                        

Мvz - дополнительный изгибающий момент и наклонных сваях (стойках), обусловленный уплотнением (консолидацией) окружающего грунта и определяемый по формуле 26. В вертикальных сваях Мvz = 0.

3.4. В расчете обсыпных устоев как упругих опор в линейно-деформируемой среде учитывают следующие нагрузки и воздействия:

постоянные и временные нагрузки, приложенные к оголовку устоя (п. 1.6), выражаемые равнодействующими, приведенными е в уровень головы (верхнего конца) свай (стоек): горизонтальной составляющей - Н, вертикальной - Р, моментом М (рис. 6 а);

неравномерная осадка (крен) основания (под фундаментом мелкого заложения и остриями свай) в связи с неравномерной нагрузкой массой насыпи и конуса, а также давлением, передаваемым фундаментом устоя (см. рис. 6 б);

перемещения грунта вокруг наклонных свай (стоек) в связи с уплотнением (консолидацией) насыпи и верхних слоев основания (рис. 6 в).

Виды нагрузок (воздействии), учитываемые в расчете отдельных типов устоев, указаны в табл. 2.

При определении максимальных значений перемещения У0, изгибающих моментов Mz и поперечных сил Qz в сваях, (стойках) расчет устоя на каждое воздействие, указанное в табл. 2, ведут раздельно, и затем складывают усилия и перемещения одного знака (построение объемлющих эпюр).

Рис. 6. Схемы к расчету устоев как упругих опор в линейно-деформируемой среде:

а - на действие нагрузок Р, Н, М; б - при неравномерной осадке основания; в - при перемещениях Uz грунтовой среды вокруг устоя

1 - первоначальное положение 2 - изогнутая ось свай (стоек)

Примечание: В дальнейшем приняты следующие обозначения параметров изгиба от указанных в настоящем пункте воздействий: от нагрузок Н, Р, М - У'z, φ'z M'z, Q'z, от неравномерной осадки основания - У''z, φ''z M''z, Q''z, от перемещений грунте вокруг наклонных свай (стоек) - У'''z, φ'''z M'''z, Q'''z; суммарные значения параметров изгиба - Уz, φz Mz, Qz. Кроме того, обозначения без верхних индексов употребляют в формулах общего характера, применяемых к расчетам на все воздействия.

3.5. При расчете обсыпных устоев на нагрузки Н, P, M, приложенные в уровне голов свай (стоек), принимают следующие граничные условия (при z = h; h - длина свай или стоек): на нижних концах свай - Мh = 0; Qh, = 0, на нижних концах (в заделке в фундамент) стоек У'h = 0; φ'h = 0.

3.6. Продольную вертикальную (осевую) силу в сваях и стойках устоев однорядных систем определяют с учетом неравномерности (эксцентриситета) вертикальной нагрузки в направлении, перпендикулярном оси моста.

3.7. Начальные параметры (перемещения и силовые воздействия на верхнем конце свай) У0 = У'0; φ0 = φ'0; М0 = М'0; Q0 = Q'0 для расчета однорядных свайных устоев на нагрузки Р, Н, М определяют по формулам:

                             (13)

                                                                                                     

где A3, A4....д3, Д4 - функции влияния (п. 3.3 и приложения 2), соответствующие координате нижнего конца сваи (z = h).

3.8. Начальные параметры для расчета однорядных стоечных устоев на действие нагрузок М и Н определяют по формулам:

                              (14)

Таблица 2

Нагрузки (воздействия), учитываемые в расчете обсыпных устоев.

Тип устоев

Нагрузки Р, Н, М, приложенные к оголовку

Неравномерная осадка основания

Перемещения Uz при уплотнении грунта вокруг свай (стоек)

Наименование

Схема

Свайные: однорядные

+

-

-

двухрядные

+

+

-

козловые

+

+

+

Стоечные:

однорядные с фундаментом мелкого заложения

+

+

-

козловые с фундаментом мелкого заложения

+

+

+

однорядные со свайным фундаментом

+

-

-

козлового типа со свайным фундаментом

+

-

+

где А1, А2....Д1, Д2 - функции влияния (приложение 2), соответствующие координате нижнего конца стойки (z = h).

3.9. При расчете двухрядных (многорядных) и козловых свайных и стоечных устоев на нагрузки Р, Н, М начальные параметры и продольные (осевые) силы в сваях (стойках) Ni определяют по формулам:

У'0 = а'cos γi-(c'+β'xi)sin γi;                                                                                       (15)

φ'0 = -β';                                                                                                                     

Q'0 = ρ2У'0+ρ3φ'0;                                                                                                      

М'0 =-ρ3У'0-ρ4φ'0;                                                                                                      

N'i = ρ1[a'sin γi+(c'+β'xi)cos γi],                                                                                (16)

где a', c', β' - перемещения оголовка при действии на устой нагрузок Р, Н, М: горизонтальное, вертикальное и поворотам, (см. п. 3.15); хi - координата головы i-ой сваи (стойки) относительно оси оголовка в плоскости действия сил; γi - угол наклона i-ой сваи (стойки) к вертикали; ρ1-4 - силы, вызывающие единичные перемещения головы сваи, заделанной в оголовок (см. приложение 4).

ρ1 - продольная сила, вызывающая сжатие сваи на единицу;

ρ2, ρ3 - поперечная сила и момент в свае (стойке) при единичном поперечном смещении ее верхнего конца;

ρ3, ρ4 - то же, при единичном повороте верхнего конца сваи (стойки). Положительные направления перемещений показаны на рис. 5.

3.10. Начальные параметры для расчета однорядных стоечных устоев с фундаментом мелкого заложения на воздействие неравномерной осадки (крена) основания определяют по формулам:

M''0 = 0; Q''0 = 0;                                                                                                      

                                                 (17)

где A1, A2; В1, В2 - функции влияния, соответствующие координате нижнего конца стоек; t - высота фундаментной плиты; φ''h - угол поворота фундаментной плиты (см. п. 4.10).

3.11. При расчете свайных двухрядных (многорядных) и козловых устоев на воздействие неравномерной осадки (крена) основания начальные параметры и продольные (осевые) силы в сваях определяют по формулам:

У''0 = (а''''i)cos γi-(c''+β''xi-c''i)sin γi;                                                                    (18)

φ''0 = -β''+β''i;                                                                                                           

Q''0 = ρ2У''0+ρ3φ''0;                                                                                                   

М''0 =-ρ3У''0-ρ4φ''0;                                                                                                   

N''i = ρ1[(a''-а''i) sin γi+(c''+β''xi-c''i)cos γi],                                                            (19)

где a'', с", β" - перемещения оголовка (см. п. 3.15); a''i, с"i, β"i - перемещения верхнего конца i-ой сваи (горизонтальное, вертикальное и поворот) при осадке основания под ее острием при условном рассмотрении ее как одиночной (т.е. без учета заделки в оголовок):

a''i = -hω1sin2γi;                                                                                                          (20)

с"i = SHi;                                                                                                                    

β"i = -ω1sin2γi;                                                                                                           

где SHi ω1 - осадка под острием i-ой сваи и угол наклона (крена) основания при неравномерной нагрузке массой насыпи и конуса (см. п. 4.9).

3.12. При расчете стоечных козловых устоев с фундаментом мелкого заложения на воздействие неравномерной осадки (крена) основания начальные параметры и продольные осевые силы в стойках определяют по формулам:

У''0 = а''cos γi-(c''+β''xi)sin γi;                                                                                   (21)

φ''0 = -β'';                                                                                                                   

М''0 =-ρ3У''0-ρ4φ''0;                                                                                                   

Q''0 = ρ2У''0+ρ3φ''0;                                                                                                   

N''i = ρ1[(a''-а''i) sin γi+(c''+βxi-ci)cos γi],                                                                (22)

где a''i, с"i, β"i1 - перемещения верхнего конца i -ой стойки (горизонтальное, вертикальное и поворот) при повороте (крене) фундамента на угол φ''h (п. 4.10), условно считая верхний конец стойки свободным:

            (23)

Vi - координата нижнего конца стойки относительно оси фундаментной плиты (см. рис. 5).

________________________

1) Параметр β"i используют ниже (cм. п. 3.15).

3.13. В расчетах устоев на воздействие перемещений грунта вокруг наклонных свай (стоек) в связи с уплотнением насыпи и верхних слоев основания функцию свободных перемещений грунтовой среда определяют по уравнению:

                                                                    (24)

где Uz - учитываемые в расчете свободные перемещения гранта по направлению нормали к оси наклонных свай;

Δ - общее уплотнение слоя грунта в пределах длины свай (стойки) h, определяемое по формуле:

Δ = ξНн+Δoсн.,                                                                                (25)

где ξ - коэффициент, принимаемый равным 0,0003 Нн;

Δoсн - уплотнение слоя основания в пределах длины сваи (см. п. 4.8).

Момент МVz (п. 3.3) принимают постоянным по длине наклонной сваи (стойки) в соответствии с формулой:

                                                                         (26)

Этот момент учитывается в расчете совместно с моментом M'''z

3.14. При расчетах козловых свайных и стоечных устоев на воздействие перемещений грунта вокруг наклонных свай начальные параметры и продольные силы в сваях (стойках) определяют по формулам:

У'''0 = (а+Δsin γi cos γi) cos γi -(c'''+β'''xi-Δsin2γi)sin γi;                                          (27)

                                                      

Q'''0 = ρ2У'''0+ρ3φ'''0;                                                                                                 (28)

N'''i = ρ1[(a'''-а'''i) sin γi+(c'''+β'''xi-c'''i)cos γi],                                                     

где а''', с''', β''' - перемещения оголовка: горизонтальное, вертикальное и поворот; a'''i, с'"i, β'"i - перемещения верхнего конца наклонной сваи (стойки), условно считая его свободным, определяемые по формулам:

Для наклонных свай:

                                                           (29)

                                                                                                                   

                                                                                                                           

для наклонных стоек:

                                                        (30)

                                                                                                                      

                                                                                                                       

Для вертикальных свай (стоек) перемещения а'''i, с'''i, β''i' равны 0.

3.15. Перемещения оголовков (a', c', β', а'', с'', β'', а''', с''', β''') двухрядных (многорядных) и козловых свайных и стоечных устоев определяет путем решения системы канонических уравнений:

araa+crac+βraβ-Ra = 0;                                                                                               (31)

arca+crcc+βrcβ-Rc = 0;                                                                                               

arβa+crβc+βrββ-Rβ = 0                                                                                                 

где свободные члены Ra, Rс и Rβ определяют в зависимости от рассматриваемого в расчете воздействия.

При расчете устоев на воздействие нагрузок Р, Н, М

Ra = Н; Rс = Р; Rβ = М.                                                                                             (32)

При расчете устоев на воздействие неравномерной осадки основания и перемещений грунта вокруг наклонных свай

                                                                      (33)

                                                                                                                     

                                                                                                                                   

где riaa, rica, riβа - реакции в условных заделках оголовка против горизонтального, вертикального смещений и поворота при смещении группы свай на а = 1; riaс, ricс, riβс - то же, при С = 1

riaa = Ki(ρ1sin2γi+ρ2 cos2γi);                                                                                       (34)

riac = rica = Ki(ρ1-ρ2)sin γi cos γi;                                                                               

riβa = Ki[(ρ1-ρ2)xi sin γi-ρ3] cos γi;                                                                             

ricc = Ki(ρ1cos2γi+ρ2sin2γi);                                                                                       

riβc = Ki[(ρ1cos2γi+ ρ2sin2γi)xi+ ρ3sinγi]                                                                    

где Ki - число свай (стоек) в ряду.

                                                                        (35)

                                                                         

raβ, rcβ, rββ - реакции в условных заделках оголовка против горизонтального, вертикального смещений и поворота при повороте оголовке на угол β = 1,

raβ = rβa; rcβ = rβc;                                                                                                      

                                           (36)

4. РАСЧЕТ ОСНОВАНИЙ И ФУНДАМЕНТОВ ОБСЫПНЫХ УСТОЕВ

4.1. Расчет основания обсыпного устоя, конуса и подходной насыпи на устойчивость против глубокого или локального оползневого сдвига производят в соответствии с указаниями разд. 2.

При этом должно быть обеспечено Е 0 (поддерживающее противодавление устоя не учитывают). Коэффициент надежности принимают равным:

1,0 - если поверхность скольжения пересекает фундаментные конструкции устоя;

1,4 (только к сдвигавшим силам, см. п. 2.6) - если возможные поверхности скольжения проходят ниже фундамента устоя.

4.2. Расчет устойчивости слоев оснований, сложенных глинистыми грунтами с коэффициентом консистенции jz 0,5, против длительных деформаций (перемещений) заключается в определении коэффициента длительной устойчивости Кдл. уст., который должен быть не меньше 1,0. Его определяют для каждого слоя по формуле:

                                                                             (37)

где Нн - высота насыпи Нн без. - расчетная безопасная высота насыпи, определяемая по формуле (38) или (39).

Если основание ограничено горизонтальной плоскостью (рис. 7 а) и его поверхность сохраняется в течение всего срока эксплуатации сооружения, то безопасную высоту насыпи определяет по формуле:

                                                                       (38)

Рис. 7. Расчетные схемы к определению Нн без. при основании, ограниченном :

а - горизонтальной плоскостью; б - наклонной поверхностью

 - проверяемый слой основания

где φ и С - нормативные значения угла внутреннего трения и удельного сцепления проверяемого слоя основания; Zc - расстояние от поверхности основания до уровня, отстоящего от верхней границы проверяемого слоя на глубину r, которую принимают равной для слоев грунта, прошиваемых сваями многорядного фундамента стоечного устоя, при наличии наклонных свай; - 5 м, без наклонных свай - 4 м, при свайных устоях и для слоев грунта, лежащих под нижними концами свай или ниже подошвы массивного фундамента, - r =3 м; φ' - средневзвешенный объемный вес грунта основания в пределах толщи zс (см. рис. 7а), определяемый с учетом взвешивания грунтовой водой; β1 - параметр, определяемый по табл. 3 в зависимости от угла внутреннего трения φ и отношения координаты  к ширине полосы условной нагрузки В (см. п. 4.3, рис. 8 а, б); γ0 = 1,8 т/м2 - нормативный объемный вес насыпи и конуса.

Рис. 8. Схема приложения условной эквивалентной нагрузки Р0; а - поперек моста; б - вдоль моста

                                                                         

В тех случаях, когда верхняя часть основания ограничена откосом или в процессе эксплуатации возможен ее частичный размыв с образованием наклонной поверхности (см. рис. 7 б), безопасную высоту насыпи определяют по формуле:

                                                                                                      (39)

где Z'c - расстояние от поверхности основания до нижней границы проверяемого слоя; β2 - параметр, определяемый по табл. 4 в зависимости от средневзвешенного относительного заложения  фронтального откоса конуса и угла внутреннего трения φ.

4.3. Вертикальное давление σz в основании от нагрузки массой конуса и подходной насыпи (в вертикальной плоскости, проходящей через их ось) определяют по формуле:

σz = αzPo.                                                                                                                     (40)

где  - интенсивность условной полосовой нагрузки, которая по своему воздействии на основание принимается эквивалентной массе конуса и насыпи; Нн - высота насыпи; αz - коэффициент, определяемый по табл. 5 в зависимости от относительных координат рассматриваемой точки  и  в условной системе, строящейся в соответствии с рис. 8 а, б;  - ширина полосы нагрузки Р0; в - ширина земляного полотна на подходах к мосту;  - среднее заложение откосов конуса и насыпи.

Таблица 3

Параметры β1

φ = 0

φ = 5°

φ = 10°

φ = 15°

φ = 20°

φ = 25°

φ = 30°

0,15

0,308

0,270

0,233

0,198

0,169

0,144

0,120

0,20

0,305

0,263

0,228

0,195

0,165

0,139

0,114

0,30

0,290

0,252

0,216

0,184

0,156

0,130

0,108

0,40

0,275

0,237

0,202

0,172

0,145

0,121

0,100

0,50

0,256

0,221

0,188

0,160

0,134

0,111

0,091

0,60

0,238

0,204

0,174

0,147

0,123

0,102

0,084

0,80

0,199

0,174

0,149

0,126

0,105

0,086

0,070

1,00

0,171

0,149

0,128

0,108

0,090

0,074

0,059

Таблица 4

Параметры β2

φ = 0

φ = 5°

φ = 10°

φ = 15°

φ = 20°

φ = 25°

φ = 30°

1,25

0,252

0,199

0,153

0,116

0,094

0,085

0,077

1,50

0,231

0,176

0,130

0,096

0,076

0,065

0,059

1,75

0,215

0,159

0,111

0,079

0,065

0,057

0,052

2,00

0,200

0,144

0,094

0,066

0,056

0,050

0,046

2,50

0,179

0,121

0,069

0,048

0,030

0,020

0,018

Таблица 5

Отношение

0

0,05

0,10

0,15

0,20

0,25

0,30

0,35

0,40

0,45

0,50

0,75

1,00

0,15

0,495

0,692

0,828

0,902

0,941

0,961

0,972

0,978

0,982

0,984

0,986

0,989

0,989

0,20

0,489

0,640

0,761

0,843

0,893

0,924

0,942

0,954

0,961

0,966

0,969

0,975

0,976

0,25

0,480

0,602

0,707

0,786

0,842

0,880

0,904

0,920

0,932

0,939

0,945

0,955

0,958

0,30

0,468

0,569

0,660

0,734

0,791

0,832

0,861

0,882

0,897

0,907

0,914

0,930

0,934

0,35

0,455

0,541

0,620

0,687

0,742

0,784

0,816

0,839

0,857

0,869

0,879

0,900

0,907

0,40

0,441

0,514

0,583

0,644

0,695

0,737

0,770

0,795

0,814

0,829

и,840

0,868

0,876

0,50

0,409

0,465

0,519

0,568

0,612

0,650

0,681

0,707

0,729

0,746

0,760

0,796

0,809

0,60

0,378

0,421

0,464

0,504

0,541

0,573

0,602

0,627

0,648

0,666

0,681

0,724

0,741

0,80

0,321

0,349

0,378

0,405

0,430

0,454

0,477

0,497

0,515

0,531

0,545

0,593

0,617

1,00

0,275

0,295

0,314

0,334

0,352

0,370

0,387

0,402

0,417

0,431

0,443

0,490

0,515

1,50

0,198

0,208

0,217

0,227

0,236

0,245

0,254

0,263

0,272

0,280

0,287

0,320

0,344

2,00

0,153

0,159

0,164

0,170

0,175

0,181

0,186

0,192

0,197

0,202

0,207

0,229

0,248

4.4. Расчетное давление под подошвой фундамента мелкого заложения стоечных устоев (рис. 9) определяют по формуле:

q = σh+P1+γhn,                                                                               (41)

Рис. 9. Схема к расчету фундамента мелкого заложения

где γ' hn - природное давление; σh - давление из уровне подошвы фундамента от нагрузки массой конуса и насыпи определяемое по формуле (40) п. 4.3; Р1 - дополнительное давление фундамента устоя, определяемое по формуле:

                                                                                               (42)

где ΔР - разность между весом конструкций устоя (ригеля, стоек, фундамента), находящихся в грунте, и весом равновеликого объема грунта; V - координата рассматриваемой точки относительно оси фундамента; Fф Jф - площадь и момент инерции подошвы фундамента; Мосн. - момент, передаваемый фундаментом на основание (см. п. 4.11). Напряжения в основании фундамента мелкого заложения должны удовлетворять условию

qmax R,                                                                                                                      (43)

где qmax - вертикальное давление под передней гранью фундамента, определяемое по формулам (41) и (42);

R - расчетное сопротивление основания (см. п. 4.5).

4.5. Расчетное сопротивление грунтовых оснований устоев определяют по формуле:

R = 1,2{R'[1+K1(a-2)]+K2γ'(hn-3)+(K2-0,1)σh},                                                       (44)

где R' - условное сопротивление; K1 и K2 - коэффициенты, принимаемые в соответствии с п. 682 и табл. 75-78 технических условий СН 200-62; а и hn - ширина и глубина заложения фундамента, м; σh - давление от нагрузки Р0 (см. п. 4.3) под передней гранью фундамента, m2.

4.6. Проверку давления по слабому подстилающему слою производят по формуле:

γ'z1+σz+βzP1cp R                                                                                                       (45)

где γ'z1 - природное давление; σz - вертикальное давление погрузки Р0 под центром фундамента на поверхности проверяемого слоя;

                                                                                                                                                                                  

βz - коэффициент, принимаемый по табл. 1 приложения 3 СНиП II-15-74 для размеров фундамента устоя; R - расчетное сопротивление проверяемого слоя (cм. формулу 44).

4.7. При расчете свайного устоя и свайного фундамента стоечного стоя как условного массивного фундамента на естественном основании границы последнего определяют в соответствии с указаниями п. 7.1 СНиП II-17-77 и схемой на рис. 10.

Вертикальное давление по подошве условного массивного фундамента определяет по формуле (41), дополнительное давление фундамента устоя P1 - по формуле:

                                                                           (46)

где Ni - продольная сила в i-ой свае; ηi -горизонтальная координата ее нижнего конца (острия) относительно оси условного массивного фундамента к плоскости действия сил; γi - угол наклона i-ой сваи к вертикали; Fфc и Jфc - площадь и момент инерции подошвы условного массивного фундамента; Vc - горизонтальная координата рассматриваемой точки относительно оси условного массивного фундамента.

Напряжения в основании свайного фундамента должны удовлетворить условию (43), где qmах и R - наибольшее вертикальное давление и расчетное сопротивление под передней гранью условного массивного фундамента, определяемые по формулам (41, 44, 46).

Рис. 10. Границы условного фундамента на естественном основании (показаны пунктиром)

φср. - средневзвешенное расчетное значение угла внутреннего трения слоев грунта, пройденных сваями ( в пределах длины l)

Осадку основания свайного устоя или свайного фундамента стоечного устоя определяют как для условного массивного фундамента (см. п. 4.8).

4.8. Осадку основания под центром фундамента мелкого заложения, а так же условного фундамента на естественном основании (см. п. 4.7), определяет по формуле:

                                                                                                (47)

где σzi - среднее вертикальное давление в i-ом слое основания, вызванное весом конуса и насыпи и равное полусумме давлений σz на верхней и нижней границах этого слоя, определяемых по формуле (40); рzi - среднее вертикальное давление в i-ом слое основания, вызванное дополнительным давлением:  (см. п. 4.4), равное полусумме давлений Pz на верхней и нижней границах этого слоя (см. приложение 3 СНиП II-15-74, формула 1, табл. 1),

hi и Ei - толщина и модуль деформации i-го слоя грунта, который должен быть однородным по сжимаемости.

Глубину сжимаемой толщи принимают до уровня, где дополнительное давление σzz становится равным 0,2 γ'z1, (т.е. 20% от природного давления).

Уплотнение основания в пределах длины наклонных свай козловых свайных устоев Δосн. (п. 3.13) определяют по формуле:

                                                                                                          (48)

где напряжения σzi соответствуют вертикали, проходящей через нижний конец наклонной сваи, а глубину сжимаемой толщи принимает равной длине части сваи, погруженной в грунт, но не более чем до уровня, где σz = 0,2 γ'z1.

Осадку основания устоя при опирании на них балочных разрезных пролетных строений допускается не определять.

4.9. Крен фундамента мелкого заложения стоечного устоя от вертикальных сил ω определяют как сумму углов поворота от неравномерной нагрузки основания массой конуса и насыпи (ω1) и эксцентриситета относительно оси фундамента вертикальной составляющей нагрузки Р и ΔР (ω2)

ω = ω12                                                                                                                  (49)

Угол ω1 определяют как отношение разности осадок основания S1 и S2 под задней и передней гранями фундамента от действия эквивалентной нагрузки Р0 = γНн к его ширине а:

                                                                                                                (50)

Осадки S1 и S2 определяют по формуле:

                                                                                                       (51)

Глубину снимаемой толщи принимают до уровня, где σz = 0,2 γz1.

Угол ω2 определяют по формуле:

                                                                              (52)

где G - поворот фундамента от единичного момента:

                                                                                                         (53)

μcp и Еср - коэффициент Пуассона и модуль деформации, принимаемые средними в пределах верхней части (на глубину 1,5 а) сжимаемой толщи основания; Ni - продольная сила в i-ой стойке; Vi - горизонтальная координата ее нижнего конца (заделки) в плиту фундамента (см. рис. 5); γi - угол наклона к вертикали i-ой стойки; Kв - коэффициент, определяемый в зависимости от отношения сторон подошвы фундамента (см. табл. 4 прилож. 3 СНиП II-15-74).

Угол ω1 наклона основания свайных двухрядных (многорядных) и козловых устоев определяют по формуле (50) для размеров условного фундамента на естественном основании (см. п. 4.7).

4.10. Угол поворота фундамента мелкого заложения стоечного устоя φ"h с учетом горизонтального поперечного давления грунта на контакте с вертикальными (или наклонными) гранями стоек и плиты определяют по формуле:

                                                                                                              (54)

где K - момент в основании фундамента мелкого заложения, вызванный силами поперечного давления грунта на контакте с вертикальными (наклонными) гранями стоек и плиты при ее повороте на угол φ"h = 1*:

            (55)

где t и вф - размеры плиты фундамента: высота и длина; n - число стоек; i - порядковый номер стойки    - расчетные параметры, выражающие момент, поперечную и продольную силы в заделке стойки в фундамент; Vi - горизонтальная координата нижнего конце (заделки) i - ой стойки относительно оси фундамента.

________________

*) Параметры изгиба стоек при φ''h = 1 обозначает:  и т.д.

Если устой однорядный, то , а параметры  и  определяют по формулам:

                                                    (56)

где функции влияния A1, B1 ... А4, В4 (прилож. 2) соответствуют нижнему концу стоек (z = h).

Для стоечных многорядных или козловых устоев параметры  определяют в результате следующих расчетов:

по формулам (23), принимая φ''h = 1, определяют параметры   ;

по формулам (33) -   ;

решают систему уравнений (31) и получают перемещения оголовка  ,

по формулам (21) и (22) определяют начальные параметры  и продольные силы в стойках ; по уравнениям (11) находят параметры  при z = h,

4.11. Момент Мосн в основании фундамента мелкого заложения стоечного устоя определяют по формуле:

    (57)

где Мh, Qh, Ni - суммарные значения момента и поперечной силы в заделке стоек е фундамент и продольной силы в стойках.

4.12. Нагрузки, действующие на свайный фундамент стоечного устоя (вертикальная составляющая Рф, горизонтальная составляющая Нф, момент Mф), по результатам расчета устоя как упругой опоры в линейно-деформируемой среде определяют, по формулам:

                                                                            

                                                                                   (58)

где q1,2 - напряжения под передней и задней гранями плиты ростверка (см. формулы 41, 42, 57) для фундамента мелкого заложения; Fф и Wф - площадь и момент сопротивления подошвы плиты ростверка, Ni, Qhi - продольная и поперечная силы в заделке i-ой стойки в плиту ростверка; γi - угол наклона i-ой стойки; n - число стоек.

Если плита ростверка поднята над дневной поверхность грунта, то в формуле (41) γ'h =0, а поверхность основания для определения параметров эквивалентной системы Нн, , p0, в (см. п. 4.3) принимают на уровне подошвы плиты (рис. 11).

Рис. 11. Схема к определению нагрузок Рф и Мф на свайный фундамент устоя при расположении плиты над дневной поверхностью грунта

Расчет свайного фундамента ведут в соответствии с указаниями приложения к СНиП II-17-77. За расчетную поверхность основания принимают уровень нижней поверхности плиты. Расчет свайного фундамента в составе расчета устоя как противооползневого сооружения (разд. 2.) ведут в соответствии с указаниями СНиП II-17-77, а также п. 2.11 настоящих "Рекомендаций".

5. УКАЗАНИЯ ПО КОНСТРУИРОВАНИЮ И ТЕХНОЛОГИИ СТРОИТЕЛЬСТВА

5.1. Конструирование и сооружение обсыпных устоев осуществляют в соответствии с действующими нормами проектирования автодорожных мостов и СНиП по проектированию и строительству мостов, железобетонных конструкций и фундаментов зданий и сооружений (см. прилож.6).

5.2. В проекте должны быть предусмотрены мероприятия по обеспечению стабильности конуса и других  элементов берегового сооружения моста при воздействии водного потока в период строительства и эксплуатации.

5.3. Максимальный уклон откосов конусов следует приникать в соответствии с п. 1.61 СНиП II-Д.7-62*.

5.4. Сопряжение оголовка обсыпного устоя с подходной насыпью и закруглениями конуса моста должно выполняться в соответствии с рис. 12, соблюдая обозначенные на нем минимальные размеры А 1,0 м; В 0,75; С 0,25 м.

Рис. 12. Деталь сопряжения оголовка устоя с конусом и насыпью.

5.5. Отсыпку конусов, а также насыпи за обсыпным устоем на длину: поверху - не менее Нн+2м (Нн - высота насыпи) понизу не менее 2 м, следует предусматривать песчаным или другим хорошо дренирующим грунтом с коэффициентом фильтрации не менее 1 м/сут.

5.6. Конструкции сопряжения моста с насыпью выполнять в виде переходных плит с длиной, достаточной для обеспечения плавного въезде на мост, но не менее 4 м.

5.7. Отсыпку конуса и засыпку за устоем выполняют горизонтальными слоями одновременно со всех сторон с тщательным послойным уплотнением. При этом должен быть обеспечен коэффициент уплотнения (отношение достигнутой плотности грунта к стандартной при оптимальной влажности) не менее 0,98.

Приложение 1

Структурная схема предельных состояний и расчетов обсыпных устоев

Приложение 2

Данные к расчету обсыпного устоя как противооползневого сооружения

Таблица 1

1. Формулы к определению параметров, входящих в уравнения (3-5) п. 2.6.

Наименование

Формулы

При  (рис. 1а)

При  (рис.1б)

1

2

3

Площади поперечных сечений тела обрушения:

общая

средних частей сечения

Fсci = вhWi

Fcзi = в(hi-hwi)

бортовых частей селения

При

При hнасi hwi

 

 

При ξ < hwi

При hнасi < hwi

 

 

Площади поверхности скольжения:

средняя часть

бортовые части

 

Всего i-го отсека:

средняя часть

бортовые части

Средневзвешенное удельное сцепление в пределах бортовой части i - го отсека

Осредненный угол внутреннего трения в пределах бортовой части i - го отсека

Объем затопленной части i- го отсека

2. Определение расчетного заложения бортов поверхности скольжения

Относительное заложение бортов поверхности скольжения (табл. 2) зависит от параметра ф, определяемого по формуле:

                                (1)

где γ - осредненное значение объемного веса грунта в пределах i-го отсека, определяемое по формуле:

                                                                                   (2)

где γ0, γw - расчетный объемный вес грунта в соответствии с п. 1.8. , ti, hi, hi-1, hwi, hwi-1 обозначены на рис. 1.

Таблица 2

Относительное заложение бортов поверхности скольжения

Параметр Ф

 = 1,5

 = 1,75

 = 2,0

 = 2,5

0,50

-0,22

-0,11

0

0,22

0,75

0,10

0,25

0,40

0,70

1,00

0,35

0,53

0,71

1,06

1,25

0,55

0,74

0,94

1,33

1,50

0,70

0,90

1,11

1,53

2,00

0,90

1,12

1,34

1,79

Рис. 1. Сечения тела обрушения:

а - поперечное сечение при ; б - то же, при  в - продольное сечение i-го отсека; 1 - поверхность пойменных вод; 2 - границы геологических слоев, пересекаемые поверхностью скольжения; 3 - след поверхности скольжения


Приложение 3

функции влияния

Таблица 1

А1

В1

C1

Д1

А2

В2

С2

Д2

A3

B3

c3

Д3

A4

B4

C4

Д4

0,0

1,000

0,000

0,000

0,000

0,000

1,000

0,000

0,000

0,000

0,000

1,000

0,000

0,000

0,000

0,000

1,000

0,5

1,000

0,500

0,125

0,021

-0,003

0,999

0,500

0,125

-0,021

-0,005

0,999

0,500

-0,125

-0,042

0,008

0,999

1,0

0,992

0,997

0,499

0,167

-0,042

0,983

0,996

0,499

-0,167

-0,083

0,975

0,994

-0,499

0,333

-0,125

0,967

1,5

0,937

1,468

1,115

0,560

-0,210

0,874

1,453

1,111

-0,559

-0,420

0,811

1,437

-1,105

-1,116

-0,630

0,747

2,0

0,735

1,623

1,924

1,308

-0,658

0,471

1,735

1,899

-1,295

-1,314

0,207

1,646

-1,848

-2,578

-1,966

-0,057

2,4

0,347

1,874

2,609

2,195

-1,339

-0,303

1,613

2,519

-2,141

-2,663

-0,949

1,352

-2,339

-4,228

-3,973

-1,592

2,6

0,033

1,755

2,907

2,724

-1,815

-0,926

1,335

2,750

-2,621

-3,600

-1,877

0,917

-2,437

-5,140

-5,355

-2,821

3,0

-0,928

1,037

3,225

3,858

-3,053

-2,824

0,068

2,804

-3,540

-6,000

-4,688

-0,891

-1,969

-6,765

-8,840

6,520

3,3

-2,928

-1,272

2,463

4,980

-4,981

-6,708

-3,586

1,270

-3,919

-9,544

-10,340

-5,854

1,074

-6,789

-13,692

-13,826

4,0

-5,853

-5,941

-0,927

4,548

-6,533

-12,158

-10,608

-3,766

-1,614

-11,731

-17,919

-15,076

9,244

-0,358

-15,610

-23,140

4,5

-9,068

-13,416

-8,773

0,255

-5,610

-17,412

-21,302

-14,527

6,640

-7,610

-24,084

-28,484

25,232

19,892

-6,92

-29,105

5,0

-10,364

-22,467

-22,428

-11,158

1,795

-17,217

-32,970

-32,216

24,976

-11,949

-19,601

-41,356

49,085

62,706

30,074

-17,676

Таблица 2

А1В2-А2В1

0,5

192,026

72,004

576,243

0,125

0,042

-0,500

0,005

0,021

0,125

1,001

1,0

24,106

18,030

36,486

0,494

0,329

-0,992

0,082

0,164

0,496

1,017

1,5

7,349

8,101

7,838

1,028

1,014

-1,415

0,378

0,511

1,064

1,127

2,0

3,418

4,737

3,213

1,460

1,841

-1,644

0,903

0,954

1,660

1,546

2,4

2,327

3,526

2,227

1,586

2,240

-1,685

1,285

1,213

2,060

2,405

2,6

2,048

3,163

2,013

1,596

2,330

-1,687

1,421

1,302

2,242

3,154

3,0

1,758

2,727

1,818

1,586

2,385

-1,691

1,597

1,438

2,608

5,786

3,5

1,641

2,502

1,757

1,584

2,389

-1,711

1,725

1,596

3,082

13,307

4,0

1,621

2,441

1,751

1,600

2,401

-1,732

1,826

1,762

3,546

32,351

4,5

1,621

2,432

1,750

1,613

2,417

-1,743

1,916

1,919

3,974

82,480

5,0

1,621

2,431

1,749

1,618

2,426

-1,746

1,994

2,059

4,367

219,296


Приложение 4

Параметры ρ1-4

Силы, вызывающие единичные перемещения головы сваи (стойки), заделанной в оголовок, определяют по формулам;

                                                                                                                    (1)

                                                                                                   (2)

                                                                                                   (3)

                                                                                                   (4)

где EF - жесткость сваи (стойки) при осевом сжатии;

lN - длина сжатия сваи (стойки), равная ее длине - h

δQQ, δQM - поперечное перемещение и поворот свободного верхнего конца сваи (стойки) при действии единичной силы Q = 1;

δMQ, δMM - то же, при действии единичного момента М = 1,

Для свай перемещения δQQ, δQM = δMQ, δMM определяют по формулам:

                                                                                       (5)

                                                                            (6)

                                                                                         (7)

Для стоек перемещения δQQ, δМQ = δQМ, δММ определяют по формулам:

                                                                                       (8)

                                                                           (9)

                                                                                         (10)

В формулах (5-10) обозначено: α - коэффициент деформации (п. 3.1); EJ - изгибная жесткость свай (стоек); А1, А2… - Д3, Д4 - функции влияния для нижнего конца свай (стоек), определяемые по данным приложения 3.

Приложение 5

Пример расчета обсыпного устоя

1. Исходные данные

Требуется произвести расчет столбчатого устоя большого моста. Длина крайнего пролета - 33 м, длина переходной плиты - 8 м, общая ширина моста Вм = 12,5 (проезжая часть - 10 м, два тротуара - по 1,0 м с бордюрами - по 0,25 м), ширина насыпи подходов - 12 м, высота насыпи - 11,7 м. Геологические условия места строительства и схема устоя показаны на рис. 1; прочностные характеристики грунтов насыпи и основания приведены в табл. 1.

Столбы выполнены из свай-оболочек, диаметром 1,2 м, Сваи-оболочки опускают в пределах слоя мягкопластичного суглинка мощностью 7,5 м вибропогружением с извлечением грунта на внутренней полости и забуривают в дресвяный грунт на глубину 3 м.

Для расчетов приняты следующие геометрические и жесткостные характеристики столбов ЕJ = 21×105 кНм2; n =2,

d - 1,2 м; m = 2000 кН/м4

Таблица 1

Прочностные характеристики грунтов

Наименование

φН,

СН, кПа

φ,

С, кПа

Насыпь - пылеватый песок

35°

2,0

30°

1,5

Мягкопластичный суглинок

19°

28,0

16°

22,0

Дресвяный грунт с супесчаным заполнением

40°

6,0

35°

4,0

Рис. 1. Общий вид столбчатого устоя:

1 - незаполненная свая-оболочка; 2 - монолитный железобетон; 3 - насыпь; 4 - мягкопластичный суглинок; 5 - дресвяный грунт; 6 - плотный известняк (размеры в м)

2. Проверка устойчивости основания против длительных деформаций

Проверке подлежит слой мягкопластичного суглинка, простирающийся от поверхности основания на глубину 7,5 м. (φН = 19°, СН = 28 кПа). Размыв у подошвы конуса не предусмотрен. Поверхность основания имеет незначительный уклон в сторону реки и в расчете принята как горизонтальная. Поэтому Нн без определяем по формуле (38) с использованием параметра β1, по табл. 3 "Рекомендаций".

Ширину полосы условной нагрузки и координату  определяем по формулам:   где средневзвешенное заложение откосов конуса и насыпи принимаем равным  = 1,8, а расстояние zc = r = 3,0 м;

В = 12+1,8×11,7=33 м;

Объемный вес грунта основания с учетом взвешивания грунтовыми водами γ' = 13 кН/м3.

По табл. 3 "Рекомендаций" при  и φ = 19°

находим по интерполяции β1 = 0,148.

Безопасная высота насыпи

Коэффициент

3. Расчет обсыпного устоя как противооползневого сооружения

В результате расчета на ЭВМ с использованием программы АРО-80 В методом попыток получено наиболее невыгодное положение поверхности скольжения, которое показано на рис. 2 (R = 24,6 м, координаты центра хс = 9,4 м; уc = 20,8 м), и наиболее невыгодный наклон бортов  = 1,4. Ниже приведен расчет устойчивости только по этой поверхности скольжения.

Тело обрушения (рис. 2) разделено на 10 отсеков, сечения на границах отсеков изображены на рис. 3. Расчет выполнен в табличной форме (табл. 2-3), из которой видна последовательность определения равнодействующей Е.

В результате расчета получено Е = -83,5 кН.

В связи с этим согласно п. 2.10 "Рекомендаций" дальнейший расчет устоя как противооползневого сооружения не требуется.

4. Расчет однорядного обсыпного устоя как упругой опоры в линейно-деформируемой среде

В соответствии с указаниями п. 3.4 (табл. 2 "Рекомендаций") расчет столбчатого (свайного) однорядного устоя ведем только на воздействие нагрузок, приложенных к оголовку.

4.1. Определение расчетных параметров, коэффициентов

Расчетная ширина:

вp = d+1=1,2+1,0 = 2,2 м

Коэффициент:

Рис. 2. Схема к расчету устоя как противооползневого сооружения (размеры в м) 0-10 - сечения на границах отсеков; 1 - 10-отсеки

Рис. 3. Поперечные сечения тела обрушения а-и - соответственно сечения 1-9

Таблица 2

Расчетные параметры сечений и отсеков

i

hi

hнас i

hосн i

hwi

Fcci

Fδci

Fcзi

Fδзi

lδi

ti

уi-1-уi

tgαi

αi

φi

Ci

φδi

Cδi

0

0

0

0

0

0

0

0

0

0

-

-

-

-

-

-

-

-

1

3,4

3,4

0

3,4

40,8

9,2

0

0

3,3

1,3

3,4

2,61

68°

30°

1,5

30°

1,5

2

7,0

7,0

0

3,4

40,8

20,5

43,2

18,I

6,8

2,0

3,6

1,80

61°

30°

1,5

30°

1,5

3

9,8

9,8

0

3,4

40,8

20,8

76,9

55,1

9,5

2,0

2,8

1,40

54°30

30°

1,5

30°

1,5

4

11,0

11,0

0

3,4

40,8

20,8

91,2

75,0

10,7

1,2

1,2

1,00

45°

30°

1,5

30°

1,5

5

13,6

11,2

2,4

3,4

40,8

20,8

122,4

125,2

13,2

3,0

2,6

0,87

41°

16°

22

25º30

5,2

6

13,0

8,4

4,6

0

0

0

156,0

133,6

12,6

4,8

2,6

0,54

32°50

16°

22

20º40

11,1

7

11,6

6,2

5,4

0

0

0

139,3

106,0

11,3

3,6

1,2

0,33

17°55

16°

22

17º30

16,3

8

9,4

4,0

5,4

0

0

0

113,0

70,0

9,1

6,2

0,8

0,13

7°20

16°

22

16º30

20,3

9

2,4

0

2,4

0

0

0

27,8

8,1

4,1

9,6

-2,0

-0,21

-11º45

16°

22

16°

22

10

0

0

0

0

0

0

0

0

0

4,0

-2,0

-0,50

-25º30

16°

22

16°

22

Таблица 3

Определение равнодействующей Е

i

Gci

Gδi

sin αi

cos αi

Sci

Sδi

KH Tci

KH Tδi

Nci tgφi

Nδi tg φδi

Ci Sci

Cδi Sδi

ΣEi

KH ΣJi

1

502

114

0,927

0,375

41,5

11,4

652

137

112

25

62,3

17,1

1,09

1,09

625

0

2

2070

800

0,874

0,485

49,5

42,0

2540

980

580

224

74,0

63,0

1,01

1,01

2605

4,3

3

5160

1670

0,815

0,570

42,2

53,9

6030

1910

1695

548

63,3

80,8

0,95

0,95

5090

13,5

4

2150

1410

0,707

0,707

20,4

34,4

2130

1400

875

575

30,6

51,6

0,87

0,87

1740

20,8

5

6100

4820

0,656

0,755

47,7

95,0

5600

4440

1320

1775

1050

495

1,05

0,93

5430

29,0

6

10200

8400

0,542

0,840

68,8

148,0

7760

6400

2460

2665

1510

1640

1,00

0,96

5790

37,6

7

6400

5200

0,306

0,951

45,4

90,0

2750

2240

1760

1560

1003

1470

0,96

0,95

-764

37,5

8

9400

6650

0,128

0,988

75,2

127,9

1782

1190

2660

1870

1560

2590

0,97

0,97

-5550

30,0

9

8100

4500

-0,204

0,979

118,0

129,6

-1650

-918

2280

1265

2645

2850

1,08

1,08

-12580

15,3

10

665

194

-0,430

0,904

53,1

18,1

-282

-83

173

50

1173

398

1,28

1,28

-2760

2,5

4.2. Определение нагрузок, приложенных к оголовку (табл. 4, рис. 4)

Наиболее опасным сочетанием нагрузок при расчете столбов на действие момента и горизонтальной силы, приведенных в уровень низа, оголовка, является IV:

Р = 4700 кН; Н = 419 кН; М = 140 кНм.

Несущая способность столбов по грунту должна обеспечивать восприятие

 (сочетание У)

4.3. Определение начальных параметров

В расчете принимаем приведенную длину столбов  =4.

Нагрузки на один столб

Перемещения верхнего конца столба:

Таблица 4

Сбор нагрузок, приложенных к оголовку

№№ нагрузок и сочетаний

Наименование нагрузок

Нормативные

Коэффициент перегрузки

Расчетные

Р

Н

М

Р

Н

М

Постоянные

1

Опорное давление пролетного строения

2780

-

139

1,1; 1,5

3310

-

165

 

0,9

2500

-

125

2

Опорное давление переходной плиты

722

-

-306

1,1; 1,5

924

-

-383

 

0,9

650

-

-275

3

Вес оголовка

470

-

-185

1,1

517

-

-204

 

 

 

 

 

0,9

423

-

-166

4

Боковое давление засыпки на оголовок

-

180

143

1,29

-

233

185

Временные

5

Нагрузка Н-30 и толпа на пролете

1010

-

51

1,4

1414

-

71

 

1,12

1131

-

57

6

Нагрузка Н-30 и толпа на переходной плите

657

-

-280

1,4

920

-

-392

 

 

1,12

735

-

-314

7, 8

Тормозная сила и воздействие деформации пролетного строения

-

166

150

1,12

-

186

168

Сочетания

I

(1+2+3)max + 4

3970

180

-210

 

4750

233

-240

II

1max+2min+3min+4

3970

180

-210

 

3570

233

-90

III

II+5

4980

180

-160

 

4984

233

-20

IV

II+5+7+8

4980

346

-10

 

4700

419

140

V

I+5

4980

180

160

 

5160

233

-170

Рис. 4. Схема приложения нагрузок к оголовку

4.4. Построение эпюр Мz, Qz

Определение Мz и Qz произведено по формулам (11) п. 3.3. Результаты расчета представлены в виде эпюр на рис. 5.

4.5. Определение горизонтальных перемещений

Перемещения верха столба от нормативных нагрузок сочетания У:

М0 0;

Перемещение верхнего конца столба:

у0 = 0,008 < 1 см

Перемещение верха устоя:

Σ = у0-φ0 hр = 0,008+0,00157×0,9 = 0,0094 м; hp - высота ригеля и подферменника.

Pис. 5. Эпюры Мz и Qz в столбе

Приложение 6

Перечень
нормативных и руководящих материалов для проектирования обсыпных устоев

1. СНиП II-д.7-62х). Мосты и трубы. Нормы проектирования, - М.,: Стройиздат, 1963.

2. СНиП II-15-74. Основания зданий и сооружений, М.,: Стройиздат. 1975.

3. СПиП II-17-74. Свайные фундаменты, - М.,: Стройиздат. 1977.

4. СНиП II-21-75. Бетонные и железобетонные конструкции, М,: Стройиздат, 1975.

5. Руководство по проектированию оснований зданий и сооружений, - М., Стройиздат, 1978.

6. Технические условия проектирования железнодорожных, автодорожных и городских мостов и труб. СН-200-62. – М. : Трансжелдориздат, 1962.

7. Указания по проектированию железобетонных и бетонных конструкций железнодорожных, автодорожных и городских мостов и труб СН 365-67, - М.,: Стройиздат, 1967.

8. Технические условия по применению в мостах опорных частей из полимерных материалов, ВСН 86-71, - М.,: Оргтрансстрой, 1971.

9. Руководство по расчету фундаментов глубокого заложения - М.,: ЦНИИС, 1980.

10. Руководство по проектированию свайных фундаментов, - М.,: Стройиздат, 1980.

 

 




ГОСТЫ, СТРОИТЕЛЬНЫЕ и ТЕХНИЧЕСКИЕ НОРМАТИВЫ.
Некоммерческая онлайн система, содержащая все Российские Госты, национальные Стандарты и нормативы.
В Системе содержится более 150000 файлов нормативно-технической документации, действующей на территории РФ.
Система предназначена для широкого круга инженерно-технических специалистов.

Рейтинг@Mail.ru Яндекс цитирования

Copyright © www.gostrf.com, 2008 - 2026