|
|
|
Библиотека справочной литературы МЕТОДИКА ИЗМЕРЕНИЯ ВИБРАЦИИ СТО ГАЗПРОМ РД 1.14-133-2005 Дата введения 2005-03-15
ОТКРЫТОЕ АКЦИОНЕРНОЕ ОБЩЕСТВО "ГАЗПРОМ" Общество с ограниченной ответственностью "Научно-исследовательский институт природных газов и газовых технологий - ВНИИГАЗ" (ООО "ВНИИГАЗ") Общество с ограниченной ответственностью "Информационно-рекламный центр газовой промышленности" (ООО "ИРЦ Газпром") СОДЕРЖАНИЕ ПРЕДИСЛОВИЕ
ВВЕДЕНИЕНастоящая Методика измерения вибрации для аттестации рабочих мест (далее по тексту - Методика) разработана в соответствии с Приказом от 20 мая 2003 г. № 39 "О совершенствовании работы по аттестации рабочих мест в ОАО "Газпром", а также требованиями Трудового Кодекса Российской Федерации об обязательном проведении аттестации рабочих мест по условиям труда с последующей сертификацией работ по охране труда. Целью разработанной Методики является обеспечение единого подхода к оценке условий труда при воздействии вибрации на рабочих местах в организациях по транспортировке газа ОАО "Газпром" за счет тщательного анализа условий проведения и выбора точек измерения, а также стандартизации измерений приборами, занесенными в государственный реестр. В зависимости от специфики поставленной задачи оценка воздействующей на человека вибрационной нагрузки производится с помощью интегральной оценки в виде одно-числового параметра (корректированное по частоте значение контролируемого параметра и эквивалентное корректированное значение контролируемого параметра), или частотным (спектральным) анализом нормируемого параметра в нормируемом диапазоне частот. Методика обеспечивает статистическую достоверность измерений, а также предусматривает проведение оценки условий вибрации по результатам как дискретных, так и непрерывных измерений. Методология оценки условий вибрации для рабочих мест, изложенная в Методике, включает: - подготовку исходных данных; - измерение параметров локальной и общей вибрации; - оформление протокола, в котором отражаются условия проведения измерений, а также отклонения измеренных параметров вибрации нормируемым значениям; рабочему месту присваивается класс условий труда, и указываются рекомендации по разработке мероприятий по приведению параметров к требованиями нормативных документов. Методика разработана с учетом ГОСТ 17168-82, ГОСТ 12.4.012-83 ССБТ, ГОСТ 12.1.012-90 ССБТ, Санитарных норм СН 2.2.4/2.1.8.566-96. 1 ОБЛАСТЬ ПРИМЕНЕНИЯНастоящая "Методика измерения вибрации для аттестации рабочих мест" (далее - Методика) устанавливает методы выполнения измерений вибраций при проведении аттестации рабочих мест организаций по транспортировке газа ОАО "Газпром". 2 НОРМАТИВНЫЕ ССЫЛКИВ настоящей Методике использованы ссылки на следующие стандарты: ГОСТ 12.1.012-90 ССБТ. Вибрационная безопасность. Общие требования. ГОСТ 12.4.012-83 ССБТ. Вибрация. Средства измерения и контроля на рабочих местах. ГОСТ 17168-82 Фильтры электронные октавные и третьоктавные. Общие технические требования и методы испытаний. 3 ТЕРМИНЫ И ОПРЕДЕЛЕНИЯВ настоящей Методике применены следующие термины с соответствующими определениями: 3.1. вибрация технологического оборудования компрессорных станций: Механическое колебательное движение упругих тел, при которых энергия механических колебаний по пути распространения вибрации передается телу человека. 3.2. общая вибрация: Вибрация, передаваемая на все тело человека. 3.3. локальная вибрация: Вибрация, передаваемая на часть тела человека. 4 ОБЩИЕ ПОЛОЖЕНИЯ4.1. Воздействие вибрации на человека классифицируется: - по способу передачи на человека; - по способу возникновения; - по направлению действия вибрации; - по характеру спектра; - по частотному составу; - по временной характеристике. Общая классификация вибраций по различным параметрам представлена в приложении А. 4.2. На степень и характер неблагоприятного воздействия вибрации влияют: - длительность и прерывистость воздействия вибрации; - длительность рабочей смены; - показатели физической нагрузки; - влияние сопутствующих факторов (шум, охлаждение, влажность и т.п.); - вероятность проявления патологий. 5 НОРМИРУЕМЫЕ ПАРАМЕТРЫ ВИБРАЦИИ5.1. Действие вибрации на организм человека оценивается параметрами виброускорения (виброскорости), диапазоном частот и временем воздействия вибрации. Для характеристики величины виброскорости или виброускорения используются их средние квадратические значения, которые представляются либо в абсолютных величинах (виброскорость v, м/с, виброускорение а, м/с2), либо в виде их логарифмических уровней (логарифмический уровень виброскорости Lv, дБ, логарифмический уровень виброускорения La, ДБ). 5.1.1. Логарифмические уровни виброскорости Lv, дБ вычисляют по формуле
где v- среднее квадратическое значение виброскорости, м/с; 5-108 - опорное значение виброскорости, м/с. Соотношения между значениями виброскорости v и их логарифмическими уровнями Lv приведены в приложении Б. 5.1.2. Логарифмические уровни виброускорения La, дБ вычисляют по формуле
где а - среднее квадратическое значение виброускорения, м/с2; 1-10-6 - опорное значение виброускорения, м/с2. Соотношения между значениями виброускорения а и их логарифмическими уровнями La приведены в приложении Б. 5.2. Предпочтительным параметром при оценке вибрационной нагрузки на оператора является виброускорение. 5.3. Оценка воздействующей на человека вибрационной нагрузки производится либо интегральной оценкой в виде одночислового параметра (корректированное по частоте значение контролируемого параметра, эквивалентное корректированное значение контролируемого параметра), либо частотным (спектральным) анализом нормируемого параметра в нормируемом диапазоне частот. 5.3.1 Корректированное по частоте значение виброскорости
(виброускорения)
где Ui, LUi - среднее квадратическое значение виброскорости (виброускорения) или их логарифмические уровни в i-ой частотной полосе, м/с (м/с2), дБ; n - число частотных полос (1/3 или 1/1 октав) в нормируемом частотном диапазоне; Кi, LKi - весовые коэффициенты для i-ой частотной полосы соответственно для абсолютных значений или их логарифмических уровней, определяемые по приложению В. 5.3.2. При интегральной оценке вибрации с учетом времени ее
воздействия по эквивалентному (по энергии) уровню нормируемым
параметром является эквивалентное корректированное значение
виброскорости (виброускорения) Uэкв, м/с (м/с2), или их логарифмический уровень
где ti- время действия вибрации, ч; T- общее время вибрации, ч, вычисляемое по формуле:
где n - общее число интервалов действия вибрации. 5.4. При частотном (спектральном) анализе нормируемыми параметрами являются средние квадратические значения виброскорости (или виброускорения а) или их логарифмические уровни Lv, La, измеряемые в октавных или 1/3 октавных полосах частот. 5.5. При постоянной вибрации норму вибрационной нагрузки на оператора устанавливают в виде нормативных спектральных или корректированных по частоте значений контролируемого параметра для воздействия вибрации в течение 8 ч. 5.6. При непостоянной вибрации норму вибрационной нагрузки на оператора устанавливают в виде нормативных эквивалентных корректированных значений контролируемого параметра. 5.7. Нормируемый диапазон частот устанавливается: - для локальной вибрации в виде октавных полос со среднегеометрическими частотами 1,0; 2,0; 4,0; 8,0; 16,0; 31,5; 63,0; 125,0; 250,0; 500,0; 1000,0 Гц; - для общей вибрации в виде октавных или 1/3 октавных полос со среднегеометрическими частотами 0,80; 1,0; 1,25; 1,60; 2,00; 2,50; 3,15; 4,00; 5,00; 6,30; 8,00; 10,00; 12,50; 16,00; 20,00; 25,00; 31,50; 40,00; 50,00; 63,00; 80,00 Гц. 6 ИЗМЕРИТЕЛЬНАЯ АППАРАТУРА6.1. Виброизмерительная аппаратура должна соответствовать требованиям ГОСТ 12.4.012. 6.2. Для измерения параметров вибрации должны применяться измерительные приборы I или 2 группы с третьеоктавными и октавными фильтрами по ГОСТ 17168 и корректирующими фильтрами. 6.3. Перед началом измерений следует проводить калибровку всего измерительного тракта. Результаты калибровки не должны различаться более чем на 1 дБ. После измерений следует провести повторную калибровку и проверку устройства, особенно при получении результатов, близких к предельно допустимым. 6.4 Рекомендуемая аппаратура для измерения параметров вибрации представлена в приложении Г. 7 ТРЕБОВАНИЯ К ПОГРЕШНОСТИ ИЗМЕРЕНИЙ7.1 Предел допускаемой основной погрешности измерительных приборов при нормальных условиях во всем диапазоне измеряемых величин должен соответствовать значениям, указанным в табл. 1. Таблица 1 Допускаемая основная погрешность измерения
8 ПОДГОТОВКА ДАННЫХ ДЛЯ ПРОВЕДЕНИЯ ИЗМЕРЕНИЙ8.1. Определение данных об объекте измерений: наименование рабочего места; наименование, тип оборудования и год его выпуска; режим работы машины (установившийся, номинальный и т.п.). 8.2. Описание конструктивной схемы объекта (заполняется при первичном обследовании): тип несущей конструкции перекрытия и число работающих. 8.3. Описание и материалы основных ограждающих конструкций помещения (при первичном обследовании): пол, стены и колонны. 8.4. Номенклатура основного оборудования (при первичном обследовании) с указанием его габаритных размеров, количества и режима эксплуатации: постоянно действующее, включаемое периодически на определенный срок и т.п. 8.5. Схема расстановки технологического оборудования (включая систему вентиляции) с указанием времени пребывания обслуживающего персонала в помещении (при первичном обследовании): постоянно или временно. 8.6. Определение вида вибрации (локальная или общая) и категория вибрации (категория 1, 2, 3а, 3б, 3в). 8.7. Составление схемы оборудования для измерения общей вибрации категории 3 (технологической). 8.8. Выявление мест (зон) пребывания персонала при обслуживании данного рабочего места и время пребывания в них. 8.9. Определение точек измерения вибрации и расположение их на рабочем месте и схеме оборудования. Количество точек измерения уровня вибрации и их расположение на объекте должны выбираться с таким расчетом, чтобы результаты измерения могли дать наиболее полную картину о фактических уровнях вибрации на рабочих местах исследуемого объекта и об эффективности мероприятий, проведенных по защите от вибрации. 8.9.1. Точки измерения выбираются в местах контакта оператора с вибрирующей поверхностью. Если установка виброизмерительного преобразователя (датчика) в местах охвата рукой или под опорной поверхностью затруднена, то место установки выбирают так, чтобы измеряемый параметр не отличался от значений в месте контакта более чем на 1 дБ. 8.9.2. Если оператор в процессе производственной деятельности перемещается в пределах рабочего места (зоны), то точки измерения назначаются через каждый метр его пути. Допускается уменьшать объем измерений путем выполнения измерений только в одной или нескольких точках с максимальной вибрацией. 8.9.3. При наличии в цехе одной или нескольких площадок обслуживания агрегатов точки измерения выбираются как на площадках обслуживания, так и на нулевой отметке. Расположения точек измерения на рабочих местах для типовых объектов ОАО "Газпром" приведены в табл. 2. Схемы расположения точек для ГПА различного исполнения приведены в приложении Д. 8.10. Для измерения локальной вибрации с участием человека-оператора вибропреобразователь (датчик) устанавливают на переходном элементе-адаптере. Рекомендуемые размеры и конструкции адаптеров приведены в ГОСТ 12.1.012. Допускается крепление вибропреобразователя на резьбовой шпильке, магнитом, жестким хомутом и т.п. При этом собственная частота закрепленного вибропреобразователя с деталями для крепления должна быть не ниже 2000 Гц. 8.11. При измерении общей вибрации вибропреобразователь устанавливают на промежуточной платформе около ног оператора, работающего стоя, или на промежуточном диске, размещаемом под опорными поверхностями оператора, работающего сидя. Рекомендуемые размеры и конструкции промежуточной платформы и диска приведены в ГОСТ 12.1.012. 8.12. Вибропреобразователь устанавливается на промежуточной платформе или диске на резьбовой шпильке, магните или другим способом. При этом собственная частота закрепленного вибропреобразователя с деталями для крепления должна быть не ниже 200 Гц. Таблица 2 Местоположение точек измерения на рабочих местах для
Допускается крепление вибропреобразователя на резьбовой шпильке и магнитах непосредственно на металлических поверхностях машин, сидений и оснований, с которыми контактируют опорные поверхности оператора. 8.13. При применении резьбового крепления вибропреобразователя необходимо обеспечивать выполнение резьбового отверстия и посадочной плоскости так, чтобы отпечаток от вибропреобразователя на слое технического вазелина, предварительно нанесенного на посадочную плоскость, занимал площадь сектора с центральным углом не менее 270°. Шероховатость поверхности, на которой устанавливается вибропреобразователь, должен быть не более 2,5 мкм. Диаметр посадочной площадки должен превышать диаметр опорной поверхности вибропреобразователя не менее чем на 1 мм. 8.14. При проведении измерений с участием оператора его масса должна быть 70-80 кг. 9 ПРОВЕДЕНИЕ ИЗМЕРЕНИЙ9.1. Измерение вибрации необходимо проводить в условиях, которые воспроизводят или имитируют типовые условия эксплуатации машин и оборудования. Типовые условия выбирают из наиболее распространенных (по времени или числу случаев) условий практического применения объекта. Измерения вибраций следует проводить в период установившегося режима работы механизмов (машин), расположенных в данной рабочей зоне (при работе не менее 2/3 из числа установленных в каждом помещении агрегатов, механизмов). 9.2.
При измерении уровня вибрации на рабочих местах в производственных и служебных
помещениях вибропреобразователь надо устанавливать на полу или на площадке
обслуживания и ориентировать его в вертикальной плоскости. В каждой точке
измерения 9.3. При различных нормах и коррекциях по частоте общей вибрации в вертикальном и горизонтальном направлениях измерения должны проводиться в вертикальном направлении, а в горизонтальном направлении допускается ограничиться измерениями только в направлении максимальной вибрации. При одинаковых нормах локальной и общей вибрации и одинаковых коррекциях по частоте допускается производить измерения только в одном направлении, если измеряемый параметр больше чем в других направлениях не менее чем в 2 раза (на 6 дБ). 9.4. Измерения проводят в соответствии с требованиями к проведению измерений по ГОСТ 12.1.012. 9.4.1. Результаты измерений в одной точке усредняют с внесением поправок на чувствительность аппаратуры и вибропреобразователя. Время усреднения (интегрирования) прибора при измерении локальной вибрации должно быть не менее 1 с, а общей вибрации - не менее 10с. Измерения проводят непрерывно или дискретно (через равные промежутки времени). 9.4.2. Дискретные измерения характеризуются временем (интервалом) между последовательным снятием отсчетов. Отсчет проводят в конце выбранного интервала. При дискретном измерении спектров и корректированных по частоте значений интервал между снятием отсчетов должен быть для локальной вибрации не менее 1 с; для общей вибрации - не менее 10с. Интервал между отсчетами должен быть кратен 1 с или 10 с и соответствовать реальным физическим возможностям человека, производящего измерения и фиксацию результатов. При использовании приборов со стрелочным указателем или цифровой индикацией показания фиксируют в момент отсчета независимо от поведения стрелки (ее движения) или цифровой индикации (смены показаний), не производя визуального усреднения показаний. Дискретные измерения начинают с проведения исходного числа наблюдений не менее 3. Необходимое число наблюдений, обеспечивающее требуемую точность результатов, определяют по итогам обработки результатов измерений. 9.4.3. Непрерывные измерения характеризуются временем измерения, равным длительности накопления сигнала, записи и фиксации вибрационного процесса. При непрерывном измерении спектров и корректированных по частоте значений длительность измерения должна быть для локальной вибрации не менее 3 с; для общей вибрации - не менее 30 с. 9.4.4. При непрерывном измерении эквивалентного корректированного значения контролируемого параметра длительность наблюдения должна быть для локальной вибрации - не менее 5 мин, а для общей вибрации - не менее 15 мин. 10 ОБРАБОТКА И ОФОРМЛЕНИЕ РЕЗУЛЬТАТОВ ИЗМЕРЕНИЙ10.1. При разбросе значений отсчетов исходного числа наблюдений не более чем в 1,5 раза (на 3 дБ) в качестве результата измерений следует принимать максимальное значение. 10.2. При измерении спектров и корректированного по частоте значения контролируемого параметра при разбросе значений отсчетов более чем в 1,5 раза (на 3 дБ) необходимо произвести еще не менее 2 наблюдений. По значениям первых 5 отсчетов рассчитывают коэффициент Р по формуле
где Umax, Umm - максимальное и минимальное значения из результатов измерений. Из приложения Е по ближайшему большему к вычисленному значению Р находят необходимое число наблюдений. Производят недостающее число наблюдений и для них определяют коэффициент Р. Если коэффициент Р стал больше, то уточняют по нему число наблюдений n. Процесс уточнения числа наблюдений повторяют до тех пор, пока наибольшее из рассчитанных значение коэффициента Р не станет меньше табличного значения Р для проведенного числа наблюдений. При спектральном анализе в качестве результата измерений принимают среднее квадратическое значение контролируемого параметра вибрации в октавных или 1/3 октавных полосах Uk, вычисляемое по формуле
где Uk - значение параметра вибрации в k-й октавной или 1/3 октавной полосе при i-м наблюдении; n - число наблюдений. При оценке вибрации по корректированному по частоте значению в качестве результата измерений принимают
где n - число наблюдений (или рассчитанных результатов);
При оценке вибрации по эквивалентному корректированному значению Uэкв по данным дискретных измерений в качестве результата измерений принимают эквивалентное корректированное значение виброскорости, или виброускорения, или их логарифмический уровень по формулам (5) и (6).
где n - число наблюдений (или рассчитанных результатов);
Δti- длительность i-го наблюдения, мин. 9.6. Полученные результаты сравниваются с предельно допустимыми значениями вибрации по ГОСТ 12.1.012 и [1]. Предельно допустимые значения вибрации приведены в приложении Ж. 9.7. При длительности воздействия вибрации менее 8 ч (480 мин) норму вибрационной нагрузки на оператора по спектральным и корректированным по частоте значениям контролируемого параметра Ut (предельно допустимые значения вибрации с учетом длительности воздействия вибрации менее 8 ч) вычисляют по формуле
где U480 - норма вибрационной нагрузки на оператора для длительности воздействия вибрации 480 мин (предельно допустимые значения); T - длительность воздействия вибрации, мин. При Т < 30 мин в качестве нормы принимают значение, вычисленное для Т = 30 мин. 9.8. Делается заключение о соответствии измеренных параметров вибрации нормируемым значениям. 9.9. Результаты измерений оформляют протоколом, в котором приводят следующие сведения: - объект измерения (наименование, тип, год выпуска машины, наименование рабочего места и т.п.); - тип измерительной аппаратуры и данные о ее поверке; - условия измерений (режим работы машины и соответствие режима работы аппаратуры паспортным данным); - измеряемые параметры; - место установки вибропреобразователя; - принятая система координатных осей и выбранное направление измерений; - результаты обработки измерений; - заключение о соответствии измеренных параметров вибрации нормируемым значениям; - дата и место проведения измерений. ПРИЛОЖЕНИЕ А (РЕКОМЕНДУЕМОЕ)
|
|||||||||||||||||||||||||||||||||||||||||||||||||||||||||||||||||||||||||||||||||||||||||||||||||||||||||||||||||||||||||||||||||||||||||||||||||||||||||||||||||||||||||||||||||||||||||||||||||||||||||||||||||||||||||||||||||||||||||||||||||||||||||||||||||||||||||||||||||||||||||||||||||||||||||||||||||||||||||||||||||||||||||||||||||||||||||||||||||||||||||||||||||||||||||||||||||||||||||||||||||||||||||||||||||||||||||||||||||||||||||||||||||||||||||||||||||||||||||||||||||||||||||||||||||||||||||||||||||||||||||||||||||||||||||||||||||||||||||||||||||||||||||||||||||||||||||||||||||||||||||||||||||||||||||||||||||||||||||||||||||||||||||||||||||||||||||||||||||||||||||||||||||||||||||||||||||||||||||||||||||||||||||||||||||||||||||||||||||||||||||||||||||||||||||||||||||||||||||||||||||||||||||||||||||||||||||||||||||||||||||||||||||||||||||||||||||||||||||||||||||||||||||||||||||||||||||||||||||||||||||||||||||||||||||||||||||||||||||||||||||||||||||||||||||||||||||||||||||||||||
|
Логарифмический уровень, кратный 10, дб |
Единицы, дБ |
|||||||||
|
0 |
1 |
2 |
3 |
4 |
5 |
6 |
7 |
8 |
9 |
|
|
50 |
1,6·10-5 |
1,8·10-5 |
2,0·10-5 |
2,2·10-5 |
2,5·10-5 |
2,8·10-5 |
3,2·10-5 |
3,5·10-5 |
4,0·10-5 |
4,5·10-5 |
|
60 |
5,0·10-5 |
5,6·10-5 |
6,3·10-5 |
7,1·10-5 |
7,9·10-5 |
8,9·10-5 |
1,0·10-4 |
1,1·10-4 |
1,3·10-4 |
1,4·10-4 |
|
70 |
1,6·10-4 |
1,8·10-4 |
2,0·10-4 |
2,2·10-4 |
2,5·10-4 |
2,8·10-4 |
3,2·10-4 |
3,5·10-4 |
4,0·10-4 |
4,5·10-4 |
|
80 |
5,0·10-4 |
5,6·10-4 |
6,3·10-4 |
7,1·10-4 |
7,9·10-4 |
8,9·10-4 |
1,0·10-3 |
1,1·10-3 |
1,3·10-3 |
1,4·10-3 |
|
90 |
1,6·10-3 |
1,8·10-3 |
2,0·10-3 |
2,2·10-3 |
2,5·10-3 |
2,8·10-3 |
3,2·10-3 |
3,5·10-3 |
4,0·10-3 |
4,5·10-3 |
|
100 |
5,0·10-3 |
5,6·10-3 |
6,3·10-3 |
7,1·10-3 |
7,9·10-3 |
8,9·10-3 |
1,0·10-2 |
1,1·10-2 |
1,3·10-2 |
1,4·10-2 |
|
110 |
1,6·10-2 |
1,8·10-2 |
2,0·10-2 |
2,2·10-2 |
2,5·10-2 |
2,8·10-2 |
3,2·10-2 |
3,5·10-2 |
4,0·10-2 |
4,5·10-2 |
|
120 |
5,0·10-2 |
5,6·10-2 |
6,3·10-2 |
7,1·10-2 |
7,9·10-2 |
8,9·10-2 |
1,0·10-1 |
1,1·10-1 |
1,3·10-1 |
1,4·10-1 |
|
130 |
1,6·10-1 |
1,8·10-1 |
2,0·10-1 |
2,2·10-1 |
2,5·10-1 |
2,8·10-1 |
3,2·10-1 |
3,5·10-1 |
4,0·10-1 |
4,5·10-1 |
|
140 |
5,0·10-1 |
5,6·10-1 |
6,3·10-1 |
7,1·10-1 |
7,9·10-1 |
8,9·10-1 |
1,0·10 |
1,1·10 |
1,3·10 |
1,4·10 |
Таблица Б.2
Соотношение между логарифмическими уровнями виброускорения и ее значениями
|
Логарифмический уровень, кратный 10, дб |
Единицы, дБ |
|||||||||
|
0 |
1 |
2 |
3 |
4 |
5 |
6 |
7 |
8 |
9 |
|
|
70 |
3,2·10-3 |
3,5·10-3 |
4,0·10-3 |
4,5·10-3 |
5,0·10-3 |
5,6·10-3 |
6,3·10-3 |
7,1·10-3 |
7,9·10-3 |
8,9·10-3 |
|
80 |
1,0·10-2 |
1,1·10-2 |
1,3 10-2 |
1,4·10-2 |
1,6·10-2 |
1,8·10-2 |
2,0·10-2 |
2,2·10-2 |
2,5·10-2 |
2,8·10-2 |
|
90 |
3,2·10-2 |
3,5·10-2 |
4,0·10-2 |
4,5·10-2 |
5,0·10-2 |
5,6·10-2 |
6,3·10-2 |
7,1·10-2 |
7,9·10-2 |
8,9·10-2 |
|
100 |
1,0·10-1 |
1,1·10-1 |
1,3·10-1 |
1,4·10-1 |
1,6·10-1 |
1,8·10-1 |
2,0·10-1 |
2,2·10-1 |
2,5·10-1 |
2,8·10-1 |
|
110 |
3,2·10-1 |
3,5·10-1 |
4,0·10-1 |
4,5·10-1 |
5,0·10-1 |
5,6·10-1 |
6,3·10-1 |
7,1·10-1 |
7,9·10-1 |
8,9·10-1 |
|
120 |
1,0 |
1,1 |
1,3 |
1,4 |
1,6 |
1,8 |
2,0 |
2,2 |
2,5 |
2,8 |
|
130 |
3,2 |
3,5 |
4,0 |
4,5 |
5,0 |
5,6 |
6,3 |
7,1 |
7,9 |
8,9 |
|
140 |
1,0·10 |
1,1·10 |
1,3·10 |
1,4·10 |
1,6·10 |
1,8·10 |
2,0·10 |
2,2·10 |
2,5·10 |
2,8·10 |
|
150 |
3,2·10 |
3,5·10 |
4,0·10 |
4,5·10 |
5,0·10 |
5,6·10 |
6,3·10 |
7,1·10 |
7,9·10 |
8,9·10 |
|
160 |
1,0·102 |
1,1·102 |
1,3·102 |
1,4·102 |
1,6·102 |
1,8·102 |
2,0·102 |
2,2·102 |
2,5·102 |
2,8·102 |
Таблица В.1
Значения весовых коэффициентов для локальной вибрации
|
Среднегеометрические частоты октавных полос, Гц |
Значения весовых коэффициентов |
|||
|
Для виброускорения |
Для виброскорости |
|||
|
ki |
|
ki |
|
|
|
8 |
1,0 |
0 |
0,5 |
-6 |
|
16 |
1,0 |
0 |
1,0 |
0 |
|
31,5 |
0,5 |
-6 |
1,0 |
0 |
|
63 |
0,25 |
-12 |
1,0 |
0 |
|
125 |
0,125 |
-18 |
1,0 |
0 |
|
250 |
0,063 |
-24 |
1,0 |
0 |
|
500 |
0,0315 |
-30 |
1,0 |
0 |
|
1000 |
0,016 |
-36 |
1,0 |
0 |
Таблица В.2
Значения весовых коэффициентов для общей вибрации
|
Среднегеометрические частоты полос, Гц . |
Общая вибрация |
|||||||||||||||
|
Для виброускорения |
Для виброскорости |
|||||||||||||||
|
В 1/3 октаве |
В 1/1 октаве |
В 1/3 октаве |
В 1/1 октаве |
|||||||||||||
|
Z0 |
Х0, У0 |
Z0 |
Х0, У0 |
Z0 |
Х0, У0 |
Z0 |
Х0, У0 |
|||||||||
|
ki |
|
ki |
|
ki |
|
ki |
|
ki |
|
ki |
|
ki |
|
ki |
|
|
|
0,8 |
0,45 |
-7 |
1,0 |
0 |
|
|
|
|
0,045 |
-27 |
0,4 |
-8 |
|
|
|
|
|
1,0 |
0,5 |
-6 |
1,0 |
0 |
0,5 |
-6 |
1,0 |
0 |
0,063 |
-24 |
0,5 |
-6 |
0,045 |
-25 |
0,5 |
-6 |
|
1,25 |
0,56 |
-5 |
1,0 |
0 |
|
|
|
|
0,09 |
-21 |
0,63 |
-4 |
|
|
|
|
|
1,6 |
0,63 |
-4 |
1,0 |
0 |
|
|
|
|
0,125 |
-18 |
0,8 |
-2 |
|
|
|
|
|
2,0 |
0,71 |
-3 |
1,0 |
0 |
0,71 |
-3 |
1,0 |
0 |
0,188 |
-15 |
1,0 |
0 |
0,16 |
-16 |
0,9 |
-1 |
|
2,5 |
0,8 |
-2 |
0,8 |
-2 |
|
|
|
|
0,25 |
-12 |
1,0 |
0 |
|
|
|
|
|
3,15 |
0,9 |
-1 |
0,63 |
-4 |
|
|
|
|
0,35 |
-9 |
1,0 |
0 |
|
|
|
|
|
4,0 |
1,0 |
0 |
0,5 |
-6 |
1,0 |
0 |
0,5 |
-6 |
0,5 |
-6 |
1,0 |
0 |
0,45 |
-7 |
1,0 |
0 |
|
5,0 |
1,0 |
0 |
0,4 |
-8 |
|
|
|
|
0,63 |
-4 |
1,0 |
0 |
|
|
|
|
|
6,3 |
1,0 |
0 |
0,315 |
-10 |
|
|
|
|
0,8 |
-2 |
1,0 |
0 |
|
|
|
|
|
8,0 |
1,0 |
0 |
0,25 |
-12 |
1,0 |
0 |
0,25 |
-12 |
1,0 |
0 |
1,0 |
0 |
0,9 |
-1 |
1,0 |
0 |
|
10,0 |
0,8 |
-2 |
0,2 |
-14 |
|
|
|
|
1,0 |
0 |
1,0 |
0 |
|
|
|
|
|
12,5 |
0,63 |
-4 |
0,16 |
-16 |
|
|
|
|
1,0 |
0 |
1,0 |
0 |
|
|
|
|
|
16,0 |
0,5 |
-6 |
0,125 |
-18 |
0,5 |
-6 |
0,125 |
-18 |
1,0 |
0 |
1,0 |
0 |
1,0 |
0 |
1,0 |
0 |
|
20,0 |
0,4 |
-8 |
0,1 |
-20 |
|
|
|
|
1,0 |
0 |
1,0 |
0 |
|
|
|
|
|
25,0 |
0,315 |
-10 |
0,08 |
-22 |
|
|
|
|
1,0 |
0 |
|
|
|
|
|
|
|
31,5 |
0,25 |
-12 |
0,063 |
-24 |
0,25 |
|
0,063 |
-24 |
1,0 |
0 |
1,0 |
0 |
1,0 |
0 |
1,0 |
0 |
|
40,0 |
0,2 |
-14 |
0,05 |
-26 |
|
|
|
|
1,0 |
0 |
1,11 |
0 |
|
|
|
|
|
50,0 |
0,16 |
-16 |
0,04 |
-28 |
|
|
|
|
1,0 |
0 |
1,0 |
0 |
|
|
|
|
|
63,0 |
0,125 |
-18 |
0,0315 |
-30 |
0,125 |
-18 |
0,0315 |
-30 |
1,0 |
0 |
1,0 |
0 |
1,0 |
0 |
1,0 |
0 |
|
80 |
0,1 |
-20 |
0,025 |
-32 |
|
|
|
|
1,0 |
0 |
1,0 |
0 |
|
|
|
|
Примечание: при оценке общей вибрации категории 2 и 3 значения весовых коэффициентов для направлений Х0, У0„ принимаются равными значениям для направлений Z0,
Таблица Г.1
|
Наименование (тип) прибора, устройства |
Краткая характеристика, |
|
Виброметр Октава- 101В |
Предназначен для измерения виброускорения. Прибор оснащен дисплеем с регулированием подсветки и контрастности, имеет аналоговый и цифровой выходы и позволяет одновременно замерять уровни виброускорения (дБ) в трех направлениях осей ортогональной системы координат. Тип вибропреобразователей (датчиков) пьезоэлектрический, 1- или 3-компонентный. |
|
Измеритель шума и вибрации В1ШМЮЗ-М2 |
Измеряет как виброскорость, так и виброускорение. Прибор укомплектован двумя типами 1 -компонентных пьезоэлектрических датчиков. |
|
Измеритель шума и вибрации ВШВ-003-М2 |
Измеряет шум, инфразвук, общую и локальную вибрацию. |
|
Виброметр 251 1 |
Предназначен для измерения нескольких параметров вибрации - виброперемещения, виброскорости и виброускорения. Частотный диапазон прибора при измерении ускорения - 0,3 ~ 15000 Гц. Датчики для измерения параметров вибрации пьезоэлектрического типа. |
|
Шумомер-виброметр диагностический ШВД-001 |
Предназначен для измерения корректированных и эквивалентных уровней шума и вибрации. |
|
Виброметр типа ВИП-5 |
Портативный прибор со стрелочным индикатором, предназначенный для измерения виброперемещения, виброускорения и виброскорости работающего оборудования, машин и других объектов в производственных условиях. Диапазон измерения среднеквадратичных значений: виброускорения 0,1 -1000 м/с (в частотном диапазоне 2-10000 Гц); виброскорости 3,16-100 мм/с (в частотном диапазоне 2-4000 Гц), 1-100 мм/с (в частотном диапазоне 10-4000 Гц). |
|
Виброметр типа ВМ-1М1 |
Предназначен для измерения среднеквадратичного значения виброускорения, виброскорости, виброскорости и размаха виброперемещения. Полоса частот измерения: виброускорения 2-4000 Гц, виброскорости 2 ... 2800 Гц. Диапазон измерения: виброускорения 0,1-1000 м/с2, виброскорости 0,5-1000 мм/с. |
|
Вибропреобразовательные ВИК-02, ВИК-03 |
Предназначены для измерения параметров вибрации, запоминания и хранения временных реализации вибросигнала с индикацией имени или номера измерительной точки. Прибор состоит из измерительного блока с цифровым жидкокристаллическим индикатором (ВИК-02) или алфавитно-цифровым светодиодным индикатором (ВИК-03) и пьезоэлектрического вибропреобразователя типа ВК-315с выносным предусилителем. Диапазоны измерений: амплитуды виброускорения 0,1-100 м/с2 СКЗ виброскорости 0,1-100 мм/с. Частотный диапазон 10-5000 Гц (по заказу 0,2-200 Гц (ВИК-02); 10-10000 Гц (ВИК-03). Основная приведенная погрешность измерения вибрации не более 5%. |
|
Комбинированный прибор для измерения шума и вибрации. Модель 2239В |
Прибор позволяет измерять вибрацию по шкале линейно, например, для оценки вибрации машин, механизмов и, кроме того, в гигиенических целях, получать эквивалентное корректированное значение уровня вибрации по ускорению, что позволяет оценивать воздействие вибрации на кисть руки человека от рабочего инструмента либо от органов управления транспортными средствами. Диапазон рабочих часто от 8 Гц до 16 кГц. |
|
Шумомер, виброметр, анализатор шума и вибрации SVAN 947 |
Предназначен для акустических измерений, мониторинга шума окружающей среды, контроля влияния шума и вибрации на здоровье человек. SVAN 947 осуществляет измерения шума и вибрации в реальном масштабе времени в частотном диапазоне от 1 Гц до 20 кГц. Современный цифровой сигнальный процессор прибора осуществляет 1/1 или 1/3 октавный анализ, с одновременной статистической обработкой сигнала и записью его временной истории в буфер памяти. |
|
Измеритель шума и вибрации ВШВ-003-МЗ |
Прибор предназначен для измерения и анализа шума и вибрации в жилых помещениях, производственных и полевых условиях и используется для определения источников и характеристик шума и вибрации в местах нахождения людей, при исследованиях и испытаниях машин и механизмов, при разработке и контроле качества изделий. Прибор ВШВ-003-МЗ имеет встроенные фильтры с частотными характеристиками А, В, С, а также полосовые фильтры: октавные и третьоктавные, позволяющие проводить классификацию, измерение и определение нормируемых параметров и характеристик шума и вибрации. Укомплектован пьезоэлектрическими виброизмерительными преобразователями ДН-3-М1 иДН-4-М1, имеющими коэффициент преобразования соответственно 10 мВс2/м и 1 мВс2/м. |

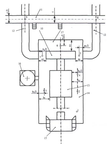
1, 2, 3 - точки измерения в верхнем ярусе машинного шла; 4, 5, 6 -тачки измерения в зале нагнетателей; 7,8- точки измерения на мостике у технологической обвязки нагнетателей; 9 - двигатель; 10 - нагнетатель; 11 - мостик; 12 - технологическая обвязка трубопроводов; 13 -воздухозаборная камера; 14- выхлоп
Рис. Д. 1 Схема расположения точек измерения вибрации для газоперекачивающих агрегатов в цеховом исполнении

1, 2, 3, 4, 5, 6, 7, 8, 9, 10, 11, 12, 13 - точки измерения; 14 - вентиляционным блок; 15 - отсек пожаротушения; 16 - двигатель; 17 -отсек ГТУ; 18- нагнетатель; 19 - отсек, нагнетателя; 20 - блок управления; 21 - воздухозаборная камера; 22 - выхлоп; 23 -трубопроводы технологической обвязки; 25 - мостик; 25 - блок воздушного охлаждения масла; 26 - отсек маслоохладителей ПУ
Рис. Д.2 Схема расположения точек измерения вибрации для газоперекачивающих агрегатов в блочно-контейнерном исполнении

1, 2, 3, 4, 5, 6, 7, 8, 9 - точки измерения; 10 - нагнетатель; 11 - мостик; 12 - трубопроводы технологической обвязки; 13 - двигатель; 14, 17 - индивидуальное укрытие ГПА;15 - воздухозаборная камера; 16 -выхлоп
Рис. Д.3 Схема
расположения точек измерения вибрации для
газоперекачивающих агрегатов в индивидуальном укрытии
Таблица Е.1
|
n |
Р |
n |
Р |
|
5 |
1,7 |
15 |
6,8 |
|
6 |
2,1 |
16 |
7,7 |
|
7 |
2,5 |
17 |
8,6 |
|
8 |
2,9 |
18 |
10,6 |
|
9 |
3,3 |
19 |
12,7 |
|
10 |
3,8 |
20 |
15,5 |
|
11 |
4,2 |
21 |
20,9 |
|
12 |
4,7 |
22 |
26,4 |
|
13 |
5,3 |
23 |
50 |
|
14 |
6,0 |
|
|
Таблица Ж. 1
|
Среднегеометрические частоты октавных полос, Гц |
Предельно допустимые значения по осям Х0,Y0,Z0 |
|||
|
Для виброускорения |
Для виброскорости |
|||
|
м/с2 |
дБ |
м/с·102 |
дБ |
|
|
8 |
1,4 |
123 |
2,8 |
115 |
|
16 |
1,4 |
123 |
1,4 |
109 |
|
31,5 |
2,8 |
129 |
1,4 |
109 |
|
63 |
5,6 |
135 |
1,4 |
109 |
|
125 |
11,0 |
141 |
1,4 |
109 |
|
250 |
22,0 |
147 |
1,4 |
109 |
|
500 |
45,0 |
153 |
1,4 |
109 |
|
1000 |
89,0 |
159 |
1,4 |
109 |
|
Корректированные и эквивалентные корректированные значения и их уровни |
2,0 |
126 |
2,0 |
112 |
*Работа в условиях воздействия вибрации с уровнями, превышающими санитарные нормы более чем на 12дб (в4раза), по интегральной оценке или в какой-либо октавной полосе, не допускается.
Таблица Ж.2
Предельно допустимые значения вибрации рабочих мест
категории
1-транспортной
|
Гц |
Предельно допустимые значения по осям Х0, У0, Z0 |
|||||||||||||||
|
для виброускорения |
для виброскорости |
|||||||||||||||
|
м/с2 |
дБ |
м/с·102 |
дБ |
|||||||||||||
|
в 1/3 |
в 1/1 |
в 1/3 |
в 1/1 |
в 1/3 |
октаве |
в 1/3 |
в 1/1 |
|||||||||
|
Z0 |
Х0, у0 |
Z0 |
Х0, у0 |
Z0 |
Х0, у0 |
Z0 |
Х0, у0 |
Z0 |
Х0, у0 |
Z0 |
Х0, у0 |
Z0 |
Х0, у0 |
Z0 |
Х0, у0 |
|
|
0,8 |
0,70 |
0,22 |
|
|
117 |
107 |
|
|
|
4,50 |
|
|
129 |
119 |
|
|
|
1,0 |
0,63 |
0,22 |
1,10 |
0,40 |
116 |
107 |
121 |
112 |
10,00 |
3,5 |
20,0 |
6,30 |
126 |
117 |
132 |
122 |
|
1,25 |
0,56 |
0,22 |
|
|
115 |
107 |
|
|
7,10 |
2,80 |
|
|
123 |
115 |
|
|
|
1,6 |
0,50 |
0,22 |
|
|
114 |
107 |
|
|
5,00 |
2,20 |
|
|
120 |
113 |
|
|
|
2,0 |
0,45 |
0,22 |
0,79 |
0,45 |
113 |
107 |
118 |
113 |
3,50 |
1,78 |
7,10 |
3,50 |
117 |
111 |
123 |
117 |
|
2,5 |
0,40 |
0,28 |
|
|
112 |
109 |
|
|
2,50 |
1,78 |
|
|
114 |
111 |
|
|
|
3,15 |
0,35 |
0,35 |
|
|
111 |
111 |
|
|
1,79 |
1,78 |
|
|
111 |
111 |
|
|
|
4,0 |
0,32 |
0,45 |
0,56 |
0,79 |
110 |
113 |
115 |
118 |
1,30 |
1,78 |
2,50 |
3,20 |
108 |
111 |
114 |
116 |
|
5,0 |
0,32 |
0,56 |
|
|
110 |
115 |
|
|
1,00 |
1,78 |
|
|
106 |
111 |
|
|
|
6,3 |
0,32 |
0,70 |
|
|
110 |
117 |
|
|
0,79 |
1,78 |
|
|
104 |
111 |
|
|
|
8,0 |
0,32 |
0,89 |
0,63 |
1,60 |
110 |
119 |
116 |
124 |
0,63 |
1,78 |
1,30 |
3,20 |
102 |
111 |
108 |
116 |
|
10,0 |
0,40 |
1,10 |
|
|
112 |
121 |
|
|
0,63 |
1,78 |
|
|
102 |
111 |
|
|
|
12,5 |
0,50 |
1,40 |
|
|
114 |
123 |
|
|
0,63 |
1,78 |
|
|
102 |
111 |
|
|
|
16,0 |
0,63 |
1,80 |
1,10 |
3,20 |
116 |
125 |
121 |
130 |
0,63 |
1,78 |
1,10 |
3,20 |
102 |
111 |
107 |
116 |
|
20,0 |
0,79 |
2,20 |
|
|
118 |
127 |
|
|
0,63 |
1,78 |
|
|
102 |
111 |
|
|
|
25,0 |
1,00 |
2,80 |
|
|
120 |
129 |
|
|
0,63 |
1,78 |
|
|
102 |
111 |
|
|
|
31,5 |
1,30 |
3,50 |
2,20 |
6,30 |
122 |
131 |
127 |
136 |
0,63 |
1,78 |
1,10 |
3,20 |
102 |
111 |
107 |
116 |
|
40,0 |
1,60 |
4,50 |
|
|
124 |
133 |
|
|
0,63 |
1,78 |
|
|
102 |
111 |
|
|
|
50,0 |
2,00 |
5,60 |
|
|
126 |
135 |
|
|
0,63 |
1,78 |
|
|
102 |
111 |
|
|
|
63,0 |
2,50 |
7,00 |
4,50 |
13,00 |
128 |
137 |
133 |
142 |
0,63 |
1,78 |
1,10 |
3,20 |
102 |
111 |
107 |
116 |
|
80,0 |
3,20 |
8,90 |
|
|
130 |
139 |
|
|
0,63 |
1,78 |
|
|
102 |
111 |
|
|
|
Корректированные и эквивалентные корректированные значения и их уровни |
|
|
0,56 |
0,40 |
|
|
115 |
112 |
|
|
1,10 |
3,20 |
|
|
107 |
116 |
Таблица Ж.3
Предельно допустимые значения вибрации рабочих мест
категории
2- транспортно-технологической
|
Среднегеометрические частоты полос, Гц |
Предельно допустимые значения по осям Х0, У0, Z0 |
|||||||
|
Для виброускорения |
Для виброскорости |
|||||||
|
м/с2 |
дБ |
м/с2 |
дБ |
|||||
|
1/3 окт |
1/1 окт |
1/3 окт |
1/1 окт |
1/3 окт |
1/1 окт |
1/3 окт |
1/1 окт |
|
|
1,6 |
0,25 |
|
108 |
|
2,50 |
|
114 |
|
|
2,0 |
0,22 |
0,40 |
107 |
112 |
1,80 |
3,50 |
111 |
117 |
|
2,5 |
0,20 |
|
106 |
|
1,30 |
|
108 |
|
|
3,15 |
0,18 |
|
105 |
|
0,98 |
|
105 |
|
|
4,0 |
0,16 |
0,28 |
104 |
109 |
0,63 |
1,30 |
102 |
108 |
|
5,0 |
0,16 |
|
104 |
|
0,50 |
|
100 |
|
|
6,3 |
0,16 |
|
104 |
|
0,40 |
|
98 |
|
|
8,0 |
0,16 |
0,28 |
104 |
109 |
0,32 |
0,63 |
96 |
102 |
|
10,0 |
0,20 |
|
106 |
|
0,32 |
|
96 |
|
|
12,5 |
0,25 |
|
108 |
|
0,32 |
|
96 |
|
|
16,0 |
0,32 |
0,56 |
110 |
115 |
0,32 |
0,56 |
96 |
101 |
|
20,0 |
0,40 |
|
112 |
|
0,32 |
|
96 |
|
|
25,0 |
0,50 |
|
114 |
|
0,32 |
|
96 |
|
|
31,5 |
0,63 |
1,10 |
116 |
121 |
0,32 |
0,56 |
96 |
101 |
|
40,0 |
0,79 |
|
118 |
|
0,32 |
|
96 |
|
|
50,0 |
1,00 |
|
120 |
|
0,32 |
|
96 |
|
|
63,0 |
1,30 |
2,20 |
122 |
127 |
0,32 |
0,56 |
96 |
101 |
|
80,0 |
1,60 |
|
124 |
|
0,32 |
|
96 |
|
|
Корректированные и эквивалентные корректированные значения и их уровни |
|
0,28 |
|
109 |
|
0,56 |
|
101 |
Таблица Ж.4
Предельно допустимые значения вибрации рабочих мест
категории
3-технологической типа "а "
|
Среднегеометрические |
Предельно допустимые значения по осям Х0, Y0, Z0 |
|||||||
|
Для виброускорения |
Для виброскорости |
|||||||
|
м/с2 |
дБ |
м/с2 |
дБ |
|||||
|
1/3 окт |
1/1 окт |
1/3 окт |
1/1 окт |
1/3 окт |
1/1 окт |
1/3 окт |
1/1 окт |
|
|
1,6 |
0,089 |
|
99 |
|
0,89 |
|
105 |
|
|
2,0 |
0,079 |
0,14 |
98 |
103 |
0,63 |
1,30 |
102 |
108 |
|
2,5 |
0,070 |
|
97 |
|
0,45 |
|
99 |
|
|
3,15 |
0,063 |
|
96 |
|
0,32 |
|
96 |
|
|
4,0 |
0,056 |
0,10 |
95 |
100 |
0,22 |
0,45 |
93 |
99 |
|
5,0 |
0,056 |
|
95 |
|
0,18 |
|
91 |
|
|
6,3 |
0,056 |
|
95 |
|
0,14 |
|
89 |
|
|
8,0 |
0,056 |
0,10 |
95 |
100 |
0,11 |
0,22 |
87 |
93 |
|
10,0 |
0,070 |
|
97 |
|
0,11 |
|
87 |
|
|
12,5 |
0,089 |
|
99 |
|
0,11 |
|
87 |
|
|
16,0 |
0,110 |
0,20 |
101 |
106 |
0,11 |
0,20 |
87 |
92 |
|
20,0 |
0,140 |
|
103 |
|
0,11 |
|
87 |
|
|
25,0 |
0,180 |
|
105 |
|
0,11 |
|
87 |
|
|
31,5 |
0,220 |
0,40 |
107 |
112 |
0,11 |
0,20 |
87 |
92 |
|
40,0 |
0,280 |
|
109 |
|
0,11 |
|
87 |
|
|
50,0 |
0,350 |
|
111 |
|
0,11 |
|
87 |
|
|
63,0 |
0,450 |
0,79 |
113 |
118 |
0,11 |
0,20 |
87 |
92 |
|
80,0 |
0,560 |
|
115 |
|
0,11 |
|
87 |
|
|
Корректированные и эквивалентные корректированные значения и их уровни |
|
0,10 |
|
100 |
|
0,20 |
|
92 |
Таблица Ж.5
Предельно допустимые значения вибрации рабочих мест
категории
3-технологической типа "б"
|
Среднегеометрические частоты полос, Гц |
Предельно допустимые значения по осям Х0, Y0, Z0 |
|||||||
|
Для виброускорения |
Для виброскорости |
|||||||
|
м/с2 |
дБ |
м/с2 |
дБ |
|||||
|
1/3 окт |
1/1 окт |
1/3 окт |
1/1 окт |
1/3 окт |
1/1 окт |
1/3 окт |
1/1 окт |
|
|
1,6 |
0,035 |
|
91 |
|
0,350 |
|
97 |
|
|
2,0 |
0,032 |
0,056 |
90 |
95 |
0,250 |
0,500 |
94 |
100 |
|
2,5 |
0,028 |
|
89 |
|
0,180 |
|
91 |
|
|
3,15 |
0,025 |
|
88 |
|
0,130 |
|
88 |
|
|
4,0 |
0,022 |
0,040 |
87 |
92 |
0,089 |
0,180 |
85 |
91 |
|
5,0 |
0,022 |
|
87 |
|
0,070 |
|
83 |
|
|
6,3 |
0,022 |
|
87 |
|
0,056 |
|
81 |
|
|
8,0 |
0,022 |
0,040 |
87 |
92 |
0,045 |
0,089 |
79 |
85 |
|
10,0 |
0,028 |
|
89 |
|
0,045 |
|
79 |
|
|
12,5 |
0,035 |
|
91 |
|
0,045 |
|
79 |
|
|
16,0 |
0,045 |
0,079 |
93 |
98 |
0,045 |
0,079 |
79 |
84 |
|
20,0 |
0,056 |
|
95 |
|
0,045 |
|
79 |
|
|
25,0 |
0,070 |
|
97 |
|
0,045 |
|
79 |
|
|
31,5 |
0,089 |
0,160 |
99 |
104 |
0,045 |
0,079 |
79 |
84 |
|
10,0 |
0,028 |
|
89 |
|
0,045 |
|
79 |
|
|
12,5 |
0,035 |
|
91 |
|
0,045 |
|
79 |
|
|
16,0 |
0,045 |
0,079 |
93 |
98 |
0,045 |
0,079 |
79 |
84 |
|
20,0 |
0,056 |
|
95 |
|
0,045 |
|
79 |
|
|
25,0 |
0,070 |
|
97 |
|
0,045 |
|
79 |
|
|
31,5 |
0,089 |
0,160 |
99 |
104 |
0,045 |
0,079 |
79 |
84 |
Таблица :Ж.6
Предельно допустимые значения вибрации рабочих мест
категории 3-технологической типа "в"
|
Среднегеометрические частоты полос, Гц |
Предельно допустимые значения по осям Х0, У0, Z0 |
|||||||
|
Для виброускорения |
Для виброскорости |
|||||||
|
м/с2 |
дБ |
м/с2 |
дБ |
|||||
|
1/3 окт |
1/1 окт |
1/3 окт |
1/1 окт |
1/3 окт |
1/1 окт |
1/3 окт |
1/1 окт |
|
|
1,6 |
0,0130 |
|
82 |
|
0,130 |
|
88 |
|
|
2,0 |
0,0110 |
0,020 |
81 |
86 |
0,089 |
0,180 |
85 |
91 |
|
2,5 |
0,0100 |
|
80 |
|
0,063 |
|
82 |
|
|
3,15 |
0,0089 |
|
79 |
|
0,045 |
|
79 |
|
|
4,0 |
0,0079 |
0,014 |
78 |
83 |
0,032 |
0,063 |
76 |
82 |
|
5,0 |
0,0079 |
|
78 |
|
0,025 |
|
74 |
|
|
6,3 |
0,0079 |
|
78 |
|
0,020 |
|
72 |
|
|
8,0 |
0,0079 |
0,014 |
78 |
83 |
0,016 |
0,032 |
70 |
76 |
|
10,0 |
0,0100 |
|
80 |
|
0,016 |
|
70 |
|
|
12,5 |
0,0130 |
|
82 |
|
0,016 |
|
70 |
|
|
16,0 |
0,0160 |
0,028 |
84 |
89 |
0,016 |
0,028 |
70 |
75 |
|
20,0 |
0,0200 |
|
86 |
|
0,016 |
|
70 |
|
|
25,0 |
0,0250 |
|
88 |
|
0,016 |
|
70 |
|
|
31,5 |
0,0320 |
0,056 |
90 |
95 |
0,016 |
0,028 |
70 |
75 |
|
40,0 |
0,0400 |
|
92 |
|
0,016 |
|
70 |
|
|
50,0 |
0,0500 |
|
94 |
|
0,016 |
|
70 |
|
|
63,0 |
0,0630 |
0,110 |
96 |
101 |
0,016 |
0,028 |
70 |
75 |
|
80,0 |
0,0790 |
|
98 |
|
0,016 |
|
70 |
|
|
Корректированные и эквивалентные корректированные значения и их уровни |
|
0,014 |
|
83 |
|
0,028 |
|
75 |
|
[1] Санитарные нормы СН 2.2.4/2.1.8.566-96 |
Производственная вибрация, вибрация в помещениях жилых и общественных зданий |
Ключевые слова: вибрация, измерения, аттестация рабочих мест
|
ГОСТЫ, СТРОИТЕЛЬНЫЕ и ТЕХНИЧЕСКИЕ НОРМАТИВЫ. Некоммерческая онлайн система, содержащая все Российские Госты, национальные Стандарты и нормативы. В Системе содержится более 150000 файлов нормативно-технической документации, действующей на территории РФ. Система предназначена для широкого круга инженерно-технических специалистов. Copyright © www.gostrf.com, 2008 - 2026 |