Крупнейшая бесплатная информационно-справочная система онлайн доступа к полному собранию технических нормативно-правовых актов РФ. Огромная база технических нормативов (более 150 тысяч документов) и полное собрание национальных стандартов, аутентичное официальной базе Госстандарта. GOSTRF.com - это более 1 Терабайта бесплатной технической информации для всех пользователей интернета. Все электронные копии представленных здесь документов могут распространяться без каких-либо ограничений. Поощряется распространение информации с этого сайта на любых других ресурсах. Каждый человек имеет право на неограниченный доступ к этим документам! Каждый человек имеет право на знание требований, изложенных в данных нормативно-правовых актах!

  


 

Библиотека справочной литературы
ООО «Центр безопасности труда»

ОТКРЫТОЕ АКЦИОНЕРНОЕ ОБЩЕСТВО "ГАЗПРОМ"

Общество с ограниченной ответственностью «Научно-исследовательский институт природных газов и газовых технологий - ВНИИГАЗ»

СТАНДАРТ ОРГАНИЗАЦИИ

ДОКУМЕНТЫ НОРМАТИВНЫЕ ДЛЯ ПРОЕКТИРОВАНИЯ, СТРОИТЕЛЬСТВА И ЭКСПЛУАТАЦИИ ОБЪЕКТОВ ОАО «ГАЗПРОМ»

МЕТОДИЧЕСКИЕ УКАЗАНИЯ
ПО ВЫБОРУ РЕЖИМА ЗАЗЕМЛЕНИЯ НЕЙТРАЛИ
В СЕТЯХ НАПРЯЖЕНИЕМ 6 И 10
KB ДОЧЕРНИХ
ОБЩЕСТВ И ОРГАНИЗАЦИЙ ОАО «ГАЗПРОМ»

СТО ГАЗПРОМ 2-1.11-070-2006

Дата введения - 2006-08-10

Содержание

ПРЕДИСЛОВИЕ

ВВЕДЕНИЕ

1 ОБЛАСТЬ ПРИМЕНЕНИЯ

2 ТЕРМИНЫ, ОПРЕДЕЛЕНИЯ И СОКРАЩЕНИЯ

3 МЕХАНИЗМ ВОЗНИКНОВЕНИЯ ДУГОВЫХ ПЕРЕНАПРЯЖЕНИЙ

4 ВЫСОКООМНОЕ РЕЗИСТИВНОЕ ЗАЗЕМЛЕНИЕ НЕЙТРАЛИ СЕТИ 6 И 10 KB

5 НИЗКООМНОЕ РЕЗИСТИВНОЕ ЗАЗЕМЛЕНИЕ НЕЙТРАЛИ СЕТИ 6 И 10 KB

6 ЗАЗЕМЛЕНИЕ НЕЙТРАЛИ СЕТИ 6 И 10 KB ЧЕРЕЗ ДУГОГАСЯЩИЙ РЕАКТОР

7 КОМБИНИРОВАННОЕ ЗАЗЕМЛЕНИЕ НЕЙТРАЛИ В СЕТЯХ НАПРЯЖЕНИЕМ 6 И 10 KB

8 РЕКОМЕНДУЕМЫЕ РЕЖИМЫ ЗАЗЕМЛЕНИЯ НЕЙТРАЛИ СЕТЕЙ НАПРЯЖЕНИЕМ 6 И 10 KB

БИБЛИОГРАФИЯ

 

ПРЕДИСЛОВИЕ

1 РАЗРАБОТАН Обществом с ограниченной ответственностью «Научно-исследовательский институт природных газов и газовых технологий - ВНИИГАЗ»

2 ВНЕСЕН Управлением энергетики Департамента по транспортировке, подземному хранению и использованию газа ОАО «Газпром»

3 УТВЕРЖДЕН И ВВЕДЕН В ДЕЙСТВИЕ Распоряжением ОАО «Газпром» от 20 марта 2006 г. № 25

4 ВВЕДЕН ВПЕРВЫЕ

ВВЕДЕНИЕ

Правилами устройства электроустановок (ПУЭ) [1] установлен режим эксплуатации электрических сетей напряжением 6 и 10 кВ с изолированной нейтралью или компенсированной нейтралью.

Наиболее распространенный вид повреждений в таких сетях - однофазные замыкания на землю с перемежающейся дугой, составляющие более 70 % в соответствии с [2]. Возникающие при этом дуговые перенапряжения кратностью до 3÷4 Uф опасны для электрооборудования, в первую очередь для высоковольтных электродвигателей, генераторов, кабелей и трансформаторов напряжения согласно [2 - 5].

В системах электроснабжения промышленных объектов ОАО «Газпром» сети напряжением 6 и 10 кВ работают с изолированной нейтралью. Релейная защита от однофазных замыканий на землю в таких сетях в ряде случаев не способна селективно отключить аварийное присоединение и выполняется с действием на сигнал. При этом вся сеть напряжением 6 и 10 кВ длительно находится под воздействием дуговых перенапряжений на время поиска повреждения согласно [4 - 5].

В настоящее время в России происходит процесс отказа от изолированного режима заземления нейтрали в сетях напряжением 6 и 10 кВ. Предлагаются новые комплектные устройства для высокоомного или низкоомного резистивного заземления нейтрали, позволяющие устранить недостатки сети с изолированной нейтралью. Применение резистивного заземления нейтрали позволяет избавиться от опасных перенапряжений и повышает быстродействие и селективность релейной защиты.

Необходимость применения резистивного заземления нейтрали особенно остро стоит в питающих сетях 6 и 10 кВ электроприводных компрессорных станций с мощной двигательной нагрузкой.

Указанные проблемы обусловливают необходимость разработки стандарта, определяющего режим заземления нейтрали в сетях напряжением 6 и 10 кВ дочерних обществ и организаций ОАО «Газпром».

Разработанный стандарт не отменяет действие норм ПУЭ [1], однако в части выбора режима заземления нейтрали сетей различного назначения, структуры и параметров оборудования для регулирования режима заземления нейтрали является уточняющим документом.

1 ОБЛАСТЬ ПРИМЕНЕНИЯ

1.1 Настоящий стандарт определяет состояние нейтрали сетей напряжением 6 и 10 кВ (далее - сети 6 и 10 кВ) объектов ОАО «Газпром», выбор технических средств по регулированию режима заземления нейтрали сети и обоснование основных параметров технических средств.

1.2 Стандарт предназначен для использования при проектировании новых электроустановок, а также при проведении реконструкции и модернизации действующих систем электроснабжения.

1.3 Действие стандарта распространяется на все объекты электроснабжения дочерних обществ и организаций ОАО «Газпром», в число которых входят:

- питающие и распределительные сети, распределительные устройства напряжением 6 и 10 кВ компрессорных станций;

- сети 6 и 10 кВ систем электроснабжения газовых промыслов и промплощадок;

- питающие высоковольтные сети буровых установок;

- распределительные сети 6 и 10 кВ электростанций собственных нужд объектов дочерних обществ и организаций ОАО «Газпром»;

- сети электроснабжения подземных хранилищ газа;

- сети 6 и 10 кВ питания жилых поселков и промзоны;

- сети 6 и 10 кВ газоперерабатывающих заводов.

1.4 Стандарт не отменяет действие норм ПУЭ [1], однако в части выбора режима заземления нейтрали сетей различного назначения, структуры и параметров оборудования для регулирования режима заземления нейтрали является уточняющим документом.

1.5 При электроснабжении объектов ОАО «Газпром» от сетей 6 и 10 кВ РАО «ЕЭС России» реализация режимов заземления нейтрали сетей и использование соответствующих технических средств для осуществления этих режимов, предусмотренных нормами настоящего стандарта, должны быть согласованы с соответствующими службами предприятий энергосистем.

1.6 Положения стандарта являются обязательными для всех производственных организаций и дочерних обществ ОАО «Газпром» и организаций, осуществляющих проектирование, строительство, реконструкцию и эксплуатацию объектов электроснабжения ОАО «Газпром».

2 ТЕРМИНЫ, ОПРЕДЕЛЕНИЯ И СОКРАЩЕНИЯ

2.1 В настоящем стандарте применены следующие термины с соответствующими определениями:

2.1.1 бестоковая пауза: При дуговом замыкании - интервал времени между моментом погасания дуги и ее повторным зажиганием.

2.1.2 дуговое перенапряжение: Перенапряжение, возникающее в сети при неустойчивом горении дуги в месте повреждения.

2.1.3 дуговое замыкание на землю: Замыкание на землю, сопровождающееся неустойчивым горением дуги в месте повреждения.

2.1.4 заземление нейтрали сети через дугогасящий реактор: Преднамеренное электрическое соединение нейтрали сети с заземляющим устройством через дугогасящий реактор, который создает индуктивный ток с целью компенсации емкостного тока в месте однофазного замыкания на землю.

Примечание - Применение дугогасящего реактора осуществляется при превышении током однофазного замыкания на землю нормируемых ПУЭ значений.

2.1.5 высокоомное резистивное заземление нейтрали сети:

Резистивное заземление нейтрали, выполняемое с целью обеспечения длительной работы сети с однофазным замыканием на землю (на время поиска и отключения поврежденного присоединения оперативным персоналом) без перенапряжений и феррорезонансных явлений.

Примечание - Заземляющий трансформатор и резистор должны быть рассчитаны на длительный режим работы.

2.1.6 низкоомное резистивное заземление нейтрали сети:

Резистивное заземление нейтрали, выполняемое с целью ограничения дугового перенапряжения, быстрого отключения однофазного замыкания на землю и максимального охвата обмоток электрических машин защитой от однофазного замыкания на землю.

Примечание - Заземляющий трансформатор и резистор выбираются для кратковременного режима работы.

2.1.7 резистивное заземление нейтрали сети: Преднамеренное электрическое соединение нейтрали генератора или специального заземляющего трансформатора с заземляющим устройством через активное сопротивление с целью подавления перенапряжений и феррорезонансных явлений при однофазном замыкании на землю.

2.1.8 резонансное заземление нейтрали: Заземление нейтрали, при котором индуктивный ток реактора равен емкостному току сети.

2.1.9 режим заземления нейтрали сети: Способ эксплуатации нейтрали сети с разземленной нейтралью либо иной режим, при котором в нейтраль включено оборудование, изменяющее величину тока однофазного замыкания на землю.

2.1.10 регулируемая резисторная установка: Резисторная установка с регулируемой величиной резистора.

2.1.11 полная компенсация тока однофазного замыкания на землю: Компенсация емкостной и активной составляющей тока однофазного замыкания на землю за счет подключения к нейтрали устройства компенсации полного тока однофазного замыкания на землю.

2.1.12 феррорезонансные явления: Перенапряжения и сверхтоки в обмотках измерительных трансформаторов напряжения, возникающие в результате насыщения стали и резонанса в схеме, содержащей емкость электрооборудования сети и индуктивность намагничивания трансформатора напряжения.

2.2 В настоящем РД использованы следующие сокращения:

ВЛ - воздушные линии;

ВН - высокое напряжение;

ДГР - дугогасящий реактор;

ЗРУ - закрытое распределительное устройство;

КС - компрессорная станция;

ОДЗ - однофазное дуговое замыкание на землю;

ОЗЗ - однофазное замыкание на землю;

РУСН - распределительное устройство собственных нужд;

ТЗ - трансформатор специальной броневой конструкции для заземления нейтрали;

ТЗН - трансформатор для заземления нейтрали;

ТТНП - трансформатор тока нулевой последовательности;

ФМЗО - фильтр магнитный заземляющий однофазный;

ЭСН - электростанция собственных нужд.

3 МЕХАНИЗМ ВОЗНИКНОВЕНИЯ ДУГОВЫХ ПЕРЕНАПРЯЖЕНИЙ

3.1 Возникновение дуговых перенапряжений наиболее вероятно при перемежающейся дуге и сравнительно небольших токах ОЗЗ, не превышающих 10 А. Значение амплитуды перенапряжений при этом может достигать 3,5 - 3,8-фазного напряжения Uф.

3.2 При увеличении тока ОЗЗ дуговые перенапряжения снижаются. Это связано с тем, что дуга носит более спокойный характер, а при больших токах вообще не обрывается. При токах ОЗЗ от 10 до 20 А перенапряжения не превышают Uф. При токах ОЗЗ от 20 до 50 А перенапряжения не превышают 2,7 Uф.

3.3 При однофазном замыкании в кабелях и статорной изоляции вращающихся машин возникновение перемежающейся дуги наиболее вероятно в начальной стадии ОЗЗ, когда не наступило обуглероживание дугового канала и возможно кратковременное восстановление электрической прочности Uэп после погасания дуги.

3.4 При однофазном замыкании на наружной изоляции возникновение перемежающейся дуги возможно за счет неустойчивого горения дуги и при периодическом контакте фазы с заземляющим проводником.

3.5 Параметры переходного процесса при возникновении однофазного дугового замыкания в сети с изолированной и заземленной нейтралью через ДГР определяются емкостью фаз, индуктивными сопротивлениями источника питания, трансформатора и ДГР, а также сопротивлением дуги.

3.6 Основными факторами, определяющими максимум перенапряжений при ОДЗ, являются: напряжение на аварийной фазе в момент первичного зажигания дуги Uз, момент погасания дуги и напряжение повторного зажигания дуги Uп.

3.7 На начальных стадиях горения дуги процесс носит неустойчивый характер, при котором окончательному погасанию дуги предшествует несколько попыток гашения при переходе тока через нулевое значение, с последующим повторным зажиганием дуги. Такая перемежающаяся дуга приводит к развитию колебаний, возникающих при каждом обрыве и зажигании дуги, т.е. к возникновению дуговых перенапряжений на неповрежденных фазах.

3.8 Момент первичного пробоя определяется мгновенным значением напряжения в месте замыкания. При перекрытии загрязненной и дефектной изоляции пробой наступает вблизи максимума напряжения аварийной фазы Uмакс согласно [2, 3].

3.9 Повышение перенапряжений при дуговом замыкании на землю обусловлено тем, что вторичный пробой происходит при ненулевом значении напряжения на нейтрали сети, которое зависит от условий гашения дуги после первого пробоя и составляет (0,5 - 1,4) Uф Максимальные величины перенапряжений возникают, если наблюдается
погасание дуги при переходе через нулевое значение свободной составляющей тока дуги. При быстром погасании дуги происходит заряд емкостей неповрежденных фаз до напряжения, превышающего фазное, и появляется напряжение на нейтрали. Последующие зажигания дуги в момент максимума напряжения аварийной фазы приводят к поэтапному нарастанию напряжения (эскалации напряжения) на нейтрали и к перенапряжениям на неповрежденных фазах.

3.10 Эскалация перенапряжений и увеличение напряжения повторных пробоев Uп происходит при быстром восстановлении электрической прочности 1/эп после погасания дуги.

3.11 Для внутренней статорной изоляции двигателей, а также для изоляции кабелей кратковременное увеличение Uэп характерно в начальной стадии процесса за счет выдувания дуги из узкого канала в поврежденной изоляции с последующим понижением напряжения пробоя при выгорании изоляции в месте повреждения [4, 7].

3.12 На длительность горения дуги и условия ее гашения оказывают существенное влияние переходное сопротивление в месте горения дуги, вид диэлектрика, непосредственно контактирующего с дуговым каналом, интенсивность ее охлаждения, давление в зоне горения дуги, возможность ее растяжения и др.

3.13 Для наружной изоляции воздушных линий характерно интенсивное охлаждение места пробоя, что обусловливает погасание тока замыкания при первом или последующих переходах через нулевое значение полного тока дуги, содержащего в основном высокочастотную составляющую.

4 ВЫСОКООМНОЕ РЕЗИСТИВНОЕ ЗАЗЕМЛЕНИЕ НЕЙТРАЛИ СЕТИ 6 И 10 KB

4.1 Главной целью высокоомного резистивного заземления нейтрали сети является ограничение дуговых перенапряжений и феррорезонансных явлений при одновременном обеспечении длительной работы сети с ОЗЗ на время поиска и отключения поврежденного присоединения оперативным персоналом.

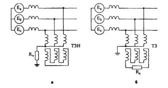
4.2 Снижение напряжения на нейтрали и ограничение перенапряжений при дуговом замыкании на землю достигается за счет уменьшения постоянной времени разряда емкости здоровых фаз во время бестоковой паузы tп с помощью специально установленного резистора RN (см. рисунок 1), обеспечивающего уменьшение активного сопротивления цепи протекания тока нулевой последовательности.

4.3 Резистор RN подключается к сети с помощью трансформатора со схемой соединения обмоток Y/∆ одним из двух способов.

Первый способ - резистор включается между нулевой точкой обмотки высокого напряжения ТЗН и контуром заземления (см. рисунок 1а).

Второй способ - нейтраль обмотки высокого напряжения ТЗ соединяют с землей, а резистор включается во вторичную обмотку трансформатора (в разомкнутый треугольник, см. рисунок 16), при этом магнитопровод ТЗ должен быть броневой конструкции.

4.4 Схема подключения резистора определяется структурой сети и параметрами установленного оборудования. В сетях 6 и 10 кВ наиболее приемлемы варианты подключения резистора к нейтрали ТЗН или специальных фильтров нулевой последовательности типа ФМЗО. При этом мощность устройств определяется исходя из необходимости длительной работы в режиме однофазного замыкания и обеспечения апериодического процесса разряда емкости фаз в течение бестоковой паузы tп.

Рисунок 1 - схемы подключения резистора к нейтрали сети

4.5 Для обеспечения полного разряда емкостей фаз за время tп равное 0,008—0,010 с, сопротивление резистора выбирают из условия, чтобы активная составляющая тока замыкания на землю IR была равна или больше емкостной составляющей Ic

IR IC                                                                                     (4.1)

Исходя из этого условия, сопротивление резистора для схемы на рисунке 1а, RN, Ом, вычисляют по формуле

,                                                                       (4.2)

а сопротивление резистора для схемы на рисунке 1б, R, Ом, вычисляют по формуле

,                                                                 (4.3)

где UBH - линейное напряжение стороны высшего напряжения трансформатора, В;

IC - емкостный ток ОЗЗ, А;

К - коэффициент трансформации ТЗ, вычисляемый по формуле

K = UBH/UHH.                                                                         (4.4)

где UHH - линейное напряжение стороны низшего напряжения трансформатора, В.

4.6 Расчетную мощность трансформатора заземления нейтрали и резистора RN или R, S, ВА, вычисляют по формуле

.                                          (4.5)

Значение тока, протекающего через резистор в режиме ОЗЗ для схемы на рисунке 1а, IR, А, вычисляют по формуле

.                                                                        (4.6)

Значение тока, протекающего через резистор для схемы на рисунке 1б, I, А, вычисляют по формуле

.                                                                         (4.7)

Ток I(1) в месте ОЗЗ равен геометрической сумме емкостного тока сети и активного тока, создаваемого устройством заземления нейтрали. Значение тока I(1), А, вычисляют по формуле

                                                                      (4.8)

и с учетом формулы (4.1)

.                                                                         (4.9)

4.7 При увеличении сопротивления резистора по сравнению со значением, вычисленным по формуле (4.2), напряжение на нейтрали за время бестоковой паузы снижается не до нуля, а до конкретной величины UN что приводит к увеличению уровня дуговых перенапряжений КП.

4.8 Значение сопротивления резистора, вычисленное по формулам (4.2, 4.3), является избыточным по рассеиваемой мощности. Более точно сопротивление резистора в нейтрали, обеспечивающего разряд емкостей фаз за время tп, вычисляют с учетом активных потерь в сети исходя из величины тока замыкания на землю и требуемого уровня снижения дуговых перенапряжений. Расчет производят по специализированной программе расчета электромагнитных переходных процессов в соответствии с [13, 14].

5 НИЗКООМНОЕ РЕЗИСТИВНОЕ ЗАЗЕМЛЕНИЕ НЕЙТРАЛИ СЕТИ 6 И 10 KB

5.1 Главной целью низкоомного резистивного заземления нейтрали сети является быстрое отключение ОЗЗ релейной защитой и максимальный охват обмоток электрических машин (двигателей, генераторов, трансформаторов) защитой от ОЗЗ. При этом также обеспечивается подавление перенапряжений и феррорезонансных явлений.

5.2 Низкоомное резистивное заземление нейтрали сети осуществляют с помощью специального трансформатора заземления нейтрали ТЗН со схемой соединения обмоток Y/∆, согласно рисунку 1а. Резистор RN включают между нулевой точкой обмотки ВН и контуром заземления.

5.3 Сопротивление резистора выбирают наименьшим, исходя из двух условий:

- предотвращение перенапряжений при ОЗЗ (см. формулу 4.2), резистор должен создавать ток не менее емкостного тока ОЗЗ;

- обеспечение селективного срабатывания зашит на отключение ОЗЗ.

Селективное отключение может быть обеспечено подключением к нейтрали сети резистора с сопротивлением, вычисляемым по формуле

.                                                                  (5.1)

где  максимальный ток срабатывания защиты ОЗЗ.

5.4 Выбранный из этих условий резистор, как правило, создает активный ток, существенно превышающий емкостный. Если емкостный ток значительно меньше активного IC << IR, то ток ОЗЗ можно вычислять по формуле

,                                                                (5.2)

где UH - линейное напряжение сети.

5.5 При ОЗЗ в обмотке, соединенной по схеме «звезда», ток ОЗЗ IЗ, А с учетом (5.2) вычисляют по формуле

,                                                       (5.3)

где W - число витков обмотки статора от зажимов до точки замыкания, % от общего числа витков поврежденной фазы.

5.6 Для обмотки, соединенной треугольником, наименьший ток замыкания на корпус в средней точке обмотки IЗ, А, вычисляют по формуле

.                                                                   (5.4)

5.7 При ОЗЗ в обмотках высоковольтных электродвигателей для предотвращения выгорания активной стали статора должно быть обеспечено быстрое отключение электродвигателя защитой от замыканий на землю.

5.8 Число витков обмотки, защищенной от ОЗЗ W, %, вычисляют по формуле

,                                                               (5.5)

где IСЗ - ток срабатывания защиты от ОЗЗ, А;

IR - ток в заземляющем резисторе, А.

Увеличить зону защиты витков обмотки статора от ОЗЗ можно, увеличивая активный ток резистора либо снижая ток срабатывания защиты в пределах допустимых значений, вычисляемых коэффициентом чувствительности защит.

5.9 В зависимости от способа выбора заземляющего резистора и значения тока ОЗЗ заземляющий трансформатор для низкоомного резистивного заземления нейтрали сети и резистор должны быть рассчитаны либо на кратковременную, либо на длительную работу в режиме ОЗЗ, в течение которой не должно наблюдаться превышение их нормируемых температурных параметров.

5.10 Защита от ОЗЗ устанавливается на всех линиях релейной защиты нулевой последовательности с использованием трансформаторов тока типа ТТНП и цифровых терминалов или реле РТЗ-50, РТЗ-51 (РТ-40/0,2) с действием на отключение этих присоединений. Если кабельная линия состоит из нескольких кабелей, то трансформаторы тока ТТНП устанавливают на каждом кабеле.

5.11 Ток срабатывания защиты присоединений от ОЗЗ IСЗ, А, вычисляют по формуле

I = KН·Кб·IC,                                                                           (5.6)

где КН - коэффициент надежности, принимается равным 1,2;

Кб - коэффициент, учитывающий бросок емкостного тока, принимается для реле РТЗ-51 равным 2 - 3, для реле РТЗ-50 - равным 3 - 4, для цифровых терминалов - равным 1,2;

IC - емкостный ток ТТНП защищаемого присоединения при ОЗЗ на секции ЗРУ - 6 и 10 кВ.

Если в сети имеются секции питания групп электроприемников РУСН, то на линиях питания этих секций устанавливают защиту нулевой последовательности с действием на отключение с выдержкой времени для отстройки от работы защит ОЗЗ линий, отходящих от РУСН.

5.12 На фидерах питания ТЗН, подключенного к шинам ЗРУ, защита от ОЗЗ служит для резервирования защит от замыканий на землю отходящих линий, а также для предотвращения длительного протекания тока ОЗЗ в нетермостойком резисторе нейтрали.

При возникновении режима длительного ОЗЗ (например, при отказе в работе защиты) защита нулевой последовательности ТЗН с выдержкой времени действует на отключение выключателя ТЗН, переводя тем самым сеть в режим работы с изолированной нейтралью. Если выключатель ТЗН не отключился, эта защита может действовать на отключение выключателя ввода и секционного выключателя (если он включен).

5.13 Если резистор и трансформатор ТЗН выбраны термостойкими, то отключать ТЗН в режиме длительного ОЗЗ не нужно. Если используется резисторная установка с автоматическим регулированием тока ОЗЗ, то при отказе устройств РЗ резисторная установка переводится в режим неотключаемого ОЗЗ (режим высокоомного резистивного заземления нейтрали сети).

5.14 При необходимости ТЗН оснащают автоматикой, обеспечивающей такой режим работы, при котором сеть 6 и 10 кВ должна быть заземлена через один трансформатор ТЗН и ток замыкания на землю не превышает максимально допустимого значения.

6 ЗАЗЕМЛЕНИЕ НЕЙТРАЛИ СЕТИ 6 И 10 KB ЧЕРЕЗ ДУГОГАСЯЩИЙ РЕАКТОР

6.1 Заземление нейтрали сети через ДГР приводит к компенсации емкостных токов в месте замыкания и к снижению величин дуговых перенапряжений. Однако остается опасность возникновения больших кратностей перенапряжений при неточной настройке дугогасящего реактора, а также при сочетании ОДЗ и неполнофазных режимов, возникающих при запаздывании в отключении или отказе отдельных полюсов выключателя.

6.2 Выбор индуктивного сопротивления реактора осуществляется по методике, изложенной в [3].

6.3 При резонансном заземлении нейтрали сети после возникновения ОЗЗ и погасании тока дуги происходят возможные повторные пробои на напряжении, меньшем или равном фазному, что приводит к перенапряжениям на неповрежденных фазах, не превышающим 2,4 Uф.

6.4 При неточной настройке ДГР процесс выравнивания напряжений фаз после погасания дуги носит характер биений, частота которых определяется степенью расстройки компенсации и добротностью колебательного контура. При точной настройке ДГР или небольшой перекомпенсации расстройка и возникновение биений при ОЗЗ возможны при отключении присоединения с большим емкостным током подпитки. Опасность биений состоит в том, что повторное замыкание может произойти при напряжении, близком к максимуму, что вызывает перенапряжения на здоровых фазах.

6.5 При расстройке компенсации от 15 % до 30 % дуговые перенапряжения достигают (2,8÷3,0) Uф, что с точки зрения ограничения перенапряжений делает применение ДГР неэффективным.

6.6 Устройства релейной защиты от ОЗЗ, основанные на токовом принципе, не функционируют в условиях полной компенсации тока однофазного замыкания на землю. Для работы наиболее массовых устройств релейной защиты необходимо, чтобы ток ОЗЗ был больше тока срабатывания защиты IСЗ, поэтому сети с ДГР часто эксплуатируют с перекомпенсацией емкостного тока ОЗЗ. В этом случае для обеспечения селективной работы защиты от ОЗЗ должно выполняться условие:

IЗ = IL - IC > IСЗ,                                                                     (6.1)

то есть ток замыкания должен быть больше тока срабатывания защиты.

6.7 При частой коммутации присоединений рекомендуется применять автоматическую подстройку индуктивности дугогасящего реактора. Автоматическая настройка реактора позволяет снизить ток ОЗЗ до значений, определяемых точностью работы автоматики и принятой степенью отстройки от резонанса в нормальном режиме. Подключение реакторов с автоматической настройкой степени компенсации применяется в схемах, допускающих длительное существование режима с неустраненным ОЗЗ. При использовании дугогасящих реакторов с автоматической подстройкой должна быть предусмотрена специализированная защита от ОЗЗ или индикация присоединения с ОЗЗ.

7 КОМБИНИРОВАННОЕ ЗАЗЕМЛЕНИЕ НЕЙТРАЛИ В СЕТЯХ НАПРЯЖЕНИЕМ 6 И 10 KB

7.1 Значение сопротивления этого резистора , Ом, позволяющего устранить биения, выбирают исходя из соотношения

,                                                                        (7.1)

где ∆I - ток расстройки компенсационного реактора, А.

Определенное по формуле (7.1) значение сопротивления резистора , подключенного параллельно ДГР, приводит к полному устранению биений после погасания дуги и снижению перенапряжений при повторных пробоях до уровня Uмакс ≈ 2,41 UФ макс. Однако чаще всего мощность такого резистора является избыточной.

Уточнение значения сопротивления резистора, позволяющего снизить перенапряжения до заданной величины, осуществляется расчетным путем с учетом всех влияющих факторов по специализированным программам, изложенным в [13, 14]. В этом случае параметры резистора рассчитывают исходя из необходимости обеспечения:

- ограничения перенапряжений в режиме ОЗЗ до заданной величины Кп (обычно до уровня испытательного напряжения при профилактических испытаниях вращающихся машин);

- ограничения напряжений, возникающих на нейтрали в нормальном режиме за счет несимметрии параметров схемы;

- увеличения активной составляющей тока замыкания на землю до уровня, обеспечивающего селективную работу защит на токовом принципе;

- исключения опасных феррорезонансных явлений.

7.2 При подключении параллельно ДГР резистора с сопротивлением

.                                                       (7.2)

Максимальные перенапряжения не превышают уровня Uмакс ≈ 2,6 UФ

8 РЕКОМЕНДУЕМЫЕ РЕЖИМЫ ЗАЗЕМЛЕНИЯ НЕЙТРАЛИ СЕТЕЙ НАПРЯЖЕНИЕМ 6 И 10 KB

8.1 На выбор варианта режима заземления нейтрали сети влияют следующие ее характеристики:

- величина однофазного тока замыкания на землю IC;

- электрическая прочность изоляции электрооборудования;

- наличие вращающихся электрических машин;

- возможность осуществления отключения присоединения с однофазным замыканием на землю (резервируемость нагрузки присоединений);

- возможность организации селективной защиты от однофазного замыкания на землю;

- электробезопасность;

- наличие явно выведенной нейтрали сети;

- наличие ЭСН, работающей автономно или параллельно с энергосистемой.

8.2 Применительно к схемам сетей 6 и 10 кВ при выборе режима заземления нейтрали сети необходимо использовать градацию электрических сетей по двум наиболее важным признакам - току замыкания на землю и наличию вращающихся машин. Наличие вращающихся машин является принципиальным фактором, поскольку предполагает обязательное отключение присоединения с двигателем (или генератором), на котором произошло ОЗЗ, и накладывает более жесткие требования к допустимым величинам перенапряжений согласно [6]. В таблице 1 приведены рекомендуемые способы заземления нейтрали сетей 6 и 10 кВ в зависимости от тока замыкания на землю.

Таблица 1 - Выбор режима заземления нейтрали сетей 6 и 10 кВ

Значение IC

Характеристика сети

Рекомендуемый режим заземления нейтрали сети

при действии релейной защиты на сигнал (без отключения присоединения с ОЗЗ)

при действии релейной защиты на отключение присоединения с ОЗЗ

IC

А*

РУ 6 и 10 кВ электроприводных КС; распределительные сети 6 и 10 кВ ЭСН; питающие высоковольтные сети буровых установок; сети 6 и 10 кВ электроснабжения подземных хранилищ газа

Высокоомное заземление нейтрали сети IR IC. В схемах электроприводных КС обязательна гальваническая развязка вдольтрассовых ВЛ с шинами 10 кВ

Заземление нейтрали сети через резистор с током, достаточным для обеспечения селективного отключения ОЗЗ. Требуемая величина тока резистора определяется типом используемых защит от ОЗЗ. В схемах электроприводных КС обязательна гальваническая развязка вдольтрассовых ВЛ с шинами 10 кВ

IC ≤ 5А

Б**

РУ 6 и 10 кВ газотурбинных КС; сети 6 и 10 кВ систем электроснабжения газовых промыслов и промплощадок

Высокоомное заземление нейтрали сети IR IC

Заземление нейтрали сети через резистор с током, достаточным для обеспечения селективного отключения ОЗЗ. Требуемая величина тока резистора определяется типом используемых защит от ОЗЗ

5А < IC

IC < 20А

А

Распределительные сети 6 и 10 кВ ЭСН; сети 6 и 10 кВ с комбинированным питанием от энергосистемы и ЭСН

Высокоомный резистор в нейтрали генератора блока генератор-трансформатор; высокоомный резистор в нейтрали ТЗН (для неблочных схем); точная компенсация тока ОЗЗ настраиваемым дугогасящим реактором в нейтрали сети с подключенным параллельно реактору высокоомным резистором (в составе реактора рекомендуется использовать устройство определения поврежденного присоединения)

Заземление нейтрали через резистор с током, достаточным для обеспечения селективного отключения ОЗЗ. Требуемая величина тока резистора определяется типом используемых защит от ОЗЗ

5А < IC

IC < 20А

Б

Сети 6 и 10 кВ питания жилых поселков и промзоны

Высокоомный резистор в нейтрали ТЗН. Точная компенсация тока ОЗЗ настраиваемым дугогасящим реактором в нейтрали сети с подключенным параллельно реактору высокоомным резистором (в составе реактора рекомендуется использовать устройство определения поврежденного присоединения)

Заземление нейтрали сети через резистор с током, достаточным для обеспечения селективного отключения ОЗЗ. Требуемая величина тока резистора определяется типом используемых защит от ОЗЗ

IC 20А

А

Сети 6 и 10 кВ газоперерабатывающих заводов. Разветвленные сети 6 и 10 кВ с комбинированным питанием от энергосистем и электростанций СН

Точная компенсация тока ОЗЗ настраиваемым дугогасящим реактором в нейтрали сети с подключенным параллельно реактору высокоомным резистором (в составе реактора рекомендуется использовать устройство определения поврежденного присоединения). Применение разделительного трансформатора

Резистор в нейтрали сети с ограниченным временем протекания тока. Ток резистора изменяется от десятков до сотен ампер и зависит от типа зашит от ОЗЗ. Применение разделительного трансформатора

IC 20А

Б

Разветвленные сети 6 и 10 кВ питания жилых поселков и промзоны

Точная компенсация тока ОЗЗ настраиваемым дугогасящим реактором в нейтрали сети с подключенным параллельно реактору высокоомным резистором (в составе реактора рекомендуется использовать устройство определения поврежденного присоединения). Применение разделительного трансформатора

Резистор в нейтрали сети с ограниченным временем протекания тока. Ток резистора изменяется от десятков до сотен ампер и зависит от типа защит от ОЗЗ.  Применение разделительного трансформатора

А* - с вращающимися высоковольтными машинами

Б** - без вращающихся машин

8.3 На газотурбинных КС необходимо применять заземление нейтрали сетей 6 и 10 кВ через резистор с сопротивлением, выбранным по формуле (5.1). Отключение поврежденного участка при ОЗЗ должно осуществляться с минимальной выдержкой времени. Если быстрое отключение недопустимо по режимным соображениям, то следует применять высокоомное заземление нейтрали сети с сопротивлением, выбранным по формуле (4.2). При этом поиск и отключение поврежденного участка с ОЗЗ выполняется эксплуатационным персоналом.

8.4 В электрических сетях с электродвигателями защита от замыканий на землю всех присоединений должна действовать на отключение с минимальной выдержкой времени.

8.5 В схемах электроприводных КС обязательна гальваническая развязка вдоль трассовых ВЛ с шинами 6 и 10 кВ.

8.6 Заземление нейтрали сети в схемах электроприводных КС должно осуществляться через резистор, позволяющий обеспечить быстродействующее селективное отключение ОЗЗ. Сопротивление резистора в нейтрали определяется по формуле (5.1).

8.7 С целью снижения термического воздействия дуги на изоляцию статорных обмоток высоковольтных двигателей может быть использована регулируемая резисторная установка. В этом случае резистор включают в рассечку треугольника специального заземляющего трансформатора Y/∆ (см. рисунок 1 б) с возможностью регулирования величины сопротивления резистора. Управление величиной сопротивления резистора в зависимости от величины напряжения нулевой последовательности (или тока ОЗЗ) позволяет исключить нежелательное повышение активного тока ОЗЗ при замыканиях вблизи высоковольтных выводов обмотки двигателя или трансформаторов и обеспечить приемлемую селективность релейной зашиты при замыкании вблизи нейтральной точки обмотки. Допускается использование специального регулируемого резистора при его подключении к нейтрали трансформатора заземления нейтрали сети (см. рисунок 1а).

8.8 Для секций шин КС и подстанций с нагрузкой, отключение которой в режиме ОЗЗ недопустимо, ограничение дуговых перенапряжений осуществляется подключением к нейтрали сети резистора, сопротивление которого определяют по формуле (4.2). Резистор должен иметь исполнение, позволяющее длительную эксплуатацию в режиме ОЗЗ. При этом поиск и отключение поврежденного участка с ОЗЗ выполняется эксплуатационным персоналом. Активный ток, создаваемый резистором, используется для определения поврежденного присоединения с действием на сигнал.

8.9 В схемах распределительных подстанций технологического назначения, не содержащих мощной двигательной нагрузки, энергообъектах, питаемых от автономных электростанций, должно применяться заземление нейтрали сетей 6 и 10 кВ через резистор с сопротивлением, выбранным по формуле (5.1).

8.10 На блоках генератор-трансформатор необходимо применять заземление нейтрали генераторов через резистор с сопротивлением, выбранным по формуле (5.1).

8.11 На сборных шинах генераторного напряжения при токах замыкания на землю IЗ ≤ 10 А необходимо применять ТЗН с сопротивлением в нейтрали, выбранным по формуле (5.1), с действием защиты на отключение.

8.12 Для обеспечения селективного отключения присоединения с ОЗЗ при токах IЗ ≥ 10 А допускается применять регулируемый резистор заземления нейтрали сети. В этом случае к нейтрали постоянно подключается резистор с сопротивлением, определяемым по формуле

,                                                                  (8.1)

где  - резистор, сопротивление которого выбирается из условия длительной работы в режиме ОЗЗ;

 - длительно допустимый ток ОЗЗ (5А для статорной изоляции).

Подключение такого резистора обеспечивает ограничение дуговых перенапряжений при возникновении ОЗЗ. После возникновения ОЗЗ сопротивление резистора в нейтрали уменьшается до значения, определяемого формулой (5.1), что обеспечивает возможность селективного отключения присоединения с ОЗЗ. После выдержки времени, достаточной для срабатывания защиты от ОЗЗ, сопротивление резистора в нейтрали увеличивается до значения, определяемого формулой (8.1), что обеспечивает возможность длительной работы резистора в режиме ОЗЗ при отказе релейной защиты. Такой алгоритм позволяет ограничить дуговые перенапряжения и обеспечить селективное отключение токов ОЗЗ.

8.13 При питании сети 6 и 10 кВ от ЭСН, работающей автономно или параллельно с системой через разделительный трансформатор, не допускается включение заземляющего резистора в нейтраль генератора, кроме случая блочных схем.

8.14 Если сеть питается не только от генераторов, но и от других источников энергии (например, от энергосистемы через понизительные трансформаторы 110/6 и 10 кВ), то следует применять ТЗН, чтобы обеспечить заземление нейтрали сети в режиме, когда генераторы остановлены.

8.15 При питании энергообъекта от энергосистемы или работе ЭСН параллельно с энергосистемой изменение режима нейтрали объекта должно быть согласовано с энергосистемой или установлен разделительный трансформатор.

8.16 Согласно ПУЭ [1] при токах ОЗЗ, превышающих 20 А в сети 10 кВ и 30 А в сети 6 кВ, должна применяться компенсация емкостного тока замыкания на землю. В таких схемах должны быть предусмотрены меры по ограничению дуговых перенапряжений в условиях подключения к нейтрали дугогасящих реакторов.

8.17 Подключение ДГР должно быть согласовано с функционированием релейной защиты от однофазных замыканий на землю. Осуществление селективного отключения ОЗЗ в реактированной сети возможно только при осуществлении перекомпенсации в соответствии с условием (6.1), использовании специальных защит, основанных на наложении тока с частотой 25, 100 Гц или создании активной составляющей в токе однофазного замыкания.

8.18 Перенапряжения в сети с ДГР возникают при разбалансе в настройке дугогасящего реактора, превышающем 15%. Такой разбаланс возможен при поиске ОЗЗ методом поэтапного отключения присоединений. В этой ситуации необходимо применять реакторно-резистивное заземление нейтрали.

8.19 Исключение перенапряжений при разбалансе ДГР и создание условий для применения селективной защиты с определением и последующим плановым отключением ОЗЗ осуществляется подключением параллельно ДГР резистора с сопротивлением, определяемым исходя из максимального ожидаемого значения тока небаланса ∆I по формуле (7.2).

БИБЛИОГРАФИЯ

[1] Правила устройства электроустановок. Разд. 1 «Общие правила». Утв. Приказом Мин-ва энергетики РФ от 08.07.2002 № 204 «Об утверждении глав Правил устройства электроустановок». - СПб.: ДЕАН, 2002. - 176 с.

[2] Костенко М.В., Богатенков И.М., Михайлов Ю.А., Халилов Ф.Х. Перенапряжения при дуговых замыканиях на землю, включениях и отключениях индуктивных элементов. - Итоги науки и техники / ВИНИТИ. - Т. 17. - 105 с. (Электрич. станции и сети).

[3] Руководство по защите электрических сетей 6-1150 кВ от грозовых и внутренних перенапряжений / Под науч. ред. Н.Н. Тиходеева. - 2-е изд. - СПб.: ПЭИПК Минтопэнерго РФ, 1999. - 153 с.

[4] Зильберман В.А., Эпштейн И.М., Петрищев А.С, Рождественский Г.Г. Влияние способа заземления нейтрали сети собственных нужд блока 500 МВт на перенапряжения и работу релейной защиты. - М.: Электричество, 1987. - № 12.

[5] Васюра Ю.Ф., Гамилко В.А., Евдокунин Г.А., Утегулов Н.И. Защита от перенапряжений в сетях 6-10 кВ. - М.: Электротехника, 1994. - № 5/6.

[6] Объем и нормы испытаний электрооборудования: РД 34.45-51.300-97 / Под ред. Б.А. Алексеева, Ф.Л. Когана, Л.Г. Мамиконянца. - 6-е изд. - М.: НЦЭНАС, 1998. - 256 с.

[7] Сирота И.М., Богаченко А.Е., Каневский Я.М. Опыт работы защиты от замыканий на землю статорных цепей генераторов, работающих непосредственно на сборные шины, и электродвигателей высокого напряжения. - М. - Электрические станции, 1993. - № 7.

[8] О частичном заземлении нейтрали в электрических сетях напряжением 6-10 кВ: ЦП-980-89 / Мингазпром, ПО «Союзоргэнергогаз», СУ «Леноргэнергогаз», 1989.

[9] Евдокунин Г.А., Гудилин СВ., Корепанов А.А. Выбор способа заземления нейтрали в сетях 6-10 кВ. - Электричество. - № 12, 1998.

[10] О повышении надежности сетей 6 кВ собственных нужд энергоблоков АЭС: (Циркуляр Ц-01-97(Э)). - М.: Росэнергоатом, 1997.

[11] Методические указания по повышению надежности сетей 6 кВ собственных нужд энергоблоков (частичное заземление нейтрали). - М.: Атомэнергопроект, 1997.

[12] Евдокунин Г.А. Основные характеристики различных способов заземления нейтрали сетей 6-35 кВ. Защита от однофазных замыканий на землю в электроустановках 6-35 кВ: Сб. статей. - СПб., 1999.

[13] Евдокунин Г.А., Коршунов Е.В., Сеппинг В.А., Ярвик Я.Я. Метод расчета на ЭВМ электромагнитных переходных процессов в ферромагнитных устройствах с произвольной структурой магнитной и электрической цепей. - Электротехника, 1991. - № 2.

[14] Комплекс программ МАЭС для расчета переходных процессов в сложных электроэнергетических системах: Отчет / Сибирский НИИ энергетики; рук. темы И.Е. Наумкин, отв. исп. А.А. Челазнов, Новосибирск, 1981. - 200 с.

Ключевые слова: методические указания, выбор режимов заземления нейтрали сетей напряжением 6 и 10 кВ, сети с нейтралью, резистивное заземление нейтрали, резонансное заземление нейтрали, дуговые перенапряжения, феррорезонансные явления

 




ГОСТЫ, СТРОИТЕЛЬНЫЕ и ТЕХНИЧЕСКИЕ НОРМАТИВЫ.
Некоммерческая онлайн система, содержащая все Российские Госты, национальные Стандарты и нормативы.
В Системе содержится более 150000 файлов нормативно-технической документации, действующей на территории РФ.
Система предназначена для широкого круга инженерно-технических специалистов.

Рейтинг@Mail.ru Яндекс цитирования

Copyright © www.gostrf.com, 2008 - 2026