Крупнейшая бесплатная информационно-справочная система онлайн доступа к полному собранию технических нормативно-правовых актов РФ. Огромная база технических нормативов (более 150 тысяч документов) и полное собрание национальных стандартов, аутентичное официальной базе Госстандарта. GOSTRF.com - это более 1 Терабайта бесплатной технической информации для всех пользователей интернета. Все электронные копии представленных здесь документов могут распространяться без каких-либо ограничений. Поощряется распространение информации с этого сайта на любых других ресурсах. Каждый человек имеет право на неограниченный доступ к этим документам! Каждый человек имеет право на знание требований, изложенных в данных нормативно-правовых актах!

  


 

МИНИСТЕРСТВО ГРАЖДАНСКОЙ АВИАЦИИ
Государственный проектно-изыскательский и научно-исследовательский институт
Аэропроект

ПОСОБИЕ ПО ПРОЕКТИРОВАНИЮ ОБЪЕКТОВ СВЕТОСИГНАЛЬНОГО И ЭЛЕКТРИЧЕСКОГО ОБОРУДОВАНИЯ СИСТЕМ ПОСАДКИ ВОЗДУШНЫХ СУДОВ В АЭРОПОРТАХ

Москва 1987

Содержание

1. ОБЩИЕ ПОЛОЖЕНИЯ

2. ТЕРМИНЫ И ОПРЕДЕЛЕНИЯ

3. СИСТЕМЫ СВЕТОСИГНАЛЬНОГО ОБОРУДОВАНИЯ АЭРОДРОМОВ

Назначение и состав систем светосигнального оборудования

Назначение огней и цвет их излучения

Размещение светосигнального оборудования

Светосигнальные системы ОМИ для полетов по ППП

Система ОВИ точного захода на посадку по категории I (ОВИ-1)

Система ОВИ точного захода на посадку по категориям II и III (ОВИ-2, ОВИ-3)

Расположение светосигнального оборудования при смещенном пороге

Системы ОВИ

Система управления светосигнальными рулежными средствами

Требования к регулированию интенсивности огней

Высота установки и механические свойства огней

4. ЭЛЕКТРОПИТАНИЕ ОГНЕЙ СИСТЕМЫ ПОСАДКИ И РУЛЕНИЯ

5. ДИСТАНЦИОННОЕ УПРАВЛЕНИЕ СВЕТОСИГНАЛЬНЫМИ СИСТЕМАМИ

Приложение 1

ПЕРЕЧЕНЬ СВЕТОСИГНАЛЬНЫХ СИСТЕМ ПО КЛАССАМ АЭРОПОРТОВ

Приложение 2

РАСПОЛОЖЕНИЕ И ХАРАКТЕРИСТИКИ СИСТЕМЫ ГЛИССАДНЫХ ОГНЕЙ PAPJ

Приложение 3

СВЕТОТЕХНИЧЕСКИЕ ХАРАКТЕРИСТИКИ ОГНЕЙ КРУГОВОГО ОБЗОРА

Приложение 4

РЕКОМЕНДАЦИИ ПО УСТАНОВКЕ ОГНЕЙ

Приложение 5

СВЕТОТЕХНИЧЕСКИЕ ХАРАКТЕРИСТИКИ ОГНЕЙ СВЕТОСИГНАЛЬНЫХ СИСТЕМ ПОСАДКИ, ЭКСПЛУАТИРУЕМЫХ ПО I И II КАТЕГОРИЯМ

Приложение 6

СВЕТОТЕХНИЧЕСКИЕ ХАРАКТЕРИСТИКИ ОГНЕЙ СВЕТОСИГНАЛЬНЫХ СИСТЕМ ПОСАДКИ, СКОНСТРУИРОВАННЫХ ДЛЯ I И II КАТЕГОРИЙ, НО ИСПОЛЬЗУЕМЫХ ТАКЖЕ ДЛЯ III КАТЕГОРИЙ

Приложение 7

СВЕТОТЕХНИЧЕСКИЕ ХАРАКТЕРИСТИКИ ОГНЕЙ СВЕТОСИГНАЛЬНЫХ СИСТЕМ ПОСАДКИ, ИСПОЛЬЗУЕМЫХ ДНЯ III КАТЕГОРИИ, ВКЛЮЧАЯ I И II КАТЕГОРИИ

Приложение 8

СВЕТОТЕХНИЧЕСКИЕ ХАРАКТЕРИСТИКИ РУЛЕЖНЫХ ОГНЕЙ

Приложение 9

СВЕТОТЕХНИЧЕСКИЕ ХАРАКТЕРИСТИКИ СВЕТОВЫХ УКАЗАТЕЛЕЙ

Приложение 10

ХАРАКТЕРИСТИКИ СВЕТОФИЛЬТРОВ АЭРОДРОМНЫХ ОГНЕЙ

Настоящее Пособие разработано впервые Государственным проектно-изыскательским и научно-исследовательским институтом гражданской авиации Аэропроект (руководитель и ответственный исполнитель Б.Т. Галкин) и Научно-экспериментальным центром автоматизации управления воздушным движением НЭЦ АУВД (ответственный исполнитель Я.С. Залесский) в развитие "Ведомственных строительных норм проектирования светосигнального и электрического оборудования систем посадки воздушных судов в аэропортах" .

Пособие предназначено для использования при проектировании систем светосигнального оборудования во вновь строящихся, расширяемых, реконструируемых и переоснащаемых аэропортах I-V классов.

Материалы Пособия представлены в последовательности, соответствующей порядку изложения разделов .

1. ОБЩИЕ ПОЛОЖЕНИЯ

1.1. Настоящее Пособие распространяется на проектирование систем светосигнального оборудования аэродромов в аэропортах ГА.

1.2. В проектах следует предусматривать наиболее совершенное оборудование и устройства промышленного изготовления. Вновь разрабатываемое промышленностью оборудование может предусматриваться при условии, если его серийный выпуск будет обеспечен к началу монтажа при наличии оптовой или лимитной цены на это или аналогичное оборудование.

1.3. При проектировании вновь устанавливаемых или полностью реконструируемых систем светосигнального оборудования следует предусматривать установку огней приближения по схеме центрального ряда.

1.4. При проектировании сооружений радиотехнических систем необходимо их размещение и высоту (в пределах установленных допусков) выбирать таким образом, чтобы исключить экранирование огней приближения или необходимость установка их на высоких опорах.

1.5. Типовые проекты на монтаж систем светосигнального оборудования необходимо согласовывать с головным разработчиком отечественного оборудования.

2. ТЕРМИНЫ И ОПРЕДЕЛЕНИЯ

2.1. Аэродромные знаки - неуправляемые световые указатели, предназначенные для указания постоянного направления движения (стрелки) и обозначения особой информации.

2.2. Огонь - световой прибор с заданным светораспределением.

2.3. Заградительный огонь - огонь для обозначения препятствия, представляющих опасность для воздушной навигации.

2.4. Импульсный огонь - огонь, в котором применена газоразрядная импульсная лампа, дающая вспышки света высокой интенсивности, очень короткой продолжительности.

2.5. Линейный огонь - три и более огней, размещенных с небольшими интервалами на поперечной линии таким образом, что на расстоянии они представляются короткой световой полосой.

2.6. Огонь постоянного излучения - огонь, обладающий постоянной интенсивностью при наблюдении с неподвижной точки.

2.7. Порог ВПП - начало участка ВПП, используемого для посадки воздушных судов,

2.8. Система светосигнального оборудования аэродрома - совокупность светосигнальных приборов (огней), размещённых по определенной схема и предназначенных для обеспечения взлета, заключительного этапа захода на посадку, посадки и руления воздушных судов.

2.9. Смещенный порог - порог взлетно-посадочной полосы, не совпадающий с ее началом.

2.10. Скоростная выводная рулежная дорожка - рулежная дорожка определенной конфигурации, позволяющая воздушный судам освобождать ВПП на большой скорости.

2.11. Средняя сила света огня - усредненное значение силы света огня в пределах заданного угла рассеяния.

2.12. Стрелочные указатели управляемые - световые указатели, предназначенные для указания движения воздушных судов по заданным маршрутам. Могут использоваться только при наличии специальной аппаратуры.

2.13. Система огней высокой интенсивности - система аэродромных огней, в которой посадочные огни имеет силу света не менее 10000 кд.

2.14. Система огней малой интенсивности - система аэродромных огней, в которой посадочные огни имеют силу света не более 1000 кд.

2.15. Углубленные огни - аэродромные огни, устанавливаемые непосредственно в покрытии ВПП, РД или КПБ, не являющиеся препятствием для воздушных судов.

2.16. Угол установки огня в вертикальной плоскости - угол между оптической осью огня и горизонтальной плоскостью.

2.17. Угол установки огня в горизонтальной плоскости - угол между проекцией оптической оси на горизонтальную плоскость и осевой линией ВПП.

3. СИСТЕМЫ СВЕТОСИГНАЛЬНОГО ОБОРУДОВАНИЯ АЭРОДРОМОВ

Назначение и состав систем светосигнального оборудования

3.1. Системы светосигнального оборудования предназначены для обеспечения:

конечного этапа захода на посадку, посадки в взлета воздушных судов ночью к днем, при установленных для данного аэродрома минимумах посадки и взлета;

руления и управления движением воздушных судов на аэродроме днем и ночью.

В состав систем входят светосигнальное оборудование, электрическое оборудование и аппаратура дистанционного управления.

3.2. Системы светосигнального оборудования подразделяется на:

системы огней малой интенсивности (ОМИ) по интенсивности, составу, характеристикам и схеме расположения огней, предназначенные для установки на ВПП, оборудованной для обеспечения визуальных заходов на посадку (ПВП) и посадку по приборам (ППП);

системы с огнями высокой интенсивности (ОБИ), по составу, характеристикам и схеме расположения, предназначенные для установки на ВПП, оборудованной для обеспечения точного захода на посадку по категориям I, II и III (ОВИ-1, ОВИ-2, ОВИ-3).

3.3. Состав светосигнального оборудования для посадки взлета и руления, входящего в различные системы, приведен в табл. 1.

Таблица 1

Светосигнальное оборудование

Системы ОМИ

Системы с огнями высокой интенсивности

по ПВП

по ППП

ОВИ-1

ОВИ-2

ОВИ-3

1

2

3

4

5

6

Огни приближения импульсные

-

-

-

-

+

Огни приближения

+

+

+

+

+

Огни светового горизонта

+

+

+

+

+

Огни НПБ

-

-

-

+

+

Входные огня прожекторные

-

-

+

+

+

Входные огни импульсные

-

-

-

-

+

Входные огни фланговые1)

-

+

+

+

+

Входные ограничительные огни кругового обзора

+

+

+

+

+

Посадочные огни

+

+

+

+

+

Глиссадные огни2)

+

+

+

+

+

Огни знака приземления3)

+

+

+

+

+

Ограничительные огни прожекторные

-

-

+

+

+

Огни зоны приземления

-

-

-

+

+

Осевые огни ВПП

-

-

+х

+

+

Рулежные огни боковые

+

+

+

+

+

Осевые огня РД

-

-

-

+х

+

Огни быстрого схода с ВПП

-

-

-

+х

+

Огни схода с ВПП

-

-

-

+х

+

Стоп-огни

-

-

-

+х

+

Предупредительные огня

-

-

-

+х

+

Аэродромные световые указателя управляемые

-

-

+х

+4)

+

Аэродромные световые указатели неуправляемые

+6)

+

+

+

+

Огня уширений ВПП5)

+

+

+

+

+

Заградительные огня на ТП питания огней

+

+

+

+

+

Примечание. Знак "+" обозначает обязательное применение данного оборудования, знак "-" - отсутствие необходимости применения оборудования, знак "+х" - рекомендуемое наличие оборудования.

1)Устанавливаются при наличии смещенного порога.

2) Устанавливаются после внедрения оборудования.

3)  Устанавливается при отсутствии глиссадных огней.

4) Должны быть установлены на аэродромах, имеющее более пяти маршрутов руления для одного направления посадке.

5) Устанавливается при наличии уширений ВПП.

6) Должны быть установлены при наличии магистральной ВД.

3.4. Перечень систем светосигнального оборудования по классам аэропортов приведен в приложении 1.

Назначение огней и цвет их излучения

3.5. Огни приближения импульсного излучения предназначены для указания пилоту воздушного судна направления на осевую линию ВПП в условиях плохой видимости и должны излучать белый свет.

3.6. Огни приближения постоянного излучения предназначены для указания пилоту воздушного судна направления на осевую линию ВПП. Огни должны излучать белый свет.

3.7. Огни световых горизонтов предназначены для создания искусственного горизонта с целью ориентировки пилота о положении воздушного судна в поперечном направлении (по отношению к естественному горизонту) и должны излучать белый свет.

В системах ОМИ, предназначенных для полетов по ПВП, допускается применение красного цвета излучения этих огней, когда необходимо отличить систему от посторонних огней, если они имеются.

3.8. Боковые огни на КПБ предназначены для обозначения концевой полосы безопасности и должны излучать красный свет.

3.9. Входные огни постоянного и импульсного излучение у порога ВПП и фланговые огни предназначены для указания порога ВПП и должны излучать зеленый свет.

3.10. Огни знака приземления предназначены для маркировки места приземления и должны излучать белый свет только в направлении захода на посадку.

3.11. Посадочные огни ВПП предназначены для обозначения боковых продольных сторон ВПП, они должны излучать белый свет, а на последних 600 м ВПП - желтый свет.

3.12. Ограничительные огни предназначены для обозначения конца ВПП и должны излучать красный свет.

3.13. Осевые огни ВПП предназначены для светового обозначения осевой линии ВПП, а также для кодировки участков ВПП и должны излучать красный свет на участке 300 м от конца ВПП, чередующиеся два белых и два красных огня на участке 300-900 м от конца ВПП и белый свет на остальной части ВПП.

3.14. Огни зоны приземления предназначены для светового обозначения поверхности ВПП в зоне приземления воздушных судов и должны излучать белый свет.

3.15. Огни маркировки уширений ("карманов") ВПП предназначены для обозначения границ уширения и должны излучать желтый свет. В направлении посадки огни должны быть экранированы заглушкам.

3.16. Глиссадные огни предназначены для указания визуальной глиссады планирования.

3.17. Заградительные огни предназначены для светового обозначения препятствий и должны излучать красный свет.

3.18. Боковые огни РД синего цвета предназначены для обозначения продольных границ РД.

3.19. Осевые огни РД углубленного типа, как правило, двунаправленные, зеленого цвета, предназначены для обеспечения непрерывного визуального ориентирования по осевой линии РД в сложных метеоусловиях.

3.20. Осевые огни скоростных выводных РД углубленного типа, зеленого цвета предназначены для обеспечения руления на большой скорости с целью увеличения пропускной способности ВПП. Применяются только на тех РД, которые по своей конфигурации и радиусу закругления допускает руление воздушных судов на большой скорости.

Примечание. В качестве осевых огней скоростных выводных РД можно использовать углубленные однонаправленные огни, применяемые в качестве огней зоны приземления, но зеленого цвета.

3.21. Осевые огни выводных РД углубленного типа должны быть зеленого цвета. На выводной РД при движении от ВПП устанавливаются чередующиеся зеленые и желтые огни с целью указания, что воздушное судно находится в критической зоне РМЗ. Применяемые огни, как правило, является двунаправленными (для движения в обоих направлениях).

3.22. Стоп-огни углубленного типа красного цвета, предназначены для запрещения движения воздушных судов и транспортных средств. Применяются при рулении и перед пересечениями РД там, где это признано необходимым.

3.23. Предупредительные огни углубленного типа, желтого цвета, применяются для заблаговременного предупреждения пилотов рулящих воздушных судов об остановках и закруглениях РД на маршруте руления, а также перед пересечениями РД, там, где необходимо обозначить место ожидания воздушного судна и где нет необходимости в сигналах прекращения и возобновления движения.

3.24. Стоп-сигнал излучает красный свет и служит для запрещения движения. Старт-сигнал излучает зеленый свет и служит для разрешения движения. Сблокированные стоп-сигнал и старт-сигнал составляют светофор. Стоп-сигнал и старт-сигнал никогда не включается одновременно. Светофоры совместно со стрелочными указателями применяются в системе управления светосигнальными рулежными средствами. Светофоры используются как самостоятельное средство для подачи сигналов остановки и продолжения движения на РД, эксплуатируемых по категории I, а также во всех случаях совместно с линиями углубленных стоп-огней.

3.25. Стрелочные указатели управляемые выполняются в виде светящихся стрелок желтого цвета на транспаранте черного цвета, имеющем форму квадрата. Используются для обозначения предписанного направления движения, которого следует придерживаться пилоту воздушного судна для выполнения заданного маршрута руления. Применяются при наличии системы управления светосигнальными рулежными средствами.

3.26. Неуправляемые знаки сообщают пилотам воздушных судов различную информацию. Знак представляет собой прямоугольный транспарант с надписью или обозначением, имеющий внутреннее освещение или, как исключение, - наружное. Знака подразделяются на обязательные и указательные.

3.27. Обязательные знаки устанавливаются тогда, когда с их помощью необходимо передать указание пилоту воздушного судна, которое следует выполнять.

3.28. К обязательным знакам относятся знаки места ожидания при рулении, управляемые стрелочные указатели предписанного направления движения воздушных судов, знаки остановки и знаки пересечения РД/ВПП, когда они применяются вместо знака остановки.

Обязательный знак представляет собой надпись белого цвета на красном фоне (исключение - управляемые стрелочные указатели, которые могут быть выполнены в виде желтой стрелки на черном фоне).

3.29. Указательные знаки устанавливается тогда, когда необходимо обозначить знаком конкретный участок или место назначения на рабочей площади иди дать другую информации.

3.30. Места ожидания при рулении на линии пересечения критической зоны РМС рулежными дорожками должны обозначаться световыми знаками.

3.31. Знак пересечения РД с ВПП устанавливается во всех местах примыкания РД к ВПП. В случае примыкания РД к ВПП в ее начале и конце знак представляет собой двухзначное число. В остальных случаях должно быть нанесено обозначение магнитных курсов обоих концов пересекаемой ВПП и знак должен быть правильно ориентирован по отношение к месту наблюдения знака. Числа обозначает в десятках градусов магнитно-путевые углы (округленные до десяти) каждого рабочего направления ВПП.

3.32. Указательный знак должен быть представлен либо в виде надписи желтого цвета на черном фоне или надписи черного цвета на желтом фоне. Если знак используется ночью в условиях ухудшенной видимости, он должен быть освещен изнутри или, в виде исключения, снаружи. Знак также может быть покрыт веществом, отражающим свет.

К указательным знакам относятся знаки обозначения РД, знаки местонахождения и знаки дополнительной информации. Знак дополнительной информации представляет собой надпись (надпись со стрелкой) белого цвета на синем фоне.

3.33. Знак обозначения РД представляет собой букву латинского алфавита, соответствующую наименования РД.

3.34. Знаки местонахождения применяются для обозначения направления движения, которого следует придерживаться для прибытия на определенный участок. Знаки местонахождения могут указывать направление - на курс ВПП, к перронам, к РД, к аэровокзалу и т.д.

Знак должен состоять из обозначения места (РД, курс ВПП, перрон и т.д.) и стрелки, указывающей направление движения к нему. Если нужно выполнить левый поворот, стрелка должна находиться в левой части знака. Если нужно выполнить правый поворот, стрелка должна находиться в правой части знака. Если нужно продолжать движение вперед по прямой, то в левой части знака необходимо поместить вертикальную стрелку, разворот и движение в обратном направлении обозначаются стрелкой, направленной вниз.

3.35. Знак дополнительной информации используется при необходимости предоставления пилотам воздушных судов и водителям спецавтотранспорта информации о расположении какого-либо места и, при необходимости, направления движения к нему. Представляет собой надпись (надпись со стрелкой) белого цвета на синем фоне.

Размещение светосигнального оборудования

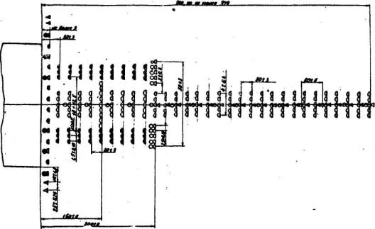
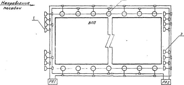
3.36. Схема расположения огней системы ОМИ для полетов по ПВП приведена на рис. 1.

Рис. 1. Схема расположения светосигнального оборудования системы ОМИ для полетов по ПВП:

-

огонь приближения и светового горизонта;

-

входной ограничительный огонь зеленый-красный;

-

посадочный огонь ВПП белый-желтый;

-

огонь знака приземления белый;

-

глиссадный огонь

3.37. Огни приближения должны быть установлены на продолжении осевой линии ВПП, на расстоянии не менее 420 м от порога ВПП, с интервалами 60±5 м.

3.38. В системе должен быть предусмотрен световой горизонт шириной не менее 18 м, устанавливаемый на расстоянии 300±6 м от порога ВПП на линии, перпендикулярной осевой линии ВПП.

3.39. Установка глиссадных огней выполняется в соответствии с приложением 2.

3.40. Посадочные огни следует устанавливать вдоль продольных краев ВПП с интервалами не более 60 м. Расстояние посадочных огней от края ВПП должно быть не более 3 м.

3.41. Огни знака приземления устанавливаются с двух сторон ВПП перпендикулярно линии посадочных огней на расстоянии 150 м от порога ВПП в количестве трех с интервалом между огнями 3,0±0,3 м. При наличии глиссадных огней огни знака приземления не устанавливаются.

3.42. Входные ограничительные огни должны быть установлены на линии, перпендикулярной осевой линии ВПП, на расстоянии не более 3 м с внешней стороны от порога ВПП.

Огни должны быть размещены двумя группами, по три огня в каждой, с интервалами между огнями 3,0±0,3 м.

3.43. Светотехнические параметры огней приведены в приложении 3.

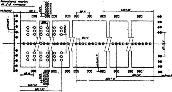
Светосигнальные системы ОМИ для полетов по ППП

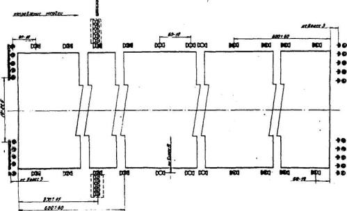
3.44. Схема расположения огней системы ОМИ для полетов по ППП представлена на рис. 2.

Рис. 2. Схема расположения светосигнального оборудования системы СМИ для полетов по ППП:

-

огонь приближения, светового горизонта и посадочный ВПП белый;

-

посадочный огонь ВПП на последних 600 м желтый;

-

входной ограничительный огонь зеленый-красный;

-

огонь знака приземления белый;

-

рулежный огонь синий;

-

ограничительный огонь красный.

3.45. Огни приближения должны быть установлены на продолжении осевой линии ВПП на расстоянии 900 м, но не более 870 м от порога ВПП с интервалами 60±5 м.

3.46. В системе должен быть предусмотрен один световой горизонт, устанавливаемый на расстоянии 300±6 м от порога ВПП на линии, перпендикулярной осевой линии ВПП. Ширина светового горизонта должна составлять 30±3 м. Расстояние между соседними огнями в световом горизонте должно быть 3,0±0,3 м.

При эксплуатации на аэродроме РМС точного захода на посадку рекомендуется использовать линейные огни приближения шириной 3-4 м с продольными интервалами 30 или 60 м.

3.47. Глиссадные огни устанавливается в соответствии с приложением 2.

3.48. Посадочные огни должки быть установлены по всей длине ВПП в виде двух параллельных рядов на равное расстоянии от осевой линии ВПП. Расстояние посадочных огней от края ВПП должно быть не более 3 м. Огни в рядах должны быть размещены с интервалами не более 60 м. На последних 600 м ВПП они должны излучать желтый свет в направлении посадки. На пересечении ВПП с РД должны устанавливаться огни углубленного типа, если расстояние между соседними наземными прожекторными огнями составляет более 120 м. Для использования в условиях хорошей видимости в качестве посадочных, входных и ограничительных огней должны устанавливаться огни кругового обзора.

3.49. Огни знака приземления устанавливается в количестве 5 с интервалами 3,0±0,3 м на расстоянии 300±30 м от торца ВПП.

3.50. Входные и ограничительные огни должны быть установлены на линии, перпендикулярной осевой линии ВПП, на расстоянии не более 3 м с внешней стороны порога. Входные в ограничительные огни должны быть размещены двумя группами по пять огней в группе симметрично осевой, линии ВПП, с интервалами 3,0±0,3 м.

3.51. Светотехнические параметры огней приведены в приложении 3.

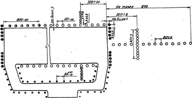
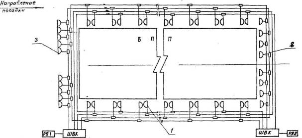
Система ОВИ точного захода на посадку по категории I (ОВИ-1)

3.52. Схема размещения огней по центральному ряду приведена на рис. 3, а со световыми горизонтами - на рис.4.

Рис. 3. Схема размещения огней приближения по центральному ряду (ОВИ-1):

-

огни приближения и светового горизонта прожекторные белые;

О

-

огни приближения и светового горизонта кругового обзора белые.

Рис. 4. Схема расположения огней приближения и световых горизонтов системы точного захода на посадку по категории I (ОВИ-1):

-

огни приближения и световых горизонтов прожекторные белые;

О

-

огни приближения и световых горизонтов кругового обзора белые.

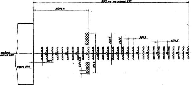
3.53. Огни, размещенные по схеме на рис. 3, должны состоять из линейных огней, устанавливаемых на продолжении осевой линии ВПП на протяжении, как правило, 900 м от порога ВПП (но не менее 870 м) с продольными интервалами 30±3 м в ряда огней, образующих световой горизонт на расстояние 300±6 м от порога ВПП.

Каждый линейный огонь должен состоять из 5 арматур с расстояниями между ними 1,0±0,1 м. Ширина светового горизонта должна быть 30±3 м.

3.54. Огни приближения, размещенные по схеме на рис. 4, располагается на протяжении, как правило, 900 м (но не менее 870 м) и должны состоять из одинарных огней на участке 0-300 м, сдвоенных огней на участке 300-600 м, строенных огней на участке 600-900 м и пяти световых горизонтов, установленных на расстоянии 150, 300, 450, 600, 750 м от порога ВПП.

Продольное расстояние между огнями приближений должно быть 30±3 м.

Расстояние между соседними огнями в световых горизонтах должно быть не более 2,7 м, а в сдвоенных и строенных огнях приближения 1,5±0,15 м.

3.55. Глиссадные огни устанавливается в соответствии с приложением 2.

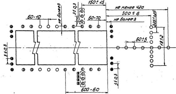
3.56. Схема размещения огней ВПП приведена на рис. 5.

Рис. 5. Схема расположения огней на ВПП с одного направления посадки системы точного захода на посадку по категории I (ОВИ-1):

-

посадочные огни кругового обзора белые;

-

входные огни прожекторные зеленые;

-

входные-ограничительные огни кругового обзора зелёные-красные;

-

посадочные огни ВПП знака приземления прожекторные белые;

-

посадочные огни ВПП прожекторные желтые;

-

ограничительные огни прожекторные красные;

-

огни знака приземления кругового обзора белые с заглушкой;

-

глиссадные огни;

-

посадочные огни ВПП кругового обзора белые-желтые

3.57. Посадочные огни ВПП должны быть расположены по всей длине ВПП в виде двух параллельных рядов на равных расстояниях от осевой линии и не далее 3 м от кромки ВПП.

3.56. В системе огней приближения по схеме на рис. 3 и 4, а также в системе огней ВПП (рис. 5 и 6) должны быть предусмотрены огни кругового обзора, предназначенные для использования ночью в условиях хорошей видимости.

При наличии смещенного порога и использовании углубленных огней огни приближения кругового обзора на этом участке не устанавливаются.

 

Рис. 6. Схема расположения огней приближения и входных огней систем точного захода на посадку по категориям II и III (ОВИ-2, ОВИ-3):

-

боковые огни КПБ прожекторные красные;

-

огни приближения и светового горизонта прожекторные белые;

-

огни приближения и светового горизонта кругового обзора белые;

-

огни приближения импульсные белые;

-

входные огни импульсные зеленые.

3.59. Световые пучки огней кругового обзора не должны экранироваться близлежащими огнями прожекторного типа.

3.60. В местах уширений ВПП ("карманов") устанавливается огни кругового обзора желтого цвета с заглушками со стороны захода на посадку. Расстояние между огнями должно быть не более 10 м.

3.61. Если ширина ВПП составляет более 50 м или, если это экономически целесообразно и определено заданием на проектирование, рекомендуется установка осевых огней ВПП.

3.62. Огни знака приземления для каждого направления посадки должны быть установлены с обеих сторон ВПП перпендикулярно линии посадочных огней на расстоянии 300-30 м от порога ВПП в количестве пяти с интервалом 3,0±0,3 м. Огни должны светить только в сторону захода на посадку.

3.63. Допуски на размещение элементов системы и рекомендации по их установке приведены в приложении 4.

3.64. Светотехнические параметры огней приведены в приложении 5.

Система ОВИ точного захода на посадку по категориям II и III (ОВИ-2, ОВИ-3)

3.65. Схема размещения огней по центральному ряду приведена на рис. 6, а со световыми горизонтами - на рис. 7.

Рис. 7. Схема расположения огней приближения систем точного захода на посадку по категории II (ОВИ-2):

-

боковые огни КПБ прожекторные красные;

-

огни приближения и светового горизонта прожекторные белые;

-

огни приближения и светового горизонта кругового обзора белые

3.66. Дополнительно к огням приближения ОВИ-1 (см. рис. 3) на участке протяженностью 270 м от порога ВПП должны быть установлены линейные боковые огни КПБ в виде двух продольных рядов. Количество арматур в линейном ряду огней бокового ряда я расстояние между ними должно соответствовать количеству арматур и расстояние между ними в огнях зоны приземления.

3.67. Продольный интервал между линейными боковыми огнями должен быть равным интервалу между огнями приближения осевого ряда.

3.68. На расстоянии 150 м от порога ВПП должен быть установлен световой горизонт, совпадающий с пятым рядом центральных огней. Огни светового горизонта должны быть равномерно размещены с интервалом, как правило, 2,7 м, но не менее 1 м и должны заполнить расстояние между огнями центрального ряда и боковыми огнями КПБ.

3.69. В системах ОВИ-2 (см. рис. 7) дополнительно к огням приближения ОВИ-1 (см. рис. 4) должны быть установлены:

два ряда боковых огней КПБ аналогично п. 3.66;

по два огня с каждой стороны от одинарных огней с интервалом 1,0±0,1 м общей шириной 4,0±0,4 м на участке 0-300 м от порога ВПП

3.70. Входные огни должны быть расположены равномерно вдоль порога ВПП не далее 3 м с внешней стороны от него с интервалом между огнями 3,0±0,3 м. Схема размещения огней приведена, на рис. 8.

Рис.8. Схема расположения огней ВПП систем точного захода на посадку по категориям II и III (ОВИ-2, ОВИ-3):

-

входные огни прожекторные зеленые;

-

входные ограничительные огни кругового обзора зеленые-красные;

-

ограничительные огни прожекторные красные;

-

посадочные огни ВПП и знака приземления прожекторные белые;

-

посадочные огни ВПП прожекторные желтые;

-

посадочные огни ВПП кругового обзора белые;

-

посадочные огня ВПП кругового обзора желтые-белые;

-

огни зоны приземления углубленные белые;

-

осевые огни ВПП углубленные красные-белые;

-

огни знака приземления кругового обзора белые с заглушкой;

-

глиссадные огни.

3.71. Ограничительные огни к огни знака приземления устанавливаются в соответствии с п. 3.62.

Глиссадные огни устанавливаются в соответствии с данными приложения 2.

Посадочные огни устанавливается в соответствии с п. 3.57.

Осевые огни ВПП устанавливаются по осевой линии ВПП на всем ее протяжении с интервалом 15±1,5 м. Допускается смещение линии установки осевых огней от осевой линии ВПП на 0,75 м. Для ВПП, оборудованных по I категории, рекомендуется установка осевых огней ВПП с интервалом 30±3 м.

3.72. Огни должны излучать:

красный свет на участке 300 м от конца ВПП;

чередующиеся два красных и два белых - на участке 300-900 м от конца ВПП;

белый свет на остальном участке ВПП.

3.73. Огни зоны приземления должны устанавливаться на участке 900-30 м от порога ВПП в виде двух продольных рядов линейных огней, симметричных относительно осевой линии ВПП. Поперечное расстояние между внутренними огнями должно равняться расстояние между маркировочными полосами зоны приземления и составлять 18-22,5 м. Каждый линейный огонь должен состоять из трех арматур с расстояниями между ними 1,5±0,1 м и иметь общую ширину 3±0,2 м.

Продольное расстояние между линейными огнями должно быть 30±3 м.

3.74. Светотехнические параметры огней приведены в приложениях 6 и 7.

3.75. Импульсные огни приближения устанавливаются на участке 300-900 м от порога ВПП совместно с осевыми огнями центрального ряда. При атом импульсные огни не должны экранировать арматуры огней приближения постоянного излучения.

3.76. Входные импульсные огни применяются в системах, где огни приближения расположены по центральному ряду (см. рис. 6). Входные импульсные огни устанавливается на линии входных огней на расстоянии 18±1,8 м от кромки ВПП в количестве двух арматур с каждой стороны от осевой линии ВПП. Интервал между арматурами 2,5±0,25 м.

Расположение светосигнального оборудования при смещенном пороге

3.77. Примеры расположения светосигнального оборудования на ВПП со смещенным порогом приведены на рис. 9-10.

Рис. 9. Расположение светосигнального оборудования систем ОМИ при смещенном пороге:

-

посадочный огонь ВПП, огонь светового горизонта белый-желтый;

-

посадочный огонь красный-желтый;

-

посадочный огонь красный (с половинной заглушкой);

-

посадочный огонь красный;

-

входной фланговый огонь зеленый (с половинной заглушкой);

-

входной посадочный огонь зеленый-желтый;

-

огонь светового горизонта белый (с половинной заглушкой);

-

ограничительный огонь красный (с половинной заглушкой);

-

огонь приближения и посадочный ВПП белый

Рис. 10. Расположение светосигнального оборудования систем ОВИ при смещенной пороге:

огни кругового обзора:

 

прожекторные огни:

-

посадочный огонь белый-желтый;

 

-

линейный огонь приближения и светового горизонта белый;

-

посадочный огонь красный-желтый;

 

-

боковой огонь КПБ красный;

-

посадочный огонь красный;

 

-

линейный огонь приближения углубленный белый;

-

входной углубленный огонь зеленый;

 

-

боковой огонь КПБ углубленный красный;

-

входной фланговый огонь зеленый (с половинной заглушкой);

 

-

входной огонь зеленый;

-

входной посадочный огонь зеленый-желтый;

 

-

посадочный огонь белый;

-

ограничительный огонь красный (с половинной заглушкой);

 

-

посадочный огонь желтый;

-

посадочный огонь белый;

 

-

ограничительный огонь красный

3.78. Огни приближения между началом ВПП и смещенным порогом могут не устанавливаться, если практически невозможно установить огни на ВПП. При смещении порога более, чем на 300 м световой горизонт заменяется фланговыми горизонтами. Внутренний огонь фланга должен устанавливаться на линии посадочных огней. При смещении порога на 120 м и менее огни приближения, располагаемые в системе с интервалами 60 м, на ВПП не устанавливается.

3.79. На участке между торцом ВПП и смещенным порогом устанавливаются посадочные огни, излучающие красный свет только в направлении захода на посадку, а при использовании этого участка ВПП для взлета в противоположном направлении огни должны излучать желтый свет. Первый посадочный огонь красного цвета устанавливается у торца ВПП.

3.80. При отсутствии перед смещенным порогом огней приближения рекомендуется устанавливать по одному дополнительному посадочному огню (рядом с основным огнем), излучающему красный свет только в направлении захода на посадку.

При смещении порога на 120 м и менее посадочные огни между торцом ВПП и смещенным порогом не устанавливаются.

3.81. Входные огни должны устанавливаться на месте смещенного порога в виде двух фланговых горизонтов (каждый должен иметь длину 10±1 м и состоять не менее, чем из пяти огней).

3.82. При использовании начального участка ВПП до смещенного порога ограничительные огни должна быть установлены у торца ВПП по принятой схеме.

Системы ОВИ

3.83. Огни приближения и световых горизонтов на участке ВПП от ее начала до смещенного порога, входные и ограничительные огни доданы быть установлены по схемам, приведенным на рис. 10, с использованием огней углубленного типа соответствующей силы, света. Входные огни дополняются двумя фланговыми горизонтами, по 5 огней в группе, шириной 10±1 м.

3.84. Посадочные огни между началом ВПП и смещенным порогом должны излучать красный свет в направлении захода на посадку, а в противоположном направлении - желтый свет.

3.85. Состав рулежного оборудования для каждой системы должен соответствовать требованиям табл. 1.

3.86. Боковые рулежные огни синего цвета должны располагаться по обеим сторонам РД на расстоянии не более 3 м от края искусственного покрытия, используемого для руления воздушных судов, с интервалом 60-10 м. На закругленных участках РД огни должны быть установлены с меньшими интервалами в соответствии с табл. 2.

Таблица 2

Радиус кривизны РД, и

Интервалы между боковыми огнями РД, на закруглениях в ОВИ-1 и ОВИ-2, м

Интервалы между огнями на РД, на закруглениях в ОВИ-3, м

До 400

7,5

5,0 - 7,5

400-699

15,00

10,0

900 и более

30,0

15,0

3.87. Осевые огни РД устанавливаются на осевой линии с интервалами 30 м на РД, эксплуатируемых по II категории и с интервалом не более 15 м на РД, используемых в условиях III категории.

3.88. Огни быстрого схода зеленого цвета должны располагаться с интервалом 15±1,5 и вдоль осевой линии ВПП на протяжении не менее 60 м до начала закругленного участка выхода на скоростные РД и по осевой линии РД на расстоянии не менее 30 м от линии боковых огней ВПП.

Смещение огней от осевой линии ВПП должно быть 0,75±0,15 м.

3.89. Неуправляемые световые указатели (рис. 11) должны устанавливаться перед ВПП, каждой РД, перекрестками РД или их разветвлением, в местах ожидания.

Рис. 11 Размещение неуправляемых световых указателей:  - неуправляемый световой указатель.

Примечание. Обозначение зоны А допускается производить красными огнями кругового обзора

3.90. Управляемые световые указатели (рис. 12) должны устанавливаться перед выходом на ВПП, а также на перекрестках по маршрутам руления.

Рис. 12. Размещение управляемых световых указателей:  - светофор зелёный;  - светофор красный;  - управляемый стрелочный указатель

3.91. Указатели должны быть размещены на расстоянии 30-35 м от перекрестка РД и на расстоянии 10-12 м от края ВПП или левого края РД.

3.92. Линии пересечения критической зоны рулежными дорожками в ночное время должны обозначаться неуправляемыми световыми указателями. При движении к ВПП с обеих сторон РД устанавливается световой указатель с символом РМС (для международных аэропортов JLS), а при движении от ВПП - световой информационный указатель с символом , перечеркнутый красной чертой из левого нижнего угла в правый верхний (для международных аэропортов ), указывающий на выход воздушного судна за пределы критической зоны. Эти неуправляемые световые указатели устанавливаются с обеих сторон РД, причем указатели устанавливаются со смещением относительно линии пересечения критической зоны РД таким образом, чтобы при нахождении кабины экипажа наиболее крупного воздушного судна на траверзе этих указателей воздушное судно целиком находилось вне критической зоны.

3.93. Допускается обозначать линии входа и выхода из критической зоны сдвоенными огнями кругового обзора с красными светофильтрами для движения к ВПП (на месте указателя РМС или JLS) и с желтыми светофильтрами для движения от ВПП (на месте указателя  или ), устанавливаемыми с обеих сторон РД и имеющими заглушки с обратной стороны. На линии красных огней в дополнение к дневной маркировке на покрытии РД делается надпись РМС (JLS), на линии желтых огней - надпись  ().

3.94. Стоп-огни красного цвета должны быть установлены в количестве не менее трех поперек РД с интервалами между огнями 3±0,3 м в местах, где установлены светофоры.

Стоп-огни могут быть дополнены фланговыми огнями красного цвета.

3.95. Предупредительные огни располагаются на линии, отстоящей на расстоянии 30-60 м от ближнего края пересекаемой РД, в количестве не менее трех поперек РД с интервалом между огнями 1,5±1,5 м.

3.96. Уширения ВПП должны быть маркированы желтыми огнями кругового обзора с заглушками со стороны захода на посадку.

3.97. Светотехнические параметры рулежного оборудования приведены в приложениях 8 и 9.

Система управления светосигнальными рулежными средствами

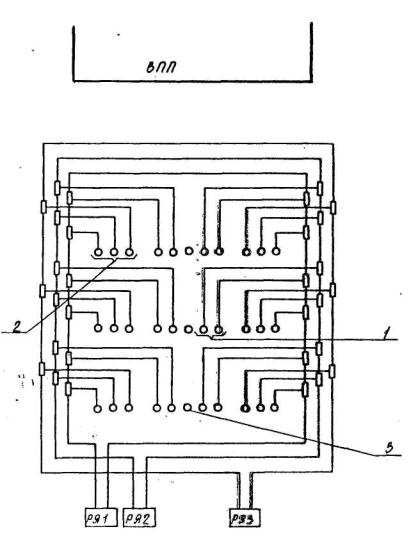
3.98. На аэродромах, оборудуемых для полетов в условиях I (с осевыми огнями ВПП) и II категорий со сложной планировкой (с двумя ВПП и МРД) или с одной ВПП, но с необходимостью ее пересечения при маневрировании по аэродрому, а также на аэродромах, обеспечивающих полеты по III категории, должны предусматриваться системы управления светосигнальными рулежными средствами. Система управления включает в себя аппаратуру дистанционного управления и сигнализации, панели оперативного управления диспетчеров руления и старта, мнемосхему диспетчера руления, средства электропитания.

3.99. Основой организации движения воздушных судов при рулении являются стандартные маршруты руления (СМР), утвержденные службой движения аэродрома.

Все светосигнальные средства, обозначающие каждый СМР, входят в один программный набор, включаемый одним управляющим действием диспетчера руления. В зависимости от времени суток и метеоусловий на СМР должны, как правило, включаться различные светосигнальные средства.

Требования к регулированию интенсивности огней

3.100. Для применения огней в различных метеоусловиях и исключения слепящего действия необходимо предусмотреть изменение интенсивности излучения огней - регулировку яркости огней. Регулирование яркости огней необходимо производить ступенчато. Яркость огней высокой интенсивности следует регулировать пятью ступенями в отношении: 100, 30, 10, 3, 1% (или 100, 20, 5, 1, 0,250 соответственно для 5, 4, 3, 2 и 1 ступеней яркости.

3.101. Яркость огней кругового обзора и рулежных огней следует регулировать тремя ступенями в отношения; 100, 30, 10% от максимальной яркости.

3.102. Типы огней, набираемых в группе, указанной на кнопке оперативного управления и ступени их яркости, в зависимости от условий видимости, приведены в табл. 3.

3.103. Светотехнические параметры светофильтров всех аэродромных огней приведены в приложении 10.

Высота установки и механические свойства огней

3.104. Надземные огни ВПП, огни КПБ и РД должны имей в основании ослабленное сечение с тем, чтобы исключить опасность повреждения воздушного судна при соприкосновенен с огнями.

3.105. Все огни приближения светосигнальной системы должны располагаться, как правило, в одной горизонтальной плоскости, для чего их установку следует предусматривать на опорах переменной высоты с учетом перепадов рельефа местности. При этой опора должна иметь ослабленное сечение на расстоянии не более 1,8 м верхней точки огня, за исключением, когда сама конструкция является ломкой.

3.106. При установке огней надземного типа на фундаментах или каких-либо основаниях должны быть предусмотрены отмостки, сопрягающие их с рельефом местности.

3.107. Высота углубленных огней над уровнем бетона должна быть не более 40 мм для входных огней, огней приближения, световых горизонтов на КПБ; не более 13 мм - для посадочных, осевых огней ВПП, осевых огней быстрого схода с ВПП и схода с ВПП, зоны приземления, ограничительных огней; не более 25 мм - для осевых огней РД, стоп-огней и предупредительных огней.


Таблица 3

МДВ (км), время суток

Посадка

Номер группы (кнопки)

Ступени яркости

Огни приближения и световых горизонтов, огни КПБ

Входные огни

Огни ВШ, знака приземления, посадочные, входные и ограничительные

Огни зоны приземления

Осевые огни

Глиссадные огни

Боковые рулежные огни и неуправляемые световые указатели

Прожекторные

Углубленные

Кругового обзора1)

Углубленные

Прожекторные

Кругового обзора

Более 6 (ночью)

1

-

1

4

1

-

3

1

1

3

3

6-4 (ночью)

2

-

1

5

1

-

4

1

1

3

3

Менее 4-2 (ночью)

3

2

2

5

2

2

4

1

2

4

4

Менее 2-1 (ночью)

4

3

3

-

3

3

4

2

3

4

4

Менее 1 (ночью)

5

4

4

-

4

4

4

32)

4

5

5

2-1 (днем)

 

 

 

 

 

 

 

42)

 

 

 

Менее I (днем)

6

5

5

-

5

5

-

5

5

5

5

1) Допускается использование огней в 1, 2, 3 группах соответственно на 3, 4, 5 ступенях яркости.

2) 4 ступень яркости устанавливается индивидуальным переключателем.

Примечания: 1. Управление осуществляется отдельным переключателем с панели диспетчера рулении. Допускается управление боковыми рулежными огнями и управляемыми световыми указателями совместно с группами огней посадки при отсутствии управляемых средств руления.

2. В режиме "взлет" не включаются огни приближения и световых горизонтов, огни КПБ, входные огни, огни зоны приземления в глиссадные огни.


4. ЭЛЕКТРОПИТАНИЕ ОГНЕЙ СИСТЕМЫ ПОСАДКИ И РУЛЕНИЯ

4.1. В светосигнальных системах группы огней в зависимости от их функционального назначения, места нахождения в общей схеме расположения огней всей системы должны иметь различные схемные включения к источникам их питания - регуляторам яркости.

Электропитание огней светосигнальных систем посадки должно обеспечивать раздельное их включение для каждого направления посадки.

При оборудовании ВПП огнями высокой интенсивности с двух направлений посадки электропитание огней должно осуществляться от двух трансформаторных подстанций. Если ВПП оснащена огнями высокой интенсивности с одного направления посадки и отсутствует перспектива оборудования второго направления, электропитание системы ОВИ осуществляется от одной трансформаторной подстанции.

В светосигнальных системах ОМИ при оснащении ВПП для производства полетов по ПВП или ППП электропитание системы может осуществляться от одной ТП.

4.2. Электропитание групп огней системы посадки необходимо осуществлять:

от трех регуляторов яркости по трем кабельным линиям;

прожекторные огни центрального ряда и боковые огни на КПБ систем ОВИ-2 со световыми горизонтами (рис. 13);

огни зоны приземления систем ОВИ-2 со световыми горизонтами (рис. 14);

от двух регуляторов яркости по двум кабельным линиям;

прожекторные огни приближения и световых горизонтов систем ОВИ-1 и ОВИ-2 (рис. 15);

прожекторные огни приближения и светового горизонта систем ОВИ-1, ОВИ-2 и ОВИ-3 с огнями приближения по центральному ряду (рис. 16);

прожекторные боковые огни КПБ при дооборудовании ОВИ-1 до ОВИ-2 и ОВИ-3 с огнями приближения по центральному ряду (рис. 17);

Рис. 13. Схема электропитания прожекторных огней центрального ряда и боковых огней на КПБ систем ОВИ-2 со световыми горизонтами: 1 - огни КПБ центрального ряда прожекторные; 2 - огни КПВ бокового ряда прожекторные; 3 - осевые огни КПБ прожекторные

Рис. 14. Схема электропитания огней зоны приземления систем ОВИ-2 со световыми горизонтами

Рис. 15. Схема электропитания прожекторных огней приближения и световых горизонтов систем ОВИ-1, ОВИ-2 со световыми горизонтами

Рис. 16. Схема электропитания прожекторных огней приближения и светового горизонта систем ОВИ-1, ОВИ-2 и ОВИ-3 с огнями приближения по центральному ряду

Рис. 17. Схема электропитания прожекторных боковых огней КПБ при дооборудовании системы ОВИ-1 до ОВИ-2 и ОВИ-3 с огнями приближения по центральному ряду

огни зоны приземления систем ОВИ-2 и ОВИ-3 с огнями приближения по центральному ряду (рис. 18);

посадочные входные и ограничительные огни прожекторного типа систем ОВИ-1 (рис. 19);

посадочные и ограничительные огни прожекторного типа систем ОВИ-2 и ОВИ-3 (рис. 3);

входные огни прожекторного типа систем ОВИ-2 и ОВИ-3 (рис. 20). При установке входных огней углубленного типа вдоль торца ВПП огни фланговые огни прожекторного типа должны включаться в кольцо посадочных огней;

осевые огни ВПП (рис. 21);

посадочные огни линзового типа, входные и ограничительные прожекторного типа систем ОВИ-1 (рис. 22);

посадочные огни линзового типа и ограничительные огни прожекторного типа систем ОВИ-2 и ОВИ-3 (рис. 23).

От одного регулятора яркости по одной кабельной линии должны включаться:

огни приближения и светового горизонта кругового обзора по схеме на рис. 4, в системах ОВИ-1 и ОВИ-2 по схемам на рис. 3; огни приближения кругового обзора устанавливается при наличии задания на проектирование;

входные, посадочные, ограничительные огни кругового обзора (с использованием второго резервного регулятора яркости) систем ОВИ-1, ОВИ-2 и ОВИ-3;

огни приближения в светосигнальных системах ОМИ (см. рис. 24);

глиссадные огни типа PAPI (см. рис. 24);

огни ВПП в светосигнальных системах ОМИ (см. рис. 24)

В системах ОМИ, предназначенных для полетов по ППП (см. рис. 2) электропитание посадочных, входных и ограничительных огней кругового обзора (совместно) осуществляется по двум кабельный линиям.

4.3. Электропитание импульсных огней приближения выполняется по схеме в соответствии с технической документацией на тип оборудования.

Рис. 18. Схема электропитания огней зоны приземления систем ОВИ-2, ОВИ-3 с огнями приближения по центральному ряду

Рис. 19. Схема электропитания посадочных, входных и ограничительных огней прожекторного типа систем ОВИ-1:
1 - посадочный огонь; 2 - ограничительный огонь; 3 - входной огонь

Примечание. Электропитание плодных и ограничительных огней второго направления посадки условно не показано.

Рис. 20. Схема электропитания входных, посадочных и ограничительных огней прожекторного типа систем ОВИ-2, ОВИ-3:
1 - входной огонь; 2 - посадочный огонь; 3 - ограничительный огонь

Примечание. Входные и ограничительные огни второго направления условно не показаны.

Рис. 21. Схема электропитания осевых огней ВПП:
а - при установке одноламповых огней; б - при установке двухламповых огней

Рис. 22. Схема электропитания посадочных огней линзового типа, входных и ограничительных огней прожекторного типа систем ОВИ-1:
1 - прожекторный огонь входной; 2 - линзовый огонь ВПП высокой интенсивности; 3 - прожекторный огонь ограничительный

Рис. 23. Схема электропитания посадочных огней линзового типа и ограничительных огней прожекторного типа систем ОВИ-2 и ОВИ-3:
1 - линзовый огонь ВПП высокой интенсивности; 2 - прожекторный огонь ограничительный

Рис. 24. Схемы электропитания огней в светосигнальных системах ОМИ:
1 - огни приближения и светового горизонта кругового обзора; 2 - огни ВПП; 3 - глиссадные огни

4.4. Электропитание рулежных наземных и углубленных огней осуществляется в зависимости от количества рулежных дорожек и утвержденных службой движения стандартных маршрутов руления на аэродроме - от одного или нескольких регуляторов яркости по одной или нескольким кабельным линиям (с использованием высоковольтных контакторов).

В кабельную линию могут входить:

рулежные боковые огни с неуправляемыми рулежными знаками;

рулежные осевые и предупредительные огни;

осевые огни скоростных выводных РД (допускается их включение в кольцо осевых огней ВПП при использовании одноламповых огней);

осевые огни выводных РД (допускается их включение в кольцо осевых огней ВПП при использовании одноламповых огней);

стоп-огни.

4.5. Электропитание управляемых стрелочных указателей и светофоров осуществляется от щита управления и электропитания световыми указателями.

4.6. На аэродромах, предназначенных для производства визуальных полетов, при наличии одной соединительной РД (ВПП с перроном) электропитание огней РД должно осуществляться от регулятора яркости, питающего посадочные огни ВПП.

4.7. Электропитание маркировочных огней уширения ("кармана") ВПП должно осуществляться совместно с боковыми огнями РД. При отсутствии рядом с уширением ВПП рулежной дорожки, используемой в ночное время, огни уширения следует включать в линию питания огней ВПП кругового обзора.

4.8. Выбор кабелей для сетей последовательного питания огней светосигнальных систем производится исходя из следующего;

при питании кабельных линий светосигнальной системы от регуляторов яркости мощностью более 8 кВА используется кабель на рабочее напряжение 5 или 6 кВ;

при питании кабельных линий от регулятора яркости мощностью 8 кВА и менее допускается использование кабеля на рабочее напряжение 3 кВ;

при применении в светосигнальной системе регуляторов яркости различной мощности (до и более 8 кВА) должен выбираться кабель на рабочее напряжение не менее 5 кВ.

4.9. В трансформаторных подстанциях, где установлено оборудование светосигнальных систем, кабели связи, управления, сигнализации и силовые кабели должны прокладываться в различных каналах или экранироваться друг от друга,

4.10. Заземляющие устройства огней светосигнальных систем посадки выполняются в соответствии с технической документацией предприятия-изготовителя,

4.11. В кабельных линиях светосигнальной системы через каждые 300 м (у ближайшего огня на ВПП и РД) изолирующие трансформаторы устанавливаются в специальных кабельных колодцах.

4.12. Кабельные колодцы для входных и ограничительных огней размещаются с обеих сторон ВПП. Кабельные линии вдоль торца ВПП допускается прокладывать в кабельных каналах.

4.13. Кабельные линии и изолирующие трансформаторы в сетях последовательного питания светосигнального оборудования, прокладываемые параллельно ВПП, РД, перрону и местам стоянки воздушных судов, как правило, должны размещаться на расстоянии не менее 3,5 м от боковых кромок искусственного покрытия.

4.14. Условия обеспечения электроснабжения светосигнальных систем, условия прокладки кабельных сетей и установки оборудования в ТП приведены в главе 6 BСH 8-86.

5. ДИСТАНЦИОННОЕ УПРАВЛЕНИЕ СВЕТОСИГНАЛЬНЫМИ СИСТЕМАМИ

5.1. Светосигнальные системы должны иметь дистанционное управление посадочным и рулежным оборудованием с получением необходимой сигнализации о работе системы и ее отдельных элементов в соответствии с документацией на тип оборудование

5.2. Необходимый объем аппаратуры дистанционного управления светосигнальным оборудованием определяется для каждого конкретного аэродрома, исходя из состава управляемого технологического оборудования.

Типы кабелей линий связи и кабелей для соединения аппаратуры с управляемым оборудованием должны определяться типом аппаратуры, условиями прокладки кабелей и технической документацией на аппаратуру.

5.3. Аппаратура управления светосигнальным оборудованием должна располагаться:

аппаратура пунктов управления (ПУ) для светосигнальных средств, управляемых диспетчерами посадки и руления - в помещении линейно-аппаратного зала КДП (ЛАЗ КПД), обслуживаемого сменным инженером;

аппаратура пунктов управления для светосигнальных средств, управляемых диспетчером старта, - в помещении СДП;

аппаратура контролируемых пунктов (КП) - в трансформаторных подстанциях;

мнемосхемы - в поле зрения диспетчеров посадки, руления; они не должны затеняться другим оборудованием;

панели оперативного управления - в пультах диспетчеров посадки, руления, старта.

5.4. В трансформаторных подстанциях аппаратура дистанционного управления должна размещаться в помещении, где установлено технологическое оборудование, или смежном с ним помещений.

Для удобства обслуживания аппаратуры к ней должен быть предусмотрен свободный доступ.

5.5. При проектировании оборудования трансформаторных подстанций, питающих категорированные средства посадки, следует предусматривать:

дистанционное управление автономными агрегатами;

сигнализацию дежурному персоналу службы ЭСТОП о наличии напряжения на внешних источниках питания;

сигнализацию о включении дизель-электрических агрегатов и их аварийном состоянии.

Выполнение этих функций решается в проектах в соответствии с заданием на проектирование и выделенной для этих целей аппаратуры по каждому аэродрому согласно уровне его технического оснащения.

ПРИЛОЖЕНИЯ


Приложение 1

ПЕРЕЧЕНЬ СВЕТОСИГНАЛЬНЫХ СИСТЕМ ПО КЛАССАМ АЭРОПОРТОВ

класс аэропорта

I

II

III

IV

V

Направление посадки

Основное

Вспомогательное

Основное

Вспомогательное

Основное

Вспомогательное

Основное

Вспомогательное

Основное

Вспомогательное

Светосигнальные системы

ОВИ-3

ОВИ-2

ОВИ-1

ОВИ-1

ОВИ-1

ОВИ-1

ОВИ-2

ОВИ-1

ОВИ-1

ОВИ-1

ОВИ-1

ОМИ

ОВИ-1

ОМИ

ОМИ

ОВИ-1

ОМИ

-

ОМИ

ОМИ

-

ОМИ

-

-

ОМИ

ОМИ

-

ОМИ

-

-

Примечания: 1. Выбор варианта системы производится на основании технико-экономического расчета с учетом ожидаемых условий эксплуатации (интенсивности взлетов-посадок, повторяемости сложных метеоусловий, типов воздушных судов) и подлежит согласованию с УНС и УКС МГA при утверждении технического задания на проектирование.

2. При оборудовании ВПП для полетов по приборам установка светосигнального оборудования обязательна.


Приложение 2

РАСПОЛОЖЕНИЕ И ХАРАКТЕРИСТИКИ СИСТЕМЫ ГЛИССАДНЫХ ОГНЕЙ PAPJ

Схема расположения и распределение углов возвышения глиссадных огней представлена на рисунке.

Система включает в себя 4 огня, устанавливаемых в виде флангового горизонта слева от ВПП.

Место установки и углы возвышения огней должны быть таковы, чтобы обеспечивалось совпадение выдаваемого системой визуального сигнала "на глиссаде" с требуемым углом захода на посадку.

Огни имеют дифференцированные углы возвышения. Наибольший угол возвышения имеет ближний к ВПП огонь № 4. В направлении от ВПП вдоль горизонта угол возвышения каждого последующего огня по отношению к предыдущему уменьшается на 20'.

Если требуемый угол захода на посадку 2º40', то для его обеспечения огни должны иметь следующие угла возвышения (справа  налево от ВПП): 3º10', 2º50', 2º30', 2º10'.

Глиссадные огни в горизонте устанавливается с интервалам; 9±1 м. Внутренний край ближнего к ВПП огня должен находиться на расстоянии 15±1 м от кромки ВПП или любой РД. Расстояние глиссадных огней от порога ВПП (Д1) рассчитывается с учетом:

обеспечения требуемого угла захода на посадку;

обеспечения требуемой минимальной высоты колес над порогом ВПП для всех типов воздушных судов, совершающих посадку на ВПП;

высоты уровня глаз пилота над колесами или (при наличии JLS) приемником излучения глиссадного радиомаяка (ГРМ);

обеспечения минимальной высоты уровня глаз пилота над порогом при сигнале на "глиссаде";

разности высот уровней порога ВПП и глиссадных огней (продольного и поперечного уклонов ВПП),

Схема расположения огней системы PAPJ и распределение углов возвышения огней (угол захода на посадку 2º40'

Минимальная высота уровня глаз пилота над порогом, на которой пилот еще видит указание "глиссада" (нижняя граница индикации "на глиссаде"), обеспечивается углом возвышения огня № 2 (угол В). Для расчета Д1 величина указанного угла берется на 2' дуги меньше, например, 2°28' вместо 2°30'.

Расстояние Д1 должно быть рассчитано таким образом, чтобы наименьшая высота над порогом, на которой пилот будет наблюдать указание правильной траектории захода на посадку, обеспечивала требуемую минимальную высоту колес над порогом наиболее критичного воздушного судна.

Расчет удаления глиссадных огней от порога ВПП (Д1) производится при условии отсутствия продольного уклона ВПП и установки глиссадных огней на одном уровне с примыкающей к огням оси ВПП, т.е., высота уровня порога и глиссадных огней одинакова.

В этом случае величина Д1 вычисляется путем прибавления высоты уровня глаз пилота над колесами для наиболее критичного воздушного судна к требуемой минимальной высоте колес над порогом и деления полученной суммы на тангенс угла возвышения минус 2' огня № 2.

Пример I

Высота уровня порога и глиссадных огней одинакова.

Угол захода на посадку................... 2°40

Угол возвышения огня № 2................. 2°30

Требуемая минимальная высота колес над порогом для наиболее критичного воздушного судна, совершающего посадку на данную ВПП............................ 10 м

Высота уровня глаз пилота над колесами для наиболее критичного воздушного судна.................................... 5 м

Расстояние глиссадных огней от порога ВПП

При наличии JLS система PAPI должна устанавливаться у точки пересечения глиссады JLS с ВПП. Однако, в связи с разностью в уровнях расположения глаз пилота и приемника излучений ГРМ для большинства самолетов место установки системы PAPI смещается от точки пересечения глиссады JLS с ВПП в сторону увеличения расстояния Д1, но не более, чем на 120 м, для ВПП с кодовым номером 4. Расстояние Д1 в данном случае рассчитывается путем прибавления высоты уровня глаз пилота над приемником излучения ГРМ к высоте опорной точки и деления полученной суммы на тангенс угла возвышения минус 2' огня № 2.

Пример 2

Высота уровня порога и глиссадных огней одинакова.

Угол глиссады............................ 2°40'

Угол возвышения огня № 2................. 2°30'

Высота опорной точки ............. ......... 15 м

Высота уровня глаз пилота над приемником излучения ГРМ ............................. 1 м

Расстояние глиссадных огней от порога ВПП

Если ВПП имеет продольный уклон, то возникает необходимость смещения системы PAPI относительно номинального удаления от порога.

При условии расположения глиссадных огней на той же высоте, что и примыкающая к огням ось ВПП, расстояние Д1 будет увеличиваться, если уровень оси ниже порога, и будет уменьшаться, если этот уровень выше порога.

Разность в высотах менее 0,3 м может не приниматься в расчет. Для больших величин требуемое смещение определяется путем деления разности в уровнях порога и примыкающей к огням оси ВПП на угол возвышения минус 2' огня № 2.

Пример 3

ВПП имеет продольный уклон. Глиссадные огни установлены на одном уровне с осью ВПП, примыкающей к огням.

Угол захода на посадку................... 2°40'

Угол возвышения огня № 2................. 2°30'

а) Уровень примыкающей к огням оси ВПП ниже порога на 1 м.

Расстояние глиссадных огней от порога ВПП уменьшается относительно его номинального значения на величину

С учетом рассчитанного смещения:

Д1 (пример 1) = 396 м + 26 м = 422 м;

Д1 (пример 2) = 422 м + 26 м = 448 м.

б) Уровень примыкающей к огням оси ВПП выше порога на 1 м.

Д1 (пример 1) = 396 м - 26 м = 370 м;

Д1 (пример 2) = 422 и - 26 м = 396 м.

Огни должны иметь минимальную высоту над землей, но не более 0,9 м. В идеальном случае все огни должны находиться в горизонтальной плоскости. С учетом поперечного уклона примыкающей к ВПП местности, где устанавливаются глиссадные огни в соответствии с приведенными расчетами, допускается располагать огни по высоте относительно горизонтальной плоскости с разностью ±5 см или с равномерным уклоном не более 1,25.

Если огни устанавливаются ниже или выше примыкающей к оси ВПП на 0,3 к или более, вносятся дополнительные коррективы таким же методом для определения окончательного расположения огней.

Пример 4

ВПП имеет продольный и поперечный уклоны.

а) Уровень глиссадных огней ниже оси ВПП на 0,5 м.

С учетом смещения величина Д1 составит:

для примера 3 а:

422 м + 13 м = 435 м или 448 + 13 м = 461 м;

для примера 3 б:

370 м + 13 м = 383 м; 396 м + 13 м = 409 м.

б) Уровень глиссадных огней выше оси ВПП на 0,6 м.

Величина смещения огней составит

С учетом смещения величины Д1 составит:

для примера 3 а:

422 м - 16 м = 406 м или 448 м - 16 м = 432 м;

для примера 3 б:

370 м - 16 м = 354 м или 396 м - 16 м = 360 м.

Для установки углов возвышения глиссадных огней и их периодической проверки перед каждым огнем необходимо предусмотреть бетонную площадку.

Расстояние от глиссадного огня до бетонной площадки определяется при проектировании из условия, при котором высота экрана переносной штанги в месте установки должна быть равной 1,65 м.

Тая как глиссадные огни устанавливаются с большой точностью, бетонные основания для крепления глиссадных огней и для установки переносных экранов должны быть достаточно устойчивыми и не менять своего положения при длительной эксплуатации.

Там, где глиссадные огни подвергаются действию струи реактивного самолета, совершающего взлет или руление, надо предусматривать отражательные перегородки для отклонения реактивной струи и осуществлять другие меры для защиты глиссадных огней.


Приложение 3

СВЕТОТЕХНИЧЕСКИЕ ХАРАКТЕРИСТИКИ ОГНЕЙ КРУГОВОГО ОБЗОРА

Тип системы

Огонь

Цвет излучения

Тип оптики

Максимальная сила света Jмакс не менее, цв.кд

Углы рассеяния для 0,1 Jмакс не менее, град.

Углы установки, град. 1)

Вертикальная плоскость

Горизонтальная плоскость

Вертикальная плоскость

Горизонтальная плоскость

1

2

3

4

5

6

7

8

9

Системы ОМИ для полетов по ПВП

Приближения и световые горизонты

Белый

Симметричная

600

16

360

6-42)

0

Входной

Зеленый

То же

120

16

360

4

0

Ограничительный

Красный

-"-

90

16

360

4

0

Посадочный и знака

Белый

(желтый)

-"-

250

100

16

16

360

360

4

4

0

0

Знака приземления

Белый

-"-

100

16

360

4

0

Рулежный

Синий

-"-

6

16

360

4

0

Системы ОМИ для полетов по ППП

Входной 3)

Зеленый

Асимметричная

720

16

16

4

 

3

Ограничительный

Красный

Тоже

540

16

16

4

3

Посадочный

Белый

(желтый)

-"-

1800

16

16

 

4

3

Знака приземления 3)

Белый

-"-

720

16

15

4

3

Рулежный

 

-"-

45

16

16

4

3

Уширения ВПП

Белый

Симметричная

100

16

360

4

3

Системы точного захода на посадку

(ОВИ-1, ОВИ-2, ОВИ-3)

Приближения и световых горизонтов

Белый

То же

600

16

360

6-42)

0

Входной

Зеленый

Асимметричная

720

16

16

4

3

Ограничительный

Красный

Тоже

540

16

16

4

3

Посадочный

Белый (желтый)

-"-

1800

16

16

4

3

Знака приземления

Белый

-"-

720

16

16

4

3

Рулежный

Синий

-"-

90

16

16

4

3

Уширения ВПП

Желтый

Симметричная

100

16

360

4

0

Заградительный ТП

Красный

То же

30

16

360

4

0

1) Углы установки огней (кроме огней приближения) обусловлены конструкцией.

2) Углы установки огней приближения в вертикальной плоскости для расстояний от порога более 600 м - 6°, 600-300 м - 5°, 300 м - 4°.

3) При наличии в системе линзовых огней высокой интенсивности указанные огни не устанавливается.


Приложение 4

РЕКОМЕНДАЦИИ ПО УСТАНОВКЕ ОГНЕЙ

1. Линия огней приближения должна как можно точнее совпадать с продолжением осевой линии ВПП (допустимое отклонение ±0,25°).

2. Огни световых горизонтов и линейные огни центрального ряда должны быть расположены перпендикулярно осевой линии ВПП с допуском ±2° для схемы по центральному ряду и ±0,5° для схемы с пятью световыми горизонтами и для огней приближения простых систем.

3. Если в схеме с пятью световыми горизонтами необходимо сместить один световой горизонт от стандартного расположения, следует, если это возможно, сместить соответствующим образом смежные световые горизонты и огни приближения для уменьшения разницы в расстоянии между ними.

В отдельных случаях, при достаточном обосновании, допускается отклонение в расстоянии одного светового горизонта от стандартного расположения, за исключением четвертого и пятого, для третьего светового горизонта ±30 м, а для первого и второго ±40 м.

При смещении одного светового горизонта от стандартного расположения его общая ширина должна быть принята такой, чтобы она составляла одну двадцатую часть расстояния светового горизонта от расчетной точки, расположенной на расстоянии 300 м от начала ВПП. При этом для сохранения расчетной ширины допускается увеличение или уменьшение интервала между огнями, составляющими световой горизонт, к огнями центрального ряда.

4. Огни приближения должны быть установлены на уровне торца ВПП, насколько это позволяют местные условия. Необходимо, чтобы препятствия (деревья, здания и т.п.) не заслоняли пилоту огни, когда воздушное судно находится в районе ДПРМ на 1° ниже глиссады.

5. Огни приближения не должна устанавливаться выше плоскости ограничения препятствий в полосе воздушных подходов.

6. Разрешается исключить один огонь приближения (одинарный, сдвоенный или линейный), если он мешает радиосредствам. При выборе высоты огней в пределах участка установки радиосредств следует учитывать требования ВНТП объектов УВД, радионавигации и посадки воздушных судов в аэропортах.

7. В пределах участка 300 м концевой полосы безопасности от начала ВПП огни приближения устанавливается по рельефу местности, спланированному в соответствии со СНиП "Аэродромы". Высота огней приближения в пределах этого участка не должна превышать 0,45 м до верха огней. На остальном участке до внешней границы КПБ высота огней не должна превышать 0,7 м до светового центра огня. Все огни в пределах КПБ должны крепиться на ломких муфтах. Рекомендуется, чтобы все опоры, устанавливаемые за КПБ в сторону БПРМ, имели конструкций облегченного типа и ослабленное сечение в основании опоры или в верхней части опоры на высоте 1,8 м. Высоту установки огней на опорах рекомендуется выбирать в пределах 1,5-2,0 м.

8. Допускается установка огней на 300-метровом участке порога ВПП по рельефу местности, на остальном участке с нисходящим уклоном не белее 1:40 или с восходящим уклоном не более 1:66. При этом величину нисходящего уклона менее 1:40 следует принимать, если высота опор не будет превышать 1,5 м. Световые горизонты в поперечном направлении не должны превышать уклон 1:60.

9. Желательно устанавливать огни таким образом, чтобы ни один объект в пределах ±60 м от центрального ряда не возвышался над плоскостью, в которой расположена система огней приближения.

Приложение 5

СВЕТОТЕХНИЧЕСКИЕ ХАРАКТЕРИСТИКИ ОГНЕЙ СВЕТОСИГНАЛЬНЫХ СИСТЕМ ПОСАДКИ, ЭКСПЛУАТИРУЕМЫХ ПО I И II КАТЕГОРИЯМ

Огонь

Цвет излучения

Угол рассеяния, град.

Средняя сила света огней, не менее цв.кд×103 1)

Угол установки, град.

Вертикальная плоскость

Горизонтальная плоскость

Вертикальная плоскость

Горизонтальная плоскость

1

2

3

4

5

6

7

Приближения центрального ряда и световых горизонтов 2), 3)

Белый

10

22

20

6-4,54)

0

Бокового ряда на КПБ 2)

Красный

9

17

5

5,5

0

Входной 2), 3)

Зеленый

7,5

13

10

3,5

0

Зоны приземления

Белый

5,55)

95)

144)

3,5

1,5

Осевой ВПП (расстояние между огнями 15 м)

Белый Красный

65)

105)

3,54)

3,5

0

Посадочный при ширине ВПП 60 м 2), 3)

Белый

(желтый)

7,5

13

10

3

2

Знака приземления

Белый

7,5

13

10

3

2

Ограничительный 2), 3)

Красный

6,5

13

2,5

3

0

1) Средняя сила света дана в пределах указанных углов рассеяния.

2) Допускается применение углубленных огней со светотехническими характеристиками, соответствующими требованиям настоящей таблицы.

3) Допускается применение сдвоенных (строенных) арматур.

4) Углы установки огней приближения н световых горизонтов в вертикальной плоскости для расстояний от порога более 600 м - 6°, 600-450 м - 5,5°, 450-300 м - 5°, 300 м - 4,5°.

5) Для огней зоны приземления и осевых ВПП даны максимальная сила света и углы рассеяния в пределах 0,5 максимальной силы света.

Приложение 6

СВЕТОТЕХНИЧЕСКИЕ ХАРАКТЕРИСТИКИ ОГНЕЙ СВЕТОСИГНАЛЬНЫХ СИСТЕМ ПОСАДКИ, СКОНСТРУИРОВАННЫХ ДЛЯ I И II КАТЕГОРИЙ, НО ИСПОЛЬЗУЕМЫХ ТАКЖЕ ДЛЯ III КАТЕГОРИЙ

Огонь

Цвет излучения

Угол рассеяния, град.

Средняя сила света, цв.кд×103

Угол установки, град.

Вертикальная плоскость

Горизонтальная плоскость

Вертикальная плоскость

Горизонтальная плоскость

1

2

3

4

5

6

7

Приближения центрального ряда и световых горизонтов

Белый

10

22

20

9-61)

0

Бокового ряда на КПБ

Красный

9

17

5

6-5,51)

0

Входной

Зеленый

7,5

19

10

62)

0

Зоны приземления

Белый

5,5

9

14

5,5-3,52)

1,5

Осевой ВПП (расстояние между огнями 15 м)

Белый (красный)

6

10

3,5

5,5-3,52)

0

Посадочный при ширине ВПП 60 м 2)

Белый

7,5

13

10

5,5-32)

4,5

Знака приземления

Белый

7,5

13

10

5,5-32)

4,5

Ограничительный

Красный

6

14

2,5

2,5

0

1) Углы установки огней приближения и световых горизонтов в вертикальной плоскости для расстояний от порога более 600 м - 8°, 600-450 м - 7°, 450-300 м - 6°, до 400 м - 6,5°, углы установки бокового ряда на КПБ для расстояний от порога 300 м - 6°, 150 м - 5,5°.

2) Угол 5,5° - для огней на первых 600 м ВПП.

Примечания: 1. Средняя сила света дана в пределах указанных углов рассеяния.

2. Вместо прожекторных огней допускается применение углубленных огней со светотехническими характеристиками, соответствующими требованиям настоящей таблицы.

3. Допускается применение сдвоенных (строенных) арматур.

Приложение 7

СВЕТОТЕХНИЧЕСКИЕ ХАРАКТЕРИСТИКИ ОГНЕЙ СВЕТОСИГНАЛЬНЫХ СИСТЕМ ПОСАДКИ, ИСПОЛЬЗУЕМЫХ ДНЯ III КАТЕГОРИИ, ВКЛЮЧАЯ I И II КАТЕГОРИИ

Огонь

Цвет излучения

Угол рассеяния, град.

Средняя сила света, не менее цв.кд×103 1)

Угол установки, град.

Вертикальная плоскость

Горизонтальная плоскость

Вертикальная плоскость

Горизонтальная плоскость

1

2

3

4

5

6

7

Приближения центрального ряда и световых горизонтов 2), 3)

Белый

12

22

20

8-5,54)

0

Бокового ряда на КПБ 2), 3)

Красный

11

16

5

6-5,54)

2

Входной 2), 3)

Зеленый

11

13

10

5,5

3,5

Зоны приземления

Белый

9

11

5

5,5

4

Осевой ВПП (расстояние между огнями 15 м)

Белый Красный

9

12

5

4,5

0

Посадочный при ширине ВПП 60 м 2), 3)

Белый

(желтый)

9

13

10

3,5

4,5(3,5)

Знака приземления

Белый

9

13

10

3,5

4,5(3,5)

Ограничительный 5), 6)

Красный

7,5

13

10

3

0

 

1) Средняя сила света дана в пределах указанных углов рассеяния.

2) Для огней зоны приземления в осевых ВПП даны максимальная сила света и углы рассеяния в пределах 0,5 максимальной силы света.

3) Углы установки огней приближения и световых горизонтов в вертикальной плоскости для расстояний от порога более 600 м - 9°, 600-450 м - 8°, 450-300 м - 7°, 300 м - 6°.

4) Углы установки огней зоны приземления и осевых огней ВПП в вертикальной плоскости составляют на первых 600 м - 5,5°, далее - 3,5°, а посадочных огней соответственно 5,5° и 3,5°.

5) Допускается применение углубленных огней со светотехническими характеристиками, соответствующими требованиям настоящей таблицы.

6) Допускается применение сдвоенных (строенных) арматур.

Приложение 8

СВЕТОТЕХНИЧЕСКИЕ ХАРАКТЕРИСТИКИ РУЛЕЖНЫХ ОГНЕЙ

Огонь

Цвет излучения

Угол рассеяния, град.

Средняя сила света, не менее цв.кд×103

Угол установки, град.

Вертикальная плоскость

Горизонтальная плоскость

Вертикальная плоскость

Горизонтальная плоскость

Осевой РД:

 

 

 

 

 

 

прямого участка двухпучковый

Зеленый

9

22

0,2

4,5

0

закругленного участка двухпучковый

Зеленый

11

40,5

0,1

4,5

0

Осевой выводной скоростной РД однопучковый

Зеленый

9

11

1

4,5

0

Осевой выводной РД двухпучковый

Зеленый

9

11

0,5

4,5

0

Стоп-огонь

Красный

9

22

0,2

4,5

0

Предупредительный

Желтый

9

20

0,2

4,5

0

Приложение 9

СВЕТОТЕХНИЧЕСКИЕ ХАРАКТЕРИСТИКИ СВЕТОВЫХ УКАЗАТЕЛЕЙ

Световые указатели

Цвет излучения

Яркость

символов,

кд/м2

Яркость

фона,

кд/м2

Максимальная

сила света не мeнее, кд

Угол рассеяния в пределах а1/Jмакс, град.

Угол возвышения

 

 

 

 

 

Вертикальная плоскость

Горизонтальная плоскость

 

Неуправляемые:

 

 

 

 

 

 

 

выхода на ВПП

Белый на

красном

фоне

850

200

 

 

 

 

обозначения РД

Черный на желтом фоне

 

500

 

 

 

 

дополнительной информации

Белый на

синем

фоне

850

25

 

 

 

 

стрелки

Желтый на черном фоне

500

 

 

 

 

 

Управляемые:

 

 

 

 

 

 

 

светофоры с арматурой:

Красный, зеленый

 

 

 

 

 

 

основной

 

 

 

300

±4,5

±22,5

5± 1

дублирующий

 

 

 

40

±12,5

±12,5

5± 1

стрелочные

Желтей

 

 

50 (одной арматуры)

±12,5

±12,5

-

Приложение 10

ХАРАКТЕРИСТИКИ СВЕТОФИЛЬТРОВ АЭРОДРОМНЫХ ОГНЕЙ

Цвет светофильтра

Цветовой тон, Нм

Чистота цвета, %, не менее

Коэффициент суммарного пропускания, %, не менее

Красный

Не менее 610

97

15

Желтый

585-595

90

40

Зеленый

494-556

49

20

Синий

465-486

26

2,5

 

 




ГОСТЫ, СТРОИТЕЛЬНЫЕ и ТЕХНИЧЕСКИЕ НОРМАТИВЫ.
Некоммерческая онлайн система, содержащая все Российские Госты, национальные Стандарты и нормативы.
В Системе содержится более 150000 файлов нормативно-технической документации, действующей на территории РФ.
Система предназначена для широкого круга инженерно-технических специалистов.

Рейтинг@Mail.ru Яндекс цитирования

Copyright © www.gostrf.com, 2008 - 2026