Крупнейшая бесплатная информационно-справочная система онлайн доступа к полному собранию технических нормативно-правовых актов РФ. Огромная база технических нормативов (более 150 тысяч документов) и полное собрание национальных стандартов, аутентичное официальной базе Госстандарта. GOSTRF.com - это более 1 Терабайта бесплатной технической информации для всех пользователей интернета. Все электронные копии представленных здесь документов могут распространяться без каких-либо ограничений. Поощряется распространение информации с этого сайта на любых других ресурсах. Каждый человек имеет право на неограниченный доступ к этим документам! Каждый человек имеет право на знание требований, изложенных в данных нормативно-правовых актах!

  


 

ЦЕНТРАЛЬНЫЙ ОРДЕНА ТРУДОВОГО КРАСНОГО ЗНАМЕНИ НАУЧНО-ИССЛЕДОВАТЕЛЬСКИЙ И ПРОЕКТНЫЙ ИНСТИТУТ ТИПОВОГО И ЭКСПЕРИМЕНТАЛЬНОГО ПРОЕКТИРОВАНИЯ ЖИЛИЩА (ЦНИИЭП ЖИЛИЩА) ГОСКОМАРХИТЕКТУРЫ

ПОСОБИЕ

по проектированию жилых зданий

Вып. 3

Часть 1

Конструкции жилых зданий

(к СНиП 2.08.01-85)

Утверждено приказом ЦНИИЭП жилища Госкомархитектуры от 31 июля 1986 г. № 459

Рекомендовано к изданию решением секции конструкций научно-технического совета ЦНИИЭП жилища Госкомархитектуры.

Содержит рекомендации по вопросам выбора и компоновки конструктивной системы и проектирования конструкций жилых зданий. Рассмотрены особенности проектирования конструкций крупнопанельных, объемно-блочных, монолитных и сборно-монолитных жилых зданий. Приведены практические методы расчета несущих конструкций, а также примеры расчета.

Пособие предназначено для инженеров-проектировщиков жилых зданий.

ПРЕДИСЛОВИЕ

Основным направлением индустриализации жилищного строительства в нашей стране является развитие бескаркасного крупнопанельного домостроения, на долю которого приходится более половины общего объема строительства жилых зданий. Крупнопанельные здания выполняются из сравнительно простых в изготовлении плоскостных крупноразмерных элементов. Наряду с плоскостными элементами в крупнопанельных зданиях используются также насыщенные инженерным оборудованием объемные элементы (санитарно-технические кабины, тюбинги шахт лифтов и др.).

Строительство крупнопанельных зданий позволяет по сравнению с кирпичными зданиями снизить стоимость в среднем на 10 %, суммарные затраты труда — на 25 — 30 %, продолжительность строительства — в 1,5 2 раза. Дома из объемных блоков имеют технико-экономические показатели, близкие к крупнопанельным зданиям. Важным преимуществом объемно-блочного дома является резкое сокращение затрат труда на строительной площадке (в 2 2,5 раза по сравнению с крупнопанельным домостроением), достигаемое за счет соответствующего увеличения трудоемкости работ на заводе.

В последнее десятилетие в СССР получило развитие домостроение из монолитного бетона. Строительство монолитных и сборно-монолитных жилых домов целесообразно при отсутствии или недостаточной мощности базы панельного домостроения, в сейсмических районах, а также при необходимости строительства зданий повышенной этажности. Возведение монолитных и сборно-монолитных зданий требует значительно меньших (по сравнению с крупнопанельным домостроением) капитальных затрат, позволяет снизить на 10 — 15 % расход арматурной стали, но одновременно приводит к увеличению на 15 — 20 % построечных затрат.

Применение в современных жилых зданиях из монолитного бетона инвентарных опалубок, арматурных элементов заводского изготовления (сеток, каркасов), механизированных способов транспортировки и укладки бетона позволяет характеризовать монолитное домостроение как индустриальное.

В настоящем Пособии по проектированию конструкций жилых зданий основное внимание уделено наиболее массовым и экономичным строительным системам бескаркасных жилых домов — крупнопанельным, объемно-блочным, монолитным и сборно-монолитным. По другим конструктивным типам жилых домов (каркасным, крупноблочным, кирпичным, деревянным) приведены лишь минимальные сведения и даны ссылки на нормативно-методические документы, где рассмотрено проектирование конструкций таких систем.

Пособие содержит положения по проектированию конструкций жилых зданий, возводимых в несейсмических районах, в части выбора и компоновки конструктивных систем, проектирования конструкций и их расчету на силовые воздействия.

Пособие разработано ЦНИИЭП жилища Госкомархитектуры (кандидаты техн. наук В. И. Лишак —  руководитель работы, В. Г. Бердичевский, Э. Л. Вайсман, Е. Г. Валь, И. И. Драгилев, В. С. Зырянов, И. В. Казаков, Э. И. Киреева, А. Н. Мазалов, Н. А. Николаев, К. В. Петрова, Н. С. Стронгин, М. Г. Таратута, М. А. Хромов, Н. Н. Цаплев, В. Г. Цимблер, Г. М. Щербо, О. Ю. Якуб, инженеры Д. К. Баулин, С. Б. Виленский, В. И. Курчиков, Ю. Н. Михайлик, И. А. Романова) и ЦНИИПИмонолит (кандидаты техн. наук Ю. В. Глина, Л. Д. Мартынова, М. Е. Соколов, инженеры В. Д. Аграновский, С. А. Мыльников, А. Г. Селиванова, Я. И. Цирик) при участии МНИИТЭП ГлавАПУ Мосгорисполкома (кандидаты техн. наук В. С. Коровкин, Ю. М. Стругацкий, В. И. Ягуст, инженеры Г. Ф. Седловец, Г. И. Шапиро, Ю. А. Эйсман), ЛенННИпроект ГлавАПУ Ленгорисполкома (канд. техн. наук В. О. Колтынюк, инженер А. Д. Нелипа), ЦНИИСК им. В. А. Кучеренко Госстроя СССР (кандидаты техн. наук А. В. Грановский, А. А. Емельянов, В. А. Камейко, П. Г. Лабозин, Н. И. Левин), ЦНИИЭП граждансельстрой (кандидаты техн. наук А. М. Дотлибов, М. М. Чернов), НИИЖБ, НИИОСП им. Н. М. Герсеванова Госстроя СССР, НИИ Мосстроя Главмосстроя Мосгорисполкома и ЛенЗНИИЭП Госкомархитектуры.

Отзывы и замечания просим присылать по адресу: 127434, Москва, Дмитровское шоссе, д. 9, корп. Б, ЦНИИЭП жилища, отдел конструктивных систем жилых зданий.

1. ОБЩИЕ ПОЛОЖЕНИЯ

1.1. В Пособии приводятся данные по проектированию конструкций квартирных домов и общежитий высотой до двадцати пяти этажей включительно, возводимых в несейсмических районах на основаниях, сложенных скальными, крупнообломочными, песчаными и глинистыми грунтами (обычные грунтовые условия). В Пособии не рассматриваются особенности проектирования зданий для сейсмических районов и зданий, возводимых на просадочных, мерзлых, набухающих, водонасыщенных заторфованных грунтах, илах, подрабатываемых территориях и в других сложных грунтовых условиях.

При проектировании конструкций наряду с требованиями СНиП 2.08.01—85 следует учитывать положения других нормативных документов, а также требования государственных стандартов на конструкции соответствующего вида.

1.2. Конструктивное решение здания рекомендуется выбирать на основе технико-экономического сравнения вариантов с учетом имеющейся производственно-сырьевой базы и транспортной сети в районах строительства, намечаемых объектах строительства, местных природно-климатических и инженерно-геологических условий, архитектурных и градостроительных требований.

1.3. Жилые здания рекомендуется проектировать с несущими конструкциями из бетона и железобетона (бетонные здания) или каменных материалов в сочетании с железобетонными конструкциями (каменные здания). Жилые здания высотой один-два этажа могут также проектироваться с конструкциями на основе древесины (деревянные здания).

1.4. Бетонные здания подразделяются на сборные, монолитные и сборно-монолитные.

Сборные здания выполняются из сборных изделий заводского или полигонного изготовления, которые устанавливаются в проектное положение без изменения их формы и размеров.

В монолитных зданиях основные конструкции выполняют из монолитного бетона и железобетона.

Сборно-монолитные здания возводятся с применением сборных изделий и монолитных конструкций.

В условиях массового строительства рекомендуется преимущественно применять сборные здания, позволяющие в наибольшей степени механизировать процесс возведения конструкций, сократить сроки строительства и затраты труда на строительной площадке. Монолитные и сборно-монолитные здания рекомендуется преимущественно применять в районах с теплым и жарким климатом, в районах, где отсутствует индустриальная база полносборного домостроения или недостаточна их мощность, а также, при необходимости, в любых районах строительства зданий повышенной этажности. При технико-экономическом обосновании возможно выполнять отдельные конструктивные элементы из монолитного бетона железобетона в сборных зданиях, в том числе ядра жесткости, конструкции нижних нежилых этажей, фундаменты.

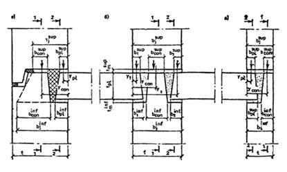
Сборные жилые здания рекомендуется проектировать из крупноразмерных сборных конструкций — панелей, блоков, плит и объемных блоков (рис. 1).

Рис. 1. Крупноразмерные сборные элементы жилых зданий

а ¾ стеновые панели; б ¾ плиты перекрытий; в ¾ кровельные плиты; г ¾ объемные блоки

Панелью называется плоскостной сборный элемент, применяемый для возведения стен и перегородок. Панель, высотой на этаж и длиной в плане не менее размера помещения, которое она ограждает или разделяет, называется крупной панелью, панели других размеров называются мелкими панелями.

Сборной плитой называется плоскостной элемент заводского изготовления, применяемый при возведении перекрытий, крыш и фундаментов.

Блоком называется самоустойчивый при монтаже сборный элемент преимущественно призматической формы, применяемый для возведения наружных и внутренних стен, фундаментов, устройства вентиляции и мусоропроводов, размещения электротехнического или санитарно-технического оборудования. Мелкие блоки устанавливают, как правило, вручную; крупные блоки — с помощью монтажных механизмов. Блоки могут быть сплошными и пустотелыми.

Крупные блоки бетонных зданий выполняются из тяжелого, легкого или ячеистого бетона. Для зданий высотой один-два этажа при предполагаемом сроке службы не более 25 лет могут применяться блоки из гипсобетона.

Объемным блоком называется предварительно изготовленная часть объема здания, огражденная со всех или некоторых сторон.

Объемные блоки могут проектироваться несущими, самонесущими и ненесущими.

Несущим называется объемный блок, на который опираются расположенные над ним объемные блоки, плиты перекрытия или другие несущие конструкции здания.

Самонесущим называется объемный блок, у которого плита перекрытия поэтажно опирается на несущие стены или другие вертикальные несущие конструкции здания (каркас, лестнично-лифтовой ствол) и участвует вместе с ними в обеспечении прочности, жесткости и устойчивости здания.

Ненесущим называется объемный блок, который устанавливается на перекрытие, передает на него нагрузки и не участвует в обеспечении прочности, жесткости и устойчивости здания (например, санитарно-техническая кабина, устанавливаемая на перекрытие).

Сборные здания со стенами из крупных панелей и перекрытиями из сборных плит называются крупнопанельными. Наряду с плоскостными сборными элементами в крупнопанельном здании могут применяться ненесущие и самонесущие объемные блоки.

Сборное здание со стенами из крупных блоков называется крупноблочным.

Сборное здание, выполненное из несущих объемных блоков и плоскостных сборных элементов, называется панельно-блочным.

Сборное здание, выполненное целиком из объемных блоков, называется объемно-блочным.

Монолитные и сборно-монолитные здания по методу их возведения рекомендуется применять следующих типов:

с монолитными наружными и внутренними стенами, возводимыми в скользящей опалубке (рис. 2, а) и монолитными перекрытиями, возводимыми в мелкощитовой опалубке методом «снизу-вверх» (рис. 2, б), или в крупнощитовой опалубке перекрытий методом «сверху—вниз» (рис. 2, в);

с монолитными внутренними и торцевыми наружными стенами, монолитными перекрытиями, возводимыми в объемно-переставной опалубке, извлекаемой на фасад (рис. 2, г), или в крупнощитовых опалубках стен и перекрытий (рис. 2, д). Наружные стены в этом случае выполняются монолитными в крупнощитовой и мелкощитовой опалубках после возведения внутренних стен и перекрытий (рис. 2, е) или из сборных панелей, крупных и мелких блоков кирпичной кладки;

с монолитными или сборно-монолитными наружными стенами и монолитными внутренними стенами, возводимыми в переставных опалубках, извлекаемых вверх (крупнощитовой или крупнощитовой в сочетании с блочной) (рис. 2, ж, з). Перекрытия в этом случае выполняются сборными или сборно-монолитными с применением сборных плит — скорлуп, выполняющих роль несъемной опалубки;

с монолитными наружными и внутренними стенами, возводимыми в объемно-передвижной опалубке (рис. 2, и) способом поярусного бетонирования, и сборными или монолитными перекрытиями;

с монолитными внутренними стенами, возводимыми в крупно-щитовой опалубке стен. Перекрытия в этом случае выполняются из сборных или сборно-монолитных плит, наружные стены — из сборных панелей, крупных и мелких блоков, кирпичной кладки;

с монолитными ядрами жесткости, возводимыми в переставной или скользящей опалубке, сборными панелями стен и перекрытий;

с монолитными ядрами жесткости, сборными колоннами каркаса, сборными панелями наружных стен и перекрытиями, возводимыми методом подъема.

Рис. 2. Типы монолитных бескаркасных зданий, возводимых в скользящей (а в), объемно-переставной и крупнощитовой (г е), блочной и крупнощитовой (ж — и) опалубках (стрелками показано направление перемещения опалубок)

1 — скользящая опалубка; 2 — мелкощитовая опалубка перекрытия; 3 — крупнощитовая опалубка перекрытия; 4 —объемно-переставная опалубка стен; 5 — крупнощитовая опалубка стен; 6 — мелкощитовая опалубка стен; 7 — блочная опалубка

Скользящей опалубкой называется опалубка, состоящая из щитов, закрепленных на домкратных рамах, рабочего пола, домкратов, насосных станций и других элементов, и предназначенная для возведения вертикальных стен зданий. Вся система элементов скользящей опалубки по мере бетонирования стен поднимается вверх домкратами с постоянной скоростью.

Мелкощитовой опалубкой называется опалубка, состоящая из наборов щитов площадью около 1 м2 и других элементов небольшого размера массой не более 50 кг. Допускается сборка щитов в укрупненные элементы, панели или пространственные блоки с минимальным числом доборных элементов.

Крупнощитовой опалубкой называется опалубка, состоящая из крупноразмерных щитов, элементов соединения и крепления. Щиты опалубки воспринимают все технологические нагрузки без установки доборных несущих и поддерживающих элементов и комплектуются подмостями, подкосами, регулировочными и установочными системами.

Объемно-передвижной опалубкой называется опалубка, представляющая собой систему вертикальных и горизонтальных щитов, шарнирно-объединенных в П-образную секцию, которая в свою очередь образуется путем соединения двух Г-образных полусекций и, в случае необходимости, вставкой щита перекрытия.

Объемно-передвижной опалубкой называется опалубка, представляющая собой систему из наружных щитов и складывающегося сердечника, перемещающегося поярусно по вертикали по четырем стойкам.

Блочной опалубкой называется опалубка, состоящая из системы вертикальных щитов и угловых элементов, шарнирно объединенных специальными элементами в пространственные блок-формы.

1.5. Каменные здания могут иметь стены из каменной кладки или из сборных элементов (блоков или панелей).

Каменная кладка выполняется из кирпича, пустотелых керамических и бетонных камней (из естественных или искусственных материалов), а также облегченной кирпичной кладки с плитным утеплителем, засыпкой из пористых заполнителей или вспениваемых в полости кладки полимерных композиций.

Крупные блоки каменных зданий выполняются из кирпича, керамических блоков и из природного камня (пиленого или чистой тески).

Панели каменных зданий выполняются из виброкирпичной кладки или керамических блоков. Панели наружных стен могут иметь слой из плитного утеплителя.

При проектировании стен каменных зданий следует руководствоваться положениями СНиП II-22-81 и соответствующими пособиями.

1.6. Деревянные здания подразделяются на панельные, каркасные и брусчатые.

Деревянные панельные здания выполняются из панелей, изготовленных с применением цельной и (или) клееной древесины, фанеры и (или) профильных изделий из нее, древесно-стружечных, древесно-волокнистых плит и других листовых материалов на основе древесины. Конструкции деревянных панельных зданий следует проектировать в соответствии со СНиП II-25-80 и «Руководством по проектированию конструкций деревянных панельных жилых домов» (ЦНИИЭПграждансельстрой, М., Стройиздат, 1984).

Деревянные каркасные здания выполняют из деревянного каркаса, который собирают на месте постройки и обшивают листовым материалом, между которым устраивают тепло- и звукоизоляцию из плит или засыпок.

В бревенчатых зданиях стены выполняют из цельной древесины в виде брусьев или бревен. Бревенчатые здания применяют преимущественно в сельском усадебном строительстве в районах лесоразработки.

1.7. При проектировании конструкций жилых зданий рекомендуется:

выбирать оптимальные в технико-экономическом отношении конструктивные решения;

соблюдать требования Технических правил по экономному расходованию основных строительных материалов;

соблюдать установленные предельные нормы расхода арматурной стали и цемента;

предусматривать применение местных строительных материалов и бетонов на гипсосодержащих вяжущих;

применять, как правило, унифицированные типовые или стандартные конструкции и опалубки, позволяющие возводить здание индустриальными методами;

сокращать номенклатуру сборных элементов и опалубок за счет применения укрупненных модульных сеток (с модулем не менее 3М); унифицировать параметры конструктивно-планировочных ячеек, схем армирования, расположение закладных деталей, отверстий и т. п.;

предусматривать возможность взаимозаменяемого применения наружных ограждающих конструкций с учетом местных климатических, материально-производственных условий строительства и требований к архитектурному решению здания;

предусматривать технологичность изготовления и монтажа конструкций;

применять конструкции, обеспечивающие наименьшую суммарную трудоемкость их изготовления, транспортирования и монтажа;

применять технические решения, требующие наименьших затрат энергетических ресурсов на изготовление конструкций и отопление здания при его эксплуатации.

1.8. С целью снижения материалоемкости конструкции рекомендуется:

принимать конструктивные системы здания, позволяющие в полной мере использовать несущую способность конструкции, по возможности, уменьшать класс бетона и изменять армирование конструкций по высоте здания;

учитывать совместную пространственную работу элементов конструкции в системе здания, обеспечивая ее конструктивно соединением сборных элементов связями, объединением разделенных проемами участков стен перемычками и др.;

уменьшать нагрузки на конструкции за счет применения легких бетонов, легких конструкций из листовых материалов для ненесущих стен и перегородок, слоистых и многопустотных несущих бетонных и железобетонных конструкций;

прочность несущих стен на сжатие преимущественно обеспечивать за счет сопротивления бетона (без расчетного вертикального армирования);

предотвращать образование трещин в конструкции при их изготовлении и возведении преимущественно за счет технологических мер (подбор соответствующих составов бетона, режимов термообработки, формовочного оборудования и т.п.), не применяя дополнительного армирования конструкции по технологическим соображениям;

принимать такие схемы транспортировки, монтажа и извлечения из формы сборных элементов, которые, как правило, не требуют их дополнительного армирования;

предусматривать монтаж сборных элементов преимущественно с помощью траверс, обеспечивающих вертикальное направление подъемных строп;

использовать подъемные петли в качестве деталей для соединения сборных элементов между собой.

1.9. С целью снижения суммарных затрат труда на изготовление и возведение конструкций при проектировании сборных зданий рекомендуется:

укрупнять сборные элементы в пределах грузоподъемности монтажных механизмов и установленных транспортных габаритов с учетом рациональной разрезки элементов и минимального расхода стали, вызываемого условиями транспорта и монтажа конструкций;

максимальный объем отделочных работ переносить в заводские условия;

применять индустриальные решения скрытой электропроводки;

в заводских условиях устанавливать в панели оконные и балконные дверные блоки и выполнять герметизацию их сопряжений с бетоном панелей;

предусматривать заводскую комплектацию отдельных элементов конструкций в составные монтажные элементы;

выполнять наиболее трудоемкие элементы здания (санитарно-технические узлы, шахты лифтов, мусоросборные камеры, ограждения лоджий, эркеров, балконов и др.) преимущественно в виде объемных элементов с полным оснащением инженерным оборудованием и отделкой на заводе.

1.10. Конструктивные и технологические решения монолитных и сборно-монолитных зданий должны, как правило, обеспечивать разнообразие объемно-пространственных решений при минимуме приведенных затрат. С этой целью рекомендуется:

наиболее полно учитывать особенности каждого метода возведения зданий, влияющие на объемно-пространственные решения;

применять конструкции переставных опалубок, собираемых из модульных щитов;

проектировать технологию и организацию работ одновременно с проектированием здания для взаимной увязки архитектурно-планировочных, конструктивных и технологических решений;

максимально индустриализировать производство работ за счет комплексной механизации процессов изготовления, транспортирования, укладки и уплотнения бетонной смеси, применения арматурных изделий заводского изготовления и механизации отделочных работ;

сокращать сроки строительства путем обеспечения максимальной оборачиваемости опалубки за счет интенсификации твердения бетона при положительных и отрицательных температурах наружного воздуха;

применять опалубки и методы уплотнения бетонной смеси, обеспечивающие минимальные дополнительные работы по подготовке бетонных поверхностей под отделку.

1.11. С целью снижения расхода топлива на изготовление конструкций и отопление здания при его эксплуатации рекомендуется:

термическое сопротивление наружных ограждающих конструкций назначать по экономическим требованиям с учетом эксплуатационных затрат;

учитывать энергоемкость производства материалов для конструкций и их изготовления;

конструктивными мерами снижать потери тепла через проемы в стенах, стыки сборных элементов, теплопроводные включения жесткие ребра, в слоистых стенах и т.п.);

выбирать объемно-планировочные решения здания, позволяющие минимизировать площадь их наружных ограждений;

применять крыши с теплым чердаком.

1.12. Для обеспечения надежности конструкций и узлов в течение срока эксплуатации здания рекомендуется:

применять материалы для них, имеющие необходимую долговечность и отвечающие требованиям ремонтопригодности; тепло- и звукоизоляционные материалы и прокладки, расположенные в толще несущих конструкций, должны иметь срок службы, который соответствует сроку эксплуатации здания;

выбирать конструктивные решения наружных ограждений с учетом климатических районов строительства;

применять сочетания материалов в наружных слоистых конструкциях, исключающие расслоение бетонных слоев;

не допускать накопление влажности в конструкциях в процессе эксплуатации;

назначать параметры конструкций и выбирать физико-механические, теплотехнические, акустические и другие характеристики материалов с учетом особенностей технологии изготовления, монтажа и эксплуатации конструкций, а также возможного изменения свойств материалов конструкций во времени;

назначать класс по морозостойкости, а в необходимых случаях и класс по водонепроницаемости конструкций согласно требованиям СНиП 2.03.01—84, II-22-81;

предусматривать последовательность и порядок выполнения работ по возведению и устройству конструкций, связей, герметизации, утеплению и заделке стыков, позволяющих обеспечить их удовлетворительную работу в процессе эксплуатации здания;

предусматривать меры по защите от коррозии арматуры конструкции, связей и закладных деталей;

элементы конструкций и инженерного оборудования, срок службы которых меньше срока службы здания (например, столярные изделия, покрытия полов, герметики в стыках и др.), проектировать так, чтобы их смена не нарушала смежные конструкции.

1.13. В чертежах конструктивных элементов (панелей, плит, объемных блоков и др.) должны быть указаны расчетные характеристики материала по прочности, морозостойкости (в необходимых случаях по водонепроницаемости), отпускная прочность, влажность и плотность материала строительного элемента, схемы расчетных нагрузок и контрольных испытаний, а также допуски на изготовление и монтаж конструкций.

1.14. В проектах рекомендуется указывать способ возведения конструкций в зимнее время при отрицательных температурах, обеспечивающий прочность и устойчивость здания как в период возведения, так и последующей эксплуатации.

Для сборных зданий рекомендуются следующие способы возведения в зимнее время с заполнением стыков между сборными элементами раствором и (или) бетоном:

с противоморозными добавками (поташ, нитрит натрия, смешанные и другие добавки, не вызывающими коррозии бетона сборных элементов), обеспечивающими твердение раствора и бетона на морозе без обогрева;

без химических добавок с обогревом возводимых конструкций в течение времени, за которое раствор или бетон в стыках набирает прочность, достаточную для возведения последующих этажей здания.

Возведение сборных зданий способом замораживания без химических добавок и обогрева конструкций разрешается только для зданий высотой не более пяти этажей при условии проверки расчетом прочности и устойчивости конструкций в период первого оттаивания (при наименьшей прочности свежеоттаявшего раствора или бетона) с учетом фактической прочности раствора (бетона) в стыках в период эксплуатации.

В проекте рекомендуется указывать значение необходимой минимальной прочности раствора (бетона) в стыках при различных стадиях готовности здания.

В случаях применения растворов с противоморозными добавками стальные связи, имеющие антикоррозионное защитное покрытие из цинка или алюминия, должны быть защищены дополнительными протекторными обмазками.

Для монолитных зданий рекомендуется применять следующие способы возведения:

безобогревные (метод «термоса», применение противоморозных добавок);

обогревные (контактный прогрев, камерный прогрев);

комбинацию безобогревного и обогревного методов. Безобогревные методы рекомендуется применять при температуре наружного воздуха до минус 15°С, а обогревные методы — до минус 25 °С.

Выбор конкретного метода возведения монолитных конструкций в зимнее время рекомендуется производить на основании технико-экономических расчетов для местных условий строительства.

1.15. В протяженных в плане зданиях, а также зданиях, состоящих из объемов разной высоты, рекомендуется устраивать вертикальные деформационные швы:

температурные — для уменьшения усилий в конструкциях и ограничения раскрытия в них трещин вследствие стеснения основанием температурных и усадочных деформаций бетонных и железобетонных конструкций здания;

осадочные — для предотвращения образования и раскрытия трещин в конструкциях вследствие неравномерных осадок фундаментов, вызываемых неоднородностью геологического строения основания по протяженности здания, неодинаковыми нагрузками на фундаменты, а также трещин, возникающих в местах изменения высоты здания.

Вертикальные деформационные швы рекомендуется выполнять в виде спаренных поперечных стен, располагаемых на границе планировочных секций. Поперечные стены вертикальных швов должны быть, как правило, утепленными и выполняться аналогично конструкциям торцевых стен, но без наружного отделочного слоя. Ширину вертикальных швов следует определять по расчету, но принимать не менее 20 мм в свету.

Вертикальные швы во избежание попадания и накапливания в них снега, влаги и мусора рекомендуется закрывать по всему периметру, включая крышу, нащельниками (например, из гофрированных оцинкованных листов железа). Нащельники и утепление вертикальных швов не должны препятствовать деформации отсеков, разделенных швом.

Температурные швы допускается доводить до фундаментов. Осадочные швы должны разделять здание, включая фундаменты, на изолированные отсеки.

1.16. Расстояния между температурно-усадочными швами (длины температурных отсеков) определяются расчетом с учетом климатических условий строительства, принятой конструктивной системы здания, конструкции и материала стен и перекрытий и их стыковых соединений.

Усилия в конструкциях протяженных зданий могут определяться согласно «Рекомендациям по расчету конструкций крупнопанельных зданий на температурно-влажностные воздействия» (М., Стройиздат, 1983) или по прил. 1 настоящего Пособия.

Расстояние между температурно-усадочными швами бескаркасных крупнопанельных зданий прямоугольных в плане, конструкция которых удовлетворяет требованиям табл. 1, допускается назначать по табл. 2, в зависимости от значения годового перепада среднесуточных температур tср.сут, принимаемого равным разности максимальной и минимальной среднесуточных температур соответственно самого теплого и самого холодного месяцев. Для побережья и островов Ледовитого и Тихого океанов указанную разность следует увеличивать на 10 °С.

Таблица 1

 

Здание I типа

Здание II типа

 

 

Конструкции

Класс бетона по прочности на сжатие или марка раствора

Площадь сечения продольной арматуры одного этажа, Аs, см2

Класс бетона по прочности на сжатие или марка раствора

Площадь сечения продольной арматуры одного этажа, Аs, см2

Наружные стены

 

 

 

 

Панели: однослойные

В3,5 ¾ В7,5

4—7(6—10)

В3,5 ¾ В7,5

4¾7(4¾7)

многослойные

В15

4—7(6—10)

Стыки:

 

 

 

 

вертикальные

М100—М200

2¾4(5¾10)

М100—М200

3 ¾ 5

горизонтальные

М100

¾

М100

¾

Внутренние стены

 

 

 

 

Панели

В10 — В25

3 — 5

В3,5 — В7,5

3 ¾ 5

Стыки

М100—М200

2-3

М100—М200

2 — 3

Перекрытия

 

 

 

 

Плиты

В15 — В20

25 ¾ 60

В10 — В10

Стыки (плат­форменные)

М100—М200

4 — 5

М100—М200

¾

Примечания: 1. В скобках указано армирование панелей и стыков стен лестничных клеток.

2. Площадь сечения арматуры Аs включает всю продольную арматуру панелей и стыков (рабочую, конструктивную, сетки).

Таблица 2

Годовой пе­репад сред­несуточных

 

Расстояния между температурными швами бескаркасных крупнопанельных зданий, м

температур, °С

Город

Здания I типа (по табл. 1) с шагом поперечных стен, м, до

Здания II типа (по

 

 

7

4

табл. 1)

30

Батуми, Сухуми

Не ограни­чивается

Не ограни­чивается

Не ограни­чивается

40

Баку, Тбили­си, Ялта

175

250

300

50

Ашхабад, Ташкент

100

170

240

60

Москва, Пет­розаводск

75

100

125

70

Воркута, Новосибирск

60

70

80

80

Норильск, Туруханск

45

55

65

90

Верхоянск, Якутск

35

40

50

Примечание. Для промежуточных значений температуры  расстояние между температурными швами определяется интерполяцией.

Назначение расстояний между температурными швами по табл. 2 не исключает необходимости расчетной проверки стен и перекрытий в местах ослабления их большими отверстиями и проемами, где возможна концентрация значительных температурных усилий и деформаций (лестничные клетки, шахты лифтов, проезды и т.п.).

В случаях, когда конструктивная схема, армирование и марка бетона конструкций зданий значительно отличаются от предусмотренных табл. 1, здание следует рассчитывать на температурные воздействия.

1.17. Осадочные швы рекомендуется устраивать в случаях, когда неравномерные осадки основания в обычных грунтовых условиях превышают предельно допустимые величины, регламентируемые СНиП 2.02.01—83, а также при перепаде высоты здания более чем на 25 %. В последнем случае допускается осадочный шов не устраивать, если по расчету обеспечена прочность конструкций здания, а деформации стыков сборных элементов и раскрытие трещин в конструкциях не превышают предельно допустимые значения.

1.18. В монолитных и сборно-монолитных зданиях стеновых конструктивных систем должны устраиваться температурно-усадочные, осадочные и технологические швы. Технологические (рабочие) швы необходимо устраивать для обеспечения возможности бетонирования монолитных конструкций отдельными захватками. Технологические швы по мере возможности следует совмещать с температурно-усадочными и осадочными швами.

Расстояние между температурно-усадочными швами определяется расчетом или по табл. 3.

Таблица 3

 

Конструктивная система

Расстояние между температурно-усадочными швами, м, при перекрытиях

 

монолитных

сборных

Перекрестно-стеновая с несущими наружными и внутренними сте­нами, продольно-стеновая

40

60

Перекрестно-стеновая с ненесу­щими наружными стенами, попе­речно-стеновая с отдельными про­дольными диафрагмами

50

80

Поперечно-стеновая без продоль­ных диафрагм

70

Примечание. При каркасном решении первого этажа расстояния между температурно-усадочными швами допускается увеличивать на 20 %.

2. КОНСТРУКТИВНЫЕ СИСТЕМЫ

Принципы обеспечения прочности, жесткости и устойчивости жилых зданий

2.1. Конструктивной системой здания называется совокупность взаимосвязанных конструкций здания, обеспечивающих его прочность, жесткость и устойчивость.

Принятая конструктивная система здания должна обеспечивать прочность, жесткость и устойчивость здания на стадии возведения и в период эксплуатации при действии всех расчетных нагрузок и воздействий. Для полносборных зданий рекомендуется предусматривать меры, предотвращающие прогрессирующее (цепное) разрушение несущих конструкций здания в случае локального разрушения отдельных конструкций при аварийных воздействиях (взрывах бытового газа или других взрывоопасных веществ, пожарах и т.п.). Расчет и конструирование крупнопанельных зданий на устойчивость к прогрессирующему разрушению приведены в прил. 2.

2.2. Конструктивные системы жилых зданий классифицируются по типу вертикальных несущих конструкций. Для жилых зданий применяются следующие типы вертикальных несущих конструкций: стены, каркас и стволы (ядра жесткости), которым соответствуют стеновые, каркасные и ствольные конструктивные системы. При применении в одном здании в каждом этаже нескольких типов вертикальных конструкций различаются каркасно-стеновые, каркасно-ствольные и ствольно-стеновые системы. При изменении конструктивной системы здания по его высоте (например, в нижних этажах — каркасная, а в верхних — стеновая), конструктивная система называется комбинированной.

Жилые здания рекомендуется проектировать на основе стеновых конструктивных систем с поперечными и (или) продольными стенами.

2.3. Стены, в зависимости от воспринимаемых ими вертикальных нагрузок, подразделяются на несущие, самонесущие и ненесущие.

Несущей называется стена, которая помимо вертикальной нагрузки от собственного веса, воспринимает и передает фундаментам нагрузки от перекрытий, крыши, ненесущих наружных стен, перегородок в т.д.

Самонесущей называется стена, которая воспринимает и передает фундаментам вертикальную нагрузку только от собственного веса (включая нагрузку от балконов, лоджий, эркеров, парапетов и других элементов стены).

Ненесущей называется стена, которая поэтажно или через несколько этажей передает вертикальную нагрузку от собственного веса на смежные конструкции (перекрытия, несущие стены, каркас). Внутренняя ненесущая стена называется перегородкой. В жилых зданиях рекомендуется, как правило, применять несущие и ненесущие стены. Самонесущие стены допускается применять в качестве утепляющих стен ризалитов, торцов здания и других элементов наружных стен. Самонесущие стены могут применяться также внутри здания в виде вентиляционных блоков, лифтовых шахт и тому подобных элементов с инженерным оборудованием.

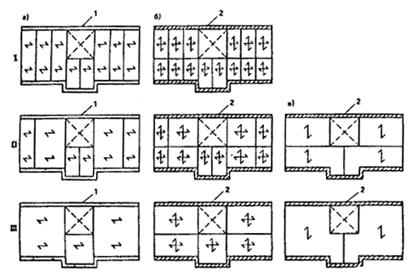
2.4. В зависимости от схемы расположения несущих стен в плане здания и характера опирания на них перекрытий (рис. 3) различают следующие конструктивные системы:

перекрестно-стеновая с поперечными и продольными несущими стенами;

поперечно-стеновая — с поперечными несущими стенами;

продольно-стеновая — с продольными несущими стенами.

Рис. 3. Стеновые конструктивные системы

а — поперечно-стеновые; б — перекрестно-стеновые; в — продольно-стеновые с перекрытиями

I малопролетными; II среднепролетными; III — крупнопролетными

1 — ненесущая стена; 2 несущая стена

В зданиях перекрестно-стеновой конструктивной системы наружные стены проектируют несущими или ненесущими (навесными), а плиты перекрытий — как опертые по контуру или трем сторонам. Высокая пространственная жесткость многоячейковой системы, образованной перекрытиями, поперечными и продольными стенами, способствует перераспределению в ней усилий и уменьшению напряжений в отдельных элементах. Поэтому здания перекрестно-стеновой конструктивной системы могут проектироваться высотой до 25 этажей.

В зданиях поперечно-стеновой конструктивной системы вертикальные нагрузки от перекрытий и ненесущих стен передаются в основном на поперечные несущие стены, а плиты перекрытия работают преимущественно по балочной схеме с опиранием по двум противоположным сторонам. Горизонтальные нагрузки, действующие параллельно поперечным стенам, воспринимаются этими стенами. Горизонтальные нагрузки, действующие перпендикулярно поперечным стенам, воспринимаются: продольными диафрагмами жесткости; плоской рамой за счет жесткого соединения поперечных стен и плит перекрытий; радиальными поперечными стенами при сложной форме плана здания.

Продольными диафрагмами жесткости могут служить продольные стены лестничных клеток, отдельные участки продольных наружных и внутренних стен. Примыкающие к ним плиты перекрытий рекомендуется опирать на продольные диафрагмы, что улучшает работу диафрагм на горизонтальные нагрузки и повышает жесткость перекрытий и здания в целом.

Здания с поперечными несущими стенами и продольными диафрагмами жесткости рекомендуется проектировать высотой до 17 этажей. При отсутствии продольных диафрагм жесткости в случае жесткого соединения монолитных стен и плит перекрытий рекомендуется проектировать здания высотой не более 10 этажей.

Здания с радиально расположенными поперечными стенами при монолитных перекрытиях можно проектировать высотой до 25 этажей. Температурно-усадочные швы между секциями протяженного здания с радиально расположенными стенами рекомендуется размещать так, чтобы горизонтальные нагрузки воспринимались стенами, расположенными в плоскости их действия или под некоторым углом. С этой целью в температурно-усадочных швах необходимо предусматривать специальные демпферы, работающие податливо при температурно-усадочных воздействиях и жестко — при ветровых нагрузках.

В зданиях продольно-стеновой конструктивной системы вертикальные нагрузки воспринимаются и передаются основанию продольными стенами, на которые опираются перекрытия, работающие преимущественно по балочной схеме. Для восприятия горизонтальных нагрузок, действующих перпендикулярно продольным стенам, необходимо предусматривать вертикальные диафрагмы жесткости. Такими диафрагмами жесткости в зданиях с продольными несущими стенами могут служить, поперечные стены лестничных клеток, торцевые, межсекционные и др. Примыкающие к вертикальным диафрагмам жесткости плиты перекрытий рекомендуется опирать на них. Такие здания рекомендуется проектировать высотой не более 17 этажей.

При проектировании зданий поперечно-стеновой и продольно-стеновой конструктивных систем необходимо учитывать, что параллельно расположенные несущие стены, объединенные между собой только дисками перекрытий, не могут перераспределять между собой вертикальные нагрузки. Для обеспечения устойчивости стен при аварийных воздействиях (пожаре, взрыве газа) рекомендуется предусматривать участие стен перпендикулярного направления. При наружных несущих стенах из небетонных материалов (например, из слоистых панелей с листовыми обшивками) рекомендуется продольные диафрагмы жесткости располагать так, чтобы они хотя бы попарно соединяли поперечные стены. В изолированно расположенных несущих стенах рекомендуется предусматривать вертикальные связи в горизонтальных соединениях и стыках.

2.5. В каркасных конструктивных системах основными вертикальными несущими конструкциями являются колонны каркаса, на которые передается нагрузка от перекрытий непосредственно (безригельный каркас) или через ригели (ригельный каркас). Прочность, устойчивость и пространственная жесткость каркасных зданий обеспечивается совместной работой перекрытий и вертикальных конструкций. В зависимости от типа вертикальных конструкций, используемые для обеспечения прочности, устойчивости и жесткости, различают связевые, рамные и рамно-связевые каркасные системы (рис. 4).

Рис. 4. Каркасные конструктивные системы

а, б — связевые с вертикальными диафрагмами жесткости; в — то же, с распределительным ростверком в плоскости вертикальной диафрагмы жесткости; г — рамная; д — рамно-связевая с вертикальными диафрагмами жесткости; е то же, с жесткими вставками

1 — вертикальная диафрагма жесткости; 2 — каркас с шарнирными узлами; 3 — распределительный ростверк; 4 — рамный каркас; 5 жесткие вставки

При связевой каркасной системе применяется безригельный каркас или ригельный каркас с нежесткими узлами ригелей с колоннами. При нежестких узлах каркас практически не участвует в восприятии горизонтальных нагрузок (кроме колонн, примыкающих к вертикальным диафрагмам жесткости), что позволяет упростить конструктивные решения узлов каркаса, применять однотипные ригели по всей высоте здания, а колонны проектировать как элементы, работающие преимущественно на сжатие. Горизонтальные нагрузки от перекрытий воспринимаются и передаются основанию вертикальными диафрагмами жесткости в виде стен или сквозных раскосных элементов, поясами которых служат колонны (см. рис. 4). Для сокращения требуемого количества вертикальных диафрагм жесткости их рекомендуется проектировать непрямоугольной формы в плане (уголковой, швеллерной и т.п.). С той же целью колонны, расположенные в плоскости вертикальных диафрагм жесткости, могут объединяться распределительными ростверками, расположенными в верху здания, а также в промежуточных уровнях по высоте здания.

В рамной каркасной системе вертикальные и горизонтальные нагрузки воспринимает и передает основанию каркас с жесткими узлами ригелей с колоннами. Рамные каркасные системы рекомендуется применять для малоэтажных зданий.

В рамно-связевой каркасной системе вертикальные и горизонтальные нагрузки воспринимают и передают основанию совместно вертикальные диафрагмы жесткости и рамный каркас с жесткими узлами ригелей с колоннами. Вместо сквозных вертикальных диафрагм жесткости могут применяться жесткие вставки, заполняющие отдельные ячейки между ригелями и колоннами. Рамно-связевые каркасные системы рекомендуется применять, если необходимо сократить количество диафрагм жесткости, требуемых для восприятия горизонтальных нагрузок.

В каркасных зданиях связевой и рамно-связевой конструктивных систем наряду с диафрагмами жесткости могут применяться пространственные элементы замкнутой формы в плане, называемые стволами. Каркасные здания со стволами жесткости называют каркасно-ствольными.

Каркасные здания, вертикальными несущими конструкциями которых являются каркас и несущие стены (например, наружные, межсекционные, стены лестничных клеток), называются каркасно-стеновыми. Здания каркасно-стеновой конструктивной системы рекомендуется проектировать с безригельным каркасом или с ригельным каркасом, имеющим нежесткие узлы соединения ригелей с колоннами.

2.6. В ствольных конструктивных системах вертикальными несущими конструкциями являются стволы, образуемые преимущественно стенами лестнично-лифтовых шахт, на которые непосредственно или через распределительные ростверки опираются перекрытия. По способу опирания междуэтажных перекрытий различают ствольные системы с консольным, этажерочным и подвесным опиранием этажей (рис. 5).

Рис. 5. Ствольные конструктивные системы (с одним несущим стволом)

а, б — консольные; в, г — этажерочные; д, е — подвесные

1 — несущий ствол; 2 — консольное перекрытие; 3 — консоль высотой в этаж; 4 — консольный мост; 5 ростверк; 6 — подвеска

Ствольные конструктивные системы рекомендуется применять при строительстве зданий, в которых необходимо свободное пространство под зданием, а также при сложных инженерно-геологических условиях.

Крупнопанельные здания

2.7. Крупнопанельные здания рекомендуется проектировать на основе стеновых конструктивных систем с малопролетными (до 4,5 м) и среднепролетными (до 7,2 м) перекрытиями.

При малопролетных перекрытиях рекомендуется применять перекрестно-стеновую конструктивную систему. Размеры конструктивных ячеек рекомендуется назначать из условия, чтобы плиты перекрытий опирались на стены по контуру или трем сторонам (двум длинным и одной короткой).

При среднепролетных перекрытиях могут применяться перекрестно-стеновая, поперечно-стеновая или продольно-стеновая конструктивные системы.

При перекрестно-стеновой конструктивной системе наружные стены рекомендуется проектировать несущими, а размеры конструктивных ячеек назначать так, чтобы каждая из них перекрывалась одной или двумя плитами перекрытий.

При поперечно-стеновой конструктивной системе наружные продольные стены проектируются ненесущими. В зданиях такой системы несущие поперечные стены рекомендуется проектировать сквозными на всю ширину здания, а внутренние продольные стены располагать так, чтобы они хотя бы попарно объединяли поперечные стены.

При продольно-стеновой конструктивной системе все наружные стены проектируются несущими. Шаг поперечных стен, являющихся поперечными диафрагмами жесткости, необходимо обосновывать расчетом и принимать не более 24 м.

2.8. В крупнопанельных зданиях для восприятия усилий, действующих в плоскости горизонтальных диафрагм жесткости, сборные железобетонные плиты перекрытия и покрытия рекомендуется соединять между собой не менее чем двумя связями вдоль каждой грани. Расстояние между связями рекомендуется принимать не более 3,0 м. Требуемое сечение связей назначается по расчету. Рекомендуется сечение связей принимать таким (рис. 6), чтобы они обеспечивали восприятие растягивающих усилий не менее следующих значений:

для связей, расположенных в перекрытиях вдоль длины протяженного в плане здания, — 15 кН (1,5 тс) на 1 м ширины здания;

для связей, расположенных в перекрытиях перпендикулярно длине протяженного в плане здания, а также связей зданий компактной формы, — 10 кН (1 тс) на 1 м длины здания.

Рис. 6. Схема расположения связей в крупнопанельном здании

1 — между панелями наружных и внутренних стен; 2 — то же, продольных наружных несущих стен; 3 — продольных внутренних стен; 4 — то же, поперечных и продольных внутренних стен; 5 — то же, наружных стен и плит перекрытий; 6 — между плитами перекрытий вдоль длины здания; 7 — то же, поперек длины здания

На вертикальных гранях сборных плит рекомендуется предусматривать шпоночные соединения, сопротивляющиеся взаимному сдвигу плит поперек и вдоль стыка. Сдвигающие усилия в стыках плит междуэтажных перекрытий, опирающихся на несущие стены, допускается воспринимать без устройства шпонок и связей, если конструктивное решение узла сопряжения плит перекрытий со стенами обеспечивает их совместную работу за счет сил трения.

В вертикальных стыках панелей несущих стен рекомендуется предусматривать шпоночные соединения и металлические горизонтальные связи. Бетонные и железобетонные панели наружных стен рекомендуется не менее чем в двух уровнях (вверху и внизу этажа) соединять связями с внутренними конструкциями, рассчитанными на восприятие усилий отрыва в пределах высоты одного этажа не менее 10 кН (1 тс) на 1 м длины наружной стены вдоль фасада.

При самозаклинивающихся стыках наружных и внутренних стен, например типа «ласточкин хвост», связи можно предусматривать только в одном уровне перекрытий и уменьшать вдвое значение минимального усилия на связь.

Расположенные в одной плоскости стеновые панели допускается соединять связями только вверху. Сечение связи рекомендуется назначать на восприятие растягивающего усилия не менее 50 кН (5 тс). При наличии связей между расположенными друг над другом стеновыми панелями, а также связей сдвига между стеновыми панелями и плитами перекрытий горизонтальные связи в вертикальных стыках допускается не предусматривать, если они не требуются по расчету.

В горизонтальных стыках связи рекомендуется предусматривать в следующих случаях:

в стенах, для которых по расчету требуется сквозная вертикальная арматура для восприятия растягивающих усилий, возникающих при изгибе стены в собственной плоскости;

для обеспечения устойчивости здания к прогрессирующему разрушению, если другими мерами не удается локализовать разрушение от аварийных особых нагрузок (см. п. 2.1). В этом случае вертикальные связи стеновых панелей в горизонтальных стыках (междуэтажные связи) рекомендуется назначать из условия восприятия ими растягивающих усилий от веса стеновой панели и опертых на нее плит перекрытия, включая нагрузку от пола и перегородок. В качестве таких связей рекомендуется, как правило, использовать детали для подъема панелей;

в несущих панельных стенах, к которым не примыкают непосредственно бетонные стены перпендикулярного направления.

2.9. Связи сборных элементов рекомендуется проектировать в виде: свариваемых арматурных выпусков или закладных деталей; замоноличиваемых бетоном арматурных петлевых выпусков, соединяемых без сварки; болтовых соединений. Связи следует располагать так, чтобы они не препятствовали качественному замоноличиванию стыков.

Стальные связи и закладные детали должны быть защищены от огневых воздействий и от коррозии. Защита от огневых воздействий должна обеспечивать прочность соединений в течение времени, равного величине требуемого предела огнестойкости конструкции, которые соединяются проектируемыми связями.

2.10. Горизонтальные стыки панельных стен должны обеспечивать передачу усилий от внецентренного сжатия из плоскости стены, а также от изгиба и сдвига в плоскости стены. В зависимости от характера опирания перекрытий различают следующие типы горизонтальных стыков: платформенные, монолитные, контактные и комбинированные. В платформенном стыке сжимающая вертикальная нагрузка передается через опорные участки плит перекрытий и два горизонтальных растворных шва. В монолитном стыке сжимающая нагрузка передается через слой монолитного бетона (раствора), уложенного в полость между торцами плит перекрытий. В контактном стыке сжимающая нагрузка передается непосредственно через растворный шов или упругую прокладку между стыкуемыми поверхностями сборных элементов стены.

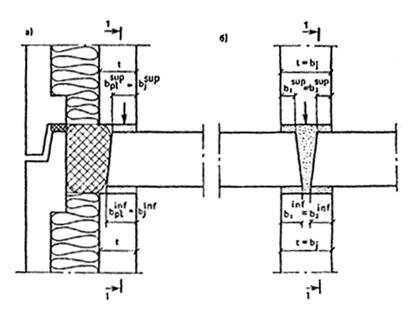
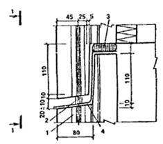
Горизонтальные стыки, в которых сжимающие нагрузки передаются через участки двух или более типов, называются комбинированными.

Платформенный стык (рис. 7) рекомендуется в качестве основного решения для панельных стен при двухстороннем опирании плит перекрытий, а также при одностороннем опирании плит на глубину не менее 0,75 толщины стены. Толщину горизонтальных растворных швов рекомендуется назначать на основе расчета точности изготовления и монтажа сборных конструкций. Если расчет точности не выполняется, то толщины растворных швов рекомендуется назначать равными 20 мм; размер зазора между торцами плит перекрытий принимается не менее 20 мм.

рис. 7 Платформенные стыки сборных стен

а — наружных трехслойных панелей с гибкими связями между слоями; б ¾ внутренних стен при двухстороннем опирании плит перекрытия; в ¾ то же, при одностороннем опирании плит перекрытий

Верхний растворный шов рекомендуется устраивать в уровне верхней поверхности плит перекрытий. При расположении верхнего шва ниже верхней поверхности плит следует обеспечивать контроль качества укладки раствора в шов.

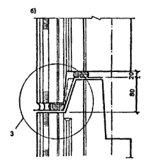
Монолитные стыки (рис. 8) рекомендуется применять при необходимости повысить несущую способность горизонтального стыка на сжатие, если другими способами этого не удастся достичь.

Замоноличивание стыка рекомендуется выполнять после установки панели верхнего этажа на монтажные фиксаторы или бетонные выступы из тела стеновых панелей. Нижнюю часть стеновой панели необходимо заводить ниже уровня замоноличивания не менее чем на 20 мм.

Рис. 8. Монолитные (а в) и платформенно-монолитные (г е) стыки сборных стен

а, г — наружных трехслойных стен с гибкими связями; б, д — внутренних стен при двухстороннем опирании плит перекрытий; в, е ¾ то же, при одностороннем опирании

Сборные плиты перекрытий при монолитных стыках рекомендуется соединять сварными или петлевыми арматурными связями, обеспечивающими неразрезность.

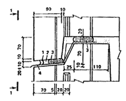
Контактный стык (рис 9) рекомендуется применять при опирании плит перекрытия на консольные уширения стен или с помощью консольных выступов («пальцев») плит. При контактных стыках плиты перекрытий допускается опирать на стены без раствора (насухо). В этом случае для обеспечения звукоизоляции полость между торцами плит и стенами необходимо заполнять раствором и предусматривать арматурные связи, превращающие сборное перекрытие в горизонтальную диафрагму жесткости.

Рис. 9. Контактные стыки сборных стен с опиранием плит перекрытия на

а в — «пальцы»; г е — консоли стен

В комбинированном платформенно-монолитном стыке (см. рис. 8, в) вертикальная нагрузка передается через опорные участки плит перекрытий и бетон замоноличивания полости стыка между торцами плит перекрытий. При платформенно-монолитном стыке сборные плиты перекрытий могут проектироваться как неразрезные. Для обеспечения неразрезности плиты перекрытий необходимо соединять между собой на опорах сварными или петлевыми связями, сечение которых определяют по расчету.

Для обеспечения качественного заполнения бетоном полости между торцами плит перекрытий при платформенно-монолитном стыке толщину зазора по верху плиты рекомендуется принимать не менее 40 мм, а внизу плит — 20 мм. При толщине зазора менее 40 мм стык рекомендуется рассчитывать как платформенный.

Полость замоноличивания стыка по длине стены может быть непрерывной (см. рис. 8, в, г) или прерывистой (см. рис. 8, д). Прерывистая схема применяется при точечном опирании на стены плит перекрытий (с помощью опорных «пальцев»). При платформенно-монолитном стыке над и под плитой перекрытия необходимо устраивать горизонтальные растворные швы.

Конструктивное решение монолитного стыка должно обеспечивать надежное его заполнение бетонной смесью, в том числе при отрицательных температурах воздуха. Прочность бетона замоноличивания стыка назначается по расчету.

В комбинированном контактно-платформенном стыке вертикальная нагрузка передается через две опорные площадки: контактную (в месте непосредственного опирания стеновой панели через растворный шов) и платформенную (через опорные участки плит перекрытий). Контактно-платформенный стык рекомендуется преимущественно применять при одностороннем опирании плит перекрытий на стены (рис.10). Толщины растворных швов рекомендуется назначат аналогично швам в платформенном стыке.

Рис. 10. Контактно-платформенные стыки сборных стен

а — наружных; б, в — внутренних

Проектные марки раствора горизонтальных швов рекомендуется назначать по расчету на силовые воздействия, но не ниже: марки 50 — для условий монтажа при положительных температурах, марки 100 — для условий монтажа при отрицательных температурах. Класс бетона по прочности на сжатие замоноличивания горизонтального стыка рекомендуется назначать не ниже соответствующего класса бетона стеновых панелей.

2.11. Сдвигающие усилия в горизонтальных стыках панельных стен при строительстве в несейсмических районах рекомендуется воспринимать за счет сопротивления сил трения.

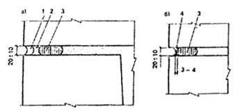
Сдвигающие усилия в вертикальных стыках панельных стен рекомендуется воспринимать одним из следующих способов:

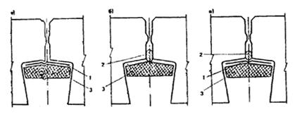
бетонными или железобетонными шпонками, образуемыми путем замоноличивания полости стыка бетоном (рис.11, а, б);

бесшпоночными соединениями в виде замоноличенных бетоном арматурных выпусков из панелей (рис. 11, в);

сваренными между собой закладными деталями, заанкеренными в теле панелей (рис. 11, г).

Рис. 11. Схемы восприятия сдвигающих усилий в вертикальном стыке панельных стен

а, б — шпонками; в — замоноличенными арматурными связями; г — сваркой закладных деталей

1 — сварная арматурная связь; 2 — то же, петлевая; 3 — накладка, приваренная к закладным деталям

Возможен комбинированный способ восприятия сдвигающих усилий, например, бетонными шпонками и плитами перекрытий.

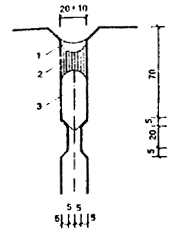
Шпонки рекомендуется проектировать трапециевидной формы (рис. 12). Глубину шпонки рекомендуется принимать не менее 20 мм, а угол наклона площадки смятия к направлению, перпендикулярному плоскости сдвига, не более 30°. Минимальный размер в плане плоскости стыка, через которую замоноличивается стык, рекомендуется принимать не менее 80 мм. Следует предусматривать уплотнение бетона в стыке глубинным вибратором.

Рис. 12. Типы вертикальных стыков панельных стен

а — плоские; б — профилированные бесшпоночные; в — профилированные шпоночные; 1 — звукоизоляционная прокладка; 2 — раствор; 3 — бетон замоноличивания стыка

В бесшпоночных соединениях сдвигающие усилия воспринимаются сварными или петлевыми связями, замоноличенными бетоном в полости вертикального стыка. Бесшпоночные соединения требуют увеличенного (по сравнению со шпоночными соединениями) расхода арматурной стали.

Сварные соединения панелей на закладных деталях допускается применять в стыках стен для районов с суровым и холодным климатом с целью сокращения или исключения монолитных работ на строительной площадке. В стыках наружных стен с внутренними сварные соединения панелей на закладных деталях следует располагать вне зоны, где возможен конденсат влаги при перепаде температур по толщине стены.

Объемно-блочные и панельно-блочные здания

2.12. Объемно-блочные здания рекомендуется проектировать из опертых друг на друга несущих объемных блоков (см. п. 1.4). Несущие блоки могут иметь линейное или точечное опирание. При линейном опирании нагрузка от вышерасположенных конструкций передается по всему периметру объемного блока, трем или двум противоположным его сторонам. При точечном опирании нагрузка передается преимущественно по углам объемного блока.

При выборе способа опирания объемных блоков рекомендуется учитывать, что линейная схема опирания позволяет более полно использовать несущую способность стенок блока и поэтому предпочтительна для многоэтажных зданий.

2.13. Прочность, пространственную жесткость и устойчивость объемно-блочных зданий рекомендуется обеспечивать сопротивлением отдельных столбов объемных блоков (гибкая конструктивная система) или совместной работой столбов из объемных блоков, соединенных между собой (жесткая конструктивная система).

При гибкой конструктивной системе каждый столб объемных блоков должен полностью воспринимать приходящиеся на него нагрузки, поэтому объемные блоки соседних столбов по условиям прочности можно не соединять друг с другом по вертикальным стыкам (при этом для обеспечения звукоизоляции по контуру проемов между блоками необходимо предусматривать установку уплотняющих прокладок).

Для ограничения деформаций стыков при неравномерных деформациях основания и других воздействиях рекомендуется объемные блоки соединять между собой в уровне их верха металлическими связями и предотвращать взаимные сдвиги блоков по вертикальным стыкам в уровне цокольно-фундаментной части здания.

При жесткой конструктивной системе столбы объемных блоков должны иметь расчетные связи в уровне перекрытий и шпоночные монолитные соединения в вертикальных стыках. В зданиях жесткой конструктивной системы все столбы объемных блоков работают совместно, что обеспечивает более равномерное распределение между ними усилий от внешних нагрузок и воздействий. Жесткую конструктивную систему рекомендуется применять для зданий высотой более десяти этажей, а также при любой этажности, когда возможны неравномерные деформации основания. При жесткой конструктивной системе рекомендуется соосное расположение объемных блоков в плане здания.

2.14. Узлы объемных блоков (рис. 13) рекомендуется проектировать так, чтобы максимально увеличить площадь опирания элементов, но при этом исключить или по возможности уменьшить влияние геометрических эксцентриситетов, возникающих от несоосности геометрических центров горизонтальных сечений стен и приложения вертикальных нагрузок в швах. Толщину растворных швов рекомендуется принимать равной 20 мм.

Рис. 13. Горизонтальные стыки объемно-блочных зданий

а — блоки типа «лежащий стакан»; б ¾ блок типа «колпак»; 1 ¾ уплотняющая прокладка; 2 — утепляющий элемент; 3 — раствор; 4 — стенка блока типа «колпак»; 5 ¾ наружная стеновая панель; 6 ¾ стена блока типа «лежащий стакан»; 7 — арматурные сетки; 8 — уплотнитель стыка

Вертикальные растягивающие усилия рекомендуется воспринимать сквозной продольной арматурой.

Усилия растяжения—сжатия в вертикальных стыках блоков могут восприниматься с помощью соединенных на сварке закладных деталей или через бетонные монолитные швы.

Сдвигающие усилия между соседними столбами блоков рекомендуется воспринимать бетонными или железобетонными соединениями.

Для передачи сдвигающих сил в верхних этажах рекомендуется применять: шпоночные швы, образуемые за счет соответствующих профилей верхних и нижних опорных поверхностей блоков и выдавливания раствора горизонтальных швов при монтаже блоков;

блоки с ребрами вверх, устраиваемыми по контуру панели потолка, входящими при монтаже внутрь контурных ребер панели пола верхнего этажа, с частичным заполнением промежутка цементным раствором;

постоянное обжатие горизонтальных швов и использование трения путем натяжения арматуры (прядей) в колодцах между блоками;

специальные жесткие элементы (например, прокатные профили), вставляемые в промежутки между блоками.

Для устройства вертикальных связей сдвига рекомендуется устраивать вертикальные армированные шпоночные соединения, для устройства которых на вертикальных гранях блоков должны быть предусмотрены арматурные выпуски, которые соединяются между собой на сварке с помощью специальных гребенок и других приспособлений. При создании шпоночных швов необходимо предусматривать достаточные для контролируемой и надежной укладки бетона полости сечением не менее 25 см, шириной 12 — 14 см.

2.15. Панельно-блочное здание представляет собой сочетание несущих объемных блоков и плоскостных конструкций (стеновые панели, плиты перекрытий и др.). Размеры объемных блоков рекомендуется назначать из условия использования монтажных кранов, применяемых в крупнопанельном домостроении. В объемных блоках рекомендуется преимущественно размещать помещения, насыщенные инженерным и встроенным оборудованием (кухни, санитарные узлы с проходными шлюзами, лестницы, лифтовые шахты, машинные отделения лифтов и т. п.).

При проектировании панельно-блочных зданий рекомендуется предусматривать межсерийную унификацию объемных блоков и максимально использовать изделия крупнопанельного домостроения.

2.16. Панельно-блочные здания рекомендуется проектировать стеновой конструктивной системы с опиранием сборных плит перекрытий на стеновые панели и (или) несущие объемные блоки. Опирание плиты перекрытия на объемный блок рекомендуется следующими способами (рис. 14): на консольный выступ вверху объемного блока; непосредственно на объемный блок.

Рис. 14. Горизонтальные стыки панельно-блочных зданий с опиранием плиты перекрытия

а — с помощью опорных «пальцев» плит перекрытий; б, в — на консольный выступ вверху объемного блока

1 — плита пола объемного блока; 2 — плита перекрытия с опорными «пальцами»; 3 — потолочная плита объемного блока; 4 — плита перекрытия с подрезкой на опоре; 5 — потолочная плита объемного блока с консолью для опирания плиты перекрытия; 6 — укороченная плита перекрытия

При выборе способа опирания плиты перекрытия на объемный блок рекомендуется учитывать, что опирание плит на консольные выступы (рис. 14, в) обеспечивает четкую схему передачи вертикальных нагрузок от вышерасположенных объемных блоков, но требует применения укороченных плит перекрытия, а наличие консольного выступа вверху блока ухудшает интерьер помещения и обусловливает устройство вырезов в примыкающих к объемному блоку перегородках. Опирание плит непосредственно на объемный блок (рис. 14, г) позволяет избежать устройства консольных выступов, но усложняется конструкция узла сопряжения объемных блоков.

2.17. Прочность, пространственную жесткость и устойчивость панельно-блочных зданий рекомендуется обеспечивать совместной работой столбов объемных блоков, несущих стеновых панелей и плит перекрытий, которые должны быть соединены между собой расчетными металлическими связями. Минимальное сечение связей рекомендуется назначать по указаниям п. 2.8. При опирании плит перекрытий только на объемные блоки допускается считать, что каждый из столбов объемных блоков воспринимает только приходящиеся на него нагрузки.

2.18. Грань объемного блока, на стороны которой опирается плита перекрытия, рекомендуется располагать в одной плоскости с гранями стеновых панелей.

При проектировании специальной панельно-блочной серии (без необходимости взаимозаменяемости стен панелей и объемных блоков) возможна привязка элементов по рис. 14, а, в, что позволяет обойтись без укорочения плит перекрытий.

Монолитные и сборно-монолитные здания

2.19. Монолитные и сборно-монолитные жилые здания рекомендуется проектировать на основе стеновых конструктивных систем. При технико-экономическом обосновании допускается применение ствольных и каркасно-ствольных конструктивных систем.

Для монолитных и сборно-монолитных зданий с монолитными или сборно-монолитными наружными стенами рекомендуется применять перекрестно-стеновую конструктивную систему с несущими поперечными и продольными стенами, в том числе наружными. Монолитные и сборно-монолитные перекрытия рассматривают как защемленные по контуру.

Сборные перекрытия рассматривают как защемленные стенами и опертые по двум или трем сторонам.

Для сборно-монолитных зданий со сборными наружными стенами при наличии сквозных внутренних продольных стен рекомендуется принимать перекрестно-стеновую систему с ненесущими наружными стенами. При наличии отдельных продольных диафрагм жесткости применяется поперечно-стеновая конструктивная система, при которой перекрытия рассматриваются как защемленные стенами по двум противоположным сторонам.

Для сборно-монолитных зданий, с защемленными по двум сторонам монолитными перекрытиями, допускается применять поперечно-стеновую конструктивную систему с плоской рамой или радиальным расположением стен.

В зависимости от назначения и размеров помещений, располагаемых в первых этажах монолитных и сборно-монолитных зданий, может быть использована стеновая или каркасная конструктивные системы:

стеновые системы с полным совпадением осей нижних и верхних этажей;

стеновые системы с неполным (частичным) совпадением осей стен нижних и верхних этажей;

каркасные системы с полным совпадением осей каркаса нижних и стен верхних этажей;

каркасные системы с неполным (частичным) совпадением осей каркаса нижних и стен верхних этажей.

Стеновые системы с полным совпадением осей стен нижних и верхних этажей следует применять, если в нижних этажах жилых зданий размещаются предприятия, не требующие больших помещений.

Стеновые системы с неполным (частичным) совпадением осей стен нижних и верхних этажей целесообразно применять, если в нижних этажах расположены помещения больших размеров (пролет 9 м и более) и допускается наличие опор в виде пилонов, колонн сложного профиля, арок, стен, лестнично-лифтовых узлов.

Вертикальные конструкции могут проектироваться с переменным по длине элемента сечением, например, с сужающимися или расширяющимися кверху пилонами. Геометрию пилонов целесообразно назначать с таким расчетом, чтобы их бетонирование можно было осуществить в том же комплекте опалубки, что и остальных стен здания.

Для возведения конструкций нижних нежилых этажей рекомендуется применять мелкощитовые и крупнощитовые опалубки.

2.20. Связи между сборными плитами перекрытий, опирающимися на монолитные стены, рекомендуется проектировать по указаниям п. 2.8 в виде свариваемых арматурных выпусков или закладных деталей или замоноличиваемых бетоном арматурных петлевых выпусков, соединяемых без сварки.

Сечение связей в вертикальных соединениях несущих стен монолитных и сборно-монолитных зданий рекомендуется проектировать из условия восприятия или усилий отрыва в пределах высоты одного этажа не менее 10 кН (1 тс) на 1 м длины наружной стены, вдоль фасада.

Конструктивное решение связей и вертикальных соединений рекомендуется принимать в зависимости от последовательности возведения наружных и внутренних стен:

при первоначальном возведении внутренних монолитных стен на их торцах рекомендуется устраивать шпоночные соединения и горизонтальные металлические связи не менее, чем в двух уровнях (вверху и внизу этажа);

при первоначальном возведении сборных наружных стен горизонтальные металлические связи, соединяющие их с внутренними стенами, устанавливают в опалубку и бетонируют с ними.

В зависимости от технологии возведения здания, способов разбивки его на захватки и применения одного или двух видов бетонов возможна различная последовательность бетонирования поперечных и продольных монолитных стен.

Вертикальное соединение сопрягаемых стен возможно трех типов: торцовое, фронтальное, фронтально-торцовое.

При торцовом соединении (рис. 15, а, б, в) между щитами опалубки устанавливают вертикальный отсекатель в виде щита, с помощью которого можно выполнить торец любой формы (гладкий, со шпонками, волнистый), и через специальные вырезы за грани внутренних стен пропускают горизонтальную арматуру.

При фронтальном соединении (рис. 15, г, д, е) в местах примыкания монолитных стен ортогональных направлений на плоскости крупнощитовой опалубки устанавливают шпонкообразователи.

При фронтально-торцовом соединении (рис. 15, ж), применяемом при использовании в сопрягаемых стенах бетонов разных видов или классов по прочности на сжатие, между щитами опалубки внутренних стен в месте их примыкания к опалубке наружных стен устанавливают разделяющую мелкоячеистую сетку. Как правило, сетка устанавливается на пространственном арматурном каркасе, который находится на пересечении наружной и внутренней стен. Наружные стены бетонируют на всю высоту этажа, затем бетонируют внутренние стены.

Рис. 15. Вертикальные торцевые (а — в), фронтальные (г е) и фронтально-торцевые (ж) узлы

а ¾ установка опалубки поперечных стен; б ¾ вид торца поперечной стены и шпонками; в, е, ж ¾ общий вид соединения поперечных и продольных стен; г ¾ устройство арматурных каркасов со шпонкообразователями между щитами опалубки; д ¾ устройство арматурных выпусков в шпонке

1 ¾ щиты опалубки; 2 ¾ разделительный торцевой щит; 3 ¾ поперечная стена; 4 ¾ вертикальный арматурный каркас; 5 ¾ арматурные горизонтальные стержни; 6 ¾ продольная стена; 7 ¾ шпонкообразователь из пенополистирола, 8 — разделительная сетка

2.21. Узлы сопряжения плит перекрытия с монолитными стенами в зависимости от способа передачи сжимающих усилий и типа плит перекрытий рекомендуется проектировать контактными, платформенными или комбинированными.

В контактном узле сжимающие усилия передаются только через монолитный бетон несущей стены. В контактном узле можно применять монолитные (рис. 16, а, 17, а), сборные (рис. 16, в — 16, е, 17, в — 17, е) и сборно-монолитные (рис. 16, б и 17, б) перекрытия, включающие сборные плиты-скорлупы, которые выполняют функции оставляемой опалубки. Сборные плиты перекрытий рекомендуется заводить за грань стены на величину не более 2 см. До замоноличивания стыка сборные элементы перекрытий должны опираться на временные опоры.

Рис. 16. Контактные узлы внутренних монолитных стен

а — при монолитных перекрытиях; б — при сборно-монолитных перекрытиях со сборными скорлупами, выполняющими функции оставляемой опалубки; в — при сборных сплошных плитах перекрытия и связях посредством сварки выпусков; г — то же, при петлевых связях; д — при сборных многопустотных плитах перекрытия и связях посредством сварки выпусков; е ¾ то же, при петлевых связях

1 — монолитная стена; 2 — монолитное перекрытие; 3 — технологический шов; 4 — арматура плиты; 5 — сборная скорлупа, выполняющая функции оставляемой опалубки; 6 — опорная арматура сборно-монолитной плиты; 7 — сборная сплошная плита; 8 — сварные связи плит; 9 — горизонтальная арматура в виде отдельных стержней; 10 — петлевые связи; 11 — сборная многопустотная плита; 12 — заглушка

Рис. 17. Контактные узлы наружных монолитных стен

а — при монолитных плитах перекрытия; б — при сборно-монолитных плитах перекрытия со сборными скорлупами, выполняющими функции оставляемой опалубки; в — при сборных сплошных плитах перекрытия и связях со стенами посредством отдельных стержней; г — то же, при петлевых связях; д — при сборных многопустотных плитах перекрытия и связях со стенами посредством отдельных стержней; е — то же, при петлевых связях

В платформенном узле сжимающие усилия передаются через опорные участки плит перекрытий (рис. 18, а — 18, д).

Для организации платформенного узла могут применяться сборные (рис. 18, а — 18, г) и сборно-монолитные перекрытия (рис. 18, д), включающие сборные плиты-скорлупы, выполняющие функции оставляемой опалубки.

Платформенные узлы на рис. 18, в рекомендуется применять в зданиях, высотой не более четырех этажей.

Рис. 18. Платформенные узлы внутренних монолитных стен

а — при сборных сплошных перекрытиях и связях посредством сварки закладных деталей; б — то же, при связях посредством сварки выпусков; в — при сборных многопустотных плитах перекрытия с заделкой пустот бетонными пробками и связях посредством сварки монтажных петель или скруток; г — то же, с «усиленными» торцами плит перекрытия; д — при сборно-монолитных перекрытиях со сборными скорлупами, выполняющими функции оставляемой опалубки

1 — 12 — см. рис. 16; 13 — растворный шов; 14 — бетонная пробка; 15 — связи многопустотных плит (отдельные стержни, приваренные к монтажным петлям или скрутки)

Комбинированные узлы (рис. 19 — 21) образуются сочетанием контактного и платформенного узлов.

Рис. 19. Комбинированные узлы внутренних монолитных стен

а — при плитах со вскрытыми пустотами и связями посредством сварки монтажных петель или скруток; б — то же, при сочетании в узле торца со вскрытыми пустотами и «усиленного» торца; в — то же, при связях в виде каркасов замоноличиваемых в пустотах; г — то же, при вертикальном армировании узла; д — то же, при связях посредством выпусков; е — то же, при сочетании торца со вскрытыми пустотами и «усиленного» торца; ж — при сборно-монолитных перекрытиях со скорлупами, выполняющими функции оставляемой опалубки; з — то же, при вертикальном армировании узла

1 ¾ 15 ¾ см. рис. 16, 18; 16 — монтажные петли; 17 — связи многопустотных плит в виде плоских каркасов замоноличенных в пустоты; 18 ¾ горизонтальная арматура в виде плоского каркаса

Рис. 20. Комбинированные узлы наружных монолитных стен со сборными многопустотными и сборно-монолитными перекрытиями

(1 18 — см. рис. 16, 18, 19)

а — при многопустотных плитах перекрытия со вскрытыми пустотами и связями в виде отдельных стержней, приваренных к монтажным петлям, или скруток; б — то же, при «усиленном» торце; в — то же, при торце со вскрытыми пустотами и связями в виде отдельных стержней арматурных выпусков из плит; г — то же, при «усиленном» торце; д ¾ то же, при торце со вскрытыми пустотами и связями в виде каркасов, замоноличиваемых в пустотах; е — то же, при торце заделанном бетонными пробками и связями в виде отдельных стержней, приваренных к монтажным петлям; ж — при сборно-монолитном перекрытии

Рис. 21. Комбинированные узлы монолитных стен со сборными сплошными плитами перекрытий

а — при прерывистом опирании и связях посредством сварки выпусков; б — то же, при петлевых связях; в, г — при непрерывном опирании и связях в виде отдельных стержней, приваренных к закладным деталям плит или арматурных выпусков; д — при прерывистом опирании и связях в виде отдельных стержней (арматурных выпусков плит); е — то же, при петлевых связях

2.22. Для повышения несущей способности контактных и комбинированных узлов железобетонных стен допускается предусматривать установку в узле вертикальной арматуры.

При многопустотных плитах перекрытия в случае вертикального армирования узлов необходимо предусматривать также горизонтальное армирование каркасами с продольной арматурой диаметром 10 мм класса А-III, устанавливаемыми в пустотах (рис. 19, г) в количестве не менее двух на плиту.

В контактных и комбинированных узлах, приведенных на рис. 21, а, б, д, е, и в платформенных узлах по верху плит растворные швы не применяются. В остальных случаях применение растворного шва под плитами перекрытия обязательно. Полость между торцами плит следует замоноличивать только бетоном, из которого выполняется стена.

Марка раствора определяется расчетом и принимается во всех случаях не более 150 и не менее 50 — в случае производства работ при положительных температурах и не менее 100 — в случае производства работ при отрицательных температурах. При применении узлов с вертикальным армированием (см. рис. 19, г) плиты перекрытия (сборные плиты-скорлупы) рекомендуется укладывать на раствор.

2.23. В узлах сопряжения плит перекрытия с монолитными стенами рекомендуется предусматривать стальные связи плит перекрытия между собой и со стенами, стен смежных этажей между собой, а также горизонтальное конструктивное армирование узлов в продольном направлении.

При монолитных и сборно-монолитных плитах со сборными скорлупами, выполняющими функции оставляемой опалубки, функции связей плит между собой и со стенами, а также горизонтального армирования узла выполняет опорная арматура плит перекрытий (см. рис. 16, а, б; 17, а, б; 18, д; 19, ж; и 20, ж).

Сборные плиты перекрытия рекомендуется соединять между собой посредством сварки выпусков (см. рис. 16, в, д; 18, б; 19, д, е; 21, а), закладных деталей (см. рис. 18, а), монтажных петель (см. рис. 18, в, г; 19, а, б), бессварных соединений посредством перехлеста петлевых выпусков (см. рис. 16, г; 21, б), а также арматурных каркасов замоноличиваемых в пустотах многопустотных плит (см. рис. 19, в, г).

Сборные плиты перекрытий соединяются с монолитными стенами при одностороннем сопряжении посредством анкеров в виде отдельных стержней (см. рис. 17, в ,д, 20, а, б, в, г, е; 21, в, г, д), петлевых выпусков (см. рис. 17, г, е; 21, е) или арматурных каркасов, замоноличиваемых в пустотах многопустотных плит перекрытия (см. рис. 20, д).

При бессварных петлевых связях сборных плит перекрытия горизонтальная арматура, устанавливаемая в межпетлевом пространстве, служит для усиления анкеров петлевых выпусков и назначается в количестве четырех стержней (см. рис. 16, г, е) при плитах перекрытия, защемленных на опорах (контактные узлы), и в количестве двух стержней (см. рис. 21, б) — при свободно-опертых плитах (комбинированные узлы). При соединении их со стенами во всех случаях устанавливаются два горизонтальных стержня (см. рис. 17, г, е; 21, е).

Горизонтальное армирование узлов в продольном направлении при сборных плитах перекрытия, за исключением варианта с петлевыми связями, рекомендуется производить плоскими каркасами или отдельными стержнями. Горизонтальная конструктивная арматура назначается диаметром 10 мм класса А-III.

2.24. Связи бетонных несущих стен смежных этажей выполняют посредством перепуска конструктивной арматуры, устанавливаемой в местах их пересечения. При сборных плитах перекрытия, имеющих непрерывное опирание на стены, перепуск арматуры производится отдельными стержнями, устанавливаемыми по оси стены.

Конструкции нижних этажей зданий многоцелевого назначения

2.25. Конструкции нижних нежилых этажей могут проектироваться на основе стеновой, каркасной или каркасно-стеновой конструктивных систем.

В зависимости от конкретной градостроительной и технико-экономической ситуации конструкции могут выполняться сборными, монолитными или кирпичными.

2.26. Стеновые конструктивные системы рекомендуется принимать:

а) для встроенных учреждений и предприятий (помещений для приемных пунктов, столов заказа, небольших помещений бытового обслуживания, культурно-массового назначения);

б) для встроенно-пристроенных учреждений обслуживания массового назначения (продовольственные и непродовольственные магазины, кафе и закусочные общего типа, комплексные предприятия бытового обслуживания, отделения связи и пр.). Во встроенной части жилого дома следует располагать подсобные помещения, а залы и салоны — в пристроенных вдоль фронта здания объемах.

2.27. При стеновой конструктивной системе в нижних нежилых этажах рекомендуется повторять схему расположения стен верхних этажей. В крупнопанельных зданиях высотой 10 этажей и менее с одинаковой высотой жилых и нежилых этажей проемы в нижних этажах рекомендуется принимать шириной не более 3 м — при шаге поперечных стен до 3,6 м и не более 2,4 м — при шаге поперечных стен около 6 м. Для увеличения ширины проемов в таких зданиях необходимо предусматривать устройство технического этажа, в пределах которого располагать нетиповые конструкции, обеспечивающие перераспределение усилий от конструкций верхних этажей. Увеличение толщины и прочности стен первого этажа мало влияет на ширину проема.

При высоте первого этажа 3,3 м и более для увеличения ширины проемов рекомендуется проектировать панели с арочными перемычками. При таких перемычках, имеющих высоту в середине пролета не менее 0,5 м, а в зданиях высотой 10 и менее этажей допускается предусматривать проемы шириной до 4 м при шаге поперечных стен 3 и 3,6 м.

При необходимости применения более широких проемов рекомендуется увеличение прочности панелей первого этажа; в таких зданиях нет конструктивной необходимости в устройстве технического этажа.

2.28. Каркасные конструктивные системы в нижних нежилых этажах рекомендуется проектировать в следующих случаях:

для встроенных учреждений и предприятий, имеющих зальные помещения;

для встроенно-пристроенных учреждений и предприятий с залами, глубина которых превышает ширину жилого дома (15 — 20 м), с торговой площадью от 650 до 1000 м.

При проектировании пристроенных (в варианте встроенно-пристроенных) следует преимущественно использовать каркасные конструкции по каталогам типовых серий.

2.29. В зависимости от объемно-планировочного решения и функционального назначения здания каркасные конструкции нижних этажей рекомендуется проектировать в виде:

сборной или монолитной балочной клетки в пределах технического этажа с расположением балок под каждой несущей стеной вышележащих этажей. Конструктивная высота главных и второстепенных балок, определяемая высотой технического этажа, должна обеспечивать надежное и экономичное решение;

сборно-монолитного несущего «стола» с последующим расположением на нем стен вышележащих этажей.

2.30. При несоосном решении колонн каркаса нижних этажей и несущих стен верхних этажей устройство сборной балочной клетки из стен технического этажа рекомендуется в зданиях высотой до 10 этажей, где это решение более экономично по сравнению со сборно-монолитным столом. При большей этажности рекомендуется проектировать переходную конструкцию монолитной либо сборно-монолитной.

При каркасном решении первых этажей устойчивость и восприятие горизонтальных нагрузок рекомендуется обеспечивать стенами лестничных клеток, а в случае необходимости также дополнительными диафрагмами жесткости, и созданием диска перекрытий при помощи связей между плитами.

2.31. Расчет конструкций нижних нежилых этажей рекомендуется выполнять по прил. 3.

3. ПРИНЦИПЫ РАСЧЕТА НЕСУЩИХ КОНСТРУКЦИЙ

3.1. Конструкции жилых зданий проверяют расчетом по двум группам предельных состояний:

первая группа — по потере несущей способности или непригодности к эксплуатации;

вторая группа — по непригодности к нормальной эксплуатации.

Расчетом по первой группе предельных состоянии проверяются:

а) все конструкции здания для предотвращения разрушений при действии силовых воздействий в процессе строительства и расчетного срока эксплуатации здания, в том числе для предотвращения прогрессирующего обрушения в случае локального разрушения несущих стен в результате аварийных воздействий типа взрывов бытового газа, пожара, наезда тяжелого транспорта и т. п., а сборные конструкции, кроме того, для предотвращения разрушения при их изготовлении и перевозке;

б) основание здания для предотвращения потери его несущей способности при совместном действии вертикальных и горизонтальных нагрузок.

Расчетом по второй группе предельных состояний проверяются:

а) здание в целом для ограничения: ускорений колебаний, возникающих при пульсации ветрового напора; деформаций основания; прогибов верха здания;

б) плиты перекрытий и покрытия, лестничные площадки, марши и другие изгибаемые элементы для ограничения их прогибов и раскрытия трещин от вертикальных нагрузок;

в) стены здания для ограничения раскрытия трещин и взаимных смещений стен при действии вертикальных и ветровых нагрузок, неравномерных осадок оснований и температурно-влажностных воздействий.

3.2. Нагрузки и воздействия на конструкции жилых зданий определяют по СНиП 2.01.07—85.

При проектировании полносборных зданий стеновой конструктивной системы рекомендуется учитывать возможное перераспределение усилий, вызванное неодинаковыми деформациями усадки сопрягаемых стен. Для крупнопанельных зданий осевые деформации усадки esh стеновых панелей можно определять по табл. 4.

Таблица 4

 

 

Вид бетона и способ

Осевые относительные деформации усадки esh×105 для бетона класса по прочности на сжатие

формования

В2,5 В3,5

В5 ¾ В7,5

В12,5 ¾ В15

В20 и более

Тяжелый цементный и плотный силикатный бетоны горизонтального формования

¾

¾

35

40

Тяжелый бетон кассетного формования

¾

¾

40

45

Легкий бетон горизонтального формования

35

45

50

¾

Ячеистый:

 

 

 

 

вид А

50

50

50

¾

вид Б

70

70

70

¾

Примечания: 1. Табличные значения esh определяют деформации усадки, возникающие только после достижения бетоном проектной прочности по сжатию. Если отпускная прочность панелей ниже проектной, то табличные значения следует умножать на коэффициент 1,2. 2. Для районов со средней относительной влажностью воздуха 40 % и ниже, относимых согласно требованиям СНиП II-3-79** к «сухим», табличные значения esh следует увеличивать на 30 %. 3. Для панелей толщиной 20 см табличные значения следует умножать на коэффициент 0,8 при толщине 30 см — на 0,65, при толщине 40 см — на 0,55. 4. Коэффициенты по пп. 1—3 учитываются независимо. 5. К ячеистым бетонам вида А относятся автоклавные бетоны на цементном или смешанном вяжущем; вида Б — автоклавные бетоны на известковом вяжущем и безавтоклавные.

3.3. Жилые здания рекомендуется проектировать так, чтобы ускорения колебаний конструкций зданий, возникающие в результате пульсаций скоростного напора ветра, не превышали 0,1 м/с2. При определении величины ускорения учитывается расчетное значение ветровой нагрузки с коэффициентом перегрузки, равным единице. Для зданий стеновой конструктивной системы высотой менее 50 м разрешается не проверять значения ускорений.

3.4. Для зданий, рассчитываемых на совместное действие вертикальных и горизонтальных нагрузок по недеформированной схеме, прогиб верха здания с учетом податливости основания рекомендуется принимать не более 0,001 высоты здания. При расчете здания по деформированной схеме значение прогиба здания не ограничивается.

Предельные прогибы из плоскости плит перекрытий и панелей несущих стен принимаются согласно указаниям СНиП 2.03.01—84. Прогиб несущих стен из их плоскости допускается не проверять.

3.5. Предельное раскрытие трещин в сборных железобетонных элементах ограничивается СНиП 2.03.01—84. Взаимные сдвиги сборных элементов в стыках рекомендуется ограничивать следующими значениями: при длительном сдвиге — 0,6 мм при кратковременном — 0,8 мм, а раскрытие трещин в бетоне омоноличивания стыковых соединений, имеющих антикоррозионное покрытие — 1 мм.

Кратковременное раскрытие трещин (взаимный сдвиг панелей) определяется суммой постоянных, длительных и кратковременных нагрузок; длительное раскрытие трещин (сдвиг) — суммой постоянных и длительных нагрузок.

Раскрытие трещин, не пересекающих рабочую арматуру панелей, ограничивается из условия обеспечения необходимой звукоизоляции (для внутренних конструкций) или тепло- и водоизоляции (для наружных конструкций). Для панелей не допускается длительное раскрытие сквозных трещин.

Предельное раскрытие трещин в сборных элементах ограничивается СНиП 2.03.01—84.

3.6. Значения предельных деформаций основания зданий регламентируется СНиП 2.02.01—83.

Возникающие вследствие деформации основания крены здания не должны вызывать отклонения лифтовых шахт от вертикали, превышающие значения, установленные государственными стандартами. Предельно допустимые значения совместных неравномерных деформаций основания и здания устанавливаются расчетом исходя из обеспечения необходимой прочности, устойчивости и трещиностойкости конструкций.

При выполнении конструктивных требований, изложенных в настоящем Пособии, рекомендуется принимать без расчета следующие допустимые значения неравномерных деформаций основания:

а) для зданий перекрестно-стеновой и продольно-стеновой конструктивных систем:

относительный прогиб или выгиб продольных стен (в долях от длины изгибаемого участка) — 0,0008;

относительная разность осадок соседних продольных стен — 0,0016;

б) для зданий поперечно-стеновой конструктивной системы с ненесущими наружными стенами относительно разности осадок соседних поперечных стен — 0,0016.

При несущих наружных стенах или при наличии сквозных внутренних продольных стен предельные неравномерности деформаций для зданий с поперечными несущими стенами принимают по п. 3.6, а.

С указанными предельными значениями неравномерных деформаций сопоставляются деформации основания, подсчитанные без учета влияния жесткости конструкций здания на перераспределение нагрузок на основание.

3.7. При расчете конструкций и соединений следует учитывать коэффициенты надежности по назначению gп, принимаемые согласно Правилам учета степени ответственности зданий и сооружений при проектировании конструкций равными:

0,95 — для жилых зданий высотой от 2 до 17 этажей включительно, а также высотой до 25 этажей при расчете по деформируемой схеме;

1 — для зданий высотой более 17 этажей при расчете по недеформированной схеме.

На коэффициент надежности по назначению умножают расчетные усилия или делят значения сопротивления материала конструкций.

3.8. Усилия в конструкциях рекомендуется определять, используя, расчетные схемы и предпосылки, наиболее полно отвечающие условиям действительной работы конструкций. При определении усилий в сборных конструкциях рекомендуется учитывать податливость стыковых соединений. Деформативные характеристики соединений сборных элементов разрешается принимать по указаниям прил. 4 настоящего Пособия.

При использовании приближенных методов расчета рекомендуется рассматривать два варианта напряженно-деформированного состояния конструкций, которые соответствуют наименьшей и наибольшей возможной жесткости (податливости) элементов стыковых соединений и связей, а в качестве расчетных принимать наибольшие значения усилий по указанным двум вариантам расчета.

Расчетные схемы

3.9. Расчетные схемы бескаркасных зданий классифицируются:

по характеру учета пространственной работы — на одно-, двух- и трехмерные;

по виду неизвестных — на дискретные, дискретно-континуальные и континуальные;

по виду конструкции, положенной в основу расчетной схемы, — на стержневые, пластинчатые, комбинированные.

3.10. При одномерной расчетной схеме здание рассматривается как тонкостенный стержень или система стержней, упруго или жестко защемленных в основании. Предполагается, что поперечный контур стержня (системы стержней) неизменяем.

При двухмерной расчетной схеме (рис. 22) здание рассматривается как плоская конструкция, способная воспринимать только такую внешнюю нагрузку, которая действует в ее плоскости. Для определения усилий в стенах от горизонтальной нагрузки условно принимается, что все стены, параллельные действию нагрузки, расположены в одной плоскости и имеют одинаковые горизонтальные перемещения в уровне перекрытий.

Рис. 22. Двухмерные (плоские) расчетные схемы бескаркасных зданий

а — вертикальная диафрагма с проемами; б — плоский составной стержень; в ¾ заменяющая рама; г — ферменная модель

При трехмерной расчетной схеме (рис. 23) здание рассматривается как пространственная система, способная воспринимать приложенную к ней пространственную систему сил. Трехмерная расчетная схема наиболее точно учитывает особенности взаимодействия несущих конструкций, но расчет на ее основе наиболее сложен.

Рис. 23. Пространственные (трехмерные) расчетные схемы бескаркасных зданий.

а — фрагмент здания; б — расчетная схема в виде системы консольных стержней; в ¾ то же, пространственного составного стержня; г — пластинчатой системы, рассчитываемой методом конечных элементов

3.11. В дискретных расчетных схемах неизвестные усилия или перемещения определяют для конечного количества узлов системы решения систем алгебраических уравнений. Дискретные расчетные системы наиболее приспособлены к условиям расчета на цифровых вычислительных машинах.

В дискретно-континуальных расчетных схемах неизвестные силовые факторы или перемещения задают в виде непрерывных функций вдоль одной из координатных осей (функциональные неизвестные). Неизвестные функции определяются решением краевой задачи для системы обыкновенных дифференциальных уравнений.

В континуальных расчетных схемах неизвестные силовые факторы или перемещения задают в виде непрерывных функций вдоль двух или трех координатных осей. Неизвестные функции определяются решением краевой задачи для системы дифференциальных уравнений в частных производных.

3.12. При стержневых расчетных схемах несущая система здания рассматривается в виде: набора параллельно расположенных балок с податливыми связями (составная балка), перекрестной системы балок, многоэтажной многопролетной рамы, решетчатой системы и др. Для определения динамических характеристик здания вся несущая система здания может рассматриваться как один консольный стержень.

В расчетных схемах в виде перекрестных стержневых систем несущие балочные элементы расположены в двух плоскостях (вертикальной и горизонтальной). Вертикальные несущие элементы эквивалентны по жесткости стенам, горизонтальные — перекрытиям здания. Принимается, что в местах пересечения несущих элементов их поперечные перемещения одинаковы. Перекрестная расчетная схема позволяет учесть изгиб перекрытий в собственной плоскости. Недостатком расчетной схемы является то, что при ее использовании не учитывается совместность продольных деформаций параллельно расположенных стен, обеспечиваемая в здании стенами перпендикулярного направления. Поэтому расчетную схему рекомендуется применять для расчета на горизонтальные нагрузки только зданий с поперечными несущими стенами при ненесущих продольных стенах.

В рамных расчетных схемах стены с проемами рассматриваются как многоэтажные плоские или пространственные многопролетные рамы. Стойками рам являются глухие (без проемов) участки стен, а ригелями — перемычки и перекрытия. При расчете рекомендуется принимать, что ригели имеют переменную жесткость (бесконечно большую в пределах длины простенков и конечную в местах проемов). Для определения усилий в конструкциях зданий на основе рамной расчетной схемы используют универсальные программы расчета рамных систем.

При решетчатых расчетных схемах здание в целом или его отдельные элементы (например, стены) заменяют системой вертикальных, горизонтальных и наклонных стержней, шарнирно соединенных между собой.

3.13. При пластинчатых расчетных схемах стены и перекрытия здания рассматриваются как система тонкостенных плоскостных элементов (пластинок), соединенных, как правило, в отдельных узлах. Для расчета отдельных пластинок используют численные методы теории упругости (метод сеток, прямые вариационные и др.), а также методы, в которых рассчитываемая непрерывная система заменяется дискретной (метод конечных элементов, ферменной аналогии).

3.14. При комбинированных расчетных схемах здание рассматривается как пластинчато-стержневая система. Такие расчетные схемы рекомендуется применять для расчета зданий, в которых сочетаются каркасные элементы и стены.

3.15. При выборе расчетной схемы рекомендуется учитывать, что все они имеют ограниченные области применения, определяемые положенными в их основу допущениями. Чем меньше допущений использует тот или иной метод, тем шире область его применения, но вместе с тем более трудоемок расчет.

Наиболее совершенными и универсальными являются расчетные схемы в виде пространственной (трехмерной) системы пластин или (и) стержней с дискретными связями между ними. При таких расчетных схемах рекомендуется использовать для расчета метод конечных элементов. Расчет выполняется по специальным программам на ЭВМ

Для расчета зданий, конструктивно-планировочные решения которых не изменяются по высоте (регулярная система) или изменяются небольшое число раз (ступенчато-регулярная система), рекомендуется использовать расчетную схему в виде вертикальной составной системы. В составной системе различают несущие и связевые элементы. Несущими элементами многоэтажного здания являются участки стен, ограниченные в плане проемами или вертикальными стыковыми соединениями, а также стволы (ядра) жесткости, колонны, пилоны и другие вертикальные несущие конструкции. Связевыми элементами являются диски перекрытий, надпроемные перемычки, ригели, соединения сборных элементов в вертикальных стыках. При расчете составных систем дискретные связевые элементы заменяют эквивалентными по жесткости (или податливости) непрерывными и используется дискретно-континуальная расчетная схема. Для бескаркасных зданий несущие элементы составной системы рекомендуется рассматривать как консольные тонкостенные стержни, деформирующиеся за счет продольных усилий сжатия — растяжения, изгиба и сдвига.

3.16. На начальных этапах проектирования здания рекомендуется использовать упрощенные расчетные схемы, позволяющие выполнять расчет без специальных программ.

Для зданий стеновой конструктивной системы расчетную схему рекомендуется принимать в виде системы вертикальных и горизонтальных диафрагм жесткости.

В одну вертикальную диафрагму жесткости рекомендуется включать поперечную или продольную стену здания и примыкающие к ней участки стен перпендикулярного направления. Стены, имеющие по длине в плане разрывы или проемы, перемычки над которыми не обеспечивают перераспределение усилий между простенками, расчленяют на несколько вертикальных диафрагм жесткости.

Размеры в плане простенков, примыкающих к основной стене диафрагмы жесткости, рекомендуется принимать не более 0,1 высоты здания и не более половины расстояния до соседней стены, параллельно стенке рассматриваемого несущего элемента.

3.17. Вертикальную диафрагму жесткости, имеющую регулярно расположенные по высоте проемы, вертикальные стыки или швы бетонирования, рекомендуется рассматривать как составную систему из т столбов, соединенных (т 1) рядами связей сдвига (рис. 24).

Рис. 24. Расчет вертикальной диафрагмы жесткости с проемами (а) как составного стержня (б)

Для каждого столба рекомендуется определять приведенный модуль деформации Еred учитывающий влияние горизонтальных стыков сборных элементов или горизонтальных швов бетонирования стен из монолитного бетона, а также продолжительность действия нагрузки и вычисляемый по формуле

Еred = Еb/(jtb + lc Еb/Het),                                             (1)

где Еb начальный модуль упругости бетона стены, принимаемый по нормам проектирования бетонных и железобетонных конструкций; для сборных элементов, изготавливаемых в кассетных установках, а также стен из монолитного бетона, возводимых в переставных опалубках, приведенные в нормах значения начальных модулей упругости следует умножать на коэффициент 0,85; jtb — коэффициент, учитывающий влияние ползучести бетона и зависящий от длительности действия нагрузки; при расчете на кратковременные нагрузки коэффициент jtb принимается равным: 1,2 для тяжелого бетона и легких бетонов при плотном мелком заполнителе; 1,4 для легких бетонов на пористом мелком заполнителе; 1,1 для плотных силикатных бетонов;

при расчете на длительно действующие нагрузки коэффициент jtb вычисляется по формуле

jtb = 1 + Сb Eb,                                     (2)

Сb предельная мера ползучести бетона, принимаемая для сборных элементов стен по табл. 5; lс коэффициент податливости горизонтального стыка при сжатии определяемый в зависимости от длительности действия нагрузки по рекомендациям прил. 4.

Таблица 5

Бетон и технология

Предельная мера ползучести Сb × 105, МПа для бетонов класса по прочности на сжатие

изготовления

В2,5

В3,5

B5

В7,5

B12,5

B15

B20

B25

В30

Тяжелый, пропа­ренный при фор­мовании:

 

 

 

 

 

 

 

 

 

горизонтальном

15

11

9

7

5

вертикальном в кассетах

¾

17

13

11

8

¾

Плотный сили­катный

на вяжущем:

 

 

 

 

 

 

 

 

 

известково-пес­чаном

¾

¾

¾

¾

18

12,5

9,5

7

5

известково-шла­ковом

¾

¾

¾

¾

8

6,5

5,5

5

4

Легкий, на по­ристых заполни­телях

50

35

27

22

16

12

9

7

¾

Ячеистый, вида:

 

 

 

 

 

 

 

 

 

А

80

64

36

34

30

¾

¾

¾

¾

Б

110

87

48

47

44

¾

¾

¾

¾

Примечания: 1. Для районов со средней относительной влажностью воздуха 40 % и ниже, относимых согласно требованиям СНиП II-3-79** к «сухим», табличные значения предельной меры ползучести бетона следует увеличивать на 30%. 2. Для элементов толщиной более 20 см приведенные в табл. 5 значения следует умножать на коэффициент 0,9. 3. Виды ячеистых бетонов см. в п. 5 примеч. к табл. 4.

3.18. В составной системе рекомендуется различать жесткие и податливые связи сдвига.

Связь сдвига i между столбами i, i+1 считается жесткой, если выполняется условие

mi ³ 12/n,                                                 (3)

mi = ,                                (4)

где п количество этажей здания; Het высота типового этажа, lti податливость при сдвиге связи между столбами i и (i+1), которая для связей в виде перемычек равна податливости перемычки при перекосе, а для связей в виде вертикальных стыковых соединений равна податливости связей одного этажа (определяются по рекомендациям прил. 4), gi параметр, определяемый по формулам:

при расчёте на нагрузки и воздействия, не вызывающие изгиб столбов (например, вертикальные нагрузки, неодинаковая усадка стен),

gi = 1 /(Ei Ai) + 1 /(Ei+1 Ai+1);                                       (5)

при расчете на нагрузки и воздействия, вызывающие изгиб столбов (например, горизонтальные нагрузки),

gi = 1 /(Ei Ai) + 1 /(Ei+1 Ai+1) + L2i / (EiIi + Ei+1 Ii+1);      (6)

где Ai, Аi+1 площади горизонтальных сечений соответственно столбов i и (i+1); Ei, Ei+1 приведенные модули деформации столбов i и (i+1), вычисляемые по формуле (1).

Столбы, соединенные жесткими связями сдвига, разрешается для расчета объединять в один столб.

Приближенные методы определения усилий в несущих конструкциях зданий стеновой конструктивной системы

3.19. Усилия в конструкциях разрешается определять, используя следующие допущения:

принцип независимости действия сил;

линейную зависимость между напряжениями и вызываемыми ими деформациями (или между усилиями и перемещениями);

линейный характер изменения деформации по длине глухих участков панелей (гипотеза плоских сечений).

3.20. Принцип независимости действия сил при расчете стен на изгиб в их плоскости предполагает расчет по недеформированной схеме. Для зданий, масса которых не изменяется по высоте, расчет на совместное действие вертикальных и горизонтальных нагрузок разрешается выполнять по недеформированной схеме, если выполняется условие

f £ 0,1 М/(рН),                                      (7)

где f прогиб верха здания от горизонтальной нагрузки, определенный без учета совместного влияния вертикальных и горизонтальных нагрузок; М изгибающий момент в основании здания от горизонтальной нагрузки; р распределенная по высоте здания нагрузка от собственного веса конструкций; H высота здания.

Для зданий перекрестно-стеновой системы высотой 17 и менее этажей условие (7) допускается не проверять; расчет таких зданий разрешается выполнять по недеформированной схеме.

3.21. Усилия, действующие в плоскости стен и перекрытий, и усилия, вызывающие изгиб панелей из плоскости, допускается определять независимо. При этом усилия, действующие в плоскости конструкций, разрешается определять из рассмотрения плоского напряженного состояния, считая, что изгиб из плоскости отсутствует. Усилия, вызывающие изгиб стен из плоскости, определяют, считая стены и перекрытия недеформируемыми в собственной плоскости.

3.22. Усилия в статически неопределяемой системе здания, найденные исходя из линейной зависимости между напряжениями и вызываемыми ими деформациями, допускается корректировать путем введения самоуравновешенных внутренних сил, учитывающих частичное перераспределение усилий за счет нелинейной работы конструкций. При этом необходимо, чтобы поперечные силы в расчетных сечениях стен изменялись не более чем на 30 %.

При выполнении расчетов с учетом перераспределения усилий следует конструктивно предотвращать возможность хрупкого разрушения конструкций. С этой целью следует:

перемычки, работающие как связи сдвига между вертикальными несущими элементами, проектировать так, чтобы прочность наклонных сечений превышала прочность нормальных сечений не менее чем в 1,2 раза;

вертикальные стыки сборных элементов стены выполнять в виде железобетонных шпоночных соединений;

не допускать разрушения стены по наклонным сечениям.

3.23. Для определения усилий от вертикальных нагрузок и неодинаковых температурных и усадочных деформаций сопрягаемых стен допускается диафрагмы жесткости рассчитывать независимо, при этом для симметричных в плане зданий принимать, что горизонтальные перемещения в уровне перекрытий равны нулю.

3.24. Усилия в конструкциях здания от постоянных вертикальных нагрузок рекомендуется определять с учетом изменения расчетной схемы здания в процессе его возведения, поэтажного загружения конструкций и перераспределения вертикальных нагрузок вследствие неодинаковой усадки бетона сопрягаемых стен.

Для бескаркасных полносборных зданий разрешается определять усилия от постоянных вертикальных нагрузок исходя из двух расчетных случаев.

В первом случае (зимний монтаж) принимается, что до окончания возведения здания деформации усадки материала стен не возникают, а перераспределение вертикальных нагрузок возможно только между столбами, которые соединены перемычками, являющимися составными частями сборных элементов, или сваркой закладных деталей. Если обеспечено нарастание прочности бетона (раствора) в вертикальных стыках (например, за счет прогрева стыков), то допускается учитывать также сопротивление сдвигу шпоночных соединений сборных элементов.

Усилия в стенах, найденные исходя из указанных допущений, используются для проверки прочности стен в стадии возведения здания, в том числе для проверки прочности стен на момент оттаивания раствора, уложенного в горизонтальные стыки при отрицательных температурах наружного воздуха.

Во втором расчетном случае (летний монтаж) условно принимается, что деформации усадки бетона стен полностью проявляются за время монтажа здания. Усилия в конструкциях определяются с учетом стадийности возведения здания исходя из проектных характеристик бетона (раствора), которым заполнены стыки. При этом рекомендуется считать, что связи сдвига в виде перемычек, являющихся составной частью сборного элемента, включаются одновременно с возведением очередного этажа, а связи сдвига в виде замоноличиваемых бетоном шпоночных соединений включаются с отставанием на два этажа. Время включения связей сдвига в виде сварных соединений закладных деталей следует принимать в зависимости от принятой технологии возведения здания.

Для эксплуатационного (послемонтажного) периода необходимо определять возможное дополнительное перераспределение усилий, вызванное в случае зимнего монтажа влиянием неодинаковой усадки и ползучести материала столбов, а в случае летнего монтажа — только из-за неодинаковой ползучести материала столбов.

Расчетные усилия в столбах принимаются по наибольшим значениям усилий первого и второго расчетных случаев. Указанные усилия суммируются с учетом знаков с усилиями от временных вертикальных и горизонтальных нагрузок, температурных воздействий и неравномерных деформаций основания.

3.25. Расчет конструкций здания на климатические температурные воздействия выполняют с целью определения усилий:

а) в продольных стенах и перекрытиях, возникающих из-за стеснения их температурных деформаций основанием;

б) в наружных и внутренних стенах и их стыках, возникающих из-за неодинаковых температурных деформаций этих стен;

в) в наружных стенах и связях с внутренними конструкциями, возникающих из-за перепада температур по толщине наружных стен.

Усилия, указанные в п. 3.25, а, определяются только для строительного периода; остальные усилия — для эксплуатационного периода.

Усилия от температурных воздействий для периода возведения здания определяются как для неотапливаемого здания. При этом допускается не учитывать перепады температур по толщине ограждающих конструкций.

Расчет на температурные воздействия для эксплуатационного периода производится как для отапливаемого здания.

3.26. При расчете конструкций крупнопанельных зданий рекомендуется учитывать, что при отсутствии вертикальных связей между стеновыми панелями смежных этажей горизонтальные стыки не сопротивляются растягивающим усилиям. В отапливаемом здании при отрицательных температурах наружного воздуха вследствие неодинаковых температурных деформаций наружных и внутренних стен в верхних этажах могут раскрываться горизонтальные стыки, а панели наружных стен полностью передавать нагрузку от собственного веса через вертикальные стыки на внутренние конструкции («зависать» на них). Раскрытие горизонтальных стыков и «зависание» части наружных стеновых панелей на внутренних конструкциях приводит к изменению расчетной схемы.

При расчете здания на температурные воздействия с учетом раскрытия горизонтальных стыков принимается, что по мере увеличения разности средних температур наружных и внутренних стен первоначально раскрываются стыки в верхнем этаже, затем в предшествующем и т. д.

Перераспределение усилий в конструкциях здания вследствие температурного укорочения наружных стен при эксплуатации здания зимой рекомендуется определять в следующей последовательности:

а) от расчетной разности средних температур наружных и внутренних стен Dt определяются усилия в составной системе высотой п этажей; если во всех этажах горизонтальные стыки наружных стен сжаты с учетом усилий от вертикальных нагрузок и температурных воздействий, то найденные усилия являются расчетными; если в верхнем или в нескольких верхних этажах горизонтальные стыки наружной стены оказываются растянутыми, то необходимо вычислить разность относительных температур наружных и внутренних стен Dt1, при которой растягивающие усилия в горизонтальном стыке равны нулю и определить усилия в конструкциях при этой разности температур;

б) количество этажей в расчетной схеме уменьшается на единицу; нагрузка от веса конструкций одного этажа наружной стены прикладывается к внутренним стенам, с которыми наружная стена соединена связями сдвига для новой расчетной схемы (с уменьшенным числом этажей) определяются дополнительные усилия от разности температур (DtDt1); если во всех этажах, кроме верхнего, горизонтальные стыки сжаты, то полученные усилия суммируются с подсчитанными на предыдущем этапе расчета и используются для проверки прочности конструкций; если снова имеются растянутые горизонтальные стыки, то расчет повторяется.

3.27. Для составной системы из двух столбов (с одним рядом продольных связей сдвига) усилия рекомендуется определять по формулам:

Усилия от веса конструкций здания. Продольная сила Тk, перераспределяемая между столбами в уровне перекрытия над этажом i £ h‑n0 при возведении этажа h £ n

,                                     (8)

где g параметр, вычисляемый по формуле (3); п количество этажей здания; n0 количество этажей, в которых связи считаются незамкнутыми в момент приложения нагрузки от очередного монтируемого этажа (см. п. 3.24); ej разность относительных деформаций столбов в основной систем (без связей сдвига) от вертикальной нагрузки, прикладываемой на этапе j (в промежутке времени между замыканием связей на этажах j1 и j); для регулярной по высоте составной системе при j < n

;                                               (9)

при j = n

;                                               (10)

G1, G2 вертикальные нагрузки соответственно на первый и второй столб от веса конструкций одного этажа; ,  то же, от веса конструкций крыши;

;                   (11)

m вычисляется по формуле (2).

Продольные сжимающие силы в уровне перекрытия над i-м этажом, соответственно в первом и втором столбах на момент окончания монтажа здания

;                             (12)

;                            (13)

Сдвигающая сила в связях i-го этажа определяется по формулам:

при i < nn0 Vi = Ti Ti+1;                                                             (14)

при i = nn0 Vi = Ti.

Усилия от временной нагрузки на перекрытия и кровлю. Продольная сила, перераспределяемая между столбами в уровне перекрытия над i-м этажом

                        (15)

где e = P1/ (E1A1) ‑ P2/ (E2A2);                                      (16)

,                                   (17)

P1, Р2 временная нагрузка соответственно на первый и второй столб от междуэтажного перекрытия; ,  то же, от крыши.

Продольные сжимающие силы в уровне i-го этажа соответственно в первом и втором столбах

;                                     (18)

;                                    (19)

где сила Тi вычисляется по формуле (15).

Сдвигающие усилия в связях i-го этажа определяют по формулам (12) и (13), принимая h = n, по = 0.

Усилия от неодинаковой усадки стен и температурных воздействий.

Продольная сила, перераспределяемая между стенами в уровне перекрытия над i-м этажом

,                       (20)

где e1, e2 деформации усадки бетона соответственно первого и второго столбов, g, r — величины, вычисляемые соответственно по формулам (5) и (11) для случая длительных нагрузок.

4. ФУНДАМЕНТЫ

4.1. Для жилых зданий рекомендуется применять следующие типы фундаментов: ленточные (сборные и монолитные), плитные и свайные. Для зданий каркасной конструктивной системы, а также малоэтажных зданий стеновой конструктивной системы рекомендуется также применять столбчатые фундаменты.

4.2. Сборные ленточные фундаменты рекомендуется проектировать с использованием типовых фундаментных плит по ГОСТ 13580—85 или блоков по ГОСТ 13579—78*. Можно применять сплошную и прерывистую схемы расстановки элементов ленточных фундаментов.

Монолитные ленточные фундаменты рекомендуется выполнять в виде отдельных или перекрестных лент, имеющих прямоугольное или ступенчатое сечение. Для возведения монолитных ленточных фундаментов рекомендуется применять мелкощитовую опалубку. При сухих связных грунтах ленточные фундаменты рекомендуется возводить методом «стена в грунте» или в вытрамбованных котлованах (без опалубки).

При выборе типа ленточного фундамента рекомендуется учитывать следующее: применение сборных фундаментов позволяет снизить продолжительность возведения фундаментов на 20—30 % и уменьшить затраты труда на строительной площадке; суммарные затраты труда на возведение сборных и монолитных фундаментов примерно одинаковые; по стоимостным показателям, энергоемкости, расходу цемента и арматурной стали монолитные фундаменты экономичнее сборных. Поэтому для жилых зданий рекомендуется предпочтительно применять монолитные ленточные фундаменты.

4.3. Плитные фундаменты рекомендуется выполнять в виде монолитных железобетонных плоских или ребристых плит. В зданиях стеновой конструктивной системы плитный фундамент рекомендуется устраивать под всем зданием; в зданиях ствольно-стеновой и каркасно-ствольной конструктивных систем допускается устраивать плитный фундамент только под стволами (ядрами жесткости).

4.4. Столбчатые фундаменты рекомендуется выполнять преимущественно монолитными, в том числе в вытрамбованных котлованах.

4.5. Свайные фундаменты в зависимости от инженерно-геологических и производственных условий и конструктивных особенностей здания могут проектироваться забивными или набивными.

Свайные фундаменты с однорядным расположением свай рекомендуется выполнять безростверковыми. При этом следует проверять расчетом необходимость усиления стен первого этажа и цокольного перекрытия. Допускается применять сборные ростверки, которые опираются на сваи и грунт (низкий ростверк) или только на сваи (высокий ростверк).

Свайные фундаменты с многорядным расположением свай рекомендуется проектировать с низким ростверком из монолитного бетона. При двухрядном расположении свай можно применять сборный ростверк.

4.6. Забивные сваи могут применяться при любых сжимаемых грунтах кроме крупнообломочных и насыпных грунтов, содержащих жесткие включения (остатки разрушенных каменных и бетонных конструкций (строительный мусор и т. п.). Забивные сваи не рекомендуется опирать на заторфованные грунты и торфы, илы, глинистые текучей консистенции и другие сильно сжимаемые грунты. Забивные сваи рекомендуется выполнять из железобетона. Для деревянных панельных зданий допускается применять сваи из круглого леса с необходимой защитой в соответствии с ГОСТ 02022.2—80*.

Железобетонные сваи могут проектироваться цельными или составными. Рекомендуется применять следующие виды свай.

Сваи цельные с предварительно напряженной продольной арматурой (стержневой или из семипроволочных прядей) и с поперечной арматурой сечением от 20´20 до 40´40 см, длиной от 3 до 20 м (ГОСТ 19804.2—79*) рекомендуются при любых основаниях, для которых возможно применение забивных железобетонных свай.

Сваи цельные с предварительно напряженной продольной арматурой без поперечного армирования сплошного сечения 25´25 и 30´30 см, длиной от 5 до 12 м (ГОСТ 19804.4—78*) рекомендуются для оснований, сложенных из выдержанных по толщине (с отклонением не более 1 м) слоев, сложенных песками средней плотности и рыхлыми, супесями пластичной и текучей консистенции. Не рекомендуется применять такие сваи при пучинистых грунтах, если силы пучения превышают значение вертикальной нагрузки на сваю, при наличии сил выдергивания, а также при погружении свай в грунт с помощью вибрации. При высоком свайном ростверке верх сваи может выступать над поверхностью грунта не более чем на 2 м.

Сваи цельные с ненапрягаемой продольной и поперечной арматурой сечением от 20´20 до 40´40 см, длиной от 3 до 16м (ГОСТ 19804.1—79*) можно применять в тех же грунтовых условиях, что и сваи с предварительно напряженной арматурой.

Сваи цельные с круглой полостью с напрягаемой и ненапрягаемой арматурой сечением 25´25, 30´30, 40´40 см, длиной от 3 до 12 м (ГОСТ 19804.3—80*) рекомендуются применять в тех же условиях, что и сваи сплошного сечения без поперечного армирования.

Пирамидальные сваи с малыми углами наклона боковых граней (1—4°) рекомендуется применять как висячие в однородных по глубине грунтах, а также в случаях, когда свая прорезает слой плотного грунта, а ее нижний конец заглубляется в более слабый грунт. Такие сваи не рекомендуется применять при насыпных, мерзлых, просадочных, набухающих и пучинистых грунтах, если силы пучения превышают вертикальную нагрузку на сваю.

Сваи составные сплошного сечения рекомендуется применять в следующих случаях:

при необходимости заглубления свай в несущий слой, кровля которого имеет невыдержанное залегание в пределах контура проектируемого здания;

при отсутствии копрового оборудования, необходимого для погружения свай длиной более 12 — 14 м;

при затруднениях в транспортировании длинномерных свай, вызванных дорожно-транспортными условиями или стесненностью строительной площадки;

при возможности уменьшения сечения сваи, если при этом несущая способность составной сваи соответствует расчетной нагрузке.

4.7. Набивные бетонные сваи рекомендуется применять при необходимости устройства свайных фундаментов, когда нельзя применить забивные сваи по грунтовым условиям (см. п. 4.6) или из-за расположенных вблизи существующих построек, а также на площадках со сложными инженерно-геологическими условиями.

Рекомендуется применять следующие виды набивных свай.

Буронабивные сваи диаметром ствола 40 см и более с уширением в нижней части или без уширения, устраиваемые без крепления или с креплением стенок скважины, рекомендуются для применения при больших сосредоточенных нагрузках и длине сваи 10 м и более. Буронабивные сваи не рекомендуется применять при наличии агрессивных грунтовых или производственных вод.

Набивные сваи устраивают в скважинах, которые пробивают, забивая инвентарные трубы, извлекаемые по мере бетонирования. Такие сваи применяют в водонасыщенных грунтах и при резких изменениях глубины залегания плотных грунтов несущего слоя.

Монолитные свайные фундаменты, устраиваемые в вытрамбованных котлованах с предварительным доуплотнением грунта под острием сваи каменной отсыпкой, рекомендуются при просадочных грунтах I типа в качестве столбчатых фундаментов.

4.8. Для призматических забивных свай, а также пирамидальных с малым уклоном рекомендуется применять сборные оголовки. При однорядном расположении свай рекомендуется применять оголовки цилиндрической формы с внутренней полостью в форме ступенчатого усеченного конуса. Армирование оголовка рекомендуется выполнять арматурным каркасом цилиндрической формы. При двухрядном расположении свай рекомендуется применять прямоугольные оголовки.

4.9. Тип фундамента рекомендуется выбирать на основе технико-экономических сопоставлений вариантов с учетом конкретных инженерно-геологических условий площадки строительства, материально-производственной базы и обеспечения предельно допустимых деформаций основания.

В типовом проекте жилого здания рекомендуется разрабатывать не менее двух вариантов разных типов фундаментов.

5. СТЕНЫ И ПЕРЕГОРОДКИ

5.1. В настоящем разделе изложены рекомендации по проектированию сборных и монолитных стен из бетона и железобетона а также наружных стен и перегородок из листовых материалов на каркасе.

При проектировании стен каменных и блочных зданий следует руководствоваться положениями СНиП II-22-81. Проектирование деревянных панельных стен рекомендуется выполнять согласно «Руководству по проектированию конструкций деревянных панельных жилых домов» (ЦНИИЭП граждансельстрой, М., Стройнздат, 1984).

5.2. При проектировании следует различать следующие типы стен:

по восприятию вертикальной нагрузки — несущие, самонесущие и ненесущие (см. п. 2.3 настоящего Пособия);

по назначению — наружные и внутренние;

по числу основных слоев — однослойные и слоистые.

Основными слоями стены называются все слои по толщине стены, в том числе тепло- или звукоизоляционные слои, за исключением защитно-декоративных, отделочных слоев, а также слоев из рулонных или пленочных материалов и воздушных прослоек.

Стены и перегородки можно проектировать однослойными и слоистыми. Конструкцию стены следует выбирать на основе технико-экономических расчетов.

5.3. Наружные однослойные стены рекомендуется проектировать сплошного сечения из плотного легкого бетона, автоклавного ячеистого бетона и естественных каменных материалов (блоки из известняка, туфа, ракушечника и др.).

В наружных однослойных стенах из легкого бетона рекомендуется предусматривать применение заполнителей:

крупного заполнителя из керамзитового гравия (ГОСТ 9759—83), перлитового щебня (ГОСТ 10832—83*), аглопоритового щебня (ГОСТ 11991—83), шлаковой пемзы (ГОСТ 9760—86), шунгизитового гравия (ГОСТ 19345—83), доменного гранулированного шлака, а также естественных пористых заполнителей (вулканический шлак, пемза, туф);

мелкого заполнителя из дробленого керамзитового песка, вспученного перлитового песка плотностью 200—400 кг/м3, золы ТЭС и золошлаковых смесей.

Для наружных однослойных стен рекомендуется предусматривать применение легкого бетона плотной структуры с объемом межзерновых пустот не более 3 %.

5.4. Для наружных двухслойных стен из монолитно соединенных между собой двух основных слоев рекомендуется проектировать внутренний слой несущим, а наружный — теплоизоляционным. Внутренний слой рекомендуется проектировать из тяжелого или легкого бетона плотной структуры с межзерновой пористостью не более 3 %, наружный слой — из легкого крупнопористого или бетона плотной структуры с межзерновой пористостью не более 6 %. Наружный защитно-декоративный слой следует выполнять из плотного мелкозернистого бетона.

5.5. Наружные трехслойные стены можно проектировать с внешними слоями из бетона или листовых материалов.

В трехслойных бетонных стенах внешние бетонные слои рекомендуется выполнять из тяжелого бетона или плотного легкого бетона с межзерновой плотностью не более 3 %.

Для внутреннего теплоизоляционного слоя рекомендуется применять следующие виды утеплителей со средней плотностью не более 400 кг/м3:

плиты из полистирольного пенопласта вида ПСБ и ПСБ-С (ГОСТ 15588-86);

плиты из пенопласта на основе резольных формальдегидных смол (ГОСТ 20916—87);

плиты из перлитопластобетона (ТУ 480-1-145—76);

жесткие минераловатные плиты на синтетическом связующем (ГОСТ 9573-82);

плиты фибролитовые на портландцементе (ГОСТ 8928—81);

плиты теплоизоляционные из стеклянного штапельного волокна (ГОСТ 10499—78);

блоки из ячеистого бетона.

Для трехслойных бетонных стен можно также предусматривать заливочные составы на основе органических и (или) неорганических компонентов, твердеющих (или приобретающих необходимую структуру и прочность) в процессе изготовления конструкций стены (например, легкий бетон на пористых неорганических или органических заполнителях, ячеистый бетон, пенопласты и др.).

Для теплоизоляционного слоя наружных трехслойных стен из листовых материалов рекомендуется применять плиты минераловатные на синтетическом связующем марки 125 (ГОСТ 9573—82), полужесткие стекловолокнистые плиты (ГОСТ 10499—78), а также заливочные трудновоспламеняемые карбамидные пенопласты.

В стеновых панелях с алюминиевыми обшивками, проектируемых для Крайнего Севера и труднодоступных районов, рекомендуется теплоизоляционный слой выполнять из плит пенополистирола ПСБ и ПСБ-С (ГОСТ 15588—86), из заливочных или напыляемых полиуретановых пенопластов (трудновоспламеняемых или трудносгораемых).

5.6. Внутренние однослойные стены рекомендуется проектировать сплошного сечения из тяжелого бетона, плотного силикатного или плотного легкого бетона. По конструктивным соображениям (например, для размещения каналов вентиляции, увеличения площади опирания сборных плит перекрытий) внутренние стены могут иметь пустоты.

5.7. Для армирования стен рекомендуется применять арматурную сталь следующих видов и классов:

в качестве рабочей арматуры — стержневую арматуру классов А-III и aт-iiic, арматурную проволоку класса Вр-I, а также стержневую арматуру классов А-I и А-II в случаях, когда использование арматуры классов А-III, aт-iiic и Вр-I нецелесообразно или не допускается нормами проектирования;

в качестве конструктивной арматуры — арматуру классов А-I и Вр-I;

в качестве деталей для подъема — арматуру класса АС-II.

5.8. Для гибких металлических связей, соединяющих внешние бетонные слои трехслойных стен, следует применять арматурные строительные стали, имеющие необходимую коррозионную стойкость в условиях эксплуатации. При наличии данных о коррозиестойкости допускается применять арматуру классов A-I, А-II и Вр-I с противокоррозионным покрытием.

5.9. Принимаемые в проектах конструкции заполнения оконных и дверных проемов по теплозащитным свойствам должны соответствовать требованиям, установленным СНиП II-3-79*.

Заполнение оконных проемов в районах с разностью температур внутреннего воздуха и средней температурой наиболее холодной пятидневки до 49°С рекомендуется проектировать с двойным остеклением, а при разности температур 50 °С и более — с тройным остеклением (с раздельно-спаренными переплетами).

5.10. Стыки между гранями оконных и дверных проемов и их заполнениями рекомендуется герметизировать нетвердеющими мастиками по всему периметру сопряжений. Водонепроницаемость примыкания нижнего узла оконного заполнения к граням проема панели наружной стены должна быть обеспечена конструктивными мерами за счет придания нижней части проема конфигурации, обеспечивающей отвод воды из-под оконного блока.

5.11. Прочность несущих и самонесущих стен при сжатии по горизонтальным сечениям рекомендуется обеспечивать прочностью бетона без учета их армирования.

Допускается предусматривать усиление стен по горизонтальным сечениям расчетной арматурой на участках, ослабленных примыкающими проемами, или же при необходимости сохранения в нижних этажах принятой для здания толщины стен, если это технологически и экономически не обеспечивается выбором необходимой марки бетона.

Примечания: 1. Сечения стен, прочность которых обеспечивается только сопротивлением бетона, называются бетонными; сечения стен, прочность которых обеспечивается совместно сопротивлением бетона и арматуры — железобетонными. 2. Минимальный процент вертикальной арматуры железобетонных сечений должен удовлетворять требованиям СНиП 2.03.01—84.

5.12. Толщины несущих и самонесущих стен по условиям обеспечения прочности при внецентренном сжатии следует принимать такими, чтобы их гибкость не превышала значения, указанные в табл. 6.

Таблица 6

 

 

 

Стена

 

 

Материал элементов стены и армирование

 

 

Предельная гибкость

l = lo/i

Предельное значение от­клонения lo/h для однослой­ных стен сплошного сечения

Однорядной раз­резки из сбор­ных элементов,

Тяжелый бетон, лег­кий бетон на порис­тых заполнителях:

 

 

монолитная стена

железобетонные

120

35

 

элементы бетонные

90

26

Двухрядной разрезки из сборных элементов

Железобетонные и бетонные элементы из автоклавного ячеи­стого бетона

70

20

 

Панели из бетона всех видов:

 

 

 

при сварных соедине­ниях панелей в мон­тажных горизонталь­ных швах

70

20

 

при отсутствии свар­ных соединений

42

12

Примечание. Расчетная длина панелей lo определяется по п. 5.19 настоящего Пособия. Радиус инерции вычисляется по формуле , где I момент инерции горизонтального сечения относительно оси, проходящей через центр сечения и параллельной плоскости стены, А площадь горизонтального сечения.

5.13. При назначении толщин стен следует учитывать требования к тепло- и звукоизоляции и огнестойкости.

Толщины наружных стен следует назначать кратными 25 мм, толщины внутренних стен и перегородок — кратными 20 мм.

РАСЧЕТ ПРОЧНОСТИ СТЕН ИЗ БЕТОННЫХ МАТЕРИАЛОВ

5.14. Для расчета прочности стен из несущей системы здания рекомендуется выделять вертикальные элементы (столбы), состоящие из расположенных друг над другом простенков, которые ограничены по вертикали проемами и стыками сборных элементов стены. Простенки, соединенные между собой жесткими связями сдвига (см. п. 3.18), рекомендуется рассматривать как один столб, который может иметь плоскую или неплоскую форму. Столб считается плоским, если он образован расположенными в одной плоскости простенками одинаковой толщины, неплоским — если он образован расположенными в разных плоскостях простенками или простенками одной стены, но разной толщины.

5.15. Плоский столб может иметь прямоугольную, тавровую, двутавровую или иную форму в плане. Допускается считать форму горизонтального сечения столба прямоугольной, если он образован простенком (или простенками) однослойной стены без пустот, при этом местные отклонения от прямоугольной формы (например, из-за неплоской формы вертикальных торцов панелей, наличия борозд, ниш и т. п.) составляют не более 0,1 площади горизонтального сечения. Плоский столб, образованный простенками многопустотной или слоистой стены, при расчете рассматривается как двутавровый или тавровый. Для слоистых стен, несущие слои которых выполнены из разных материалов, все слои приводятся к одному из них путем умножения их фактической ширины (размер вдоль длины плоского столба) на коэффициент, равный отношению модулей упругости данного слоя и слоя, к которому приводятся остальные (при определении усилий в слоях) или призменных прочностей слоев (при проверке несущей способности).

5.16. Неплоский столб рекомендуется рассматривать как систему плоских элементов (полос), жестко соединенных между собой в местах сопряжения. Полосы, расположенные в плоскости изгиба столба, называются стенками, а примыкающие к ним остальные полосы — полками столба. В настоящем Пособии рассматривается расчет неплоских столбов, имеющих только одну стенку. Неплоские столбы с несколькими стенками для расчета прочности допускается расчленять на части, в пределах каждой из которых имеется по одной стенке.

5.17. Усилия от внешних нагрузок и воздействий следует определять с учетом совместной работы всех столбов, объединенных в единую несущую систему перекрытиями, перемычками и вертикальными стыковыми соединениями.

После того, как определены усилия в каждом из столбов, расчет их прочности разрешается выполнять с использованием допущения, что в уровне перекрытий столбы имеют жесткие или упругие горизонтальные опоры.

Горизонтальные опоры разрешается считать жесткими для стен зданий перекрестно-стеновой системы (см. п. 2.4), а также для зданий других систем, если расстояние между поперечными жесткими конструкциями не превышают значений, приведенных в СНиП II-22-81 для первой группы кладки.

В остальных случаях, в том числе для самонесущих стен, соединенных с перекрытиями связями, горизонтальные опоры считаются упругими.

Стены, на которые не опираются перекрытия, при отсутствии связей следует рассчитывать как свободно стоящие.

При жестких горизонтальных опорах принимается, что в уровне перекрытий простенки, образующие столб, закреплены от перемещений из плоскости стены в уровне опор. Неплоские столбы считаются, кроме того, закрепленными от перемещений из плоскости в местах пересечения стен.

При упругих горизонтальных опорах расчет прочности столба следует выполнять методами строительной механики с учетом податливости связей между столбом и поддерживающими его поперечными конструкциями.

5.18. В зависимости от конструктивного решения узлов сопряжения сборных стен с перекрытиями принимается, что простенки в уровне перекрытий имеют шарнирное или упругое соединение. При шарнирном соединении поворот сборных элементов в стыках считается ничем не ограниченным. При упругом соединении предполагается, что взаимный поворот сборных элементов ограничен сопротивлением горизонтальных растворных швов и плит перекрытий, которые опираются на стену.

При выборе расчетной схемы соединения сборных элементов в горизонтальных стыках следует учитывать, что использование шарнирной схемы соединения существенно упрощает расчет, но приводит к завышению значения эксцентриситета продольных сил относительно оси стены. Поэтому в тех случаях, когда лимитирует прочность стен при продольном изгибе (например, для наружных трехслойных стен с гибкими связями между слоями), рекомендуется учитывать упругое соединение сборных элементов в горизонтальных швах.

Для монолитных зданий узлы сопряжения стен с перекрытиями считаются жесткими. Для определения усилий при жестких узлах рекомендуется стену с примыкающими к ней перекрытиями рассматривать как раму с жесткими узлами. Для сборно-монолитных зданий тип узла стен с перекрытиями принимается в зависимости от его конструктивного решения.

5.19. Расчетную длину стен, имеющих жесткие горизонтальные опоры в уровне перекрытий, при расчете на внецентренное сжатие с учетом продольного изгиба рекомендуется определять по формуле

lo = Нohрhw,                                           (21)

где Нo высота этажа в свету (между плитами перекрытий); hp — коэффициент, зависящий от жесткости узла сопряжения стен с перекрытиями и принимаемый равным: 0,8 при жестких узлах, 1 — при шарнирных узлах; при платформенном опирании сборных плит перекрытий разрешается принимать коэффициент hp = 0,9, при этом в случае одностороннего опирания плиты перекрытий должны быть заведены на стену не менее чем на 0,8 t, где t толщина стены; в остальных случаях коэффициент hp определяется методами строительной механики и принимается не менее 0,8; hw —коэффициент, учитывающий влияние стен перпендикулярного направления.

Закрепление простенков в местах их сопряжения со стенами перпендикулярного направления разрешается учитывать в случае, когда расстояние d между стенами, которые примыкают к простенку, не более 3 Ho, а расстояние от свободного края простенка до примыкающей к нему стены не более 1,5 Но. Сборные стены, кроме того, должны быть соединены между собой замоноличенными сварными арматурными связями, расположенными не реже чем через 100 см по высоте стены.

Коэффициент hw, для указанных случаев рекомендуется определять по формуле:

;                                         (22)

для участка между свободным краем простенка и примыкающей к нему стеной

;                                         (23)

где dширина рассматриваемого участка простенка.

В остальных случаях величина hw = 1.

5.20. Прочность стен следует проверять для горизонтальных, вертикальных и наклонных сечений.

Расчетные горизонтальные сечения стен считаются расположенными в уровне перекрытий (опорные сечения) и середине высоты этажа (середине сечения). При расчете прочности стены с оконными проемами на усилия, действующие в плоскости стены, следует также рассматривать сечения, расположенные по верху и низу проема.

Расчетные вертикальные сечения стен считаются расположенными вдоль линий пересечения стен, а для сборных стен также вдоль вертикальных стыков.

5.21. При расчете прочности столба по горизонтальным сечениям следует учитывать усилия, вызывающие общий изгиб столба в плоскости стены (для неплоского столба — в плоскости его стенки), а также усилия, вызывающие местный изгиб полос из их плоскости в пределах высоты этажа. Расчет столба на общий и местный изгиб допускается выполнять раздельно.

Для каждой полосы рекомендуется определять приведенное сопротивление сжатию Rс, вычисляемое по формулам:

для опорных сечений

Rс = Rbw hm hj;                                      (24)

для средних сечений

Rс = Rbw jc;                                            (25)

где Rbw расчетная прочность бетона стены при сжатии (призменная прочность) определяемая для тяжелых, легких и ячеистых бетонов по СНиП 2.03.01—84, а для плотных силикатных бетонов по СНиП 2.03.02—86 с учетом приведенных в нормах коэффициентов условий работы по материалу gbi, при расчете прочности средних сечений следует дополнительно учитывать коэффициенты условий работы: для пустотелых и ребристых элементов — 0,9, для бетонных простенков, площадь которых менее 0,1 м2 — 0,85; при расчете прочности опорных сечений панелей наружных стен из легких и ячеистых бетонов, бетонируемых фасадной поверхностью вниз, при глубине опорного участка стыка менее 1/3 толщины стены следует дополнительно учитывать коэффициент условий работы 0,85; при усилении опорных зон стеновых элементов армированием вместо прочности Rbw учитывается приведенное сопротивление  = Rbwhs; hs — коэффициент, определяется по п. 5.25; hт коэффициент, учитывающий влияние горизонтальных растворных швов, определяется по п. 5.23; hj коэффициент, учитывающий конструктивный тип стыка, неравномерность распределения сжимающей нагрузки между опорными площадками стыка и эксцентриситет продольной силы относительно центра стыка, определяется по п. 5.24; jе —коэффициент, учитывающий влияние продольного изгиба и эксцентриситета продольной силы на прочность стены при сжатии по среднему сечению, определяется по п. 5.29.

Коэффициенты hт, hj разрешается принимать на основе испытаний стыков при условии согласования результатов с ведущей организацией по составлению данного Пособия.

При расчете прочности столбов по горизонтальным сечениям необходимо различать следующие расчетные случаи: первый — прочность обеспечивается только сопротивлением сжатой зоны сечения; второй — совместно сопротивлением сжатой и растянутой зон сечения; третий — только сопротивлением растянутой зоны.

По первому расчетному случаю выполняется расчет полностью сжатых горизонтальных сечений, а также сечений, имеющих сжатую и растянутую зоны, при условии что эксцентриситет продольной силы в плоскости стенки столба eoh = M/N не более 0,9 уh (где уh расстояние от центра жесткости столба до его наиболее напряженной сжатой грани). При эксцентриситете продольной силы eoh > 0,45 уh, в растянутой зоне сечения для ограничения раскрытия трещин в панелях и стыках следует устанавливать сквозную продольную арматуру с площадью поперечного сечения не менее 0,025 % площади стенки столба (без учета площади примыкающих полок).

По второму расчетному случаю рассчитываются внецентренно сжатые столбы при эксцентриситете продольной силы eoh > 0,9 уh и внецентренно растянутые столбы, для которых абсолютное значение эксцентриситета |eoh| > hо уh, где hо — расчетная высота горизонтального сечения столба (расстояние по длине стены от сжатой грани до продольной растянутой арматуры). По второму расчетному случаю допускается также рассчитывать внецентренно сжатые столбы при эксцентриситете eoh > 0,45 уh.

При расчете по второму расчетному случаю в растянутой зоне сечения необходимо устанавливать сквозную продольную арматуру с площадью поперечного сечения не менее 0,05 % площади горизонтального сечения стены (для столба неплоской формы-площади горизонтального сечения стенки).

По третьему расчетному случаю рассчитываются центрально и внецентренно растянутые столбы, если выполняется условие, что |eoh|£ hо уh. При расчете по третьему расчетному случаю по краям стенки и по ее длине должна устанавливаться сквозная продольная арматура, обеспечивающая восприятие действующих в горизонтальном сечении усилий без учета сопротивления бетона.

Центр жесткости для столба плоской формы совпадает с его геометрическим центром. Для неплоского столба положение центра жесткости определяется по п. 5.33.

Расчет прочности горизонтальных стыков при сжатии

5.22. Прочность горизонтальных стыков при сжатии рекомендуется определять с использованием следующих предпосылок:

вместо номинальных (проектных) размеров опорных площадок и толщин растворных швов вводят расчетные размеры, определяемые с учетом возможных неблагоприятных отклонений номинальных размеров, вследствие допусков на изготовление и монтаж конструкций и других случайных факторов; при этом не надо учитывать случайный эксцентриситет продольных сил;

при использовании шарнирной расчетной схемы соединения сборных элементов в горизонтальном стыке (см. п. 5.18) сжимающие напряжения считаются равномерно распределенными по толщине стены для каждой из опорных площадок; для стыков, имеющих несколько опорных площадок, учитывается возможная неравномерность распределения сжимающих усилий между площадками;

при использовании расчетной схемы с упругим соединением сборных элементов в горизонтальном стыке (см. п. 5.18) сжимающие напряжения в стыке определяют предполагая, что сборные элементы и растворные швы работают в упругой стадии.

Прочность горизонтального стыка при сжатии проверяется по формуле

Nj < Rc t dj,                                          (26)

где t толщина стены; Nj продольная сжимающая сила, действующая в уровне рассчитываемого опорного сечения стены; tтолщина стены (для трехслойных стен с гибкими связями — толщина внутреннего несущего слоя); Rсопределяется по формуле (24); dj —расчетная ширина простенка в зоне стыка; для наружной стеновой панели с оконными проемами величина dj принимается равной сумме ширины простенка d на уровне расположения оконных проемов и участка, длина которого в каждую сторону от простенка принимается равной половине высоты перемычек hlin, примыкающих к простенку, при этом для стыка между панелями с оконными проемами величина hlin принимается равной половине высоты перемычки над оконным проемом, а для стыка между панелью с оконным проемом и цокольной панелью без проемов — равной половине высоты перемычки под оконным проемом.

При наличии местных ослаблений горизонтального стыка бороздами, углублениями для шпонок, распаячных коробок и др. расчетную ширину dj следует определять за минусом размеров этих ослаблений.

При типовом проектировании, панельных зданий необходимо учитывать следующие расчетные значения возможных смещений в стыке сборной плиты перекрытия dр и стеновой панели dw относительно их проектного положения:

для сборных плит перекрытий dр = 10 мм;

для стеновых панелей при монтаже с применением фиксаторов или шаблонов, ограничивающих взаимные смешения параллельно расположенных стен, dw = 10 мм; при монтаже с применением подкосов dw = 15 мм.

Для горизонтальных растворных швов расчетную толщину шва рекомендуется принимать равной 1,4 (  номинальная толщина шва), но не менее следующих значений:

для растворного шва при монтаже сборных элементов стен по маякам, а также для растворных швов в контактных стыках сборных элементов стены — 25 мм;

для растворного шва под плитой перекрытия без маяков — 20 мм.

При наличии фактических данных о смещениях сборных элементов и толщинах швов принимаются их значения.

5.23. Коэффициент hт, для горизонтальных растворных швов определяется по формуле

,                             (27)

где tтрасчетная величина толщины растворного шва, определяемая по указаниям п. 5.22; bт расчетная ширина растворного шва (размер по толщине стены), принимаемая:

для стыков с двухсторонним опиранием перекрытий, равной толщине стены t;

для нижнего растворного шва комбинированного стыка

bт = bj dpw,                                             (28)

;                                      (29)

для контактного, монолитного и верхнего растворного шва комбинированного стыка при bj = t

bт = bj dw,                                          (30)

bj номинальный (проектный) размер (ширина) опорной площадки, через которую передается в стыке сжимающая нагрузка (для контактно-платформенного стыка величина определяется с учетом зазора между контактной и платформенной площадками стыка); Rm кубиковая прочность раствора, МПа; Вwвеличина, численно равная классу по прочности на сжатие бетона сборного элемента стены, МПа.

При указании в проекте прочности бетона по марке в формуле (27) разрешается принимать Вw = 0,08 Rb, где Rb проектная марка по прочности на сжатие бетона сборного элемента стены (кгс/см2).

При возведении здания в зимнее время на растворах с противоморозными добавками прочность стыка должна быть проверена на момент оттаивания раствора. Кубиковая прочность оттаявшего раствора определяется по Инструкции по приготовлению и применению строительных растворов в зависимости от вида и количества противоморозных добавок, продолжительности твердения раствора и температуры воздуха. Продолжительность твердения определяется как частное от деления числа этажей над проверяемым горизонтальным сечением здания на возможный максимальный темп возведения здания (число монтируемых этажей в сутки). Температура твердения раствора принимается как среднемесячная температура наиболее холодного периода.

Количество и вид противоморозных добавок, принятый максимальный темп монтажа и район строительства должны быть указаны в проекте.

При типовом проектировании значение прочности раствора с противоморозными добавками на момент оттаивания рекомендуется принимать не более 0,25 значения марки раствора.

В случае возведения здания методом замораживания без применения противоморозных добавок или прогрева стыков при проверке прочности стыка на момент оттаивания величину hт, вычисленную по формуле (27), следует умножать на коэффициент условий работы 0,8, учитывающий неравномерность оттаивания по толщине стены раствора.

Расчет здания по указаниям данного пункта не исключает необходимости систематического контроля за величиной фактической прочности раствора и соответствии с указаниями по монтажу, разрабатываемыми для каждой конкретной серии жилых домов (или блок-секций) применительно к конкретным условиям строительства.

Для стыков стен из монолитного бетона, а также монолитных стыков панельных стен, заполняемых бетоном после установки панели верхнего этажа, коэффициент hт, принимается равным 1, а при опирании плит перекрытия «насухо» (без раствора) hт = 0,5.

5.24. Коэффициент hj вычисляется в зависимости от конструктивного решения узла. Если при расчете принимается шарнирное соединение сборных элементов в горизонтальном стыке (см. п. 5.18), то коэффициент вычисляется по указаниям настоящего пункта. Если соединение считается упругим или жестким, то вычисленные для шарнирной схемы значения коэффициента следует умножать на коэффициент he, который учитывает эксцентриситет равнодействующей продольной сжимающей силы относительно центра стыка. Коэффициент he вычисляется по указаниям п. 5.27.

Для платформенного стыка (см. рис. 7), а также для платформенных узлов монолитных стен (см. рис. 18), в которых сжимающая нагрузка передается только через опорные участки плит перекрытий, коэффициент hj вычисляется по формуле

hj = (bpldpl)gpl hpl / t,                                     (31)

где bpl суммарный размер по толщине стены платформенных площадок, через которые в стыке передается сжимающая нагрузка; при скошенных торцах плит перекрытий прочность стыка проверяется раздельно в уровне верхней и нижней опорных зон сборных элементов стены, принимая соответствующие размеры платформенных площадок; при монолитных стенах прочность проверяется только для сечения в уровне верха плит перекрытия; dpl — возможное суммарное смещение в платформенном стыке плит перекрытий относительно их проектного положения, принимаемое при типовом проектировании зданий для платформенных стыков с двухсторонним опиранием плит перекрытий равным 1,4dр, где смещение dр, принимается по указаниям п. 5.22; gpl — коэффициент, учитывающий неравномерность загружения платформенных площадок и принимаемый в зависимости от опирания плит перекрытии на стены равным 0,9 — при двухстороннем опирании; hpl — коэффициент, зависящий от соотношения расчетных прочностей при сжатии бетона стены Rbw и бетона опорных участков плит перекрытий R;

для стен из тяжелого и легкого бетона

при R ³ Rbw hpl = 1 ;

при R ³ Rbw hpl = 1 ‑ (1 Rbp / Rbw)2.                                                             (32)

Для стен из ячеистого бетона

hpl = 1,2 Rbp / Rbw 0,35,                                 (33)

но не более 1,

где R расчетная прочность при сжатии (призменная прочность бетона плит перекрытий); для плит перекрытий, изготовляемых в вертикальных кассетных установках, необходимо учитывать понижающий коэффициент условий работы 0,85.

При усилении опорных зон плит перекрытий сплошного сечения горизонтальными сварными сетками из арматурной проволоки диаметром 5 мм с ячейками 50´50 мм сопротивление Rbp для стен из тяжелого бетона можно увеличить на 20 %. Шаг сеток не должен превышать 0,7 глубины опирания перекрытий. Сетки должны объединяться в пространственный каркас.

В случае применения многопустотных плит перекрытий коэффициент hpl следует дополнительно умножать на коэффициент hvac, принимаемый:

при механизированной заделке пустот в заводских условиях путем добетонирования с пригрузом опорных участков плит перекрытий hvac = 0,9; в остальных случаях

hvac = 1gvac (1tf /Sf)3                                   (34)

где gvac — коэффициент условий работы, принимаемый равным: 0,5 — при заделке пустот свежеотформованными бетонными пробками, изготовленными одновременно с плитами перекрытий; 1 — при незаделанных пустотах, а также при несовершенной заделке пустот в построечных условиях (например, закладка кирпичом на растворе); tf — наименьшая толщина ребра между пустотами плиты перекрытия; Sf наименьший шаг пустот.

Для платформенных стыков с односторонним опиранием перекрытий значение коэффициента hj следует определять по экспериментальным данным.

Для контактного стыка, в котором сжимающая нагрузка передается только через контактные участки стыка (см. рис. 9), коэффициент hj вычисляется по формуле

hj = (bсопdсоп) dсоп hсоп / (tdj),                 (35)

где bсоп размер по толщине стены контактной площадки, через которую в стыке передается сжимающая нагрузка; dсоп расчетное изменение номинального размера контактной площадки, принимаемое равным: для стыков с односторонним опиранием плит перекрытий, в которых хотя бы один край контактной площадки совпадает с гранью стены, а также для контактных стыков вне зоны опирания перекрытий dсоп = dw; в остальных случаях dсоп = 0; dсопразмер по длине стены контактного участка стыка (за минусом гнезд для опирания плит перекрытий); hсопкоэффициент, принимаемый равным меньшему из значений коэффициентов hloc и hfor; hloc — коэффициент, учитывающий повышение прочности стыка при местном сжатии,

hloc = gloc ;                      (36)

gloc коэффициент, принимаемый равным: 1,1 при bm < 0,6t; 1 — в остальных случаях; усоп расстояние от центра контактной площади до ближайшей вертикальной грани стены; hforкоэффициент, учитывающий форму контактной площадки;

для площадки в виде выступа вверху или внизу стеновой панели высотой tсоп £ bсоп при прочности раствора в горизонтальном шве Rm не менее класса бетона сборного элемента стены Вbw (МПа) коэффициент hfor принимается равным: для тяжелого бетона hfor = 1,2; для легкого бетона на пористых заполнителях и ячеистого hfor = 1,1; при Rm < Bbw hfor = 1;

для контактной площадки высотой tcon ³ 2bcon коэффициент hfor = 1; в промежуточных случаях (при bcon < tcon < 2bcon) значение коэффициента hfor определяется по интерполяции между указанными краевыми значениями.

Для контактно-платформенного стыка (см. рис. 10), в котором сжимающая нагрузка передается через платформенный и контактный участки, коэффициент hj; принимается равным меньшему из значений величин , , которые соответствуют случаям разрушения стыка по контактному или платформенному участкам в уровне верхнего или нижнего растворных швов и вычисляются по формулам:

= [(bcond1) hcon + 0,8 gpl () hpl]/t,

но не менее = gpl () hpl]/t.

= [(bcon d1) hcon + 0,8 gpl ]/t,

но не менее = gpl /t.

где = [() hpl  spl /Rbw] /

где bcon номинальный (проектный) размер по толщине стены контактного участка стыка; ,   то же, платформенного участка стыка, для сечений соответственно в уровне верхнего и нижнего растворных швов; hpl, gpl — вычисляются как для платформенного стыка; hcon — вычисляется как для контактного стыка; d1, d2 величины, характеризующие возможные изменения номинальных размеров соответственно контактного и платформенного участков стыка;

при bj < t d1 = 0;  = dpw;  = dpw;                     (40)

при bj = t d1 =dw;  = dpwdw;  = dpw;           (41)

spl среднее значение местных сжимающих напряжений, передаваемых на стену по платформенной площадке от плиты перекрытия, которая непосредственно оперта в стыке; ,  коэффициенты, вычисляемые по указаниям п. 5.23 соответственно для нижнего и верхнего растворных швов.

Для монолитного стыка (см. рис. 8), а также контактных узлов монолитных стен (см. рис. 16, 17), в которых вся сжимающая нагрузка передается через слой бетона, уложенного в полость стыка, коэффициент hj вычисляется по формуле

hj = (bmon dmon) hmon dmon/(tdj),                                  (42)

где bmon, dmon размеры соответственно по толщине и длине стены монолитного участка стыка; dmon возможное смещение стены по монолитному участку стыка, принимаемое в зависимости от способа опирания плит перекрытий равным: dpw при одностороннем опирании, 1,4 dp при двухстороннем опирании; hmon коэффициент, зависящий от соотношения классов по прочности на сжатие бетона замоноличивания стыка Bb,mon и опорного участка стены Bbw и принимаемый равным меньшему из значений коэффициентов hloc и hfor;

hloc коэффициент, учитывающий повышение прочности стыка при местном сжатии,

hloc = ,                            (43)

где ymon — расстояние по толщине стены от центра монолитного участка стыка до ближайшей грани стены; hfor коэффициент, определяемый для стыков с односторонним опиранием плит перекрытий по формуле

hfor = Вboпbw,                                   (44)

а для стыков с двухсторонним опиранием плит перекрытий — по формуле

hfor = 1,25 Вboпbw.                         (45)

При замоноличивании стыка раствором или бетоном, прочность которого характеризуется маркой, величину Вboп разрешается принимать равной 0,08 Rmon, где Rmonмарка по прочности на сжатие (кубиковая прочность) раствора или бетона замоноличивания стыка (кгс/см2).

Для контактных узлов стен из монолитного бетона со сборными плитами перекрытии коэффициент hj вычисляется по формуле (42), принимая коэффициент hm = 1.

Для платформенно-монолитного стыка (см. рис. 7), а также комбинированных узлов монолитных стен (см. рис. 19—21), в которых сжимающая нагрузка передается через платформенные и монолитный участки, коэффициент hj принимается равным меньшему из двух значений коэффициентов hj,pl и hj,mon, соответствующих разрушению стыка по платформенному или монолитному участкам и определяемых по формулам:

               (46)

               (47)

где  = Втопbр, но не больше 1;  = Вbр/Bb,mon, но не больше 1; bpl размер по толщине стены платформенного участка стыка; bтоп то же, монолитного участка стены; gтоп коэффициент, принимаемый при замоноличивании стыка обычным тяжелым бетоном 0,8; раствором — 0,7.

Прочность мелкозернистого бетона (раствора), сопротивление которого учитывается при расчете прочности платформенно-монолитного стыка, должна контролироваться в соответствии с требованиями ГОСТ на бетоны.

5.25. Коэффициент hs для стыков сборных элементов стен, усиленных в зоне стыка поперечными сварными каркасами или сетками, определяется по формуле

hs = 1 + 20 Atr ltr /(сtr str t),                             (48)

но не более 1,3,

где Atrплощадь сечения одного поперечного стержня горизонтального каркаса (сетки); сtr — шаг поперечных стержней по длине стены; ltr расстояние между крайними продольными стержнями каркаса; str шаг каркасов по высоте стены; t толщина стены.

Влияние косвенного армирования опорной зоны стеновой панели разрешается учитывать при выполнении следующих условий:

диаметр ds и расчетное сопротивление растяжению Rs продольных стержней не менее диаметра и расчетного сопротивления поперечных стержней;

шаг каркасов по высоте стены не более 0,5 t;

шаг поперечных стержней по длине стены не более 15 ds;

класс бетона стены не менее В12,5 (марка бетона не менее М150);

толщина горизонтального растворного шва между панелями не более 3 см, прочность раствора не менее 2,5 МПа (25 кгс/см2).

Коэффициент hs для стыков монолитных стен, усиленных в зоне стыка вертикальной арматурой, определяется по формуле

hs = 1 + Аs,lon Rsc/(Aw Rbw hm),                       (49)

но не более 1,5,

где Аs,lon площадь поперечного сечения вертикальной продольной арматуры, пересекающей стык; Rsc расчетное сопротивление сжатию продольной арматуры, пересекающей стык; Аw площадь горизонтального сечения стены.

Определение эксцентриситетов

5.26. При использовании шарнирной схемы соединения сборных элементов в горизонтальном стыке (см. п. 5.18) равнодействующая сжимающая сила считается приложенной в опорном сечении с эксцентриситетом  по толщине стены относительно геометрического центра горизонтального сечения.

Для стыков с двухсторонним опиранием перекрытий эксцентриситет по толщине стены продольной силы относительно геометрического центра горизонтального сечения стены рекомендуется определять по формулам:

для платформенного стыка

 = (dpw + 0,5 D) (t/‑ 1),                      (50)

где D,  соответственно разность и сумма номинальных размеров по толщине стены платформенных площадок в уровне верхнего растворного шва;

для других типов стыков с симметричным расположением опорных площадок по толщине стены

 = 0,5 dw.                                               (51)

Для стыков с односторонним опиранием плит перекрытий эксцентриситет по толщине стены продольной силы относительно геометрического центра горизонтального сечения рекомендуется определять по формулам:

для платформенного стыка

 = 0,5 (t ‑ ) + 0,5 dpw,                                (52)

где   номинальный размер по толщине стены платформенной площадки в уровне верхнего растворного шва;

dpw величина, вычисляемая по формуле (29);

для контактного стыка

 = 0,5 t ‑ ycon + 0,5 dcon,                                    (53)

где ycon — расстояние по толщине стены от ближайшей ее грани до центра контактной площадки;

для контактно-платформенного стыка

при hj ³ hmin

,                          (54)

где b1 = bcondw;                                                     (55)

b2 =  dpw + dw;                                              (56)

bm величина, вычисляемая по формуле (28);

при hj < hmin

,                     (57)

где b1 = bcondpw + dp;                                               (58)

b2 =  dp;                                                           (59)

для монолитного стыка

 = 0,5 t ‑ ymon + 0,5 dmon,                                  (60)

для платформенно-монолитного стыка

при hj,pl ³ hj,mon

,                          (61)

где b1 =  dpl;                                                         (62)

b2 = bmon + dpldpw;                                               (63)

при hj,pl > hj,mon

,                    (64)

где b1 = bmon dpw;                                                        (65)

b2 = bpl + dpwdp;                                                  (66)

5.27. Коэффициент he вычисляется по формуле

he = 1 ‑ 2 ej /bm,                                    (67)

где ej эксцентриситет по толщине стены равнодействующей продольной сжимающей силы относительно центра стыка; при расчете стены в предположении шарнирного соединения элементов стены и перекрытия в узле эксцентриситет ej = 0; при расчете в предположении упругого или жесткого соединения элементов стены и перекрытия в узле

ej = Mj / Nj,                                                   (68)

Mj изгибающий момент в опорном сечении стены, определяемый методами строительной механики; Nj продольная сжимающая сила в опорном сечении стены; bт величина, определяемая по указаниям п. 5.24; для узлов монолитной стены со сборными плитами перекрытия величина bт принимается равной размеру по толщине стены полости замоноличивания узла между плитами перекрытия; для узла монолитной стены с монолитными перекрытиями величина bт принимается равной толщине стены t.

При определении изгибающего момента Мj следует учитывать, что часть нагрузок, вызывающих усилия в стыке, прикладываются до того, как раствор в стыках сборных элементов или бетон монолитных стен наберет расчетную прочность. Для полносборных зданий к ним следует относить нагрузки от веса конструкции не менее чем двух этажей здания. Усилия от этих нагрузок рекомендуется определять в предположении шарнирного соединения элементов в узле.

Расчет прочности стен по средним сечениям при внецентренном сжатии из плоскости стены

5.28. При расчете прочности стен по средним сечениям на внецентренное сжатие из плоскости стены следует учитывать эксцентриситет продольной сжимающей силы ео. Для сборных элементов стен эксцентриситет ео определяют по формуле

ео =  ej + eloc,                                                 (69)

 — эксцентриситет в опорном сечении стены, определенный в предположении шарнирного соединения с плитами перекрытия, вычисляется по п. 5.26; ej эксцентриситет, определяемый по п. 5.27; elocэксцентриситет равнодействующей продольной сжимающей силы, обусловленный местным изгибающим моментом Mloc в рассматриваемом сечении стены (например, от поперечной нагрузки на стену, из-за перепада температур по толщине стены и др.)

eloc = Mloc / N.                                        (70)

Для монолитных стен эксцентриситет еo = eloc.

Абсолютное значение эксцентриситета еo следует принимать не менее значения случайного эксцентриситета ea = t/30, но не менее l/600, где l длина сжатого элемента стены, равная высоте этажа в свету.

5.29. Прочность стены по средним сечениям при внецентренном сжатии из плоскости проверяется для стен из тяжелого, легкого и ячеистого бетонов по СНиП 2.03.01—84, а для стен из плотного силикатного бетона — по СНиП 2.03.02—86.

Для прямоугольных бетонных сечений (без расчетной продольной арматуры) прочность стены можно проверять по формуле

N £ Rbw Aw jc,                                                       (71)

где Rbw расчетная прочность стены при сжатии, определяемая п. 5.21; Аwплощадь горизонтального сечения стены; jc коэффициент, определяемый по формулам:

при lо/t £ 4

jc = 1 2 еo /t;                                                      (72)

при lо/t > 4

,                        (73)

где lo расчетная длина стены, определенная по п. 5.19; еоэксцентриситет, определяемый по п. 5.28.

;                                        (74)

Еbтначальный модуль упругости бетона стены; jlкоэффициент, учитывающий влияние длительности действия нагрузки на жесткость элемента в предельном состоянии,

jl = 1 + bNl/N;                                                        (75)

bкоэффициент, принимаемый по СНиП 2.03.01—84; для плотного силикатного бетона b = 1; Nl продольная сжимающая сила на простенок от длительно действующей нагрузки; jе — коэффициент, вычисляемый по формулам:

для тяжелого; легкого и ячеистого бетонов

jе = 0,11/(0,1 + dе) + 0,1;                                     (76)

для плотного силикатного бетона

jе = 0,2/(0,15 + dе);                                               (77)

dе — коэффициент, принимаемый равным ео/tw, но не менее

dmin = 0,5 ‑ 0,01 lo/t ‑ 0,01 Rbw                             (78)

и не менее 0,01 t.

В формуле (78) величина Rbw в МПа.

Расчет прочности столбов по горизонтальным сечениям

5.30. Для плоского столба (см. п. 5.14) прочность по горизонтальным сечениям при сжатии в случае, когда эксцентриситет eoh = 0, проверяется для опорных сечений по формуле (26), а для средних сечений по формуле (71). В случае, когда эксцентриситет продольной силы eoh ¹ 0, расчет прочности столба рекомендуется выполнять на ЭВМ по специальным программам, предназначенным для расчета плоских бетонных и железобетонных конструкций с учетом образования в них трещин, развития пластических деформаций и других специфических особенностей работы материала при плоском напряженном состоянии.

Расчет прочности плоского столба допускается выполнять по приводимым в настоящем Пособии рекомендациям с использованием следующих предпосылок и допущений:

считается справедливой гипотеза плоских сечений;

для горизонтальных сечений вдоль стыков сборных элементов и технологических швов монолитных стен не учитывается сопротивление бетона растянутой зоны сечения;

принимается, что нормальные сжимающие напряжения изменяются по ширине столба (длине стенки) по линейной или билинейной зависимостям (рис. 25); эпюра нормальных напряжений принимается линейной, если максимальное значение сжимающих напряжении sтах не превышает значения сопротивления Rс, вычисляемого по формулам (24) или (25); в противном случае принимается билинейная эпюра сжимающих напряжений, состоящая из двух участков, на первом из которых сжимающее напряжение изменяется по линейной зависимости от значения напряжений smin до smах = Rc, а на втором постоянное значение, равное Rс;

принимается, что в пределах длины линейного участка эпюры материал столба работает упруго, а на участке, где sw = Rc, находится в пластическом состоянии;

сдвигающие напряжения t воспринимаются только в пределах длины  наклонного участка эпюры s;

используются условия прочности бетона при плоском напряженном состоянии, приведенные в СНиП 2.03.01—84.

Рис. 25. Расчетные эпюры сжимающих напряжений для бетонных (а) и железобетонных (б) горизонтальных сечений столба

5.31. Расчет прочности плоского столба по горизонтальным сечениям рекомендуется выполнять в следующей последовательности:

5.31.1. Определить знак продольной силы N. При N > 0 горизонтальное сечение столба внецентренно сжато, при N < 0 внецентренно растянуто, при N = 0 столб изогнут. Если N > 0, то

еoh = |М| / N,                                                         (79)

где |М| абсолютное значение изгибающего момента, вызывающего изгиб столба.

Если еoh > 0 (столб внецентренно сжат), то следует перейти к выполнению п. 5.31.2, иначе (при еoh £ 0) — столб внецентренно растянут.

5.31.2. Определить предельную несущую способность столба при внецентренном сжатии исходя из прямоугольной эпюры сжимающих напряжений

Nmax = Rc ht (12 еoh / h),                               (80)

где Rc вычисляется по формулам (24) или (25) соответственно для опорного и среднего сечения; tтолщина стены; h — ширина простенка (размер по длине стены в уровне расположения проемов).

Сопоставить предельную несущую способность столба Nmax со значением продольной сжимающей силы N. В случае если N > Nmax, то следует повысить класс бетона по прочности на сжатие, утолстить стену или ввести расчетное армирование. В случае если N £ Nmax и в расчетном сечении поперечная сила Q = 0, то прочность столба по горизонтальному сечению обеспечена (расчет закончен).

5.31.3. Определить краевые нормальные напряжения smin и smax исходя из линейного закона их распределения по ширине столба

smin = (1 ‑ 6еoh /h) N/A;                                    (81)

smax = (1 + 6еoh /h) N/A,                                   (82)

где A площадь среднего горизонтального сечения столба.

Проверить наличие растянутой зоны сечения. Если smin < 0 (сечение имеет сжатую и растянутую зоны), то перейти к выполнению п. 5.31.4. Если smin ³ 0 (сечение полностью сжато), то сравнить значение величин smах и Rс.

Если напряжения smах £ Rс, то перейти к выполнению п. 5.31.5, иначе (при smax > Rc) вместо линейной принять билинейную эпюру сжимающих напряжений и определить длину наклонного участка билинейной эпюры по формуле

 = 1,5h [Rc s (1 + 2 еoh /h)]/(Rc s),                 (83)

где s = N/(th).                                        (84)

Вычисленная по формуле (83) длина  не должна превышать значения величины h.

Перейти к выполнению п. 5.31.5.

5.31.4. При smin < 0 сравнить значение эксцентриситета еoh с предельным значением эксцентриситета еи = 0,45 h, при котором сечение может рассматриваться как бетонное. При еoh ³ еи перейти к выполнению п. 5.31.6, при еoh < еи выполнить:

в предположении линейного распределения сжимающих напряжений определить высоту сжатой зоны

x =  = l,5h (1 + 2 еoh /h)                 (85)

и максимальное значение сжимающих напряжений

smах = 2 s h/ .                                   (86)

Если smах £ Rс то перейти к выполнению п. 5.31.5, иначе (при smах > Rс) вместо линейной принять билинейную эпюру сжимающих напряжений и определить длину наклонного участка эпюры по формуле

.                            (87)

5.31.5. Проверить прочность горизонтального сечения на совместное действие сжимающих N и сдвигающих Q усилий.

Для стен из тяжелого бетона класса по прочности на сжатие не выше В30 и из легкого бетона класса по прочности на сжатие не выше В15 прочность проверяется по формуле

Q £ Rbt [( smin)w1 + (smax )w2]/(smax smin),     (88)

где х длина наклонного участка эпюры сжимающих напряжений s;   сжимающие напряжения в точке наклонного участка эпюры s, в которой воспринимаются максимальные касательные напряжения t (smin £  £ smax),

 = 0,5 Rc ‑ Rt,                                                       (89)

если smax £ , то принимается, что  = smax;

если smin ³ , то принимается, что  = smin;

Rc приведенной сопротивление бетона стены сжатию, определяемое по рекомендациям п. 5.21; Rt приведенное сопротивление бетона стены растяжению (Rt = Rbt Rc/Rbw);

;                      (90)

;                              (91)

x = (Rt + smax 0,5Rc)/(Rt + 0,5Rc).                   (92)

В случае, если smax = smin = s < , то прочность проверяется по формуле

Q £ Rbt ht .                                       (93)

Для горизонтальных сечений в уровне стыков сборных элементов или технологических швов монолитных стен дополнительно должна быть проверена прочность по рекомендации пп. 5.43—5.47.

Если условие (88) или (93) не выполнено, то необходимо увеличить класс бетона и (или) толщину стены. Если по длине горизонтального сечения имеются сжатая и растянутая зона, то сопротивление срезу можно повысить за счет учета работы растянутой зоны сечения. В этом случае в растянутой зоне должна быть установлена сквозная продольная арматура по указаниям п. 5.21. Расчет прочности внецентренно сжатых железобетонных стен выполняется по указаниям п. 5.31.6.

5.31.6. Внецентренно сжатые в плоскости железобетонные стены рекомендуется рассчитывать с использованием следующих предпосылок:

принимается, что в сжатой зоне сечения сжимающие напряжения изменяются по линейной зависимости от нуля до максимального значения smах £ Rс;

высота сжатой зоны х принимается не более величины хh, вычисляемой по формуле

хR = xR ho,                                                (94)

где xR относительная высота сжатой зоны, характеризующая возможность полного использования сопротивления продольной растянутой арматуры (определяется по СНиП 2.03.01—84); hoрасчетная высота сечения, равная ширине простенка за минусом расстояния от растянутой арматуры до края сечения.

Расчет прочности симметрично армированных внецентренно сжатых железобетонных стен рекомендуется выполнять в следующей последовательности:

вычислить высоту сжатой зоны

x = 2hs/Rc,                                              (95)

где напряжения вычисляются по формуле (84).

Если х £ хh, то требуемая площадь поперечного сечения продольной арматуры As устанавливаемой у растянутой и сжатой кромок сечения, вычисляется по формуле

Аs = [N eoh 0,5 Rc xt (0,5 h x/3)] / [Rc (h 2a)],                       (96)

где a расстояние от продольной арматуры до края сечения.

Если х > хh, то рекомендуется повысить прочность сжатой зоны сечения, например за счет армирования;

проверить прочность стены на совместное действие сжимающих и сдвигающих сил:

для опорного сечения прочность проверяется по формуле

Q £ Rbt xt [w1 + (smax )w2]/smax,                      (97)

где w1 = 2/3 (Rt/),                   (98)

w2 вычисляется по формуле (91);

для среднего сечения в случае, если smin ³Rt и smax £ Rc, то прочность проверяется по формуле (88), в которой принимается  = h; если smin < ‑Rt, то прочность проверяется по формуле (97); напряжения smin и smах вычисляются как для упругого тела.

5.32. Проверку прочности горизонтальных сечений неплоского столба рекомендуется выполнять с использованием предпосылок и допущений, перечисленных в пп. 5.30 и 5.31, а также следующих:

эксцентриситет равнодействующей продольной силы eoh отсчитывается от центра жесткости столба, расположенного на расстоянии уh от наиболее сжатой грани сечения и вычисляемого по формуле

,                            (99)

где tw толщина стенки неплоского столба; h высота горизонтального сечения столба, равная длине в плане его стенки; т количество всех полок столба; af расстояние от полки f до наиболее сжатой грани столба; Ef, Ew приведенные модули деформации соответственно полосы, образующей полку f и стенку столба и вычисляемые по формуле (1); Аfплощадь горизонтального сечения полки f; для слоистых стен все несущие слои предварительно приводятся к одному из них; А приведенная площадь горизонтального сечения

А = ht + ;                                 (100)

при проверке прочности столба сопротивление полок, расположенных в растянутой зоне сечения не учитывается;

для полок, расположенных в сжатой зоне сечения, принимается, что нормальные напряжения равномерно распределены по площади полки; среднее значение сжимающих напряжений в полке sf определяется по формуле

sf = sw Ef/Ew.                                         (101)

где sw значение сжимающих напряжении в стенке в месте ее сопряжения с полкой f;

в случае, если sf > Rcf (где Rcf сопротивление полки сжатию, определяемое по указаниям п. 5.21), то принимается, что sf = Rcf.

5.33. Для расчета прочности неплоского столба по горизонтальным сечениям рекомендуется использовать изложенный в п. 5.31 алгоритм с учетом следующих особенностей.

5.33.1. Предельная несущая способность неплоского столба при сжатии вычисляется по формуле

Nmах = Nw x/h + ,                             (102)

где Nw несущая способность стенки при равномерном сжатии по ее длине

Nw = Rcw th,                                            (103)

Rcw приведенное сопротивление стенки сжатию, вычисляемое для опорных и средних сечений соответственно по формулам (24) и (25); х высота сжатой зоны сечения

,                (104)

an расстояние по длине стенки от равнодействующей продольной сжимающей силы N до наиболее сжатой грани горизонтального сечения столба

aN = yh ‑ eoh;                                           (105)

тc количество полок, расположенных в пределах длины сжатой зоны сечения, определяемое последовательными приближениями; в первом приближении в расчет включаются все полки, расположенные в пределах длины 2aN от наиболее сжатой грани; sf среднее значение сжимающих напряжений в полке, определяемое по формуле (101), принимая, что напряжение sw = Rсw; если sf > Rcf, то принимается, что sf = Rcf.

Если в формуле (104) подкоренное значение оказывается отрицательным, это означает, что граница сжатой зоны проходит по толщине одной из полок. Эту полку рекомендуется исключить из состава полок сжатой зоны и повторить расчет.

5.33.2. Минимальные smin и максимальные smax значения сжимающих напряжении в горизонтальном сечении столба при линейном распределении напряжений вычисляются по формулам:

smin = N/A|M|(h ‑ yh)/I;                                (106)

smax = N/A + |M| yh)/I.                                     (107)

где |M| абсолютное значение изгибающего момента, вызывающего общий изгиб столба в плоскости его стенки; I приведенный момент инерции горизонтального сечения неплоского столба

.                        (108)

5.33.3. В случае, если вычисленные по формуле (106) напряжения smin ³ 0 (сечение полностью сжато), а напряжения smax ³ Rcw, то необходимо вместо линейной принять билинейную эпюру сжимающих напряжении, длина наклонного участка которой вычисляется по формуле

,             (109)

В случае, если вычисленные по формуле (106) smin < 0 (сечение имеет сжатую и растянутую зоны), длина сжатой зоны х определяется последовательными приближениями. В качестве начального приближения рекомендуется высоту сжатой зоны определять по формуле

хo = h/(1 ‑ smin /smах).                                       (110)

Уточненное значение высоты сжатой зоны при линейном законе распределения сжимающих напряжений на i-м шаге приближений вычисляется по формуле

xi = 1,5 aN , (111)

где xi1 высота сжатой зоны для предыдущего шага вычислений.

Вычисления по формуле (111) рекомендуется повторять до тех пор, пока не будет выполнено условие |1 ‑ xi /xi-1| £ 0,05.

Если в ходе вычислений по формуле (111) оказывается, что для полки f величина af > x, то полку f следует исключить из числа полок сжатой зоны.

Для столба тавровой формы в плане с полкой в сжатой зоне разрешается принимать, что величина af = 0. Высота сжатой зоны таврового столба определяется по формуле

xi = 1,5 aN .                               (112)

В случае, если длина сжатой зоны вычисляется по формулам (111) или (112), максимальное значение сжимающих напряжений в стенке вычисляется по формуле

.        (113)

Если smax £ Rcw, то сжимающие напряжения в полке f вычисляются по формуле

sf = smax (1 ‑ af / x) Ef / Ew.                             (114)

Для столба тавровой формы в плане с полкой в сжатой зоне разрешается принимать, что

sf = smax Ef / Ew.                                   (115)

Если вычисленные по формуле (113) напряжения smax > Rcw, то вместо линейной необходимо принять билинейную эпюру сжимающих напряжений. Длины  и  соответственно наклонного и прямолинейного участков эпюры сжимающих напряжений определяются совместным решением уравнений:

;        (116)

          (117)

где  — количество полок, расположенных в пределах длины  сжатой зоны сечения; тсобщее количество полок, расположенных в сжатой зоне сечения.

Для столба тавровой формы в плане с полкой в сжатой зоне длина  наклонного участка эпюры сжимающих напряжений определяется по формуле

,                          (118)

а длина участка , где напряжения sw = Rcw, по формуле

.                                  (119)

5.33.4. Сжимающие напряжения в полках, расположенных в пределах наклонного участка эпюры сжимающих напряжений, определяются по формуле

,                                (120)

а для полок, расположенных в пределах участка, где сжимающие напряжения sw = Rcw, сжимающие напряжения в полке определяются по формуле

sf = Rcw Ef/Ew.                                       (121)

5.34. Прочность по наклонным сечениям бетонных столбов разрешается не проверять, если выполнено условие (88).

Прочность по наклонным сечениям железобетонных столбов, в том числе с расчетным поперечным армированием, следует проверять по СНиП 2.03.01—84 с учетом следующих особенностей: вместо призменной прочности бетона Rb в расчетные формулы подставляется приведенное сопротивление бетона сжатия Rc, вычисляемое по формуле (25); длина проекции наклонной толщины на вертикальную ось принимается не больше расстояния до горизонтального сечения столба, в котором прочность обеспечивается сопротивлением только сжатой зоны.

Расчет прочности вертикальных стыков

5.35. Расчет прочности вертикальных стыков сборных элементов и вертикальных технологических швов монолитных стен разрешается выполнять с использованием следующих допущений:

прочность соединений при действии сдвигающих и нормальных сил проверяется независимо;

при расчете соединения на усилия сдвига, вызванные общим изгибом стены в собственной плоскости, сдвигающие силы считаются равномерно распределенными между однотипными шпонками (связями), расположенными в пределах высоты одного этажа;

при наличии разнотипных шпонок (связей) в пределах высоты одного этажа усилия между ними распределяются обратно пропорционально их податливости при сдвиге;

при расчете соединения на усилия сдвига, вызванные местными усилиями, например, вследствие перепада температур по толщине стены, учитывается неравномерность распределения усилий между шпонками или связями;

при учете сопротивления сдвигу перекрытий или монолитных поясов в уровне перекрытий усилия сдвига, приходящиеся на одну шпонку (связь) Vk и на перекрытие (монолитный пояс) Vp, определяются по формулам

Vk = (1/lk)/(1/lр + тk /lk);                             (122)

Vp = (1/lp)/(1/lр + тk /lk);                            (123)

где lk коэффициент податливости при сдвиге одной шпонки (связи); lpто же, плиты перекрытия или монолитного пояса в уровне перекрытия.

Коэффициенты податливости lk и lp определяются по прил. 4.

5.36. Для бесшпоночных соединений расчетная прочность при сдвиге принимается равной меньшей из двух значений усилий Vst и Vcrc, вызывающих разрушение стыка соответственно от взаимного проскальзывания соединяемых частей стены и от образования в зоне стыка наклонных трещин

усилия Vst и Vcrc вычисляются по формулам

Vst = h Rs, tr As,tr;                                       (124)

Vcrc = RcrcAv,                                              (125)

где h коэффициент трения, принимаемый для вертикальных стыков равным: для стыков сборных элементов — 0,6; для технологических швов монолитных стен — 0,8, для вертикальных узлов сопряжения стен из бетонов разных видов через разделительную сетку (см. рис. 15, ж) — 1,4; Rs, tr — расчетное сопротивление растяжению поперечной арматуры, пересекающей стык (шов бетонирования); Аs, tr суммарная площадь сечения поперечной арматуры пересекающей стык (шов бетонирования); Rcrссопротивление стыка образованию наклонных трещин

,                                         (126)

но не более 2 Rbt, Rbt расчетное сопротивление растяжению бетона замоноличивания стыка (монолитной стены);

ss = Rs As,tr /Av.                                        (127)

As,tr площадь вертикального сечения стыка (вдоль плоскости действия сдвигающих усилий).

5.37. Для шпоночных стыков следует различать бетонные и железобетонные соединения.

Сопротивление сдвигу бетонного шпоночного соединения вычисляется без учета сопротивления арматурных связей, сечение которых назначается по конструктивным соображениям. Для вертикальных стыков наружных и внутренних стен следует предусматривать связи для восприятия усилий распора, равных не менее чем 0,2 сдвигающей силы в стыке. Для бетонных шпоночных соединений не допускается образование трещин.

В железобетонном шпоночном соединении площадь сечения поперечных связей As,tr должна удовлетворять условию

As,tr ³ ha V/Rs,tr,                                        (128)

где ha коэффициент, равный отношению силы распора в шпоночном соединении к сдвигающей силе, воспринимающей шпонки,

ha = (tgah)/(1 + h tga),                                   (129)

но не менее 0,2; a — угол наклона площадки смятия к направлению, перпендикулярному плоскости сдвига; V сдвигающая сила в стыке; Rs,trрасчетное сопротивление растяжению поперечной арматуры стыка; при расположении поперечной арматуры только в уровнях верха и низа этажа или в уровне перекрытия сопротивления Rs,tr принимается с коэффициентом 0,8.

5.38. Расчетная прочность при сдвиге Vkb одной шпонки бетонного шпоночного соединения принимается равной меньшему из значений усилий Vsh,b, Vc.b, Vcrc,b, соответствующих разрушению бетонной шпонки соответственно от среза, смятия и образования наклонных трещин

Vsh,b = 1,5 Rb,t Ash;                                   (130)

Vc,b = Rloc Ac;                                             (131)

Vcrc,b = 0,7 Rat Aj;                                     (132)

где Ash площадь среза шпонки; Аc площадь смятия шпонки; Аj площадь продольного сечения стыка, приходящаяся на одну шпонку

Аj = sk bmon,                                               (133)

sk шаг шпонки; bтоп размер по толщине стены полости замоноличивания стыка; Rlocсопротивление шпонки местному смятию, принимаемое равным: для одиночных шпонок 1,5Rb; а для многошпоночных соединений Rb, (Rb расчетная призменная прочность бетона).

При сопряжении перпендикулярно расположенных монолитных стен с помощью сквозных шпонок (см. рис. 15, д) в формуле (130) вместо коэффициента 1,5 принимается 1,8.

5.39. Для железобетонных шпоночных соединений следует различать две стадии работы при сдвиге: до и после образования трещин.

До образования трещин от сдвигающих усилий соединение рассчитывается как бетонное, без учета сопротивления арматуры. Усилие сдвига, вызывающее образование трещин, допускается принимать равным несущей способности при сдвиге бетонного шпоночного соединения.

После образования трещин расчетная прочность при сдвиге железобетонной шпонки принимается равной меньшему из следующих значений усилий Vsh,s, Vch,s, Vcrc,s, вызывающих разрушение железобетонного шпоночного соединения соответственно от среза, смятия и сжатия вдоль наклонных трещин

Vsh,s = (1hha) Vsh,b + h Rs,tr Atr;                  (134)

Vch,s = (1hha) Vc,b + h Rs,tr Atr;                    (135)

Vcrc,s = Atr Rs,tr sk /(tk ‑ tj);                                  (136)

но не менее 1,5 Atr Rs,tr;

где Vsh,b, Vc,b — сопротивления сдвигу бетонных шпонок вычисляемые соответственно по формулам (130), (131); Rs,trсопротивление растяжению поперечной арматуры стыка, принимаемое не более величины = 2,5 Rbt Ash / Atr площадь сечения поперечной арматуры стыка; tk глубина шпонки; tj расстояние между стыкуемыми поверхностями стены.

Для зданий с монолитными и сборно-монолитными перекрытиями, имеющими монолитные железобетонные пояса вдоль стен, а также со сборными плитами перекрытий при платформенном стыке со стенами разрешается при расчете на сдвиг вертикальных стыков стен учитывать сопротивление перекрытия.

Для узлов монолитных стен тавровой и крестообразной формы в плане условие (136) не проверяется.

5.40. Прочность перекрытия при сдвиге вдоль вертикального стыка стен определяется по формуле

Vp = 2 Rbt,p tp (t + bef),                                            (137)

где Rbt,p расчетная прочность при растяжении бетона перекрытия (для сборно-монолитного перекрытия — бетона монолитного железобетонного пояса, расположенного вдоль стен); tp — толщина плиты перекрытия (пояса); t — толщина стены; befэффективная ширина, учитывающая сопротивление срезу плиты за пределами толщин стены и принимаемая равной: 6 tpдля монолитных и сборно-монолитных перекрытий, 2 tpдля сборных перекрытий (при одностороннем опирании перекрытий величина уменьшается вдвое).

5.41. Расчет прочности вертикальных соединений на действие сжимающих сил выполняется аналогично расчету горизонтальных стыков. Для монолитных и сборно-монолитных стен вертикальные соединения проверять на сжатие не требуется.

5.42. Растягивающие усилия, возникающие в вертикальных стыках сборных стен и швах бетонирования монолитных стен, следует воспринимать арматурными связями.

Расчет прочности горизонтальных стыков на сдвиг

5.43. При расчете прочности горизонтальных стыков на сдвиг следует учитывать нормальные силы, действующие перпендикулярно плоскости сдвига. В зависимости от знака и характера приложения нормальной силы необходимо различать следующие расчетные случаи:

а) во всех расчетных комбинациях нагрузок стык сжат (N > 0, при этом равнодействующая сжимающей силы проходит в ядре сечения;

б) то же, что и в случае «а», но в одной или нескольких расчетных комбинациях нагрузок равнодействующая сила проходит вне ядра сечения или N < 0.

5.44. Прочность плоских горизонтальных стыков при сдвиге проверяется по формуле

V £ (Rt + hs) Ac,                                   (138)

где Rt сопротивление растворного шва срезу, принимаемое для растворов марки 50 и выше, в случае, указанном в п. 5.43 а равном 0,16 МПа (1,6 кгс/см2), а в случае указанном в п. 5.43 б, Rt = 0; s — среднее напряжение сжатия в сжатой зоне горизонтального стыка;

h — коэффициент трения, принимаемый для горизонтальных стыков равным: для плоских стыков сборных элементов — 0,6; для горизонтальных технологических швов бетонирования монолитных стен, выполняемых без специальной обработки — 1:

Ас площадь сжатой зоны стыка.

5.45. Для горизонтального стыка с бетонными шпонками прочность при сдвиге проверяется по формуле

V £ hNc + 0,9 mk,c Vk,b,                                          (139)

где Nc действующая на стык сжимающая сила за минусом сжимающих усилий в полках (для столба неплоской формы); mk,c количество шпонок, расположенных в сжатой зоне стыка; Vk,b —сопротивление сдвигу бетонной шпонки, вычисляемое по п. 5.38.

5.46. Для горизонтального стыка с железобетонными шпонками сопротивление сдвигу принимается равным большей из величин ,  вычисляемых по формулам

 = h (Nc + Atr Rs,tr) + 0,9 mk,c Vk,b                 (140)

 = h (Nc + Atr Rs,tr) + 0,6 mk Vk,b                   (141)

где Atr, Rs,tr соответственно площадь сечения и расчетное сопротивление арматуры поперечных связей в горизонтальном стыке; mk,c — количество шпонок, расположенных в сжатой зоне стыка: mk общее количество шпонок в стыке.

5.47. Для горизонтального стыка с замоноличенными бетоном шпонками из прокатного металла (двутавра, уголков и др.) сопротивление сдвигу принимается равным большей из величин:

 = h (Nc + Ash Rs,tr) + 0,9 mk,c Vk,a                 (142)

 = h (Nc + Ash Rs,tr) + 0,6 mk Vk,a                  (143)

где Vk,a сопротивление сдвигу металлической шпонки, принимаемое меньшей из величин Va,b, Va,s, вычисляемых по формулам

Va,b = Rb.mon Ak.c + Rbt.mon Ak.sh;                             (144)

Va,s = Rs Ak,a,                                             (145)

где Rb.mon и Rbt.mon соответственно расчетные сопротивления бетона замоноличивания стыка при сжатии и растяжении; Ak.c — площадь сжатия бетона, через которую передается сдвигающая сила на металлическую шпонку; Ak.sh — площадь среза бетона по боковым и верхней торцевой граням металлической шпонки; Rs сопротивление проката сдвигу, определяемое по СНиП II-23-81*; Ak.a площадь среза металлической шпонки.

Расчет перемычек

5.48. В панелях с проемами перемычка должна быть рассчитана на изгиб от вертикальных нагрузок (от опирающихся на перемычку перекрытий, балконов и т. п.) и на усилия перекоса, возникающие при изгибе стены в собственной плоскости.

При расчете на изгиб от вертикальных нагрузок перемычка рассматривается как балка с защемленными опорами. В перемычках должна быть проверена прочность вертикальных и наклонных сечений.

Расчетные вертикальные сечения перемычек принимаются расположенными в местах защемления перемычки в простенки (опорные сечения) и по середине пролета перемычки в свету. Вертикальные сечения проверяют на действие суммарного изгибающего момента от длительных и кратковременных нагрузок.

В надпроемной перемычке сечение верхней продольной арматуры принимается равным сумме сечений, необходимых для восприятия усилий от вертикальной нагрузки и усилий от перекоса. Сечение нижней продольной арматуры этой перемычки принимается по наибольшему из усилий от вертикальной нагрузки или от перекоса.

В подпроемной (нижней) перемычке панели с оконным проемом требуемое армирование определяется по усилиям от перекоса.

В необходимых случаях площадь продольной арматуры может быть увеличена для восприятия усилий, возникающих при извлечении панелей из формы или при перевозке.

Для вертикальных сечений должна быть проверена величина раскрытия трещин.

5.49. Расчетные наклонные сечения перемычек, для которых отношение длины пролета l к расчетной высоте перемычки h0 £ 1,5 и менее, принимаются проходящими через низ и верх противоположных опорных сечений. Для таких перемычек длина проекции наклонного сечения на ось перемычки равна ее пролету в свету.

Для перемычек с соотношением l/h0 более 1,5 следует проверять расчетные наклонные сечения, проходящие через верх или низ одного из опорных сечений перемычки, а также через точку на оси перемычки, где изгибающий момент от перекоса перемычки равен нулю. Длину проекции наклонного сечения рекомендуется принимать не более 1,5 h0, где h0 расчетная высота поперечного сечения перемычки.

КРУПНОПАНЕЛЬНЫЕ БЕТОННЫЕ И ЖЕЛЕЗОБЕТОННЫЕ СТЕНЫ

5.50. Для несущих и самонесущих стен следует применять однорядную разрезку на панели (панели высотой на этаж).

Панели ненесущих стен и перегородок могут иметь однорядную, двухрядную или вертикальную полосовую разрезки.

Разрезку стен на панели и назначение размеров конструктивных элементов зданий и конструкций стен рекомендуется выполнять с учетом вариантности конструктивных решений панелей и их взаимозаменяемость (возможность применения однослойных в слоистых панелей, панелей бетонных и с обшивками из листовых материалов и пр.), а также возможность использования нескольких видов основных материалов (различных видов легкого бетона, ячеистого бетона, различных утеплителей, отделочных и других материалов).

В случаях, когда замена панелей одного типа на другой тип приводит к неполному использованию физико-механических или теплотехнических характеристик панелей, рекомендуется предусматривать решения стыков между наружными и внутренними конструкциями и решения внутренних конструкций, рассчитанные на применение наружных стеновых панелей какого-либо одного типа (например, бетонных, только однослойных или только трехслойных). Детали для подъема панелей из тяжелого бетона рекомендуется проектировать по прил. 5.

Панели наружных стен

5.51. Координационные размеры панелей наружных стен, толщина слоев, классы бетона по прочности на сжатие, марки бетона и раствора по морозостойкости и средней плотности следует назначать по ГОСТ 11024—84*.

5.52. Панели наружных стен в зависимости от конкретных условий строительства можно проектировать однослойными или слоистыми.

5.53. Панели наружных стен рекомендуется проектировать цельной конструкции. Для однослойных панелей из ячеистого бетона и слоистых панелей допускается применять составные конструкции.

5.54. Защитно-декоративную отделку панелей наружных стен следует выбирать с учетом способа изготовления панели и материала ее наружного основного слоя.

Для однослойных панелей из легкого бетона и слоистых панелей с наружным основным слоем из тяжелого или легкого бетона рекомендуется предусматривать следующие виды отделки наружных (фасадных) поверхностей:

а) при изготовлении фасадной поверхностью вниз:

облицовка плитками керамическими, стеклянными или из природного камня;

отделка декоративным бетоном с обнаженным заполнителем;

отделка слоем раствора или мелкозернистого бетона с рельефной или ровной поверхностью;

окраска атмосферостойкими красками;

б) при изготовлении фасадной поверхностью вверх:

отделка слоем бетона с обнаженным заполнителем;

присыпка или втапливание декоративных дробленых материалов (мрамора, гранита, цветного стекла и др.);

отделка керамической глазурью;

окраска атмосферостойкими красками.

5.55. Для однослойных панелей из ячеистого бетона защитно-декоративная отделка наружных поверхностей может предусматриваться до и после автоклавной обработки. До автоклавной обработки при изготовлении панелей фасадной поверхностью вниз можно предусматривать:

отделку поризованными растворами плотностью 1200 — 1400 кг/м3 на цветном цементе с гладкой или рельефной поверхностью;

отделку по слою поризованного раствора или непосредственно по бетону основного слоя каменными дроблеными материалами фракцией 20 мм, стеклянными или неглазурованными керамическими плитками размером 22´22 или 48´48 мм.

Послеавтоклавную декоративную отделку фасадной поверхности рекомендуется предусматривать в виде окраски синтетическими красками; стирол-бутадиеновыми, поливинилацетатными (ПВАЦ), цементно-перхлорвиниловыми (ЦПВХ) или гидрофобными эмалями.

При отделке панелей из ячеистого бетона каменными дроблеными материалами или плитками следует предусматривать окраску фасадной поверхности кремнийорганическим составом.

5.56. Двухслойные панели с наружным теплоизоляционным слоем из крупнопористого бетона должны иметь защитно-декоративный слой из тяжелого или мелкозернистого бетона плотной структуры.

5.57. Внутренний отделочный слой из раствора рекомендуется предусматривать в однослойных панелях наружных стен из легких бетонов и в слоистых панелях с основным внутренним слоем из легкого бетона при изготовлении панелей фасадной поверхностью вниз.

5.58. Панели наружных стен рекомендуется армировать пространственными арматурными блоками, собираемыми из вертикальных и горизонтальных каркасов, сеток и отдельных арматурных изделий (закладных деталей, подъемных петель и др.).

5.59. В однослойных бетонных панелях (без расчетного вертикального армирования) вертикальные поперечные каркасы рекомендуется располагать с шагом по длине панели не более 1,5 м, при этом следует предусматривать установку каркасов по краям панели и вдоль проемов. Горизонтальные поперечные каркасы следует располагать вдоль горизонтальных кромок панели, а также над и под проемами. Диаметр продольных стержней каркасов рекомендуется принимать не менее 5, хомутов — 4 мм. Армирование перемычек, на которые опираются плиты перекрытий, следует назначать по расчету.

Для ограничения раскрытия трещин в углах проемов рекомендуется предусматривать дополнительное армирование наклонными стержнями, Г-образными сетками или другими способами.

В железобетонных панелях, для которых требуется вертикальное армирование простенков для обеспечения их прочности при внецентренном сжатии из плоскости стены, армирование следует назначать по СНиП 2.03.01—84.

5.60. В двухслойных панелях внутренний несущий слой должен иметь двухстороннее армирование, образуемое продольными стержнями поперечных каркасов и (или) сетками. У наружной (фасадной) поверхности панели следует предусматривать установку арматурной сетки. При наружном утепляющем слое из крупнопористого бетона арматурную сетку следует располагать в пределах толщины защитно-декоративного слоя панели. Требуемую по расчету арматуру, подъемные петли и арматурные связи следует размещать во внутреннем несущем слое.

5.61. Армирование трехслойных панелей с соединительными армированными ребрами между внешними бетонными слоями рекомендуется принимать аналогичным армированию однослойных панелей (см. п. 5.59). Армирование соединительных ребер следует назначать по расчету, в том числе с учетом усилий от температурных климатических воздействий.

5.62. Для трехслойных панелей с гибкими связями рекомендуется принимать следующую схему армирования:

двухстороннее армирование внутреннего несущего слоя вертикальными и горизонтальными каркасами, расположенными перпендикулярно плоскости стены и объединенными в единый арматурный блок совместно с каркасами перемычек; каркасы рекомендуется располагать по периметру панели, по контуру проемов, а также в простенках с шагом не более 1,5 м;

армирование сеткой из стержней диаметром не менее 3 мм наружного бетонного слоя.

Для соединения наружного и внутреннего слоев панели следует предусматривать металлические связи. Подъемные петли и арматурные выпуска для соединения панели с другими конструкциями здания следует размещать во внутреннем слое панели.

5.63. Металлические связи трехслойных панелей должны обеспечивать передачу усилий от наружного слоя на внутренний несущий слой. При этом конструкция связей и их расположение по полю стены не должны создавать препятствия для свободных температурных деформаций наружного слоя.

Рекомендуется предусматривать три типа гибких связей: подвески, подкосы и распорки.

Подвески предназначены для передачи вертикальной нагрузки от наружного бетонного слоя панели на внутренний несущий слой. Подвески рекомендуется конструировать так, чтобы они обеспечивали передачу вертикальных нагрузок на внутренний слой без участия других связей панели. С этой целью подвеска должна иметь растянутый и сжатый подкосы, надежно заанкеренные в наружном и внутреннем слоях панели. Металлические связи составных панелей можно выполнять в виде податливых соединений закладных деталей. Панель должна иметь не менее двух подвесок.

Подкосы предназначены для фиксации положения наружного слоя относительно внутреннего и ограничения взаимного сдвига слоев в горизонтальной плоскости. Подкосы конструируют по типу подвесок, но располагают в горизонтальной плоскости.

Распорки предназначены для передачи от наружного слоя на внутренний горизонтальных нагрузок от ветра и других воздействий. Распорки можно использовать для фиксации положения плитного теплоизоляционного материала при бетонировании панели.

Металлические связи следует выполнять из коррозионно-стойких сортов стали. Допускается применять гибкие связи из стержней горячекатаной стали классов А-I, А-II и ВрI с противокоррозионным покрытием, обеспечивающим требуемый срок службы гибкой связи. Рецептуру и толщину противокоррозионных покрытий следует назначать по расчету с учетом вида материала теплоизоляционного слоя, агрессивности внешней среды и срока службы здания.

5.64. Для теплоизоляционного слоя трехслойных панелей рекомендуется применять жесткие теплоизоляционные материалы.

Полужесткие теплоизоляционные материалы допускается применять только в сочетании с жесткими. В этом случае полужесткий теплоизоляционный материал укладывают непосредственно на слой бетона, являющийся нижним при бетонировании.

Деление теплоизоляционных материалов на жесткие и полужесткие выполняется в зависимости от коэффициента их уплотнения, равного отношению уменьшения толщины слоя теплоизоляции после обжатия к начальной толщине слоя. Коэффициент уплотнения для жестких теплоизоляционных материалов должен быть 0,06 и менее; для полужестких материалов — более 0,06, но не более 0,2.

Плиты из влагоемких теплоизоляционных материалов необходимо защищать от увлажнения при формовании пакетированием в водозащитные оболочки.

5.65. Наружную стеновую панель с экраном на относе рекомендуется проектировать как составную, которая состоит из основной панели и экрана, закрепленного на ней с помощью соединительных связей.

В двухслойных панелях внутренний слой рекомендуется проектировать из легкого бетона, а экран — из тяжелого или плотного легкого бетона. Связи основной панели и экрана рекомендуется выполнять в виде отдельных соединительных элементов из коррозионно-стойкой стали или обычной стали, защищенной от коррозии.

Панели внутренних стен

5.66. Проектные размеры, классы бетона по прочности на сжатие, марки по морозостойкости панелей внутренних стен следует принимать по ГОСТ 12504—80*.

5.67. Панели внутренних стен рекомендуется проектировать однорядной разрезки (высотой на этаж) сплошного сечения. При технико-экономическом обосновании допускается проектировать панели с пустотами.

5.68. Панели внутренних стен с дверными проемами рекомендуется проектировать замкнутыми с железобетонной перемычкой или арматурным каркасом по низу проема.

Простенки шириной менее 0,3 м проектировать не рекомендуется. При расположении дверного проема у края панели надпроемную перемычку следует проектировать как консольный элемент стеновой панели.

5.69. Конструктивное армирование бетонных панелей внутренних стен рекомендуется принимать двухсторонним из плоских или гнутых вертикальных и горизонтальных каркасов и отдельных стержней, объединенных и единый арматурный каркас. Расстояние между вертикальными каркасами следует принимать не более 1,5 м. Горизонтальные каркасы следует, как минимум, располагать по верху и низу панели.

Площадь сечения вертикальной и горизонтальной арматуры, устанавливаемой у каждой из сторон панели, следует принимать не менее, для панелей из тяжелого, легкого и ячеистого бетонов 0,2 см2/м, для панелей из силикатного бетона — 0,3 см2/м.

Бетонные панели внутренних стен, изготавливаемые в горизонтальном положении, допускается армировать одной сеткой, расположенной у грани панели, обращенной к поддону формы. Кроме сетки, панель должна быть армирована каркасами по периметру панели. Суммарная площадь сечения арматуры сеток и каркасов по вертикальному и горизонтальному сечениям должна быть не менее 0,4 см2/м.

5.70. В панелях внутренних стен с проемами необходимо устанавливать в плоскости перемычек парные вертикальные каркасы, продольные стержни которых следует заводить за грань проема не менее чем на 0,5 м. По низу проема следует предусматривать железобетонную перемычку или арматурный каркас.

Простенки шириной 0,6 м и менее должны иметь не менее двух вертикальных каркасов, соединенных между собой с двух сторон горизонтальными стержнями с шагом не более 0,3 м.

Диаметр продольных стержней каркасов рекомендуется принимать не менее 5 мм, диаметр поперечных стержней — не менее 3 мм.

5.71. Железобетонные панели внутренних стен рекомендуется армировать поперечными вертикальными каркасами, расположенными с шагом не более 0,4 м и объединенными в арматурный блок горизонтальными каркасами вверху и внизу панели и отдельными стержнями по высоте панели с шагом 0,5 — 0,6 м. Площадь сечения вертикальной арматуры устанавливается по расчету, но принимается не менее требуемой для внецентренно сжатых железобетонных элементов. Диаметр вертикальных и горизонтальных стержней рекомендуется принимать не менее 8 мм. Поперечные стержни каркасов следует располагать с шагом не более 20d, где d — диаметр продольных стержней каркаса.

Если требуемая по расчету площадь сечения продольных стержней вертикальных каркасов меньше площади сечения, соответствующей минимальному проценту армирования, то железобетонные панели внутренних стен разрешается армировать двумя сетками с шагом вертикальных стержней не более 0,4 м, объединенными в арматурный блок вертикальными и горизонтальными каркасами. Расстояние между вертикальными каркасами следует принимать не более 1 м, диаметр продольных стержней каркасов рекомендуется принимать не менее 5 мм.

5.72. Многопустотные панели внутренних стен рекомендуется армировать с двух сторон сетками, объединенными по контуру панели или блока каркасами.

5.73. Для обеспечения требуемой звукоизоляции внутренних стен и их стыков рекомендуется:

проектировать стыки внутренних межквартирных стен профилированной формы в плане, при плоской форме вертикальных торцов панелей предусматривать уплотнение стыков упругими звукоизоляционными прокладками;

предусматривать заполнение раствором горизонтальных стыков панелей внутренних стен с перекрытиями;

места пропуска труб через перекрытия и межкомнатные стены уплотнять асбестовым шнуром или устанавливать гильзы из асбестового картона (через межквартирные стены пропуск труб не допускается);

применять для скрытой электроразводки трубки и распаячные коробки, замоноличенные в теле панели;

в межквартирных стенах устраивать раздельные каналы электропроводки для каждой из квартир;

в случае двухстороннего расположения распаячных коробок, штепсельных розеток, выключателей или другого электрооборудования устраивать между ними бетонные перемычки толщиной не менее 40 мм;

положение лунок и отверстий согласовывать с расположением арматуры в панелях.

Вентиляционные блоки, шахты и электропанели

5.74. Панели и блоки с каналами и шахтами для вентиляции и дымоудаления рекомендуется проектировать самонесущими или ненесущим. Вентиляционные каналы разрешается размещать в панелях несущих стен. Конструкция горизонтальных стыков таких панелей и блоков должна обеспечивать их надежную герметизацию.

5.75. Дымоходы для отвода дымовоздушной смеси от отопительных и нагревательных приборов следует размещать в бетонных самонесущих блоках высотой на этаж.

В зданиях высотой не более пяти этажей допускается устраивать дымоходы в несущих стенах.

Если температура отводящих газов до 200 °С, то блоки с дымоходами предусматриваются в зданиях высотой не более девяти этажей. Расчетную прочность бетона на сжатие таких блоков с дымоходами следует назначать на 25 % выше расчетной прочности бетона, требуемой по условиям прочности.

Если температура отводящихся газов достигает 600 °С, то блоки с дымоходами допускаются в зданиях не более трех этажей и выполняются из жаростойкого бетона.

5.76. Вентиляционные шахты дымоудаления допускается объединять с тюбингами лифтовой шахты в один сборный элемент.

Вентиляционные панели и шахты, устанавливаемые выше чердачного перекрытия при холодном чердаке или выше кровли при теплом чердаке, должны быть утепленными. Сопротивление теплопередаче стенок панели или шахты (при учете утепляющего слоя) должно составлять не менее 0,8 сопротивления теплопередаче наружной стены.

5.77. Шахты мусороудаления рекомендуется проектировать ненесущими или самонесущими из асбестоцементных труб или бетонных блоков; для последних следует применять бетоны стойкие к коррозии. Бетонные шахты мусороудаления не разрешается объединять с шахтой лифта.

5.78. Шахты для вертикальных инженерных разводок рекомендуется выполнять в составе объемных элементов санитарных кабин и кухонь или в виде специальных панелей, которые могут проектироваться несущими, самонесущими и ненесущими.

5.79. Лифтовые шахты рекомендуется проектировать из объемных элементов заводского изготовления, имеющих закладные детали для крепления направляющих и другого оборудования.

Сопряжение элементов лифтовой шахты по высоте рекомендуется проектировать контактным с опиранием их друг на друга по всему контуру через слой раствора. Расчетное значение прочности раствора назначается по расчету, но не менее расчетной прочности, принимаемой для стыков несущих стен.

Воздушный зазор между внешней поверхностью стенок лифтовой шахты и примыкающими внутренними стенами должен составлять не менее 40 мм.

Зазор между перекрытиями и стенками шахты должен быть не менее 20 мм и заполняться упругими прокладками.

5.80. Панели и блоки с каналами шахты для вертикальных инженерных коммуникаций, вентиляции, дымоудаления и лифтовые шахты рекомендуется армировать сетками.

Перегородки

5.81. Бетонные перегородки рекомендуется проектировать однорядной разрезки размером на комнату при необходимости с дверными проемами.

Однослойные бетонные панели перегородок рекомендуется проектировать из тяжелого, легкого или автоклавного ячеистого бетона, а также гипсобетона.

Панели из автоклавного ячеистого бетона и гипсобетона толщиной 80 — 100 мм следует применять для межкомнатных перегородок.

При применении двойных межквартирных перегородок толщина воздушного промежутка между панелями должна быть не менее 60 мм.

СТЕНЫ ИЗ МОНОЛИТНОГО БЕТОНА

5.82. Наружные и внутренние стены из монолитного бетона при применении переставных опалубок возводятся одновременно или последовательно (сначала внутренние стены, а затем наружные или наоборот).

Внутренние монолитные стены рекомендуется проектировать однослойными. Наружные стены могут быть однослойными или слоистыми.

5.83. Для возведения несущих стен из монолитного бетона рекомендуется применять тяжелые бетоны класса не ниже В7,5 и легкие бетоны класса не ниже В5. В зданиях высотой четыре и менее этажей допускается в несущих стенах применять легкие бетоны класса В3,5. Для внутренних стен плотность легких бетонов должна быть не ниже 1700 кг/м3.

5.84. Монолитные однослойные наружные стены рекомендуется проектировать из легкого бетона плотной структуры. При межзерновой пористости бетона не более 3 % и класса бетона не ниже В3,5 в нормальной и сухой по влажности зонах допускается наружные стены проектировать без защитно-декоративного слоя. Наружные легкобетонные стены без защитно-декоративного слоя следует окрашивать гидрофобными составами.

Наружные однослойные стены рекомендуется проектировать из легких бетонов с плотностью не более 1400 кг/м3. При технико-экономическом обосновании в однослойных наружных стенах допускается применять легкие бетоны плотностью более 1400 кг/м3.

5.85. Слоистые наружные стены можно проектировать из двух или трех основных слоев. Двухслойные наружные стены могут иметь утепляющий слой с наружной или внутренней стороны. В трехслойных наружных стенах утепляющий слой располагается между бетонными слоями.

5.86. Двухслойные наружные стены с утеплителем с наружной стороны могут быть монолитными и сборно-монолитными.

Монолитные стены возводят в два этапа. На первом этапе в переставных опалубках из тяжелого бетона возводят внутренний слой стены, на втором — наружный слой из теплоизоляционного легкого монолитного бетона.

Сборно-монолитная стена состоит из внутреннего монолитного слоя, выполняемого из тяжелого бетона, и наружного слоя — из сборных элементов.

5.87. Двухслойная наружная стена с утеплением с внутренней стороны состоит из наружного монолитного бетонного слоя, внутреннего утепляющего слоя — из газобетонных блоков толщиной не более 5 см или из жестких плитных утеплителей (например, из пенополистирола) толщиной не более 3 см и внутреннего отделочного слоя (рис. 26, а).

Ограничение толщин утепляющих слоев связано с обеспечением нормального тепловлажностного режима стен.

Тяжелый бетон целесообразно применять при расчетных зимних температурах, не превышающих минус 7°С. В остальных случаях необходимо применять легкие бетоны.

Рекомендуется два варианта возведения наружных монолитных стен с утеплением с внутренней стороны:

сначала на внутреннем щите опалубки укладывают слой утеплителя, затем опалубку собирают и бетонируют слой из монолитного бетона. При этом можно применять некалиброванные по толщине плиты утеплителя;

плиты утеплителя устанавливают после бетонирования стен.

При этом необходимо применять калиброванные по толщине плиты утеплителя.

При проектировании двухслойных стен с утеплителем с внутренней стороны следует учитывать, что возведение таких стен проще, чем стен с утеплителем с наружной стороны, но их применение ограничивается условием отсутствия точки росы в пределах толщины утепляющего слоя.

5.88. Трехслойные наружные стены рекомендуется проектировать сборно-монолитными, состоящими из внутреннего несущего слоя монолитного тяжелого бетона и утепленной сборной панели-скорлупы, устанавливаемой с наружной стороны. Панель-скорлупу можно устанавливать до и после возведения монолитной части стены (рис. 26, б).

Допускается трехслойные наружные стены проектировать с наружными и внутренними слоями из монолитного бетона и утепляющим слоем из жестких плитных утеплителей (рис. 26, в).

Рис. 26. Наружные стены монолитных зданий

а — двухслойная; б — трехслойная с наружным слоем из сборной панели скорлупы; в — то же, с внешними слоями из монолитного бетона

1 — блочная опалубка; 2 — панель-скорлупа; 3 — монолитный бетон стены; 4 рабочие подмостки; 5 крепежная система панели-скорлупы; 6 — утеплитель; 7 связь; 8 щиты опалубки; 9 — бадья; 10 рассекатель; 11 бетон

5.89. Конструктивное армирование стен следует предусматривать двух типов в зависимости от напряженного состояния стены:

если от расчетных нагрузок в сечении стены возникают растягивающие напряжения или в полностью сжатом сечении стены минимальные сжимающие напряжения в бетоне s £ 1 МПа (10 кгс/см2), то конструктивное армирование рекомендуется принимать по всему полю стены, при этом количество вертикальной и горизонтальной арматуры должно быть не менее 0,025 % соответствующего поперечного сечения стены;

в остальных случаях конструктивную арматуру устанавливают только по контуру стены, а в пересечениях несущих стен, в местах резкого изменения толщин стен, у граней дверных и оконных проемов и у граней отверстий устанавливают вертикальную арматуру площадью сечения не менее 1 см3.

Вертикальную конструктивную арматуру рекомендуется проектировать в виде гнутых (Г-образных) каркасов.

Стыкование вертикальных каркасов по высоте здания рекомендуется производить в уровне перекрытий внахлестку без сварки. Величина перепуска определяется расчетом. При конструктивном армировании стен величина перепуска принимается не менее 200 мм независимо от диаметра вертикальной арматуры. При сборных перекрытиях стыкование арматурных каркасов рекомендуется производить сдельными стержнями, устанавливаемыми между торцами плит перекрытий.

Роль горизонтальной конструктивной арматуры в случае применения неразрезных монолитных, а также сборных и сборно-монолитных перекрытий, опертых по контуру или трем сторонам, выполняет конструктивная арматура в перекрытиях, расположенная параллельно стенам. В случае применения сборных балочных перекрытий рекомендуется устанавливать дополнительную горизонтальную арматуру в местах сопряжения их с монолитными стенами.

5.90. Расчетное армирование стен из монолитного бетона на внецентренное сжатие из плоскости рекомендуется выполнять арматурными блоками, собираемыми из Г-образных каркасов на строительной площадке. Следует предусматривать дифференцированное расчетное армирование по высоте здания в соответствии с изменением усилий в конструкциях.

Уменьшение расчетного армирования по высоте здания следует осуществлять за счет более редкого расположения вертикальных каркасов и (или) уменьшения диаметра вертикальных стержней.

5.91. Повышение трещиностойкости монолитных стен (ограничение по трещинообразованию или ширине раскрытия трещин) может быть достигнуто за счет выбора рациональных конструктивных систем и конструктивно-технологического решения стен; рационального применения материалов в наружных и внутренних стенах в соответствии с указаниями пп. 5.92—5.93.

5.92. Для предотвращения образования сквозных вертикальных температурно-усадочных трещин рекомендуется назначать отношение длины стены к высоте этажа не более двух.

В случае, если длина стены превышает вдвое высоту этажа, то в глухих участках стен рекомендуется устраивать вертикальные технологические швы.

5.93. Для ограничения раскрытия наклонных трещин во внутренних стенах верхних этажей зданий перекрестно-стеновой конструктивной системы с несущими наружными стенами разность D перемещений сопрягаемых участков наружной и внутренней стен не должны превышать величин, приведенных в табл. 7.

Таблица 7

Высота стены, м

15

18

21

24

27

36 и более

Допускаемая разность перемещения сопрягаемых стен, мм

7

8

9

10

12

15

Для уменьшения разности вертикальных перемещений несущих стен рекомендуется их выполнять из разных бетонов. При невозможности обеспечить за счет соответствующего подбора состава бетона и толщин стен допустимой разности их вертикальных перемещений следует наружные стены проектировать ненесущими.

Разность перемещений определяется в предположении свободных деформаций сопрягаемых стен по формуле

,                     (146)

где hjвысота этажа j; s1, s2 средние сжимающие напряжения соответственно в наружной и внутренней стенах от длительно действующей вертикальной нагрузки в уровне этажа j; Е1j, Е2j модули деформации бетона соответственно наружной и внутренней стен при длительном действии нагрузки; e1, e2 деформации свободной усадки соответственно наружной и внутренней стен, определяемой по п. 5.94; n количество этажей.

Определение величины D следует производить дважды: через год после начала эксплуатации здания и на момент достижения предельных значений деформаций (Т = ¥). В расчете принимают большую величину.

5.94. Деформации свободной усадки стен из монолитного бетона рекомендуется определять по формуле

e = eи gw gt gT,                                          (147)

где eипредельные деформации усадки бетона

;                                (148)

В — расходы воды на 1м3 бетонной смеси, кг; Ц — расход цемента на 1 м3 бетонной смеси, кг; gb — коэффициент, учитывающий вид бетона, определяется по результатам испытаний. При отсутствии экспериментальных данных принимается равным: для тяжелого бетона — 1; легких бетонов — 1,3; gt — коэффициент, учитывающий толщину стены, определяется по табл. 8; gТкоэффициент, учитывающий продолжительность усадки бетона gТ = T/(T + а); Т — время, прошедшее после укладки бетона в опалубку, сутки; а — коэффициент, определяемый по табл. 8.

Таблица 8

Толщина стены, см

10

20

30

40

50

gt

1

0,8

0,7

0,6

0,5

а

100

100

125

150

200

gw — коэффициент, учитывающий относительную влажность воздуха окружающей среды (w);

при 10 % £ w < 30 % gw = 2 0,02 w;

при 30 % £ w < 60 % gw = 1,4 — 0,01 w.

В период возведения здания (до начала отделочных работ) относительная влажность воздуха для наружных и внутренних стен определяется для соответствующего региона по СНиП 2.01.01—82.

В период выполнения отделочных работ и эксплуатации значение влажности определяется следующим образом. В отопительный период влажность воздуха для внутренних стен определяется по экспериментальным данным, а при их отсутствии — равной 40 %; для наружных стен — равной среднеарифметическому значению между влажностью наружного воздуха и внутри помещения. В остальное время влажность воздуха для наружных и внутренних стен принимаются по СНиП 2.01.01—82.

5.95. При невыполнении ограничений п. 5.93 по разности перемещений сопрягаемых участков наружной и внутренней стен D рекомендуется конструктивное армирование внутренних стен в верхних этажах при высоте здания 12 этажей и более. При этом армируются только участки внутренних стен, сопряженные с наружными стенами. Арматуру следует устанавливать на участке от грани наружной стены до проема или до пересечения со стеной другого направления. Армируют стены трех верхних этажей (включая технический этаж).

Армирование рекомендуется производить каркасами в вертикальном и отдельными стержнями в горизонтальном направлении с шагом 400 мм из арматуры диаметром 6 мм, класса А-III, объединенными в пространственный блок или сетками из арматуры диаметром 5 мм, класса Вр-I с ячейкой 250´250 мм у обеих граней стены.

СТЕНЫ И ПЕРЕГОРОДКИ С ОБШИВКАМИ ИЗ ЛИСТОВЫХ МАТЕРИАЛОВ

5.96. Наружные стены и перегородки с обшивками из листовых материалов рекомендуется проектировать в виде слоистых каркасных панелей заводского изготовления. Перегородки с обшивками из листовых материалов могут собираться непосредственно на месте возведения из отдельных элементов (перегородки поэлементной сборки).

5.97. Слоистые панели рекомендуется проектировать однорядной разрезки (высотой на этаж). Длину панелей наружных стен рекомендуется принимать равной шагу вертикальных несущих конструкций здания (за вычетом необходимых зазоров). Длину (ширину) панелей перегородок рекомендуется принимать равной 60, 90 и 120 см. Панели слоистых перегородок рекомендуется устанавливать после монтажа несущих конструкций.

При конструировании панелей рекомендуется предусматривать возможность беспетлевого монтажа или установку специальных строповочных деталей. Панели с проемами рекомендуется проектировать с использованием стандартных оконных и дверных блоков.

5.98. Наружные стены и перегородки с обшивками из листовых материалов следует проектировать ненесущими. Для предотвращения передачи на них усилий, возникающих при деформациях несущих конструкций зданий, необходимо предусматривать зазоры, уплотняемые упругими прокладками и перекрываемые при необходимости нащельниками.

Ненесущие наружные стены и перегородки должны воспринимать и передавать несущим конструкциям здания усилия от непосредственно приложенных к ним нагрузок (ветровых, от подвесного оборудования, ударных и др.). При жестком (например, клеевом) соединении наружной обшивки с каркасом необходимо выполнить расчет панелей наружных стен на усилия от температурных деформаций. При податливом соединении обшивки с каркасом (шурупы, профильные раскладки) температурные деформации могут в расчете не учитываться.

5.99. Ветровая нагрузка на навесные панели наружных стен определяется по СНиП 2.01.07-85, раздельно для наветренной и заветренной сторон здания. Ветровая нагрузка на легкие перегородки массой 1 м2 не более 100 кг принимается в размере 0,2 от значения скоростного напора ветра на соответствующей высоте, но не менее 0,2 кН/м2 (20 кгс/м2).

Местные нагрузки на наружные стены и перегородки с листовыми обшивками следует определять по табл. 9.

Расчет панели с обшивками из листовых материалов разрешается не выполнять, если имеются данные о ее испытаниях.

Таблица 9

 

 

Нагрузки

Длитель­ность действия нагрузки

Нормати­вное значение нагрузки

Коэффи­циент надеж­ности по нагрузке

 

Место приложения нагрузки

Статические

 

 

 

 

Горизонтальная равномерно рас­пределенная по длине панели (от оборудования, ме­бели и др.)

Крат­ковременная

500 Н/м

1,2

В панелях с окопными про­емами — на уровне низа проемов, в глу­хих — на уровне сере­дины высоты панели

То же, сосредото­ченная

То же

500 Н

1,2

В любом месте глухой части панели на пло­щади размером 10´10 см

Вертикальная со­средоточенная от навешиваемых предметов, дейст­вующая в плоско­сти обшивки па­нели

Дли­тельная

200 Н

1,2

В любом месте глухой части панели

Сосредоточенная моментная на­грузка от верти­кально действую­щей силы

То же

250 Н×н

1,2

То же

Динамические (ударные)

 

 

 

 

Удар мягким те­лом

Крат­ковременная

120 Дж 250

В любом месте глухой части панели

То же, твердым

То же

2,5 Дж

¾

То же

При испытании панели и элементов ее крепления на статические нагрузки разрушающая нагрузка должна не менее чем в два раза превышать значение нормативной нагрузки.

Испытание на удар мягким телом следует выполнять при вертикальном положении панели. Ударная нагрузка создается мешком с песком массой 30 или 50 кг.

При энергии удара 120 Дж не должны образовываться трещины и остаточные прогибы; при энергии удара 250 Дж не должно происходить разрушение несменяемых частей конструкции. При однократном действии ударной нагрузкой глубина вмятины на поверхности обшивки не должна превышать 1 мм. Испытание на удар твердым телом выполняется только для внутренней обшивки панели. Для удара используется стальной шар массой 0,5 кг. При энергии удара 2,7 Дж в обшивке не должны образовываться трещины, а диаметр вмятин не должен превышать 20 мм.

Панели рекомендуется испытывать с деталями крепления, что позволяет создавать условия, соответствующие действительным условиям в здании.

Прогибы панелей наружных стен и перегородок (в долях расчетного пролета) не должны превышать от статических нагрузок ¾ 1/200 от динамических нагрузок — 1/100.

Панели наружных стен

5.100. Слоистые панели каркасного типа состоят из каркаса, обшитого с двух сторон на глухих участках листовым материалом, и несгораемого или трудносгораемого утеплителя.

В районах со средней расчетной температурой наиболее холодных суток минус 30° и ниже, а также в жилых домах этажностью свыше девяти рекомендуется применять легкие навесные панели с экранами. Такие панели должны содержать дополнительный средний слой противоветровой преграды из листового материала и экран, располагаемый на относе по отношению к основной панели так, чтобы между ним и слоем противоветровой преграды образовалась воздушная прослойка. Для крепления экрана по периметру глухих участков панели устраивают дополнительный накладной слой каркаса. Листы экрана крепят к этому слою с помощью профильных раскладок или шурупов с шайбой.

5.101. Для помещений с нормируемой влажностью воздуха не более 60 % в каркасных панелях наружных стен рекомендуется применять деревянный каркас с элементами сплошного или составного сечения. Каркас с элементами сплошного сечения выполняется из брусков, толщина которых равна толщине каркаса. Каркас с элементами составного сечения выполняют из парных вертикальных и расположенных между ними одиночных горизонтальных основных брусков, образующих несущую основу каркасов. К горизонтальным основным брускам прикрепляют подкладные бруски.

Вертикальные и горизонтальные элементы каркаса рекомендуется соединять оцинкованными шурупами и клеем. В угловых соединениях рекомендуется устанавливать угловые накладки из стальной полосы толщиной 2 мм. Рабочие и подкладочные бруски соединяются между собой гвоздями, а по контуру проемов — гвоздями и клеем.

Для каркаса рекомендуется применять антисептированные материалы из сосны или ели 2-й категории.

5.102. Для наружной обшивки рекомендуется применять листы асбестоцементные (ГОСТ 18124—75*), листы и плиты из шлакоситалла (ГОСТ 19246—82). Применение для наружной обшивки цементно-стружечных, алюминиевых листов и других материалов должно специально обосновываться.

Наружную обшивку панелей в простеночных, надоконных и подоконных участках необходимо выполнять из целых листов.

Для внутренней обшивки рекомендуется применять асбестоцементные и цементно-стружечные листы.

5.103. В панелях следует применять податливое крепление наружной обшивки или экрана к каркасу, используя для этого профильные, в том числе алюминиевые раскладки по ГОСТ 8617—81*Е. Допускается крепление без раскладок, посредством шурупов с шайбами по ГОСТ 1145¾80.*

Коррозиестойкость стальных элементов легких панелей (каркасов, облицовки, винтов, шурупов и др.) рекомендуется обеспечивать металлизацией цинком либо фосфатированием с последующим нанесением защитных покрытий. Во избежание электрохимической коррозии элементов конструкций из различных металлов (например, алюминиевая обшивка и стальной каркас) такие элементы рекомендуется разделять изоляционными прокладками (асбестовый картон и т. п.). Они также не должны иметь непосредственный контакт с металлическими связями.

Алюминиевые профильные раскладки должны иметь анодное покрытие натурального или иного цвета. Стальные закладные детали и угловые накладки должны иметь антикоррозийное покрытие в соответствии с требованиями строительных норм.

5.104. В качестве утеплителя панелей рекомендуется применять полужесткие или жесткие минераловатные плиты на синтетическом связующем по ГОСТ 9573—82 (подлежит согласованию с санинспекцией), а также минераловатные прошивные маты типа 4М марок 100, 125 по ГОСТ 21880—86, полужесткие или жесткие плиты из стеклянного штапельного волокна соответственно марок ППС-75 и ПЖС-175 по ГОСТ 10499—78.

Плиты утеплителя следует укладывать в полости панели в два или более слоев в соответствии с теплотехническим расчетом в распор с обжатием на торцах. Для предотвращения смещения плит при транспортировании, монтаже и эксплуатации необходимо предусматривать закрепление их в проектное положение с помощью клеевых маяков либо прижатия к внутренней обшивке с помощью полос утеплителя, деревянных вкладышей или деревянных реек.

5.105. Между внутренней обшивкой панелей и утеплителем следует устраивать пароизоляцию полиэтиленовой пленкой по ГОСТ 10354—82* или окраской эмалями перхлорвиниловыми марок ХВ-1100 по ГОСТ 6993—79* или ХВ-785 по ГОСТ 7313—75*, красками перхлорвиниловыми ХВ-161 по техническим условиям, утвержденным в установленном порядке эмалями.

Пароизоляционный слой в панелях должен быть сплошным, без разрывов и повреждений.

5.106. Применяемые в панелях материалы должны быть стойкими против плесени, насекомых и грызунов, а также к воздействию растворов, применяемых для дезинфекции. Не допускается применять материалы, выделяющие неприятные запахи, а также ядовитые газы или едкий дым при пожаре.

Панели следует разрабатывать с учетом возможности их чистки с наружной стороны в процессе эксплуатации.

5.107. Оконные и дверные блоки следует крепить к каркасу панели по боковым сторонам. Зазоры между блоком и каркасом должны быть герметизированы и проконопачены. Со стороны помещения зазоры следует перекрывать наличниками. Толщина оконных и дверных блоков не должна превышать размер четверти проема более чем на 10 мм. Четверти следует устраивать по трем сторонам проема (кроме низа проема). В каркасах составного сечения четверти устраивают с помощью элементов наружного слоя каркаса. В каркасах сплошного сечения для устройства четвертей используют элементы накладного слоя, служащего для крепления экрана.

5.108. Для соблюдения противопожарных требований и обеспечения необходимой звукоизоляции легкие стеновые панели следует ставить на междуэтажные перекрытия и заводить полностью или частично (но не менее чем на 3 см) за наружную грань несущих конструкций здания (торцов поперечных стен и междуэтажных перекрытий).

Вертикальный стык между стеновыми панелями (с листовыми обшивками) рекомендуется предусматривать с применением утепляющего пакета из минеральной ваты или стекловолокна, деревянной рейки или поливинилхлоридной ленты и металлического нащельника.

Горизонтальный стык рекомендуется предусматривать с применением упругой прокладки из гернита или морозостойкого пенополиуретана, конопатки и металлического фартука или гнутого компенсирующего нащельника из алюминия.

Перегородки с обшивками из листовых материалов

5.109. В слоистых перегородках для обшивки рекомендуется применять гипсокартонные листы толщиной 12 или 14 мм по ГОСТ 6266—81*.

5.110. Панельные перегородки рекомендуется проектировать с деревянным каркасом. Вертикальные элементы каркаса рекомендуется устанавливать с шагом 60 см. Принятый способ крепления обшивки должен исключать ее отслаивание от каркаса при эксплуатации.

В перегородках поэлементной сборки каркас может быть выполнен из деревянных брусков, асбестоцементных или гнутых металлических профилей.

5.111. Звукоизоляционный слой перегородок рекомендуется выполнять из минераловатных прошивных матов по ГОСТ 21880—86.

5.112. В перегородках следует предусматривать прокладку электрической (осветительной и слаботочной) проводки и прикрепление электрических выключателей, розеток, распаячных коробок и другой арматуры. При этом не должны возникать жесткие связи между обшивками.

Не допускается устройство в перегородках сквозных отверстий для установки элементов электрической проводки и арматуры. Используемые для этого углубления, расположенные на противоположных сторонах перегородки, не должны сообщаться друг с другом. В каркасных перегородках расстояние между ближайшими краями таких углублений должно быть не менее 60 см.

СТЫКИ КРУПНОПАНЕЛЬНЫХ НАРУЖНЫХ СТЕН

5.113. Стыки панелей должны исключать возможность проникания атмосферной влаги на внутренние поверхности ограждений, препятствовать переувлажнению материалов заполнения стыков и прилегающих к стыкам участков стен. Сопротивление стыков панелей воздухопроницанию и их теплозащитные свойства должны удовлетворять требованиям СНиП II-3-79**.

5.114. По способу обеспечения изолирующих свойств стыки панелей подразделяются на закрытые, дренированные и открытые. Применение каждого из названных типов стыков следует предусматривать в соответствии с климатическими условиями района строительства и конструкцией наружных стеновых панелей.

Конструкции горизонтальных и вертикальных стыков следует предусматривать однотипными, например, не допускается проектировать вертикальные стыки открытыми, а горизонтальные закрытыми и наоборот.

5.115. В закрытых стыках (рис. 27) для их герметизации устанавливают уплотняющие прокладки, на которые наносят с внешней стороны герметизирующую мастику. При применении нетвердеющих мастик следует предусматривать защитное покрытие.

Рис. 27. Закрытый стык наружных стеновых панелей

а — вертикальный стык; б, в — варианты горизонтальных стыков

1 — узел (см. рис. 28, 29); 2 узел (см. рис. 40); 3 — узел (см. рис. 30); 4 — узел (см. рис. 31)

В горизонтальных закрытых стыках рекомендуется проектировать противодождевые гребень и зуб. В панелях из ячеистого, а также из легкого бетона толщиной 400 мм и более при качественном выполнении растворных швов допускается предусматривать плоские горизонтальные стыки без гребня и зуба (см. рис. 27, в).

Рекомендуемая конфигурация торцов панелей и размеры их профиля для закрытых стыков приведены на рис. 28—31.

Диаметр уплотняющих прокладок следует применять дифференцированно с учетом фактического размера зазора стыка в пределах допускаемых отклонений (см. рис. 28—30).

Рис. 28. Схема герметизации устья вертикального закрытого стыка при применении нетвердеющих герметизирующих мастик

1 — защитное покрытие; 2 — нетвердеющая герметизирующая мастика; 3 — уплотняющая прокладка при зазоре стыка 20 мм — диаметром 30 — 40 мм, при зазоре 10 мм — диаметром 20 мм, при зазоре 30 мм — диаметром 40 ¾ 50 мм

Рис. 29. Схема герметизации устья вертикального закрытого стыка при применении отверждающих герметизирующих мастик

1 — отверждающаяся герметизирующая мастика; 2 — уплотняющая прокладка при зазоре стыка 20 мм — диаметром 30 — 40 мм, при зазоре 10 мм — диаметром 20 мм, при зазоре 30 мм — диаметром 40 — 50 мм

Рис. 30. Схема герметизации устья горизонтального закрытого стыка с противодождевым гребнем при применении нетвердеющих герметизирующих мастик

1 — защитное покрытие; 2 ¾ нетвердеющая герметизирующая мастика; 3 — уплотняющая прокладка при зазоре стыка 20 мм — диаметром 30 — 40 мм, при зазоре 10 мм — диаметром 20 мм, при зазоре 30 мм — диаметром 40 — 50 мм

Рис. 31. Схема герметизации устья плоского горизонтального закрытого стыка

а — при применении нетвердеющих герметизирующих мастик; б — при применении отверждающихся герметизирующих мастик

1 — защитное покрытие; 2 — нетвердеющая герметизирующая мастика; 3 — уплотняющая прокладка при зазоре стыка 20 мм —диаметром 30 — 40 мм; зазоре 10 мм — диаметром 20 мм, при зазоре 30 мм — диаметром 40 50 мм; 4 — отверждающаяся герметизирующая мастика

5.116. В дренированных стыках (рис. 32—34) герметизация выполняется аналогично закрытым стыкам, но дополнительно предусматривается декомпрессионный канал, служащий для выравнивания давлений воздуха на поверхности стены и внутри стыка и отвода случайно проникшей в стык воды. В торцевых панелях, формуемых фасадной стороной вниз и образующих при сопряжении с рядовыми панелями угловой вертикальный стык, декомпрессионный канал допускается не предусматривать.

При сопряжении смежных панелей каналы должны располагаться соосно и образовывать вертикальную декомпрессионную полость. Эта полость в пересечении вертикального и горизонтального стыков располагается над водоотводящим фартуком, наклеиваемым на противодождевой гребень, в котором предусматривается специальная подрезка.

Рис. 32. Дренированный стык наружных стеновых панелей

а — вертикальный стык; б — горизонтальный стык

1 — узел (см. рис. 33); 2 — узел (см. рис. 40); 3 — узел (см. рис. 34)

Рис. 33. Схема герметизации устья вертикального дренированного стыка

1 — защитное покрытие; 2 — нетвердеющая герметизирующая мастика; 3 — уплотняющая прокладка при зазоре стыка 20 мм — диаметром 30 — 40 мм, при зазоре 10 мм — диаметром 20 мм, при зазоре 30 мм — диаметром 40 50 мм; 4 — декомпрессионная полость

Рис. 34. Схема герметизации устья горизонтального дренированного стыка

1 — защитное покрытие; 2 — нетвердеющая герметизирующая мастика; 3 — уплотняющая прокладка при зазоре стыка 20 мм — 30 — 40 мм, при зазоре 10 мм — 20 мм, при зазоре 30 мм — 40 — 50 мм; 4 — водоотводящий фартук; 5 — дренажное отверстие

Рис. 35. Открытый стык наружных стеновых панелей

1 — узел (см. рис. 36, 37); 2 — узел (см. рис. 40); 3 — узел (см. рис. 33); 4 — узел (см. рис. 39)

Рис. 36. Схемы изоляции устья вертикального открытого стыка с применением жесткого водоотбойного экрана

а — без смещения плоскостей сопрягаемых панелей; б — при допустимом смещении плоскостей сопрягаемых панелей

1 — жесткий водоотбойный экран из пластмасс на основе ПВХ; 2 — направляющий профиль из того же материала

Рис. 37. Схемы изоляции устья вертикального открытого стыка резиновым профилем

а — без смещения плоскостей сопрягаемых панелей; б — при допустимом смещении плоскостей сопрягаемых панелей

1 — резиновый профиль

Рис. 38. Схема герметизации устья горизонтального открытого стыка

1 — профиль направляющий; 2 — водоотбойный экран; 3 — уплотняющая прокладка при зазоре стыка 20 мм — диаметром 30 — 40 мм, при зазоре 10 мм — диаметром 20 мм, при зазоре 30 мм — диаметром 40 — 50 мм; 4 — водоотводящий фартук

Поверх фартука на верхней горизонтальной плоскости противодождевого гребня следует предусматривать уплотняющую прокладку длиной 500 мм (по 250 мм от оси вертикального стыка).

5.117. В закрытых и дренированных стыках на стыкуемых поверхностях панелей необходимо предусматривать грунтовочные покрытия. В устьях закрытых и дренированных стыков необходимо предусматривать установку уплотняющих прокладок с последующим нанесением по ним герметизирующих мастик. Выбор типа мастики следует производить в соответствии с данными прил. 6 в зависимости от длины стыкуемых панелей и климатических условий района строительства.

Необходимо также предусматривать защиту мастик от климатических воздействий с помощью полимерцементных растворов, поливинилхлоридных, бутадиенстирольных, кумаронокаучуковых красок.

Защитное покрытие по отверждающимся мастикам допускается не предусматривать.

Расположение изолирующих материалов в устьях стыков следует проецировать с заглублением относительно фасадной плоскости панелей наружных стен.

5.118. В стыках открытого типа (рис. 35) на торцевых поверхностях наружных стеновых панелей необходимо предусматривать гидрофобные покрытия.

Для водозащиты открытых вертикальных стыков следует проектировать установку в них водоотбойных лент (экранов) и профилей-направляющих из пластмасс на основе ПВХ (рис. 36) или уплотнителей У-образного профиля (рис. 37). Возможно применение других видов водоотбойных экранов.

В пересечениях вертикальных и горизонтальных открытых стыков следует предусматривать водоотводящие фартуки (рис. 38). В панелях с выносным противодождевым зубом (рис. 39) водоотводящие фартуки должны располагаться в подрезках, расположенных на верхних торцовых гранях панелей.

Рис. 39. Схема герметизации устья горизонтального открытого стыка с выносным противодождевым зубом

1 — водоотбойный экран; 2 — уплотняющая прокладка при зазоре стыка 10 мм — диаметром 30 — 40 мм, при зазоре 10 мм — диаметром 20 мм, при зазоре 30 мм диаметром 40 — 50 мм; 3 — водоотводящий фартук; 4 — направляющий профиль

5.119. В колодцах вертикальных стыков всех типов следует предусматривать воздухоизоляцию с помощью воздухозащитных лент и (или) уплотняющих прокладок, устанавливаемых на клеях (рис. 40).

Рис. 40. Варианты устройства воздухозащитной изоляции с применением

а — воздухозащитной ленты; б уплотняющей прокладки; в — комбинированной

1 ¾ воздухозащитная лента; 2 — уплотняющая прокладка на клее типа КН; 3 ¾ теплоизоляция

Применение пергамина и рубероида для оклеечной воздухоизоляции не допускается.

Для воздухозащиты горизонтальных открытых стыков следует применять уплотняющие прокладки прямоугольного или круглого сечения.

5.120. В вертикальных и горизонтальных стыках всех типов (кроме стыков панелей из ячеистых бетонов) рекомендуется предусматривать теплоизоляцию вкладышами из пенополистирола или других теплоизоляционных материалов. Допускается при обосновании теплотехническими, прочностными и экономическими расчетами применять для теплоизоляции стыков их замоноличивание легким бетоном на пористых заполнителях.

5.121. Проектом должно быть предусмотрено устройство воздухо- и теплоизоляции в колодцах вертикальных стыков до установки внутренних стеновых панелей.

5.122. Для замоноличивания колодцев вертикальных стыков рекомендуется применять бетонные смеси.

Расположение арматурных связей в стыке не должно мешать качественному замоноличиванию.

ПРИМЕРЫ

ОПРЕДЕЛЕНИЯ РАСЧЕТНОЙ НЕСУЩЕЙ СПОСОБНОСТИ ПРИ СЖАТИИ ГОРИЗОНТАЛЬНЫХ СТЫКОВ И ЭКСЦЕНТРИСИТЕТОВ ПРОДОЛЬНЫХ СИЛ В СТЕНАХ

Пример 1. Платформенный стык внутренней панельной стены при двухстороннем опирании многопустотных плит перекрытия (рис. 41, а).

Рис. 41. Схемы к примерам расчета прочности стыков (а — е)

Исходные данные. Стеновые панели толщиной t = 160 мм из тяжелого бетона класса B20 (Bw =20 МПа). Панели бетонируются в вертикальном положении в кассетных установках.

Расчетное сопротивление бетона сжатию постоянными и длительными нагрузками (с учетом коэффициентов условий работы по СНиП 2.03.01¾84) gb2 = 0,9; gb3 = 0,85 и gb9 = 0,9 Rb = 11,5×0,9×0,85 = 7,92 МПа.

Верхнее опорное сечение стеновой панели усилено косвенным армированием в виде двух горизонтальных каркасов с продольными и поперечными стержнями диаметром 8 мм, площадью Atr = 50 мм2. Расстояние между продольными стержнями ltr = 120 мм, шаг поперечных стержней каркаса ctr = 100 мм. Шаг каркасов str = 80 мм.

Плиты перекрытий многопустотные толщиной tp = 220 мм из тяжелого бетона класса В15. Диаметр пустот 140 мм, шаг пустот sj = 200 мм, минимальная толщина ребра между пустотами tj = 60 мм. Пустоты заделаны свежеотформованными пробками в заводских условиях. Расчетное сопротивление бетона плиты перекрытия осевому сжатию Rbr = 8,5×0,9×0,9 = 6,9 МПа.

Глубина опирания плит перекрытий на стены 70 мм.

Средние местные напряжения под платформенными площадками от плит перекрытий spt,1 = 0,5 МПа, spt,2 = 0,2 МПа.

Номинальные толщины растворных швов: над плитой перекрытия — 25 мм, под плитой перекрытия — 15 мм.

Раствор в горизонтальных швах марки 100.

Возможные взаимные смещения сборных элементов в стыке: стеновых панелей dw = 15 мм (при монтаже с применением подкосов); плит перекрытий dp = 10 мм. Суммарное смещение плит перекрытий относительно их проектного положения dpl = l,4 dp = l,4×10 = 14 мм. Суммарный номинальный размер по толщине стены платформенных площадок dpl = 2×70 = 140 мм. Расчетная ширина растворного шва при двухстороннем опирании плит перекрытия bm = t = 160 мм.

Для платформенного стыка с двухсторонним опиранием плит перекрытий коэффициент gpl = 0,9.

Расчет опорного сечения в уровне растворного шва. Для сечения в уровне верхнего растворного шва (для низа панели) можно принять, что коэффициент gb3 = 1. Тогда  = 7,9 / 0,85 = 9,3 МПа. Так как расчетное сопротивление бетона плит перекрытий Rbp = 6,9 МПа ниже расчетного сопротивления стены Rbw = 9,3 МПа, то коэффициент hpl вычисляем по формуле

hpl = 1 ‑ (1 ‑ Rbp / Rbw)2 = 1 (1 6,9/9,3)2 = 0,933.

Для многопустотных плит с заделанными пробками торцами коэффициент

hvac = 1 ‑ 0,5 (1 ‑ tf /Sf)3 = 1 ‑ 0,5 (1 ‑ 60/200)3 = 0,828.

Коэффициент hj, учитывающий конструктивное решение стыка, определяем по формуле

 = (bpl dpl) gpl hpl hvac/t = (140 ‑ 14) 0,9 ´ 0,933×0,828 / 160 = 0,547.

Коэффициент , учитывающий влияние верхнего горизонтального растворного шва, определим исходя из расчетной толщины растворного шва tm = 1,4 × 25 = 35 мм. Расчетная ширина растворного шва bm = t = 160 мм.

Для раствора марки 100 кубиковая прочность Rm = 10 МПа. Тогда

 = 1 ‑ [(2tm/bm) tm / bm] / [1 + 2Rm/Bw] =

= 1 ‑ [(2 35/160) 35/160]/[1 + 2×10/20] = 0,805.

Приведенное сопротивление стены по опорному сечению в уровне верхнего растворного шва

 =  = 9,3×0,547×0,805 = 4,1 МПа.

Расчет опорного сечения в уровне нижнего растворного шва.

Для учета влияния косвенного армирования определяем коэффициент

h8 = 1 + (20A8Itr)/(ctrstrt) = 1 + (20×50×120)/(100×80×160) = 1,094.

Тогда приведенное расчетное сопротивление бетона стеновой панели в уровне нижнего растворного шва = Rbh8 = 7,92×1,094 = = 8,66 МПа.

Вычисляем величины

 = 1 (1 6,9/8,66)2 = 0,959;

 = (140 ‑ 14) 0,9×0,959×0,828/160 = 0,562.

Расчетная толщина нижнего растворного шва

tm = 1,415 = 21 мм. Тогда

hm = 1 ‑ [(2 21/160) 21/160]/(l + 2×10/20) = 0,877.

Приведенное сопротивление стены по опорному сечению в уровне нижнего растворного шва с учетом местной нагрузки от перекрытия

 =   (spl,1 bpl,1 +spl,2 bpl,2)/t =

= 8,66×103×0,877×0,562 (0,5×70 + 0,2×70)/160 = 3,97 МПа.

Так как  = 3,97 Мпа < = 4,1 МПа, то принимаем Ri = = 3,97 МПа. Тогда расчетная несущая способность 1 м стыка

Nj = Rj A = 3,97×160×103 = 635,2×103 Н (64,7 тc).

Определение эксцентриситета продольной силы.

Для плит с двухсторонним опиранием плит перекрытий эксцентриситет по толщине стены продольной силы определяем по формуле

 = (dpw + 0,5 D) (t/‑ 1),

где =  мм;

Dbpl = 0 ¾ разность номинальных размеров по толщине стены платформенных площадок; bpl = 140 мм сумма номинальных размеров по толщине стены платформенных площадок. Тогда  = 18(160/1401) = 2,57 мм.

Согласно п. 1.21 СНиП 2.03.01—84 расчетный эксцентриситет ео принимается не менее случайного эксцентриситета еа = t/30 = 160/30 = 5,3 мм и не менее l/600 = 2580/600 = 4,3 мм.

Поэтому примем величину еo = 5,3 мм.

Пример 2. Платформенный стык наружной панельной стены при одностороннем опирании перекрытии (рис. 41,б).

Исходные данные. Стеновая панель трехслойная из тяжелого бетона класса В15. Бетонные слои соединены гибкими металлическими связями. Изготовление панелей в горизонтальном положении. Толщина внутреннего несущего слоя t = 120 мм. Расчетное сопротивление сжатию бетона стеновой панели Rbw = 8,5×0,9×0,9 = 6,9 МПа.

Плиты перекрытий из тяжелого бетона класса В15 толщиной tp = 220 мм. Расчетное сопротивление сжатию бетона плиты перекрытия Rbp = Rbw = 6,9 МПа. Плиты многопустотные (пустоты расположены вдоль опоры). В стыке сжимающая нагрузка передастся через опорное ребро. Поэтому коэффициент gvac = 1. Средние сжимающие напряжения от местной нагрузки под платформенной площадкой sзд = 0,5 МПа.

Горизонтальные швы из раствора марки 100. Толщины швов и возможные взаимные смещения сборных элементов в стыке такие же, как в примере 1. Глубины опирания плит перекрытия на стену в уровне горизонтальных растворных швов: верхнего = 110 мм, нижнего = 120 мм.

Расчетное смешение в платформенном стыке плиты перекрытия относительно проектного положения при одностороннем опирании плиты

dpl = =  мм.

Расчетные ширины растворных швов: верхнего =  dpw = 11018 = 92 мм; нижнего =  dpw = l20 ‑ 18 = 102 мм.

Коэффициент gpl = l (одностороннее опирание плит).

Расчет опорного сечения в уровне верхнего растворного шва. Для рассматриваемого уровня  = 110 мм;  = 92 мм; tm = 1,4×25 = 35 мм. Тогда

= ( dpl) gpl hpl /t = (11018) 1×1/120 = 0,767.

Так как = 110 мм > 2/3 t = 2/3×120 = 80 мм, то не учитываем влияние местного сжатия.

 = 1 ‑ [(2 ‑ 35/92) 35/92] / (1 + 2×10/15) = 0,736.

Тогда  = 6,9×0,767×0,736 = 3,89 МПа.

Расчет опорного сечения в уровне нижнего растворного шва. Для рассматриваемого уровня  = 120 мм;  = 15×1,4 = 21 мм;  = 102 мм. Тогда

 = (120 ‑ 18)1×1/120 = 0,85;

 = 1 ‑ [(2 21 /102) 21 /102]/(1 + 2×10/15) = 0,842;

 = 6,9×0,85×0,8420,5×102/120 = 4,45 МПа.

Так  = 3,89 МПа <  = 4,45 МПа, то принимаем Rj =  = 3,89 МПа. Тогда расчетная несущая способность 1 м стыка

Nj = Rj A = 3,89×120×103 = 466,8×103 МПа (47,6 тс).

Определение эксцентриситета продольной силы. Эксцентриситет продольной силы определяем для верхнего растворного шва, где меньше глубина опирания плиты перекрытия

 = 0,5(t+ dpw) = 0,5 (120 ‑ 110 +18) = 14 мм.

Вычисленное значение эксцентриситета превышает значение случайного эксцентриситета еа = 120/30 = 4 мм. Поэтому принимаем, что величина ео = 14 мм.

Пример 3. Комбинированный контактно-платформенный стык (рис. 41, в) трехслойной наружной панельной стены с гибкими связями между слоями (аналогично рассчитывается комбинированный стык внутренней стены с односторонним опиранием перекрытия.

Исходные данные. Класс бетона стеновых панелей и плит перекрытий, а также марка раствора, толщины швов и расчетные смещения сборных элементов в стыке такие же, как и в примере 2.

Внутренний несущий слой стеновой панели толщиной t =160 мм. Горизонтальный стык комбинированных контактно-платформенный. Номинальные (проектные) размеры по толщине стены опорных площадок: контактной bсоп = 60 мм; платформенной соответственно по верхнему и нижнему растворному шву 60 и 70 мм; зазора между контактной и платформенными площадками по верхнему растворному шву 40 мм. Суммарный размер по толщине стены опорной площадки bj = 60 + 40 + 60 = 160 мм.

Местные напряжения под платформенной площадкой от плиты spl = 0,5 МПа.

При одностороннем опирании перекрытий коэффициент gpl = 1.

Так как стеновые панели и плиты перекрытия из бетона одинакового класса, а пустоты расположены вдоль пустот, то коэффициент hpl = 1.

Высота контактной площадки стыка (при толщине плиты перекрытия 220мм и толщине нижнего растворного шва 15 мм) tсоп = = 220 + 15 = 235 мм > 2 bсоп = 2×60 = 120 мм. Поэтому коэффициент hfor = 1. Так как значение коэффициента hloc всегда больше 1, то принимаем, что hсоп = hfor = 1.

Расчетные ширины верхнего  и нижнего  растворных швов:

 =  dw = 160 ‑ 15 = 145 мм,

 =  dрw = 70 ‑ 18 = 52 мм.

Расчетные толщины швов: верхнего  = l,4×25 = 35 мм, нижнего  = 15×1,4 = 21 мм.

Так как  = t = 160 мм, то d1,con = dw = 15 мм, d2,con = dpw dw = 1815 = 3 мм; d1,pl = dpw dp = 18 ‑ 10 = 8 мм; d2,pl = dp = 10 мм.

Расчет прочности стыка при сжатии. Предварительно вычислим коэффициенты  и ' для верхнего и нижнего растворных швов:

 = 1 — [(2 35/145) 35/145]/(1 + 2×10/15) = 0,818;

 = 1 [(221/52) 21/52]/(1 + 2×10/15) = 0,723.

Вычислим коэффициенты

= [(bcond1) hcon + 0,8 gpl () hpl]/t = [(60 15)×1 +

+ 0,8×1 (603) 1] / 160 = 0,566 >  = 1(6018) 1/160 = 0,262;

= [() hpl  spl /Rbw] / =

= [(70 18) 1×0,72370×0,5/6,9] / 0,818 = 39,76 мм;

= [(bcond1) hcon + 0,8 gpl ]/t = [(60 ‑ 15)×1 +

+ 0,8×1×39,76] / 160 = 0,556 >  = 1×39,76 / 160 = 0,248.

Минимальная прочность нижней платформенной площадки, поэтому принимаем =  = 0,556.

Приведенное сопротивление стены сжатию по опорному сечению

 =  = 6,9×0,818×0,556 = 3,14 МПа.

Расчетная несущая способность 1 м стыка при сжатии

Nj = 3,14×100×103 = 502,4×103 H.

Определение эксцентриситета продольной силы. Так как hj,соп < , то эксцентриситет с , определяем по формуле

 =

= 0,5×160[45 (145 ‑ 0,5×45) + 0,4×572]/(45 + 0,8×57) = 4,81 мм.

Знак плюс эксцентриситета означает, что равнодействующая продольной силы смещена в сторону грани, на которую опирается перекрытие.

Минимальное значение случайного эксцентриситета еа = t/30 = 160/30 = 5,3 мм.

Так как  = 4,81 < еа = 5,3 принимаем расчетное значение эксцентриситета  = 5,3 мм.

Пример 4. Комбинированный контактно-платформенный стык однослойной панельной наружной стены при одностороннем опирании перекрытий (рис. 41, г).

Исходные данные. Панели наружной стены из легкого бетона класса В5 толщиной t = 350 мм. Расчетное сопротивление бетона стены осевому сжатию  = 2,8×0,9×0,9 = 2,27 МПа.

Плиты перекрытия аналогичны рассмотренным в примере 2.

Глубины опирания плит перекрытия на стену в уровне горизонтальных растворных швов: верхнего  = 60 мм; нижнего  = 70 мм. Высота контактной площадки tcon = 70 мм. Размер по толщине стены контактной площадки bcon = 125 мм. Номинальный размер по толщине стены опорной зоны стыка  = 245 мм.

Смещения dp = 10 мм, dw = 15 мм; dpw =  мм.

Расчетные толщины растворных швов: верхнего  = 35 мм, нижнего  = 21 мм.

Расчетная ширина верхнего растворного шва

 =  dw = 245 ‑ 15 = 230 мм.

Расчетная ширина нижнего растворного шва

 =  dрw = 70 ‑ 18 = 52 мм.

Прочность стыка при сжатии. Вычислим коэффициенты

 = 1 — [(2 35/230) 35/230]/(1 + 2×10/5) = 0,944;

 = 1 [(221/52) 21/52]/(1 + 2×10/5) = 0,871.

Так как tcon = 70 мм < bcon = 125 мм, то коэффициент hcon = 1,1 (для стеновой панелей из легкого бетона). Так как bcon = 125 мм < t = 350 мм, то d1,con = 0; d2,con = dw = 18 мм.

Для стыка с односторонним опиранием перекрытия величина gpl = 1.

Коэффициент hj равен минимальному значению следующих величин:

= [(bcond1) hcon + 0,8 gpl () hpl]/t = [(125 0)×1,1 +

+ 0,8×1 (6018) 1] / 350 = 0,489 >  = 1(6018) 1/350 = 0,12;

= [() hpl  spl /Rbw] / =

= [(70 18) 1×0,87170×0,5/2,27] / 0,944 = 31,65 мм;

= [(bcond1) hcon + 0,8 gpl ]/t = [(1250)×1,1 +

+ 0,8×1×31,65] / 350 = 0,465 >  = 1×31,65 / 350 = 0,09.

Nj = 3,14×100×103 = 502,4×103 H.

Принимаем, что = = 0,465.

Тогда

 =  = 1,93×0,944×0,465 = 0,99 МПа.

Несущая способность 1 см стыка при сжатии

Nj = Rj A = 0,99×350×103 = 348,5×103 H (35,8 тс).

Определение эксцентриситета продольной силы. Так как лимитирует прочность платформенной площадки, то bm = 245 ‑ 25 = 230 мм; b1 = 125 мм; b2 = 60 ‑ 18 = 42 мм. Тогда

 

Минимальное значение случайного эксцентриситета t/30 = 350/30 = 11,7 мм <  = 38,5 мм.

Принимаем, что продольная сила от вышерасположенных этажей передается с эксцентриситетом  = 38,5×103 мм.

При определении суммарного эксцентриситета необходимо учесть нагрузку от плиты перекрытия, которая приложена с эксцентриситетом  относительно оси стены, вычисляемым по формуле

 = 0,5 (t ) = 0,5 (350 70) = 140 мм.

Нагрузка на 1 м стыка от перекрытия

Np = sp d = 0,5×70×103 = 35×103 H

Суммарный эксцентриситет в верхнем сечении

 = (N + Np)/(N + Np) = (348,5×38,5 + 35×140)/(348,5 + 35) =

= 47,9 мм.

Среднее значение эксцентриситета для расчета прочности по среднему сечению панели

 = 0,5(+) = 0,5 (47,9 + 47) = 47,5 мм.

Пример 5. Монолитный стык внутренней панельной стены при двухстороннем опирании перекрытий.

Исходные данные. Стеновые панели толщиной t = 160 мм из тяжелого бетона класса В20. Панели изготавливаются в вертикальном положении в кассетных установках. Расчетное сопротивление бетона сжатию (см. пример 1): для сечения в уровне верха перекрытия  = 9,31 МПа; для сечения в уровне низа перекрытия (без учета косвенного армирования стеновой панели)  = 7,92 МПа.

Сжимающая нагрузка в стыке передастся через слой монолитного бетона класса В20, уложенного в полость стыка. Сопротивление платформенных участков не учитывается. Плиты перекрытий опираются на стены насухо с помощью опорных «пальцев», расположенных с шагом 600 мм, а в промежутке между «пальцами» заведены на стену на 20 мм с каждой стороны. Размеры монолитного участка стыка между «пальцами»: по длине стены dmon = 400 мм, по толщине стены в уровне верха перекрытия  = 160 мм, уровне низа перекрытия  = 120 мм.

Возможное смещение плиты перекрытия относительно проектного положения dр = 10 мм. Уменьшение ширины монолитного участка стыка из-за допусков на точность монтажа и изготовления плит перекрытий: в уровне низа перекрытий dтоп = 1,4, dр = 1,4×10 = 14 мм, в уровне верха плиты перекрытия dтоп = 0.

В уровне верха плиты перекрытия имеется шов из раствора марки 100. Расчетная толщина шва 35 мм. Расчетная ширина шва bт = t = l60 мм.

Расчет опорного сечения в уровне верха плиты перекрытия. Для монолитного стыка с двухсторонним опиранием перекрытия коэффициент hfor = 1,25 Втопbw = 1,25×20/20 = 1,25, где Bmon = Bbw = 20 МПа (классы бетона).

Так как в уровне верха плиты перекрытия сжимающая нагрузка передается на монолитный участок по всей толщине стены, то коэффициент hloc = 1. Тогда коэффициент hmon = min (hvor, hloc) = l.

Для участка стыка длиной 600 мм Aw = 160×600 = 9,6×104 мм2. Коэффициент

hj = (bmon dтоп) hmon dmon /Aw = (1600) 1×400/9×6000 = 0,667.

Для растворного шва с расчетной толщиной 35 мм

hm = 1 [(2— 35/160) 35/160]/(1 + 2×10/20) = 0,805.

Приведенное сопротивление стены по опорному сечению в уровне верха плиты перекрытия Rj = 9,31×0,667×0,805 = 5 МПа.

Расчетная несущая способность участка стыка длиной 1 м (A = 160×103 мм2) Nj = 5×160×103 = 800×103 H (81,6 тс).

Расчет опорного сечения в уровне низа плиты перекрытия. Для верхнего опорного сечения стены расстояние по толщине стены от центра монолитного участка до ближайшей грани стены ymon = 0,5×160 = 80 мм.

Коэффициент hloc, учитывающий повышение прочности стыка при местном сжатии, определяем по формуле

hloc = .

Коэффициент hvor = 1,25. Тогда коэффициент hmon = 1,23;

hj = (  dтоп) hmon dmon /Aw = (120 ‑ 14) 1,23×400/96000 = 0,543.

Для рассматриваемого сечения сжимающая нагрузка передается через слой монолитного бетона, уложенного непосредственно на стеновую панель. Поэтому коэффициент hm = 1.

Приведенное сопротивление стены по опорному сечению в уровне низа плиты перекрытия

rj = 7,92×0,543×1 = 4,3 МПа.

Nj = 4,3×160×103 = 6,88×103 H (70,2 тc).

Определение эксцентриситета продольной силы. Эксцентриситет продольной силы относительно оси стены

ео = 0,5dр = 0,5×15 = 7,5 мм.

Минимальное значение случайного эксцентриситета еа = 160/30 = 5,3 мм. Принимаем расчетное значение эксцентриситета ео = 7,5 мм.

Пример 6. Стык монолитной стены с двухсторонне опертыми плитами перекрытия.

Исходные данные. Стена из монолитного бетона класса В20, толщиной t = 160 мм.

Расчетное сопротивление бетона стены сжатию Rbw = 7,92 МПа.

Конструкция узла и глубина опирания плит перекрытия такие же, как и в примере 5, но над плитой перекрытия нет растворного шва. Полость стыка замоноличивается при бетонировании стены.

Проверяем прочность стыка только для сечения в уровне низа плиты перекрытия, так как в уровне верха плиты стык замоноличен на всю ширину стены.

Так как конструкция узла полностью совпадает с рассмотренной в примере 5, то hj = 0,543; hm = 1;

rj = 7,92×0,543×1 = 4,3 МПа.

Расчетная несущая способность участка стыка длиной 1 м

Nj = 4,3×160×103 = 688×103 H (70,1 тc).

Расчетный эксцентриситет продольной силы ео = 7,5 мм  (см. пример 5).

ПРИМЕРЫ

ОПРЕДЕЛЕНИЯ ПРОЧНОСТИ СТЕН ПО СРЕДНИМ СЕЧЕНИЯМ ПРИ ВНЕЦЕНТРЕННОМ СЖАТИИ ИЗ ПЛОСКОСТИ СТЕНЫ

Пример 7. Однослойная панельная стена.

Исходные данные. Стеновая панель толщиной t = 160 мм из тяжелого бетона класса В20. Панель бетонируется в вертикальном положении в кассетной установке. Армирование панели конструктивное (бетонный элемент). Расчетное сопротивление бетона сжатию (см. пример 1) Рb,w = 7,92 МПа, Начальный модуль упругости бетона кассетного изготовления Eb = 0,85×21×103 = 20,4 ×103 МПа.

Высота панели (расстояние между плитами перекрытий) Hо = 2580 мм.

Расчетный начальный эксцентриситет ео = еа = 5,3 мм (см. пример 1).

Стеновая панель имеет платформенный стык с плитами перекрытий, которые опираются на стены по контуру. При таком опирании свободная длина (высота) панели lo = 0,9 Ho = 0,9×2580 = =2322 мм.

Всю нагрузку будем считать действующей длительно.

Определение коэффициента jс. Так как lo/t = 2322/160 =  14,6 > 4, то при расчете прочности стены на внецентренное сжатие необходимо учесть влияние продольного изгиба.

Вычислим вспомогательные величины

de = ео / t = 5,3/160 = 0,033;

de,min = 0,5 ‑ 0,01 lo/t ‑ 0,01 Rbw = 0,5 ‑ 0,01×14,6 ‑ 0,01×7,92 = 0,274.

Так как de = 0,033 < de,min = 0,274, то принимаем de = 0,274, тогда

jе = 0,11/(0,1 + dе) + 0,1 = 0,l1 (0,1 + 0,274) + 0,1 = 0,394.

Так как вся нагрузка длительно действующая, то коэффициент jl = 1 + b = 1 + 1 = 2, где b = 1 (для тяжелого бетона).

Коэффициенты

 = 0,533×20,4×103×0,394/7,92/2×14,62 = 1,27.

 

Приведенное сопротивление стены внецентренному сжатию по среднему сечению Rc = Rbb,wjc = 7,92×0,815 = 6,45 МПа

Расчетная несущая способность 1 м стены при внецентренном сжатии Nc = Rc A = 6,45×160×103 = 1033×103 H (105 тc).

 

 




ГОСТЫ, СТРОИТЕЛЬНЫЕ и ТЕХНИЧЕСКИЕ НОРМАТИВЫ.
Некоммерческая онлайн система, содержащая все Российские Госты, национальные Стандарты и нормативы.
В Системе содержится более 150000 файлов нормативно-технической документации, действующей на территории РФ.
Система предназначена для широкого круга инженерно-технических специалистов.

Рейтинг@Mail.ru Яндекс цитирования

Copyright © www.gostrf.com, 2008 - 2026