ГОСТ Р 21.1207-97
ГОСУДАРСТВЕННЫЙ
СТАНДАРТ РОССИЙСКОЙ ФЕДЕРАЦИИ
СИСТЕМА ПРОЕКТНОЙ ДОКУМЕНТАЦИИ
ДЛЯ СТРОИТЕЛЬСТВА
УСЛОВНЫЕ ГРАФИЧЕСКИЕ ОБОЗНАЧЕНИЯ
НА ЧЕРТЕЖАХ АВТОМОБИЛЬНЫХ ДОРОГ
ГОССТРОЙ РОССИИ
Москва
Предисловие
1 РАЗРАБОТАН Государственным
проектным институтом «Союздорпроект» и Государственным предприятием - Центром
методологии нормирования и стандартизации в строительстве (ГП ЦНС)
ВНЕСЕН Минстроем России
2 ПРИНЯТ И ВВЕДЕН В ДЕЙСТВИЕ постановлением Минстроя
России от 21 февраля 1997 г. № 18-9
3 ВВЕДЕН впервые
СОДЕРЖАНИЕ
ГОСТ Р 21.1207-97
ГОСУДАРСТВЕННЫЙ СТАНДАРТ
РОССИЙСКОЙ ФЕДЕРАЦИИ
Система проектной документации для строительства
УСЛОВНЫЕ ГРАФИЧЕСКИЕ ОБОЗНАЧЕНИЯ
НА ЧЕРТЕЖАХ АВТОМОБИЛЬНЫХ ДОРОГ
System of
design documents for construction
GRAPHICAL SIGNS FOR DRAWINGS OF MOTOR-WAYS
Дата введения 1997-06-01
Настоящий стандарт
устанавливает основные условные графические обозначения и упрощенные
изображения, применяемые на чертежах автомобильных дорог различного назначения.
ГОСТ
2.303-68 ЕСКД. Линии
ГОСТ
2.306-68 ЕСКД. Обозначения графические материалов и правила их
нанесения на чертежах
ГОСТ
21.101-93 СПДС. Основные требования к рабочей документации
ГОСТ
21.204-93 СПДС. Условные графические обозначения и изображения
элементов генеральных планов и сооружений транспорта
ГОСТ
21.302-96 СПДС. Условные графические обозначения в документации по
инженерно-геологическим изысканиям
ГОСТ
Р 21.1701-97 СПДС. Правила выполнения рабочей документации
автомобильных дорог
ГОСТ
10807-78 Знаки дорожные. Общие технические условия
ГОСТ
13508-74 Разметка дорожная
3.1 Проектируемые
автомобильные дороги изображают на чертежах с применением условных графических
обозначений и упрощенных изображений (далее - условные обозначения),
установленных настоящим стандартом, с учетом требований ГОСТ
Р 21.1701, а также с применением условных обозначений, установленных
ГОСТ
21.204, ГОСТ
21.302, ГОСТ
2.306 и другими нормативными документами.
3.2 Условные обозначения
выполняют в масштабе чертежа, кроме изображений, размеры которых определены в
настоящем стандарте и приведены в миллиметрах или условных единицах.
Типы линий, применяемые при
выполнении условных обозначений, должны соответствовать ГОСТ
2.303.
3.3 Сокращенные надписи
принимают в соответствии с сокращениями, принятыми в дорожном проектировании, в
ГОСТ
21.101, а также в «Условных знаках для топографических планов
масштабов 1:5000, 1:2000, 1:1000, 1:500» [1].
3.4 Условные обозначения, не
регламентированные стандартами, приводят на листе общих данных или
соответствующих чертежах.
4.1 Условные обозначения,
применяемые на планах автомобильных дорог, выполняют в соответствии с таблицей 1.
4.2 Ширину автомобильной
дороги на плане изображают в масштабе чертежа, но не менее 2 мм. Если величина
изображения ширины дороги менее 2 мм, проектируемую дорогу изображают сплошной толстой
основной линией.
Таблица 1
|
Наименование
|
Обозначение
|
|
1
Автомобильная дорога:
|
|
|
а)
с обозначением дороги или маршрута по перечню автомобильных дорог
|

|
|
б)
с обозначением дорожного покрытия
Примечание - Цифрами указывают ширину дороги,
буквами - материал покрытия
|

|
|
в)
с обозначением технической категории дороги
|

|
|
2
Швы покрытия:
|
|
|
а)
шов расширения
|

|
|
б)
шов сжатия
|

|
|
в)
шов ложный
|

|
|
г)
шов смещения
|

|
|
д)
шов у бордюра
|

|
|
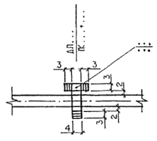
3
Граница участков строительства
Примечание
- Римскими цифрами указывают номера участков. Слева от ординаты (выносной
линии) указывают пикетажное положение
|

|
|
4
Подкюветная дренажная сеть со смотровыми колодцами
|

|
|
5
Откосные дрены
|

|
|
6
Водосброс с проезжей части
|

|
|
7
Дорожное ограждение
|

|
|
8
Направляющее устройство (сигнальные столбики, тумбы)
|

|
|
9
Галерея
|

|
|
10
Подземный переход
|

|
|
Примечание к пунктам 4 - 10 - На полках
линий-выносок указывают порядковый номер сооружения, позиционный номер
(марку), тип или диаметр устройства; под полками - обозначение документа на
их выполнение
|
Условные обозначения,
применяемые при выполнении продольных профилей автомобильных дорог, выполняют в
соответствии с таблицей 2.
Таблица 2
|
Наименование
|
Обозначение
|
|
1
Пересечение автомобильных дорог
|

|
|
2
Съезд или примыкание к автомобильной дороге
|

|
|
3
Развязка автомобильных дорог в разных уровнях:
а - на пересечении
б - на примыкании
|

|
|
4
Пикет и расстояния между точками перелома фактической поверхности земли
|

|
|
5
Неправильный пикет
|
По ГОСТ
21.204, таблица 4 (14)
|
|
6
Элементы продольного профиля (при раздельном выполнении плана и профиля)
|
|
|
6.1
Прямолинейный участок
Примечание - Прямолинейные участки дороги показывают
наклонной линией, над линией указывают величину уклона, под линией - длину
участка с этим уклоном
|

|
|
6.2
Вертикальная кривая
Примечания
1
Вертикальные кривые показывают горизонтальной линией, ограниченной с одной или
двух сторон наклонными линиями, с указанием величин: уклона, радиуса, длины
кривой и местоположения (стрелкой) точки с нулевым значением кривизны.
2 Величину уклона криволинейного участка не
указывают, если смежный участок прямолинейный.
|

|
|
Пример - Сопряжение
вертикальной кривой с прямолинейным участком,
где
5 и 16 - величины уклонов; 176 -
длина прямолинейного участка; 78 и 90 - привязки к пикетам; R - 10000 - радиус кривой; К
= 212 - длина кривой; 28 - привязка к пикету точки с нулевым
значением кривизны
|

|
|
6.3
Кривые в плане
|
|
|
а)
криволинейный участок дороги при наличии переходной кривой
|

|
|
б)
то же, без переходных кривых
Примечание - Криволинейные участки дороги в плане показывают горизонтальными
линиями, смещенными вверх - при повороте дороги влево или вниз - при повороте
дороги вправо.
На
кривой указывают величины угла поворота и радиуса закругления
|

|
|
7 Элементы продольного профиля (при
совмещенном выполнении плана и профиля)
|
|
|
7.1
Прямолинейный участок
Примечание
- Над прямолинейными участками указывают величину уклона (со знаком «+» при
подъеме дороги и знаком «-» - при спуске) и длину участка с этим уклоном
|

|
|
7.2
Точки сопряжения элементов
Примечание - В точках сопряжения различных
участков дороги над проектной линией проводят линии ординат, слева от которых
указывают расстояние до ближайшего пикета и уклон с соответствующим знаком,
справа - проектную отметку. Величину радиуса указывают с внутренней стороны
вертикальной кривой (со знаком «+» для выпуклой кривой и знаком «-» - для
вогнутой)
|


|
|
7.3
Точки с нулевым значением кривизны
Примечание - Стрелки показывают направление
изменения кривизны. Слева от ординаты указывают расстояние до пикета, справа
- проектную отметку
|

|
|
7.4
Фактические и проектные данные
|

|
|
Примечание - Линии ординат проводят, как правило, через 20 м. Слева от
линии ординат указывают фактические отметки, справа - проектные
|
6.1 Условные обозначения
технических средств по организации и регулированию дорожного движения,
применяемые на схемах расположения и планах, выполняют в соответствии с
таблицей 3
с учетом следующих требований:
- нумерацию дорожной
разметки принимают по ГОСТ
13508 и указывают на полках линий-выносок. Для соблюдения
размерности при нанесении дорожной разметки принята величина соотношения линии
разметки - «а»;
- нумерацию дорожных знаков
принимают по ГОСТ
10807. На выносных линиях указывают номера знаков и их пикетажное
положение;
- размеры дорожных знаков
допускается изменять, однако их величина должна быть достаточной для выполнения
обозначения знака с соблюдением соотношения установленных размеров;
- при выполнении
мелкомасштабных схем допускается указывать: номера дорожных разметок - в
кружке, номера дорожных знаков - в прямоугольнике, с указанием их пикетажного
положения (рисунок 1).

Рисунок 1
Таблица 3
|
Наименование
|
Обозначение
|
|
1
Дорожная разметка
|
|
|
1.1
Разметка для разделения транспортных потоков
|

|
|
1.2
Разметка края проезжей части на автомагистралях
|

|
|
1.3
Разметка для разделения транспортных потоков при четырех полосах движения и
более
|

|
|
1.4.
Разметка для разделения транспортных потоков при двух или трех полосах
движения
|

|
|
1.5
Разметка для ограничения маневрирования
|

|
|
1.6
Разметка приближения к месту ограничения маневрирования
|

|
|
1.7
Разметка границ полос движения в пределах перекрестка
|

|
|
1.8
Разметка границы между полосой разгона (торможения) и основной полосой
движения
|

|
|
1.9
Разметка границ полос с реверсивным движением
|

|
|
1.10
Разметка мест, где стоянка транспортных средств запрещена
|

|
|
1.11
Разметка направляющих островков в местах:
|
|
|
а)
разделения транспортных потоков одного направления
|

|
|
б)
разделения транспортных потоков противоположных направлений
|

|
|
в)
слияния транспортных потоков
|

|
|
1.12
Разметка разрешенных на перекрестке направлений движения по полосам
|

|
|
1.13
Обозначение номера дороги или маршрута
Примечание
к 1.12 и 1.13 - в скобках указана величина «а» для скорости больше 60 км/ч
|

|
|
1.14
Разметка приближения к месту, где уменьшается число полос движения в данном
направлении
|

|
|
1.15
Разметка мест остановок транспортных средств общего пользования и стоянок
такси
|

|
|
1.16
Разметка места остановки у знака «СТОП», перед светофором или железнодорожным
переездом
|

|
|
1.17
Разметка знака «СТОП»
Примечание - Наносят шрифтом русского или
латинского алфавита
|

|
|
1.18
Разметка места остановки транспорта у знака «Уступите дорогу»
|

|
|
1.19
Разметка приближения к знаку «Уступите дорогу»
|

|
|
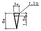
1.20
Разметка пешеходного перехода
|

|
|
1.21
Разметка пересечения велосипедной дорожки с проезжей частью
|

|
|
1.22
Разметка полосы движения транспортных средств общего пользования по
установленным маршрутам
|

|
|
2
Дорожные знаки
|
|
|
2.1
Опора дорожного знака:
а)
на одной стойке
|

|
|
б)
на двух стойках
|

|
|
2.2
Знак предупреждающий
|

|
|
2.3
Знаки приоритета
|

|
|
2.4
Знак запрещающий или предписывающий
|

|
|
2.5
Знаки информационно-указательные
|

|
|
2.6
Знаки дополнительной информации (таблицы)
Примечание - Применяют совместно с другими
знаками
|

|
|
2.7
Стороны информационного знака:
а - лицевая
б - оборотная
|

|
|
3
Светосигнальные средства регулирования
|
|
|
3.1
Светофор для автомобильного транспорта
|

|
|
3.2
Светофор со стрелкой для автомобильного транспорта
|

|
|
3.3
Светофор для пешеходов
|

|
|
3.4
Светофор для велосипедистов
|

|
|
3.5
Светофор для трамвая
|

|
|
3.6
Светофор нерегулируемого перекрестка
|

|
|
3.7
Табло скорости
|

|
|
3.8
Группа светофоров
|

|
|
3.9
Светофор над проезжей частью на выносной опоре
|

|
Условные графические
обозначения материалов дорожной одежды и земляного полотна выполняют в
соответствии с таблицей 4.
Таблица 4
|
Наименование
|
Обозначение
|
|
1
Асфальтобетон
|

|
|
2
Асфальтобетон двухслойный
|

|
|
3
Асфальтобетон трехслойный
|

|
|
4
Бетон
|

|
|
5
Грунт естественный
|

|
|
6
Грунт насыпной
|

|
|
7
Железобетон
|

|
|
8
Железобетон предварительно напряженный
|

|
|
9
Материал гидроизоляционный
|

|
|
10
Материал теплоизоляционный
|

|
|
11
Песок, укрепленный цементом
|

|
|
12
Смесь песчано-гравийная
|

|
|
13
Смесь песчано-гравийная, укрепленная цементом
|

|
|
14
Смесь песчано-щебеночная
|

|
|
15
Смесь песчано-щебеночная, укрепленная цементом
|

|
|
16
Цементобетон
|

|
|
17
Щебень фракционированный, уложенный по способу заклинки
|

|
|
18
То же, обработанный вяжущим материалом по способу пропитки
|

|
|
Примечание - Условные графические обозначения
материалов, приведенные в таблице, при необходимости рекомендуется применять
на других строительных чертежах
|
(информационное)
[1] Условные знаки для топографических планов масштабов 1:5000, 1:2000,
1:1000, 1:500/ Утверждены Главным управлением геодезии и картографии при Совете
Министров СССР. - М., 1986
Ключевые слова: обозначения условные графические,
автомобильная дорога, сооружения, устройства, разметка, знаки дорожные,
средства регулирования, материалы дорожной одежды