Крупнейшая бесплатная информационно-справочная система онлайн доступа к полному собранию технических нормативно-правовых актов РФ. Огромная база технических нормативов (более 150 тысяч документов) и полное собрание национальных стандартов, аутентичное официальной базе Госстандарта. GOSTRF.com - это более 1 Терабайта бесплатной технической информации для всех пользователей интернета. Все электронные копии представленных здесь документов могут распространяться без каких-либо ограничений. Поощряется распространение информации с этого сайта на любых других ресурсах. Каждый человек имеет право на неограниченный доступ к этим документам! Каждый человек имеет право на знание требований, изложенных в данных нормативно-правовых актах!

  


 

ГОСУДАРСТВЕННЫЙ СТАНДАРТ СОЮЗА ССР

БЕТОНЫ

МЕТОДЫ ОПРЕДЕЛЕНИЯ ХАРАКТЕРИСТИК
ТРЕЩИНОСТОЙКОСТИ
(ВЯЗКОСТИ РАЗРУШЕНИЯ) ПРИ СТАТИЧЕСКОМ
НАГРУЖЕНИИ

ГОСТ 29167-91

ГОСУДАРСТВЕННЫЙ КОМИТЕТ СССР
ПО СТРОИТЕЛЬСТВУ И ИНВЕСТИЦИЯМ

Москва

ГОСУДАРСТВЕННЫЙ СТАНДАРТ СОЮЗА ССР

БЕТОНЫ

Методы определения характеристик трещиностойкости
(вязкости разрушения) при статическом нагружении

Concretes. Methods for determination
of fracture toughness characteristics

ГОСТ
29167-91

Дата введения 01.07.92

Настоящий стандарт распространяется на бетоны всех видов (кроме ячеистых), применяемых в строительстве, и устанавливает методы их испытаний для определения силовых и энергетических характеристик трещиностойкости при статическом кратковременном нагружении.

Требования настоящего стандарта являются рекомендуемыми.

Обозначения, применяемые в настоящем стандарте, приведены в приложении 1. Пояснения к терминам приведены в приложении 2.

1. ОБЩИЕ ПОЛОЖЕНИЯ

1.1. Характеристики трещиностойкости определяют при равновесных и неравновесных механических испытаниях.

Равновесные испытания на стадии локального деформирования образца характеризуются обеспечением адекватности изменения внешних сил внутренним усилиям сопротивляемости материала с соответствующим статическим развитием магистральной трещины.

Неравновесные испытания характеризуются потерей устойчивости процесса деформирования образца в момент локализации деформации по достижении максимальной нагрузки, с соответствующим динамическим развитием магистральной трещины.

1.2. Для определения характеристик трещиностойкости испытывают образцы с начальным надрезом. При равновесных испытаниях записывают диаграмму F-V; при неравновесных испытаниях фиксируют значение .

Допускается проведение равновесных испытаний с фиксацией текущих размером развивающейся магистральной трещины (аij) и соответствующих значений прилагаемой нагрузки (Fij) согласно приложению 3.

1.3. По результатам испытаний определяют следующие основные силовые - в терминах коэффициентов интенсивности напряжений (К), энергетические - в терминах удельных энергозатрат (G) и джей-интеграла (J), характеристики трещиностойкости: Кc, , Ki, GF, Gj, Gce, Ji, .

Значения Rbt, Rbtf, Еb определяют по приложению 4.

1.4. Определяемые по настоящему стандарту характеристики трещиностойкости (наряду с другими характеристиками механических свойств) используют для:

сравнения различных вариантов состава, технологических процессов изготовления и контроля качества бетонов;

сопоставления бетонов при обосновании их выбора для конструкций;

расчетов конструкций с учетом их дефектности и условий эксплуатации;

анализа причин разрушений конструкций.

2. ОБРАЗЦЫ

2.1. Для определения характеристик трещиностойкости при равновесных испытаниях применяют образцы типа 1 - для испытаний на изгиб (черт. 1).

2.2. Для определения характеристик трещиностойкости при неравновесных испытаниях применяют образцы типов 1 - для испытаний на изгиб (черт. 1), 2 - для испытаний на осевое растяжение (черт. 2), 3 - для испытаний на внецентренное сжатие (черт. 3), 4 - для испытаний на растяжение при раскалывании (черт. 4).

2.3. Соотношение размеров и схемы нагружения образцов приведены на черт. 1 - 4.

Минимальные размеры образцов и размеры начальных надрезов принимают по таблице в зависимости от размера зерна заполнителя dam.

2.4. Начальные надрезы наносят при помощи режущего инструмента или при формовании образцов путем закладывания фольги либо латунной (или стальной) пластины.

Ширина начального надреза не должна превышать 0,5 dam и быть не более 2 мм.

2.5. Образцы для испытаний изготавливают по ГОСТ 10180 сериями не менее чем из четырех образцов-близнецов каждая, либо выбуривают (выпиливают) из изделий, конструкций, сооружений по ГОСТ 28570.

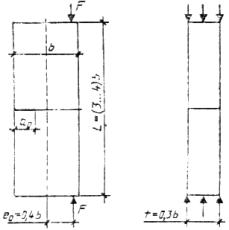
Тип 1

Образец - призма квадратного поперечного сечения для испытания на изгиб силой F в середине пролета.

Черт. 1

Тип 2

Образец - призма квадратного поперечного сечения для испытания на осевое растяжение силой F.

Черт. 2

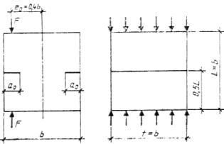
Тип 3

Образец - куб для испытаний на внецентренное сжатие силой F.

Черт. 3

Тип 4

Образец - цилиндр дли испытаний на растяжение при раскалывании.

Черт. 4

Примечание к черт. 1 - 4. Обозначения приведены в приложении 1, размеры образцов - в таблице.

мм

Максимальный размер зерна заполнителя dam

Размеры образцов

Тип 1

Тип 2

Тип 3

Тип 4

Менее 1,25

40

10/5

40

15

40

10

100

30

1,25 - 5,0

70

25/5

70

25

70

15

100

30

5,0 - 10,0

100

35/5

100

45

100

25

100

30

10,0 - 20,0

150

50/10

150

60

150

35

200

60

20,0 - 40,0

200

70/10

200

80

200

50

200

60

40,0 - 60,0

300

100/15

300

120

300

75

400

120

60,0 - 80,0

400

140/20

400

160

-

-

400

120

Примечание. При неравновесных испытаниях образца типа 1 допускается не образовывать верхний надрез (a0t = 0).

2.6. Для изготовления образцов используют оборудование по ГОСТ 10180 и ГОСТ 28570.

2.7. Условия твердения образцов после изготовления принимают по ГОСТ 18105.

3. ИСПЫТАТЕЛЬНОЕ ОБОРУДОВАНИЕ

3.1. Перечень оборудования и его характеристики для изготовления образцов всех типов и их испытаний для определения характеристик трещиностойкости при неравновесных испытаниях принимают по ГОСТ 10180 и ГОСТ 28570.

3.2. Для определения характеристик трещиностойкости при равновесных испытаниях образцов типа 1 используют испытательное оборудование согласно приложению 5; при этом средства измерения должны обеспечивать непрерывную двухкоординатную запись диаграммы F-V в соответствии со схемой коммутации аппаратуры согласно приложению 6.

3.3. Допускается использование других средств измерения, оборудования и приспособлений, если их технические характеристики удовлетворяют требованиям ГОСТ 10180 или ГОСТ 28570 и приложению 5 настоящего стандарта.

3.4. Правила поверки и аттестации средств измерения и испытательного оборудования принимают по ГОСТ 10180.

4. ПРОВЕДЕНИЕ ИСПЫТАНИЙ

4.1. При проведении испытаний температура окружающей среды должна составлять (20 ± 5) °С, а относительная влажность - не менее 50 %.

4.2. Линейные размеры образцов измеряют с погрешностью не выше 1 мм, их перемещения - 0,01 мм, а усилия, действующие на образец, - не более 1 % измеряемого максимального усилия.

4.3. Перед началом испытаний следует провести два цикла нагружения - разгружения до нагрузки, составляющей 10 % ожидаемой максимальной нагрузки.

4.4. Скорость нагружения образцов устанавливают по скорости перемещения нагружающей плиты пресса в пределах 0,02 - 0,2 мм/с; при этом время испытаний должно составлять не менее 1 мин.

4.5. При равновесных испытаниях образцы типа 1 нагружают непрерывно до их разделения на части с фиксацией полной диаграммы состояния материала F-V (черт. 5, кривая OTCDE).

Для определения значений Кc, Gce на стадии локального деформирования производят 5 - 7 кратковременных разгружений образцов для определения направлений линий разгрузок (например, линия XX" на черт. 6) с фиксацией полной диаграммы состояния материала F-V (черт. 6, кривая ОТСХDЕ).

При равновесных испытаниях образцов типа 1 с b ³ 200 мм производят поправку на массу образца и дополнительного оборудования согласно приложению 7.

4.6. При неравновесных испытаниях образцы типов 1 - 4 нагружают непрерывно вплоть до их разделения на части с фиксацией значения .

5. ОБРАБОТКА РЕЗУЛЬТАТОВ

5.1. Определение характеристик трещиностойкости по результатам равновесных испытаний образцов типа 1.

5.1.1. Полную диаграмму состояния трансформируют в расчетную и производят дополнительные построения (черт. 5):

а) с начала прямолинейного нисходящего участка диаграммы, то есть из точки D, где выполняется условие (dF/dV) ~ const, проводят отрезок DK, перпендикулярный оси OV;

б) фиксируют расчетную диаграмму ОТСDK;

в) из точки С опускают перпендикуляр СН к оси ОV и линию СА, параллельную упругой линии ОТ;

г) определяют величину отрезка OM из выражения (1):

     (1)

д) из точки М восстанавливают перпендикуляр  к оси ОV до пересечения с линией С, параллельной оси ОV. Точку О соединяют с точкой  отрезком О;

е) для определения величин Кc, Gce из расчетной полной диаграммы построением выделяют полную упругую диаграмму OТС¢Х¢O (черт. 6), для чего используют направления линий разгрузок, например, точку разгрузки Х переносят по линии, параллельной оси ОV, в положение X¢ на величину, равную Vx.

5.1.2. Расчетным путем или планиметрированием определяют энергозатраты на отдельные этапы деформирования и разрушения образца, а именно: Wm, We, Wl, Wui, Wce, соответственно численно равные площадям фигур ОТСА, АСН, НСDK, О М на черт. 5 и OТС¢Х¢O на черт. 6.

5.1.3. Расчетным путем определяют значения силовых и энергетических характеристик трещиностойкости по зависимостям:

                                                             (2)

                                                            (3)

                                                           (4)

                                                            (5)

                                                                  (6)

                                                                 (7)

                                                                  (8)

5.2. Характеристики трещиностойкости  по результатам неравновесных испытаний образцов типов 1 - 4 определяют по зависимостям (9 - 12):

- для образца типа 1:

                 (9)

- для образца типа 2:

                                                       (10)

- для образца типа 3:

             (11)

- для образца типа 4:

                                                 (12)

Черт. 5

Черт. 6

ПРИЛОЖЕНИЕ 1

Обязательное

ОБОЗНАЧЕНИЯ ВЕЛИЧИН

K - коэффициент интенсивности напряжений, МПа×м0,5.

Kс - критический коэффициент интенсивности напряжений при максимальной нагрузке, МПа·м0,5.

Ki - статический критический коэффициент интенсивности напряжений, МПа×м0,5.

 - условный критический коэффициент интенсивности напряжений, МПа×м0,5.

Kij - текущие значения коэффициентов интенсивности напряжений при поэтапном равновесном нагружении образцов, МПа×м0,5.

G - удельные энергозатраты, МДж/м2.

Gi - удельные энергозатраты на статическое разрушение до момента начала движения магистральной трещины, МДж/м2.

GF - удельные эффективные энергозатраты на статическое разрушение, МДж/м2.

Gce - полные удельные упругие энергозатраты на статическое деформирование образцов до деления на части, МДж/м2.

J - джей-интеграл, МДж/м2.

Ji - статический джей-интеграл, МДж/м2.

 - критерий хрупкости, м.

W - энергозатраты, МДж.

Wm - энергозатраты на процессы развития и слияния микротрещин до формирования магистральной трещины статического разрушения, МДж.

We - энергозатраты на упругое деформирование до начала движения магистральной трещины статического разрушения, МДж.

Wi - энергозатраты на локальное статическое деформирование в зоне магистральной трещины, МДж.

 - расчетные энергозатраты на упругое деформирование сплошного образца, МДж.

Wce - полные упругие энергозатраты на статическое деформирование до деления на части, МДж.

F - нагрузка, действующая на образец в процессе испытания, МН.

Fc - нагрузка, соответствующая статическому началу движения магистральной трещины при равновесных испытаниях, МН.

 - нагрузка, соответствующая динамическому началу движения магистральной трещины при неравновесных испытаниях, МН.

Fs - нагрузка, соответствующая массе образца и дополнительного оборудования, МН.

Fij - текущие значения действующей на образец нагрузки при его поэтапном равновесном нагружении, МН

V - перемещения образца, м.

Vе - перемещения, соответствующие упругим деформациям образца, м.

Vm - перемещения, соответствующие необратимым деформациям образца, м.

Vi - перемещения, соответствующие локальным деформациям образца в зоне магистральной трещины, м.

 - расчетное значение перемещений сплошного образца, соответствующее моменту начала движения магистральной трещины в образце с начальным надрезом, м.

a0, a0t - длина начального надреза, м.

aij - текущие значения длины магистральной трещины при поэтапном равновесном нагружении образца, м.

е0 - начальный эксцентриситет приложения нагрузки, м.

b, t, L0, L, D - размеры образцов, м.

j = b/L0 - относительная высота образца.

l = (a0 + a0t)/b - относительная длина начального надреза.

dam - максимальный размер заполнителя, м.

m1, m2 - масса образца и дополнительного оборудования, кг.

g = 9,81 - ускорение свободного падения, м/с2.

tga - тангенс угла наклона восходящего упругого участка диаграммы.

El - единичный модуль упругости, МПа.

Eb - модуль упругости, МПа.

Rbt - прочность на осевое растяжение, МПа.

Rbtf - прочность на растяжение при изгибе, МПа.

ПРИЛОЖЕНИЕ 2

Справочное

ТЕРМИНЫ И ПОЯСНЕНИЯ

Термин

Пояснение

1. Трещиностойкость (вязкость разрушения) бетона

Способность бетона сопротивляться началу движения и развитию трещин при механических и других воздействиях

2. Трещина

Полость, образованная без удаления материала двумя соединенными внутри тела поверхностями, которые при отсутствии в нем напряжений удалены друг от друга на расстояния, во много раз меньше протяженности самой полости

3. Магистральная трещина

Трещина, протяженность которой превосходит размеры структурных составляющих материалов и областей самоуравновешенных напряжений и по поверхностям которой произойдет деление образца на части

4. Коэффициент интенсивности напряжений К

Величина, определяющая напряженно-деформированное состояние и смещения вблизи вершины трещины, независимо от схемы нагружения, формы и размеров тела и трещины

5. Условный коэффициент интенсивности напряжений K*

Значение K, вычисленное через действующую на образец нагрузку и исходную длину трещины а0 по формулам для упругого тела

6. Удельные энергозатраты G

Величина, характеризующая удельные (относительно эффективной рабочей площади поперечного сечения образца) энергозатраты на различные этапы деформирования и разрушения

7. Jнтеграл

Величина, характеризующая работу пластической деформации и разрушения, а также поле напряжений и деформаций при упругопластическом деформировании вблизи вершины трещины (аналогично коэффициенту интенсивности напряжений K)

8. Условный критический коэффициент интенсивности напряжений

Значение K*, определяемое при неравновесных испытаниях образцов типов 1 - 4 по нагрузке, равной , и начального надреза образца а0, условно характеризующее критическое состояние материала при динамическом начале движения магистральной трещины

9. Статический критический коэффициент интенсивности напряжений Ki

Значение K, определяемое при равновесных испытаниях образцов типов 1, 5, 6 по Gi и Eb, характеризующее критическое состояние материала при статическом начале движения магистральной трещины

10. Критический коэффициент интенсивности напряжений Kc

Значение K, определяемое при равновесных испытаниях образцов типа 1 по Gce и Eb, инвариантно характеризующее состояние материала при динамическом начале движения магистральной трещины

11. Удельные энергозатраты на начало статического разрушения Gi

Значение G, определяемое при равновесных испытаниях образцов типа 1 по диаграмме F-V, характеризующее удельные энергозатраты на начало статического разрушения

12. Удельные эффективные энергозатраты на статическое разрушение GF

Значение G, определяемое при равновесных испытаниях образцов типа 1 по диаграмме F-V, характеризующее удельные энергозатраты на статическое разрушение

13. Полные удельные упругие энергозатраты на статическое деформирование до деления на части Gce

Значение G, определяемое при равновесных испытаниях образцов типа 1 по диаграмме F-V, характеризующее удельные энергозатраты на разрушение

14. Статический джей-интеграл Ji

Значение J, определяемое при равновесных испытаниях образцов типа 1 по диаграмме F-V, характеризующее поле напряжений и деформаций вблизи вершины магистральной трещины при начале ее движения

15. Критерий хрупкости

Характеристика хрупкости материала

ПРИЛОЖЕНИЕ 3

Рекомендуемое

ОПРЕДЕЛЕНИЕ ХАРАКТЕРИСТИК ТРЕЩИНОСТОЙКОСТИ ПРИ РАВНОВЕСНЫХ ИСПЫТАНИЯХ ОБРАЗЦОВ С ФИКСАЦИЕЙ РАЗМЕРОВ РАЗВИВАЮЩЕЙСЯ МАГИСТРАЛЬНОЙ ТРЕЩИНЫ И СООТВЕТСТВУЮЩИХ ЗНАЧЕНИЙ ПРИЛАГАЕМОЙ НАГРУЗКИ

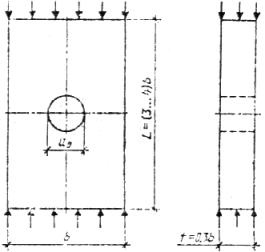
1. Для определения характеристик трещиностойкости производят поэтапное нагружение (с выдержками продолжительностью 60 - 120 с и фиксацией текущих значений Fij и аij) образцов типов: 5 - для испытаний на осевое сжатие (черт. 7); 6 - для испытаний на растяжение при внецентренном сжатии (черт. 8).

2. Соотношение размеров и схемы нагружения образцов приведены на черт. 7, 8.

Минимальные размеры образцов: типа 5 - b ³ 12 dam;

типа 6 - b ³ 15 dam.

3. Для определения значений величин аij применяют капиллярный и оптический способы.

Капиллярный способ основан на эффекте капиллярной адсорбции подкрашенных, люминесцирующих или быстроиспаряющихся жидкостей в трещины. На поверхность образца наносят кистью ацетон, который испаряется с поверхности быстрее, чем из трещины, что позволяет идентифицировать длину развивающейся магистральной трещины.

Оптический способ основан на использовании средств оптической микроскопии; следует применять микроскопы с не менее чем 20-кратным увеличением по ГОСТ 8074.

4. Определение характеристик трещиностойкости

4.1. Дли каждого этапа нагружения определяют значение Kij по зависимостям:

Тип 5

Образец - призма прямоугольного поперечного сечения для испытаний на осевое сжатие.

Черт. 7

Тип 6

Образец - призма прямоугольного поперечного сечения для испытаний на растяжение при внецентренном сжатии.

Черт. 8

Примечание к черт. 7 и 8. Обозначения приведены в приложении 1, размеры образцов - в приложении 3.

- для образца типа 5.

               (13)

- для образца типа 6.

                                               (14)

где                       (15)

                          (16)

.                                                           (17)

4.2. По результатам п. 4.1. строят зависимость Kij - aij; за величину Ki принимают среднее значение Kij на участке зависимости, где тангенс угла ее наклона отличается от нуля не более чем на 8 %.

ПРИЛОЖЕНИЕ 4

Рекомендуемое

ОПРЕДЕЛЕНИЕ ПРЕДЕЛА ПРОЧНОСТИ НА РАСТЯЖЕНИЕ И НАЧАЛЬНОГО МОДУЛЯ УПРУГОСТИ

1. Значение Rbt определяют при равновесных испытаниях образцов типа 1 и типов 5, 6 (согласно приложению 3) по зависимости

                                                  (18)

2. Значение Rbtf определяют при равновесных испытаниях образцов типа 1 по зависимости

    (19)

3. Значение Eb определяют при равновесных испытаниях образцов типа 1 с l ~ 0,1 - 0,5 по зависимости

  (20)

ПРИЛОЖЕНИЕ 5

Обязательное

ИСПЫТАТЕЛЬНОЕ ОБОРУДОВАНИЕ ДЛЯ ОПРЕДЕЛЕНИЯ ХАРАКТЕРИСТИК ТРЕЩИНОСТОЙКОСТИ ПРИ РАВНОВЕСНЫХ ИСПЫТАНИЯХ ОБРАЗЦОВ ТИПА 1

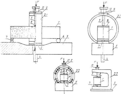
Для определения характеристик трещиностойкости при равновесных испытаниях образцов типа 1 используют специальные испытательные машины со следящей системой и быстродействующей обратной связью или испытательные машины, обладающие высокой жесткостью (не менее чем в два раза превышающей начальную жесткость образца (черт. 9), или стандартные испытательные машины по п. 3.1, оборудованные дополнительным перераспределяющим устройством (черт. 10) типа «кольцо», включающим в себя: силовой элемент - кольцо; нагружающий силоизмеритель - шток; датчик перемещения; опорную плиту с шарнирной и роликовой опорами. Испытания рекомендуется проводить на установке ПРДД-3 экспериментального объединения «Реконструкция», которое распространяет чертежи, методики аттестации и поставляет оборудование.

1 - образец; 2 - загружающее устройство; 3 - нагружающий винтовой силоизмерительный шток; 4 - распределительная балка, 5 - роликовая опора; 6 - шарнирная опора

Черт. 9

1 - образец; 2 - дополнительное перераспределяющее устройство типа: «кольцо» (2.1), «кольцо в кольце» (2.2), «скоба» (2.3); 3 - нагружающий силоизмерительный шток; 4 - датчик перемещений; 5 - станина; 6 - роликовая опора; 7 - шарнирная опора; 8 - распределительная балка; 9 - фиксирующие накладки; 10 - фиксатор нагружающего силоизмерительного штока

Черт. 10

ПРИЛОЖЕНИЕ 6

Обязательное

ПОПРАВКА НА МАССУ ОБРАЗЦА И ДОПОЛНИТЕЛЬНОГО ОБОРУДОВАНИЯ

При равновесных испытаниях образцов типа 1 с b ³ 200 мм перед определением характеристик трещиностойкости производят поправку на массу образца и распределительную балку.

Для этого полную диаграмму состояния материала (кривая SТСDА на черт. 11) трансформируют в расчетную (кривая OSТСDK) следующим образом:

точку S по упругой линии ST переносят в положение точки O на величину Fs, откладываемую на оси F, равную

                                            (21)

проводят оси ОF и ОV, параллельные соответственно SF и SV¢;

с начала прямолинейного нисходящего участка диаграммы, то есть из точки D, где выполняется условие (dF/dV) ~ const проводят отрезок DK, перпендикулярный оси ОV;

фиксируют расчетную диаграмму OSТСDK.

Черт. 11

ИНФОРМАЦИОННЫЕ ДАННЫЕ

РАЗРАБОТАН Научно исследовательским, проектно-конструкторским и технологическим институтом бетона и железобетона (НИИЖБ) Госстроя СССР, Министерством энергетики и электрификации СССР, Министерством высшего и среднего специального образования СССР

РАЗРАБОТЧИКИ

Е.А. Гузеев, д-р техн. наук; В.В. Жуков, д-р техн. наук; Л.А. Сейланов, канд. техн. наук; В.И. Шевченко, д-р техн. наук; Ю.В. Зайцев, д-р техн. наук; Л.П. Трапезников, д-р техн. наук; Р.Л. Серых, д-р. техн. наук; М.И. Бруссер, канд. техн. наук; И.М. Дробященко, канд. техн. наук; Л.Н. Зикеев, канд. техн. наук; К.Л. Ковлер, канд. техн. наук; В.Ю. Ляпин; А.П. Пак, канд. техн. наук; А.М. Юдилевич; X.М. Виркус, канд. техн. наук; Э.X. Варес, Л.П. Орентлихер, д-р техн. наук; А.В. Лужин, д-р техн. наук; Г.М. Первушин, канд. техн. наук; А.А. Ашбаров, канд. техн. наук; А.Б. Пирадов, д-р техн. наук; К.А. Пирадов, канд. техн. наук; Е.Н. Пересыпкин, д-р техн. наук; В.П. Крамской, канд. техн. наук; Б.Ф. Турукалов, канд. техн. наук; В.В. Панасюк, акад. АН УССР; С.Я. Ерема, канд. техн. наук; Л.Т. Бережницкий, канд. техн. наук; И.И. Лучко, канд. техн. наук; В.М. Чубриков, канд. техн. наук; В.И. Ягуст, канд. техн. наук; А.И. Марков, канд. техн. наук; Р.О. Красновский, канд. техн. наук; В.В. Арончик, канд. техн. наук; Т.С. Петцольд, д-р техн. наук; С.Н. Леонович, канд. техн. наук; С.Т. Андросов, канд. техн. наук; И.С. Кроль; А.К. Торгачев; А.М. Поплавский; В.И. Воробьев; С.А. Шейкин; С.П. Абрамова; И.Н. Нагорняк

2. ВНЕСЕН Министерством энергетики и электрификации СССР

3. УТВЕРЖДЕН И ВВЕДЕН В ДЕЙСТВИЕ постановлением Государственного комитета по строительству и инвестициям от 25.11.91 № 13

4. ССЫЛОЧНЫЕ НОРМАТИВНО-ТЕХНИЧЕСКИЕ ДОКУМЕНТЫ

Обозначение НТД, на который дана ссылка

Номер пункта, приложения

ГОСТ 8074-82

Приложение 3

ГОСТ 10180-90

2.5, 2.6, 3.1, 3.3, 3.4

ГОСТ 18105-86

2.7

ГОСТ 28570-90

2.5, 2.6, 3.1, 3.3

СОДЕРЖАНИЕ

1. Общие положения. 1

2. Образцы.. 2

3. Испытательное оборудование. 4

4. Проведение испытаний. 4

5. Обработка результатов. 5

Приложение 1 Обозначения величин. 7

Приложение 2 Термины и пояснения. 8

Приложение 3 Определение характеристик трещиностойкости при равновесных испытаниях образцов с фиксацией размеров развивающейся магистральной трещины и соответствующих значений прилагаемой нагрузки. 9

Приложение 4 Определение предела прочности на растяжение и начального модуля упругости. 11

Приложение 5 Испытательное оборудование для определения характеристик трещиностойкости при равновесных испытаниях образцов типа 1. 11

Приложение 6 Поправка на массу образца и дополнительного оборудования. 12

 

 




ГОСТЫ, СТРОИТЕЛЬНЫЕ и ТЕХНИЧЕСКИЕ НОРМАТИВЫ.
Некоммерческая онлайн система, содержащая все Российские Госты, национальные Стандарты и нормативы.
В Системе содержится более 150000 файлов нормативно-технической документации, действующей на территории РФ.
Система предназначена для широкого круга инженерно-технических специалистов.

Рейтинг@Mail.ru Яндекс цитирования

Copyright © www.gostrf.com, 2008 - 2026