Крупнейшая бесплатная информационно-справочная система онлайн доступа к полному собранию технических нормативно-правовых актов РФ. Огромная база технических нормативов (более 150 тысяч документов) и полное собрание национальных стандартов, аутентичное официальной базе Госстандарта. GOSTRF.com - это более 1 Терабайта бесплатной технической информации для всех пользователей интернета. Все электронные копии представленных здесь документов могут распространяться без каких-либо ограничений. Поощряется распространение информации с этого сайта на любых других ресурсах. Каждый человек имеет право на неограниченный доступ к этим документам! Каждый человек имеет право на знание требований, изложенных в данных нормативно-правовых актах!

  


 

МИНИСТЕРСТВО СВЯЗИ СССР
ГЛАВНОЕ УПРАВЛЕНИЕ МЕЖДУНАРОДНОЙ ТЕЛЕФОННОЙ СВЯЗИ

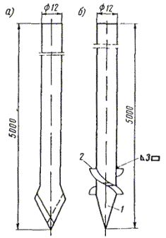
РУКОВОДСТВО
по проектированию, строительству
и эксплуатации заземлений в установках проводной связи и радиотрансляционных

узлов

Издательство «связь»
МОСКВА 1971

СОДЕРЖАНИЕ

Предисловие. 2

1. Основные определения и общие положения. 2

2. Расчет заземлителей. 5

Удельное сопротивление грунта. 5

Расчетные формулы для определения сопротивления вертикальных заземлителей. 7

Расчет сопротивления горизонтальных заземлителей. 9

Расчет сопротивления многоэлектродных заземлителей. 12

Заземлители в двухслойных грунтах. 16

Глубинные заземлители. 21

Расчет сопротивления заземлителей, помещенных в коксовой мелочи. 24

Расчет сопротивления заземлителей при импульсных токах. 26

Срок службы рабочих заземлителей и способы продления этого срока. 27

Искусственное уменьшение сопротивления заземлений. 31

3. Устройство заземлений на воздушных линиях связи и радиотрансляционных сетях. 34

Общие замечания. 34

Вертикальные многоэлектродные заземлители. 39

Заглубленные и глубинные заземлители. 41

4. Устройство заземлений у абонентов воздушной линии связи и радиотрансляционной сети. 43

5. Устройство заземлений для телеграфных и телефонных станций, усилительных пунктов и радиотрансляционных узлов без применения коксовой засыпки электродов. 45

6. Устройство рабочих заземлений из электродов в коксовой мелочи и армированных заводских электродов. 48

7. Устройство заземлений в районах вечной мерзлоты.. 50

8. Измерения сопротивления заземляющих устройств и удельного сопротивления земли. 53

Общие замечания. 53

Измерение сопротивления заземлений прибором мс-08. 53

Измерение удельного сопротивления грунтов прибором мс-08. 56

Измерения сопротивления заземлений методом «вольтметра - амперметра». 57

Измерение удельного сопротивления грунта методом вертикального электрического зондирования. 58

Определение электрических параметров грунта двухслойной структуры.. 60

Организация работ по вертикальному электрическому зондированию грунта на площадках. 64

9. Контроль за состоянием заземляющих устройств. 67

10. Указания по заземлению оболочек и брони междугородных кабелей связи. 68

11. Контрольно-измерительные пункты (кип) 71

Приложение 1 Поставщики коксовой мелочи. 76

Приложение 2. Примеры определения действующего удельного сопротивления для грунтов с двухслойной структурой. 77

Приложение 3 Основные нормы для сопротивлений заземлений установок связи (гост 464-68) 78

Литература. 79

ПРЕДИСЛОВИЕ

С момента опубликования «Руководящих указаний по проектированию, строительству и эксплуатации заземлений в установках проводной связи и радиотрансляционных узлов» в 1953 г. появились новые разработки по вопросам заземляющих устройств в установках связи, изменились некоторые нормы на сопротивления заземления, возникла необходимость в дополнениях и уточнениях. Данное «Руководство» является полностью переработанным в соответствии с современными требованиями.

Составление новой редакции руководящих указаний проведено ЦНИИC при участии КФ ЦНИИС (М.И. Михайловым, С.А. Соколовым, К.К. Никольским, З.С. Вериной).

Главное управление междугородной телефонной

связи Министерства связи

Центральный научно-исследовательский
институт связи

1. ОСНОВНЫЕ ОПРЕДЕЛЕНИЯ И ОБЩИЕ ПОЛОЖЕНИЯ

1.1. Заземлителем называется проводник или группа проводников любой формы (труба, стержень, полоса, проволока, лист и т.п.), выполненная из проводящего материала и находящаяся в непосредственном соприкосновении с грунтом, с которым она создает электрическое соединение определенного сопротивления.

1.2. Заземляющим устройством (заземляющим контуром) называется совокупность заземлителей и соединяющих их проводников

1.3. Заземлением называется устройство, состоящее из заземляющего контура (заземлителей) и проводников, соединяющих заземлители с электрическими установками.

1.4. Сопротивление заземлителя, или сопротивление растеканию токов с заземлителя называется суммарное электрическое сопротивление переходного контакта от заземлителя к грунту и сопротивление прохождению (растеканию) токов в слоях грунта, прилежащих к заземлителю.

1.5. Удельным сопротивлением грунта называется электрическое сопротивление, оказываемое грунтом в форме куба объемом 1 м3 при прохождении тока от одной грани этого куба к противоположной. Удельное сопротивление грунта обозначается через r и выражается в ом×м.

В зависимости от функции, которую выполняют заземления в установках связи и радиотрансляционных узлах, различают рабочее, защитное и линейно-защитное заземление.

1.6. Рабочим заземлением в технике сильных токов называется заземляющее устройство, предназначенное для обеспечения работы установки в нормальных или аварийных условиях (например, работы линий электропередачи постоянного тока по схеме «провод - земля» при аварийном отключении второго провода). В технике проводной связи рабочим заземлением называется устройство, предназначенное для соединения аппаратуры проводной связи и радиотрансляционных узлов с землей, служащей одним из проводников электрической цепи. Такое заземление применяется во всех однопроводных цепях или цепях «два провода - земля» телеграфной и телефонной связи, в цепях радиотрансляционной сети, дистанционного питания усилительных пунктов и в катодных установках при защите оболочек кабелей от коррозии.

1.7. Защитным заземлением называется устройство, предназначенное для соединения с землей молниеотводов, разрядников, а также металлических частей силового и технологического оборудования устройств проводной связи и радиотрансляционных узлов, которые нормально не находятся под напряжением, но могут оказаться под ним при повреждениях изоляции проводов, несущих рабочий ток. На АТС к защитному заземлению подсоединяется один из полюсов батарей с целью защиты от переходных токов в случае нарушения изоляции абонентских пар.

1.8. Линейно-защитным заземлением называется устройство, предназначенное для заземления металлических покровов оболочек и экранов по трассе кабелей и на станциях, куда они заводятся.

1.9. В технике проводной связи и радиовещания заземления обеспечивают нормальную работу аппаратуры связи, безопасность обслуживающего персонала и целость станционного и линейного оборудования.

1.10. При телеграфировании и телефонировании земля часто используется в качестве обратного провода и заземление составляет часть рабочей цепи.

1.11. При сближениях линий электропередач с линиями связи в последних могут возникнуть опасные напряжения. Мощные разрядники, устанавливаемые в этом случае на линии, обеспечивают защиту аппаратов связи и безопасность обслуживающего персонала, если заземление будет иметь малое сопротивление, соответствующее норме.

1.12. В населенных пунктах имеется опасность соприкосновения проводов связи с трамвайными и троллейбусными проводами. Величина сопротивления заземления разрядников, установленных на проводах связи, в данном случае определяет степень надежности защиты установок связи.

1.13. Деревянные опоры воздушных линий связи и радиовещания при ударах молнии разрушаются. Для защиты их от разрушения устанавливают молниеотводы. Степень надежности защиты зависит от величины сопротивления заземления молниеотвода.

1.14. Нормы сопротивления заземлений для различных установок проводной связи и радиотрансляционных узлов приведены в общесоюзном стандарте ГОСТ 464-68 (заземления для стационарных установок проводной связи и для радиотрансляционных узлов).

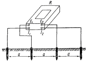
1.15. На рис. 1.1 показана приблизительная картина электрического поля в земле между двумя заземлителями А и Б. В зависимости от плотности тока поле может быть разделено на три области: в областях III плотность сравнительно велика; в области III она незначительна ввиду большой величины поперечного сечения земли, в которой проходит ток. На сопротивление заземлителя, главным образом, влияют области с большой плотностью тока, т.е. в данном случае области I и II. Область III практически не влияет на сопротивление заземлителя. Поэтому сопротивление заземления может быть измерено с помощью амперметра и вольтметра, включенных там, где плотность тока велики.

Рис. 1.1. Схема измерения сопротивления заземления (а) и поле токов в земле (б)

1.16. На рис. 1.2 показано изменение отношения потенциала точек земли Ux между заземлителями (см. рис. 1.1) к потенциалу одного из заземлителей UА в зависимости от расстояния х между данной точкой и заземлителем. При однородном строении земли и одинаковых заземлителях точка с нулевым потенциалом находится точно посредине между ними. Из кривой на рис. 1.2 видно, что величина потенциала указанных точек земли резко уменьшается вблизи заземлителя и на расстоянии 20 м от него становится равной приблизительно 2% от максимального значения. Точки, где потенциал земли равен 2% или менее от максимального значения, практически можно считать точками нулевого потенциала, или удаленными точками земли.

Рис. 1.2. Кривая изменения отношения к1 потенциала точек земли между двумя заземлителями Ux к потенциалу заземлителя относительно нулевой точки в зависимости от расстояния х

1.17. На рис. 1.3 показано изменение отношения к2 разности потенциалов UАx между заземлителем и рассматриваемой точкой ах к потенциалу заземлителя UА в зависимости от расстояния х между этой точкой земли и заземлителем. Из этой кривой видно, что на величину потенциала заземлителя практически оказывает влияние только грунт, окружающий заземлитель в радиусе 20¸25 м.

Рис. 1.3. Кривая изменения отношения к2 (в процентах) разности потенциалов UАx между заземлителем и рассматриваемой точкой х к потенциалу заземлителя UА в зависимости от расстояния х

Электрическое сопротивление заземлителя (см. рис. 1.1) определяется отношением измеренного потенциала заземлителя по отношению к точке с нулевым потенциалом к току, стекающему с заземлителя в грунт, т.е.

Rз = U/I,                                                             (1.1)

где U - показания вольтметра, в; I - показания амперметра, а.

2. РАСЧЕТ ЗАЗЕМЛИТЕЛЕЙ

УДЕЛЬНОЕ СОПРОТИВЛЕНИЕ ГРУНТА

2.1. Основное влияние на величину сопротивления заземлителей оказывает верхний слой грунта на глубине до 20¸25 м, поэтому при расчете и устройстве заземлений необходимо знать его удельное сопротивление.

2.2. В зависимости от состава (чернозем, песок, глина и т.п.), размеров и плотности прилегания друг к другу частиц, влажности и температуры, наличия растворимых химических веществ (кислот, щелочей, продуктов гниения и т.д.) удельное сопротивление грунтов изменяется в очень широких пределах.

2.3. Наиболее важными факторами, влияющими на величину удельного сопротивления грунта, являются влажность и температура. На рис. 2.1 и 2.2 в качестве примера приведены кривые изменения удельного сопротивления красной глины в зависимости от влажности и температуры.

 

Рис. 2.1. Кривая изменения удельного сопротивления красной глины в зависимости oт ее влажности

Рис. 2.2. Кривая изменения удельного сопротивления красной глины в зависимости от ее температуры

2.4. В течение года в связи с изменением атмосферных и климатических условий содержание влаги в грунте и его температура изменяются, а следовательно, изменяется и удельное сопротивление. Наиболее резкие колебания удельного сопротивления наблюдаются в верхних слоях земли, которые зимой промерзают, а летом высыхают. Из данных измерений следует, что при понижении температуры воздуха от 0 до -10 °С удельное сопротивление грунта на глубине 0,3 м увеличивается в 10 раз, а на глубине 0,5 м - в 3 раза.

Согласно наблюдениям в большинстве областей северной и средней части СССР при отрицательных температурах воздуха грунт имеет положительную температуру на глубине, начиная от 0,8 м. Влажность грунта на этой глубине и ниже при изменении температуры воздуха изменяется сравнительно мало.

В южных районах СССР глубина промерзания грунтов изменяется в пределах от 0,1 до 0,5 м.

2.5. При проектировании и строительстве заземляющих устройств необходимо знать максимальную величину удельного сопротивления слоя грунта на глубине, приблизительно в три раза превышающей глубину закладки заземлителя. Так, например, при забивке вертикального заземлителя длиной 2 м на глубину 3 м необходимо знать среднее удельное сопротивление слоя грунта толщиною до 9 м.

2.6. Величина удельного сопротивления грунта определяется путем измерений в месте устройства заземления с учетом коэффициентов влажности, которые приведены в табл. 2.1 и применяются в следующих случаях:

к1-1 - если измеренная величина сопротивления грунта соответствует минимальному значению (грунт влажный, перед измерением выпадало много осадков);

к1-2 - если измеренная величина удельного сопротивления грунта соответствует среднему значению (грунт средней влажности, перед измерением выпадало немного осадков);

к1-3 - если измеренная величина удельного сопротивления грунта соответствует наибольшему значению (грунт сухой, перед измерением выпадало совсем мало осадков).

Таблица 2.1

Заземлители

Глубина заложения, м

Поправочные коэффициенты

к1-1

к1-2

к1-3

Поверхностные (протяженные)

0,5

6,5

5

4,5

0,8

3

2

1,6

Углубленные вертикальные (трубы, уголки, стержни)

0,8 (верхний конец заземлителя) 3 (нижний конец заземлителя)

2

1,5

1,4

Расчетное значение удельного сопротивления грунта определяется по формуле

                                            (2.1)

где rизм - измеренное удельное сопротивление грунта, ом×м.

2.7. Коэффициенты промерзания грунта к1 и к2, учитывающие сезонные колебания температуры для различных климатических зон, приведены в табл. 2.2. Коэффициент к1 используется в расчетных формулах для стержневых электродов длиной 2¸3 м, вершина которых закладывается на глубину 0,5¸0,8 м. Коэффициент к2 применяется для протяженных электродов, закладываемых на глубину 0,8 м.

Таблица 2.2

Климатические зоны

Средняя многолетняя низшая температура (январь) ºС

Средняя многолетняя высшая температура (июль) ºС

Среднегодовое кол-во осадков, см

Продолжительность замерзания воды, дни

Коэффициент промерзания

к1

к2

I

-20¸-15

+16¸+18

~40

190 - 170

1,9

5,6

II

-14¸-10

+18¸+22

~50

~150

1,7

4,0

III

-10¸0

+22¸+24

~50

~100

1,5

2,2

IV

0¸+5

+24¸+26

30¸50

0

1,3

1,8

Примечание. Факторы, определяющие климатические зоны (температура, количество осадков и продолжительность замерзания воды) запрашиваются при изысканиях у местных метеорологических станций.

2.8. В исключительных случаях для оценки величины удельного сопротивления r при проектировании заземляющих устройств можно пользоваться средними величинами удельного сопротивления грунта, приведенными в табл. 2.3. Однако в последующем при строительстве заземлений необходимо пересчитать сопротивление заземления, предварительно уточнив r путем контрольных измерений. За расчетную величину удельного сопротивления в этом случае принимают

,                                                          (2.2)

где rср - среднее значение r, указанное в табл. 2.3;

1,75 - поправочный коэффициент, принимаемый одинаковым для всей территории СССР.

Таблица 2.3

Грунт

Среднее удельное сопротивление, ом×м

Грунт

Среднее удельное сопротивление, ом×м

Торф

25

Дно реки

200

Чернозем

50

Песок

500

Глина

60

Песчаник

1000

Суглинок

80

Супесок

300

Кокс

2,5

 

600

Лесс

250

Кварц

15000

Каменный уголь

130

Пористый известняк

180

Садовая земля

40

Плотный известняк

3000

Речная вода

1000

Гранит

1100

РАСЧЕТНЫЕ ФОРМУЛЫ ДЛЯ ОПРЕДЕЛЕНИЯ СОПРОТИВЛЕНИЯ ВЕРТИКАЛЬНЫХ ЗАЗЕМЛИТЕЛЕЙ

2.9. Сопротивление R трубчатого вертикального заземлителя, помещенного на глубине h от поверхности земли (рис. 2.3), определяется по формуле

,                                  (2.3)

где l - длина трубы, м; d - внешний диаметр трубы, м;

h - расстояние от поверхности земли до верхнего конца трубы, м

r - удельное сопротивление земли, ом×м; к1 - коэффициент промерзания, учитывающий сезонные колебания температуры грунта.

2.10. Сопротивление вертикального заземлителя, выполненного из уголка, определяется также по ф-ле (2.3), но при этом эквивалентный диаметр определяется из выражения

d = 0,95b, м,                                                                (2.4)

где b - ширина стороны уголка, м.

Наиболее целесообразно погружать трубу на такую глубину, чтобы верхний конец ее находился ниже глубины промерзания грунта и, во всяком случае на глубине 0,7 м от поверхности земли, при этом значительно уменьшится колебание сопротивления заземления в зависимости от времени года.

2.11. В тех случаях, когда глубоко лежащие слои земли имеют меньшее удельное сопротивление, следует погружать трубы на большую глубину, вплоть до 20 м.

2.12. При увеличении диаметра трубы свыше 5 см сопротивление заземления уменьшается незначительно, поэтому добиваться его уменьшения путем увеличения диаметра трубы нецелесообразно.

Аналогичный вывод может быть сделан относительно ширины и толщины стороны уголка.

Диаметр трубы и толщина стенки (или ширина и толщина стороны уголка заземлителя из угловой стали) выбираются такими, чтобы заземлитель обладал достаточной механической прочностью.

Рис. 2.3. Трубчатый заземлитель

Рис. 2.4. Кривые изменения сопротивления Ra трубчатого заземлителя в зависимости от его длины l при различных диаметрах труб d и различных удельных сопротивлениях r грунта (при глубине закопки заземлителя, равной 0,7 м)

В грунтах средней плотности диаметр трубы может быть 2,5¸5 см, ширина стороны уголка заземлителя из угловой стали - 2,5¸5 см. В твердых грунтах могут быть использованы либо сплошной стержень диаметром 2,5¸5 см, либо труба диаметром 4¸6 см, либо уголок с шириной стороны 4¸6 см.

2.13. Изменение сопротивления вертикального заземлителя в зависимости от его длины при разных диаметрах труб и различных удельных сопротивлениях грунтов показано на рис. 2.4.

РАСЧЕТ СОПРОТИВЛЕНИЯ ГОРИЗОНТАЛЬНЫХ ЗАЗЕМЛИТЕЛЕЙ

2.14. Сопротивление заземлителя в виде вытянутой металлической полосы, помещенной на глубине h, м (рис. 2.5), определяется по формуле

                                                   (2.5)

где l - длина заземлителя, м; b - ширина полосы, м; h - глубина прокладки полосы, м; r - удельное сопротивление грунта, ом×м; к2 - коэффициент промерзания грунта, учитывающий сезонные колебания температуры грунта.

Сопротивление заземлителя круглого сечения определяется по той же формуле с подстановкой вместо значения b величины 2d:

                                                   (2.6)

Указанные формулы справедливы при l>d, l>b, h>d, h>b.

Рис 2.5. Протяженные заземлители: а) полосовые; б) цилиндрические

Рис 2.6. Кривая изменения сопротивления протяженного проволочного заземлителя в зависимости от диаметра его проволок

2.15 Диаметр провода проволочного заземлителя или ширина полосы полосового заземлителя мало влияет на величину сопротивления заземления, что видно из кривой на рис. 2.6.

2.16. Для снижения сопротивления вытянутого заземлителя более целесообразно увеличить его длину, а не диаметр. На рис. 2.7 показано изменение сопротивления заземления стального провода диаметром d = 4 мм, уложенного в землю на глубину 0,7 м, в зависимости от длины его для различных удельных сопротивлений земли.

Рис. 2.7. Кривая изменения сопротивления протяженного проволочного заземлителя в зависимости от его длины при d = 4 мм и глубине закопки h = 0,5¸0,7 м для различных значений удельного сопротивления грунта

Увеличение длины заземлителя более 10 м, как видно из кривой, дает относительно небольшое уменьшение сопротивления. Кроме того, при дальнейшем увеличении длины заземлителя начинают сказываться собственные сопротивления и индуктивность провода, в результате чего сопротивление заземления не уменьшается.

Приведенные на рис. 2.7 данные практически могут быть использованы для проволоки любого диаметра от 2 до 6 мм. Для устройства вытянутого заземлителя рекомендуется применять оцинкованную стальную проволоку диаметром 4 или 5 мм. Глубина закопки такого заземлителя (из круглой проволоки или полосового) должна быть не меньше 0,7 м в южных районах страны и 1 м в остальных областях СССР.

2.17. В целях экономии места при устройстве заземления ленточному или проволочному заземлителю можно придать форму замкнутого кольца.

Сопротивление кольцевого ленточного заземлителя, помещенного в грунт на глубину h, м, может быть приближенно определено по формуле

,                                              (2.7)

где r - удельное сопротивление грунта, ом×м; D - диаметр кольца заземлителя, м; b - ширина полосы, м; h - глубина закопки заземлителя, м.

Для проволочного кольцевого заземлителя сопротивление заземления определяется по той же формуле, но с заменой b нa 2d.

,                                              (2.8)

При одной и той же длине провода, полосы или ленты сопротивление кольцевого заземлителя всегда больше, чем сопротивление вытянутого заземлителя (провод или лента, уложенные по прямой линии), и разница тем больше, чем меньше диаметр.

Рис. 2.8. Кривая изменения сопротивления кольцевого заземлителя в зависимости от радиуса кольца при d=4 мм, глубине закопки заземлителя h = 0,5¸0,7 м для различных значений удельного сопротивления грунта

На рис. 2.8 показана зависимость сопротивления кольцевого проволочного заземлителя от радиуса кольца при различном удельном сопротивлении грунта. По этой кривой, не делая расчетов, можно определить сопротивление кольцевого заземлителя для любых значений удельного сопротивления грунтов в пределах от 10 до 1000 ом×м.

Глубина закопки кольцевого заземлителя должна выбираться на тех же основаниях, что и для вытянутого заземлителя.

2.18. Сопротивление заземления пластинчатого заземлителя, представляющего собой круглую или прямоугольную пластину, заложенную на глубину h (рис. 2.9), можно определить по формуле

,                             (2.9)

где D - диаметр пластины, м; r - удельное сопротивление грунта, ом×м.

Рис. 2.9. Пластинчатый заземлитель

Для квадратной или прямоугольной пластины определяется эквивалентный диаметр по формуле

,                                                               (2.10)

где S - площадь пластины, м2.

Увеличение диаметра пластины свыше 125 см нецелесообразно, так как сопротивление заземления начинает уменьшаться медленно.

Рис. 2.10. График изменения сопротивления пластинчатых заземлителей в зависимости от удельного сопротивления грунта для пластины с эквивалентным радиусом, равным 0,55 м, при h = 0,5¸0,7 м

Для устройства заземления при помощи пластинчатых заземлителей рекомендуются оцинкованные листы железа размером 1,42´0,71 см, толщиной не менее 3,5 мм. Такие размеры листа эквивалентны круглой пластине диаметром около 1,13 м.

На рис. 2.10 приведен график изменения сопротивления пластинчатого заземлителя размером D = l,l м в зависимости от удельного сопротивления грунта. Этот график позволяет, не делая расчетов, получить необходимые сведения при проектировании заземлений.

РАСЧЕТ СОПРОТИВЛЕНИЯ МНОГОЭЛЕКТРОДНЫХ ЗАЗЕМЛИТЕЛЕЙ

2.19. В грунтах с большим удельным сопротивлением один заземлитель (труба, стержень, полоса, кольцо, пластина и т.п.) имеет большое сопротивление и для получения требуемой меньшей величины сопротивления приходится устраивать заземление из нескольких единичных заземлителей, включенных параллельно. Заземляющее устройство при этом называется многоэлектродным.

2.20. При параллельном соединении единичных заземлителей необходимо принимать во внимание эффект взаимного экранирования заземлителей, который сказывается в том, что общее сопротивление заземления уменьшается не пропорционально числу заземлителей соединенных параллельно, а несколько меньше. Экранирование сказывается тем больше, чем ближе друг к другу будут расположены единичные заземлители. Полное сопротивление Rоб параллельно соединенных заземлителей одинакового сопротивления определяется по формуле:

,                                                                     (2.11)

где R - сопротивление единичного заземлителя, ом; п - число заземлителей; h - коэффициент использования, зависящий от конфигурации и расположения заземлителей.

2.21. Полное сопротивление нескольких вертикальных заземлителей одинакового сопротивления, соединенных параллельно с помощью горизонтальных заземлителей (полос или провода), определяется по формуле

,                                                     (2.12)

где R1 - сопротивление горизонтального заземлителя (соединительной полосы, шины), ом; R2 - сопротивление вертикального заземлителя, ом; h1 - коэффициент использования протяженных заземлителей, которыми являются соединительные полосы или шины; h2 - коэффициент использования вертикальных заземлителей; п - количество вертикальных заземлителей.

Примечание. Формулы (2.14) и (2.15) действительны для случая одинаковых сопротивлений каждого из вертикальных заземлителей, что обычно и принимается в расчетах.

Таблица 2.4

Отношение расстояния между трубами (уголками) к их длине а/l

Число труб (уголков) n

h

1

2

0,84¸0,87

3

0,76¸0,80

5

0,67¸0,72

10

0,56¸0,62

15

0,51¸0,56

20

0,47¸0,52

2

2

0,90¸0,92

3

0,85¸0,88

5

0,79¸0,83

10

0,72¸0,77

15

0,66¸0,73

20

0,65¸0,70

3

2

0,93¸0,95

3

0,90¸0,92

5

0,85¸0,88

10

0,79¸0,83

15

0,76¸0,80

20

0,74¸0,79

Таблица 2.5

Отношение расстояния между трубами (уголками) к их длине а/l

Число труб (уголков) п

h

1

4

0,66¸0,72

6

0,58¸0,65

10

0,52¸0,58

20

0,44¸0,50

40

0,38¸0,44

60

0,36¸0,42

100

0,33¸0,39

2

4

0,76¸0,80

6

0,71¸0,75

10

0,66¸0,71

20

0,61¸0,66

40

0,55¸0,61

60

0,52¸0,58

100

0,49¸0,55

3

4

0,84¸0,86

6

0,78¸0,82

10

0,74¸0,78

20

0,68¸0,73

40

0,64¸0,69

60

0,62¸0,67

100

0,59¸0,65

2.22. Коэффициенты использования h для многоэлектродных заземлителей (без учета влияния соединительной полосы), состоящих из вертикальных стержней (труб или уголков), размещенных в ряд, приведены в табл. 2.4, а для тех же заземлителей, размещенных по замкнутому контуру, - в табл. 2.5. Коэффициенты использования параллельно уложенных полосовых заземлителей (ширина полосы b = 20¸40 мм, глубина заложения h = 30¸80 см) приведены в табл. 2.6.

2.23. Коэффициенты использования соединительной полосы в ряду из вертикальных заземлителей приведены в табл. 2.7, в замкнутом контуре - в табл. 2.8.

Таблица 2.6

Длина каждой полосы, м

Число параллельных полос п

Коэффициенты использования при расстоянии между параллельными полосами, м

1

2,5

5,0

10,0

15,0

15

2

0,631)

0,751)

0,831)

0,921)

0,961)

5

0,37

0,49

0,60

0,73

0,79

10

0,25

0,37

0,49

0,64

0,72

20

0,16

0,27

0,39

0,57

0,64

25

5

0,35

0,45

0,55

0,66

0,73

10

0,25

0,31

0,43

0,57

0,66

20

0,14

0,23

0,33

0,47

0,57

50

2

0,601)

0,69

0,781)

0,881)

0,931)

5

0,33

0,40

0,48

0,58

0,65

10

0,20

0,27

0,35

0,46

0,53

20

0,12

0,19

0,25

0,36

0,44

75

5

0,31

0,38

0,45

0,53

0,58

10

0,18

0,25

0,31

0,41

0,47

20

0,11

0,16

0,22

0,31

0,38

100

5

0,30

0,36

0,43

0,51

0,57

10

0,17

0,23

0,28

0,37

0,44

20

0,10

0,15

0,20

0,28

0,345

200

5

0,28

0,32

0,37

0,44

0,50

10

0,14

0,20

0,23

0,30

0,36

20

0,088

0,12

0,15

0,215

0,265

1) Данные приближенные.

Таблица 2.7

Отношение расстояния между трубами (уголками) к их длине а/l

Коэффициенты использования соединительной полосы при числе труб (уголков) п в ряду

4

5

8

10

20

30

50

65

1

0,77

0,74

0,67

0,62

0,42

0,31

0,21

0,20

2

0,89

0,86

0,79

0,75

0,56

0,46

0,36

0,34

3

0,92

0,90

0,85

0,82

0,68

0,58

0,49

0,47

Таблица 2.8

Отношение расстояния между трубами (уголками) к их длине а/l

Коэффициенты использования соединительной полосы при числе труб (уголков) п в контуре заземления

4

5

8

10

20

30

50

70

100

1

0,45

0,40

0,36

0,34

0,27

0,24

0,21

0,20

0,19

2

0,55

0,48

0,43

0,40

0,32

0,30

0,28

0,26

0,24

3

0,70

0,64

0,60

0,56

0,45

0,41

0,37

0,35

0,33

2.24 Коэффициенты использования для многолучевого заземления, состоящего из вытянутых протяженных одиночных заземлителей, расположенных в радиальном направлении, приведены в табл. 2.9.

Таблица 2.9

Длина луча, м

Коэффициенты использования при числе лучей п

3

4

6

и при диаметре проводника луча, см

1

2

3

4

1

2

3

4

1

2

3

4

2,5

0,76

0,74

0,72

0,71

0,63

0,61

0,59

0,58

0,50

0,48

0,46

0,45

5,0

0,78

0,76

0,74

0,73

0,67

0,65

0,63

0,62

0,53

0,51

0,49

0,48

10,0

0,81

0,79

0,77

0,76

0,70

0,69

0,67

0,66

0,57

0,55

0,53

0,51

15,0

0,82

0,80

0,78

0,76

0,72

0,70

0,68

0,66

0,59

0,57

0,55

0,53

30,0

0,84

0,82

0,80

0,78

0,75

0,73

0,71

0,69

0,62

0,60

0,58

0,56

Примечания. 1. При применении для лучей полосовой стали эквивалентный диаметр принимается равным b/2, где b - ширина полосы.

2. Приведенные коэффициенты могут применяться для глубины заложения 0,3¸0,8 м.

2.25. Коэффициенты использования для многоэлектродных заземлений, состоящих из полосно-листовых заземлителей, запараллеленных между собой, приведены в табл. 2.10.

Таблица 2.10

Вид заземления

п

Значение h при

d = 4a

d = 2a

2

0,66

0,62

4

0,52

0,38

6

0,43

0,3

8

0,4

0,27

10

0,39

0,25

2

0,75

0,67

4

0,6

0,46

6

0,55

0,38

8

0,54

0,35

10

0,52

0,32

Пример расчета многоэлектродного заземления. Определить общее сопротивление заземления, состоящего из 20 вертикальных заземлителей, выполненных из угловой стали. Заземлители расположены прямоугольником и соединены между собой стальной шиной, расстояние между ними а = 2l. Сопротивление каждого уголка, определенное по ф-ле (2.1), R2 = 30 ом, сопротивление соединительной полосы R1 = 15 ом. Расчет ведется по ф-ле (2.12):

.

Соответствующие значения h1 и h2 приведены в табл. 2.5 и 2.8: h1 = 0,32, h2 = 0,63. Подставляя в формулу данные R1, R2, h1 и h2 получаем

.

При параллельном соединении уголков между собой изолированным проводом общее сопротивление заземления определяется по формуле Rоб = R2/nh2 = 30/20×0,63 = 2,38 ом

2.26. Сопротивление заземлителя, выполненного в виде многолучевой звезды, расположенной у поверхности земли, рассчитывается по формуле

,                                      (2.13)

где l - длина луча, м; r - удельное сопротивление земли, ом×м; d - диаметр провода, из которого сделаны лучи, м; п - число лучей;

.                                              (2.14)

В табл. 2.11 приведены значения функции N(n) при некоторых значениях п.

Таблица 2.11

n

2

3

4

6

8

12

100

N(п)

0,7

1,53

2,45

4,42

6,5

11,0

116

При n > 6 функция

N(n) » (n - l)ln 3,414 - ln n.                                         (2.15)

ЗАЗЕМЛИТЕЛИ В ДВУХСЛОЙНЫХ ГРУНТАХ

2.27. Если грунт в месте установки заземления имеет ярко выраженную двухслойную структуру, то при расчете сопротивлений заземлении необходимо применять действующее удельное сопротивление грунта. Графики значений действующего удельного сопротивления грунта для трубчатых заземлителей приведены на рис. 2.11, а для горизонтальных заземлителей - на рис. 2.12 и 2.13 при различных значениях r1/r2 и к = (r2 - r1)/(r1 + r2).

2.28. В табл. 2.12 и 2.13 приведены сопротивления соответственно трубчатых и полосовых заземлителей в неоднородном грунте при весьма распространенных на практике значениях отношения сопротивления верхнего слоя к сопротивлению нижнего слоя - 10 и 0,1 м. Глубина заложения полосы (верхнего конца трубы) - 0,5 м.

Рис. 2.11 Графики значений действующего удельного сопротивления грунта для трубчатых заземлителей

1 - ; к = 0,98;

2 - , к = 0,818;

3 - , к = 0,667;

4 - , к = 0,667;

5 - , к = 0,500;

6 - , к = 0,333;

7 - , к = 0;

8 - , к = -0,333;

9 - , к = -0,500;

10 - , к = -0,667;

11 - , к = -0,818;

12 - , к = -0,98;

Таблица 2.12

Толщина верхнего слоя грунта, м

Длина электрода м

Отношение действующего удельного сопротивления к сопротивлению верхнего слоя

Действующее удельное сопротивление ом×м

Сопротивление заземлителя ом

1

2

3

0,13/3,3

0,4/4,5

65/165

55/225

26/66

16/65,3

2

2

3

0,3/1,65

0,15/0,22

150/82

75/110

60/33

22/32

3

2

3

0,85/1,3

0,36/1,5

420/65

180/75

168/26

52/22

Примечание. В числителе даны значения величин при удельном сопротивлении верхнего слоя грунта r1 = 500 ом×м и отношении удельных сопротивлений слоев r1/r2 = 10, а в знаменателе - при r1 = 50 ом×м и r1/r2 = 0,1.

Рис. 2.12. Графики значений действующего удельного сопротивления грунта для горизонтальных заземлителей при различных отношениях t/h и к > 0:

1 - t/h = 2; 2 - t/h = 1,5; 3 - t/h = 1,1; 4 - t/h = 1; 5 - t/h = 0,8; 6 - t/h = 0,4; 7 - t/h = 0,2; 8 - t/h ³ 1,5; 9 - t/h ³ 1,1; 10 - t/h ³ 0,4; 11 - t/h ³ 0,05

Рис. 2.13. Графики действующего удельного сопротивления грунта для горизонтальных заземлителей при различных отношениях t/h и к < 0:

1 - t/h = 2; 2 - t/h ³ 1,5; 3 - t/h = 1,1; 4 - t/h = 1,0; 5 - t/h = 0,9; 6 - t/h = 0,8; 7 - t/h = 0,4; 8 - t/h ³ 0,05

Данные таблиц показывают, что заземлитель используется тем лучше, чем выше проводимость грунта, в котором он помещен. Эффективность заземлителя при правильном выборе его расположения может быть повышена в 3¸5 и более раз. При проводимости нижнего слоя в 3¸10 раз больше, чем верхнего, следует применять весьма длинные трубы, причем одна такая труба может оказаться эффективнее большого числа труб меньшей длины.

Для полосовых заземлителей решающее значение приобретает глубина заложения полосы. При соответствующей глубине заложения одна короткая полоса по своей проводимости может оказаться эквивалентной полосе, в 4 раза большей длины.

Таблица 2.13

Толщина верхнего слоя грунта, м

Длина электрода м

Глубина заложения заземлителя от поверхности земли, м

Отношение действующего удельного сопротивления к сопротивлению верхнего слоя

Действующее удельное сопротивление ом×м

Сопротивление заземлителя, ом

1

5

0,5

0,65/2,1

325/105

81/25

0,9

0,47/2,6

235/130

59/32

1

0,17/2,7

85/135

21/34

10

0,5

0,58/2,6

290/130

41/182

0,9

0,42/3

210/150

29/21

1

0,155/3,2

775/160

11/22

20

0,5

0,52/3,1

260/155

21/12

3

5

 

0,93/1,3

465/65

116/16

10

0,5

0,88/1,7

440/85

62/12

20

 

0,78/1,9

390/95

31,8

Примечание. В числителе даны значения величин при удельном сопротивлении верхнего слоя грунта r1 = 500 ом×м и отношении удельных сопротивлений слоев r1/r2 = 10, а в знаменателе - при r1 = 50 ом×м и r1/r2 = 0,1.

ГЛУБИННЫЕ ЗАЗЕМЛИТЕЛИ

2.29. В реальных условиях земля имеет многослойное строение, однако для практических расчетов достаточно представлять землю в виде двухслойной структуры. Во многих случаях удельное сопротивление нижнего слоя ниже сопротивления верхнего слоя, поэтому целесообразно использование заглубленных (от 5 до 10 м) и глубинных (свыше 10 м) заземлителей, что приводит к существенной экономии средств, труда и материалов.

На рис. 2.14 приводятся графики веса металла многоэлектродного заземления в зависимости от числа электродов (кривая 1) и веса эквивалентного глубинного заземления при различном расположении электродов в контуре многоэлектродного заземления и однородном строении грунта (кривые 2, 4, 6 - заземление в виде контура с расстоянием между электродами 7,5; 5 и 2,5 м соответственно; кривые 3, 5 - заземление в виде ряда с расстоянием между электродами 5 и 2,5 м соответственно). Из графика видно, что существенная экономия материалов достигается при применении глубинных и заглубленных заземлителей и в однородном грунте (с постоянным по глубине удельным сопротивлением) за счет лучшего использования поверхности растекания токов.

2.30. Сопротивление растеканию токов с вертикального заземлителя, начинающегося от поверхности земли при двухслойном ее строении, определяется по формуле

,                         (2.16)

где к = (r2 - r1)/(r2 + r1) - коэффициент неоднородности; r1 - удельное сопротивление верхнего слоя, ом×м; r2 - удельное сопротивление нижнего слоя, ом×м; h - глубина верхнего слоя, м;l - длина заземлителя, м; d - диаметр заземлителя, м.

Рис. 2.14. Вес многоэлектродного и глубинного заземлений при одинаковом сопротивлении в однородном грунте:

1 - вес многоэлектродного заземления в зависимости от количества электродов; 2 - вес эквивалентного глубинного заземления при выполнении многоэлектродного заземления в виде контура с расстоянием между электродами 7,5 м; 3 - вес эквивалентного глубинного заземлителя при выполнении многоэлектродного заземления в виде ряда с расстоянием между электродами 5 м; 4 - вес эквивалентного глубинного заземлителя при выполнении многоэлектродного заземления в виде контура с расстоянием между электродами 5 м; 5 - вес эквивалентного глубинного заземлителя при выполнении многоэлектродного заземления в виде ряда с расстоянием между электродами 2,5 м; 6 - вес эквивалентного глубинного заземлителя при выполнении многоэлектродного заземления в виде многоэлектродного замкнутого контура с расстоянием между электродами 2,5 м

2.31. Формула (2.16) весьма сложна и при расчетах приходится производить вычисление рядов. При ориентировочных расчетах для вычисления сопротивления глубинного заземлителя можно пользоваться приближенной формулой:

, ом                                        (2.17)

Формула (2.17) справедлива для глубинного заземлителя, выполненного в виде одного стержня. При l/h > 6 ошибка по сравнению с расчетами по ф-ле (2.16) не превышает 3%, а при l/h = 1,5 она достигает 15%.

Рис. 2.15 Номограмма для определения длины глубинного заземлителя

Рис. 2.16. Зависимости веса и длины глубинного заземлителя от диаметра стержня при постоянном сопротивлении заземления

2.32. На рис. 2.15 построены номограммы для определения длины глубинного заземлителя по заданной величине R и известным величинам h, d, r1 и r2. Порядок расчета следующий.

На правой ветви оси абсцисс отложены значения толщины верхнего слоя h. Восстанавливая перпендикуляр из точки, соответствующей известному значению h, до пересечения с соответствующей линией r2/r1, найдем величину А, отложенную по оси ординат. Далее, зная отношение r2/R и проведя из полученной точки на оси ординат прямую, параллельную оси абсцисс, до пересечения с соответствующей линией r2/R, найдем на левой ветви оси абсцисс искомое значение длины глубинного заземлителя l.

Таким образом, отыскание величины l сводится к проведению на графике трех линий, параллельных осям координат. Например, если h = 15 м, r1 = 500 ом×м, r2 = 100 ом×м и необходимо получить сопротивление R = 20 ом, по графику на рис. 2.15 найдем, что l = 18,5 м. Ход вычислений показан на рис. 2.15 пунктиром. При вычислении номограмм диаметр глубинного заземлителя принят равным 19 мм. Однако некоторое изменение диаметра не скажется на результатах расчетов.

2.33. Дополнительная экономия материала может быть получена при рациональном выборе диаметра прутка заземлителя. На рис. 2.16 приводится график веса прутка и его длины в зависимости от диаметра при неизменном сопротивлении заземлителя.

Практическое выполнение глубинных заземлителей рассматривается в гл. 7.

РАСЧЕТ СОПРОТИВЛЕНИЯ ЗАЗЕМЛИТЕЛЕЙ, ПОМЕЩЕННЫХ В КОКСОВОЙ МЕЛОЧИ

2.34. Сопротивление растеканию одиночного вертикального электрода в коксовой мелочи (рис. 2.17) определяется по формуле

                (2.18)

где к1 - коэффициент промерзания, учитывающий сезонные колебания температуры грунта для вертикального заземления; r - удельное сопротивление грунта, ом×м; lв - длина вертикального электрода м; tв - средняя глубина установки электрода, равная расстоянию от поверхности земли до середины электрода, м; dв - наружный диаметр электрода, м (для электродов из угловой стали вместо диаметра d подставляется эквивалентная величина, равная ширине стороны b уголка с коэффициентом 0,95; dэкв » 0,95b); rакт - удельное электрическое сопротивление коксовой мелочи, ом×м; dакт - наружный диаметр коксовой засыпки, м.

2.35 Сопротивление растеканию одиночного горизонтального электрода или соединительной полосы в коксовой мелочи (рис. 2.18) при  lг >> dг и tг << lг/4 определяется по формуле

,                        (2.19)

где к2 - коэффициент промерзания, учитывающий сезонные колебания температуры грунта для горизонтальных заземлителей; r - удельное сопротивление грунта, ом×м; lг - длина горизонтального заземлителя, м; dг - наружный диаметр горизонтального электрода, м (для электродов из угловой или полосовой стали вместо диаметра а подставляется эквивалентная величина, равная ширине стороны b уголка с коэффициентом 0,95); tг - глубина прокладки электрода, м; rакт - удельное электрическое сопротивление коксовой мелочи, ом×м: dакт - наружный диаметр активатора, м.

Рис 2.17. Схема установки одиночного вертикального заземлителя в коксовой засыпке

Удельное сопротивление коксовой мелочи rакт зависит от типа угля, из которого получен кокс, и составляет величину порядка 0,22¸2,5 ом×м. Коксовая мелочь, используемая при устройстве заземлений, представляет собой зерна диаметром 10¸15 мм (согласно ГОСТ МТУ-2834 и ТУ-1020). При расчетах следует принимать величину rакт = 2,5 ом×м.

Рис. 2.18. Схема установки одиночного горизонтального заземлителя в коксовой засыпке

На рис. 2.19 показана схема установки многоэлектродного заземления из вертикальных электродов, помещенных в коксовой мелочи.

Рис. 2.19 Схема установки многоэлектродного заземления в коксовой засыпке

2.36. Вместо засыпки коксовой мелочи на месте оборудования заземлений часто применяют заземлители с цементированной коксовой мелочью вокруг металлического стержня заводского изготовления (типа ЗКА-140). На рис. 2.20 показана схема установки многоэлектродного заземления из электродов типа ЗКА-140.

Рис 2.20. Схема установки многоэлектродного заземления из электродов типа ЗКА-140

Применение прослойки в виде коксовой мелочи между металлическими электродами и основным грунтом уменьшает сопротивление заземления и увеличивает срок службы заземлений.

РАСЧЕТ СОПРОТИВЛЕНИЯ ЗАЗЕМЛИТЕЛЕЙ ПРИ ИМПУЛЬСНЫХ ТОКАХ

2.37. В случае прохождения через заземлитель импульсных токов, возникающих при грозе, в формулы для расчета сопротивления заземлителя следует ввести дополнительно импульсный коэффициент.

2.38. При значительных по величине импульсах тока в грунте вблизи заземлителя возникают настолько большие напряженности электрического поля, что в отдельных участках земли происходит частичный искровой пробой. Согласно исследованиям искровой пробой в средних по проводимости грунтах возникает при напряженности электрического поля Е = 3 кв/см.

2.39. В случае возникновения искрового пробоя шунтируется переходное сопротивление прилегающих участков грунта и уменьшается общее сопротивление заземления. Это явление приводит как бы к увеличению размеров заземлителя по сечению и уменьшению удельного сопротивления грунта. Поэтому сопротивление единичного заземлителя для импульсных токов при грозе определяется по формуле

,                                                            (2.20)

где Rз - сопротивление заземлителя при постоянном токе и токах низкой частоты; a - импульсный коэффициент, учитывающий снижение сопротивления заземления при импульсных токах.

2.40. Импульсные коэффициенты, которые необходимо учитывать при расчетах заземлений, предназначенных для защиты устройств связи от грозы, приведены в табл. 2.14.

Таблица 2.14

Тип заземлителя

Схема заземлителя

Длина заземлителя, м

Обозначение импульсного коэффициента

Величина импульсного коэффициента при удельном сопротивлении грунта r, ом×м

до 50

51¸100

101¸300

301¸500

501¸1000

Трубчатый

Рис. 2.3

2¸3

a1

1

0,8

0,6

0,4

0,35

Протяженный проволочный или полосовой

Горизонтально расположенный заземлитель, закопанный в грунт

5¸10

a2

1

0,9

0,7

0,5

0,4

10¸20

 

1,05

0,95

0,78

0,65

0,5

20¸30

 

1,2

1,1

0,95

0,73

0,52

2.41. Импульсный коэффициент необходимо учитывать также и при определении сопротивления многоэлектродного заземлителя, употребляемого для защиты устройств связи от грозовых разрядов. В этом случае для расчета сопротивления заземления из стержневых заземлителей, соединенных изолированными проводами, применяется формула

, ом,                                                          (2.21)

а для стержневых заземлителей, соединенных голыми проводами,

, ом,                                     (2.22)

где a1, a2 - берется из табл. 2.14; h1, h2 - из табл. 2.4 - 2.9.

Для протяженных проволочных или полосовых заземлителей в том же случае применяется формула

.                                                                (2.23)

СРОК СЛУЖБЫ РАБОЧИХ ЗАЗЕМЛИТЕЛЕЙ И СПОСОБЫ ПРОДЛЕНИЯ ЭТОГО СРОКА

2.42. Металлические заземлители, находясь в земле, подвергаются коррозии, причем в особо неблагоприятных условиях находятся заземлители рабочего заземления, через которые проходят рабочие токи постоянного направления.

2.43. К заземлениям, в которых заземлители подвергаются усиленной коррозии, относятся:

- заземления установок дистанционного питания усилительных пунктов на кабельных и воздушных линиях связи по системе «провод - земля»;

- заземления установок дистанционного питания постоянным током радиоузлов радиотрансляционной сети;

- заземления катодных установок на кабельных линиях связи для защиты оболочек кабелей от коррозии;

- заземления телеграфных станций, работающих по однопроводным цепям;

- заземления телефонных станций с центральной батареей.

2.44. В перечисленных в п. 2.43 установках подвергаются электрокоррозии те заземлители, которые соединены с положительным полюсом источника тока. Стальные трубы или другой формы заземлители постепенно разрушаются токами, стекающими с них в грунт. Со стальных труб 1a тока уносит в год практически от 9 до 10 кг металла.

2.45. Рассчитанная конструкция заземляющего устройства, исходя из нормы общего сопротивления, должна быть проверена на долговечность, т.е. на срок возможной эксплуатации этого устройства.

2.46. За предельный срок эксплуатации заземлителей можно принять такой срок, по истечении которого вес каждого заземлителя снизится до 0,25 первоначального веса. При этом условии срок службы Т заземляющего устройства из стальных вертикальных электродов определяется по формуле

, лет,                                  (2.24)

где п - количество отдельных заземлителей (труб) в заземляющем устройстве; I - величина рабочего тока, стекающего в землю через заземление, а; l - длина трубчатого заземлителя, м; d1 - внешний диаметр трубчатого заземлителя, м; d2 - внутренний диаметр трубчатого заземлителя, м.

При заданном сроке службы заземлителя общее количество требуемых заземлителей определяется по формуле

.                                          (2.25)

Срок службы заземлителя можно определить также по более общей формуле

, лет,                                                       (2.26)

где Q - вес стальных электродов и соединительной полосы, кг; I - рабочий ток, стекающий с заземлителей в землю, а; к - электрохимический коэффициент разрушения.

В расчетах к принимается равным 0,04 для стальных электродов, помещенных в грунт без коксовой мелочи и 0,4 для тех же электродов в коксовой мелочи.

Учитывая неодинаковые условия эксплуатации для многоэлектродного заземлителя, расчет срока службы рекомендуется производить раздельно для вертикальных электродов и горизонтальной полосы.

Срок службы вертикальных электродов Тв определяется из выражения

; лет,                                                         (2.27)

где Qв - вес вертикальных электродов, кг; Iв - ток, стекающий с вертикальных заземлителей, а.

Величина Iв определяется по формуле

, а,                                                           (2.28)

где R¢г - сопротивление горизонтальных электродов, ом;

R¢в - сопротивление вертикальных электродов, ом.

Срок службы соединительной полосы определяется по формуле

, лет,                                                         (2.29)

где Qг - вес соединительной полосы, кг; Iг - ток, стекающий с соединительной полосы, а:

, а.                                                           (2.30)

2.47 Часто срок службы может оказаться очень малым (3 - 8 лет). Опыт показывает, что целесообразно строить заземляющее устройство так, чтобы заземление работало без замены электродов не менее 15 лет. Это может быть достигнуто с помощью забивки дополнительных электродов к тем, которые были определены из условия соблюдения нормы заземления.

Значительного увеличения срока службы заземлителей можно достигнуть, если использовать в качестве прослойки между основным грунтом и металлом электрода - коксовую мелочь. Исследования показывают, что в этом случае при стекании электрического тока с электрода в грунт процесс разрушения электрода от электролитической коррозии резко замедляется.

Иными словами, срок службы заземлителя, состоящего из электродов, в коксовой мелочи увеличивается (при диаметре коксовой прослойки у каждого электрода 0,25 м) не менее чем в 5¸10 раз.

Пример 1. Определить срок работы заземления установки дистанционного питания усилителей кабельной магистрали, если заземляющее устройство имеет следующие данные: количество труб n = 25; длина каждой трубы l = 200 см, внешний диаметр трубы d1 = 4 см; внутренним диаметр d2 = 3,2 см, ток через заземление I = 2 а.

Тогда время (в годах) службы заземления определится но формуле

года.

Если задан срок службы заземляющего устройства, то можно определить необходимое количество трубчатых заземлителей, исходя из электрокоррозии. При тех же размерах единичных заземлителей количество их при Т = 15 лет будет

 труб.

Таким образом, дополнительное количество электродов составляет 56-25 = 31 шт.

Если электроды рассматриваемого в данном примере заземления будут помещены в коксовой мелочи, то срок службы заземления будет уже не 6,7 года, а, по крайней мере, в 5 раз больше, т.е. Т = 33,5 года. При этом не потребуются дополнительные электроды, как это было показано у заземления с электродами, помещенными прямо в грунт.

Пример 2. Определить срок работы заземления автоматической телефонной станции (АТС) с числом соединительных линий 400.

Согласно табл. 4 ГОСТ 464-68 на заземление сопротивление рабочего заземления для такой станции должно быть равным 2,5 ом. Удельное сопротивление грунта в местах устройства заземлений - r = 60 ом×м. Заземляющее устройство состоит из трубчатых заземлителей; длина каждой трубы 2 м, внешний диаметр 4 см (внутренний диаметр 3 см).

Для соблюдения нормы сопротивления заземления (2,5 ом) заземляющее устройство содержит 10 труб (указанного размера), соединенных параллельно между собой. Средний уравнительный рабочий ток через заземление принят 2,5 а, тогда время службы заземления АТС определяется по формуле

 года.

Этот срок не приемлем. При размещении электродов в коксовой мелочи срок службы значительно повышается.

Пример 3. Рассчитать заземление с использованием коксовой мелочи для НУП кабельной магистрали при следующих данных: тип кабеля - МКСБ 4´4´1,2; аппаратура уплотнения - К-60; расчетное значение удельного электрического сопротивления грунта - rгр = 80 ом×м; удельное электрическое сопротивление коксовой мелочи - rакт = 2,5 ом×м. Заземление выполнено из вертикальных электродов из угловой стали 50´50´5 мм и соединительной полосы 40´4 мм. Контур заземления будет эксплуатироваться в непромерзающих грунтах.

Порядок расчета

1. Определим силу тока I, стекающего с рабочего заземления НУП:

,

где кc - количество систем в НУП, подлежащих дистанционному питанию, Iс - ток, требуемый для одном системы и равный 0,28 а.

При полном использовании кабеля МКСБ 4´4´1,2 и последовательном питании систем К-60 кс = 4, Iс = 0,28 а (ИТСЭ, ч. VI, табл. 18.2) и полный рабочий ток НУП I = 4×0,28 = 1,12 а.

2. Рассчитаем сопротивление растеканию токов с вертикального электрода длиной l = 2,5 м в коксовой мелочи по ф-ле (2.18):

 ом.

3. Определим количество вертикальных электродов, исходя из нормируемой величины сопротивления растеканию для грунтов с удельным электрическим сопротивлением r < 100 ом×м. Для этих условий сопротивление растеканию электрода должно быть не выше 10 ом и удовлетворять допустимому падению напряжения 12 в, т.е. Rз = 12/1,12 = 10,7 ом,nв = 16,5/10,7 = 1,55»2 электрода.

4. Найдем длину lг соединительной шины, если расстояние между электродами а = 5 м, lг = (nв - 1) = (2 - 1)×5 = 5 м.

5. Определим сопротивление растеканию горизонтального электрода по ф-ле (2.19):

 ом.

6. Рассчитаем полное сопротивление растеканию контура заземления Rобщ по ф-ле (2.12):

 ом,

что удовлетворяет нормам сопротивления растеканию контура заземления НУП для грунтов с удельным сопротивлением меньшим, чем 100 ом×м.

7. Определим силу тока, стекающего с вертикальных электродов, по ф-ле (2.28):

 а.

8. Найдем силу тока, стекающего с горизонтального электрода по ф-ле (2.30):

 а.

9. Рассчитаем вес соединительной полосы: Qг = 5×1,256 = 6,28 кг.

10. Определим вес вертикальных электродов: Qв = 2×9,4 = 18,8 кг.

11. Найдем срок службы вертикальных электродов по ф-ле (2.27): Тв = 0,3×18,8/0,765 = 7,37 лет.

12. Определим срок службы горизонтального заземлителя по ф-ле (2.29): Тг = 0,3×6,28/0,355 = 5,3 года. Как видно, этот срок не удовлетворяет условию Тг > Тв.

Для обеспечения условия Тг > Тв необходимо увеличить сечение соединительной полосы. Вместо полосы 40´4 мм примем полосу 60´5 мм, что незначительно изменит общее сопротивление контура. В этом случае получим Q¢г = 5×2,36 = 11,8 кг. Срок службы соединительной полосы будет равен

Т¢г = 0,3×11,8/0,355 = 10,0 лет,

что удовлетворяет условию Т¢г > Тв, т.е. Т¢г = 1,35Tв. Расчет можно считать законченным.

Пример 4. Рассчитать заземление с использованием армированных электродов заводского изготовления типа ЗКА-140 для НУП кабельной магистрали при следующих данных: тип кабеля - МКСБ 4´4´1,2; аппаратура уплотнения - К-60; расчетное значение удельного электрического сопротивления грунта - rг= 80 ом×м; удельное электрическое сопротивление коксовой мелочи - rакт = 2,05 ом×м.

Контур заземления будет эксплуатироваться в первой климатической зоне СССР, где коэффициент промерзания равен 1,8¸2,0.

Порядок расчета

1. Определим силу тока I, стекающего с рабочего заземления НУП:

.

2. Рассчитаем сопротивление растеканию электрода ЗКА-140, устанавливаемого вертикально. Длина электрода lв= 1,4 м, глубина закладки электрода 1,5 м от поверхности земли:

 ом.

3. Определим количество вертикальных электродов аналогично приведенному выше примеру. Для этих условий сопротивление растеканию электрода не должно превышать 10,7 ом×м, т. е nв = 55,6/10,7 = 5,2»6 электродов.

4. Рассчитаем сопротивление растеканию многоэлектродного заземлителя, R¢в = Rобщ = Rв/nвhв = 55,6/0,87×6 = 10,6 ом, что обеспечивает нормируемое ГОСТ 464-67 сопротивление растеканию контура заземления 10,7 ом.

5. Определим вес стальных электродов контура заземления, т.е. Qв = 6×1,4×2,98 = 25 кг.

6. Найдем срок службы контура заземления: Тв = 0,3×25/1,12 = 6,7 года.

ИСКУССТВЕННОЕ УМЕНЬШЕНИЕ СОПРОТИВЛЕНИЯ ЗАЗЕМЛЕНИЙ

2.48. Для устройства заземления малого сопротивления в плохопроводящих грунтах (песок, гравий, камень и т.п.) требуются десятки, а иногда и сотни стальных труб, длиной каждая 2¸2,5 м, располагаемых на большой территории.

2.49. С целью удешевления заземляющих устройств в местах с высоким удельным сопротивлением земли применяют различные методы искусственного снижения удельного сопротивления грунта. При этом уменьшаются количество заземлителей и размеры территории, на которой должны располагаться заземлители.

2.50. Общее сопротивление заземления зависит, как указывалось выше, от сопротивления прилегающих к заземлителю слоев грунта. Поэтому можно добиться снижения сопротивления заземления понижением удельного сопротивления грунта лишь в небольшой области вокруг заземлителя.

2.51 Искусственное снижение удельного сопротивления грунта достигается либо химическим путем при помощи электролитов, либо путем укладки заземлителей в котлованы с насыпным углем, коксом, глиной.

Опыт показал, что максимальное уменьшение сопротивления заземления достигается при использовании электролитов, древесного угля и коксовой мелочи. Первый способ заключается в том, что вокруг заземлителей грунт пропитывается растворами хлористого натрия (обыкновенной поваренной соли), хлористого кальция, сернокислой меди (медного купороса) и т.д.

Следует отметить, что указанным способом можно добиться сравнительно большого снижения величины сопротивления заземления, однако на непродолжительный срок (2 - 4 года), после чего требуется вновь пропитывать грунт электролитом.

2.52 Практически можно рекомендовать следующие два способа искусственного снижения удельного сопротивления грунта: создание вокруг заземлителя зоны с пониженным удельным сопротивлением и обработка грунта солью.

Рис. 2.21 Создание вокруг заземлителя зоны с пониженным удельным сопротивлением

2.53. Для создания вокруг заземлителя зоны с пониженным удельным сопротивлением в грунте делается выемка (котлован) радиусом 1,5¸2,0 м и глубиной, равной длине забиваемого стержня. После заполнения выемки грунтом (рис. 2.21) устанавливается заземлитель и грунт утрамбовывается.

В качестве грунта-заполнителя может быть применен любой грунт, имеющий удельное сопротивление в 5¸10 раз меньше, чем удельное сопротивление основного грунта. Например, если заземление устраивается в песчаном или каменистом (гранит) грунте, то заполнителями могут быть, глина, торф, чернозем, суглинок, шлак и т.п. Таким способом достигается снижение сопротивления заземления в среднем в 2,5¸3 раза.

Сопротивление растеканию тока Rз в случае окружения заземлителя грунтом с другим удельным сопротивлением находится по формуле

, ом,                       (2.32)

где r - удельное сопротивление основного грунта, ом×м; rн - удельное сопротивление грунта-заполнителя, ом×м; r0 - радиус стержня заземлителя, м; r - радиус выемки котлована, м; l - глубина котлована, приблизительно равная длине заземлителя, м.

Рис. 2.22 Относительное снижение сопротивления заземления в случае применения насыпного грунта при различных радиусах выемки

На рис. 2.22 приведены кривые изменения (в процентах) отношения сопротивления Rз заземлителя, помещенного в котлован с насыпным грунтом, к сопротивлению Rзн заземлителя, помещенного в основной грунт, в зависимости от отношения удельного сопротивления основного грунта r к удельному сопротивлению насыпного грунта rн. Эти кривые построены для котлованов с радиусом r = 0,25¸10 м

2.54. Эффективным и дешевым способом снижения сопротивления заземлений является обработка грунта поваренной солью. Действие последней сводится не только к понижению удельного сопротивления грунта, но и к понижению температуры его замерзания.

2.55 Существуют разные способы укладки соли близ заземлителя. В практике Министерства связи СССР распространена укладка около трубчатого заземлителя соли слоями так, как это показано на рис. 2.23а. Соль может также укладываться вся на глубине возле трубчатого заземлителя (рис. 2.23б) или на небольшом расстоянии от него (рис. 2.23в). Последний способ является более удобным в том отношении, что коррозия заземлителя в этом случае будет минимальной.

Рис 2.23 Способы укладки соли около вертикального заземлителя

Количество соли, требующееся для обработки заземления, зависит от длины электрода: от 1,5 до 10 кг на 1 м заземлителя.

Иногда солью заполняется пространство внутри заземлителя, выполненного в виде полой трубы с отверстиями, через которые раствор соли выходит в окружающий грунт (рис. 2.23г).

На рис. 2.24 показан способ укладки соли около протяженного заземлителя.

Рис 2.24 Укладка соли около протяженного горизонтального заземлителя

2.56 Так как соль со временем вымывается, то срок действия обработки грунта ограничен и через 2 - 4 года ее приходится повторять. Эффективность обработки неодинакова и с течением времени меняется. В первый год, когда соль еще не успевает распространиться вокруг заземлителя, сопротивление снижается сравнительно мало. Оптимальные условия наступают на втором-третьем году и затем начинают идти на убыль.

Стойкость обработки зависит от строения грунта, влажности, количества осадков.

2.57 К недостаткам указанных способов обработки грунтов относятся: необходимость возобновления пропитки грунтов примерно через 2 - 4 года и возможность разрушения заземлителей от химического воздействия на них солей или соляных растворов, вследствие чего требуется замена их новыми заземлителями.

Делались попытки устранить эти недостатки. Так, в Германии, например, был предложен способ, по которому в грунт вокруг заземлителя вводятся металлы в тонкоизмельченном виде, как, например, в коллоидных растворах, или в виде мелкой металлической стружки. Если при этом тонко измельченные металлы выбраны так, чтобы не могли возникать гальванические пары с самим заземлителем, то последний корродировать не будет.

Однако коллоиды не более устойчивы в грунте, чем соли и соляные растворы. Они постепенно вымываются из близлежащих к заземлителю слоев дождевой водой, вследствие чего достигнутое уменьшение сопротивления заземлителя с течением времени пропадает. В США предложен способ задержания вымывания соляных растворов из грунта путем смешивания соляного раствора (например, медного купороса) с нерастворимой в воде пластмассовой смесью и впрыскивания их в грунт под большим давлением. Этот способ является дорогим и продолжительность его действия не определялась.

Из других способов искусственного снижения сопротивления заземлителей, предложенных в различных странах, в первую очередь заслуживает внимания шведский способ - обработка грунта вокруг заземлителя при помощи электролитов, образующих гель.

В результате смешения концентрированного раствора сернокислой меди с эквивалентным количеством концентрированного раствора соли щелочного синеродистого железа получается нерастворимый в воде продукт реакции - железистосинеродистая медь, которая при известных условиях образует однородный электропроводящий гидрогель.

Электрические и физические свойства гидрогеля не меняются сколь-либо существенно от длительного воздействия воды и являются устойчивыми при колебаниях температуры в пределах от -60 до +60 °С. Однако он эффективен при снижении очень высоких сопротивлений заземлений (порядка 400¸600 ом) и малоэффективен при величинах сопротивлений порядка 20¸30 ом.

3. УСТРОЙСТВО ЗАЗЕМЛЕНИЙ НА ВОЗДУШНЫХ ЛИНИЯХ СВЯЗИ И РАДИОТРАНСЛЯЦИОННЫХ СЕТЯХ

ОБЩИЕ ЗАМЕЧАНИЯ

3.1. Заземляющие устройства на линиях связи и радиотрансляционных линиях оборудуются у:

- деревянных опор;

- вводных кабелей и кабельных вставок;

- вводных устройств на телефонных и телеграфных станциях и усилительных пунктах;

- понизительных трансформаторов абонентской радиотрансляционной сети.

3.2. Защита деревянной опоры от расщепления ее молнией производится молниеотводом, т.е. проводником, проложенным вдоль опоры сверху донизу и заземленным на конце.

3.3. Молниеотводы устанавливают:

- на всех угловых, переходных, кабельных, разрезных, контрольных опорах, а также на трансформаторных опорах фидерных и абонентских радиотрансляционных линий;

- на пяти ближайших опорах магистральных воздушных линий связи (включая и вводную кабельную опору) при подходе их к оконечным и промежуточным усилительным пунктам, а также па двух ближайших опорах фидерных и абонентских воздушных радиотрансляционных линий при подходе их к станции или подстанции;

- на радиотрансляционных абонентских столбовых линиях, расположенных в населенных пунктах, через каждые два пролета (100 м) и на ближайшей к абонентской установке опоре при длине абонентского ввода более одного пролета (50 м);

- на поврежденных когда-либо молнией опорах, а также па новых опорах, установленных взамен поврежденных.

3.4 Сопротивление заземлений молниеотводов, выполняющих различные функции в зависимости от удельного сопротивления грунтов, должно быть не более величин, приведенных в ГОСТ 464-68.

3.5. Молниеотводы выполняют из стальной оцинкованной проволоки диаметром 4¸5 мм (или двумя проволоками диаметром 3 мм), которую прикрепляют к столбу скобами, расположенными на расстоянии 30 см друг от друга (рис. 3.1). Изгибы проволоки по столбу не допускаются.

Рис 3.1 Устройство молниеотвода на опоре (молниеотвод крепится скобами вплотную к столбу)

Рис 3.2 Устройство молниеотвода с искровым промежутком

3.6. На опорах линий связи и радиотрансляционных, подверженных влиянию линий высокого напряжения (ВЛ), молниеотводы устраивают с искровым промежутком (рис. 3.2).

3.7. Заземление молниеотводов в зависимости от удельного сопротивления грунта и требуемой нормами величины сопротивления заземления может быть выполнено в виде:

- спуска молниеотвода, направленного вдоль подземной части столба (рис. 3.3);

- вытянутого горизонтального луча (являющегося продолжением молниеотвода), закопанного в землю вдоль линии на глубине 0,5¸0,7 м (рис. 3.4);

- нескольких вытянутых горизонтальных лучей из стальной проволоки, заложенных в земле на глубине 0,7 м (рис. 3.5);

- вертикальных электродов (рис. 3.6, 3.7, 3.10).

3.8. При устройстве заземления молниеотвода в виде вытянутого горизонтального луча сопротивление заземления в зависимости от длины вытянутой проволоки и грунтов будет иметь значения, приведенные на кривой R = j(l) (см. рис. 2.7).

Рис. 3.3. Заземление молниеотвода вдоль комельной части столба

Рис. 3.4. Заземление молниеотвода в виде горизонтального луча

Рис. 3.5. Заземление молниеотвода в виде горизонтальных лучей:

а) двухлучевого; б) трехлучевого; в) четырехлучевого

Как видно, один вытянутый проволочный заземлитель длиной 6 м имеет сопротивление растеканию токов от 1,5 до 150 ом при колебании удельного сопротивления грунта от 10 до 1000 ом×м.

Рис. 3.6. Опора с заземлением из одной трубы

Рис. 3.7. Устройство заземления из одной трубы

3.9. В случае, когда при данном удельном сопротивлении грунта величина сопротивления одиночного заземлителя не удовлетворяет требуемой норме, устраивается многоэлектродный (многолучевой) заземлитель (см. рис. 3.5б, в) с количеством лучей п, определяемым по формуле

,                                                              (3.1)

где R1 - сопротивление единичного лучевого заземлителя, ом;

Rоб - общее сопротивление многоэлектродного лучевого заземления, которое должно удовлетворять требованиям ГОСТ 464-68, ом;

a - импульсный коэффициент;

h - коэффициент использования заземлителей.

Пример. Сопротивление заземления молниеотвода на опоре с понижающим трансформатором радиотрансляционной сети при r = 500 ом×м должно быть равно согласно ГОСТ 464-68 (табл. 9) 55 ом. Требуется рассчитать число лучей заземлителя молниеотвода, если при его устройстве использованы проволочные вытянутые заземлители длиной l = 5 м и диаметром d = 4 мм.

Из кривой R = j (l), приведенной на рис. 2.7, находим, что при r = 500 ом×м сопротивление вытянутого заземлителя длиной 5 м равно 150 ом. Следовательно, в данном случае потребуется многоэлектродное (многолучевое) заземление. Количество заземлителей определяется по ф-ле (3.1).

Поскольку коэффициенты h и a, входящие в ф-лу (3.1), сами зависят от числа заземлителей, которое мы должны определить, то расчет ведут следующим образом.

Сначала определяем число заземлителей без учета коэффициентов h и a. В нашем случае R1 = 150 ом, Rоб = 55 ом, следовательно, n1 = R1/Rоб = 150/55 = 2,72»3 электрода. По табл. 2.14 и 2.9 находим, что a2 = 0,5 и h = 0,76.

Подставив указанные значения в полную формулу для п, получим п = (150×0,5)/(55×0,76)»2 заземлителя. После этого можно более точно определить сопротивление заземляющего устройства, состоящего из двух вытянутых заземлителей: Rоб = (150×0,5)/(2×0,76) = 75/1,5 = 50 ом.

3.10. Сопротивления заземляющего устройства, состоящего из вертикальных стальных электродов, указаны на рис. 2.4. Из приведенного на этом рисунке графика видно, что сопротивление одного вертикального заземлителя, в зависимости от его диаметра и длины, а также удельного сопротивления грунта, изменяется в пределах от 1 до 1000 ом.

Когда при данном удельном сопротивлении грунта величина сопротивления одиночного заземлителя не удовлетворяет требуемой норме, устраивают многоэлектродный заземлитель с количеством заземлителей, определяемым по ф-ле (3.1).

Пример. Требуется рассчитать заземление для молниеотвода, установленного на кабельной опоре в грунте с r = 300 ом×м при норме общего сопротивления Roб = 7 ом. Сопротивление единичного вертикального заземлителя длиной 1,5 м и диаметром d = 4 мм согласно кривой R = j (l) на рис. 2.4 при r = 300 ом×м равно 148 ом.

Прежде чем выбрать из табл. 2.14 и 2.9 величины коэффициентов использования заземлителей и величины импульсных коэффициентов, предварительно определим количество заземлителей без учета этих коэффициентов, т.е. при R2 = 148 ом и Rоб = 7 ом n2 = R2/Roб = 21. Определив по табл. 2.9 и 2.14, что h2 = 0,6 и a1 = 0,6, по общей ф-ле (3.1) находим n2 = (148×0,6)/(7×0,6) = 21.

Примечание. Такое количество заземлителей потребуется, если соединительные провода будут изолированы от грунта.

3.11. При заземлении кабельных ящиков с мощными разрядниками и кожухов трансформаторов радиотрансляционной сети два провода, идущие от заземления, прокладывают по поверхности столба (под общими скобами). На высоте кабельного ящика (или ящика с мощными разрядниками, или кожуха трансформатора радиотрансляционной сети) один из этих проводов присоединяют к заземляющему зажиму указанных объектов, а другой - прокладывают дальше до вершины столба. Этот провод будет являться молниеотводом для защиты столба от разрушения при ударе молнии в линию.

ВЕРТИКАЛЬНЫЕ МНОГОЭЛЕКТРОДНЫЕ ЗАЗЕМЛИТЕЛИ

3.12. Устройство заземления из одной трубы или одного уголка показано на рис. 3.6 и 3.7. При устройстве заземлении из нескольких электродов последние в зависимости от местных условий могут быть забиты в ряд (см. рис. 3.8а) либо в форме креста (см. рис. 3.8б), круга (рис. 3.8в) или прямоугольника (см. рис. 3.8г).

3.13. Перед вбиванием электродов в грунт к каждому из них должна быть приварена или припаяна стальная проволока диаметром 4¸5 мм. Приварка или припайка проволоки к трубе может производиться следующим образом: на расстоянии 50 и 80 мм от края в электроде просверливают сквозные отверстия; наружную поверхность электрода на длине примерно 30 мм по обе стороны верхнего отверстая очищают и залуживают; конец проволоки на длине не менее 100 см залуживают и пропускают через верхнее отверстие в трубе или в сторону уголка на длину 50 см; залуженной частью проволоки делают пять оборотов вокруг электрода по обе стороны верхнего отверстия (см. рис. 3.7); верхний конец проволоки закрепляют хомутом из проволоки диаметром 2 мм, а нижний конец - пропускают через нижнее отверстие и загибают; место соединения проволоки с трубой тщательно приваривают или пропаивают и покрывают асфальтовым лаком или каким-либо другим кислотоупорным составом.

Рис. 3.8 Расположение трубчатых заземлителей при устройстве многоэлектродных заземлений

а) в ряд; б) в форме креста; в) в форме круга, г) в форме прямоугольника

Рис. 3.9. Стальной вкладыш для забивки труб

3.14. Чтобы не повредить края трубы при забивке в грунт, в верхний конец ее вставляют стальной вкладыш с головкой, которая опирается своими заплечиками на срез трубы (см. рис. 3.9).

3.15. Нижний конец трубы, забиваемый в грунт, предварительно сплющивают, как показано на рис. 3.7.

3.16. Трубы многоэлектродного заземлителя объединяют между собой при помощи соединительной полосы или проволоки, привариваемой или припаиваемой к верхней части каждой трубы.

3.17. Перед забивкой заземлителей в грунт для каждого из них копают яму глубиной 0,8 м. Заземлитель забивают в грунт в центре ямы так, чтобы верхний конец возвышался над уровнем дна ямы на 10 см (рис. 3.10).

Между электродами прорывают траншею шириной 20¸30 см, глубиной 0,7 м. На дно этой траншеи укладывают соединительную проволоку, как это показано та рис. 3.10.

3.18. После забивки электродов соединительные проводники от заземлителей свивают между собой с шагом скрутки 0,1¸0,25 м. При устройстве рабочих заземлений во всех грунтах, а защитных - в агрессивных соединительные провода на всем протяжении до выхода на поверхность изолируют от земли двухслойным покрытием асфальтового лака. После выполнения указанных работ траншею засыпают землей. Вместо проводов могут использоваться соединительные полосы или шины (см. рис. 5.1).

3.19. К спуску от кабельных ящиков или защитных коробок и устройств на глубине 0,5 м от поверхности земли поочередно припаивают подводящие провода от заземлителей (см. рис. 3.10).

Рис. 3.10. Соединение трубчатых заземлителей проводами

ЗАГЛУБЛЕННЫЕ И ГЛУБИННЫЕ ЗАЗЕМЛИТЕЛИ

3.20. Заглубленные (от 3 до 10 м) и глубинные заземлители (свыше 10 м) устраиваются в тех случаях, когда посредством многоэлектродного заземления невозможно добиться требуемой величины сопротивления заземления.

Иногда с помощью многоэлектродных заземлений можно обеспечить необходимую величину сопротивления заземления, однако глубинные и заглубленные заземлители требуют меньших затрат ручного труда и материалов.

Расчет заглубленных и глубинных заземлителей осуществляется согласно пп. 2.29 - 2.33.

3.21. Заземлители из прутка длиной до 10 м целесообразно погружать в землю неразрезными посредством ввертывания. Для ввертывания используются переносные вращательные станки, например, двигатель от пилы «Дружба», электрические сверлилки, электродрель с редукторной приставкой и т.д. Для облегчения ввертывания конец прутка специальным образом видоизменяется (рис. 3.11).

Рис. 3.11. Нижний конец прутка при ввертывании глубинных заземлителей

Рис. 3.12. Сварка секций глубинных заземлителей с помощью отрезка уголка

3.22. Заземлители длиной от 10 до 15 м выполняются секционными. Длина каждой секции 1,5¸2,5 м. Работа начинается с забивки первого электрода, затем к нему присоединяется второй электрод и т.д. Для забивки используется вибромолот типа ВМ-2, изготовляемый Комбинатом производственных предприятий треста «Межгорсвязьстрой».

При забивке стержней в твердых грунтах вибромолот должен быть усилен. С этой целью проделываются следующие операции:

- обмотки статора заливаются эпоксидной смолой;

- к наголовнику привариваются дополнительные ребра жесткости;

- закрепляющее устройство электрода усиливается.

Возможны и другие средства вибропогружения.

Соединение секций осуществляется либо сваркой (рис. 3.12 ) (в случае электродов из уголков), либо свинчиванием (пруток). В последнем случае секции заранее снабжаются резьбой. При сочленении секций для обеспечения их надежного электрического соединения внутрь засверленного отверстия закладывается свинец. При забивке заземлителя свинец растекается по поверхности, обеспечивая механическое соединение и надежный контакт. Наиболее целесообразно применять пруток диаметрам 18¸20 мм. Секция, погружаемая первой, имеет заостренный нижний конец, на верхний конец надевается съемный боек, предохраняющий торец секции от расплющивания.

Рис. 3.13 Устройство глубинных заземлений в районах вечной мерзлоты

3.23. Способы, изложенные в пп. 3.21 и 3.22, пригодны для сравнительно мягких грунтов с удельным сопротивлением до 1000 ом×м.

В каменистом или скальном грунте установка глубинных заземлителей возможна лишь после предварительного бурения бурильным агрегатом СБУ-150 ЗИФ или СБУ-300 ЗИФ, устанавливаемым на автомашинах типа ЗИЛ, станком ударно-канатного бурения БУ-20-2М, агрегатом АВБ-ТМ-100 на гусеничном ходу и т.д.

Для уменьшения затраты металла обсадная труба устанавливается только в самом начале скважины (на длине примерно 3 м), а заземлитель выполняется из стальной полосы сечением 4´40 мм2, которая опускается в скважину под действием груза в виде удлиненной болванки весом 40¸50 кг, укрепленной на конце полосы (рис. 3.13). Сама скважина заполняется тонкодисперсной смесью глины и 10¸15% соли. Влажность смеси доводится до такой степени, при которой еще не теряется свойство сыпучести.

4. УСТРОЙСТВО ЗАЗЕМЛЕНИЙ У АБОНЕНТОВ ВОЗДУШНОЙ ЛИНИИ СВЯЗИ И РАДИОТРАНСЛЯЦИОННОЙ СЕТИ

4.1. Для защиты абонентов воздушных линий связи от опасных напряжений у каждого из них устанавливают разрядники. Сопротивления заземлений для таких разрядников должны быть не больше величин, приведенных в ГОСТ 464-68.

4.2. В случае, когда одно заземление используется для разрядников нескольких абонентов, сопротивление этого заземления в зависимости от числа проводов также не должно превышать величин, указанных в ГОСТ 464-68.

4.3. Для защиты абонентов радиотрансляционных линий разрядники устанавливают в следующих пунктах (см. «Правила строительства и ремонта воздушных линий связи и радиотрансляционных сетей», ч. IV):

- на опорах абонентской линии через каждые два пролета (80¸120 м);

- на опорах, имеющих отводы в помещения с большим скоплением людей (школы, ясли, больницы, клубы, сельсоветы и др.), а также в помещения животноводческих ферм;

- на ближайшей к абонентской установке опоре, если длина отвода превышает один пролет (50 м).

Сопротивление заземления разрядников должно быть не больше величины, указанной в ГОСТ 464-68.

4.4. Заземление у абонентов линий связи и абонентов радиотрансляционных сетей может быть выполнено с помощью стального оцинкованного провода, уложенного в землю (рис. 4.1), или труб. Допускается также использование для заземлений разрядников, установленных у абонентов, водопроводной сети (рис. 4.2).

Рис. 4.1. Устройство заземления с использованием в качестве заземлителя водопроводной трубы

Рис. 4.2. Устройство заземления у абонентского пункта СТС

4.5. Выбор типа заземлителя для устройства заземления у абонентов зависит от местных условий. В городах укладка протяженного заземлителя связана с рытьем канавы, что часто сопряжено с некоторыми трудностями. Поэтому в городских условиях целесообразно использовать для заземления стальные вертикальные электроды - трубы или уголки.

Трубы и уголки закапывают в грунт и делают вывод проводника от заземлителя так же, как было показано выше.

4.6. Заземление из стального провода, уложенного в землю, (следует применять там, где имеется возможность рыть канаву, т.е. на всей сети СТС и радиотрансляционной абонентской ceти.

4.7. При использовании для заземления на абонентских пунктах водопроводной сети подводящий проводник присоединяют к водопроводной трубе в соответствии с рис. 4.1. Для создания хорошего контакта трубу, хомутик и свинцовые прокладки предварительно зачищают до металлического блеска.

Водомер должен быть зашунтирован перемычкой, включенной между двумя контактными хомутиками, установленными по обе его стороны.

5. УСТРОЙСТВО ЗАЗЕМЛЕНИЙ ДЛЯ ТЕЛЕГРАФНЫХ И ТЕЛЕФОННЫХ СТАНЦИЙ, УСИЛИТЕЛЬНЫХ ПУНКТОВ И РАДИОТРАНСЛЯЦИОННЫХ УЗЛОВ БЕЗ ПРИМЕНЕНИЯ КОКСОВОЙ ЗАСЫПКИ ЭЛЕКТРОДОВ

5.1. На каждой телеграфной, телефонной станции и усилительных пунктах с собственными источниками питания устраивают три обособленных заземления: рабочее и два измерительных. При нормальной эксплуатации все три заземления соединяют параллельно друг с другом. Станции и подстанции радиотрансляционных узлов оборудуются одним защитным заземлением.

5.2. Общее сопротивление параллельно соединенных заземлений должно удовлетворять нормам, приведенным в ГОСТ 464-68.

Для станций и подстанций радиотрансляционных узлов сопротивление заземлений должно быть не более 10 ом. Величины сопротивлений отдельных заземлений не должны отличаться друг от друга более чем в два раза.

5.3. Расстояние между отдельными заземлениями, а также между подводящими проводами от заземляющих устройств, находящимися в грунте, должно быть не менее 20 м.

5.4. Для заземления телеграфных и телефонных станций, усилительных пунктов и радиотрансляционных узлов используют преимущественно вертикальные заземлители. В некоторых случаях допускается применение листовых заземлителей.

5.5. Каждое заземление из вертикальных заземлителей должно соответствовать указаниям разд. 3. Между собой электроды одного и того же заземления после забивки их в грунт соединяют стальной полосой сечением не меньше 40´4 мм2, которую при помощи накладок приваривают к трубам (рис. 5.1). Соединительную полосу укладывают в траншею глубиной 0,1¸1,2 м.

5.6. Вывод от заземления в здание станции делают жгутом из стальных проволок или стальным канатиком, изолированным от земли асфальтовым или каким-либо другим изолирующим и водостойким лаком. В качестве подводящего провода может быть использована также шина, привариваемая к трубам.

Допускается применение кабелей в пластмассовой оболочке.

5.7. К соединительной полосе подводящий канатик или жгут из проводов может быть присоединен одним из следующих способов:

1. На жгут или канатик надевают стальной наконечник, который сжимают двумя хомутами. Место соединения канатика или жгута с наконечником пропаивают; наконечник прикрепляют к соединительной полосе хомутом и приваривают к ней (рис. 5.2).

Рис. 5.1. Соединение стальной полосой трубчатых заземлителей после забивки их в грунт

Место пайки наконечника, а также подводящего канатика или жгута дважды покрывают асфальтовым лаком на всем протяжении прокладки в земле.

2. Непосредственно сваркой.

3. Берут стальную полосу длиной 1 м и сечением 30´10 мм, один конец которой залуживают на расстоянии 90 мм. Затем изготавливают удлиненный алюминиевый наконечник под кабель необходимого сечения. Залуженные полосу и наконечник стягивают тремя болтами и место стыка пропаивают. На месте монтажа контура заземления стальную полосу приваривают к соединительной полосе данного контура, а в наконечник вставляют жилы кабеля и спрессовывают пресс-клещами в 5 - 6 местах.

По окончании стыковки место стыка стальной полосы и наконечника помещают в чугунную муфту МЧ-70 и заливают гудроном.

Последовательность выполнения стыка стальной полосы с наконечником и необходимые размеры приведены на рис. 5.3.

Рис. 5.2. Присоединение подводящего канатика или жгута из проволок к соединительной полосе

Рис. 5.3. Устройство стыка стальной полосы и наконечника

5.8. Изолированный от земли канатик или жгут из стальных проволок при прокладке вверх по стене здания защищается от механических повреждений на высоте до 2,5 м над поверхностью земли. Для защиты используют угловое железо, которое должно быть опущено в землю на глубину не менее 0,5 м.

5.9. Изолированные от земли подводящие проводники вводят в здание через отверстие в стене. При этом проводники не должны касаться металлических частей зданий и при прокладке через стены зданий должны быть защищены шлангом из изолирующего материала (резиновая трубка, эбонитовая и т.п.). Внутри здания они должны быть также изолированы. К стене проводники крепят через каждые 30 см.

5.10. Провода от отдельных заземляющих устройств, заведенные в здание станции или усилительного пункта с собственными источниками питания, присоединяют к трем установленным на одном щитке однополюсным рубильникам с закороченными на станционной стороне клеммами.

От щитка заземлений «землю» подводят к точкам заземления установок связи, силовому оборудованию для присоединения к нетоковедущим частям, к экранам, разрядникам и т.п. (см. «Рекомендации по вопросам оборудования заземлений и заземляющих проводок ЛАЦ и НУП»).

5.11. При размещении телефонных и телеграфных станций в высотных зданиях с массивным стальным каркасом, присоединенным к заземлению с малым сопротивлением (0,25¸0,3 ом), не требуется особых заземлений для установок связи, так как все заземляемые точки станций присоединяют к заземлению каркаса здания.

В том случае, когда металлический каркас высотного здания представляет собой одно целое с точки зрения электрической проводимости, он может быть использован в качестве подводящего провода от заземляющего контура.

5.12. Размещение заземляющих устройств около усилительных пунктов, питаемых дистанционно, см. в «Рекомендациях по вопросам оборудования заземлений и заземляющих проводок в ЛАЦ н НУП».

6. УСТРОЙСТВО РАБОЧИХ ЗАЗЕМЛЕНИЙ ИЗ ЭЛЕКТРОДОВ В КОКСОВОЙ МЕЛОЧИ И АРМИРОВАННЫХ ЗАВОДСКИХ ЭЛЕКТРОДОВ

6.1. При устройстве рабочих заземлений НУП, дистанционно питаемых по системе «провод - земля», анодных заземлений установок катодной защиты от коррозии линейно-кабельных сооружений связи, а также других заземлений, находящихся в процессе эксплуатации под положительным потенциалом относительно земли, т.е. подвергающихся в процессе эксплуатации растворению вследствие электролиза, между электродами и землей целесообразно укладывать слой коксовой мелочи.

6.2. Применение стальных электродов в коксовой засыпке, а также армированных электродов типа ЗКА-140 заводского изготовления исключает необходимость использования для снижения величины сопротивления заземления соли, которая разрушающе действует на стальные электроды.

6.3. Целесообразность использования коксовой засыпки или армированных заводских электродов определяется конкретными условиями устройства заземлений в каждом отдельном случае, исходя из величины удельного электрического сопротивления грунта, требуемой величины сопротивления заземления, необходимого срока службы заземления без замены электродов на основе технико-экономических расчетов.

6.4. Устройство заземлений с использованием коксовой мелочи выполняется по расчетам и чертежам проектной организации.

6.5. Земляные работы по устройству заземлений в коксовой мелочи могут быть выполнены ручным или механизированным способом. Для рытья траншей предусмотрены траншейные экскаваторы типа ЭТЦ-161 и роторные экскаваторы типа ЭТР-132, ЭТР-141 и ЭР-6.

Для бурения вертикальных скважин могут быть использованы буровые установки типа БГМ-2 на автомашине ЗИЛ-157, БКМА-1/35 на ЗИЛ-164, БМА-157 на ЗИЛ-157, БМУ-2 на ГАЗ-63Л, а также разработанная КФ ЦНИИС машина типа ЭНСКЗ-2, имеющая специальные приспособления для забивки электродов.

6.6. Монтаж и установка заземлителей выполняются в соответствии со строительными нормами и правилами по устройству заземлений (СНиП III-Е1-62) при строгом соблюдении правил техники безопасности и противопожарной охраны.

6.7. Устройство одиночного вертикального заземлителя (см. рис. 2.17) производится в следующем порядке.

В конце траншеи, подготовленной для соединительного кабеля, шины или провода, на глубине 0,7 м механизированным или ручным способом бурится скважина глубиной 2,5 м и диаметром 0,25 м. На дно скважины насыпается слой коксовой мелочи высотой 15 см. В скважину, по центру, опускается электрод и засыпается коксовой мелочью, которая затем утрамбовывается через каждые 30 см. К верхнему концу электрода приваривается соединительный кабель или провод. Место подключения кабеля к электроду тщательно изолируется изоляционной массой (черт. М-618.01.20 - «Гипросвязь»).

Выступающая из скважины верхняя часть электрода засыпается коксовой мелочью с таким расчетом, чтобы высоты засыпки была не менее 10 см. Незаполненная часть скважины засыпается землей и утрамбовывается.

6.8. Устройство горизонтального электрода (см. рис. 2.18) производится в следующем порядке.

Механизированным или ручным способом роется траншея шириной 0,25 м и глубиной 1,2 м до места соединения с подводящим кабелем пли проводом. (Длина траншеи определяется длиной горизонтально устанавливаемого электрода). На дно траншеи насыпается слой коксовой мелочи высотой 15 см и утрамбовывается. По центру траншеи укладывается металлический электрод (полоса), к концу которого с помощью сварки подключается соединительный кабель или провод. Место подключения соединительного кабеля к электроду тщательно изолируется изоляционной массой.

Уложенный в траншею электрод (полоса) засыпается коксовой мелочью высотой 10 см, которая затем утрамбовывается. Незаполненная коксовой мелочью траншея засыпается землей и также утрамбовывается.

6.9. Устройство многоэлектродных заземлений (см. рис. 2.19) производится в следующем порядке.

Механизированным или ручным способом по периметру контура заземления роется траншея глубиной 0,7 м и шириной 0,23 м. В местах установки вертикальных электродов в траншее бурятся скважины глубиной 2,5 м и диаметром 0,25 м. В скважины засыпается слой коксовой мелочи высотой 15 см, который затем утрамбовывается. В подготовленные скважины по центру опускаются вертикальные электроды. Установив последние так, чтобы их верхние концы выступали в траншее на 15 см, в скважину засыпают коксовую мелочь, которую затем утрамбовывают через каждые 30 см.

До укладки соединительной полосы в траншею засыпается коксовая мелочь слоем 15 см и утрамбовывается. Поверх коксовой мелочи укладывается соединительная стальная полоса, которая путем сварки соединяется с вертикальными электродами. Контур заземления при помощи сварки подключается к соединительному кабелю. Подключение заземления рекомендуется выполнять в месте соединения вертикального электрода с соединительной полосой. Места подключения соединительной полосы к вертикальным электродам и соединительного кабеля к контуру заземления тщательно изолируются изоляционной массой.

После подключения соединительного кабеля к контуру заземления и изоляции мест подключения в траншею досыпается слой коксовой мелочи высотой 10 см и утрамбовывается. Оставшаяся незасыпанная часть траншеи также засыпается и трамбуется.

6.10. Устройство многоэлектродных заземлений из вертикально устанавливаемых армированных электродов заводского изготовления (см. рис. 2.20) производится в следующем порядке.

По периметру контура заземления механизированным или ручным способом роется траншея глубиной 0,7 м и шириной 0,25 м. В траншее в местах установки вертикальных электродов на глубину 2,3 м бурятся скважины диаметром 0,25 м. В скважины опускаются электроды. Образовавшиеся зазоры между электродом и скважиной засыпаются грунтом и трамбуются.

После установки электродов в траншею к каждому из них при помощи сварки подключаются изолированные медные проводники, общее сечение которых должно быть не менее 16 мм2 и которые соединяются между собой пайкой. Узлы соединения проводов необходимо тщательно изолировать слоем битума, затем липкой поливинилхлоридной лентой в два слоя и снова битумом. Соединительный кабель подключается к узлу соединения контура заземления. Место его подключения тщательно изолируется битумом и двумя слоями липкой поливинилхлоридной ленты. После подключения соединительных проводов и кабеля скважины и траншея засыпаются землей и утрамбовываются.

6.11. По окончании работ по устройству контура заземления измеряется его сопротивление. Измеренная величина не должна превышать расчетную с учетом коэффициента промерзания.

7. УСТРОЙСТВО ЗАЗЕМЛЕНИЙ В РАЙОНАХ ВЕЧНОЙ МЕРЗЛОТЫ

7.1. В районах вечной мерзлоты на сопротивление заземлений влияют следующие факторы, действующие на температурный режим грунта:

1. Растительность, в особенности мох, который мешает прохождению тепла в глубь почвы летом и не препятствует проникновению низких температур зимой. На местности, покрытой растительностью, граница вечной мерзлоты близка к поверхности земли.

2. Снеговой покров, который имеет такое же теплоизолирующее значение для почвы при промерзании, как слой песка в два-три раза большей толщины, поскольку теплопроводность снега ничтожна. Высота снегового покрова в большей степени определяет температуру почвы, чем средняя годовая температура воздуха.

Если площадка над заземлителем лишена снега, то сопротивление заземлений зимой увеличивается по сравнению с летним в 15 - 25 раз. Своевременное нанесение снега толщиной 30 см позволяет свести это увеличение до 5 раз, а при слое снега толщиной 60 см указанное сопротивление увеличивается зимой в три раза. Такого же эффекта можно достигнуть, применяя настилы из теплоизолирующего материала (например, древесных опилок, шлака и т.д.).

3. Водоемы, являющиеся резервуарами тепла и сильно изменяющие термический режим грунтов. Сопротивление заземления, строенного в дне незамерзающего водоема, имеет наименьшие колебания - увеличивается зимой примерно в 1,5¸2 раза.

4. Здания, оказывающие экранирующее действие и изменяющие температурный режим земли, прилегающей к зданию с севера и с юга. С северной стороны граница мерзлоты поднимается, а с южной - опускается по сравнению с обычным уровнем вечной мерзлоты в данном районе.

5. Влажность и концентрация ионов солей.

6. Удельное сопротивление основы грунта.

7.2. Мерзлые грунты обладают высоким удельным сопротивлением. Верхние слои земли в районах вечной мерзлоты в летние месяцы оттаивают на глубину от 1 до 3 м. В табл. 7.1 и 7.2 приведены ориентировочные значения удельных сопротивлений грунтов в районах вечной мерзлоты при различной температуре и влажности 10¸40%.

Таблица 7.1

Грунт

Значения удельного сопротивления грунта r, ом×м

в талом состоянии

в мерзлом состоянии при t =  -1ºС

при t = -5°С

Песок

500

2000

5000

Суглинок

500

600

1500

Глина

50

200

500

Таблица 7.2

Грунт

Значения удельного сопротивления грунта r, ом×м

Дно непромерзающих озер

50

Речная вода

400¸1000

Морское дно

300

Морская вода

1¸100

7.3. Удельное сопротивление грунтов в районах вечной мерзлоты при оттаявшем деятельном слое измеряют обычными методами (см. разд. 8), а при мерзлом деятельном слое - с использованием в качестве вспомогательных электродов обсадных труб геологических скважин или обрабатывая вспомогательные электроды раствором поваренной соли.

7.4. В районах вечной мерзлоты получили распространение выносные и глубинные (скважинные) виды заземлений.

7.5. Площадки для контура заземления следует выбирать в защищенных от ветра местах.

7.6. При устройстве заземления около здания контур заземления следует располагать с южной его стороны.

7.7. В зимнее время принимаются меры по утеплению поверхности земли в месте расположения заземлителей. Одной из таких мер является засыпка площадки над контуром заземления теплоизолирующими материалами (например, древесными опилками, шлаком и др.) слоем толщиной до 0,5 м. Засыпка производится в конце осени до наступления морозов. Весной настил обязательно снимается до осени. Снежный покров поверх настила является дополнительным теплоизолирующим средством. Для задержания снега вокруг площадки рекомендуется установить щиты.

7.8. Выносные заземления устраиваются:

- в рудных жилах, расположенных в непосредственной близости от объекта и имеющих значительно меньшее удельное сопротивление, чем грунт в месте сооружения объекта;

- в водоемах, прудах, озерах, реках, море и т.д.;

- в талых грунтах - таликах.

7.9. При устройстве заземлений в непромерзающих до конца водоемах и артезианских скважинах стержневые заземлители располагаются в грунте дна. Допускаются также заземления в виде металлических решеток и гребенок, опускаемых на дно рек, озер или каких-либо других непромерзающих водоемов. При этом количество заземлителей, требующееся для получения необходимой величины сопротивления, уточняется в процессе выполнения работы по устройству заземления.

Удельное сопротивление грунта на дне озер, расположенных вблизи промышленных районов, составляет 40¸60 ом×м, а удаленных от промышленных районов - 100¸300 ом×м. За расчетную величину следует принимать удельное сопротивление дна, увеличенное для пресной воды в среднем на 30%, а для морской воды уменьшенное на 30%.

Сопротивление заземления, оборудованного в дне водоема, остается в течение года стабильным.

При отсутствии близко расположенных естественных водоемов делается искусственный водоем с размерами, определяемыми размерами контура, и глубиной не менее 1,5 м (рис. 7.1).

7.10. Заземлители в таликах могут быть как выносными, так и глубинными. Талики - это слой талого грунта, встречающийся в толще вечномерзлых слоев. Талики могут встречаться в виде горизонтальных слоев, вертикальных «труб» и линз.

7.11. Применяя горячий раствор соли, можно получить искусственные талики. Для этого раствор под давлением нагнетается на глубину 3¸5 м. Раствор соли смещает температуру замерзания.

7.12. Вынос заземления может быть сделан в рудное месторождение промышленного масштаба. В этом случае заземлителем является сама жила или рудное месторождение, а забиваемые заземлители выполняют роль электрического контакта.

Рис. 7.1. Устройство контура заземления на дне пруда

Сопротивление заземления в данном случае определяется, по формуле

,                                                                   (7.1)

где r - удельное сопротивление грунта вечной мерзлоты, ом×м;

l - ориентировочная длина рудной жилы, м; а - ширина рудной жилы, м.

Если рудное месторождение имеет вид линзы, то расчет сопротивления может быть сделан по формуле

,                                                                 (7.2)

где D - примерный диаметр линзы, м.

Электроды забиваются в центр месторождения.

7.13. Если оттаивающий в летнее время верхний слой грунта в районах вечной мерзлоты обладает высоким удельным сопротивлением, то для снижения сопротивления растеканию тока его обрабатывают поваренной солью (см. п. 2.55). Количество соли берется из расчета 16 кг на 1 м стержневого заземлителя и 32 кг для протяженного.

7.14. С целью еще большего снижения сопротивления заземления грунт-заполнитель обрабатывается поваренной солью. Обработка производится следующим образом. Для каждого стержневого заземлителя вырывается котлован радиусом 1,5¸2 м и глубиной 2,5¸3 м, который затем засыпается до 0,8 м глубины привозным грунтом с хорошей проводимостью и прослойками поваренной соли толщиной до 1,0 см через каждые 20¸25 см, обильно смачиваемыми водой.

7.15. Заземления для молниеотводов и заземления для защиты кабелей от ударов молнии следует делать протяженными и располагать в поверхностном слое земли.

7.16. Хорошие результаты могут быть получены при использовании в районах вечной мерзлоты глубинных заземлителей, которые оборудуются согласно рис. 3.13. Расчет глубинных заземлителей приведен в пп. 2.29 - 2.33, а их практическое выполнение - в пп. 3.20 - 3.23.

7.17. При устройстве заземлений в грунтах с высоким удельным сопротивлением (каменистые грунты) необходимо иметь в виду, что основную роль в создании сопротивления растеканию тока играют близлежащие к заземлителю слои грунта. Поэтому снижения сопротивления заземления можно добиться понижением удельного сопротивления грунта в небольшой области вокруг заземлителя. При этом примерно одинакового результата можно достигнуть, применяя обработку этого грунта как веществами со сравнительно высокой проводимостью (например, углем), так и веществами с более низкой проводимостью (глиной).

7.18. Сопротивление заземлителя в грунтах с высоким удельным сопротивлением может быть снижено обработкой этого грунта поваренной солью. Устройства стержневого и протяженного заземлителей в данном случае показаны на рис. 2.23 и 2.24. Количество соли берется из расчета 8¸10 кг на каждый метр стержневого заземлителя. Канавки около протяженного заземлителя (см. рис. 2.24) заполняются смесью грунта с поваренной солью из расчета 16 кг на каждый метр заземлителя (по 8 кг/м с каждой стороны заземлителя).

Обработка солью позволяет снизить сопротивление заземлений в 3 - 4 раза. Каждые два-три года обработка грунта повторяется.

7.19. В местностях, где над каменистым или песчаным грунтом имеется наносный слой с хорошей проводимостью, не промерзающий на всю толщину в зимнее время, заземлители следует делать протяженными и располагать в непромерзающей части этого слоя.

7.20. Если наносный слой грунта с хорошей проводимостью отсутствует или имеет небольшую величину (до 20 см), снижение сопротивления заземления достигается следующим образом. Для каждого стержневого заземлителя в грунте делается котлован радиусом 1,5¸2,0 м и глубиной, равной длине забиваемого стержня плюс 0,8 м (см. рис. 2.21). В этот котлован устанавливается заземлитель, после чего котлован заполняется грунтом с небольшим удельным сопротивлением, который затем утрамбовывается.

При устройстве заземлений, состоящих из нескольких стержней, соединение последних осуществляется после неполной засыпки котлована.

В качестве грунта-заполнителя может быть применен любой грунт, имеющий удельное сопротивление в 5¸10 раз меньше, чем удельное сопротивление основного грунта. Например, если заземление устраивается в песчаном или каменистом (гранит) грунте, то заполнителями могут быть глина, торф, чернозем, суглинок, шлак и т.д.

Рассмотренный способ позволяет снизить сопротивление заземления в среднем в 2,5¸3 раза. На рис. 2.22 даны кривые снижения сопротивления заземления в зависимости от удельного сопротивления грунта, вносимого в выемку. Для еще большего снижения сопротивления заземления грунт-заполнитель обрабатывается поваренной солью согласно п. 7.14.

Сопротивление растеканию тока в случае окружения заземлителя грунтом с другим удельным сопротивлением находится по ф-ле (2.34).

8. ИЗМЕРЕНИЯ СОПРОТИВЛЕНИЯ ЗАЗЕМЛЯЮЩИХ УСТРОЙСТВ И УДЕЛЬНОГО СОПРОТИВЛЕНИЯ ЗЕМЛИ

ОБЩИЕ ЗАМЕЧАНИЯ

8.1. Для расчетов сопротивления заземлений необходимо знать величины удельных сопротивлений грунтов той местности, в которой предполагается устройство заземлений, на глубине, по крайней мере, в три раза превышающей глубину закладки заземлителя. Значения сопротивлений заземлений в установках связи и радиотрансляционных узлов должны систематически контролироваться и соответствовать нормам ГОСТ 464-68.

Для непосредственного измерения значений сопротивления заземлений, а также удельного сопротивления грунтов используются специальные приборы: МС-07, МС-08, ИКС-1, АНЧ-1, ЭСК-1, АТЭ-1, «Норма» и др. Наиболее удобным в употреблении из приборов отечественного производства является «Измеритель заземления типа МС-08». При высоких удельных сопротивлениях грунта (свыше 1000 ом×м) целесообразно пользоваться прибором ИКС-1.

ИЗМЕРЕНИЕ СОПРОТИВЛЕНИЯ ЗАЗЕМЛЕНИЙ ПРИБОРОМ МС-08

8.2. Измерение сопротивления заземления прибором МС-08 основывается на методе амперметра и вольтметра с применением вспомогательных электродов (зондов), удаленных на расстояние не менее 25 м от испытуемого заземлителя (рис. 8.1).

8.3. Источником тока в этой схеме служит генератор, установленный в приборе и приводимый во вращение от руки через редуктор. Конструктивно амперметр и вольтметр выполнены в виде магнитоэлектрического логометра.

На валу генератора (рис. 8.2) смонтированы два синхронных коммутатора, преобразовывающих постоянный ток в переменный для внешней цепи измерения и обратно - переменный ток в постоянный для цепей логометра. Таким образом, в цепи измеряемого заземлителя протекает переменный ток, исключающий явление электролиза, а в цепях измерительного прибора - постоянный ток, что позволяет использовать чувствительную магнитоэлектрическую систему логометра.

Рис. 8.1. Схема измерения сопротивления заземления

Рис. 8.2. Схема прибора «Измеритель заземления МС-08»

8.4. Блуждающие переменные токи не оказывают влияния на точность измерения благодаря вращающемуся коммутатору. Исключением является случай, когда скорость вращения ручки генератора такова, что частота генератора приблизительно равна частоте блуждающего тока.

Влияние переменного блуждающего тока сказывается в виде колебания стрелки измерителя, причем период и размах колебания увеличиваются по мере приближения частоты тока генератора к частоте блуждающих токов. В этом случае для исключения влияния достаточно изменить скорость вращения генератора в ту или иную сторону, добиваясь спокойного отклонения стрелки измерителя.

8.5. Постоянный блуждающий ток преобразуется коммутатором в переменный, не влияющий на магнитоэлектрический логометр.

8.6. Величина сопротивления вспомогательного заземлителя принципиально не увеличивает погрешности, однако с его увеличением падает чувствительность измерения. Вследствие этого сопротивление вспомогательного заземлителя должно находиться в пределах 300¸400 ом.

8.7. Из схемы, приведенной на рис. 8.2, видно, что прибор имеет четыре внешних зажима: два питающих (токовых), обозначенных буквами I1 и I2, и два измерительных (потенциальных) - E1 и E2. При измерении сопротивления заземляющих устройств зажимы I1 и E1 соединяют перемычкой и подключают к ним измеряемый заземлитель. К зажиму I2 подключают вспомогательный токовый заземлитель, а к зажиму E2 - вспомогательный потенциальный заземлитель (рис. 8.3).

Рис. 8.3. Схема измерения сопротивления заземления с помощью прибора МС-08

8.8. Вспомогательные заземлители выполняют в виде стальных стержней длиной 0,75 см и диаметром 1 см; сопротивления их обычно колеблются в пределах 50¸500 ом. При больших значениях этих сопротивлений необходимо увлажнять почву вокруг дополнительных заземлителей.

8.9. Прибор МС-08 при измерении сопротивления заземления устанавливают горизонтально на твердом основании в непосредственной близости от испытуемого заземления и присоединяют, как указывалось в п. 8.7, к измеряемому и вспомогательному заземлителям.

8.10. Все соединения выполняют изолированным проводом, протянутым непосредственно по земле.

8.11. Расстояние между измеряемым и вспомогательными заземлителями зависит от устройства испытуемого заземления. Для одиночного заземлителя оно должно быть не менее указанных на рис. 8.4.

Рис. 8.4. Расстояния между измеряемым и вспомогательным заземлителями для одиночного заземлителя при измерении прибором МС-08

Рис. 8.5. Расстояния между контурными и вспомогательными заземлителями при измерении сложных заземлителей прибором МС-08

8.12. Для сложных заземлителей, выполненных в виде контура с протяженным периметром, расстояния между контуром и вспомогательными заземлителями должны быть не менее указанных на рис. 8.5.

8.13. Перед измерением сопротивления заземления производят компенсацию сопротивления вспомогательного измерительного заземлителя. Для этого переключатель «Регулировка - Измерение» (см. рис. 8.2) переводят в положение «Регулировка» и, вращая рукоятку генератора со скоростью около 135 об/мин, путем поворота головки реостата устанавливают стрелку прибора на красную отметку шкалы. Если стрелка не устанавливается па красную отметку шкалы, необходимо принять меры для уменьшения сопротивления вспомогательного измерительного заземлителя - увлажнить окружающий грунт.

8.14. После компенсации сопротивления вспомогательного заземлителя переключатель «Регулировка - Измерение» переводят в положение «Измерение». Переключатель пределов измерения (см. рис. 8.2) ставят в положение предела 1000 ом и производят замер, вращая ручку генератора со скоростью 135 об/мин. При незначительном отклонении стрелки прибора переходят последовательно на шкалу 100 ом или 10 ом. Отсчет производят непосредственно по шкале в омах с учетом коэффициента пересчета.

8.15. Если при измерении стрелка продолжает еще колебаться, то необходимо проверить сопротивление вспомогательного заземлителя. Для этого следует поменять местами провода, присоединенные к зажимам I1 и I2 (см. рис. 8.3), и повторить измерение. Прибор покажет сопротивление вспомогательного заземлителя. Если величина сопротивления превышает значения, приведенные выше, принимаются меры к его уменьшению, после чего производится основной замер.

ИЗМЕРЕНИЕ УДЕЛЬНОГО СОПРОТИВЛЕНИЯ ГРУНТОВ ПРИБОРОМ МС-08

8.16. Удельное сопротивление верхних слоев грунтов можно найти по данным измерения сопротивления трубчатого заземлителя определенных размеров:

, ом×м,                                          (8.1)

где l - глубина забивки трубы, м; d - диаметр трубы, м; R - сопротивление заземлителя по данным измерения прибором МС-08, ом.

Примечание. Длина трубы должна быть не менее 1,5 м, глубина забивки - не менее 1 м.

Рис. 8.6. Схема измерения удельного сопротивления земли прибором МС-08

8.17. Удельное сопротивление грунта можно определить непосредственным измерением методом четырех электродов (заземлителей). Для этого на испытуемом участке забивают в землю по прямой линии четыре стержня на расстоянии а, м, друг от друга. К зажимам измерителя МС-08 I1 и I2 присоединяют крайние (питающие) стержни, а к зажимам Е1 и Е2 - внутренние стержни (измерительные). Перемычку между зажимами I1 и Е2 размыкают (рис. 8.6) и производят измерение, причем предварительно при положении переключателя «Регулировка» устанавливают стрелку прибора на красную отметку шкалы Прибор показывает в этом случае сопротивление между двумя внутренними стержнями в омах.

Удельное сопротивление грунта по данным измерения подсчитывают по формуле

r = 6,28 aR, ом×м,                                                       (8.2)

где R - измеренное сопротивление, ом; а - расстояние между электродами, м.

Приблизительно можно считать, что при данном способе получается среднее удельное сопротивление грунта на глубине, равной расстоянию между забитыми измерительными заземлителями (электродами).

8.18. При пользовании измерителем заземления типа МС-08 необходимо оберегать последний от толчков и тряски, a в полевых условиях от дождя и пыли.

8.19. По окончании измерений следует закрыть стекло крышкой, вложить рукоятку генератора в гнездо, кожаную сумку закрыть специальным замком.

ИЗМЕРЕНИЯ СОПРОТИВЛЕНИЯ ЗАЗЕМЛЕНИЙ МЕТОДОМ «ВОЛЬТМЕТРА - АМПЕРМЕТРА»

8.20. Сущность измерения методом «вольтметра - амперметра» заключается в определении падения напряжения между испытуемым и вспомогательным заземлителем, находящимся в точке с нулевым потенциалом, и в измерении тока, проходящего через испытуемое заземление (рис. 8.7). При этом сопротивление заземления определяется делением U0 на I:

R = DU/I = U0/I, ом,

где DU - полное падение напряжения между испытуемым заземлением и точкой нулевого потенциала, в;

U0 - полный потенциал испытуемого заземления, в;

I - ток, проходящий через заземления, а.

8.21. Используемые при измерении амперметр и вольтметр должны обладать достаточно высокой точностью - не ниже класса 1,5. Если для измерения тока применяется измерительный трансформатор, то и он должен иметь класс точности не ниже 1¸1,5.

Рис. 8.7 Схема измерения сопротивления заземления с помощью амперметра - вольтметра

Рис. 8.8 Схема измерения сопротивления измерительного (вспомогательного) заземлителя с помощью амперметра - вольтметра

8.22. Вольтметр обладает внутренним сопротивлением, поэтому его показание не будет соответствовать величине потенциала заземлителя. Расхождение будет тем больше, чем меньше сопротивление вольтметра. В связи с этим к показаниям вольтметра должна быть введена поправка:

, в,                                                   (8.3)

где Ux - показание вольтметра, в; Rз - сопротивление вспомогательного зазамлителя, ом; Rв - внутреннее сопротивление вольтметра, ом.

Из указанных величин требуется предварительно определить Rв (если эта величина не помечена на самом приборе) и Rз Сопротивление вспомогательного измерительного заземлителя измеряют так же, как и сопротивление основного испытуемого заземления, только измеритель тока включают между Rх и R1, а вольтметр - между R1 и R2, как показано на рис. 8.8.

Примечание. Это измерение нужно дополнительно проводить в том случае, если внутреннее сопротивление будет иметь значение менее 1000 ом/в.

ИЗМЕРЕНИЕ УДЕЛЬНОГО СОПРОТИВЛЕНИЯ ГРУНТА МЕТОДОМ ВЕРТИКАЛЬНОГО ЭЛЕКТРИЧЕСКОГО ЗОНДИРОВАНИЯ

8.23. Метод вертикального электрического зондирования (ВЭЗ) основан на многократном измерении удельного сопротивления грунта r на различной глубине измерителем заземлений МС-08 по схемам, показанным на рис. 8.9, при различных расстояниях между электродами.

8.24. Для того чтобы измерительные электроды А, В, М, N в указанных схемах могли считаться точечными источниками и не вносили искажений в направления силовых линий электрического поля вблизи электродов, их линейный размер должен быть в несколько раз меньше кратчайшего расстояния между ними (см. рис 8.9).

8.25. Зондирование грунта по схеме Веннера (рис. 8.9б) осуществляется следующим образом: первое измерение удельного сопротивления грунта производят при АВ = 1,5 м (а = 0,5 м), второе - при АВ = 2,1 м (а = 0,7 м) и т.д. При каждом измерении симметрично относительно центра зондирования «0» раздвигают все четыре электрода. По мере увеличения расстояния АВ показания измерителя заземлений будут уменьшаться. Процесс измерений необходимо продолжать до тех пор, пока не будет достигнут нижний предел шкалы прибора. Обычно зондирование заканчивается при АВ = 45¸90 м, реже - при АВ = 120¸210 м.

8.26. При зондировании грунта по схеме Шлюмберже (рис. 8.9а) первое измерение удельного сопротивления производят, как и по схеме Веннера, при АВ = 1,5 м (MN = 0,5 м), второе - при АВ = 2,1 м (MN = 0,5 м) и т.д., т.е. симметрично относительно центра зондирования раздвигают только токовые электроды А и В. Потенциальные электроды М и N остаются на прежних местах. При зондировании по схеме Шлюмберже после каждого последующего измерения показания прибора уменьшаются значительно быстрее. В результате нижний предел шкалы прибора будет достигнут при значительно меньших расстояниях между электродами А и В.

Обычно при зондировании грунта применяют обе схемы. Сначала измерения ведут по схеме Шлюмберже, так как при малых расстояниях она дает большую точность измерений, а затем, по достижении нижнего предела шкалы и необходимости продолжения измерений при больших расстояниях между электродами А и В, переходят на схему Веннера. Для этого токовые электроды оставляют на прежних местах, а потенциальные электроды разносят на расстояние MN = AB/3 и производят последующее измерение удельного сопротивления до требуемых пределов. В большинстве случаев на схему Веннера переходят при достижении расстояния между токовыми электродами А и В, равного 20¸50 м.

Рис. 8.9. Схемы для ВЭЗ с измерителем заземлений МС-08:

а) Шлюмберже; б) Веннера; в) ВНИИЭСХ

8.27. При зондировании грунта с помощью практической двухэлектродной схемы ВЭЗ, разработанной ВНИИЭСХ (рис. 8.9в), перемещают только один электрод в левую или правую сторону от электрода А. При этом расстояние Н1 А может изменяться в пределах от 0,5 до 2L, м, а расстояние МА - от 0,5 до 0,4L, м. Схема ВНИИЭСХ является более экономичной.

8.28. С целью получения достаточного количества данных необходимо производить измерения при следующих расстояниях между электродами:

- А и В: 1,5; 2,2; 3; 4,5; 6; 9; 12; 15; 21; 30; 45; 60; 90; 120; 150; 210; 300……..м в случае использования схем Веннера и Шлюмберже;

- М и А: 0,5; 0,7; 0,9; 1,2; 1,6 м и т.д. при применении схемы ВНИИЭСХ.

8.29. При проведении ВЭЗ с помощью измерителя заземлений МС-0,7 или МС-0,8 должны быть выполнены все требования относительно сопротивлений внешних цепей и регулировок. Шкала прибора проградуирована при определенной величине сопротивления потенциальной цепи. Перед каждым измерением r необходимо производить регулировку этого сопротивления с помощью регулировочного реостата, включенного в его цепь.

8.30. В большинстве грунтовых условий установленная глубина забивки измерительных электродов (b £ a/3 или b £ MN/3) позволяет начинать зондирование при АВ = 1,5. Если осуществить регулировку сопротивления потенциальной цепи при АВ = 1,5 м не удастся, зондирование начинают с расстояния АВ = 2,1 или 3,0 м.

В песчаных грунтах с r = 1000¸2000 ом×м могут возникнуть трудности в обеспечении требуемых величин сопротивлений потенциальной и токовой цепей. В этих случаях токовые электроды нужно выполнить из двух или трех штырей и забить их на расстоянии (l¸2)b друг от друга. Глубина забивки штырей должна быть максимальной, т.е. b = 60¸70 см, а минимальные расстояния между электродами М и N - не менее чем в три раза больше расстояния между штырями многостержневого электрода.

ОПРЕДЕЛЕНИЕ ЭЛЕКТРИЧЕСКИХ ПАРАМЕТРОВ ГРУНТА ДВУХСЛОЙНОЙ СТРУКТУРЫ

8.31. Обработка результатов ВЭЗ должна начинаться сразу же после окончания измерений, так как может возникнуть потребность в повторных или дополнительных измерениях.

Запись результатов измерений и их обработка осуществляются на специальных бланках. В нижней части бланка дается эскиз обследуемой площади и делается запись сведений о состоянии грунта в момент измерений. Образец заполнения бланка приведен на рис. 8.10.

8.32. Поскольку в большинстве районов грунт по глубине неоднороден, вычисленное по результатам ВЭЗ удельное сопротивление грунта будет являться кажущимся (rк). Величина его определяется по формулам:

РЕЗУЛЬТАТЫ ВЭЗ ГРУНТА ПО СХЕМАМ ВЕННЕРА И ШЛЮМБЕРЖЕ

Дата проведения работ

Прибор МС 08 №…….

Примечание. Грунт глинистый, средней влажности, количество осадков, выпавших до момента измерений, соответствует норме. Глубина промерзания 1,5 м, средняя многолетняя температура января -10°С.

На основании измерения установлено, что грунт имеет двухслойную электрическую структуру с параметрами

r1 = 80 ом×м; r2 = 18,8 ом×м; h1 = 0,5 м.

Рис. 8.10. Примерный образец заполненного бланка для записи и обработки результатов ВЭЗ

Объект, площадка №

а) при измерении по схеме Шлюмберже:

, ом×м;                                           (8.4)

б) при измерении по схеме Веннера:

rк = 6,28×Ra, ом×м;                                                     (8.5)

в) при измерении по схеме ВНИИЭСХ:

- при перемещении электрода (H1) в левую сторону от электрода А

, ом×м;

- при перемещении электрода (H1) b правую сторону от электрода А

, ом×м,

где l, d, а, , r, L - расстояния, показанные на схемах (см. рис. 8.9), м, R - показания прибора, ом.

8.33. В результате проведенных вычислений rк получаются следующие зависимости:

- при измерениях по схеме Шлюмберже

;                                                 (8.6)

- при измерениях по схеме Веннера

;                                            (8.7)

- при измерениях по схеме ВНИИЭСХ

rк = f2(r).

Эти зависимости для последующей обработки изображают графически в прямоугольных координатах с логарифмическим масштабом по каждой из осей. Графики экспериментальной зависимости rк = f(l), rк = f1(1,5а) и rк = f2(r) называются кривыми ВЭЗ. Для их построения применяется специальная билогарифмическая бумага со стандартным масштабом (длина логарифмической единицы равна 6,25 см). Образец построения кривой ВЭЗ показан на рис. 8.11.

Рис. 8.11. Кривая ВЭЗ

Рис. 8.12. Набор палеток для двухслойного грунта

8.34. После построения кривой ВЭЗ с помощью специального набора палеток (рис. 8.12) определяются параметры двухслойной электрической структуры грунта - удельное сопротивление верхнего (r1) и нижнего (r2) слоев и толщина верхнего слоя h1.

С этой целью на билогарифмическую бумагу, где изображена кривая ВЭЗ, накладывают кальку, на которую карандашом переносят кривую и ее оси координат. Затем кальку накладывают на набор палеток и, перемещая ее так, чтобы сохранялись параллельность осей координат, добиваются достаточно хорошего совпадения я кривой ВЭЗ с одной из палеток или же закономерного расположения ее между двумя соседними палетками.

После этого на кальку переносят начальные оси координат палеток и снова накладывают ее на билогарифмическую бумагу. Добившись точного совмещения изображений на кальке и билогарифмической бумаге, приступают к определению параметров двухслойной структуры грунта. Ось ординат палеток отсекает на оси абсцисс кривой ВЭЗ значения h1, м; ось абсцисс палеток отсекает на оси ординат кривой ВЭЗ значение r1, ом×м. Значение r2 определяется по горизонтальному участку в конце кривой ВЭЗ (при больших l имеет место асимптотическое стремление rкr2).

Пример определения параметров r1, r2 и h1 приведен на рис. 8.13. В этом примере r1 = 150 ом×м; r2 = 19 ом×м и h1 = 1,5 м.

Рис. 8.13. Определение параметров грунта по кривой ВЭЗ с помощью палеток для двухслойной электрической структуры:

1 - кривая ВЭЗ; 2 - палетки, 3 - ось абсцисс; 4 - ось ординат палеток; 5 - асимптота

8.35. В большинстве случаев кривые ВЭЗ хорошо совмещаются с палетками для двухслойной структуры грунта, однако иногда они несколько отличаются от палеток - имеют на конце кривой горизонтальный участок. Последнее говорит о том, что в нижнем слое грунт достаточно однороден, а в верхнем строение его сложное.

Для расчетов сопротивления растеканию токов с заземлителей важно знать точные значения параметров r2 и h1, поэтому применение двухслойных палеток вполне допустимо.

Пример определения параметров при несовпадении кривой ВЭЗ с палетками в верхней ее части показан па рис. 8.14. В этом примере r1 = 80 ом×м; r2 = 18 ом×м; и h1 = 1,3 м, причем r1 и h1 найдены с некоторым запасом.

Рис. 8.14. Определение параметров грунта по кривой ВЭЗ, отличающейся по форме от двухслойных палеток:

1 - кривая ВЭЗ; 2 - палетки; 3 - асимптота rк = r2; 4 - ось абсцисс палеток; 5 - ось ординат палеток

8.36. В песчаных грунтах хорошо проводящий слой совпадает со слоем грунтовой воды, поэтому h1 может достигать 5 м и более. При использовании для вертикального электрического зондирования измерителей МС-08 кривая ВЭЗ получается неполной, без нижней ветви с горизонтальным участком, если глубина верхнего слоя более 5 м. По такой кривой ВЭЗ можно определить только два параметра: r1 и h1. На рис. 8.15 показана кривая для r1 = 1200 ом×м и h1 = 8 м.

Относительно r2 можно сказать, что его значение не превышает 50 ом×м. В случае необходимости величина r2 может быть уточнена с помощью более чувствительной аппаратуры, которая позволяет измерять rк при больших расстояниях АВ или методом длинного контрольного электрода.

Следует отметить, что в песчаных грунтах решающую роль играет определение параметра h1, так как он дает возможность найти наиболее рациональную длину вертикального электрода для будущего заземляющего контура.

Рис. 8.15. Определение параметров грунта по кривой ВЭЗ без нижней ветви:

1 - кривая ВЭЗ; 2 - палетка для r2:r1 = 1:19; 3 - ось абсцисс палеток; 4 - ось ординат палеток

ОРГАНИЗАЦИЯ РАБОТ ПО ВЕРТИКАЛЬНОМУ ЭЛЕКТРИЧЕСКОМУ ЗОНДИРОВАНИЮ ГРУНТА НА ПЛОЩАДКАХ

8.37. Работы по ВЭЗ грунта при сооружении и контроле заземлений производятся специальной группой, состоящей из руководителя работ - инженера или техника и двух рабочих. Группa оснащается необходимым оборудованием и инструментами, примерный перечень которого приведен в табл. 8.1.

Таблица 8.1

Наименование

Единица измерения

Количество

Измеритель заземлений типа МС-08 или МС-07

шт.

1¸2

Гибкие изолированные медные провода сечением 1,5 мм2

м

300¸500

Катушки для намотки проводов (телефонного типа)

шт.

4

Мерные ленты (обычные или специальные для ВЭЗ)

»

2

Измерительные электроды

»

4¸10

Ручные молоты весом 1¸2 кг

»

2¸3

Бланки отчетных документов, билогарифмическая бумага и т.п.

-

Набор палеток

8.38. При проектировании заземления на небольшой площадке (S < 400 м2) выполняется одно вертикальное электрическое зондирование. При этом центр симметрии четырехэлектродной схемы (центр зондирования) должен находиться в центре или вблизи центра будущего заземления.

8.39. При устройстве заземления на больших площадках (S > 400 м2), на которых могут иметь место некоторая неоднородность по удельному сопротивлению верхнего слоя (r1) и изменение толщины этого слоя h1, число зондирований должно быть больше. При площади контура S до 2000 м2 минимальное число зондирований может быть рассчитано по формуле

n ³ S/400.                                                                     (8.8)

8.40. Места зондирований на площадке больших размеров определяются следующим образом. Площадку разбивают примерно на одинаковые квадраты или близкие к ним прямоугольники размером 40´40, 40´50 м2 и т.д. В каждом квадрате (прямоугольнике) проводится одно зондирование, причем центр зондирования выбирается в геометрическом центре квадрата (прямоугольника). Направление разноски электродов не играет решающей роли, так как параметры r1 и h1 определяются зондированием при небольших расстояниях между электродами (до 30¸45 м). Примеры организации работ на площадках разных размеров даны на рис. 8.16.

Рис. 8.16. Примеры организации работ по ВЭЗ на площадках разных размеров:

а) S £ 400 м2; б) 400 < S < 2000 м2; в) S > 2000 м2

Рис. 8.17. Примеры организации работ по ВЭЗ вблизи существующих заземлителей разных размеров;

а) S £ 400 м2; б) 400 < S < 2000 м2; в) S > 2000 м2

8.41. Уточненные значения параметров r1 и h1 грунта на больших площадках находятся по формулам:

,                                                            (8.9)

.                                                         (8.10)

8.42. Зондирование на полную глубину с целью определения удельного сопротивления нижнего слоя r2 производится один раз в центре будущего заземления. Одного зондирования достаточно, так как это сопротивление практически не изменяется.

8.43. Работы по ВЭЗ вблизи существующих заземлений организуются следующим образом. Измерения производятся вблизи контура заземления. Если площадь контура S £ 400 м2, проводят одно зондирование. При 400 < S < 2000 м2 проводят два зондирования. В случае больших площадок число зондирований п определяют в зависимости от периметра контура Р в метрах по формуле

n ³ P/100.                                                            (8.11)

Линии зондирования располагают параллельно ближайшей стороне заземляющего контура на расстоянии 5¸10 м от нее.

Если вдоль стороны контура необходимо проделать одно зондирование, то центр зондирования располагают напротив середины данной стороны. Если вдоль стороны контура должно быть проведено несколько зондирований, центры зондирований располагают равномерно вдоль этой стороны.

Примеры организации работ по ВЭЗ вблизи существующих заземлений разных размеров приведены на рис. 8.17.

8.44. Вертикальное электрическое зондирование грунта проводится в следующей последовательности. Расположив около центра зондирования измерительную аппаратуру и катушки с проводами, намечают линию зондирования. Ее можно обозначить тремя вехами, одна из которых ставится в центре зондирования, а две другие на расстоянии 20¸50 м по обе стороны от нее. Вдоль намеченной линии растягивают мерные ленты, а затем разматывают провода и присоединяют их к измерительной аппаратуре и электродам.

Руководитель работ, находящийся у измерительной аппаратуры, производит измерения, записывает показания приборов и вычисляет значения rк. Работы по переноске и забивке электродов, выполняют двое рабочих, находящихся по обе стороны от центра зондирования.

Схема организации работ по ВЭЗ показана на рис. 8.18.

Рис. 8.18. Схема организации работ по ВЭЗ:

1 - вехи, обозначающие линию зондирования; 2 - мерные ленты; 3 - измеритель заземлений МС-08; 4 - катушки с проводами; А, М, N, В - измерительные электроды; 0 - центр зондирования

9. КОНТРОЛЬ ЗА СОСТОЯНИЕМ ЗАЗЕМЛЯЮЩИХ УСТРОЙСТВ

9.1. Сопротивление заземления измеряют непосредственно после устройства этого заземления. Измеренная величина должна быть не больше нормы, указанной в ГОСТ 464-68 для соответствующей установки связи или радиотрансляционной сети.

9.2. При эксплуатации заземлений необходимо периодически проверять величину его сопротивления (способы и приборы измерения см. в разд. 8).

9.3. Измерения сопротивлений заземлений на телефонных и телеграфных станциях, усилительных пунктах и у кабельных опор проводятся два раза в год - летом в сухую погоду и в середине зимы.

9.4. Измерение сопротивления защитных и линейно-защитных заземлений на станциях ВРС, радиотрансляционных узлах, на абонентских пунктах телефонной и радиотрансляционных сетей, на кабельных и воздушных линиях связи проводят один раз в год - летом в сухую погоду.

9.5. Результаты измерений заносят в специальный журнал «Заземления». Запись рекомендуется вести по определенной форме (табл. 9.1).

Таблица 9.1

Пункт измерения

Число и месяц измерения

Тип и назначение заземлений

Температура воздуха

Способ измерения (приборы)

Измеренная величина сопротивления

Примечание

 

 

 

 

 

 

 

9.6. В случае увеличения сопротивления заземления выше нормы должны быть приняты меры по восстановлению требуемой его величины. Это достигается путем добавления соответствующего количества заземлителей, подключенных параллельно существующему заземлению. Количество требуемых заземлителей определяется расчетом.

9.7. При повреждении рабочего заземления допускается временное подключение цепей ДП к линейно-защитному заземлению:

- в период плохого состояния дорог (зимой и во время распутицы) - в течение не более 1 месяца;

- в период хорошего состояния дорог - в течение не более чем 10 дней с момента обнаружения повреждения.

За указанные сроки рабочее заземление должно быть отремонтировано.

10. УКАЗАНИЯ ПО ЗАЗЕМЛЕНИЮ ОБОЛОЧЕК И БРОНИ МЕЖДУГОРОДНЫХ КАБЕЛЕЙ СВЯЗИ

10.1. Для обеспечения защиты от прямых ударов молнии и влияния электромагнитных полей металлические оболочки и броня кабелей должны быть заземлены по концам каждого усилительного участка (перед вводом кабелей в ОУП, НУП и ОП) и вдоль линии в соответствии с «Временным руководством по оборудованию КИП и заземлений на кабелях связи» (см. также п. 10.15 настоящего «Руководства»).

10.2. Заземление металлических оболочек и брони вдоль линии обеспечивается:

- на кабелях без изолирующих покрытий - непосредственным контактом брони и оболочки с землей через джутовый покров;

- на кабелях с изолирующим покрытием на оболочке и броней в джутовом покрове поверх оболочки - с помощью перемычек между оболочкой и броней, устанавливаемых на КИП-2;

- на кабелях с изолирующим внешним покрытием путем заземления оболочек и брони через КИП-2 на линейно-защитные заземлители, исходя из защиты от влияния ЛЭП, эл. ж. д. переменного тока и ударов молнии.

10.3. Заземления, оборудуемые на каждом усилительном пункте, по своему назначению делятся на три типа: рабочее, через которое проходит ток дистанционного питания усилительных пунктов по схеме «провод - земля»; защитное - для подключения экранов аппаратуры, экранов станционных кабелей, разрядников, металлических цистерн НУП и линейно-защитные для подключения оболочки и брони кабелей. Расстояние между рабочим и защитными заземлениями должно быть не менее 20 м.

10.4. На питающих усилительных пунктах указанные три заземления объединяются и оборудуются одно рабочее (объединенное) и два вспомогательных (измерительных) заземления.

10.5. В табл. 10.1 указаны места оборудования линейно-защитных заземлений в зависимости от типа кабеля и источника электромагнитного влияния.

Примечание. На действующих кабельных магистралях с сопротивлением изоляции ленточного покрытия или шланга на алюминиевой оболочке ниже 1500 ом×м прямое заземление оболочки или соединение ее с броней не допускается. В этом случае перемычки между оболочкой и землей снимаются, а на клеммы «Оболочка» КИП-2 включаются анодные электроды. Для свинцовых кабелей сопротивление изоляции оболочки по отношению к земле не нормируется.

Общее сопротивление растеканию тока с электродов, подключенных у каждого КИП, не должно превышать 15 ом при r £ 100 ом×м и 30 ом при r > 100 ом×м.

10.6. Схемы включения заземлений при вводе кабелей в НУП с металлической цистерной зависят от типа кабелей и удельного сопротивления земли.

При расположении НУП в грунте с удельным сопротивлением земли до 300 ом×м, когда используются анодные электроды для защиты металлической цистерны НУП от коррозии, на вводе каждого кабеля включается изолирующая муфта. Для заземления оболочек и брони кабелей оборудуется линейно-защитное заземление. В качестве защитного заземления используются анодные электроды, для чего между ребром жесткости цистерны НУП и клеммой «Земля» аппаратуры делается перемычка. Общее сопротивление растеканию токов с анодных электродов должно соответствовать ГОСТ 464-68. Рабочее заземление вводится в НУП изолированным кабелем.

При расположении НУП в грунте с удельным сопротивлением земли выше 300 ом×м, когда анодные электроды для защиты металлической цистерны НУП от коррозии не устанавливаются; защитное и линейно-защитное заземления объединяются. На вводе каждою кабеля с изолирующими покрытиями устанавливаются изолирующие муфты. На вводе кабелей без изолирующих покрытий муфты не устанавливаются.

10.7. Оболочки и бронепокровы кабелей без изолирующего покрытия при вводе в НУП с вертикальной цистерной заземляются через клеммный щиток КИП-1: к клемме «Муфта» щитка подключаются перепаянные между собой оболочки и бронепокровы кабелей с одного направления, а к клемме «Оболочка» - заземление. Оболочка и бронепокровы кабелей другого направления подключаются ко второму щитку КИП-1, клемма «Оболочка» которого соединяется с клеммой «Оболочка» первого щитка. Оба клеммных щитка устанавливаются на внутренней стенке надземной части НУП возле изолирующей муфты.

10.8. Оболочки без изолирующего покрытия при вводе в НУП с горизонтальной цистерной заземляются аналогично.

10.9. Оба КИП-1 (для кабелей разных направлений) устанавливаются возле изолирующих муфт. При этом общее заземление на каждый КИП подается отдельным изолированным проводом.

Таблица 10.1

Защитные покровы кабеля

Места оборудования заземлителей и их сопротивления

Подключение заземления

при сближении с эл. ж. д. или ЛЭП переменного тока

при сближении с радиостанциями

при отсутствии сближения с ЛЭП и эл. ж. д. переменного тока и радиостанциями

1. Свинцовая оболочка и броня с наружным джутовым покровом

На вводе в НУП, ОУП и ОП; Rз - определяется проектом, но не более 10 ом при rз £ 100 ом×м и 30 ом при rз > 100 ом×м

На вводе в НУП, ОУП и ОП; согласно ГОСТ 464-68

Через щиток КИП-1

2. Алюминиевая оболочка в шланге и броня с наружным шлангом или ленточным поливинилхлоридным покровом

а) На вводе в НУП, ОУП и ОП; Rз определяется проектом, но не более 5 ом при rз £ 100 ом×м и 10 ом при rз > 100 ом×м

а) На вводе в НУП, ОУП и ОП; Rз определяется проектом, но не более 10 ом при rз £ 100 ом×м и 30 ом×м при rз > 100 ом×м

а) на вводе в НУП, ОУП и ОП; согласно ГОСТ 464-68

Через разъемы на щитке КИП-2

б) Вдоль кабеля, исходя из расчета реального коэффициента защитного действия; Rз определяется при проектировании

б) Посредине усилительного участка и на расстоянии 1, 2 и 5.5 км от ОУП, НУП в обе стороны, если расчетное ожидаемое количество повреждений кабеля от ударов молнии превышает допустимое значение. Rз £ 10 ом при rз £ 100 ом×м; Rз £ 20 ом при 100 < rз <500 ом×м; Rз £ 30 ом при rз > 500 ом×м

3. Алюминиевая оболочка в шланге (без брони)

а) То же

а) См. пп. 2а и 2б

4. Свинцовая или алюминиевая оболочка в шланге или с ленточным поливинилхлоридным покрытием, броня с наружным джутовым покрытием

См. п. 2а и примечание 1

См. п. 2а и примечание 2

Примечания: 1. Вдоль кабеля, исходя из расчета реального коэффициента защитного действия, устанавливаются с помощью КИП-2 перемычки между оболочкой и броней.

2. Посредине усилительного участка и на расстоянии 1, 2 и 5,5 км от ОУП и НУП в обе стороны, если расчетное ожидаемое количество повреждений кабеля от ударов молнии превышает допустимое, устанавливаются с помощью КИП-2 перемычки между оболочкой и броней.

10.10. Оболочки и броня кабелей с изолирующим покрытием при вводе в НУП с вертикальной цистерной, а также в ОУП и ОП заземляются через клеммный щиток КИП-2, к которому подводится провод от заземления и соединительные провода от оболочек и брони двух кабелей одного направления. Соединительные провода от оболочек и брони кабелей другого направления подключаются ко второму щитку, клемма «Земля» которого соединяется с клеммой «Земля» первого щитка. Клеммные щитки устанавливаются на внутренней стенке надземной части НУП или в шахте ОУП (ОП) возле изолирующих муфт.

10.11. Кабели с изолирующим покрытием при вводе в подземный НУП с горизонтальной цистерной заземляются через КИП-2, устанавливаемый на расстоянии не далее 5 м от цистерн.

10.12. Проводники от оболочки и брони кабелей разных направлений заводятся на отдельные КИП. Соединение КИП с заземлением осуществляется отдельным изолированным проводом.

10.13. В отдельных случаях, когда оборудование линейно-защитных заземлений с помощью заземлителей из угловой стали и труб экономически нецелесообразно, допускается использование в качестве протяженного заземлителя троса (например, типа ПС-70), который прокладывается в земле на глубине закопки кабеля и на расстоянии 0,4¸1,2 м от него. Трос соединяется с оболочкой и броней в местах предполагаемого заземления.

10.14. В случае использования для защиты от влияния ВЛ или эл. ж. д. медного троса последний может быть присоединен около НУП к линейно-защитному заземлению, однако величина сопротивления заземления должна определяться расчетом, исходя из условий влияния.

10.15. Линейно-защитные заземления для защиты кабелей от ударов молнии оборудуются на расстоянии 1,0; 2,0 и 5,5 км от НУП в каждую сторону и посредине участка.

11. КОНТРОЛЬНО-ИЗМЕРИТЕЛЬНЫЕ ПУНКТЫ (КИП)

11.1. КИП предназначены для установки на междугородных кабелях связи и служат для осуществления заземления оболочки кабеля, а также для измерения величин, характеризующих коррозионное состояние оболочек и брони, состояние внешнего изолирующего покрова, состояние защиты кабелей от прямых-ударов молнии, влияния ЛЭП и электрифицированных железных дорог.

11.2. Применяются два типа контрольно-измерительных пунктов:

КПП-1 - для установки на бронированных кабелях в металлических оболочках без изолирующих покровов;

КИП-2 - для установки на бронированных и небронированных кабелях в металлических оболочках с пластмассовыми изолирующими покровами.

11.3. С помощью КИП могут быть определены:

- разность потенциалов между оболочкой кабеля и землей, а также между оболочкой кабеля и рельсами или трубопроводом;

- ток в оболочке и броне кабеля;

Рис. 11.1. Схема соединений КИП-1 для бронированных кабелей без изолирующих покровов

Рис. 11.2. Схема соединений КИП-2 для бронированных кабелей с изолирующим покровом

- сопротивление изоляции защитных покровов на металлических оболочках и броне;

- переходное сопротивление между оболочкой кабеля и землей;

- сопротивление изоляции изолирующих муфт;

- сопротивление заземления, оборудованного у КИП.

Рис. 11.3. Схема соединений КИП-2 для небронированных кабелей с изолирующим покровом

Рис. 11.4. Схема соединений КИП-1 при установке изолирующих муфт на бронированных кабелях без изолирующих покровов

11.4. При установке КИП-2 должны быть произведены соединения между оболочкой и броней кабеля, а также с заземлением, оборудуемым с целью защиты от ударов молнии и электромагнитного влияния.

11.5. КИП представляют собою железобетонные столбики прямоугольного сечения с внутренней продольной трубой, через которую проходят соединительные провода. В верхней части столбика укрепляется коробка, внутри которой вертикально на шпильках кренится съемный клеммный щиток из изоляционного материала, закрываемый дверцей. К клеммам щитка подключаются соединительные провода от оболочки, брони кабеля и заземления. Нижняя часть столбика имеет двусторонний горизонтальный выступ, препятствующий выдергиванию столбика из земли.

Рис. 11.5. Схема соединений КИП-1 и КИП-2 при установке изолирующих муфт между бронированным кабелем без изолирующих покровов и бронированным кабелем с изолирующим покровом

Рис. 11.6. Ввод в НУП и заземление кабелей без изолирующего покрытия (удельное сопротивление земли rз < 300 ом×м):

1 - цистерна НУП; 2 - стойка аппаратуры; 3 - кабель связи; - шланг; 3б - броня; - свинцовая или алюминиевая оболочка; 4 - защитное или линейно-защитное заземление; 5 - изолирующая муфта; 6 - анодный электрод; 7 - щиток КИП-1; 8 - щиток протекторной защиты; 9 - щиток КИП-2; Р - рабочее заземление

Рис. 11.7. Ввод в НУП и заземление кабелей с изолирующим покрытием (rз £ 300 ом×м)

Рис. 11.8. Ввод в НУП и заземление кабелей с изолирующим покрытием (rз £ 300 ом×м)

11.6. КИП-1 выполняется с клеммным щитком на два контрольных вывода, а КИП-2 - на пять контрольных выводов (рис. 11.1 - 11.11).

11.7. Установку КИП на вновь строящихся магистралях и оборудование заземлений производят одновременно с проведением монтажных работ на магистрали.

11.8. При эксплуатации контрольно-измерительных пунктов осуществляются периодический контроль состояний КИП и заземлений, а также профилактический ремонт КИП.

11.9. Периодический контроль состояния КИП и заземлений включает: внешний осмотр элементов КИП, определение целости соединительных проводов и наличия контактов, измерение величины сопротивления заземления.

11.10. Величина сопротивления заземления, включенного в КИП, определяется прибором МС-08 или другим ему равноценным при снятых перемычках между клеммами «Земля», «Оболочка» и «Броня».

Рис. 11.9. Ввод и заземление кабелей без изолирующего покрытия (rз > 300 ом×м)

Рис. 11.10. Ввод в ОУП и заземление кабелей без изолирующего покрытия

U1, U2 - первое и второе измерительные напряжения соответственно

Рис. 11.11. Ввод в ОУП и заземление кабелей с изолирующим покрытием

ПРИЛОЖЕНИЕ 1

ПОСТАВЩИКИ КОКСОВОЙ МЕЛОЧИ

Используемая для засыпки электродов коксовая мелочь является широко распространенным материалом и может быть доставлена потребителю централизованным порядком или получена на заводах цветной или черной металлургии, машиностроения, ремонтно-механических заводах, имеющих цехи литья, а также на заводах коксохимической промышленности. Ниже приводится перечень основных источников получения коксовой мелочи централизованным порядком:

1. Коксохимические заводы Донбасса и Приднепровья.

2. Уральские коксохимические заводы.

3. Заводы Западной Сибири.

4. Московский коксогазовый завод.

5. Закавказский металлургический завод.

6. Череповецкий металлургический завод.

7. Карагандинский металлургический завод.

8. Ленинградский коксовый завод.

9. Калининградский коксогазовый завод.

10. Завод № 11 Министерства связи СССР, г. Ахтырка, Сумской области, УССР.

11. Завод Министерства связи, г. Юрьев-Польский, РСФСР.

Серийный выпуск армированных электродов типа ЗКА-140 налажен Вильнюсским ремонтно-механическим заводом. Указанные электроды типа ЗКА-140 могут быть заказаны по адресу: Москва А-287, Писцовая 16-а, корп. 3, трест Спецмонтаж № 8.

ПРИЛОЖЕНИЕ 2.

ПРИМЕРЫ ОПРЕДЕЛЕНИЯ ДЕЙСТВУЮЩЕГО УДЕЛЬНОГО СОПРОТИВЛЕНИЯ ДЛЯ ГРУНТОВ С ДВУХСЛОЙНОЙ СТРУКТУРОЙ

Пример 1. Определить действующее удельное сопротивление для стального стержневого электрода при следующих условиях1): удельное сопротивление верхнего слоя r1 = 600 ом×м; нижнего слоя r2 = 200 ом×м; толщина верхнего слоя h = 2,5 м.

Для заземления используются электроды длиной 5 м, верхний конец которых заглубляется на глубину 1,0 м.

Прежде всего, определяем исходные соотношения:

:               ;

.

Значению t/l = 0,2 соответствует точечная кривая на рис. 2.11; значению r1/r2 = 3 - кривая 9. По кривой 9 при t/l = 2 находим rд/r1 = 0,42, откуда rд = 0,42×600 = 252 ом×м. Далее по ф-ле (2.3) определяем величину сопротивления электрода r = rд.

Пример 2. Определить действующее удельное сопротивление для заземления молниеотвода, выполненного в виде горизонтального луча при следующих условиях: удельное сопротивление верхнего слоя r1 = 150 ом×м; удельное сопротивление нижнего слоя r2 = 450 ом×м; толщина верхнего слоя h = 1 м. Для заземления используется провод длиной 10 м, прокладываемый на глубине 0,8 м.

Определяем исходные соотношения: r1/r2 = 150/450 = 1/3; l/h = 10/1 = 10; t/h = 0,8/1 = 0,8.

Значению r1/r2 =1/3 соответствует пунктирная кривая на рис. 2.12, значению t/h = 0,8 - кривая 5 или близкая к ней кривая 4. По кривой 4 для t/h = 1 при t/h = 10 находим, что rд/r1 = l,9, откуда rд = 1,9×150 = 285 ом×м.

Таким образом, сопротивление молниеотвода данной длины необходимо рассчитывать, исходя из удельного сопротивления грунта 285 ом×м.

Пример 3. Определить действующее удельное сопротивление для заземления молниеотвода, выполненного в виде горизонтального луча при следующих условиях: удельное сопротивление верхнего слоя r1 = 900 ом×м; удельное сопротивление нижнего слоя r2 = 300 ом×м; толщина верхнего слоя h = 1 м. Для заземления используется провод длиной 10 м, прокладываемый на глубине 0,8 м.

Определяем исходные соотношения: r1/r2 = 900/300 = 3; t/h = 0,8/1 = 0,8; l/h = 10/1 = 10. Значению r1/r2 = 3 соответствует пунктирная кривая на рис 2.13; значению t/h = 0,8 - кривая 6. По кривой 6 находим, что при l/h = 10 rд/r1 = 0,65, откуда rд = 0,65×900 = 585 ом×м. При этом удельном сопротивлении и нужно проводить расчет сопротивления заземления молниеотвода.

Если полученное при расчете сопротивление оказывается выше нормы, необходимо выбрать заземлители большей длины, однако в данном случае определение действующего удельною сопротивления необходимо повторить, так как длина заземлителя является одним из основных исходных данных при расчете действующего удельного сопротивления. Следует отметить, что действующее удельное сопротивление может быть существенно различным для разных типов и размеров заземлителей, поэтому значение этого сопротивления для трубы нельзя распространить на полосовой заземлитель и даже на трубу с другими размерами.

Заземлитель используется тем лучше, чем выше проводимость слоя, в который он помещен. Иначе говоря, правильный выбор заземляющего устройства позволяет в несколько раз сократить его размеры или общее количество электродов. Для горизонтальных заземлителей решающее значение приобретает глубина заложения полосы. При соответствующей глубине заложения одна короткая полоса может оказаться эквивалентной полосе в несколько раз большей длины.

ПРИЛОЖЕНИЕ 3

ОСНОВНЫЕ НОРМЫ ДЛЯ СОПРОТИВЛЕНИЙ ЗАЗЕМЛЕНИЙ УСТАНОВОК СВЯЗИ (ГОСТ 464-68)

1. Величины сопротивлений рабочего заземления для телеграфных станций и трансляционных пунктов, работающих по однопроводным цепям, приведены в табл. П.3.1.

Таблица П.3.1

Число телеграфных цепей, введенных в станцию

до 5

от 6 до 10

от 11 до 20

от 21 до 50

свыше 50

Сопротивление рабочего заземления, ом, не более

20

10

5

3

2

2. Величины сопротивлений защитного заземления для местных и междугородных телефонных станций, работающих по двухпроводным цепям, должны быть не более указанных в табл. П.3.2.

3. Величины сопротивлений защитного заземления телефонных станций, имеющих соединительные линии, в схемах которых не используется земля в качестве провода цепи, должны быть не более указанных в табл. П.3.3.

Таблица П.3.2

Удельное сопротивление, ом×м

Сопротивление защитного заземления, ом, при числе цепей, введенных в станцию

до 5 вкл.

свыше 5

До 100

15

10

От 101 до 300

25

20

От 301 до 500

35

25

Свыше 500

45

30

Таблица П.3.3

Удельное сопротивление грунта, ом×м

Сопротивление защитного заземления, ом, при числе цепей введенных в станцию

до 5 вкл.

свыше 5

До 100

10

8

От 101 до 300

15

10

От 301 до 500

20

15

Свыше 500

35

20

4. Величины сопротивлений рабочего заземления телефонных станций, имеющих соединительные линии, в схемах которых земля используется в качестве провода цепи, приведены в табл. П.3.4.

Таблица П.3.4

Общее число соединительных линий

до 25

от 26 до 50

от 51 до 100

от 101 до 200

от 201 до 500

от 501 до 1000

свыше 1000

Сопротивление заземления, ом, не более

25

12

6

3

2,5

1,0

0,5

5 Величины сопротивлений рабочих заземлений междугородных телефонных станций, использующих землю в качестве одного из проводов соединительных линий, приведены в табл. П.3.5.

Таблица П.3.5

Число соединительных линий

до 25

от 26 до 50

от 51 до 200

от 201 до 500

от 501 до 1000

свыше 1000

Сопротивление рабочего заземления, ом, не более

30

15

5

2

1

0,5

6. Величины сопротивлений заземлений для искровых разрядников каскадной защиты типов ИР-7, ИP-10, ИР-15, ИР-20, а также для разрядников типов ИР-0,2 или ИР-0,3 при установке их на опорах, смежных с кабельной опорой или станцией, для искровых промежутков, устанавливаемых на проводах воздушной линии связи для защиты междугородных кабелей связи от ударов молнии и искровых разрядников, включаемых на линиях радиотрансляционной сети, приведены в табл. П.3.6.

Таблица П.3.6

Удельное сопротивление грунта , ом×м

до 100

от 101 до 300

от 301 до 500

свыше 500

Сопротивление заземления, ом, не более

20

30

35

45

7. Величины сопротивлений заземлений для вводных кабельных и других опор, междугородных линий связи и междугородной железнодорожной связи, на которых по ГОСТ 5238-66 требуется установка в схеме защиты искровых разрядников типов ИР-0,2, ИР-0,3 или Р-350, приведены в табл. П.3.7.

Таблица П.3.7

Удельное сопротивление грунта, ом×м

до 100

от 101 до 300

от 301 до 500

свыше 500

Сопротивление заземления, ом, не более

5

7

9

12

8. Величины сопротивлений заземлений для разрядников типа УР-500, установленных в кабельных ящиках на стыках проводов воздушных линий городских телефонных сетей (ГТС), сельских телефонных сетей (СТС) и местных сетей железнодорожной связи с жилами кабельных линий, а также для разрядников типов ИР-0,2 или ИР-0,3, включаемых для защиты запирающих катушек в третьих цепях (черт. 15 ГОСТ 5238-66) и клеммах абонентских трансформаторов радиотрансляционных сетей (РТС), приведены в табл. П.3.8.

Таблица П.3.8

Удельное сопротивление грунта, ом×м

до 100

от 101 до 300

от 301 до 500

свыше 500

Сопротивление заземления, ом, не более

10

15

18

24

9. Величины сопротивлений заземления для абонентских защитных устройств АЗУ-1 и АЗУ-2, включаемых на линиях ГТС и СТС, местной железнодорожной связи и молниеотводов, устанавливаемых на опорах воздушных линий, приведены в табл. П.3.9.

Таблица П.3.9

Удельное сопротивление грунта, ом×м

до 100

от 101 до 300

от 301 до 500

свыше 500

Сопротивление заземлений, ом, не более

30

45

55

75

ЛИТЕРАТУРА

1. Заземления для стационарных установок проводной связи и станций радиотрансляционных узлов. Нормы сопротивлений. ГОСТ 464-68.

2. Рекомендации по вопросам оборудования заземлений и заземляющих проводок ЛАЦ и НУП. М., «Связь», 1969.

3. Правила строительства и ремонта воздушных линий связи и радиотрансляционных сетей. Ч. IV. М., Связьиздат, 1963.

4. Инженерно-технический справочник по электросвязи. Электроустановки. М., Связьиздат, 1962.

5. Методические указания по проектированию сооружений проводной связи и радиофикации (М-037-64). Заземляющие устройства. Изд. «Гипросвязь», 1964

6. Контуры заземлений сооружений проводной связи и радиофикации (МН-0930019). Изд. «Гипросвязь», 1964.

7. Найфельд М.Р. Защитные заземления в электротехнических установках. М., Госэнергоиздат, 1956.

8. Бургсдорф В.В., Волкова О. В. Расчет сложных заземлителей в неоднородных грунтах «Электричество», 1964, № 9.

9. Вайнер А.Л. Импульсные характеристики сложных заземлителей. ГИТИ, 1938

10. Правила по строительству междугородных кабельных линий связи М., Связьиздат, 1958.

11. Временное руководство по оборудованию контрольно-измерительных пунктов и заземлений на междугородных кабелях связи. Изд. ЦНИИС, 1968.

12. Временная инструкция по монтажу магистральных высокочастотных кабелей связи в алюминиевой оболочке типа MKCA 4´4´1,2 с полиэтиленовым шлангом. Изд. ЦНИИС, 1969.

13. Правила устройства электроустановок. М., «Энергия», 1965.

14. ГОСТ 5238-66. Защита установок проводной связи от опасных напряжений и токов, возникающих на линиях. Правила и схемы.

15. Сборник ведомственных технических условий. Линейные сооружения городских телефонных сетей М., Связьиздат, 1957.

 




ГОСТЫ, СТРОИТЕЛЬНЫЕ и ТЕХНИЧЕСКИЕ НОРМАТИВЫ.
Некоммерческая онлайн система, содержащая все Российские Госты, национальные Стандарты и нормативы.
В Системе содержится более 150000 файлов нормативно-технической документации, действующей на территории РФ.
Система предназначена для широкого круга инженерно-технических специалистов.

Рейтинг@Mail.ru Яндекс цитирования

Copyright © www.gostrf.com, 2008 - 2026