Крупнейшая бесплатная информационно-справочная система онлайн доступа к полному собранию технических нормативно-правовых актов РФ. Огромная база технических нормативов (более 150 тысяч документов) и полное собрание национальных стандартов, аутентичное официальной базе Госстандарта. GOSTRF.com - это более 1 Терабайта бесплатной технической информации для всех пользователей интернета. Все электронные копии представленных здесь документов могут распространяться без каких-либо ограничений. Поощряется распространение информации с этого сайта на любых других ресурсах. Каждый человек имеет право на неограниченный доступ к этим документам! Каждый человек имеет право на знание требований, изложенных в данных нормативно-правовых актах!

  


 

МИНИСТЕРСТВО ТРАНСПОРТНОГО СТРОИТЕЛЬСТВА

ТЕХНИЧЕСКИЕ УКАЗАНИЯ
ПО ПРОЕКТИРОВАНИЮ ПОДПОРНЫХ СТЕН ДЛЯ ТРАНСПОРТНОГО СТРОИТЕЛЬСТВА

ВСН 167-70

Минтрансстрой

Утверждены Техническим управлением
Министерства транспортного строительства
Приказ № 44 от 1 июня 1970 г.

ОРГТРАНССТРОЙ

Москва 1970

ПРЕДИСЛОВИЕ

Настоящие Технические указания содержат необходимые требования к расположению подпорных стен, материалам для их возведения, а также указания по конструированию и расчету всевозможных типов подпорных стен, возводимых на естественных основаниях для поддержания откосов насыпей и выемок железных и автомобильных дорог.

Технические указания разработаны во Всесоюзном научно-исследовательском институте транспортного строительства на основе обобщения накопленного опыта проектирования, строительства и эксплуатации подпорных стен.

Обобщение материалов и подготовка текста Технических указаний осуществлены кандидатами техн. наук К.С. Завриевым (ЦНИИС) и Г.С. Шпиро (ВЗПИ) с участием инженеров А.А. Кочарова (Кавгипротранс), К.В. Харитова, И.А. Хазана (Союздорпроект), канд. техн. наук Н.М. Глотова и инж. Н.М. Бибиной (ЦНИИС).

В Технических указаниях учтены замечания и пожелания Технического управления и Главтранспроекта Минтрансстроя, а также Научно-технического совета и ЦНИИ МПС.

Технические указания согласованы с Научно-техническим советом МПС.

Замечания по Техническим указаниям просим направлять по адресу: Москва, И-329, Игарский проезд, 2, ЦНИИС.

Министерство транспортного строительства

Ведомственные строительные нормы

ВСН 167-70
Минтрансстрой

Технические указания по проектированию подпорных стен для транспортного строительства

Вновь

Содержание

1. ОБЩИЕ ПОЛОЖЕНИЯ

1.1. Настоящие Технические указания распространяются на проектирование подпорных стен, возводимых на естественных основаниях для поддержания откосов насыпей (низовые стены) и выемок (верховые стены) железных и автомобильных дорог. Указания не распространяются на проектирование подпорных стен специального назначения: противооползневых, противообвальных, морских и волноотбойных, речных берегоукрепительных, а также всех типов стен, сооружаемых в. районах вечной мерзлоты.

1.2. При проектировании подпорных стен для районов, подверженных землетрясениям силой более 6 баллов, помимо настоящих Технических указаний, необходимо руководствоваться главой СНиП II-A.12-62 «Строительство в сейсмических районах. Нормы проектирования».

1.3. Подпорные стены в течение всего срока службы должны обеспечивать безопасность и бесперебойность нормального движения транспорта, а также простоту и наименьшую трудоемкость их содержания в процессе эксплуатации.

1.4. Местоположение подпорной стены и ее конструкция должны устанавливаться в проекте на основании технико-экономического сравнения вариантов.

1.5. Подпорные стены, сооружаемые в населенных пунктах, следует проектировать с учетом архитектурных особенностей этих пунктов.

Внесены Всесоюзным научно-исследовательским институтом транспортного строительства (ЦНИИСом)

Утверждены Техническим управлением Минтрансстроя
1 июня 1970 г. Приказ № 44

Срок введения
1 октября 1970г.

1.6. Подпорные стены допускается возводить из железобетона, бетона (бутобетона), а также из камня на цементном растворе.

1.7. Материалы, применяемые для сооружения подпорных стен, должны удовлетворять требованиям главы СНиП II-Д.7-62 «Мосты и трубы. Нормы проектирования», предъявляемым к материалам опор мостов и фундаментов труб.

2. КОНСТРУИРОВАНИЕ

2.1. Подпорные стены из железобетона рекомендуются уголкового типа (без контрфорсов, а при высоте свыше 3 - 4 м и с контрфорсами); при соответствующем обосновании могут также применяться ряжевые и другие железобетонные подпорные стены. Из бетона и камня рекомендуется возводить массивные подпорные стены, а также стены одевающего типа.

Конструкции подпорных стен могут выполняться монолитными, сборными и сборно-монолитными.

2.2. Верховые подпорные стены должны располагаться за водоотводным кюветом. В целях уменьшения объема работ допускается устраивать у кюветных лотков вертикальные стены; ширина кювета у дна должна быть не менее 0,4 м.

2.3. В выемках на прямых участках расстояние от оси ближайшего железнодорожного пути до подпорной стены на уровне подошв шпал и выше должно быть не менее: на линиях I и II категорий - 3,7 м в каждую сторону; на линиях III и IV категорий - 3,7 м в одну сторону и 3 м - в другую. В полувыемках это расстояние следует принимать: на линиях I и II категорий - 3,7 м; на линиях III и IV категорий - 3 м.

На кривых участках минимальное расстояние от оси ближайшего железнодорожного пути до подпорной стены, расположенной в выемке или полувыемке с внешней стороны кривой, необходимо увеличивать согласно табл. 1.

Таблица 1

Линии I и II категорий

Линии III и IV категорий

Радиусы кривых, м

Увеличение расстояния, м

Радиусы кривых, м

Увеличение расстояния, м.

4000-3000

0,1

4000-2000

-

2500-1800

0,2

1800-1200

0,1

1500-700

0,4

1000-700

0,2

600 и менее

0,5

600 и менее

0,3

2.4. В насыпях на прямых участках минимальное расстояние от оси ближайшего железнодорожного пути до верха наружной грани (к которой крепятся перила - см. п. 2.20) подпорной стены следует принимать согласно табл. 2.

Таблица 2

Категория линий

Расстояние от оси ближайшего железнодорожного пути до верхней наружной грани низовой подпорной стены, м, при виде грунта земляного полотна

Все грунты, за исключением перечисленных в следующей графе

Грунты скальные, крупнообломочные и песчаные (кроме мелких и пылеватых песков)

I и II

3,5

3,0

III

2,9

2,6

IV

2,75

2,5

На кривых участках пути эти расстояния необходимо увеличить: для подпорной стены, расположенной с внешней стороны кривой, согласно табл. 1, а для подпорной стены, расположенной с внутренней стороны кривой, на величину D, определяемую по формуле

где L=17 м - наибольшее расстояние между шкворневыми балками у обращающихся вагонов;

R - радиус кривой;

h - возвышение наружного рельса;

b = 1,524 м-ширина колеи;

h= l,l м-высота перил.

2.5. Толщина подпорной стены и ее отдельных элементов должна быть не менее:

для каменной кладки и бутобетонной ...….. 0,6 м

для бетонной кладки ........……………….…. 0,4 »

для железобетона ..........…………………….. 0,1 »

2.6. Расположение подпорной стены на автомобильной дороге должно удовлетворять требованиям главы СНиП II-Д.5-62 «Автомобильные дороги общей сети Союза ССР. Нормы проектирования».

2.7. Подпорные стены необходимо разделять сквозными вертикальными швами (на всю высоту стены, включая фундамент) на секции длиной от 6 до 20 м. Швы следует располагать так, чтобы подошва каждой секции опиралась на однородный грунт.

Стены на автомобильных дорогах допускается делить на секции длиной менее 6 м, при условии специального обоснования приведения давлений от каждого ряда колес автотранспорта (на призме обрушения) к нагрузке, распределенной на сплошной полосе (см. п. 4.5).

2.8. В продольном направлении подошву подпорной стены следует располагать на горизонтальной площадке или на уклоне до 0,02. При уклоне местности свыше 0,02 необходимо стену устраивать со ступенчатой подошвой.

2.9. Глубина заложения подошвы фундамента подпорной стены при непучинистых нескальных грунтах в основании должна быть не менее 1 м, а при прочих грунтах должна, кроме того, не менее чем на 0,25 м превышать расчетную глубину промерзания грунта. При опирании на скальные грунты глубина заложения подошвы фундамента должна быть не менее 0,25 м.

Глубина заложения подошвы фундамента определяется для верховой подпорной стены от дна кювета, а для низовой от поверхности грунта (по нормали к ней).

Допускается при грунтах в основании, подверженных пучению, проектировать фундамент такой же глубины, как и в случае непучинистых нескальных грунтов при условии, что под подошвой фундамента до глубины, на 0,25 м превышающей глубину промерзания, устроена специальная подушка из утрамбованного песка или щебня.

К подверженным пучению грунтам относятся суглинки, супеси, пылеватые и мелкие пески, а также крупнообломочные грунты, содержащие частицы размером 0,1 мм в количестве 30 % по весу и более.

2.10. При проектировании конструкций железобетонных и бетонных подпорных стен следует выполнять требования «Указаний по проектированию железобетонных и бетонных конструкций железнодорожных, автодорожных и городских мостов и труб» (СП 365-67), предъявляемые к железобетонным и бетонным конструкциям мостов.

2.11. Для облицовки подпорной стены из природного камня допускается применять камни той же марки, что и для кладки, при условии удовлетворения требованиям морозостойкости, но с подбором лучших камней, приколом их и более тщательной разделкой швов.

2.12. Камни кладки подпорных стен должны иметь по возможности правильную форму. Перевязка швов должна быть не менее 10 см, а для угловых камней - не менее 15 см.

2.13. Для повышения устойчивости стены против опрокидывания в ее конструкции со стороны засыпки предусматривают консольный выступ (разгрузочную консоль); для повышения устойчивости против скольжения устраивают также шпору в подошве стены или этой подошве придают уклон, при котором ее скольжению по грунту сопротивляется сила веса стены.

2.14. Обратную засыпку за подпорными стенами рекомендуется производить крупнообломочными грунтами, а также песками: гравелистыми, крупными или средней крупности.

2.15. Поверхности подпорных стен, соприкасающиеся с грунтом (кроме подошвы фундамента), следует покрывать гидроизоляцией, например, горячим битумом (за 2 раза). Для обеспечения учитываемых в расчете сил трения между грунтом и этими поверхностями их следует делать неровными. При бетонных и железобетонных стенах этого можно достичь, смещая горизонтально расположенные соседние доски опалубки относительно друг друга на 0,5 – 1,0 см.

2.16. За подпорной стеной на высоте не менее 0,5 м над дном кювета (для верховых стен) или поверхностью грунта (для низовых стен) следует устраивать продольный дренаж (с уклоном не менее 0,04) из камня, щебня или гравия. В основании дренажа должна быть дана подготовка из слоя жирной глины или уложены сборные железобетонные желоба. В теле подпорной стены не реже чем через 2 м необходимо предусмотреть окна или трубки для выпуска воды из дренажа.

При подпорных стенах ряжевой сквозной конструкции продольный дренаж не устраивается.

2.17. На выступах стен и разгрузочных консолях следует устраивать сливы. Сливы, расположенные со стороны грунта, покрывают слоем камня и крупного песка.

2.18. В подпорных стенах, возводимых в выемках железнодорожного пути, через 300 м с каждой стороны устраивают камеры шириной 6 м, глубиной 2,5 м и высотой 2,8 м, располагаемые в шахматном порядке. В промежутках между камерами через каждые 50 м предусматривают ниши шириной 3 м, глубиной 1 м и высотой 2 м.

2.19. При проектировании подпорных стен для электрифицируемых участков железных дорог следует предусмотреть возможность установки опор контактной сети (например, путем устройства в конструкциях подпорных стен специальных ниш, консолей или уширений).

2.20. На низовых железнодорожных подпорных стенах, имеющих длину более 25 м или (независимо от длины) возводимых в пределах станций, необходимо предусмотреть перила по типу перил на мостах. При длине таких стен более 50 м, кроме того, через каждые 50 м следует устраивать площадки-убежища. Площадки-убежища у стен, находящихся по обеим сторонам пути, следует располагать в шахматном порядке.

2.21. На низовых автодорожных подпорных стенах при горизонтальной поверхности засыпки следует предусмотреть ограждение барьерного типа (из железобетонных брусьев, в виде парапета и т.п.).

2.22. Для удобства осмотра и эксплуатационного обслуживания у подпорных стен высотой 3 м и более необходимо устраивать сходы по концам стен и в промежутке через каждые 100 м. Вместо сходов можно устанавливать металлические лестницы или скобы, заделанные в стену. Сходы, лестницы и скобы должны отстоять от оси ближайшего железнодорожного пути не менее чем на 3 м, а на автомобильных дорогах - находиться за обочиной.

3. ОСНОВНЫЕ ПОЛОЖЕНИЯ РАСЧЕТА

3.1. Подпорные стены рассчитывают по трем предельным состояниям.

По первому предельному состоянию выполняют расчеты:

а) устойчивости стены против опрокидывания и скольжения;

б) прочности стены (по материалу);

в) прочности основания под подошвой фундамента стены. По второму предельному состоянию проверяют положение равнодействующей внутренних сил в сечении по подошве фундамента.

По третьему предельному состоянию проверяют положение равнодействующей внутренних сил в поперечных сечениях каменных и бетонных стен и рассчитывают на трещино-стойкость железобетонные стены.

3.2. Расчет подпорной стены выполняют как плоской системы. При расчете рассматривают участок стены длиной 1 м. Нагрузки, действующие на стену и на поверхность грунта за стеной, приводят к рассматриваемому участку стены.

3.3. При засыпке котлована (со стороны передней грани фундамента подпорной стены) слоями толщиной 0,2-0,3 м и их трамбовании разрешается учитывать пассивный отпор грунта в размере  при расчете верховых стен и в размере  при расчете низовых стен на автомобильных дорогах, где En-сила пассивного давления грунта, определяемая согласно п. 5.5. В расчете низовых подпорных стен на железных дорогах пассивное давление грунта не учитывают.

3.4. Расчет устойчивости всей стены против опрокидывания производят по формуле

,                                                                                                                                             (1)

где       Мon - момент опрокидывающих сил относительно оси, проходящей через переднее нижнее ребро подошвы фундамента стены (точки 0 на рис. 1);

Мпр - предельный момент, равный моменту удерживающих сил относительно той же оси;

т - коэффициент условий работы.

К опрокидывающим силам следует относить силы активного давления грунта на заднюю поверхность стены, а к удерживающим - все остальные силы.

Рис. 1

При определении Моп момент опрокидывающей силы или ее составляющей, не совпадающий с направлением опрокидывания, учитывают со знаком минус; аналогично учитывают при определении Мпр момент удерживающей силы или ее составляющей, совпадающий с направлением опрокидывания.

Коэффициент условий работы т в формуле (1) принимают равным 0,7 при нескальном грунте в основании стены и 0,8 при скальном.

3.5. Расчет устойчивости всей стены против скольжения производят по формуле

                                                                                                             (2)

где       Тсд - проекция сдвигающих сил на плоскость скольжения;

Тпр - предельная сдвигающая сила, равная проекции удерживающих сил на ту же плоскость;

m - коэффициент условий работы.

К сдвигающим силам следует относить силы активного давления грунта на заднюю поверхность стены и вызванные ими по плоскости скольжения силы трения, а к удерживающим - все остальные силы. При определении Тсд проекцию сдвигающей силы или ее составляющей, направленную против скольжения, учитывают со знаком минус; аналогично учитывают при определении Тпр проекцию удерживающей силы или ее составляющей, направленную в сторону скольжения.

Коэффициент условий работы т принимают равным 0,9 в случаях расчета верховых подпорных стен на автодорогах и равным 0,8 в остальных случаях.

Расчет устойчивости стен против скольжения производят при значениях коэффициентов трения кладки о грунт, приведенных в п. 692 «Технических условий проектирования железнодорожных, автодорожных и городских мостов и труб» (СН 200-62). Коэффициент трения грунта о грунт (при расчете устойчивости стен против скольжения) принимают равным , где - расчетный угол внутреннего трения грунта.

Расчет устойчивости стен против скольжения производят в предположении, что скольжение происходит по плоскостям, показанным стрелками на рис. 2. При этом пассивный отпор учитывают до глубины расположения линии пересечения передней грани фундамента стены с предполагаемой плоскостью скольжения (точки 0 на рис. 2).

Рис. 2

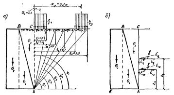
3.6. Стены, расположенные на крутых косогорах, а также все стены высотой более 7 м следует рассчитывать на устойчивость против скольжения (совместно с грунтом) по круглоцилиндрической поверхности. В случае расположения под несущим слоем грунта пласта глины или прослойки водо-насыщенного песка, подстилаемого глиной, такой расчет необходимо выполнять и для стен высотой от 3 до 7 м. Очертание круглоцилиндрической поверхности следует принимать таким, чтобы эта поверхность касалась подошвы фундамента (рис.3) или проходила ниже ее. Такой расчет производят в следующем порядке.

Рис. 3

При произвольной круговой линии скольжения (линии пересечения круглоцилиндрической поверхности скольжения с расчетной плоскостью) радиуса R с центром в точке О определяют отношение момента сдвигающих сил Мсд к предельному моменту Мпр - Эти моменты вычисляют относительно точки О по формулам:

;                                                                                                   

                                                                    (3)

где G-сила, равная сумме веса i-й части сползающего массива, заключенной между вертикальными плоскостями, и равнодействующей расположенной на ней нагрузки (см. рис. 3); для тех частей сползающего массива, в пределах которых расположена подпорная стена, сила G определяется с учетом ее веса;

ri- плечо силы Gi относительно точки О; момент Gi, ri положителен, когда его направление совпадает с направлением скольжения;

 - угол между вертикалью и радиусом, проведенным через точку О и точку пересечения направления силы Gi с круговой линией скольжения;

 и ci - расчетный угол внутреннего трения и расчетное сцепление грунта, пересекаемого поверхностью скольжения в пределах i-го участка;

Li - длина отрезка круговой линии скольжения в пределах i-го участка;

п - число участков, на которое сползающий массив разбит вертикальными плоскостями (рекомендуется принимать n6).

По формулам (3) определяют значения Мсд и Мпр для нескольких круговых линий скольжения, различающихся положениями точки О и значениями радиуса R, Наибольшее из отношении , подсчитанных для этих линии скольжения, должно удовлетворять условию

                                                                                                  (4)

где коэффициент условий работы т равен 0,7.

3.7. Расчет прочности (по материалу) железобетонных и бетонных стен производят в соответствии с СН 365-67, а каменных - в соответствии с разделом VI СН 200-62. При этом рекомендуемое п. 1.13 СН 365-67 и п. 47 СН 200-62 понижение расчетных сопротивлений (в случаях действия лишь постоянной нагрузки) не осуществляют.

3.8. Расчет прочности грунтового основания под стеной производят по формулам:

 и                                                                                   (5)

или

,                                                                                                       (6)

где R - расчетное сопротивление грунта осевому сжатию, определяемое по п. 682 СН 200-62;

N и М - продольная сила и изгибающий момент в сечении а-а по подошве (фактической или условной) фундамента, которую устанавливают согласно рис. 2;

F и W - площадь и момент сопротивления подошвы фундамента;

 - расстояние от наиболее нагруженного края подошвы фундамента до точки приложения продольной силы N;

b - ширина подошвы фундамента.

Формулы (5) используют при , а формулу (6) - при .

В тех случаях, когда в сечении по подошве фундамента момент пассивного отпора грунта получается больше момента активного давления, распределение напряжений в этом сечении принимают равномерным.

3.9. В сечении по подошве (фактической или условной) фундамента подпорной стены отношение , характеризующее положение равнодействующей нормативных нагрузок, должно удовлетворять условию:

а) для низовых стен, сооружаемых на железных дорогах,

                                                                                                              (7)

б) для остальных стен

                                                                                                              (8)

где  - эксцентриситет приложения продольной силы в сечении по подошве фундамента;

р - радиус ядра этого сечения.

3.10. Для поперечных сечений бетонных и каменных стен отношение , характеризующее положение равнодействующей нормативных нагрузок, не должно быть больше 0,7, где  - эксцентриситет приложения продольной силы в сечении; у - расстояние от центра тяжести сечения до наиболее напряженного края сечения.

3.11. Расчетный угол  внутреннего трения грунта принимают равным нормативному углу  внутреннего трения, установленному по данным лабораторных исследований грунта.

3.12. Расчетный угол  трения грунта о боковую поверхность подпорной стены принимают:

а) для стен, сооружаемых на автодорогах,

;                                                                                                               (9)

б) для стен, сооружаемых на железных дорогах,

.                                                                                                               (10)

3.13. Сцепление грунта учитывают только в расчете стены на устойчивость против скольжения совместно с грунтом по круглоцилиндрической поверхности.

Расчетное сцепление с грунта принимают равным 0,5 cн, где cн - нормативное сцепление, определяемое по данным лабораторных исследований грунта.

3.14. При определении активного давления грунта на участке АВ задней грани подпорной стены, когда эта грань наклонена в сторону от насыпи, вместо участка АВ рассматривают фиктивную вертикальную грань АС (рис. 4). Вес грунта в объеме призмы ЛВС и нагрузку, лежащую на этой призме, учитывают как вес стены.

Рис. 4

 

Рис. 5

Усилия в горизонтальном или наклонно расположенном сечении стены (и по ее подошве) определяют по эпюре давления грунта (на участке стены от этого сечения до поверхности грунта), построенной при плоскости обрушения, проходящей через нижнюю точку этого участка.

3.15. Подвижную нагрузку автомобильных дорог располагают непосредственно за задней гранью (фактической или фиктивной) стены, вплотную к этой грани (рис. 5).

4. НАГРУЗКИ И ИХ КОЭФФИЦИЕНТЫ

4.1. Величины нормативных нагрузок от веса проезжей части и собственного веса стены определяют по объемным весам материалов, приведенным в СН 200-62. Объемный вес грунта следует принимать по данным лабораторных исследований грунтов.

4.2. Коэффициенты перегрузки п при определении нагрузок от веса проезжей части и собственного веса стены принимают равным 1,1 или 0,9, а от веса грунта - 1,2 или 0,9. Из двух указанных значений п в каждом случае принимают то, при котором получается более опасная комбинация действующих сил.

К весу грунта, расположенного за фактической или фиктивной гранью стены, вводится один коэффициент перегрузки.

4.3. Нормативные временные вертикальные нагрузки (с учетом перспективы) на призме обрушения принимают:

а) от подвижного состава железных дорог - в виде нагрузки С14;

б) от колонны автомобилей - в виде нагрузки Н-30 и от других транспортных единиц автомобильных и городских дорог - в виде колесной нагрузки НК-80.

4.4. При расположении подпорной стены вдоль железнодорожного пути нагрузку на расчетной схеме принимают в виде сплошной полосы.

На уровне подошвы балластной призмы принимают:

ширину а полосы, м,

интенсивность q нормативной нагрузки, т/м,

                                                                                                    (12)

где hб - толщина балластного слоя под подошвой шпалы, равная 0,75 м,

К=14-класс нагрузки.

4.5. При расположении подпорной стены вдоль движения автотранспорта давления от каждого ряда колес приводят к нагрузке, равномерно распределенной на сплошной полосе шириной а, равной 0,6 м в случае автомобильной нагрузки Н-30 и 0,8 м в случае колесной нагрузки НК-80.

Интенсивность q нормативной нагрузки в пределах каждой полосы устанавливают в зависимости от величины

                                                                                             (13)

где х - расстояние между задней гранью (фактической или  фиктивной) стены и осью полосы.

Значение q, т/м, при нагрузке Н-30 устанавливают по табл. 3, а при нагрузке НК-80 вычисляют по формуле

,                                                                                                       (14)

в которую следует подставлять значения , м.

Таблица 3

, м

q, т/м

, м

q, т/м

, м

q, т/м

0

8,3

5,5

2,5

11,0

1,7

0,5

6,1

6,0

2,4

11,5

1,7

1,0

5,3

6,5

2,3

12,0

1,6

1,5

4,7

7,0

2,2

12,5

1,6

2,0

4,2

7,5

2,1

13,0

1,5

2,5

3,8

8,0

2,0

13,5

1,5

3,0

3,5

8,5

1,9

14,0

1,5

3,5

3,2

9,0

1,9

14,5

1,4

4,0

2,9

9,5

1,8

 

 

4,5

2,7

10,0

1,8

 

 

5,0

2,6

10,5

1,7

 

 

4.6. Коэффициенты перегрузки для подвижных временных нагрузок, приведенных в пп. 4.3 - 4.5, принимают:

а) от железнодорожного состава п=1,3;

б) от колонн автомобилей п=1,4;

в) от транспортных единиц автомобильных и городских дорог п= 1,1.

4.7. Горизонтальную поперечную нагрузку от центробежной силы, возникающую на криволинейных участках пути, в расчете подпорных стен не учитывают.

4.8. Динамический коэффициент для временной нагрузки принимают равным единице.

5. ОПРЕДЕЛЕНИЕ АКТИВНОГО И ПАССИВНОГО ДАВЛЕНИЯ ГРУНТА

5.1. В случае, когда поверхность грунта ограничена плоскостью и на ней равномерно распределена нагрузка интенсивностью q (рис. 6), силу Е активного давления грунта на

Рис. 6

вертикальный участок грани (фактической или фиктивной) стены от поверхности грунта до глубины h вычисляют по формуле

                                                                                          (15)

где - коэффициент активного давления грунта, определяемый выражением

                                                        (16)

где  - угол между плоскостью, ограничивающей поверхность грунта, и горизонтальной плоскостью; правило знаков для угла показано на рис. 6. Значения  приведены в табл. 4.

Сила Е наклонена к горизонту под углом и является равнодействующей давлений, распределенных по линейному закону (см. рис. 6) с ординатой в верхней точке рассматриваемого участка грани стены

.                                                                                                           (17)

и с ординатой на глубине h от этой точки

.                                                                                                 (18)

Сила Е приложена от нижнего конца рассматриваемого участка грани стены на расстоянии z, равном

                                                                                                   (19)

При q=0 получается:

; ;  и .                                                          (20)

Таблица 4

,град

a, град

,град

a, град

20

0

0,446

0,458

35

0

0,246

0,251

10

0,532

0,541

10

0,275

0,280

20

0,899

0,889

20

0,319

0,325

 

 

 

30

0,423

0,422

25

0

0,367

0,377

35

0,704

0,685

10

0,425

0,436

 

 

 

20

0,548

0,551

40

 

 

 

25

0,841

0,830

0

0,200

0,202

30

0

0,301

0,308

10

0,220

0,222

10

0,343

0,350

20

0,251

0,252

20

0,416

0,420

30

0,304

0,305

30

0,776

0,762

40

0,624

0,603

 

 

 

 

 

 

5.2. В случаях, не охваченных п. 5.1, силу Е активного давления грунта на вертикальный участок грани (фактической или фиктивной) стены определяют как наибольшее из значений E, подсчитанных по формуле

,                                                                                     (21)

где Gi - сумма веса Gгр предполагаемой призмы обрушения ACDi и равнодействующей расположенной на ней нагрузки (рис. 7);

-угол между предполагаемой плоскостью ADi обрушения и горизонтальной плоскостью.

Значение , которому соответствует наибольшее значение Еi, определенное по формуле (21), принимают за угол между плоскостью обрушения и горизонтальной плоскостью.

Силу Е рассматривают как сумму силы Eгрот веса призмы обрушения и сил Еq от каждой из нагрузок на призме обрушения. Силы Eгр и Еq наклонены к горизонту под углом. Силу Eгр определяют по формуле

                                                                                   (22)

Рис. 7

Принимают, что сила Eгр является равнодействующей давлений, эпюра которых имеет вид треугольника. Расстояние zгрот точки приложения этой силы до нижнего конца (точки А) рассматриваемого участка стены вычисляют по формуле

                                                                                                             (23)

Силу Еq от нагрузки q, расположенной на призме обрушения и распределенной по ширине а (рис. 8), определяют по формуле

.                                                                                     (24)

Принимают, что сила Еq является равнодействующей давления, равномерно распределенного между точками  и , которые расположены от точки А (см. рис. 8) на расстояниях:

                                                                                   (25)

Расстояние zq от точки приложения силы Еq  до точки А определяют по формуле

                                                                                              (26)

Рис. 8

В формулах (25) и (26) х - расстояние между задней гранью стены и осью полосы (шириной а) нагрузки, a ho- разность отметок уровня поверхности грунта под центром полосы шириной а и точкой С (см. рис. 8).

В случае автодорожной нагрузки на призме обрушения силу Е следует определять [по формуле (21)] исходя из того, что плоскость обрушения на поверхность грунта должна выходить слева или справа от полосы колесной нагрузки, не деля ее на две части.

Если часть полосы железнодорожной нагрузки оказывается за пределами призмы обрушения, под размером а следует понимать ширину той части полосы, которая расположена на призме обрушения.

5.3. Если задняя грань ВС стены имеет наклон в сторону насыпи на угол e (рис. 9), то силу Е давления грунта на эту грань определяют по формуле

,                                                                                         (27)

где Е - сила давления грунта на фиктивную вертикальную грань АС.

Точку приложения силы  принимают расположенной на уровне точки приложения силы Е, а направление силы  - под углом  к нормали, проведенной к задней грани стены.

Рис. 9

При принимается .

По формуле (27) определяют также силу давления грунта на те грани стены с задней поверхностью ломаного очертания, которые имеют наклоны в сторону насыпи (грань ВС на рис. 10). В этих случаях под Е следует понимать силу давления грунта на ту часть фиктивной вертикальной грани, которая представляет собой проекцию рассматриваемой наклонной грани на вертикальную плоскость. Например, при определении силы  давления грунта на грань ВС (см. рис. 10) величину силы Е принимают равной площади части 1-2-3-4 эпюры давления грунта на вертикальную фиктивную грань AD.

5.4. При стене, имеющей уступы со стороны насыпи, профиль задней поверхности стены упрощают.

В качестве упрощенного профиля при определении активного давления на стену, показанную на рис. 11, необходимого для расчета прочности основания, а также устойчивости положения стены, принимают ломаную прямую 11-12-13-16. При этом вес и  объемов грунта, расположенных над выступами, учитывают как вес стены. Активное давление грунта на стену определяют в следующем порядке:

Рис. 10

Рис. 11

а) для фиктивной грани 11 - 17 стены строят эпюру 1-8-10;

б) определяют силу давления грунта на фиктивную грань 11-12, равную площади участка 1-2-3 эпюры давлений; силу  прикладывают к фиктивной грани 11-12 на уровне центра тяжести участка 1-2-3 эпюры давлений;

в) силу давления грунта1 на грань 12-13 определяют в соответствии с п. 5.3. При этом силу Е принимают равной площади участка 2-3-5-4 эпюры давлений и приложенной в центре тяжести этого участка;

________________

В случае, когда угол наклона грани 12 - 13 к вертикали  (как на рис. 11),  и на основании указания п. 5.3 .

г) из точки 12 проводят лучи под углами  и  к горизонтали. Эти лучи в точках 14 и 15 пересекают фиктивную грань 13-16.

Рис. 12

В случае определения давления по п. 5.1 угол  устанавливают по формуле

                                                                                             (28)

где

                                                                                      (29)

В остальных случаях значение определяется в соответствии с п. 5.2;

д) из точки 4 эпюры давлений проводят прямую 4-9, параллельную прямой 1-10;

e) точки 14 и 15 горизонтальными прямыми сносят на эпюру давлений, из которой затем выделяют участок 4- 6-7-10-8;

ж) определяют силу  давления грунта на фиктивную грань 13-16. Эту силу принимают равной площади участка 4-6-7-10-8 эпюры давлений и приложенной в уровне его центра тяжести.

При определении активного давления, необходимого для проверки прочности той же стены в сечении, расположенном ниже уступа, например в сечении 1-1 (рис. 12) в качестве упрощенного профиля задней поверхности участка стены, в пределах которого учитывают давление грунта, принимают ломаную прямую 11-12-13-16. Определение давлений, , и на фиктивные грани 11-12, 12-13 и 13-16 участка стены пояснено на рис. 12.

Активное давление, необходимое для проверки прочности стены в сечениях, расположенных выше уступов, определяют с учетом п. 3.14.

Рис. 13

5.5. Силу  пассивного давления грунта на вертикальный участок (фактический или фиктивный) стены (рис. 13) определяют по формуле

,                                                                                         (30)

где  - коэффициент пассивного давления грунта, определяемый выражением

                                                        (31)

При определении  знак угла a принимается согласно рис.13.

Значения  приведены в табл. 5.

Таблица 5

, град

a град

, град

a, град

20

0

2,64

2,42

35

0

7,40

5,71

10

1,83

1,73

10

4,36

3,63

20

0,90

0,89

20

2,60

2,29

25

0

3,55

3,12

30

1,39

1,30

10

2,37

2,17

35

0,70

0,69

20

1,46

1,39

40

 

 

 

25

0,84

0,83

0

11,90

8,22

30

0

5,00

4,16

10

6,31

4,87

10

3,17

2,79

20

3,59

2,96.

20

1,95

1,79

30

1,92

1,71

30

0,78

0,76

40

0,62

0,60

Сила  наклонена к горизонту под углом  (см. рис. 13) и приложена на расстоянии z от низа грани стены, равном

                                                                                                   (32)

при q=0

                                                                                                                (33)

Приложение

ПРИМЕР РАСЧЕТА ПОДПОРНОЙ СТЕНЫ

Требуется рассчитать бетонную подпорную стену, показанную на рис. 1, при следующих данных:

угол внутреннего трения грунта =35°;

объемный вес грунта равен 1,8 т/м3;

расчетное сопротивление грунтового основания осевому сжатию R=3,5 кг/см2;

коэффициент трения кладки о грунт основания ¦=0,4;

марка бетона стены-150.

На призме обрушения нагрузка НК-80.

Рис. 1

Расчет сечения по обрезу фундамента

Согласно п. 3.14 активное давление грунта устанавливаем на фиктивную вертикальную грань АС, а вес грунта в объеме призмы ЛВС учитываем как вес стены (рис. 2, а). В соответствии с п. 3.15 подвижную нагрузку располагаем непосредственно за фиктивной гранью АС.

По формуле (13) определяем значения , соответствующие первой и второй полосам нагрузки:

Рис. 2

 м

;

По формуле (14) подсчитываем значения интенсивности q нормативной нагрузки для первой и второй полос:

 т/м;

 т/м;

Согласно п. 4.6 интенсивности расчетных нагрузок в пределах первой и второй полос составляют;

=l,1.9=9,9 т/м;

= 1,1.4,7=5,2 т/м.

Определяем расчетную силу Е активного давления грунта на фиктивную грань АС высотой h=4 м. Согласно пп. 3.11 и 3.12 принимаем расчетный угол внутреннего трения грунта  и расчетный угол трения грунта о боковую поверхность подпорной стены .

Коэффициент перегрузки при определении веса призмы обрушения принимаем равным 1,2 (см п. 4.2).

Задаваясь несколькими положениями плоскости обрушения, по формуле (21) подсчитываем соответствующие им значения Ei (см верхнюю половину табл. 1) Согласно п 5.2 и табл. 1 расчетная сила активного давления грунта E=8,75 т, а угол между плоскостью обрушения и горизонтальной плоскостью =78°40¢.

Силу E разбиваем на две составляющие: на силу  от веса призмы обрушения и силу Eq от нагрузки на призме обрушения. По формулам (22) - (24) и (26) определяем величины этих сил и расстояния  и  от точки А (см. рис 2,6) до точек приложения сил и  соответственно

 т;

 т;

м;

м.

Силы  и  раскладываем на горизонтальную и вертикальную составляющие (см. рис 2,б):

 т;

 т;

 т;

В табл. 2 приводятся вычисления нормативных и расчетных весов частей стены, расположенных выше сечения по обрезу фундамента (см. рис. 1 и 2).


Таблица 1

h,м,

i

,м

qi-j

j+d-qi

sin(qi-j)

cos(j+d-qi)

sin(qi-j) cos(j+d-qi)

Gгрi=1,2gxih/2

qipa илиqipa+q2pa m

Gi, т

Ei=Gisin(qi-j) cos(j+d-qi)

4,0

1

0,8

5,00

78°40¢

43°40¢

-26°10¢

0,691

0,898

0,770

3,45

7,9

11,35

8,75

2

1,4

2,85

70°40¢

35°40¢

-18°10¢

0,583

0,950

0,614

6,05

7,9

13,95

8,55

3

2,0

2,00

63°30¢

28°30¢

-11°00¢

0,477

0,982

0,487

8,64

7,9

16,54

8,10

4

2,7

1,48

56°00¢

21°00¢

- 3°30¢

0,358

0,998

0,359

11,65

7,9

19,55

7,03

5

3,5

1,14

48°40¢

13°40¢

3°50¢

0,236

0,998

0,237

15,10

12,0

27,10

6,43

5,9

1

0,8

7,38

82°10¢

47°10¢

-29°40¢

0,733

0,869

0,845

5,1

7,9

13,0

11,00

2

1,4

4,20

76°40¢

41°40¢

-24°10¢

0,665

0,912

0,730

8,9

7,9

16,8

12,25

3

2,0

2,95

71°20¢

36°20¢

-18°50¢

0,593

0,947

0,627

12,7

7,9

20,6

12,90

4

2,7

2,18

65°20¢

30°20¢

-12°50¢

0,505

0,975

0,518

17,2

7,9

25,1

12,95

5

3,5

1,68

59°20¢

24°20¢

- 6°50¢

0,412

0,993

0,415

22,3

12,0

34,3

14,26

6

4,5

1,31

52°40¢

17°40¢

- 0°10¢

0,304

1,000

0,304

28,6

12,0

40,6

12,35


Таблица 2

Вес

Нормативный вес, m

Расчетный вес (n>1),m

Расчетный вес (n<1),т

Определяем внутренние силы (продольную силу и изгибающий момент) в рассматриваемом сечении:

а) расчетные внутренние силы, определенные при коэффициентах перегрузки п>1, составляют:

 т;

тм;

б) расчетные внутренние силы, определенные при весе стены, подсчитанном с коэффициентом п = 0,9:

 т

тм;

в) нормативные внутренние силы:

 т;

 тм.

Проверяем прочность стены в рассматриваемом сечении, пользуясь рекомендациями и формулами расчета внецентренно сжатых бетонных конструкций, приведенными в СН 365-67.

При расчетных силах, подсчитанных по пункту «а», определяем высоту  сжатой зоны сечения

 м.

Определяем относительную высоту  сжатой зоны сечения и по формуле (4) СН 365-67 коэффициент  условий работы:

Для прямоугольного сечения  и  (см. п. 3.12 СН 365-67), в связи с чем условие (40) СН 365-67, являющееся условием прочности сечения, упрощается и принимает вид

Принимая (согласно табл. 1 СН 365-67) для бетона марки 150 расчетное сопротивление на сжатие при изгибе , убеждаемся, что это условие удовлетворяется. Действительно,

.

Ввиду явного запаса проверку прочности сечения на расчетные усилия, определенные по пункту «б», не производим.

Проверяем положение равнодействующей нормативных нагрузок:

 м.

Условие п. 3.10 практически удовлетворяется. Действительно,

Расчет устойчивости стены (включая фундамент) и проверка сечения по подошве фундамента

Согласно п. 3.14 активное давление грунта устанавливаем на фиктивную вертикальную грань ED, а вес грунта в объеме призмы ABDF учитываем как вес стены (рис. 3,а). В соответствии с п. 3.15 подвижную нагрузку располагаем непосредственно за фиктивной гранью ED.

В нижней половине табл. 1 дано определение силы Е активного давления грунта на фиктивную грань ED стены высотой h = 5,9 м. Согласно п. 5.2. и табл. 1  принимаем E = 14,26 т.

Рис. 3.

Силу Е разбиваем на три составляющие: на силу от веса призмы обрушения, силу от нагрузки q и силу a от нагрузки q (см. рис. 3). По формулам (22) - (24) и (26) определяем величины этих сил и расстояния ,  и от точки Е (см. рис. 3,6) до точек приложения сил  и  соответственно:

 т;

 т;

 т;

 м;

 м;

 м;

Каждую из сил ,  и  раскладываем на горизонтальную и вертикальную составляющие (см. рис. 3, б):

 т;

 т;

 т;

 т;

 т;

 т;

Определяем расчетную силу  пассивного отпора грунта, возникающего по передней грани фундамента, имеющей высоту . Приняв по табл. 5 (стр. 26) , в соответствии с п. 3.3 и формулой (30) получаем

 т.

По формуле (33) определяем расстояние от нижней точки рассматриваемой грани фундамента до точки приложения силы

 м.

Силу  раскладываем на горизонтальную и вертикальную составляющие:

 т;

 т.

В табл. 3 приводятся вычисления нормативных и расчетных весов частей стены.

Таблица 3

Вес

Нормативный вес, т

Расчетный вес, , т

Расчетный вес т

Производим расчет грунтового основания под стеной. В соответствии с п. 3.8 в качестве подошвы фундамента рассматриваем расчетную площадку O-O(рис. 4) шириной

 м.

Определяем внутренние силы (продольную силу N и изгибающий момент М) в сечении по подошве фундамента (см. рис. 4);

а) расчетные внутренние силы, определенные при коэффициентах перегрузки п > 1, составляют:

 т

тм;

6) расчетные внутренние силы, определенные при весе стены, подсчитанном с коэффициентом п = 0,9:

Рис 4

Рис. 5

в) нормативные внутренние силы.

Проверяем прочность грунтового основания под стеной. При расчетных внутренних силах, определенных по пунктам «а» и «б», имеем;

Наибольшие давления (напряжения) в сечении по подошве фундамента определяем по формуле (6):

;

.

Прочность грунтового основания стены обеспечена Действительно,

.

Проверяем положение равнодействующей нормативных нагрузок

.

Условие п. 3.9 удовлетворяется. Действительно,

Проверяем устойчивость стены против опрокидывания (вокруг точки О-см. рис. 3, б)

Устойчивость стены против опрокидывания обеспечивается. Действительно,

Проверяем устойчивость стены против скольжения (сдвига) по плоскости, наклоненной к горизонту (рис. 5) под углом, равном

Определяем проекцию сдвигающих сил на плоскость скольжения:

Определяем предельную сдвигающую силу

Устойчивость стены против сдвига по наклонной площадке обеспечивается. Действительно,

Проверяем устойчивость стены против скольжения (сдвига) по горизонтальной плоскости LO (рис. 6). При такой проверке в расчетный вес стены включается расчетный вес грунтового клина OKL, а расчетная сила  пассивного отпора грунта устанавливается на вертикальную грань высотой :

Силу  раскладываем на горизонтальную и вертикальную составляющие (см. рис. 6):

Коэффициент трения на части LK( плоскости скольжения принимаем

равным, а на части КО - равным 0,4.

Рис. 6

При расчете устойчивости стены против скольжения по горизонтальной плоскости LO используем средневзвешенное (по размерам площадок LK, и КО} значение коэффициента трения, равное

Определяем проекцию  сдвигающих сил на плоскость скольжения

Предельная сдвигающая сила  равна

Устойчивость стены против сдвига по горизонтальной плоскости обеспечивается. Действительно

___________

* Такой подход к определению коэффициента трения обеспечивает дополнительный запас устойчивости стены Правильнее было бы построить эпюру нормальных давлений (напряжений) по площадке LO¢ и коэффициент трения определять как средневзвешенное значение, исходя не из размеров площадок LK. и КО¢, а из площадей частей эпюры нормальных давлений, действующих по площадкам LK и К.О¢.

 




ГОСТЫ, СТРОИТЕЛЬНЫЕ и ТЕХНИЧЕСКИЕ НОРМАТИВЫ.
Некоммерческая онлайн система, содержащая все Российские Госты, национальные Стандарты и нормативы.
В Системе содержится более 150000 файлов нормативно-технической документации, действующей на территории РФ.
Система предназначена для широкого круга инженерно-технических специалистов.

Рейтинг@Mail.ru Яндекс цитирования

Copyright © www.gostrf.com, 2008 - 2026