Крупнейшая бесплатная информационно-справочная система онлайн доступа к полному собранию технических нормативно-правовых актов РФ. Огромная база технических нормативов (более 150 тысяч документов) и полное собрание национальных стандартов, аутентичное официальной базе Госстандарта. GOSTRF.com - это более 1 Терабайта бесплатной технической информации для всех пользователей интернета. Все электронные копии представленных здесь документов могут распространяться без каких-либо ограничений. Поощряется распространение информации с этого сайта на любых других ресурсах. Каждый человек имеет право на неограниченный доступ к этим документам! Каждый человек имеет право на знание требований, изложенных в данных нормативно-правовых актах!

  


 

ГОСУДАРСТВЕННЫЙ СТАНДАРТ СОЮЗА ССР

ОСНОВНЫЕ НОРМЫ ВЗАИМОЗАМЕНЯЕМОСТИ

ЕДИНАЯ СИСТЕМА ДОПУСКОВ
И ПОСАДОК

ОБЩИЕ ПОЛОЖЕНИЯ, РЯДЫ ДОПУСКОВ
И ОСНОВНЫХ ОТКЛОНЕНИЙ

ГОСТ 25346-89

(СТ СЭВ 145-88)

ГОССТАНДАРТ РОССИИ

Москва

ГОСУДАРСТВЕННЫЙ СТАНДАРТ СОЮЗА ССР

Основные нормы взаимозаменяемости

ЕДИНАЯ СИСТЕМА ДОПУСКОВ И ПОСАДОК

Общие положения, ряды допусков и основных отклонений

Basic norms of interchangeability.

Unified system of tolerances and fits.

General, series of tolerances

and fundamental deviations

ГОСТ
25346-89

(CT СЭВ 145-88)

Дата введения 01.01.90

Настоящий стандарт распространяется на гладкие элементы деталей, цилиндрические и ограниченные параллельными плоскостями, а также на образованные ими посадки и устанавливает термины, определения и условные обозначения, допуски и основные отклонения системы допусков и посадок для размеров до 3150 мм и любых линейных размеров, если они не установлены другими стандартами.

1. ОСНОВНЫЕ ПОЛОЖЕНИЯ

1.1. Термины и определения

1.1.1. Размер - числовое значение линейной величины (диаметра, длины и т.п.) в выбранных единицах измерения.

1.1.2. Действительный размер - размер элемента, установленный измерением.

1.1.3. Предельные размеры - два предельно допустимых размера элемента, между которыми должен находиться (или которым может быть равен) действительный размер (см. п. 1.4).

1.1.4. Наибольший предельный размер - наибольший допустимый размер элемента (черт. 1).

1.1.5. Наименьший предельный размер - наименьший допустимый размер элемента (черт. 1).

1.1.6. Номинальный размер - размер, относительно которого определяются отклонения (черт. 1 и 2).

1.1.7. Отклонение - алгебраическая разность между размером (действительным или предельным размером) и соответствующим номинальным размером.

Черт. 1

1.1.8. Действительное отклонение - алгебраическая разность между действительным и соответствующим номинальным размерами.

1.1.9. Предельное отклонение - алгебраическая разность между предельным и соответствующим номинальным размерами. Различают верхнее и нижнее предельные отклонения.

1.1.10. Верхнее отклонение ES, es - алгебраическая разность между наибольшим предельным и соответствующим номинальным размерами (черт. 2).

Примечание. ES - верхнее отклонение отверстия; es - верхнее отклонение вала.

Черт. 2

1.1.11. Нижнее отклонение EI, ei - алгебраическая разность между наименьшим предельным и соответствующим номинальным размерами (черт. 2).

Примечание. ЕI - нижнее отклонение отверстия; ei - нижнее отклонение вала.

1.1.12. Основное отклонение - одно из двух предельных отклонений (верхнее или нижнее), определяющее положение поля допуска относительно нулевой линии. В данной системе допусков и посадок основным является отклонение, ближайшее к нулевой линии.

1.1.13. Нулевая линия - линия, соответствующая номинальному размеру, от которой откладываются отклонения размеров при графическом изображении полей допусков и посадок. Если нулевая линия расположена горизонтально, то положительные отклонения откладываются вверх от нее, а отрицательные - вниз (черт. 2).

1.1.14. Допуск Т - разность между наибольшим и наименьшим предельными размерами или алгебраическая разность между верхним и нижним отклонениями (черт. 2).

Примечание. Допуск - это абсолютная величина без знака.

1.1.15. Стандартный допуск IT - любой из допусков, устанавливаемых данной системой допусков и посадок.

Примечание. В дальнейшем в стандарте под термином «допуск» понимается «стандартный допуск».

1.1.16. Поле допуска - поле, ограниченное наибольшим и наименьшим предельными размерами и определяемое величиной допуска и его положением относительно номинального размера. При графическом изображении поле допуска заключено между двумя линиями, соответствующими верхнему и нижнему отклонениям относительно нулевой линии (черт. 2).

1.1.17. Квалитет (степень точности) - совокупность допусков, рассматриваемых как соответствующие одному уровню точности для всех номинальных размеров.

1.1.18. Единица допуска i, I - множитель в формулах допусков, являющийся функцией номинального размера и служащий для определения числового значения допуска.

Примечание. i - единица допуска для номинальных размеров до 500 мм, I - единица допуска для номинальных размеров св. 500 мм.

1.1.19. Вал - термин, условно применяемый для обозначений наружных элементов деталей, включая и нецилиндрические элементы.

1.1.20. Отверстие - термин, условно применяемый для обозначения внутренних элементов деталей, включая и нецилиндрические элементы.

1.1.21. Основной вал - вал, верхнее отклонение которого равно нулю.

1.1.22. Основное отверстие - отверстие, нижнее отклонение которого равно нулю.

1.1.23. Предел максимума материала - термин, относящийся к тому из предельных размеров, которому соответствует наибольший объем материала, т.е. наибольшему предельному размеру вала или наименьшему предельному размеру отверстия.

Примечание. Применявшийся ранее термин «проходной предел» использовать не рекомендуется.

1.1.24. Предел минимума материала - термин, относящийся к тому из предельных размеров, которому соответствует наименьший объем материала, т.е. наименьшему предельному размеру вала или наибольшему предельному размеру отверстия.

Примечание. Применявшийся ранее термин «непроходной предел» использовать не рекомендуется.

1.1.25. Посадка - характер соединения двух деталей, определяемый разностью их размеров до сборки.

1.1.26. Номинальный размер посадки - номинальный размер, общий для отверстия и вала, составляющих соединение.

1.1.27. Допуск посадки - сумма допусков отверстия и вала, составляющих соединение.

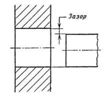
1.1.28. Зазор - разность между размерами отверстия и вала до сборки, если размер отверстия больше размера вала (черт. 3).

Черт. 3

1.1.29. Натяг - разность между размерами вала и отверстия до сборки, если размер вала больше размера отверстия (черт. 4).

Черт. 4

Примечание. Натяг можно определять как отрицательную разность между размерами отверстая и вала.

1.1.30. Посадка с зазором - посадка, при которой всегда образуется зазор в соединении, т.е. наименьший предельный размер отверстия больше наибольшего предельного размера вала или равен ему. При графическом изображении поле допуска отверстия расположено над полем допуска вала (черт. 5).

Черт. 5

1.1.31. Посадка с натягом - посадка, при которой всегда образуется натяг в соединении, т.е. наибольший предельный размер отверстия меньше наименьшего предельного размера вала или равен ему. При графическом изображении поле допуска отверстия расположено под полем допуска вала (черт. 6).

Черт. 6

1.1.32. Переходная посадка - посадка, при которой возможно получение как зазора, так и натяга в соединении, в зависимости от действительных размеров отверстия и вала. При графическом изображении поля допусков отверстия и вала перекрываются полностью или частично (черт. 7).

Черт. 7

1.1.33. Наименьший зазор - разность между наименьшим предельным размером отверстия и наибольшим предельным размером вала в посадке с зазором (черт. 8).

1.1.34. Наибольший зазор - разность между наибольшим предельным размером отверстия и наименьшим предельным размером вала в посадке с зазором или в переходной посадке (черт. 8 и 9).

Черт. 8

Черт. 9

1.1.35. Наименьший натяг - разность между наименьшим предельным размером вала и наибольшим предельным размером отверстия до сборки в посадке с натягом (черт. 10).

Черт. 10

1.1.36. Наибольший натяг - разность между наибольшим предельным размером вала и наименьшим предельным размером отверстия до сборки в посадке с натягом или в переходной посадке (черт. 9 и 10).

1.1.37. Посадки в системе отверстия - посадки, в которых требуемые зазоры и натяги получаются сочетанием различных полей допусков валов с полем допуска основного отверстия (черт. 11).

Черт. 11

1.1.38. Посадки в системе вала - посадки, в которых требуемые зазоры и натяги получаются сочетанием различных полей допусков отверстий с полем допуска основного вала (черт. 12).

Черт. 12

1.2. Нормальная температура

Допуски и предельные отклонения, установленные в настоящем стандарте, относятся к размерам деталей при температуре 20 °С.

1.3. Условные обозначения

1.3.1. Квалитеты

Квалитеты обозначаются порядковыми номерами, например, 01, 7, 14.

Допуски по квалитетам обозначаются сочетанием прописных букв IT с порядковым номером квалитета, например, IТ01, IТ7, IТ14.

1.3.2. Основные отклонения

Основные отклонения обозначаются буквами латинского алфавита, прописными для отверстий (A...ZC) и строчными для валов (a...zc) (черт. 13).

Схема расположения и обозначения основных отклонений

Черт. 13

1.3.3. Поле допуска

Поле допуска обозначается сочетанием буквы (букв) основного отклонения и порядкового номера квалитета.

Например: g6, js7, H7, Н11.

Обозначение поля допуска указывается после номинального размера элемента.

Например: 40g6, 40Н7, 40Н11.

В обоснованных случаях допускается обозначать поле допуска с основным отклонением «Н» символом «+IТ», с основным отклонением «h» - символом «-IT», с отклонениями «js» или «JS» - символом «±IТ/2».

Например: +IТ14, -IТ14, ±IТ14/2.

1.3.4. Посадка

Посадка обозначается дробью, в числителе которой указывается обозначение поля допуска отверстия, а в знаменателе - обозначение поля допуска вала.

Например: H7/g6 или .

Обозначение посадки указывается после номинального размера посадки.

Например: 40H7/g6 или 40 .

1.3.5. При использовании печатающего оборудования с ограниченным набором знаков (имеются только прописные или строчные буквы, например, телекс) обозначения полей допусков и посадок должны дополняться буквами

Н или h для отверстий,

S или s для валов.

Например: отверстие 40Н7 обозначается Н40Н7 или h40h7;

вал 40g6 обозначается S40G6 или s40g6;

посадка 40Н7/g6 обозначается H40H7/S40G6 или h40h7/s40g6.

Примечание. Обозначения по данному пункту не предназначены для применения на чертежах.

1.4. Интерпретация предельных размеров

Для отверстий - диаметр наибольшего правильного воображаемого цилиндра, который может быть вписан в отверстие так, чтобы плотно контактировать с наиболее выступающими точками поверхности на длине соединения (размер сопрягаемой детали идеальной геометрической формы прилегающей к отверстию без зазора), не должен быть меньше, чем предел максимума материала. Дополнительно наибольший диаметр в любом месте отверстия, определенный путем двухточечного измерения, не должен быть больше, чем предел минимума материала.

Для валов - диаметр наименьшего правильного воображаемого цилиндра, который может быть описан вокруг вала так, чтобы плотно контактировать с наиболее выступающими точками поверхности на длине соединения (размер сопрягаемой детали идеальной геометрической формы прилегающей к валу без зазора), не должен быть больше чем предел максимума материала. Дополнительно наименьший диаметр в любом месте вала, определенный путем двухточечного измерения, не должен быть меньше, чем предел минимума материала.

Дополнительная информация к интерпретации предельных размеров приведена в Справочном приложении 2.

2. ДОПУСКИ

2.1. Настоящий стандарт устанавливает 20 квалитетов 01, 0, 1, 2...18.

Примечание. Квалитеты от 01 до 5 предназначены преимущественно для калибров.

2.2. Числовые значения допусков приведены в табл. 1.

2.3. Интервалы номинальных размеров и формулы для расчета допусков приведены в справочном приложении 1.

3. ОСНОВНЫЕ ОТКЛОНЕНИЯ

3.1. Числовые значения основных отклонений валов приведены в табл. 2.

3.2. Второе отклонение поля допуска вала определяется из основного отклонения и допуска IT (черт. 14).

Черт. 14

3.3. Числовые значения основных отклонений отверстий приведены в табл. 3.

3.4. Второе отклонение поля допуска отверстия определяется из основного отклонения и допуска IT (черт. 15).

Черт. 15

3.5. Формулы для расчета основных отклонений приведены в справочном приложении 1.


Таблица 1

Числовые значения допусков

Интервал номинальных размеров, мм

Квалитет

01

0

1

2

3

4

5

6

7

8

9

10

11

12

13

14

15

16

17

18

Свыше

До

мкм

мм

 

3

0,3

0,5

0,8

1,2

2

3

4

6

10

14

25

40

60

0,10

0,14

0,25

0,40

0,60

1,00

1,40

3

6

0,4

0,6

1

1,5

2,5

4

5

8

12

18

30

48

75

0,12

0,18

0,30

0,48

0,75

1,20

1,80

6

10

0,4

0,6

1

1,5

2,5

4

6

9

15

22

36

58

90

0,15

0,22

0,36

0,58

0,90

1,50

2,20

10

18

0,5

0,8

1,2

2

3

5

8

11

18

27

43

70

110

0,18

0,27

0,43

0,70

1,10

1,80

2,70

18

30

0,6

1

1,5

2,5

4

6

9

13

21

33

52

84

130

0,21

0,33

0,52

0,84

1,30

2,10

3,30

30

50

0,6

1

1,5

2,5

4

7

11

16

25

39

62

100

160

0,25

0,39

0,62

1,00

1,60

2,50

3,90

50

80

0,8

1,2

2

3

5

8

13

19

30

46

74

120

190

0,30

0,46

0,74

1,20

1,90

3,00

4,60

80

120

1

1,5

2,5

4

6

10

15

22

35

54

87

140

220

0,35

0,54

0,87

1,40

2,20

3,50

5,40

120

180

1,2

2

3,5

5

8

12

18

25

40

63

100

160

250

0,40

0,63

1,00

1,60

2,50

4,00

6,30

180

250

2

3

4,5

7

10

14

20

29

46

72

115

185

290

0,46

0,72

1,15

1,85

2,90

4,60

7,20

250

315

2,5

4

6

8

12

16

23

32

52

81

130

210

320

0,52

0,81

1,30

2,10

3,20

5,20

8,10

315

400

3

5

7

9

13

18

25

36

57

89

140

230

360

0,57

0,89

1,40

2,30

3,60

5,70

8,90

400

500

4

6

8

10

15

20

27

40

63

97

155

250

400

0,63

0,97

1,55

2,50

4,00

6,30

9,70

500

630

4,5

6

9

11

16

22

30

44

70

110

175

280

440

0,70

1,10

1,75

2,80

4,40

7,00

11,00

630

800

5

7

10

13

18

25

35

50

80

125

200

320

500

0,80

1,25

2,00

3,20

5,00

8,00

12,50

800

1000

5,5

8

11

15

21

29

40

56

90

140

230

360

560

0,90

1,40

2,30

3,60

5,60

9,00

14,00

1000

1250

6,5

9

13

18

24

34

46

66

105

165

260

420

660

1,05

1,65

2,60

4,20

6,60

10,50

16,50

1250

1600

8

11

15

21

29

40

54

78

125

195

310

500

780

1,25

1,95

3,10

5,00

7,80

12,50

19,50

1600

2000

9

13

18

25

35

48

65

92

150

230

370

600

920

1,50

2,30

3,70

6,00

9,20

15,00

23,00

2000

2500

11

15

22

30

41

57

77

110

175

280

440

700

1100

1,75

2,80

4,40

7,00

11,00

17,50

28,00

2500

3150

13

18

26

36

50

69

93

135

210

330

540

860

1350

2,10

3,30

5,40

8,60

13,50

21,00

33,00

Примечание. Для размеров менее 1 мм квалитеты от 14 до 18 не применяются.

Таблица 2

Числовые значения основных отклонений валов, мкм

Интервал размеров, мм

Основные отклонения

a1)

b1)

c

cd

d

e

ef

f

fg

g

h

is2)

I

k

для всех квалитетов

для квалитетов

5 и 6

7

8

от 4 до 7

до 3 и свыше 7

Свыше

До

Верхнее отклонение es

нижнее отклонение ei

-

31)

-270

-140

60

-34

-20

-14

-10

-6

-4

-2

0

* Предельные отклонения = , где п - порядковый номер квалитета.

-2

-4

-6

0

0

3

6

-270

‑140

-70

-46

-30

-20

-14

-10

-6

-4

0

-2

-4

-

+1

0

6

10

-280

-150

-80

-56

-40

-25

-18

-13

-8

-5

0

-2

-5

-

+1

0

10

14

-290

-150

-95

-

-50

-32

-

-16

-

-6

0

-3

-6

-

+1

0

14

18

18

24

-300

-160

-110

-

-65

-40

-

-20

-

-7

0

-4

-8

-

+2

0

24

30

30

40

-310

-170

-120

-

-80

-50

-

-25

-

-9

0

-5

-10

-

+2

0

40

50

-320

-180

-130

50

65

-340

-190

-140

-

-100

-60

-

-30

-

-10

0

-7

-12

-

+2

0

65

80

-360

-200

-150

80

100

-380

-220

-170

-

-120

-72

-

-36

-

-12

0

-9

-15

-

+3

0

100

120

-410

-240

-180

120

140

-460

-260

-200

-

-145

-85

-

-43

-

-14

0

-11

-18

-

+3

0

140

160

-520

-280

-210

160

180

-580

-310

-230

180

200

-660

-340

-240

-

-170

-100

-

-50

-

-15

0

-13

-21

-

+4

0

200

225

-740

-380

-260

225

250

-820

-420

-280

250

280

-920

-480

-300

-

-190

-110

-

-56

-

-17

0

-16

-26

-

+4

0

280

315

-1050

-540

-330

315

355

-1200

-600

-360

-

-210

-125

-

-62

-

-18

0

-18

-28

-

+4

0

355

400

-1350

-680

-400

400

450

-1500

-760

-440

-

-230

-135

-

-68

-

-20

0

-20

-32

-

+5

0

450

500

-1650

-840

-480

500

560

-

-

-520

-370

-260

-145

-

-76

-

-22

0

-

-

-

0

0

560

630

-

-580

-390

630

710

-

-

-640

-430

-290

-160

-

-80

-

-24

0

-

-

-

0

0

710

800

-

-700

-450

800

900

-

-

-780

-500

-320

-170

-

-86

-

-26

0

-

-

-

0

0

900

1000

-

-860

-520

1000

1120

-

-

-940

-580

-350

-195

-

-98

-

-28

0

-

-

-

0

0

1120

1250

-

-1050

-600

1250

1400

-

-

-1150

-660

-390

-220

-

-110

-

-30

0

-

-

-

0

0

1400

1600

-

-1300

-720

1600

1800

-

-

-1450

-780

-430

-240

-

-120

-

-32.

0

-

-

-

0

0

1800

2000

-

-1600

-820

2000

2240

-

-

-1800

-920

-480

-260

-

-130

-

-34

0

-

-

-

0

0

2240

2500

-

-2000

-980

2500

2800

-

-

-2200

-1050

-520

-290

-

-145

-

-38

0

-

-

-

0

0

2800

3150

-

-2500

-1150

Продолжение табл. 2

Интервал размеров, мм

Основные отклонения

m3

n

p

r

s

t

u

v

x

y

z

za

zb

zc

для всех квалитетов

Свыше

До

Нижнее отклонение ei

-

31

+2

+4

+6

+10

+14

-

+18

-

+20

-

+26

+32

+40

+60

3

6

+4

+8

+12

+15

+19

-

+23

-

+28

-

+35

+42

+50

+80

6

10

+6

+10

+15

+19

+23

-

+28

-

+34

-

+42

+52

+67

+97

10

14

+7

+12

+18

+23

+28

-

+33

-

+40

-

+50

+64

+90

+130

14

18

+39

+45

-

+60

+77

+108

+150

18

24

+8

+15

+22

+28

+35

-

+41

+47

+54

+63

+73

+98

+136

+188

24

30

+41

+48

+55

+64

+75

+88

+118

+160

+218

30

40

+9

+17

+26

+34

+43

+48

+60

+68

+80

+94

+112

+148

+200

+274

40

50

+54

+70

+81

+97

+114

+136

+180

+242

+325

50

65

+11

+20

+32

+41

+53

+66

+87

+102

+122

+144

+172

+226

+300

+405

65

80

+43

+59

+75

+102

+120

+146

+174

+210

+274

+360

+480

80

100

+13

+23

+37

+51

+71

+91

+124

+146

+178

+214

+258

+335

+445

+585

100

120

+54

+79

+104

+144

+172

+210

+254

+310

+400

+525

+690

120

140

+15

+27

+43

+63

+92

+122

+170

+202

+248

+300

+365

+470

+620

+800

140

160

+65

+100

+134

+190

+228

+280

+340

+415

+535

+700

+900

160

180

+68

+108

+146

+210

+252

+310

+380

+465

+600

+780

+1000

180

200

+17

+31

+50

+77

+122

+166

+236

+284

+350

+425

+520

+670

+880

+1150

200

225

+80

+130

+180

+258

+310

+385

+470

+575

+740

+960

+1250

220

250

+84

+140

+196

+284

+340

+425

+520

+640

+820

+1050

+1350

250

280

+20

+34

+56

+94

+158

+218

+315

+385

+475

+580

+710

+920

+1200

+1550

280

315

+98

+170

+240

+350

+425

+525

+650

+790

+1000

+1300

+1700

315

355

+21

+37

+62

+108

+190

+268

+390

+475

+590

+730

+900

+1150

+1500

+1900

355

400

+114

+208

+294

+435

+530

+660

+820

+1000

+1300

+1650

+2100

400

450

+23

+40

+68

+126

+232

+330

+490

+595

+740

+920

+1100

+1450

+1850

+2400

450

500

+132

+252

+360

+540

+660

+820

+1000

+1250

+1600

+2100

+2600

500

560

+26

+44

+78

+150

+280

+400

+600

+740

-

-

-

-

-

-

560

630

+155

+310

+4510

+660

+820

-

-

-

-

-

-

630

710

+30

+50

+88

+175

+340

+500

+740

+920

-

-

-

-

-

-

710

800

+185

+380

+560

+840

+1000

-

-

-

-

-

-

800

900

+34

+56

+100

+210

+430

+620

+940

+1150

-

-

-

-

-

-

900

1000

+220

+470

+680

+1050

+1300

-

 

-

-

-

-

1000

1120

+40

+66

+120

+250

+520

+7801

+1150

+1450

-

-

-

-

-

-

1120

1250

+260

+580

+840

+1300

+1600

-

-

-

-

-

-

1250

1400

+48

+78

+140

+300

+640

+960

+1450

+1800

-

-

-

-

-

-

1400

1600

+330

+720

+1050

+1600

+2000

-

-

-

-

-

-

1600

1800

+58

+92

+170

+370

+820

+1200

+1850

+2300

-

-

-

-

-

-

1800

2000

+400

+920

+1350

+2000

+2500

-

-

-

-

-

-

2000

2240

+68

+110

+195

+440

+1000

+1500

+2300

+2800

-

-

-

-

-

-

2240

2500

+460

+1100

+1650

+2900

+3100

-

-

-

-

-

-

2500

2800

+76

+135

+240

+550

+1250

+1900

+2900

+3600

-

-

-

-

-

-

2800

3150

+580

+1400

+2100

+3200

+3900

-

-

-

-

-

-

1 Основные отклонения а и b не предусмотрены для размеров менее 1 мм.

2 Для полей допусков от js7 до js11 нечетные числовые значения IT могут быть округлены до ближайшего меньшего четного числа, чтобы предельные отклонения  были выражены целым числом микрометров.

3 Специальный случай: поле допуска m7 предусмотрено лишь для размеров свыше 3 мм.

Таблица 3

Интервал размеров, мм

Основные отклонения

A1

В1

С

CD

D

E

EF

F

FG

G

Н

JS2

для всех квалитетов

Свыше

До

Нижнее отклонение ЕI

-

31)5)

+270

+140

+60

+34

+20

+14

+10

+6

+4

+2

0

* Предельные отклонения = , где п - порядковый номер квалитета.

3

6

+270

+140

+70

+46

+30

+20

+14

+10

+6

+4

0

6

10

+280

+150

+80

+56

+40

+25

+18

+13

+8

+5

0

10

14

+290

+150

+95

-

+50

+32

-

+16

-

+6

0

14

18

18

24

+300

+160

+110

-

+65

+40

-

+20

-

+7

0

24

30

30

40

+310

+170

+120

-

+80

+50

-

+25

-

+9

0

40

50

+320

+180

+130

50

65

+340

+190

+140

-

+100

+60

-

+30

-

+10

0

65

80

+360

+200

+150

80

100

+380

+220

+170

-

+120

+72

-

+36

-

+12

0

100

120

+410

+240

+180

120

140

+460

+260

+200

-

+145

+85

-

+43

-

+14

0

140

160

+520

+280

+210

160

180

+580

+310

+230

-

180

200

+&60

+340

+240

+170

+100

-

+50

-

+15

0

200

225

+740

+380

+260

-

225

250

+820

+420

+280

250

280

+920

+480

+300

-

+190

+110

-

+56

-

+17

0

280

315

+1050

+540

+330

315

355

+1200

+600

+360

-

+210

+125

-

+62

-

+18

0

355

400

+1350

+680

+400

400

450

+1500

+760

+440

-

+230

+135

-

+68

-

+20

0

450

500

+1650

+840

+480

500

560

-

-

+520

+370

+260

+145

-

+76

-

+22

0

560

630

+580

+390

630

710

-

-

+640

+430

+290

+160

-

+80

-

+24

0

710

800

+700

+450

800

900

-

-

+780

+500

+320

+170

-

+86

-

+26

0

900

1000

+860

+520

1000

1120

-

-

+940

+580

+350

+195

-

+98

-

+28

0

1120

1250

+1050

+600

1250

1400

-

-

+1150

+660

+390

+220

-

+110

-

+30

0

1400

1000

+1300

+720

1600

1800

-

-

+1450

+780

+430

+240

-

+120

-

+32

0

1800

2000

+1600

+820

2000

2240

-

-

+1800

+920

+480

+260

-

+130

-

+31

0

2240

2500

+2000

+980

2500

2800

-

-

+2200

+1050

+520

+290

-

+145

-

+38

0

2800

3150

+2500

+11510

Продолжение табл. 3

Интервал размеров, мм

Основные отклонения

J

K3)

М3) 4)

М3) 5)

Р до ZC3)

Р

R

s

T

для квалитетов

для квалитетов свыше 7-гo

6

7

8

до 8

св. 8

до 8

св. 8

до 8

св. 8

до 7

Свыше

До

Верхнее отклонение ES

-

31) 5)

+2

+4

+6

0

0

-2

-2

-4

-4

Отклонения как для квалитетов свыше 7-го, увеличенные на D

-6

-10

-14

 

3

6

+5

+6

+10

-1 + D

-

-4 + D

-4

-8 + D

0

-12

-15

-19

 

6

10

+5

+8

+12

-1 + D

-

-6 + D

-6

-10 + D

0

-15

-19

-23

 

10

14

+6

+10

+15

-1 + D

-

-7 + D

-7

-12 + D

0

-18

-23

-28

 

14

18

18

24

+8

+12

+20

-2 + D

-

-8 + D

-8

-15 + D

0

-22

-28

-35

 

24

30

-41

30

40

+10

+14

+24

-2 + D

-

-9 + D

-9

-17 + D

0

-26

-34

-43

-48

40

50

-54

50

65

+13

+18

+28

-2 + D

-

-11 + D

-11

-20 + D

0

-32

-41

-53

-66

65

80

-43

-59

-75

80

100

+16

+99

+34

-3 + D

-

-13 + D

-13

-23 + D

0

-37

-51

-71

-91

100

120

-54

-79

-104

120

140

+18

+26

+41

-3 + D

-

-15 + D

-15

-27 + D

0

-43

-63

-92

-122

140

160

-65

-100

-134

160

180

-68

-108

-146

180

200

+22

+30

+47

-4 + D

-

-17 + D

-17

-31 + D

0

-50

-77

-122

-166

200

225

-80

-130

-180

225

250

-81

-140

-196

250

280

+25

+36

+55

-4 + D

-

-20 + D

-20

-34 + D

0

-56

-94

-158

-218

280

315

-98

-170

-240

315

355

+29

+39

+60

-4 + D

-

-21 + D

-21

-37 + D

0

-62

-108

-190

-268

355

400

-114

-208

-294

400

450

+33

+43

+66

-5 + D

-

-23 + D

-23

-40 + D

0

-68

-126

-232

-330

450

500

-132

-252

-360

500

560

-

-

-

0

-

-26

-44

-78

-150

-280

-400

560

630

-155

-310

-450

630

710

-

-

-

0

-

-30

-50

-88

-175

‑340

‑500

710

800

-185

-380

-560

800

900

-

-

-

0

-

-34

-56

-100

-210

-430

-620

900

1000

-220

-470

-688

1000

1120

-

-

-

0

-

-40

-66

-120

-250

-520

-780

1120

1250

-260

-580

-840

1250

1400

-

-

-

0

-

-48

-78

-140

-300

-640

-960

1400

1000

-330

-720

-1050

1600

1800

-

-

-

0

-

-58

-92

-170

-370

-820

-1200

1800

2000

-400

-920

-1350

2000

2240

-

-

-

0

-

-68

-110

-195

-440

-1000

-1500

2240

2500

-460

-1100

-1650

2500

2800

-

-

-

0

-

-76

-135

-240

-550

-1250

-1900

2800

3150

-580

-1400

-2100

Продолжение табл. 3

Интервал размеров, мм

Основные отклонения

D, мкм

U

V

X

Y

Z

ZA

ZB

XC

для квалитетов свыше 7-го

для квалитетов

Свыше

До

Верхнее отклонение ES

3

4

5

6

7

8

-

31) 5)

-18

 

-20

 

-26

-32

-40

-60

0

0

0

0

0

0

3

6

-23

 

-28

 

-35

-42

-50

-80

1

1,5

1

3

4

6

6

10

-28

 

-34

 

-42

-52

-67

-97

1

1,5

2

3

6

7

10

14

-33

 

-40

 

-50

-64

-90

-130

1

2

3

3

7

9

14

18

-39

-45

 

-60

-77

-108

-150

18

24

-41

-47

-54

-63

-73

-98

-136

-188

1,5

2

3

4

8

12

24

30

-48

-55

-64

-75

-88

-118

-160

-218

30

40

-60

-68

-80

-94

-112

-148

-200

-274

1,5

3

4

5

9

14

40

50

-70

-81

-97

-114

-136

-180

-242

-325

50

65

-87

-102

-122

-144

-172

-226

-300

-405

2

3

5

6

11

16

65

80

-102

-120

-146

-174

-210

-274

-360

-480

80

100

-124

-146

-178

-214

-258

-335

-445

-585

2

4

5

7

13

19

100

120

-144

-172

-210

-254

-310

-400

-525

-690

120

140

-170

-202

-248

-300

-365

-470

-620

-800

3

4

6

7

15

23

140

160

-190

-228

-280

-340

-415

-535

-700

-900

160

180

-210

-252

-310

-380

-465

-600

-780

-1000

180

200

-236

-284

-350

-425

-520

-670

-880

-1150

3

4

6

9

17

26

200

225

-258

-310

-385

-470

-575

-740

-960

-1250

225

250

-284

-340

-425

-520

-640

-820

-1050

-1350

250

280

-315

-385

-475

-580

-710

-920

-1200

-1550

4

4

7

9

20

29

280

315

-350

-425

-525

-650

-790

-1000

-1300

-1700

315

355

-390

-475

-590

-730

-900

-1150

-1500

-1900

4

5

7

11

21

32

355

400

-435

-530

-660

-820

-1000

-1300

-1650

-2100

400

450

-490

-595

-740

-920

-1100

-1450

-1850

-2400

5

5

7

13

23

34

450

500

-540

-4660

-820

-1000

-1250

-1600

-2100

-2600

500

560

-600

-740

-

-

-

-

-

-

-

-

-

-

-

-

560

630

-660

-820

630

710

-740

-920

-

-

-

-

-

-

-

-

-

-

-

-

710

800

-840

-1000

800

900

-940

-1150

-

-

-

-

-

-

-

-

-

-

-

-

900

1000

-1060

-1300

1000

1120

-1150

-1450

-

-

-

-

-

-

-

-

-

-

-

-

1120

1250

-1300

-1600

1250

1400

-1450

-1800

-

-

-

-

-

-

-

-

-

-

-

-

1400

1000

-1600

-2100

1600

1800

-1850

-2300

-

-

-

-

-

-

-

-

-

-

-

-

1800

2000

-2000

-2500

2000

2240

-2300

-2800

-

-

-

-

-

-

-

-

-

-

-

-

2240

2500

-2500

-3100

2500

2800

-2900

-3500

-

-

-

-

-

-

-

-

-

-

-

-

2800

3150

-3200

-3900

1 Основные отклонения а и b не предусмотрены для размеров менее 1 мм.

2 Для полей допусков от js7 до js11 нечетные числовые значения IT могут быть округлены до ближайшего меньшего четного числа, чтобы предельные отклонения  были выражены целым числом микрометров.

3 Для определения значений отклонений К, М и N до 8-го квалитета (вкл.) и отклонении от Р до ZC до 7-го квалитета (вкл.) следует использовать величины D в графах справа.

4 Специальные случаи: для поля допуска М6 в интервале размеров от 250 до 315 мм ES = -9 мкм (вместо - 11 мкм); поле допуска М8 предусмотрено лишь для размеров свыше 3 мм.

5 Основное отклонение N для квалитетов до 8-го не предусмотрено для размеров менее 1 мм.


ПРИЛОЖЕНИЕ 1

Справочное

ИНТЕРВАЛЫ НОМИНАЛЬНЫХ РАЗМЕРОВ, ФОРМУЛЫ ДЛЯ РАСЧЕТА допусков и основных отклонений, ПРАВИЛА ОКРУГЛЕНИЯ ЧИСЛОВЫХ ЗНАЧЕНИЙ

1. Интервалы номинальных размеров

Интервалы номинальных размеров, принятые в данной системе допусков и посадок, приведены в табл. 4.

Для размеров до 500 мм установлены промежуточные интервалы для валов с основными отклонениями от «а» до «с» и от «г» до «zс», для отверстий с основными отклонениями от «А» до «С» и от «R» до «ZC».

Для размеров свыше 500 до 3150 мм установлены промежуточные интервалы для валов с основными отклонениями «с», «cd» и от «r» до «v», для отверстий с основными отклонениями «С», «CD» и от «R» до «V».

2. Формулы для расчета допусков

Формулы для расчета допусков приведены в табл. 5.

3. Округление числовых значений допусков

3.1. Числовые значения допусков для квалитетов до 11-го включительно, рассчитанные по формулам п. 2 настоящего приложения, округлены в соответствии с табл. 6.

3.2. Значения допусков в квалитетах грубее 11-го, рассчитанные в соответствии с пояснением 4 к табл. 5, не требуют округления, т. к. они получены из округленных значений допусков для квалитетов от 7-го до 11-го.

Таблица 4

Интервалы номинальных размеров, мм

Основные интервалы

Промежуточные интервалы

свыше

до

свыше

до

-

3

-

-

3

6

-

-

6

10

-

-

10

18

10

14

14

18

18

30

18

24

24

30

30

50

30

40

40

50

50

80

50

65

65

80

80

120

80

100

100

120

120

180

120

140

160

140

160

180

180

250

180

200

225

200

225

250

250

315

250

280

280

315

315

400

315

355

355

400

400

500

400

450

450

500

500

630

500

560

560

630

630

800

630

710

710

800

800

1000

800

900

900

1000

1000

1250

1000

1120

1120

1250

1250

1600

1250

1400

1400

1600

1600

2000

1600

1800

1800

2000

2000

2500

2000

2240

2240

2500

2500

3150

2500

2800

2800

3150


Таблица 5

Формулы для расчета допусков

Квалитеты

01

0

1

2

3

4

5

6

7

8

9

10

11

12

13

14

15

16

17

18

Число единиц допуска k

-

-

-

2,7

3,7

5

7

10

16

25

40

64

100

160

250

400

640

1000

1600

2500

Значение допуска для номинальных, размеров, мкм

до 500 мм

0,3 + 0,008D

0,5 + 0,012D

0,8 + 0,020D

k×i, где i = 0,450,001D

свыше 500 мм до 3150 мм

1×1

2×1

k×I, где I = 0,004D + 2,1

Примечания:

1. D - среднее геометрическое из крайних значений каждого интервала номинальных размеров в мм. Для интервала до 3 мм принимается D = .

2. Значения k, начиная с квалитета 5, приблизительно соответствуют геометрической прогрессии с коэффициентом 1,6.

3. Значения допусков для квалитетов 2, 3 и 4 приблизительно являются членами геометрической прогрессии, первым и последним членами которой являются значения допусков квалитетов 1 и 5.

4. Начиная с квалитета 6, значение допуска умножают на 10 при переходе с данного квалитета на пять квалитетов грубее (за исключением значения 7,5, округляемого до 8 для 6-го квалитета в интервале размеров от 3 до 6 мм, см. табл. 1). Это правило действительно и для допусков грубее квалитета 18.

Например, IТ20 = IТ15×10.


Таблица 6

Округление значений допусков до 11-го квалитета включительно

мкм

Значения, рассчитанные по формуле табл. 5

Округление с кратностью

свыше

до

для размеров до 500 мм

для размеров свыше 500 до 3150 мм

0

60

1

1

60

100

1

2

100

200

5

5

200

500

10

10

500

1000

-

20

1000

2000

-

50

2000

5000

-

100

5000

10000

-

200

10000

20000

-

500

20000

50000

-

1000

Примечание. Для улучшения градации некоторые значения округлены иначе.

4. Формулы для расчета основных отклонений

4.1. Основные отклонения валов

Основные отклонения валов рассчитаны по формулам, приведенным в табл. 7. Основным отклонением для валов от «а» до «h» является верхнее отклонение, для валов от «j» до «zc» - нижнее отклонение. У вала «js» нижнее основное отклонение не предусмотрено.

4.2. Основные отклонения отверстий

Основные отклонения отверстий рассчитаны по табл. 7 на основе верхнего отклонения es или нижнего отклонения еi вала того же обозначения в соответствии с общим или специальным правилами.

4.2.1. Общее правило:

ЕI = - es … для отверстий с основными отклонениями от А до Н;

ES = - ei … для отверстий с основными отклонениями от j до ZC.

Данное правило действительно для всех отклонений, за исключением:

- отклонений, на которые распространяется специальное правило (см. п. 4.2.2);

- отверстий от N9 до N16 для размеров свыше 3 до 500 мм, у которых основное отклонение равно нулю.

4.2.2. Специальное правило:

ES = - ei + D,

где D - разность ITn - ITn-1 между допуском рассматриваемого квалитета ITn и допуском ближайшего более точного квалитета ITn-1.

Настоящее правило действительно для интервалов размеров свыше 3 до 500 мм:

для отверстий с основными отклонениями J, К, М, N до 8-го квалитета включительно;

для отверстий с основными отклонениями от Р до ZC до 7-го квалитета включительно.

Примечание. Указанные правила сформулированы на основе следующих принципов:

1) общее правило - основное отклонение отверстия должно быть симметрично относительно нулевой линии основному отклонению вала того же буквенного обозначения;

2) специальное правило - основное отклонение отверстия должно быть таким, чтобы две соответствующие друг другу посадки в системе отверстия и в системе вала, в которых отверстие данного квалитета соединяется с валом ближайшего более точного квалитета, например, Н7/р6 и P7/h6, обеспечивали идентичные зазоры или натяги (черт. 16).

Черт. 16

Таблица 7

Формулы основных отклонений валов и отверстий для размеров до 3150 мм

Номинальный размер, мм

Валы

Формула 1)

Отверстия

Номинальный размер, мм

Свыше

До

Основное отклонение

Знак

Обозначение

Обозначение

Знак

Основное отклонение2

Свыше

До

0

120

a

-

es

265 + 1,3D

EI

+

A

0

120

120

500

3,5D

120

500

0

160

160

500

b

-

es

» 140 + 0,85D

» 1,8D

EI

+

В

0

160

160

500

0

640

40

3150

с

-

es

52 D0,2

95 + 0,8D

EI

+

С

0

40

40

3150

0

500

10

3150

cd

-

es

среднее геометрическое значение С, с и D, d

EI

+

CD

0

500

10

3150

0

3150

d

-

es

16D0,44

EI

+

D

0

3150

0

3150

e

-

es

11D0,41

EI

+

E

0

3150

0

10

ef

-

es

среднее геометрическое значение Е, е и F, f

EI

+

EF

0

10

0

3150

f

-

es

5,5D0,41

EI

+

F

0

3150

0

10

fg

-

es

среднее геометрическое значение F, f и G, g

EI

+

FG

0

10

0

3150

g

-

es

2,5 D0,34

EI

+

G

0

3150

0

3150

h

 

es

Отклонение = 0

EI

 

H

0

3150

 

 

i

 

 

Нет формулы 3)

 

 

J

 

 

0

3150

js

+

-

es

ei

0,5 ITn

EI

ES

+

-

JS

0

3150

0

500

500

3150

k

+

ei

0,6

Отклонение = 0

ES

-

К

0

500

500*

3150

0

500

500

3150

m

+

ei

IТ7 - IТ6

0,024D + 12,6

ES

-

М

0

500

5004

3150

0

500

500 3150

n

+

ei

5D0,34

0,04D + 21

ES

-

N

0

500

500

3150

0

500

500

3150

p

+

ei

IT7 + (0 ¸ 5)

0,072D + 37,8

ES

-

P

0

500

500

3150

0

3150

r

+

ei

среднее геометрическое значение P, р и S, s

ES

-

R

0

3150

0

50

50

3150

s

+

ei

IT8 + (1 ¸ 4)

IT7 + 0,4D

ES

-

S

0

50

50

3150

24

3150

t

+

ei

IT7 + 0,63D

ES

-

T

24

3150

0

3150

u

+

ei

IT7 + D

ES

-

U

0

3150

14

3150

v

+

ei

IT7 + 1,25D

ES

-

V

14

3150

0

500

x

+

ei

IT7 + 1,6D

ES

-

X

0

500

18

500

y

+

ei

IT7 + 2D

ES

-

Y

18

500

0

500

z

+

ei

IT7 + 2,5D

ES

-

Z

0

500

0

500

za

+

ei

IT8 + 3,15D

ES

-

ZA

0

500

0

500

zb

+

ei

IT9 + 4D

ES

-

ZB

0

500

0

500

zc

+

ei

IT10 + 5D

ES

-

ZC

0

500

1 Основные отклонения в мкм, D - в мм (см. примечание 1 к табл. 5).

2 См. также специальное правило и область его применения по п. 4.2.2 настоящего приложения.

3 Значения в табл. 2 - 3.

4 Формула распространяется только на квалитеты от 4-го до 7-го включительно; основные отклонения k и К для всех остальных квалитетов равны нулю.

5. Округление числовых значений основных отклонений

5.1. Числовые значения основных отклонений округлены в соответствии с табл. 8.

Таблица 8

Округление значений основных отклонений

мкм

Значения, рассчитанные по формулам табл. 7

Округление с кратностью

для размеров до 500 мм

для размеров свыше 500 до 3150 мм

свыше

до

для основных отклонений

от а до g

от А до G

от k до zc

от К до ZC

от с до v

от С до V

5

45

1

1

1

45

60

2

1

1

60

100

5

1

1

100

200

5

2

5

200

300

10

2

10

300

500

10

5

10

500

560

10

5

20

560

600

20

5

20

600

800

20

10

20

800

1000

20

20

20

1000

2000

50

50

50

2000

5000

-

100

100

5000

10000

-

-

200

10000

20000

-

-

500

Примечание. Для улучшения градации некоторые значения основных отклонений округлены иначе.

5.2. Значения отклонений, полученные как сумма или разность округленных значений, вторичному округлению не подлежат.

ПРИЛОЖЕНИЕ 2

Справочное

ДОПОЛНИТЕЛЬНАЯ ИНФОРМАЦИЯ К ИНТЕРПРЕТАЦИИ ПРЕДЕЛЬНЫХ РАЗМЕРОВ

1. Для элементов деталей, не образующих посадки, можно допустить отклонение от интерпретации предельных размеров по п. 1.4 настоящего стандарта. В этих случаях предельные размеры ограничивают действительные размеры, определенные путем двухточечного измерения, в любом месте элемента.

2. При использовании зарубежных чертежей и других технических документов интерпретация предельных размеров зависит от того, содержит ли чертеж ссылку на стандарт ИСО 8015 или нет.

При наличии ссылки типа «Tolerancing ISO 8015» («Нанесение допусков по ИСО 8015») предельные размеры интерпретируются в соответствии с п. 1.4 настоящего стандарта, если размер с предельными отклонениями дополнен символом , например, 40Н7 , 40g6  и в соответствии с п. 1 настоящего справочного приложения, если символ  не указан.

При отсутствии в чертежах ссылки на ИСО 8015 предельные размеры интерпретируются в соответствии с п. 1.4 настоящего стандарта.

Указанные правила соответствуют стандарту ИСО 286-1.

ИНФОРМАЦИОННЫЕ ДАННЫЕ

1.    РАЗРАБОТАН И ВНЕСЕН Министерством станкостроительной и инструментальной промышленность СССР

ИСПОЛНИТЕЛИ

А.В. Высоцкий, канд. техн. наук; М.А. Палей (руководитель темы), канд. техн. наук; О.В. Буянина

2.    УТВЕРЖДЕН И ВВЕДЕН В ДЕЙСТВИЕ Постановлением Государственного комитета СССР по стандартам от 11.04.89 № 983

3.    ВЗАМЕН ГОСТ 25346-82

4.    Стандарт полностью соответствует СТ СЭВ 145-88

5.    Стандарт соответствует стандарту ИСО 286/1-88

6.    Переиздание. Январь 1992 г.

СОДЕРЖАНИЕ

1. Основные положения. 1

2. Допуски. 9

3. Основные отклонения. 9

Приложение 1 Интервалы номинальных размеров, формулы для расчета допусков и основных отклонений, правила округления числовых значений. 20

4. Формулы для расчета основных отклонений. 23

5. Округление числовых значений основных отклонений. 25

Приложение 2 Дополнительная информация к интерпретации предельных размеров. 26

 

 




ГОСТЫ, СТРОИТЕЛЬНЫЕ и ТЕХНИЧЕСКИЕ НОРМАТИВЫ.
Некоммерческая онлайн система, содержащая все Российские Госты, национальные Стандарты и нормативы.
В Системе содержится более 150000 файлов нормативно-технической документации, действующей на территории РФ.
Система предназначена для широкого круга инженерно-технических специалистов.

Рейтинг@Mail.ru Яндекс цитирования

Copyright © www.gostrf.com, 2008 - 2026