Крупнейшая бесплатная информационно-справочная система онлайн доступа к полному собранию технических нормативно-правовых актов РФ. Огромная база технических нормативов (более 150 тысяч документов) и полное собрание национальных стандартов, аутентичное официальной базе Госстандарта. GOSTRF.com - это более 1 Терабайта бесплатной технической информации для всех пользователей интернета. Все электронные копии представленных здесь документов могут распространяться без каких-либо ограничений. Поощряется распространение информации с этого сайта на любых других ресурсах. Каждый человек имеет право на неограниченный доступ к этим документам! Каждый человек имеет право на знание требований, изложенных в данных нормативно-правовых актах!

  


 

ГОСУДАРСТВЕННЫЙ СТАНДАРТ СОЮЗА ССР

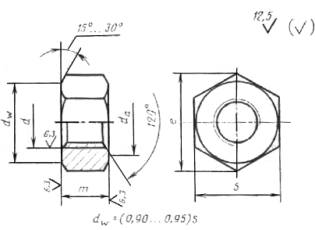
ГАЙКИ ВЫСОКОПРОЧНЫЕ КЛАССА ТОЧНОСТИ В

Конструкция и размеры

ГОСТ 22354-77

 

ГОСУДАРСТВЕННЫЙ КОМИТЕТ СССР ПО СТАНДАРТАМ Москва

 

ГОСУДАРСТВЕННЫЙ СТАНДАРТ СОЮЗА ССР

 ГАЙКИ ВЫСОКОПРОЧНЫЕ                                          ГОСТ

КЛАССА ТОЧНОСТИ В                                            22354-77*

Конструкция и размеры

Hight strength nuts of product grade B.

Construction and dimensions

Постановлением Государственного комитета стандартов Совета Министров СССР от 7 февраля 1977 г. № 309 срок введения установлен

с 01.01.79

Несоблюдение стандарта преследуется по закону

1. Стандарт распространяется на шестигранные гайки класса точности В к высокопрочным болтам по ГОСТ 22353-77.

2. Конструкция и размеры гаек должны соответствовать указанным на чертеже и в таблице.

мм

Номинальный диаметр резьбы d

16

(18)

20

(22)

24

(27)

30

36

42

48

Шаг резьбы

2

2,5

3

3,5

4

4,5

5

Высота m

15

16

18

19

22

24

29

34

38

Размер «под ключ» S

27

30

32

36

41

46

55

65

75

Диаметр описанной окружности е, не менее

29,9

33,3

35,0

39,6

45,2

50,9

60,8

72,1

83,4

da

не менее

16

18

20

22

24

27

30

36

42

48

 

не более

17,3

19,4

21,6

23,8

25,9

29,2

32,4

38,9

45,4

51,8

Примечание. Размеры, заключенные в скобки, применять не рекомендуется.

Пример условного обозначения гайки диаметром резьбы d = 20 мм, полем допуска 6Н, для болта с наименьшим временным сопротивлением = 1100 МПа (110 кгс/мм2), климатического исполнения У, категории размещения 1:

Гайка М20-6Н.110 ГОСТ 22354-77

То же, климатического исполнения ХЛ, категории размещения 1:

Гайка М20-6Н.110.ХЛ1 ГОСТ 22354-77

3. Резьба - по ГОСТ 24705-81.

1 - 3. (Измененная редакция, Изм. № 1).

3а. Допуски, не указанные на чертеже и в таблице, а также методы контроля размеров и отклонений формы и расположения поверхностей - по ГОСТ 1759.1-82.

3б. Дефекты поверхности и методы контроля - по ГОСТ 1759.3-83.

3а, 3б. (Введены дополнительно, Изм. № 1).

4. Технические требования - по ГОСТ 22356-77.

5. Теоретическая масса гаек приведена в справочном приложении.

 

ПРИЛОЖЕНИЕ

Справочное

Теоретическая масса гаек

Номинальный диаметр резьбы d, мм

Теоретическая масса 1000 шт. гаек, кг»

Номинальный диаметр резьбы d, мм

Теоретическая масса 1000 шт. гаек, кг»

16

50

(27)

224

(18)

66

30

213

20

80

36

368

(22)

108

42

611

24

171

48

921

 

 

 




ГОСТЫ, СТРОИТЕЛЬНЫЕ и ТЕХНИЧЕСКИЕ НОРМАТИВЫ.
Некоммерческая онлайн система, содержащая все Российские Госты, национальные Стандарты и нормативы.
В Системе содержится более 150000 файлов нормативно-технической документации, действующей на территории РФ.
Система предназначена для широкого круга инженерно-технических специалистов.

Рейтинг@Mail.ru Яндекс цитирования

Copyright © www.gostrf.com, 2008 - 2026