Крупнейшая бесплатная информационно-справочная система онлайн доступа к полному собранию технических нормативно-правовых актов РФ. Огромная база технических нормативов (более 150 тысяч документов) и полное собрание национальных стандартов, аутентичное официальной базе Госстандарта. GOSTRF.com - это более 1 Терабайта бесплатной технической информации для всех пользователей интернета. Все электронные копии представленных здесь документов могут распространяться без каких-либо ограничений. Поощряется распространение информации с этого сайта на любых других ресурсах. Каждый человек имеет право на неограниченный доступ к этим документам! Каждый человек имеет право на знание требований, изложенных в данных нормативно-правовых актах!

  


 

ГОСУДАРСТВЕННЫЙ СТАНДАРТ СОЮЗА ССР

ШАЙБЫ КЛАССА ТОЧНОСТИ С К ВЫСОКОПРОЧНЫМ БОЛТАМ

Конструкция и размеры

ГОСТ 22355-77

 

ГОСУДАРСТВЕННЫЙ КОМИТЕТ СССР ПО СТАНДАРТАМ

Москва

 

 

ГОСУДАРСТВЕННЫЙ СТАНДАРТ СОЮЗА ССР

ШАЙБЫ КЛАССА ТОЧНОСТИ С                                  ГОСТ

К ВЫСОКОПРОЧНЫМ БОЛТАМ                              22355-77*

Конструкция и размеры

Product grade C washes for hight strength bolts.

Construction and dimensions

Постановлением Государственного комитета стандартов Совета Министров СССР от 7 февраля 1977 г. № 309 срок введения установлен

с 01.01.79

Несоблюдение стандарта преследуется по закону

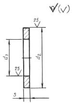
1. Конструкция и размеры шайб должны соответствовать указанным на чертеже и в таблице.

мм

Номинальный диаметр резьбы болта

d1

d2

s

16

18

37

 

(18)

20

39

4

20

22

44

 

(22)

24

50

5; 6*

24

26

56

 

(27)

30

66

 

30

33

66

6

36

39

78

 

42

45

90

8

48

52

100

 

---------------

* Толщина шайб, применяемых в мостостроении.

Примечание. Размеры, заключенные в скобки, применять не рекомендуется.

Пример условного обозначения шайбы для болта диаметром резьбы 20 мм:

Шайба 20 ГОСТ 22355-77

(Измененная редакция, Изм. № 1).

2. Технические требования - по ГОСТ 22356-77

2а. Предельные отклонения размеров и допуски формы и расположения поверхностей - по ГОСТ 18123-82.

2б. Шероховатость и допускаемые дефекты поверхности шайб - по ГОСТ 18123-82.

2а, 2б. (Введены дополнительно, Изм. № 1).

3. Теоретическая масса шайб приведена в справочном приложении.

 

ПРИЛОЖЕНИЕ

Справочное

Теоретическая масса шайб

Номинальный диаметр резьбы болта, мм

Теоретическая масса 1000 шт. шайб, кг»

Номинальный диаметр резьбы болта, мм

Теоретическая масса 1000 шт. шайб, кг»

16

25,8

(27)

127,8

(18)

27,6

30

120,7

20

35,8

36

168,7

(22)

59,3

42

299,5

24

75,8

48

359,7

 

(Измененная редакция, Изм. № 1).

 




ГОСТЫ, СТРОИТЕЛЬНЫЕ и ТЕХНИЧЕСКИЕ НОРМАТИВЫ.
Некоммерческая онлайн система, содержащая все Российские Госты, национальные Стандарты и нормативы.
В Системе содержится более 150000 файлов нормативно-технической документации, действующей на территории РФ.
Система предназначена для широкого круга инженерно-технических специалистов.

Рейтинг@Mail.ru Яндекс цитирования

Copyright © www.gostrf.com, 2008 - 2026