Крупнейшая бесплатная информационно-справочная система онлайн доступа к полному собранию технических нормативно-правовых актов РФ. Огромная база технических нормативов (более 150 тысяч документов) и полное собрание национальных стандартов, аутентичное официальной базе Госстандарта. GOSTRF.com - это более 1 Терабайта бесплатной технической информации для всех пользователей интернета. Все электронные копии представленных здесь документов могут распространяться без каких-либо ограничений. Поощряется распространение информации с этого сайта на любых других ресурсах. Каждый человек имеет право на неограниченный доступ к этим документам! Каждый человек имеет право на знание требований, изложенных в данных нормативно-правовых актах!

  


 

Открытое Акционерное общество

ЦЕНТРАЛЬНЫЙ НАУЧНО-ИССЛЕДОВАТЕЛЬСКИЙ И ПРОЕКТНЫЙ ИНСТИТУТ ЖИЛЫХ И ОБЩЕСТВЕННЫХ ЗДАНИЙ

(ЦНИИЭП жилища)

Утверждаю

Директор

по научной деятельности, д.т.н.

________________Ю.Г. Граник

_____________________2006 г.

 

РЕКОМЕНДАЦИИ

по применению герметизирующих материалов "АБРИС® С" и "АБРИС® Р" в жилых и общественных зданиях.

Пособие проектировщикам

Заведующий лабораторией применения эффективных материалов, д. арх., проф.

Е.В. Кавин

Инженер-конструктор

Т.Г. Козырева

Согласовано:

Директор ООО "Завод герметизирующих материалов"

 

Г.А. Савченкова

Москва - 2006 г

 

СОДЕРЖАНИЕ

Пояснительная записка.

Свойства герметиков АБРИС®С, мастик АБРИѮРи области их применения

Конструкции наружных ограждений жилых и общественных зданий.

Узлы и детали.

Технология построечных работ.

Установка оконных блоков

ПАРОПРОНИПАЕМОЕ ПОКРЫТИЕ УТЕПЛИТЕЛЯ КОРОБКИ ДЕРЕВЯННОГО ОКОННОГО БЛОКА.

(При нагнетании пены со стороны помещения)

Конструкции полов

Конструкция пола сантехкабины и его стыка со стеной.

Конструкция совмещенной кровли

Конструкция скатной кровли

Тепло- и гидроизоляция подвала и цоколя здания

Шумоизоляция лестничного марша

Изоляция мусоропровода и трубопроводов

Теплоизоляция трубопроводов наружных сетей

 

 

 

ГС-1-77-01-26-0-7713028354-019031-1

ПРОЕКТИРОВАНИЕ ЗДАНИЙ И СООРУЖЕНИЙ I И II УРОВНЯ ОТВЕТСТВЕННОСТИ

РАЗРАБОТКА РАЗДЕЛОВ ПРОЕКТНОЙ ДОКУМЕНТАЦИИ НА СТРОИТЕЛЬСТВО ЗДАНИЙ И СООРУЖЕНИЙ И ИХ КОМПЛЕКСОВ

ГЕНЕРАЛЬНЫЙ ПЛАН И ТРАНСПОРТ

Генеральные планы (схемы генеральных планов) территорий зданий, сооружений и их комплексов

Схемы и проекты инженерной и транспортной инфраструктуры

Схемы (проекты) благоустройства территорий зданий, сооружений и их комплексов:

- озеленение

- инженерная подготовка территории

АРХИТЕКТУРНО-СТРОИТЕЛЬНЫЕ РЕШЕНИЯ

Архитектурная часть (планы, разрезы, фасады)

Конструктивные решения:

- фундаменты

- несущие и ограждающие конструкции

ТЕХНОЛОГИЧЕСКИЕ РЕШЕНИЯ

Общественные здания и сооружения и их комплексы

здания дли образования, воспитаний и подготовки кадров

здания для научно-исследовательских учреждений, проектных и общественных организаций и управления

здания и сооружения для здравоохранения и отдыха

здания и сооружения физкультурно-оздоровительные и спортивные

здания культурно-просветительных и зрелищных учреждений

зданий для предприятий торговли, общественного питания и бытового обслуживания

здания для транспорта, предназначенные для непосредственного обслуживания населения

здания для коммунального хозяйства (кроме производственных, складских и транспортных зданий и сооружений)

храмовые комплексы, культовые здания и сооружений, мемориалы

многофункциональные здания и комплексы, включающие помещения различного назначения

здания и сооружения для органов государственного управления, обороны, государственной безопасности, финансов и иностранных представительств

Производственные здания и сооружения и их комплексы:

предприятия энергетики (кроме гидротехнических сооружений):

- электрические и тепловые сети

- пункты распределения анергии

- насосные станции

- котельные

предприятия легкой промышленности:

- предприятия по пошиву и ремонту обуви

- предприятия по пошиву и ремонту одежды

- по производству сувениров, спортивного инвентаря

- по производству игрушек

- предприятия по химчистке, крашению и стирке одежды и белья

предприятия строительной индустрии

- заводы по производству бетона

- по производству железобетонных конструкций

- склады строительных материалов

- узлы для подготовки растворов

предприятия связи

- линии связи

- узлы управления и коммутации

- телефонные станции

сооружения промышленных предприятий:

- подземные сооружения (подпорные стены, подвалы, тоннели и каналы, опускные колодцы)

Объекты транспортного назначения и их комплексы:

предприятия автомобильного транспорта:

- автовокзалы

- автозаправочные станции

- авторемонтные предприятия

- станции технического обслуживания автомобилей

- стоянки автомобильного транспорта

ТЕХНОЛОГИЧЕСКИЕ РЕШЕНИЯ

предприятия воздушного транспорта:

- аэровокзалы

ИНЖЕНЕРНОЕ ОБОРУДОВАНИЕ, СЕТИ И СИСТЕМЫ

Отопление, вентиляция, кондиционирование

Водоснабжение и канализация

Теплоснабжение

Газоснабжение

Холодоснабжение

Электроснабжение до 35 кВ включительно

Электрооборудование, электроосвещение

Связь и сигнализация

Радиофикация и телевидение

Диспетчеризация, автоматизация и управление инженерными системами

Механизация и внутриобъектный транспорт

СПЕЦИАЛЬНЫЕ РАЗДЕЛЫ ПРОЕКТНОЙ ДОКУМЕНТАЦИИ

Охрана окружающей среды

Инженерно-технические мероприятия гражданской обороны, мероприятия по предупреждению чрезвычайных ситуаций

Защита строительных конструкций от коррозии

Системы пожаротушения, пожарной сигнализации и оповещения людей о пожаре, противодымной защиты, эвакуации людей при пожаре

Системы охранной сигнализации, видеонаблюдения и контроля

Мероприятия по обеспечению условий жизнедеятельности маломобильных групп населения

Организация строительства

СМЕТНАЯ ДОКУМЕНТАЦИЯ

ОБСЛЕДОВАНИЕ ТЕХНИЧЕСКОГО СОСТОЯНИЯ ЗДАНИЙ И СООРУЖЕНИЙ

Обследование технического состояния фундаментов

Обследование технического состояния несущих и ограждающих конструкций, узлов и деталей

Обследование инженерных коммуникаций

Разработка рекомендаций и заключений по материалам технических отчетов обследований

ОСУЩЕСТВЛЕНИЕ ФУНКЦИЙ ГЕНЕРАЛЬНОГО ПРОЕКТИРОВЩИКА

РАЗРЕШАЕТСЯ ОСУЩЕСТВЛЕНИЕ ДЕЯТЕЛЬНОСТИ ПО ПРОЕКТИРОВАНИЮ ЗДАНИЙ И СООРУЖЕНИЙ И ИХ КОМПЛЕКСОВ

ДЛЯ СЛЕДУЮЩИХ ВИДОВ ЗДАНИЙ, СООРУЖЕНИЙ И ИХ КОМПЛЕКСОВ

Жилые здания и их комплексы:

- здания высотой до 25 и более этажей

- специализированные типы жилища (общежития, жилые дома для маломобильных групп населения)

Общественные здания и сооружения и их комплексы

Производственные здания и сооружения и их комплексы

Сельскохозяйственные здания и сооружения и их комплексы

Объекты транспортного назначения и их комплексы, в том числе:

- магистральные дороги и улицы городов

- улицы и дороги местного значения в жилой застройке

ДЛЯ СТРОИТЕЛЬСТВА НА ТЕРРИТОРИЯХ С ИНЖЕНЕРНО-ГЕОЛОГИЧЕСКИМИ УСЛОВИЯМИ

I категории сложности (простые)

II категории сложности (средней сложности)

С ограниченным распространением специфических грунтов:

- многолетнемерзлые

- просадочные

- набухающие

- органо-минеральные и органические

- засоленные

- аллювиальные

- техногенные

С ограниченным развитием природных процессов

- сейсмичность 7 баллов и более

- сели, лавины

С ограниченным развитием природных процессов:

- переработка берегов рек, озер, водохранилищ

- подтопление территорий

- карст, суффозия

- склоновые процессы (оползни, обвалы, солифлюкция)

III категории сложности (сложные)

С распространением специфических грунтов:

- многолетнемерзлые

- просадочные

- набухающие

- органо-минеральные и органические

- засоленные

- аллювиальные

- техногенные

С развитием природных и техногенных процессов:

- сейсмичность 7 баллов и более

- сели, лавины

- переработка берегов рек, озер, водохранилищ

- подтопление территорий

- карст, суффозия

- склоновые процессы (оползни, обвалы, солифлюкция)

 

Пояснительная записка.

Данные рекомендации выполнены в соответствии с письмом № 01/1-162 от 07.02.06 г. ООО «Завод герметизирующих материалов» г. Дзержинск Нижегородской области по договору № 2-8861 от 12.05.2006 г.

Рекомендации предназначены в качестве пособия проектировщикам жилых и общественных зданий. В рекомендациях представлены конструктивные решения стыков различных строительных элементов, их узлов и деталей, которые существенно влияют на качество этих зданий в целом, комфорт проживания (и работы) в них, а также на их сохранность во времени и эксплуатационные затраты на содержание.

В альбоме представлены основные конструктивные и строительные элементы зданий по их назначению и местоположению, а также предъявляемые к ним требования.

Работа содержит необходимые материалы для проектировщиков в виде рабочих чертежей, на более ответственные узлы, на которые необходимо обратить особое внимание. Они включают новые герметизирующие изделия и материалы, помогающие решить проблемы протечек и промерзаний, а также шумозащиту и излишнее воздухопроницание. Такими материалами являются герметики «АБРИѮѻ (ТУ5772-003-43008408-99) и «АБРИѮл (ТУ 5775-004-52471462-2003).

Проектирование зданий следует вести в соответствии с предписаниями действующий нормативных документов:

СНиП 31-02-2001 «Дома жилые одноквартирные»,

СНиП 31-01-2003 «Здания жилые многоквартирные»,

СНиП 31-05-2003 «Общественные здания административного назначения»,

СНиП 2.09.04-87* «Административные и бытовые здания»,

СНиП 3.03.01-87 «Несущие и ограждающие конструкции,

СНиП II-26-76 «Кровли. Нормы проектирования».

СНиП 23-03 «Звукоизоляция»

СанПиН 2.1.2.1002 Санитарно-эпидемиологические требования к жилым зданиям и помещениям.

Свойства герметиков АБРИС®С, мастик АБРИѮРи области их применения

Свойства герметизирующих материалов марки АБРИС®С (ТУ 5772-003-43008408-99) и АБРИѮР(ТУ 5775-004-52471462-2003) приведены в табл. 1 и эксплуатационные характеристики конструкционных швов с использованием герметизирующих лент АБРИС®С, полученные в ходе испытаний, представлены в табл. 3.

Таблица 1

№ п/п

Наименование показателей

Абрис ®С ЛТ и ЛБ

АБРИС®СШ

АБРИС®С Б

1

Внешний вид

Пластичная однородная масса без разрывов и сквозных отверстий

2

Цвет

По требованию заказчика (базовые: белый, серый, черный)

3

Пенетрация, 0,1 мм

30-170

4

Прочность связи с бетоном, МПа

≥ 0,1

5

Прочность связи с металлом при отслаивании, Н/м, не менее

100

6

Сопротивление текучести, мм, не более

2

7

Паропроницаемость, мг/(м'Ч-Па), не более

0,01

8

Водопоглощение, 24 ч., %, не более

0,3

9

Относительное удлинение при максимальной нагрузке, %, не менее

35

10

Предел прочности при растяжение, МПа, не менее

0,008

11

Характер разрушения

когезионный

12

Условный срок годности, лет

20

13

Ширина, мм

2… 250

-

Брикеты 1-5 кг

14

Толщина, мм

1…5

-

15

Диаметр, мм

-

1,8…. 40

Таблица 2

№ п/п

Наименование показателей

АБРИС®Рс

АБРИС®Ру

АБРИС®Рп

1

Внешний вид

Однородная пастообразная масса

2

Цвет

По требованию потребителя

Черный

По требованию потребителя

3

Пенетрация, 0,1 мм

200 - 380

250 - 400

400 - 450

 

Прочность связи с металлом при отслаивании, Н/м, не менее

150

-

4

Прочность связи с бетоном, МПа, не менее

0,1

-

5

Относительное удлинение при максимальной нагрузке, %, не менее

50

-

6

Массовая доля сухого вещества, %, не менее

60

50

-

7

Сопротивление текучести:

- при толщине 1 -2 мм, не более, мм

- при толщине 5 мм, не более, мм

 

 

 

-

2

-

2

-

-

8

Паропроницаемость, мг/(м-ч-Па), не более

0,01

9

Водопоглощение после высыхания, 24 ч, %, не более

0,3

10

Время высыхания при температуре 20°С, час

24

12

11

Удельный вес, г/см3

11,2 - 1,3

0,9 - 1,1

0,9 - 1,0

12

Расход, кг

1,3

1

0,2 - 0,4

13

Условный срок годности, лет

20

Таблица 3

Наименование характеристики, ед. измерения

Результаты испытаний

1. Сопротивление теплопередаче, (м2-К)/Вт

2,33

2. Воздухонепроницаемость при давлении 100 Па, м3/(ч-м)

≤ 0,1

3. Водонепроницаемость при давлении, Па

1900

4. Деформационная устойчивость (относительное удлинение), %

39,5

5. Звукоизоляция, дБА

36

Герметики АБРИС®С и Абрис Р обладают теплостойкостью до плюс 140°С и 160°С соответственно, могут эксплуатироваться во всех климатических зонах России (при температурах до минус 60°С).

Марки герметика отличаются друг от друга отдельными элементами и поэтому имеют разные области применения, характеристики которых приведены в табл. 4

Таблица 4

Номенклатура выпускаемых герметиков

Марка герметика, его характеристика

Вид герметика

Область применения

1

2

3

1. Абрис® С-ЛТдиф

Диффузионная (паропроницаемая) лента из прочной полипропиленовой ткани с двумя крепежными полосами по краям из бутилкаучука высокой клейкости; коэффициент паропроницания m = 0,2 мг/(м-ч∙Па)

Устанавливают под слив окна и по периметру проема с наружной стороны; Рекомендуется защищать от воздействия ультрафиолетовых лучей.

2. Абрис® С-ЛТф

Самоклеящаяся бутилкаучуковая влагогазонепроницаемая уплотнительная лента с одной стороны покрыта антиадгезионной пленкой, с другой алюминиевой фольгой для теплоотражения и защиты от ультрафиолетовых лучей. Разработаны варианты, армированные гофрированной алюминиевой фольгой и фольгой из свинца.

Герметизация стыков и швов в конструкциях фонарей, светопрозрачных ограждений зимних садов; для ремонта и герметизации фальцев металлической кровли, а также примыканий кровли к стенам и трубам.

3. Абрис® С-ЛТфиз

Самоклеящаяся бутилкаучуковая влагогазонепроницаемая уплотнительная лента с одной стороны покрыта антиадгезионной пленкой, с другой фольгоизолоном (вспененный полиэтилен покрытый светоотражающей металлизированной пленкой), стойка к УФ, l = 0,032 Вт/(мК), температура эксплуатации от -60 °С до 100 °С

Уплотнение, утепление стыков и швов; повышает

4. Абрис® С-ЛТдиз

С отсутствием светоотражающей металлизированной пленкой коэффициент теплопроводности А, = 0,032 Вт/(мК), температура эксплуатации от-60 °С до 100 °С, рекомендуется защищать от воздействия ультрафиолетовых лучей.

звукоизоляцию конструкций.

5. Абрис® С-ЛТбаз

Самоклеящаяся уплотнительная бутилкаучуковая лента с одной стороны покрыта антиадгезионной пленкой, с другой негорючим базальтовым полотном.

Для уплотнения швов изнутри помещений; при сухой и мокрой отделке откосов, после заполнения швов теплоизоляцией. Повышается теплостойкость и огнестойкость.

6. Абрис® С-ЛТдуб

Самоклеящаяся уплотнительная бутилкаучуковая пароизоляционная лента дублирована нетканым полотном, имеет самоклеющуюся дополнительную полосу для крепления ленты в скрытом месте.

Для паронепроницаемого уплотнения мест сопряжения оконных рам, дверных коробок с конструкциями здания при любых (сухих и мокрых) способах отделки откосов до заполнения шва теплоизоляцией.

7. Абрис® С-ЛТмдуб

Самоклеящаяся пароизоляционная бутилкаучуковая уплотнительная лента, дублирована металлизированной пленкой, имеет дополнительную самоклеющуюся крепежную полосу для монтажа ленты в скрытом месте.

Для паронепроницаемого уплотнения мест сопряжения оконных рам и дверных коробок с конструкциями здания при "сухой" отделке откосов до заполнения шва теплоизоляцией.

8. Абрис® С-ЛТнп

Самоклеящаяся пароизоляционная бутилкаучуковая уплотнительная лента, с одной стороны дублирована нетканым полотном.

Для защиты шва от влаги, пара и газа, совместима с красками и штукатуркой.

9. Абрис® С-Б

Пластичная масса на основе бутилкаучука с высокой клейкостью; брикеты герметика завернуты в антиадгезионную (полиэтиленовую) пленку.

Для паро-, влаго-, газонепроницаемого уплотнения зазоров швов в строительных конструкциях. Наносится вручную или электрогерметизатором.

10. Абрис® С-Ш

Самоклеящаяся пластоэластичная масса на основе бутилкаучука в виде шнуров, покрытых антиадгезионной пленкой.

Для паро-, влаго-, газонепроницаемого уплотнения зазоров швов в строительных конструкциях.

11. Абрис® С-ЛБ

Бутилкаучуковая уплотнительная лента с двух сторон покрыта антиадгезионной пленкой.

Для влаго-, газонепроницаемого уплотнения и склеивания сопрягаемых поверхностей.

12. Абрис® С-ЛБиз

Двухсторонняя липкая лента, армирована изолоном.

Для герметизации стыков, нахлестов, волнистых листов и склеивания сопрягаемых поверхностей.

13. Абрис® С-ЛТм

Самоклеящаяся бутилкаучуковая уплотнительная лента покрыта с одной стороны антиадгезионной пленкой, с другой прочной светоотражающей металлизированной пленкой.

Для пароизоляции и герметизации мест сопряжений элементов светопрозрачных конструкций, швов внутри помещений и легких металлоконструкций фасадных систем.

14. Абрис® Рс

Бутилкаучуковая мастика (пастообразная масса) высыхающего типа.

Герметизация межпанельных стыков и склеивание сопрягаемых поверхностей.

15. Абрис® Pу

Бутилкаучуковая мастика (пастообразная масса) высыхающего типа.

Герметизация межпанельных стыков и склеивание сопрягаемых поверхностей гидроизоляции, приклеивание полимерных (эластомерных) пленок и антикоррозионная защита

16. Праймер Абрис® Рп

Для обработки (грунтования) поверхности перед нанесением герметика.

17. Гидропрокладка Абрис® С

Самоклеящийся герметизирующий материал на основе натриевого бентонита.

Для герметизации рабочих конструкционных швов подземных бетонных сооружений, а также мест прохода инженерных коммуникаций. Устанавливается непосредственно перед бетонированием.

Конструкции наружных ограждений жилых и общественных зданий.

Узлы и детали.

Технология построечных работ.

Наиболее распространенными конструктивными системами многоэтажных наружных ограждений гражданских зданий, получившими воплощение в современном строительстве в нашей стране являются четыре системы:

1. Трехслойная кирпичная

2. Панельная трехслойная на гибких связях

3. Монолитная с наружным утеплением

4. Из крупных легкобетонных блоков

Именно поэтому им в работе уделено наибольшее внимание. Использование в них новых материалов и в частности герметиков, дает наибольшую отдачу и ощутимый эффект во времени. Эти конструктивные системы образуют основной объем гражданского строительства, который в 2005 году составил 40 млн. м2 общей площади. Таким образом, обеспечение его необходимым количеством герметизирующих материалов является государственной задачей соответствующих производственных фирм.

Внутренние конструкции всех перечисленных систем зданий являются общими, поэтому они универсальны и могут применяться в каждой из них. В наружных ограждениях каждой конструктивной системы, важнейшей ее частью являются оконные и дверные блоки, поэтому от правильной их установки и герметизации в значительной мере зависит сокращение теплопотерь здания.

В качестве примера правильной установки, уплотнения и герметизации в рекомендациях приведены окна повышенного сопротивления теплопередаче: деревянные с двумя переплетами, внутренним одинарным стеклопакетом и наружным стеклом и окна из ПВХ с уширенной коробкой, с одной пятикамерной створкой и с двухкамерным стеклопакетом. Их установка дана во всех перечисленных системах.

Установка оконных блоков

Практика показала, что от местоположения, тепло- и гидроизоляции оконных и дверных (балконных) блоков в проеме стены во многом зависят теплопотери жилых помещений. Большие потери тепла происходят не только через стыки коробки оконных и дверных блоков со стеной, но и по откосам проема окна, поэтому утепление их по всему периметру проема во многих случаях совершенно необходимо. Недоучет этого приводит к образованию конденсата и наледи в углах блоков со стеной. Для предотвращения этого явления рекомендуется после герметизации и утепления оконных и дверных блоков пенополиуретаном марки ВИЛАН-405 или "Макрофлекс", или "Хемлюкс" на ширину 12 - 15 см (по расчету) установить полосы АБРИС®С-ЛТиз. толщ. 10 мм со стороны помещения.

Нагнетание пенополиуретана может осуществляться со стороны помещения и снаружи. В случае когда нагнетание пены происходит со стороны помещения, перед заполнением зазора с наружной стороны на оконную коробку и наружную стеновую панель, устанавливается диффузионная (паропроницаемая) лента АБРИС®С-ЛТ диф.

Если нагнетание пены ведется снаружи диффузионная (паропроницаемая) лента АБРИС®С-ЛТ диф. крепится одной стороной к стеновой панели и после заполнения пеной зазора к коробки оконного блока крепится другая сторона ленты как показано на листах 24 и 24а.

Для перекрывания зазоров между стеной и оконной конструкцией с наружной стороны используется нащельник, который защищает пену и АБРИС®С-ЛТ диф. от ультрафиолетовых лучей и в качестве декорации. Нащельник надо ставить с зазором не менее 3 мм.

На чертежах представлена установка 2-х видов оконного блока: спаренного из ПВХ, и деревянного с раздельными створками. Эти конструкции наиболее массово применяются в современном строительстве жилых и общественных зданий.

В целях экономии топлива в Москве Председателем Москомархитектуры дано указание предусматривать в проектах зданий применение окон, утилизирующих тепло и обеспечивающих вентиляцию. В их конструкции заложена воздухозаборная решетка, которая утеплена АБРИС®С-ЛТфиз.

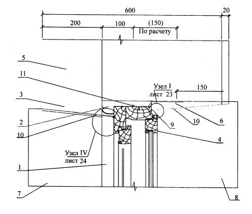
УСТАНОВКА ОКОННОГО БЛОКА ИЗ ПВХ С КОРОБКОЙ ШИРИНОЙ 121 мм.

В ТРЕХСЛОЙНЫХ КИРПИЧНЫХ СТЕНАХ

(вертикальный разрез по верху проема)

1. Уширенная часть коробки оконного ПВХ блока

2. ППУ ВИЛАН-405 или ХЕМЛЮКС или МАКРОФЛЕКС

3. Железобетонная перемычка

4. Утеплитель - минераловатные плиты или ПСБ-С

5. Кирпич - наружный слой.

6. Кирпич - внутренний слой

7. Минераловатная твердая плита (базальтовая)

8. Герметик АБРИС®Рс

9. Цементно-песчаный раствор

10. Полимерцементный раствор

11. АБРИС®С-ЛТдиф

УСТАНОВКА ОКОННОГО БЛОКА ИЗ ПВХ С КОРОБКОЙ ШИРИНОЙ 121 мм. В ОДНОСЛОЙНЫХ СТЕНАХ С НАРУЖНЫМ УТЕПЛЕНИЕМ РЕКОНСТРУИРУЕМЫХ ЗДАНИЙ

(горизонтальный разрез)

1. Уширенная часть коробки оконного ПВХ блока

2. ППУ ВИЛАН-405 или ХЕМЛЮКС или МАКРОФЛЕКС

3. Оконный блок из ПВХ, с коробкой шир. 121 мм

4. Утеплитель - минераловатные плиты или ПСБ-С

5. Полимерцементный слой, армированный стекло пластиковой сеткой

6. Однослойная стена из легкого бетона

7. Герметик АБРИС®Рс или АБРИС®С-Ш

8. АБРИС®С-ЛТдиф (толщ. 10 мм)

УСТАНОВКА ОКОННОГО БЛОКА ИЗ ПВХ С КОРОБКОЙ 60 мм. В ОДНОСЛОЙНЫХ СТЕНАХ ИЗ ЯЧЕИСТОГО БЕТОНА С ЧЕТВЕРТЬЮ ШИРИНОЙ 200 мм. В ОКОННОМ ПРОЕМЕ СТЕНЫ.

(вертикальный разрез по верху проема)

1. Уширенная часть коробки оконного ПВХ блока

2. ППУ ВИЛАН-405 или ХЕМЛЮКС или МАКРОФЛЕКС

3. Четверть оконного проема стены

4. Оконный блок из ПВХ, с коробкой шир. 60 мм.

5. АБРИС®С-ЛТиз., толщ. 10 мм

6. Герметик АБРИС®Рс или АБРИС®С-Ш

7. Брусковые перемычки ПБ-175. 20-14Я плотностью 700 кг/м3

8. Полимерцементный раствор

9. Стальная пластина крепления оконной коробки

УСТАНОВКА ОКОННОГО БЛОКА ИЗ ПВХ С КОРОБКОЙ 121 мм. В ОДНОСЛОЙНЫХ СТЕНАХ ИЗ БЛОКОВ ЯЧЕИСТОГО БЕТОНА С ЧЕТВЕРТЬЮ ШИРИНОЙ 100 мм. В ОКОННОМ ПРОЕМЕ СТЕНЫ.

(вертикальный разрез по верху проема)

1. Уширенная часть коробки оконного ПВХ блока

2. ППУ ВИЛАН-405 или ХЕМЛЮКС или МАКРОФЛЕКС

3. Четверть оконного проема стены

4. Оконный блок из ПВХ с коробкой шир. 60 мм.

5. Брусковые перемычки ПБ 175.10-1Я v – 450 кг/м3

6. АБРИС®С-ЛТиз., толщ. 10мм.

7. Стальная полоса крепления оконной коробки

8. Герметик АБРИС®Рс или АБРИС®С-Ш

9. Цементно-песчаный раствор

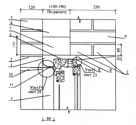
УСТАНОВКА ДЕРЕВЯННОГО ОКОННОГО БЛОКА С КОРОБКОЙ ШИРИНОЙ 134 ММ. В 3-Х СЛОЙНЫХ КИРПИЧНЫХ СТЕНАХ

(вертикальный разрез по верху проема)

1. ППУ ВИЛАН-405 или ХЕМЛЮКС или МАКРОФЛЕКС с наружным слоем из полимерцементной мастики

2. Железобетонная перемычка

3. Стальная профильная полоса крепления коробки оконного блока

4. Утеплитель - минераловатные, плиты или ПСБ-С

5. Кирпич - наружный слой.

6. Кирпич - внутренний слой.

7. Минераловатная твердая плита (базальтовая)

8. Герметик АБРИС®Рс или АБРИС®С-Ш

9. Цементно-песчаный раствор

10. Полимерцементный раствор

11. АБРИС®С-ЛТдиф

УСТАНОВКА ДЕРЕВЯННОГО ОКОННОГО БЛОКА С КОРОБКОЙ ШИРИНОЙ 134 мм. В 3-Х СЛОЙНЫХ КИРПИЧНЫХ СТЕНАХ

(горизонтальный разрез)

1. ППУ ВИЛАН-405 или ХЕМЛЮКС или МАКРОФЛЕКС

2. Полимерцементная мастика (раствор)

3. Стальная профильная полоса крепления коробки оконного блока

4. Утеплитель - минераловатные, плиты или ПСБ-С

5. Кирпич - наружный слой.

6. Кирпич - внутренний слой.

7. Минераловатная твердая плита (базальтовая)

8. Герметик АБРИС®Рс

9. Цементно-песчаный раствор

10. АБРИС®С-ЛТдиф

УСТАНОВКА ДЕРЕВЯННОГО ОКОННОГО БЛОКА С КОРОБКОЙ ШИРИНОЙ 134 мм. В ОДНОСЛОЙНЫХ СТЕНАХ С НАРУЖНЫМ УТЕПЛЕНИЕМ РЕКОНСТРУИРУЕМЫХ ЗДАНИЙ

(вертикальный разрез низа проема)

1. ППУ ВИЛАН-405 или ХЕМЛЮКС или МАКРОФЛЕКС

2. Минераловатная полужесткая плита

3. Однослойная стена из легкого бетона

4. Полимерцементный слой, армированный стеклопластиковой сеткой.

5. Герметик АБРИС®Рс или АБРИС®С-Ш

6. Подоконная доска

7. Полимерцементный раствор

8. Стальная профильная полоса крепления коробки оконного блока

УСТАНОВКА ДЕРЕВЯННОГО ОКОННОГО БЛОКА С КОРОБКОЙ 134 мм. В ОДНОСЛОЙНЫХ СТЕНАХ ИЗ БЛОКОВ ЯЧЕИСТОГО БЕТОНА С ЧЕТВЕРТЬЮ ШИРИНОЙ 200 мм. В ОКОННОМ ПРОЕМЕ СТЕНЫ.

(горизонтальный разрез)

1. ППУ ВИЛАН-405 или ХЕМЛЮКС или МАКРОФЛЕКС с наружным слоем из АБРИС®С-ЛТдиф

2. ППУ ВИЛАН-405 или ХЕМЛЮКС или МАКРОФЛЕКС

3. Четверть оконного проема стены

4. Деревянный оконный блок с коробкой шир. 134 мм.

5. Стена из блока ячеистого бетона v - 450 кг/м3

6. АБРИС®С-ЛТиз

7. Слив

8. Подоконная доска

9. Герметик АБРИС®Рс

10. Полимерцементный раствор

11. Стальная пластина крепления оконной коробки

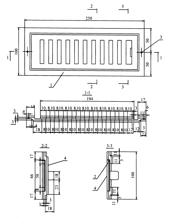
ПЛАСТМАССОВАЯ РЕГУЛИРУЕМАЯ ВОЗДУХОЗАБОРНАЯ ЗАСЛОНКА

1. неподвижная решетка;

2. подвижная решетка;

3. отверстие диаметром 3 мм. для крепления заслонки;

4. заслонка.

Заслонка выполняется из водостойкой фанеры, толщиной 5 - 6 мм, или из полиамида, обклеенных АБРИС®С-ЛТ физ

Элементы оконного блока

Узел I

УЗЕЛ ПРИМЫКАНИЯ ОКОННОГО БЛОКА ИЗ ПВХ К ОТКОСУ

Узел II

УЗЕЛ ПРИМЫКАНИЯ ДЕРЕВЯННОЙ ОКОННОЙ КОРОБКИ К ПОДОКОННОЙ ДОСКЕ

Узел III

УТЕПЛЕНИЕ ЧЕТВЕРТИ НАРУЖНОЙ СТЕНЫ.

Узел IV

ПАРОПРОНИЦАЕМОЕ ПОКРЫТИЕ УТЕПЛИТЕЛЯ КОРОБКИ ДЕРЕВЯННОГО ОКОННОГО БЛОКА.

(При нагнетании пены со стороны улицы)

Узел IV

ПАРОПРОНИЦАЕМОЕ ПОКРЫТИЕ УТЕПЛИТЕЛЯ КОРОБКИ ДЕРЕВЯННОГО ОКОННОГО БЛОКА.

(При нагнетании пены со стороны помещения)

Конструкции полов

Полы укладываются по железобетонным междуэтажным перекрытиям после полного монтажа наружных и внутренних несущих стен, вентблоков, лестничных маршей и сантехкабин.

Комплексный материал АБРИС®С-ЛТ из включающий "Изолон" ППЭ здесь наиболее целесообразен в качестве шумозащиты от ударных и вибрационных шумов, а также в качестве пароизоляции.

В перекрытиях 1-го этажа (чертеж 1) он служит одновременно и дополнительной теплоизоляцией и двойной гидро- и пароизоляцией. Его необходимо с этой целью укладывать и встык между наружной стеной, перекрытием и цоколем.

Основную площадь конструкции пола первого этажа следует утеплять пенополистиролом (ПСБ-С), а сверху и снизу его покрывать АБРИС®С-ЛТиз., используя его паронепроницаемость вместо пленки или рубероида, применяемых в настоящее время.

Наиболее уязвимым местом передачи звука является место примыкания цементно-песчаной стяжки к стенам несущих конструкций и перегородок. В этом стыке следует уложить слой АБРИС®С-ЛТ из. - 10 мм

В целях противопожарной защиты сверху на АБРИС®С-ЛТ из. следует уложить слой песка на глубину 25 мм.

Межкомнатные перегородки должны ставиться также на слой АБРИС®С-ЛТиз.

ТЕПЛОИЗОЛЯЦИЯ ПЕРЕКРЫТИЯ И ПОЛА 1 ЭТАЖА

Конструкция пола над подвалом и стыка его с наружной стеной

ШУМОИЗОЛЯЦИЯ ПОЛОВ

Стык конструкции пола с перегородкой между комнатами.

ПАРО- И ГИДРОИЗОЛЯЦИЯ ПОЛА

1. Конструкцию пола следует применять при неутепленном цоколе и в зоне опасного капиллярного поднятия грунтовых вод.

2. Термическое сопротивление конструкции перекрытия (в месте с полом) - 2,54 м2. С/Вт

Деревянная конструкция пола над подвалом

ШУМОИЗОЛЯЦИЯ ПОЛА

Конструкция пола над междуэтажным перекрытием

ШУМОИЗОЛЯЦИЯ ПОЛА

Конструкцию пола допускается применять только при производстве работ в зимнее время

Конструкция пола над междуэтажным перекрытием

Стена и перекрытие мансарды

Конструкции пола сантехкабин

Конструкция пола сантехкабины и его стыка со стеной.

Конструкция совмещенной кровли

Представлена конструкция совмещенной кровли с дренажным покрытием из бетонных плит М-400 с зазором, уложенных с уклоном по крупному песку.

Кровля и ее парапетная часть утеплена МВП повышенной жесткости и защищена АБРИС®С-ЛТф, который одновременно является гидро- и пароизолятором.

Все слои утеплителя перекрытия имеют плотность = 150 кг/м3.

В качестве дополнительной (страховочной) гидроизоляции между цементно-песчаной армированной стяжкой и утеплителем (предусмотрен сплошной сварной ковер с напуском на парапет АБРИС®С-ЛТф. толщиной 3 мм.

На угол между парапетной и плоской частью кровли укладывается наклонная бетонная плитка на полимерцементной мастике, которой затирается по гидроизоляционному ковру вся верхняя часть парапета.

ГИДРОИЗОЛЯЦИЯ КРОВЛИ

Стык совмещенной кровли с парапетом.

УСТРОЙСТВО ВЕНТИЛЯЦИОННОГО БЛОКА

Надкрышные детали.

Конструкция совмещенной вентилируемой кровли.

УСТАНОВКА КАНАЛИЗАЦИОННОГО СТОЯКА

Надкрышные детали.

Конструкция совмещенной вентилируемой кровли.

УСТРОЙСТВО ВОДОПРИЕМНОЙ ВОРОНКИ

Надкрышные детали.

Конструкция совмещенной вентилируемой кровли.

УСТАНОВКА РАДИОСТОЙКИ (ТЕЛЕАНТЕНЫ)

Надкрышные детали.

Конструкция совмещенной вентилируемой кровли.

КРЕПЛЕНИЕ РАСТЯЖКИ ТЕЛЕАНТЕНЫ

Надкрышные детали.

Конструкция совмещенной вентилируемой кровли.

ФРИЗОВАЯ ЧАСТЬ ФАСАДА СТЕНЫ И ПАРАПЕТ

Конструкция вентилируемой кровли

Конструкция скатной кровли

Покрывает мансардную часть здания. Ее целесообразно делать легкой и вентилируемой. В качестве утеплителя здесь необходим предельно возможный огнестойкий материал. Этим требованиям отвечает минераловатная плита повышенной жесткости (МВП).

Кровля монтируется в следующей последовательности (см. чертеж 40):

- на несущую наружную стену по периметру укладывается и крепится деревянный брус 120 × 60 мм;

- на брус ставятся и крепятся скобами стропила;

- к стропилам снизу прибивается деревянная обрешетка из реек 50 × 30 м;

- обрешетка снизу облицовывается двумя слоями гипсоволокнистого листа 12 × 2 = 24 мм (ГВЛ), на которые с одной стороны наклеиваются полосы АБРИС®С-ЛТф.

Одним наружным (со стороны помещения) листом облицовывается вся стена изнутри.

- на обрешетку и ГВЛ снаружи укладываются в 3 слоя лист МВП толщиной 50 мм каждый. При этом нижний слой заводится под стропило, а два верхних укладываются между стропилами;

- сверху на МВП кладется один лист ГВЛ толщиной 12 мм, который прижимается к нему рейкой 30 × 40 мм, прибиваемой сверху к стропилам;

- по стропилам вдоль здания укладывается обрешетка из деревянных реек 30 × 40 мм и по ней настилается металлочерепица;

- все это сверху накрывается металлическим коньковым элементом, а карниз снизу подшивается досками с прорезями для вентиляции крыши.

ВЕНТИЛИРУЕМАЯ СКАТНАЯ КРОВЛЯ

Конструкция кровли мансарды и ее стык с трехслойной наружной стеной.

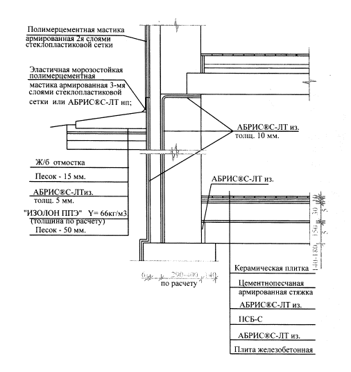
Тепло- и гидроизоляция подвала и цоколя здания

Желательно проводить эти работы одновременно и на наружных стенах и цоколе и стенах подвала, т.к. при тепло- и гидроизоляции очень важна непрерывность слоев укладки без стыков по высоте изоляции.

По очищенной от грязи бетона, арматуры и других выступающих частей сначала выполняется гидроизоляция АБРИС®С-ЛТиз. при толщине 5 мм в 2 слоя стен подвала и цоколя. Листы АБРИС®С-ЛТиз. Укладываются, разглаживаются и плотно прижимаются к стене так, чтобы не было воздушных пузырей.

После этого по всей поверхности стены подвала, цоколя и наружной стены укладывается теплоизоляционный слой на мастике АБРИС®Рс. Теплоизоляция стен подвала и цоколя облицовывается вторым слоем АБРИС®С-ЛТиз. толщиной 10 мм. Фасадная поверхность наружной стены и цоколя штукатурится слоем полимерцементной мастики толщиной 8 - 10 мм с армированием двумя слоями стеклопластиковой сетки с ячейкой 5 × 5 или 5 × 10 мм.

Затем послойно, как показано на чертеже стр. 42, настилается пол подвала.

Последующей операцией будет засыпка грунта вокруг здания и устройство вокруг него отмостки.

Предварительно под нее делается углубление в грунте шириной 90 см и глубиной 15 см; насыпается в нее песок толщиной 5 см и по нему укладывается утеплитель ПСБ, сверху него гидроизоляционный слой АБРИС®С-ЛТиз., а затем песок и плиты или монолит бетона М300 - М400 с уклоном 2 - 3%.

Стык отмостки и стены цоколя заделываются (как показано на чертеже стр. 44) послойно эластичной морозостойкой мастикой, армируемой тремя слоями стеклопластиковой сетки.

ТЕПЛО И ГИДРОИЗОЛЯЦИЯ ПОДВАЛА И ЦОКОЛЯ

Стык ограждений подвала, 1 этажа и отмостки

Шумоизоляция лестничного марша

Лестничная клетка (марши и площадки) является весьма существенным источником шума, поступающим в прилегающие к ней квартиры дома.

Этот шум возможно предотвратить, изолируя эти конструктивные элементы в процессе монтажа прокладками АБРИС®С-ЛТ из. Это выполняется следующим образом.

На каждый марш перед его установкой на торцы снизу и сбоку опорного зуба и боковые части ступенек (со стороны, примыкающей к стене) клеятся полосы и куски АБРИС®С-ЛТиз. толщиной (5 - 8) мм.

Марш устанавливается на продольные опорные площадки и крепится к ним гибкими связями.

Сверху на площадки настилаются листы толщиной 5 мм АБРИС®С-ЛТ из. По листам АБРИС®С-ЛТиз. укладывается керамическая плитка на полимерцементной мастике.

ШУМОИЗОЛЯЦИЯ ЛЕСТНИЧНЫХ МАРШЕЙ И ПЛОЩАДОК

"АБРИС" в конструкциях лестничной клетки

Изоляция мусоропровода и трубопроводов

Предусматривает защиту от шума при использовании мусоропровода путем передачи его через перекрытие лестничного марша и трубопроводов горячего и холодного водоснабжения, при потреблении воды для хозяйственных целей.

Изоляция производится следующим образом. Ствол мусоропровода или трубопровод обертывается куском АБРИС®С-ЛТиз. на высоту, равную толщине перекрытия с полом. Затем этот кусок-обойма из АБРИС®С-ЛТиз. скрепляется скотчем или веревкой и опускается в специально подготовленное отверстие на уровень перекрытия.

Далее между обоймой из «АБРИС» в зазор дыры перекрытия нагнетается расширяющийся цементно-песчаный раствор (чертежи 5 и 6).

Раствор, расширяясь, плотно прижимает обойму к трубе и удерживает ее от выпадения.

После отверждения раствора АБРИС®С-ЛТиз. вокруг покрывается керамической плиткой на слое эластичного полимерцемента.

ЗВУКОИЗОЛЯЦИЯ ТРУБОПРОВОДОВ ВОДОСНАБЖЕНИЯ

Узел прохода трубопроводов через междуэтажное перекрытие

Конструкция и стык площадки и пола лестничного марша со стволом мусоропровода

УТЕПЛЕНИЕ ТРУБОПРОВОДА ХОЛОДНОГО ВОДОСНАБЖЕНИЯ

Стояк холодной воды сантехкабины с теплоизоляцией из АБРИС®С-ЛТ физ.

Теплоизоляция трубопроводов наружных сетей

Имеется в виду теплоизоляция трубопроводов канализации и водоснабжения, прокладываемых в наружных траншеях вне здания и трубопроводов, проходимых в подвалах и в виде стояков в сантехузлах.

Первая необходима не только от замерзания содержимого труб, но и предотвращения их увлажнения и последующей коррозии. Она выполняется в следующей последовательности:

в подготовленную траншею засыпается слой песка толщиной 15 - 20 см с уклоном (или горкой) в сторону;

На песок укладывается лист "Изолон(а) ППЭ" = 33 кг/м3 толщиной 50 мм шириной 70 - 80 см; на него насыпается еще слой песка толщиной 3 - 4 см, на который укладываются трубы канализации и водоснабжения. Перед их укладкой они должны быть обернуты лентой АБРИС®С-ЛТ физ. толщиной 10 мм, дублированной алюминиевой фольгой с одной стороны, а с другой - клеем; на трубы насыпается также слой песка, укладываемого горкой. Песок накрывается вторым листом "Изолон(а) ППЭ" = 33 кг/м3 с напуском по краям на нижний лист.

Все это закапывается вынутым грунтом, трамбуется, затем засыпается растительной почвой слоем в 20 см.

Утепление внутренних трубопроводов в подвале и санузлах также необходимо. Через трубы горячего водоснабжения очень много теряется тепла по длине их прохождения по этажам. В свою очередь, трубы холодного водоснабжения забирают тепло из помещений. Происходит перетек тепла в воду, которая, циркулируя, уносит его с собой. На трубах образуется конденсат, который стекает и портит прилегающие перекрытия этажей. Перед их укладкой они должны быть обернуты лентой АБРИС®С-ЛТ физ. Трубы в этом случае не конденсируют влагу и не ржавеют (см. чертеж стр. 48).

УТЕПЛЕНИЕ ТРУБОПРОВОДОВ В ТРАНШЕЯХ

Теплоизоляция трубопроводов наружной сети

ТЕПЛОИЗОЛЯЦИЯ ТРУБОПРОВОДОВ ВОДОСНАБЖЕНИЯ

Изоляция прямого участка труб

 

 




ГОСТЫ, СТРОИТЕЛЬНЫЕ и ТЕХНИЧЕСКИЕ НОРМАТИВЫ.
Некоммерческая онлайн система, содержащая все Российские Госты, национальные Стандарты и нормативы.
В Системе содержится более 150000 файлов нормативно-технической документации, действующей на территории РФ.
Система предназначена для широкого круга инженерно-технических специалистов.

Рейтинг@Mail.ru Яндекс цитирования

Copyright © www.gostrf.com, 2008 - 2026