|
|
Безопасность оборудования ДВУРУЧНЫЕ УСТРОЙСТВА УПРАВЛЕНИЯ. ISO 13851:2002
Предисловие Цели, основные принципы и основной порядок проведения работ по межгосударственной стандартизации установлены ГОСТ 1.0-92 «Межгосударственная система стандартизации. Основные положения» и ГОСТ 1.2-97 «Межгосударственная система стандартизации. Стандарты межгосударственные, правила и рекомендации по межгосударственной стандартизации. Порядок разработки, принятия, применения, обновления и отмены» Сведения о стандарте 1 ПОДГОТОВЛЕН «Всероссийским научно-исследовательским институтом стандартизации и сертификации в машиностроении» (ВНИИНМАШ) Федерального агентства по техническому регулированию и метрологии на основе собственного аутентичного перевода стандарта, указанного в пункте 4. 2 ВНЕСЕН Федеральным агентством по техническому регулированию и метрологии. 3 ПРИНЯТ Межгосударственным советом по стандартизации, метрологии и сертификации (протокол № 29 от 24 июня За принятие проголосовали:
4 Настоящий стандарт идентичен международному стандарту ИСО 13851-2002 «Безопасность оборудования. Двуручные устройства управления. Функциональные аспекты и принципы конструирования» (ISO 13851:2002 «Safety of machinery - Two-hand control devices - Functional aspects and design principles»). При применении настоящего стандарта рекомендуется использовать вместо ссылочных международных (региональных) стандартов соответствующие им межгосударственные стандарты, сведения о которых приведены в дополнительном приложении В. 5
Приказом Федерального агентства по техническому регулированию и метрологии от 25 июня
(Поправка. ИУС 11-2007) 6 ВВЕДЕН ВПЕРВЫЕ Информация о введении в действие (прекращении действия) настоящего стандарта публикуется в указателе «Национальные стандарты». Информация об изменениях к настоящему стандарту публикуется в указателе «Национальные стандарты», а текст изменений - в информационных указателях «Национальные стандарты». В случае пересмотра или отмены настоящего стандарта соответствующая информация будет опубликована в информационном указателе «Национальные стандарты» Содержание Введение Цель подготовки настоящего стандарта, содержащего идентичный текст международного стандарта ИСО 13851-2002, предоставить разработчикам стандартов типа С, конструкторам, изготовителям и другим заинтересованным сторонам четкую основу по функциональным аспектам и принципам конструирования двуручных устройств управления, обеспечивающих безопасность оборудования. Определение термина «двуручное устройство управления», приведенное в 3.1 настоящего стандарта, имеет преимущество над определением по 3.23.4 ИСО/ТО 12100-1. В некоторых установках применяют сопутствующие устройства управления (см. 3.23.2 ИСО/ТО 12100-1) и (или) устройства управления с автоматическим возвратом в исходное состояние (см. 3.23.3 ИСО/ТО 12100-1), определения которых могут совпадать с определением двуручного устройства управления по настоящему стандарту. Кроме того, некоторые специальные устройства управления, такие как подвесные пульты управления для автоматов со сложными функциями и устройства управления для кранов, требуют использования двух рук, и их определения также могут совпадать с определением двуручного устройства управления по настоящему стандарту. Выбор двуручных устройств управления в качестве предохранительных устройств зависит от оценки риска, проводимой в соответствии с ИСО/ТО 12100-1 и ИСО 14121 [1]. ИСО 13851-2002 разработан на основе европейского стандарта ЕН 574-96 и соответствует требованиям «Директивы по машиностроению ЕЭС» и соответствующим правилам «Европейской ассоциации свободной торговли» (ЕАСТ). Настоящий стандарт - один из комплекса стандартов «Безопасность оборудования» и относится к стандартам типа В. МЕЖГОСУДАРСТВЕННЫЙ СТАНДАРТ
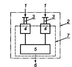
Дата введения - 2008-01-01 1 Область примененияНастоящий стандарт устанавливает требования безопасности для двуручных устройств управления, и зависимость выходного сигнала от входных сигналов, требования и руководства по конструированию и выбору на основе оценки риска двуручных устройств управления, включая их оценку, предотвращение возможности обхода их защитных действий, избежание неисправностей, а также требования и руководства для двуручных устройств управления, содержащих программируемые электронные системы (см. раздел 7). Настоящий стандарт определяет основные характеристики двуручных устройств управления для обеспечения безопасности и описывает комбинации функциональных характеристик устройств трех типов. Настоящий стандарт распространяется на любые двуручные устройства управления независимо от вида используемой энергии, включая: - двуручные устройства управления, которые являются или не являются неотъемлемой составной частью машины; - двуручные устройства управления, которые состоят из одного или нескольких отдельных блоков. Настоящий стандарт не распространяется на устройства, предназначенные для применения в качестве сопутствующих устройств управления, устройств управления с автоматическим возвратом в исходное состояние или специальных устройств управления. Настоящий стандарт не устанавливает типы машин, с которыми должны применяться двуручные устройства управления, и типы применяемых двуручных устройств управления, а также расстояния между этими устройствами и опасной зоной (см. 9.8). 2 Нормативные ссылкиВ настоящем стандарте использованы ссылки на следующие стандарты: ИСО/ТО 12100-1-1992 Безопасность оборудования. Основные понятия, общие принципы конструирования. Часть 1. Основные термины, методика ИСО/ТО 12100-2-1992 Безопасность оборудования. Основные понятия, общие принципы конструирования. Часть 2. Технические правила и технические требования ИСО 13855-2002 Безопасность оборудования. Расположение защитных устройств с учетом скоростей приближения частей тела человека ЕН 1070-98 Безопасность оборудования. Термины и определения ИСО 14121-99 Безопасность оборудования. Принципы оценки риска МЭК 60204-1-97 Безопасность оборудования. Электрооборудование машин. Часть 1. Общие требования ИСО 13849-1-99 Безопасность оборудования. Элементы системы управления, связанные с безопасностью. Часть 1. Общие принципы конструирования ЕН 894-3-92 Безопасность оборудования. Эргономические требования при конструировании индикаторов исполнительных механизмов управления. Часть 3. Исполнительные механизмы управления 3 Термины и определенияВ настоящем стандарте применены термины по ИСО/ТО 12100-1, ИСО/ТО 12100-2 и ЕН 1070, а также следующие термины с соответствующими определениями: 3.1 двуручное устройство управления (two-hand control device): Устройство, которое требует одновременного использования обеих рук для приведения машины в действие и управления ею в случае возникновения опасного состояния, обеспечивая меры защиты только для оператора, воздействующего на это устройство (см. рисунок 1). 3.2 входной сигнал (input signal): Внешний сигнал, передаваемый исполнительному устройству управления рукой оператора (см. рисунок 1).
1 - входной сигнал; 2 - двуручное устройство управления; 3 - исполнительное устройство управления; 4 - преобразователь сигналов; 5 - устройство для обработки сигналов; 6 - выходной сигнал; 7 - логический блок Рисунок 1 - Схема двуручного устройства управления 3.3 исполнительное устройство управления (control actuating device): Составная часть двуручного устройства управления, принимающая входной сигнал от руки оператора и передающая его преобразователю сигналов (см. рисунок 1). 3.4 одновременное приведение в действие (simultaneous actuation): Непрерывное действие обоих исполнительных устройств управления в течение одинакового интервала времени независимо от запаздывания по времени между началом первого входного сигнала и началом второго входного сигнала (см. рисунок 2). Примечание - В английском языке слова «concurrent» и «simultaneous» часто используют как синонимы (см. 9.2.5.7 МЭК 60204-1 [2]).
1 - первая рука оператора; 2 - вторая рука оператора; 3 - начало первого входного сигнала; 4 - начало второго входного сигнала; 5 - окончание входных сигналов; 6 - запаздывание по времени не определено, одновременное приведение в действие; 7- интервал времени при одновременном приведении в действие Рисунок 2 - Входные сигналы в случае одновременного приведения в действие 3.5 синхронное приведение в действие (synchronous actnation): Частный случай одновременного приведения в действие, когда запаздывание по времени между началом первого входного сигнала и началом второго входного сигнала не более 0,5 с (рисунок 3). 1 - первая рука; 2 - вторая рука; 3 - начало первого входного сигнала; 4 - начало второго входного сигнала; 5 - окончание входных сигналов; 6 - запаздывание по времени (t≤0,5c), синхронное приведение в действие; 7- интервал времени при синхронном приведении в действие Рисунок 3 - Входные сигналы в случае синхронного приведения в действие 3.6 преобразователь сигнала (signal converter): Составная часть двуручного устройства управления, принимающая входной сигнал от исполнительного устройства управления и передающая и (или) преобразующая этот сигнал в форму, приемлемую для устройства обработки сигнала (см. рисунок 1). 3.7 устройство обработки сигнала (signal processor): Составная часть двуручного устройства управления, генерирующая выходной сигнал в результате обработки двух входных сигналов (см. рису-нок1). 3.8 выходной сигнал (output signal): Сигнал, генерируемый двуручным устройством управления, который обеспечивает управление машиной и основан на одной паре входных сигналов (см. рисунок 1). 3.9 время срабатывания (response time): Интервал времени между отключением исполнительного устройства управления и окончанием выходного сигнала (см. также 9.8). 3.10 подвижные двуручные устройства управления (mobile two-hand control device): Устройство, которое может перемещаться и применяться более чем в одной определенной позиции по отношению к опасной зоне машины, управляемой этим устройством. 4 Типы двуручных устройств управления и их выборВ таблице 1 представлены три типа двуручных устройств управления и установлены функциональные характеристики, а также минимальные меры безопасности для каждого типа. Таблица 1 - Типы двуручных устройств управления и минимальные требования безопасности
Двуручные устройства управления должны соответствовать требованиям ИСО/ТО 12100-1, ИСО/ТО 12100-2 и МЭК 60204-1. При выборе типа и конструкции двуручного устройства управления следует учитывать: - наличие опасности(ей); - оценку риска; - опыт в использовании оборудования; - другие факторы, которые должны быть установлены для каждого применения [например, предотвращение случайного приведения в действие и возможности обхода двуручного устройства управления (см. раздел 8) или другие условия (см. раздел 3 ИСО/ТО 12100-2)]. Примечание - Указания по оценке риска приведены в ИСО/ТО 12100-1 и ИСО 14121. 5 Характеристики функций безопасностиДвуручные устройства управления должны обеспечивать в соответствии с таблицей 1 характеристики функций безопасности, приведенные в 5.1 - 5.7. 5.1 Использование обеих рук (одновременное приведение в действие)Двуручное устройство управления должно быть сконструировано таким образом, чтобы для приведения его в действие оператор был вынужден использовать обе руки в один и тот же интервал времени, при этом каждая рука должна находиться на каждом исполнительном устройстве. Одновременное приведение в действие не зависит от любого запаздывания по времени между началом каждого из двух входных сигналов (см. рисунок 2). 5.2 Связь между входными сигналами и выходным сигналомВходные сигналы, подаваемые на каждый из двух исполнительных устройств управления, должны совместно вырабатывать и поддерживать выходной сигнал от двуручного устройства управления до тех пор, пока подаются оба входных сигнала. Форма выходного сигнала (например, количество каналов, импульс, конфигурация и т.д.) может изменяться в зависимости от конструктивных требований в каждом случае. При этом цепь управления машиной должна всегда распознавать и идентифицировать его как единственный выходной сигнал. 5.3 Окончание выходного сигналаОтключение одного или обоих исполнительных устройств управления означает окончание выходного сигнала. 5.4 Предотвращение случайного приведения в действиеВероятность случайного приведения в действие исполнительных устройств управления должна быть минимальной (см. разделы 8 и 9). 5.5 Предотвращение возможности обходаКонструкция двуручного устройства управления должна предусматривать меры защиты для предотвращения возможности его обхода (см. разделы 8 и 9). 5.6 Повторное начало выходного сигналаПовторное получение выходного сигнала возможно только после отключения обоих исполнительных устройств управления. 5.7 Синхронное приведение в действие5.7.1 Выходной сигнал может быть получен только в случае, когда оба исполнительные устройства управления приведены в действие с временем запаздывания t ≤ 0,5 с (см. рисунок 3). 5.7.2 Механические двуручные устройства управления вырабатывают выходной сигнал только при условии соблюдения требований пространственного перемещения обоих исполнительных устройств управления. 5.7.3 В случае несинхронного приведения в действие исполнительных устройств управления выходной сигнал не вырабатывается. Следует отключить оба исполнительных устройства и повторно подать оба входных сигнала. Примечание - В случае использования двух или более двуручных устройств управления одной машиной синхронное приведение в действие требуется только в пределах каждого устройства и не требуется между устройствами. 6 Требования к категориям управления6.1 Выбор категорийТребования к составным частям двуручного устройства управления при возникновении неисправности должны соответствовать выбранной категории управления (см. таблицу 2 ИСО 13849-1). Категория управления двуручных устройств управления не должна быть ниже, чем категория соответствующего элемента системы управления машиной, связанного с безопасностью (см. ИСО 13849-1). В приложении Б описана зависимость между типами двуручных устройств управления и категориями согласно ИСО 13849-1. 6.2 Применение категории 1Успешно испытанные компоненты безопасности и принципы безопасности согласно категории 1 по ИСО 13849-1 следует использовать в двуручных устройствах управления типа I и типа III А. Примечание - Для достижения более высокой надежности и эксплуатационной готовности рекомендуется использовать успешно испытанные компоненты безопасности и принципы безопасности во всех типах двуручных устройств управления. 6.3 Применение категории 36.3.1 Двуручные устройства управления типов III и III В должны соответствовать требованиям категории 3 (см. ИСО 13849-1) и пунктов 6.3.2 - 6.3.4, если оценка риска указывает на требование безопасности вследствие одиночной неисправности. 6.3.2 Одиночная неисправность в двуручных устройствах управления не должна приводить к потере функции(ий) безопасности. 6.3 3 При возникновении одиночной неисправности двуручное устройство управления не должно превращаться в устройство управления одной рукой. 6.3.4 Выходной сигнал не должен вырабатываться как следствие одиночной неисправности. Примечание - Указанные требования не означают, что все неисправности будут обнаружены. Накопление необнаруженных неисправностей может привести к потере функции безопасности и появлению непреднамеренного выходного сигнала от двуручного устройства управления. 6.4 Применение категории 46.4.1 Двуручное устройство управления типа III С должно соответствовать требованиям категории 4 (ИСО 13849-1) и пунктов 6.3, 6.4.3 и 6.4.4, если оценка риска указывает на требование автоматического контроля. 6.4.2 Одиночная неисправность должна быть обнаружена во время или до следующего запроса функцией безопасности. 6.4.3 После возникновения одиночной неисправности повторное получение выходного сигнала не должно быть возможным. 6.4.4. Выходной сигнал, вырабатываемый во время возникновения одиночной неисправности, может сохраняться, но будет отключен, когда один или оба выходных сигнала закончены. Если одиночная неисправность не может быть обнаружена, то накопление неисправностей не должно приводить к потере функции(й) безопасности. 7 Применение программируемых электронных системЕсли программируемые электронные системы (ПЭС) применяют для обеспечения функциональных характеристик двуручных устройств управления, то требования безопасности программного и технического обеспечения ПЭС должны быть обеспечены в соответствии с оценкой риска. Для программного и технического обеспечения ПЭС должны быть разработаны меры безопасности по их защите, чтобы не допустить нарушения предназначенных функциональных характеристик. Выходной сигнал двуручных устройств управления типов III В и III С не должен вырабатываться и передаваться только с помощью одноканальной ПЭС в системе управления машиной. Примечание - В международной (региональной) стандартизации ведутся работы в области ПЭС [1] - [3]. 8 Предотвращение случайного приведения в действие и возможности обхода двуручного устройства управления8.1 Общие положенияИсполнительные устройства двуручного устройства управления должны быть сконструированы и расположены таким образом, чтобы защитное действие двуручного устройства не могло быть легко обойдено и вероятность случайного приведения в действие была минимальной в соответствии с оценкой риска для конкретного применения. Должна быть рассмотрена возможность применения только одной руки, сочетания применения одной руки и(или) других частей тела и(или) применения простых вспомогательных средств, позволяющих обойти защитное действие, таким образом, чтобы исключить возможность доступа в опасную зону во время возникновения опасной ситуации. Аналогичным образом должно быть рассмотрено случайное приведение в действие, например одеждой оператора. В качестве простых вспомогательных средств могут быть использованы, например, перемычки, шнуры или клеящие ленты. Выбор различных направлений приведения в действие, кожухов, форм и т.д. должен минимизировать возможность обхода защитного действия двуручного устройства управления. Возможность приведения в действие двуручного устройства управления двумя операторами, две руки которых могут быть не заняты, должна предотвращаться за счет использования синхронного приведения в действие. Примечание - Полная защита двуручного устройства управления от возможности его обхода невозможна. В 8.2 - 8.6 приведены некоторые отдельные способы, дающие возможность обхода защитного действия двуручного устройства управления, а также некоторые меры предосторожности для предотвращения этой возможности. Рассмотренные методы обхода зависят от конструкции двуручного устройства управления, условий работы, метода крепления и установки, а также от установленных требований относительно безопасного расстояния. В 8.7 приведены некоторые способы предотвращения случайного приведения в действие. Для обеспечения выполнения требований настоящего стандарта указанные меры предосторожности могут быть применены по отдельности и или в сочетании. Методики проверки, применяемые для большинства общих типов конструкции, изложены в 10.5. Для других конструкций двуручного устройства управления эти методики могут быть применимы или нет. В этих случаях должны быть проведены анализ опасности и оценка риска возможного применения и(или) неправильного применения данной конструкции и приняты соответствующие меры для приведения в соответствие с настоящим стандартом. 8.2 Предотвращение возможности обхода защитного действия с помощью одной рукиДолжны быть предусмотрены меры для предотвращения возможности обхода с помощью одной руки. Примерами соответствующих мер являются: -
расположение исполнительных устройств управления друг от друга на расстоянии не менее
-
установка одного или нескольких экранов или площадки с возвышением между исполнительными устройствами управления, сконструированными так, чтобы эти устройства располагались на расстоянии не менее 8.3 Предотвращение возможности обхода защитного действия с помощью кисти и локтя той же рукиДолжны быть предусмотрены меры для предотвращения возможности обхода с помощью кисти и локтя той же руки. Примерами соответствующих мер являются: -
расположение исполнительных устройств управления друг от друга на расстоянии не менее
- установка одного или нескольких экранов или площадки с возвышением между исполнительными устройствами управления, сконструированными так, чтобы исключить одновременное прикосновение локтем и кончиками пальцев той же руки этих устройств; - установка кожухов, сконструированных так, чтобы исполнительные устройства управления не могли быть приведены в действие локтем; - применение исполнительных устройств управления различных типов и (или) направлений действия. 8.4 Предотвращение возможности обхода защитного действия с помощью предплечья(ий) или локтя(ей)Должны быть предусмотрены меры для предотвращения возможности обхода с помощью предплечьями) и(или) локтя(ей), если расстояние от рук до опасной зоны при использовании предплечья(ий) и(или) локтя(ей) меньше, чем установленное безопасное расстояние. Соответствующей мерой может быть использование кожухов и(или) защитных втулок, сконструированных так, чтобы исполнительные устройства управления не могли быть приведены в действие предплечьями и(или) локтем(ями). 8.5 Предотвращение возможности обхода защитного действия с помощью одной руки и
|
||||||||||||||||||||||||||||||||||||||||||||||||||||||||||||||||||||||||||||||||||||||||||||||||||||||||||||||||||||||||||||||||||||||||||||||||||||||||||||||||||||||||||||||||||||||||||||||||||||||||||||||||||||||||||||||||||||||||||||||||||||||||||||||||||||||||||||||||||||||||||||||||||||||||||||||||||||||||||||||
|
Номер пункта, раздела |
Требование безопасности |
Внешний осмотр |
Проверка технических характеристик |
Измерение |
Примечание |
|
|
Общие характеристики: |
|
|
|
|
|
рабочие условия и влияние окружающей среды |
- |
+ |
+ |
Применение соответствующих стандартов |
|
|
требования к ограждениям |
+ |
+ |
- |
Путем типовых испытаний |
|
|
выбор, конструкция и установка исполнительных устройств управления |
+ |
+ |
+ |
|
|
|
непреднамеренный выходной сигнал, вызванный усилиями ускорения |
|
+ |
+ |
|
|
|
непреднамеренное приведение в действие |
+ |
+ |
|
Для подвижных и переносных ручных машин |
|
|
устойчивость |
- |
+ |
|
Для подвижных двуручных устройств управления |
|
|
время срабатывания |
- |
- |
+ |
- |
|
|
Маркировка |
+ |
|
|
|
|
|
|
Функциональные характеристики: |
|
|
|
|
|
использование обеих рук |
+ |
+ |
|
- |
|
|
связь между входными сигналами и выходными сигналами |
- |
+ |
|
- |
|
|
окончание выходного сигнала |
- |
+ |
|
- |
|
|
случайное приведение в действие |
+ |
+ |
+ |
Использование способов, указанных в разделе 8 |
|
|
возможность обхода |
+ |
+ |
- |
Использование требований 10.5 |
|
|
повторное начало выходного сигнала |
|
+ |
|
Проверка возврата в исходное положение |
|
|
синхронное приведение в действие |
|
|
|
|
|
|
|
Категории управления: |
|
+ |
+ |
|
|
категория 1 |
+ |
- |
- |
Путем идентификации |
|
|
категория 3 |
- |
+ |
+ |
Моделирование неисправности (см. 10.3) |
|
|
категория 4 |
- |
+ |
+ |
Тоже |
|
|
Примечание - Знак «+» означает применение методики проверки, знак «-» - невозможность применения. |
|||||
Методики, приведенные в таблице 2, предназначены для проверки требований безопасности двуручных устройств управления, включая их функциональные характеристики.
Методики проверки предназначены только для самих двуручных устройств управления и не учитывают возможное влияние системы управления оборудованием, с которой эти устройства связаны. Сигнал обратной связи от системы управления машины, который иногда требуется вследствие особенностей конструкции двуручного управления, должен быть смоделирован.
Содержание методик проверки, которые должны быть рассмотрены, зависит от конструкции и типа двуручного устройства управления, условий работы, способа крепления и расположения, а также от конкретных требований для безопасного расстояния.
Методики проверки должны включать внешний осмотр, проверку технических характеристик, измерение и теоретическую оценку.
Настоящий стандарт устанавливает общее руководство по методикам испытаний, в частности по «предотвращению обхода», но не дает детальной методологии.
Конструктор и(или) изготовитель должны предусмотреть для двуручного устройства управления проверочные и(или) типовые испытания, чтобы доказать соответствие этого устройства конструктивно-техническим требованиям, установленным в стандартах (например, МЭК 60204-1) или в конструкторской документации при отсутствии соответствующих стандартов.
Внешний осмотр предназначен для проверки требований, установленных для определенного типа двуручного устройства управления, путем физического обслуживания и должен выполняться в соответствии с таблицей 2.
Любые компоненты, используемые как успешно испытанные компоненты, должны быть особенно выделены изготовителем.
Проверка технических характеристик предназначена для подтверждения требований при управлении определенным типом двуручного устройства управления. Моделирование неисправности, основанное на анализе неисправности конструкции двуручного устройства управления, включает моделирование всех неисправностей, связанных с безопасностью, для устройств типов II, III В и III С (см. таблицы 1 и 2).
Измерение предназначено для проверки конфигурации, двоичных сигналов, механических особенностей, времени и т.д., установленных конструктором в соответствии с требованиями настоящего стандарта.
Примеры проверки путем измерения для предотвращения возможности обхода приведены в приложении А.
Для большинства конструкций общих типов следует проводить некоторые или все проверки путем измерения (см. также раздел 8).
В зависимости от предназначенного использования и формы двуручного устройства управления определяют, какие проверки, приведенные в приложении А, необходимы, т.к. некоторые из них содержатся в программах других проверок, а некоторые являются дополнительными.
Такое сочетание проверок предназначено для предотвращения возможности обхода, используя только одну руку, а также одну руку и локоть, колено, бедро или живот.
11.1 Следует выполнять требования, установленные в 5.4 ИСО/ТО 12100-2 и 1.7.3 приложения А ИСО/ТО 12100-2.
11.2 Двуручное устройство управления, соответствующее настоящему стандарту и не являющееся неотъемлемой составной частью машины, должно иметь четкую и долговременную маркировку:
- наименование и адрес изготовителя и(или) ответственного поставщика;
- данные модели или типа изготовителя;
- серийный номер изготовителя и год выпуска;
- тип двуручного устройства управления согласно разделу 4 и таблице 1 и обозначение настоящего стандарта.
Пример - ИСО 13851-2005: Тип III С;
- время срабатывания двуручного устройства управления в соответствии с 3.9;
- соответствующие рабочие данные для электрических двуручных устройств управления (см. МЭК 60204-1);
- рабочее давление и (или) другие соответствующие информационные данные для пневматических, механических и других неэлектрических двуручных устройств управления.
11.3 Если двуручное устройства управления состоит из двух или нескольких блоков, то, по крайней мере, один из блоков должен быть маркирован в соответствии с 11.2. Каждый из блоков должен быть маркирован таким образом, чтобы их можно было распознать как части одного и того же двуручного устройства управления.
11.4 Двуручное устройство управления, которое соответствует настоящему стандарту и является неотъемлемой составной частью машины, должно быть маркировано, по крайней мере, типом устройства и обозначением настоящего стандарта на машине. Другие данные и технические характеристики двуручного устройства управления должны быть приведены в руководстве по эксплуатации машины.
Примечание - Маркировка может быть нанесена на маркировочной табличке основной машины или рядом с расположением исполнительных устройств управления.
11.5 Составные элементы двуручного устройства управления должны быть распознаваемы, при необходимости, для проведения технического обслуживания и(или) ремонта.
Следует выполнять требования, установленные в 5.5 ИСО/ТО 12100-2 и в 1.7.4 приложения А ИСО/ТО 12100-2.
Информация по монтажу, эксплуатации и техническому обслуживанию двуручного устройства управления должна быть представлена изготовителем или его уполномоченным представителем на официальном языке страны, в которой должна использоваться машина (см. раздел 5 ИСО/ТО 12100-2).
Информация может быть представлена в виде чертежей, диаграмм, таблиц и/или текста.
Если двуручное устройство управления не является неотъемлемой составной частью машины, то должны быть приведены следующие данные:
- внешние габариты;
- необходимое пространство (например, для монтажа, осмотра, технического обслуживания);
- элементы крепления;
- пояснения по определению требуемых расстояний безопасности (см. 9.8);
- время срабатывания;
- необходимые характеристики, включая руководство по выбору категорий согласно ИСО 13849-1, для надлежащего взаимодействия и связи между двуручным устройством управления и соответствующей частью системы управления машиной, связанной с безопасностью;
- размер и тип питающей и соединительной сетей (например, кабели, жесткие или гибкие трубы и их рекомендуемое расположение);
- элементы предохранительных устройств (например, плавкие предохранители или клапаны, понижающие давление);
- инструкции по методике начала приведения в действие;
- инструкции по регулировке и настройке;
- методики испытаний для проверки совместного действия двуручных устройств управления и соответствующих частей системы управления машиной;
- подробности любых ограничений по предназначенному использованию;
- подробности мер предосторожности от неправильного применения.
Руководство по эксплуатации должно быть изложено ясным и недвусмысленным языком, обеспечивающим эксплуатацию двуручного устройства управления корректно и безопасно. В случае необходимости, следует использовать рисунки, диаграммы, символы и цифровые данные.
Руководство по эксплуатации должно содержать информацию для проверки правильности функционирования и выявления неисправностей двуручных устройств управления.
Инструкции должны содержать:
- необходимые указания по техническому обслуживанию и ремонту (в случае необходимости они должны включать рисунки и схемы соединения);
- соответствующие указания по безопасности как части плана технического обслуживания и (или) ремонта;
- календарный график по плановому техническому обслуживанию;
- перечень деталей;
- четкое обозначение деталей двуручных устройств управления в соответствии с диаграммами, рисунками и пояснениями.
А.1 Общие положения
Способы проверки, приведенные в А.2 - А.7, являются проверками согласно 10.5, предназначенными для подтверждения предохранительных мер, установленных в разделе 8.
На рисунках А.1 - А.12 приведены способы предотвращения возможности обхода, которые не представляют детали, необходимые при конструировании двуручного устройства управления.
А.2 Предотвращение возможности обхода с помощью одной руки (см. 8.2):
А.2.1 Разделение исполнительных устройств управления друг от друга на расстояние, равное или большее

Рисунок А.1 - Разделение расстоянием
А.2.2 Разделение исполнительных устройств управления одним или несколькими экранами или площадкой
с возвышением, сконструированных так, чтобы не допускать касания исполнительных устройств концами шнура
длиной

Рисунок А.2 - Разделение площадкой с возвышением
А.2.3 Разделение исполнительных устройств управления защитными втулками и ориентацией так, чтобы не
допускать касания исполнительных устройств концами шнура длиной

Рисунок А.3 - Разделение защитными втулками и ориентацией
А.3 Предотвращение возможности обхода кистью и локтем той же руки (см. 8.3)
А.3.1 Разделение исполнительных устройств управления расстоянием, равным или большим

Рисунок А.4 - Разделение расстоянием
А.3.2 Разделение исполнительных устройств управления установкой одного или нескольких экранов или
площадок с возвышением, которые сконструированы так, чтобы к исполнительным устройствам нельзя одновременно прикоснуться концами измерительного устройства, состоящего из жесткого стержня длиной
Стержень представляет предплечье, а шнур - кисть руки, которые могут использоваться в различных позициях при управлении (рисунок А.5).

1 - шнур
длиной
Рисунок А.5 - Разделение экранами
А.3.3 Разделение исполнительных устройств управления при помощи экранов, которые сконструированы для ограничения доступа со стороны управления и с обратной стороны так, чтобы исполнительные устройства не могли быть приведены в действие со стороны управления вершиной испытательного конуса, представляющего локоть (рисунок А.6).
Размеры испытательного конуса должны соответствовать размерам, указанным на рисунке А.7.

Рисунок А.6 - Применение испытательного конуса

Рисунок А.7
А.3.4 Испытательные устройства управления различных типов и(или) направлений управления (рисунки А.8 и А.9).

Рисунок А.8 - Разделение защитной втулкой и экраном

Рисунок А.9 - Разделение защитной втулкой, экраном и ориентацией
Для проверки устройства, представленного на рисунке А.8, следует использовать шнур и стержень (см. рисунок А.5), а для защитной втулки - испытательный конус (см. рисунки А.6 и А.7).
Для проверки устройства, представленного на рисунке А.9, следует также использовать шнур и стержень (см. рисунок А.5), а для защитной втулки и экрана - испытательный конус (см. рисунки А.6 и А.7).
А.4 Предотвращение возможности обхода с помощью предплечья(ий) или локтя(ей) (см. 8.4)
Экраны должны быть сконструированы так, чтобы исполнительные устройства управления не могли быть приведены в действие предплечьями и(или) локтями (рисунок А.10).
Для проверки устройства, представленного на рисунке А.10, следует использовать испытательный конус (см. рисунки А.6 и А.7).

Рисунок А. 10 - Разделение экранами
А.5 Предотвращение возможности обхода при помощи руки и других частей тела (см. 8.5)
А.5.1 Установка испытательных
устройств управления на горизонтальной или почти горизонтальной поверхности, расположенной на расстоянии, равном или большем

Рисунок А. 11 - Предотвращение возможности обхода местом установки
А.5.2 Установка исполнительных устройств управления на вертикальной или почти вертикальной поверхности с защитными втулками вокруг исполнительных устройств и(или) с экранами (см. рисунки А.9 и А.12).

Рисунок А. 12 - Разделение защитными втулками и местом установки
Для проверки устройства, представленного на рисунке А.12, следует использовать шнур и стержень (см. рисунок А.5), а для защитной втулки - испытательный конус (см. рисунки А.6 и А.7).
А.5.3 Установка кожухов и(или) экранов (см. рисунок А.10).
Таблица Б.1
|
Категория |
Перечень требований |
Тип двуручного устройства управления |
|
В |
Элементы систем управления, связанные с обеспечением безопасности, и/или их предохранительное устройство, а также их компоненты должны быть разработаны, сконструированы, выбраны, смонтированы и соединены согласно соответствующим стандартам с тем, чтобы они выдерживали ожидаемые воздействия |
- |
|
1 |
Следует применять требования категории В. Следует использовать успешно испытанные компоненты и хорошо проверенные принципы безопасности |
I и III A |
|
2 |
Следует применять требования категории В и хорошо проверенные принципы безопасности. Функцию безопасности следует проверять через соответствующие интервалы системой управления машины |
|
|
3 |
Следует применять требования категории В и хорошо проверенные принципы безопасности. Элементы, связанные с обеспечением безопасности, должны разрабатываться так, чтобы: одиночная неисправность в любом из этих элементов не приводила к потере функции безопасности; там, где практически возможно, одиночная неисправность должна обнаруживаться |
II и III В |
|
4 |
Следует применять требования категории В и хорошо проверенные принципы безопасности. Элементы, связанные с обеспечением безопасности, должны разрабатываться так, чтобы: одиночная неисправность в любом из этих элементов не приводила к потере функции безопасности; одиночная неисправность обнаруживалась во время или до следующего запроса функцией безопасности. Если это сделать невозможно, то тогда накопление неисправностей не должно приводить к потере функции безопасности |
III С |
Таблица В.1
|
Обозначение ссылочного международного стандарта |
Обозначение и наименование соответствующего межгосударственного стандарта |
|
ИСО 13849-1-99 |
* |
|
ИСО 14121-99 |
* |
|
МЭК 60204-1-97 |
* |
|
ЕН 894-3-92 |
* |
|
ИСО/ТО 12100-1-1992 |
ГОСТ ИСО/ТО 12100-1-2001 Безопасность оборудования. Основные понятия, общие принципы конструирования. Часть 1. Основные термины, методика |
|
И СО/ТО 12100-2-1992 |
ГОСТ ИСО/ТО 12100-2-2002 Безопасность оборудования. Основные понятия, общие принципы конструирования. Часть 2. Технические правила и технические требования |
|
ИСО 13855-2002 |
ГОСТ ИСО 13855-2006 Безопасность оборудования. Расположение защитных устройств с учетом скоростей приближения частей тела человека |
|
ЕН 1070-98 |
ГОСТ EН 1070-2003 Безопасность оборудования. Термины и определения |
|
* ответствующий межгосударственный стандарт отсутствует. До его принятия рекомендуется использовать перевод на русский язык данного международного стандарта или гармонизированный с ним национальный государственный стандарт страны, на территории которой применяется настоящий стандарт. Информация о наличии перевода данного международного стандарта в национальном фонде стандартов или в ином месте может быть приведена в национальных информационных данных, дополняющих данный стандарт. |
|
[1] NSE Guidelines-Programmable Electronic Systems in Safety Related Applications - Part 1 (ISBN 0883913 6) and Part 2 (ISBN 0 11 883906 3)
[2] Grundsatze fur Rechner in Systemen mit Sicherheitsaufgaben (DINVVDE0801, Jan.1990)
[3] Personal Safety in Microprocessor Control (ECD 184 and 185, Elektronikcentralen, Denmark)
Ключевые слова: безопасность оборудования, устройство управления двуручное, аспекты функциональные, принципы конструирования, требования безопасности
|
ГОСТЫ, СТРОИТЕЛЬНЫЕ и ТЕХНИЧЕСКИЕ НОРМАТИВЫ. Некоммерческая онлайн система, содержащая все Российские Госты, национальные Стандарты и нормативы. В Системе содержится более 150000 файлов нормативно-технической документации, действующей на территории РФ. Система предназначена для широкого круга инженерно-технических специалистов. Copyright © www.gostrf.com, 2008 - 2026 |