Крупнейшая бесплатная информационно-справочная система онлайн доступа к полному собранию технических нормативно-правовых актов РФ. Огромная база технических нормативов (более 150 тысяч документов) и полное собрание национальных стандартов, аутентичное официальной базе Госстандарта. GOSTRF.com - это более 1 Терабайта бесплатной технической информации для всех пользователей интернета. Все электронные копии представленных здесь документов могут распространяться без каких-либо ограничений. Поощряется распространение информации с этого сайта на любых других ресурсах. Каждый человек имеет право на неограниченный доступ к этим документам! Каждый человек имеет право на знание требований, изложенных в данных нормативно-правовых актах!

  


 

МЕЖГОСУДАРСТВЕННЫЙ СОВЕТ ПО СТАНДАРТИЗАЦИИ, МЕТРОЛОГИИ И СЕРТИФИКАЦИИ
(МГС)

INTERSTATE COUNCIL FOR STANDARDIZATION, METROLOGY AND CERTIFICATION
(ISC)

межгосударственный
стандарт

ГОСТ
31338-

2006
(ИСО 5135:1997)

Акустика

ОПРЕДЕЛЕНИЕ УРОВНЕЙ ЗВУКОВОЙ
МОЩНОСТИ ВОЗДУХОРАСПРЕДЕЛИТЕЛЬНОГО
ОБОРУДОВАНИЯ, ДЕМПФЕРОВ И КЛАПАНОВ
В РЕВЕРБЕРАЦИОННОМ ПОМЕЩЕНИИ

(ISO 5135:1997, MOD)

Москва

Стандартинформ

2007

Предисловие

Цели, основные принципы и основной порядок проведения работ по межгосударственной стандартизации установлены ГОСТ 1.0-92 «Межгосударственная система стандартизации. Основные положения» и ГОСТ 1.2-97 «Межгосударственная система стандартизации. Стандарты межгосударственные, правила и рекомендации по межгосударственной стандартизации. Порядок разработки, принятия, применения, обновления и отмены»

Сведения о стандарте

1 ПОДГОТОВЛЕН Открытым акционерным обществом «Научно-исследовательский центр контроля и диагностики технических систем» (ОАО «НИЦ КД») на основе собственного аутентичного перевода стандарта, указанного в пункте 4

2 ВНЕСЕН Федеральным агентством по техническому регулированию и метрологии

3 ПРИНЯТ Межгосударственным советом по стандартизации, метрологии и сертификации (протокол 30 от 7 декабря 2006 г.)

За принятие стандарта проголосовали:

Краткое наименование страны по МК (ИСО 3166) 004-97

Код страны по MK (ИСО 3166) 004-97

Сокращенное наименование национального органа по стандартизации

Азербайджан

AZ

Азстандарт

Армения

AM

Минторгэкономразвития

Беларусь

BY

Госстандарт Республики Беларусь

Казахстан

KZ

Госстандарт Республики Казахстан

Кыргызстан

KG

Кыргызстандарт

Молдова

MD

Молдова-Стандарт

Российская Федерация

RU

Федеральное агентство по техническому регулированию и метрологии

Таджикистан

TJ

Таджикстандарт

Туркменистан

TM

Главгосслужба «Туркменстандартлары»

Узбекистан

UZ

Узстандарт

Украина

UA

Госпотребстандарт Украины

4 Настоящий стандарт является модифицированным по отношению к международному стандарту ИСО 5135:1997 «Акустика. Определение уровней звуковой мощности шума, производимого воздухораспределительными устройствами, воздушных конечных установок, заслонок и клапанов путем измерения в реверберационной камере» (ISO 5135:1997 «Acoustics - Determination of sound power levels of noise from air-terminal devices, air-terminal units, dampers and valves by measurement in a reverberation room») путем внесения технических отклонений, объяснение которых приведено во введении к настоящему стандарту.

Отличия настоящего стандарта от примененного в нем международного стандарта ИСО 5135:1997 указаны во введении

5 Приказом Федерального агентства по техническому регулированию и метрологии от 5 июня 2007 г. 119-ст межгосударственный стандарт 31338-2006 (ИСО 5135:1997) введен в действие в качестве национального стандарта Российской Федерации с 1 октября 2007 г.

6 ВВЕДЕН ВПЕРВЫЕ

Информация о введении в действие (прекращении действия) настоящего стандарта публикуется в указателе «Национальные стандарты».

Информация об изменениях к настоящему стандарту публикуется в указателе «Национальные стандарты», а текст этих изменений - в информационных указателях «Национальные стандарты». В случае пересмотра или отмены настоящего стандарта соответствующая информация будет опубликована в информационном указателе «Национальные стандарты»

Содержание

1 Область применения

2 Нормативные ссылки

3 Термины и определения

4 Оборудование для акустических испытаний и методы измерения

5 Установка и режим работы испытуемого оборудования

5.1 Общие положения

5.2 Установка воздухораспределительных модулей, задвижек и клапанов для измерения звука, излучаемого в реверберационное помещение

5.3 Установка воздухораспределительных модулей, задвижек и клапанов для измерения звука, излучаемого в реверберационное помещение подводящим воздуховодом

5.4 Установка воздухораспределительных элементов для определения шума, излучаемого их корпусом

5.5 Методы испытаний

6 Вспомогательное оборудование

6.1 Общие положения

6.2 Вспомогательное акустическое оборудование

7 Измерения и вычисления

8 Протокол измерений

Библиография

Введение

Настоящий стандарт имеет следующие технические отклонения от примененного в нем международного стандарта ИСО 5135:1997:

Международные стандарты ИСО 3258, ИСО 5219, ИСО 5220, ИСО 7235 из раздела «Нормативные ссылки» перенесены в структурный элемент «Библиография» в связи с тем, что эти стандарты не введены как межгосударственные.

Раздел 4 дополнен примечанием, содержащим сведения о точности примененных методов испытаний по ГОСТ 31274.

Критерий применимости метода по 5.4.2 изменен с 4 на 6 дБ, что гарантирует обеспечение точности методов испытаний по ГОСТ 31274 во всем диапазоне частот измерений.

В некоторых случаях изменен стиль изложения в соответствии с нормами русского языка и внесены отдельные уточняющие слова и выражения, облегчающие применение стандарта. Указанные изменения выделены курсивом.

МЕЖГОСУДАРСТВЕННЫЙ СТАНДАРТ

Акустика

ОПРЕДЕЛЕНИЕ УРОВНЕЙ ЗВУКОВОЙ МОЩНОСТИ
ВОЗДУХОРАСПРЕДЕЛИТЕЛЬНОГО ОБОРУДОВАНИЯ,
ДЕМПФЕРОВ И КЛАПАНОВ В РЕВЕРБЕРАЦИОННОМ
ПОМЕЩЕНИИ

Acoustics. Determination of sound power levels of noise from air-terminal devices,
air-terminal units, dampers and valves by measurement in a reverberation room

Дата введения - 2007-10-01

1 Область применения

Настоящий стандарт устанавливает общие правила акустических испытаний воздухораспределительных модулей, задвижек и клапанов в системах подачи и распределения воздуха, определенных в [1], с целью определения уровней звуковой мощности согласно ГОСТ 31252.

2 Нормативные ссылки

В настоящем стандарте использованы нормативные ссылки на следующие стандарты.

ГОСТ 31252-2004 (ИСО 3740:2000) Шум машин. Руководство по выбору метода определения уровней звуковой мощности

ГОСТ 31274-2004 (ИСО 3741:1999) Шум машин. Определение уровней звуковой мощности по звуковому давлению. Точные методы для реверберационных камер

Примечание - При пользовании настоящим стандартом целесообразно проверить действие ссылочных стандартов по указателю «Национальные стандарты», составленному по состоянию на 1 января текущего года, и по соответствующим информационным указателям, опубликованным в текущем году Если ссылочный стандарт заменен (изменен), то при пользовании настоящим стандартом следует руководствоваться заменяющим (измененным) стандартом. Если ссылочный стандарт отменен без замены, то положение, в котором дана ссылка на него, применяется в части, не затрагивающей эту ссылку.

3 Термины и определения

В настоящем стандарте применены следующие термины с соответствующими определениями:

3.1 уровень звукового давления Lp, дБ (sound pressure level): Десять десятичных логарифмов отношения среднего квадрата звукового давления к квадрату опорного звукового давления.

Примечание - Опорное звуковое давление равно 20 мкПа.

3.2 уровень звуковой мощности Lw, дБ (sound power level): Десять десятичных логарифмов отношения данной звуковой мощности к опорной звуковой мощности.

Примечание - Опорная звуковая мощность равна 1 пВт (10-12 Вт).

3.3 диапазон частот измерений (frequency range of interest): Диапазон частот, включающий октавные полосы со среднегеометрическими частотами от 63 до 8000 Гц или 1/3-октавные полосы со среднегеометрическими частотами от 50 до 10000 Гц.

Примечание - Некоторые помещения могут быть не предназначены для измерений в 1/3-октавных полосах со среднегеометрическими частотами ниже 100 Гц и в октавных полосах со среднегеометрическими частотами ниже 125 Гц соответственно. В этих случаях результат может быть все-таки получен, при условии, что все отличия от требуемых условий полностью указывают в протоколе измерений.

3.4 реверберационное звуковое поле (reverberant sound field): Часть звукового поля в помещении, где влияние прямого звука, принимаемого непосредственно от источника, пренебрежимо мало.

4 Оборудование для акустических испытаний и методы измерения

Методы, устанавливаемые настоящим стандартом, применимы для испытания вентиляционного оборудования, работающего в постоянном режиме, объем которого составляет менее 2 % объема реверберационного помещения.

Оборудование для проведения акустических испытаний, приборы и методы измерений, включая аттестационные испытания помещения, устанавливает ГОСТ 31274. Для определения уровней звуковой мощности этот стандарт предусматривает два альтернативных метода измерений в реверберационном помещении. Метод сравнения основан на использовании образцового источника с известной звуковой мощностью. При использовании прямого метода требуется время реверберации испытательного помещения.

Если характеристики реверберационного помещения существенно изменяются из-за размещения в нем испытуемого источника, то помещение также должно быть проверено согласно ГОСТ 31274 при установленном оборудовании.

Примечание - Точность методов испытаний по ГОСТ 31274 характеризуют неопределенностью измерений, которая зависит, в частности, от верхней предельной оценки среднеквадратичного отклонения воспроизводимости σR. Для корректированного по А уровня звуковой мощности σR равна, например, 0,5 дБА, а в октавных полосах частот изменяется от 2,5 (для среднегеометрической частоты 125 Гц) до 1 дБ (в диапазоне от 500 до 4000 Гц). Более полная информация о неопределенности измерений данных методов испытаний приведена в ГОСТ 31274 (раздел 4).

5 Установка и режим работы испытуемого оборудования

5.1 Общие положения

5.1.1 Уровень звуковой мощности значительно зависит от размещения оборудования относительно ограждающих поверхностей, если расстояние до этих поверхностей составляет менее 1 м. Поэтому испытуемое оборудование устанавливают в положение, соответствующее его нормальному (обычному) использованию. Общий случай размещения оборудования показан на рисунке 1, частные случаи - на рисунках 2-6.

Примечание - На практике отражающие плоскости можно имитировать панелями с поверхностной плотностью массы, превышающей 7 кг/м2. Края панелей должны отстоять от краев испытуемого устройства по крайней мере на расстояние 1,2 м. Панели следует виброизолировать от испытуемого оборудования.

Рисунок 1 - Размещение оборудования в испытательном помещении

Примечание - Пояснения по установке - см. 5.2-5.4.

5.1.2 Испытуемое оборудование обеспечивают подачей и отводом воздуха через испытательную установку в соответствии с [2] и [3].

5.1.3 В испытательную установку включают элементы управления воздушным потоком (задвижки, дефлекторы, спрямляющие аппараты, струевыпрямители потока и т.д.), обычно используемые совместно с испытуемым оборудованием.

5.2 Установка воздухораспределительных модулей, задвижек и клапанов для измерения звука, излучаемого в реверберационное помещение

5.2.1 Воздухораспределительные устройства, обычно устанавливаемые на ограждающей поверхности, размещают не ближе 1 м от пересечения с любой смежной поверхностью и вдали от любой точки симметрии ограждающей поверхности, как показано на рисунке 2.

Рисунок 2 - Установка воздухораспределительного устройства на ограждающей поверхности или вплотную к ней

5.2.2 Воздухораспределительные устройства, обычно устанавливаемые на пересечении двух поверхностей, размещают не ближе 1 м от третьей поверхности, как показано на рисунке 3.

Рисунок 3 - Установка испытуемого оборудования на пересечении двух поверхностей
(в двугранном углу)

5.2.3 Воздухораспределительные устройства, обычно устанавливаемые на любой ограждающей поверхности внутри испытательного помещения, размещают не ближе 1 м к любой поверхности и вдали от любой точки симметрии помещения, как показано на рисунке 4. Типичными примерами такого оборудования являются диффузоры (вентиляционные решетки), устанавливаемые на каналы без примыкания к потолку.

Рисунок 4 - Установка воздухораспределительного устройства на некотором расстоянии от ограждающей поверхности

5.2.4 Правила установки по 5.2.1 - 5.2.3 применяют к воздухораспределительным устройствам, когда они входят в состав воздухораспределительного модуля. В этом случае измеряют совместный шум.

5.3 Установка воздухораспределительных модулей, задвижек и клапанов для измерения звука, излучаемого в реверберационное помещение подводящим воздуховодом

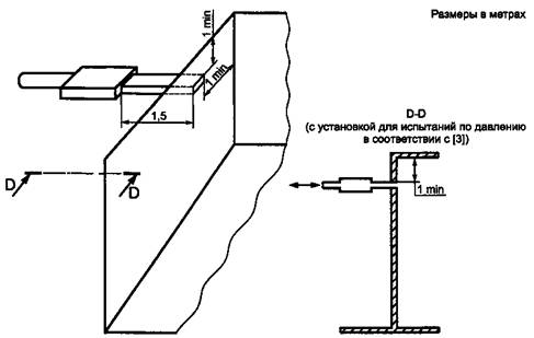
Для проведения измерений с вентиляционным оборудованием, обычно размещаемым над потолком или в других помещениях, смежных с обслуживаемым, его располагают вне испытательного помещения и соединяют с помещением необлицованным каналом длиной 1,5 м той же формы поперечного сечения и площади, что и соединительный фланец оборудования (см. рисунок 5). Конец канала расположен заподлицо с поверхностями помещения не ближе 1 м от смежных поверхностей вдали от любой точки симметрии помещения, как показано на рисунке 5.

5.4 Установка воздухораспределительных элементов для определения шума, излучаемого их корпусом

Чтобы определить шум, излучаемый корпусом воздухораспределительного элемента, его устанавливают в реверберационном помещении с соответствующим присоединяющим воздуховодом или воздуховодами в соответствии с 6.2.3 и [3]. Монтируют элемент, соблюдая размеры, показанные на рисунке 6. Выполняют измерения в соответствии с двумя следующими методами.

5.4.1 В случае двухканального метода требуется два канала, соединяющие элемент с внешним пространством реверберационного помещения.

5.4.2 В случае одноканального метода требуется один канал, соединяющий элемент с внешним пространством реверберационного помещения. Для определения шума, излучаемого корпусом, вычисляют разность между уровнями звуковой мощности Lw для каждой октавной или 1/3-октавной полосы, полученными при данном испытании, и соответствующими уровнями звуковой мощности, полученными при испытаниях по 5.3. Настоящий метод применяют только в случае, когда указанная разность составляет не менее 6 дБ.

Рисунок 5 - Установка воздухораспределительных элементов вне ограждающих поверхностей помещения (снаружи)

Рисунок 6 - Установка воздухораспределительного элемента для определения шума корпуса

5.5 Методы испытаний

5.5.1 Акустические измерения выполняют во время работы оборудования в обычном для него режиме.

5.5.1.1 Акустические измерения для нерегулируемого воздухораспределительного оборудования выполняют по меньшей мере при четырех значениях расхода воздуха, превышающих половину нормального значения, обеспечивающего требования по давлению, устанавливаемые для воздухораспределительных устройств в [2].

5.5.1.2 Для регулируемых воздухораспределительных устройств выполняют акустические измерения минимально для четырех значений расхода воздуха, превышающих половину нормального значения для каждого регулируемого положения, в котором требуется провести измерения.

5.5.1.3 Акустические измерения для воздухораспределительных элементов с регулируемым расходом воздуха выполняют как минимум при четырех значениях расхода: максимальном, минимальном и двух промежуточных значениях.

5.5.2 Если работа оборудования в нормальном режиме вызывает шум с уровнями звукового давления ниже порога чувствительности используемой измерительной аппаратуры, то можно использовать большие значения расхода, экстраполируя полученные при этом результаты акустических измерений на нормальный режим.

Для экстраполяции может быть применена следующая процедура:

a) В случае испытаний при постоянном коэффициенте потерь полного давления строят зависимость уровней звуковой мощности Lw для каждой октавной или 1/3-октавной полосы частот и А-корректированного уровня мощности LWA от lg(qv) (qv - объемный расход воздуха).

b) В случае испытаний при постоянном расходе воздуха строят зависимость уровней звуковой мощности Lw для каждой октавной или 1/3-октавной полосы и LWA от lg(pt), (∆рt - потери полного давления).

С использованием метода наименьших квадратов строят наилучшее линейное приближение для каждого параметра. Максимальное отклонение между результатами измерений и построенными прямыми линиями должно быть ±3 дБ. Эти линии могут быть продолжены вниз до половины минимальных значений и вверх до удвоенных значений qv и ∆рt.

Значения для Lw или LWA, соответствующих заданным значениям qv или pt, могут быть получены из графиков (см. примеры на рисунке 7 а и b).

1 - нижняя граница области экстраполяции (0,5 gv,min); 2 - верхняя граница области экстраполяции (2 gv,min); 3 - LWA; 4 - 125 Гц; 5 - 250 Гц; 6 - 1000 Гц

а - Примеры графиков зависимостей Lw и lwa от lg(qv) для испытаний при постоянных потерях полного давления

Рисунок 7, лист 1

1 - нижняя граница области экстраполяции (0,5 pt,min), 0,5 pt,min рt0 (где рt0 - минимальное рабочее давление); 2 - верхняя граница области экстраполяции (2 pt,max); 3 - LWA; 4 - 125 Гц; 5 - 250 Гц; 6 - 1000 Гц

b - Примеры графиков зависимостей Lw и LWA от lg (pt) для испытания при постоянном расходе потока

Рисунок 7, лист 2

6 Вспомогательное оборудование

6.1 Общие положения

Любой шум, вызванный электрической проводкой, водопроводными трубами и воздуховодами, присоединенными к испытуемому оборудованию, должен быть по крайней мере на 6 дБ, а предпочтительно на 10 дБ ниже подлежащего измерению уровня звукового давления.

6.2 Вспомогательное акустическое оборудование

6.2.1 Принимают меры к снижению шума системы подачи воздуха, чтобы любой фоновый шум был по крайней мере на 6 дБ, предпочтительно на 10 дБ ниже измеряемого уровня звукового давления в каждой частотной полосе интересующего диапазона. Корректируют уровень звукового давления фонового шума с указанными уровнями в соответствии с ГОСТ 31274.

Примечание - Уровень звукового давления при испытаниях с потоком, проходящим через воздухораспределительное устройство, следует сравнивать с уровнями звукового давления при изъятом испытуемом устройстве и приблизительно при тех же значениях объемного расхода. Однако следует иметь в виду, что в некоторых случаях шум от воздухораспределителя может быть меньше, чем в испытательной установке без него.

6.2.2 Подают воздух в испытательное помещение или отводят из него через глушитель. Выполняют акустические измерения с испытуемым оборудованием, образцовым источником звука и фоновым шумом (см. примечание к 6.2.1) с применением звукопоглотителя соответствующего типа и в нужном месте. Величина шума, генерируемого потоком при прохождении через звукопоглотитель, должна удовлетворять требованиям по фоновому шуму (см. примечание к 6.2.1).

6.2.3 Шум, вызванный при присоединении каналов, подводящих воздух к испытательной установке, описанной в 5.4 (излучение корпуса), и отводящих от нее, должен быть по крайней мере на 6 дБ, а желательно на 10 дБ ниже уровня звукового давления корпуса в каждой частотной полосе диапазона частот измерений. Корректируют уровень звукового давления по фоновому шуму согласно ГОСТ 31274.

7 Измерения и вычисления

Определение наличия дискретных частотных или узкополосных составляющих, проверку реверберационного помещения, измерение уровней звукового давления, вычисление уровней звуковой мощности для всех октавных полос диапазона частот измерений и А-корректированного уровня звуковой мощности следует выполнять в соответствии с ГОСТ 31274.

В случае испытательной установки по 5.3 вычисляют уровень звуковой мощности в присоединенном канале LWduct добавлением потерь отражения на открытом конце канала Lr к уровню звуковой мощности Lw, излучаемому в помещение, по формуле

LWduct = Lw + Lr,

(1)

где

(2)

где

с - скорость звука, м/с;

f - среднегеометрическая частота полосы, Гц;

Ω - пространственный угол излучения испытуемого отверстия (см. таблицу 1);

S - площадь отверстия канала в помещении, м2.

Таблица 1 - Значения величины пространственного угла Ω для конфигураций, показанных на рисунке 1

Конфигурация

Пространственный угол Ω

А

2 π

В

π

С

4 π

D

2 π

Е

4 π

Примечание - Возможно применение передающего элемента (акустического рупора) по [4]. В данном случае коррекция по формуле (2) не требуется.

8 Протокол измерений

В протокол измерений заносят следующую информацию:

a) дату испытаний;

b) описание испытуемого оборудования;

c) размещение и монтаж испытуемого оборудования, включая эскиз;

d) описание и результаты проверки реверберационного помещения (включая размеры);

e) утверждение о том, что все представленные результаты получены в соответствии с настоящим стандартом;

f) объемный расход, температуру и измеренное давление воздушного потока, входящего в испытуемый элемент;

g) ширину полосы частотного анализа;

h) режимы работы источника, соответствующие уровням звуковой мощности для всех частотных полос в интересующем диапазоне частот (см. 3.3);

i) коррекции, примененные в каждой частотной полосе для частотной характеристики всей измерительной системы, фонового шума и отражений от конца канала в дБ;

j) температуру воздуха, относительную влажность и барометрическое (атмосферное) давление во время измерений;

k) вычисленные значения уровней звуковой мощности (с применением всех коррекций) для выбранных режимов работы испытуемого оборудования в дБ в виде таблицы или графиков, округленные до 0,5 дБ для каждой из частотных полос как для указываемых в протоколе экстраполированных величин, так и для всех непосредственно измеренных значений;

l) А-корректированный уровень звуковой мощности LWa для всех режимов работы источника.

Библиография

[1]

ИСО 3258:1976

Распределение и подача воздуха. Словарь

 

(ISO 3258:1976)

(Air distribution and air diffusion - Vocabulary)

[2]

ИСО 5219:1984

Распределение и подача воздуха. Лабораторные аэродинамические испытания и нормирование оконечных воздухораспределительных устройств

 

(ISO 5219:1984)

(Air distribution and air diffusion - Laboratory aerodynamic testing and rating of air terminal devices)

[3]

ИСО 5220:1981

Распределение и подача воздуха. Аэродинамические испытания и нормирование постоянных и переменных двойных и одинарных камер и одинарных канальных модулей

 

(ISO 5220:1981)

(Air distribution and air diffusion - Aerodynamic testing and rating of constant and variable dual or single duct boxes and single duct units)

[4]

ИСО 7235:1991

Акустика. Лабораторные измерения для заглушающих устройств, установленных в воздуховодах, и воздухораспределительного оборудования. Вносимые потери, шум потока и падение полного давления

 

(ISO 7235:1991)

(Acoustics - Laboratory measurement procedures for ducted silencers and air-terminal units - Insertion loss, flow noise and total pressure loss)

 

Ключевые слова: шум воздухораспределительного устройства, уровень звуковой мощности, система вентиляции, воздуховод, задвижка, клапан, реверберационное помещение, потери полного давления

 

 




ГОСТЫ, СТРОИТЕЛЬНЫЕ и ТЕХНИЧЕСКИЕ НОРМАТИВЫ.
Некоммерческая онлайн система, содержащая все Российские Госты, национальные Стандарты и нормативы.
В Системе содержится более 150000 файлов нормативно-технической документации, действующей на территории РФ.
Система предназначена для широкого круга инженерно-технических специалистов.

Рейтинг@Mail.ru Яндекс цитирования

Copyright © www.gostrf.com, 2008 - 2026