|
|
Предисловие Сведения о стандарте1 РАЗРАБОТАН творческим коллективом специалистов некоммерческого партнерства «Инженеры по отоплению, вентиляции, кондиционированию воздуха, теплоснабжению и строительной теплофизике» (НП «АВОК»): В.В. Ильин (ООО «М+В Цандер Фэсилити Менеджмент СНГ») - руководитель; М.М. Бродач, канд. техн. наук, проф. (НП «АВОК»); Н.В. Воеводенко (АО «Фр. Саутер»); В.А. Максименко (ООО «Центр автоматизации зданий»); Д.Л. Ревизников, доктор физ.-мат. наук (ООО «ЭкоПрог»). 2 ВНЕСЕН Комитетом НП «АВОК» «Интеллектуальные здания и информационно-управляющие системы». 3 УТВЕРЖДЕН И ВВЕДЕН В ДЕЙСТВИЕ приказом Президента НП «АВОК» от 6 июня 2007 г. № 7. 4 ВВОДИТСЯ ВПЕРВЫЕ. СодержаниеВведениеКомитет НП «АВОК» «Интеллектуальные здания и информационно-управляющие системы» в рамках сотрудничества с комитетом ISO/TC 205, рабочей группой 3 (WG3) разработал настоящий стандарт АВОК «Автоматизированные системы управления зданиями. Часть 3. Функции» («Building automation and control systems - BACS. P. 3. Functions»). Основу части 3 комплекса стандартов составляют материалы DIN EN ISO 16484-3, подготовленные Техническим комитетом ISO/TC 205 «Проектирование среды здания» («Building environment design») в сотрудничестве с Европейским комитетом по стандартизации CEN. Настоящий стандарт является разделом комплекса стандартов АВОК «Автоматизированные системы управления зданиями» (АСУЗ), включающего следующие части: 1. Общие положения (АВОК Стандарт-3-2003 «Системы автоматизации и управления зданиями. Часть 1. Общие положения»); 2. Основные положения (АВОК Стандарт-5-2004 «Системы автоматизации и управления зданиями. Часть 2. Основные положения. Аппаратные средства»); 3. Функции; 4. Прикладные задачи; 5. Коммуникационный протокол передачи данных; 6. Коммуникационный протокол передачи данных: протокол соответствия; 7. Проектирование и реализация. Комплекс стандартов разработан для проектирования новых и модернизации имеющихся зданий с целью обеспечения комфортных условий для обитателей здания, экономии энергоресурсов и достижения максимального коэффициента полезного действия для различных процессов в здании. Комплекс стандартов имеет отдельные особенности и решает следующие задачи: 1. Проектирование всех систем в здании требует использования комплексных методов автоматизации систем жизнеобеспечения здания и систем безопасности. Для создания комплексной системы управления, кроме автоматизации инженерных систем жизнеобеспечения, таких как отопление, вентиляция и кондиционирование воздуха, водоснабжение и канализация, необходима функциональная интеграция прочих систем (например, систем электроснабжения, освещения, безопасности, подъемно-транспортного оборудования и управления эксплуатацией). Такая интеграция дает возможность использовать преимущество согласованного взаимодействия программно-технических средств, автоматизирующих различные процессы. В связи с этим данный комплекс стандартов может являться практическим руководством для застройщиков, архитекторов, проектировщиков, консультантов и подрядчиков, а также пользователей системы по интеграции различных систем (структурированию и подразделению таких ресурсов на составные части). 2. На этапе эксплуатации в течение жизненного цикла здания периодически возникает потребность в обновлении и модернизации устройств, систем и сетей. При этом различны цели, задачи, масштаб и предмет этих изменений. Для того чтобы сделать возможной модернизацию системы путем добавления/замены соответствующих устройств, при этом обеспечить расширение сети здания и внести изменения в процессы взаимодействия между сетью АСУЗ и другими системами, в стандарте определены понятия различных функциональных элементов АСУЗ, интерфейсов и протоколов. На практике изготовители поддерживают как открытые стандартизованные интерфейсы и протоколы, так и свои, частные, зачастую закрытые, интерфейсы и протоколы. Изготовитель может спроектировать изделие для каких- либо своих определенных маркетинговых целей с использованием частного интерфейса/протокола и предоставить возможность интеграции специального устройства в среду многофункционального приложения АСУЗ. 3. Заказчик, проектировщик, системный интегратор или подрядная организация по установке электрических/механических систем, руководствуясь данным комплексом стандартов, могут координировать действия по созданию АСУЗ. Данный комплекс стандартов имеет целью определение процесса создания проектов, строго соответствующих требованиям к функциональным возможностям системы и качеству решения. Комплекс стандартов адресуется всем специалистам, участвующим в проектировании, производстве, разработке, установке, вводе в эксплуатацию, обслуживании и преподавании АСУЗ, и может применяться: - в качестве руководства по терминологии в области автоматизации и управления зданиями, содержащего однозначную терминологию для полной и точной передачи смысла и деталей настоящего комплекса стандартов; - в качестве руководства при разработке устройств для АСУЗ, чтобы избежать избыточного дублирования понятий, функций или неоднозначности терминологии, не ограничивая при этом развитие новых изделий, систем или приложений, используя точное определение функциональных возможностей системы, которое необходимо для предотвращения взаимного дублирования функций в различных устройствах системы управления; - в качестве основы для интеграции отдельных программно-технических средств и систем в целом (для интеграции различных частей АСУЗ необходимо наличие коммуникационных протоколов передачи данных и информационная модель данных); - в качестве основы для разработки технического задания, необходимого как для проведения тендера на выбор поставщиков АСУЗ, для начала процесса проектирования и разработки АСУЗ, так и для процессов сдачи-приемки между исполнителями и непосредственными заказчиками; - в качестве руководства в процессе приемо-сдаточных работ и передачи в эксплуатацию; - в качестве учебного пособия образовательными учреждениями, осуществляющими подготовку специалистов в области АСУЗ. СТАНДАРТ АВОКАВТОМАТИЗИРОВАННЫЕ СИСТЕМЫ УПРАВЛЕНИЯ ЗДАНИЯМИ Часть 3. Функции BUILDING AUTOMATION AND CONTROL SYSTEMS Part 3. FunctionsДата введения - 2007-09-01 1 Область примененияНастоящий стандарт устанавливает требования к функциям автоматизированных систем управления зданиями (далее - АСУЗ), содержит характеристики программного обеспечения и функций, методы их определения, необходимые при разработке проектов, а также определяет принципы проектирования. Настоящий стандарт распространяется на следующие объекты АСУЗ: - системы отопления, вентиляции и кондиционирования воздуха, холодо- и теплоснабжения; - системы водоснабжения и канализации; - системы электроснабжения и освещения; - системы газоснабжения; - системы противопожарной безопасности; - системы подъемно-транспортного оборудования; - системы безопасности (контроля доступа, видеонаблюдения, охранной сигнализации и т.д.); - и иные системы обеспечения технологических процессов и безопасности в здании. 2 Общие положенияАСУЗ создаются в целях обеспечения гарантированной устойчивости функционирования процессов жизнеобеспечения требуемого качества, создания комфортной среды проживания и работы людей, повышения эффективности использования энергетических ресурсов и охраны окружающей среды в здании как объекте автоматизации. В связи с этим к АСУЗ, программному обеспечению, проектным функциям автоматизации, функциям проектирования, пусконаладки и эксплуатации предъявляют требования, рассматриваемые в стандарте в следующем ключе: - системное и прикладное программное обеспечение: описываются проектные требования к системному и прикладному программному обеспечению и человеко-системному интерфейсу, включая операционную систему, как к программному обеспечению, независимому от конкретного объекта автоматизации и проектных специфических функций; - программное обеспечение для проектирования, конфигурирования/программирования и пусконаладки: описываются требования к процессам проектирования, конфигурирования технических средств и алгоритмам автоматизированного управления, процессам системного администрирования и пусконаладки; - специфические функции и программные алгоритмы: описываются требования к специфическим проектным функциям и методам проектного документирования. В целях разработки функционального проектного описания и документирования на основе схем автоматизации настоящий стандарт содержит в виде приложения «Перечень функций АСУЗ» (см. приложение А). В применении к российским правилам документирования данный перечень должен быть основной и необходимой частью пояснительной записки проекта АСУЗ. Дополнительные пояснения могут приводиться в форме текстовых описаний алгоритмов управления и регулирования, графических схем алгоритмов. На описание и пути применения функций, в частности, оказывают влияние климатические различия, культурные и региональные различия, национальные стандарты. Требования, приведенные в данном стандарте, не относятся к какому-то определенному оборудованию (техническим средствам). 3 Нормативные ссылкиВ настоящем стандарте использованы ссылки на следующие нормативные документы: ГОСТ 34 ХХХ-ХХ Информационная технология. Комплекс стандартов и руководящих документов на автоматизированные системы: ГОСТ 34.001-90 Основные положения ГОСТ 34.003-90 Термины и определения ГОСТ 34.201-89 Виды, комплектность и обозначение документов при создании автоматизированных систем ГОСТ 34.601-90 Автоматизированные системы. Стадии создания ГОСТ 34.602-89 Техническое задание на создание автоматизированной системы ГОСТ 34.603-92 Виды испытаний автоматизированных систем ANSI/ASHRAE Standard 135:2004, BACnet - A data communication protocol for building automation and control networks DIN EN ISO 10628:1997 Flow diagrams for process plants - General rules (ISO 10628:1997) (ИСО 10628: 1 997 Схемы для технологических установок. Общие правила) DIN EN ISO 16484-X:XXXX Building automation and control systems - BACS: DIN EN ISO 16484-2:2004 Building automation and control systems - BACS. P. 2. Hardware (ISO 16484-2: 2004) (ИСО 16484-2:2004 Системы автоматизации и контроля в строительстве. Ч. 2. Аппаратное обеспечение) DIN EN ISO 16484-3:2005 Building automation and control systems - BACS. P. 3. Functions (ISO 16484-3: 2005) (ИСО 16484-3:2005 Системы автоматизации и контроля в строительстве. Ч. 3. Функции) DIN EN ISO 16484-5:2007 Building automation and control systems - BACS. P. 5. Data communication protocol (ISO 16484-5:2007) (ИСО 16484-5:2007 Системы автоматизации и контроля в строительстве. Ч. 5. Протокол передачи данных) IEC 60050-351:2006 International electrotechnical vocabulary. P. 351. Automatic control (МЭК 60050-351: 2006 Международный электротехнический словарь. Ч. 351. Технология управления) DIN EN 60617-12:1997 Graphical symbols for diagrams. P. 12. Binary logic elements (IEC 60617-12: 1997) (МЭК 60617-12:1997 Обозначения условные графические для схем. Ч. 12. Бинарные логические элементы) DIN EN 60617-13:1993 Graphical symbols for diagrams. P. 13. Analogue elements (IEC 60617-13: 1993) (МЭК 60617-13:1993 Обозначения условные графические для схем. Ч. 13. Аналоговые элементы) DIN EN 61131-3:2003 Programmable controllers. P. 3. Programming languages (IEC 61131-3:2003) (МЭК 61131-3:2003 Микроконтроллеры программируемые. Ч. 3. Языки программирования) ISO/IEC 7498-1:1994 Information technology -Open systems interconnection - Basic reference model. P. 1. The basic model (ИСО/МЭК 7498-1:1994 Информационная технология. Взаимодействие открытых систем. Базовая эталонная модель. Ч. 1. Базовая модель) ISO/IEC 7498-2:1989 Information processing systems - Open systems interconnection - Basic reference model. P. 2. Security architecture (ИСО/МЭК 7498-2: 1989 Системы обработки информации. Взаимодействие открытых систем. Базовая эталонная модель. Ч. 2. Архитектура защиты) ISO/IEC 7498-3:1997 Information technology -Open systems interconnection - Basic reference model. P. 3. Naming and addressing (ИСО/МЭК 7498-3:1997 Информационная технология. Взаимодействие открытых систем. Базовая эталонная модель. Ч. 3. Присвоение имен и адресация) ISO/IEC 7498-4:1989 Information processing systems -Open systems interconnection - Basic reference model. P. 4. Management framework (ИСО/МЭК 7498-4:1989 Системы обработки информации. Взаимодействие открытых систем. Базовая эталонная модель. Ч. 4. Структура управления) ISO 3511-1:1977 Process measurement control functions and instrumentation - Symbolic representation. P. 1. Basic requirements (ИСО 3511-1:1977 Функции измерения и управления технологическими процессами и контрольно-измерительные приборы. Условные обозначения. Ч.1. Основные условные обозначения) 4 Термины и определенияВ настоящем стандарте применены термины с соответствующими определениями по АВОК Стандарт-5-2004 [1]. 5 Обозначения и сокращенияВ настоящем стандарте применены обозначения и сокращения по АВОК Стандарт-5-2004 [1]. 6 Структура требований и функций АСУЗ. Методы описания функций АСУЗ6.1 Общие положенияФункции АСУЗ в общем случае подразделяют на три уровня: - функции входов/выходов; - функции обработки; - функции диспетчеризации и администрирования. 6.1.1 Функции входов/выходовФункции входов/выходов реализуются посредством интерфейса между периферийными устройства и функциями обработки. Функции входов/выходов подразделяют на следующие группы: - функции физических входов/выходов сигналов; - коммуникационные функции обмена данными с внешними системами. Периферийные устройства обеспечивают сбор информации о состоянии и исполнение управляющих воздействий на технологический процесс. К таким устройствам относятся аналоговые и дискретные датчики, исполнительные устройства, устройства местного ручного управления, подключаемые через интерфейсы входов/выходов к контроллерным устройствам. Данные устройства подключаются к контроллерам непосредственно через кабельные соединения либо через периферийную шину. Устройства автоматики поддерживают следующие функции: - управления (включение/выключение); - регулирования; - контрольные (сигнализация о состояниях и событиях); - счетные; - измерительные. Примечание - Требования к периферийным устройствам применяют в соответствии с [1]. 6.1.2 Функции обработкиФункции обработки реализуются с помощью проектного прикладного программного обеспечения, разработанного для конкретного объекта автоматизации, и обеспечивают автоматизированное управление инженерными системами здания с помощью контроллеров. Функции обработки подразделяют на следующие группы: - контроля; - управления; регулирования; - расчета/оптимизации; - автоматизации помещений (например, для управления отдельными климатическими доводчиками, освещением, солнцезащитными устройствами). Данный тип функций будет описан в дальнейших частях настоящего комплекса стандартов. 6.1.3 Функции диспетчеризации и администрированияФункции диспетчеризации и администрирования реализуются посредством взаимодействия персонала и технических средств автоматизации - человеко-системного интерфейса (ЧСИ). Человеко-системный интерфейс необходим для осуществления контроля, управления и администрирования автоматизируемого объекта персоналом службы эксплуатации. Человеко-системный интерфейс осуществляется с помощью различных технических средств, приведенных в [1]: диспетчерских станций операторов, пультов и переключателей для местного управления, переносных устройств ручного управления, устройств регистрации, хранения и вывода информации. Также к функциям диспетчеризации и администрирования относятся коммуникационные функции для обмена информацией с функциями входов/выходов, обработки, расчета/оптимизации и для обмена информацией с другими системами, не относящимися к проектной АСУЗ. 6.2 Описание функций АСУЗНормативное описание функций автоматизации данного раздела предназначено для использования проектировщиками при определении функциональных требований к разрабатываемой АСУЗ. Например, при составлении технического задания. Описанные функции не содержат ссылок на какие-либо конкретные технические средства. При этом число функций входов/выходов необходимо для определения требуемых физических и/или общих (коммуникационных) входов/выходов АСУЗ, производительности процессора и размера памяти. Примечание - Требуемые компоненты оборудования определяют в соответствии с [1]. В целях определения объема услуг по проектированию для каждого проекта необходимо описать системное и прикладное программное обеспечение, а также проектные функции, которые могут быть документированы в функциональных схемах автоматизации, схемах алгоритмов и перечне функций АСУЗ. При этом предпочтителен вариант перечня функций АСУЗ, представленный в виде таблицы А.1 (приложение А). Для отдельных сложных проектов и/или алгоритмов оптимизированного управления в целях ясного понимания и описания требуются дополнительные методы и информация. К ним относятся текстовые описания, схемы алгоритмов, психометрические диаграммы, графики функций, таблицы параметров и значений, временные расписания, инструкции по монтажу и настройке периферийных устройств. 6.3 Описание примеров функциональных блоковДля описания алгоритмов АСУЗ используют графические функциональные блоки (ФБ) в соответствии с IEC 60617-12 (дискретные логические элементы) и IEC 60617-13 (аналоговые элементы). Функциональные блоки содержат общие формулировки, термины и описания функций АСУЗ, которые должны также использоваться для всего объема проектной документации. Для описания функциональных блоков используют ту же терминологию, что и в технической документации. К ней относят описания входов, выходов, параметров и функций в принятом текстовом и графическом виде. Полная функциональная схема автоматизации может содержать последовательность соединенных функциональных блоков. Функциональные блоки применяют также для разработки и документирования новых функций, на которые может ссылаться перечень функций АСУЗ. 6.4. Перечень функций АСУЗПеречень функций АСУЗ (приложение А) позволяет определять независимые от производителя программно-технических средств требования к функциям автоматизации, на основании которых могут быть разработаны основные документы для выбора, проектирования, разработки и сдачи АСУЗ в эксплуатацию. Например, тендерные и технические задания, спецификации, сметы, рабочая и исполнительная документация в качестве приложений к актам индивидуальных и комплексных испытаний, актам сдачи в эксплуатацию. Существенные затраты в процессе реализации АСУЗ возникают при проектировании, конфигурировании/программировании и пусконаладке. Качество данных процессов напрямую зависит от типа и количества реализуемых функций автоматизации, определяемых именно на основе перечня функций АСУЗ. Для каждого объекта автоматизации/проекта АСУЗ разрабатывают функциональные схемы автоматизации, на основании которых определяют необходимые точки данных и функции для составления полного перечня функций АСУЗ. Перечень функций АСУЗ построен на основе определений, рассматриваемых в 9, и служит: - для определения функций на основе разработанных функциональных схем автоматизации, технических заданий, описаний схем автоматизации и при необходимости схем алгоритмов; - для выполнения расчета количества проектируемых функций с использованием электронных таблиц для последующей обработки данных; -для реализации единого системного метода проектирования; - для использования единой системы классификации и кодирования точек данных в соответствии с 8.1.7; -для добавления отдельных индивидуальных функций в соответствующие категории. Для описания более сложных функций автоматизации и подготовки по ним документации используют схемы алгоритмов и таблицы состояний. 7 Общие системные критерииВ общем случае АСУЗ состоит из технических средств (периферийных устройств, контроллерных устройств автоматического управления, электрических распределительных, коммутационных и защитных устройств, кабельных и проводных соединений, коммуникационных устройств сетей и передачи данных), программного обеспечения и функций как результата процессов проектирования, конфигурирования/программирования и пусконаладки. Решения по определению функционального объема системы обычно принимают до формирования структуры и состава технических средств АСУЗ. Последующие описания определяют функциональные характеристики и параметры, которые должны быть заданы для каждого проекта с учетом прикладного программного обеспечения конкретного производителя и проекта. Примечание - Требования к техническим средствам применяют в соответствии с [1]. 8 Программное обеспечениеПрограммное обеспечение АСУЗ подразделяют на следующие типы: - системное; - коммуникационное; - прикладное; - человеко-системного интерфейса; - проектирования, конфигурирования/программирования и пусконаладки. 8.1 Системное программное обеспечение8.1.1 Общие положенияСистемное программное обеспечение выполняет функции инициализации, координации и обслуживания всего объема конфигурационных данных, относящихся к функционированию всей системы в целом, включая управление сетевыми коммуникационными процессами. Каждая функция системного программного обеспечения должна конфигурироваться как в ручном, так и автоматическом режимах. Предусматривается также возможность удаленного администрирования системой через человеко-системный интерфейс. Объем данных функций и необходимость их реализации зависят от специфики конкретного проекта. 8.1.2 Администрирование системного времениМетоды управления системным временем (время, дата) должны быть определены для всех функций диспетчеризации и администрирования. Функциональные характеристики: - внутренние/внешние часы, тип внешних часов; - точность системных часов; - синхронизация для всей системы в целом (например, по радиосигналам); - переход на летнее/зимнее время; - изменение времени и даты локальными устройствами обработки данных или серверными станциями; - изменение времени и даты сетевыми и автономными устройствами. 8.1.3 Функции самодиагностикиТребования к функциям самодиагностики и поведению системы в случае ошибки должны быть определены для каждого проекта. 8.1.4 Системная диагностикаДля обеспечения бесперебойного, эффективного и высококачественного функционирования системы программно-технические средства АСУЗ оснащают средствами системной диагностики. Средства диагностики контролируют множество функций и в случае возникновения сбоев и неисправностей оповещают о них с целью принятия соответствующих мер. Использование устройств внешней диагностики должно быть указано отдельно. Устройства системной диагностики должны контролировать и отображать: - использование памяти и ресурсов системы; - процент отказов/ошибок процессов передачи данных для всех системных сетей передачи данных; - причины системных отказов. Другие параметры системных отказов определяют для каждого проекта в отдельности. 8.1.5 Восстановление после отказа рабочего (сетевого) электроснабженияДля случаев отказа рабочего электроснабжения должны быть определены все необходимые действия: - при потере питания; - при восстановлении питания; - все связанные внутренние системные функции. Дополнительно должны быть определены: - действия персонала по включению/выключению питания; - процедуры по восстановлению работоспособности после отказа электроснабжения; - параметры бесперебойного питания. 8.1.6 Системный журналСистемный журнал предназначен для регистрации всех событий, происходящих за время работы системы, с указанием даты и времени для последующего отображения, вывода на принтер и архивации. В системном журнале должен быть определен максимальный объем регистрируемых событий. 8.1.7 Система классификации и кодирования точек данныхДля использования и обработки информации в пределах АСУЗ применяют однозначные правила обозначения для идентификации всех физических, виртуальных и коммуникационных точек данных. Данные правила обозначают как систему классификации и кодирования точек данных, адреса которых используются для отображения и доступа к информации в процессе проектирования всех функций АСУЗ. Примечание - Пользовательским адресом точки данных называется адрес, который использует персонал при работе с пользовательским интерфейсом (например, на графических мнемосхемах). Система классификации и кодирования точек данных для всего объекта автоматизации должна иметь однозначную и единую структуру с уникальными адресами. Вместе с адресами точек данных задают текстовые описания. Процедуры определения и задания информации для точек данных с использованием пользовательского интерфейса указывают отдельно. Примечание - Требования к отображению информации точек данных применяют согласно 8.4.9. Типичные элементы пользовательских адресов точек данных в системе классификации и кодирования адресов АСУЗ включают: - место расположения; - здание (или его часть); - местное местоположение (например, этаж); - тип оборудования (например, В - вентиляция, О - отопление, X - холодоснабжение, ВК - водоснабжение и канализация), его номер; - тип функции; - информационный номер. Дополнительно могут применяться специфические адреса в системах классификации и кодирования заказчика или других инженерных системах. 8.1.8 Контроль и управление доступом к системеДля защиты системы от несанкционированного доступа определяют соответствующие уровни доступа. Пример количества и назначения уровней приведен в таблице 1. Таблица 1 - Уровни доступа
В АСУЗ должна быть обеспечена возможность аутентификации пользователей в диалоговом режиме с указанием имени пользователя и пароля при работе с техническими средствами, поддерживающими диалоговый тип интерфейса пользователя. Примечание - Требования по контролю доступа персонала применяют согласно 8.4.5. 8.1.9 Журнал действий оператораДолжны быть определены требования по объему информации для регистрации в специальном журнале действий оператора. Сюда относят все действия оператора, например, по регистрации в системе, изменению параметров и настроек, квитированию тревог и сообщений. 8.1.10 Регистрация, обработка и хранение данныхИзменения состояний или значений, поступающих от функций входов/выходов, функций обработки, коммуникационных функций, могут сохраняться и сопровождаться меткой даты и времени для последующего анализа и обработки. Данные функции относят к функциям диспетчеризации и администрирования в части исторических данных (см. 9.4.5). Требования разделены на системные и проектные характеристики. 8.1.10.1 Системные характеристики для хранения данныхСистемные характеристики для хранения данных определяют в соответствии со следующими особенностями: - типы событий в журналах (например, событие, тревога, сообщение, измеренное значение, суммарное значение, регистрация отказов/неисправностей системы, сообщение пользователя); - минимальное требуемое число записей для каждого файла системного журнала или базы данных; - формат регистрации данных по событиям/тревогам, значениям для последующей обработки; - средства регистрации данных; - средства поиска и формирование запросов по каждому списку; - средства для вывода на печать. Функциональные характеристики: - максимальное число файлов архива на записывающих устройствах; - максимальное число записей на один файл архива; - максимальное число и тип обрабатываемых записей. 8.1.10.2 Проектные характеристики для базы данныхПроектные характеристики для базы данных определяют в соответствии со следующими особенностями: - оперативный архив для регистрации событий/тревог, состояний и значений; - историческая база данных, например, для статистического анализа, контроля качества; - документирование системы. Поставщик/исполнитель АСУЗ должен сообщить информацию о типе базы данных и условиях лицензирования. Функциональные характеристики: - максимальное число записей в базе данных; - область памяти (дискового пространства), используемая для прикладного программного обеспечения и параметров; - области памяти для пользовательских данных; методы фильтрации информации (например, по типу сообщения, адресу устройства (подсистемы), функциональному признаку и т.д.); - точность меток времени; - разрешение меток времени (интервал опроса/ регистрации). 8.1.11 Архивирование данныхИнформацию, собранную функцией регистрации исторических данных, и другие данные системы архивируют, используя, например, файл-сервер, устройства на ленточных носителях информации, устройства типа CD-ROM. Данные хранят на соответствующих носителях информации. Резервируют и восстанавливают данные согласно 8.1.13. Функциональные характеристики: - максимальное число, размер и типы обрабатываемых записей; - при необходимости данные о типе программного обеспечения для баз данных и условиях лицензирования. 8.1.12 Импорт/экспорт данныхПри необходимости предусматривают возможность экспорта данных для использования их в прочих системах специального назначения. Для импорта/экспорта данных определяют требования к вычислительным средствам (например, станций операторов, серверов, средств по импорту/ экспорту данных), а также определяют формат данных (например, тип записи, описатели, тексты, разделители). Функциональные характеристики: - формат импорта данных для устройств автоматизации; - формат импорта данных для дальнейшей передачи к контроллерам; - формат экспорта данных от контроллеров. 8.1.13 Резервирование и восстановление данныхФункция резервирования и восстановления данных предусматривает: - подготовку и выдачу ответственному пользователю по крайней мере одной полной резервной записи всего программного обеспечения и проектных данных; - определение методов, с помощью которых пользователь может создать полную резервную запись и восстановить из нее все функции и конфигурационные данные для всех программно- технических средств; - определение используемых средств резервирования и восстановления данных. К функциональным характеристикам относится время, необходимое для полного резервирования системы и ее восстановления. 8.1.14 РезервированиеВозможности резервирования технических средств для автоматического восстановления после отказа отдельных частей без потери работоспособности определяют применительно к следующим устройствам: - устройства электроснабжения; - контроллерные устройства; - устройства/модули входов/выходов; - коммуникационные сетевые устройства и интерфейсы; - жесткий диск (например, типа RAID); - главная память; - графический дисплей; - клавиатура, мышь или другое указывающее устройство; - печатающие устройства, например в случае отсутствия бумаги. 8.1.15 Операционная системаЭлектронно-вычислительные устройства, такие как компьютеры станций операторов, серверные станции, используют многозадачные операционные системы, например, в целях одновременной обработки в фоновом режиме тревог/событий, регистрации исторических данных и возможности сигнализации о критической тревоге в течение заданного допустимого времени. Несколько устройств типа MOU* могут функционировать в параллельном режиме или с использованием многопользовательского режима операционных систем и/или сетевых операционных систем для отдельных компьютеров. ______________ * Здесь и далее сокращения типов аппаратных устройств соответствуют [1]. Прочее программное обеспечение (например, электронные таблицы, внешние базы данных) может одновременно также обмениваться информацией с программным обеспечением вычислительных средств из состава АСУЗ. При необходимости допускается использовать частное закрытое программное обеспечение на базе вычислительных средств АСУЗ. Тип и версию операционной системы и условия лицензирования определяет поставщик в соответствии с законодательством. Для операционных систем определяют следующие параметры: - функции администрирования; - количество одновременно подключенных к системе пользователей; - тип человеко-системного интерфейса (например, буквенно-цифровой/графический); - время отклика системы применительно к человеко-системному интерфейсу системы; - количество функций входов/выходов, обработки и управления на одно устройство обработки данных; - тип и число коммуникационных интерфейсов; - тип и число периферийных устройств и устройств оповещения; - прочее прикладное программное обеспечение сторонних производителей. Функциональные характеристики: - наименование и версия программного обеспечения; - системные требования к количеству памяти и носителям данных; - возможность определения и/или автоматической корректировки функциональных ошибок программного обеспечения; - поддерживаемая система (или несколько) управления базой данных; - все необходимое прикладное программное обеспечение сторонних производителей; - совместимое частное (закрытое с точки зрения условий лицензирования) коммуникационное программное обеспечение; - максимальное количество одновременно подключенных к системе пользователей; - один или несколько стандартов графического вывода информации; - максимальное количество коммуникационных интерфейсов; - максимальное количество контроллеров; - максимальное количество адресов для точек данных; - один или несколько языков для системных сообщений; - редактор для внесения изменений в конфигурацию. 8.2 Коммуникационное программное обеспечение8.2.1 Коммуникационные интерфейсыПри отсутствии единой коммуникационной сети для всех функциональных сетевых уровней, согласно варианту структуры внутренних связей АСУЗ, приведенному в [1 (рисунок)], для передачи данных в АСУЗ могут использоваться обычные коммуникационные интерфейсы от производителя технических средств либо стандартизированные интерфейсы. Для сети управления (СУ) должны использоваться международные стандарты для локальной вычислительной сети (ЛВС). Отказ части сети не должен повлечь за собой нарушение и отказ всей коммуникации АСУЗ. Архитектура сети передачи данных должна обеспечивать функции проверки и диагностики каждого абонента сети. Коммуникационные протоколы и объекты, независимые от конкретных программно-технических средств АСУЗ, приведены в DIN EN ISO 16484-5. При использовании внутренних закрытых протоколов производителей в состав поставки АСУЗ может входить необходимое программное обеспечение, коммуникационные драйверы. Функциональные характеристики: - число коммуникационных интерфейсов, используемых в сети одновременно (например, интерфейсы для маршрутизаторов, шлюзов, МС, CN, FN, PU, MOU, DSS); - поддержка стандартных протоколов, степень соответствия или подтверждение о возможности взаимодействия; - возможность передачи по принципу «точка- точка»; - максимальная скорость передачи для каждой сети; - поддержка модема (например, количество телефонных номеров, которые будут вызваны автоматически, или запущен автоматический ответ); - параметры модемной связи, скорость передачи, сжатие и шифрование данных; - соответствие международным и внутренним стандартам передачи данных. 8.2.2 Удаленный доступПроцедуру удаленного доступа определяют для удаленной коммуникации между устройствами управления распределенной сети и устройств типа MOU/PU. Функции, предлагаемые удаленным доступом, определяют по следующим параметрам: - доступ к текущим значениям и состояниям контролируемых параметров; - автоматический доступ для опроса тревог; - удаленная работа с графической информацией; - удаленный доступ к исторической базе данных; - удаленный доступ для конфигурирования прикладного программного обеспечения. Функциональные характеристики: - число PSTN поддержавших линий; - число ISDN поддержавших линий; - поддержка терминалов удаленных частных сетей; - поддержка терминалов удаленных сетей общего пользования; - поддержка терминалов локальной сети; - использование модемов/терминалов в ручном и автоматическом режимах. 8.2.3 Динамический обмен даннымиИмеющиеся интерфейсы динамического обмена данными с другим программным обеспечением определяют по следующим параметрам: - основные функции; - синтаксис связи; - поддерживаемый протокол. 8.2.4 Коммуникации со специализированными системамиПри наличии функций коммуникации со специализированными системами (например, другими АСУЗ и DSS) определяют следующие параметры: - стандарты и алгоритмы коммуникационных интерфейсов, технические и программные средства; - типы протоколов; - прикладные объекты или типовые прикладные профили; -система классификации и кодирования для адресации; - тип и методы доступа к базе данных; - объем и правила обмена файлами данных; - типы системных сообщений; - принципы инициализации процедур получения статусных сообщений, данных по наработке часов, расчетных данных, например, со счетчиков. Для установления возможности коммуникации между различными системами определяют наименование, тип, производителя, версии технических и программных средств внешних систем. Также определяют следующие проектные или программно-специфические требования: - договорные и функциональные требования для каждой сторонней системы или устройства сторонней системы; - адекватное функциональное описание, если выбранный протокол не стандартизирован в соответствии с DIN EN ISO 16484-5; - коммуникационные точки данных и функции согласно таблице А.1 (приложение А); - все функциональные возможности; - необходимые процедуры проверки и диагностики. 8.3 Прикладное программное обеспечение8.3.1 Общие положенияПрикладное программное обеспечение АСУЗ включает в себя программное обеспечение, разработанное с целью выполнения следующих функций АСУЗ для конкретного проекта, функций, перечисленных в 9, а также программное обеспечение для функций проектирования, конфигурирования/программирования и пусконаладки, приведенных в 8.5. 8.3.2 Обработка тревог/событийСообщения о тревогах/событиях от контроллерных устройств должны содержать указание даты и времени, информацию о типе события для непосредственного отображения и при необходимости для сохранения через функцию обработки исторических данных в соответствии с 9.4.5, например, для последующей обработки или вывода в отчет. Функции обработки тревог/событий на момент регистрации определяют в соответствии со следующими характеристиками: - тип сообщения о тревоге или категория события; - текущее состояние тревоги в системе (например, квитированное/неквитированное); - отображение отключенного состояния точки данных или устройства; - возможность вывода графической мнемосхемы на заранее определенное устройство вывода информации; - тип и содержание сообщений для оператора/пользователя (например, метка даты и времени, наименование точки и/или пользовательский адрес, состояние, значение, предельные значения, дополнительный текст); - разрешение по времени для метки даты и времени; - фильтрация тревог/сообщений в разные журналы (например, по категории событий); - возможность запускать предопределенные действия (например, запуск программ вывода на принтер). Функции обработки сообщений после регистрации определяют в соответствии со следующими основными пунктами: - формат журналов тревог/событий; - возможности поиска/выборки и запросов данных по журналам тревог/событий; - возможность вывода на печать; - таблица состояний для предопределенных действий. К функциональным характеристикам относится максимальное количество записей в журнале. 8.3.3 Метод выбора принтераМетод автоматического выбора принтера и переадресации вывода информации на различные принтеры определяют в зависимости от временных параметров и типов тревог/событий. Функциональные характеристики: - определение отказов принтера (например, «закончилась бумага»); - индикация отказа в качестве системного события. 8.3.4 Маршрутизация информацииМаршрутизация информации позволяет передавать определенную информацию на соответствующее устройство в указанные периоды времени или по требованию уполномоченного оператора. Программа должна обеспечивать возможность создания информационных фильтров согласно характеристикам в 8.3.2. 8.4 Программное обеспечение человеко-системного интерфейса8.4.1 Общие положенияЧеловеко-системный интерфейс реализует взаимодействие между персоналом и АСУЗ для управления технологическим объектом автоматизации. Данные функции определяют для каждого проекта и типа человеко-системного интерфейса. 8.4.2 Базовые функции человеко-системного интерфейсаЧеловеко-системный интерфейс реализует следующие основные функции: - регистрация и обработка значений параметров, тревог и событий; - отображение/вывод информации о состоянии технологического процесса; - задание/изменение параметров, уставок, значений; - системное администрирование, включая отдельные функции конфигурирования/ программирования и пусконаладки. На отдельных устройствах человеко-системного интерфейса ряд функций может быть недоступен из-за ограничений производительности или ограничений со стороны технических средств. Приоритетные и критичные по времени выполнения функции должны исполняться без участия персонала. Функциональные характеристики: - поддерживаемый тип графического интерфейса пользователя; - поддержка цветного графического дисплея; - поддерживаемое разрешение графического дисплея, указанное в пикселях; - время актуализации информации при отображении тревог. 8.4.3 Типы интерфейсов пользователейСвязи между различными типами пользователей, выполняемыми ими функциями и соответствующими типовыми техническими средствами представлены в таблице 2. 8.4.4 Регистрация и отмена регистрации пользователей в системеВо избежание неправомочных команд и изменений для входа в систему/выхода из системы устанавливают регистрацию с паролем. После контрольного времени бездействия в системе пользователей сеанс пользователя должен быть автоматически закрыт (отмена регистрации). 8.4.5 Контроль доступа пользователейПароль необходим для контроля доступа персонала к работе в системе. Могут использоваться и другие мероприятия и средства контроля как дополнительно к доступу, защищенному паролем, так и вместо него (например, карточки системы контроля доступа). Индивидуальную идентификацию персонала выполняют через пароль согласно 8.1.8 или с использованием технических средств согласно [1]. Система должна иметь различные профили или уровни пользовательского доступа, чтобы информация предоставлялась пользователю в зависимости от степени его компетенции. Пример - Пользователь высокого уровня типа оператора имеет доступ к статистике и изменениям параметров, тогда как общему персоналу службы эксплуатации открыт доступ только к чтению состояний, в соответствии с таблицей 2. 8.4.6 Общее представление информацииПользовательский интерфейс должен использовать единую методологию представления информации для всей системы, чтобы обеспечить интуитивно понятный пользовательский интерфейс системы. 8.4.7 Типы диалоговых интерфейсовДиалоговые пользовательские интерфейсы подразделяют на два типа: - символьный; - графический. 8.4.7.1 Символьные пользовательские интерфейсыСимвольные пользовательские интерфейсы подразделяются на следующие типы: - язык команд: система предлагает возможность ввода командной строки в MOU, и оператор может вводить по порядку команды, содержащие последовательность символов с определенным синтаксисом; - команды с интерактивным текстовым диалогом: после ввода определенной команды предусмотрен диалоговый интерфейс с возможностью выбора последующих команд в зависимости от уровня доступа пользователя; - команда с диалоговым меню: система предоставляет пользователю список диалогов, и пользователь может делать выбор из меню. Функциональные характеристики: - количество текста, одновременно показанного (например, 80 символов, 25 линий); - проверка команд при вводе на правильность синтаксиса. Таблица 2 - Персонал АСУЗ: связь с человеко-системным интерфейсом
8.4.7.2 Графический пользовательский интерфейсВ системе с графическим пользовательским интерфейсом информация отображается в графическом символьном виде. Для ввода информации пользователь взаимодействует с системой, используя указывающее устройство (мышь и/или клавиатуру). Рекомендуется, чтобы данная система имела графический редактор для корректировки мнемосхем. Для графического пользовательского интерфейса определяют требование по времени, необходимому для открытия новой мнемосхемы определенного размера и определенного количества динамически отображаемых параметров. Функциональные характеристики: - число мнемосхем, поддерживаемых приложением; - используемые символы; - возможность изменять масштаб изображения; - проверка команд при вводе на правильность синтаксиса. 8.4.8 Доступ к информацииОбращение к данным АСУЗ обычно происходит с использованием пользовательских адресов (мнемоников), чтобы однозначно идентифицировать элементы данных. Используемая структура адресов точек основывается на пользовательских требованиях и не зависит от технических средств. 8.4.9 Отображение информации о точках данныхИнформация о точке данных может быть представлена отдельными или всеми из следующих данных: - дата и время последнего изменения значения/состояния; - текстовое описание состояния; - пользовательский адрес; - состояние, значение и единица измерения; - предельные значения; - тип события; - дополнительный текст. Вид отображения указывают в таблице А.1 (приложение А). Метка времени и дата указывают время последнего изменения состояния или значения. Текст описывает состояние функции и смысл этого состояния (например, авария по верхнему пределу, текущее рабочее положение). По требованию пользователя могут быть определены и выводиться дополнительное текстовое описание, звуковое сообщение или мнемосхема. Формат даты и метки времени определяют, например, в виде дд.мм.гг - чч:мм:сс. Также на изображении должна приводиться соответствующая информация в случае, если значения точек и их состояния не обновляются. Функциональные характеристики: - количество знаков для каждого отображаемого текстового сообщения; - частота обновления отображаемых значений. 8.4.10 Отображение информации о состоянии, значенииПользователь может получать информацию о текущих и исторических значениях и состояниях с метками времени и даты из отчетов. В случае если точка данных не отображает текущее значение или состояние по причине ее блокировки/ деактивации, данный статус должен отображаться специальным образом. 8.4.11 Изменение параметров/уставокИзменение параметров/уставок состоит в переключении или изменении состояний оборудования, значений параметров/уставок. Дополнительно может отображаться информация о статусе выполнения данной функции. К функциональным характеристикам относится возможность проверки правильности синтаксиса. 8.4.12 Оповещение о тревогахСистема должна иметь функцию оповещения о тревогах, с помощью которой информация будет немедленно донесена до внимания оператора. Тип оповещения определяют следующим образом: - описание аварии, автоматически появляющееся на переднем плане на экране; - мигание, изменение яркости визуальных устройств; - вывод текстового сообщения на панель оператора. Для тревог должно быть предусмотрено квитирование оператором с соответствующим отображением текущего статуса тревоги. 8.4.13 Регистрация и обработка событийИнформация о событиях, происходящих в системе, должна автоматически отображаться на устройствах вывода информации без какого-либо вмешательства оператора. Например, на графическом дисплее, принтере. Отдельные типы событий должен квитировать (подтверждать) персонал. Функциональные характеристики: - минимальное время хранения информации; - максимальное время регистрации (разрешение по метке времени, цикл опроса); - реализация функции на верхнем уровне или на уровне автоматизации и управления. 8.4.14 Отображение исторических данных в виде графиков (трендов)Система должна обладать способностью отображать на устройстве вывода информации исторические данные в виде одного или нескольких графиков (трендов) в системе координат с осями Х и Y по временной шкале. Отображение на выбранном временном отрезке происходит: - с установленным временным разрешением; - по изменению значения. Функциональные характеристики: - максимальное число различных, показанных одновременно значений; - диапазон значений по оси X; - диапазон значений по оси Y и возможность автоматического масштабирования при изменении диапазона; - метод, используемый для выбора масштаба значений переменной Y; - метод, используемый для идентификации значений; - способность извлекать более детальную информацию, например, при изменении масштаба изображения или при использовании курсора. 8.4.15 Управление по временному расписаниюВ общем случае индивидуальное управление по временному расписанию относят к функциям контроллерных устройств. Устройства системы верхнего уровня (диспетчеризации и администрирования) должны обладать возможностями изменения настроек данного типа управления во всей системе. Для этого определяют процедуры изменения временных параметров, например, с использованием клавиатуры/мыши и т.д. Функциональные характеристики: - количество профилей временного управления, конфигурируемых по групповому принципу; - количество отдельных групп; - реализация функции на верхнем уровне или на уровне автоматизации и управления. 8.4.16 Аналитические и статистические функцииАналитические и статистические функции позволяют выполнять диагностическую оценку текущих и исторических значений и включают: - вычисление среднего, минимального и максимального значений; - вычисление корреляции; - вычисление регрессии. 8.4.17 Статистика по тревогам и событиямС помощью функции статистики тревог/событий выводят информацию в форме статистических отчетов, позволяющих персоналу получать сводную оценку о зарегистрированных в системе тревогах и событиях. Для построения отчетов должны использоваться средства фильтрации информации по различным признакам. 8.4.18 Статистика потребления энергоресурсовФункция статистики потребления энергоресурсов позволяет регистрировать и оценивать потребление различных энергоресурсов за указанные интервалы времени в форме отчетов и/или выборок данных. Для этого используют функции расчета часов наработки оборудованием, арифметического расчета значений, соответствующие функции входов/выходов и расчетные функции, приведенные в 9.3.5. 8.4.19 Отображение статистической информацииФункция отображения статистической информации в графическом виде должна выполняться для следующих объектов: - графики изменения значений (тренды); - секторные круговые диаграммы; - гистограммы; - столбчатые диаграммы, сложенные столбчатые диаграммы. Функциональные характеристики: - методы выбора информации и периодов времени (например, с использованием мыши) для выбора точек данных; - метод выбора информации по определенным проектным группам; - любые дополнительные особенности анализа текущих и/или исторических данных (например, фильтры); - возможность настройки сообщения. 8.4.20 Вывод на печатьОбъем информации, выводимой на печать, определяют по следующим параметрам: - события; - тревоги; - графические мнемосхемы, дисплеи; - перечни/протоколы; - графики/диаграммы, текущие или исторические; - отчеты. Тип и качество печати определяют по следующим параметрам: - листы протоколов и/или форматированные отчеты; - непрерывная печать; - копия экрана; - черно-белый/цветной; - качество, например черновик, письмо, графика. Методы печати определяют в зависимости от следующих параметров: - управление по событию; - управление по времени и дате; - инициатива пользователя. Функциональные характеристики: - поддерживаемые интерфейсы/протоколы принтера; - графический стандарт; - буферизация печати. 8.4.21 Справочная информацияВ системе должна быть реализована возможность встроенной справки. Ее наличие указывают дополнительно. Функциональные характеристики: - контекстно-ориентированная; - доступ для каждой фазы взаимодействия с интерфейсом. 8.4.22 Руководство по эксплуатации в электронном видеВ состав документации на АСУЗ может входить руководство по эксплуатации в электронном виде. Наличие данного руководства определяют на стадии формирования требований к проектной документации. К функциональным характеристикам относится навигационный метод через электронное руководство, например, с использованием функций гипертекста (гиперссылки). 8.4.23 Многоязычный интерфейсФункция многоязычного интерфейса пользователя обеспечивает выполнение следующих действий: - ввод данных на местном языке; - задание проектных данных и параметров на местном языке; - наличие команд и сообщений прикладного программного обеспечения на местном языке; - наличие команд и сообщений операционной системы и других программных сред на местном языке; - использование различных языков одновременно в различных интерфейсах устройств типа MOU; - быстрое переключение между языками; - возможность применения нового перевода. 8.4.24 Удаленная диспетчеризация и администрированиеФункции удаленной диспетчерезации и администрирования определяют в соответствии со следующими минимальными требованиями: - системное администрирование; - администрирование событий; - отображение информации о состояниях, значениях; - настройка параметров; - проектирование, конфигурирование, пусконаладка. Функции удаленной диспетчерезации и администрирования подобны функциям пользовательского интерфейса системы. Функциональные характеристики: - доступ к текущим значениям и состояниям; - автоматический набор номера по требованию для запроса на сообщение о тревогах; - удаленные графические возможности; - удаленный доступ к историческим данным; - возможность доступа к данным конфигурации системы и при необходимости загрузка/выгрузка программ. 8.4.25 Местное приоритетное ручное управлениеФункции местного ручного управления предназначены для адаптирования климатических условий арендаторами и посетителями зданий к своим индивидуальным требованиям. Для данного класса пользователей, уровень квалификации которых не предусматривает глубоких знаний принципов функционирования климатического оборудования, определяют следующие возможности: - ручное изменение уставки температуры, относительное (+/-) или абсолютное в единицах; - ручное изменение времени работы оборудования путем настройки временных параметров; - ручное изменение режима занято/свободно; - отображение информации о состоянии оборудования (например, сводная тревога). Данные функции реализуют, как правило, с помощью цифровых устройств местного ручного управления. Примечание - Устройства местного ручного управления приведены в [1]. 8.4.26 Техническое обслуживание и приемка в эксплуатациюФункции технического обслуживания и приемки в эксплуатацию реализуют с помощью станций операторов, портативных компьютеров и переносных устройств. Инженеры службы технического обслуживания и инженер-наладчик выполняют следующие задачи: - проверка и корректировка прикладного программного обеспечения; - настройка параметров регулирования и управления; - проверка коммуникационных функций. В случае выхода из строя оборудования АСУЗ в процессе пусконаладки или технического обслуживания используют устройства типа LO/ID. Данный тип управления позволяет включать/выключать, изменять режимы работы технологического оборудования. Примечание - Устройства типа LO/ID приведены в [1]. 8.5 Программное обеспечение для проектирования, конфигурирования/ программирования и пусконаладки8.5.1 Общее описание процесса проектирования, конфигурирования/ программирования и пусконаладкиВ данном разделе описаны задачи программного обеспечения для проектирования, конфигурирования/программирования и пусконаладки, используемого при разработке АСУЗ. Данные задачи являются специфичными для каждого проекта и системы. Прочие требования к управлению проектом и вводу системы в эксплуатацию будут описаны в дальнейших частях настоящего комплекса стандартов, посвященных проектированию и реализации АСУЗ. Разработка системы включает следующие стадии: - проектирование; - конфигурирование технических средств; - конфигурирование/программирование алгоритмов автоматизированного управления; - конфигурирование функций диспетчеризации и администрирования; - пусконаладка, включая индивидуальные и комплексные испытания, передачу в эксплуатацию; - разработка документации. В требованиях должна быть предусмотрена передача всего разработанного проектного программного обеспечения от разработчика к заказчику АСУЗ, например программ для загрузки в контроллеры, графических мнемосхем, конфигурационных файлов и т.д. Передача самого программного обеспечения для проектирования, конфигурирования/ программирования и пусконаладки согласовывается отдельно. Как правило, для больших АСУЗ (здания с общей площадью от 5 000 м2) в состав программно-технических средств должны входить средства для диагностики, корректировки программ контроллеров и функций диспетчеризации. Функциональные характеристики: - совмещение средств проектирования, конфигурирования и функций диспетчеризации и администрирования; - средства проектирования, входящие в состав АСУЗ, включая лицензии; - возможность выполнения процессов проектирования, конфигурирования в удаленном режиме через модем, локальные и глобальные сети передачи данных и т.д.; - функция автоматической разработки документации; - реализация части функций данного программного обеспечения через функции администрирования (например, изменение и загрузка программы для контроллеров). 8.5.2 Проектирование (концепция, технические задания, проектная и рабочая документация)На стадии проектирования разрабатывают и документируют в окончательном виде все требования, определенные проектировщиками, производителями программно-технических средств и конечными заказчиками. 8.5.3 Конфигурирование технических средствВ процессе конфигурирования технических средств происходит переход от подготовки исходных данных, технических заданий к процессу документирования требований к техническим средствам для последующего монтажа, включая кабельные соединения, внешние подключения и задание необходимых параметров. Конфигурирование технических средств включает разработку и выпуск следующей документации: - функциональные схемы автоматизации (приложение Б) и схемы алгоритмов (DIN EN ISO 10628); - перечень точек данных в части функций входов/выходов для конфигурации физических входов/выходов на технических средствах, а также для подготовки перечня функций АСУЗ с функциями обработки в целях оценки ресурсов контроллерных средств (процессор, память); - описание системы и коммуникационной сети (пояснительная записка); - спецификация программно-технических средств; - документация для монтажа периферийных устройств; принципиальные схемы, схемы внутренних соединений и внешних подключений, кабельных журналов; - ярлыки с обозначениями технических средств в принятой системе классификации и кодировки. Функциональные характеристики: - количество повторного ввода одинаковых данных для различных частей системы; - автоматическая верификация, включающая дублирование адреса, пользовательского адреса точки данных, корректное использование оборудования, точность ввода информации (например, проверкой синтаксиса). 8.5.4 Конфигурирование/программирование алгоритмов автоматизированного управленияТребования технического задания и исходных данных на стадии конфигурирования/программирования алгоритмов автоматизированного управления реализуются путем конфигурирования/ программирования функций автоматизации для контроллерных устройств уровня автоматизации и управления. Данная стадия включает следующие этапы: - разработка и загрузка программных файлов с алгоритмами; -документирование алгоритмов в бумажном виде; - установка значений параметров по умолчанию; - добавление функций обработки в таблицу А.1 (приложение А). Функциональные характеристики: - метод программирования, подразделяющийся по типам на текстовый (язык программирования, структурированный текст), графический (метод функциональных блоков) и объектный; - тип и число доступных прикладных функций в библиотеке; - тип загрузки программы в контроллер, включающий комплексную загрузку для всех контроллеров единовременно, частичную загрузку в отдельный контроллер, возможность частично загружать сегмент программы, не прерывая другие функции, выполняемые в контроллере или сети, а также необходимое для загрузки время; - возможность считывания (выгрузки) программы, включающая считывание программы из контроллера для последующего редактирования, восстановление исходной программы, восстановление исходной программы в первоначальной конфигурации и с комментариями, сравнение считанной программы с исходной программой. 8.5.5 Конфигурирование функций диспетчеризации и администрированияВ процессе конфигурирования функций диспетчеризации и администрирования требования технического задания и исходных данных реализуются путем программирования и конфигурирования функций диспетчеризации и администрирования. Конфигурирование функций диспетчеризации и администрирования включает: - графические мнемосхемы с динамическим отображением точек данных системы; - события, тревоги, включая распределение по приоритетам/группам, категориям и фильтрацию; - права доступа персонала; - отчетную документацию с привязкой к точкам данных, тревогам, сообщениям; - временное расписание; - исторические данные; - окончательный перечень функций АСУЗ с функциями диспетчеризации и администрирования. Функциональные характеристики: - возможность использовать графические элементы из программного обеспечения сторонних производителей; - поддержка библиотек, включающая базовые графические символы технологического оборудования здания, графические символы для технологического оборудования здания, строительно-конструкционные шаблоны для отображений элементов здания, шаблоны отчетов; - способность использовать данные, заданные на предыдущих стадиях проектирования и конфигурирования (например, пользовательские адреса точек данных); - задание параметров временного расписания, используя текстовый, графический, календарный вид, или задание с помощью функции копирования данных. 8.5.6 Пусконаладка и приемка в эксплуатациюВспомогательные средства пусконаладки и приемки в эксплуатацию выполняют следующие задачи: - проверка периферийного оборудования и подключений технических средств; - проверка коммуникационной системы и анализ протокола передачи данных; - моделирование/проверка алгоритмов автоматизированного управления; - загрузка алгоритмов (программ в контроллеры) и инициализация параметров; - проведение индивидуальных и комплексных испытаний на работающем технологическом оборудовании с моделированием защит и блокировок; - оптимизация/настройка параметров. Функциональные характеристики: - возможность временно перезаписывать значения/состояния и параметры в алгоритмах автоматизированного управления - функций моделирования; - возможность контролировать состояние системы в отдельном программном цикле. 9 Типы функций АСУЗ9.1 Общие требованияНормативное описание типов функций АСУЗ необходимо для определения объема работ, выполняемых при проектировании и реализации АСУЗ. Данный раздел сопровождают примеры с функциональными блоками, которые позволяют разрабатывать проектную и исполнительную документацию в необходимом объеме. Тип и количество функций АСУЗ устанавливают на стадии проектирования для определения соответствующего прикладного программного обеспечения и объема процессов разработки и проектирования. Перечень функций АСУЗ в виде таблицы А.1 является вспомогательным средством для определения и сводного учета общего объема проектных функций. Основой для определения функций АСУЗ служит функциональная схема автоматизации. Для идентификации точек данных АСУЗ необходима единая система классификации и кодирования адресов точек данных, которая может использоваться как для проекта АСУЗ, так и для всего объекта недвижимости заказчика. Функции, использующие виртуальные (расчетные) точки данных с собственными адресами, регистрируют отдельной строкой в таблице А.1 (приложение А). При необходимости в примечании может быть указана соответствующая начальная точка данных. Функции, связанные с защитами и блокировками, определяют отдельно. Для приводов технологических объектов управления указывают возможность перевода в безопасное положение без использования электроснабжения. Примечание - Остальные критерии работы приводов и электрического коммутационного оборудования применяют в соответствии с [1]. Для каждой функции входов/выходов (физической или коммуникационной) указывают условия блокировок и приоритеты при их наличии, соответствующие режимам: - автоматического управления (через контроллер); - дистанционного ручного управления, например, через использование устройств типа MOU (через верхний уровень); - местного ручного управления по месту, например, с использованием устройств типа LO/ID (кнопочное управление, переключатели на щитах, по месту); - местного ручного управления с использованием цифровых периферийных пультов управления (например, пульт управления кондиционером в помещении); - приоритетного управления через защитные устройства (например, термостат защиты от замерзания). К функциональным характеристикам относится обнаружение неисправностей или отказов (например, обрыв/короткое замыкание электрической цепи). 9.2 Функции входов/выходов9.2.1 Общие положенияФункции входов/выходов служат: - для определения значений/состояний аналоговых и дискретных входов; - для выдачи выходных команд позиционирования/переключения; - для коммуникационных точек данных. Информация от функций входов/выходов обрабатывается далее всеми другими функциями АСУЗ. Функции входов/выходов имеют следующие основные параметры: - адреса точек данных; - характеристики и диапазоны измерений датчиков; - единицы измерений; - описания состояний и соответствующих статусов; - текстовые параметры. Примечание - Коммуникационный протокол для коммуникационных точек данных не относится к параметрам. 9.2.2 Типы функций физических входов/ выходов9.2.2.1 Дискретный выход переключения/ позиционированияФункция дискретного выхода переключения/ позиционирования имеет две составляющие: - функция физического дискретного выхода переключения; - функция физического дискретного выхода позиционирования. 9.2.2.1.1 ПереключениеФункция физического выхода переключения выполняет одноступенчатые (включение/выключение) или многоступенчатые команды, представляющие собой удерживаемый контакт (постоянный сигнал/устойчивое состояние) или моментальный контакт (импульсный сигнал) через физический дискретный выход (ВО), например транзисторный ключ или беспотенциональный («сухой») контакт. Каждую функцию переключения определяют путем ввода количества ступеней в перечень функций АСУЗ в соответствии с таблицей 3. Сигналы обратной связи, которые логически относятся к командам переключения, а также к сигналам с местного переключателя ручн./авто или с устройств типа LO/ID, определяют в таблице А. 1 в графе состояния дискретного входа (графа 1.3). Если требуется проверка выполнения команды, то ее определяют как соответствующую функцию обработки в таблице А.1 (графа 3.5). 9.2.2.1.2 Дискретное позиционированиеФункция физического дискретного выхода позиционирования включает в себя два дискретных выхода (2 ВО), использующих команды включения/ выключения, в случае трехпозиционного управления или один дискретный выход (1 ВО) в случае широтно-импульсной модуляции (ШИМ) в соответствии с таблицей 4. Таблица 3 - Функции переключения для управления постоянным или импульсным контактом
Таблица 4 - Функция дискретного выхода для позиционирования
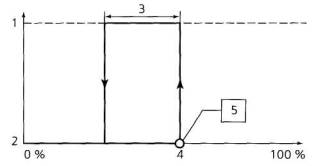
Сигналы обратной связи, которые логически относятся к командам позиционирования, а также к сигналам с местного переключателя ручн./авто или с устройств типа LO/ID, определяют в таблице А.1 соответственно либо в графе аналогового входа (графа 1.5), либо в графе состояния дискретного входа (графа 1.3). Сигналы обратной связи в положениях полного открытия или полного закрытия определяют через функцию состояния дискретного входа. 9.2.2.2 Аналоговый выход позиционированияФункция физического аналогового выхода позиционирования преобразует аналоговую позиционирующую команду, полученную от функций обработки и диспетчеризации, в физический аналоговый выходной сигнал (АО). Сигналы обратной связи, которые логически относятся к командам позиционирования, а также к сигналам с местного переключателя ручн./авто или с устройств типа LO/ID, определяют в таблице А.1 в графе аналогового входа (графа 1.5). 9.2.2.3 Дискретный вход, состояние (контроль состояния)Функция состояния физического дискретного входа (контроль состояния) обрабатывает цифровую информацию, полученную через физический дискретный вход (BI), в двоичном коде. Возвращаемая информация (результат) данной функции зависит от текстового описания, соответствующего каждому из двух состояний входа. Данная функция не предназначена для внутрисистемных диагностических сообщений. При подключении контактных датчиков с быстрым временем переключения (импульса) определяют требуемое время опроса дискретного входа для надежного считывания сигнала. Контактные датчики состояний типа неисправность/тревога подключают как «нормально замкнутые» для возможности определения обрыва цепи подключения. Для дискретных точек данных по состоянию электрического оборудования необходимо использовать два дискретных входа, подключенных к контактам «включено» и «выключено», для возможности определения промежуточного состояния (или выдавать сообщение по функции «исключающего ИЛИ» в качестве результата проверки выполнения команды). При дальнейшей обработке состояния определяют параметры задержки, подавления и логические связи состояния (таблица А.1, графа 3.6). Другие соответствующие функции указывают в таблице А.1 (приложение А). 9.2.2.4 Дискретный счетный входФункция физического дискретного счетного входа считывает и суммирует импульсы со счетных (CI) или дискретных (BI) входов. У данной функции предусматривают возможность сброса (обнуления) накопленного суммарного значения. Сопряженные функции (например, контроль предельного значения) указывают в таблице А.1 в той же строке перечня в соответствующих графах. Функциональная характеристика: данная функция работает как счетчик в прямом направлении с минимальным суммарным диапазоном 216 (16 бит/5 цифр) или 232 (32 бит/10 цифр) в зависимости от конкретного приложения. Для каждого проекта определяют диапазон значений. 9.2.2.5 Аналоговый входФункция физического аналогового входа (AI) позволяет считывать и обрабатывать информацию с датчиков измерения физических величин. К данной функции относят также обработку физического сигнала состояния позиционирования для контроля сопряженного управляющего сигнала позиционирования. Сопряженные функции указывают в таблице А.1 в той же строке перечня в соответствующих графах. 9.2.3 Функции входов/выходов коммуникационных точек данных9.2.3.1 Общие положенияФункции входов/выходов коммуникационных точек данных используют в проектах интеграции для доступа к виртуальным точкам данных из сетевых/интерфейсных устройств различных производителей. Данные функции дают возможность определить привязку точек данных к функциям и точкам данных различных сторонних систем или устройствам типа DSS при коммуникации, например, через устройства типа DIU или сеть передачи данных. Подробнее о коммуникации с устройствами и функциями диспетчеризации и администрирования см. 9.4. Коммуникационные точки данных являются, как правило, результатами функций обработки и расчета, необходимыми для передачи между системами, например значение потребляемой электрической мощности насоса или холодильной машины. Использование типа передачи «точка-точка» между устройствами указывают отдельно. Подробную информацию по способу передачи коммуникационных точек данных определяют в соответствии с выбранным коммуникационным протоколом согласно DIN EN ISO 16484-5. 9.2.3.2 Дискретное значение (выход) переключенияФункцию дискретного значения (выхода) переключения используют для одно- и многоступенчатой команды, передаваемой в качестве запроса на переключение в функцию обработки либо на функцию физических входов/выходов другой системы в соответствии с проектными требованиями. 9.2.3.3 Аналоговое значение (выход) позиционирования/уставкиФункция аналогового значения (выхода) позиционирования/уставки служит для задания положения/значения (позиционирования/уставки) и представляет собой команду задания положения/значения, передаваемую в качестве задающего параметра в функцию обработки или через функцию входов/выходов в другую систему в соответствии с проектными требованиями. 9.2.3.4 Дискретное значение (вход), контроль состоянияФункция дискретного значения (входа) служит для контроля состояния и предоставления информации об изменении дискретного одно- или многоступенчатого входа от соответствующей системы. Сопряженные функции указывают в таблице А.1 в той же строке перечня в соответствующих графах. 9.2.3.5 Суммарное/накопленное значениеФункция суммарного/накопленного значения возвращает накопленное или суммарное значение из другой системы. Сопряженные функции указывают в таблице А.1 в той же строке перечня в соответствующих графах. 9.2.3.6 Аналоговое значение (вход)Функция коммуникационного аналогового значения (входа) возвращает аналоговое значение из соответствующей системы. Сопряженные функции указывают в таблице А.1 в той же строке перечня в соответствующих графах. 9.3 Функции обработки9.3.1 Общие положенияФункции обработки возвращают логические или цифровые выходные значения. Другие функции используют эти значения в качестве входных. 9.3.2 Функции контроля9.3.2.1 Общие положенияФункции контроля используют для проверки функций входов/выходов или результатов выполнения функций обработки по определенным критериям. 9.3.2.2 Фиксированное предельное значениеФункция фиксированного предельного значения сравнивает измеренные или просуммированные входные значения с верхним и/или нижним предельным значением, учитывая гистерезис. При этом суммарное значение сравнивают только с верхним предельным значением. Если предельное значение превышено, функция выдает соответствующий выходной сигнал. Предельное значение и гистерезис задают в тех же единицах, что и входную величину. Количество предельных значений указывают в таблице А.1 (графа 3.1) для каждой функции фиксированного предельного значения. Графическое описание функции представлено на рисунке 1 и в таблице 5.
Рисунок 1 - Функция фиксированного предельного значения: 1 - входная величина (измеренное значение); 2 - гистерезис; 3 - верхнее предельное значение; 4 - событие; 5 - верхнее предельное значение достигнуто Таблица 5 - Пример функционального блока (фиксированное верхнее/нижнее предельное значение)
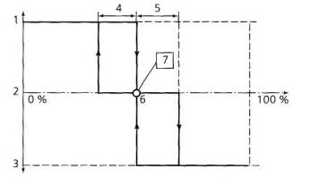
9.3.2.3 Скользящее предельное значениеФункция скользящего предельного значения сравнивает измеренные входные значения со скользящим (переменным) верхним и/или нижним предельным значением, учитывая гистерезис. Если предельное значение превышено, функция возвращает соответствующий выходной дискретный сигнал. Скользящее предельное значение и гистерезис задают в тех же единицах, что и входную величину. Количество предельных значений указывают в таблице А.1 (графа 3.2) для каждой функции скользящего предельного значения. Графическое описание функции представлено на рисунке 2 и в таблице 6.
Рисунок 2 - Функция скользящего предельного значения: 1 - входная величина; 2 - гистерезис; 3 - событие; 4 - верхнее предельное значение достигнуто; 5 - нижнее предельное значение достигнуто; 6 - верхняя скользящая уставка с учетом сдвига; 7 - нижняя скользящая уставка с учетом сдвига Таблица 6 - Пример функционального блока (скользящее предельное значение)
9.3.2.4 Суммарное время работыФункция суммарного времени работы (наработки) установки или отдельного агрегата (например, холодильной машины, насоса) возвращает суммарное значение продолжительности работы, полученное путем контроля рабочего состояний соответствующего оборудования. Данная функция поддерживает возможность предварительного задания начального значения. При контроле предельного значения наработки используют функцию предельного значения (таблица А.1, графа 3.1). Функциональные характеристики: - максимальное суммарное значение; - точность суммарного значения. Графическое описание функции представлено в таблице 7. Таблица 7 - Пример функционального блока (суммарное время работы)
9.3.2.5 Подсчет событийФункция подсчета событий контролирует изменение состояний соответствующего входа и возвращает суммарное значение количества изменений состояния. Данную функцию используют для подсчета событий, определенных согласно специальным требованиям проекта (например, количество сообщений о тревогах, количество изменений состояния оборудования или превышений предельных значений технологическим параметром). Функция подсчета событий поддерживает возможность предварительного задания начального значения. При контроле предельного значения наработки используют функцию контроля предельного значения (таблица А.1, графа 3.1). Функциональные характеристики включают максимальное значение счетчика. Графическое описание функции представлено в таблице 8. Таблица 8 - Пример функционального блока (подсчет событий)
9.3.2.6 Контроль выполнения командыФункция контролирует выполнение команд переключения и/или позиционирования в течение заданного контрольного времени. По истечении контрольного времени при отсутствии сигнала о выполнении или несоответствии заданному значению сигнала позиционирования и при отсутствии сигнала блокировки сигнализации подается сигнал ошибки/тревоги. Входные/выходные значения данной функции работают по положительной или отрицательной логике в зависимости от выбранной конфигурации функции. Данную функцию указывают для соответствующих контролируемых функций выходов в таблице А.1 (приложение А). Для контроля соответствия состояния двухпозиционных объектов управления данную функцию задают для каждого состояния включить/выключить. Функциональные характеристики: - минимальное/максимальное значение контрольного времени и точность задания времени; - комбинации логических приоритетов. Графическое описание функции представлено в таблице 9. Таблица 9 - Пример функционального блока (контроль выполнения команды)
9.3.2.7 Обработка состоянияК функции обработки состояния относят все виды обработки, по результатам которых формируется логический результирующий сигнал: - логическая обработка состояний (например, формирование сигнала общей тревоги по состояниям нескольких точек данных); - задержка изменения состояния точки данных для блокировки дальнейшей обработки в течение заданного времени с разрешением обработки после сохранения состояния в течение заданного времени; - подавление изменения состояния для блокировки дальнейшей обработки изменения состояния точки данных в зависимости от состояния других точек данных в течение определенного временного периода или в указанное время, которые задаются в качестве параметров функции. Пример - Подавление сообщений о состоянии во время восстановления рабочего электроснабжения или при выключенном оборудовании. Каждую функцию обработки состояния задают в таблице А.1 (приложение А), указывая количество каждого типа функции для соответствующей точки данных функции входа. При необходимости приводят тип функции обработки состояния в столбце примечаний перечня. Тип указывают в графе примечаний. Графическое описание функции представлено в таблице 10. Таблица 10 - Пример функционального блока (обработка состояния)
9.3.3 Функции управления9.3.3.1 Общие положенияФункции управления реализуют логические функции обработки нескольких входных сигналов для выдачи управляющих сигналов. Данная функция использует команды логической обработки И, ИЛИ, ИСКЛ-ИЛИ, НЕ. Данные команды в сочетании с временными командами (таймеры, триггеры) должны использоваться в процессе проектирования для возможности формирования более сложных функций управления. Функциональные характеристики: - количество входных функций для комбинирования; - тип поддерживаемых логических функций; - количество возможных логических комбинаций. 9.3.3.2 Управление установкойФункция управления установкой создает управляющую последовательность включений/выключений отдельных элементов установки, определенных по проектным требованиям. Эти действия направлены, в первую очередь, на защиту оборудования от повреждений. При проектировании общей функции управления конкретной установкой учитывают все рабочие режимы, функции входов/выходов, обработки, а также параметры (например, предустановленные временные), уставки параметров и события, вызывающие защитные функции. Каждую сложную последовательность команд и типы режимов управления установкой описывают в текстовой форме (при необходимости используют алгоритмическую схему процедуры управления) и указывают в таблице А.1 (графа 4.1). Функции диспетчеризации, управления по временному расписанию или оптимизации могут активировать или разрешать функцию управления установкой. При этом учитывают, что функция оптимизации для переключения по событию предназначена только для событий, относящихся к установкам/системам в целом, и не может быть использована во внутренних алгоритмах управления отдельной установки. Пример - Обычно выполняется следующая последовательность команд: открыть заслонки, включить насосы и вентиляторы, инициализировать регулятор. Изменение последовательности может осуществляться автоматически в зависимости от значений переменных: если наружная температура ниже нижнего предельного значения, первым включается насос предварительного прогрева и активируется алгоритм регулирования прогрева перед открытием воздушной заслонки. 9.3.3.3 Управление двигателем/приводным устройствомФункция управления двигателем/приводным устройством служит для его переключения в различные функциональные состояния (например, вкл./выкл. и т.д.). Функция не применяется для управления приводами с позиционированием. Данная функция содержит все необходимые алгоритмы управления в зависимости от различных условий блокировок, таких как аварийное выключение, защита оборудования, сигналы обратной связи, контроль ременной передачи, временные функции для привода и команды местного ручного управления с устройств типа LO/ID. Выходы функции управления двигателем могут воздействовать на несколько физических дискретных функций выходов для переключения двигателя. Если управление двигателем предназначено для насоса, то система дополнительно использует функцию защиты от заклинивания привода путем периодических кратковременных включений. Схема включения типа «звезда/треугольник» (коммутация обмоток двигателя для «мягкого пуска») не является частью этой функции. Число ступеней управления указывают в таблице А.1 (графа 1.1) в соответствии с примечанием 1. Графическое описание функции представлено в таблице 11. Таблица 11 - Пример функционального блока (управление двигателем)
9.3.3.4 Переключение между агрегатамиФункция переключения между агрегатами предназначена для обеспечения равномерности выработки ресурсов парных агрегатов. Агрегаты, такие как сдвоенные насосы или компрессоры, переключают в зависимости от предварительно заданного временного расписания или времени работы и/или события (например, неисправности одного из двух агрегатов). Функцию переключения при необходимости используют совместно, например, с функциями управления по временному расписанию, учета времени работы, алгоритмами управления (обработка состояния) и управления двигателями и применяют, например, для задания последовательности (приоритетов) включения насосов или холодильных машин. Функцию переключения указывают в таблице А.1 (графа 4.3) для соответствующих функций выходов. Графическое описание функции представлено в таблице 12. Таблица 12 - Пример функционального блока (переключение между агрегатами)
9.3.3.5 Ступенчатое управлениеФункцию ступенчатого управления используют в случае совместной работы двух или более агрегатов на одну нагрузку в зависимости от ее уровня, а также при многоступенчатом управлении одним агрегатом. На ступенчатую последовательность управления могут влиять и другие параметры (например, индивидуальная номинальная мощность агрегата, гистерезис и временные параметры). Функцию ступенчатого управления при необходимости используют совместно, например, с функциями управления по временному расписанию, учета времени работы, алгоритмами управления (обработка состояния) и управления двигателями, а при последовательном управлении - также с функциями оптимизации (обработка состояния), например, используя функцию переключения по событию. Данную функцию указывают в таблице А.1 (графа 4.4) для соответствующих функций выходов. Графическое описание функции представлено в таблице 13. Таблица 13 - Пример функционального блока (ступенчатое управление)
9.3.3.6 Защитное управление/защита от замораживанияВажной характеристикой функции защитного управления/защиты от замораживания является самоблокировка функции по возникновению определенного события. При наличии нескольких различных функций защитного управления для одной установки/оборудования описывают все контуры защиты. Функции защитного управления подразделяют по следующим группам: - функция защитного управления с возможностью блокировки/разблокировки работы для переключения установки или ее отдельных элементов в предопределенное безопасное состояние с целью предотвращения повреждений установки или здания, а также в специально указанных случаях с целью предотвращения нанесения вреда персоналу. Данная функция активируется при превышении предельных значений давления, температуры или влажности. Если требуется возобновление работы оборудования в нормальном режиме, необходимо получение специального подтверждения (квитирования) (в автоматическом или ручном режимах); - функция защиты от замораживания, служащая для переключения всех необходимых элементов установки в предопределенное безопасное состояние с целью предотвращения повреждений от замораживания. Данная функция активируется специальным термостатом защиты от заморозки или при превышении нижнего предельного значения температуры. Требования к блокировке/разблокировке (подтверждению) работы определяют для каждого проекта, при необходимости предусматривают возможность разблокировки (квитирования) непосредственно оператором. Функция защиты от замораживания должна оставаться активной даже при выключении установки через функцию обработки. Если установку выключают посредством ручного управления или вследствие отказа электроснабжения, то отдельно указывают, остается ли функция активной и каким образом. Функцию защитного управления/защиты от замораживания определяют в таблице А.1 (графа 4.5) для соответствующей функции входа. 9.3.4 Функции регулирования9.3.4.1 Общие положенияФункции регулирования в общем случае включают в себя функции аналоговых входов и расчетные функции. Другие типы функций используют результаты выполнения функций регулирования в качестве входных сигналов. Регулирование осуществляют на основе базовых алгоритмов, например, П (пропорционального), ПИ (пропорционально-интегрального), ПИД (пропорционально-интегрально-дифференциального) регулирования, использующих обратную связь по регулируемому параметру (текущее значение) со стороны регулируемого процесса. Пример - Если осуществляют регулирование температуры с целью поддержания ее значения на заданном уровне (т.е. равной заданному значению/уставке), то обратную связь осуществляют через текущее значение температуры, на основе которого в зависимости от величины рассогласования текущего и заданного значений алгоритмом возвращается команда на увеличение/уменьшение величины подводимого к процессу тепла/холода. Для каждой функции задают значение регулируемого параметра (уставку). Полное описание данной функции в таблице А.1 (приложение А) включает описания алгоритмов типа П или ПИ/ПИД и по крайней мере одной выходной функции регулирования (например, пропорционально-последовательного выхода). При необходимости используют комбинацию различных функций. В случае каскадного регулирования в процессе участвуют главный контур регулирования и один или несколько подчиненных контуров. Выходной параметр главного контура используют в качестве заданного значения для подчиненных контуров. Функцию двухпозиционного регулирования указывают в таблице А.1 (приложение А) путем ввода одной функции обработки типа П/ПИ и дополнительно двухпозиционной выходной функции, а функция трехпозиционного регулирования (например, нагрев/охлаждение) - путем ввода одной функции обработки типа П/ПИ и дополнительно двух двухпозиционных функций выходов. В данной функции предусматривают возможность изменения заданного значения/уставки в процессе эксплуатации через устройства типа MOU при выполнении функций диспетчеризации и администрирования. 9.3.4.2 Пропорциональное регулирование (П-регулирование)Функция П-регулирования (пропорциональный алгоритм регулирования) возвращает в качестве результата выходной сигнал, пропорциональный величине рассогласования (переменной ошибки), которую определяют как разность между текущим значением заданного значения/уставки и значением регулируемого параметра. Функция П-регулирования обрабатывает фиксированное заданное значение/уставку, поступающее в качестве входной величины, и соответствующие параметры. Данную функцию задают в таблице А.1 (графа 5.1) совместно по крайней мере с одной функцией преобразования выходного значения. 9.3.4.3 Пропорционально-интегральное и пропорционально-интегрально-дифференциальное регулирование (ПИ/ПИД-регулирование)Функция ПИ/ПИД-регулирования (пропорционально-интегральный, пропорционально-интегрально-дифференциальный алгоритмы регулирования) включает следующие компоненты: - пропорционально-интегральный алгоритм, который аналогичен пропорциональному с той разницей, что добавляется функция, определяющая изменение во времени выходного значения пропорционально регулируемому параметру; - пропорционально-интегрально-дифференциальный алгоритм, который аналогичен пропорционально-интегральному с той разницей, что добавляется функция, определяющая выходной сигнал пропорциональным временному изменению (скорости изменения) регулируемого параметра. Функция ПИ/ПИД-регулирования обрабатывает заданное значение/уставку, поступающее в качестве входной величины, и соответствующие параметры. Данную функцию задают в таблице А.1 (графа 5.2) совместно по крайней мере с одной функцией преобразования выходного значения. 9.3.4.4 Регулирование со скользящей уставкой (по функциональной зависимости)Функция регулирования со скользящей уставкой использует скользящую уставку (функциональную зависимость). При этом текущую уставку определяют значением переменного входного сигнала и/или расчетной функцией. Примеры 1 Скользящая уставка, летний режим, компенсирующее воздействие. Заданное значение/уставка температуры в помещении линейно возрастает, начиная с определенной температуры наружного воздуха (начальное значение). В этом случае функция позволяет избежать климатического дискомфорта для обитателей здания, связанного со значительной разницей между температурами воздуха в помещении и наружного воздуха, а также способствует энергосбережению. 2 Функциональная зависимость, зимний режим, компенсирующее воздействие. Текущее значение температуры подачи теплоносителя в систему отопления здания меняется по мере изменения температуры наружного воздуха в соответствии с заданной функциональной зависимостью (функциональная кривая уставки). Заданное значение функции регулирования либо рассчитывают, либо определяют по заданной функциональной зависимости для системы отопления. Должна быть предусмотрена возможность изменения заданного значения/уставки и/или параметров функциональной зависимости в процессе эксплуатации через устройства типа MOU при диспетчеризации. Ограничения на возможные значения уставки определяют специальной функцией, задающей предельно допустимые значения для уставки/выходной величины. Функциональные характеристики: - число точек для задания уставки с использованием функциональной зависимости; - алгоритм расчета уставки. Графическое описание функции представлено на рисунке 3.
Рисунок 3 - Функция регулирования со скользящей уставкой (по функциональной зависимости): 1 -температура подаваемого теплоносителя; 2 - температура наружного воздуха; 3 - уставка 1; 4 - уставка 2; 5 - текущая уставка; 6 - уставка 3; 7 - температура наружного воздуха 1; 8 - температура наружного воздуха 2; 9 - текущая температура наружного воздуха; 10 - температура наружного воздуха 3 9.3.4.5 Пропорционально-последовательное управлениеФункция пропорционально-последовательного управления преобразует выходное значение функции регулирования (например, П-регулирования) в ряд последовательных пропорциональных выходных сигналов. Один выходной сигнал, таким образом, может быть разделен на два или более последовательных сигналов с заданием параметров начального положения и коэффициента пропорциональности. Все выходные последовательные сигналы функции регулирования указывают в таблице А.1 (приложение А). Данная функция используется например, для управления двумя клапанами (охлаждение/нагрев) одного климатического доводчика через одну функцию регулирования. Графический пример задания пропорционально-последовательного управления (заслонка/клапан) представлен на рисунке 4.
Рисунок 4 - Функция пропорционально-последовательного управления заслонкой/клапаном: 1 - выходное значение пропорционально-последовательной функции (на исполнительное приводное устройство); 2 - выходное значение функции регулирования; 3 - выход последовательности 1; 4 - выход последовательности 2; 5 - предельные значения для выходной величины; определяют согласно 9.3.4.8 Графический пример задания распределенного выхода (охлаждение/нагрев) представлен на рисунке 5.
Рисунок 5 - Функция пропорционально-последовательного управления охлаждением/нагревом: 1 - открыто; 2 - закрыто; 3 - позиция клапана охлаждения; 4 - позиция клапана нагрева; 5 - выходная величина, %; 6 - зона нечувствительности (гистерезис) 9.3.4.6 Двухпозиционное регулированиеФункция двухпозиционного регулирования преобразует выходное значение функции регулирования в дискретное значение выходной функции переключения/позиционирования. Преобразование выполняют в соответствии с заданным значением и зоной нечувствительности (гистерезисом). Графические описания функций двух- и трехпозиционного регулирования представлены соответственно на рисунках 6 и 7.
Рисунок 6 - Функция двухпозиционного регулирования: 1 - включено; 2 - выключено; 3 - зона нечувствительности (гистерезис); 4 - заданное значение/уставка; 5 - выходное значение функции регулирования
Рисунок 7 - Две двухпозиционные функции выходов для реализации трехпозиционного регулирования: 1 - включено 1; 2 - выключено; 3 - включено 2; 4 - гистерезис 1; 5 - гистерезис 2; 6 - заданное значение/уставка 1/2; 7 - выходное значение функции регулирования Графическое описание функции двухпозиционного регулирования представлено в таблице 14. Таблица 14 - Пример функционального блока (двухпозиционное регулирование)
9.3.4.7 Широтно-импульсная модуляцияФункция широтно-импульсной модуляции преобразует выходное значение функции регулирования в последовательность импульсов переменной длительности, зависящей от амплитуды входного значения (выходного значения функции регулирования). Пример - Управление приводным или нагревательным устройствами. 9.3.4.8 Ограничение заданного значения (уставки)/выходного значенияФункцию ограничения заданного значения (уставки)/выходного значения используют с целью ограничения выходного значения функции регулирования по предельным верхним и/или нижним значениям, например, чтобы гарантировать подачу минимального необходимого количества свежего воздуха. Ограничение может блокироваться функциями безопасности с большим приоритетом (например, функцией защиты оборудования от замораживания). Каждую функцию ограничения уставки/выходного значения указывают в таблице А.1 (графа 5.7) путем указания количества предельных значений. Графическое описание функции представлено в таблице 15. Таблица 15 - Пример функционального блока (ограничение уставки/ выходного значения)
9.3.4.9 Переключение/изменение параметров регулированияФункцию переключения/изменения параметров регулирования используют для изменения параметров функции регулирования с целью адаптации управляющего воздействия в зависимости, например, от достижения некоторой величины рассогласования, превышения предельного значения, достижения определенной позиции клапана, определенного события. 9.3.5 Функции расчета/оптимизации9.3.5.1 Общие положенияФункции расчета/оптимизации представлены в качестве базового прикладного программного обеспечения АСУЗ, для которого не требуется специального программирования, кроме конфигурирования и настройки. Данные функции включают следующие компоненты: - функции расчета, используемые с целью вычисления промежуточных значений в качестве входных значений для других функций и обеспечения пользователя различного рода комплексными данными для последующего принятия решений; - функции оптимизации, не заменяющие собой функции контроля, управления и регулирования, приведенные в 9.3. В общем случае функции данного типа используют для координации работы различного оборудования с целью снижения потребления энергии и сокращения эксплуатационных затрат. С целью адаптации к различным прикладным задачам функции оптимизации должны обладать возможностью настройки параметров для квалифицированного персонала, что позволит применять функции данного типа в зданиях различной конструкции и назначения. Для настройки функций оптимизации требуется проведение дополнительных мероприятий в процессе пусконаладочных работ. 9.3.5.2 Управление с использованием I-d диаграммыФункция управления с использованием I-d диаграммы возвращает выходные параметры для оптимального использования энергии при кондиционировании приточного воздуха. В процессе расчета определяют оптимальные параметры приточного воздуха для заданной температуры и относительной влажности помещения с использованием I-d диаграммы. Данную функцию задают в таблице А.1 (графа 6.1) для таких входных точек данных, как температура и влажность наружного, приточного и удаляемого воздуха. 9.3.5.3 Арифметический расчет (выбор минимума/максимума)Функция арифметического расчета (выбор минимума/максимума) реализует арифметическую комбинацию любого количества входных переменных и возвращает выходное значение, доступное для использования в других функциях. Результаты вычислений представляют в виде виртуальных (расчетных) точек данных, имеющих свой собственный (пользовательский) адрес. Функция арифметического расчета позволяет сравнивать два значения с целью выбора наибольшего/наименьшего значения для последующей передачи в качестве входной величины другим функциям. Вид выбора при необходимости указывают в таблице А.1 (графа 8). Данную функцию задают в таблице А.1 (графа 6.2) для соответствующих входных точек данных, используемых для расчета/сравнения. При этом ссылки на точки данных, использующие результат выполнения данной функции, могут быть указаны в таблице А.1 (графа 8). Графическое описание функции представлено в таблице 16. Таблица 16 - Пример функционального блока (арифметический расчет)
9.3.5.4 Переключение по событиюФункция переключения по наступлению определенного события возвращает логический выход для управления оборудованием с целью оптимизации его работы. Переключение осуществляют по факту наступления определенного события. Результатом данной функции является переключение оборудования на соответствующий режим работы. Функция может быть инициирована физической, виртуальной (расчетной) или коммуникационной точками данных. Функция переключения по событию не предназначена для использования в качестве внутренних защит и блокировок для управления отдельным оборудованием (например, двигателем). Данную функцию указывают в таблице А.1 (графа 6.3) для виртуальной точки данных, которая реагирует на наступление события для управления оборудованием. Ссылку на данную точку данных приводят в таблице А.1 (графа 8). 9.3.5.5 Переключение по временному расписаниюФункция переключения по временному расписанию возвращает логический выход для управления оборудованием в случае, когда заданное время становится равным значению текущего времени. Выходное значение может быть заблокировано, если активизировано расписание исключения (временной план исключений), например, в праздничный день. Данную функцию указывают в таблице А.1 (графа 6.4) для виртуальной точки данных управления оборудованием. При этом приводят количество циклов включения/выключения за определенный период (например, день назначенной временной программы). Функциональные характеристики: - тип временной программы (суточная, недельная, годовая), задаваемый как параметр; - число дней исключения, задаваемых в формате даты. Графическое описание функции представлено в таблице 17. Таблица 17 - Пример функционального блока (переключение по временному расписанию)
9.3.5.6 Переключение по оптимальному режимуФункция переключения по оптимальному режиму возвращает логический выход для управления оборудованием. Данная функция рассчитывает оптимальное время включения/выключения различного оборудования с целью минимизации потребления энергии, а также обрабатывает параметры временной программы в зависимости от температур помещения и наружного воздуха, тепловой инерции здания и имеющейся мощности источников энергии. Функцию переключения по оптимальному режиму указывают в таблице А.1 (графа 6.5) для соответствующей виртуальной точки данных управления оборудованием. При этом задают по крайней мере одну функцию переключения по временному расписанию. Функциональные характеристики включают фиксированный набор параметров или вычисление адаптивных параметров в автоматическом режиме. Графическое описание функции представлено в таблице 18. Таблица 18 - Пример функционального блока (оптимальное переключение)
9.3.5.7 Циклическое переключениеФункция циклического переключения возвращает логический выход для управления оборудованием в режиме включения/выключения с целью сокращения времени работы оборудования в течение рабочего режима здания. Расчет производят исходя из значения заданной температуры помещения, алгоритма и режима работы. Функция данного типа не может быть использована в качестве функции управления для отдельного оборудования (например, приводного устройства). Функцию циклического переключения указывают в таблице А.1 (графа 6.6) для соответствующей виртуальной точки данных управления оборудованием. Графическое описание функции представлено в таблице 19. Таблица 19 - Пример функционального блока (циклическое переключение)
9.3.5.8 Ночное (естественное) охлаждениеФункция ночного (естественного) охлаждения возвращает логический выход для переключения оборудования в режим ночного охлаждения во время активации защитного или экономного режимов работы с целью минимизации энергопотребления. Данная функция обрабатывает в качестве входных значений текущую температуру помещения, температуру наружного воздуха и уставку комфортного режима работы. Функция определяет возможность работы оборудования вентиляции и кондиционирования воздуха в режиме естественного охлаждения с полной утилизацией наружного воздуха. Для этого необходимо, чтобы температура помещения превышала заданное значение/уставку температуры комфортного режима для следующего дня и температура наружного воздуха в ночное время была ниже температуры помещения. Функцию ночного охлаждения указывают в таблице А.1 (графа 6.7) для соответствующей виртуальной точки данных. При этом необходима по крайней мере одна функция управления по временному расписанию. Графическое описание функции представлено в таблице 20. Таблица 20 - Пример функционального блока (ночное охлаждение)
9.3.5.9 Ограничение температуры помещенияФункция ограничения температуры помещения возвращает логический выход для управления оборудованием в течение защитного режима ее функционирования (в нерабочем режиме). Данная функция предотвращает выход температуры помещения за установленные верхние/нижние предельные значения. Функция учитывает значение текущей (заданной) температуры помещения, предельные значения температуры и гистерезис для защитного режима. Функцию ограничения температуры помещения указывают в таблице А.1 (графа 6.8) для соответствующей виртуальной точки данных. При этом необходима по крайней мере одна функция управления по временному расписанию. Графическое описание функции представлено в таблице 21. Таблица 21 - Пример функционального блока (ограничение температуры помещения)
9.3.5.10 Утилизация энергииФункция утилизации энергии (энергосбережения) возвращает логический выход для управления оборудованием с целью минимизации расхода энергии в комфортном режиме работы через использование возможности утилизации энергии и обрабатывает текущую температуру (энтальпию) наружного воздуха, текущую температуру (энтальпию) помещения или удаляемого воздуха для сравнения температурных значений или с предварительно рассчитанными значениями энтальпий. Данная функция реализует алгоритм обратного использования тепловой энергии, энергии охлаждения и увлажнения в зависимости от потребностей в зоне кондиционирования воздуха и имеющейся энергии вытяжного воздуха. Функция реализует приоритетное управление смесительной заслонкой или устройствами утилизации. Минимально необходимое количество наружного воздуха при использовании управления смесительной заслонкой поддерживает функция ограничения уставки/выходного значения согласно 9.3.4.8. Данную функцию указывают в таблице А.1 (графа 6.9) для каждой из соответствующих точек данных (например, температур наружного воздуха, удаляемого воздуха, помещения). Ссылки на точки данных управляемых устройств приводят в таблице А.1 (графа 8). 9.3.5.11 Резервное (аварийное) электроснабжениеФункция резервного (аварийного) электроснабжения возвращает логический выход для управления оборудованием в безопасном режиме при наличии сообщения о переходе на резервный (аварийный) режим электроснабжения, например, от источника бесперебойного питания. Данная функция выдает команды на включение/выключение определенных потребителей в соответствии с имеющейся мощностью и заданным приоритетом. Использование измеренного значения электрической мощности указывают отдельно. Функцию резервного электроснабжения как функцию системного типа указывают в таблице А.1 (графа 6.10) для точки данных, например, управления оборудованием в комплексе. Ссылку на соответствующую точку данных приводят в таблице А.1 (графа 8). Примечание - Восстановление рабочего режима электроснабжения может быть выполнено посредством функции восстановления электроснабжения согласно 9.3.5.12. 9.3.5.12 Восстановление электроснабженияФункция восстановления электроснабжения возвращает логический выход для управления оборудованием в целях оптимизации и создания безопасного режима работы после отказа электроснабжения и при возврате к рабочему режиму. После получения сообщения о включении рабочего электроснабжения функция возвращает команду на включение потребителей в соответствии с заданными временными параметрами и приоритетами. Функцию восстановления электроснабжения как функцию системного типа указывают в таблице А.1 (графа 6.11) для виртуальной точки данных, например, для управления оборудованием в комплексе. Ссылку на соответствующую точку данных приводят в таблице А.1 (графа 8). 9.3.5.13 Ограничение пиковой потребляемой мощностиФункция ограничения пиковой потребляемой мощности в качестве результата возвращает логический выход для управления оборудованием с целью выключения/понижения значения потребляемой мощности таким образом, чтобы не было превышено предельное значение, заданное в договоре с энергоснабжающей организацией для учетного периода времени. Данная функция в качестве входных значений обрабатывает текущее значение со счетчика потребляемой мощности и рассчитывает возможность превышения предельного значения за заданный интервал времени. При управлении оборудованием учитывают заданные приоритеты и последовательности включения/выключения потребителей, а также минимальные/максимальные длительности включения/выключения. Временной интервал для расчета задают в зависимости от договорного значения. Функцию ограничения пиковой потребляемой мощности указывают в таблице А.1 (графа 6.12) для соответствующей виртуальной точки данных. Графическое описание функции представлено в таблице 22. Таблица 22 - Пример функционального блока (ограничение пиковых нагрузок)
9.3.5.14 Переключение по режиму тарификацииФункция переключения по режиму тарификации в качестве результата возвращает логический выход для управления оборудованием с целью его выключения или снижения потребляемой мощности в течение периода времени с повышенным тарифом оплаты энергопотребления. Функция обрабатывает сообщения о тарифных планах, которые могут меняться в зависимости от временных параметров (часы, дни и/или недели, год), и учитывает временное расписание. При управлении оборудованием учитывают заданные приоритеты и последовательности включения/выключения потребителей, а также минимальные/максимальные длительности включения/выключения. Данную функцию в основном используют при многотарифных договорах на электроснабжение, а также совместно с функцией оптимального управления электроотопительных устройств. Функцию переключения по режиму тарификации как общесистемную функцию указывают в таблице А.1 (графа 6.13) для соответствующей виртуальной точки данных. Ссылку на виртуальную точку данных приводят в таблице А.1 (графа 8). В соответствии с количеством планов тарификации, указывают при необходимости соответствующие функции управления по временному расписанию. 9.4 Функции диспетчеризации и администрирования9.4.1 Общие положенияФункции диспетчеризации и администрирования реализуются посредством взаимодействия персонала и технических средств автоматизации - человеко-системного интерфейса. Коммуникационные функции, действующие на базе программно-технических средств человеко-системного интерфейса без участия персонала, также относят к функциям диспетчеризации и администрирования, т.к. они представляют собой транспортные средства для прочих функций. Человеко-системный интерфейс предоставляет персоналу возможности по контролю, управлению и администрированию объекта автоматизации и в общем случае реализуется на технических средствах верхнего уровня в соответствии с [1]. Например, на базе программно-технических средств диспетчеризации: на станциях операторов, серверах и клиентских рабочих местах. 9.4.2 Коммуникационные функции9.4.2.1 Общие положенияКоммуникационные функции обрабатывают информацию от точек данных и коммуникационных объектов, которая передается между функциями входов/выходов, обработки и коммуникационными объектами через сети передачи данных АСУЗ и другие интерфейсы передачи данных. Таким образом, коммуникационные функции служат транспортным средством для других функций диспетчеризации и администрирования. Для конфигурирования коммуникационных функций в процессе разработки АСУЗ используют коммуникационные объекты, применяемые далее в следующих частях комплекса стандартов, посвященных коммуникационным средствам и протоколу передачи данных. Типы коммуникационных объектов зависят от сложности структуры передаваемых данных. Настройка и привязка точек данных к коммуникационным объектам выполняется на стадии разработки, пусконаладки АСУЗ и при выполнении функций администрирования. Различные типы коммуникационных объектов в зависимости от структурной сложности группируют раздельно в пределах графы 7 таблицы А.1. 9.4.2.2 Коммуникационные функции для объектов входов/выходовКоммуникационные функции для объектов входов/выходов передают простые данные, которые используются для задач диспетчеризации и администрирования (например, передается информация о точках данных входов/выходов: состояние, значение и другие параметры и свойства, приведенные для функций входов/выходов в 9.2). Соответствие функций входов/выходов и типов коммуникационных объектов отражает следующий список: Дискретное значение (выход) переключения (таблица А.1, графы 1.1 и 2.1): объект - дискретный выход; объект - дискретное значение; объект - многопозиционный выход; объект - многоступенчатый выход. Аналоговое значение (выход) позиционирования/уставки (таблица А.1, графы 1.2 и 2.2): объект - аналоговый выход; объект - аналоговое значение. Дискретное значение (вход), состояние (таблица А.1, графы 1.3 и 2.3): объект - дискретный вход; объект - дискретное значение; объект - вход с несколькими значениями; объект с несколькими значениями. Суммарное/накопленное значение (вход), дискретный счетный вход (таблица А.1, графы 1.4 и 2.4): объект - дискретный счетный вход; объект - суммарное/накопленное значение. Аналоговое значение (вход) (таблица А.1, графы 1.5 и 2.5): объект - аналоговый вход; объект - аналоговое значение; объект - среднее значение. 9.4.2.3 Коммуникационные функции для комплексных объектовКоммуникационные функции для комплексных объектов передают структурно сложные данные для или от функций диспетчеризации и администрирования. Одна коммуникационная точка данных может ссылаться на несколько комплексных типов объектов, что указывают в таблице А.1 (графа 8), например, следующим образом: - командный объект (command object); - групповой объект (group object); - объект системы безопасности (life safety point object); - объект регулирования (loop object); - объект сигнализации (например, тревога, уведомление о событии) (notification class); - объект - временное расписание (schedule object). Для следующих объектов отсутствуют соответствующие функции в таблице А.1, однако они также могут использоваться: - объект - календарь (calendar object); - объект - устройство (device object); - объект категории регистрации события (event enrollment object); - объект - файл (file object); - объект зоны безопасности (life safety zone object); - объект - программа (program object); - объект исторических данных (тренд) (trend log object). 9.4.3 Контроль информации о состоянии объекта автоматизацииФункция контроля информации о состоянии объекта автоматизации позволяет персоналу контролировать текущее состояние объекта автоматизации в любой момент времени через различные устройства вывода информации. Например, при выводе информации на графические мнемосхемы диспетчерских станций операторов, пульты управления, при сигнализации о событиях, тревогах на принтере, при звуковом оповещении. 9.4.3.1 Вывод информации на графическую мнемосхемуГрафическая мнемосхема отображает текущие значения и состояния точек данных на графическом изображении автоматизируемого объекта, а также позволяет изменять значения отдельных точек данных в ручном режиме, например, при задании уставки. Для отображения используют коммуникационные объекты выходов или комплексные коммуникационные объекты, а для изменения значений применяют коммуникационные объекты входа или также комплексные объекты. Количество отображаемых параметров указывают в таблице А.1 в соответствующей графе. Пример соответствия привязки точек данных и соответствующих функции к графическим мнемосхемам приведен в таблице 23. Таблица 23 - Пример отображения функций
Графические мнемосхемы могут состоять из нескольких страниц, создаваемых с помощью специализированного программного обеспечения в процессе проектирования и разработки АСУЗ. Количество мнемосхем для каждой точки данных указывают в таблице А.1 (графа 7.3). Для последующей обработки соответствующие точки данных могут сопровождаться настраиваемыми текстовыми сообщениями. 9.4.3.2 Вывод информации в виде тревог, событийФункция вывода информации в виде тревог, событий позволяет регистрировать важную информацию о состоянии автоматизируемого объекта и/или программно-технических средств АСУЗ путем вывода оперативных сообщений на устройства вывода информации (например, на монитор персонала, принтер). Сообщения должны содержать адрес точки данных, функции, состояние, значение, текстовое сообщение для персонала, метку времени и даты, приоритет и другие параметры, необходимые для оперативной идентификации сообщения. Тревогами обозначают те изменения состояний и значений, которые требуют немедленной реакции персонала. Например, превышение технологическим параметром предельного значения по функции фиксированного предельного значения. Персонал имеет возможность выполнять процедуру квитирования (подтверждения) тревоги, сообщая системе, что тревога была зарегистрирована. Тревоги идентифицируются визуальными, световыми и звуковыми эффектами. Вывод информации о тревогах с соответствующим эффектом определяется в зависимости от текущего состояния исходной точки данных и состояния квитирования. Для тревог может быть разработана система приоритетов, позволяющая персоналу определять степень важности тревоги и последующие действия. Событиями называют изменения состояний и значений, которые не требуют немедленной реакции персонала, но их считают важными для контроля процессов автоматизированного управления. События, как правило, связаны с рабочими изменениями состояний и значений технологических объектов, точек данных, функций. Например, включение/ выключение насосного агрегата. Для всех тревог и событий определяют требования по функциям регистрации, хранения и обработки исторических данных. Все результирующие точки данных из защитных функций определяют как тревоги. Количество тревог для соответствующей точки данных указывают в таблице А.1 (графа 7.5). 9.4.4 Ручное управление, изменение эксплуатационных параметров объекта автоматизацииФункции ручного управления, изменения эксплуатационных параметров объекта автоматизации позволяют персоналу выполнять различные операции по управлению оборудованием в ручном режиме, например, по переключению оборудования (вкл./выкл., пуск/стоп), изменению режима управления (ручн./авто), изменению уставок, технологических параметров и настроек режимом работы оборудования, квитированию (сбросу) тревог и аварийных ситуаций. Ручное управление выполняется персоналом службы эксплуатации и пользователями в следующих режимах, имеющих разный приоритет: - дистанционное ручное управление с диспетчерских станций операторов, удаленных от объектов автоматизации, т.е. без возможности непосредственного визуального и/или звукового контроля персонала; - местное (локальное) ручное управление по месту расположения объектов автоматизации с возможностью непосредственного визуального и/или звукового контроля, например, с помощью переключателей на щитах управления; - местное приоритетное ручное управление с помощью цифровых периферийных пультов управления, подключенных к контроллерным средствам. Количество функций дистанционного ручного управления указывают в таблице А.1 (графа 7.4). Местное ручное управление приводят, как правило, через функции входов/выходов в таблице А.1 (графа 1). 9.4.5 Регистрация, хранение и обработка исторических данныхФункции регистрации, хранения и обработки исторических данных позволяют долговременно регистрировать и сохранять для последующей обработки значения точек данных и другие параметры с их временными характеристиками на устройствах хранения информации, например на дисковых накопителях, магнитных и оптических устройствах хранения данных. Для регистрации могут быть выбраны любые команды, события, тревоги, измеренные значения, задаваемые параметры и уставки. Количество функций данного типа указывают в таблице А.1. 9.4.5.1 Регистрация событий/тревогФункция регистрации и протоколирования событий обеспечивает регистрацию адресов точек данных, текстового описания состояний/тревог, метки времени и другой информации, поступающей от функций входов/выходов и обработки при изменении состояния точки данных. Информацию об изменении состояния сопровождают соответствующими метками времени и даты. Количество функций, подлежащих сохранению для каждой точки данных, указывают в таблице А.1 (приложение А). В примечании (графа 8) могут указывать требования по отдельным параметрам, например, приоритету тревог, требования по времени регистрации. 9.4.5.2 Регистрация значений (тренды)Функция регистрации значений обеспечивает регистрацию значений или состояний точек данных и их адресов, текстового описания состояния, метки времени и другой информации, поступающей от функций входов/выходов и обработки по заданным критериям опроса или по изменению состояния точки данных. Измеряемые значения могут регистрироваться через определенные интервалы времени (периоды опроса) и/или в случае достижения определенного порогового значения. Для последующей обработки значений используются функции программного обеспечения человеко-системного интерфейса типа вывода значений в виде графиков (трендов). Количество функций, подлежащих сохранению для каждой точки данных, указывают в таблице А.1 (приложение А). 9.4.6 АдминистрированиеК функции администрирования относят задачи по настройке, изменению параметров и характеристик отдельных функций и программно-технических средств АСУЗ. Данную функцию используют, как правило, для оптимизации, корректировки отдельных функций АСУЗ и параметров программно-технических средств, необходимость которых была выявлена в процессе эксплуатации АСУЗ. Пример - Изменение/корректировка отдельных элементов графических мнемосхем, параметров функций входов/выходов и обработки, параметров временного расписания, адресов точек данных, привязка точек данных к коммуникационным объектам и функциям регистрации исторических данных, изменение коммуникационных настроек технических средств, расширение отдельных функций и программно-технических средств. Эти функции могут выполняться только квалифицированным персоналом с соответствующим уровнем доступа. Как правило, данные функции реализуются по согласованию с проектировщиком или разработчиком АСУЗ. Количество соответствующих функций администрирования для каждой точки данных указывают в таблице А.1. Требования к данным функциям могут указываться также отдельно (вне таблицы А.1). 9.4.7 Удаленное оповещение, сигнализацияФункция удаленного оповещения, сигнализации позволяет передавать текстовые сообщения о событиях, тревогах в другие удаленные системы, устройства диспетчеризации через различных коммуникационные интерфейсы, например через SMS - сообщения, электронную почту (e-mail), пейджер. Точки данных, для которых требуется функция удаленного оповещения, указывают в таблице А.1, с указанием в графе 8 типа коммуникационного интерфейса. Приложение
А
|
|||||||||||||||||||||||||||||||||||||||||||||||||||||||||||||||||||||||||||||||||||||||||||||||||||||||||||||||||||||||||||||||||||||||||||||||||||||||||||||||||||||||||||||||||||||||||||||||||||||||||||||||||||||||||||||||||||||||||||||||||||||||||||||||||||||||||||||||||||||||||||||||||||||||||||||||||||||||||||||||||||||||||||||||||||||||||||||||||||||||||||||||||||||||||||||||||||||||||||||||||||||||||||||||||||||||||||||||||||||||||||||||||||||||||||||||||||||||||||||||||||||||||||||||||||||||||||||||||||||||||||||||||||||||||||||||||||||||||||||||||||||||||||||||||||||||||||||||||||||||||||||||||||||||||||||||||||||||||||||||||||||||||||||||||||||||||||||||||||||||||||||||||||||||||||||||||||||||||||||||||||||||||||||||||||||||||||||||||||||||||||||||||||||||||||||||||||||||||||||||||||||||||||||||||||||||||||||||||||||||||||||||||||||||||||||||||||||||||||||||||||||||||||||||||||||||||||||||||||||||||||||||||||||||||||||||||||||||||||||||||||||||||||||||||||||||||||||||||||||||
|
Тип объекта: |
Функции входов/выходов |
Функции обработки |
||||||||||||||||
|
Физические |
Общие3 |
Контроль |
||||||||||||||||
|
Объект |
Дискретный выход переключения/ позиционирования1 |
Аналоговый выход позиционирования |
Дискретный вход, состояние |
Дискретный счетный вход |
Аналоговый вход2 |
Дискретное значение (выход) переключения |
Аналоговый значение (выход) позиционирования/ уставки |
Дискретное значение (вход), состояние |
Суммарное/ накопленное значение |
Аналоговое значение (вход) |
Фиксированное предельное значение |
Скользящее предельное значение |
Суммарное время работы |
Подсчет событий |
Контроль выполнения команды |
Обработка состояния4 |
||
|
Точка данных (наименование точки или назначения) |
||||||||||||||||||
|
А |
1 |
2 |
3 |
|||||||||||||||
|
1 |
2 |
3 |
4 |
5 |
1 |
2 |
3 |
4 |
5 |
1 |
2 |
3 |
4 |
5 |
6 |
|||
|
|
|
|
|
|
|
|
|
|
|
|
|
|
|
|
|
|
||
|
|
|
|
|
|
|
|
|
|
|
|
|
|
|
|
|
|
||
|
|
|
|
|
|
|
|
|
|
|
|
|
|
|
|
|
|
||
|
|
|
|
|
|
|
|
|
|
|
|
|
|
|
|
|
|
||
|
|
|
|
|
|
|
|
|
|
|
|
|
|
|
|
|
|
||
|
|
|
|
|
|
|
|
|
|
|
|
|
|
|
|
|
|
||
|
|
|
|
|
|
|
|
|
|
|
|
|
|
|
|
|
|
||
|
|
|
|
|
|
|
|
|
|
|
|
|
|
|
|
|
|
||
|
|
|
|
|
|
|
|
|
|
|
|
|
|
|
|
|
|
||
|
Всего |
|
|
|
|
|
|
|
|
|
|
|
|
|
|
|
|
||
|
Дата дд.мм.гг: |
Автор |
Утверждено |
Наименование организации: |
|||||||||||||||
|
Ревизия 1 |
|
|
|
|
||||||||||||||
|
Ревизия 2 |
|
|
|
|
||||||||||||||
|
Ревизия 3 |
|
|
|
|
||||||||||||||
Продолжение табл. А.1
|
Тип объекта: |
Функции обработки |
|||||||||||||||
|
Управление |
Регулирование |
|||||||||||||||
|
Объект |
Управление установкой |
Управление двигателем/ приводным устройством |
Переключение между агрегатами 5 |
Ступенчатое управление5 |
Защитное управление/ защита от замораживания |
П-регулирование |
ПИ/ ПИД-регулирование |
Регулирование со скользящей уставкой |
Пропорционально-последовательное управление |
Двухпозиционное регулирование6 |
Широтно-импульсная модуляция |
Ограничение уставки/ выходного значения |
Переключение/ изменение параметров |
|||
|
Точка данных (наименование точки или назначения) |
||||||||||||||||
|
А |
4 |
5 |
||||||||||||||
|
1 |
2 |
3 |
4 |
5 |
1 |
2 |
3 |
4 |
5 |
6 |
7 |
8 |
||||
|
|
|
|
|
|
|
|
|
|
|
|
|
|
|
|||
|
|
|
|
|
|
|
|
|
|
|
|
|
|
|
|||
|
|
|
|
|
|
|
|
|
|
|
|
|
|
|
|||
|
|
|
|
|
|
|
|
|
|
|
|
|
|
|
|||
|
|
|
|
|
|
|
|
|
|
|
|
|
|
|
|||
|
|
|
|
|
|
|
|
|
|
|
|
|
|
|
|||
|
|
|
|
|
|
|
|
|
|
|
|
|
|
|
|||
|
|
|
|
|
|
|
|
|
|
|
|
|
|
|
|||
|
|
|
|
|
|
|
|
|
|
|
|
|
|
|
|||
|
Всего |
|
|
|
|
|
|
|
|
|
|
|
|
|
|||
|
Дата дд.мм.гг: |
Автор |
Наименование проекта АСУЗ: |
||||||||||||||
|
Ревизия 1 |
|
|
||||||||||||||
|
Ревизия 2 |
|
|
||||||||||||||
|
Ревизия 3 |
|
|
||||||||||||||
Продолжение табл. А.1
|
Тип объекта: |
Функции обработки |
|||||||||||||||
|
Расчет/оптимизация |
||||||||||||||||
|
Объект |
Управление с использованием I-d диаграммы |
Арифметический расчет |
Переключение по событию |
Переключение по временному расписанию |
Переключение по оптимальному режиму |
Циклическое переключение |
Ночное охлаждение |
Ограничение температуры помещения |
Утилизация энергии7 |
Резервное электроснабжение |
Восстановление электроснабжения |
Ограничение пиковой потребляемой мощности |
Переключение по режиму тарификации |
|||
|
Точка данных (наименование точки или назначения) |
||||||||||||||||
|
А |
6 |
|||||||||||||||
|
1 |
2 |
3 |
4 |
5 |
6 |
7 |
8 |
9 |
10 |
11 |
12 |
13 |
||||
|
|
|
|
|
|
|
|
|
|
|
|
|
|
|
|||
|
|
|
|
|
|
|
|
|
|
|
|
|
|
|
|||
|
|
|
|
|
|
|
|
|
|
|
|
|
|
|
|||
|
|
|
|
|
|
|
|
|
|
|
|
|
|
|
|||
|
|
|
|
|
|
|
|
|
|
|
|
|
|
|
|||
|
|
|
|
|
|
|
|
|
|
|
|
|
|
|
|||
|
|
|
|
|
|
|
|
|
|
|
|
|
|
|
|||
|
|
|
|
|
|
|
|
|
|
|
|
|
|
|
|||
|
Всего |
|
|
|
|
|
|
|
|
|
|
|
|
|
|||
|
Дата дд.мм.гг: |
Автор |
Наименование проекта АСУЗ: |
Адрес объекта: |
|||||||||||||
|
Ревизия 1 |
|
|
Приточно-вытяжная вентиляционная установка |
|
||||||||||||
|
Ревизия 2 |
|
|
|
|
|
|
|
|
Обозначение функциональной схемы: |
|||||||
|
Ревизия 3 |
|
|
|
|
|
|
|
|
Обозначение схемы алгоритма: |
|||||||
Продолжение табл. А.1
|
Тип объекта: |
Функции диспетчеризации |
Примечания |
||||||||||
|
|
||||||||||||
|
Объект |
Коммуникационные объекты входов/ выходов, значения |
Комплексные коммуникационные объекты8 |
Вывод на мнемосхему |
Ручное управление |
Сигнализация тревоги |
Регистрация исторических данных |
Администрирование |
Удаленное оповещение, сигнализация |
Для определения типов функций см. DIN EN ISO (FDIS) 16484-3. В данной графе указывают проектно-специфические описания функций, а также ссылки на отдельные поля для точек данных (например, номера строки, раздела, графы, описания нестандартных функций) |
|||
|
Точка данных (наименование точки или назначения) |
||||||||||||
|
А |
1 |
2 |
3 |
4 |
5 |
6 |
7 |
8 |
8 |
|||
|
|
|
|
|
|
|
|
|
|||||
|
|
|
|
|
|
|
|
|
|
|
|||
|
|
|
|
|
|
|
|
|
|
|
|||
|
|
|
|
|
|
|
|
|
|
|
|||
|
|
|
|
|
|
|
|
|
|
|
|||
|
|
|
|
|
|
|
|
|
|
|
|||
|
|
|
|
|
|
|
|
|
|
|
|||
|
|
|
|
|
|
|
|
|
|
|
|||
|
|
|
|
|
|
|
|
|
|
|
|||
|
|
|
|
|
|
|
|
|
|
|
|||
|
|
|
|
|
|
|
|
|
|
|
|||
|
Всего |
|
|
|
|
|
|
|
|
|
|||
|
Дата дд.мм.гг: |
Автор |
Адрес объекта: |
Файл: |
|||||||||
|
Ревизия 1 |
|
|
|
|
|
|
|
|
|
|
|
|
|
Ревизия 2 |
|
|
Обозначение функциональной схемы: |
Страница № |
||||||||
|
Ревизия 3 |
|
|
Обозначение схемы алгоритма: |
Всего страниц: |
||||||||
- 1 Постоянная команда, т.е. 0, I, II = 2 ВО; импульсная команда, т.е. 0, I, II = 3 ВО; команда позиционирования: закрыто-0-открыто-1 ВО; ШИМ-выход = 1 ВО.
- 3 Только общие (коммуникационные) точки входов/выходов от третьих систем для функций интеграции.
- 4 На каждый адрес точки:
а) для регистрации;
б) для задержки;
в) для блокировки.
- 5 На каждый адрес точки выхода.
- 6 Для охлаждения/нагрева используют два вкл./выкл. преобразования.
- 7 На каждый адрес точки входа.
- 8 Например, устройство, временное расписание, безопасность, контур регулирования, файл (см. DIN EN ISO 16484-5).
Таблица Б.1 - Перечень функций АСУЗ приточно-вытяжной вентиляционной установки
|
Тип объекта: |
Функции входов/выходов |
Функции обработки |
||||||||||||||||
|
Физические |
Общие3 |
Контроль |
||||||||||||||||
|
Объект |
Дискретный выход переключения/ позиционирования1 |
Аналоговый выход позиционирования |
Дискретный вход, состояние |
Дискретный счетный вход |
Аналоговый вход2 |
Дискретное значение (выход) переключения |
Аналоговый значение (выход) позиционирования/ уставки |
Дискретное значение (вход), состояние |
Суммарное/ накопленное значение |
Аналоговое значение (вход) |
Фиксированное предельное значение |
Скользящее предельное значение |
Суммарное время работы |
Подсчет событий |
Контроль выполнения команды |
Обработка состояния4 |
||
|
Точка данных (наименование точки или назначения) |
||||||||||||||||||
|
А |
1 |
2 |
3 |
|||||||||||||||
|
1 |
2 |
3 |
4 |
5 |
1 |
2 |
3 |
4 |
5 |
1 |
2 |
3 |
4 |
5 |
6 |
|||
|
Установка ст. 1 /ст. 2/ выкл./вкл. |
|
|
|
|
|
|
|
1 |
|
|
1 |
|
|
|
|
|
||
|
Температура наружного воздуха |
|
|
|
|
|
1 |
|
|
|
|
|
|
|
|
|
|
||
|
Заслонка вытяжного воздуха |
1 |
3 |
|
|
|
|
|
|
|
1 |
|
|
|
|
|
|
||
|
Смешивающая заслонка |
1 |
3 |
|
|
|
|
|
|
|
1 |
|
|
|
|
|
|
||
|
Фильтр приточного воздуха |
|
1 |
|
|
|
|
|
|
|
|
1 |
|
|
|
|
|
||
|
Насос контура отопления (вкл./выкл. + отказ) |
1 |
|
3 |
|
|
|
|
1 |
|
1 |
|
|
|
|
|
|
||
|
Клапан контура отопления |
|
1 |
1 |
|
|
1 |
|
|
|
|
|
|
|
|
|
|
||
|
Обратная температура контура нагрева |
|
|
|
|
5 |
|
|
|
|
|
|
|
|
|
|
1 |
||
|
Защита от заморозки |
|
|
1 |
|
|
|
|
|
|
|
|
|
|
|
|
1 |
||
|
Всего |
1 |
3 |
12 |
|
1 |
|
|
|
|
|
2 |
|
2 |
|
3 |
1 |
||
|
Дата дд.мм.гг: |
Автор |
Утверждено |
Наименование организации: |
|||||||||||||||
|
Ревизия 1 |
|
|
|
|
||||||||||||||
|
Ревизия 2 |
|
|
|
|
||||||||||||||
|
Ревизия 3 |
|
|
|
|
||||||||||||||
Продолжение табл. Б.1
|
Тип объекта: |
Функции обработки |
|||||||||||||||
|
Управление |
Регулирование |
|||||||||||||||
|
Объект |
Управление установкой |
Управление двигателем/ приводным устройством |
Переключение между агрегатами 5 |
Ступенчатое управление5 |
Защитное управление/ защита от замораживания |
П-регулирование |
ПИ/ ПИД-регулирование |
Регулирование со скользящей уставкой |
Пропорционально-последовательное управление |
Двухпозиционное регулирование6 |
Широтно-импульсная модуляция |
Ограничение уставки/ выходного значения |
Переключение/ изменение параметров |
|||
|
Точка данных (наименование точки или назначения) |
||||||||||||||||
|
А |
4 |
5 |
||||||||||||||
|
1 |
2 |
3 |
4 |
5 |
1 |
2 |
3 |
4 |
5 |
6 |
7 |
8 |
||||
|
Установка ст. 1 /ст. 2/ выкл./вкл. |
1 |
|
|
|
|
|
|
|
|
|
|
|
|
|||
|
Температура наружного воздуха |
|
|
|
|
|
1 |
|
1 |
|
|
|
|
|
|||
|
Заслонка вытяжного воздуха |
|
|
|
|
|
|
|
|
|
|
|
1 |
|
|||
|
Смешивающая заслонка |
|
|
|
|
|
|
|
|
|
|
|
1 |
|
|||
|
Фильтр приточного воздуха |
|
|
|
|
|
|
|
|
|
|
|
|
|
|||
|
Насос контура отопления (вкл./выкл. + отказ) |
|
1 |
|
|
|
|
|
|
|
|
|
|
|
|||
|
Клапан контура отопления |
|
|
|
|
|
|
|
|
|
|
|
|
|
|||
|
Обратная температура контура нагрева |
|
|
|
|
1 |
1 |
|
|
1 |
|
|
|
|
|||
|
Защита от заморозки |
|
|
|
|
1 |
|
|
|
|
|
|
|
|
|||
|
Всего |
1 |
1 |
|
|
2 |
2 |
|
1 |
1 |
|
|
2 |
|
|||
|
Дата дд.мм.гг: |
Автор |
Наименование проекта АСУЗ: Приточно-вытяжная вентиляционная установка |
||||||||||||||
|
Ревизия 1 |
|
|
||||||||||||||
|
Ревизия 2 |
|
|
||||||||||||||
|
Ревизия 3 |
|
|
||||||||||||||
Продолжение табл. Б.1
|
Тип объекта: |
Функции обработки |
|||||||||||||||
|
Расчет/оптимизация |
||||||||||||||||
|
Объект |
Управление с использованием I-d диаграммы |
Арифметический расчет |
Переключение по событию |
Переключение по временному расписанию |
Переключение по оптимальному режиму |
Циклическое переключение |
Ночное охлаждение |
Ограничение температуры помещения |
Утилизация энергии7 |
Резервное электроснабжение |
Восстановление электроснабжения |
Ограничение пиковой потребляемой мощности |
Переключение по режиму тарификации |
|||
|
Точка данных (наименование точки или назначения) |
||||||||||||||||
|
А |
6 |
|||||||||||||||
|
1 |
2 |
3 |
4 |
5 |
6 |
7 |
8 |
9 |
10 |
11 |
12 |
13 |
||||
|
Установка ст. 1 /ст. 2/ выкл./вкл. |
|
|
|
2 |
1 |
|
1 |
|
|
|
1 |
1 |
|
|||
|
Температура наружного воздуха |
|
|
|
|
|
|
|
|
|
|
|
|
|
|||
|
Заслонка вытяжного воздуха |
|
|
|
|
|
|
|
|
|
|
|
|
|
|||
|
Смешивающая заслонка |
|
|
|
|
|
|
|
|
|
|
|
|
|
|||
|
Фильтр приточного воздуха |
|
|
|
|
|
|
|
|
|
|
|
|
|
|||
|
Насос контура отопления (вкл./выкл. + отказ) |
|
|
|
|
|
|
|
|
|
|
|
|
|
|||
|
Клапан контура отопления |
|
|
|
|
|
|
|
|
|
|
|
|
|
|||
|
Обратная температура контура нагрева |
|
|
|
|
|
|
|
|
|
|
|
|
|
|||
|
Защита от заморозки |
|
|
|
|
|
|
|
|
|
|
|
|
|
|||
|
Всего |
|
|
|
2 |
1 |
|
1 |
|
|
|
1 |
1 |
|
|||
|
Дата дд.мм.гг: |
Автор |
Наименование проекта АСУЗ: |
Адрес объекта: |
|||||||||||||
|
Ревизия 1 |
|
|
Приточно-вытяжная вентиляционная установка |
|
||||||||||||
|
Ревизия 2 |
|
|
|
|
|
|
|
|
Обозначение функциональной схемы: Б.1 |
|||||||
|
Ревизия 3 |
|
|
|
|
|
|
|
|
Обозначение схемы алгоритма: |
|||||||
Продолжение табл. Б.1
|
Тип объекта: |
Функции диспетчеризации |
Примечания |
||||||||||
|
|
||||||||||||
|
Объект |
Коммуникационные объекты входов/ выходов, значения |
Комплексные коммуникационные объекты8 |
Вывод на мнемосхему |
Ручное управление |
Сигнализация тревоги |
Регистрация исторических данных |
Администрирование |
Удаленное оповещение, сигнализация |
Для определения типов функций см. DIN EN ISO (FDIS) 16484-3. В данной графе указывают проектно-специфические описания функций, а также ссылки на отдельные поля для точек данных (например, номера строки, раздела, графы, описания нестандартных функций) |
|||
|
Точка данных (наименование точки или назначения) |
||||||||||||
|
А |
7 |
8 |
||||||||||
|
1 |
2 |
3 |
4 |
5 |
6 |
7 |
8 |
|||||
|
Установка ст. 1 /ст. 2/ выкл./вкл. |
4 |
|
4 |
2 |
1 |
|
|
|
4.1) Выключение от местного выключателя, огнезащ. клапана, заморозки; 7.1) Переключение + рабочий режим |
|||
|
Температура наружного воздуха |
2 |
1 |
3 |
|
|
1 |
|
|
Виртуальная точка данных (А) от контроллера; 3.1) Переключение насоса подогрева |
|||
|
Заслонка вытяжного воздуха |
4 |
|
4 |
|
|
|
|
|
1.3) + 1.7) Сигнализация положения |
|||
|
Смешивающая заслонка |
4 |
|
4 |
|
|
|
|
|
1.3) + 7.1) Сигнализация положения; 5.7) Минимум свежего воздуха |
|||
|
Фильтр приточного воздуха |
1 |
|
1 |
|
|
|
|
|
3.6) Задержано |
|||
|
Насос контура отопления (вкл./выкл. + отказ) |
5 |
|
5 |
2 |
1 |
|
|
|
1.3) Состояние + неисправность; 6.3) Строка 2, функция 3.1 предыдущего значения; 4.2) Включая защиту насоса от сухого хода |
|||
|
Клапан контура отопления |
2 |
|
2 |
1 |
|
|
|
|
3.1) Менее 3 % насоса-подогревателя вых.; 7.1) Сигнализация положения, состояние |
|||
|
Обратная температура контура нагрева |
2 |
1 |
3 |
|
1 |
|
|
|
5.1) Защита от заморозки по температуре обратного подогрева |
|||
|
Защита от заморозки |
1 |
|
1 |
|
1 |
|
|
|
|
|||
|
Всего |
25 |
2 |
27 |
5 |
4 |
1 |
|
|
105 |
|||
|
Дата дд.мм.гг: |
Автор |
Адрес объекта: |
Файл: |
|||||||||
|
Ревизия 1 |
|
|
|
|
|
|
|
|
|
|
|
|
|
Ревизия 2 |
|
|
Обозначение функциональной схемы: Б.1 |
Страница № 1 |
||||||||
|
Ревизия 3 |
|
|
Обозначение схемы алгоритма: |
Всего страниц: 2 |
||||||||
Окончание табл. Б.1
|
Тип объекта: |
Функции входов/выходов |
Функции обработки |
||||||||||||||||
|
Физические |
Общие3 |
Контроль |
||||||||||||||||
|
Объект |
Дискретный выход переключения/ позиционирования1 |
Аналоговый выход позиционирования |
Дискретный вход, состояние |
Дискретный счетный вход |
Аналоговый вход2 |
Дискретное значение (выход) переключения |
Аналоговый значение (выход) позиционирования/ уставки |
Дискретное значение (вход), состояние |
Суммарное/ накопленное значение |
Аналоговое значение (вход) |
Фиксированное предельное значение |
Скользящее предельное значение |
Суммарное время работы |
Подсчет событий |
Контроль выполнения команды |
Обработка состояния4 |
||
|
Точка данных (наименование точки или назначения) |
||||||||||||||||||
|
А |
1 |
2 |
3 |
|||||||||||||||
|
1 |
2 |
3 |
4 |
5 |
1 |
2 |
3 |
4 |
5 |
1 |
2 |
3 |
4 |
5 |
6 |
|||
|
См. выше |
1 |
3 |
12 |
|
1 |
|
|
|
|
|
2 |
|
2 |
|
3 |
1 |
||
|
Приточный вентилятор |
2 |
|
4 |
|
|
|
|
|
|
|
|
|
|
|
2 |
|
||
|
Местный переключатель приточной вентиляции |
|
|
1 |
|
|
|
|
|
|
|
|
|
|
|
|
|
||
|
Перепад давления на приточном вентиляторе |
|
|
1 |
|
|
|
|
|
|
|
|
|
|
|
|
1 |
||
|
Вытяжной вентилятор |
2 |
|
4 |
|
|
|
|
|
|
|
|
|
|
|
2 |
|
||
|
Местный переключатель вытяжной вентиляции |
|
|
1 |
|
|
|
|
|
|
|
|
|
|
|
|
|
||
|
Перепад давления на вытяжном вентиляторе |
|
|
1 |
|
|
|
|
|
|
|
|
|
|
|
|
1 |
||
|
Температура приточного воздуха |
|
|
|
|
1 |
|
|
|
|
|
1 |
|
|
|
|
|
||
|
Огнезащитный клапан приточного воздуха |
|
|
1 |
|
|
|
|
|
|
|
|
|
|
|
|
|
||
|
Огнезащитный клапан вытяжного воздуха |
|
|
1 |
|
|
|
|
|
|
|
|
|
|
|
|
|
||
|
Температура в помещении |
|
|
|
|
1 |
|
|
|
|
|
|
1 |
|
|
|
|
||
|
Пульт управления |
2 |
|
2 |
|
|
|
|
|
|
|
|
1 |
|
|
|
|
||
|
Всего |
7 |
3 |
28 |
|
3 |
|
|
|
|
|
3 |
1 |
2 |
|
7 |
3 |
||
|
Дата дд.мм.гг: |
Автор |
Утверждено |
Наименование организации: |
|||||||||||||||
|
Ревизия 1 |
|
|
|
|
||||||||||||||
|
Ревизия 2 |
|
|
|
|
||||||||||||||
|
Ревизия 3 |
|
|
|
|
||||||||||||||
Продолжение окончания табл. Б.1
|
Тип объекта: |
Функции обработки |
|||||||||||||||
|
Управление |
Регулирование |
|||||||||||||||
|
Объект |
Управление установкой |
Управление двигателем/ приводным устройством |
Переключение между агрегатами 5 |
Ступенчатое управление5 |
Защитное управление/ защита от замораживания |
П-регулирование |
ПИ/ ПИД-регулирование |
Регулирование со скользящей уставкой |
Пропорционально-последовательное управление |
Двухпозиционное регулирование6 |
Широтно-импульсная модуляция |
Ограничение уставки/ выходного значения |
Переключение/ изменение параметров |
|||
|
Точка данных (наименование точки или назначения) |
||||||||||||||||
|
А |
4 |
5 |
||||||||||||||
|
1 |
2 |
3 |
4 |
5 |
1 |
2 |
3 |
4 |
5 |
6 |
7 |
8 |
||||
|
См. выше |
1 |
1 |
|
|
2 |
2 |
|
1 |
1 |
|
|
2 |
|
|||
|
Приточный вентилятор |
|
1 |
|
|
|
|
|
|
|
|
|
|
|
|||
|
Местный переключатель приточной вентиляции |
|
|
|
|
|
|
|
|
|
|
|
|
|
|||
|
Перепад давления на приточном вентиляторе |
|
|
|
|
|
|
|
|
|
|
|
|
|
|||
|
Вытяжной вентилятор |
|
1 |
|
|
|
|
|
|
|
|
|
|
|
|||
|
Местный переключатель вытяжной вентиляции |
|
|
|
|
|
|
|
|
|
|
|
|
|
|||
|
Перепад давления на вытяжном вентиляторе |
|
|
|
|
|
|
|
|
|
|
|
|
|
|||
|
Температура приточного воздуха |
|
|
|
|
|
1 |
|
1 |
2 |
|
|
|
|
|||
|
Огнезащитный клапан приточного воздуха |
|
|
|
|
|
|
|
|
|
|
|
|
|
|||
|
Огнезащитный клапан вытяжного воздуха |
|
|
|
|
|
|
|
|
|
|
|
|
|
|||
|
Температура в помещении |
|
|
|
|
|
|
1 |
1 |
|
|
|
|
|
|||
|
Пульт управления |
|
|
|
|
|
|
|
|
|
|
|
|
|
|||
|
Всего |
1 |
3 |
|
|
2 |
3 |
1 |
3 |
3 |
|
|
2 |
|
|||
|
Дата дд.мм.гг: |
Автор |
Наименование проекта АСУЗ: Приточно-вытяжная вентиляционная установка |
||||||||||||||
|
Ревизия 1 |
|
|
||||||||||||||
|
Ревизия 2 |
|
|
||||||||||||||
|
Ревизия 3 |
|
|
||||||||||||||
Продолжение окончания табл. Б.1
|
Тип объекта: |
Функции обработки |
|||||||||||||||
|
Расчет/оптимизация |
||||||||||||||||
|
Объект |
Управление с использованием I-d диаграммы |
Арифметический расчет |
Переключение по событию |
Переключение по временному расписанию |
Переключение по оптимальному режиму |
Циклическое переключение |
Ночное охлаждение |
Ограничение температуры помещения |
Утилизация энергии7 |
Резервное электроснабжение |
Восстановление электроснабжения |
Ограничение пиковой потребляемой мощности |
Переключение по режиму тарификации |
|||
|
Точка данных (наименование точки или назначения) |
||||||||||||||||
|
А |
6 |
|||||||||||||||
|
1 |
2 |
3 |
4 |
5 |
6 |
7 |
8 |
9 |
10 |
11 |
12 |
13 |
||||
|
См. выше |
|
|
|
2 |
1 |
|
1 |
|
|
|
1 |
1 |
|
|||
|
Приточный вентилятор |
|
|
|
|
|
|
|
|
|
|
|
|
|
|||
|
Местный переключатель приточной вентиляции |
|
|
|
|
|
|
|
|
|
|
|
|
|
|||
|
Перепад давления на приточном вентиляторе |
|
|
|
|
|
|
|
|
|
|
|
|
|
|||
|
Вытяжной вентилятор |
|
|
|
|
|
|
|
|
|
|
|
|
|
|||
|
Местный переключатель вытяжной вентиляции |
|
|
|
|
|
|
|
|
|
|
|
|
|
|||
|
Перепад давления на вытяжном вентиляторе |
|
|
|
|
|
|
|
|
|
|
|
|
|
|||
|
Температура приточного воздуха |
|
|
|
|
|
|
|
|
|
|
|
|
|
|||
|
Огнезащитный клапан приточного воздуха |
|
|
|
|
|
|
|
|
|
|
|
|
|
|||
|
Огнезащитный клапан вытяжного воздуха |
|
|
|
|
|
|
|
|
|
|
|
|
|
|||
|
Температура в помещении |
|
|
|
|
|
|
|
|
|
|
|
|
|
|||
|
Пульт управления |
|
|
|
|
|
|
|
|
|
|
|
|
|
|||
|
Всего |
|
|
|
2 |
1 |
|
1 |
|
|
|
1 |
1 |
|
|||
|
Дата дд.мм.гг: |
Автор |
Наименование проекта АСУЗ: |
Адрес объекта: |
|||||||||||||
|
Ревизия 1 |
|
|
Приточно-вытяжная вентиляционная установка |
|
||||||||||||
|
Ревизия 2 |
|
|
|
|
|
|
|
|
Обозначение функциональной схемы: Б.1 |
|||||||
|
Ревизия 3 |
|
|
|
|
|
|
|
|
Обозначение схемы алгоритма: |
|||||||
Продолжение окончания табл. А.1
|
Тип объекта: |
Функции диспетчеризации |
Примечания |
||||||||||
|
|
||||||||||||
|
Объект |
Коммуникационные объекты входов/ выходов, значения |
Комплексные коммуникационные объекты8 |
Вывод на мнемосхему |
Ручное управление |
Сигнализация тревоги |
Регистрация исторических данных |
Администрирование |
Удаленное оповещение, сигнализация |
Для определения типов функций см. DIN EN ISO (FDIS) 16484-3. В данной графе указывают проектно-специфические описания функций, а также ссылки на отдельные поля для точек данных (например, номера строки, раздела, графы, описания нестандартных функций) |
|||
|
Точка данных (наименование точки или назначения) |
||||||||||||
|
А |
7 |
8 |
||||||||||
|
1 |
2 |
3 |
4 |
5 |
6 |
7 |
8 |
|||||
|
См. выше |
25 |
2 |
27 |
5 |
4 |
1 |
|
|
105 |
|||
|
Приточный вентилятор |
6 |
|
6 |
2 |
1 |
|
|
|
1.3) Состояние вкл./выкл. + отказ; 7.1) = 7.3) + 1.3) + 3.5) |
|||
|
Местный переключатель приточной вентиляции |
1 |
|
1 |
|
|
|
|
|
1.3) Выключение установки |
|||
|
Перепад давления на приточном вентиляторе |
1 |
|
1 |
|
1 |
|
|
|
1.3) Выключение установки; 3.6) Задержано |
|||
|
Вытяжной вентилятор |
6 |
|
6 |
2 |
1 |
|
|
|
1.3) Состояние вкл./выкл. + отказ; 7.1) = 7.3)+ 1.3)+ 3.5) |
|||
|
Местный переключатель вытяжной вентиляции |
1 |
|
1 |
|
|
|
|
|
1.3) Выключение установки |
|||
|
Перепад давления на вытяжном вентиляторе |
1 |
|
1 |
|
1 |
|
|
|
1.3) Выключение установки; 3.6) Задержано |
|||
|
Температура приточного воздуха |
2 |
1 |
3 |
|
2 |
1 |
|
|
5.4) Последовательность заслонка/ подогрев; 7.2) Регулирование |
|||
|
Огнезащитный клапан приточного воздуха |
1 |
|
1 |
|
1 |
|
|
|
1.3) Выключение установки |
|||
|
Огнезащитный клапан вытяжного воздуха |
1 |
|
1 |
|
1 |
|
|
|
1.3) Выключение установки |
|||
|
Температура в помещении |
2 |
1 |
3 |
|
2 |
1 |
|
|
|
|||
|
Пульт управления |
2 |
|
2 |
|
|
|
|
|
7.1) Значение + предельные значения; 7.2) Регулирование; местное управление (вкл./выкл.) |
|||
|
Всего |
49 |
4 |
53 |
9 |
14 |
3 |
|
|
213 |
|||
|
Дата дд.мм.гг: |
Автор |
Адрес объекта: |
Файл: |
|||||||||
|
Ревизия 1 |
|
|
|
|
|
|
|
|
|
|
|
|
|
Ревизия 2 |
|
|
Обозначение функциональной схемы: Б.1 |
Страница № 2 |
||||||||
|
Ревизия 3 |
|
|
Обозначение схемы алгоритма: |
Всего страниц: 2 |
||||||||
Б.1 Функциональная схема автоматизации приточно-вытяжной вентиляционной установки изображена на рисунке Б.1.
Б.2 Перечень функций АСУЗ приточно-вытяжной вентиляционной установки приведен в таблице Б.1.

Рисунок Б.1 - Функциональная схема автоматизации приточно-вытяжной вентиляционной установки:
ТЕ - датчик температуры аналоговый; TS - термостат защиты от заморозки; PDS - датчик перепада давления; NS - релейно-коммутационное устройство переключения агрегатом; HS - устройство ручного управления (например, переключатель на щите); НА - устройство сигнализации (например, световая на щите); GA - устройство сигнализации о состоянии; YC - исполнительное устройство, позиционирующее; П - функция пропорционального регулирования; ПИ - функция пропорционально-интегрального регулирования; МАХ - функция выбора максимального значения; условные обозначения и сокращения приведены в соответствии со следующими нормативными документами:
DIN EN ISO 3511-1 - DIN EN ISO 3511-4, ГОСТ 21.404-85, ГОСТ 21.205-93
[1] АВОК Стандарт-5-2004 Системы автоматизации и управления зданиями. Ч. 2. Основные положения. Аппаратные средства
Ключевые слова: автоматизированная система управления зданием, АСУЗ, автоматизация здания, требования, функции, типы функций АСУЗ, программное обеспечение АСУЗ, перечень функций АСУЗ, функциональный блок
|
ГОСТЫ, СТРОИТЕЛЬНЫЕ и ТЕХНИЧЕСКИЕ НОРМАТИВЫ. Некоммерческая онлайн система, содержащая все Российские Госты, национальные Стандарты и нормативы. В Системе содержится более 150000 файлов нормативно-технической документации, действующей на территории РФ. Система предназначена для широкого круга инженерно-технических специалистов. Copyright © www.gostrf.com, 2008 - 2026 |