|
|
Короткие замыкания в электроустановках МЕТОДЫ РАСЧЕТА ЭЛЕКТРОДИНАМИЧЕСКОГО
Предисловие Цели и принципы стандартизации в Российской Федерации установлены Федеральным законом от 27 декабря 2002 г. № 184-ФЗ «О техническом регулировании», а правила применения национальных стандартов Российской Федерации - ГОСТ Р 1.0-2004 «Стандартизация в Российской Федерации. Основные положения» Сведения о стандарте 1. РАЗРАБОТАН Филиалом ОАО «НТЦ электроэнергетики» - ВНИИЭ, Московским энергетическим институтом (Техническим университетом) (МЭИ (ТУ)) 2. ВНЕСЕН Техническим комитетом по стандартизации ТК 437 «Токи короткого замыкания» 3. УТВЕРЖДЕН И ВВЕДЕН В ДЕЙСТВИЕ Приказом Федерального агентства по техническому регулированию и метрологии от 12 июля 2007 г. № 174-ст 4. ВЗАМЕН ГОСТ Р 50254-92 Информация об изменениях к настоящему стандарту публикуется ежегодно в издаваемом информационном указателе «Национальные стандарты», а текст изменений и поправок - в ежемесячно издаваемых информационных указателях «Национальные стандарты». В случае пересмотра (замены) или отмены настоящего стандарта соответствующее уведомление будет опубликовано в ежемесячно издаваемом информационном указателе «Национальные стандарты». Соответствующая информация, уведомление и тексты размещаются также в информационной системе общего пользования - на официальном сайте Федерального агентства по техническому регулированию и метрологии в сети Интернет Содержание НАЦИОНАЛЬНЫЙ СТАНДАРТ РОССИЙСКОЙ ФЕДЕРАЦИИ
Дата введения - 2008-07-01 1. Область примененияНастоящий стандарт распространяется на трехфазные электроустановки промышленной частоты и определяет методы расчета и проверки проводников и электрических аппаратов на электродинамическую и термическую стойкость при коротких замыканиях (КЗ). 2. Нормативные ссылкиВ настоящем стандарте использованы нормативные ссылки на следующие стандарты: ГОСТ 687-78 Выключатели переменного тока на напряжение свыше 1000 В. Общие технические условия ГОСТ 16442-80 Кабели силовые с пластмассовой изоляцией. Технические условия ГОСТ 18410-73 Кабели силовые с пропитанной бумажной изоляцией. Технические условия Примечание - При пользовании настоящим стандартом целесообразно проверить действие ссылочных стандартов в информационной системе общего пользования - на официальном сайте Федерального агентства по техническому регулированию и метрологии в сети Интернет или по ежегодно издаваемому информационному указателю «Национальные стандарты», который опубликован по состоянию на 1 января текущего года, и по соответствующим ежемесячно издаваемым информационным указателям, опубликованным в текущем году. Если ссылочный документ заменен (изменен), то при пользовании настоящим стандартом следует руководствоваться заменяющим (измененным) документом. Если ссылочный документ отменен без замены, то положение, в котором дана ссылка на него, применяется в части, не затрагивающей эту ссылку. 3. Термины и определенияВ настоящем стандарте применены следующие термины с соответствующими определениями: 3.1
3.2
3.3
3.4
3.5
4. Общие положения4.1. Исходные положения 4.1.1. При проверке проводников и электрических аппаратов электроустановок на электродинамическую и термическую стойкость при КЗ предварительно должны быть выбраны расчетные условия КЗ, т.е. расчетная схема электроустановки, расчетный вид КЗ в электроустановке, расчетная точка КЗ, а также расчетная продолжительность КЗ в электроустановке (последнюю используют при проверке на термическую стойкость проводников и электрических аппаратов, а также при проверке на невозгораемость кабелей). 4.1.2. Расчетная схема электроустановки должна быть выбрана на основе анализа возможных электрических схем этой электроустановки при продолжительных режимах ее работы. К последним следует относить также ремонтные и послеаварийные режимы работы. 4.1.3. В качестве расчетного вида КЗ следует принимать: - при проверке электрических аппаратов и жестких проводников с относящимися к ним поддерживающими и опорными конструкциями на электродинамическую стойкость - трехфазное КЗ; - при проверке электрических аппаратов и проводников на термическую стойкость - трех- или однофазное КЗ, а на генераторном напряжении электростанций - трех- или двухфазное КЗ, в зависимости от того, какое из них приводит к большему термическому воздействию; - при проверке гибких проводников по условию их допустимого сближения во время КЗ - двухфазное КЗ. 4.1.4. В качестве расчетной точки КЗ следует принимать такую точку на расчетной схеме, при КЗ в которой проводник или электрический аппарат подвергается наибольшему электродинамическому или термическому воздействию. Примечание - Исключения из этого требования допустимы лишь при учете вероятностных характеристик КЗ и должны быть обоснованы требованиями соответствующих ведомственных нормативных документов. При наличии устройств автоматического повторного включения (АПВ) цепи следует учитывать суммарное термическое действие тока КЗ. 4.1.6. При расчетной продолжительности КЗ до 1 с допустимо процесс нагрева проводников под действием тока КЗ считать адиабатическим, а при расчетной продолжительности КЗ более 1 с и при небыстродействующих АПВ следует учитывать теплоотдачу в окружающую среду. 5. Электродинамическое действие тока короткого замыкания5.1. Расчет электродинамических сил взаимодействия проводников5.1.1. Электродинамические силы взаимодействия F, Н, двух параллельных проводников с токами следует определять по формуле
Для проводников прямоугольного сечения коэффициент формы следует определять по кривым, приведенным на рисунке 1.
Рисунок 1 - Диаграмма для определения коэффициента формы проводников прямоугольного сечения Для круглых проводников сплошного сечения, проводников кольцевого сечения, а также проводников (шин) корытообразного сечения с высотой профиля 0,1 м и более следует принимать Кф = 1,0. 5.1.2. Наибольшее значение электродинамической силы имеет место при ударном токе КЗ. 5.1.3.
Максимальную силу
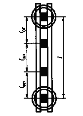
Значения коэффициента Красп для некоторых типов шинных конструкций (рисунок 2) указаны в таблице. 1.
Рисунок 2 - Схемы взаимного расположения шинных конструкций Таблица 1- Значения коэффициента Красп
При двухфазном КЗ максимальную силу определяют по формуле где 5.2. Выбор расчетной механической схемы шинных конструкций и гибких проводников5.2.1. Методику расчета электродинамической стойкости шинных конструкций и гибких проводников следует выбирать на основе расчетной механической схемы, учитывающей их особенности. 5.2.2. Следует различать: - статические системы, обладающие высокой жесткостью, у которых шины и изоляторы при КЗ остаются неподвижными; - динамические системы с жесткими опорами, у которых изоляторы при КЗ считаются неподвижными, а шины колеблются; - динамические системы с упруго податливыми опорами, в которых при КЗ колеблются и шины, и опоры; динамические системы с гибкими проводниками. 5.2.3. Расчетные механические схемы шинных конструкций различных типов, обладающих высокой жесткостью, представлены в таблице 2. Таблица 2 - Расчетные схемы шинных конструкций
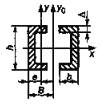
Расчетные схемы имеют вид равнопролетной балки, лежащей или закрепленной на жестких опорах и подвергающейся воздействию равномерно распределенной нагрузки. Различают следующие типы шинных конструкций и соответствующих расчетных механических схем: - шинная конструкция, длина которой равна длине одного пролета; для нее расчетной схемой является балка с шарнирным опиранием на обеих опорах пролета (таблица 2, схема № 1); - шинная конструкция, длина которой равна длине одного пролета, с одной простой и одной неподвижной опорами; для нее расчетной схемой является балка с шарнирным опиранием на простой опоре и жестким опиранием (защемлением) на неподвижной опоре пролета (таблица 2, схема № 2); - шинная конструкция, длина которой равна длине одного пролета, с неподвижными опорами; для нее расчетной схемой является балка с жестким опиранием (защемлением) на обеих опорах пролета (таблица 2, схема № 3); - шинные конструкции, длина которых равна длине двух, трех и более пролетов; для них расчетной схемой является балка с шарнирным опиранием на каждой из опор (таблица 2, схемы № 4 и 5). 5.2.4. Расчетной схемой шинной конструкции с упруго податливыми опорами следует считать схему, в которой масса шины распределена по длине пролета, а опоры представлены телами с эквивалентной массой М и пружинами с жесткостью Соп. 5.2.5. Для гибких проводников в качестве расчетной схемы применяют схему с жестким стержнем, ось которого очерчена по цепной линии. Гирлянды изоляторов вводят в механическую схему в виде жестких стержней, шарнирно соединенных с проводниками и опорами. Размеры стержней расчетной схемы определяют из статического расчета на действие сил тяжести. 5.3. Допустимые механические напряжения в материале проводников и механические нагрузки на опоры при коротком замыкании5.3.1. Допустимое напряжение в материале жестких шин σдоп, Па, следует принимать равным 70 % временного сопротивления разрыву материала шин ар σдоп = 0,7σρ, (4) Допустимое напряжение в материале шин должно быть ниже предела текучести этого материала. Временные сопротивления разрыву и допустимые напряжения в материалах шин приведены в таблице 3. В зоне сварных соединений шин их временное сопротивление разрыву снижается. Его значение обычно определяют экспериментально; при отсутствии экспериментальных данных значения временного сопротивления разрыву, а также допустимого напряжения следует принимать, используя данные таблицы 3. Таблица 3 - Основные характеристики материалов шин
5.3.2. В зависимости от взаимного расположения шин и изоляторов последние при воздействии на них электродинамических сил работают на изгиб или растяжение (сжатие) или одновременно на изгиб и растяжение (сжатие). В общем случае допустимую нагрузку на изолятор (изоляционную опору) Fдоп следует принимать равной 60 % минимальной разрушающей нагрузки Fpaзp, приложенной к вершине изолятора (опоры) при изгибе или разрыве Fдоп = 0,6 Fразр, , (5) 5.3.3. В случае работы изолятора на изгиб или растяжение (сжатие) значения допустимых нагрузок на изолятор (опору) Fдоп.изг Fдоп.р, Н, следует принимать соответственно равными:
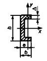
5.3.4. Допустимую нагрузку на спаренные изоляторы (опоры) следует принимать равной 50 % суммарного разрушающего усилия изоляторов (опор) Fдоп = 0,5 Fpaзp.∑ (7) где Fpaзp. ∑ - суммарное разрушающее усилие спаренных изоляторов (опор), Н. 5.3.5. При удалении центра масс шины от вершины опорного изолятора, например, когда плоская шина поставлена на ребро (рисунок 3а, б), значение допустимой нагрузки на опорный изолятор при изгибе следует пересчитать в соответствии с формулой Fдоп = NFразр.изгh/Н, (8)
Опасное сечение опорно-стержневых изоляторов с внутренним креплением арматуры (рисунок 3а) следует принимать у опорного фланца, опорно-стержневых изоляторов с внешним креплением арматуры (рисунок 3 б, в) - у кромки нижнего фланца, а опорно-штыревых изоляторов (рисунок 3 г) - на границе контакта штыря с фарфоровым телом изолятора. Допустимую изгибающую нагрузку многоярусных изоляционных опор (колонок изоляторов) (рисунок 3 г, д) следует принимать равной допустимой нагрузке наименее прочного яруса, определяемой по формуле (8).
Рисунок 3 - Определение допустимых нагрузок на изоляторы и изоляционные опоры 5.3.6. При расположении фаз по вершинам треугольника (рисунок 2 б, в, г) изоляторы одновременно испытывают как растягивающие (сжимающие), так и изгибающие усилия. Допустимые изгибающую Fдоп.изг и растягивающую Fдоп.p. нагрузки в ньютонах следует определять по формулам (6). 5.3.7. Допустимое напряжение в материале гибких проводников σдоп, МПа, следует принимать равным σдоп = Nσпр (9) где N - коэффициент допустимой нагрузки, равный 0,35-0,50; σпр - предел прочности при растяжении, Н. 5.3.8. Допустимую нагрузку на подвесные изоляторы следует принимать равной 30 % разрушающей нагрузки, т.е. Fдоп = 0,3Fразр. (10) 5.3.9. Расстояния между проводниками фаз Аф-ф, а также между проводниками и заземленными частями Аф-3 шинных конструкций напряжением 35 кВ и выше и проводников ошиновки распределительных устройств и воздушных линий, а также токопроводов к моменту отключения КЗ должны оставаться больше допустимых изоляционных расстояний, определяемых при рабочих напряжениях, т.е.
5.4. Определение механических напряжений в материале проводников и механических нагрузок на опоры при коротком замыкании5.4.1. Расчет шинных конструкций, обладающих высокой жесткостью 5.4.1.1. При расчете шинной конструкции, обладающей высокой жесткостью, шину в любом пролете между изоляторами, кроме крайних, следует рассматривать как стержень (балку). Наличие ответвлений допускается не учитывать. 5.4.1.2.
Максимальное напряжение в материале шины πmax,
Па, и нагрузку на изолятор шинной конструкции высокой жесткости
Таблица 4 - Формулы для определения момента инерции J и момента сопротивления W поперечных сечений шин
При двухфазном КЗ
При расчете напряжений в области сварных соединений, находящихся на расстоянии Z от опорного сечения, в формулы (12) и (14) следует подставлять значения λ(Z), вычисленные в соответствии с таблицей А. 1 (приложение А). 5.4.1.3. Электродинамические нагрузки на отдельные проводники составных шин (рисунок 4) обусловлены взаимодействием их токов с токами проводников других фаз и с токами других элементов проводника одной и той же фазы. Максимальное напряжение в материале составных шин при КЗ допускается определять по формуле σmax = σф. max + σэл. max , (16)
Рисунок 4 - Двухполосная шина 5.4.2. Расчет шинных конструкций с жесткими опорами 5.4.2.1. Шинную конструкцию, изоляторы которой обладают высокой жесткостью, в расчетах на динамическую стойкость при КЗ следует представлять как стержень с защемленными концами, имеющий лишь основную частоту собственных колебаний. 5.4.2.2. Максимальное напряжение в материале шин σmax, Па, и нагрузку на изоляторы Fиз, H, при расположении шин в одной плоскости и высокой жесткости изоляторов шинной конструкции следует определять по формулам: при трехфазном КЗ при двухфазном КЗ
Рисунок 5 - Зависимость коэффициента динамической нагрузки для изоляторов и шин от частоты собственных колебаний шины при различных ударных коэффициентах χ: 1 - χ ≥ 1,6; 2 - χ = 1,4; 3 - χ = 1,25; 4 - χ = 1,1;5 - χ = 1,0 5.4.2.3. Расчетную частоту собственных колебаний шины f1 Гц, следует определять по формуле
5.4.2.4. Максимальную нагрузку на проходные изоляторы Fиз, H, следует определять по формуле
5.4.2.5. Максимальное напряжение σmах (Па) в материале составных шин шинной конструкции с жесткими опорами допустимо определять по формуле (16). При этом максимальное напряжение в материале шин, обусловленное взаимодействием проводников других фаз, σфmах следует определять в зависимости от вида КЗ по формуле (18) или (20), а максимальное напряжение в материале шин, обусловленное взаимодействием отдельных элементов проводника одной фазы, σэл.max - по формуле
Расчетную основную частоту собственных колебаний элементов составной шины фазы f1эл, Гц, определяют по формуле
5.4.2.6. Максимальное напряжение в материале шин σmax, Па, и максимальную нагрузку на опорные и проходные изоляторы Fиз, H, при расположении шин по вершинам треугольника (рисунок 2, б, в, г) следует определять с учетом их пространственных колебаний, используя формулы:
Таблица 5 - Значения коэффициентов
5.4.3. Расчет подвесного самонесущего токопровода 5.4.3.1. Расчетное максимальное напряжение в материале проводников подвесного самонесущего токопровода σрасч. max, Па, следует определять с учетом собственного веса, веса изоляционных распорок и льда, а также действия напора ветра, т.е. σрасч. max = σmax + σв, (29)
Нагрузку на изолятор подвесного самонесущего токопровода следует определять по формуле (13). 5.4.4. Расчет шинных конструкций с упругоподатливыми опорами 5.4.4.1. Максимальное напряжение в материале шин и максимальную нагрузку на изоляторы шинных конструкций с упругоподатливыми опорами следует определять соответственно по формулам (18) и (19) или (20) и (21), а частоту собственных колебаний - по формуле (22), учитывая при этом, что параметр основной частоты r1 является функцией безразмерных величин Conl3/EJ и M/ml, где Соn - жесткость опор, а М - приведенная масса. Значения жесткости опор определяют экспериментально, а приведенной массы - согласно 5.4.4.2. Кривые для определения r1 шин с жестким закреплением на опорах приведены на рисунке 6, а для шин с шарнирным закреплением - на рисунке 7. Для шин с чередующимися жесткими и шарнирными закреплениями на опорах значение параметра r1 допустимо приблизительно оценивать как среднее между его значениями, найденными по кривым рисунков 6 и 7.
Рисунок 6 - Кривые для определения параметра основной частоты собственных колебаний шины при ее жестком закреплении на упругоподатливых опорах
Рисунок 7 - Кривые для определения параметра основной частоты собственных колебаний шины при ее шарнирном закреплении на упругоподатливых опорах Значения r1 для шин с жестким закреплением на опорах при Con/3/EJ ≥ 5000 и для шин с шарнирным закреплением на опорах при Con/3/EJ ≥ 3000 приведены в таблице 2. 5.4.4.2. Приведенную массу опоры М, кг, определяют по приближенной формуле
Рисунок 8 - К расчету приведенной массы опоры При известной частоте собственных колебаний опоры, закрепленной на упругом основании, приведенную массу М, кг, следует определять по формуле
5.4.5. Проверка токопроводов на электродинамическую стойкость при наличии устройств АПВ 5.4.5.1. При наличии быстродействующих АПВ токопроводы электроустановок напряжением 35 кВ и выше следует проверять на электродинамическую стойкость при повторном включении на КЗ. Методика проверки приведена в приложении Б. Такая проверка не требуется, если продолжительность бестоковой паузы tб п, с
5.4.6. Расчет гибких проводников 5.4.6.1. При расчете гибких проводников следует определять максимальное тяжение в проводниках и максимальное отклонение проводников при КЗ и после его отключения (приложение В). 5.5. Проверка шинных конструкций, гибких проводников и электрических аппаратов на электродинамическую стойкость при коротком замыкании5.5.1. При проверке шинных конструкций на электродинамическую стойкость расчетными величинами являются максимальное напряжение в материале шин σmax (Па) и максимальная нагрузка на изоляторы Fmax (H). Для проверки электродинамической стойкости шинных конструкций следует использовать следующие неравенства:
Примеры расчета электродинамической стойкости шинных конструкций приведены в приложении Г. 5.5.2. При проверке гибких проводников на электродинамическую стойкость расчетными величинами являются максимальное тяжение Fmax f и максимальное сближение проводников при КЗ. Для проверки электродинамической стойкости гибких проводников следует использовать следующие неравенства:
5.5.3. Электродинамическая стойкость электрических аппаратов в зависимости от типа и конструкции характеризуется их предельными сквозными токами iпр.скв и Iпр.скв и номинальными токами электродинамической стойкости iдин и Iдин или кратностью тока электродинамической стойкости iдин/( Электродинамическая стойкость электрического аппарата обеспечена, если выполняются условия:
6. Термическое действие тока короткого замыкания6.1. Определение интеграла Джоуля и термически эквивалентного тока короткого замыкания6.1.1. Степень термического воздействия тока КЗ на проводники и электрические аппараты определяется значением интеграла Джоуля Вк, А2∙с
Степень термического воздействия тока КЗ на проводники и электрические аппараты допустимо также определять с использованием значений термически эквивалентного тока КЗ и расчетной продолжительности КЗ. 6.1.2. Интеграл Джоуля Вк допускается определять приближенно как сумму интегралов от периодической Вк.п и апериодической Вк.а составляющих тока КЗ, т.е. Вк ≈ Вк.п + Вк.а. (38) а) исходная расчетная схема электроустановки имеет произвольный вид, но для всех генераторов и синхронных компенсаторов КЗ является удаленным, т.е. отношение действующего значения периодической составляющей тока любого генератора или синхронного компенсатора в начальный момент КЗ к его номинальному току менее двух. В этом случае все источники электрической энергии и связывающие их с точкой КЗ элементы расчетной схемы путем преобразования схемы замещения должны быть заменены общим эквивалентным источником (системой), ЭДС которого принимается неизменной по амплитуде, а индуктивное сопротивление равным результирующему эквивалентному индуктивному сопротивлению элементов расчетной схемы; б) исходная расчетная схема содержит один или несколько однотипных и одинаково удаленных от расчетной точки КЗ генераторов или синхронных компенсаторов, причем расчетное КЗ для них является близким, т.е. начальное действующее значение периодической составляющей тока каждого генератора или синхронного компенсатора превышает его номинальный ток в два и более раза; в) исходная расчетная схема содержит различные источники энергии, а расчетная точка КЗ делит схему на две независимые части, одна из которых содержит источники энергии, для которых расчетное КЗ является удаленным, а другая - один или несколько генераторов (синхронных компенсаторов), находящихся в одинаковых условиях относительно точки КЗ и связанных с точкой КЗ по радиальной схеме, причем для этой машины или группы машин расчетное КЗ является близким. В этом случае эквивалентную схему замещения следует преобразовать в двухлучевую: все источники энергии, для которых расчетное КЗ является удаленным, и связывающие их с точкой КЗ элементы представить в виде одной ветви с неизменной по амплитуде эквивалентной ЭДС и результирующим эквивалентным сопротивлением, а машину или группу машин, для которых расчетное КЗ является близким, - в виде другой ветви с изменяющейся во времени ЭДС и соответствующим эквивалентным сопротивлением; г) исходная расчетная схема содержит различные источники энергии, а расчетная точка КЗ делит схему на две независимые части, одна из которых содержит источники энергии, для которых расчетное КЗ является удаленным, а другая - группу однотипных электродвигателей (синхронных или асинхронных), для которых расчетное КЗ является близким. В этом случае эквивалентную схему замещения также следует преобразовать в двухлучевую: все источники энергии, для которых расчетное КЗ является удаленным, и связывающие их с точкой КЗ элементы представить в виде одной ветви с неизменной по амплитуде эквивалентной ЭДС и результирующим эквивалентным сопротивлением, а группу электродвигателей - эквивалентной ЭДС и эквивалентным сопротивлением. 6.1.4. При определении интеграла Джоуля и термически эквивалентного тока КЗ допускается принимать, что апериодическая составляющая тока КЗ от той части расчетной схемы, которая содержит удаленные от места КЗ источники энергии, независимо от конфигурации этой схемы изменяется по экспоненциальному закону с эквивалентной постоянной времени. Последнюю следует определять по одной из следующих формул:
1) Знак «-», расположенный под обозначением (Z), означает комплексную величину (здесь и далее). Примечание - При определении эквивалентной постоянной времени Та.эк по любой из этих формул синхронные и асинхронные машины должны быть учтены индуктивным сопротивлением обратной последовательности и активным сопротивлением обмотки статора. 6.1.5. В тех случаях, когда исходная расчетная схема имеет произвольный вид, но для всех генераторов и синхронных компенсаторов КЗ является удаленным (6.1.3, перечисление а), интеграл Джоуля Вк, А2∙с, следует определять по формуле
В этом случае термически эквивалентный ток КЗ Iтер.эк, А, равен
При tоткл > 3Та.эк интеграл Джоуля допустимо определять по формуле
а термически эквивалентный ток КЗ по формуле
6.1.6. В тех случаях, когда исходная расчетная схема содержит один или несколько однотипных и одинаково удаленных от расчетной точки КЗ генераторов (синхронных компенсаторов), причем расчетное КЗ для них является близким (6.1.3, перечисление б), интеграл Джоуля, А2∙с, следует определять по формуле
1) Знак «*», расположенный под обозначением (В), означает, что данная величина выражена в относительных единицах (здесь и далее).
Значения относительного интеграла Джоуля При рассматриваемой исходной расчетной схеме термически эквивалентный ток КЗ, А, следует определять по формуле
При Тоткл > 3Та.г интеграл Джоуля допустимо определять по формуле 1) Знак «*»,
расположенный под обозначением Bк ≈ а термически эквивалентный ток КЗ по формуле
6.1.7. В тех случаях, когда исходная расчетная схема содержит различные источники энергии, а расчетное КЗ делит схему на две независимые части, одна из которых содержит источники энергии, для которых КЗ является удаленным, а другая - один или несколько генераторов (синхронных компенсаторов), находящихся в одинаковых условиях относительно точки КЗ и связанных с точкой КЗ по радиальной схеме, причем для этой машины или группы машин расчетное КЗ является близким (6.1.3, перечисление в), интеграл Джоуля следует определять по формуле
Значения относительного интеграла В тех случаях, когда 3Та.г > tоткл > 3Tа.эк, интеграл Джоуля допустимо определять по формуле а в случае, когда tоткл > 3Та.г, интеграл Джоуля можно определять по формуле
При рассматриваемой расчетной схеме термически эквивалентный ток КЗ следует определять по формуле (37), предварительно найдя значение Bк с помощью формулы (51) или (53), или (54). 6.1.8. В тех случаях, когда исходная расчетная схема содержит различные источники энергии, а расчетная точка КЗ делит схему на две независимые части, одна из которых содержит источники энергии, для которых расчетное КЗ является удаленным, а другая - группу однотипных электродвигателей, для которых расчетное КЗ является близким (6.3.1, перечисление г), интеграл Джоуля следует определять по методике, изложенной в 6.1.7, т.е. с использованием формул (51), (53) или (54), в которые вместо
Термически эквивалентный ток КЗ следует определять по формуле (37). 6.2. Проверка электрических аппаратов на термическую стойкость при коротком замыкании6.2.1. Термическая стойкость электрических аппаратов при сквозных КЗ характеризуется их нормированным током термической стойкости Iтер норм в амперах и допустимым временем воздействия этого тока tтep.нopм в секундах (ГОСТ 687). 6.2.2. Расчетное выражение, которое следует использовать при проверке коммутационных аппаратов на термическую стойкость, зависит от расчетной продолжительности КЗ. В тех случаях, когда расчетная продолжительность КЗ tоткл в секундах равна или больше допустимого времени воздействия нормированного тока термической стойкости tтер.норм в секундах, для проверки коммутационных аппаратов следует использовать выражение
В случае же, когда расчетная продолжительность КЗ меньше допустимого времени воздействия нормированного тока термической стойкости, условием термической стойкости коммутационных аппаратов является выполнение соотношения
6.2.3. Допускается проверку коммутационных электрических аппаратов на термическую стойкость при КЗ проводить путем сравнения термически эквивалентного тока КЗ с допустимым током термической стойкости, учитывая при этом соотношение между допустимым временем воздействия нормированного тока термической стойкости и расчетной продолжительностью КЗ. При tоткл ≥ tтер.норм проверку коммутационных аппаратов на термическую стойкость при КЗ следует проводить, используя соотношение
а при tоткл < tтep.норм условием термической стойкости коммутационного аппарата является выполнение соотношения
6.3. Проверка проводников на термическую стойкость при коротком замыкании6.3.1. Проверка проводников на термическую стойкость при КЗ заключается в определении их температуры нагрева к моменту отключения КЗ и сравнении этой температуры с предельно допустимой температурой нагрева при КЗ. Проводник удовлетворяет условию термической стойкости, если температура нагрева проводника к моменту отключения КЗ 6.3.2. Допускается проверку проводников на термическую стойкость при КЗ проводить также путем сравнения термически эквивалентной плотности тока КЗ Jтер.эк с допустимой в течение расчетной продолжительности КЗ плотностью тока Jтep.доп (6.3.7). Проводник удовлетворяет условию термической стойкости при КЗ, если выполняется соотношение Jтер.эк ≤ Jтep.доп (60) 6.3.3. Определение температуры нагрева проводников к моменту отключения КЗ следует проводить с использованием кривых зависимости температуры нагрева проводников
1) на рисунке 19 или 20 выбрать кривую, соответствующую материалу проводника, и по этой кривой, исходя из начальной температуры проводника 2) в соответствии с 6.1.5 - 6.1.8 определить значение интеграла Джоуля Вк при расчетных условиях КЗ; 3) найти значение функции
4)по найденному значению функции Таблица 6 - Предельно допустимые температуры нагрева проводников при КЗ
6.3.4. В тех случаях, когда определяющим условием при выборе сечения проводника является его термическая стойкость при КЗ, следует определить минимальное сечение проводника по условию термической стойкости Sтep.min, мм2, используя выражение
Термическая стойкость проводника обеспечивается, если площадь сечения S, мм2, удовлетворяет неравенству S ≥ Sтep.min. (63) 6.3.5. В тех случаях, когда нагрузка проводника до КЗ близка к продолжительно допустимой, минимальное сечение проводника, отвечающее требованию термической стойкости при КЗ, следует определять по формуле
где
Значения параметра Стер для жестких шин приведены в таблице 7, для кабелей - в таблице 8, для проводов - в таблице 9. Таблица 7 - Значения параметра Стер для жестких шин
Таблица 8 - Значения параметра Стер для кабелей
Таблица 9 - Значение параметра Стер для проводов
6.3.6 В тех случаях, когда для кабелей и проводов известны значения односекундного тока термической стойкости (допустимого односекундного тока КЗ) Iтер.доп1,их проверку на термическую стойкость при КЗ допустимо проводить путем сравнения интеграла Джоуля Bк с квадратом односекундного тока термической стойкости. Термическая стойкость кабеля или провода обеспечивается при выполнении условия
Значения односекундного тока термической стойкости для кабелей с бумажной пропитанной изоляцией по ГОСТ 18410 приведены в таблице 10. Если нагрузка кабелей до КЗ меньше продолжительно допустимой, то указанные в таблице 10 значения односекундного тока термической стойкости следует умножить на соответствующий поправочный коэффициент. Его значения приведены в таблице 11. Значения односекундного тока термической стойкости для кабелей с пластмассовой изоляцией напряжением до 6 кВ по ГОСТ 16442, приведены в таблице 12, для кабелей с изоляцией из сшитого полиэтилена напряжением 10 кВ - в таблице 13, для медных экранов этих кабелей - в таблице 14, для самонесущих изолированных проводов напряжением до 1 кВ - в таблице 15 и для проводов с защитной оболочкой напряжением 6-20 кВ - в таблице 16. Таблица 10 - Односекундные токи термической стойкости для кабелей с бумажной пропитанной изоляцией
Таблица 11 - Поправочные коэффициенты на односекундные токи термической стойкости для кабелей с бумажной пропитанной изоляцией, учитывающие предварительную нагрузку кабелей до КЗ
Таблица 12 - Односекундные токи термической стойкости для кабелей с пластмассовой изоляцией напряжением до 6 кВ
Таблица 13 - Односекундные токи термической стойкости для кабелей с изоляцией из сшитого полиэтилена напряжением 10 кВ
Таблица 14 - Односекундные токи термической стойкости медных экранов кабелей с изоляцией из сшитого полиэтилена напряжением 10 кВ
Таблица 15 - Односекундные токи термической стойкости для самонесущих изолированных проводов напряжением до 1 кВ
Таблица 16 - Односекундные токи термической стойкости для проводов с защитной оболочкой напряжением 6-20 кВ
6.3.7. В тех случаях, когда проверку проводников на термическую стойкость при КЗ проводят путем сравнения термически эквивалентной плотности тока КЗ Jтер.эк, А/мм2, с допустимой в течение расчетной продолжительности КЗ плотностью тока Jтер.эк, А/мм2, (6.3.2) следует предварительно определить значения этих величин, используя формулы:
Термическая стойкость проводника обеспечивается, если выполняется условие (60). 6.4. Проверка силовых кабелей на невозгораемость при коротком замыкании6.4.1. При проверке силовых кабелей на невозгораемость при коротких замыканиях расчетную точку КЗ следует выбирать в начале кабеля независимо от того, является ли он одиночным или частью кабельной линии, содержащей несколько параллельно включенных кабелей. Если одиночный кабель имеет ступенчатое сечение по длине, то для каждого участка с новым сечением кабеля необходимо принимать свою расчетную точку КЗ в начале этого участка. 6.4.2. Расчетную продолжительность КЗ следует принимать в соответствии с 4.1.5. 6.4.3.
Для проверки силовых кабелей на невозгораемость при КЗ необходимо в соответствии
с 4.1.5
и 6.3.3
определить конечную температуру нагрева их жил
Предельно допустимые температуры нагрева жил кабелей напряжением 6-10 кВ по условию невозгораемости при КЗ приведены в таблице 17. Таблица 17 - Предельно допустимые температуры нагрева жил кабелей напряжением б-10 кВ по условию невозгораемости при КЗ
Приложение А
|
|||||||||||||||||||||||||||||||||||||||||||||||||||||||||||||||||||||||||||||||||||||||||||||||||||||||||||||||||||||||||||||||||||||||||||||||||||||||||||||||||||||||||||||||||||||||||||||||||||||||||||||||||||||||||||||||||||||||||||||||||||||||||||||||||||||||||||||||||||||||||||||||||||||||||||||||||||||||||||||||||||||||||||||||||||||||||||||||||||||||||||||||||||||||||||||||||||||||||||||||||||||||||||||||||||||||||||||||||||||||||||||||||||||||||||||||||||||||||||||||||||||||||||||||||||||||||||||||||||||||||||||||||||||||||||||||||||||||||||||||||||||||||||||||||||||||||||||||||||||||||||||||||||||||||||||||||||||||||||||||||||||||||||||||||||||||||||||||||||||||||||||||||||||||||||||||||||||||||||||||||||||||||||||||||||||||||||||||||||||||||||||||||||||||||||||||||||||||||||||||||||||||||||||||||||||||||||||||||||||||||||||||||||||||||||||||||||||||||||||||||||||||||||||||||||||||||||||||||||||||||||||||||||||||||||||||||||||||||||||||||||||||||||||||||||||||||||||||||||||||
|
Номер расчетной схемы в таблице 2 |
Расчетная формула для определения коэффициента λ(Z) |
|
1 |
|
|
2 |
|
|
3 |
|
|
4 |
|
|
5 |
|
Наибольшее напряжение в материале шин и максимальную нагрузку на изоляторы при повторном включении на КЗ следует определять по формулам:
(Б.1)
(Б.2)
|
где σ1 и F1max |
- наибольшее напряжение и максимальная нагрузка при первом КЗ; |
|
Θ |
- коэффициент превышения напряжения и нагрузки при повторном КЗ. |
Коэффициент превышения 0 определяют по кривым рисунка Б.1а в зависимости от логарифмического декремента затухания δ. Номер расчетной кривой на рисунке Б.1а определяют, исходя из продолжительности бестоковой паузы tб.п и частоты собственных колебаний шины f1, используя рисунок Б.1б. Если точка с координатами tб.п и f1, лежит в зоне, ограниченной осями координат и кривой I, то коэффициент Θ определяют по кривой 1 рисунка Б.1а. Если эта точка лежит в зоне, ограниченной кривыми I и II, то Θ определяют по кривой 2 и т.д. Следует отметить, что расчетные коэффициенты Θ получены при наиболее неблагоприятных условиях коммутаций, которые при первом КЗ, в бестоковую паузу и повторном включении на КЗ приводят к наибольшим напряжениям в материале шин и нагрузкам на изоляторы и таким образом обеспечивают оценку электродинамической стойкости ошиновки.

Рисунок Б.1 - Определение коэффициента превышения напряжения и нагрузки Θ в зависимости от δ, tб.п и f1
Ниже приводится методика расчета на электродинамическую стойкость гибких проводников, которые закреплены на одном уровне (по высоте), при отсутствии гололеда и ветровой нагрузки. При определении смещений расчетной моделью проводника в пролете служит абсолютно жесткий стержень, который шарнирно закреплен на опорах, а его ось очерчена по цепной линии.
За расчетное принимают двухфазное КЗ. Влияние гирлянд учитывают увеличением погонной силы тяжести проводника.
При проверке гибких проводников на электродинамическую стойкость при КЗ необходимость расчета смещения проводников, у которых провес превышает половину расстояния между фазами, устанавливают значением параметра р, кА2∙с/Н, определяемого по формуле
(В.1)
|
где λ |
- безразмерный коэффициент, учитывающий влияние апериодической составляющей электродинамической силы. Последний определяют по кривой, приведенной на рисунке В.1; |
|
|
- начальное действующее значение периодической составляющей тока двухфазного КЗ, кА; |
|
tоткл |
- расчетная продолжительность КЗ, с; |
|
а |
- расстояние между фазами, м; |
|
q |
- погонная сила тяжести провода, Н/м. |

Рисунок В.1 - Зависимость коэффициента λ от tоткл/Та
В случае, когда выполняется соотношение р ≤ 0,4 кА2∙с/Н, расчет смещения проводников можно не проводить, так как опасности их чрезмерного сближения нет. В противном случае расчет смещения проводят в следующей последовательности:
1) Определяют предельно допустимую продолжительность КЗ, с
(В.2)
|
где М = тпогl |
- масса проводника пролета, кг; |
|
l |
- длина пролета, м; |
|
g |
- ускорение силы тяжести, м/с2; |
|
|
- частота малых собственных колебаний расчетного маятника, 1/с, причем L = 2f/3, м; |
|
f |
- провес провода в середине пролета, м; |
|
|
- расчетная электродинамическая сила при двухфазном КЗ, Н. |
Последнюю вычисляют по формуле
(B.3)
где ![]()
|
|
- постоянная составляющая электродинамической нагрузки на проводник в пролете при двухфазном КЗ, Н; |
|
μ |
- относительная магнитная проницаемость воздушной среды (для воздуха ц = 1); |
|
μ0 |
- магнитная проницаемость вакуума, Гн/м. |
2) При tоткл < tпред горизонтальное смещение проводника при КЗ, м, вычисляют по формуле
(B.4)
где ![]()
В случае, когда вычисленное по формуле (В.4) значение s оказывается больше стрелы провеса проводника в середине пролета, следует принимать s = f.
3) При tпред < tоткл < 0,6(2π/ω0) горизонтальное смещение проводника при КЗ, м, вычисляют по одной из формул:
(В.5)
|
где аmах |
- угол максимального отклонения проводника от вертикали, рад, определяемый по формуле |
amax = arcos[1 - ΔWк/(MgL)]; (B.6)
|
|
- энергия, накопленная проводником пролета за время КЗ, Дж, и определяемая с использованием рисунка В.2 (здесь τоткл = tоткл/Т0 = tотклω0/2π - относительная продолжительность КЗ в долях от периода собственных колебаний проводника в пролете). |
4) При tоткл > 0,6(2π/ω0) горизонтальное смещение проводника также вычисляют по формулам (В.5), однако входящую в формулы (В.5) и (В.6) энергию ΔWк, Дж, приближенно оценивают по одной из формул:
(В.7)
|
где h |
- высота подъема проводника над его положением до КЗ, м, которую определяют с использованием рисунка В.З. |
5) Определяют максимальное сближение проводников (минимальное расстояние между проводниками) по формуле
amin = а - 2(s + rр)' (В.8)
|
где s |
- найденное максимальное горизонтальное смещение проводника в середине пролета от равновесного положения, а для расщепленных фаз - это горизонтальное смещение оси расчетного одиночного проводника с поперечным сечением, равным сумме сечений всех проводников фазы, в середине пролета; |
|
rр |
- радиус расщепления фазы, м. |


Рисунок В.2 - Зависимость ΔWк/(MgL) от относительной продолжительности двухфазного КЗ


Рисунок В.2, лист 2

Рисунок В.3 - Характеристики h/a = f(L/a) при двухфазном КЗ
Максимальное тяжение в проводнике Fmax f следует определять, полагая, что энергия, накопленная проводником во время КЗ, трансформируется в потенциальную энергию деформации растяжения при падении проводника после отключения КЗ, поднятого электродинамическими силами над исходным равновесным положением. При этом значение Fmax f, Дж, составляет
(B.9)
|
где |
- потенциальная энергия деформации проводника в пролете при тяжении, равном тяжению в нем до КЗ, Дж; |
|
|
- тяжение (продольная сила) в проводнике до КЗ, Н; |
|
m |
- погонная масса проводника, кг; |
|
Е |
- модуль упругости материала проводника, Н/м2; |
|
S |
- площадь поперечного сечения проводника, м2; |
|
Δlпр |
- удлинение проводника в пролете при усилии в нем, равном Fmax f, м; |
|
lпр |
- длина проводника в пролете, м, которую допускается принимать равной длине пролета l. |
При выполнении условия tоткл < tпред значение ΔWк допускается определять по приближенной формуле
, (В.10)
При отсутствии характеристики жесткости провода Δl = f(F) приближенное значение максимально возможного тяжения в проводнике допускается определять по формуле
, (B.11)
|
где ES |
- жесткость поперечного сечения провода при растяжении, Н; |
|
Е |
- модуль упругости материала проводника, Н/м2; |
|
S |
- площадь поперечного сечения проводника, м2. |
Модуль упругости материалов проводника, полученного скручиванием проволок, следует снижать (вдвое-втрое) по сравнению с модулем упругости материала отдельных проволок.
Значение нижнего предела максимального тяжения в проводнике Fmax2 в случае, когда проводник после отключения КЗ (при относительно малом токе) плавно возвращается в исходное положение, совершая затем затухающие (из-за аэродинамического сопротивления атмосферы) колебания, выбирается наибольшим из двух значений силы тяжения F2, вычисляемых по формулам:
(B.12)
при этом траектория движения центра масс проводника близка к окружности.
Влияние гирлянд изоляторов и ответвлений с гибкой ошиновкой приближенно учитывается увеличением погонной силы тяжести и стрелы провеса проводников путем замены в приведенных выше формулах массы проводника М" приведенной массой Мпр = Mγ + Mотв и стрелы провеса f «приведенной» стрелой провеса fnp = f + lгcos β, где γ - коэффициент приведения массы (таблица В.1); Мотв - масса отводов в пролете; lг - длина гирлянды изоляторов; β - угол отклонения натяжных гирлянд от вертикали до КЗ, рад.
Таблица В.1 - Коэффициент приведения массы у при различных отношениях провеса гирлянды к стреле провеса проводника fг/f и массы гирлянды к массе проводника в пролете Mг/M
|
fг/f |
Значение коэффициента приведения массы у при различных Mг/M |
||||||||
|
0,01 |
0,02 |
0,05 |
0,10 |
0,20 |
0,50 |
1,00 |
2,00 |
3,00 |
|
|
0,01 |
1,000 |
1,000 |
1,000 |
1,000 |
1,001 |
1,002 |
1,003 |
1,005 |
1,006 |
|
0,02 |
1,000 |
1,000 |
1,000 |
1,001 |
1,002 |
1,004 |
1,007 |
1,010 |
1,012 |
|
0,05 |
1,000 |
1,000 |
1,001 |
1,002 |
1,004 |
1,010 |
1,016 |
1,024 |
1,029 |
|
0,10 |
1,000 |
1,001 |
1,002 |
1,004 |
1,008 |
1,019 |
1,031 |
1,048 |
1,058 |
|
0,20 |
1,001 |
1,002 |
1,004 |
1,008 |
1,015 |
1,034 |
1,059 |
1,090 |
1,110 |
|
0,50 |
1,002 |
1,003 |
1,008 |
0,016 |
1,031 |
1,071 |
1,130 |
1,200 |
1,250 |
|
1,00 |
1,002 |
1,005 |
1,012 |
1,024 |
1,048 |
1,110 |
1,200 |
1,330 |
1,430 |
|
2,00 |
1,003 |
1,007 |
1,017 |
1,033 |
1,065 |
1,150 |
1,290 |
1,500 |
1,670 |
|
3,00 |
1,004 |
1,007 |
1,019 |
1,037 |
1,073 |
1,180 |
1,330 |
1,600 |
1,820 |
|
Примечание - Мг - масса гирлянд (суммарная масса двух натяжных гирлянд у двух опор проводников в пролете или масса одной гирлянды, если на опорах гирлянды подвесные); М - масса проводника в пролете; fг - провес гирлянд; f - стрела провеса проводника. |
|||||||||
Пример 1
Проверить электродинамическую стойкость трехфазной шинной конструкции, изоляторы которой обладают
высокой жесткостью, при действии ударного тока КЗ
= 155 кА.
Шины прямоугольного сечения (60 × 6) мм2 выполнены из алюминиевого сплава марки АД31Т1, расположены
горизонтально в одной плоскости, имеют четыре пролета и параметры: l =
Согласно таблице 4
(Г.1)
(Г.2)
Частота собственных колебаний
(Г.3)
где r1 = 4,73 соответствует расчетной схеме 5 (таблица 2).
Для данной шинной конструкции η = 1,1 (рисунок 5);Кф = 1,0 (рисунок 1); Красп = 1,0 (таблица 1);λ = 12 (таблица 2).
Максимальная сила, действующая на шинную конструкцию, составляет
(Г.4)
при этом максимальное напряжение в материале шин, определяемое по формуле (18), равно
(Г.5)
Поскольку
= 254,3 МПа >
=137 МПа, то шины не удовлетворяют условию электродинамической
стойкости. Для снижения максимального напряжения в материале шин необходимо уменьшить длину пролета. Наибольшая допустимая длина пролета при
= 137,2 МПа равна
(Г.6)
Примем длину пролета равной
= 5548 Н и
= 102,7 МПа, что меньше
= 137 МПа.
Исходя из максимальной нагрузки, действующей на изолятор,
= 5548 Н принимаем к установке изоляторы типа ИОР-10-16,00 УХЛЗ. Для них согласно формуле (5)
допустимая нагрузка составляет Fдоп = 0,6Fразр = 0,6∙16000 = 9600 Н. Выбранные изоляторы удовлетворяют условию электродинамической стойкости
Fдоп = 9600 Н >
= 5548 Н. (Г.7)
Таким
образом, при уменьшении длины пролета до
Пример 2
Проверить
электродинамическую стойкость трехфазной шинной конструкции в цепи генератора,
шины которой состоят из двух элементов корытообразного профиля, при
= 120 кА.
Алюминиевые шины марки АД0 сечением 2 × 3435 мм2 расположены в горизонтальной плоскости и имеют
следующие параметры: l =
= 41 МПа; аэл =
Частоты собственных колебаний шины и элемента шины в соответствии с формулами (22) и (25) равны:
(Г.8)
(Г.9)
Для данной шинной конструкции η = 1,0 и ηэл = 1,0 (рисунок 5); Кф = 1,0(5.1.1); Красп = 1,0 (таблица 1); λ = 12 (таблица 2).
Максимальная сила, обусловленная взаимодействием токов разных фаз, равна
(Г.10)
При этом максимальные напряжения в материале шин, обусловленные соответственно взаимодействием токов разных фаз, определяемое по формуле (18), и токов отдельных элементов проводника одной фазы, определяемое по формуле (24), равны:
(Г.11)
(Г.12)
Суммарное напряжение в материале шины
σmax = σфmах + σэл. max = 2,63 + 7,5 = 10,13 МПа. (Г.13)
Шины удовлетворяют условию электродинамической стойкости, так как σдоп = 41 МПа, что больше σmax = 10,13 МПа.
Исходя из максимальной нагрузки, действующей на изолятор,
= 6651 Н, принимаем к
установке изоляторы типа ИО-10-20,00 УЗ.
Для этих изоляторов Fpaзp = 20000 Н, высота h =
Согласно формуле (8) допустимая нагрузка на изолятор при изгибе равна
Fдоп.изг = NFразр h/H = 0,6∙2000∙0,134/0,234 = 6871,8 Н. (Г.14)
Выбранные изоляторы удовлетворяют условию электродинамической стойкости
Fдоп. = 6871,8 Н >
=6651 Н. (Г.15)
Таким образом, шинная конструкция в целом отвечает требованиям электродинамической стойкости.
Пример 3
Проверить электродинамическую стойкость шинной конструкции наружной электроустановки напряжением
110 кВ при
=50 кА.
Трубчатые шины квадратного сечения выполнены из алюминиевого сплава АД31Т и расположены в одной
плоскости. Ширина шины Н =
= 89 МПа, модуль упругости Е = 7∙1010 Па. Изоляторы типа ИОС-110-600 (рисунок 3 в) имеют Fpaзp = 6 кН, высоту Низ =
Согласно таблице 4 момент инерции и момент сопротивления шины равны:
(Г.16)
(Г.17)
Допустимая нагрузка на изолятор согласно формуле (8) равна
Fдоп = 0,6∙6000∙1000/1080 = 3333 Н. (Г.18)
Значения жесткости и частоты колебаний опоры допустимо принять равными жесткости и частоте колебаний изоляторов, так как изоляторы шинной конструкции установлены на весьма жестком основании.
Приведенная масса в соответствии с формулой (31) равна
. (Г.19)
Необходимые для определения параметра основной частоты собственных колебаний шины значения величин равны:
. (Г.20)
(Г.21)
По кривым рисунка 6 параметр r1 = 3,3, поэтому
(Г.22)
По кривой рисунка 5 коэффициент динамической нагрузки η = 0,9.
Максимальные нагрузка на изоляторы и напряжение в материале шины в соответствии с формулами (2) и (18) равны:
(Г.23)
(Г.24)
Для данной шинной конструкции
σдоп = 89 МПа > σmах = 5,88 МПа; (Г.25)
Fдоп = 3333 Н >
= 2165 Н. (Г.26)
Таким образом, шинная конструкция удовлетворяет условиям динамической стойкости.
Ключевые слова: ток короткого замыкания, электроустановки, электродинамическая стойкость, термическая стойкость, интеграл Джоуля, невозгораемость
|
ГОСТЫ, СТРОИТЕЛЬНЫЕ и ТЕХНИЧЕСКИЕ НОРМАТИВЫ. Некоммерческая онлайн система, содержащая все Российские Госты, национальные Стандарты и нормативы. В Системе содержится более 150000 файлов нормативно-технической документации, действующей на территории РФ. Система предназначена для широкого круга инженерно-технических специалистов. Copyright © www.gostrf.com, 2008 - 2026 |