Крупнейшая бесплатная информационно-справочная система онлайн доступа к полному собранию технических нормативно-правовых актов РФ. Огромная база технических нормативов (более 150 тысяч документов) и полное собрание национальных стандартов, аутентичное официальной базе Госстандарта. GOSTRF.com - это более 1 Терабайта бесплатной технической информации для всех пользователей интернета. Все электронные копии представленных здесь документов могут распространяться без каких-либо ограничений. Поощряется распространение информации с этого сайта на любых других ресурсах. Каждый человек имеет право на неограниченный доступ к этим документам! Каждый человек имеет право на знание требований, изложенных в данных нормативно-правовых актах!

  


 

ФЕДЕРАЛЬНОЕ АГЕНТСТВО
ПО ТЕХНИЧЕСКОМУ РЕГУЛИРОВАНИЮ И МЕТРОЛОГИИ

НАЦИОНАЛЬНЫЙ
СТАНДАРТ
РОССИЙСКОЙ
ФЕДЕРАЦИИ

ГОСТ Р МЭК
60269-4-1-
2007

Предохранители плавкие низковольтные

Часть 4-1

ДОПОЛНИТЕЛЬНЫЕ ТРЕБОВАНИЯ К ПЛАВКИМ ВСТАВКАМ ДЛЯ ЗАЩИТЫ ПОЛУПРОВОДНИКОВЫХ УСТРОЙСТВ

Разделы I-III

Примеры типов стандартизованных плавких вставок

IEC 60269-4-1:2002
Low-voltage fuses - Part 4-1: Supplementary requirements for fuse-links for the protection of semiconductor devices - Sections I to III: Examples of types of standardized fuse-links
(IDT)

Москва
Стандартинформ
2007

Содержание

Предисловие

1 Общие положения

Раздел I А Плавкие вставки с болтовыми соединениями типа А

1.1 Область применения

7 Стандартные требования к конструкции

7.1 Механическая часть

7.1.7 Конструкция плавкой вставки

Раздел I В Плавкие вставки с болтовыми соединениями типа В

1.1 Область применения

7.1 Механическая часть

7.1.7 Конструкция плавкой вставки

Раздел I С Плавкие вставки с болтовыми соединениями типа С

1.1 Область применения

7.1 Механическая часть

Раздел II А Плавкие вставки с потайными соединениями типа А

1.1 Область применения

7.1 Механическая часть

7.1.7 Конструкция плавкой вставки

Раздел II В Плавкие вставки с потайными соединениями типа В

1.1 Область применения

7.1 Механическая часть

Раздел III А Плавкие вставки с цилиндрическими контактными колпачками типа А

1.1 Область применения

7.1 Механическая часть

Приложение А (обязательное)

Сведения о соответствии национальных стандартов Российской Федерации ссылочным международным стандартам

Библиография

Предисловие

Цели и принципы стандартизации в Российской Федерации установлены Федеральным законом от 27 декабря 2002 г. № 184-ФЗ «О техническом регулировании», а правила применения национальных стандартов Российской Федерации - ГОСТ Р 1.0-2004 «Стандартизация в Российской Федерации. Основные положения»

Сведения о стандарте

1 ПОДГОТОВЛЕН И ВНЕСЕН Техническим комитетом по стандартизации ТК 303 «Изделия электронной техники, материалы и оборудование» на основе собственного аутентичного перевода стандарта, указанного в пункте 4

2 УТВЕРЖДЕН И ВВЕДЕН в действие Приказом Федерального агентства по техническому регулированию и метрологии от 23 октября 2007 г. № 274-ст

3 Настоящий стандарт идентичен международному стандарту МЭК 60269-4-1:2002 «Предохранители плавкие низковольтные. Часть 4-1. Дополнительные требования к плавким вставкам для защиты полупроводниковых устройств. Разделы НИ. Примеры типов стандартизованных плавких вставок» (IEC 60269-4-1:2002 «Low-voltage fuses. - Part 4-1; Supplementary requirements for fuse-links for the protection of semiconductor devices-Sections I to III: Examples of types of standardized low-voltage fuses»).

При применении настоящего стандарта рекомендуется использовать вместо ссылочных международных стандартов соответствующие им национальные стандарты, сведения о которых приведены в дополнительном приложении А

4 ВВЕДЕН ВПЕРВЫЕ

Информация об изменениях к настоящему стандарту публикуется в указателе «Национальные стандарты», а текст этих изменений и поправок - ежемесячно издаваемых информационных указателях «Национальные стандарты». В случае пересмотра (замены) или отмены настоящего стандарта соответствующее уведомление будет опубликовано в ежемесячно издаваемом информационном указателе «Национальные стандарты». Соответствующая информация, уведомление и тексты размещаются также в информационной системе общего пользователя - на официальном сайте Федерального агентства по техническому регулированию и метрологии в сети Интернет

ГОСТ Р МЭК 60269-4-1-2007

НАЦИОНАЛЬНЫЙ СТАНДАРТ РОССИЙСКОЙ ФЕДЕРАЦИИ

Предохранители плавкие низковольтные

Часть 4-1

ДОПОЛНИТЕЛЬНЫЕ ТРЕБОВАНИЯ К ПЛАВКИМ ВСТАВКАМ ДЛЯ ЗАЩИТЫ ПОЛУПРОВОДНИКОВЫХ УСТРОЙСТВ

Разделы I-III

Примеры типов стандартизованных плавких вставок

Low-voltage fuses. Part 4-1. Supplementary requirements for fuse-links for the protection of semiconductor devices.
Sections I to III. Examples of types of standardized fuse-links

Дата введения - 2008-07-01

1 Общие положения

Плавкие вставки для защиты полупроводниковых приборов должны соответствовать требованиям, изложенным в соответствующих разделах и пунктах:

МЭК 60269-1:1998* Низковольтные плавкие предохранители. Часть 1. Общие требования и

МЭК 60269-4:1986** Низковольтные плавкие предохранители. Часть 4. Дополнительные требования к плавким вставкам для защиты полупроводниковых устройств.

* Заменен на МЭК 60269-1:2006.

* Заменен на МЭК 60269-4:2006.

Настоящий стандарт состоит из следующих разделов, в которых приведены характерные примеры размеров плавких вставок:

Раздел I: Плавкие вставки с болтовыми соединениями:

тип А;

тип В;

тип С.

Раздел II: Плавкие вставки с потайными соединениями:

тип А;

тип В.

Раздел III: Плавкие вставки с цилиндрическими контактами:

тип А.

Настоящий стандарт распространяется на размеры, но не на характеристики плавких вставок.

Размеры плавких вставок для защиты полупроводниковых устройств также могут быть приведены в [1], разделы I и III и [2], раздел I.

Плавкие вставки должны соответствовать требованиям МЭК 60269-4 и, кроме того, значения потерь мощности плавкой вставки не должны превышать значений рассеиваемой мощности оснований или держателей плавких предохранителей. Если значения потери мощности плавкой вставки превышают значения рассеиваемой мощности стандартного основания или держателя плавкого предохранителя, то изготовитель должен привести сниженные значения номинальных характеристик.

Раздел I А Плавкие вставки с болтовыми соединениями типа А

1.1 Область применения

К плавким вставкам с болтовыми соединениями, размеры которых соответствуют требованиям, приведенным на рисунках 1 (IA)3 (IA) настоящего раздела, применяют следующие дополнительные требования.

Значения номинальных напряжений и токи должны быть равны:

- переменное напряжение - от 230 В и ток до 900 А включительно;

- переменное напряжение - от 690 В и ток до 710 А включительно.

7 Стандартные требования к конструкции

7.1 Механическая часть

Размеры плавких вставок приведены на рисунках 1 (IA)3 (IA).

7.1.7 Конструкция плавкой вставки

Для индикации срабатывания допускается применять параллельно плавким вставкам плавкую вставку-индикатор прерывания. Размеры плавких вставок-индикаторов прерывания приведены на рисунке 4 (IA).

Размеры в миллиметрах

Типовое номинальное напряжение, В

Типовой максимальный номинальный ток, А

Аmax

Bmax

Dmax

Enom

Fmax

Gnom

Hnom

Jmin

Kmax

230

20

29

8,7

47,6

6,4

0,9

38

4

4,8

8,8

690

20

55

8,7

75

6,4

0,9

64,5

4

4,8

8,8

230

180

29,2

17,7

58,4

12,7

2,5

42

6,4

7,9

19,3

690

100

50,6

17,7

79,8

12,7

2,5

63,5

6,4

7,9

19,3

230

450

32,6

38,2

85

25,4

3,3

59

10,3

13

41,5

690

355

60

38,2

114

25,4

3,3

85

10,3

13

41,5

Рисунок 1 (IA) - Плавкие вставки с одним корпусом

Размеры в миллиметрах

Типовое номинальное напряжение, В

Типовой максимальный номинальный ток, А

Аmax

Bmax

Dmax

Enom

Fnom

Gnom

Hnom

Jmin

Kmax

230

900

32,6

38,2

85

25,4

6,4

59

10,3

13

83

690

710

60

38,2

114

25,4

6,4

85

10,3

13

83

Рисунок 2 (IA) - Плавкие вставки со сдвоенным корпусом

Размеры в миллиметрах

Типовое номинальное напряжение, В

Типовой максимальный номинальный ток, А

Аmax

Bmax

Dmax

Enom

Fmax

Gnom

Hnom

Jmin

Kmax

690

200

50,6

37

95

32

1,6

70

8,7

10,3

19,9

Рисунок 3 (IA) - Плавкие вставки с двойным корпусом

1 - Боек; освобождается при срабатывании (также можно применять для работающего вспомогательного оборудования)

Размеры в миллиметрах

Типовое номинальное напряжение, В

Аmax

Bnom

Cnom

Dmax

Enom

Fnom

Gmax

230

48

0,8

6,4

5,6

19

5,6

7,9

690

62

0,8

6,4

5,6

19

5,6

7,9

Рисунок 4 (IA) - Плавкие вставки-индикаторы прерывания

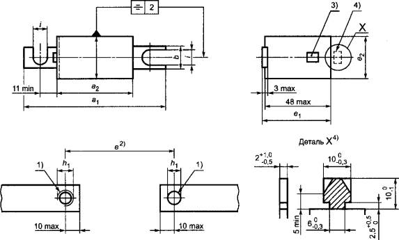
Раздел I В Плавкие вставки с болтовыми соединениями типа В

1.1 Область применения

К плавким вставкам с болтовыми соединениями, размеры которых соответствуют рисункам 1 (IB) и 2 (IB) настоящего раздела, применяют следующие дополнительные требования.

7.1 Механическая часть

Размеры плавких вставок приведены на рисунках 1 (IB) и 2 (IB).

Плавкие вставки с другими крепежными размерами, например расширенными отверстиями, продольными или поперечными пазами, должны согласовываться между изготовителем и потребителем.

7.1.7 Конструкция плавкой вставки

Если плавкие вставки предназначены для индикации, то положение индикатора должно быть согласовано между изготовителем и потребителем.

Размеры в миллиметрах

Размер корпуса

е±2

a1max

a2max

bmin

е1max

e2max

h1

000

80

105

56

20

51

21

M8

9

9

00

80

110

105

140

56

86

20

51

30

M10

11

11

1) Отверстие с резьбой или соответствующее сквозное отверстие для плоских выводов.

2) Расстояние между выводами.

3) Индикатор.

4) Ушко для сигнализирующего устройства (если требуется).

Рисунок 1 (IB) - Размеры корпусов 000 и 00

Размеры в миллиметрах

Размер корпуса

е±2

a1max

a2max

bmin

е1max

e2max

h1

0

80

110

110

150

50

80

19

45

6,5

М10

11

11

1

80

110

110

150

50

80

24

53

6,5

М10

11

11

2

80

110

110

150

50

80

24

61

6,5

М10

11

11

3

80

110

110

150

50

80

29

76

6,5

М127)

13

138)

1) Отверстие с резьбой или соответствующее сквозное отверстие для плоских выводов.

2) Расстояние между выводами.

3) Индикатор (если требуется).

4) Сигнализирующее устройство, положение А или В (если требуется).

5) Другие положения С, D и Е для ушка для сигнализирующего устройства (если требуется).

6) Зажимающие лепестки с размерами, соответствующими [1], рисунок 1(1) (если требуется).

7) Также возможно М10.

8) Размер 11 также возможен для М10.

Рисунок 2 (IB) - Размеры корпусов 0, 1, 2 и 3

Раздел I С Плавкие вставки с болтовыми соединениями типа С

1.1 Область применения

К плавким вставкам с болтовыми соединениями, размеры которых соответствуют рисунку 1 (IС), применяют следующие дополнительные требования:

Их номинальные напряжения и токи должны быть равны:

- переменное напряжение - от 130 В и ток до 1000 А включительно;

- переменное напряжение - от 250 В и ток до 800 А включительно;

- переменное напряжение - от 500 В и ток до 1200 А включительно;

- переменное напряжение - от 700 В и ток до 600 А включительно;

- переменное напряжение - от 1000 В и ток до 800 А включительно.

7.1 Механическая часть

Размеры плавких вставок приведены на рисунке 1 (IС).

Размеры в миллиметрах

Номинальное напряжение, В

Номинальный

ток, А

Аmax

Bnom

B1max

B2min

Cmax

Dmax

Emax

Fmin

Gmax

Hmax

130

65-400

69,1

52,4

57,5

45

31

29,1

5,2

22,6

8,3

11,9

450-1000

90,6

62,0

67

47,5

33,4

40,9

6,8

25,8

10,7

12,3

250

35-60

82,6

61,9

67,5

55,5

42,9

21

3,6

19,5

9,1

14,1

65-200

81,1

60,3

64

54

42,9

31,8

5,2

25,8

9,1

12,3

225-800

99,2

70,6

79

55,5

42,1

51,2

6,8

38,5

12,3

20,2

500

35-60

82,6

62,7

67,5

54

42,9

21

3,6

19,5

9,1

13,6

65-100

93,5

73,0

79

66,5

55,6

25,8

3,7

19,5

9,3

17,9

110-200

93,8

73,0

76,5

66,5

55,7

31,4

5,2

25,8

9,1

15,5

225-400

111,9

83,3

89

68

54,8

38,5

6,8

25,8

11,4

19,9

450-600

115,6

86,5

91,5

69

58

51,2

6,8

38,5

12,3

20,2

700-800

166

110,0

128

85,5

58

63,9

10,1

51,2

15,9

33,4

900-1200

178,6

127,0

140

110

84,2

77,4

11,5

60,7

17,9

30,6

700

35-60

112,6

92,1

100

72

74,6

25,8

5,2

25,8

10,7

19,8

65-100

113,6

92,1

95,5

72

74,6

31,4

5,2

25,8

10,7

18,6

110-200

131

102,4

108

72

73,8

38,5

6,8

25,8

12,3

21

225-400

131

102,4

111

73

73,8

51,2

6,8

38,5

14,7

20,2

450-600

181,6

129,4

147

81

73,9

63,9

10,1

51,2

16,3

0,4

1000

35-60

128,6

108,0

111

98

90,5

25,8

5,2

19,5

8,3

9,9

65-100

128,6

108,0

111

104

90,5

31,4

5,2

25,8

9,3

10,7

110-200

146,9

118,4

123

104

89,7

39,3

6,8

25,8

11,7

12,3

225-400

148,1

118,4

124

104

90,5

51,2

6,8

38,5

11,4

20,1

450-800

197,7

150,8

154

117

101,6

89,8

10,1

51,2

16,3

30,9

Рисунок 1 (IС) - Плавкие вставки под болты типа С

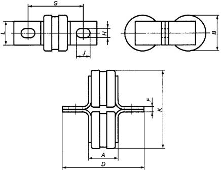
Раздел II А Плавкие вставки с потайными соединениями типа А

1.1 Область применения

К плавким вставкам с потайными соединениями, размеры которых приведены на рисунке 1 (IIА) применяют следующие дополнительные требования: номинальные токи до 5000 А включительно и номинальные напряжения до 1250 В включительно.

7.1 Механическая часть

Размеры плавкой вставки приведены на рисунке 1 (IIА).

7.1.7 Конструкция плавкой вставки

Плавкие вставки могут иметь индикаторы, их стандартные положения приведены на рисунке 1 (IIА).

1) Минимальное расстояние между монтажной поверхностью и конструктивными элементами плавкого предохранителя.

Размеры в миллиметрах

Размер корпуса

Предпочтительное максимальное номинальное напряжение, В

Предпочтительный максимальный номинальный ток, А

Lmах

Bmах

Cmin

D

Е

Резьба

Минимальная глубина

00

690

400

65

30´48

15

М8

5

0,2

01

690

630

53

45

17

М8

5

0,2

01

1000

500

77

45

17

М8

5

0,2

01

1250

400

82

45

17

М8

5

0,2

1

690

1000

53

53

19

М8

8

0,3

1

1000

800

77

53

19

М8

8

0,3

1

1250

630

82

53

19

М8

8

0,3

2

690

1600

53

61

23

М10

9

0,4

2

1000

1250

77

61

23

М10

9

0,4

2

1250

1000

82

61

23

М10

9

0,4

3

690

2500

53

76

28

М12

9

0,5

3

1000

2000

93

76

28

М12

9

0,5

3

1250

1600

99

76

28

М12

9

0,5

4 отверстия

4

690

5000

67

115

50

М10

9

2,0

4

1000

4000

89

115

50

М10

9

2,0

4

1250

3150

110

115

50

М10

9

2,0

2 отверстия

4

690

5000

94

115

50

М12

10

2,0

4

1000

4000

100

115

50

М12

10

2,0

4

1250

3150

120

115

50

М12

10

2,0

Рисунок 1 (IIА) - Плавкие вставки типа А с потайными соединениями

Раздел II В Плавкие вставки с потайными соединениями типа В

1.1 Область применения

К плавким вставкам с потайными соединениями, размеры которых приведены на рисунке 1 (IIВ), применяют следующие дополнительные требования. Их номинальные напряжения и токи равны:

- переменное напряжение от 130 или 150 В и ток до 6000 А включительно;

- переменное напряжение от 250 В и ток до 4500 А включительно;

- переменное напряжение от 600 В и ток до 2000 А включительно.

7.1 Механическая часть

Размеры плавких вставок приведены на рисунке 1 (IIВ).

Размеры в миллиметрах

Номинальное напряжение, В

Номинальный ток, А

Amах

Bmах

Cmах

Dmах

Резьба, дюймы*)

Крепящие винты

130/150

1000-2000

49,2

51,2

25,8

 

3/8ÉÉ"-24´1/2"

2

2500-3000

49,2

76,6

38,5

7

1/2"-20´1/2"

2

3500-4000

49,2

89,5

38,5

38,5

1/2"-20´1/2"

4

5000-6000

61,9

146,5

38,5

38,5

1/2"- 20´1/2"

6

250

800-1200

67,4

76,6

38,5

 

3/8ÉÉ"-24´1/2"

2

1500-2500

67,4

88,5

38,5

38,5

3/8ÉÉ"-24´1/2"

4

3000-4500

67,4

114,7

38,5

38,5

1/2"-20´1/2"

4

600

700-800

103,2

76,6

38,5

 

3/8ÉÉ"-24´1/2"

2

1000-1200

103,2

89,5

38,5

38,5

3/8ÉÉ"-24´1/2"

4

1500-2000

103,2

114,7

38,5

38,5

1/2"-20´1/2

4

* Диаметр - число витков в дюймах ´ глубину.

Рисунок 1 (IIВ) - Плавкие вставки с потайными соединениями типа В

Раздел III А Плавкие вставки с цилиндрическими контактными колпачками типа А

1.1 Область применения

К плавким вставкам с цилиндрическими колпачками, размеры которых приведены на рисунке 1 (IIIA), применяют следующие дополнительные требования. Их номинальные напряжения и токи равны:

- переменное напряжение от 130 В или 150 В и ток до 60 А, включительно;

- переменное напряжение от 600 В и ток до 30 А включительно;

- переменное напряжение от 1000 В и ток до 30 А включительно.

7.1 Механическая часть

Размеры плавких вставок приведены на рисунке 1 (IIIА).

Примечание - Размеры плавких вставок с цилиндрическими контактными колпачками приведены также в [1], раздел III: размеры 10´38, 14´51, 22´58 и раздел V.

1) Заданные допуски цилиндрической части не должны превышаться.

2) Диаметр трубки между колпачками не должен превышать диаметра С.

Размеры в миллиметрах

Максимальное номинальное напряжение, В

Максимальный номинальный ток, А

А

bmах

с

dmin

r

130/150

35-60

15,9

20,6 ± 0,175

6

2 ± 1

600

1-30

16,2

20,6-02 + 0,1

11

2 ± 1

1000

1-30

16,2

14,5 + 0,1

11

2 ± 1

Рисунок 1 (IIIA) - Плавкие вставки с цилиндрическими контактными колпачками типа А

Приложение А
(обязательное)

Сведения о соответствии национальных стандартов Российской Федерации ссылочным международным стандартам

Таблица 1

Обозначение ссылочного международного стандарта

Обозначение и наименование соответствующего национального стандарта Российской Федерации

МЭК 60269-1:2006

ГОСТ Р 50339.0-2003 Низковольтные плавкие предохранители. Часть 1. Общие требования

МЭК 60269-4:2006

ГОСТ Р 50339.4-92 Низковольтные плавкие предохранители. Часть 4. Дополнительные требования к плавким предохранителям для защиты полупроводниковых устройств

Библиография

[1] МЭК 60269-2-1:1987 Низковольтные плавкие предохранители. Часть 2-1. Дополнительные требования к плавким предохранителям промышленного назначения. Разделы 1-3

[2] МЭК 269-3-1:1994 Низковольтные плавкие предохранители. Часть 3-1. Дополнительные требования к плавким предохранителям для эксплуатации неквалифицированным персоналом (плавкие предохранители бытового и аналогичного назначения). Разделы 1-4

Ключевые слова: предохранители низковольтные плавкие, плавкие вставки, примеры стандартизованных размеров

 




ГОСТЫ, СТРОИТЕЛЬНЫЕ и ТЕХНИЧЕСКИЕ НОРМАТИВЫ.
Некоммерческая онлайн система, содержащая все Российские Госты, национальные Стандарты и нормативы.
В Системе содержится более 150000 файлов нормативно-технической документации, действующей на территории РФ.
Система предназначена для широкого круга инженерно-технических специалистов.

Рейтинг@Mail.ru Яндекс цитирования

Copyright © www.gostrf.com, 2008 - 2026