Крупнейшая бесплатная информационно-справочная система онлайн доступа к полному собранию технических нормативно-правовых актов РФ. Огромная база технических нормативов (более 150 тысяч документов) и полное собрание национальных стандартов, аутентичное официальной базе Госстандарта. GOSTRF.com - это более 1 Терабайта бесплатной технической информации для всех пользователей интернета. Все электронные копии представленных здесь документов могут распространяться без каких-либо ограничений. Поощряется распространение информации с этого сайта на любых других ресурсах. Каждый человек имеет право на неограниченный доступ к этим документам! Каждый человек имеет право на знание требований, изложенных в данных нормативно-правовых актах!

  


 

ФЕДЕРАЛЬНОЕ АГЕНТСТВО
ПО ТЕХНИЧЕСКОМУ РЕГУЛИРОВАНИЮ И МЕТРОЛОГИИ

НАЦИОНАЛЬНЫЙ
СТАНДАРТ
РОССИЙСКОЙ
ФЕДЕРАЦИИ

ГОСТ Р
52750-
2007

УСТРОЙСТВА
ЭКСТРЕННОГО
ОТКРЫВАНИЯ ДВЕРЕЙ ЭВАКУАЦИОННЫХ И АВАРИЙНЫХ ВЫХОДОВ

Технические условия

Москва

Стандартинформ

2006

Предисловие

Цели и принципы стандартизации в Российской Федерации установлены Федеральным законом от 27 декабря 2002 г. 184-ФЗ «О техническом регулировании», а правила применения национальных стандартов Российской Федерации - ГОСТ 1.0-2004 «Стандартизация в Российской Федерации. Основные положения»

Сведения о стандарте

1 РАЗРАБОТАН Учреждением - Центр по сертификации оконной и дверной техники с участием фирм «TESA» (Испания), «JPM» (Франция), «ABLOY OY» (Финляндия), «ASSA ABLOY SICHERHEREITSTECHNIK GmbH» (Германия)

2 ВНЕСЕН Техническим комитетом по стандартизации ТК 465 «Строительство»

3 УТВЕРЖДЕН И ВВЕДЕН В ДЕЙСТВИЕ Приказом Федерального агентства по техническому регулированию и метрологии от 24 сентября 2007 г. 252-ст

4 В настоящем стандарте учтены основные положения европейских стандартов ЕН 1125:1997 «Металлические изделия для строительства. Устройства экстренного выхода, приводимые в действие горизонтальной штангой. Требования и методы испытаний» (EN 1125:1997 «Building hardware - Panic exit devices operated by a horizontal bar - Requirements and test methods», (NEQ)) и EH 179:1997 «Металлические изделия для строительства. Устройства аварийного выхода, приводимые в действие ручкой или кнопкой. Требования и методы испытаний» (EN 179:1997 «Building hardware - Emergency exit devices operated by a lever handle or push pad - Requirements and test methods», (NEQ))

5 ВВЕДЕН ВПЕРВЫЕ

Содержание

1 Область применения

2 Нормативные ссылки

3 Термины и определения

4 Классификация и условные обозначения

5 Технические требования

5.1 Общие положения

5.2 Размеры и предельные отклонения

5.3 Требования к конструкции

5.4 Требования к надежности

5.5 Требования к прочности

5.6 Эксплуатационные показатели

5.7 Требования к материалам и комплектующим

5.8 Комплектность

5.9 Маркировка и упаковка

6 Правила приемки

7 Методы контроля

8 Транспортирование и хранение

9 Указания по монтажу и эксплуатации

10 Гарантии изготовителя

Приложение А (рекомендуемое) Примеры устройств «Антипаника» для дверей эвакуационных и аварийных выходов

Приложение Б (справочное) Схемы и примеры функционирования механически и электрически управляемых устройств «Антипаника» для дверей эвакуационных и аварийных выходов

Приложение В (рекомендуемое) Схемы приложения нагрузок

Введение

Настоящий национальный стандарт разработан с учетом положений Федеральных законов Российской Федерации «О техническом регулировании», «О пожарной безопасности» и других законодательных актов по вопросам безопасности и направлен на обеспечение приоритетных требований по обеспечению безопасности жизни и здоровья людей при чрезвычайных ситуациях (пожаре, взрыве, аварии и т.п.).

Настоящий стандарт устанавливает требования к устройствам экстренного открывания дверей эвакуационных и аварийных выходов общественных, производственных, жилых зданий и сооружений различного назначения в случае возникновения в них пожара или другой чрезвычайной ситуации (ЧС) с целью обеспечения эффективной эвакуации людей из здания, обеспечения их безопасности при эвакуации, снижения вероятности воздействия на людей (и материальные ценности) опасных факторов пожара или другой ЧС.

Устройства экстренного открывания дверей на путях эвакуации и дверей аварийных (запасных) выходов зданий и сооружений различного назначения должны быть включены в состав объектов защиты на стадиях проектирования, строительства и эксплуатации, а также ремонта, реконструкции или при изменении функционального назначения здания, части здания или отдельных помещений.

Применение устройств экстренного открывания дверей эвакуационных и аварийных выходов должно быть согласовано в установленном законом порядке с федеральными, региональными (местными) органами государственной противопожарной службы МЧС РФ.

Настоящий стандарт разработан с учетом требований европейских стандартов ЕН 1125:1997 и ЕН 179:1997.

Однако необходимо отметить, что в связи с особенностями российской национальной стандартизации в области строительства и требований к пожарной безопасности зданий и сооружений проводится четкое разграничение требований и функционального назначения эвакуационных и аварийных выходов. Так, аварийные выходы не учитываются при эвакуации (расчете путей эвакуации при пожаре) и рассматриваются только в целях повышения безопасности людей при пожаре.

В случае пожара или другой ЧС в общественных зданиях с массовым пребыванием людей (универсамы, универмаги, супермаркеты, торговые центры, залы ожидания и обслуживания вокзалов и аэропортов, киноконцертные, спортивно-зрелищные и т.п.) возможно возникновение паники. С целью обеспечения быстрой и безопасной эвакуации людей в этой ситуации двери эвакуационных выходов должны быть оборудованы устройствами экстренного открывания, которые приводятся в действие простым нажатием рукой или надавливанием телом на горизонтальную штангу, установленную на внутренней поверхности полотна двери эвакуационного выхода, при минимальных усилиях, без ключа или других специальных средств и предварительного ознакомления с работой устройства.

Устройство должно обеспечивать легкость открывания дверей эвакуационных выходов в темноте, в условиях задымленности, в любое время суток не только взрослыми, ной детьми, пожилыми людьми и инвалидами.

В целях дополнительной безопасности людей при возникновении пожара или другой ЧС в зданиях и сооружениях различного назначения должны быть предусмотрены аварийные (запасные) выходы, которые следует оснащать устройствами экстренного открывания для аварийных выходов.

Данные устройства также должны легко, просто и быстро открываться при нажатии рукой на ручку или кнопку, без ключа или других специальных средств, но при условии ознакомления с работой устройства.

Как правило, дверями аварийных выходов пользуется постоянный и прошедший соответствующий инструктаж персонал предприятия, организации, располагающийся в конкретном помещении, группе помещений, части здания и зданиях.

НАЦИОНАЛЬНЫЙ СТАНДАРТ РОССИЙСКОЙ ФЕДЕРАЦИИ

УСТРОЙСТВА ЭКСТРЕННОГО ОТКРЫВАНИЯ ДВЕРЕЙ ЭВАКУАЦИОННЫХ И АВАРИЙНЫХ ВЫХОДОВ

Технические условия

Panic and emergency exit devices. Specifications

Дата введения - 2008-06-01

1 Область применения

Настоящий стандарт распространяется на устройства экстренного открывания дверей эвакуационных и аварийных выходов (далее - устройства «Антипаника») общественных, производственных, жилых зданий и сооружений различного назначения с массовым пребыванием людей (торговые центры, больницы, школьные и дошкольные учреждения, залы ожидания и обслуживания вокзалов и аэропортов, киноконцертные, спортивно-зрелищные и т.п.) в случае возникновения пожара или другой чрезвычайной ситуации, с целью обеспечения безопасности и эффективной эвакуации людей, материальных ценностей, а также снижения вероятности воздействия на людей опасных факторов пожара или другой чрезвычайной ситуации.

2 Нормативные ссылки

В настоящем стандарте использованы ссылки на следующие стандарты:

ГОСТ 9.308-85 Единая система защиты от коррозии и старения. Покрытия металлические и неметаллические неорганические. Методы ускоренных коррозионных испытаний

ГОСТ 9.401-91 Единая система защиты от коррозии и старения. Покрытия лакокрасочные. Общие требования и методы ускоренных испытаний на стойкость к воздействию климатических факторов

ГОСТ 166-89 (ИСО 3599-76) Штангенциркули. Технические условия

ГОСТ 538-2001 Изделия замочные и скобяные. Общие технические условия

ГОСТ 5089-2003 (ИСО 5089-2001) Замки и защелки для дверей. Технические условия

ГОСТ 5378-88 Угломеры с нониусом. Технические условия

ГОСТ 6507-90 Микрометры. Технические условия

ГОСТ 15140-78 Материалы лакокрасочные. Методы определения адгезии

ГОСТ 15150-69 Машины, приборы и другие технические изделия. Исполнения для различных климатических районов. Категории, условия эксплуатации, хранения и транспортирования в части воздействия климатических факторов внешней среды

ГОСТ 19091-2000 Замки и защелки для дверей. Методы испытаний

ГОСТ 31173-2003 Блоки дверные стальные. Технические условия

Примечание - При пользовании настоящим стандартом целесообразно проверить действие ссылочных стандартов на территории государств по соответствующему указателю стандартов, составленному по состоянию на 1 января текущего года, и по соответствующим информационным указателям, опубликованным в текущем году. Если ссылочный стандарт заменен (изменен), то при пользовании настоящим стандартом следует руководствоваться заменяющим (измененным) стандартом. Если ссылочный стандарт отменен без замены, то положение, в котором дана ссылка на него, принимается в части, не затрагивающей эту ссылку.

3 Термины и определения

В настоящем стандарте применены термины по ГОСТ 538-2001, ГОСТ 5089-2003, ГОСТ 31173-2003 и [1], а также следующие термины с соответствующими определениями:

3.1 устройство экстренного открывания (устройство «Антипаника»): Замочное изделие, удерживающее дверь эвакуационного или аварийного выхода в закрытом (запертом) положении и обеспечивающее быстрое открывание двери нажатием рукой или телом человека на управляющий элемент (штангу, ручку и т.п.) при возникновении чрезвычайных ситуаций, расположенное на внутренней стороне полотна дверного блока.

3.2 эвакуационный выход: Выход, предназначенный для экстренного, очень быстрого покидания здания в случаях чрезвычайных ситуаций большим числом людей, как правило, незнакомых либо частично знакомых с расположением выходов и их технической оснащенностью.

3.3 аварийный (запасный) выход: Выход, предназначенный для быстрого покидания зданий, помещений в случае возникновения чрезвычайных ситуаций людьми, знакомыми с расположением выходов и их технической оснащенностью (как правило, это сотрудники, работающие или постоянно находящиеся в этом здании).

3.4 устройство экстренного открывания дверей эвакуационных выходов: Замочное изделие, позволяющее быстро открывать двери эвакуационных выходов без использования ключа путем нажатия на горизонтальную штангу, расположенную по ширине полотна дверного блока, и при отсутствии понимания того, как должна открываться дверь эвакуационного выхода.

3.5 устройство экстренного открывания дверей аварийных выходов: Замочное изделие, позволяющие максимально быстро открыть дверь аварийного выхода одним или двумя движениями с использованием фалевой ручки или нажимной планки, без применения ключей или прочих вспомогательных средств и с пониманием того, как открывается дверь аварийного выхода.

3.6 основной засов: Деталь устройства «Антипаника», служащая для фиксирования полотна дверного блока в закрытом положении посредством входа в запорную планку.

3.7 основной засов-защелка: Деталь устройства «Антипаника», служащая для фиксирования полотна дверного блока в закрытом положении посредством автоматического входа в запорную планку.

3.8 дополнительные засовы: Засовы, расположенные на концах тяг, предназначенные для дополнительного фиксирования полотна дверного блока.

3.9 запорная планка: Деталь устройства «Антипаника», имеющая отверстие для входа основного засова, засова-защелки при запирании или фиксировании полотна дверного блока в закрытом положении.

3.10 штанга: Деталь (управляющий элемент) устройства «Антипаника» для дверей эвакуационных выходов, установленная горизонтально на внутренней стороне полотна дверного блока, приводимая в действие нажатием на нее для вывода засова (засова-защелки) из запорной планки.

3.11 ручка: Деталь (управляющий элемент) устройства «Антипаника» для дверей аварийных выходов, установленная на внутренней стороне полотна дверного блока, приводимая в действие нажатием или поворотом ее для вывода засова (засова-защелки) из запорной планки.

3.12 наружное устройство доступа: Механизм устройства «Антипаника» для отпирания дверного блока с наружной стороны.

3.13 блокирующий механизм замка устройства «Антипаника» двери аварийного выхода: Механизм, находящийся в корпусе устройства «Антипаника» или в запорной планке, предназначенный для удержания основного засова в запорной планке при закрытом положении полотна дверного блока.

3.14 дополнительный блокирующий механизм: Электрически управляемый запорный меха-низм, устанавливаемый на дверном блоке дополнительно к основному засову и не связанный с ним механически. Разблокирование производится путем подачи сигнала на отпирание с последующим открыванием (например нажатием кнопки экстренного отпирания, системы контроля доступа, автоматически при срабатывании сигнализации и т.д.).

3.15 кнопка экстренного отпирания: Управляемый вручную элемент устройства «Антипаника», который разблокирует дополнительный блокирующий механизм аварийного выхода.

3.16 вертикальная тяга: Деталь устройства «Антипаника», обеспечивающая соединение механизма замка и дополнительных засовов.

3.17 автоматическое повторно-запирающее устройство: Устройство, обеспечивающее автоматический перевод устройства «Антипаника» в положение «закрыто» после экстренного открывания дверного блока.

3.18 дверной блок однопольный: Конструкция, состоящая из коробки, жестко закрепленной в дверном проеме с навешенным на петли дверным полотном и запирающими приборами.

3.19 дверной блок двупольный: Конструкция, состоящая из коробки, жестко закрепленной в дверном проеме с навешенными на петли двумя дверными полотнами и запирающими приборами.

3.20 активное полотно: Полотно двупольного (распашного) дверного блока, которое открывается первым и последним закрывается.

3.21 неактивное полотно: Полотно двупольного (распашного) дверного блока, которое открывается последним и первым закрывается.

3.22 внутренняя сторона полотна дверного блока: Поверхность полотна дверного блока, на которой устанавливают устройство «Антипаника».

3.23 наружная сторона полотна дверного блока: Поверхность полотна дверного блока, на которой устанавливают наружное устройство доступа.

4 Классификация и условные обозначения

4.1 Устройства «Антипаника» подразделяют по:

- назначению (номер классификационного признака - 1) с обозначением:

для дверей эвакуационных выходов - Э,

для дверей аварийных выходов - А;

- типу управляющего элемента (номер классификационного признака - 2) с обозначением:

тип А - А,

тип В - В.

Примечание - Типы устройств «Антипаника» и их управляющих элементов приведены на рисунках 1-4.

- способу установки надверной блок(номер классификационного признака - 3) с обозначением:

накладные - Н,

врезные - В;

- конструкции (номер классификационного признака - 4) с обозначением:

с тягами - 1,

без тяг - 0;

- числу полотен дверного блока (номер классификационного признака - 5) с обозначением:

для однопольного - 1,

для двупольного -2;

- массе полотна дверного блока (номер классификационного признака - 6) с обозначением:

до 100 кг включительно - 1,

свыше 100 кг - 2;

- коррозионной стойкости (номер классификационного признака -7) с обозначением:

для внутренних дверных блоков - Вд,

для наружных дверных блоков - Нд;

- наличию дополнительной системы безопасности (номер классификационного признака - 8) с обозначением:

при наличии - 1,

при отсутствии - 0;

- классу замка (номер классификационного признака - 9) с обозначением для:

класса 2 - 2,

класса 3 - 3,

класса 4 - 4.

4.2 Типы устройств «Антипаника»

4.2.1 Типы устройств «Антипаника» для дверей эвакуационных выходов представлены на рисунках 1 и 2.

Рисунок 1 - Общий вид устройства «Антипаника» для дверей эвакуационных выходов со штангой нажимного типа (тип А)

Рисунок 2 - Общий вид устройства «Антипаника» для дверей эвакуационных выходов со штангой-рейкой (тип В)

4.2.2 Типы устройств «Антипаника» для дверей аварийных выходов представлены на рисунках 3 и 4.

Рисунок 3 - Общий вид устройства «Антипаника» для дверей аварийных выходов с поворотной ручкой (тип А)

Рисунок 4 - Общий вид устройства «Антипаника» для дверей аварийных выходов с нажимной ручкой или пластиной (тип В)

4.3 Условное обозначение устройства «Антипаника»

Условное обозначение устройства «Антипаника» состоит из наименования изделия «Устройство сАнтипаника», цифровых и буквенных обозначений, установленных в 4.1, и обозначения настоящего стандарта.

Структура условного обозначения устройств «Антипаника» представлена в таблице 1.

Таблица 1 - Структура условного обозначения устройств «Антипаника»

Номер классификационного признака

1

2

3

4

5

6

7

8

9

Буквенное (цифровое) обозначение

Э; А

А; В

Н; В

1; 0

1; 2

1; 2

Вд; Нд

1; 0

2; 3; 4

Пример условного обозначения устройства «Антипаника» накладного типа А, без тяг для однопольной внутренней двери эвакуационных выходов массой 80 кг, без дополнительной системы безопасности, класс замка 2:

Устройство «Антипаника»

Э

А

Н

0

1

1

ВД

0

2

ГОСТ Р 52750-2007

При экспортно-импортных поставках допускается применять обозначения изделий, принятые у поставщика и оговоренные в договоре (контракте).

4.4 Примеры устройств «Антипаника» для дверей эвакуационных и аварийных выходов приведены в приложении А.

4.5 Устройства «Антипаника» могут быть использованы в различных климатических зонах в соответствии с нормами строительной климатологии. Исполнение, категории, условия эксплуатации, хранения и транспортирования устройств «Антипаника» в части воздействия климатических факторов должны соответствовать требованиям ГОСТ 15150-69.

5 Технические требования

5.1 Общие положения

5.1.1 Устройства «Антипаника» должны соответствовать требованиям ГОСТ 538-2001, ГОСТ 5089-2003, настоящего стандарта/стандартов организаций и изготавливаться по конструкторской и технологической документации на изделия конкретного типа.

5.1.2 Устройства «Антипаника», изготавливаемые в соответствии с требованиями настоящего стандарта, могут устанавливаться на полотна дверного блока, масса которых не превышает 200 кг, высота - 2500 мм и ширина - 1300 мм, всегда открывающиеся по ходу эвакуации (движения из здания).

5.1.3 При установке устройств «Антипаника» на противопожарных дверях класс огнестойкости устройств «Антипаника» должен быть не ниже класса огнестойкости противопожарной двери.

5.1.4 Устройства «Антипаника» должны быть надежными и безопасными в эксплуатации, обеспечивать быстрое открывание дверей эвакуационных и аварийных выходов для экстренного выхода из помещения.

5.1.5 В случае если устройства «Антипаника» имеют устройства внешнего доступа (т.е. механизмы, обеспечивающие отпирание и запирание дверных блоков с внешней стороны), это не должно влиять на беспрепятственное отпирание дверного блока с внутренней стороны одним движением для эвакуационного выхода и двумя движениями для аварийного выхода, несмотря на то, является ли устройство внешнего доступа запертым или незапертым. О наличии устройства внешнего доступа должно быть указано в спецификации изготовителя.

5.1.6 Внешний вид устройств «Антипаника»: цвет, допустимые дефекты поверхности (риски, царапины и др.) должен соответствовать образцам-эталонам, утвержденным в установленном порядке. Острые углы и кромки не допускаются. Выступающие углы и грани должны быть притуплены.

5.1.7 Устройства «Антипаника» должны быть укомплектованы инструкцией по монтажу и эксплуатации, в которой должно быть указано:

- об ограничении размеров полотен дверных блоков;

- о возможности отпирания дверных блоков изнутри одним или двумя движениями без использования ключа и других механизмов в любое время и в любых обстоятельствах;

- о недопустимости внесения изменений в данную конструкцию во время эксплуатации;

- о недопустимости применения различных способов блокирования (препятствия) нормальной работы штанг, ручек и др.

5.1.8 Устройства «Антипаника» для дверей эвакуационных и аварийных выходов для обеспечения безопасности и повышения степени защищенности могут комплектоваться дополнительными элементами и системами управления и контроля (системами видеонаблюдения, электронными, кодовыми, управления доступа и др.), не влияющими на выполнение основных требований к устройствам «Антипаника».

Схемы и примеры функционирования механически и электрически управляемых устройств «Антипаника» для дверей эвакуационных и аварийных выходов приведены в приложении Б.

5.2 Размеры и предельные отклонения

5.2.1 Размеры изделий устанавливают в рабочих чертежах, а контролируемые размеры - в технологической документации предприятия-изготовителя. Предельные отклонения сопрягаемых и несопрягаемых размеров - по ГОСТ 538-2001.

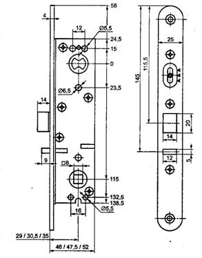
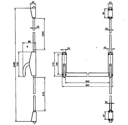
5.2.2 Основные размеры деталей, элементов, узлов устройства «Антипаника» для дверей эвакуационных выходов показаны на рисунках 5 и 6.

а) Устройство типа А

б) Устройство типа В

X - оптимальная длина штанги; Y - ширина полотна дверного блока в закрытом положении; Z - расстояние от штанги до коробки дверного блока

Рисунок 5 - Габаритные и присоединительные размеры устройств «Антипаника» для дверей эвакуационных выходов

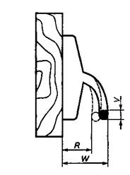
а) Устройство типа А

а) Устройство типа В

W- максимальный размер устройства (в плане); V- высота рабочей поверхности штанги, штанги-рейки; U - габаритный размер устройства по высоте; R - минимальное расстояние между поверхностью штанги в полностью нажатом положении и поверхностью полотна дверного блока; S - минимальный размер устройства при нажатой штанге-рейке от поверхности полотна дверного блока (в плане); Т - минимальный размер штанги-рейки в нажатом положении от корпуса устройства (в плане)

Рисунок 6 - Габаритные и присоединительные размеры устройств «Антипаника» для дверей эвакуационных выходов (в плане)

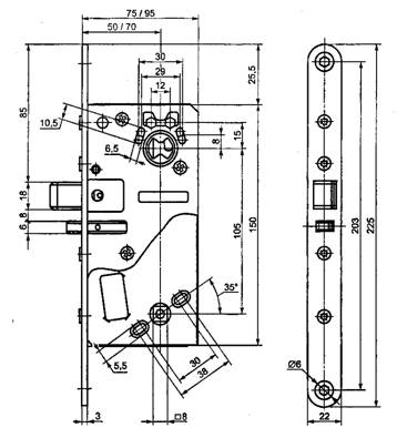
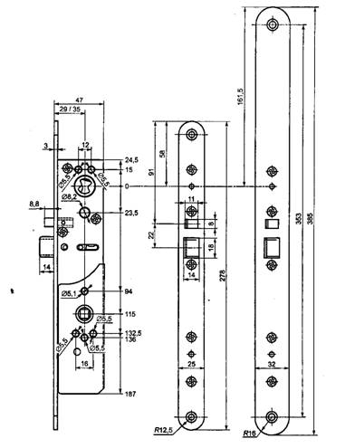
5.2.3 Основные размеры устройств «Антипаника» для дверей аварийных выходов показаны на рисунках 7 - 9.

С - минимальное расстояние между ручкой и поверхностью полотна дверного блока; W- максимальный размер устройства (в плане); Y- минимальная длина ручки; Z - минимальное расстояние до края полотна дверного блока

Рисунок 7 - Устройство «Антипаника» для дверей аварийных выходов типа А

R - минимальное расстояние между ручкой в нажатом состоянии и поверхностью полотна дверного блока; W - максимальный размер устройства (в плане); Z - минимальное расстояние до края полотна дверного блока

Рисунок 8 - Устройство «Антипаника» для дверей аварийных выходов типа В

а) Устройство типа А

б) Устройство типа В

V-ширина поворотной (нажимной) ручки

Рисунок 9 - Ручка (управляющий элемент) устройства «Антипаника» для дверей аварийных выходов

5.3 Требования к конструкции

5.3.1 Конструкция устройств «Антипаника» должна быть прочной, надежной и обеспечивать возможность ее ремонта и замены.

5.3.2 Конструкция устройств «Антипаника» должна обеспечивать их надежное крепление к полотнам и коробкам дверных блоков.

Расположение и размеры отверстий для установки устройств «Антипаника» указываются в рабочих чертежах на конкретные типы устройств.

5.3.3 Конструкция устройств должна обеспечивать зазор не менее 25 мм между управляющим элементом в нажатом положении и поверхностью полотна дверного блока.

5.3.4 Требования к конструкции устройств «Антипаника» для дверей эвакуационных выходов

5.3.4.1 Конструкция устройств «Антипаника» должна обеспечивать открывание полотна дверного блока в течение не более 1 с от момента, когда управляющий элемент достиг своего полностью нажатого положения.

5.3.4.2 Конструкция устройств должна позволять установку элементов и узлов устройства, кроме управляющего элемента, либо на внутренней поверхности полотна, либо внутри полотна дверного блока.

5.3.4.3 Оптимальная длина штанги (см. рисунок 5, размер X) должна составлять не менее 60 % ширины полотна дверного блока в закрытом положении (см. рисунок 5, размер Y).

5.3.4.4 Штангу (управляющий элемент) следует устанавливать на внутренней стороне дверного полотна так, чтобы значение размера Z (см. рисунок 5) было не менее 150 мм при закрытом положении полотна дверного блока.

5.3.4.5 Штанга (управляющий элемент) не должна выступать за кронштейны, на которых она крепится.

5.3.4.6 Высота рабочей поверхности штанги, штанги-рейки (см. рисунок 6, размер V) должна быть не менее 18 мм.

5.3.4.7 Выступание поверхности штанги-рейки за габариты корпуса устройства в плане (см. рисунок 6, размер Z) должно быть не менее 3 мм, а значение размера S (см. рисунок 6) должно быть не менее 25 мм.

5.3.4.8 В устройствах «Антипаника», предназначенных для дверей эвакуационных выходов, следует применять замки не ниже 2 класса по ГОСТ 5089-2003.

5.3.5 Требования к конструкции устройств «Антипаника» для дверей аварийных выходов

5.3.5.1 Конструкция устройств «Антипаника» должна обеспечивать отпирание и открывание двери аварийного выхода с внутренней стороны в течение не более 1 с путем одной либо двух ручных операций без применения ключа.

Независимо от применения любых дополнительных средств запирания, управляющий элемент (ручка или пластина) должен давать возможность открывания дверного блока с внутренней стороны в любое время.

5.3.5.2 Управляющий элемент (ручка) устройства «Антипаника» типа А при выведении основного засова из запорной планки должен (на) перемещаться вниз по дуге (см. рисунок 7).

5.3.5.3 Воздействие рукой на управляющий элемент (ручку нажимного типа) устройства сАнтипаника» для отпирания и открывания дверного блока производят по направлению выхода (см. рисунок 8).

5.3.5.4 Конструкция устройств «Антипаника» для дверей аварийных выходов должна предусматривать автоматическое возвращение в исходное положение «заперто» после выполнения цикла «открывание - закрывание» дверного блока.

5.3.5.5 Устройство должно быть сконструировано так, чтобы управляющий элемент (ручка) мог быть установлен (на) на расстоянии не более 150 мм от кромки полотна дверного блока (см. рисунок 7 и рисунок 8, размер Z).

5.3.5.6 Минимальный размер ручки должен быть 120 мм (см. рисунок 7, размер Y).

5.3.5.7 Ширина управляющего элемента должна быть не менее 18 мм (см. рисунок 9, размер V).

5.3.5.8 В устройствах «Антипаника», предназначенных для дверей аварийных выходов, следует применять замки не ниже 3 класса по ГОСТ 5089-2003.

5.3.5.9 Для обеспечения дополнительной системы безопасности и увеличения степени защищенности материальных ценностей рекомендуется применять электромеханические запорные устройства, электронные устройства управления и контроля, которые могут быть интегрированы в общую систему оповещения, автоматической блокировки либо разблокировки дверей аварийных выходов. Данные устройства должны изготовляться по нормативным документам (НД), утвержденным в установленном порядке. При этом требования к качеству и безопасности использования устройств должны подтверждаться результатами их испытаний и сертификатами соответствия требованиям НД.

Электрические системы, дополняющие механическое оборудование устройств «Антипаника», должны обеспечивать разблокирование и последующее открывание полотна дверного блока механически изнутри помещения в любое время.

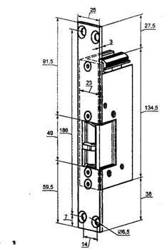
Пример минимального комплекта электрической системы устройств «Антипаника» для двери аварийного выхода состоит, в общем виде, из основного (механического или электромеханического) замкового устройства, дополнительного электромеханического блокирующего механизма, кнопки экстренного отпирания, блока управления и контроля, представленных на рисунке 10.

1-основное замковое устройство «Антипаника», удерживающее дверь в закрытом состоянии; 2-дополнительный электромеханический блокирующий механизм, разблокируется только электрическим сигналом; 3-кнопка экстренного отпирания элемента 2; 4-блок управления и контроля

Рисунок 10 - Пример минимального комплекта электрической системы устройств «Антипаника» для двери аварийного выхода

Дополнительный блокирующий механизм должен разблокироваться без какой-либо задержки (при пропадании питания или нажатии на кнопку экстренного отпирания) и тем самым давать возможность открыть полотно дверного блока вручную.

5.3.5.10 При сохранении основной задачи обеспечения эффективной и безопасной эвакуации электрические системы, дополняющие механическое оборудование устройств «Антипаника», имеют следующие возможности:

- информацию о состоянии дверного блока в режиме реального времени;

- совместимость сдатчиками и системой пожарной или охранной сигнализации;

- безопасность - при отключении питания дверной блок должен быть немедленно разблокирован, оставаясь при этом запертым для проникновения снаружи.

5.4 Требования к надежности

5.4.1 Устройства «Антипаника» для дверей эвакуационных выходов должны выдерживать при испытании на безотказность не менее 200000 циклов «открывание - закрывание» дверного блока.

5.4.2 Устройства «Антипаника» для дверей аварийных выходов должны выдерживать при испытании на безотказность не менее 100000 циклов «открывание - закрывание» дверного блока.

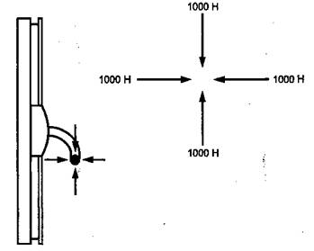
5.5 Требования к прочности

5.5.1 Вертикальные тяги устройства «Антипаника» должны выдерживать статическую нагрузку 500 Н, приложенную в середине тяги перпендикулярно к плоскости полотна дверного блока в соответствии с приложением В, рисунок В.1.

5.5.2 Штанга устройства «Антипаника» для дверей эвакуационных выходов должна выдерживать нагрузку 1000 Н, приложенную к штанге, в соответствии с приложением В, рисунок В.2.

5.5.3 Ручка устройства «Антипаника» для дверей аварийных выходов (тип А) должна выдерживать нагрузки 1000 и 500 Н, приложенные в соответствии с приложением В, рисунок В.3.

5.5.4 Ручка устройства «Антипаника» для дверей аварийных выходов должна выдерживать нагрузку 1000 Н, приложенную в соответствии с приложением В, рисунок В.4.

5.5.5 Усилие, необходимое для открывания двери аварийного выхода после разблокирования дополнительного блокирующего механизма, не должно превышать 50 Н.

Дополнительный блокирующий механизм должен быть прочным и выдерживать усилие не менее 2000 Н.

5.6 Эксплуатационные показатели

5.6.1 Усилие, необходимое для вывода засова (засова-защелки) из запорной планки, прикладываемое к штанге (штанге-рейке) устройства «Антипаника» для дверей эвакуационных выходов, не должно превышать 80 Н (см. приложением В, рисунок В.5).

5.6.2 Усилие, необходимое для вывода засова (засова-защелки) из запорной планки, прикладываемое к ручке устройства «Антипаника» для дверей аварийных выходов (тип А), не должно превышать 70 Н (см. приложением В, рисунок В.6).

5.6.3 Усилие, необходимое для вывода засова (засова-защелки) из запорной планки, прикладываемое к ручке устройства «Антипаника» для дверей аварийных выходов (тип В), не должно превышать 150 Н (см. приложением В, рисунок В.6).

5.6.4 Усилие, необходимое для вывода засова (засова-защелки) из запорной планки, прикладываемое к штанге (штанге-рейке) устройства «Антипаника» для двери эвакуационного выхода, находящейся под давлением 1000 Н, не должно превышать 220 Н (см. приложением В, рисунок В.7).

5.6.5 Усилие, необходимое для повторного закрытия двери эвакуационного (аварийного) выхода при наличии в устройстве «Антипаника» автоматического повторно-запирающего устройства, не должно превышать 50 Н.

5.7 Требования к материалам и комплектующим

5.7.1 Для изготовления устройств «Антипаника» должны применяться материалы (металлы, сплавы, синтетические и полимерные изделия и т.п.), изготавливаемые по НД, утвержденным в установленном порядке.

5.7.2 Материалы, применяемые для изготовления устройств «Антипаника», и комплектующие к ним должны быть стойкими к климатическим воздействиям, иметь необходимое защитное и защитно-декоративное покрытие.

5.7.3 Требования к защитным и защитно-декоративным покрытиям - по ГОСТ 538-2001.

5.7.4 Покрытия изделий должны быть коррозионно-стойкими.

5.7.4.1 Устройства «Антипаника» для внутренних дверных блоков испытывают на коррозионную стойкость в течение 96 ч. После испытаний должна быть сохранена работоспособность изделий.

5.7.4.2 Устройства «Антипаника» для наружных дверных блоков испытывают на коррозионную стойкость в течение 240 ч. После испытаний должна быть сохранена работоспособность изделий.

5.7.4.3 Крепление устройств «Антипаника» и их элементов к полотнам и коробкам дверных блоков следует производить самонарезающими винтами (шурупами), имеющими антикоррозионное покрытие.

5.8 Комплектность

5.8.1 Устройства «Антипаника» должны поставляться потребителю комплектно в соответствии с конструкторской документацией.

Рекомендуется включать в комплект поставки по согласованию с заказчиком шаблоны для установки элементов устройства.

5.8.2 К каждой партии устройств «Антипаника» должна прикладываться инструкция по монтажу, эксплуатации и техническому обслуживанию.

5.9 Маркировка и упаковка

Маркировка и упаковка устройств «Антипаника» - по ГОСТ 538-2001. Дополнительные требования к маркировке и упаковке при необходимости могут быть установлены в договоре на поставку.

6 Правила приемки

6.1 Приемку устройств «Антипаника» осуществляют в соответствии с требованиями настоящего стандарта, ГОСТ 538-2001 и ГОСТ 5089-2003.

Устройства «Антипаника» принимают партиями. При приемке на предприятии-изготовителе партией считают число устройств «Антипаника» одного наименования, изготовленных в пределах одной смены и оформленных одним документом о качестве. Партией считают также число устройств «Антипаника» одного конструктивного типа, изготовленных по одному заказу.

6.2 Качество устройств «Антипаника» на соответствие требованиям настоящего стандарта подтверждают:

- входным контролем материалов и комплектующих деталей;

- операционным производственным контролем;

- приемочным контролем;

- периодическими и сертификационными испытаниями;

- типовыми и квалификационными испытаниями.

6.3 Порядок проведения входного и операционного производственного контроля на рабочих местах устанавливают в технологической документации на устройства «Антипаника».

6.4 Приемочный контроль качества готовой продукции и периодические испытания проводят в соответствии с таблицей 2. План и порядок проведения приемочного контроля - по ГОСТ 538-2001.

Таблица 2 - План и порядок проведения приемочного контроля

Наименование показателя

Номер пункта требований настоящего стандарта

Вид испытаний

Периодичность (не реже)

1 Приемочный контроль

2 Периодические испытания

Внешний вид

5.1.1, 5.1.6

+

+

Для вида испытаний:

1 - каждая партия;

2 - один раз в два года

Размеры, отклонение контролируемых размеров

5.2

+

+

Для вида испытаний:

1 - каждая партия;

2 - один раз в два года

Комплектность, маркировка, упаковка

5.8

+

+

Для вида испытаний:

1 - каждая партия;

2 - один раз в два года

5.9

+

+

Надежность (безотказность), сопротивление нагрузкам, эксплуатационные показатели

5.4, 5.5, 5.6

-

+

Для вида испытаний: 2 - один раз в два года

Коррозионная стойкость

5.7.4

-

+

Для вида испытаний:

2 - один раз в два года

6.5 Периодические испытания

6.5.1 Периодические испытания устройств «Антипаника» проводят один раз в два года. Испытания проводят на двух образцах, прошедших приемочный контроль.

На одном из образцов проводят испытания на безотказность, сопротивление статическим нагрузкам и оценку эргономических показателей. Второй образец используют для проведения испытаний коррозионной стойкости.

6.5.2 В случае отрицательного результата испытаний хотя бы по одному показателю хотя бы одного образца проводят повторные испытания удвоенного числа образцов по показателю, имевшему отрицательный результат.

6.5.3 При неудовлетворительных результатах повторных испытаний считают, что образцы не выдержали периодических испытаний.

6.6 Сертификационные испытания устройств «Антипаника» рекомендуется проводить в объеме периодических испытаний.

6.7 Типовые испытания устройств «Антипаника» проводят после внесения изменений в конструкцию, материалы или технологию изготовления для оценки эффективности и целесообразности внесенных изменений.

Объем типовых испытаний определяют характером внесенных изменений.

Типовым испытаниям подвергают устройства «Антипаника», прошедшие приемочный контроль.

6.8 Квалификационные испытания устройств «Антипаника» проводят по всем показателям при постановке продукции на производство.

6.9 Сертификационные и периодические испытания проводят в испытательных центрах (лабораториях), аккредитованных на право проведения испытаний устройств «Антипаника».

6.10 Каждая партия устройств «Антипаника» должна сопровождаться документом о качестве.

6.11 Приемка устройств «Антипаника» потребителем не освобождает изготовителя от ответственности при обнаружении скрытых дефектов, приведших к нарушению эксплуатационных характеристик устройств «Антипаника» в течение гарантийного срока.

7 Методы контроля

7.1 Соответствие материалов и комплектующих изделий устройств «Антипаника» требованиям НД устанавливают сравнением показателей сопроводительных документов с требованиями НД на материалы и комплектующие изделия.

7.2 Размеры устройств «Антипаника» и предельные отклонения определяют штангенциркулем по ГОСТ 166-89, микрометром по ГОСТ 6507-90, угломером по ГОСТ 5378-88, а также используют программные методы контроля технологического процесса предприятий-изготовителей.

7.3 Внешний вид устройств «Антипаника», комплектность, наличие маркировки, упаковку проверяют визуально на соответствие требованиям настоящего стандарта, ГОСТ 5089-2003, конструкторской документации и образцу-эталону.

7.4 Качество покрытий проверяют по ГОСТ 538-2001, адгезию - по ГОСТ 15140-78, коррозионную стойкость покрытий - по ГОСТ 9.308-85 и ГОСТ 9.401-91.

7.5 Испытания устройств «Антипаника» на безотказность, сопротивление статическим нагрузкам и эксплуатационным показателям

7.5.1 Требования к испытательному оборудованию

Стенды для испытаний устройств «Антипаника» должны быть укомплектованы дверным блоком с полотном высотой 2100 мм, шириной 1100 мм.

На полотне дверного блока должна быть предусмотрена возможность прикрепления груза для увеличения массы полотна до 100 или 200 кг. Размеры каждого полотна двупольного дверного блока должны быть: по высоте - 2100 мм, ширине - 1100 мм; масса каждого полотна должна быть 100 или 200 кг.

Дверной блок должен быть закреплен так, чтобы любая деформация, возникшая во время проведения испытаний, не влияла на работоспособность установленного устройства «Антипаника».

Установка и закрепление устройства «Антипаника» на дверном блоке должны осуществляться в положении, соответствующем условиям эксплуатации и исключающем его перемещение при испытаниях.

Погрешность измерений при испытаниях не должна превышать ± 2 %.

Стенд для испытаний на безотказность должен предусматривать подсчет числа циклов наработки и автоматическое прекращение испытания при наступлении отказа.

7.5.2 Подготовка к испытаниям

7.5.3 Перед испытаниями устройства «Антипаника» подвергают визуальному осмотру и проверке работоспособности.

7.5.4 Если изготовитель рекомендует периодическое смазывание деталей устройства «Антипаника», то смазывание следует производить через каждые 20000 циклов наработки.

7.5.3 Проведение испытаний

7.5.3.1 Испытания устройств «Антипаника» на безотказность

Цикл испытания предусматривает открывание полотна дверного блока на угол 5° - 10е приведением в действие управляющего элемента (штанги, ручки и т.п.) в его средней точке и возвращение испытуемого полотна дверного блока в закрытое положение в течение 3 - 6 с.

7.5.3.2 Испытание по 5.5.1 проводят на дверном блоке в закрытом положении, прикладывая тянущую силу 500 Н перпендикулярно к поверхности полотна дверного блока в средней точке вертикальной тяги (см. приложение В, рисунок В.1).

7.5.3.3 Испытание по 5.5.2 проводят на дверном блоке в закрытом положении, прикладывая нагрузку в 1 000 Н последовательно в каждом из четырех направлений в трех точках вдоль штанги (в средней точке и точках на расстоянии 25 мм от концов штанги) в соответствии с приложением В, рисунок В.2.

7.5.3.4 Испытания по 5.5.3 проводят на дверном блоке в закрытом положении, прикладывая тянущую силу 1000 Н перпендикулярно к поверхности полотна на расстоянии 25 мм от свободного конца ручки, выдерживают в течение не менее 1 мин, снимают эту нагрузку и затем прикладывают последовательно силу 500 Н параллельно поверхности полотна на расстоянии 25 мм от свободного конца ручки в обоих направлениях (см. приложение В, рисунок В.3).

7.5.3.5 Испытание по 5.5.4 проводят на дверном блоке в закрытом положении, прикладывая последовательно к ручке силу 1000 Н в шести направлениях (четыре параллельно и два перпендикулярно к поверхности полотна дверного блока), в соответствии с приложением В, рисунок В.4.

7.5.3.6 Испытание по 5.6.1 проводят на дверном блоке в закрытом положении. Усилие прикладывают последовательно в средней точке и в точках на расстоянии 25 мм от концов штанги в соответствии с приложением В, рисунок В.5. Нагрузку при испытании следует прикладывать постепенно со средней скоростью 20 Н/с, начиная с нагрузки 30 Н до требуемого значения. Испытание проводят трижды.

7.5.3.7 Испытания по 5.6.2 и 5.6.3 проводят на дверном блоке в закрытом положении. Усилие прикладывают непосредственно к управляющему элементу трижды в соответствии с приложением В, рисунок В.6.

7.5.3.8 Испытание по 5.6.4 проводят на дверном блоке в закрытом положении, находящемся под давлением 1000 Н. Усилие прикладывают последовательно в средней точке и в точках на расстоянии 25 мм от концов штанги в соответствии с приложением В, рисунок В.7. Испытание повторяют трижды.

7.5.3.9 При испытании по 5.6.5 к дверному блоку, открытому на угол 5°, прикладывают силу 50 Н перпендикулярно к поверхности полотна дверного блока, с тем чтобы привести в закрытое положение дверной блок с устройством «Антипаника».

Примечание - Испытание проводят только для устройств «Антипаника» с автоматическим повторно-запирающим устройством.

7.6 Испытания замков и защелок на безотказность, прочность, эксплуатационные усилия проводят по ГОСТ 19091-2000.

7.7 Оценка результатов испытаний

После проведения испытаний устройства «Антипаника» должны сохранять работоспособность. Значения эксплуатационных показателей не должны превышать установленных в настоящем стандарте (см. 5.6).

8 Транспортирование и хранение

8.1 Устройства «Антипаника» перевозят всеми видами транспорта в соответствии с правилами перевозки грузов, действующими на транспорте конкретного вида.

8.2 При хранении и транспортировании устройства «Антипаника» защищают от воздействия атмосферных осадков и предохраняют от механических повреждений.

8.3 Условия хранения устройств «Антипаника» - по группе 2 ГОСТ 15150-69.

9 Указания по монтажу и эксплуатации

9.1 Монтаж устройств «Антипаника» следует производить в соответствии с инструкцией по монтажу, входящей в комплект поставки.

Монтаж устройств «Антипаника» следует производить с применением специальных шаблонов.

Двери эвакуационных выходов всегда открываются по ходу эвакуации и должны быть снабжены замочными устройствами «Антипаника», т.е. открывающимися без ключа и других механизмов путем нажатия на штангу, расположенную по ширине полотна дверного блока, либо на штангу-рейку.

Эвакуационные выходы располагаются на каждом этаже здания на путях эвакуации через лестничные марши, коридоры и т.д.

Входные дверные блоки в здания, помещения, снабженные устройством «Антипаника», также могут рассматриваться как эвакуационные.

Двери аварийных выходов всегда открываются по ходу движения из здания и должны быть заперты на механические, электромеханические, электронные и другие замочные изделия. Отпирание таких дверей должно быть обеспечено так, чтобы изнутри дверь могла быть разблокирована руками за два действия без применения ключей или прочих вспомогательных средств. Электрически заблокированный дверной блок должен открываться нажатием кнопки экстренного отпирания, находящейся в непосредственной близости от дверного блока на видном месте, и механически, путем нажатия на ручку или пластину замочного устройства «Антипаника».

9.2 Смазку и регулировку устройств «Антипаника» в процессе эксплуатации при необходимости производят в соответствии с инструкцией по эксплуатации, входящей в комплект поставки.

9.3 Эксплуатирующие организации должны обеспечивать обследование качества работы устройств «Антипаника» либо заключать договоры по сервисному обслуживанию.

10 Гарантии изготовителя

10.1 Предприятие-изготовитель гарантирует соответствие устройств «Антипаника» требованиям настоящего стандарта при условии соблюдения потребителем правил транспортирования, хранения, монтажа и эксплуатации.

10.2 Гарантийный срок устройств «Антипаника» - не менее 24 мес со дня ввода в эксплуатацию.

Приложение А
(рекомендуемое)
Примеры устройств «Антипаника» для дверей эвакуационных и аварийных выходов

Рисунок А.1 - Примеры устройства «Антипаника», управляемого штангой для дверей эвакуационных выходов

Рисунок А.2 – Пример устройства «Антипаника», управляемого штангой-рейкой для дверей эвакуационных выходов

Рисунок А.3 – Пример устройства «Антипаника», управляемого штангой с запиранием дверей эвакуационных выходов в трех точках.

Рисунок А.4 - Пример замка электромеханического безключевого устройства «Антипаника» для дверей эвакуационных выходов

Рисунок А.5 - Пример замка электромеханического безключевого устройства «Антипаника» для дверей эвакуационных выходов

Рисунок А.6 - Пример замка электромеханического устройства «Антипаника» для дверей аварийных выходов

Рисунок А.7 - Пример запорной планки с блокирующим устройством электромеханического замка устройства «Антипаника» для дверей аварийных выходов

Приложение Б
(справочное)
Схемы и примеры функционирования механически и электрически управляемых устройств «Антипаника» для дверей эвакуационных и аварийных выходов

Рисунок Б.1 - Схема функционирования электрически управляемого устройства «Антипаника» для дверей эвакуационных и аварийных выходов

Рисунок Б.2 - Пример схемы функционирования электрически управляемого устройства «Антипаника» с расширенными функциональными возможностями для дверей эвакуационных и аварийных выходов

Рисунок Б.3 - Пример механически управляемого устройства «Антипаника» для дверей аварийных выходов

Рисунок Б.4 - Пример электрически контролируемого устройства «Антипаника» для дверей эвакуационных выходов

Рисунок Б.5 - Пример электрически управляемого устройства «Антипаника» для дверей аварийных выходов

Приложение В
(рекомендуемое)
Схемы приложения нагрузок

Рисунок В.1 - Схема приложения статической нагрузки к тягам устройства «Антипаника» для дверей эвакуационных и аварийных выходов

Рисунок В.2 - Схема приложения статических нагрузок к штанге устройства «Антипаника» (тип А) для дверей эвакуационных выходов

Рисунок В.3 - Схема приложения статических нагрузок к ручке устройства «Антипаника» (тип А) для дверей аварийных выходов

Рисунок В.4 - Схема приложения статических нагрузок к ручке устройства «Антипаника» (тип В) для дверей аварийных выходов

Рисунок В.5 - Схема приложения усилия для вывода засова из запорной планки устройства «Антипаника» для дверей эвакуационных выходов

а) Устройство типа А

а) Устройство типа В

Рисунок В.6 - Схемы приложения усилия к ручке для вывода засова из запорной планки устройства «Антипаника» для дверей аварийных выходов

Рисунок В.7 - Схема приложения усилия к штанге для вывода засова из запорной планки устройства «Антипаника» для дверей эвакуационных выходов (дверь находится под давлением)

Библиография

[1] СНиП 21-01-97 Пожарная безопасность зданий и сооружений.

Ключевые слова: устройство экстренного открывания, эвакуационный (аварийный) выход, основной засов, запорная планка, штанга, ручка, вертикальная тяга, блокирующий механизм

 




ГОСТЫ, СТРОИТЕЛЬНЫЕ и ТЕХНИЧЕСКИЕ НОРМАТИВЫ.
Некоммерческая онлайн система, содержащая все Российские Госты, национальные Стандарты и нормативы.
В Системе содержится более 150000 файлов нормативно-технической документации, действующей на территории РФ.
Система предназначена для широкого круга инженерно-технических специалистов.

Рейтинг@Mail.ru Яндекс цитирования

Copyright © www.gostrf.com, 2008 - 2026