Крупнейшая бесплатная информационно-справочная система онлайн доступа к полному собранию технических нормативно-правовых актов РФ. Огромная база технических нормативов (более 150 тысяч документов) и полное собрание национальных стандартов, аутентичное официальной базе Госстандарта. GOSTRF.com - это более 1 Терабайта бесплатной технической информации для всех пользователей интернета. Все электронные копии представленных здесь документов могут распространяться без каких-либо ограничений. Поощряется распространение информации с этого сайта на любых других ресурсах. Каждый человек имеет право на неограниченный доступ к этим документам! Каждый человек имеет право на знание требований, изложенных в данных нормативно-правовых актах!

  


 

ФЕДЕРАЛЬНОЕ АГЕНТСТВО
ПО ТЕХНИЧЕСКОМУ РЕГУЛИРОВАНИЮ И МЕТРОЛОГИИ

НАЦИОНАЛЬНЫЙ
СТАНДАРТ
РОССИЙСКОЙ
ФЕДЕРАЦИИ

ГОСТ Р МЭК
60127-4-
2007

Миниатюрные плавкие предохранители

Часть 4

УНИВЕРСАЛЬНЫЕ МОДУЛЬНЫЕ ПЛАВКИЕ ВСТАВКИ ДЛЯ ОБЪЕМНОГО И ПОВЕРХНОСТНОГО МОНТАЖА

IEC 60127-4: 2005

Miniature fuses -
Part 4:

Universal modular fuse-links - Through-hole and surface mount types
(IDT)

Москва

Стандартинформ

2006

Предисловие

Цели и принципы стандартизации в Российской Федерации установлены Федеральным законом от 27 декабря 2002 г. 184-ФЗ «О техническом регулировании», а правила применения национальных стандартов Российской Федерации - ГОСТ Р 1.0-2004 «Стандартизация в Российской Федерации. Основные положения»

Сведения о стандарте

1 ПОДГОТОВЛЕН И ВНЕСЕН Техническим комитетом по стандартизации ТК 303 «Изделия электронной техники, материалы и оборудование» на основе собственного аутентичного перевода стандарта, указанного в пункте 4

2 УТВЕРЖДЕН И ВВЕДЕН в действие Приказом Федерального агентства по техническому регулированию и метрологии от 23 октября 2007 г. 273-ст

3 Настоящий стандарт идентичен международному стандарту МЭК 60127-4:2005 «Миниатюрные плавкие предохранители. Часть 4. Универсальные модульные плавкие вставки для объемного и поверхностного монтажа» (IEC 60127-4:2005 «Miniature fuses - Part 4: Universal modular fuse-links - Through-hole and surface mount types»).

4 При применении настоящего стандарта рекомендуется использовать вместо ссылочных международных стандартов соответствующие им национальные стандарты, сведения о которых приведены в дополнительном приложении В

5 ВЗАМЕН ГОСТ Р 50540-93

Информация об изменениях к настоящему стандарту публикуется в указателе «Национальные стандарты», а текст изменений и поправок - в ежемесячно издаваемых информационных указателях «Национальные стандарты». В случае пересмотра (замены) или отмены настоящего стандарта соответствующее уведомление будет опубликовано в ежемесячно издаваемом информационном указателе «Национальные стандарты». Соответствующая информация, уведомление и тексты размещаются также в информационной системе общего пользователя - на официальном сайте Федерального агентства по техническому регулированию и метрологии в сети Интернет

Содержание

1 Область применения

2 Нормативные ссылки

3 Термины и определения

4 Общие требования

5 Стандартные параметры

6 Маркировка

7 Общие сведения по испытаниям

8 Размеры и конструкция

9 Требования к электрическим параметрам

10 Технические условия

Приложение А (справочное) Крепление плавких вставок для поверхностного монтажа

Приложение В (обязательное) Сведения о соответствии национальных стандартов Российской Федерации ссылочным международным стандартам

Библиография

 

 

НАЦИОНАЛЬНЫЙ СТАНДАРТ РОССИЙСКОЙ ФЕДЕРАЦИИ

Миниатюрные плавкие предохранители

Часть 4

УНИВЕРСАЛЬНЫЕ МОДУЛЬНЫЕ ПЛАВКИЕ ВСТАВКИ ДЛЯ ОБЪЕМНОГО И ПОВЕРХНОСТНОГО МОНТАЖА

Miniature fuses. Part4. Universal modular fuse-links for through-hole and surface mount types

Дата введения - 2008-07-01

1 Область применения

Настоящий стандарт распространяется на универсальные модульные плавкие вставки (УМПВ) для печатных плат и других подложек, используемые для защиты электрических бытовых приборов, электронной аппаратуры и их блоков, обычно предназначенных для применения внутри помещений.

Стандарт не распространяется на плавкие вставки, предназначенные для работы в специальных условиях, например в коррозионной или взрывоопасной среде.

Плавкие предохранители должны монтироваться или заменяться только специально обученным персоналом с помощью специальных приспособлений.

Международный стандартна плавкие вставки, используемые с держателями плавких предохранителей, разрабатывается.

Настоящий стандарт является дополнением к МЭК 60127-1 и содержит те же требования с дополнительным требованием к степени невзаимозаменяемости.

2 Нормативные ссылки

В настоящем стандарте использованы ссылки на следующие международные стандарты:

МЭК 60068-2-20:1979 Испытания на воздействие внешних факторов. Часть 2. Испытания - Испытание Т: Пайка

МЭК 60068-2-21:1999 Испытания на воздействие внешних факторов. Часть 2. Испытания - Испытание U: Прочность выводов и их креплений к корпусу изделий

МЭК 60068-2-58:2004 Испытания на воздействие внешних факторов. Часть 2. Испытания - Испытание Td: Способность к пайке, стойкость металлизации к растворению и теплостойкость при пайке изделий для поверхностного монтажа

МЭК 60127-1:1988* Миниатюрные плавкие предохранители - Часть 1: Терминология для миниатюрных плавких предохранителей и общие требования к миниатюрным плавким вставкам

МЭК 60194:1999** Проектирование, изготовление и сборка печатных плат - Термины и определения

МЭК 60664-1:1992*** Координация изоляции в оборудовании с низковольтными системами Часть 1: Принципы, требования и испытания

МЭК 61249-2-7:2002 Материалы для печатных плат и других структур межсоединений - Часть 2-7: Армированные материалы оснований с плакированием и без него - Эпоксидный слоистый пластик со стеклотканью Е с определенной воспламеняемостью (испытание вертикальным пламенем), плакированный медью

ИСО 3:1973 Предпочтительные числа - Ряды предпочтительных чисел

* Заменен на МЭК 60127-1:2006.

** Заменен на МЭК 60194:2006.

*** Заменен на МЭК 60664-1:2007.

3 Термины и определения

В настоящем стандарте применяют термины по МЭК 60127-1, а также следующие термины с соответствующими определениями:

3.1 плавкая вставка для объемного монтажа: УМПВ, предназначенная для пайки выводов, вставленных непосредственно в соответствующие отверстия схемы печатной платы.

3.3 плавкая вставка для поверхностного монтажа: УМПВ, предназначенная для непосредственного присоединения припоем или другими способами к поверхности подложки без вставления ее выводов в соответствующие отверстия или гнезда.

3.4 контактная площадка: Часть рисунка межсоединений, используемая обычно не только для присоединения или прикрепления компонентов (см. МЭК 60194).

Примечание - Другие определения, которые могут применяться к плавким вставкам для поверхностного монтажа, можно найти в [1] и [2].

4 Общие требования

См. МЭК 60127-1.

5 Стандартные параметры

5.1 Номинальное напряжение

См. технические условия.

5.2 Номинальный ток

Предпочтительные значения приведены в таблице 1.

5.3 Номинальная отключающая способность

См. технические условия.

6 Маркировка

В дополнение к требованиям МЭК 60127-1, пункт 6, соблюдают и наносят на плавкую вставку следующие данные, относящиеся к УМПВ.

6.1 Дополнение.

e) Для плавких вставок с номинальным напряжением 250 В обозначение отключающей способности размещают между маркировкой номинального тока и маркировкой номинального напряжения:

Н - высокая отключающая способность;

I - средняя отключающая способность;

L - низкая отключающая способность.

f) Специальное обозначение, приведенное на рисунке 1.

д) Буквенное обозначение «а.с.» перед обозначением напряжения для приборов, предназначенных для переменного тока.

6.4 Цветной код для универсальных модульных плавких вставок

Разрабатывается.

6.5 Если недостаточно места для нанесения маркировки, данные наносят на первичную упаковку и указывают в технической документации изготовителя.

7 Общие сведения по испытаниям

В дополнение к требованиям МЭК 60127-1, раздел 7, необходимо соблюдать следующие требования.

7.2 Типовые испытания

Дополнение.

7.2.1 Для проведения испытаний номинальных значений параметров отдельных плавких предохранителей, соответствующих ТУ 1 и ТУ 2, см. таблицу 2. Требуемое для испытаний число плавких вставок, предназначенных как для переменного, так и для постоянного тока, равно 63. Число плавких вставок, предназначенных только для переменного тока, - 48. Отбирают девять запасных образцов.

При испытании плавких вставок максимальным номинальным током однородных серий, соответствующих ТУ 1 и ТУ 2, см. таблицу 3. Требуемое для испытаний число плавких вставок, предназначенных как для переменного, так и для постоянного тока, должно быть равно 53, число плавких вставок, предназначенных только для переменного тока, - 48. Отбирают 19 запасных образцов.

При испытании плавких вставок минимальным номинальным током однородных серий, соответствующих ТУ 1 и ТУ 2, см. таблицу 4. Требуемое для испытаний число плавких вставок, предназначенных как для переменного, так и для постоянного тока, должно быть равно 38, число плавких вставок, предназначенных только для переменного тока, - 33. Отбирают 16 запасных образцов.

7.3 Испытательные основания плавких предохранителей

7.3.1 Общие требования

Плавкие вставки закрепляют пайкой на испытательной плате (см. 7.3.2 или 7.3.3 соответственно).

Испытательную плату закрепляют на испытательном основании плавкого предохранителя (см. рисунок 4). Испытательная плата должна быть изготовлена из листа эпоксидной смолы, армированной стеклянными нитями, покрытого тонким слоем плакированной меди по МЭК 61249-2-7.

Номинальная толщина листа - 1,6 мм, номинальная толщина слоя меди - 0,035 мм (0,070 мм для тока свыше 6,3 А).

Металлические части основания плавкого предохранителя должны быть изготовлены из латуни с содержанием меди от 58 % до 70 %, контактные части - покрыты серебром.

При последовательном соединении двух или нескольких плавких вставок испытательные основания плавких предохранителей следует располагать так, чтобы расстояние между двумя испытуемыми плавкими вставками было не менее 50 мм. Проводником, соединяющим испытательные основания плавких предохранителей друг с другом, с амперметром и источником питания, должен служить изоли­рованный медный провод. Длина каждого проводника должна быть 250 мм, а площадь поперечного сечения проводника - приблизительно равна 1 мм2.

7.3.2 Плавкие вставки для объемного монтажа (ТУ 1)

Для электрических испытаний плавких вставок, на которые распространяются ТУ 1, плавкую вставку следует закреплять на испытательной плате в соответствии с рисунком 2, в паре отверстий, расстояние между которыми должно соответствовать расстоянию между выводами.

7.3.3 Плавкие вставки для поверхностного монтажа (ТУ 2)

Для электрических испытаний плавких вставок, на которые распространяются ТУ 2, плавкую вставку закрепляют на испытательной плате в соответствии с рисунком 3. Крепление рекомендуется выполнять в соответствии с приложением А.

8 Размеры и конструкция

8.1 Размеры

Размеры УМПВ должны соответствовать ТУ на плавкие вставки конкретных типов.

Соответствие контролируют измерением длины, ширины и высоты.

Для плавких вставок, соответствующих ТУ 1, контролируют расстояние между выводами. Выводы плавких вставок также должны проходить сквозь отверстие диаметром 1 мм. Длину выводов не указывают, поскольку она связана с методом установки плавкой вставки на плату.

8.2 Конструкция

Плавкий элемент плавкой вставки должен быть полностью закрыт.

УМПВ должна выдерживать тепловое и химическое воздействие рабочего режима схем печатной платы или других устройств на подложках, и ее характеристики не должны изменяться.

Соответствие контролируют испытанием на теплостойкость при пайке в соответствии с 8.7.

8.3 Выводы

8.3.1 Плавкие вставки для объемного монтажа

Выводы плавкой вставки должны быть прочно присоединены так, чтобы было невозможно удалить их без повреждения УМПВ.

Соответствие контролируют проведением следующего испытания.

Перед испытанием образцы погружают в воду температурой от 15 °С до 35 °С на 24 ч.

Испытание проводят в соответствии с МЭК 60068-2-21.

Проводят следующие испытания:

- на воздействие растяжения Ua1 с приложением силы 10 Н;

- на воздействие сжимания Ua2 с приложением силы 2 Н;

- на изгиб Ub с приложением силы 5 Н проводят один изгиб.

Объем выборки - по два образца на каждое испытание. После испытания не должна нарушаться прочность соединения выводов. Измеряют падение напряжения в соответствии с 9.1, которое не должно превышать максимально допустимое по таблице 1. Испытание на изгиб не проводят, если длина выводов менее 5 мм.

8.3.2 Плавкие вставки для поверхностного монтажа

Плавкие вставки должны быть закреплены на испытательной плате, представленной на рисунке 3. Испытательную плату с плавкими вставками на нижней стороне помещают в зажимное устройство для изгиба, как показано на рисунке 5. Затем сгибают плату на 1 мм со скоростью 1 мм/с. Дожидаются возвращения испытательной платы из положения изгиба и затем освобождают из зажимного устройства.

После испытания прочность присоединения выводов не должна нарушаться, а падение напряжения, измеренное в соответствии с 9.1, - недолжно превышать максимально допустимое значение, приведенное в таблице 1.

8.4 Соосность и форма выводов

Форма выводов и их расположение должны соответствовать ТУ на конкретные типы плавких вставок.

Примечание 1 - Плавкие вставки для объемного монтажа

При объемном монтаже УМПВ (ТУ 1) в ТУ на плавкие вставки конкретных типов приводят размеры, позволяющие установку на схемы печатных плат с сеточной системой отверстий с расстоянием между их центрами е = 2,5 мм. Необходимо обратить внимание на то, что в некоторых странах разработчики печатных плат по-прежнему используют значение е = 2,54 мм.

Разработчикам электрических и электронных схем рекомендуется руководствоваться требованиями [3].

Примечание 2 - Плавкие вставки для поверхностного монтажа

Для монтажа на поверхность УМПВ (ТУ 2) разработчикам электрических и электронных схем рекомендуется проектировать контактные площадки подложек для наложения УМПВ с надлежащими предосторожностями с тем, чтобы при эксплуатации площадь контактирования была максимальной, учитывая допуски, применяемые для размещения плавкой вставки на конструкции, и размеры и допуски для выводов, приведенные в настоящем стандарте.

8.5 Паяные соединения

См. МЭК 60127-1.

8.6 Паяемость выводов

8.6.1 Плавкие вставки для объемного монтажа

Плавкие вставки подвергают испытанию Та методом 1 по МЭК60068-2-20 при следующих условиях:

старение

не проводится;

условия погружения

температура (235 + 5) °С, время (2+ 0,5) с;

глубина погружения

(2,0+ 0,5) мм (от посадочной плоскости);

тип флюса

неактивированный;

экран

следует применять.

После испытания погружаемая поверхность должна быть покрыта ровным и блестящим покрытием припоя с небольшим числом рассредоточенных дефектов, таких как проколы и несмоченные или десмоченные места. Рассредоточенные дефекты не должны концентрироваться в одном месте. При осмотре следует применять увеличение 10х.

8.6.2 Плавкие вставки для поверхностного монтажа

Плавкие вставки для поверхностного монтажа подвергают испытанию Td в соответствии с МЭК 60068-2-58 при следующих условиях:

старение

не проводится;

условия погружения

температура (235 + 5) °С, время (2 + 0,2) с при пайке волной;

температура (215 ± 3) °С, время (3 + 0,3) с при пайке расплавлением полуды;

глубина погружения

выводы следует погружать постепенно так, чтобы металлические поверхности полностью погружались в паяльную ванну;

тип флюса

неактивированный.

После испытания контактные площадки должны быть покрыты ровным и блестящим покрытием припоя с небольшим числом таких рассредоточенных дефектов, как проколы и несмоченные или десмоченные места. Рассредоточенные дефекты не должны концентрироваться в одном месте. При осмотре следует применять увеличение 10х.

8.7 Теплостойкость при пайке

8.7.1 Плавкие вставки для объемного монтажа

Плавкие вставки подвергают испытанию Тb методом 1А по МЭК 60068-2-20 при следующих условиях:

старение

не проводится;

условия погружения

температура (260 +5) °С, время (10 + 1) с;

глубина погружения

(2,0 + 0,5) мм (от посадочной плоскости);

тип флюса

активированный;

экран

следует применять.

После испытания на плавкой вставке не должно быть трещин. Маркировка должна быть разборчивой, а при использовании цветового кода не должно произойти изменение цвета.

Измеряют падение напряжения в соответствии с 9.1 оно не должно превышать значений, приведенных в таблице 1.

8.7.2 Плавкие вставки для поверхностного монтажа

Плавкие вставки подвергают испытанию Td по МЭК 60068-2-58:

старение

не проводится;

условия погружения

температура (260 + 5) °С, время (10 + 1) с;

глубина погружения

10 мм;

тип флюса

активированный.

После испытания на плавкой вставке не должно быть трещин. Маркировка должна быть разборчивой, а при использовании цветового кода не должно произойти изменение цвета.

Измеряют падение напряжения в соответствии с 9.1 оно не должно превышать значений, приведенных в таблице 1.

Примечание - Для некоторых конструкций может оказаться необходимым проведение более жесткого испытания. Его следует проводить в соответствии с условиями, рекомендуемыми изготовителем, и проведение регистрировать в протоколе испытания.

9 Требования к электрическим параметрам

9.1 Падение напряжения

Измерение падения напряжения проводят в соответствии с МЭК 60127-1.

Падение напряжения необходимо измерять в точках, обозначенных буквой U на рисунке 2 для плавких вставок для объемного монтажа, и на рисунке 3 - для плавких вставок для поверхностного монтажа, применяя испытательное основание плавкого предохранителя в соответствии с рисунком 4 (см. 7.3).

Используют значения, приведенные в таблице 1.

9.2 Амперсекундные характеристики

9.2.1 Амперсекундные характеристики при нормальной температуре среды

При превышении номинального тока в 1,25 раза в течение 1 ч (после окончания испытания на износоустойчивость).

При превышении номинального тока в два раза не более 2 мин.

При превышении номинального тока в 10 раз срабатывание происходит за время, зависящее от типа плавкой вставки:

тип FF: менее 0,001 с;

тип F: от 0,001 до 0,01 с включительно;

тип Т: от 0,01 до 0,1 с включительно;

тип ТТ: от 0,100 до 1,00 с.

9.2.2 Испытание при повышенной температуре

Не разработано.

9.2.3 Методика испытания

См. МЭК 60127-1.

9.2.4 Представление результатов

См. МЭК 60127-1.

9.3 Отключающая способность

9.3.1 Дополнение

В плавких вставках с какими-либо органическими составляющими (например с прессованным корпусом) напряжение восстановления необходимо поддерживать в течение 5 мин после срабатывания плавкого предохранителя.

Типичные испытательные схемы проверки отключающей способности для переменного и постоянного токов приведены на рисунке 6.

Для плавких вставок с низкой отключающей способностью коэффициент мощности испытательных схем на постоянном токе должен быть более 0,95. Для этого необходимо регулировать ток схемы, используя резисторы с низкой индуктивностью.

Для плавких вставок со средней отключающей способностью коэффициент мощности испытательных схем на переменном токе должен быть от 0,8 до 0,9.

Для плавких вставок с высокой отключающей способностью коэффициент мощности испытательных схем на переменном токе должен быть от 0,7 до 0,8.

Постоянная времени испытательной схемы на постоянном токе для плавких вставок с низкой отключающей способностью должна быть менее 1 мс. Для этого необходимо регулировать ток схемы, используя резисторы с низкой индуктивностью, кроме того, суммарная индуктивность испытательной схемы и источника питания должна быть менее 1 мГ. Постоянная времени испытательной схемы на постоянном токе для плавких вставок со средней отключающей способностью должна быть 1,5 мс+10 % и для плавких вставок с высокой отключающей способностью - 2,3 мс+10%.

При возникновении трудностей при испытании эти предельные значения могут быть превышены с разрешения изготовителя. Для испытаний с низкими ожидаемыми токами индуктивность схемы должна оставаться постоянной, а ток необходимо регулировать только изменением сопротивления.

9.3.2 Критерии надежной работы

Дополнение.

УМПВ должна срабатывать без следующих явлений:

неразборчивость маркировки после испытания.

Можно пренебречь следующими явлениями:

черные пятна или другие отметки на выводах плавких вставок.

9.3.3 Замена

После проведения испытания отключающей способности следует измерять сопротивление изоляции при постоянном напряжении, равном удвоенному номинальному напряжению плавкой вставки. Сопротивление должно быть не менее 0,1 МОм.

9.4 Испытание на износоустойчивость

См. МЭК 60127-1.

9.5 Максимальная установившаяся мощность рассеяния

См. МЭК 60127-1.

9.6 Испытания в импульсном режиме

Не разработаны.

9.7 Температура перегрева плавкой вставки

Замена.

Вместо испытания по МЭК 60127-1, пункт 9.7, в течение последних 5 мин испытания на износоустойчивость при 1,25 IN проводят следующее испытание:

а) для плавких вставок, соответствующих ТУ 1, измеряют превышение температуры над температурой среды (температуру перегрева) в самом нагретом месте, используя термопару из тонкого провода (или другими методами, которые незначительно влияют на температуру). Температура перегрева не должна превышать 70 К для номинальных токов до 6,3 А включительно и 85 К - для номинальных токов свыше 6,3 А;

b) для плавких вставок, соответствующих ТУ 2, измеряют температуру перегрева на выводах плавкой вставки, напаянной на соответствующую испытательную плату, используя термопару из тонкого провода площадью сечения не более 0,21 мм2 (или другими методами, которые незначительно влияют на температуру). Температура перегрева не должна превышать 85 К.

9.8 Перенапряжение при срабатывании

Во время проверки отключающей способности необходимо контролировать напряжение на плавком предохранителе, используя соответствующий осциллограф и систему датчиков, показывающих и регистрирующих напряжение в течение времени, включающего в себя интервал времени с момента замыкания контакта, до тех пор, пока значение тока, проходящего через плавкую вставку, станет менее 10 мА (соответствующий осциллограф должен регистрировать любое перенапряжение, сохраняющееся в течение 5 мкс или дольше).

Максимальное напряжение в данном интервале времени, не превышающее максимальное напряжение срабатывания, указанное в ТУ на плавкие вставки конкретных типов, необходимо зарегистрировать.

Таблица 1 Максимальные значения падения напряжения и установившейся мощности рассеяния

Номинальный ток

Максимальное падение напряжения, мВ

Максимальная установившаяся мощность рассеяния, мВ

Номинальный ток

Максимальное падение напряжения, мВ

Максимальная установившаяся мощность рассеяния, мВ

32 МА

Находятся на рассмотрении

Находятся на рассмотрении

800 МА

400

500

50 МА

1 А

300

500

63 МА

1,25 А

300

1000

80 МА

1,6А

300

1000

100 МА

1300

200

2А

300

1000

125 МА

1000

200

2,5 А

300

1200

160 МА

1000

240

3,15 А

300

1500

200 МА

1000

500

4А

300

2000

250 МА

800

500

5А

300

2500

315 МА

750

500

6,3 А

300

3000

400 МА

700

500

8А

220

3000

500 МА

600

500

10 А

220

3500

630 МА

500

500

Примечание - Если требуются промежуточные значения номинальных токов, их выбирают из ряда R20 и R40 по ИСО 3. Значения, приведенные в настоящей таблице, применяют только при низкой отключающей способности. Значения при средней и высокой отключающей способности разрабатываются.


Таблица 2 - Программа испытаний для номинальных значений параметров отдельных плавких предохранителей

Номер подраздела, пункта

Испытания

Номер универсальной модульной вставки

1

2

3

4

5

6

7

8

9

10

11

12

13

14

15

16

17

18

19

20

21

22

23

24

25

26

27

28

29

30

31

32

33

34

35

36

37

38

39

40

41

42

43

44

45

46

47

48

49

50

51

52

53

54

55

56

57

58

59

60

61

62

63

9.7

Температура перегрева

 

 

 

 

×

×

 

 

 

 

 

 

 

 

 

 

 

 

 

 

 

9.5

Максимальная установившаяся мощность рассеяния

 

 

 

×

×

×

 

 

 

 

 

 

 

 

 

 

 

 

 

 

 

9.4

Износоустойчивость

 

 

 

 

×

×

 

 

 

 

 

 

 

 

 

 

 

 

 

 

 

9.2.1

Амперсекундная 10 IN характеристика

 

 

 

 

 

 

 

 

 

 

 

×

 

 

 

 

 

 

 

 

 

2 IN

 

 

 

 

 

 

 

 

 

 

 

 

 

 

 

 

 

 

 

 

×

1,25 IN

 

 

 

 

×

×

 

 

 

 

 

 

 

 

 

 

 

 

 

 

 

9.3

Отключающая способность

Номинальная отключающая способность:

- переменный ток

- постоянный ток

Ток, в 5 раз превышающий номинальный:

переменный ток

постоянный ток

Ток, в 10 раз превышающий номинальный:

переменный ток

постоянный ток

 

 

 

 

 

 

 

 

 

 

 

 

 

 

 

 

 

 

 

 

 

 

 

 

 

 

 

 

 

 

 

 

 

 

 

 

 

 

 

 

 

 

 

 

 

 

 

 

 

×

 

 

 

 

 

 

 

 

 

 

 

 

 

 

 

 

 

 

 

 

 

×

 

 

 

 

 

 

 

 

 

 

 

 

 

 

 

 

 

 

 

 

 

 

 

 

 

 

 

 

 

 

 

 

 

 

 

 

 

 

 

 

 

 

×

 

 

 

 

 

 

 

 

 

 

 

 

 

 

 

 

 

 

 

 

 

×

 

 

 

 

 

 

 

 

 

 

 

 

 

 

 

 

 

 

 

 

 

 

 

 

 

 

 

 

 

 

 

 

 

 

 

 

 

 

 

 

 

 

 

 

×

 

 

 

 

 

 

 

 

 

 

 

 

 

 

 

 

 

 

 

 

 

×

 

 

 

 

 

 

окончание таблицы 2

Номер подраздела, пункта

Испытания

Номер универсальной модульной вставки

1

2

3

4

5

6

7

8

9

10

11

12

13

14

15

16

17

18

19

20

21

22

23

24

25

26

27

28

29

30

31

32

33

34

35

36

37

38

39

40

41

42

43

44

45

46

47

48

49

50

51

52

53

54

55

56

57

58

59

60

61

62

63

9.3

Ток, в 50 раз превышающий номинальный:

- переменный ток

- постоянный ток

 

 

 

 

 

 

 

 

 

 

 

 

 

 

 

 

 

 

 

 

 

 

 

 

 

 

 

 

 

 

 

 

 

 

 

 

×

 

 

 

 

 

 

 

 

 

 

 

 

 

 

 

 

 

 

 

 

 

×

 

 

 

 

Ток, в 250 раз превышающий номинальный:

- переменный ток

- постоянный ток

 

 

 

 

 

 

 

 

 

 

 

 

 

 

 

 

 

 

 

 

 

 

 

 

 

 

 

 

 

 

 

 

 

 

 

 

 

 

 

×

 

 

 

 

 

 

 

 

 

 

 

 

 

 

 

 

 

 

 

 

 

×

 

9.3.3

Сопротивление изоляции

 

 

 

 

 

 

 

×

×

×

×

 

 

×

×

×

×

 

×

×

 

8.3

Выводы плавкой вставки

×

×

 

 

 

 

 

 

 

 

 

 

 

 

 

 

 

 

 

 

 

8.5

Паяные соединения

 

 

 

 

×

×

 

 

 

 

 

×

 

 

 

 

 

 

 

 

×

6.2*

Разборчивость и несмываемость маркировки

 

 

 

 

×

×

 

 

 

 

 

×

 

 

 

 

 

 

 

 

×

8.6

Паяемость

 

 

×

 

 

 

 

 

 

 

 

 

 

 

 

 

 

 

 

 

 

8.7

Теплостойкость при пайке

 

 

 

×

 

 

 

 

 

 

 

 

 

 

 

 

 

 

 

 

 

* Этот подраздел см. по МЭК 60127-1.

Примечание - Всего 63 плавких вставки (48 плавких вставок, предназначенных для эксплуатации только на переменном токе, без образцов для отключающей способности при постоянном токе), девять из которых являются запасными. Образцы с 1-го по 12-й отбирают методом случайного отбора. Образцы с 13-го по 63-й (48-й) напаивают на соответствующую испытательную плату и располагают в порядке уменьшения падения напряжения.

Таблица 3 - Программа испытаний для максимального номинального тока однородной серии

Номер подраздела, пункта

Наименование испытания

Номер универсальной модульной плавкой вставки

1-6

7

8

9

10

11

12

13-18

19

20

21

22-26

27-31

32-41

42

43

44

45

46

47

48

49

50

51

52

53

9.7

Температура перегрева

 

 

 

×

 

 

 

 

 

 

 

 

9.5

Максимальная установившаяся мощность рассеяния

 

 

 

×

 

 

 

 

 

 

 

 

9.4

Износоустойчивость

 

 

 

×

 

 

 

 

 

 

 

 

9.2.1

Амперсекундные характеристики:

 

 

 

 

 

 

 

 

 

 

 

 

10 IN

 

 

 

 

 

 

 

 

×

 

 

 

2 IN

 

 

 

 

 

 

 

 

 

 

×

 

1,25 IN

 

 

 

×

 

 

 

 

 

 

 

 

9.3

Номинальная отключающая способность:

- переменный ток

- постоянный ток

 

 

 

 

 

 

 

 

 

 

 

 

 

 

 

 

 

×

 

 

 

 

 

 

 

 

 

 

 

 

×

 

 

 

 

 

9.3.3

Сопротивление изоляции

 

 

 

 

 

×

×

 

 

 

 

 

8.3

Выводы плавкой вставки

×

 

 

 

 

 

 

 

 

 

 

 

8.5

Паяные соединения

 

 

 

×

 

 

 

 

×

 

×

 

6.2а)

Разборчивость и несмываемость маркировки

 

 

 

×

 

 

 

 

×

 

×

 

8.6

Паяемость

 

×

 

 

 

 

 

 

 

 

 

 

8.7

Теплостойкость при пайке

 

 

×

 

 

 

 

 

 

 

 

 

а) Этот подраздел см. по МЭК 60127-1.

Примечание - Комплект из 53 плавких вставок (48 только для эксплуатации на переменном токе, без образцов для отключающей способности на постоянном токе), 19 из них используют в качестве запасных. Образцы с 1-го по 12-й отбирают методом случайного отбора.


Таблица 4 - Программа испытаний для минимального номинального тока однородной серии

Номер подраздела, пункта

Наименование испытания

Номер универсальной модульной плавкой вставки

1-6

7

8

9

10

11

12

13-17

18-22

23-32

33

34

35

36

37

38

9.4

Износоустойчивость

×

 

 

 

 

 

 

 

9.2.1

Амперсекундные характеристики:

 

 

 

 

 

 

 

 

10 IN

 

×

 

 

 

 

 

 

2 IN

 

 

 

 

 

 

×

 

9.3

Номинальная отличающая способность:

 

 

 

 

 

 

 

 

- переменный ток

 

 

 

×

 

 

 

 

- постоянный ток (если применимо)

 

 

 

 

×

 

 

 

Примечание - Комплект из 38 плавких вставок (33 только для эксплуатации на переменном токе без образцов для отключающей способности), 16 из них используют в качестве запасных. Образцы напаивают на испытательную плату и располагают в порядке уменьшения падения напряжения.

Примечание - Соблюдать пропорциональность размеров.

Рисунок 1 - Специальное обозначение для УМПВ

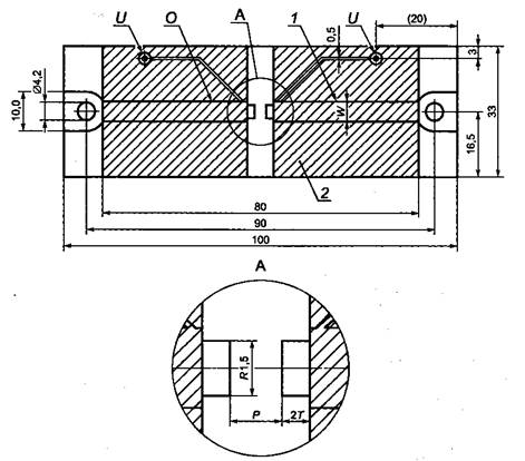
О - слой меди толщиной 0,035 мм (0,070 мм для номинальных токов свыше 6,3 A); U контакты для измерения падения напряжения; n - 1, 2, 3, 4 и 5; е - 2,50 мм; W- 5,0 мм для номинальных токов до 6,3 А включительно; N - 7,5 мм для номинальных токов свыше 6,3 А

Примечание - Механическое устройство можно использовать до тех пор, пока демонстрируется воспроизводимость результатов.

Рисунок 2 - Испытательная плата для плавких вставок для объемного монтажа

О - слой меди толщиной 0,035 мм (0,070 мм для номинальных токов свыше 6,3 A); U - контакты для измерения падения напряжения; W- 5,0 мм (7,5 мм для номинальных токов свыше 6,3 А). Для небольших приборов допускается дорожки меньшей ширины, используемые при обычной эксплуатации этих приборов. Это необходимо указывать в протоколе испытания и документации изготовителя; Р - расстояние между выводами; R - относится к ТУ 2, страница 1; Т- относится к ТУ 2, страница 1; 1 - ширина дорожки; 2 - резист припоя.

Примечание 1 Резист припоя следует наносить на заштрихованную область.

2 Контактные площадки должны быть соответствующим образом подготовлены к пайке.

3 Механическое устройство можно использовать до тех пор, пока демонстрируется воспроизводимость результатов (не применимо к 8.7)

Рисунок 3 - Испытательная плата для плавких вставок для поверхностного монтажа

а) Плавкая вставка для объемного монтажа (схема печатной платы внизу)

b) Плавкая вставка для поверхностного монтажа (схема печатной платы сверху)

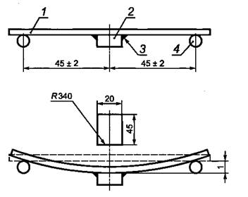
А -основание из материала с низкой теплопроводностью толщиной 10 мм; В-латунные электроды 10×10 мм; С-УМПВ, напаянная на место; D - крепежные винты; Е - контактные винты для закрепления паяемого вывода; F - печатная плата (см. рисунки 2 и 3); G - расстояние между корпусом УМПВ и платой, равное (0,5 ± 0,25) мм; Н - вид сверху на основание с латунными электродами; J - покрытая серебром латунная шайба; К- покрытый серебром латунный винт для создания контакта с проводящей поверхностью верхней части печатной платы

Рисунок 4 - Испытательное основание плавкого предохранителя

1 - стандартная разводка печатной платы; 2 - испытуемый образец; 3 - припой; 4 - опора

Рисунок 5 - Зажимное устройство для изгиба плавких вставок для поверхностного монтажа

а) Испытательная схема для проверки отключающей способности плавких вставок с высокой и средней отключающей способностью

b) Испытательная схема для проверки отключающей способности плавких вставок с низкой отключающей способностью

А - сменная вставка, используемая при калибровке; С - контактор, замыкающий цепь; D - выключатель для отключения источника питания; F- испытуемая вставка; S - источник питания, импеданс которого равен 10 % общего импеданса цепи; L - катушка индуктивности без железного сердечника; R - последовательно включенный резистор, отрегулированный для получения необходимого ожидаемого тока

Рисунок 6 - Испытательные схемы для проверки отключающей способности плавких вставок

10 Технические условия

10.1 ТУ 1 - Плавкие вставки для объемного монтажа

 

Номинальное напряжение, В

Расстояние между выводами Р, мм

Максимальные размеры, мм

Ширина W

Высота Н

Длина L

32

2,5 ±0,1

7,5

10

8

65

2,5 ±0,1

8

125

5 ±0,1

10,5

250 (низкая отключающая способность)

7,5±0,15

12,5

250 (средняя отключающая способность)

10±0,15

15

250 (высокая отключающая способность)

12,5 ±0,15

18

1 Вывод плавкой вставки должен проходить сквозь отверстие диаметром 1 мм. Форма поперечного сечения произвольная.

2 Допускается любая форма плавкой вставки, если расстояние между выводами в пределах допусков и выводы находятся с одной стороны корпуса.

3 Длина / выводов позволяет осуществлять упаковку плавких вставок в ленту.

Максимальные падение напряжения и установившаяся мощность рассеяния приведены в таблице 1.

Маркировка

Плавкие вставки следует маркировать в соответствии с требованиями раздела 6 настоящего стандарта

Амперсекундная характеристика до образования дуги

Время до образования дуги должно быть в пределах, соответствующих специальному обозначению, приведенному в 9.2.1.

Отключающая способность

Испытание плавких вставок необходимо проводить при номинальных значениях переменного или переменного/постоянного тока и номинальных напряжениях, приведенных в 9.3.

Номинальное напряжение, В

Номинальный ток

Перенапряжение**, В

32

35 А или 10 IN*

330

63

35 А или 10 IN*

500

125

50 А или 10 IN*

800

250 (низкая отключающая способность)

100 А

1500

250 (средняя отключающая способность)

500 А

2500

250 (высокая отключающая способность)

1500 А

4000

* Выбирают большее значение.

** Эти значения являются максимальными в соответствии с МЭК 60664-1.

Износоустойчивость

100 циклов при токе, превышающем номинальный в 1,05 раза, в соответствии с МЭК 60127-1, подраздел 9.4, после чего в течение 1 ч подают ток, превышающий номинальный в 1,25 раза.

Максимальная установившаяся мощность рассеяния

Максимальную установившуюся мощность рассеяния следует измерять при токе, превышающем номинальный в 1,25 раза, в течение последних 10 мин испытания на износоустойчивость. Мощность не должна превышать значений, приведенных в таблице 1.

Выводы

Выводы следует испытывать в соответствии с 8.3.1.

Испытание на изгиб Ub по 8.3.1 выводов, длина которых менее 5 мм не проводится.

Номинальное напряжение, В

Минимальное расстояние между выводами Р, мм

Максимальные размеры, мм

Ширина W

Высота H

Длина L

12,5

25

0,4

0,45

1,8

2,5

3,4

32

50

0,48

0,53

6

5

6

8

63

1,1

8

125

1,3

10

250 (низкая отключающая способность)

4

На рассмотрении

12,5

250 (средняя отключающая способность)

15,8

250 (высокая отключающая способность)

18

1) Допускается любая форма плавкой вставки, точка, выводы в которой выступают из корпуса, выбирается произвольно и выводы можно изменять.

Ниже приведено несколько альтернативных форм плавкой вставки

2) Размеры Т и R не стандартизованы, но требуется вычислять размеры контактных площадок для испытательной платы.

Максимальные падение напряжения и установившаяся мощность рассеяния приведены в таблице 1.

Примечание - Расстояние между выводами Р выбрано по МЭК 60664-1 с учетом степени загрязнения 2 и категории перенапряжения II (нагрузка менее 1500 ч).

Маркировка

Плавкие вставки следует маркировать в соответствии с требованиями раздела 6.

Амперсекундная характеристика до образования дуги

Время до образования дуги должно быть в пределах, соответствующих специальному обозначению, приведенному в 9.2.1.

Отключающая способность

Испытание плавких вставок необходимо проводить при номинальных значениях переменного или переменного/постоянного тока и номинальных напряжениях, приведенных в 9.3.

Номинальное напряжение, В

Испытательный ток

Перенапряжение**, В

12,5

35 А или 10 IN*

На рассмотрении

25

35 А или 10 IN*

Тоже

32

35 А или 10 IN*

330

50

35 А или 10 IN*

500

63

35 А или 10 IN*

500

125

50 А или 10 IN*

800

250 (низкая отключающая способность)

100 А

1500

250 (средняя отключающая способность)

500 А

2500

250 (высокая отключающая способность)

1500 А

4000

* Выбирают большее значение.

** Эти значения являются максимальными в соответствии с МЭК 60664-1.

Износоустойчивость

100 циклов при токе, превышающем номинальный в 1,0 раза, в соответствии с МЭК 60127-1, подраздел 9.4, после чего в течение 1 ч подают ток, превышающий номинальный в 1,25 раза.

Максимальная установившаяся мощность рассеяния

Максимальную установившуюся мощность рассеяния следует измерять при токе, превышающем номинальный в 1,25 раза, в течение последних 10 мин испытания на износоустойчивость. Мощность не должна превышать значений, приведенных в таблице 1.

Выводы

Выводы плавкой вставки следует испытывать в соответствии с 8.3.2.

Приложение А (справочное)
Крепление плавких вставок для поверхностного монтажа

Испытуемые плавкие вставки можно представлять на испытательную станцию уже напаянными на испытательные платы; однако при некоторых испытаниях требуется, чтобы плавкие предохранители были свободными, например при проверке паяемости и теплостойкости при пайке, хотя необходимо перед пайкой проводить «испытание на изгиб» плавких вставок для объемного монтажа. Хотя считается, что на испытательной станции можно напаивать плавкие вставки для объемного монтажа к испытательной плате для последующего измерения падения напряжения, имеются трудности при пайке плавких вставок для поверхностного монтажа, уже подвергнутых воздействию тепла, выделяющегося при напаивании на испытательную плату для измерения падения напряжения.

Приведенные далее положения - в соответствии с МЭК 60068-2-21, пункт 8.3.3.

Если в ТУ на плавкие вставки конкретных типов не приведены подробные условия монтажа, метод крепления должен быть следующим:

a) Выбор паяльной пасты:

1) Паяльная паста из припоя, состав которого приведен в МЭК 60068-2-20, приложение В (см. ниже примечание 1) или из 63 %-ного олова и 37 %-ного свинца и средне активированного флюса (см. ниже примечание 2) в соответствии с МЭК 60068-2-20, приложение С. Допускается добавлять серебро (2 % по весу или более) согласно ТУ на припои конкретных типов. Пределы загрязнения припоя должны соответствовать [4].

Примечания

1 Припой должен иметь следующий состав: 59 % - 61 % олова, не более 0,5 % сурьмы, не более 0,1 % меди, не более 0,05% мышьяка, не более 0,02% железа, остальное - свинец.

2 Активированный флюс должен иметь следующий состав: 25 г канифоли, 75 г пропанола 2 (изопропанола) или этилового спирта, 0,39 г хлорида диэтиламмония.

2) Вязкость пасты припоя должна соответствовать ТУ на припои конкретных типов.

3) Размеры частиц пасты припоя должны быть 160 ед. измерения или менее.

4) Основание печатной платы должно быть покрыто слоем осажденного припоя. Толщина припоя должна быть от 100 до 250 мкм, толщина должна быть указана в ТУ на припои конкретных типов.

b) Подготовка образца:

1) Поверхность испытуемого образца должна быть «в состоянии поставки», к ней не допускается прикасаться пальцами или загрязнять другими способами.

2)Образец не допускается очищать перед испытанием. Если указано в ТУ на плавкие вставки конкретных типов, то образец можно в течение предварительной выдержки погрузить в органический раствор при комнатной температуре.

3)Предварительная выдержка.

Образцы, нуждающиеся в предварительной выдержке, должны пройти предварительную обработку согласно ТУ на плавкие вставки конкретных типов.

c) Положение образца:

Образец должен быть размещен симметрично сетке платы.

d) Предварительный нагрев:

Подложку с закрепленным образцом следует предварительно нагреть в течение 60-120 с при (150 ± 10) °С (если не оговорено иное).

e) Пайка:

1) Пайку плавкой вставки следует выполнять сразу же после предварительного нагрева.

2) Для пайки оплавлением полуды ил и в паровой фазе до тех пор, пока условия пайки не могут привести к тепловой нагрузке, превышающей требования ТУ на плавкие вставки конкретных типов, допускается использовать печь любого вида.

3) Интервал температуры припоя должен составлять от 215 °С до 235 °С, а время выдержки при максимальной температуре не должно превышать 10 с. Общее время пайки при температуре свыше 185 °С должно быть не менее 45 с.

4) Должны быть приняты все меры для достижения полного смачивания.

5) Область пайки подложки должна быть очищена с помощью пропанола 2 (изопропанола) или воды для удаления остатков серного флюса. При необходимости подробные условия метода очистки должны быть приведены в ТУ на плавкие вставки конкретных типов.

6) Стержень припоя должен соответствовать минимальным требованиям к хорошему контакту, приведенным в [5].

Приложение В (обязательное)
Сведения о соответствии национальных стандартов Российской Федерации ссылочным международным стандартам

Таблица 1

Обозначение ссылочного международного стандарта

Обозначение и наименование соответствующего национального стандарта Российской Федерации

МЭК 60068-2-20: 1979

ГОСТ 28211-89 Основные методы испытаний на воздействие внешних факторов. Часть 2. Испытания. Испытание Т.Пайка

МЭК 60068-2-21: 1983

ГОСТ 28212-89 Основные методы испытаний на воздействие внешних факторов. Часть 2. Испытания. Испытание U: Прочность выводов и их креплений к корпусу изделия

МЭК 60068-2-58: 2004

*

МЭК 60127-1: 1999

ГОСТ Р МЭК 127-1-2005 Миниатюрные плавкие предохранители. Часть 1. Терминология для миниатюрных плавких предохранителей и общие требования к миниатюрным плавким вставкам

МЭК 60194:1999

*

МЭК 60664-1: 1992

*

МЭК 61249-2-7: 2002

*

ИСОЗ: 1973

*

Соответствующий стандарт отсутствует. До его утверждения рекомендуется использовать перевод на русский язык данного международного стандарта. Перевод данного международного стандарта находится в Федеральном информационном фонде технических регламентов и стандартов.

Библиография

[1]

МЭК 60115-1:1989

Резисторы постоянного сопротивления, предназначенные для применения в электронной аппаратуре. Общие технические условия

[2]

МЭК 60115-8:1999

Резисторы постоянного сопротивления, предназначенные для применения в электронной аппаратуре. Часть 8. Групповые технические условия. Постоянные бескорпусные резисторы

[3]

МЭК 60326-3:1991

Печатные платы. Часть 3. Конструирование и применение печатных плат

[4]

ИСО 9453:1990

Сплавы мягкого припоя. Химический состав и формы

[5]

МЭК 61191-2:1998

Сборки печатных плат. Часть 2. Групповые технические условия. Требования к паяным сборкам, предназначенным для поверхностного монтажа

Ключевые слова: миниатюрные плавкие предохранители, универсальные модульные плавкие вставки, терминология, требования

 




ГОСТЫ, СТРОИТЕЛЬНЫЕ и ТЕХНИЧЕСКИЕ НОРМАТИВЫ.
Некоммерческая онлайн система, содержащая все Российские Госты, национальные Стандарты и нормативы.
В Системе содержится более 150000 файлов нормативно-технической документации, действующей на территории РФ.
Система предназначена для широкого круга инженерно-технических специалистов.

Рейтинг@Mail.ru Яндекс цитирования

Copyright © www.gostrf.com, 2008 - 2026