|
|
|
С.Р. ВЛАДИМИРСКИЙ МЕТАЛЛИЧЕСКИЕ ПРОЛЕТНЫЕ СТРОЕНИЯ МОСТОВ С ОРТОТРОПНЫМИ ПЛИТАМИ Конструирование и расчет Учебное пособие Издание второе, переработанное и дополненное Издательство ДНК Санкт-Петербург 2006 СОДЕРЖАНИЕ Рецензент: Владимирский С.Р. Металлические пролетные строения мостов с ортотропными плитами: Конструирование и расчет. Учебное пособие. Изд. 2-е, перераб. и доп. - СПб: Изд-во ДНК, 2006. - 96 с. В пособии рассмотрена конструкция стальных пролетных строений автодорожных мостов с ортотропными плитами проезжей части. Даны рекомендации по назначению геометрических параметров коробчатых тонкостенных пролетных строений, конструированию их деталей и соединений. Приведены методики расчета основных конструктивных элементов пролетных строений; даны сведения о программах расчета на персональных компьютерах. Материал сопровождается многочисленными примерами. Пособие предназначено для студентов специальности 270201 «Мосты и транспортные тоннели», а также может быть полезно специалистам мостостроительных и проектных организаций. ВВЕДЕНИЕСовременное направление в строительстве металлических мостов характеризуется стремлением к экономии металла и снижению трудозатрат при изготовлении и монтаже пролетных строений. Достигается это использованием сталей повышенной прочности, применением сварных конструкции, эффективных типов монтажных соединений, внедрением прогрессивных экономичных систем и конструкций пролетных строений. Одним из прогрессивных конструктивных элементов стальных пролетных строений, особенно автодорожных и городских мостов, являются ортотропные плиты. Такие конструкции выполняют одновременно несколько функций: они являются несущим настилом проезжей части для пропуска транспорта; полностью или частично играют роль ездовых поясов главных балок или ферм; исключают необходимость устройства в уровне их расположения продольных связей пролетного строения. Множество публикаций и проектных материалов по стальным пролетным строениям с ортотропиыми плитами практически недоступно студентам, что существенно усложняет курсовое и дипломное проектирование. Принципиальные вопросы устройства и расчета таких конструкций освещены в базовом учебнике [1]. Естественно, в нем не затрагивается целый ряд частных, но важных вопросов и задач, решаемых при рабочем проектировании пролетных строений. Материал данного учебного пособия следует рассматривать как практическое дополнение к учебникам [1], [2] и др., а также комментарий к нормам проектирования мостов СНиП 2.05.03-84* [3] и руководство по пользованию ими. Напомним, что курсовой проект металлического моста состоит из следующих трех частей, представляющих собой основные этапы решения задачи его проектирования: 1. Составление, оценка и сравнение вариантов конструкции моста, выбор оптимального компоновочного решения. 2. Расчет и конструирование металлического пролетного строения по выбранному варианту. 3. Графическая часть - чертежи металлоконструкций пролетного строения. Общие указания по разработке курсового проекта, а также методика выполнения его I части приведены в пособии [4]. Там же в приложениях даны основные характеристики типовых стальных пролетных строении. Настоящее учебное пособие предназначено для помощи при разработке частей 2 и 3 проекта. Конструируя металлическое пролетное строение, студент должен четко уяснить объемную форму конструкции, характер работы ее элементов и их связь с примыкающими к ним конструкциями или элементами моста. Как правило, студенту задаются условия, отличные от типовых проектов, так что от него требуется спроектировать особую конструкцию и рассчитать свое, в чем-то уникальное решение. Второй важной задачей курсового проекта является выработка у студентов навыков в выполнении довольно сложных расчетов металлических мостов. Разумеется, полный расчет всего пролетного строения выходит за рамки учебной работы. Студент выполняет индивидуальное задание преподавателя по расчету основных несущих элементов на заданные нагрузки, воздействия и группы предельных состояний. Для облегчения этой работы по ходу изложения методик расчета в пособии даются иллюстративные примеры. При этом необходимо досконально изучить главы 1, 2, 4 и соответствующие приложения СНиП 2.05.03-84* [3]. Заметим, что этот нормативный документ имеет типичный вид норм проектирования строительных конструкций, сложившийся во второй половине XX века. В последние годы в строительстве идет процесс кардинального пересмотра норм. СНиП на проектирование мостов в ближайшее время будут выпущены в новой редакции и в совершенно другой форме. В них будут содержаться только основополагающие принципы. А конкретные вопросы конструирования и расчета различных элементов мостов из разных материалов проектировщик найдет в соответствующих пособиях, которые будут приложениями к СНиП. Таким образом, СНиП 2.05.03-84* фактически «доживает свой век». Но, пока нет других нормативных документов, мы продолжаем пользоваться этим. В пособии даются общая характеристика стальных пролетных строений с ортотропными плитами и рекомендации по назначению геометрических параметром пролетных строении, конструированию их деталей и соединений. В нем также рассмотрены методики и программы расчета основных конструктивных элементов пролетных строений на персональных компьютерах. Основное внимание уделено автодорожным балочным пролетным строениям со сплошной стенкой и ездой поверху, потому что они наиболее распространены. 1. БАЛОЧНЫЕ ПРОЛЕТНЫЕ СТРОЕНИЯ АВТОДОРОЖНЫХ МОСТОВ С ОРТОТРОПНЫМИ ПЛИТАМИВыполнение ортотропной плитой функции несущего настила проезжей части пролетного строения предъявляет определенные требования к конструктивным решениям главных балок или ферм пролетных строении. Передача временной нагрузки с проезжей части, а также ее собственного веса на главные балки или фермы осуществляется поперечными ребрами (балками) ортотропной плиты, шаг которых вдоль оси моста, как правило, не превышает 2 - 4 м. В таких условиях предпочтение заслуживает применение сплошностенчатых главных балок пролетных строений различных статических систем или решетчатых ферм с достаточно жесткими ездовыми поясами, способными воспринимать кроме осевых усилий также и изгибающие моменты от внеузловых прикреплений поперечных ребер ортотропных плит. Анализ разнообразных систем металлических пролетных строений с ортотропиыми плитами и рациональных областей их применения приведен в учебнике [1]. В данном разделе речь пойдет в основном о балочной неразрезной системе с ездой поверху, эффективной в широком диапазоне длин пролетов автодорожных и городских мостов (40 - 200 м). Длины пролетов больших автодорожных мостов назначаются, как правило, кратными 21 м [3]. В отечественной практике применяют разрезные пролетные строения пролетом 42 и 63 м с двутавровыми главными балками. Такое же сечение возможно назначать в неразрезных пролетных строениях пролетом до 126 м. Но, так как конструкция нижнего пояса в этом случае усложняется, в пролетах длиной 105 м и более эффективным оказывается устройство коробчатого сечения с нижней ребристой плитой. Такое решение рационально и по условиям продольной надвижки пролетного строения. Кроме того, создается возможность герметизации внутренних полостей коробок. Металлоконструкции пролетных строений выполняют сборными из монтажных элементов (блоков), образуемых автоматической и полуавтоматической сваркой на заводе. Массу и размеры блоков назначают, исходя из возможностей использования имеющихся при перевозке и монтаже конструкций кранов и транспортных средств.
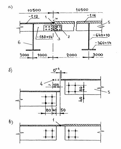
Рис. 1. Монтажные элементы коробчатой конструкции: 1 - консольные блоки ортотропной плиты; 2 - средние блоки ортотропной плиты; 3 главные балки; 4 - блоки нижней ребристой плиты; 5, 6 - поперечные связи; 7 - покрывающий лист; 8 - продольные ребра; 9 - поперечные ребра; 10 - стыки главных балок; 11, 12 поперечные и продольные стыки покрывающего листа (узлы А, Б, В, Г см. на рис. 3) Двухкоробчатая конструкция включает в себя монтажные элементы ортотропной плиты, главных балок, нижней ребристой плиты и поперечных связей (рис. 1). Кроме этого, в комплект входят металлоконструкции смотровых ходов, ограждений проезжей части, перил и др. При такой компоновке все эти элементы поставляют на монтаж отдельно, как бы «россыпью». Снизить трудозатраты монтажных работ и ускорить темп возведения пролетных строений позволяет применение коробчатых блоков полной заводской готовности, состоящих из двух главных балок 3, среднего блока ортотропной плиты 2, блока нижней ребристой плиты 4 и поперечных связей 5 (рис. 1).
Рис. 2. Поперечное сечение пролетного строения с коробчатыми блоками полной заводской готовности. Такое решение принято в «Комплексе унифицированных элементов и блоков стальных пролетных строений с ортотропной плитой пролетами 105 - 147 м (гибкая технология)» (рис. 2 и [1], [4]). До недавнего времени при компоновке, показанной на рис. 1, производили индивидуальное проектирование пролетных строений. Сейчас, как правило, используют унифицированные конструкции по гибкой технологии. Только в отдельных нетиповых ситуациях оправдана индивидуальная разработка пролетных строений. Ортотропную плиту разделяют на монтажные блоки длиной по 8…11 м и шириной 2,0 - 2,5 м. Если средних блоков плиты несколько, их объединяют в укрупненный монтажный блок. Чтобы обеспечить поперечный сток воды с проезжей части, в узлах поперечных ребер ортотропной плиты делают переломы. Поперечные ребра плиты прикрепляют к поперечным ребрам жесткости вертикальных стенок главных балок на болтовых стыках с шагом lн (рис. 1, 3). Продольные и поперечные монтажные стыки покрывающего листа выполняют автоматической сваркой. Но сначала оформляют поперечный стык, где можно осуществить плавный переход от одной толщины покрывающего листа к другой. Затем «встык» сваривают покрывающий лист с верхним поясным, оставив в конце шва роспуск (недовар) длиной 1 м. Чтобы снять остаточные сварочные напряжения, фрикционные стыки продольных ребер оформляют после сварки поперечного стыка покрывающего листа (рис. 4). Так как продольные ребра работают как неразрезные балки, стыки необходимо устраивать в 1/3 - 1/4 их пролета lн. Поэтому поперечные стыки главных балок и ортотропной плиты не совпадают (рис. 1, 4, 5). Еще одно соображение - можно разнести эти стыки, являющиеся концентраторами напряжения, по разным створам. Для унификации и технологичности постоянную (минимальную) толщину покрывающего листа ортотропной плиты желательно предусмотреть по всей длине пролетного строения. Лист нижней ребристой плиты может быть переменной толщины, а ее продольные ребра обычно выполняют более мощными и с большим шагом, нежели продольные ребра ортотропной плиты. Нижние ребристые плиты поступают с завода блоками длиной 8 - 11 м, в которых имеются только продольные ребра. На монтаже листы плиты стыкуют поперечным швом, сверху приваривают «внахлест» к нижним поясам главных балок. После этого вручную или полуавтоматом приваривают поперечные ребра к листу плиты и к поперечным ребрам главных балок. В месте поперечного стыка плиты в продольные ребра вваривают вставки того же сечения длиной 0,4 - 0.5 м. При модуле 21 м главные балки разбивают на блоки длиной 21,0 или 10,5 м. В неразрезных схемах устраивают крайние блоки длиной 10,5 + 0,3 м и 5,25 + 0,3 м соответственно. Обычно выполняют двутавровые главные балки (рис. 1) несимметричного сечения с более развитым нижним поясом. По условиям стыковки с ортотропной плитой делают верхний пояс постоянного сечения. При этом момент инерции сечения в целом (при постоянной высоте балки) можно регулировать, меняя размеры нижних поясных листов, толщину стенок или листов ортотропной и нижней ребристой плит. Как известно, металл в стенках изгибаемых двутавровых балок используется нерационально. Поэтому стенки принято делать из достаточно тонких листов (12...20 мм). Чтобы обеспечить местную устойчивость тонкой стенки, ее подкрепляют системой продольных и поперечных ребер жесткости (рис. 5). Они могут быть односторонними или двухсторонними. Шаг поперечных ребер жесткости должен быть увязан с размещением стыков главных балок и поперечных ребер ортотропной плиты, т.е. соответствовать ее пролету lн. Расстановка продольных ребер жесткости определяется расчетом на местную устойчивость стенки (п. 3.5). Их пропускают сквозь вырезы в поперечных ребрах, а в местах стыков главных балок перекрывают накладками из уголков (рис. 6). Поперечные и продольные ребра можно располагать по разные стороны стенки, чтобы избежать узлов пересечения. Такой прием широко используется в последнее время. Причем продольные ребра, как правило, выносят на фасадные поверхности балок.
Рис. 3. Узлы ортотропной и нижней ребристой плит (узлы А. Б, В, Г обозначены на рис. 1).
Рис. 4. Пример монтажного стыка ортотропной плиты: a - общий вид; б - подготовка для сварки кромок поперечного стыка покрывающего листа; в - стык после сварки; 1 - поперечный сварной стык покрывающего листа; 2 - отверстия в парных накладках, рассверливаемые на монтаже; 3 - прокладка 80×14×160 мм; 4 - технологический припуск на обрезку при подгонке стыкового шва; 5 - продольное ребро; 6 - поперечная балка.
Рис. 5. Фрагмент двутавровой главной балки. Опорные поперечные ребра жесткости делают более мощными, чем промежуточные, чем сечения опорных ребер определяют расчетом. Из эстетических соображений в коробчатых балках полной заводской готовности все ребра жесткости располагают внутри коробки. Снаружи имеются только кронштейны для крепления поперечных ребер консольных блоков ортотропной плиты. Чтобы обеспечить выполнение условий навесного монтажа пролетного строения, как правило, применяют комбинированные (болто-сварные) монтажные стыки главных балок (рис. 6). При других способах монтажа предпочтительны более экономичные цельносварные стыки (рис. 7). Болто-сварной стык оформляют следующим образом. Сначала на парных вертикальных накладках стыкуют стенку и затягивают на нормативные усилия высокопрочные болты. Далее сварочным автоматом заваривают под флюсом на медной подкладке стыки поясов, для чего в стенке имеются овальные технологические вырезы (рис. 8). Первой вваривают компенсационную вставку верхнего пояса, затем накладывают поперечный шов нижнего пояса.
Рис. 6. Комбинированный стык главных балок.
Рис. 7. Конструкция и очередность механизированной сварки монтажного стыка главных балок (цифрами обозначена последовательность наложения швов). После этого в технологические вырезы устанавливают овальные прокладки и накладки на них, затягивают высокопрочные болты. Коробчатые блоки стыкуют аналогично. Отличие состоит в том, что в коробке пояса и плиты не разделены, а также можно сваривать без компенсационной вставки верхний пояс, прирезав по месту поперечного стыка поясной лист. Контактные поверхности во фрикционных соединениях предварительно обрабатывают, для чего традиционно применяют пескоструйную очистку. В последнее время в строительстве автодорожных мостов получил распространение другой способ обработки. Кварцевым песком или дробью обрабатывают только поверхность накладок, нанося на нее клеефрикционное покрытие (посыпая карборундовым порошком на основе полимерного клея), а поверхность самих элементов обрабатывают стальными щетками. Такая технология позволяет сократить объем пескоструйной очистки и не требует консервации поверхностей. Строительный подъем пролетного строения образуется за счет переломов в стыках главных балок. Для этого назначаются соответствующие размеры рисок a и b болтовых рядов на накладках (рис. 6). В незамкнутом коробчатом сечении нижняя ребристая плита отсутствует. Оно существенно несимметрично относительно нейтральной оси, положение которой высоко.
Рис. 8.
Технология выполнения монтажных стыков поясов главных балок: Поэтому могут потребоваться достаточно мощные сечения нижних поясов главных балок, так что одного поясного листа (максимального практического размера 1000×40 мм) может не хватить. В этом случае можно сварить пакет из двух листов (рис. 9). Стык главных балок в этом случае имеет только ввариваемую верхнюю вставку, а нижний пояс - стык на накладках и высокопрочных болтах. Но заметим, что такое решение не подходит в случае продольной надвижки пролетного строения. Если высота балки переменна или превышает 3,6 м, возникает необходимость продольного монтажного стыка стенки (пример на рис. 10, а). Стык делают на парных накладках и высокопрочных болтах. Для пропуска накладок в поперечных ребрах жесткости оставляют проемы, которые необходимо перекрыть накладками соответствующей площади (для жесткости обычно ставят одиночные либо парные уголки). Возможны и другие решения. Например, блок ортотропной плиты, расположенный над стенкой, можно изготовить с повышенным продольным ребром. Высота ребра должна быть не меньше высоты поперечных ребер плиты. При монтаже повышенное продольное ребро соединяют с верхним поясом балки продольным стыком (рис. 10, б). В этом случае части коробки (главные балки) можно выполнить в виде L-образных блоков. В опорных зонах коробок устраивают сплошностенчатые диафрагмы. Они могут выполнять разные функции в зависимости от расположения опорных частей в поперечнике пролетного строения. При установке опорной части под каждой вертикальной стенкой диафрагмы играют роль домкратных балок. Они предназначаются для поддомкрачивания пролетного строения и рассчитываются на опорные реакции от его веса. Если есть нижняя ребристая плита, ее продольные ребра пропускают сквозь вырезы в стенке домкратной балки. Домкратные балки обычно бывают одностенчатой двутавровой конструкции и прикрепляются к опорным ребрам жесткости главных балок на накладках и высокопрочных болтах. Чтобы уменьшить объем кладки опор и сократить число опорных частей, их можно установить по осям коробок под опорными диафрагмами. В этом случае домкраты на монтаже устанавливают под главными балками, а опорная диафрагма воспринимает уже все эксплуатационные нагрузки. Так как последние могут быть весьма значительными, иногда возникает необходимость устройства двухстенчатых диафрагм (рис. 11). Для прохода и работы людей в диафрагмах делают круглые или овальные отверстия, усиленные обечайками.
Рис. 9. Фрагмент главное балки при незамкнутом коробчатом сечении. Диафрагмы изготавливают на заводе в виде отдельных монтажных блоков, включающих части нижней ребристой плиты.
Рис. 10. Продольный стык главной балки переменной высоты (а) и развитие высоты главной балки устройством блока ортотропной плиты с повышенной высотой (б) По длине пролета через 6 - 12 м устраивают поперечные связи между главными балками. Каждую из них изготовляют в виде единого сварного монтажного блока из одиночных или сдвоенных уголков, прокатных или сварных тавров. Для обеспечения независимой работы ортотропную плиту и связи обычно делают раздельными.
Рис. 11. Конструкция двухстенчатой опорной диафрагмы.
Рис. 12. Поперечные связи. Плоские сварные рамы связей присоединяют высокопрочными болтами к поперечным ребрам стенок (рис. 12). Внутри коробок поперечные связи из уголков или тавров приваривают к поперечным ребрам балок и к фасонкам нижней плиты (рис. 1, 3). При незамкнутом коробчатом сечении появляется необходимость в нижних продольных связях, которые делают так же, как в сталежелезобетонных пролетных строениях автодорожных мостов [1]. Особенностью пролетных строений, предназначенных для северных условий, является полное отсутствие монтажной сварки, а также некоторых заводских сварных соединений. В таких пролетных строениях все монтажные стыки выполняются на высокопрочных болтах, а связи к фасонкам прикрепляют заклепками либо высокопрочными болтами. 2. КОНСТРУИРОВАНИЕ ПРОЛЕТНЫХ СТРОЕНИЙ2.1. Общие положенияСтатическую систему пролетного строения и схему разбивки его на пролеты выбирают на этапе составления вариантов моста. При этом эскизно назначают геометрические размеры, и для сравнения вариантов определяют массу металла основных элементов пролетного строения, используя главным образом данные об объектах-аналогах [1], [4]. Для принятого варианта моста необходимо с такой степенью детализации сконструировать пролетные строения, чтобы их без затруднений можно было изготовить на заводе и смонтировать на месте. Процесс конструирования представляет собой составление рабочих чертежей КМ, т.е. компоновочных чертежей конструкции, с назначением формы и размеров всех частей и проработкой всех ее узлов. Этот процесс производится с учетом конструктивных и технологических требований и ограничений, под контролем поверочных расчетов, в результате которых уточняются геометрические параметры конструкции. Порядок конструирования и расчета следующий: 1) при заданной разбивке на пролеты предварительно назначают генеральные размеры конструкции и сечения основных ее элементов; 2) производят конструирование и расчет на местную нагрузку ортотропной плиты проезжей части; 3) выполняют расчет по прочности, устойчивости, выносливости и деформациям главных несущих элементов, в результате чего уточняют их сечения; 4) конструируют и рассчитывают стыки и соединения металлоконструкций; 5) разрабатывают прочие элементы пролетного строения (смотровые приспособления, опорные части, деформационные швы, конструкции тротуаров и перил и др.); 6) выпускают чертежи КМ со спецификациями деталей и паспортом пролетного строения. При неудовлетворении условиям одного из предельных состоянии или заданным технологическим условиям, при конструктивных ограничениях, «плохих» значениях параметров, нестыковке элементов пролетного строения между собой и в других подобных ситуациях на этапах 2 - 5 проектировщики возвращаются на один из предыдущих этапов, корректируя соответствующие данные. 2.2. Назначение основных размеров конструкцииСначала необходимо наметить схему разбивки пролетного строения на монтажные блоки главных балок и ортотропной плиты, руководствуясь требованиями и примерами, приведенными в разделе 1 данного пособия. При нестандартной длине пролетов (не кратной 21 или 10,5 м) назначают произвольную длину блоков (в диапазоне 8 - 24 м). В любом случае необходимо стремиться к максимальной унификации элементов и не забывать о строительном подъеме. Разбивка балки на блоки должна быть такой, чтобы за счет переломов продольного профиля нижнего пояса в стыках по возможности ближе вписать его в кривую, обратную линии прогиба балки. При этом поперечные стыки главных балок и плит не должны попадать в опорные сечения неразрезных пролетных строений. Кроме того, необходимо учитывать способ монтажа пролетного строения, а именно: назначать размеры блоков, сообразуясь с грузоподъемностью кранов. При навесном монтаже с двух концов неразрезных балок следует предусмотреть в середине замыкающий блок. В случае неразрезной балочной системы необходимо принять решение об устройстве балки постоянной либо переменной высоты. Вопрос трудно решить однозначно. В балке с переменной высотой более рационально распределен материал, у нее более привлекательный архитектурный облик (особенно по вертикальной кривой). Но по условиям изготовления и монтажа постоянная высота может оказаться оправданной даже при пролетах, близких к 200 м. Например, одно из таких пролетных строений было разработано Гипротрансмостом по схеме 147 + 2×189 + 147 м при постоянной высоте 4,8 м. Далее приступают к компоновке поперечного сечения балки. Заметим, что единственно правильный путь решения этой задачи невозможен. К числу переменных параметров конструкции относятся высота балки h, число стенок n, расстояния между ними а, b, с, наличие нижней ребристой плиты и другие (рис. 1). Следовательно, масса металла пролетного строения является некоторой функцией вида Q = f(h, п, а, b, с, р), где р - прочие параметры конструкции. Аналитическую форму этой функции установить сложно. Поэтому задачу оптимальной компоновки сечения, при которой функция Q достигает минимума, решают пробным проектированием пролетного строения с различными вариантами компоновки поперечного сечения. При составлении курсовых и дипломных проектов такой подход реализовать сложно. Но, руководствуясь изложенными ниже соображениями, можно назначить параметры сечения. Заданным параметром сечения является ширина ортотропной плиты поверху, вычисляемая по формуле
где Г - заданный габарит проезжей части; Т - ширина тротуара; т - ширина ограждения проезда (т = 0,4 - 0,6 м). В эту ширину В и нужно вписать коробчатое сечение, параметры которого связаны следующими зависимостями (рис. 1): для однокоробчатого сечения: В = 2a + b для двухкоробчатого сечения: В = 2а + 2b + с и т.д. Поэтому надо сразу же определить тип коробки: будет ли она составная (рис. 1) либо полной заводской готовности (рис. 2). В первом случае при ширине плиты В до 20 м возможно однокоробчатое сечение с расстоянием между стенками b до 8 - 10 м. Но при этом могут получиться длинные консоли ортотропной плиты а. Их придется устраивать из нескольких блоков, а также появится необходимость подкосов (рис. 2). Из цельноперевозимых коробчатых блоков компонуют сечение с 2 - 4 коробками. При габарите проезда более 20 м рекомендуется устраивать раздельные пролетные строения для каждого направления движения. Считается целесообразным в пределах сечения коробки располагать 1 - 2 блока ортотропной плиты, между балками - не более 4 блоков, а в пределах консолей плиты - 1 - 3 блока (лучше всего один). Нужно стремиться к применению блоков единой унифицированной ширины b0. Тогда компоновочные параметры ортотропной плиты при определенном числе и типе главных балок можно подобрать, исходя из зависимости (рис. 1 и 2)
где n1, n2 - соответственно число блоков главных балок и плиты. Ширина коробчатых блоков bn и блоков ортотропной плиты b0 ограничивается условиями их перевозки конструкций железнодорожным транспортом (прил. 1). Обычно ширина блоков назначается в пределах 2,2 - 2,5 м и не более 2,7 м. Еще один вопрос, который необходимо решить - устройство нижней ребристой плиты. В коробчатых блоках полной заводской готовности плита обязательна при пролетах неразрезных балок длиной 105 м и более. В составных коробках при длине пролета менее 126 м плиту, как правило, не делают. При пролетах длиной 126 м целесообразно чередовать по длине блоки коробчатых балок замкнутой и незамкнутой формы. При больших длинах пролетов, а также при переменной высоте балок обычно назначают замкнутое коробчатое сечение по всей длине пролетного строения. Выбор высоты конструкции h определяется рядом факторов, главными из которых являются: необходимость уложиться в заданную строительную высоту; минимизация расхода стали; обеспечение выполнения нормативных требований к вертикальной жесткости пролетного строения; условия перевозки конструкций с завода и др. Оптимальную высоту изгибаемой коробчатой конструкции, исходя из условия минимума ее веса при полном использовании прочности материала, можно определить по формуле 3
где М1 - полный расчетный изгибающий момент, воспринимаемый сечением; R - расчетное сопротивление стали; п - число стенок; α - коэффициент, учитывающий количество горизонтальных ребер жесткости (α = 1/(пр + 1), где пр - число ребер жесткости); ψс, ψп значения соответствующих строительных коэффициентов веса для стенок и поясов коробки; Е - модуль упругости стали; k - коэффициент, учитывающий характер закрепления стенки по контуру и соотношение ее размеров; μ - коэффициент Пуассона. С другой стороны, оптимальная высота коробчатой балки может быть получена из условия минимума веса при предельно допустимом относительном прогибе [f/l].
где M2, - изгибающий момент от нормативной временной
нагрузки; η - обобщенная мера
жесткости, связывающая жесткость конструкции с ее прочностью, ηf = AE[f/l]/(2l); А - коэффициент, зависящий
от характера нагрузки и расчетной схемы балочной конструкции (для разрезных
балок А = 9,6, для неразрезных А = 48 при равномерном распределении
нагрузки); l пролет балки; с
- коэффициент, равный Из двух значений
оптимальной высоты балки h*, полученных по формулам (3) и (4),
выбирают значение не меньше Для создания поперечного сточного уклона (2 %) в составных коробках внутреннюю стенку делают большей высоты, чем наружную. В цельноперевозимых коробках верхний пояс выполняют горизонтальным, а поперечный уклон проезжей части обеспечивается за счет переменной толщины покрытия над коробкой. Пример 1. Определим оптимальную высоту коробчатых балок неразрезного пролетного строения по схеме 84 + 2×126 + 84 м, проектируемого из стали марки 15ХСНД под нормативную подвижную нагрузку А11 при габарите моста Г-11,5 + 2×1,5 м. Расчетная постоянная нагрузка от собственного веса пролетного строения составляет [4] g = [(2192,5/420,6)·1,1 + (11,5·0,07 + 2·1,5·0,04)·2,2·1,5·9,81 = 86,2 кН/м. Временная подвижная распределенная нагрузка A11: p = 0,98·К·nn(1 + μ)·γf·[1 + (nn - 1·S1] = 0,98·11·2·1,06·1,2·[1 + (2 - 1)·0,6] = 43,9 кН/м, где 1 + μ = 1 + 15/(37,5 + λ) = 1 + 15/[37,5 + (126 + 84)] = 1,06. Суммарная расчетная распределенная нагрузка q = g + p = 86,2 + 43,9 = 130,1 кН/м. Нормативная временная нагрузка A11 рн = р/(1 + μ)·γf = 43,9/(1,06·1,2) = 34,5 кН/м. Максимальные значения изгибающего момента: от расчетных нагрузок М = 0,1ql = 0,1·130,6·1262 = 206547 кН·м; от нормативной нагрузки А11 M = 0,1рн l = 0,1·34,5·1262 = 54772 кН·м; Величины, входящие в формулу (3), в данном случаи имеют следующие значения: R = 2,95·105 кН/м2; п = 4; пр = 2; α = 1/(2 + 1) = 0,33; ψс = 1.25; ψп = 1,4; Е = 2,06·108 кН/м2; μ = 0,28; μ2 = 0,92; k = 4. Подставляя все эти значения в (3), получаем:
Для определения значения
оптимальной по жесткости высоты балки ηf = 48·2,06·108·(2·126·400) = 9,81·104 кН/м3; ε = 1,3·[9,81·104·0,92/(2,06·108·4)]1/2 = 1,36·10-2 м-1/2 Подставляя соответствующие значения в (4), получаем:
Высота коробчатых балок h = 3,16 м, принятая в проекте комплекса пролетных строений гибкой технологии [4], занимает промежуточное положение между оптимальными значениями, рассчитанными по двум условиям, и составляет примерно 1/40 длины пролета. 2.3. Конструирование деталейПроектирование стальных мостовых конструкций необходимо производить с учетом возможностей технологического оборудования, разделяя конструкции на монтажные блоки, исходя из условий выполнения максимального объема работ на заводе-изготовителе. Следует предусмотреть в основном применение автоматической сварки под флюсом и фрикционных соединений на высокопрочных болтах. Этим обеспечивается удобство сборки. Необходимо унифицировать применяемый прокат с минимальными отходами, монтажные блоки и элементы, а также узлы и расположение болтовых отверстий. Для уменьшения числа соединительных сварных швов сечения составных элементов следует проектировать конструкции из минимального числа деталей. В них не должно быть соприкасающихся несоединенных частей (кроме мест примыкания ребер жесткости к поясам балок), а также щелей, зазоров, пазух и корыт. В местах возможного скопления влаги следует предусмотреть дренажные отверстия диаметром не менее 50 мм. Непосредственная приварка вспомогательных деталей (элементов перил, тротуаров, смотровых ходов и т.д.) к несущим элементам пролетного строения не допускается. Приваривать эти детали следует только к поперечным ребрам жесткости. Сечения элементов. Наименьшая толщина деталей пролетных строений принимается по расчету, но не менее указанной в табл. 1. Таблица 1
Примечание: в скобках указан размер для фланцевых прикреплений. В рассматриваемых конструкциях в основном применяют листовом прокат толщиной 8, 10, 12, 14, 16, 20, 25, 32 и 40 мм. Наибольшая допустимая толщина проката: в сварных элементах из углеродистых и низколегированных сталей - 60 мм; в стыковых накладках и узловых фасонных листах при применении фрикционных соединений - 16 мм. Сечения поясных листов сварных двутавровых балок назначают из условия устойчивости полок и стенок изгибаемых элементов, не подкрепленных ребрами жесткости (п. 4.45 [3]). Принимая ориентировочно отношение ширины листа пояса к его толщине, надо помнить, что оно не должно быть больше 30 и 25 для элементов из углеродистой и низколегированной стали соответственно. Примеры сечений листов: 400×16, 560×25, 800×32 мм. Если требуемая толщина пояса сварной балки превосходит 60, 50 и 40 мм (в конструкциях обычного, северного А и Н исполнения соответственно), допускается применение в поясах пакетов из двух листов. Менять сечение пояса следует в зоне расположения стыков. предусматривая скосы по ширине или по толщине. При необходимости возможны скосы и по ширине, и по толщине с уклоном 1:8 для растянутого пояса и 1:4 - для сжатого. В этом случае следует использовать листы с разницей по ширине не меньше, чем 100 мм. В автодорожных и городских мостах допускаются пакеты из листов одинаковой ширины. Наружный лист пакета пояса, обрываемый в пролете балки, следует продолжить за место его теоретического обрыва на длину, обеспечивающую прикрепление 50 % площади листа. При этом толщина листа на конце не должна быть меньше 10 мм; также необходимо предусмотреть скосы листа (рис 9). Ортотропная плита. В автодорожных и городских мостах следует проектировать одноярусную ортотропную плиту с продольными ребрами открытого сечения из полос с фасонными или сварными коробчатыми ребрами. Минимальную толщину покрывающего листа в автодорожных мостах можно определить по методике Клеппеля, который исходил из ограничения прогиба листа под местной нагрузкой:
где а расстояние между продольными ребрами; Р - максимальное давление на лист от сосредоточенной нагрузки, определяемое с учетом его распределения конструкцией полотна; 4 = 7,8 или 15,6 - значения коэффициента, принимаемые при продольных ребрах полосового и фасонного профилей соответственно; Е - модуль упругости стали. Размеры полосовых продольных ребер устанавливаются расчетом по устойчивости (п. 3.2). Без расчета отношение высоты ребра к его толщине не должно превышать 12. При минимальной толщине покрывающего листа в 12 мм принимается расстояние между продольными ребрами а = 350 - 400 мм. При таких параметрах плиты расстояние между поперечными ребрами, допустимое по прочности полосовых продольных ребер, не должно превышать 3.5 - 4,0 м. Увеличить это расстояние (и соответственно уменьшить число и материалоемкость поперечных балок, их стыков) позволяют сварные коробчатые продольные ребра (см. [1]). Размеры ребер в этом случае назначают, ориентируясь на типовые размеры коробчатых элементов решетчатых ферм, которые сваривают на заводе. Вместе с тем в коробчатых ребрах усложняются стыки и доступ для осмотра во внутренние полости коробок. Поэтому все же предпочтительнее полосовые продольные ребра. Для стыковки с ортотропной плитой верхние пояса коробчатых балок должны быть постоянной ширины. Присоединение покрывающего листа к поясам сварными швами внахлестку не допускается. Также недопустимы монтажные стыки ортотропной плиты с обрывом ребер в их зоне. Ребра жесткости. Гонкие стенки (толщиной 10 - 25 мм) коробчатых балок подкрепляют системой продольных и поперечных ребер жесткости. В связи с высокой трудоемкостью изготовления на заводе таких конструкций следует стремиться к постановке минимального числа ребер. По этой же причине в ряде случаев, несмотря на перерасход металла, более целесообразны стены толщиной 32 - 50 мм без ребер жесткости вообще. Читателю предлагается самостоятельно исследовать этот вопрос, пользуясь литературой, изданной за рубежом, и немногими переводными изданиями. При тонких стенках в местах передачи вертикальных сосредоточенных сил, расположения поперечных связей и прикрепления поперечных ребер (балок) ортотропной и нижней ребристой плит необходимо предусмотреть поперечные ребра жесткости из полос, уголков или тавров. Промежуточные поперечные ребра следует предусматривать в соответствии с расчетом местной устойчивости стенки на всех стадиях работы конструкции (п. 3.5). Продольные ребра жесткости следует применять лишь в тех случаях, когда не обеспечивается местная устойчивость стенки за счет одних поперечных ребер жесткости, а увеличение толщины стенки нецелесообразно. При отсутствии давления местной нагрузки на пояс балки продольные ребра следует располагать на следующих расстояниях от сжатого пояса: при одном ребре - (0,20 - 0.25)hн; при двух или трех ребрах: первое ребро - (0,15 - 0,20) hн: второе ребро - (0,40 - 0,50) hн; третье ребро следует располагать, как правило, в растянутой зоне стенки (здесь hн - полная высота стенки). В пролетных строениях мостов всех назначений допускается размещать ребра на одной стороне стенки, а также односторонние поперечные и продольные ребра с разных сторон стенки. Ширина выступающей части bh для парного симметричного ребра должна быть не менее (hw/30) + 40 мм, для одностороннего ребра - (hw /24) + 50 мм. Толщина ребра ts, не должна быть меньше 2bh; Rv/E. где Rv - расчетное сопротивление стали. Моменты инерции сечений поперечных ребер жесткости должны удовлетворять требованиям табл. 2, а продольных - табл. 3. В табл. 2 обозначены: Is - момент инерции поперечного ребра: tн - толщина стенки балки; а - расстояние между осями поперечных ребер жесткости. В табл. 3 обозначены: h1 - расстояние от оси продольного ребра жесткости до оси ближайшего пояса; Iv - момент инерции сечения продольного ребра. Момент инерции ребер жесткости вычисляется относительно нейтральной оси составного сечения, в котором входят сами ребра (плоские, уголковые, тавровые) и примыкающие участки стенки шириной по b1 = ξ1lw где коэффициент ξ1 равен 14, 12 и 11,5 для стали 16Д, 15ХСНД и прочих низколегированных сталей соответственно. При необходимости постановки поперечных ребер с большим моментом инерции следует использовать их в виде уголков или тавров. Продольные ребра из уголка допускается применять внутри коробок, при этом вертикальная полка должна быть повернута вниз. В местах передачи сосредоточенных сил следует предусматривать пригонку торцов поперечных (опорных) ребер жесткости к листу нижнего пояса балки. Сечение опорных ребер проверяется расчетом по прочности и устойчивости. В местах примыкания ребер к поясам балки и к ребрам жесткости другого направления необходимо предусмотреть скругленные вырезы высотой 120 мм и шириной 50 мм. У опорных ребер жесткости допускается уменьшать ширину выреза до 30 мм, а высоту - до 50 мм. Таблица 2
Таблица 3
Торцы поперечных ребер жесткости балки, к которым прикрепляются поперечные ребра ортотропной плиты, необходимо приварить к поясам балки независимо от типа исполнения конструкций (обычное, северное А или Б) и знака напряжений в поясе. Допускается устройство обрывов промежуточных поперечных ребер на стенке вблизи поясов с выполнением на концах ребра выкружки и их механической обработки вместе с концами швов. Это делают, чтобы получить плавные переходы к стенке балки радиусом не менее 60 мм. Ребра жесткости надо прикрепить к стенке сплошными двухсторонними швами. В пролетных строениях всех назначений и исполнений в местах пересечения ребер жесткости необходимо пропускать непрерывные продольные ребра и их швы. Поперечные (кроме опорных) надо прерывать и прикреплять к ним угловыми швами или делать в них прорези. В местах болтовых поперечных стыков продольные ребра, как правило, перекрывают накладками из уголков. Пример 2. Подберем сечения ребер жесткости для неразрезной коробчатой балки переменной высоты: в середине пролета 3.0 м при толщине стенки 12 мм, на опорах 8.0 м при толщине стенки 25 мм. Шаг парных поперечных ребер жесткости 3.0 м с промежуточными ребрами через а = 1,5 м. Расстояние между продольным ребром и поясом балки h1 - 0,8 м. Материал балки сталь марки 15ХСНД. Определяем размеры парных поперечных ребер в зоне стенки высотой hn = 3,0 м: bh = 3000/30 + 40 = 140 мм; Is = 2·140·(2,95·105/2,06·108) = 10,6 мм = 12 мм. При a/h = 1,5/3,0
= 0,5 необходимое значение момента инерции ребра по табл. 2 составляет Iv = 2,8hw Is = 288·128 + 2·12·1403/12 +12·140·762 - 15235152 м = 1,52·105 м Размеры односторонних (промежуточных) поперечных ребер в той же зоне стенки: bh = 3000/24 + 50 = 180 мм. Is = 2··180·(2,95·105/2,06·108)1/2 = 13,6 мм = 14 мм. Момент инерции одностороннего ребра Is = 2,03·105 м оказался даже большим, нежели у двухстороннего (рис. 13. б). В зоне стенки высотой 8 м при a/hw = 1,5/8,0 = 0,188 необходимее значение момента инерции ребра равно Is = 6,60·8,0·0,025 = 8,25·104 м. Если ставить парные полосовые ребра, то они получатся размером 300×60 мм, что неприемлемо. Необходим переход на ребра таврового сечения (рис. 13, в), момент инерции которых равен 9,61·104 м4. Наконец, в зоне стенки высотой 3 м при h1/hw = 0,8/3,0 = 0.267 требуемое значение момента инерции продольною ребра жесткости по табл. 3 равно: Is = (1,5 - 0,4·1,5/3,0)·1,52·0,0123/3,0 = 1,68·10-6 м4. Минимальное значение момента инерции:
Фактический момент инерции продольного ребра Isl = 8,0·10-6 м4 (рис 13. г). Связи. Поперечные сечения элементов продольных связей устанавливаются их расчетом на действие ветровой нагрузки, а поперечных связей - пространственным расчетом пролетного строении с учетом неравномерности распределения временной нагрузки между стенками главных балок. При этом гибкость связей не должна превышать значений, указанных в табл. 4.
Рис. 13. Поперечные сечения ребер жесткости (к примеру 2). Таблица 4
Примечание: размеры в скобках даны для связей в пролете. Распорки и диагонали продольных связей, распорки поперечных связей не допускается приваривать непосредственно к поясам балок пролетных строений всех назначений. Для автодорожных, городских и пешеходных пролетных строений при крестовой и полураскосной системах продольных связей для фасонок, привариваемых к стенке в тавр. необходимо предусматривать мероприятия по снижению концентрации напряжений (полное проплавление всей толщины фасонки и плавный переход к стенке за счет выкружки радиусом не менее 60 мм с механической обработкой). Чтобы обеспечить устойчивость и устранить колебания пояса относительно стенки надо поставить на стенке балки поперечные ребра жесткости в плоскости каждого узла связей. Указанные фасонки и их швы следует устраивать непрерывными, если они пересекаются с поперечными ребрами жесткости. Приварку элементов поперечного ребра жесткости к фасонке надлежит осуществлять угловыми швами с отношением катетов 1:2 (больший катет - на фасонке) и плавным переходом к основному металл) фасонки. Элементы связей, привариваемые внахлестку к фасонкам, следует прикреплять двумя фланговыми и двумя лобовыми швами, а связей в виде парных симметричных уголков - двумя фланговыми и одним лобовым швами. Расстояния между швами прикрепления элементов связен и швами, прикрепляющими фасонки к стенке балки, а также к поперечным ребрам жесткости, не должны быть менее 60 мм. 2.4. Сварные, фрикционные и комбинированные соединенииВ соединениях металлоконструкций мостов применяется сварка встык и сварка угловыми швами (фланговыми и лобовыми). Комбинированные стыки, в которых одновременно применяют сварку встык и усиление накладками, приваренными фланговыми или лобовыми швами, в пролетных строениях мостов не применяют вследствие сниженной выносливости таких соединений. Швы встык, как правило, выполняют двухсторонними, независимо от формы подготовки кромок. Толщина стыкового шва не должна быть меньше толщины свариваемых листов. Угловые швы, как правило, должны быть с вогнутым очертанием поверхности и плавным переходом к основному металлу. Лобовые швы следует проектировать неравнобокими с большим катетом, направленным вдоль усилия. При этом рекомендуется отношение большего катета к меньшему, равное 2. Размеры угловых сварных швов следует назначать возможно меньшие из расчета по прочности и выносливости (п. 3.6). Длина углового лобового или флангового шва не должна быть меньше 60 мм и не менее шестикратного размера катета шва. Чтобы не допускать значительную концентрацию напряжений, необходимо избегать резкого изменения сечений, входящих углов и других концентраторов напряжений, обеспечивая плавный переход от металла шва к основному металлу за счет скругления деталей и механической обработки. В конструкциях автодорожных, городских и пешеходных мостов допускается сварка продольными непрерывными швами цельных (без стыков по длине) тавров и двутавров между собой и с листом, прикрепляемым встык или в тавр к стенке профиля или двумя угловыми швами к кромкам полки профиля. Также допускается приварка узловых фасонок и фасонок связей к стенке профилей с выполнением указанных выше мероприятий по снижению концентрации напряжений у концов фасонок. Возможна приварка ребер жесткости только к стенкам тавров или двутавров. В соединениях, работающих на отрыв, обязательно надо обеспечить полное проплавление швов. Применение узлов с работой на отрыв деталей пакета, образованного с помощью нахлесточных угловых сварных швов, не допускается. Также необходимо исключить прерывистые швы для соединения отдельных деталей и прикрепления элементов конструкций. Таблица 5
Таблица 6
В северных условиях некоторые сварные соединения заменяют заклепочными. Однако не следует применять комбинированные соединения, в которых часть усилий воспринимается сварными швами, а часть - заклепками. Также не допускается совместная работа сварных швов и фрезерованных торцов опорных ребер жесткости. В конструкциях с фрикционными соединениями надо обеспечить возможность свободной постановки высокопрочных болтов, плотного стягивания пакета болтами и закручивания гаек с применением сборочных ключей, злектрогайковертов и динамометрических ключей, т.е. необходимо «место под ключ» (прил. 2). Номинальные диаметры отверстий под высокопрочные болты во фрикционных соединениях приведены в табл. 5. Болтовые соединения следует проектировать с возможно более компактным расположением высокопрочных болтов по указаниям табл. 6, где обозначены: d - номинальный диаметр болта: t - толщина наиболее тонкой детали, расположенной снаружи пакета листов. При размещении болтов и конструировании стыков необходимо ориентироваться на применение заводских кондукторов для рассверловки отверстий со стандартной сеткой, например, сеткой 80×80 мм для высокопрочных болтов диаметром 22 мм. Размещать ряды болтовых отверстий в прокатных профилях следует по рискам, приведенным в сортаменте. Высокопрочных болтов должно быть не менее двух в прикреплениях связей, а также в каждом продольном ряду прикрепления или стыковой накладки (считая от оси стыка). Число болтов в направлении вдоль усилий должно быть минимальным. В продольных и поперечных стыках стенок балок допускается располагать болты с каждой стороны стыка в один ряд. Стыки вертикальной стенки балки должны быть перекрыты накладками по всей высоте. Стыковые накладки уголков допускается выполнять в виде плоских листов. На комбинированные (болто-сварные) стыки распространяются все изложенные выше требования как к сварным, так и к болтовым соединениям. 2.5. Опорные части балочных пролетных строений Согласно СНиП [3] балочные пролетные строения пролетами свыше 25 м должны иметь подвижные опорные части шарнирно-каткового или секторного типа. Данные о типовых опорных частях и указания по их подбору приведены в [4]. Если типовые опорные части по той или иной причине не подходят, разрабатывают опорные части индивидуальной конструкции. В последние годы на смену традиционным литым опорным частям пришли опорные части новой, более совершенной конструкции - тангенциальные и шаровые сегментные с применением антифрикционных материалов. Данные о них также можно взять из учебного пособия [4]. В стальных коробчатых пролетных строениях опорные части возможно устанавливать под каждой стенкой коробки либо в промежутках между стенками при опирании через поперечные диафрагмы (рис. 11). При расстоянии между осями крайних опорных частей, расположенных на одной опоре, свыше 15 м следует устраивать двояко-подвижные опорные части. Нижние балансиры неподвижных опорных частей и плиты подвижных опорных частей должны быть закреплены на опорах анкерными болтами. В некоторых схемах пролетных строений при эксплуатации моста могут возникнуть отрицательные опорные реакции (обычно на крайних опорах). На этот случай проектируют специальные анкерные устройства с (так называемыми «отрицательными») подвижными опорными частями, которые заделывают в опору. 3. РАСЧЕТ ПРОЛЕТНОГО СТРОЕНИЯ3.1. Порядок расчетаКонструирование пролетного строения сопровождается расчетом (играющим поверочную роль) на всем своем протяжении. Расчет состоит из следующих основных этапов: 1. Расчет проезжей части, начиная с мест непосредственного приложения временной подвижной нагрузки. 2. Назначение расчетной схемы основных несущих элементов пролетного строения и определение постоянных нагрузок от его веса после того, как заданы сечения элементов. 3. Построение линии влияния усилий в поперечных сечениях несущих элементов и получение огибающих эпюр усилий для стадии эксплуатации моста путем загружения линий влияния постоянными и временными нагрузками невыгодным образом. 4. Поверочный расчет принятых сечений несущих элементов на прочность, устойчивость, выносливость и по деформациям. При существенном расхождении (как в большую, так и в меньшую сторону) расчетных и предельно допустимых значений напряжений и перемещений корректируют отдельные сечения несущих элементов (могут быть изменены и компоновочные решения пролетного строения). После чего возвращаются на этап 2 (а при необходимости и на этап 1), повторяя все действия по этап 4 включительно. 5. Расчет пролетного строения в стадии строительства с возращением при необходимости на один из предыдущих этапов. 6. Расчет связей, монтажных стыков, деталей и соединений. 7. Разработка схемы расстановки опорных частей, определение их требуемых параметров, расчет опорных частей индивидуальной проектировки. Поскольку в пролетных строениях рассматриваемого типа ортотропная плита является одновременно и проезжей частью, и верхним поясом основного несущего элемента, в покрывающем листе и продольных ребрах плиты возникают напряжения двух видов: 1) от работы плиты на местную нагрузку, которая создается колесами транспортных средств; 2) от работы плиты в составе основного сечения главных балок. Поэтому на этапе 1 расчета определяют только первую составляющую продольных напряжений в элементах плиты. Вторую составляющую определяют на этапе 4, после чего, суммируя эти две составляющие, проверяют прочность и устойчивость плиты в составе всего сечения, при необходимости возвращаясь на этап 1. Второе важное обстоятельство, которое нельзя не учитывать, особенно для неразрезных сплошностенчатых балок, заключается в том, что в своей работе пролетное строение проходит две основные стадии: строительства и эксплуатации. В зависимости от принятого способа монтажа в возводимом пролетном строении могут возникать усилия, существенно превосходящие эксплуатационные. В этом случае необходимо либо перейти на другой способ монтажа, либо учесть повышенный уровень усилий, действующих в строительной стадии, добавив металл. Последнее решение, как правило, нерационально, так как добавленный металл при эксплуатации является «лишним». Поэтому можно разработать соответствующие решения по снижению монтажных усилий, или по временному усилению пролетного строения (неполная сборка, шпренгели, аванбеки и др.), или по регулировке усилий в пролетном строении в процессе монтажа. Эти вопросы решаются на этапе 5 расчета, в результате чего также может появиться необходимость возвратиться на этапы 2(1) - 4. В современных условиях большинство расчетов, перечисленных выше, выполняют с помощью компьютера. Студентам для использования в курсовых и дипломных проектах также предлагается набор необходимых программных средств (прил. 3). 3.2. Расчет ортотропной плиты на прочность и устойчивостьМетод расчета ортотропной плиты должен учитывать совместную работу покрывающего листа, продольных и поперечных ребер плиты и главных балок пролетного строения. Наиболее близко отражает реальный характер работы пролетного строения пространственный расчет на основе численного метода конечных элементов (МКЭ). Вместе с тем данный метод достаточно сложен. Наиболее же простым подходом является разложение ортотропной плиты на отдельные продольные и поперечные разрезные балки, но он пригоден лишь для грубых прикидочных расчетов.
Рис. 14. Схемы и линии влияния к расчету ортотропной плиты. Имеется ряд методов расчета, по точности и трудозатратам занимающих промежуточное положение между указанными выше методами [2]. Их можно подразделить на две основные группы. К первой относятся методы, в которых плита представляется в виде конструктивно-анизотропной пластины, и используются аналитические решения теории пластин. Во вторую группу входят методы, основанные на представлении ортотропной плиты в виде плитно-балочной конструкции либо на замене ее балочным ростверком. Именно такой принцип принят в расчетной методике прил. 18 СНиП 2.05.03-84*. Он предполагает представление ортотропной плиты в виде системы продольных и поперечных ребер (рис. 14). В состав сечения продольного ребра вводится участок покрывающего листа шириной а, где а - расстояние между продольными ребрами. Ширина листа, учитываемая в составе сечения поперечного ребра, принимается минимальной из двух значений: l или 0.2L, где l и L - соответственно шаг и пролет поперечных ребер. При этом расчетная схема продольного ребра представляет собой неразрезную балку, опирающуюся на упруго-податливые опоры, а поперечного ребра - однопролетную балку, загруженную реакциями опор продольных ребер. Расчет плиты на прочность. При расчете продольных ребер плиты на местный изгиб между поперечными ребрами временная подвижная нагрузка (например, A11 или НК-80 для автодорожного моста) должна соответствовать нагрузке, принятой в расчете главных балок. Усилия в продольных ребрах плиты определяют следующим образом. Вначале ребро, над которым располагают колеса временной нагрузки, рассматривается как неразрезная балка на жестких опорах, которыми являются поперечные ребра плиты (рис. 14, а). При расположении поперечной оси колеса по оси продольного ребра усилие, передаваемое на одно ребро, будет равно
где ω - площадь отвечающего d1 участка линии влияния давления на одно продольное ребро в середине панели (см. рис. 14, ж); d1 - ширина распределения нагрузки Р/2, равная при толщине покрытия h;
Для расчетной схемы продольного ребра (рис. 14, в) строят линии влияния изгибающего момента М12, в середине его пролета (1 - 2 на рис. 14, a) и момента M1, над опорой 1. Линии влияния М12 и М1 (рис. 14, г, д) загружают распределенной на длине с1 = с + 2h нагрузкой q’ = Р1/с1, где с - длина отпечатка колеса вдоль движения. Значение изгибающего момента М1 определяется по формуле
где Ω - суммарная площадь линии влияния изгибающего момента: γi, γjp, γjv - коэффициенты надежности по нагрузке для постоянной и временной (тележка и распределенная нагрузка v) нагрузок: γi - распределенные нагрузки собственного веса полосы плиты и покрытия: 1 + μ - динамический коэффициент; w1 и w2 - плошали участков линии влияния под нагрузками q’; v’ - распределенная часть нагрузки АК, v’ = vω/(2d1); Ω - суммарная площадь линии влияния, соответствующая наиболее невыгодному загружению нагрузкой v = 0,1 К. Значения изгибающего момента М12, рассчитывают аналогично М. Далее следует учесть влияние податливости поперечных ребер на величину изгибающих моментов в сечениях продольных ребер плиты. С этой целью по методу Г. Хомберга строится поверхность влияния дополнительного изгибающего момента МД для сечении продольного ребра над поперечным ребром 1 (рис. 14, а), ординаты которой определяют по формуле
где Mi - принимаемые по табл. 7 (с умножением на l) ординаты линии влияния изгибающего момента в опорном сечении продольного ребра при расположении нагрузки над поперечным ребром i, иj, - координата положения i-го груза, отсчитываемая от стенки коробки.
В табл. 7 обозначены: z - параметр, характеризующий нагибную жесткость ортотропной плиты, который определяется по формуле
где Isl и Is - моменты инерции расчетных сечений продольного и поперечного ребер плиты (брутто) соответственно. Поверхность влияния изгибающего момента МД, следует загрузить опорными реакциями Ri, продольных ребер как неразрезных балок на жестких опорах (рис. 14, е). Как правило, достаточно учесть влияние только трех опорных реакций - в поперечных балках 1, 2 и 2’. Загружение линий влияния опорных реакций Ri необходимо производить при том же положении временной нагрузки, что и при определении наибольшего изгибающего момента в отдельном продольном ребре - М1 или М12. Поэтому получаются два разных значения добавочного момента от податливости поперечных балок - МД(1) и МД(12). Удобнее всего загружать не всю поверхность влияния, а лишь ее продольные разрезы по осям колес в поперечнике (рис. 14, б). Так как в формуле (9) для каждого поперечного i-го «среза» поверхности влияния переменной является только координата uj, получаем следующую формулу:
где п - число колес в пределах длины пролета поперечного ребра L; k = 3; S1j - коэффициент полосности для i-го колеса. Полные изгибающие моменты Мsl в продольном ребре равны
Необходимо определить значения продольных нормальных напряжений σхр, возникающих от действия изгибающих моментов Мsl в следующих элементах ортотропной плиты: - растягивающих напряжений в покрывающем листе и сжимающих по нижней фибре продольного ребра в зоне поперечного ребра; - сжимающих напряжений в покрывающем листе и растягивающих по нижней фибре продольного ребра в сечении посередине пролета 1. Расчет ортотропной плиты на местный изгиб между главными балками можно произвести по программе ORTO (прил. 3). Помимо местных напряжений σхр, в ортотропной плите расчетом коробчатой балки в целом (п. 3.3) определяют напряжения от участия ортотропной плиты в составе верхнего пояса балки σхр. Проверку прочности растянутой при изгибе плиты нижней фибры продольного ребра следует выполнять в зоне отрицательных опорных моментов неразрезных главных балок, т.е. в сечении 1-1 посередине пролета 1 продольного ребра (точка А на рис. 15) по формулам:
где Rv,. Rvw - расчетное и нормативное сопротивление металла продольного ребра; т - коэффициент условий работы, равный 0,9 для пешеходных и 1,0 для городских и автодорожных мостов: m1, т2 - коэффициенты условий работы, для автодорожных и городских мостов принимаемые по табл. 8; для пешеходных мостов m1 = 1/а,
Рис. 15. Сечения и точки, в которых необходимо проверить прочность ортотропной плиты.
при этом
проверка по формуле (14) не выполняется; χ1
- коэффициент влияния собственных остаточных напряжений, принимаемый равным 0,9
и 1,1 для полосового и таврового продольного ребра соответственно; ψ - коэффициент, определяемый по п.
4.28 СНиП [3]
для главных балок, подверженных действию осевой силы с изгибом, для изгибаемых
балок ψ = 1; æ Проверку прочности сжатой при местном изгибе ортотропной плиты нижней фибры продольного ребра следует выполнять в зоне положительных моментов неразрезных главных балок, т.е. в сечении 2 - 2 продольного ребра (точка D на рис. 15) по формуле
где χ2 - коэффициент влияния собственных остаточных напряжений, принимаемый равным 1,1 для продольного ребра из полосы, прокатного уголка или тавра и равным 0.9 для ребра из сварного тавра. Проверку прочности растянутого крайнего нижнего волокна поперечного ребра плиты следует выполнять посередине его пролета (точка С на рис. 15) по формуле
а также следует проверить поперечное ребро в сечении а - а (рис. 15) на прочность по касательным напряжениям по формуле (30). Помимо прочности продольных и поперечных ребер необходимо проверить прочность покрывающего листа ортотропной плиты в точках В, С и F (рис. 15) по условиям:
где σx = σxc + m1σxy; σy = σyc + m1σyp, τxy, = τxyc + τxyp; m3 - коэффициент, равный 1,15 при σj = 0 и 1,10 при σv ≠ 0; m1 - коэффициент условий работы, принимаемый равным 1,05 при проверке прочности листа в точке В плиты автодорожных и городских мостов и 1,0 - во всех остальных случаях. Нормальные и касательные напряжения в точках В, С, F определяют по нижней грани покрывающего листа. При выполнении проверок по формулам (17) и (18) допускается принимать в качестве расчетных загружения, при которых одно из действующих в данной точке ортотропной плиты напряжений σс, σv или τxy достигает максимального значения. Пример 3, Произведем расчет одноярусной ортотропной плиты на местную нагрузку при следующих исходных данных: l =3,0м; L = 7,8 м; сечения продольных и поперечных ребер показаны на рис. 16; материал плиты - сталь марки 15ХСНД.
Рис. 16. Поперечные сечения элементов ортотропной плиты: а - продольного ребра: б - поперечного ребра брутто; в - то же, нетто (к примеру 3). Толщина дорожного покрытия на пролетном строении h = 75 мм. Нагрузка - A11 (три полосы движения). Вначале рассчитаем продольное ребро. Постоянная распределенная нагрузка на продольное ребро составляет рн - (6,72·10-3·7,85·1,1 + 0,35·0,075·2,2·1,5)·9,81 = 1,42 кН/м. Определяем параметры временной нагрузки по формулам (6). (7): с1 = 0,2 + 2·0,075 = 0,35 м; d1 = 0,6 + 2·0,075 = 0,75 м; w = 2·(0,60 + 0,16)·0,5·0,75/2 = 0,285 м; P1 = 9,81·11·0,285/(2·0,75) = 20,5 кН;
Рис. 17. Линии влияния (к примеру 3). q’ = 20,5/0,35 = 58,57 кН/м: v’ = 9,81·1,1·0,285/(2·0,75) = 2,05 кН/м. Линии влияния усилий в продольных ребрах плиты приведены на рис. 17. Заметим, что эти линии влияния носят общий характер, и студенты могут их использовать в различных расчетах. Далее по формуле (8) рассчитываем изгибающие моменты: М12 = 0,042·1,42·32 + 1,5·1,34·58,57·0,179 + 1,2·1,34·2,05·0,083·32 = 24,0 кН·м: М1 = -0,083·1,42·32 - 1,5·1,34·58,57·2·0,076 - 1,2·1,34·2,05·0,114·32 = -23,2 кН·м, где 1 + m = 1 + 15/(37,5 + 1) = 1 + 15/(37,5 + 6,0) = 1,34. По формулам (9) - (11) и табл. 7 строим линию влияния МД (рис. 17): z = 0,0616·7,84·2,137·10-5/(33·0,35·2,089·10-3) = 247. Ординаты линии влияния: у1 = (2·0,35/7,8)·0,088·3,0·(0,429 + 0,775 + 0,996 + 0,866 + 0,278) = 0,0792 м; у2 = 0,792·(-0,0418)/0,088 = -0,0376 м; у1 = у2, Реакции опор продольного ребра определяем по формуле Ri = γfp(1 + μ)P1 Σy + kγjn(1 + μ)v’l в которой к = 0,5 при загружении на максимальный изгибающий момент в середине пролета ребра, а при загружении на максимальный опорный момент k = 1,18 для R2 и k = 0,38 для R2 и R2’. При загружении на максимум М12 R1 = 1,5·1,34·20,5·1,6 + 0,5·1,2·1,34·2,05·3,0 = 70,8 кН; R2 = 1,5·1,34·20,5·0,6 + 0,5·1,2·1,34·2,05·3,0 = 29,6 кН; R2’ = -1,5·1,34·20,5·0,1 + 0,5·1,2·1,34·2,05·3,0 = -0,8 кН. При загружении на максимум М1: R1 = 1,5·1,34·20,5·1,74 + 1,18·1,2·1,34·2,05·3,0 - 83,5 кН; R2 = R2’ = 1,5·1,34·20,5·0,15 + 0,38·1,2·1,34·2,05·3,0 = 9,9 кН. По формуле (12) определяем дополнительные моменты МД: - при загружении на максимум М12: МД(12) = 0,0792·70,8 - 0,0376·(29,6 - 0,8) = 4,5 кН·м; - при загружении на максимум М1: МД(1) = 0,0792·83,5 - 0,0376·2·9,9 = 5,9 кН·м. В итоге наибольшие изгибающие моменты равны: - в середине пролета ребра Msl(12) = 24,0 + 4,5 = 28,5 кН·м; - над поперечным ребром Msl (1) = -23,2 + 5,9 = -17,3 кН·м. Продольные нормальные напряжения в плите: а) в сечении посередине пролета l продольного ребра: - растягивающие в точке А (рис. 15) sxp = Msl(12)/ - сжимающие по нижней грани листа (точка В) sxp = Msl(12)/ б) в сечении над поперечным ребром: - сжимающие в точке D sxp = Msl(1)/ - растягивающие по нижней грани листа (точка С) sxp = Msl(1)/ Полученные напряжения будут учтены в дальнейшем (пример 5). Теперь рассчитаем поперечное ребро ортотропной плиты (рис. 18). Постоянная нагрузка qn = (6,72·10-3·3,0/0,35 + 0,01·0,64 + 0,36·0,014)·9,81·7,85·1,1 + 3,0·0,075·2,2·9,81·1,5 = 13,1 кН/м.
Рис. 18. Расчетная схема, эпюры усилий и линии влияния к расчету поперечного ребра ортотропной плиты (пример 3). Изгибающий момент в середине пролета поперечного ребра от постоянной нагрузки: Мн = 13,1·7,82/8 = 99,6 кН·м. Максимальная поперечная сила от постоянной нагрузки на опоре: Qп = 13,1·7,8/2 = 51,2 кН. Загружением линии влияния R1 (см. рис. 17) получаем максимальную реакцию поперечного ребра на давление одной нити нагрузки: Р2 = 1,744Pγjp(1 + μ)/2 + 1184γjp(l + μ)v//2 = 1,744·9,81·11·1,5·1,34/2 + 1,184·1,2·1,34·9,81·1,1·3,0/2 = 219,9 кН. Максимальные усилия от временной нагрузки: Mвр = 219,9·(0,45 + 1,00 + 1,95 + 1,40 + 0,45) = 1154,5 кН·м; Qвр = 219,94·(1,00 + 0,86 + 0,62 + 0,47 + 0,23) = 699,3 кН. Итого: Мs = Мп + Мвр = 99,6 + 1154,5 = 1254,1 КН·м; Qs = Qп + Qвр = 51,2 + 699,3 = 750,5 кН. Проверяем прочность поперечного ребра по формулам (16), (30): σхр/æ = 1254,1·10-4/4,347·10-3 = 288,5 МПа < Rvm = 295 Мпа; τ = 750,5·3,435·10-3/(2,071·10-3·0,01) = 124,4 МПа < Rст = 169,3 МПа, где коэффициенты æ и æ2, приняты приближенно равными 1,0. Расчет плиты на устойчивость. Для упругопластических систем, состоящих из тонких пластинок, которые находятся под действием нормальных сжимающих напряжений, потеря устойчивости формы означает выпучивание отдельных элементов сечения из своей плоскости (местная устойчивость) либо более сложную форму потери устойчивости сечения в виде листа, подкрепленную ребрами (общая устойчивость). Поэтому необходимо проверять два вида устойчивости ортотропной плиты: местную и общую. Местная устойчивость пластинок ортотропной плиты (рис. 19) обеспечивается, если соблюдаются условия:
Коэффициент α для полосовых продольных ребер
где bh = 0,5hw при ξ2lh ≥ hw и bh = ξ1lh, при ξ2lh < hw; коэффициент ξ1 равен 14, 12 и 11,5, а коэффициент ξ2 равен 44, 38 и 36 для стали 16Д, 15ХСПД и других низколегированных сталей соответственно. Коэффициент α для пластинок листа между ребрами равен
где v = 2 Значения приведенного критического напряжения σx.cr для ребер и пластинок можно определить по графикам на рис. 20 в зависимости от расчетных сжимающих напряжений σх/т. Местная устойчивость стенки таврового продольного ребра проверяется по методике, изложенной в п. 3.5. При проверке ортотропной (ребристой) плиты на общую устойчивость прежде всего нужно убедиться в том, что поперечные ребра обеспечивают устойчивость листа настила, подкрепленного продольными ребрами.
Рис. 19. Расчетные сечения пластинок и ребер ортотропной плиты.
Рис. 20. Графики для определения σx.cr при классах стали: 1 - С38/23; 2 - С46/33; 3 - C52/40. Необходимый момент инерции поперечных ребер Is сжатой (сжато-изогнутой) плиты следует определить по формуле
где α - коэффициент, который определяется по табл. 9; ψ - коэффициент, принимаемый равным: 0.055 при К = 1:0,15 при К = 2:0,20 при К ≥ 3; К - число продольных ребер плиты; σxc - действующие напряжения в листе настила с учетом совместной работы плиты с главными балками пролетного строения; σx.cr - критическое напряжение, взятое из графика на рис. 20 в зависимости от σxc.
Коэффициент ω следует определять по формуле ω = σxc/φ0Rv, где φ0 находят по табл. 10 при lcf = 1. Для сжатой ребристой плиты, не воспринимающей местной нагрузки, в формуле (22) коэффициент α равен 2,025. Расчет по общей устойчивости ортотропной (ребристой) плиты в целом при обеспечении условия (22) следует выполнять, пользуясь формулой
- где φ0 - коэффициент продольного изгиба, принимаемый по табл. 10 в зависимости от гибкости λ0, вычисляемой по формуле
где lcf - расчетная (свободная)
длина продольных ребер, определяемая из выражения lcf =
Таблица 11
Коэффициент ω берется из табл. 9 по значению α = (l/L)3Is/[ψ(К
+ 1)Isl; а - расстояние
между продольными ребрами; th - толщина покрывающего листа; ξ
- коэффициент, принимаемый равным 1,0 для нижней ребристой плиты и по табл. 11
- для ортотропной плиты верхнего пояса; А
- площадь полного сечения продольного ребра; θ = 1+ 5,5l/( В табл. 11 обозначены; f - прогиб продольного ребра между поперечными ребрами; i - радиус инерции полного сечения ребра. Тавровые продольные ребра сжатой нижней ребристой плиты при изгибно-крутильной форме потери устойчивости следует рассчитывать по формуле (23), принимая коэффициент продольного изгиба φ0 в зависимости от гибкости λ1:
где Ip = Iy + Iz + А(hw - е)2; hw - высота стенки ребра толщиной tw; е - расстояние от центра тяжести полки шириной bf толщиной tf до центра тяжести таврового продольного ребра (рис. 19, в); Iy, Iz - момент инерции сечения таврового продольного ребра относительно горизонтальной оси у и вертикальной оси z соответственно;
Расчет ортотропной плиты на общую устойчивость также можно произвести по программе ORTO (прил. 3). Пример 4. Рассчитаем на устойчивость ортотропную плиту из примера 3. Так как напряжения от работы плиты в составе главных балок на данном этапе расчета еще неизвестны, пойдем от обратного; зная геометрические параметры элементов плиты, определим критические напряжения по их устойчивости σx.cr, которые в дальнейшем можно сопоставить с действующими напряжениями σx (пример 5). Оценивая местную устойчивость продольного ребра, определяем параметры: ζ2th = 38·12 = 456 мм > hw = 350 мм, т. е. bh = 0,5·350 = 175 мм; β3 = 14/12 = 1,167; α3 = 175/180 = 0,972; v = 1,16773/(1 - 11672·0,9722) = -5,54; α = 0,636·[1 + 3,10/(-5,54·3 + 4)] = 0,48 (формула (20)). Из формулы (19) выразим критическое напряжение σx.cr = 0,904α2E/(h/t)2 = 0,904·0,482·2,06·105/(180/14)2 = 259 МПа. По графику на рис. 20 сжимающие напряжения в нижней фибре продольного ребра σx/m должны быть не более 200 МПа. Далее оценим местную устойчивость листа настила: β2 = 12/14 = 0,857; α2 = 180/350 = 0,514; v = 2·0,8573·(0,16 + 0,0056/0,5142)/(1 - 9,4·0,8572·0,5142) = 0,283; α = 2·[1 + 0,96/(10·0,283 + 3) = 2,329 (формула (21)). Из формулы (19) выразим критическое напряжение для настила: σx.cr = 0,904α2E/(hw/tw)2 = 0,904·2,3292·2,06·105/(350/12)2 = 1187 МПа По графику на рис. 20 сжимающие напряжения σx/m по нижней плоскости покрывающего листа не должны превышать 290 МПа. Рассчитывая ортотропную плиту на общую устойчивость, прежде всего выразим из формулы (15) предельно допустимую величину напряжения: σxc ≤ Rvm χ2 σxp/æ = 295·1,0 - 1,1·121,4/1,1 = 174 Мпа (точка D на рис. 15, где продольное ребро испытывает сжатие по нижней фибре). По графику на рис. 20 - σx.cr = σx.c. Определим параметры формул (22), (23): К = 20; ψ = 0,20; α = (3,0/7,8)3·2,089·10-3/[0,2·(20 + 1)·2,137·10 5 = 1,324; по табл. 9 при α = 1,324 коэффициент ω = 0,924; lcf = 3,0/ It = (0,18·0,014 + 0,35·0,0123)/3 = 3,662·10-7 м; θ =1 + 5,5·3,662·10-7/(0,35·0,0123) = 4,33. Чтобы определить коэффициент ζ в формуле (24), строим линию влияния прогиба f посередине продольного ребра как неразрезной балки на жестких опорах (рис. 21). В дальнейшем эту линию влияния можно использовать в различных расчетах. Загрузив линию влияния нагрузкой q’ наиболее невыгодным образом, определим прогиб: f =2q’ω1 = 2·58,57·11,175·0,35·33·10-3·(2,06·108·2,137·10-5) = 0,0028 м.
f/i = 2,8·10-3/5,637·10-2 = 0,050; по табл. 11 - ζ = 0,70. Определим гибкость плиты по формуле (24):
Рис. 21. Схема и линия влияния к определению прогиба продольного ребра ортотропной плиты. при расчетной гибкости по табл. 10 - φ0 = 0,69. Тогда ω = 180/(0,69·295) = 0,884; по табл. 9 - α = 1,141. Необходимый момент инерции поперечного ребра ортотропной плиты по формуле (22) составляет: Is = 1,141·0,2·(20 + 1)·(7,8/3,0)3·2,137·10-5·1,0 = 1,8·10-3 м3. Как видим, по условию устойчивости поперечное ребро можно назначить меньшего сечения, чем в примере 3, но это лимитирует прочность ребра. Вычисленные в данном расчете параметры σx.cr и φ0 будут использованы далее в примере 5. 3.3. Расчет главных балок по прочности и деформациямЦельнометаллические пролетные строения с несущими элементами в виде тонкостенных коробок могут рассматриваться как подребренные оболочки или тонкостенные стержни, для расчета которых имеется соответствующий теоретический аппарат (см. [5]). Однако он весьма сложен. Поэтому в последние десятилетия проектировщики стали применять численное моделирование на компьютере пространственных схем пролетных строений на основе метода конечных элементов (МКЭ). При наиболее строгом подходе к решению задачи оценки напряженно-деформированного состояния коробчатой конструкции, кроме ее пространственной работы, необходимо учитывать геометрическую и физическую нелинейность, стесненное и свободное кручение, а также деформацию контура поперечного сечения коробок.
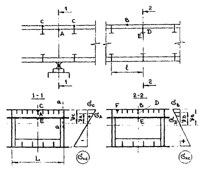
Рис. 22. Учет неравномерности распределения нагрузок и коробчатом сечении пролетного строения по методу рычага. В упрощенных инженерных расчетах допускается производить расчет пролетных строений по плоской схеме, учитывая неравномерность распределения нагрузок и напряжении в конструкции. При наличии в поперечном сечении пролетного строения нескольких коробок обычно рассчитывают одну из них - наиболее нагруженную. В состав сечения главных балок включают части ортотропной и нижней ребристой плит, прилегающие к ним с обеих сторон. Неравномерность распределения между коробчатыми главными балками временной нагрузки автодорожных и городских мостов может учитываться различными методами, среди которых наиболее распространены методы коэффициента поперечной установки [2]. В первом приближении можно применить метод рычага, по которому для коробчатого сечения балки коэффициенты поперечной установки нагрузок определяются следующим образом (рис. 22): - для нагрузки тротуаров ηТ = ΩТ = Т; для
распределенной нагрузки АК η =
0,5(у1 + у2) + 0,6 - 0,5 - для тележки АК Внутренние усилия в статически неопределимых системах определяют по линиям влияния, которые рассчитывают по программам на компьютере. При построении линий влияния необходимо задавать жесткость элементов. Поэтому вначале, (это нужно и для определения нагрузки собственного веса) задаются различными по длине пролетного строения сечениями ортотропной плиты и главных балок. Постоянной нагрузкой загружают всю конструкцию, в результате чего получают эпюры Мн, и Qн. В зависимости от качественного вида линии влияния загружают ее соответствующие участки временной нагрузкой автотранспорта, тротуаров, от трамвая и др. (на максимум и на минимум усилия). Сложив ординаты эпюр от постоянной и временной нагрузок, получают огибающие эпюры изгибающих моментов М и перечных сил Q в балке (пример для трехпролетной неразрезной балки показан на рис. 23). В зависимости от значений полученных усилий проверяют на прочность принятые сечения на всех участках балки, а также завершают расчет ортотропной плиты (п. 3.2). При необходимости корректируют сечения и повторяют расчет. Теоретические места смены типов сечений устанавливают по эпюре материалов (рис. 23). Помимо описанного выше расчета на эксплуатационную стадию работы конструкции производят ее расчет в стадии строительства с учетом принятой схемы монтажа на основных ее этапах. Расчет ведут на нагрузки собственного веса конструкции, временной обстройки, монтажного оборудования и транспортных средств, находящихся на пролетном строении. Полученные в результате расчета усилия сравнивают с эксплуатационными. Если монтажные усилия в отдельных частях конструкции существенно превосходят эксплуатационные, принимают одно из следующих решений: усилить пролетное строение, изменить способ монтажа или регулировать усилия на монтаже. Расчет по прочности элементов, изгибаемых в одной из главных плоскостей, следует выполнять по нормальным, касательным и главным напряжениям [3]. Расчет по нормальным напряжениям состоит в проверке соблюдения условия:
где х - коэффициент, учитывающий ограниченное развитие пластических деформаций в сечении и определяемый по формулам (27) и (28); Wn - минимальный момент сопротивления сечения нетто, определяемый с учетом эффективной ширины bcf верхнего и нижнего поясов коробчатого сечения.
Рис 23. Линии влияния усилии и эпюры М и Q пораженной трехпролетной балки. При одновременном действии в сечении изгибающего момента М и поперечной силы Q коэффициент æ следует определять по формулам:
при этом θ ≤ æ ≤ æ1/ где τm = Q/(hwlw) - среднее касательное напряжение в стенке балки: hw, lw - высота и толщина стенки соответственно; R - расчетное сопротивление стали сдвигу; æ1 - коэффициент, принимаемый по табл. 12;
и Аf, Aw - площади сечения элементов поясов и стенки соответственно; Qu - предельная поперечная сила, определяемая по формуле Qu = Rsmæ2Il/S, причем æ принимается по формуле: æ2 = 1,25 - 0,25tmin.d/tmax.d в зависимости от значений минимального и максимального касательных напряжений в стенке, вычисленных в предположении упругой работы: l и S - момент инерции и статический момент площади сечения. Неравномерность распределения нормальных напряжений s по ширине поясов коробки обусловлена влиянием деформаций сдвига, возникающих в срединной плоскости плитных элементов поясов. Она учитывается путем введения в расчет так называемой эффективной ширины пояса bcf, а она вычисляется по формуле
где vi - коэффициент приведения неравномерно распределенных нормальных напряжений на ширине участков пояса bi к условным равномерно распределенным напряжениям по всей эффективной ширине пояса bsf (редукционный коэффициент). Приближенные значения редукционных коэффициентов для схем балок на рис. 24 приведены в табл. 13 [6]. При определении эффективной ширины консольных свесов плит в формулу (29) необходимо подставлять величину 0,856. Расчет по касательным напряжениям состоит в проверке соблюдения условия прочности по формуле
обозначения к которой даны выше.
При ослаблении стенки отверстиями болтовых соединений вместо толщины стенки l в формулу (30) следует подставлять значение lcf = l(a - d)/a, где а - шаг болтов; d - диаметр болтовых отверстий. В местах стенки главной балки, где одновременно действуют большие нормальные и касательные напряжения (например, приопорные зоны неразрезных балок), кроме проверки по нормальным и касательным напряжениям должны выполняться условия (растет по главным напряжениям): Таблица 13
Рис. 24. Расчетные схемы и поперечное сечение коробчатой балки (к табл. 13).
где σx - нормальные (положительные при сжатии) напряжения в проверяемой точке (x, у) срединной плоскости стенки, параллельные оси балки; σy - такие же напряжения, перпендикулярные оси балки (п. 3.5); γ’ - коэффициент, равный 1,15 при σу = 0 и 1,10 при σу ≠ 0; τxy - касательное напряжение в проверяемой точке стенки балки; τm - среднее касательное напряжение в стенке балки. Помимо нормальных и касательных напряжений от плоского изгиба, в коробчатых балках возникают добавочные напряжения от кручения [5]. Но чаще всего их вклад в суммарные напряжения не столь высок, так что в приближенных расчетах его можно не учитывать. Кроме приведенных выше расчетов, производится расчет стальных пролетных строений на выносливость [3]. В курсовом проекте автодорожного моста этот расчет допускается не производить, так как во многих случаях он не является определяющим. Расчет пролетного строения по деформациям (вторая группа предельных состояний) сводится к обеспечению соблюдения условия, в котором fтах максимальное значение вертикального прогиба пролетного строения пролетом l под действием нормативной временной подвижной нагрузки; [f/l] - допустимый относительный прогиб, принимаемый для автодорожных и городских мостов в размере 1/400.
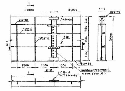
Пример 5. Произведем расчет коробчатой главной балки неразрезного пролетного строения по схеме lp = 84 + 126 + 84 м под автодорогу I категории (6 полос движения). Габарит моста - 2·(Г-15,25 + 3,0) м, временная нагрузка - А11. Материал несущих конструкций - сталь марки 15ХСНД. Ортотропная плита рассчитана в примере 3. Монтаж пролетного строения предполагается произвести навесным способом с двух берегов. Принимаем решение устроить два раздельных пролетных строения под каждое направление движения. Ширина ортотропной плиты одного пролетного строения (под три полосы движения) определяется следующим образом: В = 15,25 + 3,0 + 2·0,4 + 0,05 = 19,10 м. Пролетное строение постоянной высоты с одной сборной коробкой (рис. 25).
Рис. 25. Поперечные сечения коробчатой главной балки и эпюры напряжений и зоне опоры В(С): а - полное сечение: б - редуцированное сечение; в - эпюры σ и τ. Таблица 14
Задавшись поперечными сечениями коробки (рис. 25, табл. 14), по программе RAMA строим линии влияния усилий в основных сечениях балки (рис. 26). В табл. 14 укапаны геометрические характеристики редуцированных сечений, подсчитанные по программе GEOMETR. Редукционные коэффициенты определены по табл. 13 следующим образом: 1) Сечение в середине пролета l2 = 126 м: ортотропная плита b1/l2 = 4,80/126 = 0,038, по табл. 13 (гр. 2, 6) v1 = 0,98; b2/l2 = 7,20/126 = 0,057, при этом v2 = 0,97; b3/l2 = 5,98/126 = 0,047, при этом v3 = 0,97; эффективная ширина покрывающего листа ортотропной плиты bef = 0,98·0,85·4,8 + 0,97·7,2 + 0,97·0,85·5,98 = 15,91 м. нижняя ребристая плита bн/l2= 7,20/126 = 0,057, по табл. 13 (гр. 2, 6) vн = 0,97; bef = 0,97·7,2 = 6,98 м. 2) Сечение в зоне опоры В (С): ортотропная плита b1/l1 = 0,057; b1 /l2 = 0,038, по табл. 13 (гр. 4, 10 и 2, 4); v1 = 0,5·(0,72 + 0,74) = 0,73;
Рис. 26. Линии влияния M и Q (к примеру 5) b2/l1 = 0,086; b2/l2 = 0,057, н2 = 0,5·(0,63 + 0,68) = 0,65; b3/l1 = 0,071; b3/l2 = 0,047, v3 = 0,5·(0,68 + 0,72) = 0,70; эффективная ширина покрывающего листа ортотропной плиты; bef = 0,73·0,85·4,8 + 0,65·7,2 + 0,70·0,85·5,98 = 11,22 м нижняя ребристая плита bн/l1 = 0,086; bн/l2 = 0,057 vн = 0,5·(0,63 + 0,68) = 0,65; bef = 0,65·7,2 = 4,68 м. Расчетные постоянные нагрузки от собственного веса пролетного строения: металл - 88 кН/м; дорожное покрытие, ограждение проезда, перила и карниз - 45 кН/м. Итого постоянная нагрузка: в стадии строительства q1 = 88 кН/м; в стадии эксплуатации q1 + q2 = 88 + 45 = 133 кН/м. Расчетные временные нагрузки: распределенная A11 - v = 0,98·11·1,2·(1 + μ)·(1 + 2·0,6) = 28,46·(1 + μ) кН/м; тележка А11 - Р = 3·9,81·11·2·1,2·(1 + μ) = 776,95·(1 + μ) кН; нагрузка тротуаров pT = (3,92 - 0,016·λ)·1,2·3,0 = 14,11 - 0,0706·λ кН/м, но не менее 1,96·1,2·3,0 = 7,06 кН/м. Загрузив линии влияния (рис. 26) постоянными и временными нагрузками, получаем расчетные значения усилий в сечениях балки в стадии эксплуатации (табл. 15). Далее производим расчет на стадию монтажа пролетного строения (рис. 27). При этом сразу видим, что значение максимального изгибающего момента МB = -174636 кН·м в консоли монтируемого пролетного строения (стадия I) намного превышает момент при эксплуатации моста, учитывающий вес одного металла: М = -1227,32·88 = -108004 кН·м. Принимаем решение произвести регулировку усилий (стадия II) поддомкрачиванием пролетного строения на опорах А и D (или опусканием на опорах В и С). При этом с сечения В (С) необходимо снять часть момента ΔM = [-174636 + 108004] = 66632 кН·м. Усилие поддомкрачивания на опоре A (D) составит: Рр = ΔM/l1 = 66632/84 = 793 кН. Высота подъемки пролетного строения: δ = M Таблица 15
На стадии III добавляется нагрузка от веса конструкции мостового полотна, а на стадии IV - от временной нагрузки (рис. 27), так что экстремальные усилия «зарегулированной» конструкции не превышают усилий при эксплуатации без учета способа монтажа (табл. 15). Итак, пример указывает на необходимость учета способа монтажа при расчете пролетного строения. Продемонстрированы возможности регулировки усилий в конструкции. На это при разработке проектов следует обращать особое внимание! Произведем проверку прочности и устойчивости элементов пролетного строения на расчетные экстремальные усилия. 1) Сечение в середине пролета В - С τт = 793/3,6·2·0,012 = 9,2 МПа < 0,25R = - 0,25·0,58·340/1,165 = 42,3 МПа, т.е. æ = æ1. Аf.min = 2·0,56·0,025 + 6,98·0,012/2 = 0,112 м2; Аw = 3,6·2·0,012 = 0,0864 м2; Af.min/Aw = 0,112/0,0864 = 1,294; (Аf.min + Aw)/А = (0,112 + 0,0864)/0,5921 = 0,335; по табл. 12 - æ1 = 1,05.
Рис. 27. Эпюры М и Q по стадиям работы конструкции (к примеру 5). Прочность по нормальным напряжениям нижнего пояса коробки, которая рассчитывается по формуле (26), обеспечивается: σ = 158347·10-3·/1,05·0,6738 = 224 МПа < Rvm = 295 МПа. Сжимающие напряжения в точке В ортотропной плиты (рис. 15) от работы в составе сечения коробчатой балки: σxc = -158347·10-3·1,32/1,5552 = -134,4 МПа; σxp = -40,0 МПа (пример 3). σx = -134,4 - 1,0·40,0 = -174 МПа. При незначительной величине касательных напряжений в данном сечении прочность по формулам (17), (18) заведомо обеспечивается, по местной устойчивости листа настила - тоже (пример 4). Сжимающие напряжения в точке D продольного ребра (рис. 15): σxc = -158347·10-3·1,14/1,5552 = -116,1 МПа; σxp = -121,4 МПа (пример 3); по формуле (15): σx = -1,0·116,1 - 1,1·121,4/1,1 = -237,5 МПа < Rvm. Проверяем сжатую плиту на общую устойчивость по формуле (23): σxc = 116,1 МПа < φ0Rvm = 0,69·295·1,0 = 203 МПа. Как видим, прочность главных балок, прочность и устойчивость ортотропной плиты обеспечиваются с запасом. 2) Сечение в зоне опоры В (С) по формулам (27), (28) τт = 12130/3,6·2·0,016 = 105 МПа > 0,25R; Af.min = 2·0,8·0,032 + 4,68·0,025/2 = 0,110 м2; Aw = 3,6·2·0,016 = 0,115 м2; Af.min/Aw = 0,110/0,115 = 0,95; (Аf.min + Aw)/А = (0,110 + 0,115)/0,6352 = 0,35; по табл. 12 - æ1 = 1,07. æ2 = 1,25 - 0,25·98/112 = 1,03 (рис. 25); Qu = 169·103·1,0·1,03·1,6859·2·0,016/0,4967 = 18907 кН; α = 12130/18907 = 0,642; α = 0,376/0,115 = 3,27;
æ = 1,07·( Условие прочности (26) по нормальным напряжениям нижнего пояса коробки выполняется, т.е. σ = 223770·10-3/1,0·0,8503 = 263 МПа < Rvm = 295 MПa, а также обеспечивается и условие (30) прочности по касательным напряжениям (Qu > Q). Общую устойчивость сжатой нижней ребристой плиты проверять не требуется, так как ее гибкость λ0 = 31, при этом φ0 =1,0 (определяются аналогично параметрам ортотропной плиты, пример 4). В приопорной зоне коробки растягивающие напряжения по нижней фибре продольного ребра (точка А на рис. 15) от работы в составе главных балок равны: σxc = 223770·10-3·1,469/1,6859 = 195 МПа; σxp = 200 МПа (пример 3); σxc/σxp = 195/200 = 0,975; по табл. 8 > m1 = 0,13; т2 = 1,60; Условия прочности продольного ребра (13) и (14) выполняются: σx = 195 + 0,13·0,9·200 = 218 МПа < Rvm = 295 МПа; σx = 195 + 200 = 395 МПа < 1,6·340·1,0 = 544 МПа. Растягивающие напряжения по нижней плоскости покрывающего листа в точке С (см. рис. 15): σxc = 223770·10-3·1,649/1,6859 = 219 МПа; σxp = 24 МПа (пример 3); σx = 219 + 1,05·24 = 244 МПа; σy = 0; τxy = 72 МПа. Прочность листа по формуле (17) также обеспечивается: σnp = Наконец, выполним проверку балки, по деформациям. Максимальный прогиб от нормативной нагрузки АК в середине пролета l2 = 126 м, подсчитанный по программе BEZROS, равен f = 0,197 м. Условие (32) соблюдено: f/l = 0,197/126 = 1/640 < [f/l] = 1/400. Таким образом, прикидочный расчет пролетного строения выполнен. Анализ результатов расчета показывает, что сечение коробки в середине пролета В С, назначенное с минимальной толщиной деталей, недонапряжено. Поэтому в дальнейшем нужно исследовать возможность устройства балки переменной высоты. Кроме того, можно отказаться от нижней ребристой плиты в крайних пролетах. Возможна коррекция сечений и в результате расчета стенки коробки на местную устойчивость (п. 3.5). 3.4. Методика проверки общей устойчивости сплошной изгибаемой балки (незамкнутое сечение)В зоне промежуточных опор неразрезных балочных пролетных строений, имеющих незамкнутое поперечное сечение, нижние пояса главных балок испытывают сжатие. В силу того, что пояса закреплены лишь в отдельных точках (на расстояниях lef равных панели ферм нижних продольных связей), возникает опасность потери устойчивости нижнего пояса по изгибно-крутильной форме. Расчет на этот случай состоит в проверке условия
где М - наибольший расчетный изгибающий момент в пределах расчетной длины lcf сжатого пояса балки (расстояние между узлами связей); Wc - момент сопротивления редуцированного сечения балки для крайнего волокна сжатого пояса (рис. 28); ε - коэффициент, определяемый по формулам: при λy < 85 ε = 1 + (æ - 1)(1 - λy /85); при λy ≥
85 ε = 1,0; æ рассчитывается по формулам (27), (28); φb коэффициент продольного
изгиба, определяется по табл. 16 в зависимости от гибкости из плоскости стенки λv
= СНиП [3] рекомендуют определять φb по теории тонкостенных упругих стержней, однако там не сказано, как это сделать. Для этого предлагаются различные методики. Рассмотрим одну из них. Критическое значение изгибающего момента Мcr при изгибе в одной плоскости можно найти по формуле
Рис. 28. Схема двутаврового сечения изгибаемой балки с одной осью симметрии. Таблица 16
где
(знак «-» перед В в формуле (35) принимается, когда сжатый пояс балки имеет площадь меньшую, нежели растянутый);
где Аt, yv - площадь и ордината центра тяжести сечения i-го элемента (исключая стенку и продольные ребра жесткости); п - число прямоугольных элементов стенки по обе стороны от оси х; tv - толщина v-го прямоугольного элемента стенки; yv, у0 - ординаты соответственно наиболее и наименее удаленной от оси х фибр v-го элемента стенки; Sv = 1, если уv > 0; Sv = -1, если yv < 0; а - ордината центра изгиба
где Iω, Ii - секторальный момент инерции и момент инерции свободного кручения, рассчитываемые по формулам:
где индексы j относятся к отдельным элементам сечения, общее число которых r. Расчет сжатого пояса балки на общую устойчивость можно произвести по программе OBUST (прил. 3). 3.5. Методика проверки местной устойчивости стенки балкиПод местной устойчивостью стенки балки понимается сопротивляемость стенки выпучиванию из своей плоскости, возникающему при возрастании в ней нормальных и касательных напряжений до критических значений. Местная устойчивость стенки зависит от уровня нормальных и касательных напряжений, соотношения толщины стенки и длины сторон отсеков (участков стенки, ограниченных поясами и поперечными ребрами жесткости), от степени защемления сторон отсека. При этом в отсеке стенки могут быть пластинки, одна или несколько, разделенные продольными ребрами. В разных зонах балки, в зависимости от ее пролета, нагрузок, толщины стенки t, расстояния между поперечными ребрами а и высоты стенки hv возможны три основных случая размещения ребер жесткости (рис. 29, а - в). Первый случай характерен для приопорных участков разрезных балок (где малы σ и τ), случаи б и в - для средних участков, где сжатая зона находится в верхней части стенки. Так как пластинка I оказывается в самом напряженном положении, назначают высоты пластинок h1 < h2 < h3 < h4.
Рис. 29. Схемы укрепления сплошных стенок балок поперечными (1) и продольными (2) ребрами жесткости (3 - пояса балки). В приопорных участках неразрезных балок стенку укрепляют ребрами по схеме, показанной на рис. 29, в. Но здесь сжатая зона стенки располагается внизу, поэтому продольные ребра размещают по обратной схеме h1 > h2 > h3 > h4., т.е. самая нагруженная пластинка IV высотой h4, примыкает к сжатому нижнему поясу балки. При конструировании пролетного строения обычно производят проверку местной устойчивости стенки по всей его длине и во всех отсеках, размещая ребра жесткости. В курсовом проекте можно ограничиться проверкой только одного, наиболее напряженного отсека стенки, как правило, в зоне с максимальным изгибающим моментом. Проверку устойчивости отдельной пластинки стенки выполняют с учетом трех компонентов ее напряженного состояния: продольных σх и поперечных σу нормальных напряжений, а также касательных напряжений τху. Указанные напряжения следует вычислять в предположении упругой работы материала изгибаемой балки по сечению брутто, расположенному в середине отсека стенки (сечение А - А на рис. 29, а). Максимальное σх
и минимальное
Рис. 30. Напряженное состояние пластинки стенки, примыкающей к сжатому поясу балки.
Рис. 31. Схема к определению поперечного нормального напряжения σv.
где W1, W2 - моменты сопротивления, соответствующие расстояниям у1 и y2 от нейтральной оси до продольных границ пластинки (с учетом знака у) (рис. 30). Значения поперечного нормального напряжения σv (положительные при сжатии), действующего на внешнюю кромку пластинки, которая примыкает к ездовому поясу балки, следует определять от давления F одиночного колеса автотранспортной нагрузки АК (тележка) или НК-80 по формуле
где lef = с + 2h + 2t1 - условная длина распределения нагрузки (рис. 31). При монтаже пролетного строения способом продольной надвижки поперечное нормальное напряжение σy действует на нижнюю кромку стенки и также определяется по формуле (43), в которой принимают следующие величины: F - опорная реакция, приходящаяся на одну стенку; lef - длина накаточного устройства. В этом случае напряжение σy обычно распределено по всей длине пластинки. Поперечные нормальные напряжения σy затухают по мере удаления от плоскости их приложения по закону σy = f(y). Допускается определять напряжение σy на границе второй и последующих пластинок отсека следующим образом: при нагрузке, распределенной по всей длине пластинки - по формуле
при сосредоточенной нагрузке - по формуле
где а = lef/2hw; v = yi/hw, где yi - расстояние от оси сжатого пояса до границы проверяемой пластинки; hw - полная высота стенки. Значение среднего касательного напряжения τxy следует определять: при отсутствии в отсеке стенки продольных ребер по формуле
при наличии продольных ребер по формуле
где τ1, τ2 - значения касательных напряжений на продольных границах пластинки, определяемые по формуле Журавского при соответствующих значениях S (рис. 30). Считается, что для каждого из компонентов напряженного состояния пластинки σх, σу, τху существует соответствующее критическое значение σх.cr, σу.cr, τху.cr (из предположения действия только одного из рассматриваемых напряжений), при котором стенка теряет устойчивость. Прежде всего, определяют приведенные критические напряжения σх.cr.ef, σу.cr.ef, τху.cr.ef в предположении неограниченной упругости материала на основе теории устойчивости первого рода для пластинчатых конструкций:
где χ - коэффициент упругого защемления стенки, принимаемый по табл. 17 в зависимости от значения параметра
где β - 0,8 при свободном сжатом поясе и β = 2,0, если к поясу приварен лист ортотропной плиты; t1, b1 - толщина и расчетная ширина пояса (в каждую сторону от стенки участок листа шириной 12t1, но не более ширины свеса поясного листа,
а в коробчатом сечении - участок шириной 18t1, но не более половины расстояния между стенками коробки); hef - расчетная высота пластинки, измеряемая по осям листов; ε, χ1, χ2 - коэффициенты, определяемые по табл. 18, 19 и 20 в зависимости от параметров μ = a/hef и ξ =1 - σx/σx; ξ - коэффициент, принимаемый равным единице при нагрузке, распределенной по всей длине пластинки, и по табл. 21 - при сосредоточенной нагрузке в зависимости от параметров μ и ρ = 1,041lef/hef; z - коэффициент, принимаемый по табл. 22; μ1 - коэффициент, принимаемый равным μ при а > hef и 1/ μ при а < hef; d - меньшая сторона пластинки (a или hf). Критические напряжения σx.cr и σу.cr определяют по графикам, изображенным на рис. 32 в зависимости от приведенных критических напряжений σх.cr.ef и σу.cr.ef. Критические касательные напряжения τху.cr.ef определяют по графикам для σх.cr, рассчитав вначале σх.cr.ef = τху.cr.ef /0,6, а затем по графику находят σх.cr и определяют τху.cr = 0,6 σх.cr.
Рис. 32. Графики для определения σх.cr и σу.cr при классах стали: 1 - С18/23; 2 - С46/33; 3 – C52/40.
Таблица 23
Проверку устойчивости отсека стенки, имеющей только поперечные ребра жесткости (рис. 29, а), следует выполнять по условию
где ω1 коэффициент, который принимают по табл. 23; ω2 - коэффициент, вводимый при расчете автодорожных и городских мостов при hw/l > 100; ω2 = 0,75 + hw/(400t). Проверку устойчивости пластинок стенки при наличии в отсеке нескольких продольных ребер жесткости следует выполнять: - для первой пластинки между сжатым поясом и ближайшим продольным ребром по условию
- для последующих сжатых пластинок по формулам для первой пластинки, принимая коэффициент защемления χ = 1: - для сжато-растянутой пластинки по формуле (52) при ω1 = 1. Проверку устойчивости пластин растянутой зоны стенки следует производить по формуле (52), принимая σx = 0 и ω2 = 1. При расчетах местной устойчивости стенки можно пользоваться программой MEST UST (прил. 3). Ниже для лучшего понимания методики расчета приведем пример расчета «вручную». Пример 6. Произведем расстановку продольных ребер жесткости и проверку местной устойчивости стенки коробчатого пролетного строения из примера 5 в зоне промежуточной опоры В(С). Расчетные усилия: М = -223770 кН·м; Q =12130 кН (рис. 25, 27). Проверим местную
устойчивость стенки толщиной l = пластинка 1 (сжатая, прилегающая к сжатому поясу): b1
= 2·12·0,032 = γ = 2,0·0,768·(0,032/0,016)3/0,8 = 15,36; по табл. 17 - χ = 1,65; μ = 1,5/0,8 = 1,875; ξ = 1 - 153/259 = 0,41; по табл. 18 - τ = 5,18; γx.cr.ef = 18,643·1,65·5,18·(100·0,016/0,8)2 = 637 МПа; по графику на рис. 32 - σх.cr = 300 МПа; ρ = 1,04·0,4/0,8 = 0,52; ζ = 1,96 (по табл. 21); χ1 = 2,84 (табл. 19); z = 10,36 (табл. 22); σу.cr.ef = 18,643·1,96·2,84·10,36·(100·0,016/1,5)2 = 1223 МПа; по графику на рис. 32 - σу.cr = 300 МПа; χ2 = 1,521 (табл. 20); τху.cr.ef = 9,806·10-2·1,521·(1020 + 760/1,8752)·(100·0,016/0,8) = 1475 МПа σх.cr.ef = 1475/0,6 = 2458 МПа; по графику на рис. 32 - σх.cr = 300 Мпа; τху.cr = 0,6·300 = 180 МПа; ω1 = 1,04 (по табл. 23); Проверим устойчивость пластинки по формуле (53): 259/1,04·300 + 0,2/300 + (0,9·101/180)- = 1,085 > 1,0, т.е. условие устойчивости не соблюдается. пластинка II (сжатая промежуточная): χ = 1,0; μ = 1,5/1,0 = 1,5; ξ = 1 - 21/159 = 0,868; по табл. 18 - ε = 7,54; σх.cr.ef = 18,643·1,0·7,54·(100·0,016/1,0)2 = 360 МПа; по графику на рис. 32 - σх.cr = 259 МПа; ρ = 1,04·0,4/1,0 = 0,416; ζ = 1,99 (по табл. 21); χ1, = 2,51 (табл. 19); z = 8,19 (табл. 22); σv.cr.ef = 18,643·1,99·2,51·8,19·(100·0,016/1,5)2 = 868 МПа; по графику на рис. 32 - σу.cr = 300 МПа; χ2 = 1,428 (табл. 20); τху.cr.ef = 9,806·10-2·1,428·(1020 + 760/1,52)·(100·0,016/1,0)2 = 487 МПа; σх.cr.ef = 487/0,6 = 812 МПа; по графику на рис. 32 - σх.cr = 300 МПа; τху.cr = 0,6·300 = 180 МПа; ω1 = 1,087 (по табл. 23); Проверим устойчивость пластинки по формуле (53): 153/1,087·259 + 0,7/300 + (0,9·108/180)2 = 0,83 < 1, т.е. условие устойчивости соблюдается. пластинка III (сжато-растянутая): b1
= 2 12·0,025 = γ = 2,0·0,56·(0,025/0,016)3/1,8 = 2,374; по табл. 17 - χ= 1,56; μ = 1,5/1,8 = 0,833; ξ = 1 + 219/20 = 11,95; по табл. 18 - ε = 95,7; σх.cr.ef = 18,643·1,56·95,7·(100·0,016/1,8)2 = 2199 МПа; по графику на рис. 32 - σх.cr = 300 МПа; ρ = 1,04·0,4/1,8 = 0,231; ζ = 1,99 (по табл. 21); χ1 = 1,498 (табл. 19); z = 5,876 (табл. 22); σy.cr.ef = 18,643·1,99·1,498·5,876·(100·0,016/1,5)2 = 372 МПа;
Рис. 33. Схема отсека стенки и эпюры напряжений (к примеру 6). по графику на рис. 32 - σy.cr = 270 МПа; χ2 = 1,55 (табл. 20); μ1 = 1/0,833 = 1,20; τху.cr.ef = 9,806·10·1,55·(1020 + 760/1,22)·(100·0,016/1,5)2 = 268 МПа; σх.cr.ef = 268/0,6 = 447 МПа; по графику на рис. 32 - σх.cr = 285 МПа; τху.cr = 0,6·285 =171 МПа; ω1 = 1,0. В данном случае hw/t = 3,6/0,016 = 225; ω2 = 0,75 + 3,6/400·0,016 = 1,313; Проверим устойчивость пластинки по формуле (52):
т. е. условие устойчивости выполняется. Из примера 6 видно, что при подборе сечений балки, как правило, не следует доводить нормальные напряжения в сжатом поясе до уровня расчетного сопротивления металла, так как местная устойчивость стенки начинает их ограничивать (расчет пластинки I). Регулировать местную
устойчивость возможно за счет изменения толщины стенки и постановки
дополнительных продольных ребер жесткости. В данном случае наилучшим решением
является увеличение толщины стенки в зоне опор балки до 3.6. Расчет соединенийСварные и фрикционные соединения следует рассчитывать на передачу всех усилий, действующих в элементе конструкции. При этом, как правило, каждая часть сечения элемента (с учетом ее ослабления) должна быть прикреплена соответственно приходящемуся на нее усилию. В случае невыполнения этого условия перегрузку отдельных зон и деталей прикреплений следует учитывать введением коэффициентов условий работы, указанных в табл. 60 и 82 [3]. Сварные соединения. В рассматриваемых конструкциях используются стыковые, угловые, нахлесточные сварные соединения. В отношении поперечных стыковых швов растянутых листов ортотропной, нижней ребристой плит и поясов балок будем считать, что если они выполнены по всем технологическим правилам, то равнопрочны соответствующим элементам и проверки расчетом не требуют. В приопорных зонах балочных сплошностенчатых пролетных строений, где велики касательные напряжения, угловые швы прикрепления листа стенки к поясу работают на срез. Конструирование сварного шва состоит в назначении его катета и проверке условия прочности шва одновременно по двум формулам: прочность при срезе по металлу шва
прочность при срезе по металлу границы сплавления
где Q - поперечная сила; S, I - соответственно статический момент верхнего пояса и полный момент инерции сечения балки; σу - местное давление на стенку от подвижной нагрузки (п. 3.5); п - число угловых швов; t1, t2 - расчетная высота углового шва по металлу шва и металлу границы сплавления; Rwf, Rwz. - соответствующие расчетные сопротивления сварных швов. Расчетная высота шва определяется по формулам: по металлу шва tf = βf kf по металлу границы сплавления tz = βz kf где βf, βz -
коэффициенты расчетных сечений угловых швов, которые принимают по табл. 80 [3]
(для швов, устраиваемых автоматической сваркой в лодочку, при катете шва до Комбинированные соединения. В комбинированных (болтосварных) стыках (рис. 6) необходимо подобрать количество и диаметр высокопрочных болтов (ВПБ), разместить их в пределах стенки, определить размеры стыковых накладок. В общем случае стык воспринимает изгибающий момент М, продольную N и поперечную Q силы (рис. 34). Предварительно разместив болты в накладке (по стандартной сетке размеров, п. 2.4), проверяют прочность болтового соединения по условию
где Мс - часть изгибающего момента М, приходящаяся на стенку, Mс = MIс/I (Iс, I - момент инерции стенки и момент инерции всего сечения балки) соответственно; Wб - момент сопротивления болтового поля, определяемый по формуле (57); Nс, Qс - части продольной N и поперечной Q сил, приходящиеся на стенку, Nc = NAc/A; Q = Q/nc (Аc, А - площадь сечения стенки и всего сечения; nc - число стенок) соответственно; n, k - число рядов болтов и число болтов в i-м ряду; пб - число болтоконтактов; Qbh, - расчетное усилие, воспринимаемое одним болтоконтактом. При устройстве клеефрикционного покрытия контактных поверхностей табличные значения следует умножать на коэффициент 0,96.
Рис. 34. Расчетная схема болтосварного стыка. Расчетное усилие Qhb, которое может быть воспринято каждой поверхностью трения в соединении элементов, стянутых одним ВПБ (одним болтоконтактом), можно определить по формуле
где Р - усилие натяжения болта, μ - коэффициент трения соединяемых элементов по соприкасающимся поверхностям; γbh - коэффициент надежности, зависящий от способа обработки контактных поверхностей элементов и количества болтов в соединении (табл. 24). Усилие Р натяжения высокопрочного болта определяют по формуле
где Rbun - наименьшее временное сопротивление ВПБ разрыву (Rbun = = 1100 - 1350 МПа для стали марки 40Х «селект»); Аbh - площадь сечения болта нетто; mbh - коэффициент условий работы, учитывающий уменьшение натяжения болта в процессе эксплуатации, mbh - 0,95. Толщину стыковых накладок назначают из условия их равнопрочности стыкуемым деталям. Пример 7. Произвести расчет комбинированного стыка двухстенчатой коробчатой главной балки, примыкающего к опоре В(С) пролетного строения из примера 5. В сечении стыка действуют максимальные расчетные усилия: М -220 000 кН·м; N = 0; Q = 12000 кН.
Часть изгибающего момента, приходящаяся на стенку коробки: |Mc| = 220000·6,537·10-2/1,6859 = 8530 кН·м. Поперечная сила, приходящаяся на одну стенку коробки: Qc = 12000/2 = 6000 кН. Схему стыка принимаем по рис. 5 при
диаметре высокопрочных болтов По формуле (57) Wб = (2·0,22 +
1·0,362 + 2·0,522 +…+ 2·3,452)/3,45 = Произведем проверку прочности болтового стыка по формуле (56):
Р = 0,7·1200000·2,81·10-4·0,95 = 224,2 кН; Qbh = 224,2·0,5·0,96/1,068 = 100,8 кН. При толщине стенки Болтовые стыки. При устройстве болтовых стыков сплошностенчатых балок (см. [1]) компоновка и расчет болтового соединения изгибаемой (растянуто- или сжато-изогнутой) стенки аналогичны комбинированным соединениям. Необходимое количество высокопрочных болтов стыков поясов рассчитывается по общей формуле
где In, Аn, Н - момент инерции, площадь пояса и высота балки. При этом необходимо учитывать знак продольной силы N (сжимающая или растягивающая). СПИСОК ЛИТЕРАТУРЫ1. Проектирование мостов и труб. Металлические конструкции: Учебник / Г.И. Богданов, С.Р. Владимирский, Ю.Г. Козьмин, В.В. Кондратов; Под ред. Ю.Г. Козьмина. М.: Маршрут, 2004. 2. Гибшман М.Е., Попов В.И. Проектирование транспортных сооружений: Учебник. М.: Транспорт, 1988. 3. СНиП 2.05.03-84*. Мосты и трубы / Минстрой России. М.: ГП ЦПП, 1996. 4. Владимирский С.Р. Вариантное проектирование металлического моста: Учебное пособие / СПбГАСУ. СПб: Изд-во ДНК, 2004. 5. Ильясевич С.А. Металлические коробчатые мосты. М.: Транспорт, 1970. 6. Потапкин А.А. Проектирование стальных мостов с учетом пластических деформаций. М.: Транспорт, 1984. 7. Технические условия погрузки и крепления грузов. М.: Транспорт, 1990. ПРИЛОЖЕНИЯПриложение
1
|
|||||||||||||||||||||||||||||||||||||||||||||||||||||||||||||||||||||||||||||||||||||||||||||||||||||||||||||||||||||||||||||||||||||||||||||||||||||||||||||||||||||||||||||||||||||||||||||||||||||||||||||||||||||||||||||||||||||||||||||||||||||||||||||||||||||||||||||||||||||||||||||||||||||||||||||||||||||||||||||||||||||||||||||||||||||||||||||||||||||||||||||||||||||||||||||||||||||||||||||||||||||||||||||||||||||||||||||||||||||||||||||||||||||||||||||||||||||||||||||||||||||||||||||||||||||||||||||||||||||||||||||||||||||||||||||||||||||||||||||||||||||||||||||||||||||||||||||||||||||||||||||||||||||||||||||||||||||||||||||||||||||||||||||||||||||||||||||||||||||||||||||||||||||||||||||||||||||||||||||||||||||||||||||||||||||||||||||||||||||||||||||||||||||||||||||||||||||||||||||||||||||||||||||||||||||||||||||||||||||||||||||||||||||||||||||||||||||||||||||||||||||||||||||||||||||||||||||||||||||||||||||||||||||||||||||||||||||||||||||||||||||||||||||||||||||||||||||||||||||||
|
Подвижной состав |
Высота пола от УГР, мм |
Длина внутри, мм |
Ширина внутри, мм |
Наибольшие размеры
груза, мм, при высоте подкладки |
||
|
Длина |
Ширина |
Высота |
||||
|
Платформа четырехосная грузоподъемностью 63 (65) т |
1296 |
13271 |
2770 |
14200 |
3250 |
396 1 |
|
Полувагон (гондола) грузоподъемностью 63(65) т |
1390 |
12004 |
2900 |
13500 |
3250 |
3870 |
Блоки
ортотропной плиты перевозят на одной платформе или в полувагоне при погрузке в несколько ярусов. Блоки главных
балок длиной
Место под ключ

Рис. 36. Место пол ключ для сборки соединений на высокопрочных болтах (минимальные размеры проемов указаны в табл. 26).
Таблица 26
|
Размеры, мм |
Диаметр высокопрочных болтов, мм |
||||||
|
16 |
18 |
20 |
22 |
24 |
27 |
30 |
|
|
Amin |
27 |
32 |
36 |
38 |
40 |
45 |
48 |
|
Bmin |
21 |
28 |
32 |
31 |
36 |
40 |
42 |
|
Cmin |
16 |
19 |
33 |
26 |
27 |
28 |
32 |
|
Dmin |
20 |
23 |
26 |
28 |
29 |
31 |
33 |
|
Emin |
22 |
27 |
30 |
33 |
35 |
38 |
40 |
|
Gmin |
20 |
31 |
39 |
42 |
44 |
49 |
52 |
Таблица 27
|
Название и имя программы |
Имя загрузочного модуля |
Краткая характеристика программ |
|
СТАТИЧЕСКИЙ РАСЧЕТ ПО ПЛОСКОЙ СХЕМЕ (BEZROS) |
bez.exe |
Программа для статического расчета плоской стержневой конструкции на основе МКЭ (СПО Гипростроймост) |
|
СТАТИЧЕСКИЙ РАСЧЕТ ПО ПРОСТРАНСТВЕННОЙ СХЕМЕ (ММ-90) |
mm-90.exe |
Программа расчета пространственных систем на основе метода конечных элементов (ЦНИИС) |
|
ПОСТРОЕНИЕ ЛИНИЙ ВЛИЯНИЯ УСИЛИЙ В ПЛОСКИХ СТЕРЖНЕВЫХ КОНСТРУКЦИЯХ (RAMA) |
rama.exe |
Программа для построения линий влияния усилий в элементах плоских стержневых конструкций (автор С.Ю. Чудновский) |
|
ГЕОМЕТРИЯ (GEOMETR) |
geometr.exe |
Определение геометрических характеристик сечений мостовых конструкций (автор С.Р. Владимирский) |
|
МЕСТНАЯ УСТОЙЧИВОСТЬ (MEST_UST) |
mest_ust.exe |
Расчет устойчивости сплошной стенки стальной мостовой балки по методике приложения 16 СНиП 2.05.03-84* (автор С.Р. Владимирский) |
|
ОБЩАЯ УСТОЙЧИВОСТЬ (OB_UST) |
ob_ust.exe |
Расчет по изгибно-крутильной форме потери устойчивости сплошностенчатой балки по теории тонкостенных упругих стержней (автор С.Р. Владимирский) |
|
ОРТОТРОПНАЯ ПЛИТА (ORTO) |
orto.exe |
Расчет ортотропной плиты проезжей части на прочность и устойчивость по методике приложения 18 СНиП 2.05.03-84* (автор С.Р. Владимирский) |
Расчет металлоконструкций пролетного строения рекомендуется производить на IBM-совместимых персональных компьютерах при помощи программ учебно-методического комплекса (УМК) курсового проектирования мостов (табл. 27). Описание каждой из программ и порядок работы с нею приведены в соответствующих инструкциях. Заметим, что программы выполнены еще для операционной системы ОС MS DOS, поэтому удовлетворительно работают под ОС Windows до версии Windows-98, но дают сбои в Windows-XT и NT. В настоящее время ведется переработка программ.
|
ГОСТЫ, СТРОИТЕЛЬНЫЕ и ТЕХНИЧЕСКИЕ НОРМАТИВЫ. Некоммерческая онлайн система, содержащая все Российские Госты, национальные Стандарты и нормативы. В Системе содержится более 150000 файлов нормативно-технической документации, действующей на территории РФ. Система предназначена для широкого круга инженерно-технических специалистов. Copyright © www.gostrf.com, 2008 - 2026 |