Крупнейшая бесплатная информационно-справочная система онлайн доступа к полному собранию технических нормативно-правовых актов РФ. Огромная база технических нормативов (более 150 тысяч документов) и полное собрание национальных стандартов, аутентичное официальной базе Госстандарта. GOSTRF.com - это более 1 Терабайта бесплатной технической информации для всех пользователей интернета. Все электронные копии представленных здесь документов могут распространяться без каких-либо ограничений. Поощряется распространение информации с этого сайта на любых других ресурсах. Каждый человек имеет право на неограниченный доступ к этим документам! Каждый человек имеет право на знание требований, изложенных в данных нормативно-правовых актах!

  


 

ВЕДОМСТВЕННЫЕ СТРОИТЕЛЬНЫЕ НОРМЫ

НОРМЫ ПРОЕКТИРОВАНИЯ СВЕТОСИГНАЛЬНОГО И ЭЛЕКТРИЧЕСКОГО ОБОРУДОВАНИЯ СИСТЕМ ПОСАДКИ ВОЗДУШНЫХ СУДОВ В АЭРОПОРТАХ

ВСН 8-86

МГА

МИНИСТЕРСТВО ГРАЖДАНСКОЙ АВИАЦИИ

Москва 1987

Содержание

1. ОБЩИЕ ПОЛОЖЕНИЯ

2. НАЗНАЧЕНИЕ, СОСТАВ И РАЗМЕЩЕНИЕ СИСТЕМ СВЕТОСИГНАЛЬНОГО ОБОРУДОВАНИЯ

3. ЭЛЕКТРОПИТАНИЕ ОГНЕЙ В СИСТЕМАХ СВЕТОСИГНАЛЬНОГО ОБОРУДОВАНИЯ

4. ДИСТАНЦИОННОЕ УПРАВЛЕНИЕ СВЕТОСИГНАЛЬНЫМИ СИСТЕМАМИ

5. ЭЛЕКТРОСНАБЖЕНИЕ И ЭЛЕКТРИЧЕСКОЕ ОБОРУДОВАНИЕ

6. РЕЖИМ РАБОТЫ ЭЛЕКТРИЧЕСКОГО ОБОРУДОВАНИЯ И ЧИСЛЕННОСТЬ ПЕРСОНАЛА

7. РЕЖИМНО-ОХРАННОЕ ОБЕСПЕЧЕНИЕ

8. ПОЖАРНАЯ БЕЗОПАСНОСТЬ И ВЗРЫВОБЕЗОПАСНОСТЬ

9. ЭЛЕКТРОПИТАНИЕ СИСТЕМ ОТОПЛЕНИЯ

10. НОРМАТИВНЫЕ ТЕХНИКО-ЭКОНОМИЧЕСКИЕ ПОКАЗАТЕЛИ

ПРИЛОЖЕНИЯ

Приложение 1 Обязательное ПЕРЕЧЕНЬ СИСТЕМ СВЕТОСИГНАЛЬНОГО ОБОРУДОВАНИЯ ПО КЛАССАМ АЭРОПОРТОВ

Приложение 2 Обязательное РАСПОЛОЖЕНИЕ И ХАРАКТЕРИСТИКА СИСТЕМЫ ГЛИССАДНЫХ ОГНЕЙ

Приложение 3 Обязательное СВЕТОТЕХНИЧЕСКИЕ ХАРАКТЕРИСТИКИ ОГНЕЙ СИСТЕМ СВЕТОСИГНАЛЬНОГО ОБОРУДОВАНИЯ АЭРОДРОМОВ ДЛЯ I И II КАТЕГОРИЙ ПОСАДКИ

Приложение 4 Обязательное СВЕТОТЕХНИЧЕСКИЕ ХАРАКТЕРИСТИКИ ОГНЕЙ СИСТЕМ СВЕТОСИГНАЛЬНОГО ОБОРУДОВАНИЯ АЭРОДРОМОВ ДЛЯ III КАТЕГОРИИ, ВКЛЮЧАЯ I И II КАТЕГОРИИ ПОСАДКИ

Приложение 5 Обязательное СВЕТОТЕХНИЧЕСКИЕ ХАРАКТЕРИСТИКИ РУЛЕЖНЫХ ОГНЕЙ (УГЛУБЛЕННЫХ), ВХОДЯЩИХ В СОСТАВ СИСТЕМ СВЕТОСИГНАЛЬНОГО ОБОРУДОВАНИЯ АЭРОДРОМОВ ДЛЯ III КАТЕГОРИИ ПОСАДКИ

РАЗРАБОТАНЫ Государственным цроектно-изыскательским и научно-исследовательским институтом гражданской авиации ГПИ и НИИ ГА Аэропроект (руководитель темы B.C. Крылова) и Научно-экспериментальным центром автоматизации управления воздушным движением НЭЦ АУВД (руководитель темы Ю.В. Махалин).

ВНЕСЕНЫ Государственным проектно-изыскательским и научно-исследовательским институтом гражданской авиации Аэропроект.

ПОДГОТОВЛЕНЫ К УТВЕРЖДЕНИЮ отделом экспертизы проектов и смет Министерства гражданской авиации (А.Л. Чуркин, Б.А. Янович).

С введением в действие Ведомственных строительных норм проектирования светосигнального и электрического оборудования систем посадки воздушных судов в аэропортах ВСН 8-86/МГА утрачивают силу Ведомственные нормы технологического проектирования светосигнального и электрического оборудования систем посадки воздушных судов в аэропортах ВНТП 8-79/МГA и Изменение и дополнение № 1 к Ведомственным нормам технологического проектирования светосигнального и электрического оборудования систем посадки воздушных судов в аэропортах ВНТП 8-79/МГА.

СОГЛАСОВАНЫ с Госстроем СССР 12 декабря 1986 г.

Министерство гражданской авиации (МГА)

Ведомственные строительные нормы

ВСН-3-86

МГА

Нормы проектирования светосигнального и электрического оборудования систем посадки воздушных судов в аэропортах

Взамен

ВНТП 8-79

МГА

1. ОБЩИЕ ПОЛОЖЕНИЯ

1.1. Настоящие Нормы распространяются на проектирование систем светосигнального оборудования аэродромов и электроснабжения объектов управления воздушным движением (УВД), радионавигации, посадки, связи и метеообеспечения в классифицированных аэропортах и являются совмещенными нормами строительного и технологического проектирования.

1.2. В проектах следует предусматривать наиболее совершенное оборудование и устройства промышленного изготовления. Вновь разрабатываемое промышленностью оборудование может применяться в проектах при условии, если его серийный выпуск будет обеспечен к началу монтажа и при наличии оптовой или лимитной цены на это или аналогичное оборудование.

1.3. При проектировании, кроме настоящих Норм, надлежит руководствоваться Нормами годности, Ведомственными нормами технологического проектирования, а также требованиями общесоюзных нормативных документов.

1.4. При проектировании вновь устанавливаемого светосигнального оборудования (ССО) с огнями высокой интенсивности (ОВИ-1, ОВИ-2, ОВИ-3) или полной его реконструкции следует, как правило, предусматривать установку огней приближения по схеме центрального ряда; при неполной реконструкции ССО рекомендуется установка огней приближения с пятью световыми горизонтами.

Внесены Государственным проектно-изыскательским и научно-исследовательским институтом гражданской авиации Аэропроект

Утверждены Министерством гражданской авиации
22 декабря 1986 г.

Срок введения в действие
1 января 1987 г.

1.5. Проектирование систем светосигнального оборудования аэродромов следует наполнять в комплексе с радиотехническими средствами с учетом их расположения и состава.

1.6. При проектировании установки огней приближения необходимо учитывать размещение и высоту оборудования радиомаячных систем посадки (в пределах установленных допусков на их установку) с целью исключения экранирования огней и необходимости установки их на высоких опорах.

2. НАЗНАЧЕНИЕ, СОСТАВ И РАЗМЕЩЕНИЕ СИСТЕМ СВЕТОСИГНАЛЬНОГО ОБОРУДОВАНИЯ

Назначение и состав систем светосигнального оборудования

2.1. Системы светосигнального оборудования предназначены для обеспечения:

- конечного этапа захода на посадку, посадки и взлета воздушных судов ночью и днем при установленных для данного аэродрома минимумах: посадки и взлета;

- руления и управления движением воздушных судов на аэродроме днем и ночью.

2.2. В состав систем входят светосигнальное оборудование, электрическое оборудование и аппаратура дистанционного управления.

2.3. Системы светосигнального оборудования по интенсивности, составу, характеристикам и схеме расположения огней подразделяются:

- системы огней малой интенсивности (ОМИ), предназначенные для установки на ВПП, оборудованной для обеспечения визуальных заходов на посадку (ПВП) и посадку по приборам (ППП);

- системы огней высокой интенсивности (ОВИ), предназначенные для установки на ВПП, оборудованной для обеспечения точного захода на посадку по категориям I, II и III (ОВИ-1, ОВИ-2, ОВИ-3).

2.4. Состав светосигнального оборудования для посадки, взлета и руления, входящего в различные системы, приведен в табл. 1.

Таблица 1

Светосигнальное оборудование

Системы ОМИ

Системы с огнями высокой интенсивности

по ПВП

по ППП

ОВИ-1

ОВИ-2

ОВИ-3

1

2

3

4

5

6

Огни приближения импульсные

-

-

-

-

+

Огни приближения

+

+

+

+

+

Огни светового горизонта

+

+

+

+

+

Огни КПБ

-

-

-

+

+

Входные огни прожекторные

-

-

+

+

+

Входные огни импульсные

-

-

-

-

+

Входные огни фланговые 1)

-

+

+

+

+

Входные - ограничительные огни кругового обзора

+

+

+

+

+

Посадочные огни

+

+

+

+

+

Глиссадные огни 2)

+

+

+

+

+

Огни знака приземления 3)

+

+

+

+

+

Ограничительные огни прожекторные

-

-

+

+

+

Огни зоны приземления

-

-

-

+

+

Осевые огни ВПП

-

-

+*

+

+

Рулежные огни боковые

+

+

+

+

+

Осевые огни РД

-

-

-

+*

+

Огни быстрого схода с ВПП

-

-

-

+*

+

Огни схода с ВПП

-

-

-

+*

+

Стоп-огни

-

-

-

+*

+

Предупредительные огни

-

-

-

+*

+

Аэродромные световые указатели управляемые

-

-

+*

+ 4)

+

Аэродромные световые указателя неуправляемые

+ 5)

+

+

+

+

Заградительные огни на трансформаторной- подстанции, предназначенной для питания светосигнального оборудования

+

+

+

+

+

Огни уширений ВПП 6)

+

+

+

+

+

1) Устанавливаются при наличии смещенного порога ВПП

2) Устанавливаются после внедрения оборудования.

3) Устанавливаются при отсутствии глиссадных огней.

4) Должны быть установлены на аэродромах, имеющих более пяти маршрутов руления для одного направления посадки.

5) Должны быть установлены при наличии магистральной РД.

6) Устанавливаются при наличии уширения ВПП.

Примечание. Знак "+" обозначает обязательное применение данного оборудования, знак "-" - отсутствие необходимости применения оборудования, знак "+*" - рекомендуемое наличие оборудования.

2.5. Перечень систем светосигнального оборудования по классам аэропортов приведен в обязательном приложении 1.

Размещение светосигнального оборудования

а) Системы ОМИ для полетов по ПВП.

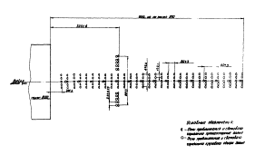
2.6. Схема расположения огней системы ОМИ для полетов по ПВП приведена на рис. 1.

Рис. 1. Схема расположения светосигнального оборудования системы ОМИ для полетов по ПВП (размеры даны в метрах)

Огни приближения должны быть установлены на продолжении осевой линии ВПП на расстоянии не менее 420 м от порога ВПП с интервалами 60±5 м.

2.7. В системе должен быть предусмотрен световой горизонт шириной не менее 18 м, устанавливаемый на расстоянии 300±6 м от порога ВПП на линии, перпендикулярной осевой линии ВПП.

2.8. Установка глиссадных огней выполняется в соответствии с обязательным приложением 2.

2.9. Посадочные огни следует устанавливать вдоль продольных краев ВПП с интервалами не более 60 м. Расстояние посадочных огней от края ВПП должно быть не более 3 м.

2.10. Огни знака приземления устанавливаются на расстоянии 150 м от порога ВПП (или порядка 0,1 части от ее длины) в количестве трех с каждой стороны ВПП с интервалами между огнями 3,0+0,3 м. При наличии глиссадных огней огни знака приземления не устанавливаются.

2.11. Входные-ограничительные огни должны быть установлены на линии, перпендикулярной осевой линии ВПП на расстоянии не более 3 м с внешней стороны от порога ВПП.

Огни должны быть размещены двумя группами по три огня в каждой с интервалами между огнями 3,0±0,3 м.

б) Светосигнальные системы ОМИ для полетов по ППП.

2.12. Схема расположения огней системы 0МИ для полетов по ШШ приведена на рис. 2.

Огни приближения должны быть установлены на продолжении осевой линии ВПП на расстоянии не менее 870 м от порога ВПП с интервалами 60± 5 м.

2.13. В системе должен быть предусмотрен один световой горизонт, устанавливаемый на расстоянии 300 ±6 м от порога ВПП на линии, перпендикулярной осевой линии ВПП. Ширина светового горизонта должна составлять 30±3 м. Расстояние между соседними огнями в световом горизонте должно быть 3,0±0,3 м.

Рис. 2. Схема расположения светосигнального оборудования системы ОМИ для полетов по ППП (размере даны в метрах)

Примечание. При эксплуатации на аэродроме радиомаячной системы РМС точного захода на посадку рекомендуется использовать линейные огни приближения шириной 3-4 м с продольными интервалами 30 или 60 м.

2.14. Глиссадные огни устанавливаются в соответствии с обязательным приложением 2.

2.15. Посадочные огни должна быть установлены по всей длине ВПП в виде двух параллельных рядов на равном расстоянии от осевой линии ВПП. Расстояние посадочных огней от края ВПП должно быть не более 3 м. Огни в рядах должны быть размещены с интервалами не более 60 м. На последних 600 м ВПП они должны излучать желтый свет в направлении посадки. На пересечении ВПП с РД должны устанавливаться огни углубленного типа, если расстояние между соседними надземными огнями составляет более 120 м.

2.16. Огни знака приземления (5 шт.) устанавливаются с интервалами 3±0,3 м на расстоянии 300±30 м от торца ВПП.

2.17. Входные и ограничительные огни должны быть установлены на линии, перпендикулярной осевой линии ВПП, на расстоянии не более 3 м с внешней стороны порога. Огни должны быть размещены двумя группами по пять огней в группе симметрично осевой линии ВПП, с интервалами 3±0,3 м.

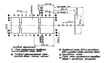
в) Система ОВИ точного захода на посадку по категории I (ОВИ-1).

2.18. Схема размещения огней по центральному ряду приведена на рис. 3, а со световыми горизонтами на рис. 4.

2.19. Огни, размещенные по схеме рис. 3, должны состоять из линейных огней, устанавливаемых на продолжении осевой линии ВПП на протяжении, как правило, 900 м от порога ВПП (но не менее 870 м) с продольными интервалами 30±3 м, и ряда огней, образующих световой горизонт на расстоянии 300 ±6 м от порога ВПП.

Каждый линейный огонь должен состоять из пяти арматур с расстояниями между ними 1±0,1 м. Ширина светового горизонта должна быть 30 м.

Рис. 3. Схема расположения огней приближения по центральному ряду (ОBИ-1) (размеры даны в метрах)

Рис. 4. Схема расположения огней приближения и световых горизонтов системы точного захода на посадку по категории I (ОВИ-1) (размеры даны в метрах)

2.20. Огни приближения, размещенные по схеме рис. 4, располагаются на протяжении, как правило, 900 м (но не менее 870 м) и должны состоять из одинарных огней на участке 0-300 м, сдвоенных огней на участке 300-600 м, строенных огней на участке 600-900 м и пяти световых горизонтов, установленных на расстоянии 150, 300, 450, 600, 750 м от порога ВПП.

Продольное расстояние между огнями приближения должно быть 30±3 м.

Расстояние между соседними огнями в световых горизонтах должно быть, как правило, 2,7 м, а в сдвоенных и строенных огнях приближения - 1,5 м.

2.21. Глиссадные огни устанавливаются в соответствии с обязательным приложением 2.

2.22. Посадочные огни ВПП должны быть расположены по всей длине ВПП в виде двух параллельных рядов на равных расстояниях от осевой линии и не далее 3 м от кромки ВПП. Схема размещения огней ВПП приведена на рис. 5.

Примечание. Для ВПП, у которых ширина не одинакова, посадочные огни должны быть расположены на линии, соответствующей наименьшей ширине ВПП.

2.23. В качестве посадочных огней должны быть использованы прожекторные огни или линзовые огни высокой интенсивности. Огни должны быть размещены равномерно вдоль боковых границ ВПП с интервалами не более 60 м.

На пересечениях ВПП, ВПП с РД должны быть установлены огни углубленного типа, если расстояние между соседними огнями составляет более 120 м, а при наличии осевых огней ВПП более 180 м.

2.24. Входные огни должны быть установлены на линии, перпендикулярной осевой линии ВПП, и не далее 3 м внешней стороны от порога. Огни, как правило, размещаются двумя группами симметрично осевой линии ВПП с интервалами между группами, соответствующими расстоянию между маркировочными полосами зоны приземления, если они предусмотрены, или в противном случае этот разрыв должен быть не более половины расстояния между посадочными огнями. При этом крайний входной огонь должен устанавливаться на продолжении линии посадочных огней. Огни в группе устанавливаются с равными интервалами. Количество входных огней при размещении двумя группами должно быть таким же, как при их равномерном расположении между продольными рядами посадочных огней с интервалом 3 м.

Рис. 5. Схема расположения огней на ВПП с одного направления посадка системы точного захода на посадку по категории I (ОВИ-1) (размеры даны в метрах)

2.25. Ограничительные огни должны быть установлены на линии, перпендикулярной осевой линии ВПП, возможно ближе к концу ВПП, но не далее 3 м, с внешней стороны от торца ВПП. Ограничительные огни должны устанавливаться двумя группами аналогично входным огням. По количеству ограничительные огни должны устанавливаться через один входной огонь, начиная от крайних огней середины ВПП, в общем, не менее шести штук. Это же количество ограничительных огней допускается устанавливать по всей ширине ВПП с равными интервалами между линиями посадочных огней.

2.26. В системе огней ВПП (см. рис. 5), а также в системе огней приближения по схемам рис. 3 и 4 должны быть предусмотрены огни кругового обзора, предназначенные для использования ночью в условиях хорошей видимости.

Примечание. При наличии смещенного порога и использовании углубленных огней огни приближения кругового обзора на ВПП не устанавливаются.

2.27. Световые пучки огней кругового обзора не должны экранироваться близлежащими огнями прожекторного типа.

2.28. В местах уширений у торцов ВПП устанавливаются огни кругового обзора желтого цвета с заглушками со стороны захода на посадку. Расстояния между огнями должно быть не более 10 м.

2.29. Огни знака приземления для каждого направления посадки должны быть установлены с обеих сторон ВПП перпендикулярно линии посадочных огней на расстоянии 300±30 м от порога ВПП в количестве пяти штук с интервалом 3,0±0,3 м. Огни должны светить только в сторону захода на посадку.

г) Системы ОВИ точного захода на посадку по категории II и III (ОВИ-2, ОВИ-3).

2.30. Схема размещения огней по центральному ряду приведена на рис. 6, а со световыми горизонтами на рис. 7.

2.31. Дополнительно к огням приближения ОВИ-1 (см. рис. 3) на участке протяженностью 270 м от порога ВПП должны быть установлены линейные боковые огни КПБ в виде двух продольных рядов. Количество арматур в линейном ряду огней бокового ряда и расстояние между ними должно соответствовать количеству арматур и расстоянию между ними огней зоны приземления.

2.32. Продольный интервал между линейными боковыми огнями должен быть равным интервалу между огнями приближения осевого ряда.

2.33. На расстоянии 150 м от порога ВПП должен быть установлен световой горизонт, совпадающий с пятым рядом центральных огней. Огни светового горизонта должны быть равномерно размещены с интервалом, как правило, 2,7 м, но не менее 1 м и должны заполнить расстояние между огнями центрального ряда и боковыми огнями КПБ.

2.34. В системах ОВИ-2 (см. рис. 7) дополнительно к огням приближения ОВИ-1 (см. рис. 4) должны быть установлены:

- два ряда боковых огней КПБ аналогично п. 2.31;

- по два огня с каждой стороны от одинарных огней приближения с интервалами 1±0,1 м общей шириной 4±0,4 м на участке 0-300 м от порога ВПП.

2.35. Схема размещения огней ВПП приведена на рис. 8.

2.36. Входные огни должны быть расположены равномерно вдоль порога ВПП не далее 3 м с внешней стороны от него с интервалом между огнями 3,0±0,3 м.

2.37. Ограничительные огни устанавливаются в соответствии с п. 2.25.

2.38. Огни знака приземления устанавливаются в соответствии с п. 2.29.

2.39. Глиссадные огни устанавливаются в соответствии с обязательным приложением 2.

Рис. 6. Схема расположения огней приближения и входных огней систем точного захода на посадку по категориям IIIII (ОВИ-2, ОВИ-3) (размеры даны в метрах)

Рис. 7. Схема расположения огней приближения систем точного захода на посадку по категории II (ОВИ-2; (размеры даны в метрах)

Рис. 8. Схема расположения огней ВПП систем точного захода на посадку по категориям II и III (ОВИ-2, ОВИ-3) (размеры даны в метрах)

2.40. Посадочные огни устанавливаются в соответствии с п. 2.22.

2.41. Осевые огни ВПП должны быть установлены на осевой линии по всей длине полосы с интервалом 15±1,5 м. Для ВПП, оборудованных по I категории, рекомендуется установка осевых огней ВПП с интервалом 30±3 м. Допускается смещение линии установки осевых огней от осевой линии ВПП на 0,75 м.

Огни должны излучать красный свет на участке 300 м от конца ВПП; чередующиеся два красных и два белых на участке 300-900 м от конца ВПП; белый свет на остальном участке ВПП.

2.42. Огни зоны приземления должны быть установлены на участке первых 900-30 м от порога ВПП в виде двух продольных рядов линейных огней, симметричных относительно осевой линии ВПП. Поперечное расстояние между внутренними огнями должно равняться расстоянию между маркировочными полосами зоны приземления и составлять 18-22,5 м.

Каждый линейный огонь должен состоять из трех арматур с расстояниями между ними 1,5 ±0,1 м и иметь общую ширину 3±0,2 м. Продольное расстояние между огнями должно быть 30±3 м.

2.43. Светотехнические параметры прожекторных огней ОВИ-1, ОВИ-2, ОВИ-3 приведены в приложениях 3, 4.

2.44. Импульсные огни приближения устанавливаются на участке 300-900 м от порога ВПП совместно с осевыми огнями центрального ряда. При этом импульсные огни не должны экранировать арматуры огней приближения постоянного излучения.

Входные импульсные огни применяются в системах, где огни приближения расположены по центральному ряду (см. рис. 6)

2.45. Входные импульсные огни устанавливаются на линии входных огней на расстоянии 18 ±1,8 м от кромки ВПП в количестве двух арматур с каждой стороны от осевой линии ВПП. Интервал между арматурами 2,5±0,25 м.

Расположение светосигнального оборудования при смещенном пороге

г) Системы ОМИ.

2.46. Варианты расположения светосигнального оборудования на ВПП со смещенным порогом приведены на рис. 9, 10.

2.47. Огни приближения между началом ВПП и смещенным порогом могут не устанавливаться, если практически невозможно установить огни на ВПП. При смещении порога более, чем на 300 м, световой горизонт заменяется фланговыми горизонтами. Внутренний огонь фланга должен устанавливаться на линии посадочных огней.

При смещении порога на 120 м и менее огни приближения, располагаемые в системе с интервалами 60 м, на ВПП не устанавливаются.

2.48. Посадочные огни между началом ВПП и смещенным порогом должны излучать красный свет в направлении захода на посадку, а в случае использования этого участка ВПП для взлета - желтый свет в обратном направления. Первый посадочный огонь красного цвета устанавливается у торца ВПП. При отсутствии огней приближения на этом участке рекомендуется устанавливать к каждому посадочному огню по одному дополнительному посадочному огню (рядом с основным огнем), излучающему красный свет только в направлении захода на посадку.

При смещении порога на 120 м и менее посадочные огни между торцом ВПП и смещенным порогом не устанавливаются.

2.49. Входные огни должны устанавливаться на месте смещенного порога в виде двух фланговых горизонтов (каждый должен иметь длину 10±1 м и состоять не менее, чем из пяти огней).

2.50. При использовании начального участка ВПП до смещенного порога ограничительные огни должны быть установлены у торца ВПП по принятой схеме.

Рис. 9. Расположение светосигнального оборудования систем ОВИ при смещенном пороге

Рис. 10. Расположение светосигнального оборудования систем ОВИ при смещенном пороге

д) Системы ОБИ.

2.51. Огни приближения и световых горизонтов на участке ВПП от ее начала до смещенного порога, входные и ограничительные огни должны быть установлены по схемам, приведенным на рис. 10, с использованием огней углубленного типа соответствующей силы света. Входные огни дополняются двумя фланговыми горизонтали по пять огней в группе шириной 10±1 м.

2.52. Посадочные огни между началом ВПП и смещенным порогом должны излучать красный свет в направлении захода на посадку, а в противоположном направлении - желтый свет.

е) Рулежное оборудование,

2.53. Состав оборудования для каждой системы должен соответствовать требованиям табл. 1.

2.54. Боковые рулежные огни синего цвета должны располагаться по обеим сторонам РД на расстоянии не более 3 м от края искусственного покрытия, используемого для руления воздушных судов с интервалом (60 ) м; на закругленных участках РД огни должны быть установлены с меньшими интервалами в соответствии с табл. 2.

Таблица 2

Радиус кривизны РД, м

Интервалы между огнями РД на закруглениях в ОВИ-1, ОВИ-2

Интервалы между огнями РД на закруглениях в ОВИ-3

До 400

7,5

5,0-7,5

400-899

15,0

10,0

900 и более

30,0

15,0

2.55. Осевые огни РД устанавливаются с интервалами 30 м на РД, используемых в условиях полетов по II категории, и с интервалом не более 15 м на РД, используемых в условиях полетов по III категории.

2.56. Огни быстрого схода зеленого цвета должны располагаться с интервалом 15±1,5 м вдоль осевой линии ВПП на протяжении не менее 60 м до начала закругленного участка выхода на скоростных РД и по осевой линии РД на расстояние не менее 30 м от линии боковых огней ВПП.

Смещение огней от осевой линии ВПП должно быть 0,75±0,15 м.

2.57. Неуправляемые световые указатели (рис. 11) должны устанавливаться перед ВПП, каждой РД, перекрестками РД или их разветвлением в местах ожидания.

Управляемые световые указатели (рис. 12) должны устанавливаться перед выходом на ВПП, на линиях предварительного старта и сходом с ВПП, а также на перекрестках по маршрутам руления.

Указатели должны быть размещены на расстоянии 30-35 м от перекрестка РД и на расстоянии 10-12 м от края ВПП или левого края РД.

Линии пересечения критической зоны рулежными дорожками в ночное время должны обозначаться неуправляемыми световыми указателями. При движении к ВПП с обеих сторон РД устанавливается световой указатель с символом  (для международных аэропортов , а при движении от ВПП - световой информационный указатель с символом . перечеркнутый красной чертой из левого нижнего угла в правый верхний (для международных аэропортов , указывавший на выход воздушного судна за пределы критической зоны. Эти неуправляемые световые указатели устанавливаются с обеих сторон РД, причем указатели  () устанавливаются со смещением относительно линии пересечения критической зоны РД таким образом, чтобы при нахождении кабины экипажа наиболее крупного воздушного судна на траверзе этих указателей воздушное судно целиком находилось вне критической зоны.

Допускается обозначать линии входа и выхода из критической зоны сдвоенными огнями кругового обзора с красными светофильтрами для движения к ВПП (на месте указателя  или  и с желтыми светофильтрами для движения от ВПП (на месте указателей  или , устанавливаемых с обеих сторон РД и имеющих заглушки с обратной стороны).

Рис. 11. Пример размещения неуправляемых световых указателей зона А обозначается красными огнями кругового обзора

Рис. 12. Пример размещения управляемых световых указателей

На линии красных огней в дополнение к дневной маркировке на покрытии РД делается подпись  (), на линии желтых огней - подпись  ().

2.58. Огни схода с ВПП зеленого цвета на нескоростных РД должны устанавливаться по осевой линии закругленной части РД на протяжении не менее 60 и до начала закругленного участка РД и продолжаться за закругленным участком РД, где воздушное судно должно достигать нормальной скорости руления с интервалом не более 7,5 м.

2.59. Осевые рулежные огни зеленого цвета должны устанавливаться по осевой линии РД с интервалом не более 30 м. На закругленных участках РД огни должны быть установлены со следующими интервалами в зависимости от радиуса закругления:

Радиус закругления, м                                                    Интервал между огнями, м

до 400                                                                                                      7,5

401-899                                                                                                   15,0

900 и более                                                                                             30,0

2.60. Стоп-огни красного цвета должны быть установлены в количестве не менее трех поперек РД с интервалами между огнями 3±0,3 м в местах, где установлены светофоры. Стоп-огни могут быть дополнены фланговыми огнями красного цвета.

2.61. Предупредительные огни желтого цвета должны быть установлены в количестве не менее трех поперек РД с интервалом между ними 1,5 м на расстоянии 30-60 м от ближнего края пересекаемой РД.

2.62. Уширения ВПП должны быть маркированы желтыми огнями кругового обзора с заглушками со стороны захода на посадку.

ж) Система управления светосигнальными рулежными средствами.

2.63. На аэродромах, оборудуемых для полетов в условиях I категории (с осевыми огнями ВПП) и II со сложной планировкой (с двумя ВПП и МРД) или с одной ВПП, но с необходимостью ее пересечения при маневрировании по аэродрому, а также на аэродромах, обеспечивающих полеты по III категории, должны предусматриваться системы управления светосигнальными рулежными средствами.

2.64. Система управления включает в себя аппаратуру дистанционного управления и сигнализации, панели оперативного управления диспетчеров руления и старта, мнемосхему диспетчера руления, средства электропитания.

2.65. Основой организации движения ВС при рулении являются стандартные маршруты руления (СМР), утвержденные службой движения аэродрома.

Все светосигнальные средства, обозначающие каждый СМР, входят в один программный набор, включаемый одним управляющим действием диспетчера руления. В зависимости от времени суток и метеоусловий на СМР должны, как правило, включаться различные светосигнальные средства.

з) Высота установки и механические свойства огней.

2.66. Наземные огни ВПП, огни КПБ и РД должны иметь в основании ослабленное сечение с тем, чтобы исключить опасность повреждения воздушного судна при соприкосновении с огнями.

Все огни приближения светосигнальной системы должны располагаться в одной горизонтальной плоскости, для чего их установка предусматривается на опорах переменной высоты с учетом перепадов рельефа местности. При этом опора должна иметь ослабленное сечение на расстоянии не более 1,8 м от верхней точки огня, за исключением, когда сама конструкция является ломкой.

2.67. При установке огней, надземного типа на фундаментах или каких-либо основаниях должны быть предусмотрены отмостки, сопрягающие их с рельефом местности.

2.68. Высота углубленных огней над уровнем бетона должна быть не более 40 мм для входных огней, огней приближения, световых горизонтов на КПБ; не более 13 мм - для посадочных, осевых огней ВПП, осевых огней быстрого схода с ВПП и входа с ВПП, зоны приземления, ограничительных огней; не более 25 мм - для осевых огней РД, стоп-огней и предупредительных огней.

3. ЭЛЕКТРОПИТАНИЕ ОГНЕЙ В СИСТЕМАХ СВЕТОСИГНАЛЬНОГО ОБОРУДОВАНИЯ

3.1. В системах светосигнального оборудования аэродромов применяется схема последовательного электропитания огней с использованием регуляторов яркости различной мощности.

3.2. Схемы электропитания должны обеспечить возможность раздельного включения огней для каждого направления посадки.

При оборудовании ВПП огнями высокой интенсивности с двух направлений посадки электропитание огней должно осуществляться от двух трансформаторных подстанций (ТП). Если ВПП оснащена огнями высокой интенсивности с одного направления посадки и отсутствует перспектива оборудования второго направления, электропитание системы ОВИ осуществляется от одной ТП.

В светосигнальных системах ОМИ при оснащении ВПП для производства полетов по ПВП или ППП электропитание системы может осуществляться от одной ТП.

3.3. Электропитание импульсных огней приближения выполняется по схеме в соответствии с технической документацией на тип оборудования.

3.4. Электропитание рулежных надземных огней и углубленных огней осуществляется в зависимости от количества рулежных дорожек и утвержденных службой движения стандартных маршрутов руления на аэродроме - от одного или нескольких регуляторов яркости по одной или нескольким кабельным линиям (с использованием высоковольтных контакторов).

В кабельное кольцо входят:

- рулежные боковые огни с неуправляемыми рулежными знаками;

- рулежные осевые и предупредительные огни;

- осевые огни скоростных выводных РД (допускается их включение в кольцо осевых огней ВПП при использовании одноламповых огней);

- осевые огни выводных РД;

- стоп-огни.

3.5. Электропитание управляемых стрелочных указателей и светофоров осуществляется от щита управления и электропитания световыми указателями.

3.6. На аэродромах, предназначенных для производства визуальных полетов, при наличии одной соединительной РД (ВПП с перроном), электропитание огней РД должно осуществляться от регулятора яркости, питающего посадочные огни ВПП.

3.7. Электропитание маркировочных огней уширения ВПП должно осуществляться совместно с боковыми огнями РД. При отсутствии рядом с уширением ВПП рулежной дорожки, используемой в ночное время, огни уширения следует включать в линию питания ВПП кругового обзора.

3.8. Выбор кабелей (по рабочему напряжению) для сетей последовательного питания огней светосигнальных систем производится, исходя из следующего:

- при питании кабельных линий от регуляторов яркости мощностью более 8 кВА используется кабель, рассчитанный на рабочее напряжение 5 или 6 кВ;

- при питании кабельных линий от регулятора яркости мощностью 8 кВА и менее допускается использование кабеля, рассчитанного на рабочее напряжение 3 кВ;

- при применении в светосигнальной системе регуляторов яркости различной мощности (до и более 8 кВА) должен выбираться кабель, рассчитанный на рабочее напряжение не менее 5 кВ.

3.9. В трансформаторных подстанциях, где установлено оборудование светосигнальных систем, кабели связи, управления, сигнализации и силовые кабели должны прокладываться в различных каналах или экранироваться друг от друга.

3.10. Заземляющие устройства огней светосигнальных систем выполняются в соответствии с технической документацией предприятия-изготовителя.

3.11. В кабельных линиях светосигнальной системы, как правило, через каждые 300 м (у ближайшего огня на ВПП и РД) изолирующие трансформаторы устанавливаются в специальных кабельных колодцах.

3.12. Кабельные колодцы для входных и ограничительных огней размещаются с обеих сторон ВПП. Кабельные линии вдоль торца ВПП допускается прокладывать в кабельных каналах.

3.13. Кабельные линии и изолирующие трансформаторы в сетях последовательного питания светосигнального оборудования, прокладываемые параллельно ВПП, РД, перрону и местам стоянки воздушных судов, как правило, должны размещаться на расстоянии не менее 3,5 м от кромок искусственного покрытия.

4. ДИСТАНЦИОННОЕ УПРАВЛЕНИЕ СВЕТОСИГНАЛЬНЫМИ СИСТЕМАМИ

4.1. Светосигнальные системы должны иметь дистанционное управление посадочным и рулежным оборудованием с получением необходимой сигнализации о работе системы и ее отдельных элементов в соответствии с документацией на тип оборудования.

4.2. Необходимый объем аппаратуры дистанционного управления светосигнальным оборудованием определяется для каждого конкретного аэродрома, исходя из состава управляемого технологического оборудования.

Типы кабелей линий связи и кабелей для соединения аппаратуры с управляемым оборудованием должны определяться типом аппаратуры, условиями прокладки кабелей и технической документацией на аппаратуру.

4.3. Аппаратура управления светосигнальным оборудованием должна располагаться:

- в помещении линейно-аппаратного зала командно-диспетчерского пункта (КДП), обслуживаемого сменным инженером (аппаратура пунктов управления);

- в помещении стартового диспетчерского пункта (СДП), управляемого диспетчером старта  (аппаратура пунктов управления);

- в трансформаторных подстанциях (аппаратура контролируемых пунктов);

- мнемосхемы устанавливаются в поле зрения диспетчеров посадки, руления и не должны затеняться другим оборудованием;

- панели оперативного управления устанавливаются в пультах диспетчеров посадки, руления, старта.

4.4. В ТП аппаратура дистанционного управления должна размещаться в помещении, где установлено технологическое оборудование, или смежном с ним помещении; при этом должен быть обеспечен свободный доступ к аппаратуре для удобства ее обслуживания.

5. ЭЛЕКТРОСНАБЖЕНИЕ И ЭЛЕКТРИЧЕСКОЕ ОБОРУДОВАНИЕ

Электроснабжение

5.1. Электроснабжение вновь строящихся, расширяемых, реконструируемых и технически перевооружаемых аэропортов I-V классов должно выполняться в соответствии с ВНТП 1-85.

При проектировании независимых взаимно резервирующих источников питания, относящихся к энергосистеме, следует учитывать вероятность одновременного зависимого кратковременного снижения или полного исчезновения напряжения на время действия релейной защиты и автоматики при повреждениях в электрической части энергосистемы, а также одновременного длительного исчезновения напряжения на этих источниках питания при тяжелых системных авариях.

5.2. Местная электростанция должна оборудоваться двумя автоматически взаимозаменяемыми агрегатами, каждый из которых должен быть рассчитан на полную нагрузку аэропорта.

5.3. Каждый элемент системы централизованного электроснабжения (ЦЭС) с учетом допустимой перегрузки должен обеспечивать электроэнергией расчетную нагрузку потребителей аэропорта.

5.4. Подача электроэнергии от независимых источников централизованного электроснабжения должна осуществляться через вводную ТП - центральный распределительный пункт (ЦРП) по воздушным линиям электропередачи (ЛЭП) или кабелем. Варианты исполнения ЛЭП определяются местными условиями.

5.5. Распределение электроэнергия между объектами аэродрома должно осуществляться на напряжении, как правило, 10-20 кВ.

Трансформаторные подстанции объектов, относящихся по степени надежности электроснабжения к особой группе I категории, должны быть двухтрансформаторными, подключаться по двум кабельным линиям к двум независимым источникам ЦЭС и иметь секционированные шины на напряжение 10 и 0,4 кВ с устройством автоматического ввода резерва (АВР) по низкому напряжению (0,4 кВ).

При проектировании электроснабжения этих объектов необходимо предусматривать группы сборных шин:

- секционированные сборные шины для питания потребителей I категории (после АВР, резервирующих источники питания);

- секционированные сборные шины гарантированного электроснабжения для потребителей особой группы I категории (после АВР, резервирующих источники централизованного электроснабжения дизель-генератором).

Шкафы сборных шин с распредустройствами, АВР и распределительные щиты должны окрашиваться в различные цвета:

- серый - для потребителей ниже I категории;

- синий - для потребителей I категории;

- оранжевый - для потребителей особой группы I категории;

- белый - для потребителей, требующих повышенного качества электроэнергии.

Подключение к низковольтным распределительным устройствам, питающим электроприемники особой группы I категории и I категории объектов УВД, навигации, посадки и связи, электропотребителей сторонних организаций запрещается.

Допускается подключение электропотребителей метеообеспечения, метеооборудования, а также потребителей, предназначенных для обеспечения нормальных условий работы и обслуживания этих объектов (освещение, вентиляция), при выделении указанных потребителей на отдельную секцию распределительного устройства (с соответствующей токовой защитой).

5.6. В распределительных пунктах (вводных ТП) должны быть предусмотрены приборы, регистрирующие качественные показатели параметров электроэнергии, поступающей в аэропорт, на входящих и отходящих линиях - счетчики расхода активной электроэнергии, на отходящих линиях - аппаратура токовой защиты.

5.7. Категории надежности электроснабжения систем посадки, объектов УВД, радионавигации и связи, принятые в соответствии с требованиями ПУЭ, по степени ответственности их электроприемников в выполнении установленных технологических процессов, а также максимально допустимое время восстановления их электроснабжения в аварийных ситуациях приведены в табл. 3.

В качестве автономного источника в зависимости от назначения объекта следует использовать либо химические источники (аккумуляторные батареи, входящие в комплект технологического оборудования), либо автоматизированные дизельные электроагрегаты.

5.8. При отсутствии практической возможности или технико-экономической нецелесообразности ввода электроэнергии от второго внешнего независимого источника в аэропорты, а также нецелесообразности строительства местной электростанции электроснабжение объектов, содержащие электроприемники особой группы I категории, допускается осуществлять от одного внешнего источника и двух автоматизированных взаимозаменяемых автономных агрегатов.

Таблица 3

Системы посадки, средства УВД, радионавигации и связи (состав, объектов и оборудования) 1)

Категория надежности электроснабжения

Максимально допустимое время перерыва электропитания, с

1

2

3

1. Светосигнальные и радиомаячные системы посадки

 

 

Светосигнальная система некатегорированного направления взлета и посадки:

 

 

визуально (по ПВП)

1

60

по приборам (по ППП)

1

30

Радиомаячная система некатегорированного направления взлета и посадки:

 

 

курсовой радиомаяк (КРМ)

I

302)

глиссадный радиомаяк (ГРМ)

ближний маркерный радиомаяк (БМРМ)

дальний маркерный радиомаяк (ДМРМ)

Оборудование системы посадки ОСП:

 

 

ближняя приводная радиостанция и маркерный радиомаяк (БПРМ)

I

153)

дальняя приводная радиостанция и маркерный радиомаяк (ДПРН)

Светосигнальная система точного захода на посадку первой категории ОВИ-1

ОГ (особая группа)

15

Радиомаячная система инструментального захода на посадку первой категории (РМC-14):

 

 

курсовой радиомаяк (KPM-1)

ОГ

0

глиссадный радиомаяк (ГРМ-1)

ближний маркерный радиомаяк (БМРМ)

1

0

дальний маркерный радиомаяк (ДМРМ)

дополнительный маркерный радиомаяк (доп. МРМ)

Светосигнальная система точного захода на посадку второй категории ОВИ-2

ОГ

1

Радиомаячная система инструментального захода на посадку второй категории РМС-2:

 

 

курсовой радиомаяк (КРМ-2)

ОГ

0

глиссадный радиомаяк (ГРМ-2)

ближний маркерный радиомаяк (БМРМ)

внутренний маркерный радиомаяк (ВнМРМ)

дальний маркерный радиомаяк (ДМРМ)

I

0

дополнительный маркерный радиомаяк (доп. МРМ)

Светосигнальная система точного захода на посадку третьей категории ОВИ-3

ОГ

1

Радиомаячная система инструментального захода на посадку третьей категории РМС-3:

 

 

курсовой радиомаяк (КРМ-3)

ОГ

0

глиссадный радиомаяк (ГРМ-3)

ближний маркерный радиомаяк (БМРМ)

внутренний маркерный радиомаяк (ВнМРМ)

дальний маркерный радиомаяк

I

0

дополнительный маркерный радиомаяк (доп.МРИ)

2. Командно-диспетчерские пункты

 

 

КДП I-V разрядов 5)

 

 

средства авиационной воздушной связи

ОГ

1

диспетчерские пульты службы движения

средства авиационной наземной связи

вентиляция технологическая

автоматическая телефонная станция (АТС)

I

30

метеорологическое оборудование

обогрев остекления

освещение рабочее

освещение аварийное

III

1

общеобменная вентиляция

II

-

лифт

II

-

КДП VI разряда 4)

 

 

средства авиационной воздушной связи

I

153)

средства авиационной наземной связи

диспетчерские пульты службы движения

автоматическая телефонная станция (АТС)

вентиляция технологическая

общеобменная вентиляция

II

-

3. Стартовые диспетчерский и наблюдательный пункт (СДП)

 

 

Средства авиационной воздушной связи

ОГ

I

Диспетчерские пульты службы движения

Вентиляция технологическая

Метеорологическое оборудование

I

30

Обогрев остекления 6)

Общеобменная вентиляция

II

-

4. Объекты радиолокационного контроля и радионавигации (не входящие в системы АСУВД)

 

 

Посадочный радиолокатор (ПРЛ)

I

10

Аэродромный радиолокационный комплекс (АРЛК)

I

15 8)

Трассовый радиолокационный комплекс (ТРЛК)

Обзорный радиолокатор аэродромный (ОРЛ-А)

Обзорный радиолокатор трассовый (ОРЛ-Т)

Обзорно-посадочный радиолокатор (ОПРЛ)

Радиолокационная станция обзора летного поля (РЛС ОЛП)

Вторичный радиолокатор (ВРЛ)

Автоматический радиопеленгатор (АРП)

Радиотехническая система ближней навигации (РСБН)

Метеорологический радиолокатор (МРЛ)

Отдельная приводная радиостанция (ОПРС)

5. Автоматизированные система управления воздушным движением (основное технологическое оборудование центров управления и выносные позиции)

 

 

Аэродромная. Аэродромно-узловая (АСС УВД)7)

ОГ

1

Выносная позиция АРМ

Районная (РАС УВД)7)

Выносная позиция ТРЛК

I

20

Выносная позиция ПРЦ

Выносная позиция ПМРЦ

6. Радиоцентры 4)

 

 

Передающий радиоцентр (ПРЦ):

 

 

средства связи и технологическая вентиляция

ОГ

15 3)

общеобменная вентиляция и вспомогательное оборудование

II

-

Приемный радиоцентр (ПРМЦ)

 

 

средства связи и технологическая вентиляция

ОГ

15 3)

общеобменная вентиляция и вспомогательное оборудование

II

-

7. Заградительные огни высотных препятствий (мачт, зданий, сооружений)

I

I5 3)

8. Освещение

 

 

Аварийное 6)

III

30

Рабочее 6)

III

-

9. Технические средства охранной и пожарной сигнализации, автоматические средства пожаротушения, основная и стартовая аварийно-спасательная станция 6)

I

30

1) Составы объектов и технических средств УВД, радионавигации и связи для каждого конкретного аэропорта должны приниматься в соответствии с ведомственными строительными нормами проектирования этих объектов. По табл. 3 определяются только категории надежности их электроснабжения.

2) При наличии в комплекте технологического оборудования химического источника, обеспечивающего при отказе других источников непрерывную работу указанного оборудования в течение 2 ч, максимально допустимое время перерыва электропитания следует принимать равным нулю.

3) До выпуска промышленностью дизель-генераторов со временем запуска 15 с допускается установка дизель-генераторов со временем запуска 20 с.

4) Электроснабжение в аэропортах II  V классов допускается осуществлять по I категории от трех источников, как правило, от трансформаторных подстанций других объектов РТО и ССО по двум кабельным линиям с переключением источников на ТП этих объектов.

5) При проектировании КДП IV и V разрядов, расположенных на некатегорированных аэродромах, надежность электроснабжения средств авиационной связи и диспетчерских пультов службы движения, а также технологической вентиляции допускается принимать по I категории.

6) Установка автономных источников не обязательна.

7) Комплектная аппаратура бесперебойного питания, входящая в оборудование ААС УВД, РАС УВД, отдельным самостоятельным источником не считается и в состав источников электроснабжения по требованиям особой группы I категории не входит.

5.9. Электроснабжение объектов, содержащих электроприемники особой группы I категории, имеющие в составе технологического оборудования химические источники емкостью не менее чем на 2 ч работы объекта, допускается осуществлять от одного внешнего источника и одного автономного автоматизированного агрегата.

5.10. В качестве автономного независимого источника маркерного радиомаяка (МРМ) допускается использование химических источников тока, обеспечивающих работу технологического оборудования в течение 6 ч.

5.11. Электроснабжение объектов, содержащих электроприемники особой группы I категории, осуществляемое от двух внешних источников и автономного агрегата, должно быть автоматизировано с выполнением следующих операций:

- переключение нагрузки с отказавшего внешнего источника на другой (исправный) внешний источник и подача команды на запуск автономного агрегата с последующем переключением указанной нагрузки с исправного внешнего источника на автономный агрегат по достижении им номинального числа оборотов;

- переключение нагрузки с автономного агрегата на ранее отказавший внешний источник при восстановлении на нем номинального напряжения с одновременной посылкой сигнала на остановку автономного агрегата;

- переключение нагрузки с автономного агрегата на исправный внешний источник при отказе автономного агрегата, возникшем до момента восстановления номинального напряжения на отказавшем внешнем источнике;

- переключение нагрузки с исправного внешнего источника на ранее отказавший внешний источник при восстановлении на нем номинального напряжения;

- переключение нагрузки обоих внешних источников на автономный агрегат, работающий в качестве резервного источника при их отказе в разное время и посылка сигнала об этом переключении на пульт сменного инженера КДП;

- переключение нагрузки с автономного агрегата на исправный внешний источник при дистанционной остановке агрегата;

- возвращение схемы электроснабжения в исходное состояние при восстановлении номинального напряжения на обоих внешних источниках.

По двум последним операциям должна быть предусмотрена возможность неоперативного переключения на режим дистанционного управления с КДП и местного возврата схемы в исходное состояние.

5.12. Электроснабжение объектов, содержащих электроприемники особой группы I категории, осуществляемое от одного внешнего источника и двух автономных агрегатов, должно быть автоматизировано с обеспечением возможности использования любого из этих агрегатов в качестве основного источника, резервированного внешним источником. Такое резервирование должно обеспечивать восстановление электроснабжения при отказе основного источника за время не более 1 с на каждом объекте, работающем в условиях категорированных метеоминимумов. Электроснабжение этих электроприемников и автономных агрегатов с резервированием внешним источником должно обеспечиваться дистанционным запуском любого из агрегатов с целью обеспечения электрической энергией части нагрузок от источника централизованного электроснабжения и другой части от дизель-электрического агрегата. Кроме того, следует предусматривать при восстановлении напряжения на внешнем источнике продолжение работы дизель-генератора на нагрузку с последующим дистанционным остановом.

Электрическая схема должна быть выполнена таким образом, чтобы при выходе из строя одного из указанных источников все нагрузки подключались к оставшемуся в работе и одновременно подавалась команда на запуск второго дизельного электроагрегата. По достижении его номинальных параметров данный дизельный электроагрегат должен заменить в схеме электроснабжения вышедший из строя источник.

Аппаратура пунктов управления системы дистанционного управления и контроля за состоянием масляных выключателей автоматического ввода резерва (АВР) во ввутриаэропортовой электрической сети должна устанавливаться в помещении службы электросветотехнического обеспечения полетов (ЭСТОП) в соответствии с документацией на тип оборудования.

5.13. При проектировании электроснабжения объектов, содержащих электроприемники особой группы I категории, осуществляемого от внешнего источника, автономного агрегата и химического источника, следует предусматривать автоматизацию следующих операций:

- подключение к нагрузке комплектного химического источника при отказе внешнего источника и подача сигнала на запуск автономного агрегата;

- переключение нагрузки на автономный агрегат по достижении им номинального числа оборотов и посылка сигнала об этом переключении на пульт сменного инженера КДП;

- возвращение схемы в исходное состояние при восстановлении напряжения на внешнем источнике.

5.14. При проектировании электроснабжения объектов, содержащих электроприемники I категории от внешнего источника и автономного агрегата следует предусматривать автоматизацию следующих операций:

- запуск автономного агрегата при отказе внешнего источника и подключение к нему нагрузки по достижении им номинального числа оборотов и посылка сигнала о переключении на пульт сменного инженера КДП;

- возвращение схемы в исходное состояние при восстановлении напряжения на внешнем источнике.

На последней операции должна быть предусмотрена возможность неоперативного переключения на режим дистанционного управления с КПП и местного возврата схемы в исходное состояние.

5.15. Все операции по переключению нагрузки с одного источника на другой, приведенные в пп. 5.11-5.14, должны быть автоматизированы и выполняться за время, указанное в табл. 3, необходимое для восстановления электроснабжения объектов, обусловленное допустимыми перерывами питания их электроприемников.

На всех объектах, содержащих электроприемники не ниже I категории, электроснабжение которых осуществляется от двух внешних независимых источников, время переключения нагрузки на другой не должно превышать 1 с.

При электроснабжении объектов, содержащих электроприемники с разным временем максимально допустимых перерывов их питания, осуществляемом от внешних, источников и автономных агрегатов, время переключения нагрузки общим устройством, АВР с отказавшего основного источника на резервный, должно приниматься по электроприемнику, у которого допустимый перерыв минимальный.

5.16. В системах электроснабжения аэропортов и объектов радиосветотехнического обеспечения (РСТО) и связи следует предусматривать устройства телемеханики, которые должны обеспечивать управление коммутационными элементами высоковольтной сети для оперативного изменения конфигурации сети при различных авариях, управление коммутационными элементами сети 0,4 кВ для обеспечения оперативного выбора любого источника питания электроэнергией в качестве основного, а также сигнализацию с состоянии коммутационных элементов.

Выбор типа устройств телемеханики осуществляется в зависимости от количества объектов контроля и управления.

Автономные источники

5.17. Категорированные радиомаячные и светосигнальные системы инструментального захода на посадку и посадки воздушных судов, объекты УВД и радионавигации, электроприемники которых по степени надежности электроснабжения отнесены к особой группе I категории и I категории, должны питаться от автономных источников независимо от подачи на них электроэнергии от двух и более источников централизованного электроснабжения.

Установка автономных источников электропитания для этих систем и объектов должна предусматриваться и в тех случаях, когда из-за отсутствия второго ввода электроэнергии в аэропорт от внешнего источника используются автономные агрегаты. В этом случае количество автономных агрегатов должно быть не менее двух.

Автономные агрегаты, как правило, дизель-генераторные установки могут размещаться непосредственно на данном объекте, на соседних объектах или в любом другом месте, в пределах охраняемой территории с прокладкой кабеля по отдельной трассе.

Мощность автономных агрегатов, устанавливаемых на указанных объектах, должна рассчитываться только на питание электроприемников особой группы I категории и I категории, входящих в состав их технологического оборудования, исходя из полной их нагрузки (с учетом потребляемой мощности "горячим резервом"), обеспечивающей нормальное функционирование объектов во время отсутствия подачи на них электроэнергии от внешних источников.

5.18. Дизель-генераторные установки, выполняющие функции резервных или применяемые для работы в качестве основных источников, должны быть автоматизированы.

Степень автоматизации по ГОСТ 14228-80 (объем автоматизированных или автоматически выполняемых операций), применяема для питания электроприемников различиях категорий, должна быть не менее второй, время необслуживаемой работы дизель-генераторов, расположенных в пределах аэродромной территории - 50 ч; для дизель-генераторов объектов, расположенных в труднодоступных районах, время необслуживаемой работы должно быть не менее необходимого для доставки топлива и горюче-смазочных материалов.

Дистанционное управление вспомогательными агрегатами двигателя, а также другими операциями, не относящимися к автоматическому режиму, в котором должны работать дизель-генераторные установки на объектах, в проектах не предусматривается.

Электрические сети аэропортов

5.19. Линии электропередачи (ЛЭП) от внешних источников электроэнергии до РП или вводных ТП могут быть кабельными или воздушными в зависимости от характера трассы и ее расположения относительно аэродрома.

5.20. Для аэропортов I-III классов питающие кабельные ЛЭП и распределительная электрическая сеть объектов средств посадки, радионавигации и УВД должны выполняться бронированным кабелем, а для аэропортов IV и ниже классов рекомендуется выполнять данные сети небронированным кабелем.

5.21. Проектирование кабельных сооружений и прокладку кабелей следует осуществлять с учетом требований "Правил устройства электроустановок" (ПУЭ), приказа МГА от 28,03.85 № 70 и "Инструкции по монтажу сооружений устройств связи, радиовещания и телевидения" (ВСН 600-81 Минсвязи СССР) (в части раздельной прокладки силовых кабелей и кабелей связи или разделения их противопожарными перегородками),

5.22. Прокладка кабельных линий от распределительных пунктов и вводных ТП к объектам должна выполняться в раздельных траншеях по каждому внешнему источнику; Совмещение прокладки в одной траншее, кабельных линий электроснабжения объектов и высоковольтных линий ввода электроэнергии в аэропорт не допускается. Расстояние между траншеями должно быть не менее 1 м.

Пересечения кабельными линиями ВПП, РД бетонных покрытий должны выполняться в соответствии с требованиями ПУЭ по пересечению кабельными линиями дорог с устройством кабельных колодцев.

5.23. Прокладка кабельных линий в аэропортах, расположенных в районах вечной мерзлоты, должна выполняться в соответствии со СНиП III-33-76 "Правила производства и приемки работ. Электротехнические устройства".

Размещение электрооборудования

5.24. При размещении трансформаторных подстанций на аэродроме должны учитываться критические зоны курсовых и глиссадных маяков, в соответствии с требованиями ВСН 7-86.

5.25. Трансформаторные подстанции, питающие радиомаячные системы инструментального захода на посадку, объекты УВД и радионавигации должны встраиваться или пристраиваться к зданиям, в которых размещается их основное технологическое оборудование, или располагаться в непосредственной близости от них.

Распределительные устройства напряжением 0,4 кВ, регуляторы яркости, устройства дистанционного управления и другая подобная аппаратура должна устанавливаться в этих ТП в отдельных сообщающихся между собой помещениях. Полы этих помещений должны быть покрыты керамической плиткой.

Во всех ТП конструкции пола, стен (и их окраска) должны исключать возможность образования цементной или другой пыли. Поверхность пола должна быть рассчитана на перемещение по ней тележек с технологическим оборудованием общим весом до 1 т. Установка регуляторов яркости в аппаратных залах огоньковых ТП должна производиться в соответствии с документацией на тип оборудования.

5.26. Встроенные в здание или пристроенные к ним ТП и РП, как правило, должны располагаться на первых этажах и выделяться противопожарными перегородками первого типа и перекрытиями третьего типа.

5.27. Уровень пола во всех ТП и РП должен быть выше планировочной отметки земли не менее, чем на 0,15 м.

5.28. Для исключения попадания грунтовых, талых и других вод должны предусматриваться мероприятия по гидроизоляции кабельных каналов и приямков в соответствии с конкретными гидрогеологическими условиями строительной площадки.

5.29. Аккумуляторные батареи должны устанавливаться в соответствии с требованиями ПУЭ "Аккумуляторные установки" в специальных помещениях, на стеллажах в аккумуляторных шкафах, оборудованных естественной вытяжной вентиляцией.

5.30. При питании электроприемников КДП, а также других объектов УВД, посадки и радионавигации от отдельно стоящих ТП установку распределительных щитов и устройств АВР следует предусматривать в зданиях, где устанавливаются их основные электроприемники.

5.31. На всех ТП объектов РСТО и связи должны устанавливаться счетчики. При электроснабжении от одной ТП нескольких объектов на их вводах также должны устанавливаться счетчики. На объектах, где электроприемники относятся к разным службам, счетчики следует устанавливать по группам потребителей этих служб.

Заземление

5.32. Заземление и зануление электроустановок и электрических сетей, кроме общих требований СН 102-76 "Инструкции по устройству заземления и зануления в электроустановках", а также ПУЭ, "Правил технической эксплуатации электроустановок потребителей" (ПТЭ) и "Правил техники безопасности при эксплуатации электроустановок потребителей" (ПТБ) должны выполняться в соответствии с требованиями предприятий-изготовителей электрооборудования.

5.33. Заземление электроустановок различного назначения и различных напряжений, расположенных в непосредственной близости друг от друга, следует выполнять путем применения общего заземляющего устройства, которое должно отвечать требованиям по величине необходимого его сопротивления той электроустановке, для которой она должна быть наименьшей (относительно других электроустановок, подключаемых к данному заземляющему устройству).

Связь

5.34. Распределительные пункты и все трансформаторные подстанции должны иметь телефонную связь через АТС аэропорта, причем РП и вводные ТП аэропорта должны иметь право выхода в городскую АТС.

В трансформаторных подстанциях, питающих категорированные светосигнальные системы посадки, электроснабжение которых осуществляется от одного внешнего источника и двух автономных агрегатов, не имеющих дистанционного управления с КДП, рекомендуется устанавливать абонентские аппараты громкоговорящей связи (ГТС) со сменным инженером КДП.

5.35. В аэропортах I-III классов следует предусматривать ультракоротковолновую радиосвязь сменного инженера службы электросветотехнического обеспечения полетов (ЭСТОП) со спецавтомашинами этой службы.

6. РЕЖИМ РАБОТЫ ЭЛЕКТРИЧЕСКОГО ОБОРУДОВАНИЯ И ЧИСЛЕННОСТЬ ПЕРСОНАЛА

6.1. Режимы работы электрического оборудования определяются режимами работы комплекса радиосветотехнических средств наземного обеспечения полетов, которые зависят от категорий минимума посадки на аэродроме, интенсивности воздушного движения, регламента полетов и других показателей, характеризующих работу аэропорта по радиосветотехническому обслуживанию самолетов в полете, при посадке и выпуске с аэродрома, заданных "Наставлением по связи в гражданской авиации" и ПТЭ.

6.2. Потребная численность персонала службы ЭСТОП должна определяться в соответствии с нормативами численности, утверждаемыми МГА, с учетом на перспективу нормативов роста производительности труда в гражданской авиации.

7. РЕЖИМНО-ОХРАННОЕ ОБЕСПЕЧЕНИЕ

Трансформаторные подстанции, агрегатные и электрощитовые в зданиях КДП и блоках УВД должны быть оборудованы охранной сигнализацией, которая должна выполняться в соответствии с "Правилами оборудования и монтажа технических средств охраны на объектах и предприятиях гражданской авиации".

При проектировании диспетчерского пункта службы ЭСТОП шлейфы охранной сигнализации объектов электроснабжения следует заводить на пульт местного наблюдения (ПМН). Общий сигнал от ПМН выводится на пульт централизованного наблюдения аэропорта.

8. ПОЖАРНАЯ БЕЗОПАСНОСТЬ И ВЗРЫВОБЕЗОПАСНОСТЬ

8.1. При проектировании объектов электроснабжения, кроме общесоюзных документов, следует руководствоваться требованиями "Перечня помещений, зданий, сооружений и объектов гражданской авиации, подлежащих обязательному оборудованию системами автоматического пожаротушения, пожарной и охранно-пожарной сигнализации".

8.2. Состав помещений по категории производств, классу взрывопожароопасности следует принимать согласно табл. 4.

Таблица 4

Здания, помещения

Выполняемые работы

Взрыво- и пожароопасные материалы, вещества, процессы

Категория производств х)

Трансформаторная подстанция

Трансформация электроэнергии

Металл, трансформаторное масло

В

Трансформаторная камера

То же

То же

В

Распределительное устройство до

Включение и отключение электронагрузки

Металл, кабели, открытое искрение

В

Распределительное устройство свыше 1000 П

Переключение высоковольтных кабельных сетей

Металл, кабели, выброс газов, искрение

В

Аппаратная

Техническое обслуживание аппаратуры, местное управление

Металл, кабели в сгораемой оболочке, трансформаторное масло

В

Аккумуляторная

Зарядка аккумуляторов, хранение кислоты

Выделение водорода

А

Линейно-аппаратный зал

Контроль за работой аппаратуры, местное управление

Металл, аппаратура контроля и управления

В

Насосная

Перекачка топлива

Дизельное топливо

В

Агрегатная

Запуск, работа, остановка дизелей

Металл, дизельное топливо

В

х) Согласно Общесоюзным нормам технологического проектирования "Определение категорий помещений и зданий по взрывопожарной и пожарной опасности" (ОНТП 24-86/МВД СССР).

Примечание. Классы взрывоопасности вон помещений приняты согласно требованиям "Правил устройства электроустановок": для аккумуляторной - В-Ia, для насосной - II-I

9. ЭЛЕКТРОПИТАНИЕ СИСТЕМ ОТОПЛЕНИЯ

9.1. Электропитание систем отопления объектов аэропорта должно осуществляться в соответствии с "Инструкцией о порядке согласования применения электрокотлов и других нагревательных приборов", согласованной с Госпланом СССР и утвержденной Министерством энергетики и электрификации СССР 24 декабря 1981 г., а также в соответствии с разрешением отдела энергетики и электрификации Госплана СССР от 05.02.80 на использование электроэнергии для отопления объектов в аэропортах гражданской авиации.

10. НОРМАТИВНЫЕ ТЕХНИКО-ЭКОНОМИЧЕСКИЕ ПОКАЗАТЕЛИ

10.1. Годовые объемы работ аэропорта, удельные капитальные вложения, удельные эксплуатационные расходы (в зависимости от типа установленной системы светосигнального оборудования), производительность труда и численность персонала службы ЭСТ0П в зависимости от класса аэропорта приведены в табл. 5.

Таблица 5

Технико-экономические показатели

Класс аэропорта

I

II

III

IV

V

Годовой объем работы аэропорта, усл. тыс. т

1080-745

745-433

433-249

249–93

93

Удельные капитальные вложения, руб./усл. т

2,35-1,89

2,33-2,93

3,18-0,76

0,82

2,20

Удельные эксплуатационные расходы, руб./усл. т

0,20-0,17

0,20-0,25

0,27-0,09

0,13

0,31

Численность персонала службы ЭСТОП, обслуживающего светосигнальное оборудование, чел.

15-13

13-10

10-5

5-3

3

Производительность труда, усл. тыс. /чел.

72,0-57,3

57,3-43,3

43,3-49,8

49,8-31,0

31

Уровень автоматизации объектов РСТО, связи и электроснабжения (в среднем по аэропорту), %

76

76

76

76

76

Примечания: 1. Нормативные технико-экономические показатели рассчитаны для условий, приведенных в ВНТП 1-85.

2. Минимальные и максимальные значения технико-экономических показателей по классам аэропортов рассчитаны в зависимости от стоимости возможных для соответствующего класса аэропортов вариантов систем светосигнального оборудования (для основного и вспомогательного направлений посадки).

ПРИЛОЖЕНИЯ

Приложение 1

Обязательное

ПЕРЕЧЕНЬ СИСТЕМ СВЕТОСИГНАЛЬНОГО ОБОРУДОВАНИЯ ПО КЛАССАМ АЭРОПОРТОВ

Класс аэропорта

Системы светосигнального оборудования по направлениям посадки

основное

вспомогательное

I

ОВИ-3

ОВИ-1

ОВИ-2

ОВИ-1

ОВИ-1

ОВИ-1

II

ОВИ-2

ОВИ-1

ОВИ-1

ОВИ-1

ОВИ-1

ОМИ

III

ОВД-1

ОВИ-1

ОМИ

ОМИ

ОМИ

-

IV

ОМИ

ОМИ

ОМИ

-

-

-

V

ОМИ

ОМИ

ОМИ

-

-

-

Выбор варианта системы производится на основании технико-экономического расчета с учетом ожидаемых условий эксплуатации (интенсивности взлетов-посадок, повторяемости сложных метеоусловий, типов воздушных судов) и подлежит согласованию с УНС МГА м УКС МГА при утверждении технического задания на проектирование.

Примечание. При оборудовании ВПП для полетов по приборам установка светосигнального оборудования обязательна.

Приложение 2

Обязательное

РАСПОЛОЖЕНИЕ И ХАРАКТЕРИСТИКА СИСТЕМЫ ГЛИССАДНЫХ ОГНЕЙ

Схема расположения и распределение углов возвышения глиссадных огней представлены на рисунке.

Система включает четыре огня, устанавливаемых в виде флангового горизонта слева от ВПП.

Огни в горизонте устанавливаются с интервалами 9±1 м. Внутренний край ближнего к ВПП огня должен находиться на расстоянии 15±1 м от кромки ВПП или любой РД.

Расстояние Д1 от порога ВПП и углы возвышения огней должны быть таковы, чтобы обеспечивалось совпадение выдаваемого системой визуального сигнала "на глиссаде" с требуемым утлом захода на посадку в возможно большей степени.

Огни имеют дифференцированные углы возвышения. Наибольший угол возвышения из четырех огней имеет ближний к ВПП. В направлении от ВПП вдоль горизонта угол возвышения каждого последующего огня по отношению к предыдущему уменьшается на 20 угловых минут.

Если требуемый угол захода на посадку 2°40', то для его обеспечения огни должны иметь следующие углы возвышения (справа налево от ВПП): 3°10', 2°50', 2°30', 2°10'.

Схема расположения огней системы PAPI и распределение углов возвышения огней (угол захода на посадку 2°40')

Приложение 3

Обязательное

СВЕТОТЕХНИЧЕСКИЕ ХАРАКТЕРИСТИКИ ОГНЕЙ СИСТЕМ СВЕТОСИГНАЛЬНОГО ОБОРУДОВАНИЯ АЭРОДРОМОВ ДЛЯ I И II КАТЕГОРИЙ ПОСАДКИ

Огни

Цвет излучения

Углы рассеяния, град.

Средняя сила света огней, не менее кд×103

Углы установки, град.

вертикальная плоскость

горизонтальная плоскость

вертикальная плоскость

горизонтальная плоскость

Приближения центрального ряда и световых горизонтов

Белый

 

 

20

6-4,5

0

Бокового ряда на КПБ

Красный

9

17

5

5,5

0

Входной

Зеленый

7,5

13

10

3,5

0

Зоны приземления

Белый

5,5

9

14

3

1,5

Осевой ВПП (расстояние между огнями 15 м)

Белый, красный

6

10

3,5

3

0

Посадочный при ширине ВПП 60 м, знака приземления

Белый, желтый

7,5

12

10

3

2

Ограничительный

Красный

7,5

13

2,5

3

0

Примечания: 1. Средняя сила света (в цветных вандалах) дана в пределах указанных углов рассеяния.

2. Для огней зоны приземления и осевых ВПП максимальная сила света и углы рассеяния даны в пределах 0,5 максимальной силы света.

3. Углы установки огней приближения и световых горизонтов в вертикальной плоскости для расстояний от порога более 600 м - 6°, 600 - 450 м - 5,5°, 450 - 300 м - 5°, 300 м - 4,5°.

Приложение 4

Обязательное

СВЕТОТЕХНИЧЕСКИЕ ХАРАКТЕРИСТИКИ ОГНЕЙ СИСТЕМ СВЕТОСИГНАЛЬНОГО ОБОРУДОВАНИЯ АЭРОДРОМОВ ДЛЯ III КАТЕГОРИИ, ВКЛЮЧАЯ I И II КАТЕГОРИИ ПОСАДКИ

Огни

Цвет излучения

Углы рассеяния, град.

Средняя сила света огней, не менее кд - 103

Углы установки, град.

вертикальная плоскость

горизонтальная плоскость

вертикальная плоскость

горизонтальная плоскость

1

2

3

4

5

6

7

Приближения центрального ряда и световых, горизонтов

Белый

12

22

20

8-5,5

0

Бокового ряда на КПБ

Красный

II

16

5

6-5,5

2

Входной

Зеленый

II

13

10

5,6

3,5

Зоны приземления

Белый

9

II

5

5,5

4

Осевой ВПП (расстояние между огнями 15 м)

Белый, красный

9

12

5

4,5

0

Посадочный при ширине ВПП 60 м, знака приземления

Белый, желтый

9

13

10

3,5

4,5 (3,5) х)

Ограничительный

Красный

6

14

2.5

2,5

0

х) В скобках дан угол установки посадочных огней на ВПП шириной до 60 м.

Примечания: 1. Средняя сила света (в цветных канделах) дана в пределах указанных углов рассеяния.

2. Вместо прожекторных огней допускается применение углубленных огней со светотехническими характеристиками, соответствующими требованиям настоящей таблицы.

3. Углы установки огней приближения и световых горизонтов в вертикальной плоскости для расстояний от порога более 600 м - 8°; 600-450 м - 7°, 450-300 м - 6°, до 300 м - 5,5°, углы установки огней бокового ряда на ЕПБ для расстояний от порога 300 м - 6°, 150 м - 5,5°.

4. Допускается применение сдвоенных (строенных) арматур.

Приложение 5

Обязательное

СВЕТОТЕХНИЧЕСКИЕ ХАРАКТЕРИСТИКИ РУЛЕЖНЫХ ОГНЕЙ (УГЛУБЛЕННЫХ), ВХОДЯЩИХ В СОСТАВ СИСТЕМ СВЕТОСИГНАЛЬНОГО ОБОРУДОВАНИЯ АЭРОДРОМОВ ДЛЯ III КАТЕГОРИИ ПОСАДКИ

Огни

Цвет излучения

Углы рассеяния, град.

Средняя сила света огней, не менее кд×103

Углы установки, град.

вертикальная плоскость

горизонтальная плоскость

вертикальная плоскость

горизонтальная плоскость

Осевой РД:

 

 

 

 

 

 

прямого участка двухпучковый

Зеленый

9

22

0,2

4,5

0

закругленного участка двухпучковый

Зеленый

II

40,5

0,1

4,5

0

Осевой выводной скоростной РД однопучковый

Зеленый, желтый

9

11

1,0

4,5

0

Осевой выводной РД двухпучковый

Зеленый

9

11

0,5

4,5

0

Стоп-огонь

Красный

9

22

0,2

4,5

0

Предупредительный

Желтый

9

20

0.2

4,5

0

Примечание. Средняя сила света указана в цветных канделах.

 




ГОСТЫ, СТРОИТЕЛЬНЫЕ и ТЕХНИЧЕСКИЕ НОРМАТИВЫ.
Некоммерческая онлайн система, содержащая все Российские Госты, национальные Стандарты и нормативы.
В Системе содержится более 150000 файлов нормативно-технической документации, действующей на территории РФ.
Система предназначена для широкого круга инженерно-технических специалистов.

Рейтинг@Mail.ru Яндекс цитирования

Copyright © www.gostrf.com, 2008 - 2026