Крупнейшая бесплатная информационно-справочная система онлайн доступа к полному собранию технических нормативно-правовых актов РФ. Огромная база технических нормативов (более 150 тысяч документов) и полное собрание национальных стандартов, аутентичное официальной базе Госстандарта. GOSTRF.com - это более 1 Терабайта бесплатной технической информации для всех пользователей интернета. Все электронные копии представленных здесь документов могут распространяться без каких-либо ограничений. Поощряется распространение информации с этого сайта на любых других ресурсах. Каждый человек имеет право на неограниченный доступ к этим документам! Каждый человек имеет право на знание требований, изложенных в данных нормативно-правовых актах!

  


 

ФЕДЕРАЛЬНОЕ АГЕНТСТВО
ПО ТЕХНИЧЕСКОМУ РЕГУЛИРОВАНИЮ И МЕТРОЛОГИИ

НАЦИОНАЛЬНЫЙ
СТАНДАРТ
РОССИЙСКОЙ
ФЕДЕРАЦИИ

ГОСТ Р МЭК
61084-2-2-
2007

СИСТЕМЫ КАБЕЛЬНЫХ И СПЕЦИАЛЬНЫХ КАБЕЛЬНЫХ КОРОБОВ ДЛЯ ЭЛЕКТРИЧЕСКИХ УСТАНОВОК

Часть 2-2

Частные требования

СИСТЕМЫ КАБЕЛЬНЫХ И СПЕЦИАЛЬНЫХ КАБЕЛЬНЫХ КОРОБОВ,
ПРЕДНАЗНАЧЕННЫЕ ДЛЯ УСТАНОВКИ ПОД И ЗАПОДЛИЦО С ПОЛОМ

IEC 61084-2-2:2003
Cable trunking and ducting systems for electrical installations - Part 2-2: Particular
requirements - Cable trunking systems and cable ducting systems intended for underfloor and flushfloor installations
(IDT)

Москва
Стандартинформ
2008

Предисловие

Цели и принципы стандартизации в Российской Федерации установлены Федеральным законом от 27 декабря 2002 г. № 184-ФЗ «О техническом регулировании», а правила применения национальных стандартов Российской Федерации» - ГОСТ Р 1.0-2004 «Стандартизация в Российской Федерации. Основные положения».

Сведения о стандарте

1 ПОДГОТОВЛЕН Открытым акционерным обществом «Компания «Электромонтаж» (ОАО «Компания «Электромонтаж») на основе собственного аутентичного перевода стандарта, указанного в пункте 4

2 ВНЕСЕН Техническим комитетом по стандартизации ТК 337 «Электроустановки жилых и общественных зданий»

3 УТВЕРЖДЕН И ВВЕДЕН В ДЕЙСТВИЕ Приказом Федерального агентства по техническому регулированию и метрологии от 19 декабря 2007 г. № 378-ст

4 Настоящий стандарт идентичен международному стандарту МЭК 61084-2-2:2003 «Системы кабельных и специальных кабельных коробов для электрических установок. Часть 2-2. Частные требования. Системы кабельных и специальных кабельных коробов, предназначенные для установки под и заподлицо с полом» (IEC 61084-2-2:2003 «Cable trunking and ducting systems for electrical installations - Part 2-2: Particular requirements - Cable trunking systems and cable ducting systems intended for underfloor and flushfloor installations»).

При применении настоящего стандарта рекомендуется использовать вместо ссылочных международных стандартов соответствующие им стандарты Российской Федерации, сведения о которых приведены в дополнительном приложении Б

5 ВВЕДЕН ВПЕРВЫЕ

Информация об изменениях к настоящему стандарту публикуется в ежегодно издаваемом информационном указателе «Национальные стандарты», а текст изменений и поправок - в ежемесячно издаваемых указателях «Национальные стандарты». В случае пересмотра (замены) или отмены настоящего стандарта соответствующее уведомление будет опубликовано в ежемесячно издаваемом информационном указателе «Национальные стандарты». Соответствующая информация, уведомление и тексты размещаются также в информационной системе общего пользования - на официальном сайте Федерального агентства по техническому регулированию и метрологии в сети Интернет

Содержание

Предисловие

Введение

1 Область применения

2 Нормативные ссылки

3 Термины и определения

4 Общие требования

5 Испытания. Общие условия

6 Классификация

7 Маркировка

8 Размеры

9 Конструкция

10 Механические свойства

11 Сопротивление распространению горения

12 Электрические характеристики

13 Внешние воздействия

Приложение А (справочное)

Приложение АА (справочное)

Испытания на механическую прочность систем кабельных и специальных кабельных коробов, предназначенных для установки под и заподлицо с полом

Приложение Б (справочное)

Сведения о соответствии национальных стандартов Российской Федерации ссылочным международным стандартам

Введение

Настоящий стандарт является прямым применением международного стандарта МЭК 61084-2-1:2003, входящего в комплекс стандартов «Системы кабельных и специальных кабельных коробов для электрических установок».

Комплекс стандартов состоит из следующих частей:

часть 1 - Общие требования;

часть 2 - Частные требования.

На момент издания настоящего стандарта часть 2 состояла из следующих разделов:

раздел 1 - часть 2-1. Системы кабельных и специальных кабельных коробов, предназначенные для установки на стенах и потолках;

раздел 2 - часть 2-2. Системы кабельных и специальных кабельных коробов, предназначенные для установки под и заподлицо с полом;

раздел 4 - часть 2-4. Сервисные стойки.

Вышеуказанный комплекс стандартов является основополагающим нормативным документом, который должен использоваться при разработке, производстве и эксплуатации систем кабельных и специальных кабельных коробов, и устанавливает требования к конструкции систем и их компонентов, к их классификации, размерам, электрическим и механическим параметрам, огнестойкости, исполнению защиты от внешних воздействий и от поражения людей электрическим током, маркировке, требования к испытаниям, а также термины и определения, относящиеся к области применения данных систем.

Настоящим стандартом следует пользоваться совместно с МЭК 61084-1-2007 «Системы кабельных и специальных кабельных коробов для электрических установок. Часть 1. Общие требования».

Частные требования настоящего стандарта дополняют или заменяют требования соответствующих разделов ГОСТ Р МЭК 61084-1. Если в тексте настоящего стандарта приведено указание «дополнение» или «замена» соответствующего требования МЭК 61084-1, такое измененное требование становится требованием настоящего стандарта.

Если изменения не требуются, в настоящем стандарте указано: «Применяют раздел МЭК 61084-1».

Номера разделов и рисунков настоящего стандарта, являющихся дополнительными к МЭК 61084-1, обозначены номером 101, приложений - буквенным обозначением АА. В настоящем стандарте методы испытаний выделены курсивом.

ГОСТ Р МЭК 61084-2-2-2007

НАЦИОНАЛЬНЫЙ СТАНДАРТ РОССИЙСКОЙ ФЕДЕРАЦИИ

СИСТЕМЫ КАБЕЛЬНЫХ И СПЕЦИАЛЬНЫХ КАБЕЛЬНЫХ КОРОБОВ ДЛЯ ЭЛЕКТРИЧЕСКИХ УСТАНОВОК

Часть 2-2

Частные требования

СИСТЕМЫ КАБЕЛЬНЫХ И СПЕЦИАЛЬНЫХ КАБЕЛЬНЫХ КОРОБОВ, ПРЕДНАЗНАЧЕННЫЕ ДЛЯ УСТАНОВКИ ПОД И ЗАПОДЛИЦО С ПОЛОМ

Cable trunking and ducting systems for electrical installations. Part 2-2: Particular requirements. Cable trunking systems and cable ducting systems intended for underfloor and flushfloor installations

Дата введения - 2008-07-01

1 Область применения

Настоящий стандарт устанавливает требования к системам кабельных и специальных кабельных коробов для электроустановок, предназначенным для прокладки и, при необходимости, разделения в них проводов, кабелей, шнуров, а также для размещения другого электрооборудования, например электрических аппаратов и электроустановочных изделий.

Требования настоящего стандарта распространяются на системы кабельных и специальных кабельных коробов, устанавливаемые ниже уровня пола или заподлицо с верхней поверхностью чистого пола, включая их системные компоненты.

Требования стандарта не распространяются на трубы, кабельные лотки всех исполнений (например, сплошные, перфорированные, лестницы) и на токоведущие части, прокладываемые внутри кабельных и специальных кабельных коробов.

Примечание 1 - Типы кабельных и специальных кабельных коробов и способы их установки показаны на рисунках 101 и 102.

Примечание 2 - Имеется много различных исполнений систем (см. рисунок 101), требования к которым находятся в стадии разработки.

Примечание 3 - Требования настоящего стандарта не распространяются на системы, выступающие над уровнем пола полностью или частично, но могут быть распространены на них путем внесения изменений в настоящий стандарт или в другие стандарты части 2.

2 Нормативные ссылки

Применяют раздел 2 МЭК 61084-1 со следующим дополнением:

Дополнение

МЭК 60068-2-60:1995 Испытания на стойкость к внешним воздействующим факторам. Часть 2. Испытания. Испытание Ке: Испытание на коррозию под воздействием текучего смешанного газа. Основополагающая публикация по безопасности

3 Термины и определения

Применяют раздел 3 МЭК 61084-1 со следующим дополнением:

Дополнение

3.101 система кабельных коробов или специальных кабельных коробов, предназначенная для установки под полом (underfloor cable trunking system or cable ducting system): Система кабельных или специальных кабельных коробов, компоненты которой, за исключением напольных устройств для подключения, в нормальных условиях эксплуатации защищены от воздействия внешних механических нагрузок, создаваемых движущимся транспортом, строительными материалами чистого пола (рисунок 103).

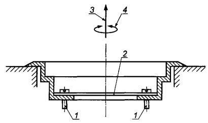
3.102 система кабельных или специальных кабельных коробов, предназначенная для установки заподлицо с полом (flushfloor cable trunking system or cable ducting system): Система кабельных или специальных кабельных коробов, компоненты которой, за исключением напольных устройств для подключения, защищены от воздействия внешних механических нагрузок строительными материалами пола со всех сторон, кроме верхней поверхности, которая встроена заподлицо с верхней поверхностью чистого пола, при допускаемом воздействии на незащищенную поверхность нагрузок, создаваемых движущимся транспортом (рисунок 104).

3.103 чистый пол (finished floor): Пол, предназначенный для несения нагрузки, изготовленный из бетона, дерева или других материалов с отделкой из такого материала, как ковровое покрытие, плитка, краска, паркет или аналогичного, который может быть прикреплен к конструкции пола, изготовленного из цемента или асфальта.

3.104 компонент системы кабельных или специальных кабельных коробов, предназначенной для установки заподлицо с полом (flushfloor system component): Компонент системы, который в нормальных условиях эксплуатации защищен от воздействия внешней нагрузки материалами чистого пола со всех сторон, кроме верхней поверхности, встроенный заподлицо с верхней поверхностью чистого пола, при допускаемом воздействии на незащищенную поверхность нагрузок, создаваемых движущимся транспортом.

3.105 неиспользуемое напольное устройство для подключения (floor service unit, when not in use): Напольное устройство для подключения, не содержащее кабелей и/или проводов, присоединенных к электрическим приборам (электроустановочным изделиям) устройства.

3.106 используемое напольное устройство для подключения (floor service unit, when in use): Устройство для подключения, содержащее кабели и/или провода, присоединенные к электрическим приборам (электроустановочным изделиям) устройства.

3.107 кабельный анкер (cable anchorage): Устройство, предназначенное для уменьшения натяжения проводников в местах присоединения их к зажимам или муфтам или для предотвращения отсоединения кабеля от оболочки.

3.108 сухая уборка пола (dry-treatment of floor): Процесс очистки и/или ухода за полом, при котором пол обрабатывается без применения жидкостей или с применением незначительного количества жидкости. Требуемые реагенты наносятся и распределяются в количествах, не приводящих к образованию луж и промоканию покрытия пола.

Примечание - Примерами сухой уборки являются подметание шваброй, чистка щеткой, уборка с применением щетки для чистки ковров или пылесоса, чистка сухим чистящим порошком, обработка сухим шампунем, влажная чистка ковров шампунем, обработка чистящей присыпкой (твердым измельченным носителем, на который нанесен жидкий химический чистящий реагент, например пропитанные опилки) или пропитанной чистящим реагентом влажной тканью.

3.109 влажная уборка пола (wet-treatment of floor): Процесс очистки и/или ухода за полом, при котором пол обрабатывается такими жидкими реагентами, применение которых не исключает кратковременного образования луж и промокания покрытия пола.

Примечание - Примерами влажной уборки являются влажная чистка жесткой щеткой, ручное или механическое смывание.

4 Общие требования

Применяют раздел 4 МЭК 61084-1 со следующим дополнением:

Дополнение к 3-му абзацу

Оборудование, являющееся неотъемлемой частью компонента системы или встроенное в него, должно соответствовать требованиям нормативного документа (если имеется) на это оборудование.

5 Испытания. Общие условия

Применяют раздел 5 МЭК 61084-1 за исключением:

Пункт 5.1

Замена второго абзаца

Типовые испытания компонентов системы, содержащих изоляционные и композитные материалы, проводят после выдержки образцов при температуре (60 ± 2) °С в течение 240 ч без перерывов.

6 Классификация

Применяют раздел 6 МЭК 61084-1 со следующими дополнениями:

Дополнение

6.101 По способу уборки пола

6.101.1 Система кабельных или специальных кабельных коробов для сухой уборки пола.

6.101.2 Система кабельных или специальных кабельных коробов для влажной уборки пола при неиспользуемом напольном устройстве для подключения.

6.101.3 Система кабельных или специальных кабельных коробов для влажной уборки пола при используемом напольном устройстве для подключения.

6.102 По защите напольных устройств для подключения от воздействия ударов.

6.102.1 С напольными устройствами для подключения, имеющими защиту.

6.102.2 С напольными устройствами для подключения, не имеющими защиты.

7 Маркировка

Применяют раздел 7 МЭК 61084-1 со следующими изменениями:

Пункт 7.1

Замена первого абзаца

На каждой прямой и фасонной секциях кабельных и специальных кабельных коробов должна быть маркировка, содержащая наименование предприятия-изготовителя или ответственного торгового представителя или торговую марку и идентификационный знак продукции.

Дополнение

7.101 В инструкциях изготовителя по монтажу и эксплуатации должны быть установлены требования, необходимые для правильной и безопасной установки и эксплуатации кабельных и специальных кабельных коробов, в том числе должно быть указано следующее:

- наименования и обозначения компонентов системы;

- назначения компонентов системы и их комплектов;

- площадь поперечного сечения прямых секций кабельных и специальных кабельных коробов, предназначенная для заполнения проводами и/или кабелями.

Примечание - Некоторые вспомогательные детали в смонтированном виде могут уменьшать площадь поперечного сечения, предназначенную для заполнения кабелями;

- все ограничения в пространстве внутри короба, предназначенном для монтажа и использования вспомогательных деталей;

- классификацию систем в соответствии с разделом 6;

- руководство по обеспечению заданных эксплуатационных характеристик.

7.102 На компонентах систем кабельных и специальных кабельных коробов, классифицируемых по 6.101.1, предназначенных для установки заподлицо с полом, должна быть маркировка, указывающая, что эти компоненты не пригодны для установки в местах с влажной уборкой пола. Маркировка должна быть отчетливо видна после завершения монтажа электрической установки. Для маркировки могут быть использованы графические символы или пиктограммы.

7.103 На напольных устройствах для подключения должна быть отчетливая маркировка, предупреждающая о недопустимости применения несоответствующих штепсельных вилок, которое может привести к повреждению штепсельной вилки, провода или штепсельной розетки. Для маркировки такого предупреждения могут быть использованы графический символ или пиктограмма.

7.104 Соответствие требованиям 7.1 и 7.101-7.103 проверяют путем осмотра.

8 Размеры

Раздел 8 МЭК 61084-1 не применяют.

9 Конструкция

Применяют раздел 9 МЭК 61084-1 со следующими изменениями:

Замена

Пункт 9.6.2

В первом абзаце заменить «40 °С» на «60 °С».

Дополнение

9.101 Крышки проемов для доступа к системам кабельных и специальных кабельных коробов, предназначенным для установки под и заподлицо с полом, подлежащие воздействию внешних механических нагрузок в нормальных условиях эксплуатации, не должны смещаться или непреднамеренно открываться под воздействием этих нагрузок.

Соответствие проверяют путем осмотра и испытанием по 10.5.

9.102 Напольные устройства для подключения, соответствующие требованиям 6.102.1, в нормальных условиях эксплуатации должны обеспечивать защиту аппаратов и штепсельных розеток от прямых ударов. Защита должна быть эффективной и не должна приводить к повреждению аппаратов, штепсельных розеток и кабелей.

Соответствие проверяют путем осмотра и испытанием по 10.3.

9.103 Должна быть обеспечена возможность надежного крепления:

- систем кабельных и специальных кабельных коробов, предназначенных для установки под и заподлицо с полом;

- напольных устройств для подключения к системе и/или к полу;

- аппаратов к напольным устройствам для подключения.

Соответствие проверяют испытаниями по 10.5.102 и 10.5.103.

9.104 В комплект поставки систем кабельных и специальных кабельных коробов, предназначенных для установки под полом, должны входить средства для надежного закрывания имеющихся в системах проемов, обеспечивающие защиту проводов и кабелей от повреждений в период строительно-монтажных работ.

Соответствие проверяют путем осмотра и испытанием по 10.5.101.

9.105 Проемы для ввода кабелей и проводов в системы кабельных и специальных кабельных коробов, предназначенных для установки под и заподлицо с полом, должны обеспечивать защиту проводов и кабелей от повреждения. Должна быть предусмотрена возможность полного закрытия проемов заподлицо с полом на период времени, когда они не используются.

Если один из размеров проема не превышает 20 мм, то используемые при эксплуатации проемы для ввода кабелей и проводов в системах кабельных и специальных кабельных коробов, предназначенных для установки под полом и заподлицо с полом, закрывать не требуется.

Соответствие проверяют путем осмотра и измерением.

9.106 Системы кабельных и специальных кабельных коробов, предназначенные для установки заподлицо с полом, а также напольные устройства для подключения и вспомогательные детали должны соответствовать классификации по 6.6.1, 6.6.2 и 6.101.

Соответствие проверяют испытаниями по МЭК 60529 и 13.101.

9.107 Степень защиты оболочек напольных устройств для подключения, в которых устанавливаются электрические аппараты и/или электроустановочные изделия, должна быть не менее IP 20.

Соответствие проверяют испытаниями по МЭК 60529.

9.108 Если аппаратура (устройство) предназначена (предназначено) для частых перемещений в нормальных условиях эксплуатации, должны быть предусмотрены меры, гарантирующие, что ее (его) части не будут повреждены в результате износа.

Соответствие проверяют путем осмотра.

9.109 Кабельные анкеры (если необходимы) должны быть пригодны для различных типов кабелей и проводов, которые могут быть присоединены к ним в соответствии с инструкцией изготовителя.

Примечание - В Англии данное требование не распространяется на анкерные крепления для проводов, присоединяемых к электроустановочным изделиям, соответствующим стандартам на эти электроустановочные изделия.

Соответствие проверяют путем осмотра и следующим испытанием.

Кабельный анкер собирают с кабелем или проводом, имеющим наибольший наружный диаметр, для которого он предназначен. Винты, если предусмотрены, затягивают на 2/3 значения крутящего момента, приведенного в таблице 2 МЭК 61084-1.

Образец выдерживают в течение от 30 до 31 мин при температуре (60 ± 2)° С.

Во время выдержки образца при этой температуре к кабелю или проводу прикладывают растягивающую силу (20+ 1) Н в течение от 60 до 65 с.

Затем испытание повторяют для кабельного анкера, собранного с кабелем или проводом, имеющим наименьший наружный диаметр, для которого он предназначен.

После каждого испытания смещение кабеля или провода в кабельном анкере не должно превышать 3 мм, а на оболочке кабеля или провода не должно быть следов абразивного воздействия.

9.110 Системы кабельных и специальных кабельных коробов, предназначенные для установки под и заподлицо с полом, которые в условиях нормальной эксплуатации заделаны в материал, изготовленный на основе гравия, должны быть защищены от проникновения в них частиц этого материала.

Размер незакрытых отверстий, ведущих внутрь систем кабельных и специальных кабельных коробов, предназначенных для установки под и заподлицо с полом, которые в условиях нормальной эксплуатации расположены ниже верхней поверхности чистого пола, должен быть не более 7 мм в одном направлении.

Соответствие проверяют путем осмотра и измерений.

Примечание 1 - Размер наибольшей ширины незакрытых отверстий определяют в соответствии с применяемой цементно-гравийной смесью с отношением компонентов смеси: одна часть цемента, две части гравия (с размером гранул более 7 мм) и соответствующего количества воды (отношение вода - цемент: от 0,4 л/кг до 0,5 л/кг).

Примечание 2 - Отношение вода - цемент означает число частей воды в литрах, разделенное на число частей цемента в килограммах, в кубическом метре смеси, например:

150 л/300 кг = 0,5 л/кг.

Примечание 3 - При использовании цементно-гравийных смесей с соотношением компонентов, отличающимся от приведенных в примечаниях 1 и 2, следует пользоваться инструкцией изготовителя.

10 Механические свойства

Применяют раздел 10 МЭК 61084-1 со следующими изменениями:

Замена

10.1 Системы кабельных и специальных кабельных коробов, предназначенные для установки под и заподлицо с полом, должны иметь соответствующую механическую прочность.

Соответствие проверяют испытаниями по 10.2-10.6.

Пункт 10.2 Не применяют.

10.3 Испытание на воздействие ударов

Замена

10.3.1 Испытание на воздействие ударов при хранении и транспортировании

10.3.1.1 Испытанию подвергают три образца прямых секций системы кабельных или специальных кабельных коробов длиной (250 ± 5) мм каждый.

Перед испытанием компоненты системы из изоляционных и композитных материалов выдерживают при максимальной температуре диапазона, указанного в таблице 1 МЭК 61084-1 для длительной эксплуатации, без перерывов в течение 240+5 ч.

10.3.1.2 Испытательное устройство, соответствующее рисунку 2 МЭК 61084-1, устанавливают на губчатую подушку из этилен-пропиленовой резины толщиной (40 ± 1) мм в несжатом состоянии, плотностью от 450 до 550 кг/м3, покрывающую основание закрытой камеры.

Образцы помещают в камеру холода, в которой установлена температура, указанная в таблице 1 МЭК 61084-1 для хранения и транспортирования.

10.3.1.3 Через 120+5 мин образцы поочередно извлекают из камеры холода и сразу же устанавливают в испытательное устройство в требуемое положение.

В течение 10 с после извлечения образца из камеры холода падающий ударный элемент высвобождают таким образом, чтобы удар приходился по наиболее слабому месту образца, доступному для удара. Масса падающего ударного элемента должна быть от 0,5 до 0,505 кг, а высота падения - (100 ± 1)мм.

Это испытание не проводят для подштамповок с надрубами, перегородок и аналогичных компонентов.

10.3.1.4 После испытания на образцах не должно быть признаков разрушения, трещин и аналогичных повреждений, которые могут ухудшить условия безопасности, видимых нормальным или скорректированным зрением без применения специальных устройств.

Примечание - Трещины на внутренних перегородках, не нарушающие условия электробезопасности или нормальной эксплуатации, не учитывают.

10.3.2 Испытание на воздействие ударов при монтаже и эксплуатации

10.3.2.1 Испытанию подвергают три образца прямых секций системы кабельных или специальных кабельных коробов длиной (250 ± 5) мм каждый, при необходимости, с фасонными секциями. Образцы собирают и монтируют в соответствии с условиями нормальной эксплуатации на древесно-волокнистой плите толщиной (20 ± 2) мм по инструкции изготовителя.

Перед испытанием компоненты системы из изоляционных и композитных материалов выдерживают при максимальной температуре диапазона, указанного в таблице 1 МЭК 61084-1 для длительной эксплуатации, в течение 240+5 ч без перерывов.

10.3.2.2 Устройство для испытаний на воздействие ударов устанавливают на прочной стене или конструкции, обеспечивающей надежную опору, согласно рисунку 105.

10.3.2.3 Образцы помещают в камеру холода при температуре, указанной в таблице 1 МЭК 61084-1 для монтажа и эксплуатации.

По истечении 120+5 мин образцы поочередно извлекают из камеры холода и сразу же устанавливают в испытательное устройство в требуемое положение.

В течение 10 с после извлечения образца из камеры холода на образец воздействуют падающим ударным элементом таким образом, чтобы удар приходился как можно более перпендикулярно к верхней поверхности образца системы, устанавливаемой заподлицо с полом, в наиболее слабом из доступных для удара месте.

Значения ударных воздействий при испытании должны соответствовать указанным в таблице 101.

Удары не должны наноситься по подштамповкам с надрубами, перегородкам и т.п., а также в пределах 50 мм от концов образца.

Таблица 101 - Значения ударных воздействий при испытании

Классификация воздействий по 6.2

Приблизительная энергия удара, Дж

Масса ударного элемента, кг, с допускаемой погрешностью 1 %

Высота падения ударного элемента, мм, с допускаемой погрешностью 1 %

Очень легкое

0,5

0,5

100

Легкое

1,0

1,0

100

Среднее

2,0

2,0

100

Тяжелое

6,0

2,0

300

Очень тяжелое

20,0

6,7

300

10.3.2.4 После испытания на образцах не должно быть признаков разрушения, трещин и аналогичных повреждений, видимых нормальным или скорректированным зрением без применения специальных устройств, которые могут ухудшить условия безопасности, также не должно быть вытеснения крышки и фасонных секций из образца.

Примечание - Трещины на внутренних перегородках, не нарушающие условия электробезопасности или нормальной эксплуатации, не учитывают.

10.4 Испытание на продольный изгиб

Пункт 10.4 МЭК 61084-1 не применяют.

10.5 Испытание на стойкость к внешним механическим воздействиям

Замена

10.5.101 Стойкость к воздействию сжимающей силы

Системы кабельных и специальных кабельных коробов, предназначенные для установки под и заподлицо с полом, должны быть стойкими к внешним механическим воздействиям, допускаемым при транспортировании, хранении, монтаже и эксплуатации.

Соответствие проверяют испытаниями по 10.5.102 - 10.5.104.

Перечень испытаний приведен в приложении АА.

10.5.102 Испытание прямых секций систем кабельных и специальных кабельных коробов, предназначенных для установки под и заподлицо с полом, на сжатие при монтаже

Прямые секции систем кабельных и специальных кабельных коробов, предназначенных для установки под полом, испытывают по 10.5.102.1; прямые секции систем кабельных и специальных кабельных коробов, предназначенных для установки заподлицо с полом, - по 10.5.102.2.

Каждому испытанию подвергают три образца длиной (250 ± 5) мм.

Испытания по 10.5.102.1 и 10.5.102.2 проводят после выдерживания образцов в течение 120+5 мин при температуре, указанной в таблице 1 МЭК 61084-1 для длительной эксплуатации.

10.5.102.1 Образцы прямых секций систем кабельных и специальных кабельных коробов, предназначенных для установки под полом, устанавливают на плоскую стальную плиту. Стальной куб с размером граней (50 ± 5) мм и радиусом скругления края приблизительно 1 мм устанавливают посередине образца.

При испытании систем специальных кабельных коробов, предназначенных для установки под полом, имеющих многокомпонентные прямые секции, перегородки которых создают статический эффект, стальной куб устанавливают посередине наибольшего отсека. К центру куба в течение 2 мин прикладывают силу (750 ± 10) Н, воздействующую на куб в вертикальном направлении (см. рисунок 106).

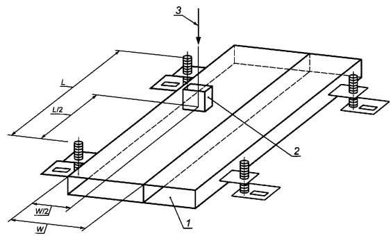
10.5.102.2 При испытании прямых секций систем кабельных и специальных кабельных коробов, предназначенных для установки заподлицо с полом, образцы устанавливают на опорные пластины, расстояние L между которыми должно соответствовать указанному в инструкции изготовителя. Опорные пластины должны иметь средства регулирования уровня, с помощью которых между дном образцов и плоской стальной плитой устанавливают расстояние (10 ± 2) мм. К центру куба в течение 2 мин прикладывают силу (750 ± 10) Н, воздействующую на куб в вертикальном направлении (см. рисунок 107).

10.5.102.3 После испытаний по 10.5.102.1 и 10.5.102.2 на образцах не должно быть признаков разрушения, а также трещин, видимых нормальным или скорректированным зрением без применения специальных устройств. Через 1 мин после удаления сжимающей силы на образцах не должно быть постоянной деформации, превышающей 3 мм.

10.5.103 Испытание систем кабельных и специальных кабельных коробов, предназначенных для установки под и заподлицо с полом, на сжатие, создаваемое транспортом

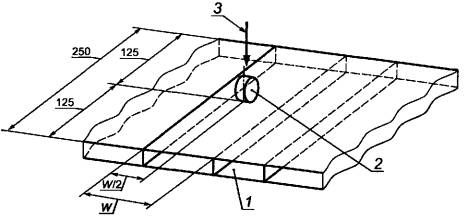
Испытанию подвергают три образца прямых секций кабельных или специальных кабельных коробов длиной (250 ± 5) мм. Образцы выдерживают в течение 120+5 мин при температуре, указанной в таблице 1 МЭК 61084-1 для длительной эксплуатации. К центру поверхности образца, которая может подвергаться воздействию сжимающей силы, создаваемой транспортом и хождением людей, с помощью испытательного ролика в течение (60 ± 1) с постепенно прикладывают силу, воздействующую на поверхность вертикально в течение 2 мин ± 5 с. При испытании многокомпонентного образца, перегородки которого создают статический эффект, силу прикладывают к середине самого большого отсека. Испытательный ролик должен быть диаметром (50 ± 0,5) мм, шириной (20+1) мм, с радиусом скругления края приблизительно 1 мм (см. рисунок 108).

Примечание - Для имитации подвижных и неподвижных опор, создаваемых окружающим цементно-гравийным материалом, в процессе испытания могут быть использованы любые аналогичные средства.

После испытания на образцах не должно быть признаков разрушения и трещин, видимых нормальным или скорректированным зрением без применения специальных устройств, а также прогибов более 4 мм. Через 1 мин после удаления сжимающей силы на образцах не должно быть постоянной деформации, превышающей 3 мм.

Требования электробезопасности не должны быть нарушены.

Таблица 102 - Значения сжимающей силы для испытания на воздействие нагрузок, создаваемых транспортом

Классификация воздействия

Значение сжимающей силы Н(± 10 Н)

Легкое

1500

Среднее

2000

Тяжелое

2500

Очень тяжелое

3000

10.5.104 Испытание устройств крепления деталей для установки аппаратов

10.5.104.1 Детали для установки штепсельных розеток

Три образца напольных устройств для подключения устанавливают в соответствии с инструкцией изготовителя.

Деталь для установки аппаратов устанавливают на образце или на соответствующем компоненте системы кабельных или специальных кабельных коробов. Если таким компонентом является прямая секция, его длина должна быть на (100 ± 5) мм больше длины детали для установки аппаратов, но не менее 250 мм.

Примечание - При необходимости, для предотвращения смещения детали для установки аппаратов в состав образца могут быть включены также другие компоненты системы.

Если результаты испытания зависят от температуры, его проводят при температуре (60 ± 2) °С.

Растягивающую и прижимающую силу, равную 1,5-кратному значению максимальной силы, требующейся для извлечения вилки из розетки, прикладывают в течение 60+5 с последовательно к устройствам крепления детали для установки аппаратов в наиболее неблагоприятном положении под углом от 45° до 90° к плоскости установки аппарата (см. рисунок 109).

Наибольшее значение растягивающей силы для вилки должно быть установлено в нормативном документе.

После испытания не должны быть нарушены требования электробезопасности.

Сразу же после испытания деталь для установки аппарата подвергают воздействию крутящего момента (3,0 ± 0,2) Н×м по и против часовой стрелки. Продолжительность испытания - 60+5 с в каждом направлении.

В процессе испытания деталь для установки аппарата не должна поворачиваться на угол более 15° от начального положения. После испытания не должны быть нарушены требования электробезопасности.

10.5.104.2 Детали для монтажа других аппаратов (не штепсельных розеток)

Детали для монтажа других аппаратов подвергают только испытанию на воздействие растягивающей и прижимающей силы (50 ± 2) Н по 10.5.104.1.

11 Сопротивление распространению горения

Применяют раздел 11 МЭК 61084-1 со следующими изменениями:

Изменение

Пункт 11.1.1, четвертый абзац, конец третьего предложения заменить слова «любого прижима» на «нижнего прижима».

12 Электрические характеристики

Применяют раздел 12 МЭК 61084-1

13 Внешние воздействия

Замена

13.101 Защита от проникновения воды

Системы кабельных и специальных кабельных коробов, соответствующие классификации, приведенной в 6.101.2 или 6.101.3, при использовании в условиях, указанных в 6.101, должны иметь степень защиты от проникновения воды не менее IPX4 по МЭК 60529.

Соответствие проверяют следующим испытанием.

Испытанию подвергают образец системы коробов или специальных кабельных коробов, предназначенной для установки заподлицо с полом, совместно с напольными устройствами для подключения и с устанавливаемыми заподлицо с полом компонентами системы кабельных и специальных кабельных коробов, предназначенной для установки под полом. Образец устанавливают в соответствии с инструкцией изготовителя на плоской испытательной площадке, размеры которой превышают размеры образца на (100 ± 10) мм.

Испытание проводят по МЭК 60529 с помощью разбрызгивателя.

Образец располагают таким образом, чтобы верхняя поверхность испытательной площадки находилась в горизонтальном положении.

Материал для уплотнения (если имеется) подвергают испытанию по 13.102.

Крепежные винты и гайки затягивают с применением крутящего момента, указанного в инструкции изготовителя. Если изготовитель не устанавливает значение крутящего момента, используют значение, приведенное в таблице 2 МЭК 61084-1.

Испытуемый образец считают выдержавшим испытание, если не происходит проникновение воды внутрь образца, которое может нарушить условия электробезопасности.

13.102 Испытание на старение уплотняющего материала

Находится в стадии разработки.

13.103 Защита от коррозии

Системы кабельных и специальных кабельных коробов, выполненные полностью или частично из металла, должны быть устойчивыми к воздействию коррозии.

Такие крепежные устройства, как винты, гайки и т.п., должны иметь антикоррозионное покрытие.

Соответствие проверяют испытаниями по 13.103.1 и 13.103.2.

13.103.1 Испытание компонентов, не соприкасающихся с цементно-гравийным материалом

Образец освобождают от смазки путем погружения на 10 мин в уайт-спирит с каури-бутаноловым числом 35 ± 5 или в эквивалентный обезжиривающий реагент, а затем на 10 мин в 10 %-ный водный раствор соляной кислоты температурой (25 ±5) °С.

Затем образец помещают в камеру тепла и выдерживают в течение 10 мин при температуре (100 ±5) °С.

После этого образец охлаждают до комнатной температуры и осматривают. После испытания на образце не должно быть следов ржавчины.

Следы ржавчины на краях образца и желтоватую пленку, удаляемую трением, не учитывают.

13.103.2 Испытание компонентов, соприкасающихся с цементно-гравийным материалом

Образец освобождают от смазки путем погружения на 10 мин в уайт-спирит с каури-бутаноловым числом 35 ± 5 или в эквивалентный обезжиривающий реагент.

После обезжиривания образец испытывают по МЭК 60068-2-60 (метод испытания - 1, продолжительность испытания - 4 дня).

После испытания на поверхности образца не должно быть рыжей ржавчины. Белую ржавчину (окись цинка) и следы рыжей ржавчины, удаляемые трением, а также следы ржавчины на поверхности срезов, на загнутых краях и в точках сварки не учитывают.

Обозначение позиции на рисунке

Тип системы

Назначение

Способ установки

1

Система кабельных коробов

Для прокладки изолированных проводов, кабелей, шнуров

Заподлицо с полом

2

Система специальных кабельных коробов

Для прокладки изолированных проводов, кабелей, шнуров

Заподлицо с полом

3

Система специальных кабельных коробов

Для прокладки изолированных проводов, кабелей, шнуров

Под полом (внутри пола)

5

Система кабельных коробов

Для прокладки изолированных проводов, кабелей, шнуров

В двойном полу

7

Устройство для подключения

Для установки аппаратов

Заподлицо с полом

Рисунок 101 - Типы и способы установки систем кабельных и специальных кабельных коробов, предназначенных для установки под и заподлицо с полом

Рисунок 102 - Примеры установки систем кабельных и специальных кабельных коробов

Рисунок 103 - Система кабельных или специальных кабельных коробов, предназначенная для установки под полом, по 3.101

Рисунок 104 - Система кабельных или специальных кабельных коробов, предназначенная для установки заподлицо с полом, по 3.102

1 - образец; 2 - монтажная деталь; 3 - опорное устройство
Рисунок 105 - Испытание на воздействие ударов с помощью маятникового ударного устройства по 10.3.2.2

1 - образец; 2 - промежуточный стальной куб с радиусом скругления грани R = 1 мм; 3 - вертикальная сжимающая сила 750 Н; L - длина образца; W - ширина наибольшего отсека
Рисунок 106 - Устройство для испытания на сжатие прямых секций специальных кабельных коробов, предназначенных для установки под полом, по 10.5.102.1

1 - образец кабельного короба или специального кабельного короба; 2 - промежуточный стальной куб с радиусом скругления грани R = 1 мм; 3 - вертикальная сжимающая сила 750 Н; L - расстояние между опорными пластинами; W - ширина наибольшего отсека
Рисунок 107 - Устройство для испытания на сжатие прямых секций кабельных и специальных кабельных коробов, предназначенных для установки заподлицо с полом, по 10.5.102.2

1 - образец кабельного или специального кабельного короба; 2 - вертикальная сжимающая сила, создаваемая транспортом; 3 - испытательный ролик; W - ширина наибольшего отсека
Рисунок 108 - Устройство для испытания прямых секций кабельных и специальных кабельных коробов, предназначенных для установки заподлицо с полом, на сжатие, создаваемое транспортом, по 10.5.103

1 - устройство крепления аппарата; 2 - стальная скоба; 3 - растягивающая сила; 4 - крутящий момент
Рисунок 109 - Испытание устройств крепления аппаратов по 10.5.104

Приложение А
(справочное)

Применяют приложение А МЭК 61084-1 за исключением:

Дополнение

Приложение АА
(справочное)

Испытания на механическую прочность систем кабельных и специальных кабельных коробов, предназначенных для установки под и заподлицо с полом

 

Испытание на воздействие ударов при

Испытание на сжатие

Испытание устройств крепления деталей для установки аппаратов

 

транспортировании и хранении

монтаже и эксплуатации

при монтаже

создаваемое транспортом

 

Номер пункта

10.3.1

10.3.2

10.5.102

10.5.103

10.5.104

Системы, устанавливаемые заподлицо с полом

X

(только прямые секции)

X

X

(только прямые секции)

X

X

Системы, устанавливаемые под полом

X

(только прямые секции)

X

X

(только прямые секции)

X

 

Напольные устройства для установки аппаратов, устанавливаемые заподлицо с полом

 

X

 

X

X

Значения испытательных величин

Энергия 0,5 Дж

В соответствии с классификацией таблицы 101

Сила 750 Н

В соответствии с классификацией таблицы 102

 

Приложение Б
(справочное)

Сведения о соответствии национальных стандартов Российской Федерации ссылочным международным стандартам

Обозначение ссылочного международного стандарта

Обозначения и наименования соответствующего национального стандарта и условное обозначение степени его соответствия ссылочному международному стандарту

МЭК 60068-2-60:1995

*

* Соответствующий национальный стандарт отсутствует. До его утверждения рекомендуется использовать русскую версию или аутентичный перевод на русский язык данного международного стандарта. Переводы международных стандартов (при их наличии) находятся в Федеральном информационном фонде технических регламентов и стандартов.

Ключевые слова: короба, короба для электрических установок, кабельные короба, специальные кабельные короба, системы кабельных коробов, частные требования, короба для установки в полу и заподлицо с полом, испытания, классификация, размеры, конструкция, характеристики

 

 




ГОСТЫ, СТРОИТЕЛЬНЫЕ и ТЕХНИЧЕСКИЕ НОРМАТИВЫ.
Некоммерческая онлайн система, содержащая все Российские Госты, национальные Стандарты и нормативы.
В Системе содержится более 150000 файлов нормативно-технической документации, действующей на территории РФ.
Система предназначена для широкого круга инженерно-технических специалистов.

Рейтинг@Mail.ru Яндекс цитирования

Copyright © www.gostrf.com, 2008 - 2026