Крупнейшая бесплатная информационно-справочная система онлайн доступа к полному собранию технических нормативно-правовых актов РФ. Огромная база технических нормативов (более 150 тысяч документов) и полное собрание национальных стандартов, аутентичное официальной базе Госстандарта. GOSTRF.com - это более 1 Терабайта бесплатной технической информации для всех пользователей интернета. Все электронные копии представленных здесь документов могут распространяться без каких-либо ограничений. Поощряется распространение информации с этого сайта на любых других ресурсах. Каждый человек имеет право на неограниченный доступ к этим документам! Каждый человек имеет право на знание требований, изложенных в данных нормативно-правовых актах!

  


 

МИНИСТЕРСТВО РОССИЙСКОЙ ФЕДЕРАЦИИ ПО ДЕЛАМ
ГРАЖДАНСКОЙ ОБОРОНЫ, ЧРЕЗВЫЧАЙНЫМ СИТУАЦИЯМ
И ЛИКВИДАЦИИ СТИХИЙНЫХ БЕДСТВИЙ

ФЕДЕРАЛЬНОЕ ГОСУДАРСТВЕННОЕ
УЧРЕЖДЕНИЕ «ВСЕРОССИЙСКИЙ ОРДЕНА
"ЗНАК ПОЧЕТА" НАУЧНО-ИССЛЕДОВАТЕЛЬСКИЙ
ИНСТИТУТ ПРОТИВОПОЖАРНОЙ ОБОРОНЫ»

ПРОЕКТИРОВАНИЕ, МОНТАЖ
И ЭКСПЛУАТАЦИЯ ПЛАСТИКОВЫХ
ТРУБОПРОВОДОВ АКВАТЕРМ FIRESTOP
В ВОДОЗАПОЛНЕННЫХ СПРИНКЛЕРНЫХ
УСТАНОВКАХ ПОЖАРОТУШЕНИЯ

Технические условия

МОСКВА 2008

Содержание

ВВЕДЕНИЕ

1 ОБЛАСТЬ ПРИМЕНЕНИЯ ТЕХНИЧЕСКИХ УСЛОВИЙ

2 НАЗНАЧЕНИЕ ПЛАСТИКОВЫХ ТРУБ И ФИТИНГОВ АКВАТЕРМ FIRESTOP

3 НОРМЫ ПРОЕКТИРОВАНИЯ ТРУБОПРОВОДНЫХ СИСТЕМ, ВЫПОЛНЕННЫХ НА БАЗЕ ПЛАСТИКОВЫХ ТРУБ АКВАТЕРМ FIRESTOP

4 МОНТАЖ ТРУБОПРОВОДОВ

5 ОСОБЕННОСТИ ЭКСПЛУАТАЦИИ ВОДЯНЫХ И ПЕННЫХ СПРИНКЛЕРНЫХ ВОДОЗАПОЛНЕННЫХ АУП, ОСНАЩЕННЫХ ТРУБАМИ И ФИТИНГАМИ АКВАТЕРМ FIRESTOP

5.1 ОБЩИЕ ПРАВИЛА ИСПОЛЬЗОВАНИЯ

5.2 РЕГЛАМЕНТ ТЕХНИЧЕСКОГО ОБСЛУЖИВАНИЯ

6 НОРМАТИВНЫЕ ССЫЛКИ

ПРИЛОЖЕНИЕ А

ОСНОВНЫЕ ПАРАМЕТРЫ ТРУБ И ФИТИНГОВ АКВАТЕРМ FIRESTOP

ПРИЛОЖЕНИЕ Б

УДЕЛЬНЫЕ ГИДРАВЛИЧЕСКИЕ СОПРОТИВЛЕНИЯ ТРУБОПРОВОДОВ АКВАТЕРМ FIRESTOP В ЗАВИСИМОСТИ ОТ РАСХОДА (ТЕМПЕРАТУРА 20 °С, ШЕРОХОВАТОСТЬ 0,007 мм, КИНЕТИЧЕСКАЯ ВЯЗКОСТЬ 1,004·10-6 м2/с) [Б1]

ПРИЛОЖЕНИЕ В

КОЭФФИЦИЕНТ ГИДРАВЛИЧЕСКОГО СОПРОТИВЛЕНИЯ ФИТИНГОВ АКВАТЕРМ FIRESTOP [B1]

ПРИЛОЖЕНИЕ Г

ХИМИЧЕСКАЯ УСТОЙЧИВОСТЬ ТРУБ АКВАТЕРМ FIRESTOP

ПРИЛОЖЕНИЕ Д

СЕРТИФИКАЦИОННЫЕ ИСПЫТАНИЯ ТРУБОПРОВОДОВ И ФИТИНГОВ АКВАТЕРМ FIRESTOP В РОССИИ, ПРИМЕНИТЕЛЬНО К ОБЩЕСТВЕННЫМ, АДМИНИСТРАТИВНЫМ, ЖИЛЫМ И ПРОИЗВОДСТВЕННЫМ ЗДАНИЯМ И ПОМЕЩЕНИЯМ

ПРИЛОЖЕНИЕ Е

ИСПЫТАНИЯ ТРУБ И ФИТИНГОВ АКВАТЕРМ FIRESTOP НА ПОЖАРОСТОЙКОСТЬ, ПРИМЕНИТЕЛЬНО К ГРУППЕ ПОМЕЩЕНИЙ 2

Разработаны Федеральным государственным учреждением «Всероссийский ордена "Знак Почета" научно-исследовательский институт противопожарной обороны» (ФГУ ВНИИПО) МЧС России (д-р техн. наук С.Н. Копылов, канд. техн. наук В.А. Былинкин, канд. техн. наук Л.М. Мешман, Р.Ю. Губин, С.А. Кольцов, Е.Ю. Романова).

Утверждены ФГУ ВНИИПО МЧС России 29.10. 2007 г.

Согласованы УГПН МЧС России (письмо от 10.01.2008 г. № 19-2-33).

Вводятся впервые.

ВВЕДЕНИЕ

Настоящие Технические условия разработаны на базе испытаний пластиковых труб Акватерм Firestop на прочность и пожаростойкость, проведенных в условиях, приближенных к реальным, а также на основе опыта, накопленного при подготовке технических условий по проектированию пластиковых трубопроводов Акватерм Firestop для спринклерных водозаполненных установок пожаротушения, применительно к конкретным объектам различного функционального назначения и их эксплуатации.

Трубы, фитинги и запорные устройства Акватерм Firestop сертифицированы для применения в спринклерных водозаполненных установках пожаротушения в 11 странах мира: Австралии, Австрии, Великобритании, Германии, Исландии, Катаре, Польше, России, Украине, Хорватии, Швейцарии.

Трубы и фитинги Акватерм Firestop в спринклерных водозаполненных установках пожаротушения имеют неоспоримые преимущества перед стальными трубопроводными системами по следующим эксплуатационным и потребительским качествам:

коррозионная и химическая устойчивость, отсутствие ржавчины; отсутствие продуктов коррозии в трубопроводных системах;

снижение трудоемкости, сроков, затрат на монтаж и эксплуатацию;

идеальное соответствие жестким требованиям, предъявляемым к спринклерным установкам пожаротушения тонкораспыленной водой;

более высокая надежность установок пожаротушения;

возможность скрытого монтажа трубопроводов и отсутствие требований эксплуатационного доступа;

соединение труб и фитингов Акватерм Firestop производится методом сплавления (диффузионной сварки), что дает гомогенное соединение, не уступающее по прочности самим трубам;

высокая прочность труб благодаря трехслойному строению трубы с усиленным средним слоем из стекловолокна;

не требуются элементы для уплотнения в местах соединений;

продолжительный срок службы с минимальными затратами на ремонт;

незначительная шероховатость поверхности трубы и высокая абразионная устойчивость;

хорошие тепло- и звукоизолирующие характеристики;

высокая ударная вязкость;

при монтаже трубопроводной системы не требуются дополнительные материалы, небезопасные с гигиенической точки зрения;

многократное снижение нагрузки на конструкции перекрытий из-за низкой удельной плотности труб Акватерм Firestop по сравнению со сталью.

1 ОБЛАСТЬ ПРИМЕНЕНИЯ ТЕХНИЧЕСКИХ УСЛОВИЙ

1.1 Настоящие Технические условия (далее по тексту - ТУ) распространяются на проектирование, монтаж и эксплуатацию пластиковых трубопроводов и фитингов Акватерм Firestop (далее по тексту - трубопроводы) в спринклерных водяных и пенных водозаполненных установках пожаротушения.

1.2 Требования настоящих ТУ являются дополнительными к действующим нормам и правилам. При наличии разночтений между требованиями ТУ и действующих норм следует руководствоваться настоящими Техническими условиями.

1.3 Обоснованные частичные отступления от ТУ допускаются при условии согласования их в установленном порядке.

1.4 Включенные в текст настоящих ТУ требования, соответствующие требованиям действующих нормативных документов, приведены в целях сохранения общего контекста ТУ как целостного документа, а также для подтверждения соответствия ТУ концептуальным основам российских противопожарных норм.

1.5 При разработке настоящих ТУ учтен отечественный опыт использования пластиковых труб, в частности наработки ФГУ ВНИИПО МЧС России по испытанию труб и фитингов Акватерм Firestop и проектированию на их основе распределительных сетей спринклерных водозаполненных установок пожаротушения.

2 НАЗНАЧЕНИЕ ПЛАСТИКОВЫХ ТРУБ И ФИТИНГОВ АКВАТЕРМ FIRESTOP

2.1 Трубы и фитинги Акватерм Firestop предназначены для использования в водяных и пенных спринклерных водозаполненных установках пожаротушения, проложенных как открытым способом, в штробах, за подвесным потолком, так и замоноличенными в бетоне.

2.2 Использование во внутреннем противопожарном водопроводе (ВПВ) и автоматических установках пожаротушения (АУП) пластиковых труб регламентируется соответственно СНиП 2.04.01-85* и НПБ 88-2001*, при этом СНиП 2.04.01-85* допускает их применение в многофункциональном (совмещенном) внутреннем противопожарном и хозяйственном водопроводе, но запрещает использовать в специальном (внутреннем противопожарном) водопроводе.

2.3 Трубы и фитинги могут применяться в помещениях групп 1 и 2 категории В по пожарной опасности, если пожарная нагрузка не превышает 1400 МДж/м2 (НПБ 88-2001*, Приложение 1).

3 НОРМЫ ПРОЕКТИРОВАНИЯ ТРУБОПРОВОДНЫХ СИСТЕМ, ВЫПОЛНЕННЫХ НА БАЗЕ ПЛАСТИКОВЫХ ТРУБ АКВАТЕРМ FIRESTOP

3.1 При проектировании трубопроводной сети АУП, выполненной из пластиковых труб Акватерм Firestop, должны учитываться кроме требований настоящих ТУ основные положения НПБ 88-2001*, ГОСТ 12.1.004-91, ГОСТ 12.3.046-91, ГОСТ 18599-2001, ГОСТ Р 50680-94, ГОСТ Р 50800-95, ГОСТ Р 51043-2002, СНиП 2.04.01-85*, СНиП 21-01-97*, СНиП 31-01-2003, СНиП 31-05-2003, СП 40-102-2000, ПУЭ-99, а также нормативных документов, относящихся непосредственно к объекту защиты.

3.2 Требования настоящих Технических условий являются дополнительными по отношению к действующим стандартам, нормам и правилам. Если иное не оговорено в тексте настоящих Технических условий, то должны выполняться требования действующих нормативных документов. При наличии разночтений между требованиями настоящих Технических условий и действующих нормативных документов следует руководствоваться настоящими Техническими условиями.

3.3 В технологической части проекта АУП необходимо тщательно проработать конфигурацию питающих и распределительных трубопроводов с учетом следующих обстоятельств: трубопроводы запрещается располагать в местах, где они могут быть подвергнуты опасному воздействию ультрафиолетового излучения, прямых солнечных лучей, а также механическому, химическому или иному повреждению.

3.4 Диапазон температур в помещениях, в которых смонтированы системы трубопроводов, должен быть в пределах от 5 до 50 °С.

3.5 Гидравлический расчет распределительных трубопроводов должен производиться по НПБ 88-2001*, основным положениям, изложенным в разделе 6 настоящих ТУ, и технической документации на выбранные типы оросителей или распылителей. Гидравлические расчеты трубопроводов, если это не оговорено в техническом задании на проектирование, выполняются исходя из расчета температуры воды 20 °С.

3.6 Необходимые справочные данные по техническим характеристикам и гидравлическим сопротивлениям трубопроводов приведены в Приложениях А - В настоящих ТУ.

3.7 В сети распределительных трубопроводов, выполненной из труб Акватерм Firestop, могут использоваться как спринклерные оросители, так и спринклерные распылители.

3.8 Расстановку оросителей и распылителей на трубопроводной сети предпочтительно осуществлять в шахматном порядке.

3.9 На распределительных трубопроводах в пределах защищаемого помещения должны монтироваться однотипные оросители или распылители.

3.10 Тепловой замок спринклерных оросителей и распылителей должен быть выполнен только с разрывным термочувствительным элементом на базе термочувствительной колбы диаметром не более 5 мм, если помещение относится к категории В3 или В4 по пожарной опасности и пожарная нагрузка составляет не более 181 МДж/м2, и не более 3 мм, если помещение относится к категории В1 или В2 по пожарной опасности и пожарная нагрузка составляет от 181 до 1400 МДж/м2.

3.11 Номинальная температура срабатывания спринклерных оросителей и распылителей должна быть не более 68 °С при пожарной нагрузке до 181 МДж/м2 включительно и не более 57 °С при пожарной нагрузке свыше 181 МДж/м2.

3.12 Рабочая температура окружающей среды для оросителей с температурой срабатывания 57 °С не должна превышать 38 °С, для оросителей с температурой срабатывания 68 °С она не должна превышать 50 °С.

3.13 Расстояние между спринклерными оросителями при открытом монтажном положении трубопроводов не должно превышать 3 м, если помещение относится к категории В1 или В2 по пожарной опасности и пожарная нагрузка более 180 МДж/м2. Допускается увеличивать расстояние до 4 м, если помещение относится к категории В3 или В4, а пожарная нагрузка менее 180 МДж/м2.

3.14 Расстояние по высоте от открыто уложенного трубопровода до пожарной нагрузки должно быть не менее 2 м для группы помещений 1 и не менее 3 м для группы помещений 2 (группы помещений по НПБ 88-2001*, Приложение 1).

3.15 Настенные оросители должны устанавливаться на расстоянии не более 2,5 м друг от друга.

3.16 Спринклерные оросители или распылители вертикального монтажного положения можно устанавливать розетками как вверх, так и вниз.

3.17 Расстояние от розетки спринклерного оросителя или распылителя с вертикальной осью расположения до плоскости перекрытия (покрытия) должно быть в пределах от 0,08 до 0,25 м.

3.18 Расстояние от розетки спринклерного настенного оросителя или распылителя до плоскости перекрытия (покрытия) должно быть в пределах от 0,07 до 0,15 м, а до стены - не более 0,1 м.

3.19 В зданиях с балочными перекрытиями (покрытиями) класса пожарной опасности К0 и К1 с выступающими частями высотой более 0,32 м, а в остальных случаях более 0,2 м спринклерные оросители следует устанавливать между балками, ребрами плит и другими выступающими элементами перекрытия (покрытия) с учетом обеспечения равномерности орошения пола.

3.20 В зданиях с односкатными и двухскатными покрытиями, имеющими уклон более 1/3, расстояние по горизонтали от спринклерных оросителей до конька покрытия должно быть не более 1,5 м при покрытиях с классом пожарной опасности К0 и не более 0,8 м в остальных случаях.

3.21 Подвесной потолок, за которым прокладываются пластиковые трубы, должен быть выполнен из негорючего материала НГ или слабогорючего группы Г1 трудновоспламеняемого группы В1 (по СНиП 21-01-97* и НПБ 244-97).

3.22 При прокладке пластиковых труб за подвесным потолком с общей пожарной нагрузкой проводной и кабельной продукции до 1,5 л/м расстояние между трубами и электрическими проводами и кабелями (в проекции на горизонтальную плоскость) должно быть не менее 1 м; при пожарной нагрузке до 7 л/м - не менее 3 м.

3.23 При прокладке пластиковых труб за подвесным потолком с общей пожарной нагрузкой проводной и кабельной продукции 7 л/м и более необходимо обеспечить защиту этого пространства спринклерными оросителями или распылителями. При этом термочувствительная колба должна быть диаметром не более 3 мм.

3.24 Расстояние между спринклерными оросителями или распылителями при открытой прокладке трубопроводов над подвесным потолком, при наличии в пространстве над подвесным потолком пожарной нагрузки проводной и кабельной продукции 7 л/м и более, зависит от высоты надпотолочного пространства и должно быть определено с учетом карт орошения.

3.25 Трубопроводы в зданиях следует прокладывать на опорах, подвесках, кронштейнах или хомутах, рекомендованных фирмой Aquathern GmbH [1].

3.26 Для трубопроводов следует применять подвижные опоры, подвески, кронштейны или хомуты, допускающие перемещение труб в осевом направлении, и жесткие опоры, подвески, кронштейны или хомуты, не допускающие таких перемещений.

3.27 Около каждого оросителя или распылителя должна быть установлена на расстоянии 5 - 10 см жесткая неподвижная опора, подвеска, кронштейн или хомут, предназначенные для обеспечения неподвижной ориентации оросителя или распылителя, независимо от возможной деформации трубопровода при пожаре.

3.28 Расстояние между опорами при горизонтальной прокладке трубопроводов должно соответствовать таблице 3.1.

Таблица 3.1

Расстояние между опорами

Номинальный диаметр трубы DN

Наружный диаметр трубы, мм

Расстояние между опорами, мм, не более, для групп помещений по НПБ 88-2001*

группа 1

группа 2

10

20

1200

-

15

25

1400

-

20

32

1600

1100

25

40

1800

1600

32

50

2050

2050

40

63

2300

2300

50

75

2450

2450

65

90

2600

2600

80

110

2900

2900

90

125

3200

3200

3.29 При совместной прокладке нескольких трубопроводов различного диаметра расстояние между креплениями должно быть принято по наименьшему диаметру.

3.30 Длина незакрепленных горизонтальных трубопроводов в местах поворотов и присоединения их к приборам, оборудованию, фланцевым соединениям не должна превышать 500 мм.

3.31 При проектировании вертикальных трубопроводов опоры устанавливаются не более чем через 1000 мм для труб диаметром DN 20 и не более чем через 1500 мм для труб большего диаметра.

3.32 Вертикальные питающие трубопроводы (стояки) должны прокладываться в коробах, каналах, штробах или в помещениях, в которых отсутствует пожарная нагрузка. Огнестойкость (EI) коробов, каналов или штробов должна быть не ниже нормативной продолжительности работы АУП по НПБ 88-2001*. Если пожарная нагрузка находится на расстоянии более 3 м от трубопровода (в проекции по горизонтали) или в случае пожара предусматривается орошение трубопроводов оросителями или распылителями спринклерных и дренчерных АУП, то огнестойкость может быть снижена вдвое.

3.33 Трубопроводы не должны прокладываться в пространствах стояков или коробов с пожарной нагрузкой без дополнительной защиты их посредством орошения с помощью дополнительных спринклерных оросителей или распылителей.

3.34 Расстояние между трубопроводом и стенами строительных конструкций должно быть не менее 2 см.

3.35 При расстановке опор следует учитывать, что перемещение трубы в плоскости, перпендикулярной оси трубы, ограничивается расстоянием до поверхности стены.

3.36 При прокладке трубопроводов вблизи труб отопления или горячего водоснабжения они должны прокладываться ниже этих труб с расстоянием в свету между ними не менее 100 мм.

3.37 Запорные устройства диаметром DN 40 и более, выполненные из металла и монтируемые на трубопроводах, должны иметь неподвижное крепление к строительным конструкциям для того, чтобы усилия, возникающие при функционировании этой арматуры, не передавались на трубы.

3.38 Проектирование внутреннего противопожарного водопровода, совмещенного с водозаполненной спринклерной АУП, должно осуществляться по СНиП 2.04.01-85*, а устройств первичного пожаротушения - по специальным техническим условиям.

Примечание - Устройство первичного пожаротушения: Пожарный кран с диаметром пожарного рукава 19 мм и номинальным расходом 0,5 - 1,5 л/с.

3.39 Пожарные краны или устройства первичного пожаротушения допускается устанавливать в помещениях категории В по пожарной опасности на питающих трубопроводах DN 65 и более спринклерных водозаполненных установок пожаротушения.

3.40 Допускается установка пожарных кранов на подводящем трубопроводе DN 65 и более, при этом они должны быть оснащены устройством автоматического пуска пожарных насосов (например, сигнализатором потока жидкости или датчиком положения запорного органа клапана пожарного крана).

3.41 Трубопроводы, подводящие воду к пожарным кранам, должны находиться в зоне действия спринклерной установки пожаротушения или быть замоноличены в бетон.

3.42 Тупиковые и кольцевые питающие трубопроводы должны быть оборудованы промывочными заглушками или кранами диаметром не менее DN 50. В тупиковых трубопроводах кран или заглушка устанавливаются в конце участка, в кольцевых - в месте, наиболее удаленном от узла управления.

3.43 Если трубопроводы имеют изгибы (обходы потолочных балок и т. д.), то для этих участков должны быть предусмотрены отдельные устройства для спуска воды.

3.44 Присоединение производственного, санитарно-технического оборудования к питающим трубопроводам установок пожаротушения не допускается.

3.45 Проходы трубопроводов через ограждающие конструкции должны быть выполнены уплотненными в тех случаях, когда по условиям эксплуатации смежные помещения не должны сообщаться друг с другом.

3.46 Уплотнения должны быть выполнены в соответствии с требованиями СНиП 3.05.05-84 из несгораемых материалов, обеспечивающих нормируемый предел огнестойкости ограждающих конструкций, например из материала Rockwool-Contil фирмы Rockwool.

3.47 В местах прохода труб через стены и перегородки должно быть обеспечено свободное продольное перемещение трубы с помощью огнезадерживающих гильз, огнестойкость которых должна быть не ниже огнестойкости пересекаемой строительной конструкции.

3.48 Уплотненные проходы одиночных труб должны быть выполнены с помощью патрубков или сальников, устанавливаемых со стороны помещения, среда которого не должна проникать в смежное помещение.

3.49 Гильзы должны изготавливаться из негорючих неметаллических материалов, концы которых должны выступать на 20 - 50 мм из пересекаемой поверхности, а над поверхностью пола возвышаться не менее чем на 20 мм. Расположение стыков труб в гильзах не допускается. Зазор между трубопроводом и стенкой гильзы должен быть в пределах 10 - 20 мм и тщательно уплотнен негорючим материалом.

3.50 Необходимо предусмотреть компенсацию деформаций (удлинений) трубопроводов при изменении температуры окружающей среды.

3.51 Компенсация удлинения трубопроводов в случае изменения температуры окружающей среды должна осуществляться благодаря правильному сочетанию подвижных и неподвижных опор, подвесок, кронштейнов или хомутов, наличию температурных компенсаторов, предусмотренных в СП 40-102-2000 и в проспектах [1, 2]. Неподвижные крепления труб должны направлять удлинение в сторону компенсаторов.

3.52 Трубопроводы должны прокладываться без перекосов и с уклоном в сторону узлов управления АУП для спуска воды из питающих и распределительных трубопроводов. Уклон принимается равным:

0,01 - для труб диаметром менее DN 32;

0,005 - для труб диаметром DN 32 и более.

3.53 Прокладку труб в бетоне следует проектировать в соответствии с указаниями, приведенными в проспекте [3.1].

4 МОНТАЖ ТРУБОПРОВОДОВ

4.1 При монтаже должны соблюдаться все предписания настоящих ТУ. Особенно строго следует выдерживать время охлаждения после сварки, прежде чем подвергать трубопроводную систему воздействию давлением.

4.2 Монтаж должен производиться только обученным персоналом и осуществляться согласно требованиям, изложенным в проспектах [1, 2].

4.3 При сборке фланцевых соединений трубопроводов с арматурой запрещается устранять перекос фланцев путем неравномерного натягивания болтов и устранять зазоры между фланцами с помощью клиновых прокладок и шайб.

4.4 После окончания монтажа трубопроводы должны быть подвергнуты наружному осмотру и испытаниям в соответствии с требованиями СНиП 3.05.05-84 и проспектов [1, 2].

4.5 Работы по монтажу трубопроводных систем Акватерм Firestop должны выполняться с соблюдением требований безопасности, установленных в проспектах [1, 2].

4.6 Не допускается подвешивать на трубопроводы какие-либо технические средства.

4.7 Пример монтажа трубопроводов спринклерных водозаполненных АУП приведен на рисунке 4.1.

Рисунок 4.1 - Пример монтажа трубопроводов

5 ОСОБЕННОСТИ ЭКСПЛУАТАЦИИ ВОДЯНЫХ И ПЕННЫХ СПРИНКЛЕРНЫХ ВОДОЗАПОЛНЕННЫХ АУП, ОСНАЩЕННЫХ ТРУБАМИ И ФИТИНГАМИ АКВАТЕРМ FIRESTOP

5.1 ОБЩИЕ ПРАВИЛА ИСПОЛЬЗОВАНИЯ

Необходимо соблюдать следующие правила при применении труб и фитингов Акватерм Firestop.

5.1.1 Трубопроводы и фитинги предназначены для применения исключительно в спринклерной водозаполненной АУП.

5.1.2 В тех случаях, когда к интерьерам помещения предъявляются особые требования, допускается производить окраску трубопроводов негорючей или трудногорючей краской.

5.1.3 Должны использоваться спринклерные оросители или распылители и другие технические средства АУП, имеющие сертификаты соответствия и пожарной безопасности.

5.1.4 Трубопроводы и фитинги не допускается прокладывать вне пределов помещения.

5.1.5 Трубопроводы спринклерной АУП не должны использоваться для подвески или крепления какого-либо оборудования, не относящегося к АУП. Присоединение к трубопроводам АУП производственного оборудования и санитарных приборов недопустимо.

5.1.6 Нельзя использовать пожарные краны, установленные на спринклерной сети, для других целей, кроме тушения пожаров.

5.1.7 Трубопроводы не предназначены для трубопроводной сети питьевой воды.

5.1.8 Работы по техническому обслуживанию трубопроводов должны выполняться с соблюдением требований безопасности, установленных в проспектах [1, 2].

5.1.9 Инструменты и приспособления, используемые в процессе эксплуатации, должны удовлетворять требованиям ГОСТ 26887-86, ГОСТ 27321-87 и ГОСТ 27372-87.

5.1.10 В процессе эксплуатации необходимо исключить прямое воздействие на трубопроводы солнечного и УФ-излучения.

5.2 РЕГЛАМЕНТ ТЕХНИЧЕСКОГО ОБСЛУЖИВАНИЯ

В регламент технического обслуживания входят следующие работы:

внешний осмотр в целях выявления возникших повреждений элементов трубопроводов (не реже 1 раза в неделю). Поврежденные места необходимо вырезать и вварить вкладыши или произвести штопку отверстий;

проверка состояния креплений трубопроводов - ежеквартально;

гидравлические испытания труб и фитингов для установления прочности спринклерной сети - один раз в три года;

промывка трубопроводов от отложений и инородных тел со сменой пришедших в негодность трубопроводов и фитингов - не реже одного раза в пять лет.

6 НОРМАТИВНЫЕ ССЫЛКИ

В настоящих ТУ использованы ссылки на следующие документы:

НПБ 88-2001* Установки пожаротушения и сигнализации. Нормы и правила проектирования

НПБ 244-97 Материалы строительные. Декоративно-отделочные и облицовочные материалы. Материалы для покрытия полов. Кровельные, гидроизоляционные и теплоизоляционные материалы. Показатели пожарной опасности

ГОСТ 12.1.004-91 Пожарная безопасность. Общие требования

ГОСТ 12.3.046-91 Установки пожаротушения автоматические. Общие технические требования

ГОСТ 18599-2001 Трубы напорные из полиэтилена. Технические условия

ГОСТ 26887-86 Площадки и лестницы для строительно-монтажных работ. Общие технические условия

ГОСТ 27321-87 Леса стоечные, приставные для строительно-монтажных работ. Технические условия

ГОСТ 27372-87 Люльки для строительно-монтажных работ. Технические условия

ГОСТ Р 50680-94 Установки водяного пожаротушения автоматические. Общие технические требования. Методы испытаний

ГОСТ Р 50800-95 Установки пенного пожаротушения автоматические. Общие технические требования. Методы испытаний

ГОСТ Р 51043-2002 Установки водяного и пенного пожаротушения автоматические. Оросители. Общие технические требования. Методы испытаний

СНиП 2.04.01-85* Внутренний водопровод и канализация зданий

СНиП 3.05.05-84 Технологическое оборудование и технологические трубопроводы

СНиП 21-01-97* Пожарная безопасность зданий и сооружений

СНиП 31-01-2003 Общественные здания и сооружения

СНиП 31-05-2003 Общественные здания административного назначения

СП 40-102-2000 Проектирование и монтаж трубопроводов систем водоснабжения и канализации из полимерных материалов

ПУЭ-99 Правила устройства электроустановок

Библиография

1 Трубопроводная система фузиолена® для систем водоснабжения и отопления. Проспект фирмы Aquatherm GmbH, 2005. - 130 с.

2 Спринклерные трубопроводы для систем пожаротушения из фузиолена® PP-R(80)FS. Проспект фирмы Aquatherm GmbH, 2006. - 50 с.

ПРИЛОЖЕНИЕ А

(обязательное)

ОСНОВНЫЕ ПАРАМЕТРЫ ТРУБ И ФИТИНГОВ АКВАТЕРМ FIRESTOP

А1 Общий вид труб и фитингов Акватерм Firestop

Общий вид труб приведен на рисунке А1, а фитингов - на рисунке А2 [А1].

Dнаруж - наружный диаметр трубы; dвнутр - внутренний диаметр трубы; S - толщина стенки трубы
Рисунок А1 - Общий вид трубы

Рисунок А2 - Общий вид фитингов

А2 Массогабаритные характеристики труб

Массогабаритные характеристики труб приведены в таблице А2.

Таблица А2

Массогабаритные характеристики труб Акватерм Firestop

Арт. №

Размер (наружный диаметр×толщина стенки), мм

Номинальный диаметр DN

Удельная масса трубы, кг/м

Удельный объем воды в трубе, л/м

4170708

20×2,8

10

0,152

0,163

4170710

25×3,5

15

0,236

0,254

4170712

32×4,4

20

0,379

0,423

4170714

40×5,5

25

0,590

0,661

4170716

50×6,9

32

0,919

1,029

4170718

63×8,6

40

1,444

1,647

4170720

75×10,3

50

2,054

2,324

4170722

90×12,3

65

2,943

3,359

4170724

110×15,1

80

4,403

5,001

4170726

125×17,1

90

5,669

6,475

Примечание - Для пластиковых труб указывается наружный диаметр.

A3 Основные технические показатели труб и фитингов

Основные технические показатели трубопроводов приведены в таблице A3.

Таблица A3

Технические показатели трубопроводов

Наименование показателя

Значение показателя

Тип труб

Aquatherm Firestop SDR 7,4/B1

Материал труб и фитингов

Акватерм Firestop - фузиолен® PP-R(80)FS (трудносгораемый)

Тип фитингов

См. приложение В

Максимальное рабочее давление, МПа

2

Диапазон рабочих температур, °С

От минус 20 до +60

Номинальный диаметр (по наружному диаметру), мм

20, 32, 40, 50, 63, 75, 90, 110, 125, 160

Внешний вид

Гладкие наружные и внутренние поверхности. Не допускаются пузыри, трещины, раковины и посторонние включения

Цвет окраски

Красный цвет с четырьмя продольными зелёными полосками

Допустимая скорость движения воды в трубопроводе, м/с

12 (7 - для труб DN 160)

Удельное гидравлическое сопротивление трубопроводов (потери давления по длине трубы)

См. приложение Б

Коэффициент гидравлических потерь фитингов

См. приложение В

Химическая устойчивость к агрессивной окружающей среде (в нормальных условиях)

См. приложение Г

Средний коэффициент линейного теплового расширения, мм/(м·К)

0,035

Срок службы, лет

См. таблицу А4

Форма поставки

Трубы длиной 4 и 6 м

Таблица А4

Срок службы трубопроводов

Температура окружающей среды и/или рабочего тела, °С

Срок службы, лет

Избыточное рабочее давление, МПа

20

50

2,45

30

50

2,07

40

50

1,75

50

50

1,47

60

50

1,21

Сравнительная оценка удельного гидравлического сопротивления стальных трубопроводов и трубопроводов Аква-терм Firestop приведена на рисунке A3. Как следует из приведенных данных, при аналогичных внутренних диаметрах удельное гидравлическое сопротивление труб Акватерм Firestop практически в 2 - 3 раза меньше стальных труб.

Рисунок A3 - Сравнительная оценка удельного гидравлического сопротивления стальных и пластиковых трубопроводов Акватерм Firestop (1 - 3 - расход, л/с)

Библиография

А1 Спринклерные трубопроводы для систем пожаротушения из фузиолена® PP-R(80)FS. Проспект фирмы Aquatherm GmbH, 2006. - 50 с.

ПРИЛОЖЕНИЕ Б

(справочное)

УДЕЛЬНЫЕ ГИДРАВЛИЧЕСКИЕ СОПРОТИВЛЕНИЯ ТРУБОПРОВОДОВ АКВАТЕРМ FIRESTOP В ЗАВИСИМОСТИ ОТ РАСХОДА (ТЕМПЕРАТУРА 20 °С, ШЕРОХОВАТОСТЬ 0,007 мм, КИНЕТИЧЕСКАЯ ВЯЗКОСТЬ 1,004·10-6 м2/с) [Б1]

Расход, л/с

R, V

Наружный диаметр, мм

20

25

32

40

50

63

75

90

110

125

160

0,01

R

0,09

0,03

0,01

0,00

0,00

0,00

0,00

0,00

0,00

0,00

0,00

V

0,06

0,04

0,02

0,02

0,01

0,01

0,00

0,00

0,00

0,00

0,00

0,02

R

0,27

0,10

0,03

0,01

0,00

0,00

0,00

0,00

0,00

0,00

0,00

V

0,12

0,08

0,05

0,03

0,02

0,01

0,01

0,01

0,00

0,00

0,00

0,03

R

0,54

0,19

0,06

0,02

0,01

0,00

0,00

0,00

0,00

0,00

0,00

V

0,18

0,12

0,07

0,05

0,03

0,02

0,01

0,01

0,01

0,00

0,00

0,04

R

0,88

0,31

0,09

0,03

0,01

0,00

0,00

0,00

0,00

0,00

0,00

V

0,25

0,16

0,09

0,06

0,04

0,02

0,02

0,01

0,01

0,01

0,00

0,05

R

1,28

0,45

0,14

0,05

0,02

0,01

0,00

0,00

0,00

0,00

0,00

V

0,31

0,20

0,12

0,08

0,05

0,03

0,02

0,01

0,01

0,01

0,00

0,06

R

1,76

0,61

0,18

0,06

0,02

0,01

0,00

0,00

0,00

0,00

0,00

V

0,37

0,24

0,14

0,09

0,06

0,04

0,03

0,02

0,01

0,01

0,01

0,07

R

2,29

0,80

0,24

0,08

0,03

0,01

0,00

0,00

0,00

0,00

0,00

V

0,43

0,28

0,17

0,11

0,07

0,04

0,03

0,02

0,01

0,01

0,01

0,08

R

2,89

1,00

0,30

0,11

0,04

0,01

0,01

0,00

0,00

0,00

0,00

V

0,49

0,31

0,19

0,12

0,08

0,05

0,03

0,02

0,02

0,01

0,01

0,09

R

3,55

1,23

0,37

0,13

0,05

0,02

0,01

0,00

0,00

0,00

0,00

V

0,55

0,35

0,21

0,14

0,09

0,05

0,04

0,03

0,02

0,01

0,01

0,10

R

4,27

1,48

0,44

0,15

0,05

0,02

0,01

0,00

0,00

0,00

0,00

V

0,61

0,39

0,24

0,15

0,10

0,06

0,04

0,03

0,02

0,02

0,01

0,12

R

5,87

2,03

0,61

0,21

0,07

0,02

0,01

0,00

0,00

0,00

0,00

V

0,74

0,47

0,28

0,18

0,12

0,07

0,05

0,04

0,02

0,02

0,01

0,16

R

9,74

3,35

1,00

0,35

0,12

0,04

0,02

0,01

0,00

0,00

0,00

V

0,98

0,63

0,38

0,24

0,16

0,10

0,07

0,05

0,03

0,02

0,02

0,18

R

12,00

4,12

1,23

0,43

0,15

0,05

0,02

0,01

0,00

0,00

0,00

V

1,11

0,71

0,43

0,27

0,17

0,11

0,08

0,05

0,04

0,03

0,02

0,20

R

14,47

4,96

1,48

0,51

0,18

0,06

0,03

0,01

0,00

0,00

0,00

V

1,23

0,79

0,47

0,30

0,19

0,12

0,09

0,06

0,04

0,03

0,02

0,30

R

29,85

10,17

3,01

1,04

0,36

0,12

0,05

0,02

0,01

0,00

0,00

V

1,84

1,18

0,71

0,45

0,29

0,18

0,13

0,09

0,06

0,05

0,03

0,40

R

50,15

17,00

5,01

1,72

0,60

0,19

0,09

0,04

0,01

0,01

0,00

V

2,46

1,57

0,95

0,61

0,39

0,24

0,17

0,12

0,08

0,06

0,04

0,50

R

75,21

25,40

7,45

2,55

0,88

0,29

0,13

0,05

0,02

0,01

0,00

V

3,07

1,96

1,18

0,76

0,49

0,30

0,22

0,15

0,10

0,08

0,05

0,60

R

104,94

35,31

10,33

3,53

1,22

0,40

0,17

0,07

0,03

0,02

0,00

V

3,68

2,36

1,42

0,91

0,58

0,36

0,26

0,18

0,12

0,09

0,06

0,70

R

139,27

46,72

13,62

4,64

1,60

0,52

0,23

0,10

0,04

0,02

0,01

V

4,30

2,75

1,66

1,06

0,68

0,42

0,30

0,21

0,14

0,11

0,07

0,80

R

178,15

59,60

17,33

5,90

2,03

0,66

0,29

0,12

0,05

0,03

0,01

V

4,91

3,14

1,89

1,21

0,78

0,49

0,34

0,24

0,16

0,12

0,08

0,90

R

221,55

73,92

21,45

7,28

2,50

0,81

0,36

0,15

0,06

0,03

0,01

V

5,53

3,54

2,13

1,36

0,87

0,55

0,39

0,27

0,18

0,14

0,08

1,00

R

269,43

89,69

25,97

8,80

3,02

0,98

0,43

0,18

0,07

0,04

0,01

V

6,14

3,93

2,37

1,51

0,97

0,61

0,43

0,30

0,20

0,15

0,09

1,20

R

378,58

125,51

36,19

12,23

4,19

1,35

0,59

0,25

0,09

0,05

0,02

V

7,37

4,72

2,84

1,82

1,17

0,73

0,52

0,36

0,24

0,19

0,01

1,40

R

505,47

166,98

47,97

16,17

5,52

1,78

0,78

0,32

0,12

0,07

0,02

V

8,60

5,50

3,31

2,12

1,36

0,85

0,60

0,42

0,28

0,22

0,13

1,60

R

650,00

214,05

61,29

20,61

7,03

2,26

0,99

0,41

0,16

0,09

0,03

V

9,82

6,29

3,78

2,42

1,55

0,97

0,69

0,48

0,32

0,25

0,15

1,80

R

812,11

266,69

76,14

25,55

8,69

2,79

1,22

0,50

0,19

0,10

0,03

V

11,05

7,07

4,26

2,73

1,75

1,09

0,77

0,54

0,36

0,28

0,17

2,00

R

991,17

324,88

92,51

30,97

10,52

3,37

1,47

0,61

0,23

0,13

0,04

V

12,28

7,86

4,73

3,03

1,94

1,21

0,86

0,60

0,40

0,31

0,19

2,20

R

1188,92

388,58

110,38

36,89

12,51

4,00

1,75

0,72

0,28

0,15

0,05

V

13,51

8,65

5,20

3,33

2,14

1,34

0,95

0,65

0,44

0,34

0,21

2,40

R

1403,55

457,79

129,75

43,28

14,66

4,68

2,04

0,84

0,32

0,17

0,05

V

14,74

9,43

5,68

3,63

2,33

1,46

1,03

0,71

0,48

0,37

0,23

2,60

R

1635,62

532,49

150,61

50,15

16,96

5,41

2,36

0,97

0,37

0,20

0,06

V

15,96

10,22

6,15

3,94

2,53

1,58

1,12

0,77

0,52

0,40

0,25

2,80

R

1885,14

612,68

172,95

57,51

19,42

6,19

2,69

1,11

0,43

0,23

0,07

V

17,19

11,00

6,62

4,24

2,72

1,70

1,20

0,83

0,56

0,43

0,26

3,00

R

2152,07

698,33

196,77

65,33

22,04

7,02

3,05

1,25

0,48

0,26

0,08

V

18,42

11,79

7,10

4,54

2,91

1,82

1,29

0,89

0,60

0,46

0,28

3,20

R

2436,42

789,45

222,07

73,63

24,81

7,89

3,43

1,41

0,54

0,29

0,09

V

19,65

12,58

7,57

4,84

3,11

1,94

1,38

0,95

0,64

0,49

0,30

3,40

R

2738,16

886,03

248,84

82,39

27,73

8,81

3,82

1,57

0,60

0,32

0,10

V

20,88

13,36

8,04

5,15

3,30

2,06

1,46

1,01

0,68

0,53

0,32

3,60

R

3057,33

988,06

277,08

91,63

30,80

9,78

4,24

1,74

0,67

0,36

0,11

V

22,10

14,15

8,52

5,45

3,50

2,19

1,55

1,07

0,72

0,56

0,34

3,80

R

3393,82

1095,53

306,79

101,33

34,02

10,79

4,68

1,92

0,74

0,40

0,12

V

23,33

14,93

8,99

5,75

3,69

2,31

1,63

1,13

0,76

0,59

0,36

4,00

R

3747,73

1208,45

337,96

111,50

37,40

11,85

5,13

2,11

0,81

0,43

0,13

V

24,56

15,72

9,46

6,06

3,89

2,43

1,72

1,19

0,80

0,62

0,38

4,20

R

4119,01

1326,81

370,59

122,13

40,93

12,59

5,61

2,30

0,88

0,47

0,14

V

25,79

16,50

9,94

6,36

4,08

2,55

1,81

1,25

0,84

0,65

0,40

4,40

R

4507,66

1450,61

404,68

133,23

44,60

14,10

6,11

2,50

0,96

0,51

0,16

V

27,02

17,29

10,41

6,66

4,28

2,67

1,89

1,31

0,88

0,68

0,41

4,60

R

4913,68

1579,84

440,23

144,79

48,43

15,30

6,62

2,71

1,04

0,56

0,17

V

28,25

18,08

10,88

6,96

4,47

2,79

1,98

1,37

0,92

0,71

0,43

4,80

R

5337,07

1714,51

477,24

156,81

52,40

16,54

7,15

2,93

1,12

0,60

0,18

V

29,47

18,68

11,35

7,27

4,66

2,91

2,07

1,43

0,96

0,74

0,45

5,00

R

5777,81

1854,60

515,71

169,29

56,53

17,83

7,71

3,15

1,21

0,65

0,20

V

30,70

19,65

11,83

7,57

4,86

3,03

2,51

1,49

1,00

0,77

0,47

5,20

R

6235,92

2000,12

555,63

182,23

60,80

19,16

8,28

3,39

1,29

0,69

0,21

V

31,93

20,43

12,30

7,87

5,05

3,16

2,24

1,55

1,04

0,80

0,49

5,40

R

6711,39

2151,07

597,00

195,64

65,22

20,54

8,87

3,63

1,39

0,74

0,23

V

33,16

21,22

12,77

8,18

5,25

3,28

2,32

1,61

1,08

0,83

0,51

5,60

R

7204,31

2307,44

639,83

209,50

69,78

21,96

9,48

3,87

1,48

0,79

0,24

V

34,39

22,01

13,25

8,48

5,44

3,40

2,41

1,67

1,12

0,86

0,53

5,80

R

7714,39

2469,24

684,11

223,82

74,50

23,43

10,11

4,13

1,58

0,85

0,26

V

35,61

22,79

13,72

8,78

5,64

3,52

2,50

1,73

1,16

0,90

0,55

6,00

R

8241,92

2636,46

729,84

238,60

79,36

24,94

10,76

4,39

1,68

0,90

0,27

V

36,84

23,58

14,19

9,08

5,83

3,64

2,58

1,79

1,20

0,93

0,57

6,20

R

8786,80

2809,10

777,02

253,84

84,37

26,50

11,42

4,66

1,78

0,95

0,29

V

38,07

24,36

14,67

9,39

6,02

36,76

2,67

1,85

1,24

0,96

0,58

6,40

R

9349,04

2987,16

825,65

269,53

89,52

28,10

12,11

4,94

1,88

1,01

0,31

V

39,30

25,15

15,14

9,69

6,22

3,88

2,75

1,91

1,28

0,99

0,60

6,60

R

9928,62

3170,64

875,73

285,68

94,82

29,74

12,81

5,23

1,99

1,07

0,33

V

40,53

25,94

15,61

9,99

6,41

4,04

2,84

1,96

1,32

1,02

0,62

6,80

R

10525,55

3359,54

927,25

302,29

100,27

31,43

13,53

5,52

2,10

1,13

0,34

V

41,75

26,72

16,09

10,29

6,61

4,13

2,93

2,02

1,36

1,05

0,64

7,00

R

11139,83

3553,86

980,23

319,36

105,86

33,16

14,27

5,82

2,22

1,19

0,36

V

42,98

27,51

16,56

10,60

6,80

4,25

3,01

2,08

1,40

1,08

0,66

7,50

R

12751,43

4063,35

1119,00

364,01

120,49

37,69

16,21

6,60

2,51

1,34

0,41

V

46,05

29,47

17,74

11,32

7,29

4,55

3,23

2,23

1,50

1,16

0,71

8,00

R

14471,43

4606,69

1266,81

411,52

136,02

42,49

18,25

7,43

2,82

1,51

0,46

V

49,12

31,44

18,92

12,11

7,77

4,86

3,44

2,38

1,60

1,24

0,75

9,00

R

18236,63

5794,90

1589,53

515,05

169,80

52,90

22,69

9,22

3,50

1,87

0,57

V

55,26

35,37

21,29

13,63

8,74

5,46

3,87

2,68

1,80

1,39

0,85

10,0

R

 

7118,43

1948,35

629,93

207,19

64,40

27,58

11,19

4,24

2,27

0,69

V

 

39,30

23,66

15,14

9,72

6,07

4,30

2,98

2,00

1,54

0,94

12,0

R

 

10171,36

2774,23

893,66

292,78

90,64

38,70

15,66

5,92

3,16

0,96

V

 

47,16

28,39

18,17

11,66

7,28

5,16

3,57

2,40

1,85

1,13

14,0

R

 

13765,32

3744,31

1202,62

392,73

121,15

51,60

20,83

7,68

4,19

1,27

V

 

55,02

33,12

21,20

13,60

8,50

6,02

4,17

2,80

2,16

1,32

16,0

R

 

 

4858,51

1556,75

506,99

155,92

66,27

26,69

10,05

5,35

1,61

V

 

 

37,85

24,22

15,55

9,71

6,88

4,76

3,20

2,47

1,51

18,0

R

 

 

616,78

1956,00

635,54

194,94

82,70

33,24

12,50

6,65

2,00

V

 

 

42,58

27,25

17,49

10,93

7,74

5,36

3,60

2,78

1,70

20,0

R

 

 

7519,10

2400,35

778,35

238,19

100,87

40,48

15,19

8,07

2,43

V

 

 

47,31

30,28

19,43

12,14

8,60

5,95

4,00

3,09

1,89

22,0

R

 

 

9065,44

2889,78

935,41

285,66

120,79

48,39

18,13

9,62

2,89

V

 

 

52,04

33,31

21,38

13,35

9,47

6,55

4,40

3,40

2,07

24,0

R

 

 

10755,78

3424,28

1106,72

337,35

142,44

56,98

21,32

11,31

3,39

V

 

 

56,77

36,34

23,32

14,57

10,33

7,14

4,80

3,71

2,26

26,0

R

 

 

 

4003,83

1292,25

393,24

165,83

66,25

24,75

13,11

3,92

V

 

 

 

39,36

25,26

15,78

11,19

7,74

5,20

4,02

2,45

28,0

R

 

 

 

4628,43

1492,01

453,33

190,94

76,18

28,43

15,05

4,50

V

 

 

 

42,39

27,21

17,00

12,05

8,34

5,60

4,32

2,64

30,0

R

 

 

 

5298,07

1705,99

517,63

217,78

86,79

32,35

17,11

5,11

V

 

 

 

45,42

29,15

18,21

12,91

8,93

6,00

4,63

2,83

32,0

R

 

 

 

6012,75

1934,18

586,12

246,35

98,06

36,51

19,30

5,75

V

 

 

 

48,45

31,09

19,42

13,77

9,53

6,40

4,94

3,02

34,0

R

 

 

 

6772,46

2176,59

658,81

276,64

110,00

40,91

21,61

6,44

V

 

 

 

51,47

33,03

20,64

14,63

10,12

6,80

5,25

3,21

36,0

R

 

 

 

7577,20

2433,21

735,69

308,65

122,61

45,55

24,05

7,15

V

 

 

 

54,50

34,98

21,85

15,49

10,72

7,20

5,56

3,39

38,0

R

 

 

 

 

2704,03

816,76

342,38

135,89

50,43

26,61

7,91

V

 

 

 

 

36,92

23,07

16,35

11,31

7,60

5,87

3,58

40,0

R

 

 

 

 

2989,06

902,01

377,83

149,83

55,55

29,30

8,70

V

 

 

 

 

38,86

24,28

17,21

11,91

8,00

6,18

3,77

42,0

R

 

 

 

 

3288,29

991,46

414,99

164,43

60,91

32,11

9,52

V

 

 

 

 

40,81

25,49

18,07

12,50

8,40

6,49

3,96

44,0

R

 

 

 

 

3601,72

1085,09

453,87

179,69

66,51

35,04

10,38

V

 

 

 

 

42,75

26,71

18,93

13,10

8,80

6,80

4,15

46,0

R

 

 

 

 

3929,35

1182,90

494,47

195,62

72,35

38,09

11,28

V

 

 

 

 

44,69

27,92

19,79

13,69

9,20

7,10

4,34

48,0

R

 

 

 

 

4271,18

1284,90

536,78

212,21

78,43

41,27

12,21

V

 

 

 

 

46,64

29,14

20,65

14,29

9,60

7,41

4,53

50,0

R

 

 

 

 

4627,22

1391,08

580,81

229,47

84,74

44,57

13,17

V

 

 

 

 

48,58

30,35

21,15

14,88

10,00

7,72

4,71

52,0

R

 

 

 

 

4997,44

1501,45

626,55

247,38

91,29

48,00

14,18

V

 

 

 

 

50,52

31,56

22,37

15,48

10,40

8,03

4,90

54,0

R

 

 

 

 

5381,87

1616,00

674,00

265,95

98,08

51,54

15,21

V

 

 

 

 

52,47

32,78

23,23

16,07

10,80

8,43

5,09

56,0

R

 

 

 

 

5780,49

1734,73

723,17

285,19

105,10

55,21

16,28

V

 

 

 

 

54,41

33,99

24,09

16,67

11,20

8,65

5,28

58,0

R

 

 

 

 

6193,31

1857,64

774,05

305,08

112,36

59,00

17,39

V

 

 

 

 

56,35

35,21

24,95

17,27

11,60

8,96

5,47

60,0

R

 

 

 

 

 

1984,73

826,64

325,64

119,86

62,91

18,53

V

 

 

 

 

 

36,42

25,81

17,86

12,00

9,27

5,66

62,0

R

 

 

 

 

 

2116,00

880,94

346,85

127,59

66,95

19,70

V

 

 

 

 

 

37,63

26,67

18,46

12,40

9,57

5,85

64,0

R

 

 

 

 

 

2251,45

936,96

368,73

135,56

71,10

20,91

V

 

 

 

 

 

38,85

27,54

19,05

12,80

9,88

6,04

66,0

R

 

 

 

 

 

2391,08

994,68

391,26

143,77

75,38

22,15

V

 

 

 

 

 

40,06

28,40

19,65

13,20

10,19

6,22

68,0

R

 

 

 

 

 

2534,89

1054,12

414,46

152,21

79,78

23,43

V

 

 

 

 

 

41,28

29,26

20,24

13,60

10,50

6,41

70,0

R

 

 

 

 

 

2682,88

115,27

438,31

160,89

84,30

24,74

V

 

 

 

 

 

42,49

30,12

20,84

14,00

10,81

6,60

72,0

R

 

 

 

 

 

2835,05

1178,12

462,82

169,80

88,94

26,09

V

 

 

 

 

 

43,70

30,98

21,43

14,40

11,12

6,79

74,0

R

 

 

 

 

 

2991,40

1242,69

487,99

178,95

93,70

27,47

V

 

 

 

 

 

44,92

61,84

22,03

14,08

11,43

6,98

76,0

R

 

 

 

 

 

3151,92

1308,97

513,82

188,34

98,59

28,88

V

 

 

 

 

 

46,13

32,70

22,62

15,20

11,47

7,17

78,0

R

 

 

 

 

 

3316,63

1376,96

540,31

197,96

103,59

30,33

V

 

 

 

 

 

47,35

33,56

23,22

15,690

12,05

7,36

Примечания:

1. R - удельное гидравлическое сопротивление, ×10-2 МПа.

2. V - скорость водяного потока, м/с.

3. Для определения удельного гидравлического сопротивление необходимо численное значение R, приведенное в данном приложении, умножить на число 100.

Библиография

Б1 Трубопроводная система фузиотерм® для систем водоснабжения и отопления. Проспект фирмы Aquatherm GmbH, 2005. - 130 с.

ПРИЛОЖЕНИЕ В

(справочное)

КОЭФФИЦИЕНТ ГИДРАВЛИЧЕСКОГО СОПРОТИВЛЕНИЯ ФИТИНГОВ АКВАТЕРМ FIRESTOP [B1]

Фасонная деталь

Изображение

Обозначение

Характеристика

Коэффициент ξ

Муфта

 

0,25

Переходник

Уменьшение:

 

на 1 размер

0,40

на 2 размера

0,50

на 3 размера

0,60

на 4 размера

0,70

на 5 размеров

0,80

на 6 размеров

0,90

Угольник 90°

 

1,20

Угольник 90° внутренний/наружный

 

1,20

Угольник 45°

 

0,50

Угольник 45° внутренний/наружный

 

0,50

Т-образная деталь

 

0,25

Разделение потока

1,20

Соединение потоков

0,80

Разнонаправленные потоки при разделении потока

1,80

Встречные потоки при соединении потоков

3,00

Т-образный переходник

Коэффициент ξ получается путем сложения коэффициентов для Т-образной детали и переходника

Крестовидная деталь

Разделение потока

2,10

Соединение потоков

3,70

Вварное седло

 

0,25

Разделение потока

0,5

Встречные потоки при соединении потоков

1,00

Т-образный переходник

Коэффициент ξ получается путем сложения коэффициентов для Т-образной детали и вварного седла

Переходная деталь с внутренней резьбой

 

0,50

Переходная деталь с наружной резьбой

 

0,70

Угольник с внутренней резьбой

 

1,40

Угольник с наружной резьбой

 

1,60

Т-образная переходная деталь с внутренней резьбой

Разделение потока:

Dнаруж×G×Dвнутр

 

16×G1/2×16

20×G3/4×20

1,40

20×G1/2×20

25×G3/4×25

32×G32

1,60

25×G1/2×25

32×G3/4×32

1,80

Т-образная переходная деталь с наружной резьбой

Разделение потока:

1,80

Dнаруж×G×Dвнутр

20×G1/2×20

 

Фасонная деталь

Изображение

Обозначение

Наружный диаметр

KVR

Шаровой кран

20 мм

0,25

25 мм

0,25

32 мм

0,25

40 мм

0,25

50 мм

0,25

63 мм

0,25

Примечание - Стрелкой показано направление потока жидкости.

Потери давления в фитингах определяются из выражения:

где Z - потери давления, МПа; ξ - коэффициент потерь для фитинга; V - скорость потока, м/с; ρ - плотность протекающей среды, кг/м .

Библиография

В1 Трубопроводная система фузиотерм® для систем водоснабжения и отопления. Проспект фирмы Aquatherm GmbH, 2005. - 130 с.

ПРИЛОЖЕНИЕ Г

(справочное)

ХИМИЧЕСКАЯ УСТОЙЧИВОСТЬ ТРУБ АКВАТЕРМ FIRESTOP

Таблица Г1

Вещество

Концентрация, % об.

Температура, °С

20

60

100

Химикаты

Азотная кислота

50

+/-

-

 

Азотная кислота

25

+

+

 

Аммиак, водный раствор

Насыщ.

+

+

 

Амиловый спирт

100

+

+

 

Анилин

100

+

+

 

Антифриз (гликоль), Huls

50

+

+

 

Асфальт

100

+

+/-

 

Ацетон

100

+

+/-

 

Бензойная кислота, водный раствор

Насыщ.

+

+

+

Бензойный альдегид

100

+

+

 

Бензол, Veba

100

+/-

-

 

Борная кислота, водный раствор

Насыщ.

+

+

 

Бром

100

-

 

 

Бромная вода

Насыщ.

-

-

 

Бутан жидкий, Veba

100

+

 

 

Бутилацетат, Huls

100

+

+/-

 

Бутиловый спирт, Huls

100

+

+

 

Винная кислота, водный раствор

Насыщ.

+

+

+

Гексакремнефтористоводородная кислота, водный раствор

Насыщ.

+

+

+

Гексан

100

+

+/-

 

Гептан

100

+

+/-

 

Гидразин, водный раствор

Насыщ.

+

+

 

Гидроацетон

100

+

+

 

Гидроксилсульфат аммония

Насыщ.

+

+

 

Гидрохинон, водный раствор

 

+

 

 

Гликолевая кислота

70

+

+

 

Гликоль (этиленгликоль), Huls

100

+

+

+

Гликоль (этиленгликоль), водный раствор, Huls

50

+

+

+

Глицерин

100

+

+

 

Глицерин, водный раствор

10

+

+

+

Гуминовые кислоты, водный раствор

1

+

+

 

Двуокись серы (сернистый ангидрид), водный раствор

Насыщ.

+

+

 

Декагидронафталин

100

+/-

-

-

Дизельное топливо

100

+

+/-

 

Дигексилфталат

100

+

+

 

Дилсолонилфталат, Huls

100

+

+

 

Диметилформамид

100

+

 

 

Диоксан-1,4

100

+

+/-

-

Дихлорид олова

Насыщ.

+

+

 

Диэтилэфир, Huls

100

+/-

 

 

Дубильная кислота (жанин)

10

+

+

 

Жидкое мыло

100

 

 

 

Жидкость для снятия лака

100

+

+/-

 

Изононановая кислота

100

+

+/-

 

Изооктан

100

+

+/-

 

Изопропанол

100

+

+

 

Йодистая настойка, DAB 6

 

+

 

 

Иодистоводородная кислота, водный раствор

Насыщ.

+

 

 

Калийный щелок

50

+

+

+

Керосин

100

+

+/-

 

Кислоты жирные > С6

100

+

+/-

+/-

Кремнефтористоводородная кислота

32

+

+

 

Ксилол, Veba

100

+/-

-

-

Кумолгидропероксид

70

+

 

 

Масла растительные

100

+

+

 

Масла эфирные

 

+

 

 

Масло пищевое

100

+

+/-

 

Ментол

100

+

 

 

Метановая сульфокислота

50

+

 

 

Метанол, Huls

100

+

+

 

Метилгликоль

100

+

+

 

Метиленхлорид

100

+/-

 

 

Метиловый изобутилкетон

100

+

+/-

 

Метиловая серная кислота

50

+

 

 

Метиловый циклогексан

100

+

+/-

 

Метил-4-пентанол-2

100

+

+

 

Метилэтилкетон

100

+

+/-

 

Метоксилбутанол

100

+

+/-

 

Метоксилбутилацетат

100

+

+/-

 

Молочная кислота, водный раствор

90

+

+

 

Молочная кислота, водный раствор

10

+

+

+

Морская вода

 

+

+

+

Моча

 

+

+

 

Мочевая кислота, водный раствор

Насыщ.

+

+

 

Мочевина (карбамид), водный раствор

Насыщ.

+

+

+

Моющее средство, водный раствор, Huls

10

+

+

+

Муравьиная кислота, Huls

98

+

+/-

 

Муравьиная кислота

50

+

+

 

Муравьиная кислота

10

+

+

 

Мыльный раствор

Насыщ.

+

+

 

Мыльный раствор

10

+

+

+

Натровый щелок, Huls

60

+

+

+

Натриумгипохлорит, водный раствор

5

+

+

 

Натриумгипохлорит, водный раствор

30

+/-

+/-

 

Натриумгипохлорит, водный раствор

20

+

+

 

Натриумхлорат, водный раствор

25

+

+

 

Натриумхлорит, водный раствор

5

+

 

 

Неодекановая кислота

100

+

 

 

Нитробензол

100

+

+/-

 

Нитрометан

100

 

+/-

 

Олеиновая кислота

100

+

 

 

Паральдегид

100

+

 

 

РСВ

100

+/-

 

 

Перманганат калия, водный раствор

Насыщ.

+

+

 

Пероксид водорода

30

+

+/-

 

Пероксид водорода

3

+

+

+

Персульфат калия, водный раствор

Насыщ.

+

 

 

Перхлорэтилен

100

+

-

 

Петролейный эфир

100

+

+/-

 

Пиридин

100

+

+/-

 

Пропан жидкий, Veba

100

+

 

 

Ртуть

100

+

+

 

Sagrotan

Станд.

+

+/-

 

Серная кислота

96

-

-

 

Серная кислота

50

+

+

 

Серная кислота

10

+

+

+

Сероводород

Насыщ.

+

+

+

Сероуглерод

100

+/-

 

 

Смачиватель

 

 

 

 

Соленая вода

Насыщ.

+

+

+

Соли алюминия, водный раствор

Насыщ.

+

+

+

Соли бария, водный раствор

Насыщ.

+

+

+

Соли железа, водный раствор

Насыщ.

+

+

+

Соли калия, водный раствор

Насыщ.

+

+

+

Соли кальция, водный раствор

Насыщ.

+

+

+

Соли магния, водный раствор

Насыщ.

+

+

+

Соли меди (2), водный раствор

Насыщ.

+

+

+

Соли натрия, водный раствор

Насыщ.

+

+

+

Соли никеля, водный раствор

Насыщ.

+

+

 

Соли ртути, водный раствор

Насыщ.

+

+

 

Соли серебра, водный раствор

Насыщ.

+

+

 

Соли хрома, водный раствор

Насыщ.

+

+

 

Соли цинка, водный раствор

Насыщ.

+

+

+

Соляная кислота, Huls

38

+

+

 

Соляная кислота

10

+

+

+

Средства для мытья посуды жидкие

Тетрагидронафталин, Huls

100

+/-

-

 

Тетрагидрофуран, GhC

100

+/-

-

-

Тетрахлорэтан

100

+/-

-

-

Тетрахлорэтилен, Huls

100

+/-

-

-

Тиофен

100

+/-

-

 

Толуол

100

+/-

-

 

Тормозная жидкость, Huls

100

+

+

 

Трихлорэтилен

100

+/-

-

 

Угольная кислота, водный раствор

Насыщ.

+

+

 

Уксусная кислота, Huls

100

+

+/-

-

Уксусная кислота

50

+

+

 

Уксусная кислота

10

+

+

+

Уксуснобутиловый эфир (бутил-ацетат), Huls

100

+

+/-

 

Уксуснометиловый эфир (метилацетат)

100

+

+

 

Ускусноэтиловый эфир (этилацетат), Huls

100

+/-

+/-

 

Уксусный ангидрид

100

+

+/-

 

Фенилхлороформ

100

+/-

 

 

Фенол, водный раствор

Насыщ.

+

+

 

Формалин (формальдегид)

Станд.

+

+

 

Формальдегид, водный раствор, GhC

40

+

+

 

Фосфаты, водный раствор

Насыщ.

+

+

+

Фосфорная кислота

85

+

+/-

 

Фосфорная кислота

50

+

+

 

Фреон 11

100

+/-

 

 

Фториды, водный раствор

Насыщ.

+

+

+

Фтористоводородная кислота

40

+

+

 

Фтористоводородная кислота

70

+

+/-

 

Фурфуроловый спирт

100

+

+/-

 

Хлор жидкий

100

-

 

 

Хлорид лауриновой кислоты

100

+

 

 

Хлорид неодекановой кислоты

100

+

 

 

Хлорная вода

Насыщ.

+/-

 

 

Хлорные сульфокислоты

100

-

-

-

Хлороформ

100

+/-

-

 

Хромовая кислота

20

+

+/-

 

Хромовая серная кислота

Концентр.

-

-

 

Хромовый триоксид, водный раствор

Насыщ.

+

-

 

Циклогексан, Veba

100

+

+/-

 

Циклогексанол, Huls

100

+

+

 

Циклогексанон

100

+

-

 

Четыреххлористый углерод

100

+/-

-

 

Этанол

96

+

+

 

Этаноламин

100

+

+

 

Этилбензол, Huls

100

+/-

-

 

2-этилгексанол, Huls

100

+

 

 

Этил гл и ко л ьацетат

100

+

 

 

Этилендиамин 4-уксусной кислоты, водный раствор

Насыщ.

+

+

 

2-этиловая гексановая кислота

100

+

 

 

2-этиловый гексиловый хлороформиат

100

+

 

 

2-этиловый хлорид гексановой кислоты

100

+

 

 

Этилхлорид, Huls

100

-

 

 

Этиленхлоридгидрин, Huls

100

+

+

 

Этиленхлорид, Huls

100

+/-

+/-

 

Янтарная кислота, водный раствор

Насыщ.

+

+

 

Технические изделия

Аккумуляторная кислота

38

+

+

 

Асфальт

100

+

+/-

 

Белильный щелок (хлор 12,5 %)

30

+/-

+/-

 

Бензин

100

+

+/-

 

Бензин высшего класса

100

+/-

-

 

Бензин для испытаний, алифатическое соединение

100

+

+/-

 

Бензин стандартный

100

+

+/-

 

Бура, водный раствор

Насыщ.

+

+

 

Диксановый щелок

5

+

+

+

Квасцы

Насыщ.

+

+

 

Крезол, водный раствор

Насыщ.

+

+/-

 

Крем для обуви

100

+

+/-

 

Лизол

Станд.

+

+/-

 

Litex, Huls

100

+

+

 

Мазут

100

+

+/-

-

Marlipal MG, водный раствор, Huls

50

+

+

 

Marlon , водный раствор, Huls

42

+

+

 

Marlophen 820, Huls

100

+

 

 

Marlophen810, Hiils

100

+

 

 

Marlophen 83, Huls

100

+

 

 

Marlophen 89, Huls

100

+

 

 

Масла минеральные

100

+

+/-

-

Масла силиконовые

100

+

+

 

Масло для двухтактных двигателей

100

+/-

+/-

 

Масло костяное

100

+

+

 

Масло моторное

100

+

+/-

-

Масло парафиновое

100

+

+/-

-

Масло трансформаторное минеральное

100

+

+/-

 

Мастика для натирки пола

100

+

+/-

 

Морская вода

 

+

+

+

Олеум (дымящая серная кислота)

>100

-

-

 

Пектин (растительный желатин)

Насыщ.

+

+

 

Петролейный эфир

100

+

+/-

 

Растворимое стекло

100

+

+

 

Смола

100

+

+/-

 

Средства для мытья посуды жидкие

5

+

+

+

Тиосульфат натрия (закрепитель), водный раствор

10

+

+

+

Трикрезилфосфат

100

+

+

 

Триоктилфосфат

100

+

+/-

 

Формалин (формальдегид)

Станд.

+

+

 

Фотопроявитель

Станд.

в готовом виде

+

+

+

+

 

Хлорная известь

 

+

+

 

Царская водка HCI:HNO3

3:1

+

-

-

Пластификаторы

Дибутилсебацикат

100

+

+/-

 

Дибутилфталат, Huls

100

+

+/-

 

Динонкладипат

100

+

 

 

Диоктиладипат, Huls

100

+

1

 

Диоктилфталат, Huls

100

+

+

 

Примечание: + устойчив, +/- частично устойчив; - неустойчив.

Таблица Г2

Вещество

Концентрация, % об.

Температура, °С

80

Пищевые продукты

Ананасный сок

 

+

Апельсиновый сок

 

+

Ваниль

 

+

Вино

 

+

Водка

 

+

Грейпфрутовый сок

 

+

Желе

 

+

Какао (готовое для питья)

 

+

Квашеные целебные травы

 

+

Кетчуп

 

+

Колбаса

 

+

Коньяк

 

+

Кофе (готовый для питья)

 

+

Красный перец

 

+

Крахмал (водный раствор)

Насыщ.

+

Круповая кашица

 

+

Лимонная кислота (водный раствор)

Насыщ.

+

Лимонный сок

 

+

Маргарин

 

+

Маринованная рыба

 

+

Мармелад

 

+

Масло арахидное

 

+/-

Масло гвоздиковое

 

+/-

Масло кокосовое

 

+/-

Масло кукурузное

 

+/-

Масло льняное

 

+

Масло оливковое

 

+

Масло пальмовое

 

+/-

Масло пищевое (животное)

 

+/-

Масло сливочное

 

+/-

Масло соевое

 

+

Мед

 

+

Минеральная вода

 

+

Молоко

 

+

Молочные блюда

 

+

Молочный кисель

 

+

Перец

 

+

Пиво

 

+

Подливка для жаркого

 

+

Ром

40

+

Салат

 

+

Сахар (раствор)

Насыщ.

+

Сахар сухой

 

+

Сахар сироп

 

+

Смалец

 

+

Соленая вода

Насыщ.

+

Соль

 

+

Тесто

 

+

Уксус

Станд.

+

Уксусная эссенция

Станд.

+

Фруктовый сок

 

+

Чай (готовый для питья)

 

+

Чай (листовой)

 

+

Яблочный мусс

 

+

Яблочный сок

 

+

Яйца (сырые и вареные)

 

+

Косметические изделия

Зубная паста

 

+

Лак для ногтей

 

+/-

Мыло (раствор)

Насыщ.

+

Мыло (раствор)

10

+

Мыло

 

+

Примечание: + устойчив; +/- частично устойчив; - неустойчив.

Внимание! Если Вы не нашли интересующего Вас вещества, внесите его наименование в приведенную ниже таблицу и вышлите ее нам по адресу: 127410, Москва, Алтуфьевское ш., д. 41, стр. 2. В течение 2 - 3 дней вы получите ответ от технических специалистов фирмы «Акватерм».

Таблица Г3

Вещество

Условия эксплуатации

Концентрация, % об. или % масс.

Температура, °С

Давление, МПа

 

 

 

 

 

 

 

 

 

 

 

 

 

 

 

 

 

 

 

 

ПРИЛОЖЕНИЕ Д

(справочное)

СЕРТИФИКАЦИОННЫЕ ИСПЫТАНИЯ ТРУБОПРОВОДОВ И ФИТИНГОВ АКВАТЕРМ FIRESTOP В РОССИИ, ПРИМЕНИТЕЛЬНО К ОБЩЕСТВЕННЫМ, АДМИНИСТРАТИВНЫМ, ЖИЛЫМ И ПРОИЗВОДСТВЕННЫМ ЗДАНИЯМ И ПОМЕЩЕНИЯМ

Д1 Общие сведения

Пластиковые трубы не входят в Перечень продукции, подлежащей обязательной сертификации в области пожарной безопасности в Российской Федерации [Д1]. Согласно НПБ 88-2001* применение пластиковых труб допускается только при проведении соответствующих испытаний специализированной организацией. Поэтому по заявке фирмы Aquatherm GmbH в России была проведена добровольная сертификация труб и фасонных изделий (фитингов) Aquatherm Firestop на прочность и пожаростойкость.

Примечание - Пожаростойкость: Способность труб сохранять целостность и работоспособность при воздействии на них модельного очага пожара.

Испытания проводились по специально разработанной Программе и методике [Д2], предусматривающей два вида испытаний: на прочность и на пожаростойкость.

Д2 Испытания на прочность

Рабочее давление в ВПВ согласно [Д3] не должно превышать 0,9 МПа, в АУП согласно [Д4] - не должно превышать 1,0 МПа.

Необходимое испытательное давление трубопроводов и технических средств АУП согласно нормативным документам [Д3 - Д5] приведено в таблице Д1.

Таблица Д1

Необходимое испытательное давление трубопроводов и технических средств АУП и ВПВ

Испытываемое средство

Рабочее давление Pраб, МПа

Коэффициент испытательного давления*

Испытательное давление Pисп, МПа

Технические средства АУП [Д4]

1,0

2 - 4

Не менее 2,4 - 4,8

Трубопровод стальной [Д3]

1,0

1,50

1,50

Трубопровод пластиковый [Д5]

Свыше 0,5

1,25

1,25

Трубопровод Aquatherm Firestop [Д6]

2,0

1,50

3,00

*Относительно паспортного значения рабочего давления на конкретное техническое средство.

При испытании на прочность использовали как отдельные трубы, так и сборки труб и фитингов. Наружный диаметр труб составлял Dнаруж 20, 32; 63 и 125 мм, длина труб (со сборкой фитингов) составляла от 0,3 до 3,0 м. Трубы между собой и с фитингами соединялись по технологии фирмы Aquatherm GmbH.

Испытание сборок происходило спустя 0,5 - 1,0 ч после сварки (сочленения) труб с фитингами (по нормативам необходима выдержка в течение 24 ч).

Прочность трубопроводов со смонтированными на них фитингами проверялась путем повышения давления до 1 МПа, выдержке при этом давлении в течение 5 мин, дальнейшем увеличении давления до 5 МПа и выдержке при данном давлении не менее 5 мин. Скорость нарастания давления не более 0,5 МПа/с.

Разрыв испытываемых труб и фитингов, утечка воды через места соединений фитингов, трубы и фитингов, остаточные деформации и признаки разрушения не допускались. Если при давлении 5 МПа не наблюдалось разрыва испытываемых труб и фитингов, утечки воды через места соединений фитингов, трубы и фитингов, остаточных деформаций и признаков разрушения, то испытываемые экземпляры подвергались дальнейшему повышению давления с той же скоростью нарастания давления до появления протечки или разрушения.

Разрушенные в сборке трубы и фитинги в последующем испытании заменялись на новые.

Трубопроводная сборка перед испытанием, характер деформации и разрушения трубы и фитингов приведены на рисунках Д1, Д2.

Рисунок Д1 - Сборка труб и фитингов

Рисунок Д2 -Характер разрушения трубопроводов

Результаты испытаний труб и фитингов на прочность приведены в таблице Д2.

Таблица Д2

Результаты испытаний труб и фитингов на прочность

Характеристика испытываемых изделий

Наружный диаметр Dнаруж, мм

Давление, при котором происходило разрушение трубы или фитинга, МПа

Характер разрушения трубы или фитинга

Трубопроводная сборка

32

8,6

Продольный разрыв трубы и входного фитинга на длину ~ 85 мм

Трубопроводная сборка

32

8,4

Продольный разрыв трубы на длину ~ 62,3 мм

Трубопроводная сборка

Разрушенная труба Dнаруж 32

заменена на новую трубу Dнаруж 63

8,8

Продольный разрыв трубы на длину ~ 39 мм

Трубопроводная сборка

Разрушенная труба Dнаруж 63

заменена на новую трубу Dнаруж 63

8,7

Разорвало входной фитинг и трубу

Короткая трубопроводная сборка

32

8,6

Разорвало тройник и трубу

Труба L 690 мм

125

7,9

Разрушился входной фитинг

Труба L 690 мм

125

7,7

Оторвало торцевой фитинг

Как следует из приведенных результатов испытаний, течь или разрушение наступали (даже при отступлении от технологии сварки) при давлении не менее 7,7 МПа.

Таким образом, результаты испытаний труб и фасонных изделий Aquatherm Firestop по своим прочностным характеристикам вполне удовлетворяют требованиям [Д3 - Д6] и могут использоваться в АУП и ВПВ.

Д3 Испытания на пожаростойкость

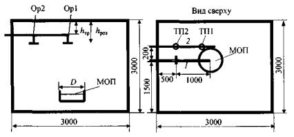
Испытательный стенд представлен на рисунке Д3.

Состав стенда: источник водоснабжения, фрагмент помещения, манометр, оросители с номинальной температурой срабатывания 68 °С и диаметром колбы 5 мм, термопреобразователи (Х-А термопары), потенциометрический прибор, модельный очаг пожара.

1 - испытываемая труба; 2 - металлическая труба со смонтированными спринклерными оросителями; Op1, Ор2 - спринклерные оросители; ТП1, ТП2 - термопары; МОП - модельный очаг пожара
Рисунок Д3 - Стенд для испытаний труб Aquatherm Firestop на пожаростойкость

Стенд представляет собой фрагмент помещения объемом 27 м3 (3×3×3 м).

Давление в заполненном водой испытываемом трубопроводе поддерживалось равным 0,6 - 1,0 МПа и контролировалось по манометру.

В качестве модельного очага пожара использовался противень диаметром D = 550 мм с высотой бортов 230 мм, который находился в центре фрагмента помещения. Горючее - пентан, гептан или ацетон.

Испытываемая труба 1 монтировалась под потолком.

Крепление испытываемой трубы к потолку фрагмента помещения осуществлялось с помощью стандартных подвесок-держателей фирмы Aquatherm GmbH, а также с помощью металлических скоб-держателей, применяющихся для подвески металлических труб (без пластиковых прокладок).

Расстояние от оси трубопровода до потолка hтр = (10 - 20) см. Ось испытываемой трубы параллельна горизонтальной оси МОП. Оросители Op1 и Ор2 смонтированы на обособленной металлической трубе 2, параллельной испытываемой трубе 1. Расстояние между трубами 1 и 2 - (15 - 20) см, расстояние от розетки оросителей до потолка hроз = (15 - 25) см.

Один ороситель Op1 располагался на расстоянии 1,5 м от стены фрагмента помещения, другой Ор2 - на расстоянии 0,5 м.

Температура контролировалась в двух точках: ТП1 и ТП2 - непосредственно в области термочувствительной колбы оросителей Op1 и Ор2.

Варьируемые параметры:

диаметр трубопровода - Dнаруж 32 и 125;

длина трубопровода - 1,2 и 3,0 м.

Критериями положительной оценки каждой серии испытаний на пожаростойкость являлись:

срабатывание оросителей за время не более 50 с;

продолжительность воздействия температуры на трубу и фитинги в диапазоне 330 - 390 °С в течение не менее 4,5 мин (при этом продолжительность воздействия температуры выше 350 °С должна быть не менее 3 мин). Трубы и фитинги в данный промежуток времени не должны иметь протечки воды, а также падающих капель (частиц) материала трубы или фитингов.

Результаты испытаний приведены в таблице Д3.

Таблица Д3

Результаты испытаний на пожаростойкость

Номер испытания

Наружный диаметр и длина трубы, мм

Вылет трубы, мм

Вид и объем горючего МОП, л

Время срабатывания оросителей, с

Диапазон температур спустя 1 мин после зажигания горючего, °С

Время протечки трубы

Продолжительность горения МОП

Стандартные подвески-держатели фирмы Aquatherm GmbH

1

D 125, L 1200

50

Пентан, 5

35 и 45

340 - 500

Протечки не было

6 мин 30 с

2

D 125, L 1200

50

Пентан, 5

34 и 39

330 - 480

Протечки не было

6 мин 26 с

3

D 32, L 3000

900

Пентан, 5

31 и38

340 - 500

Протечки не было

6 мин 13 с

4

D 32, L 1200

400

Пентан, 5

36 и 43

330 - 480

Протечки не было

6 мин 35 с

5

D 32, L 1200

400

Пентан, 5

33 и 39

320 - 490

Протечки не было

6 мин 20 с

6

D 32, L 1200

400

Гептан, 4

*

190 - 230

Протечки не было

7 мин 30 с

7

D 32, L 3000

240

Ацетон, 5

70 и 80

200 - 320

Протечки не было

8 мин 00 с

8

D 32, L 1200

50

Гептан, 2,2 и пентан, 2,8

36и41

330 - 380

8 мин 07 с

10 мин 40 с

Металлические скобы-держатели, применяющиеся для подвески металлических труб

9

D 32, L 3000 **

240

Пентан, 5

40 и 50

370 - 500

6 мин 25 с

 

10

D 32, L 1200

600

Пентан, 2,5

34 и 41

340 - 460

2 мин 50 с

 

11

D 32, L 3000

340

Пентан, 5

29 и 34

360 - 500

4 мин 50 с

 

* Подача волы из оросителя принудительно через 1 мин 10 с.

** Использовалась труба из испытания № 7.

Как следует из результатов испытаний, время срабатывания оросителей находилось в пределах 30 - 40 с. В течение этого времени температура достигла ~200 °С и в дальнейшем находилась в пределах 320 - 500 °С.

В испытаниях с металлическими держателями протечки трубопроводов Dнаруж 32 наступали за счет внедрения острой кромки металлического держателя в тело трубы примерно через 4 мин 30 с от момента зажигания МОП.

Если вылет трубы относительно держателя составлял более 34 см, то конец трубопровода под действием силы тяжести провисал вниз.

При использовании стандартных держателей фирмы Aquatherm GmbH разрушения трубопроводов и течи воды не наблюдалось.

Трубопровод Dнаруж 125 после испытаний при продолжительности горения МОП 6 мин 30 с вообще не имел никаких следов деформаций.

На рисунках Д4 - Д7 показано исходное состояние трубопроводов Dнаруж 32 и Dнаруж 125 и их состояние после проведения испытаний.

Рисунок Д4 - Состояние труб до и после испытаний

Рисунок Д5 - Состояние трубы Dнаруж 32 мм до и после испытаний (максимальная температура пожара 360 - 500 °С)

Труба Dнаруж 125 при максимальной температуре пожара 340 - 500 °С только изменила окраску - вместо красной стала красно-бурой (рисунок Д6).

Рисунок Д6 - Состояние трубы Dнаруж 125 мм до и после испытаний (максимальная температура пожара 340 - 500 °С)

Контрольные испытания проводились при установке в фитинг пластмассовой трубы D 32 длиной 1,2 м дренчерного оросителя с коэффициентом производительности К = 0,4. Ороситель монтировался на испытываемую трубу на расстоянии ~ 1 м от ее конца. Проекция конца испытываемой трубы приходилась на центр МОП.

Для исключения воздействия разбрызгиваемого потока воды из оросителя на МОП он сбоку перекрывался металлическим экраном, который в определенной степени экранировал также и тепловые потоки, воздействующие на ороситель.

Подача воды из оросителя производилась в течение 70 с под давлением 0,05 МПа. Продолжительность горения 4 л гептана составляла 7 мин 30 с. Максимальная температура пожара в зоне трубы Aquatherm Firestop над очагом пожара колебалась в пределах 190 - 230 °С. По завершении испытаний труба не имела видимых деформаций, окраска трубы практически не изменилась (рисунок Д7).

Рисунок Д7 - Состояние трубы Dнаруж 32 мм с установленным на ней спринклерным оросителем до и после испытаний (максимальная температура пожара 190 - 230 °С)

Таким образом, проведенные испытания показали достаточную пожаростойкость пластиковых труб Aquatherm Firestop. При срабатывании оросителя даже в случае нештатных ситуаций, например при подвеске на трубу технического оборудования, труба не претерпевает никаких деформаций и разрушений.

Библиография

Д1 Перечень продукции, подлежащей обязательной сертификации в области пожарной безопасности. - М.: ВНИИПО, 2002. - 23 с.

Д2 Программа и методика (временная) испытаний труб и фитингов фирмы Aquatherm GmbH на прочность и пожаростойкость. - М: ВНИИПО, 2005. - 12 с.

Д3 СНиП 2.04.01-85* Внутренний водопровод и канализация зданий

Д4 НПБ 88-2001* Установки пожаротушения и сигнализации. Нормы и правила проектирования

Д5 СНиП 3.05.05-84 Технологическое оборудование и технологические трубопроводы

Д6 Отчет об испытаниях № WAL 05030 от 04.08.2005 г. пластмассовой трубопроводной системы с отводами, состоящей из трубы и фитингов, которая называется «Firestop» с номинальным диаметром от DN 15 до DN 50 производства компании Aquatherm GmbH. VdS DAR DAT-P-016/92 (перевод с немецкого), 2005. - 37 с.

ПРИЛОЖЕНИЕ Е

(справочное)

ИСПЫТАНИЯ ТРУБ И ФИТИНГОВ АКВАТЕРМ FIRESTOP НА ПОЖАРОСТОЙКОСТЬ, ПРИМЕНИТЕЛЬНО К ГРУППЕ ПОМЕЩЕНИЙ 2

Е1 Устройство испытательного стенда

Испытательный стенд (рисунок Е1) расположен в здании огневых испытаний площадью 18×36 м.

Рисунок Е1 - Испытательный стенд

Схема испытательного стенда представлена на рисунках Е2 и Е3.

1 - ороситель Ор2; 2 - ороситель Op1; 3 - испытываемые трубопроводы (А - DN 15, Б - DN 20, В - DN 10); 4 - МОП; 5 - горизонтальная балка; б - горизонтальная опора; 7 - фрагмент потолка; 8 - вертикальная балка; 9 - разветвление; 10 - входной шаровой кран; 11 - муфты; 12 - термопара ТП1; 13 - термопара ТП2; 14 - термопара ТП3; 15 - спускной шаровой кран; 16 - подвески-хомуты; 17 - подставка
Рисунок Е2 - Схема испытательного стенда с использованием оросителей типа СВВ

1 - ороситель Ор2; 2 - ороситель Op1; 3 - испытываемые трубопроводы (А - DN 15, Б - DN 20, В - DN 10); 4 - МОП; 5 - горизонтальная балка; 6 - горизонтальная опора; 7 - фрагмент потолка; 8 - вертикальная балка; 9 - разветвление; 10 - входной шаровой кран; 11 - муфты; 12 - термопара ТП1; 13 - термопара ТП2; 14 - термопара ТП3; 15 - спускной шаровой кран; 16 - подвески-хомуты; 17 - подставка
Рисунок Е3 - Схема испытательного стенда с использованием оросителей типа СВН

Металлический фрагмент потолка 7 расположен на высоте 3 м относительно пола.

Фрагмент размером 5,12×4 м выполнен из гофрированных составных листов, уложенных на металлические горизонтальные опоры б, которые опираются на горизонтальные балки 5.

При испытаниях одновременно тестируется три трубопровода различного номинального диаметра DN 10, DN 15, DN 20.

Испытываемые трубопроводы 3 крепятся к фрагменту потолка 7 с помощью подвесок-хомутов 16, рекомендованных фирмой Aquatherm GmbH.

Каждый испытываемый трубопровод представляет собой горизонтально расположенный пластиковый трубопровод, состоящий из отрезков, соединенных между собой пластиковыми муфтами 11 (общая длина трубопровода 5,5 м). На конце каждого трубопровода установлен спускной шаровой кран 15, предназначенный для выпуска воздуха при заполнении трубопровода водой.

Трубопроводы соединяются между собой пластиковым разветвлением 9. Для заполнения трубопроводов водой используется входной шаровой кран 10.

Оросители устанавливаются только на центральный трубопровод DN 20.

При испытаниях в качестве спринклерных оросителей 1 и 2 используются оросители типа СВВ-12 и СВН-12 с номинальной температурой срабатывания 68 °С, с диаметром термочувствительной колбы 5 мм и коэффициентом производительности К = 0,47, а также распылители «Аквамастер-5» с диаметром термочувствительной колбы 3 мм, номинальной температурой срабатывания 68 °С и коэффициентом производительности К = 0,07.

Расстояние от оси розетки оросителя (распылителя) до ближайшей подвески-хомута составляет 0,3 м, расстояние от розетки оросителя (распылителя) до потолка - 25 см. Расстояние между подвесками-хомутами соответствует данным, приведенным в таблице Е1.

Таблица Е1

Расстояние между крепежными хомутами

Наружный диаметр пластиковых труб, мм

Расстояние между подвесками-хомутами, мм

20

850

25

950

32

1100

В качестве модельного источника пожара (МОП) использовались два типоразмера - противни диаметром (750 ± 10) мм и диаметром (1170 ± 10) мм. В МОП заливались соответственно вода и бензин А-80. Зажигание горючей жидкости осуществлялось факелом. Площадь горения составляла 0,44 и 1,07 м2 соответственно.

Модельный очаг пожара располагался в центре стенда как на земле, так и на подставке 17. Расстояние от начального уровня горючего МОП до крыши составляло соответственно 3,0 и 2,5 м.

Е2 Климатические условия:

температура окружающей среды - от 17 до 20 °С;

относительная влажность - от 65 до 80 %;

атмосферное давление - от 740 до 745 мм рт. ст.

Е3 Варьируемые параметры:

номинальный диаметр трубопровода - DN 10, 15 и 20;

тип оросителей (распылителей) СВН-12, СВВ-12 и «Аквамастер-5»;

высота трубопровода относительно начального уровня горючего МОП - 2,18, 2,35, 2,68 и 2,85 м;

высота потолка относительно начального уровня горючего МОП - 2,5 и 3 м;

модельный очаг пожара - типа 13В (диаметр (720 ± 10) мм, высота стенки (230 ± 5) мм, толщина стенки 2 мм, площадь очага 0,44 м2) и типа 34 В (диаметр (1170 ± 10) мм, высота стенки (230 ± 5) мм, толщина стенки 2,5 мм, площадь очага 1,07 м2);

объем бензина А-80 в МОП - 2,5, 15 и 30 л.

Е4 Процедура испытаний

Испытания проводились при монтаже оросителей СВН розеткой вниз, оросителей СВВ - розеткой вверх, распылителей «Аквамастер-5» - розеткой вниз. Расстояние между оросителями (распылителями) во всех испытаниях составляло 3 м.

При испытании соединительная муфта испытываемых трубопроводов располагалась над модельным очагом пожара (по оси МОП).

В испытываемые трубопроводы подавалась вода; воздушные пробки удалялись через спускные шаровые краны 15. После заполнения трубопроводов водой кран 15 на трубопроводе DN 20 закрывался, а краны 15 на трубопроводах DN 10 и DN 15 открывались до расхода ≈ 0,2 л/с для имитации расхода воды через спринклерные оросители. Одновременно с зажиганием горючего включался измеритель времени.

Давление воды контролировалось по манометру, установленному непосредственно у входного шарового крана 10, а затем пересчитывалось по ранее установленным тари-ровочным коэффициентам на давление, соответствующее давлению у оросителя Ор2.

Температура контролировалась в трех точках:

ТП 1 - на расстоянии 2 см под трубой (по центру над очагом);

ТП 2 - на расстоянии 1 см над трубой (на расстоянии 73 см от центра в сторону Ор1);

ТП 3 - непосредственно у розетки оросителя Ор1 (на расстоянии 150 см от центра).

Момент срабатывания спринклерных оросителей (распылителей), нарушения целостности трубы или разрушения фитингов определялся визуально или по резкому снижению давления на манометре.

Если не происходило нарушения целостности испытываемой трубы, то подачу воды осуществляли до полного прекращения горения, при этом давление воды у оросителя Ор2 поддерживалось на уровне 0,4 МПа.

Критерием положительной оценки каждого испытания являлось отсутствие потери целостности испытываемых трубопроводов и фитингов, а также неизменность ориентации оросителей в пространстве до момента полного прекращения горения.

Е5 Результаты испытаний на пожаростойкость

Фотограммы развития пожара, срабатывания спринклерных оросителей и распылителей, состояния труб и фитингов после испытаний приведены на рисунках Е4 - Е10.

Результаты испытания

Рисунок Е4 - Испытание № 1
Ороситель СВН-12; диаметр МОП - 720 мм; монтажное положение оросителей - розеткой вниз; расстояние от розетки оросителя до МОП - 2750 мм; объем бензина - 2,5 л

Рисунок Е5 - Испытание № 2
Ороситель CBH-12; диаметр МОП - 1170мм; монтажное положение оросителей - розеткой вниз; расстояние от розетки оросителя до МОП - 2750 мм; объем бензина - 15 л (нарушена целостность труб DN 10 и DN 15)

Рисунок Е6 - Испытание № 3
Ороситель CBH-12; диаметр МОП - 1170 мм; монтажное положение оросителей - розеткой вниз; расстояние от розетки оросителя до МОП - 2250 мм; объем бензина - 15 л

Примечание - Время разрыва трубы DN 10 не зафиксировано.

Результаты испытания

Рисунок Е7 - Испытание № 4
Распылитель «Аквамастер-5»; диаметр МОП - 1170 мм; монтажное положение оросителей - розеткой вниз; расстояние от розетки оросителя до МОП - 2750 мм; объем бензина - 15 л

Результаты испытания

Рисунок Е8 - Испытание № 5
Ороситель СВВ-12; диаметр МОП - 1170мм; монтажное положение оросителей - розеткой вниз; расстояние от розетки оросителя до МОП - 2250 мм; объем бензина - 30 л (нарушена целостность трубы DN 20)

Примечание - Подача воды производилась с задержкой 30 с после срабатывания оросителей.

Результаты испытания

Рисунок Е9 - Испытание № 6
Ороситель СВВ-12; диаметр МОП - 1170 мм; монтажное положение оросителей - розеткой вниз; расстояние от розетки оросителя до МОП - 2250 мм; объем бензина - 30 л (нарушена целостность трубы DN 20)

Рисунок Е10 - Испытание № 7
Ороситель СВВ-12; диаметр МОП - 1170 мм; монтажное положение оросителей - розеткой вниз; расстояние от розетки оросителя до МОП - 2750 мм; объем бензина - 30 л

Результаты испытаний представлены в таблице Е2.

Таблица Е2

Результаты испытаний труб Акватерм Firestop

Наименование параметра

Значение параметра

Испытание № 1 (приложение А)

Испытание № 2 (приложение Б)

Испытание № 3 (приложение В)

Испытание № 4* (приложение Г)

Испытание № 5* (приложение Д)

Испытание № 6* (приложение Е)

Испытание № 7* (приложение Ж)

Объем бензина А-80, л

2,5

15

15

15

30

30

30

Диаметр МОП, мм

750

1170

1170

1170

1170

1170

1170

Расстояние от зеркала горючего до трубопровода, мм

2850

2850

2350

2850

2180

2180

2650

Расстояние от зеркала горючего до розетки оросителя, мм

2750

2750

2250

2750

2250

2250

2750

Тип оросителя (распылителя)

СВН D 12 мм

СВН D 12 мм

СВН D 12 мм

«Аква-мастер» D 5 мм

СВВ D 12 мм

СВВ D 12 мм

СВВ D 12 мм

Сохранность ориентации оросителей (распылителей) в пространстве

Ориентация неизменна

Ориентация неизменна

Ориентация неизменна

Незначительное изменение ориентации

Ориентация неизменна

Ориентация неизменна

Ориентация неизменна

Время срабатывания оросителя Op1, мин: с

01:06

00:20

00:22

00:14

00:30

00:26

00:28

Время срабатывания оросителя Ор2, мин: с

Не вскрылся

00:44

00:36

00:18

00:33

01:04

00:44

Время прорыва труб, мин: с DN 10

Целостность сохранена

00:59, 02:46

Потеря целостности

-

-

-

-

DN 15

Целостность сохранена

04:18

Целостность сохранена

-

-

-

-

DN 20

Целостность сохранена

Целостность сохранена

Целостность сохранена

Целостность сохранена

02:20**

02:20

Целостность сохранена

Время окончания горения, мин: с

04:20

06:45

07:56

03:44 (тушение МОП)

14:04

14:20

13:45

* - испытаниям подвергалась только труба DN 20;

** - подача воды с задержкой 30 с после срабатывания оросителей.

В результате проведенных испытаний трубопроводов DN 20 при использовании распылителей типа «Аквамастер-5», МОП площадью 1,07 м2, объеме горючего 15 л, высоте установки распылителей 2,75 м и времени горения 3 мин 44 с, а также при использовании оросителей типа СВН-12, МОП площадью 0,44 м, объеме горючего 2,5 л, высоте установки оросителей 2,75 м и времени горения 4 мин 20 с не происходила потеря целостности ни одной из труб (испытания № 4 и 1 соответственно).

При использовании оросителей типа СВН-12, МОП площадью 1,07 м2, объеме горючего 15 л и высоте установки оросителей 2,75 м происходила потеря целостности труб DN 15 и DN 10, причем у трубы DN 10 целостность была нарушена через 59 с после зажигания МОП (время срабатывания оросителей Op1 и Ор2 в данном испытании составило 20 с, в испытании № 2 - 44 с).

При использовании оросителей типа СВН не происходило нарушение целостности трубы DN 20 ни при одной высоте расположения данных оросителей (2,25 и 2,75 м), причем максимальное время горения МОП, при объеме горючей жидкости 2,5 и 15 л и очагах диаметром 750 и 1170 мм, составило 4 мин 20 с и 7 мин 56 с соответственно, максимальные значения температур находились в диапазоне 464 - 498 °С (испытания № 1 - 3).

При использовании оросителей типа СВВ-12 и МОП площадью 1,07 м2 и объеме горючей жидкости 30 л происходил прорыв трубы DN 20 при высоте установки оросителей 2,25 м от зеркала горючего (высота трубопровода от зеркала горючего 2180 мм) - время нарушения целостности трубы составляло 2 мин 20 с; максимальная температура составляла 638 °С. При высоте установки этих оросителей 2,75 м от зеркала горючего (высота трубопровода от зеркала горючего 2650 мм), диаметре МОП 1170 мм и объеме горючей жидкости 30 л нарушение целостности трубы DN 20 не происходило, причем время горения составило 13 мин 45 с, а максимальная температура 588 °С (испытания № 5 - 7).

В испытаниях № 1 - 3, а также в испытаниях № 5 - 7 ориентация оросителей осталась неизменна; в испытании № 4 ориентация оросителей Ор1 и Ор2 изменилась незначительно (отклонение оросителей в противоположенную сторону от МОП). Отклонение распылителей в испытании № 4 вызвано недостаточно жестким креплением трубопровода подвесками-хомутами, расположенными у распылителей, а также из-за большего по сравнению с рекомендуемым фирмой-производителем расстояния от распылителей до ближайшей подвески-хомута (в испытании оно составило 0,3 м).

Е6 Выводы

Трубопроводы, при использовании в водозаполненных спринклерных распределительных сетях автоматических установок водяного и пенного пожаротушения в условиях быстрого развития пламенного горения, характерного для помещений 2 группы по НПБ 88-2001*, сохранили свою конструкцию и прочность при следующих параметрах:

диаметр трубопровода - DN 20;

расстояние от зеркала горючего до трубопровода - 2650 м;

расстояние от розетки оросителя до потолка - 0,25 мм;

монтажное положение оросителя (распылителя) - розеткой вверх или вниз;

температура срабатывания оросителя (распылителя) - 68 °С;

диаметр термочувствительной колбы спринклерного оросителя (распылителя) - 5 мм.

 

 




ГОСТЫ, СТРОИТЕЛЬНЫЕ и ТЕХНИЧЕСКИЕ НОРМАТИВЫ.
Некоммерческая онлайн система, содержащая все Российские Госты, национальные Стандарты и нормативы.
В Системе содержится более 150000 файлов нормативно-технической документации, действующей на территории РФ.
Система предназначена для широкого круга инженерно-технических специалистов.

Рейтинг@Mail.ru Яндекс цитирования

Copyright © www.gostrf.com, 2008 - 2026