|
|
Шум машин ИСПЫТАНИЯ НА ШУМ ПЕРЕНОСНЫХ БЕНЗИНОМОТОРНЫХ РУЧНЫХ ЛЕСНЫХ МАШИН ТЕХНИЧЕСКИМ МЕТОДОМ ISO 22868:2005
Предисловие Цели и принципы стандартизации в Российской Федерации установлены Федеральным законом от 27 декабря Сведения о стандарте 1 ПОДГОТОВЛЕН Открытым акционерным обществом «Научно-исследовательский центр контроля и диагностики технических систем» (ОАО «НИЦ КД») на основе собственного аутентичного перевода стандарта, указанного в пункте 4 2 ВНЕСЕН Техническим комитетом по стандартизации ТК 358 «Акустика» 3 УТВЕРЖДЕН И ВВЕДЕН В ДЕЙСТВИЕ Приказом Федерального агентства по техническому
регулированию и метрологии от 27 декабря 4 Настоящий стандарт идентичен международному стандарту ИСО 22868:2005 «Лесные машины. Испытания на шум ручных переносных машин с двигателем внутреннего сгорания. Технический метод (Степень точности 2)» (ISO 22868:2005 «Forestry machinery - Noise test code for portable hand-held machines with internal combustion engine - Engineering method (Grade 2 accuracy»). Наименование настоящего стандарта изменено относительно наименования указанного международного стандарта для приведения в соответствие с ГОСТ Р 1.5-2004 (подраздел 3.5). При применении настоящего стандарта рекомендуется использовать вместо ссылочных международных стандартов соответствующие им национальные стандарты Российской Федерации, сведения о которых приведены в дополнительном приложении Е 5 ВЗАМЕН ГОСТ Р ИСО 7917-99 и ГОСТ Р ИСО 10884-99 Информация об изменениях к настоящему стандарту публикуется в ежегодно издаваемом информационном указателе «Национальные стандарты», а текст изменений и поправок - в ежемесячно издаваемых информационных указателях «Национальные стандарты». В случае пересмотра (замены) или отмены настоящего стандарта соответствующее уведомление будет опубликовано в ежемесячно издаваемом информационном указателе «Национальные стандарты». Соответствующая информация, уведомление и тексты размещаются также в информационной системе общего пользования - на официальном сайте Федерального агентства по техническому регулированию и метрологии в сети Интернет Содержание НАЦИОНАЛЬНЫЙ СТАНДАРТ РОССИЙСКОЙ ФЕДЕРАЦИИ
Дата введения - 2008-07-01 1 Область примененияНастоящий стандарт устанавливает шумовые характеристики (корректированный по частотной характеристике А уровень звуковой мощности и уровень звука излучения на рабочем месте) и метод испытаний на шум переносных бензиномоторных ручных лесных машин (далее - машины), например цепных пил, кусторезов и мотокос. Стандарт предназначен для применения при контрольных и типовых испытаниях на шум изготовителем машин, сравнении по шуму однотипных машин одной или разных моделей. Хотя значения шумовых характеристик определяют в искусственных условиях, моделируя рабочую нагрузку, результаты испытаний по настоящему стандарту сопоставимы с результатами испытаний в реальных условиях применения машин. 2 Нормативные ссылкиСледующие ссылочные стандарты являются обязательными для применения настоящего стандарта. Датированные ссылки применяют только к указанным редакциям документов. Недатированные ссылки относят к наиболее поздней редакции цитируемого документа (включая все изменения). ИСО 354:2003 Акустика. Измерение звукопоглощения в реверберационной камере ИСО 3744:1994 Акустика. Определение уровней звуковой мощности источников шума по звуковому давлению. Технический метод в существенно свободном звуковом поле над звукоотражающей плоскостью ИСО 4871:1996 Акустика. Заявление и подтверждение значений звукового излучения машин и оборудования ИСО 6531 Лесные машины. Переносные ручные цепные пилы. Словарь ИСО 7112 Лесные машины. Переносные ручные кусторезы и мотокосы. Словарь ИСО 7293 Лесные машины. Переносные цепные пилы. Рабочие характеристики двигателя и расход топлива ИСО 8893 Лесные машины. Переносные кусторезы и мотокосы. Рабочие характеристики двигателя и расход топлива ИСО 11201:1995 Акустика. Измерение уровней звукового давления излучения на рабочем месте и в других контрольных точках. Технический метод в существенно свободном звуковом поле над звукоотражающей плоскостью МЭК 60651:1979 Шумомеры МЭК 60804:2000 Интегрирующие шумомеры 3 Термины и определенияВ настоящем стандарте применены термины по ИСО 6531 и ИСО 7112. 4 Измеряемые и определяемые величиныИзмеряемыми величинами являются эквивалентные уровни звукового давления в соответствии с основополагающими стандартами на методы измерения шума (ИСО 3744 и ИСО 11201) - уровни звука (уровни звука излучения) и, если требуется, уровни звукового давления (уровни звукового давления излучения) в полосах частот. Определяемыми величинами являются корректированный по частотной характеристике А уровень звуковой мощности и уровень звука излучения на рабочем месте. Если требуется, то могут быть определены уровни звуковой мощности и уровни звукового давления излучения в полосах частот. 5 Определение корректированного по частотной характеристике А уровня звуковой мощностиДля определения корректированного по частотной характеристике А (далее - корректированный по А) уровня звуковой мощности применяют требования ИСО 3744 со следующими изменениями. a) Используют шесть точек измерений (рисунок 1 и таблица 1). Примечание - Опыт показал, что по шести точкам измерений получают результат, незначительно отличающийся от результата, полученного по десяти точкам измерений согласно ИСО 3744. b) Используют полусферическую измерительную поверхность радиусом r = Примечание - Меньший радиус может быть необходим в заглушённой камере из-за недостаточности ее размеров. c) Условия испытаний машин конкретного типа, их установка и ориентация должны соответствовать приложениям А и В. d) Окружающие условия должны быть в пределах, установленных изготовителем машины. Температура воздуха должна быть от минус 10°С до плюс 30°С, скорость ветра - менее 5 м/с. При скорости ветра более 1 м/с применяют ветрозащитный экран для микрофона. e) Измерения выполняют шумомером по МЭК 60651 на временной характеристике «медленно». Предпочтительно применение интегрирующего шумомера по МЭК 60804. f) Значение показателя акустических условий К2А, определенное по ИСО 3744, приложение А, должно быть не более 2 дБА В таком случае принимают К2A = 0. Рисунок 1 - Положения точек измерений на полусфере Примечание - Точки измерений при определении уровня звуковой мощности по настоящему стандарту отличаются от установленных в [1] (см. приложение D). Таблица 1 - Координаты точек измерений
6 Измерение уровня звука излучения на рабочем месте6.1 Общие положенияУровень звука излучения измеряют по ИСО 11201 со следующими изменениями. a) Условия испытаний машин конкретного типа, их установка и ориентация должны соответствовать приложениям А и В. b) Поверхность испытательной площадки должна соответствовать требованиям 6.2 или 6.3, или 6.4. Воспроизводимость результатов при измерениях на травяной площадке или на площадке, покрытой другими органическими материалами, может быть ниже, чем требует технический метод. В спорных случаях измерения проводят вне помещения на искусственной поверхности по 6.2. c) Окружающие условия должны быть в пределах, установленных изготовителем машины. Температура воздуха должна быть от минус 10°С до плюс 30°С, скорость ветра - менее 5 м/с. Ветрозащитный экран применяют при скорости ветра более 1 м/с. d) Измерения проводят шумомером по МЭК 60651 на временной характеристике «медленно». Предпочтительно применение интегрирующего шумомера по МЭК 60804. e) Положение микрофона относительно машины должно соответствовать приложениям А или В. 6.2 Требования к искусственной поверхностиИскусственная поверхность должна иметь коэффициенты звукопоглощения, измеренные по ИСО 354, указанные в таблице 2. Таблица 2 - Коэффициенты звукопоглощения искусственной поверхности
Площадку с искусственной поверхностью размерами не менее
3,6 Примечание - Пример конструкции и материала, удовлетворяющих этим требованиям, приведен в [2]. 6.3 Требования к земляной площадкеЗемляная площадка в центре испытательного пространства должна быть плоской с хорошим звукопоглощением. Площадка должна быть покрыта лесным грунтом или травой или другим органическим материалом высотой (толщиной) (50 ± 20) мм. 6.4 Требования к бетонному полу, покрытому опилкамиПлощадка в центре испытательного пространства должна быть плоской с хорошим звукопоглощением. Площадку бетонируют и покрывают слоем опилок толщиной (25 ± 10) мм. 7 Установка и режим работыИзмерения проводят на новой машине в комплектации изготовителя. Частоту вращения двигателя определяют с погрешностью не более ± 1 % показания тахометра. Тахометр и устройство его подсоединения к машине не должны влиять на шум машины. Примечание - Условия испытаний конкретных машин приведены в приложениях А и В. 8 Информация, подлежащая регистрации и внесению в протокол испытанийТребования к информации указаны в приложениях А и В. 9 Заявление значений шумовых характеристикЗаявление значений шумовых характеристик является обязанностью изготовителя. Значения эквивалентных уровней шума для рабочих циклов (см. А.5.1 приложения А и В.5 приложения В) заявляют предпочтительно в одночисловом виде по ИСО 4871, приложение А. Значения шумовых характеристик (корректированный по А уровень звуковой мощности и уровень звука излучения на рабочем месте) при работе машины на холостом ходу, при полной нагрузке и при разгоне, если эти режимы применяют, изготовитель сообщает по запросу пользователя (например, потенциального покупателя). Заявление должно содержать ссылку на настоящий стандарт и на примененный основополагающий стандарт на методы измерения шума (ИСО 3744 и/или ИСО 11201). Если имеются отступления от настоящего и/или основополагающего стандартов, то они должны быть указаны. Примечания 1 Неопределенность обусловлена методикой измерений (степенью точности примененного метода измерений) и непостоянством характеристик продукции (изменением шума от машины к машине одного типа у одного и того же изготовителя). Метод расчета неопределенности измерений приведен в ИСО 4871. 2 При заявлении корректированных по А уровней звуковой мощности по [1] имеются отличия от настоящего стандарта в части рабочих циклов и положений точек измерений, указанные в приложении D. Если требуется, то подтверждение заявленных значений осуществляют по ИСО 4871. Приложение А
|
|||||||||||||||||||||||||||||||||||||||||||||||||||||||||||||||||||||||||||||||||||||||||||||||||||||||||||||||||||||||||||||||||||||||||||||||||||||||||||||||||||||||||||||||||||||||||||||||||||||||||||||||||||||||||||||||||||||||||||||||||||||||||||||||||||||||||||||||||||||||||||||||||||||||||||||||||||||||||||||||||||||||||||||||||||||||||||||||||||||||||||||||||||||||||||||||||||||||||||||||||||||||||||||||||||||||||||||||||||||||||||||||||||||||||||||||||||||||||||||||||||||||||||||||||||||||||||||||||||||||||||||||||||||||||||||||||||||||||||||||||||||||||||||||||||||||||||||||||||||||||||||
|
Режим работы |
Частота
вращения, |
Измеренное значение уровня звукаL'pA, дБА |
Среднеарифметическое
значение |
Коррекция
на фоновый шум |
Уровень
звука излучения |
||||
|
Номер испытаний |
|||||||||
|
1 |
2 |
3 |
4 |
n |
|||||
|
Холостой ход (Id) |
|
|
|
|
|
|
|
|
|
|
Полная нагрузка (FI) |
|
|
|
|
|
|
|
|
|
|
Разгон (Ra) |
|
|
|
|
|
|
|
|
|
|
Уровень
звука излучения при режиме работы X рассчитывают
по формуле |
|||||||||
Таблица А.2 - Форма для регистрации в протоколе испытаний данных при измерениях для определения корректированного по А уровня звуковой мощности
|
Номер испытаний |
Режим работы |
Частота вращения, об/с |
L'pA1, |
L'pA2, |
L'pA3, |
L'pA4, |
L'pA5, |
L'pA6, |
|
|
1 |
Холостой ход (Id) |
|
|
|
|
|
|
|
|
|
Полная нагрузка (FI) |
|
|
|
|
|
|
|
|
|
|
Разгон (Ra) |
|
|
|
|
|
|
|
|
|
|
2 |
Холостой ход (Id) |
|
|
|
|
|
|
|
|
|
Полная нагрузка (FI) |
|
|
|
|
|
|
|
|
|
|
Разгон (Ra) |
|
|
|
|
|
|
|
|
|
|
3 |
Холостой ход (Id) |
|
|
|
|
|
|
|
|
|
Полная нагрузка (FI) |
|
|
|
|
|
|
|
|
|
|
Разгон (Ra) |
|
|
|
|
|
|
|
|
|
|
4 |
Холостой ход (Id) |
|
|
|
|
|
|
|
|
|
Полная нагрузка (FI) |
|
|
|
|
|
|
|
|
|
|
Разгон (Ra) |
|
|
|
|
|
|
|
|
|
|
n |
Холостой ход (Id) |
|
|
|
|
|
|
|
|
|
Полная нагрузка (FI) |
|
|
|
|
|
|
|
|
|
|
Разгон (Ra) |
|
|
|
|
|
|
|
|
|
|
Средний
измеренный уровень звука |
Холостой ход (Id) |
|
|||||||
|
Полная нагрузка (FI) |
|
||||||||
|
Разгон (Ra) |
|
||||||||
|
L'pA1 - L'pA6 - измеренные эквивалентные уровни звука в точках измерений.
Значения L'pA включают в протокол испытаний, если такие измерения выполняют. Методика испытаний может предусматривать автоматическое усреднение. |
|||||||||
Таблица А.3 - Форма для регистрации в протоколе испытаний данных при определении корректированного по А уровня звуковой мощности
|
Режим работы |
Средний на поверхности измеренный уровень звука |
Коррекция
на фоновый шум |
Средний
на поверхности уровень звука |
Масштабный фактор Ls,дБA |
Корректированный по А уровень звуковой мощности LWAX, дБА |
|
Холостой ход (Id) |
|
|
|
|
|
|
Полная нагрузка (FI) |
|
|
|
|
|
|
Разгон (Ra) |
|
|
|
|
|
|
Показатель акустических условий К2A = |
|||||
|
где К1A - коррекция на фоновый шум по ИСО 3744, пункт 8.3; К2A - показатель акустических условий, принимаемый равным нулю (см. раздел 5, перечисление f).
где S -
площадь полусферы, м2; S0 = |
|||||
А.5 Расчет эквивалентных уровней шума для рабочих циклов
А.5.1 Общие положения
Эквивалентные уровни шума определяют для рабочего цикла, состоящего для пил с двигателем объемом менее 80 см3 из работы с равной продолжительностью на холостом ходу, при полной нагрузке и при разгоне, а для пил с двигателем объемом ≥ 80 см3 - на холостом ходу и при полной нагрузке.
А.5.2 Пилы с двигателем объемом менее 80 см3
Эквивалентный уровень звука излучения LpAeq, дБА, рассчитывают по формуле
(А.1)
где LpAId - уровень звука излучения на холостом ходу;
LpAFI - уровень звука излучения при полной нагрузке;
LpARa - уровень звука излучения при разгоне.
Эквивалентный корректированный по А уровень звуковой мощности LWAeq, дБА рассчитывают по формуле
(A.2)
где LWAId - корректированный по А уровень звуковой мощности на холостом ходу;
LWAFI - корректированный по А уровень звуковой мощности при полной нагрузке;
LWARa - корректированный по А уровень звуковой мощности при разгоне.
А.5.3 Пилы с двигателем объемом ≥ 80 см3
Эквивалентный уровень звука излучения LpАeq, дБА рассчитывают по формуле
(А.3)
где LpAId - уровень звука излучения на холостом ходу;
LpAFI - уровень звука излучения при полной нагрузке.
Эквивалентный корректированный по А уровень звуковой мощности LWAeq дБА рассчитывают по формуле
(А.4)
где LWAId - корректированный по А уровень звуковой мощности на холостом ходу;
LWAFI - корректированный по А уровень звуковой мощности при полной нагрузке.
В.1 Требования к машинам
Измерения выполняют на машине со всеми приспособлениями, поставляемыми изготовителем, которые могут быть причиной различия в шуме. Если резание осуществляют струной, то ее длина должна быть максимальной минус
Карбюратор регулируют по инструкции изготовителя.
Частоту вращения двигателя при всех режимах работы выдерживают постоянной с точностью ± 3,5 об/с. Изменения первоначальной регулировки не допускаются.
В.2 Установка и ориентация машины
B.2.1 Установка машины
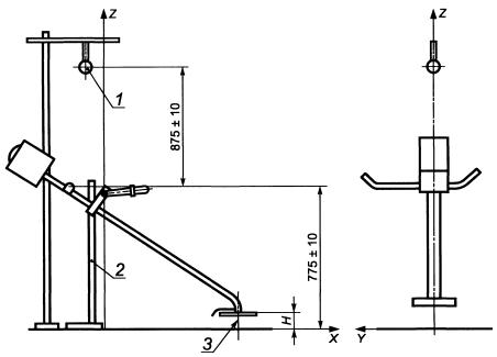
Для закрепления машины в требуемом положении применяют захваты, не отражающие звук. Используют эластичное крепление, чтобы избежать структурных резонансов.
a) Машина с петлей подвески
Устанавливают машину в устройстве крепления так, чтобы петля подвески была на высоте (775 ± 10) мм над землей (рисунок В.1). Дисковое полотно кустореза должно быть на высоте Н = (300 ± 10) мм над землей, плоскость вращения режущего инструмента мотокосы (ножа или струны) - на высоте (50 ± 25) мм. Если петля подвески регулируемая, то ее положение выбирают так, чтобы выдержать размер Н в требуемых пределах.
b) Машина без петли подвески
Устанавливают машину в устройстве крепления так, чтобы середина задней рукоятки была на высоте (775 ± 10) мм над землей (рисунок В.2). Дисковое полотно кустореза должно быть на высоте Н = (300 ± 10) мм над землей, плоскость вращения режущего инструмента мотокосы - на высоте (50 ± 25) мм.
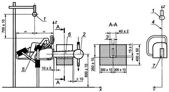
c) Машина с ранцевым двигателем
Машину с ранцевым двигателем устанавливают в устройстве крепления, используя узлы крепления плечевых ремней так, чтобы нижняя кромка ранца была на высоте (1030 ± 25) мм над землей. Ранец должен быть в таком положении, чтобы задняя рукоятка находилась на вертикали на расстоянии (300 ± 25) мм справа от оси ранца и на расстоянии (200 ± 25) мм впереди вертикали, проходящей через осевую линию устройства для крепления плечевых ремней (рисунок В.2).
B.2.2 Ориентация машины при измерении корректированного по А уровня звуковой мощности
Машину ориентируют так, чтобы ее штанга была над осью X, а проекция центра задней/правой рукоятки лежала на оси Y.
B.2.3 Положение микрофона при измерении уровня звука излучения
Положение микрофона должно быть следующим:
- для машины с петлей подвески микрофон располагают на вертикали над петлей подвески на высоте (875 ± 10) мм (рисунок В.1);
- для машины без петли подвески - на высоте (875 ± 10) мм над центром задней/правой рукоятки (рисунок В.2).

1 - микрофон (для измерений на рабочем месте оператора); 2 - устройство крепления машины; 3 - ось вращения режущего инструмента
Рисунок В.1 - Испытательная установка для кустореза и мотокосы

1 - микрофон (для измерений на рабочем месте оператора); 2 - устройство для крепления плечевых ремней; 3 - нижняя кромка ранца; 4 - устройство крепления машины; 5 - ось вращения режущего инструмента; 6 - задняя рукоятка
Рисунок В.2 - Испытательная установка для ранцевых кустореза и мотокосы
В.3 Методика испытаний
В.3.1 Общие положения
Шум измеряют при двух режимах работы: на холостом ходу и при разгоне.
а) Выполняют по меньшей мере четыре измерения с короткими перерывами и существенным изменением частоты вращения перед каждым измерением. Отделяют каждое измерение на холостом ходу коротким разгоном и наоборот [А.3.1, перечисление а) приложения А].
Должно быть выполнено не менее четырех измерений шума на интервалах времени с суммарной продолжительностью не менее 20 с.
Продолжительность измерений должна быть не менее 2 с, в течение которых частота вращения двигателя не должна изменяться более чем на ± 3,5 об/с.
Примечание - Измерения на холостом ходу и при разгоне можно проводить в любой последовательности.
b) Размах значений при каждом режиме работы должен быть не более 2 дБА В противном случае повторяют измерения до тех пор, пока четыре последовательных отсчета будут отличаться не более чем на 2 дБА За результат измерений в каждой точке принимают среднеарифметическое значение четырех отсчетов.
Указанную методику соблюдают для режимов работы по В.3.2 и В.3.3 при измерениях как корректированного по А уровня звуковой мощности, так и уровня звука излучения. Если определяют уровень звуковой мощности, то эту методику применяют при усреднении уровней звукового давления в каждой из шести точек измерений.
B.3.2 Холостой ход
Проводят измерения на частоте вращения холостого хода, устанавливаемой изготовителем.
B.3.3 Разгон
Проводят измерения на частоте вращения, составляющей 133 % частоты вращения в режиме максимальной мощности. Максимальную мощность кустореза определяют по ИСО 8893.
При испытаниях мотокосы измерения выполняют при длине струны, отрегулированной по В.1, при полном открытии дроссельной заслонки. Если максимальная частота вращения может быть выше 133 % частоты, соответствующей максимальной мощности, то измерения проводят при частоте, равной 133 % частоты, соответствующей максимальной мощности.
Если частота вращения двигателя ограничена меньшим значением, то измерения проводят при максимальной допускаемой частоте вращения. Если двигатель не позволяет обеспечить стабильную частоту вращения, то испытания проводят при максимально возможной стабильной частоте вращения, но она не должна быть более чем на 8 об/с ниже максимальной частоты вращения, указанной изготовителем. Частоту регулируют дроссельной заслонкой.
В.4 Информация, подлежащая регистрации и внесению в протокол испытаний
В соответствии с настоящим стандартом регистрируют и включают в протокол испытаний следующую информацию.
a) Испытуемая машина:
1) описание машины, включая объем двигателя, наименование изготовителя, указание типа и серийного номера и диаметра режущего аппарата;
2) режим работы согласно таблицам В.1 и В.2.
b) Акустические условия (описание испытательного пространства):
1) если измерения выполняют вне помещения, то приводят эскиз положения машины относительно окружающих объектов, включая описание испытательного пространства (должно быть описано устройство земляной площадки);
2) если измерения выполняют в помещении, то указывают покрытие стен, потолка и пола и приводят эскиз расположения машины и оборудования в помещении;
3) значение показателя акустических условий К2A.
c) Измерительная аппаратура:
1) оборудование, используемое при измерениях, включая наименование, тип, серийный номер и сведения об изготовителе;
2) метод калибровки измерительной системы;
3) дата и место последней калибровки калибратора звука.
d) Акустические и иные данные:
1) уровни звука фонового шума в местах установки микрофона;
2) измеренные и средние значения в соответствии с таблицами В.1, В.2 и В.3;
3) примечания, если имеются;
4) температура воздуха и скорость ветра;
5) дата и место измерений.
Таблица В.1 - Форма для регистрации в протоколе испытаний данных при измерениях уровней звука излучения
|
Режим работы |
Частота
вращения, |
Измеренное значение уровня звука L'pA, дБА |
Среднеарифметическое
значение |
Коррекция на фоновый шум К1А, дБА |
Уровень звука излучения LpAX, дБА |
||||
|
Номер испытаний |
|||||||||
|
1 |
2 |
3 |
4 |
n |
|||||
|
Холостой ход (Id) |
|
|
|
|
|
|
|
|
|
|
Разгон (Ra) |
|
|
|
|
|
|
|
|
|
|
Уровень
звука излучения при режиме работы X рассчитывают
по формуле |
|||||||||
Таблица В.2 - Форма для регистрации в протоколе испытаний данных при измерениях для определения корректированного по А уровня звуковой мощности
|
Номер испытаний |
Режим работы |
Частота вращения, об/с |
L'pA1, |
L'pA2, |
L'pA3, |
L'pA4, |
L'pA5, |
L'pA6, |
|
|
1 |
Холостой ход (Id) |
|
|
|
|
|
|
|
|
|
Разгон (Ra) |
|
|
|
|
|
|
|
|
|
|
2 |
Холостой ход (Id) |
|
|
|
|
|
|
|
|
|
Разгон (Ra) |
|
|
|
|
|
|
|
|
|
|
3 |
Холостой ход (Id) |
|
|
|
|
|
|
|
|
|
Разгон (Ra) |
|
|
|
|
|
|
|
|
|
|
4 |
Холостой ход (Id) |
|
|
|
|
|
|
|
|
|
Разгон (Ra) |
|
|
|
|
|
|
|
|
|
|
N |
Холостой ход (Id) |
|
|
|
|
|
|
|
|
|
Разгон (Ra) |
|
|
|
|
|
|
|
|
|
|
Средний
измеренный уровень звука |
Холостой ход (Id) |
|
|||||||
|
Разгон (Ra) |
|
||||||||
|
L'pA1 - L'pA6 - измеренные эквивалентные уровни звука в точках измерений.
Значения L'pA включают в протокол испытаний, если такие измерения выполняют. Методика испытаний может предусматривать автоматическое усреднение. |
|||||||||
Таблица В.3 - Форма для регистрации в протоколе испытаний данных при определении корректированного по А уровня звуковой мощности
|
Режим работы |
Средний на поверхности измеренный уровень звука |
Коррекция
на фоновый шум |
Средний
на поверхности уровень звука |
Масштабный фактор Ls,дБA |
Корректированный по А уровень звуковой мощности LWAX, дБА |
|
Холостой ход (Id) |
|
|
|
|
|
|
Разгон (Ra) |
|
|
|
|
|
|
Показатель акустических условий К2A = |
|||||
|
где К1A - коррекция на фоновый шум по ИСО 3744, пункт 8.3; К2A - показатель акустических условий, принимаемый равным нулю (см. раздел 5, перечисление f).
где S - площадь полусферы, м2; S0 = |
|||||
В.5 Расчет эквивалентных уровней шума для рабочих циклов
Эквивалентные уровни шума определяют для рабочего цикла, состоящего для кусторезов и мотокос из работы с равной продолжительностью на холостом ходу и при разгоне.
Эквивалентный уровень звука излучения LpAeq, дБА рассчитывают по формуле
![]()
где LpAId - уровень звука излучения на холостом ходу;
LpARa - уровень звука излучения при разгоне.
Эквивалентный корректированный по А уровень звуковой мощности LWAeq, дБА рассчитывают по формуле
![]()
где LWAId - корректированный по А уровень звуковой мощности на холостом ходу;
LWARa - корректированный по А уровень звуковой мощности при разгоне.

1 - шина; 2 - крыльчатка центробежного насоса; 3 - вал; 4 - цепная пила; 5 - звездочка; 6 - выход воды; 7 - вход воды
Рисунок С. 1
Европейская директива 2000/14/ЕС [1] (далее - директива) требует заявлять корректированный по А уровень звуковой мощности с тремя отличиями от настоящего стандарта.
a) Точки измерений (рисунок 1)
Точки измерений 1-4 согласно настоящему стандарту расположены на высоте 0,38 r, в то время как по директиве - на высоте
Точки измерений 5 и 6 согласно настоящему стандарту имеют координату по оси X, равную 0,28 r, в то время как по директиве - 0,27 r. При полусфере r =
b) Рабочие циклы
Рабочие циклы по директиве отличаются от установленных настоящим стандартом (см. таблицу D.1). Как можно предвидеть, корректированный по А уровень звуковой мощности, определенный по директиве, может быть существенно выше, чем определенный по настоящему стандарту.
Таблица D.1 - Сравнение рабочих циклов по настоящему стандарту и директиве 2000/14/ ЕС [1]
|
Тип машины |
Настоящий стандарт |
Директива 2000/14/ЕС |
|
Цепные пилы с двигателем объемом менее 80 см3 |
Равная продолжительность работы на холостом ходу, при полной нагрузке и при разгоне |
Равная продолжительность работы при полной нагрузке и при разгоне |
|
Цепные пилы с двигателем объемом ≥ 80 см3 |
Равная продолжительность работы на холостом ходу и при полной нагрузке |
Равная продолжительность работы при полной нагрузке и при разгоне |
|
Кусторезы и мотокосы |
Равная продолжительность работы на холостом ходу и при разгоне |
Только разгон |
|
Примечание - Дополнительная информация содержится в [3]. |
||
с) Заявление значения шумовой характеристики
Заявляют корректированный по А уровень звуковой мощности в виде одночислового значения.
Таблица Е.1
|
Обозначение ссылочного международного стандарта |
Обозначение и наименование соответствующего национального стандарта |
|
ИСО 354:2003 |
ГОСТ 26417-85 Материалы звукопоглощающие строительные. Метод испытаний в малой реверберационной камере* |
|
ИСО 3744:1994 |
ГОСТ Р 51401-99 (ИСО 3744-94) Шум машин. Определение уровней звуковой мощности источников шума по звуковому давлению. Технический метод в существенно свободном звуковом поле над звукоотражающей плоскостью** |
|
ИСО 4871:1996 |
ГОСТ 30691-2001 (ИСО 4871-96) Шум машин. Заявление и контроль значений шумовых характеристик |
|
ИСО 6531 |
ГОСТ Р 50692-94 (ИСО 6531-82) Пилы бензиномоторные цепные. Термины и определения |
|
ИСО 7112 |
ГОСТ Р 50693-94 (ИСО 7112-82) Кусторезы бензиномоторные. Термины и определения |
|
ИСО 7293 |
*** |
|
ИСО 8893 |
*** |
|
ИСО 11201:1995 |
ГОСТ 31172-2003 (ИСО 11201:1995) Шум машин. Измерение уровней звукового давления излучения на рабочем месте и в других контрольных точках. Технический метод в существенно свободном звуковом поле над звукоотражающей плоскостью |
|
МЭК 60651:1979 |
ГОСТ 17187-81 Шумомеры. Общие технические требования и методы испытаний |
|
МЭК 60804:2000 |
*4 |
|
* Национальный стандарт неэквивалентен международному. До его пересмотра рекомендуется использовать перевод на русский язык данного международного стандарта, находящийся в Федеральном информационном фонде технических регламентов и стандартов. ** Формула (2) и подраздел 7.4 национального стандарта соответствуют формуле (4) и подразделу 8.3 международного стандарта. *** Соответствующий национальный стандарт отсутствует. До его утверждения рекомендуется использовать перевод на русский язык данного международного стандарта, находящийся в Федеральном информационном фонде технических регламентов и стандартов. *4 Соответствующий национальный стандарт отсутствует. До его утверждения рекомендуется использовать перевод на русский язык международного стандарта МЭК 61672-1:2002, введенного взамен МЭК 60804:2000. |
|
|
[1] Directive 2000/14/ЕС of the European and of the Council of 8 May 2000 on the approximation of the laws of the Member States relating to the noise emission in the environment by equipment for use outdoors |
|
|
[2] ИСО 5395:1990 |
Газонокосилки моторные, огородные тракторы, садово-огородные тракторы, косилки неиндивидуального пользования, садово-огородные тракторы с приспособлениями для косьбы. Определения, требования техники безопасности и методика испытаний |
|
(ISO 5395:1990) |
(Power lawn-mowers, lawn tractors, lawn and garden tractors, professional mowers, and lawn and garden tractors with mowing attachments - Definitions, safety requirements and test procedures) |
Ключевые слова: переносные бензиномоторные ручные лесные машины, цепные пилы, кусторезы, мотокосы, шумовые характеристики, корректированный по А уровень звуковой мощности, уровень звука излучения на рабочем месте, испытания на шум, технический метод, полусферическая измерительная поверхность, площадка с искусственным покрытием, площадка с травяным покрытием, земляная площадка, рабочие циклы, заявление значений шумовых характеристик
|
ГОСТЫ, СТРОИТЕЛЬНЫЕ и ТЕХНИЧЕСКИЕ НОРМАТИВЫ. Некоммерческая онлайн система, содержащая все Российские Госты, национальные Стандарты и нормативы. В Системе содержится более 150000 файлов нормативно-технической документации, действующей на территории РФ. Система предназначена для широкого круга инженерно-технических специалистов. Copyright © www.gostrf.com, 2008 - 2026 |