|
|
|
МЕЖГОСУДАРСТВЕННЫЙ СОВЕТ ПО СТАНДАРТИЗАЦИИ, МЕТРОЛОГИИ И
СЕРТИФИКАЦИИ INTERSTATE
COUNCIL FOR STANDARDIZATION, METROLOGY AND CERTIFICATION
Система проектной документации ПРАВИЛА ВЫПОЛНЕНИЯ ПРОЕКТНОЙ Москва Стандартинформ 2008 Предисловие Цели, основные принципы и основной порядок проведения работ по межгосударственной стандартизации установлены ГОСТ 1.0-92 «Межгосударственная система стандартизации. Основные положения», ГОСТ 1.2-97 «Межгосударственная система стандартизации. Стандарты межгосударственные, правила и рекомендации по межгосударственной стандартизации. Порядок разработки, принятия, применения, обновления, отмены» и МСН 1.01-01-96 «Система межгосударственных нормативных документов в строительстве. Основные положения». Сведения о стандарте 1 РАЗРАБОТАН Закрытым акционерным обществом «Центральный ордена Трудового Красного Знамени научно-исследовательский и проектный институт строительных металлоконструкций им. Н.П. Мельникова» (ЗАО «ЦНИИПСК им. Мельникова») 2 ВНЕСЕН Техническим комитетом по стандартизации ТК 465 «Строительство» 3 ПРИНЯТ Межгосударственной научно-технической комиссией по стандартизации, техническому нормированию и сертификации в строительстве (МНТКС) (протокол № 32 от 21 ноября 2007 г.) За принятие проголосовали:
4 Приказом Федерального агентства по техническому регулированию и метрологии от 25 марта 2008 г. № 58-ст введен в действие межгосударственный стандарт ГОСТ 21.502-2007 в качестве национального стандарта Российской Федерации с 1 января 2009 г. 5 ВВЕДЕН ВПЕРВЫЕ Информация о введении в действие (прекращении действия) настоящего стандарта публикуется в указателе «Национальные стандарты». Информация об изменениях к настоящему стандарту публикуется в указателе (каталоге) «Национальные стандарты», а текст изменений - в информационных указателях «Национальные стандарты». В случае пересмотра или отмены настоящего стандарта соответствующая информация будет опубликована в информационном указателе «Национальные стандарты» Содержание Введение Настоящий стандарт разработан на основе стандартов Системы проектной документации для строительства (СПДС) и Единой системы конструкторской документации (ЕСКД). Настоящий стандарт устанавливает состав и правила выполнения проектной и рабочей документации металлических строительных конструкций марки КМ, являющейся основной базой для разработки рабочих деталировочных чертежей марки КМД, проекта производства работ (ППР), заказа металла и содержащей все необходимые и достаточные данные для выполнения этих работ. В настоящий стандарт включены требования СН 460-74 «Временная инструкция о составе и оформлении строительных рабочих чертежей зданий и сооружений». ГОСТ 21.502-2007 МЕЖГОСУДАРСТВЕННЫЙ СТАНДАРТ Система проектной документации для строительства ПРАВИЛА ВЫПОЛНЕНИЯ ПРОЕКТНОЙ И РАБОЧЕЙ ДОКУМЕНТАЦИИ
МЕТАЛЛИЧЕСКИХ System of design documents for construction. Execution rules of design and working documents for metal structures Дата введения - 2009-01-01 1 Область примененияНастоящий стандарт устанавливает состав и правила выполнения проектной и рабочей документации строительных металлических конструкций, разрабатываемой на стадиях «рабочий проект», «проект» и «рабочая документация» и выполняемой на бумажных или электронных носителях. Требования настоящего стандарта не распространяются на выполнение деталировочных чертежей металлических конструкций марки КМД. 2 Нормативные ссылкиВ настоящем стандарте использованы ссылки на следующие стандарты: ГОСТ 2.312-72 Единая система конструкторской документации. Условные изображения и обозначения швов сварных соединений ГОСТ 2.315-68 Единая система конструкторской документации. Изображения упрощенные и условные крепежных деталей ГОСТ 2.321-84 Единая система конструкторской документации. Обозначения буквенные ГОСТ 2.410-68 Единая система конструкторской документации. Правила выполнения чертежей металлических конструкций ГОСТ 21.101-97 Система проектной документации для строительства. Основные требования к проектной и рабочей документации ГОСТ 21.110-95 Система проектной документации для строительства. Правила выполнения спецификации оборудования, изделий и материалов ГОСТ 21.501-93 Система проектной документации для строительства. Правила выполнения архитектурно-строительных рабочих чертежей ГОСТ 7798-70 Болты с шестигранной головкой класса точности В. Конструкция и размеры ГОСТ 8240-97 Швеллеры стальные горячекатаные. Сортамент ГОСТ 8509-93 Уголки стальные горячекатаные равнополочные. Сортамент ГОСТ 19903-74 Прокат листовой горячекатаный. Сортамент ГОСТ 23118-99 Конструкции стальные строительные. Общие технические условия ГОСТ 26020-83 Двутавры стальные горячекатаные с параллельными гранями полок. Сортамент ГОСТ 26047-83 Конструкции строительные стальные. Условные обозначения (марки) ГОСТ 27772-88 Прокат для строительных стальных конструкций. Общие технические условия Примечание - При пользовании настоящим стандартом целесообразно проверить действие ссылочных стандартов по указателю «Национальные стандарты», составленному по состоянию на 1 января текущего года, и по соответствующим информационным указателям, опубликованным в текущем году. Если ссылочный стандарт заменен (изменен), то при пользовании настоящим стандартом следует руководствоваться заменяющим (измененным) стандартом. Если ссылочный стандарт отменен без замены, то положение, в котором дана ссылка на него, применяется в части, не затрагивающей эту ссылку. 3 Общие положенияПри управлении проектированием рекомендуется руководствоваться политикой в области качества, разработанной в соответствии с требованиями [1]. При проектировании объектов, входящих в перечни органов государственного надзора по экологической, технологической и атомной безопасности, необходимо учитывать требования, отражающие их специфику и вид строительства. При проектировании и разработке особо опасных, технически сложных и уникальных объектов заказчик совместно с генеральным проектировщиком, научно-исследовательскими и специализированными проектными организациями должен разрабатывать технические условия, отражающие специфику их проектирования, строительства и эксплуатации. 4 Состав проектной и рабочей документации4.1 Проектную и рабочую документации металлических конструкций разрабатывают: - в одну стадию - «рабочий проект» (утверждаемая часть и «рабочая документация»); - в две стадии - «проект» (утверждаемая часть) и «рабочая документация». 4.2 Стадии проектирования зависят от категории и сложности объекта и устанавливаются в договоре подряда и задании на проектирование. Содержание разделов документации должно отражать характерные и обоснованные принципиальные решения с учетом вариантных проработок. 4.3 В состав проектной документации, разрабатываемой на стадиях «проект» и «рабочий проект» (утверждаемая часть), включают: - пояснительную записку, содержащую: выходные проектные данные, основные технико-экономические показатели и характеристики, являющиеся критическими для безопасной и надлежащей эксплуатации; нагрузки и воздействия на металлические конструкции и другие необходимые данные; - чертежи общего вида металлических конструкций здания или сооружения; - чертежи узлов металлических конструкций; - технические условия (при необходимости) - по ГОСТ 23118; - расчеты. 4.4 В рабочую документацию входит основной комплект рабочих чертежей металлических конструкций марки КМ (далее - рабочие чертежи КМ). 4.4.1 В состав основного комплекта рабочих чертежей КМ включают: - общие данные; - нагрузки и воздействия на металлические конструкции; - нагрузки на фундаменты; - чертежи общего вида металлических конструкций здания или сооружения (планы, разрезы, виды, фрагменты); - схемы расположения элементов металлических конструкций; - чертежи элементов металлических конструкций; - чертежи узлов металлических конструкций; - спецификацию металлопроката и изделий; - расчеты. 4.4.2 Рабочие чертежи КМ должны содержать необходимые и достаточные данные для разработки деталировочных чертежей металлических конструкций марки КМД, проекта производства работ и заказа металлопроката и изделий из металла. Отступления от рабочих чертежей КМ не допускаются. В случае необходимости эти отступления должны быть согласованы с организацией-разработчиком рабочих чертежей КМ. 4.5 Расчеты металлических конструкций, выполняемые на всех стадиях проектирования, заказчику не выдаются (если иное не предусмотрено договором). Расчеты оформляют как текстовой проектный документ и сдают на хранение в архив организации-разработчика. 4.6 Чертежи оформляют в соответствии с основными требованиями ГОСТ 21.101 (кроме раздела 6) и требованиями настоящего стандарта. 4.7 Условные буквенные обозначения наименований основных конструкций и изделий в проектной и рабочей документации - по ГОСТ 26047 и ГОСТ 2.321. 5 Правила оформления чертежей КМ5.1 Общие данные5.1.1 Лист «Общие данные» по рабочим чертежам КМ оформляют в соответствии с общими требованиями ГОСТ 21.101. 5.1.2 На листе «Общие данные», в общих указаниях, помимо сведений, предусмотренных ГОСТ 21.101 и ГОСТ 21.501, приводят: - сведения о нагрузках и воздействиях для расчета конструкций здания или сооружения; - сведения об основных конструктивных особенностях здания или сооружения; - расчетную схему конструкций со сведениями о нагрузках и воздействиях с необходимыми пояснениями (при необходимости); - ссылки на принятые нормы проектирования, техническое задание и нормативные документы на металлопрокат, сварные соединения и крепежные изделия; - описание монтажных и заводских соединений; - сведения о мероприятиях по защите металлических строительных конструкций от коррозии – в соответствии с ГОСТ 23118 и другими нормативными документами; - требования к изготовлению и монтажу, в том числе требования к контролю сварных швов, а также точности в соответствии с действующими нормативными документами; - технико-экономические показатели, полученные в результате разработки проекта (утверждаемой части); - применяемые условные изображения и обозначения болтов и сварных швов, не установленные в ГОСТ 2.312 и ГОСТ 2.315; - другие дополнительные сведения. 5.1.3 Применяемые условные изображения болтов и сварных швов, не вошедшие в ГОСТ 2.312 и ГОСТ 2.315, приведены в таблицах 1 и 2. Таблица 1 - Условные изображения болтов
Таблица 2 - Условные изображения сварных швов
5.2 Нагрузки и воздействия на металлические конструкции5.2.1 Состав нормативных и расчетных значений нагрузок, коэффициенты надежности по нагрузке и данные по возможным сочетаниям технологических и других нагрузок и воздействий - в соответствии с требованиями [2], технологических и архитектурно-строительных заданий. 5.3 Нагрузки на фундаменты5.3.1 На листах нагрузок на фундаменты приводят: - значение нагрузок на фундаменты; - принятое правило знаков нагрузок на фундаменты; - схемы расположения фундаментных болтов для каждой марки фундамента; - диаметры, высоты выступающих частей, длины нарезок, марки сталей фундаментных болтов, закладные детали; - требования к деформативности фундаментов (если необходимы). Пример оформления листа нагрузок на фундаменты приведен в приложении А (рисунок А.1). 5.4 Чертежи общего вида металлических конструкций5.4.1 На чертежах общего вида металлических конструкций здания или сооружения приводят схемы конструкций со связями, с указанием взаимного расположения конструкций, их соединений и опирания на фундаменты, а также таблицы основных показателей (только для утверждаемой части). Примеры выполнения чертежей общего вида приведены в приложении Б (рисунки Б.1 - Б.5). 5.4.2 Чертежи общего вида выполняют, как правило, схематично и содержат планы, виды и разрезы. Если строительство намечено осуществлять в несколько очередей, то на чертежах общего вида должна быть отражена очередность возведения здания или сооружения. 5.4.3 На чертежах общего вида указывают: - основные габаритные размеры конструкций; - привязку и основные параметры технологического оборудования (подъемно-транспортного и др.), влияющего на конструкции; - характерные отметки; - примыкающие строительные конструкции, не разрабатываемые в рабочих чертежах КМ. Габаритные размеры приводят как для всей конструкции в целом (пролеты, длина, ширина, высота, диаметр и т.п.), так и для наиболее крупных ее элементов (высота ферм и т.п.). Характерными являются размеры, определяющие форму здания или сооружения и отдельных его частей: уклоны (кровли, днищ, полотна проезжей части и др.), радиусы кривых поверхностей, размеры, определяющие изменение ширины башен по высоте и т.п. 5.5 Схемы расположения элементов металлических конструкций5.5.1 Схемы расположения элементов металлических конструкций выполняют, как правило, по ГОСТ 21.501, со следующим изменением: вместо спецификации по ГОСТ 21.101 - ведомость элементов. Ведомость элементов выполняют по форме 1 в соответствии с приложением В. 5.5.2 При выполнении схем расположения элементов на нескольких листах ведомость элементов, как правило, размещают на каждом листе, или - на одном листе общую для всех листов ведомость элементов. 5.5.3 В технических требованиях, помещаемых на схемах расположения элементов, приводят: - значения усилий для расчета прикрепления элементов, не указанные на чертежах и в ведомости элементов; - дополнительные сведения и технические требования по изготовлению и монтажу, отсутствующие в общих данных. 5.5.4 Маркировку элементов металлических конструкций указывают, как правило, на схемах расположения элементов. Элементы конструкций, не включенные в схемы расположения элементов, маркируют на чертежах общего вида и узлов по ГОСТ 26047. 5.5.5 Примеры выполнения схем и маркировки элементов металлических конструкций приведены в приложении Г (рисунки Г.1 и Г.2). 5.6 Чертежи элементов металлических конструкций5.6.1 Чертежи элементов металлических конструкций выполняют, если на схемах расположения элементов недостаточно выявлены конструктивные особенности элементов для разработки деталировочных чертежей марки КМД. 5.6.2 На чертежах элементов металлических конструкций указывают: - геометрические размеры; - усилия; - опорные реакции; - отметки верха и низа элементов конструкции; - размеры отдельных деталей; - тип монтажных и заводских соединений; - наименования или марки металла деталей, входящих в состав элемента; - ссылки на узлы; - технические требования. 5.6.3 В технических требованиях на чертежах элементов приводят: - усилия для расчета прикреплений, не указанные на чертеже; - дополнительные требования к изготовлению и монтажу элементов; - номера листов схем расположения элементов. 5.6.4 Размеры сварных швов и число крепежных изделий определяют при разработке деталировочных чертежей марки КМД. 5.6.5 Пример выполнения схемы элемента металлической конструкции приведен в приложении Д (рисунок Д.1). 5.7 Чертежи узлов металлических конструкций5.7.1 На чертежах узлов металлических конструкций приводят принципиальные решения узлов, обеспечивающих работу расчетной схемы здания или сооружения. 5.7.2 На чертежах узлов необходимо изображать элементы, сходящиеся в узле, с указанием привязок к координационным осям, осям элементов, поверхностям деталей, отметок верха или низа элементов конструкции. Пример выполнения чертежа узла приведен в приложении Е (рисунок Е.1). 5.7.3 На чертежах узлов приводят примыкающие элементы конструкций, не разрабатываемые в данных рабочих чертежах КМ, с указанием их размеров, привязок и других требований, необходимых для разработки деталировочных чертежей марки КМД. Простейшие узлы конструкций, не требующие пояснения, в чертежах не приводят. 5.7.4 На чертежах узлов (на стадиях «рабочий проект» и «рабочая документация») указывают: - усилия, действующие в элементах (если они не оговорены в ведомости элементов); - привязки к координационным осям; - толщины деталей; - размеры сварных швов; - типы, классы прочности, число, диаметры и шаги болтов или заклепок; - требования к обрабатываемым поверхностям; - сечения, наименования и марки металла деталей, не оговоренные в ведомости элементов; - технические требования. Размеры сварных швов, число и шаги болтов или заклепок не указывают, если они определяются при разработке деталировочных чертежей марки КМД. 5.8 Спецификации металлопроката5.8.1 Спецификацию металлопроката и изделий (СМ) составляют по схемам расположения элементов на листах любого формата и выполняют по форме 2, приведенной в приложении Ж. Размер формата СМ зависит от числа строк в графе «Масса металла по элементам конструкций». 5.8.2 СМ составляют на каждый вид элементов конструкций без учета отходов на обработку и массы наплавленного металла. 5.8.3 Для объектов строительства с поэтапным выпуском комплектов рабочих чертежей КМ составляют СМ на каждую очередь строительства. 5.8.4 На основе СМ составляют по форме 2 сводную спецификацию металлопроката и изделий (CMC). СМ и CMC допускается объединять в отдельный сборник (ССМ) с титульным листом по ГОСТ 21.110 и отдельным оглавлением. Каждой CM, CMC и ССМ присваивают обозначение, в состав которого включают: базовое обозначение, устанавливаемое по действующей в организации системе, и (через точку) - шифр CM, CMC или ССМ и порядковый номер спецификации. Примеры обозначений CM, CMC и ССМ: 3 - 1824 - 403 - КМ.СМ16 3 - 1824 - 403 - КМ.СМС 3 - 1824 - 403 - КМ.ССМ, где 3 - номер отдела-разработчика; 1824 - номер площадки строительства; 403 - номер здания по экспликации на генплане; КМ - марка основного комплекта чертежей КМ. Спецификации (CM, CMC и ССМ) записывают в ведомость прилагаемых документов. 5.8.5 Пример выполнения спецификации металлопроката приведен в приложении И (рисунок И.1).
Приложение
А
|
||||||||||||||||||||||||||||||||||||||||||||||||||||||||||||||||||||||||||||||||||||||||||||||||||||||||||||||||||||||||||||||||||||||||||||||||||||||||||||||||||||||||||||||||||||||||
|
Марка элемента |
Сечение |
Усилие для прикрепления |
Наименование или марка металла |
Примечание |
|||||
|
эскиз |
поз. |
состав |
А, |
N, |
м, |
||||
|
ФС1 |
Сложный |
|
|
|
|
|
|
Лист 12 |
|
|
Б1 |
|
1 |
140Б1 |
200 |
- |
- |
С345-3 |
|
|
|
2 |
ë100´8 |
- |
- |
- |
С245 |
|
|||
|
Б2 |
|
1 |
-900´8 |
300 |
- |
800 |
С345-3 |
|
|
|
2 |
-200´16 |
|
|||||||
|
К1 |
|
|
140Ш1 |
140 |
-380 |
-410 |
С345-3 |
|
|

Рисунок Г.1 - Разрезы 2-2,3-3

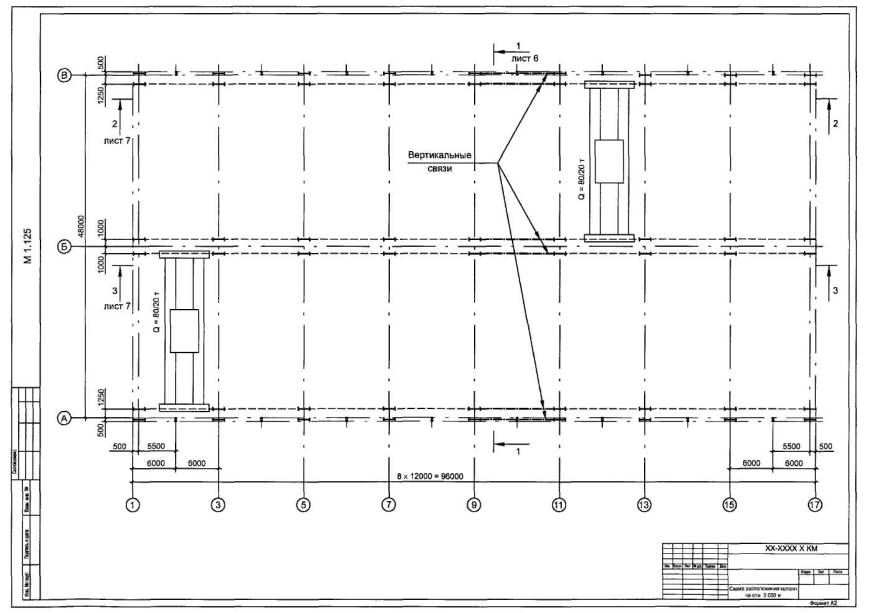
Рисунок Г. - Схема расположения элементов покрытия по нижним поясам ферм

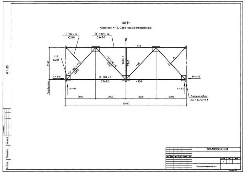
Рисунок Д.1- Подстропильная ферма ФП1

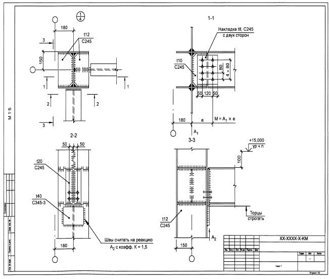
Рисунок Е.1- Узел 1

Указания по заполнению спецификации металлопроката
В спецификациях СМ и CMC следует указывать:
- графе «Наименование профиля, ГОСТ, ТУ» - наименование профиля в соответствии с примененными стандартами или техническими условиями;
- графе «Наименование или марка металла, ГОСТ, ТУ» - наименование или марку металла и обозначения стандартов или технических условий, в соответствии с которыми производится поставка;
- графе «Номер или размеры профиля, мм» - номер или размеры профиля в соответствии с условными обозначениями, приведенными в стандартах или технических условиях. Обозначение профилей записывают по возрастанию их номеров или размеров;
- графе «№ п.п.» - последовательные номера всех строк, в которых указана масса;
- графе «Масса металла по элементам конструкций, т» - массу по рабочим чертежам КМ, определяемую с точностью до одной десятой тонны;
- графе «Общая масса, т» - массу по рабочим чертежам КМ, определяемую с точностью до одной десятой тонны.
По каждому наименованию профиля приводят строку «Итого», а для каждой марки металла - «Всего».
В конце каждой СМ и CMC приводят строки:
«Всего масса металла»;
«В том числе по маркам или наименованиям».

Рисунок И.1- Спецификация металлопроката, лист 1

Рисунок И.1 - Спецификация металлопроката, лист 2
[1] ИСО 9001:2000 Система менеджмента качества. Требования
[2] СНиП 2.01.07-85 Нагрузки и воздействия
Ключевые слова: система проектной документации для строительства, металлические конструкции; состав, стадии «проект», «рабочий проект», «рабочая документация»; правила оформления; рабочие чертежи КМ; общие данные; нагрузки и воздействия; чертежи общего вида, элементов, узлов; схемы расположения элементов; спецификации металлопроката
|
ГОСТЫ, СТРОИТЕЛЬНЫЕ и ТЕХНИЧЕСКИЕ НОРМАТИВЫ. Некоммерческая онлайн система, содержащая все Российские Госты, национальные Стандарты и нормативы. В Системе содержится более 150000 файлов нормативно-технической документации, действующей на территории РФ. Система предназначена для широкого круга инженерно-технических специалистов. Copyright © www.gostrf.com, 2008 - 2026 |