Крупнейшая бесплатная информационно-справочная система онлайн доступа к полному собранию технических нормативно-правовых актов РФ. Огромная база технических нормативов (более 150 тысяч документов) и полное собрание национальных стандартов, аутентичное официальной базе Госстандарта. GOSTRF.com - это более 1 Терабайта бесплатной технической информации для всех пользователей интернета. Все электронные копии представленных здесь документов могут распространяться без каких-либо ограничений. Поощряется распространение информации с этого сайта на любых других ресурсах. Каждый человек имеет право на неограниченный доступ к этим документам! Каждый человек имеет право на знание требований, изложенных в данных нормативно-правовых актах!

  


 

РЕКОМЕНДАЦИИ

ПО ПРОЕКТИРОВАНИЮ СИСТЕМ ВЕНТИЛЯЦИИ «АЭРЭКО»

РПП АЭРЭКО 55227127-01-2003

Настоящие рекомендации определяют общие и специфические правила установки вентиляционных устройств и систем с регулировкой по уровню влажности VMC фирмы АЭРЭКО в жилых и общественных зданиях.

Настоящий документ не является сборником норм и правил, он содержит лишь рекомендации проектирующим, монтажным и эксплуатационным организациям. Рекомендации включают в себя как общие положения, так и специальные требования, свойственные технологии и конструктивным решениям венти­ляционных систем фирмы АЭРЭКО.

Содержание

Область применения.

Терминология

Справочные документы:

Воздухозаборники

Воздухоотводы

Методика расчета размеров сети

Жесткие каналы

Материалы

Соединительные каналы (дополнительные указания)

Вертикальный коллекторный канал (дополнительные указания)

Горизонтальная коллекторная сеть : дополнительные указания

Вариант установки на террасе: защита герметичного покрытия

Вентилятор

Характеристики вентиляторов VEC

Подсоединение горизонтальной коллекторной сети к вентилятору

Ввод в эксплуатацию вентиляторов VEC - общие указания

 

Область применения.

Установка вентиляционных устройств и систем АЭРЭКО может производиться при строительстве, реконструкции, реставрации и ремонте зданий при условии их автономного устройства и эксплуатации.

Системы отопления зданий с помощью генерации тепла (включая газовое оборудование для нагрева воды) должны быть установлены вне пределов зон проживания, при этом продукты сгорания должны отводиться наружу независимо от вентиляционной системы.

При проектировании системы вентиляции конкретного строительного объекта (квартира, коттедж, гостиница, многоквартирный дом) количество и модификации приточных устройств, вытяжных решеток и механических вентиляторов необходимо выбирать исходя из требований СНиП 2.04.05-91* «Отопление вентиляция и кондиционирование» и СНиП 2.08.01-89* «Жилые здания» с учетом СНиП II-3-79* «Строительная теплотехника». При выборе модификаций оборудования по уровню звукоизоляции следует учитывать требования СНиП II-12-77 «Защита от шума».

При проектировании, монтаже и эксплуатации вентиляционных систем следует учитывать правила устройства и технической эксплуатации электрического и газового оборудования, требования СНиП 21-01-97* «Пожарная безопасность зданий и сооружений», а также другие действующие строительные, санитарные и общетехнические нормативы.

Терминология

- Выше по ходу технологического процесса: верхняя часть аэравлического компонента определяется обычным образом относительно направления потока отводимого загрязненного воздуха от отверстия до вентилятора (см. рис. а)

- Ниже по ходу технологического процесса: нижняя часть аэравлического компонента определяется обычным образом относительно направления потока отводимого загрязненного воздуха от отверстия воздухоотвода до вентилятора (см. рис. а)

- Подсобные помещения (или служебные): ванная комната, WC, кухня

- Жилые комнаты: Спальня, гостиная

- Коллектор/T - коллектор: Компонент горизонтальной сети, позволяющий соединить отдельные воздуховоды с вертикальной трубой коллектора.

- Заглушка: Компонент, расположенный в основании вертикальной трубы коллектора и обеспечивающий ее закрывание.

Справочные документы:

- Каталог по вентиляции (Réf CAT.F.06/02 - V0)

- XP P 50-410: Установки управляемой механической вентиляции - Правила проектирования и определения размеров (DTU 68.1) - AFNOR (Франция)

- NF P 50-411-1: Монтаж установок механической вентиляции (DTU 68.2) - AFNOR (Франция)

Общий принцип

Свежий воздух поступает через воздухозаборники - 1, расположенные в жилых комнатах.

Воздух, содержащий загрязняющие примеси, подхваченные во время прохода через основные комнаты, затем через технические помещения, поступает к воздухоотводам - 2.

Воздухоотводы с регулировкой по влажности - 2 позволяют распределять поток (дебит) имеющегося воздуха, нагнетаемого вентилятором - 3 (установленным на крыше или на террасе) в зависимости от потребностей подсобных и жилых помещений, регулируя дебит в зависимости от степени влажности окружающего воздуха. Таким образом, распределение свежего воздуха по основным помещениям, в зависимости от их потребностей, обеспечивается только воздухозаборниками с регулировкой по уровню влажности - 1.

Комнаты или помещения, особенно сильно нуждающиеся в притоке свежего воздуха, получают больший дебит, чем пустые комнаты или помещения.

Компоненты сети

Воздухозаборники

Каждое жилое помещение должно иметь не менее одного воздухозаборника. Это положение позволяет соблюдать принцип направления потока воздуха от жилых помещений к подсобным.

Их число варьирует в зависимости от площади жилого помещения:

N = целое от [(S/25) + 1]

Где: N - число воздухозаборников в жилом помещении;

S - площадь жилого помещения в ;

Пример:

- если S = 18 m²,

тогда N = целое от [(18/25) + 1] = целое от [1,72] = 1

устанавливается 1 воздухозаборник

- если S = 54 m²,

тогда N = целое от [(54/25) + 1] = целое от [3,16] = 3

устанавливаются 3 воздухозаборника.

Примечание: Особые требования могут предъявляться к количеству воздухозаборников также и в некоторых служебных помещениях.

Выбор оборудования

 

Возможные виды оборудования

 

Число приборов на помещение

Тихая улица

Шумная улица

столярка/шкафы

стена

Столярка/шкафы

Стена

Спальня

См. правила на предыдущей странице

EMM

EHA

EHT

EAH

EHA + акустические принадлежности

EHT + акустические принадлежности

EAH + accessories acoustiques

Гостиная

См. правила на предыдущей странице

EMM

EHA

EHT

EAH

EHA + акустические принадлежности

EHT + акустические принадлежности

EAH + акустические принадлежности

Выбор подходящего устройства определяется требованиями к уровню комфорта, уровню шума, эстетики, архитектуры и зависит от пожеланий жильцов.

Характеристики

ВОЗДУЗОЗАБОРНИКИ, УСТАНАВЛИВАЕМЫЕ НА СТОЛЯРНЫХ ИЗДЕЛИЯХ (ОКНАХ)

ТИП

Мин. дебит

Макс. дебит

Макс. площадь

Шумоизоляция воздухозаборник Dn,e,w (C)

шумоизоляция Dn,e,w (C) с принадлежностями*

принадлежности

 

m3/h

m3/h

mm2

dB

dB

 

EMM 5-35

5

35

4000

33

37

козырек A-EMM

EMM 11-35

11

35

4000

33

37

козырек A-EMM

EMF 22

22

 

2500

33

37

козырек A-EMM

EMF 35

35

 

4000

33

37

козырек A-EMM

 

EHA 5-35

5

35

4000

37

42

козырек A-EHA + распорка E-EHA

EHA 11-35

11

35

4000

37

42

Козырек A-EHA + распорка E-EHA

EHA 22-50

22

50

5700

Не тестировано

Не тестировано

козырек A-EHA

EFA 22

 

22

2500

37

42

козырек A-EHA + распорка E-EHA

EFA 35

 

35

4000

37

42

Козырек A-EHA + распорка E-EHA

Примечание: Дебит указан в m3/час при давлении 10Пa, уровень шума указан при полностью открытой заслонке.

ВОЗДУЗОЗАБОРНИКИ, УСТАНАВЛИВАЕМЫЕ В ОКНЕ

ТИП

Мин. дебит

Макс. дебит

Макс. площадь

шумоизоляция Dn,e,w (C)

Базовая

Шумоизоляция Dn,e,w (C) с шумоизоляционным комплектом для установки на стене

Принадлежности

Шумоизоляционный комплект для установки на стене

 

m3/час

m3/час

mm²

DB

dB

 

EHT 5-40

5

40

4000

33

EHT + воздуховод Ø100mm + козырек EHT

42

EHT + Акустическая труба Ø125 внешн / Ø100 внутр + козырек EHT

 

EAH 5-30

5

30

3250

33 на раме фрамуги

42

EAH + Прямоугольная шумовая муфта + козырек EAH

Примечание: Дебит указан в m3/час при давлении 10Пa, уровень шума указан при полностью открытой заслонке.

Установка воздухозаборников

На столярных изделиях (окнах)

Пример высверливания отверстий в раме для воздухозаборника типа EMM:

1. Пазы

Размеры пазов зависят от типов воздухозаборников. В таблице ниже «Размер пазов» указаны существующие возможности использования воздухозаборников типа EMM м EHA.

РАЗМЕР ПАЗОВ

Тип воздухозаборника

Возможные размеры пазов (L×l) в мм

EMM

(29012) (270×14)

EHA

(354×12) (354×15)*

* необходимый размер для ЕНА 22-50

Примечание: пазы должны вытачиваться в соответствии с указаниями изготовителя окна (столяра) для гарантии совместимости со столярным изделием. Пазы должны снижать срок службы окна.

1 В случае нового строительства желательно делать отверстия на заводе, где производится столярка.

При ремонте зданий мы советуем демонтировать окно для вытачивания пазов. Прежде всего, необходимо соблюдать правила безопасности работающего персонала.

Примеры пазов в различных типах окон

На рамах фрамуги

Установка воздухозаборника производится на вертикальной грани рамы фрамуги.

На стене

Для установки воздухозаборников в стенных отверстиях обратитесь на наш сайт в интернете по адресу: www.aereco.com/notices

Расположение воздухозаборников

Воздухозаборники должны располагаться и оборудоваться таким образом, чтобы не допустить возникновения нежелательных сквозняков.

Они должны размещаться таким образом, чтобы никакой элемент конструкции, как, например, отверстие для прохода воздуха, цельные рамы, двойные окна и т.д. не мог бы существенным образом снизить дебит проходящего воздуха. В этом случае необходимо знать гидравлические и акустические характеристики, свойственные сочетанию воздухозаборника с элементом конструкции.

Окно + веранда (застекленный балкон):

Можно установить один воздухозаборник типа EMM (или EHA) на окне и два козырька ASAM « валетом » на верхнем брусе застекленного балкона (рис. b). Шумовая защита в этом случае делается на окне (например, с помощью противошумового козырька A-EMM AM).

Рисунок A: решение для случая окно + балкон

Внешние козырьки

Использование козырьков обязательно для предотвращения попадания воды внутрь рамы или в помещение.

Технические параметры воздухозаборников AERECO гарантируются только при использовании козырьков, предлагаемых фирмой AERECO (см. « Устройство вентиляции »).

Сквозные проходы

Сквозные проходы обеспечиваются непосредственно сквозь внутренние двери посредством:

- Решеток для прохода воздуха

- Сборных дверных блоков, допускающих проход воздуха по периферии

- Подпила верхнего или нижнего края внутренних дверей

Размеры сквозных проходов должны отвечать следующим требованиям, с учетом потерь максимального напора (PDCM):

- Двери служебных (подсобных помещений): потеря напора (PDCM) < 5 Пa от максимального дебита вытяжного отверстия

- Другие двери: потеря напора (PDCM) < 2,5 Пa от дебита воздуха, соответствующего максимально раскрытым положениям воздухозаборников, установленных в помещении.

Эти требования считаются выполненными, если они соответствуют значениям нижеприведенной таблицы:

 

Внутренние двери в комнату с раковиной или в кухню

Решетка для прохода воздуха

S мин. = 50 cm²

(+30 cm² на утечки)

Проход высотой H в верхней или нижней части двери без изменения прохода воздуха

H = 2 cm если 1 дверь H = 1 cm если 2 двери

Дверь на лестничную площадку - примечание:

Дверь помещения, выходящая на лестничную площадку (выходящая наружу) должна быть плотной и герметичной. С этой целью устанавливаются уплотняющие прокладки и делается порог.

Воздухоотводы

Каждое служебное (подсобное) помещение должно быть оборудовано воздухоотводом.

Это положение позволяет соблюсти принцип направления потока воздуха от главных комнат к подсобным помещениям.

Поскольку воздухоотводы являются определяющими для дебита воздуха, циркулирующего в помещении, необходимо соблюдать действующие нормы (если таковые имеются) при выборе этих воздухоотводов.

При отсутствии конкретных норм или для соответствия им выбор воздухоотводов производится следующим образом, в зависимости от помещения:

Выбор изделия

ВОЗДУХООТВОДЫ

 

Количество воздухоотводов на комнату

Имеющиеся изделия

Кухня

Воздухоотвод

X 1

BXL hi

BXL hi2

BXL hc

BXL hc2

BXS hi

Ванная

Воздухоотвод

X 1

BXL h

BXS h

Wc

Воздухоотвод

X 1

BXL i

BXS i

BXS p

Ванная с wc

Воздухоотвод

X 1

BXL hi

BXL hc

BXS hi

BXS hp

Выбор изделия производится в зависимости от требований комфорта, акустики, эстетики, архитектуры и привычек жильцов.

Характеристики

Аэравлические

TИП

Регулировка по уровню влажности

Пиковый дебит

Минимальный дебит

Максимальный дебит

Пиковый дебит

Способ пуска пикового дебита

Дебит +

 

 

 

m3/час

m3/час

m3/час

 

 

BXL h

×

-

12

70

-

-

серийный

BXL h2

×

-

20

150

-

-

-

BXL i

-

×

12

 

70

выключатель

серийный

BXL hi

×

×

12

70

70

выключатель

серийный

BXL hi2

×

×

12

70

150

выключатель

-

BXL hc

×

×

12

70

70

шнур

2 версии (с и без)

BXL hc2

×

×

12

70

150

шнур

-

 

BXS hi

×

×

12

70

70

выключатель

-

BXS hp

×

×

12

70

70

присутствие

-

BXS i

-

×

12

 

70

выключатель

-

BXS p

-

×

12

 

70

присутствие

-

BXS h

×

-

12

70

-

-

-

BXF

-

-

15, 30, 45, 60

-

-

-

Дебит в м3/час при давлении 100Пa

Акустика

 

 

Чистый шум (акустическая мощность) Lw в dB(A)

80 Па

100 Па

130 Па

BXL

Мин дебит (12 м3/час при 100 Па)

20

22

24

Макс дебит (70 м3/час при 100 Па)

28

31

35

Пиковый дебит (150м3/час при 100 Па)

35

38

42

 

BXS

Мин дебит (12 м3/час при 100 Па)

-

21

23

BXS h

Макс дебит (70 м3/час при 100 Па)

26

28

32

BXS p

Макс дебит (70 м3/час при 100 Па)

23

26

31

Примечание: Эти значения достигаются с использованием переходника 0 125 мм.

Установка воздухоотводов

Примечание: Воздухоотводы должны устанавливаться на расстоянии не менее чем 10 см от углов перегородки.

МЕРЫ ПРЕДОСТОРОЖНОСТИ (для всех ПРИБОРОВ BXL НАСТЕННОГО ТИПА):

В варианте настенного типа воздухоотвод необходимо крепить в верхней части канала для воздуха, чтобы можно было поворачивать его корпус вращением для чистки:

Электроподключение прибора BXS к сети низкого напряжения

(BXS i - BXS hi - BXS p - BXS hp)

Используется тот же принцип, что и для прибора BXL с установкой платы AEA 878 в гнездо для батарейки (см. п. 3.3.1.).

Сеть канала для воздуха

При монтаже необходимо соблюдать размеры таким образом, чтобы соблюдать нормативы по дебиту и акустике. В отсутствие таких нормативов следует, тем не менее, руководствоваться нижеприведенными правилами в целях гарантирования оптимального качества воздуха и акустики.

Для соблюдения этих требований значение перепада давления в воздухоотводах должно быть в пределах от минимального до максимального значений независимо от степени раскрытия заслонок:

- Минимальный порог давления гарантирует достаточный дебит воздуха для обеспечения качества воздуха в помещении.

- Максимальный предел давления гарантирует приемлемый акустический уровень (чистый шум воздухоотвода).

Правильный выбор размеров сети зависит от определения потерь напора, а также характеристик вентилятора.

Методика расчета размеров сети

Подробное описание по этапам

Размеры сети и вентилятора должны рассчитываться таким образом, чтобы выполнялись 2 условия (1 и 2):

1 Расчет общего максимального дебита

Размеры должны быть такими, чтобы в воздухоотводе с наименьшим напором из всей сети минимальное давление составляло 65 Па, в то время как все воздухоотводы (во всех помещениях, подсоединенных к вентилятору) находятся в максимально открытом положении. Это условие при любых обстоятельствах везде гарантирует удовлетворительные дебиты.

При таком давлении дебит в каждой комнате, учитываемой для расчета сети, является следующим:

 

Дебит на комнату в м3/час

WC

30

Ванная

50

Кухня

50

Для каждого типа h помещения, подсоединенного к тому же вентилятору, рассчитывается Q макс.h путем суммирования дебитов каждой комнаты.

Дано Q max h = (30×i) + (50×j) + (50×k)

Где:

h = тип помещения

i = количество WC в помещениях типа h

j = количество ванных в помещениях типа h

k = количество кухонь в помещениях типа h

Считается, что этот дебит получен для всех помещений этого типа (даже если давление увеличивается при приближении к вентилятору, устройство регулировки по уровню влажности автоматически уменьшает степень раскрытия воздухоотводов для уравновешивания дебитов на колонну (стояк)).

Общий максимальный дебит, отводимый вентилятором, будет равен:

Qмакс.h :общий максимальный дебит, отводимый из каждого помещения типа h;

Nh - количество помещений типа h, подсоединенных к вентилятору;

m - количество типов помещений;

Напоминание: Данные расчеты сделаны, исходя из предположения, что в каждом подсобном помещении имеется воздухоотвод.

2 Расчет общего минимального дебита

Размеры должны быть такими, чтобы в воздухоотводе с наибольшим напором из всей сети давление не превышало бы 150 Па, в то время как все воздухоотводы (во всех помещениях, подсоединенных к вентилятору) находятся в минимально открытом положении. Это условие при любых обстоятельствах гарантирует приемлемый уровень шума, даже в помещении, расположенном ближе всех к вентилятору и в котором замеряется самое низкое давление.

При таком давлении дебит в каждой комнате, учитываемой для расчета сети, является следующим:

 

Дебит на комнату в м3/час

WC

15

Ванная

15

Кухня

15

Для каждого типа h помещения, соединенного с вентилятором, рассчитывается Qминh суммированием дебитов каждой комнаты.

Имеется: Q минh = (15×i) + (15×j) + (15×k)

Где:

h = тип помещения

i = количество WC в помещениях типа h

j = количество ванных в помещениях типа h

k = количество кухонь в помещениях типа h

Считается, что этот дебит получен для всех помещений этого типа (даже если давление увеличивается при приближении к вентилятору, устройство регулировки по уровню влажности автоматически уменьшает степень раскрытия воздухоотводов для уравновешивания дебитов на колонну (стояк)).

Минимальный общий дебит, отводимый вентилятором, следующий:

Qминh - общий минимальный дебит, отводимый из каждого помещения типа h;

N h - количество помещений типа h, соединенных с вентилятором;

m - количество типов помещений

Напоминание: Данные расчеты сделаны, исходя из предположения, что в каждом подсобном помещении имеется воздухоотвод.

3 Выбор вентилятора

Вентилятор выбирается таким образом (см. главу 5), чтобы диапазон дебитов покрывал наилучшим образом рассчитанные значения как Qмин, так и Qмакс.; при этом руководствуйтесь таблицей (рис.А).

Рисунок А. диапазон работы вентилятора VEC.

На примере характеристической кривой необходимо проверить (см. рисунок d и § 5.2), создаваемое вентилятором падение давления при дебитах Qобщ.мин и Qобщ. макс таково, что на каждом воздухоотводе будет перепад давления1 от 65 Пa до 150 Пa. В самом деле, вентилятор должен обеспечивать давление, необходимое для компенсации потерь напора в сети при данных дебитах. Эти потери напора - переменные:

больше - при высоком дебите,

меньше - при низком.

ВНИМАНИЕ:

Только вентиляторы, предлагаемые фирмой AERECO (под маркой VEC), гарантируют оптимальную работу элементов управления по уровню влажности вентиляционной системы. Их характеристики (пологая кривая) позволяет в самом деле реально модулировать дебиты при изменении степени раскрытия заслонок воздухоотводов.

По вопросам установки других имеющихся вентиляторов, не указанных в этом документе, следует обратиться к нам за консультацией.

Рисунок B. выбор вентилятора - анализ характеристической кривой

1 Посредством каналов для воздуха с подобранными по необходимости размерами.

После того, как проверка показала, что выбранный вентилятор соответствует требованиям, приступают к определению размеров сети.

4. Выбор сети

Сеть (ее сечение) выбирают, исходя из практического опыта.

Примечание: необходимо следить за тем, чтобы скорость потока воздуха при максимальных дебитах не превышала 5 м/сек.

5. Расчет потерь напора

Потери напора сети рассчитываются по правилам обычного расчета.

Программное обеспечение для упрощения расчетов будет выложено на сайте в интернете www.aereco.com по адресу www.aereco.com/calcul

6. Проверка имеющегося давления

Необходимо убедиться в правильности следующих гипотез:

- В воздухоотводе с наименьшим дебитом падение давления составляет ≥ 65 Пa, при этом все дебиты находятся на своих максимальных значениях (при Q = Q общ. макс).

- В воздухоотводе с наибольшим дебитом падение давления составляет ≤ 150 Пa, при этом все дебиты находятся на своих минимальных значениях (при Q = Q общ. мин).

Если это не так, необходимо изменить сечение каналов для воздуха и повторить расчеты.

7. Повторение этапов с 4 по 6

Работа закончена после проверки обеих гипотез этапа 6.

Примечание: В некоторых частных случаях (здания большой высоты или зоны с сильными ветрами), может оказаться необходимым учитывать эффекты теплового воздействия на тягу и давления ветра, при расчетах крайних значений падения давления в воздухоотводах.

Пример применения методов определения размеров

Для расчета берется здание с использованием 1 центрального вентилятора, включающее следующие помещения:

Tип помещения h

Количество помещений этого типа Nh

Количество подсобных комнат по типам

WC

I

Ванная

j

Кухня

k

1

6

0

1

1

2

4

1

1

1

3

4

1

2

1

4

2

2

2

2

1 Расчет общего максимального дебита:

Qмакс.1 = (30×0) + (50×1) + (50×1) = 100

Qмакс.2 = (30×1) + (50×1) + (50×1) = 130

Qмакс.3 = (30×1) + (50×2) + (50×1) = 180

Qмакс.4 = (30×2) + (50×2) + (50×2) = 260

Qобщ.макс. = Σ (Q макс.h ×Nh) = (100×6) + (130×4) + (180×4) + (260×2) = 2360 м3/час

2 Расчет общего минимального дебита:

Qмин.1 = (15×0) + (15×1) + (15×1) = 30

Qмин.2 = (15×1) + (15×1) + (15×1) = 45

Qмин.1 = (15×1) + (15×2) + (15×1) = 60

Qмин.1 = (15×2) + (15×2) + (15×2) = 90

Qобщ.мин. = Σ (Qмин.h × Nh) = (30×6) + (45×4) + (60×4) + (90×2) = 780 м3/час

3 Выбор вентилятора:

Судя по его характеристикам, наилучшим образом подходит VEC 321 H.

Необходимо произвести регулировку шкива (привода) (рис. e) таким образом, чтобы получилась следующая кривая; из нее вычитаются крайние рабочие точки (учет потерь напора рассматриваемой сети):

Рисунок А. выбор вентилятора VEC и регулировка шкива

Точка, данная значением Qобщ.мин., расположена выше кривой вентилятора (регулировки шкива) под воздействием первой точки Qобщ.макс. из этого следует, что реальная точка работы будет смещена «по вертикали» ниже точки расчета, что выразится в более низком давлении на воздухоотводе, чем 150 Пa при Qобщ.макс..

4 Выбор сети:

Выбор сети (длина, диаметр, число колен) зависит от геометрии здания и давления, обеспечиваемого вентилятором, на основе опыта.

5 Расчет потерь напора сети:

Для расчета потерь напора сети используются известные правила. Программное обеспечение, которое может в этом помочь, будет размещено в интернете на сайте по адресу: www.aereco.com/calcul

6 Проверка имеющегося давления

Необходимо убедиться, что следующие предположения правильные:

- Падение давления в воздухоотводе с наименьшим дебитом ≥ 65 Пa, тогда как все дебиты показывают свои максимальные значения (при Q = Qобщ.макс.).

- Падение давления в воздухоотводе с наибольшим дебитом ≤ 150 Пa, тогда как все дебиты показывают свои минимальные значения (при Q = Qобщ.мин.).

Если же это не так - необходимо изменить сечение каналов для воздуха и переделать расчет.

7 Повторение этапов с 4 по 6

Работа завершена после проверки обоих предположений на этапе 6.

Установка сети каналов для воздуха

Коллекторная сеть начинается с воздухоотводов и заканчивается выходным отверстием наружу, следуя по ходу потока от вентилятора. В коллективных устройствах сеть состоит из (см. рис. f):

- Соединительных каналов (1)

- Одного или нескольких вертикальных каналов (2)

- Коллекторных горизонтальных каналов (3)

- Вентилятора (4)

Рисунок В. Расположение и название элементов сети воздуховодов.

Соединительные каналы выполнены из жестких или гибких труб. Другие каналы выполняются из жестких труб.

Жесткие каналы

Материалы

Жесткие каналы выполняются из одного из следующих материалов:

- Aлюминий

- Нержавеющая сталь

- Оцинкованная сталь

Диаметры и толщина

Минимальные значения толщины следующие:

- Алюминий:

толщина 0,6 мм при Ø от 125 до 315 мм

толщина 0,8 мм при Ø более 315мм

- Нержавеющая сталь:

руководствоваться действующими нормами

- Оцинкованная сталь:

руководствоваться действующими нормами

Эти каналы представлены для продажи в каталоге принадлежностей «Accessoires AERECO».

Применение

Колена и места соединений:

Колена и места соединений не должны изменять направление движения потока более 90°. (Рис. g)

Это правило служит для ограничения аэравлических потерь напора. Наиболее часто используемые колена имеют изгиб 90° и 135°, что соответствует изменению направления на 45°.

Герметичность

Герметичность необходима для нормального функционирования оборудования. Она зависит от раструбных соединений и заделки швов.

Mатериалы для герметизации:

Материалы, используемые для обеспечения герметизации каналов и оборудования, должны соответствовать следующим требованиям:

- Стойкость материалов к атмосферным воздействиям

- Стойкость к старению (UV…)

Эти требования удовлетворяются при использовании таких материалов, как клейкие ленты, термоусадочные ленты, силиконовые мастики, клей, прокладочные кольца с кромкой и другие уплотнения, в отношении которых имеется четкое указание изготовителя, что они могут использоваться для создания вентиляционных установок в зависимости от условий VMC.

Соединение 2 жестких каналов производится с использованием промежуточной охватываемой муфты с наложением силиконовой мастики по периметру муфты с последующей фиксацией соединяемых каналов заклепками по периметру:

Противошумовые устройства

При использовании противошумовых устройств входящие в них материалы (минеральная вата) должны дополняться соответствующей сеткой для более длительного срока службы.

Это требование позволяет предотвратить возможное засорение каналов плохо закрепленными материалами.

Для обеспечения возможности их обслуживания эти устройства должны устанавливаться только в легко доступных местах (места соединений).

Применение этих устройств не должно приводить к уменьшению дебитов вытяжки воздуха.

Использование гидрофильного материала в противошумовых устройствах не допускается при контакте с оцинкованной сталью.

Предупреждение: Эти материалы могут способствовать образованию конденсата, негативно влияющего на срок службы сети.

Соединительные каналы (дополнительные указания)

Материалы

Можно использовать как жесткие, так и гибкие каналы. Гибкие каналы имеют следующие характеристики:

- Гибкие каналы без подсоединения газовых приборов1: алюминий минимальной толщиной 0,12 мм или нержавеющая сталь толщиной 0,1 мм.

1 Данный случай относится к настоящему документу

Соединения

Один канал может обслуживать несколько воздухоотводов.

Способ использования должен допускать возможность проверки наличия пустого пространства в канале. При использовании гибких каналов нельзя допускать их сплющивания, поскольку это ведет к значительному снижению дебита вытяжки.

В зависимости от обстоятельств допускается сплющивание не более 2 см.

Воздухоотвод подсоединяется к каналу через уплотняющую манжету, замурованную в стене. Хомут обеспечивает крепление соединения канала - манжеты. (Рисунок h)

Рисунок D. соединение воздухоотвода с каналом

Герметичность

Число стыков должно быть минимальным с учетом длины каналов.

Вертикальный коллекторный канал (дополнительные указания)

Вертикальный коллекторный канал начинается после соединительного канала по ходу потока и заканчивается перед разветвлением, расположенным на террасе или на крыше. Рис. i)

Он состоит из части или всех следующих элементов:

- обычно прямолинейных каналов,(a)

- этажных коллекторов (b)

- заглушки в основании канала (c).

Рисунок E составляющие элементы вертикального коллекторного канала

Направление и устройства контроля

a) направление

Канал в своем прохождении сквозь здание может иметь изменения сечения и участки с отклонением по горизонтали или вертикали.

При некоторых архитектурных особенностях (пирамидальное здание…) коллекторные каналы, обычно расположенные вертикально, могут располагаться горизонтально за навесным потолком каждого уровня и подсоединяться к одному или нескольким вертикальным коллекторным каналам, расположенным в центральной или периферийной части здания.

b) устройство контроля

Устройство контроля обеспечивает доступ к заглушке и чистку сифона, если это необходимо, поэтому они должны предусматриваться в вентиляционных трубах, где находится вертикальный коллекторный канал.

Доступ к этому устройству должен предусматриваться из мест общего пользования или - при невозможности - из специально созданных для этого мест.

Также может предусматриваться устройство контроля в месте расположения каждого воздухоотвода для упрощения осмотра соединительного канала.

Защитный кожух

Канал обычно размещается внутри зданий.

Тем не менее, иногда - в том числе по архитектурным причинам - канал может быть полностью или частично расположен снаружи здания. Необходимо четко предусматривать такую возможность в технических спецификациях проекта. Выполнению работ в этом случае должно предшествовать специальное исследование.

В этом случае канал должен отделяться от мест его прохождения кожухом.

Этот кожух обеспечивает механическую защиту канала и может способствовать его шумоизоляции или необходим согласно нормативам противопожарной безопасности.

В одном кожухе могут располагаться несколько каналов. Каналы для вентиляции типа VMC не должны располагаться в контакте с другими каналами.

Участок, проходящий через необустроенную крышу, может выполняться без кожуха.

Требования в части противопожарной безопасности комплекта, состоящего из канала и его кожуха, определяются действующими нормативами.

Устройства контроля

Канал может иметь различные устройства (демонтируемые заглушки), позволяющие осуществлять контроль даже в случае различных уклонов каждого прямолинейного участка для проверки наличия пустоты внутри канала. Основание вертикального канала должно быть снабжено демонтируемой заглушкой.

Отвод конденсата

Если в канале может образоваться конденсат, то заглушка в основании канала должна быть снабжена устройством для отвода конденсата.

Конденсат, накапливающийся в основании вертикального канала, отводится специально предусмотренным образом. Для этого может использоваться канализационная сеть. В этом случае все трубы и детали, расположенные между основанием канала и канализационной сетью, должны изготавливаться из материалов, устойчивых к воздействию конденсата.

Примечание: для этой цели могут использоваться трубы ПВХ.

Крепление

Устройства, используемые для крепления канала, должны обеспечивать его долговечную фиксацию без ущерба его целостности.

Проход сквозь межэтажные перекрытия

При отсутствии специальных архитектурных требований соединение элементов каналов выполняется вне пределов толщины межэтажных перекрытий.

Могут иметься другие архитектурные требования в случае, если канал имеет различные изгибы (см., например, рис. j, относящийся к пирамидальным зданиям).

Рисунок J Проход сквозь межэтажные перекрытия: допустимое решение в случае изменения направления каналов

Отверстие в перекрытии заделывается по всей толщине. Допускается, однако, если диаметр отверстия превышает диаметр канала не более, чем на 2 cм, выполнять только частичную заделку по всему периметру с помощью раствора или ленточной мастики.

Это необходимо делать для обеспечения акустической изоляции между помещениями.

Прохождение межэтажных перекрытий должно проводиться с соблюдение целостности канала.

Рисунок К. Пример прохода межэтажного перекрытия.

Возможным решением является обмотка канала тонким эластичным материалом, например, полимером, позволяющим предотвратить полное схватывание стенок канала с элементами строительных конструкций (рис. k). Этот эластичный материал должен наноситься с превышением толщины пересекаемого перекрытия или стены.

Горизонтальная коллекторная сеть : дополнительные указания

Горизонтальная сеть соединяет верхнюю часть вертикальных каналов с вентилятором. Сеть включает все или некоторые из нижеследующих элементов:

- тройник (т-образное соединение, кессон), см. рис. l,

- горизонтальные каналы,

- детали соединений каналов,

- колена,

- при необходимости нагнетательный канал, расположенный после вентилятора, следуя по ходу потока. Обычно эта сеть расположена на террасе, на крыше или (в случае обратного расположения системы вентиляции) - в нижней части здания (цокольный этаж, подвал, технический подвал).

Необходимо помнить, что расположение горизонтальной сети должно в любом случае допускать ее обслуживание в нормальных условиях и соответствовать действующим нормативам, например в том, что касается создания препятствий (помех) и выходов наружу.

Рисунок A т-образное соединение

Доступность горизонтальной сети

Вентилятор, т-образные соединения и, при наличии, точки прочистки и органы регулировки должны обеспечиваться легким доступом из мест общего доступа.

Это указание должно учитываться при проектировании.

Необходимо принять меры для обеспечения беспрепятственного доступа (например, хранить в доступном месте ключи от лестницы и люка доступа).

В случае, если в некоторых частях здания доступ затрудняется расположенными там каналами, которые могут быть повреждены при переходе через них, необходимо предусмотреть устройство мостков.

Т-образные соединения (кессоны)

а) выбор соединений: эти соединительные элементы должны быть снабжены крышками для облегчения доступа с целью контроля.

b) установка: установка этих соединительных элементов должна обеспечивать возможность периодического контроля и чистки каналов.

Данное указание должно сочетаться также с необходимостью обеспечения герметичности.

Органы уравновешивания дебита

В отличие от других технологий вентиляции, требующих применения устройств уравновешивания дебитов, технология вентиляции AERECO с регулировкой по уровню влажности не нуждается в использовании таких устройств. Как это видно на примере кривых (пологие кривые), предлагаемые вентиляторы не требуют применения таких компонентов.

Уклон каналов

Горизонтальная сеть должна иметь один или несколько уклонов так, чтобы конденсат мог стекать в т-образные соединения (кессоны).

Изменение сечения

Изменение сечения выполняется с использованием концентрических или эксцентрических переходных муфт. Обычно переходные муфты устанавливаются так, чтобы они не находились в самом низу. Однако в случае если это обусловлено реальными архитектурными неудобствами (например, сеть большой длины), допускается установка переходных муфт внизу. В таких случаях эти муфты должны иметь устройства для слива воды.

При этом особое внимание необходимо уделить обеспечению водонепроницаемости между аэравлическим каналом и устройством для слива воды.

Вариант установки на террасе: защита герметичного покрытия

Т-образные соединения

a) Составные элементы и установка

Коллекторный канал выходит на крышу в виде жесткой трубы из металла: в целях обеспечения герметичности эта жесткая труба должна выходить из каменной кладки не менее, чем на 10 см (рис. m).

При установке т-образных соединений, в целях обеспечения герметичности они должны насаживаться на трубу на 4 см по высоте:

Рисунок B Установка т-образного соединения на террасе

Соблюдение этого указания обеспечивается установкой т-образного соединения на выходящей трубе, а также благодаря приспособлению по форме внутренней части.

Использование т-образного соединения не должно препятствовать герметизации выходящей трубы.

Соблюдение этого указания обычно обеспечивается одним из следующих способов:

- путем насадки т-образного соединения на трубу не менее, чем на 4 см, что обычно требует использования трубы по диаметру близкой к диаметру вертикального канала;

- окончательная фиксация т-образного соединения на вертикальном канале производится после выполнения герметизации.

b) каменная кладка

Защитная металлическая труба устанавливается в каменной кладке вместе с несущим элементом. Если выступающие элементы каменной кладки включают в себя выступающие трубы (вентиляция, канализация), то они должны располагаться не ближе 10 см друг от друга (рис. m).

Свободное по высоте пространство над герметичным покрытием

Коллектор должен располагаться таким образом, чтобы его нижняя часть располагалась на расстоянии не менее 30 см (рис. m) от герметичного покрытия.

Опоры коллекторов

Опоры коллекторов устанавливаются (рис. n) на герметичном покрытии с использованием ровного и жесткого основания. Это основание площадью не менее 900 см² и шириной не менее 20 см укладывается на разделительный материал (плита из пробки минимальной толщиной 3 см или полистирола плотностью не менее 25 кг/м3, из резины толщиной не менее 2 мм или другого аналогичного материала).

Рисунок C Опоры коллекторов на террасе

Допустимое давление на герметичное покрытие зависит от вида основы герметичного покрытия.

Это условие соблюдается вне зависимости от типа основы, если давление, оказываемое на герметичное покрытие, не превышает 0,04 дан/cм².

Вентилятор

Соединение вентилятора с крышей должно предусматривать возможность обслуживания и ремонта герметичного уплотнения.

Установка возможна одним из двух следующих ниже способов:

a) Путем наложения (рисунок o) разъединительного, соответствующего, по типу и допустимому давлению, указаниям этого документа (§ «Опоры коллекторов»)

b) Путем установки вентилятора на выступающий массив каменной кладки (рисунок p), жестко скрепленный с несущим элементом. По своему рельефу этот массив должен соответствовать требованиям действующих нормативов к наложению герметичного покрытия.

Рисунок О Установка вентилятора на террасе (решение a)

Рисунок P установка вентилятора на террасе (решение b)

Герметичность выше выступающего массива обеспечивается, следовательно, вентилятором.

Решение b обычно применяется, когда вентилятор слишком тяжелый для установки без использования подъемных механизмов.

Технические зоны

Зоны, предназначенные для работ по обслуживанию вентиляционных систем VMC, считаются техническими зонами. Они могут представлять собой изолированные участки или проходы.

В этих зонах покрытие для перемещения должно соответствовать нормативам.

Вентилятор

Выбор вентилятора

Количество вентиляторов

Имеющиеся изделия*

Для размещения на крыше или на террасе

Для размещения только в отапливаемом помещении

Коллективный вентилятор 1 на N помещений или

VEC 240H

VEC 271H

VEC 321H

VAM (1 на помещение)

1 индивидуальный вентилятор на помещение

VEC 382H

* выбор вентилятора обуславливается соотношением дебит/давление, рассчитанных на этапах 1 и 2, § 4.1.1.

Характеристики вентиляторов VEC

Аэравлические характеристики (пояснения одинаковы для обоих графиков)

2 кривые соответствуют крайним значениям регулировки шкива

Уровень акустического давления замеряется на расстоянии 4 м от всасывающего патрубка в дб при свободном выходе воздуха.

Ввод в эксплуатацию - общие указания

Размещение

В качестве напоминания: размещение вентиляторов должно производиться так, чтобы можно было производить их обслуживание.

Электропитание

Электрические соединения вентилятора должны располагаться в шкафу, защищенном от влаги.

Степень защиты электрических шкафов определяется действующими нормами.

Электропитание обеспечивается согласно действующим нормам.

В непосредственной близости от вентилятора должен быть установлен выключатель.

Ремень трансмиссии

С каждым вентилятором должен поставляться резервный ремень трансмиссии, который должен храниться рядом с вентилятором, если он приводится в действие при помощи ремня. Запасной мотор, если он имеется, должен храниться в защищенном от влаги месте.

Акустические требования

Вентилятор обычно устанавливается на массивном основании.

Если мотор не прикреплен к защитному кессону посредством антивибрационных материалов, следует расположить между кессоном и основанием эластичный материал (подкладку или коврик), статичное проседание которого под воздействием собственного веса кессона будет не менее 5 мм.

Вентилятор - при его установке на крыше, - если он не может быть установлен на жестком основании, должен подвешиваться к несущим конструкциям на тросах. В этом случае следует использовать гибкие соединительные муфты (см. § 5.3.2).

Подсоединение горизонтальной коллекторной сети к вентилятору

Использование гибких соединительных муфт рекомендуется для предотвращения передачи вибрационного шума:

- соединенные между собой таким образом каналы являются коаксиальными;

- опоры каналов таковы, что каналы для воздуха не оказывают нагрузки на муфту;

- обеспечивается герметичность, сравнимая по уровню с другими способами соединения.

Гибкие муфты должны подвергаться периодической проверке их состояния. Эта проверка не зависит от услуг по установке.

Использование жестких муфт не допускается, если вентилятор установлен на антивибрационной прокладке.

Выброс воздуха вентилятором

Описание способа прохода сквозь крышу не включается в настоящий документ.

Установка

В случае если здание оснащено террасой, выброс воздуха происходит на террасу непосредственно или посредством отводного канала.

Выброс отведенного воздуха в чердачное помещение под крышей не допускается.

Это положение преследует цель не допустить повторное попадание загрязненного воздуха в помещения и образования конденсата под крышей.

Защита выпускного отверстия

Выпускное отверстие канала для воздуха, когда вентилятор расположен в чердачном помещении, должно быть снабжено устройством защиты для недопущения проникновения дождевой воды. При этом площадь сечения воздушного прохода не должна уменьшаться.

Защитное устройство не требуется, если выпускной канал воздуха (или вентилятор) снабжены в нижней части устройством отвода дождевой воды, выполненным согласно указаниям § «Точки отвода воды при установке сетей в чердачных помещениях».

Сигнализация в случае отказа вентилятора

Общие указания

Оборудование должно быть снабжено системой сигнализации, автоматически срабатывающей в случае остановки вентилятора.

Эта сигнализация должна быть:

- дистанционной, с передачей сигнала в служебное помещение или

- световой; в этом случае она должна располагаться на каждой площадке или в каждом помещении или

- звуковой: в этом случае она должна устанавливаться в верхней части каждой лестничной клетки или в каждой прихожей, или на внешнем фасаде здания, если не имеется внутренней лестничной клетки (для зданий с этажными коридорами и внешней лестницей); мощность звукового сигнала устанавливается по необходимости.

Уровень акустического сигнала может устанавливаться, начиная с 80 дб (A). Сигнал имеет целью привлечения внимания сервисных служб.

Системы обнаружения неисправностей

Следует использовать следящую систему с реле давления или тахиметрическую с непосредственным контролем вращения вентилятора, либо любую другую столь же надежную систему слежения.

Случаи использования нескольких отводящих вентиляторов в одном помещении

При использовании нескольких отводящих вентиляторов в одном помещении эти аппараты должны контролироваться таким образом, чтобы происходила автоматическая остановка всех, если один из них перестает работать.

Ввод в эксплуатацию вентиляторов VEC - общие указания

Рекомендации по вводу в эксплуатацию

1. С целью предотвращения вибрации мы рекомендуем:

- Использование антивибрационного основания,

- Гибкие муфты всасывания и выброса.

2. При проведении работ с кожухом вентилятора (кессоном) мы рекомендуем:

- Использовать перчатки во избежание травм при контакте с листовой сталью кожуха,

- Использовать поставляемые устройства для погрузки и разгрузки кожуха вентилятора,

- Использовать соответствующие подъемные механизмы во избежание травм персонала или повреждения оборудования.

3. В случае, когда кожух вентилятора поставляется с уплотняющей манжетой + решеткой + колпаком, эти принадлежности должны быть установлены перед запуском.

4. Кожух вентилятора должен подсоединяться к аэравлической сети до запуска.

Установка должна выполняться таким образом, чтобы исключить контакты с вращающимися частями.

Установка должна выполняться квалифицированным персоналом.

При установке необходимо предусмотреть свободное место, равное по высоте и ширине размерам кожуха (в зависимости от типа) с передней стороны, для обеспечения доступа при обслуживании внутренних частей.

5. Убедиться перед запуском, что внутри кожуха или вентилятора нет посторонних предметов, чтобы они не были выброшены напором воздуха или чтобы не заблокировали крыльчатку вентилятора.

Подключение электропитания

1. Напряжение питания - 230 V или 400 V трехфазное, в зависимости от модели.

Примечание: если не указано иное при оформлении заказа, трехфазные вентиляторы поставляются для подключения к сети питания 400 V, трехфазного тока.

2. В случае изменения напряжения питания после подачи заказа необходимо адаптировать соответствующие значения электрозащиты (предохранитель, выключатель питания...) к этому новому напряжению.

3. Подключение электропитания регулируется правилами стандарта NF C 15-100.

Примечание: Предусмотреть крепления кабеля питания вентилятора как можно ближе к нему с помощью хомута или другого приспособления.

ВАЖНО: Не забывать выполнять заземление:

- На перемычке с символом  при наличии выключателя,

- На клемме заземления в случае подключения на шине DlN или на перемычке подключения.

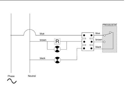
4. По схемам электроподключения руководствоваться представленными ниже схемами.

5. В случае вращения в обратном направлении (при трехфазном питании) поменять 2 фазы питания для изменения вращения в нужную сторону (рис. q).

Рисунок А. Правильное направление вращения вентилятора.

Схемы электроподключения

- VEC 1 режим (с выключателем):

Заземление производится на перемычке с символом  справа от выключателя.

- VEC 2 режима (без выключателя):

Подпись на рисунке:

Низкая скорость мотора - высокая скорость мотора

- VEC однофазный (с выключателем):

Некоторые вентиляторы VEC поставляются с моторами и кабелями для работы с однофазным током.

Заземление выполняется на перемычке с символом  справа от выключателя. Схема внутренних кабельных соединений приведена на рисунке:

Подписи на рисунке:

1 - фаза

3 - ноль

Внизу справа - конденсатор 30 микрофарад для вентиляторов VEC 240H и VEC 271H.

Реле давления

Подключение реле давления

 реле может управлять контактами для отключения питания нагревательных приборов в случае остановки вентилятора.

Отключающая способность реле давления при 250 V:

- По удельному сопротивлению: 5 A maxi,

- По индуктивности: 3 A maxi.

Регулировка реле давления

В случае если реле давления снабжено регулировкой:

- установить на 0,5 для вентилятора VEC:

- типа A

- типы AB.AC на скорость A.

- установить на 0,8 для вентилятора VEC:

- типы AB.AC на скорость B или C

- типы B и C

Ремонт и обслуживание вентилятора

ВНИМАНИЕ

ОТКЛЮЧАТЬ ЭЛЕКТРОПИТАНИЕ ПЕРЕД ПРОИЗВОДСТВОМ ЛЮБЫХ РАБОТ НА ВЕНТИЛЯТОРЕ И ИСКЛЮЧИТЬ СЛУЧАЙНОЕ ВКЛЮЧЕНИЕ ПРИ ВЫПОЛНЕНИИ РАБОТ. ПРИСТУПАТЬ К РАБОТАМ ТОЛЬКО ПОСЛЕ ПОЛНОЙ ОСТАНОВКИ ВЕНТИЛЯТОРА.

1 Регулировка скорости вентилятора, снабженного шкивами и приводным ремнем (рисунок i).

При поставке вентилятор устанавливается в среднее положение своего рабочего диапазона.

Рисунок R регулировка скорости на шкиве

2 в случае изменения скорости вентилятора или замены ремня проверить натяжение ремня перед включением:

3 В случае замены шкива или мотора проверить выравнивание шкивов и натяжение ремня перед включением:

Меры предосторожности

- Не включать вентилятор с открытым кожухом.

- Не пытаться просунуть инструмент сквозь решетку выхода воздуха при работающем вентиляторе.

- Вентилятор с кожухом не предусмотрен для вытяжки воздуха, содержащего пары хлора.

- Вентилятор с кожухом не предназначен для вытяжки воздуха, содержащего взрывоопасные пары и не должен использоваться во взрывоопасной атмосфере или подключаться к дымовым трубам.

- Вентилятор с кожухом не предназначен для удаления дыма.

- Для использования вентилятора в целях вытяжки воздуха, содержащего особые пары, обращайтесь к нам за консультацией.

Ежегодное обслуживание

- Проверить степень износа ремня и его натяжение.

- Удалять пыль с лопаток вентилятора и его внутренних частей, настолько часто, насколько это необходимо, но не реже одного раза в год, для предотвращения разбалансировки и износа подшипников.

- Не использовать системы с высоким давлением или паром для чистки вентилятора или мотора.

- Проверить правильное крепление мотора и шкивов.

- Проверить состояние эластичных креплений.

- Обращать внимание на появление необычных шумов.

Запасные части

При заказе запасных частей, указывать точные номера вентилятора, приведенные на планке, прикрепленной к корпусу.

Пуск в эксплуатацию и проведение испытаний

Проверки, предшествующие пуску в эксплуатацию

Перед пуском в эксплуатацию необходимо убедиться в соответствии проектным требованиям следующих элементов:

- воздухозаборники (размещение, количество на квартиру, тип) и расположение воздушных каналов;

- воздухоотводы;

- устройства слива конденсата, если имеются.

Если воздухоотводы снабжены клапанами или заслонками противопожарной защиты, убедиться, что они случайно не закрылись.

Регулировка

Установка снабжается устройствами регулировки для получения требуемого дебита на различных воздухоотводах согласно нормативам по вентиляции и шумоизоляции.

Вентилятор вытяжки воздуха

Во всех случаях необходимо убедиться в правильном направлении вращения вентилятора.

В случае использования вытяжного вентилятора с регулируемой скоростью вращения установить скорость на значение, указанное при проектировании размеров.

Необходимо напомнить, что соблюдение требований по уровню шума может не соблюдаться при слишком высокой скорости вращения.

Воздухоотводы

Воздухоотводы AERECO регулируются на заводе и настраиваются на использование в определенных климатических зонах.

Никакой дополнительной регулировки не требуется.

Меры контроля

Контроль перепада давления перед вентилятором

При использовании воздухоотводов с возможностью регулировки пользователем, когда они установлены в положении большого дебита, необходимо проверить перепад давления в канале для воздуха непосредственно перед вентилятором на расстоянии не менее 6 диаметров от вентилятора и убедиться, что разница давления не превышает 15 Пa от проектной.

Если это не так, можно в случае использования вытяжного вентилятора с регулируемой скоростью вращения установить скорость таким образом, чтобы привести давление к нужному значению.

Необходимо напомнить, что добавление других устройств регулировки дебита с целью приведения давления к нужному значению, кроме тех, которые указаны в проекте, не допускается.

Контроль дебита и перепада давления на воздухозаборниках

При использовании воздухоотводов, допускающих регулировку пользователем, когда они установлены в положении большого дебита, необходимо проверить, что дебит вытяжки на воздухоотводах с наименьшей нагрузкой находится в пределах допуска, определенного проектом. При использовании воздухоотводов, допускающих регулировку пользователем, когда они установлены в положении малого дебита, необходимо проверить, что дебит вытяжки на воздухоотводах с наибольшей нагрузкой находится в пределах допуска, определенного проектом.

Необходимо также убедиться, что давление после воздухоотвода с наибольшим дебитом отклоняется от проектного не более, чем на 15 Пa.

Проверки могут выполняться либо непосредственно путем измерения дебита вытяжки (при этом можно убедиться в том, что наличие измерительного прибора не влияет значительным образом на дебит), либо косвенно путем замера давления после воздухоотвода. В случае если воздухоотвод, на котором выполняется замер, может регулироваться пользователем, необходимо повторить эти измерения для каждого положения регулировки.

Обслуживание оборудования

 

Вид работ

Периодичность

Воздухозаборники

Удалить пыль с воздухозаборника сухой тряпкой

1 раз в год

Козырьки/навесы

Снять сетку защиты от насекомых.

Промыть в мыльной воде

1 раз в год

Воздухоотводы VMC

Снять сетку и заслонки

Промыть (в мыльной воде или посудомоечной машине)

Кухня: 2 раза в год

Ваная и WC: 1 раз в год

Вентиляторы

Убедиться в чистоте крыльчатки

Если необходимо, почистить щеткой

1 раз в год

Примечание: Инструкция по обслуживанию прилагается к каждому изделию. За более подробной информацией по обслуживанию обращаться к разделам, описывающим отдельные части системы.

 

 




ГОСТЫ, СТРОИТЕЛЬНЫЕ и ТЕХНИЧЕСКИЕ НОРМАТИВЫ.
Некоммерческая онлайн система, содержащая все Российские Госты, национальные Стандарты и нормативы.
В Системе содержится более 150000 файлов нормативно-технической документации, действующей на территории РФ.
Система предназначена для широкого круга инженерно-технических специалистов.

Рейтинг@Mail.ru Яндекс цитирования

Copyright © www.gostrf.com, 2008 - 2026