Крупнейшая бесплатная информационно-справочная система онлайн доступа к полному собранию технических нормативно-правовых актов РФ. Огромная база технических нормативов (более 150 тысяч документов) и полное собрание национальных стандартов, аутентичное официальной базе Госстандарта. GOSTRF.com - это более 1 Терабайта бесплатной технической информации для всех пользователей интернета. Все электронные копии представленных здесь документов могут распространяться без каких-либо ограничений. Поощряется распространение информации с этого сайта на любых других ресурсах. Каждый человек имеет право на неограниченный доступ к этим документам! Каждый человек имеет право на знание требований, изложенных в данных нормативно-правовых актах!

  


 

Ассоциация Строителей России

СТАНДАРТ ОРГАНИЗАЦИИ

ПРОЕКТИРОВАНИЕ И ВОЗВЕДЕНИЕ ОГРАЖДАЮЩИХ КОНСТРУКЦИЙ
ЖИЛЫХ И ОБЩЕСТВЕННЫХ ЗДАНИЙ С ПРИМЕНЕНИЕМ ЯЧЕИСТЫХ
БЕТОНОВ В РОССИЙСКОЙ ФЕДЕРАЦИИ

Часть 1
(Издание второе, дополненное)

СТО 501-52-01-2007

Москва 2008

Предисловие

1 РАЗРАБОТАН: Центром ячеистых бетонов (Вылегжанин В.П. - к.т.н., директор, Пинскер В.А. - к.т.н., научный руководитель), НП «Межрегиональная Северо-Западная строительная палата», Департаментом строительства Ассоциации Строителей России.

2 ПРИНЯТ И ВВЕДЕН В ДЕЙСТВИЕ: решением Совета Ассоциации Строителей России от 25 января 2007 года

3 ВНЕСЕН в реестр Федерального агентства по техническому регулированию и метрологии ФГУП «СТАНДАРТИНФОРМ» за государственным регистрационным номером № 27-СТО.

4 ВВОДИТСЯ ВПЕРВЫЕ

Введение

Настоящий стандарт организации (СТО) по проектированию и возведению конструкций жилых и общественных зданий разработан с целью эффективного и безопасного использования ячеистых (газо-, пено-) бетонов в конструкциях при строительстве жилых и общественных зданий в Российской Федерации.

Разработка настоящего СТО вызвана отсутствием унифицированных нормативных документов, отвечающих современным требованиям к изготовлению изделий из ячеистых бетонов и применению их в конструкциях зданий.

Существующая информация о нормативных показателях, изложенная в ГОСТ, СНиП, руководствах, инструкциях очень разрознена, противоречива, во многом устарела. Настоящий СТО преследует цель систематизации существующих нормативных требований и объединения их в единый документ.

Настоящий СТО выполнен в соответствии с требованиями действующих межгосударственных, федеральных и территориальных нормативных документов.

Прототипом СТО является Региональный методический документ РМД 52-01-2006 (часть I) для Санкт-Петербурга, разработанный Центром ячеистых бетонов и утвержденный Правительством Санкт-Петербурга.

В разработанном СТО предложены современные конструктивные решения наружных ограждений (стен) с использованием ячеистого бетона. В СТО дается метод расчета несущей способности таких стен. Предложены методы контроля качества ячеистобетонных изделий, изложены правила производства работ по возведению стен из ячеистобетонных блоков.

Настоящий СТО - I часть (издание 2-ое, дополненное) стандарта организации «Проектирование и возведение ограждающих конструкций жилых и общественных зданий с применением ячеистых бетонов в Российской Федерации», касается проектирования и применения стеновых конструкций из ячеистобетонных мелких блоков дополненное нормативными требованиями к ячеистым бетонам автоклавного твердения и стеновым блокам, изготовленных из него, изложенными в ГОСТ 31359-2007, ГОСТ 31360-2007.

Содержание

1. Область применения

2. Нормативные ссылки и условные обозначения основных символов

3. Ячеистые бетоны. Общие определения

4. Общие технические требования к ячеистым бетонам

4.1. Классификация

4.2. Материалы для изготовления

4.3. Физико-механические характеристики

4.4. Физико-технические характеристики

5. Рекомендуемые виды изделий и элементов из ячеистых бетонов для жилых и общественных зданий

6. Конструкции наружных стен из мелких ячеистобетонных блоков

6.1. Технические требования к материалам блоков и стенам из них

6.2. Общие положения по конструированию и применению стен из мелких блоков

6.3. Конструктивные решения наружных однослойных стен

6.4. Конструкции наружных многослойных стен с применением ячеистобетонных блоков, кирпича и монолитного бетона

6.5. Расчет несущей способности стен из блоков

6.6. Деформационные швы

7. Общие положения по теплотехническому расчету стен из блоков

8. Отделка стен из мелких ячеистобетонных блоков

9. Растворы для кладки стен из блоков

10. Контроль качества при приемке, транспортировке и хранении блоков

11. Правила производства, приемка работ и техника безопасности при возведении стен зданий из блоков

Приложение А (обязательное) Перечень основных нормативных документов, на которые имеются ссылки в тексте

Приложение Б Указатель буквенных обозначений

Библиография

СТАНДАРТ ОРГАНИЗАЦИИ

ПРОЕКТИРОВАНИЕ И ВОЗВЕДЕНИЕ ОГРАЖДАЮЩИХ КОНСТРУКЦИЙ ЖИЛЫХ И ОБЩЕСТВЕННЫХ ЗДАНИЙ С ПРИМЕНЕНИЕМ ЯЧЕИСТЫХ БЕТОНОВ В РОССИЙСКОЙ ФЕДЕРАЦИИ

Часть 1

1. Область применения

1.1. Стандарт организации (СТО) устанавливает показатели качества и безопасности изделий и конструкций из ячеистых бетонов, применяемых при проектировании и строительстве жилых и общественных зданий на территории Российской Федерации.

1.2. Настоящий СТО распространяется на разработку технических условий, проектной и технологической документации на изделия и конструкции из ячеистых бетонов, а также на их изготовление и использование в строительстве, реконструкции и капитальном ремонте жилых и общественных зданий.

1.3. СТО предназначен для юридических лиц, независимо от организационно-правовой формы и формы собственности, принадлежности и государственности, для физических лиц (граждан), занимающихся индивидуальной трудовой деятельностью или осуществляющих индивидуальное строительство, а также для иностранных юридических и физических лиц, работающих в области проектирования и строительства на территории Российской Федерации.

2. Нормативные ссылки и условные обозначения основных символов

2.1. Перечень нормативных документов, на которые даны ссылки в данном документе, приведен в приложении А.

2.2. Перечень и единицы измерения использующихся в тексте данного СТО символов приведены в приложении Б.

3. Ячеистые бетоны. Общие определения

3.1. Настоящий СТО распространяется на ячеистые бетоны.

Ячеистый бетон (далее - бетон) представляет собой легкий пористый искусственный каменный материал на цементном, известковом или смешанном вяжущих. Поры бетона подразделяются на гелевые, капиллярные и газовые. Гелевые образуются на месте воды, ушедшей на гидратацию вяжущих при встраивании в кристаллическую решетку последних. Капиллярные поры возникают вследствие испарения избыточной воды затворения. Газовые поры образуются в газобетоне от выделения пузырьков водорода при химической реакции алюминиевого порошка с гидроксидом кальция (или со щелочью); в пенобетоне - в результате воздухововлечения с поверхностно-активными веществами (ПАВ). В ячеистых бетонах газовые сферические поры (ячейки) занимают до 90 % общей пористости, которая может доходить до 90 % объема материала.

3.2. Материалы, бетоны, изделия и конструкции из них должны удовлетворять требованиям соответствующих ГОСТ, строительных норм, правил противопожарной безопасности, изложенных в СНиП 21-01, иметь гигиенические сертификаты, изготавливаться и применяться согласно настоящему СТО по технологической и технической документации, утвержденной в установленном порядке.

4. Общие технические требования к ячеистым бетонам

4.1. Классификация

Бетоны подразделяют:

4.1.1. По назначению:

- теплоизоляционные;

- конструкционно-теплоизоляционные;

- конструкционные.

4.1.2. По условиям твердения:

- автоклавные: твердеющие в среде насыщенного пара при давлении выше атмосферного;

- неавтоклавные:

- твердеющие в естественных условиях;

- твердеющие при электропрогреве, в пропарочных камерах, термо-, гелиоформах при атмосферном давлении.

4.1.3. По способу порообразования:

- газобетоны;

- пенобетоны;

- газопенобетоны;

- поризованные мелкозернистые бетоны (аэрированные).

4.1.4. По виду вяжущих:

- известковые;

- цементные;

- цементно-известковые;

- известково-цементные;

- шлаковые;

- сланцезольные.

4.1.5. По виду заполнителя:

- на природных кварцевых песках;

- на вторичных продуктах промышленности (золы-уноса тепловых электростанций, фосфоритные хвосты, отходы переработки железистых кварцитов и т.п.).

Названия основных разновидностей ячеистых бетонов приведены в таблице 4.1.

4.2. Материалы для изготовления

4.2.1. Требования к составам и качеству материалов, применяемых для изготовления ячеистых бетонов, изложены в СН 277, ГОСТ 25485 и ГОСТ 31359.

4.2.2. Цементные бетоны (газобетоны, пенобетоны, газозолобетоны, пенозолобетоны).

Вяжущее - портландцемент по ГОСТ 10178 и ГОСТ 31108 (не содержащий добавок с аморфным кремнеземом: трепела, глиежа, трассов, глинита, опоки, пепла), имеющий трехкальциевого алюмината (С3А) не более 6 %;

Кремнеземистые компоненты (заполнители, наполнители) - песок по ГОСТ 8736, содержащий SiО2 не менее 90 %, в т.ч. кварца не менее 75 %; слюды не более 0,5 %, илистых и глинистых примесей не более 3 %, в том числе монтмориллонита не более 1 %; отходы обогащения руд, содержащие кварца не менее 60 %.

Зола-унос ТЭС по ГОСТ 25818, вида IV с удельной поверхностью не менее 400 м2/кг у золы бурых углей и 500 м2/кг для каменных углей и содержанием SiO2 более 50 %.

Примечания

1. Применять бетоны, изготовленные на одном цементе (газоцемент, пеноцемент), т.е. без заполнителей, запрещается из-за их недолговечности.

2. Удельную поверхность применяемых материалов принимают по технологической документации в зависимости от требуемой средней плотности, класса по прочности, режимов тепловлажностной обработки и текучести смеси.

3. Расход цемента определяется расчетным или экспериментальным путем.

Таблица 4.1 - Основные разновидности ячеистых бетонов

Сокращенное название

Кремнеземистый компонент (наполнитель)

Порообразователь

На цементном вяжущем

Газобетон

Песок

Газообразователь

Газозолобетон

Зола ТЭС

Газообразователь

Пенобетон

Песок

Пенообразователь

Пенозолобетон

Зола ГЭС

Пенообразователь

На известковом (силикатном) вяжущем

Газосиликат

Песок

Газообразователь

Пеносиликат

Песок

Пенообразователь

Газозолосиликат

Зола ТЭС

Газообразователь

Пенозолосиликат

Зола ТЭС

Пенообразователь

Газосиликальцит

Песок

Газообразователь

Пеносиликальцит

Песок

Пенообразователь

На смешанном (цементно-известковом) вяжущем

Газосиликатобстон

Песок

Газообразователь

Пеносиликатобетон

Песок

Пенообразователь

Газозолосиликатобетон

Зола ТЭС

Газообразователь

Пенозолосиликатобстон

Зола ТЭС

Пенообразователь

На смешанном (известково-цементном) * вяжущем

Газобетоносиликат

Песок

Газообразователь

Пенобетоносиликат

Песок

Пенообразователь

Газозолобетоносиликат

Зола ТЭС

Газообразователь

Пенозолобетоносиликат

Зола ТЭС

Пенообразователь

На шлаковом вяжущем

Газошлакобетон

Песок-

Газообразо ватель

Пеношлакобетон

Песок

Пенообразователь

Газошлакозолобетон

Зола ТЭС

Газообразователь

Пеношлакозолобетон

Зола ГЭС

Пенообразователь

На сланцезольном (высокоосновном) вяжущем

Газосланцезолобетон

Песок, хвосты к-та «Фосфорит»

Газообразователь

Пеносланцезолобетон

Песок, хвосты к-та «Фосфорит»

Пенообразователь

* Соотношение цемент известь меньше единицы

4.2.3. Известковые бетоны (газосиликаты, пеносиликаты, газосиликальциты, пеносиликальциты, газозолосиликаты, пенозолосиликаты).

Вяжущее:

Известь, негашеная кальциевая - по ГОСТ 9179, быстро и среднегасящаяся, имеющая скорость гашения 5 ÷ 25 мин и содержащая активных CaO + MgO более 70 %, «пережога» - менее 2 %.

Известь для дезинтеграторной (стержневой) технологии (пеносиликальцит, газосиликальцит) должна иметь активность не менее 50 %, скорость гашения не менее 40 мин, содержание MgO не более 20 %.

Заполнители - песок по 4.2.2.

4.2.4. Цементно-известковые бетоны (газосиликатобетоны, пеносиликатобетоны, газозолосиликатобетон, пенозолосиликатобетон) и известково-цементные (газобетоносиликаты, пенобетоносиликаты, газозолосиликатобетоны, пенозолосиликатобетоны).

Вяжущее - портландцемент, негашеная известь в соотношениях, определяемых на основании расчетных или экспериментальных данных.

Заполнители - те же, что и для цементных бетонов.

4.2.5. Шлаковые бетоны (газошлакобетоны, пеношлакобетоны, газошлакозолобетоны, пеношлакозолобетоны).

Вяжущее:

Гранулированный по ГОСТ 3476 шлак более 50 % по массе в сочетании с известью, гипсом или щелочью.

Заполнители - зола-унос теплоэлектростанций, песок.

4.2.6. Сланцезольные бетоны (газосланцезолобетоны, пеносланцезолобетоны).

Вяжущее: высокоосновные золы активностью не менее 20 %, (как, например, сланцевые золы).

Заполнители - кварцевый песок, фосфоритные хвосты.

4.2.7. Порообразователи, применяемые для бетонов:

- газообразователь - алюминиевая пудра марок ПАП-1 и ПАП-2 - по ГОСТ 5494 со смачивателями, алюминиевая паста.

- пенообразователь - синтетические или органические (белковые, протеиновые) поверхностно-активные вещества (ПАВ)

4.2.8. Вода для приготовления бетонов - по ГОСТ 23732.

4.3. Физико-механические характеристики

4.3.1. Прочность автоклавного и неавтоклавного бетонов характеризуют классами по прочности на сжатие, определяемыми по ГОСТ 10180.

Для бетонов установлены следующие классы: В0,35; B0,5 В0,75; В1; В1,5; В2; В2,5; В3,5; В5; В7,5; В10; В12,5; В15; В20; В30; В40.

4.3.2. Плотность бетона характеризуется марками по плотности D, определяемыми по ГОСТ 27005. По показателям средней плотности назначают следующие марки бетонов: D200; D250; D300; D350; D400; D450; D500; D600; D700; D800; D900; D1000; D1100; D1200 - газобетоны (- силикаты), пенобетоны (- силикаты); D1300, D1400, D1500, D1600 - поризованные бетоны.

4.3.3. Стабильность показателей ячеистых бетонов по плотности и прочности на сжатие характеризуется коэффициентами вариации, которые определяются в соответствии с требованиями СН 277, ГОСТ 27005 и ГОСТ 18105. Средние значения коэффициентов вариации бетонов не должны превышать: по плотности 5 %; по прочности на сжатие - 15 %.

4.3.4. Для учета зимнего фактора назначают и контролируют следующие марки бетона по морозостойкости в циклах замораживания-оттаивания: F15; F25; F35; F50; F75; F100; F150; F200; F300; F400; F500, определяемые по ГОСТ 25485.

Назначение марки бетона по морозостойкости проводят в зависимости от режима эксплуатации конструкции и климатического района.

4.3.5. Показатели плотности, прочности на сжатие и марок по морозостойкости в зависимости от марок по плотности приведены в таблице 4.2.

4.3.6. Нормативные сопротивления бетонов сжатию, растяжению и срезу приведены в таблице 4.3, расчетные сопротивления - в таблице 4.4.

4.3.7. Значения начального модуля упругости Еь при сжатии и растяжении для ячеистых и поризованных бетонов с влажностью (10 ± 2) % (по массе) принимаются по таблице 4.5 и 4.6.

При соответствующем экспериментальном обосновании допускается учитывать влияние не только класса бетона по прочности и его марки по плотности, но и состава и вида вяжущего, а также условий изготовления и твердения бетона, при этом допускается принимать другие значения Еb (Приложение В).

4.3.8. Коэффициент линейной температурной деформации ячеистых бетонов αht при изменениях температуры от минус 60°С до плюс 50°С принимается равным αht = 0,8·10-5 ºC-1.

При наличии данных о минералогическом составе заполнителей, расходе цемента, степени водонасыщения бетона, морозостойкости и т.д. допускается принимать другие значения αbt, обоснованные экспериментально.

4.3.9. Начальный коэффициент поперечной деформации ячеистых бетонов (коэффициент Пуассона) v принимается равным 0,2, а модуль сдвига ячеистых бетонов G - равным 0,4 соответствующих значений Еb, указанных в таблицах 4.5, 4.6.

Таблица 4.2 - Показатели физико-механических свойств ячеистых бетонов

Вид бетона

Марка бетона по средней плотности

Бетон автоклавный

Бетон неавтоклавный

класс по прочности на сжатие

марка по морозостойкости

класс по прочности на сжатие

марка по морозостойкости

Теплоизоляционный

D200

В0,5

-

-

-

В0,35

D250

В0,75

-

В0,35

В0,5

D300

В1

F15

В0,5

F15

В0,75

D350

В1,5

F15

В0,5

F15

В1

В0,75

Конструкционно-теплоизоляционный

D400

В2

F25

В0,75

F25

В1,5

D500

В3,5

F25, F35

 

F25

В2,5

В1,5

В2

В1,0

В1,5

 

D600

В3,5

F25, F35, F50, F75

В2

F25 до F35

В2,5

В1,5

В2

В1,0

Конструкционный

D700

В5

F25, F35, F50, F75

В2,5

От F25 до F35

В3,5

В2

В2,5

В1,5

D800

В7,5

В3,5

F25, F35, F50

В5

В2,5

В3,5

В2

D900

В10

F25, F35, F50, F75, F100

 

F25, F35, F50, F75

В7,5

В3,5

В5

В2,5

В3,5

 

D1000

В12,5

В5

В3,5

В10

В7,5

D1100

В15

В7,5

В5

В12,5

В10

D1200

В15

В10

В7,5

В12,5

В10

D1300

В20

F100, F150, F200, F300. F400, F500

 

F100, F150, F200, F300, F400 F500

В15

В12,5

В12,5

В10

В10

 

D1400

В30

 

В25

В15

В20

В12,5

В15

 

D1500

В30

В20

В15

В25

В20

D1600

В40

В25

В20

В15

В35

В30

В25

Таблица 4.3 - Нормативные сопротивления ячеистого бетона сжатию,
растяжению и срезу

Показатели

Нормативные сопротивления ячеистого бетона сжатию Rbn, растяжению Rbtn и срезу Rshn; расчетные сопротивления для предельных состояний второй группы Rb,ser, Rbt,ser и Rsh,ser при классе бетона по прочности на сжатие

Класс бетона по прочности на сжатие

B1

B1,5

B2,0

B2,5

B3,5

B5

B7,5

B10

B12,5

B15

B20

B25

B30

B40

Сопротивление осевому сжатию (призменная прочность) Rbn и Rb,ser

0,95
9,69

1,40
14,3

1,90
19,4

2,4
24,5

3,3
33,7

4,60
46,9

6,9
70,4

9,0
91,8

10,5
107

11,5
117

16,8
168,3

20,6
206,7

24,5
245,2

32,8
321

Сопротивление бетонов растяжению Rbtn и Rbt,ser

0,14
1,43

0,22
2,24

0,26
2,65

0,31
3,16

0,41
4,18

0,55
5,61

0,63
6,42

0,89
9,08

1,0
10,2

1,05
10,7

1,1
11,2

1,3
13,1

1,5
15

2,0
20

Сопротивление бетонов срезу Rshn, Rsh,ser

0,2
2,06

0,32
3,26

0,38
3,82

0,46
4,56

0,6
6,03

0,81
8,08

0,93
9,26

1,31
13,09

1,47
14,7

1,54
15,44

1,6
16,2

1,8
18,7

2,1
21,6

2,8
28,8

Примечания

1 Над чертой указаны сопротивления в МПа, под чертой - в кгс/см2

2 Величины нормативных сопротивлений ячеистых бетонов даны для состояния средней влажности ячеистого бетона 10 % (по массе)

Таблица 4.4 - Расчетные сопротивления ячеистого бетона сжатию,
растяжению и срезу

Показатели

Расчетные сопротивления ячеистого бетона для предельных состояний первой группы
Rb, Rbt, Rsh, при классе бетона по прочности на сжатие

Класс бетона по прочности на сжатие

B1

B1,5

B2,0

B2,5

B3,5

B5

B7,5

B10

B12,5

B15

B20

B25

B30

B40

Сопротивление осевому сжатию (призменная прочность), Rb

0,63
6,42

0,95
9,69

1,3
13,3

1,6
16,3

2,2
22,4

3,1
31,6

4,6
46,9

6,0
61,2

7,0
71,4

7,7
78,5

11,6
116,0

14,2
142,5

16,9
169,0

22,6
226,1

Сопротивление бетонов растяжению Rbt

0,06
0,612

0,09
0,918

0,12
1,22

0,14
1,43

0,18
1,84

0,24
2,45

0,28
2,86

0,39
4,0

0,44
4,49

0,46
4,69

0,70
7,02

0,82
8,2

0,94
9,38

1,13
11,25

Сопротивление бетонов срезу Rsh

0,09
0,90

0,14
1,42

0,17
1,66

0,20
1,98

0,26
2,62

0,35
3,51

0,40
4,03

0,57
5,69

0,64
6,39

0,67
6,71

0,70
7,04

0,78
8,13

0,91
9,39

1,22
12,52

Примечания

1 Над чертой указаны сопротивления в МПа, под чертой - в кгс/см2

2 Значения расчетных сопротивлений ячеистых бетонов даны для состояния средней влажности ячеистого бетона 10 % (по массе)

Таблица 4.5 - Начальные модули упругости автоклавного
ячеистого бетона при сжатии

Марка по средней плотности

Начальные модули упругости автоклавного ячеистого бетона при сжатии и растяжении Eb при классе бетона по прочности на сжатие

В1

B1.5

В2

В2.5

В3.5

В5

В7,5

В10

В12,5

В15

D500

1,1

11,2

1,4

14,3

 

 

 

 

 

 

 

 

D600

1,4

14,3

1,7

17,3

1,8

18,4

2,1

21,4

 

 

 

 

 

 

D700

 

1,9

19,4

2,2

22,4

2,5

25,5

2,9

29,6

 

 

 

 

 

D800

 

 

 

2,9

29,5

3,4

34,7

4,0

40,8

 

 

 

 

D900

 

 

 

 

3,8

38,8

4,5

45,9

5,5

56,1

 

 

 

D1000

 

 

 

 

 

5,0

51,0

6,0

61,2

7,0

71,4

 

 

D1100

 

 

 

 

 

 

6,8

69,3

7,9

80,6

8,3

84,6

8,6

87,7

D1200

 

 

 

 

 

 

 

8,4

85,7

8,8

89,7

9,3

94,8

Примечания

1 Над чертой указаны значения Еb·10-3 в МПа, под чертой - в кгс/см2.

2 Для ячеистого бетона неавтоклавного твердения значения Еb принимают как для бетона автоклавного твердения с умножением на коэффициент 0.8.

Таблица 4.6 - Начальные модули упругости поризованного
ячеистого бетона при сжатии

Марка по средней плотности

Начальные модули упругости поризованного бетона при сжатии и растяжении Eb при классе бетона по прочности на сжатие

B10

В12,5

В15

В20

В25

В30

В35

В40

Автоклавного твердения

D1300

9

90

9,5

95

10

100

10,5

105

 

 

 

 

D1400

 

 

11

110

11,5

115

12,5

125

13,5

135

 

 

D1500

 

 

 

13

130

13,8

138

14,7

147

 

 

D1600

 

 

 

 

15,2

152

16

160

16,5

165

17,0

170

Неавтоклавного твердения

D1300

8,5

85

9,4

94

 

 

 

 

 

 

D1400

 

9,5

95

10

100

 

 

 

 

 

D1500

 

 

10,5

105

11

110

 

 

 

 

D1600

 

 

 

12

120

13

130

 

 

 

Примечания

1 Над чертой указаны значения Еb·10-3 в Мпа, под чертой в кгс/см2.

2 При промежуточных значениях плотности и класса бетона по прочности на сжатие начальные модули упругости принимаются по линейной интерполяции.

Таблица 4.7 - Коэффициенты теплопроводности и паропроницаемости ячеистых бетонов, изготовленных на песке или золе

Вид бетона

Марка бетона по сред-
ней плот-
ности

Коэффициенты

Относительная влажность, воздуха 80 % (зона А)

Относительная влажность воздуха 97 % (зона Б)

теплопро-
водности бетона в сухом состоянии λ0, Вт/(м·ºС), не более.

паропрони-
цаемости бетона μ, мг/(м·ч·Па) не менее,

Расчетная равновесная влажность бетона w,
%

Расчетные коэффи-
циенты
теплопро-
водности
λ Вт/(м·ºС)

Расчетная равновесная влажность бетона w,
%

Расчетные коэффи-
циенты
теплопро-
водности
λ Вт/(м·ºС)

на песке

на золе

на песке

на юле

на песке

на золе

на песке

на золе

на песке

на золе

на песке

на золе

Теплоизо-
ляционный

D300

0,08

0,08

0,26

0,23

8

12

0,11

0,14

12

18

0,13

0,18

D350

0,09

0,085

0,25

0,21

8

12

0,13

0,15

12

18

0,14

0,20

D400

0,10

0,09

0,23

0,20

8

12

0,14

0,17

12

18

0,15

0,22

Конструкционно-
теплоизоляционный

D500

0,12

0,10

0,20

0,18

8

12

0,18

022

12

18

0,20

0,27

D600

0,14

0,13

0,17

0,16

8

12

0,22

026

12

18

0,26

0,31

D700

0,18

0,15

0,15

0,14

8

12

0,27

0,30

12

18

0,31

0,36

D800

0,21

0,18

0,14

0,12

10

15

0,33

0.35

15

22

0,37

0,41

Конструкционный

D900

0,24

0,20

0,12

0,11

10

15

0,37

0,40

15

22

0,42

0,46

D1000

0,29

0,23

0,11

0,10

10

15

0,41

0,44

15

22

0,47

0,50

D1100

0,34

0,26

0,10

0,09

10

15

0,46

0,48

15

22

0,55

0,54

D1200

0,38

0,29

0,10

0,08

10

15

0,51

0,52

15

22

0,58

0,58

D1300

0,44

0,33

0,090

0,08

10

15

0,56

0,55

15

22

0,63

0,62

D1400

0,42

0,38

0,080

0,08

10

15

0,6

0,59

15

22

0,68

0,66

D1500

0,54

0,43

0,065

008

10

15

0,64

0,63

15

22

0,74

0,69

D1600

0,58

0,48

0,048

0.08

10

15

0,7

0,66

15

22

0,80

0,73

4.4. Физико-технические характеристики

4.4.1. Усадка при высыхании бетонов, изготовленных на песке, определяемая по ГОСТ 25485 (приложение 2), не должна превышать, мм/м:

0,5 - для автоклавных бетонов марок D400-D1600

3,0 - для неавтоклавных бетонов марок D300-D1600.

4.4.2. Коэффициенты теплопроводности и паропроницаемости бетонов приведены в таблице 4.7.

4.4.3. Отпускная влажность изделий и конструкций не должна превышать (% по массе):

- 25 - для бетонов, изготовленных на основе песка;

- 30 - для бетонов, изготовленных на основе сланцевой золы;

- 35 - для бетонов, изготовленных на основе золы-уноса теплоэлектростанций.

4.4.4. Показатели таблицы 4.7 для конструкций конкретного производства и режима эксплуатации могут быть уточнены в экспериментальном порядке на основе натурных испытаний с 90 %-ной обеспеченностью (приложение В).

5. Рекомендуемые виды изделий и элементов из ячеистых бетонов для жилых и общественных зданий

5.1. Автоклавные газо-, пенобетоны.

- Блоки мелкие для наружных и внутренних стен (ГОСТ 21520, ГОСТ 31360).

- Блоки крупные для наружных и внутренних стен (ГОСТ 19010, ГОСТ 31360).

- Панели для внутренних несущих стен, перегородок и перекрытий жилых и общественных зданий (ГОСТ 19570, ГОСТ 12504).

- Панели для наружных стен зданий (ГОСТ 11118, ГОСТ 11024).

- Блоки и плиты теплоизоляционные (ГОСТ 5742).

- Панели покрытий жилых и общественных зданий [1], [8]).

5.2. Неавтоклавные газо-, пенобетоны.

- Блоки мелкие для наружных и внутренних стен (ГОСТ 21520).

- Изделия теплоизоляционные (ГОСТ 5742).

- Наливные полы.

- Монолитная теплоизоляция надподвальных и чердачных перекрытий, покрытий, мансард.

- Монолитные внутренние и наружные стены жилых и общественных зданий.

- Утепление и усиление стен реконструируемых зданий.

5.3. Поризованные бетоны.

- Блоки мелкие для внутренних и наружных стен (ГОСТ 21520).

- Блоки крупные, панели стеновые.

- Панели междуэтажные перекрытий и покрытий.

- Несущие элементы каркаса зданий.

- Плиты для несъемной опалубки.

- Лестничные площадки и марши.

- Вентиляционные и фундаментные блоки.

- Балконные плиты, карнизы, козырьки, шахты лифтов.

- Монолитные плиты перекрытий и покрытий ([2], [3]).

6. Конструкции наружных стен из мелких ячеистобетонных блоков

6.1. Технические требования к материалам блоков и стенам из них

6.1.1. Стеновые мелкие ячеистобетонные блоки (далее - блоки) изготавливаются в соответствии с СН 277 из конструкционно-теплоизоляционных и конструкционных ячеистых бетонов автоклавного и неавтоклавного твердения, удовлетворяющих требованиям ГОСТ 25485, ГОСТ 31359.

6.1.2. Типы и размеры стеновых блоков для кладки стен на строительном растворе и клею принимаются в соответствии с ГОСТ 21520, ГОСТ 31360.

Максимально допустимые размеры блоков приведены в таблице 6.1, а допускаемые отклонения от линейных размеров в таблице 6.2.

6.1.3. При проектировании несущих и самонесущих стен из блоков в соответствии со СНиП II-22 и ГОСТ 25485, ГОСТ 31359 указываются следующие основные показатели:

- марка бетона по средней плотности «D»;

- класс бетона по прочности на сжатие «В»;

- марка бетона по морозостойкости «F»;

- расчетный коэффициент теплопроводности кладки λk.

6.1.4. За класс бетона по прочности на сжатие принимается кубиковая прочность с 95 % -ной обеспеченностью, т.е. умноженная на величину (1-1,64СR), где CR - среднее квадратичное отклонение кубиковой прочности, принимаемое по экспериментальным данным или при отсутствии таковых равным 0,18 для автоклавных ячеистых бетонов и 0,2 - для неавтоклавных.

Кубиковая прочность определяется на кубах с ребром 150 мм, выпиленных из массива и испытанных при влажности 10 % в направлении вспучивания (заливки), т.е. перпендикулярно днищу.

Таблица 6.1 Основные типы и размеры блоков

Наименование размера

Максимальный размер блока, мм

Длина

625

Ширина

500

Высота

500

Таблица 6.2 - Допускаемые отклонения от линейных размеров блоков

Наименование отклонения геометрического параметра

Предельные отклонения, мм

Блоков для кладки на клею

Блоков для кладки на растворе

категория 1

категория 2

Отклонения от линейных размеров

 

 

Отклонения

по длине

±3

±4

По ширине

±2

±3

по высоте

±1

±4

Отклонение от прямоугольной формы (разность длин диагоналей), не более

2

4

Отклонение от прямолинейности ребер, не более

1

3

Повреждения углов и ребер

 

 

Глубина отбитостей углов числом не более двух на одном изделии, не более

5

10

Глубина отбитостей ребер на одном изделии общей длиной не более двукратной длины продольного ребра, не более

5

10

Примечания

1 Отбитости углов и ребер глубиной до 3 м для изделий категории I и до 5 мм - для изделий категории II не являются браковочными дефектами.

2 Число изделий с предельными отклонениями геометрических размеров, формы, отбитостями углов и ребер, превышающие предельные, не должно быть более 5 % числа изделий в каждой упакованной единице.

3 Изделия категории I рекомендуется применять для кладки на клею, категории II - на растворе.

4 Размеры отбитостей изделий по пазу и гребню не должны превышать: по глубине - 10 мм, по длине - 30 мм.

6.1.5. Марки блоков по средней плотности «D» и соответствующие классы по прочности на сжатие бетона «В» принимаются по таблице 6.3, приложению В; по морозостойкости «F» - по таблице 4.2.

6.1.6. Отпускная влажность блоков лимитируется по 4.4.3.

6.1.7. За расчетную (по теплопроводности) влажность ячеистых бетонов для условий эксплуатации А принимается согласно СП 23-101 сорбционная влажность при относительной влажности воздуха 80 %, а для условий эксплуатации В - 97 %. При расчетах стен из мелких ячеистобетонных блоков на силовые воздействия (по предельным состояниям первой и второй групп) расчетную среднюю влажность (по массе) принимают равной 10 %.

Примечание - Допускается для теплотехнических расчетов принимать влажность ячеистого бетона по экспериментальным данным для конкретной конструкции стены, ее реальной отделки и условий эксплуатации, как среднее значение по толщине стены и сторонам света через 3 года эксплуатации с обеспеченностью 0,9.

6.1.8. Средняя плотность кладки Dк из блоков на легких растворах и клеях с учетом влажности бетона 10 % по массе (для определения нагрузки от собственного веса конструкций при расчете их на прочность и деформации) принимается по таблице 6.4.

Таблица 6.3 - Марки по плотности и класс по прочности на сжатие блоков

Вид блока

Конструкционно-теплоизоляционный

Конструкционный

Марка бетона по средней плотности

D500

D600

D700

D800

D900

D1000

D1100

D1200

Класс бетона по прочности на сжатие, не менее

В3,5

В5

В5

В7,5

В7,5

В12,5

В15

В15

В2,5

В3,5

В3,5

В5

В5

В10

В12,5

В12,5

В2

В2,5

В2,5

В3,5

В3,5

В7,5

В10

В10*

В1,5

В2

В2*

В2,5

В2,5*

В5*

В7,5*

 

* Показатели класса по прочности на сжатие относятся только к блокам из бетона неавтоклавного твердения

Таблица 6.4 - Средняя плотность кладки стен из блоков

Вид кладки

Средняя плотность кладки DK, кг/м3, в зависимости от марки D

500

600

700

800

900

1000

1100

1200

на легком растворе

650

760

870

980

1090

1200

1310

1420

на клею

570

680

790

900

1010

1100

1210

1320

Примечание - Для кладки стен из блоков на тяжелых растворах значения DK, приведенные в таблице 6,4, увеличиваются на 50 кг/м3.

6.2. Общие положения по конструированию и применению стен из мелких блоков

6.2.1. Настоящий СТО распространяется на применение стеновых мелких блоков из ячеистых бетонов автоклавного и неавтоклавного твердения марки по плотности не менее D500 в жилых и общественных зданиях на территории Российской Федерации.

6.2.2. Проектирование стен из блоков следует выполнять по СНиП II-22, по Пособию к СНиП 2.03.01 [4] и настоящему СТО.

6.2.3. Блоки стеновые мелкие из автоклавных и неавтоклавных ячеистых бетонов предназначены для кладки наружных и внутренних стен (в т.ч. перегородок) жилых и общественных зданий с относительной влажностью воздуха помещений не более 75 % при неагрессивной среде.

6.2.4. Применение блоков из негидрофобизированных ячеистых бетонов для кладки стен с мокрым режимом помещений, а также в местах, где возможно усиленное увлажнение бетона или наличие агрессивных сред, без специальной защиты не допускается.

6.2.5. Расчет элементов стен из блоков по предельным состояниям первой и второй группы следует производить в соответствии с требованиями СНиП II-22 или настоящих СТО; стены могут быть несущими и самонесущими.

6.2.6. Допустимую высоту (этажность) стен из блоков рекомендуется определять расчетом несущей способности наружных и внутренних стен с учетом их совместной работы.

6.2.7. Несущие стены из автоклавных ячеистобетонных блоков рекомендуется возводить высотой до 5-ти этажей включительно, но не более 20 м, самонесущие стены зданий - высотой до 9-ти этажей включительно, но не более 30 м.

6.2.8. Блоки из неавтоклавных ячеистых бетонов рекомендуется применять в несущих и самонесущих стенах зданий высотой до 3-х этажей включительно, но не выше 10 м.

6.2.9. Этажность зданий, в которых применяются блоки для заполнения каркасов или устройства самонесущих стен с поэтажным опиранием, не ограничивается.

6.2.10. Внутренние и наружные несущие стены зданий высотой до 5-ти этажей рекомендуется изготавливать из блоков классов по прочности не ниже В3,5 (только автоклавных) на растворе не ниже М100; при высоте зданий до 3-х этажей - не ниже В2,5, на растворе не ниже М75; при высоте до 2-х этажей - не ниже В2 на растворе не ниже М50.

Из блоков категории 1 по таблице 6.2 кладку следует вести на клею.

Для самонесущих стен зданий высотой более 3-х этажей класс блоков - не ниже В2,5, а высотой до 3-х этажей - не ниже В2.

6.2.11. Допустимая ширина простенков и столбов, выполненных из газобетонных блоков, определяется расчетным путем по СНиП II-22 и настоящего СТО, но не менее 600 мм в несущих стенах и не менее 300 мм в самонесущих (за вычетом углублений для опирания перемычек над проемами).

6.3. Конструктивные решения наружных однослойных стен

6.3.1. Наружные стены выполняются из ячеистобетонных блоков имеющих форму прямоугольника с плоскими гранями по номенклатуре настоящего СТО.

6.3.2. Наружные стены, выполненные из мелких блоков, по типу кладки могут быть:

- толщиной в один блок (рисунок 6.1)

- толщиной в два разнотипных или однотипных блока (рисунки 6.2 а, 6.2 б)

6.3.3. При кладке стен толщиной в один блок рекомендуется «цепная» перевязка мелких блоков (рисунки 6.3, 6.4 а, 6.4 б, 6.4 в) с перекрытием швов не менее чем на 100 мм.

6.3.4. При кладке стен толщиной в два блока рекомендуется обеспечить смещение вертикальных швов наружных блоков относительно вертикальных швов внутренних блоков в соответствии с рисунком 6.4 в не менее чем на 100 мм.

6.3.5. Сопряжение наружных и внутренних стен рекомендуется осуществлять или перевязкой мелких блоков или с помощью металлических анкеров.

6.3.6. В качестве металлических анкеров можно использовать стальные скобы диаметром 4-6 мм, прибивные Т-образные анкеры или накладки из полосовой стали толщиной 4 мм. Связи между продольными и поперечными стенами (рисунок 6.4 б) должны быть установлены, по крайней мере, в двух уровнях в пределах одного этажа.

Крепление перегородок к стенам допускается осуществлять Т-образными анкерами или металлическими скобами, которые устанавливаются в стену в уровне горизонтальных швов перегородок и стен.

6.3.7. Все металлические скобы, анкеры, накладки должны быть изготовлены из нержавеющей стали или из обычной стали с антикоррозионным покрытием.

6.3.8. Схема поэтажного опирания самонесущей стены на ячеистобетонные перекрытия приведена на рисунке 6.5.

6.3.9. Кладка наружных стен проводится по цоколю здания высотой не менее 500 мм (от уровня отмостки).

6.3.10. Стены из ячеистобетонных блоков, включая перекрытия, должны быть гидроизолированы от капиллярного подсоса воды со стороны тяжелого бетона и кирпича.

6.3.11. Наружные стены из мелких ячеистобетонных блоков или торец ячеистобетонного перекрытия с целью защиты от увлажнения рекомендуется выполнять со свесом по отношению к цоколю здания не менее чем на 50 мм.

Первый ряд ячеистобетонных блоков рекомендуется укладывать на пояс, выполненный из железобетона или керамического кирпича, по слою гидроизоляции.

6.3.12. При кладке стен из блоков на растворе толщина горизонтальных швов принимается не менее 10 мм и не более 15 мм, в среднем 12 мм в пределах высоты этажа. Толщина вертикальных швов принимается от 8 до 15 мм, в среднем 10 мм. Горизонтальные и вертикальные швы между блоками рекомендуется тщательно заполнять пластичным легким раствором (в т.ч. пенобетонным). При кладке стен на клею толщина горизонтальных и вертикальных швов должна быть (2 ± 1) мм. В этом случае анкера и накладки должны быть утоплены в ячеистом бетоне путем прострожки пазов (канавок).

Рисунок 6.1 - Кладка стен из мелких ячеистобетонных блоков толщиной в один блок

Рисунок 6.2 а - Кладка наружных стен толщиной в 2 разнотипных блока

Рисунок 6.2 б - Кладка наружных стен из однотипных ячеистобетонных блоков толщиной в 2 однотипных блока с перевязкой тычковыми блоками

1 - мелкий ячеистобетонный блок; 2 - перемычка железобетонная несущая; 3 - рядовая самонесущая перемычка; 4 - перекрытие

Рисунок 6.3 - Кладка толщиной в один блок в зоне оконного проема

Рисунок 6.4 а - Схема кладки угла здания

1-T - образный анкер 300*300*50, δ4

Рисунок 6.4 б - Примыкание перегородки к стене

Рисунок 6.4 в - Сопряжение наружной кладки толщиной в 2 однотипных блока и внутренней стены

1 - основные блоки; 2 - доборные блоки; 3 - плита перекрытия из ячеистого бетона; 4 - упругие прокладки из пороизола; 5 - раствор

Рисунок 6.5 - Схема кладки наружных самонесущих с поэтажным опиранием стен из мелких ячеистобетонных блоков при ячеистобетонных перекрытиях
а) блоки на растворе; б) блоки на клею

6.4. Конструкции наружных многослойных стен с применением ячеистобетонных блоков, кирпича и монолитного бетона

6.4.1. Наружные многослойные стены (далее стены) относятся к кирпично-монолитным домам, в которых теплозащитные качества стен обеспечиваются применением мелких ячеистобетонных блоков по номенклатуре настоящего СТО.

6.4.2. Наружные стены подразделяются на несущие и самонесущие.

6.4.3. К несущим относятся стены, воспринимающие нагрузку от междуэтажных перекрытий.

В несущих стенах нагрузка от перекрытий может восприниматься

- монолитным слоем из тяжелого бетона (рисунок 6.6 а, б, в);

- кирпичным внутренним слоем (рисунок 6.7);

- кирпичным наружным слоем (рисунок 6.8);

- ячеистобетонной кладкой (рисунок 6.9);

- рамно-монолитным каркасом из тяжелого бетона (рисунок 6.10).

6.4.4. Расчет элементов несущих стен по предельным состояниям первой и второй группы следует производить в соответствии с требованиями СНиП II-22, СНиП 52-01, Пособия к СНиП II-22 [5] и настоящего СТО.

6.4.5. Наружная облицовка является самонесущей толщиной в 1/2 кирпича (ложковые ряды). Кирпич должен соответствовать требованиям ГОСТ 7484, ГОСТ 379, ГОСТ 530 и иметь марку по морозостойкости не менее F25, по прочности - не менее М100. Марка раствора должна быть не менее M100.

6.4.6. При использовании кирпичного наружного или внутреннего слоя в качестве несущего его толщина не должна быть менее 1,5 кирпича (380 мм) и глубина опирания перекрытий - 120 мм.

Опирание перекрытий непосредственно на кладку допускается при величине распределенной нагрузки не более 0,3 кН на 1 пог. см ширины опоры. При большей нагрузке требуется устройство распределительных плит толщиной не менее 150 мм, армированных косвенной арматурой в количестве 0,5 % от объема бетона (не менее 2-х сеток).

6.4.7. Самонесущие стены из ячеистобетонных блоков с кирпичной облицовкой для многоэтажных зданий следует принимать с поэтажным опиранием на перекрытия или продольные ригели каркаса (рисунки 6.10, 6.11).

Запрещается опирать наружный кирпичный слой на приваренные к каркасу опорные полки (столики).

6.4.8. Для наружного слоя следует применять лицевой полнотелый кирпич или многопустотный с шириной прямоугольных или овальных пустот и диаметром круглых не более 12 мм. Подвижность растворной смеси при этом не должна превышать 100 мм погружения стандартного конуса по ГОСТ 5802. Морозостойкость раствора, определяемая по этому стандарту, не должна быть менее марки F35.

6.4.9. Гибкие металлические связи между кирпичными наружным и внутренними слоями и ячеистобетонным слоем должны выполняться из нержавеющей стали ГОСТ 5632 (в виде скоб, полос, планок, забивных или вклеенных нагелей, саморезов) или стеклопластика, устанавливаться в швы и забиваться (врезываться) в тело блоков в количестве не менее 3-х с площадью поперечного сечения связей не менее 0,5 см2 на 1 м2 стены.

6.4.10. Запрещается соединять наружный кирпичный слой с ячеистобетонным слоем арматурными сетками, заложенными в швы кладок.

6.4.11. Самонесущая газобетонная стена с кирпичной облицовкой (рисунок 6.12) допускается для зданий высотой не более 5 этажей (20 м) с полным опиранием (на всю толщину стены, без свесов) на сплошной фундамент или рандбалку.

6.4.12. Герметизирующие нетвердеющие мастики могут быть изготовлены на любой полимерной основе по ГОСТ 25621, если они удовлетворяют требованиям ГОСТ 14791.

6.4.13. Необходимость арматурных сеток в местах опирания перемычек и плит перекрытий и устройство армированных железобетонных поясов по периметру стен здания определяется расчетом на местный срез или растяжение (изгиб) стены в своей плоскости. При поэтажном опирании стен и в малоэтажном строительстве дополнительного армирования не требуется.

Рисунок 6.6 а - Несущая наружная стена из монолитного бетона и кирпича с газобетонными блоками на клею

Рисунок 6.6 б - Вид по 3-3

Рисунок 6.6 в - Вид по 1-1

Рисунок 6.7 - Несущая кирпичная стена малоэтажных домов с наружными газобетонными самонесущими блоками на клею и кирпичной облицовкой

Рисунок 6.8 - Несущая стена из кирпича с газобетонными блоками на клею

Рисунок 6.9 - Несущая стена малоэтажных домов из газобетонных блоков на клею и самонесущей кирпичной облицовки

Рисунок 6.10 - Стена с опиранием газобетонных блоков (с кирпичной облицовкой) и перекрытии на ригели встроенного каркаса

Рисунок 6.11 - Поэтажно-самонесущая стена из кирпича и газобетонных блоков

Рисунок 6.12 - Самонесущая стена из кирпича газобетонных блоков на клею

6.5. Расчет несущей способности стен из блоков

6.5.1. Расчет несущей способности стен из блоков приводится для несейсмических районов строительства Российской Федерации.

6.5.2. Расчетные сопротивления сжатию кладки из блоков определяются в зависимости от класса ячеистого бетона по прочности на сжатие и марки строительного раствора. Класс бетона устанавливается в соответствии с указаниями 6.1 настоящего СТО.

Марка строительного раствора равна его прочности при сжатии и устанавливается в соответствии с СП 82-101 и ГОСТ 5802.

6.5.3. Расчетные сопротивления кладки зависят от ее категории, определяемой в соответствии с таблицами 6.2, 6.5.

6.5.4. Расчетные сопротивления сжатию кладки из блоков при высоте ряда кладки 200-300 мм на обычных растворах приведены в таблице 6.6 и приложение В.

Таблица 6.5 - Категории кладки из блоков

Вид кладки

Категория качества блоков

Категория кладки

Из блоков на клею

1

1

Из блоков на растворе

2

2

Таблица 6.6 - Расчетные сопротивления сжатию кладки из блоков

Класс ячеистого бетона по прочности на сжатие

Кате-
гория кладки

Расчетные сопротивления R, МПа (кгс/см2), сжатию кладки из ячеистобетонных блоков (автоклавного твердения) при высоте ряда кладки 200-300 мм

при марке раствора, кгс/см2

при прочности раствора, кгс/см2

150

100

75

50

25

10

4

2

нулевой

 

В15

1

4,0 (40)*

 

 

 

 

 

 

 

 

 

2

3,8 (38)

3,6 (36)

3,5 (35)

3,3 (33)

3,0 (30)

2,8 (28)

2,5 (25)

2,3 (23)

2,0 (20)

 

В12,5

1

3,7 (37)*

 

 

 

 

 

 

 

 

 

2

3,5 (35)

2,9 (29)

2,8 (28)

2,6 (26)

2,4 (24)

2,2 (22)

2,0 (20)

1,8(18)

1,7(17)

 

В10

1

3,3 (33)*

 

 

 

 

 

 

 

 

 

2

3,1(31)

2,9 (29)

2,8 (28)

2.6 (26)

2,4 (24)

2,2(22)

2,0 (20)

1.8(18)

1,5(15)

 

В7,5

1

2,5 (25)*

 

 

 

 

 

 

 

 

 

2

2,4 (24)

2,3 (23)

2,2 (22)

2,0 (20)

1,8 (18)

1,7 (17)

1,5 (15)

1,3 (13)

1,0 (10)

 

В5

1

 

1,9(19)*

 

 

 

 

 

 

 

 

2

 

1,9(19)

1,8 (18)

1,7 (17)

1,5 (15)

1,4 (14)

1,2 (12)

1,1 (11)

0,8 (8)

 

В3,5

1

 

1,5 (15)*

 

 

 

 

 

 

 

 

2

 

1,5 (15)

1,4 (14)

1,3 (13)

1,2 (12)

1,0 (10)

0,9 (9)

0,8 (8)

0,6 (6)

 

В2,5

1

 

 

 

1,0(10)*

 

 

 

 

 

 

2

 

 

 

1,0(10)

0,95 (9,5)

0,85 (8,5)

0,7(7.0)

0.6 (6)

0.45 (4,5)

 

В2

1

 

 

 

0,8 (8)*

 

 

 

 

 

 

2

 

 

 

0,8(8)

0,75 (7,5)

0,65 (6,5)

0,55 (5,5)

0,5 (5,0)

0,35 (3,5)

 

В1.5

1

 

 

 

0,6 (6)*

 

 

 

 

 

 

2

 

 

 

0.6 (6)

0,56 (5,6)

0,49 (4,9)

0,41 (4,1)

0,38 (3,7)

0,26 (2,6)

 

* для кладки на клею

Примечания

1 Расчетные сопротивления сжатию кладки принимаются с понижающим коэффициентом 0,9 в каждом из следующих случаев для блоков, изготовленных из бетона неавтоклавного твердения, для кладки на легких растворах, при высоте ряда кладки от 150 до 200 мм

2 Допускается для экспериментального строительства повышать расчетные сопротивления кладки на 20 %, если это подтверждено результатами испытаний и согласовано с Центром ячеистых бетонов

3 При высоте ряда кладки 150 мм и менее расчетные сопротивления кладки сжатию) принимаются с учетом понижающего коэффициента 0,8.

 

6.5.5. Расчетные сопротивления кладки стен, загружаемых в сроки, отличающиеся от 28 суток, рекомендуется принимать по марке раствора, отвечающей его прочности в эти сроки. При определении расчетных сопротивлений прочности неотвердевшей летней кладки, а также зимней кладки (без противоморозных добавок) в стадии оттаивания, прочность раствора рекомендуется принимать равной нулю.

6.5.6. Прочность стен из мелких ячеистобетонных блоков на внецентренное сжатие от вертикальных нагрузок и изгибающих моментов определяется по формуле

где R - расчетное сопротивление сжатию кладки из блоков (таблица 6.6);

γb2 - коэффициент условий работы, учитывающий длительность действия нагрузки [4] принимаемой равным 0,85;

γb9 - коэффициент условий работы для бетонных конструкций (не армированных расчетной арматурой), принимаемый равным 0,9;

γb11 - коэффициент условий работы, учитывающий влажность ячеистого бетона 25 % и более, принимаемый равным 0,85;

γc - масштабный коэффициент для столбов и простенков площадью сечения 0,3 м2 и менее (за вычетом длины площадок для опирания перемычек), принимаемый равным γc = 0,8;

b - ширина простенка (за вычетом длины площадок для опирания перемычек), а в случае «глухой» стены b = 1 пог. м (с соответствующим сбором нагрузок на 1 пог. м);

h - толщина стены;

е0 - сумма случайного (0,02 м) и моментного  эксцентриситетов;

М - изгибающий момент от перекрытия и ветра в рассчитываемом сечении;

Nn = ΣNn - сумма всех вертикальных нагрузок на 1 пог. м;

mg - коэффициент, определяемый по формуле (6.2):

(6.2)

где Ng - расчетная продольная сила от длительных нагрузок;

e0g - эксцентриситет от действия длительных нагрузок;

η - коэффициент, принимаемый по таблице 6.7.

Таблица 6.7 - Зависимость коэффициента η от гибкости и процента армирования

Гибкость

Коэффициент η для кладки из ячеистобетонных камней

λh = l0/h

λl = l0/i

При проценте продольного

При проценте продольного

армирования 0,1 и менее

армирования 0,3 и более

≤ 10

≤ 35

0

0

12

42

0,05

0,03

14

49

0,09

0,08

16

56

0,14

0,11

18

63

0,19

0,15

20

70

0,24

0,19

22

76

0,29

0,22

24

83

0,33

0,26

26

90

0,38

0,30

Примечание - Для неармированной кладки значения коэффициентов η следует принимать как для кладки с армированием 0,1 % и менее. При армировании более 0,1 % и менее 0,3 % коэффициенты η определяются интерполяцией

6.5.7. Расчетные высоты стен и столбов l0 при определении коэффициентов продольного изгиба φ в зависимости от условий опирания их на горизонтальные опоры следует принимать:

- при неподвижных шарнирных опорах l0 = H (рисунок 6.13 а);

- при упругой верхней опоре и жестком защемлении в нижней опоре: для однопролетных зданий l0 = 1,5H, для многопролетных 10 = 1,25H (рисунок 6.13 б);

- для свободно стоящих конструкций l0 = 2Н (рисунок 6.13 в);

- для конструкций с частично защемленными опорными сечениями - с учетом фактической степени защемления, но не менее l0 = 0,8H, где Н - расстояние между перекрытиями или другими горизонтальными опорами, при железобетонных (ячеистобетонных) горизонтальных опорах (перекрытиях) - расстояние между ними в свету.

Примечания

1. При опирании на стены железобетонных (ячеистобетонных) перекрытий принимается l0 = 0,9Н, а при монолитных железобетонных перекрытиях, опираемых на стены по четырем сторонам, l0 = 0,8Н.

2. Если нагрузкой является только собственный вес элемента в пределах рассчитываемого участка, то расчетную высоту l0 сжатых элементов, указанную в настоящем разделе, следует уменьшить путем умножения на коэффициент 0,75.

Рисунок 6.13 - Эпюры коэффициентов φ и mg сжатых стен и столбов из ячеистобетонных мелких блоков

а - шарнирно опертых на неподвижные опоры внизу и вверху;

б - защемленных внизу и с упругой опорой вверху;

в - защемленных внизу и свободных вверху.

Коэффициент продольного изгиба определяется по формуле

(6.3)

где φ - коэффициент продольного изгиба для всего сечения в плоскости действия изгибающего момента, определяемый исходя из расчетной высоты элемента l0 по таблице 6.8;

φс - коэффициент продольного изгиба для сжатой части сечения, определяемый исходя из фактической высоты элемента Н (таблица 6.8) в плоскости действия изгибающего момента при отношении

или гибкости

где hc и iс - высота и радиус инерции сжатой части поперечного сечения в плоскости действия изгибающего момента, hc = h - 2e0.

Таблица 6.8 - Зависимость коэффициентов продольного изгиба φ и φс от упругих характеристик ячеистобетонной кладки α и гибкости

Отношение

Гибкость

Коэффициенты продольного изгиба φ и φс при упругих характеристиках кладки α

λh = l0/h (H/hc)

λl = l0/i (H/ic)

750

500

350

200

4

14

1

0,98

0.94

0,9

6

21

0,95

0,91

0,88

0,81

8

28

0,9

0,85

0.8

0,7

10

35

0,84

0,79

0,72

0,6

12

42

0,79

0,72

0,64

0,51

14

49

0,73

0,66

0,57

0,43

16

56

0,68

0.59

0.5

0,37

18

63

0,63

0,53

0.45

0,32

22

76

0,53

0,43

0,35

0,24

26

90

0,45

0,36

0.29

0,2

30

104

0,39

0,32

0,25

0,17

34

118

0,32

0,26

0,21

0,14

38

132

0,26

0,21

0.17

0,12

42

146

0,21

0,17

0,14

0.09

46

160

0,16

0,13

0,1

0,07

50

173

0,13

0,1

0,08

0,05

54

187

0,1

0,08

0.06

0,04

Примечание - Коэффициенты φ при промежуточных значениях гибкостей определяются по интерполяции. Упругие характеристики кладки α принимаются по таблице 6.9

Таблица 6.9 - Упругая характеристика α кладки из блоков

Вид ячеистого бетона

Упругая характеристика α кладки из блоков

при марках раствора по прочности

при прочности раствора,
МПа (кгс/см2)

25 и выше

10

4

0,2 (2)

нулевой

Автоклавного твердения

750

500

350

350

200

Неавтоклавного твердения

500

350

200

200

200

Примечание - Для кладки на легких растворах значения упругой характеристики α принимают с учетом понижающего коэффициента 0,7

Значения коэффициентов φ и mg для стен и столбов (простенков), опирающихся на шарнирные неподвижные опоры, с расчетной высотой h0 = Н при расчете сечений, расположенных в средней трети высоты l0, следует принимать постоянными, равными расчетным значениям φ и mg, определенным для данного элемента. При расчете сечений на участках в крайних третях l0 коэффициенты φ и mg увеличиваются по линейному закону до единицы на опоре (рисунок 6.13 а).

Для стен и столбов (простенков), имеющих нижнюю защемленную и верхнюю упругую опоры, при расчете сечений нижней части стены или столба до высоты 0,7Н принимаются расчетные значения φ и mg, а при расчете верхней части стены или столба значения φ и mg для этих сечений увеличиваются до единицы по линейному закону (рисунок 6.13 б).

Для свободно стоящих стен и столбов при расчете сечений в их нижней части (до высоты 0,5Н) принимаются расчетные значения φ и mg, а в верхней половине величины φ и mg увеличиваются до единицы по линейному закону (рисунок 6.13 в).

В месте пересечения продольной и поперечной стен, при условии их перевязки или анкеровки, коэффициенты принимаются равными 1. На расстоянии Н от пересечения стен коэффициенты φ и mg принимаются как для свободно стоящих опор. Для промежуточных вертикальных участков коэффициенты φ и mg принимаются по интерполяции.

В стенах, ослабленных проемами, при расчете простенков коэффициент принимается по гибкости стены.

6.5.8. Для узких простенков, ширина которых меньше толщины стены, производится также расчет простенка в плоскости стены, при этом расчетная высота простенка принимается равной высоте проема.

6.5.9. При знакопеременной эпюре изгибающего момента по высоте стены (рисунок 6.14) расчет по прочности следует производить в сечениях с максимальными изгибающими моментами различных знаков.

Рисунок 6.14 - Схема знакопеременной эпюры изгибающих моментов по высоте стены

6.5.10. Коэффициент продольного изгиба φс следует определять по высоте части элемента в пределах однозначной эпюры изгибающего момента при отношениях или гибкостях

где Н1 и Н2 - высоты частей элементы с однозначной эпюрой изгибающего момента;

hс1; icl и hс2; iс2 - высоты и радиусы инерции сжатой части элементов в сечениях с максимальными изгибающими моментами.

6.5.11. При расчете несущих и самонесущих стен следует учитывать случайный эксцентриситет, величину которого надо принимать равной 20 мм.

6.5.12. Наибольшая величина эксцентриситета (включая случайный) во внецентренно сжатых стенах из ячеистобетонных мелких блоков без продольной арматуры в растянутой зоне не должна превышать для основных сочетаний нагрузок 0,9y, для особых 0,95y; в стенах толщиной 25 см и менее: для основных сочетаний нагрузок 0,8y, для особых 0,85y, при этом расстояние от точки приложения силы до более сжатого края сечения для несущих стен и столбов (простенков) должно быть не менее 2 см, где y - расстояние от центра тяжести сечения элемента до его края в сторону эксцентриситета (для прямоугольных сечений ).

6.5.13. Расчет прочности кладки из мелких ячеистобетонных блоков с косвенным (сетчатым) армированием производится по формуле (6.1) с заменой R на Rsk:

(6.4)

где  - процент объемного армирования;

Vs и Vh - соответственно объемы арматуры и кладки.

Для сеток с квадратными ячейками из арматуры сечением Ast с размером ячейки «с» при расстоянии между сетками по высоте (шаг сеток) «s» (Vs = 2Ast с и Vh = с2 s):

(6.5)

Для сеток из стержней одинакового диаметра и прямоугольными ячейками размером c×c1

(6.6)

6.5.14. Максимальное значение Rsk ограничивается величиной 1,24R.

6.5.15. Предельный процент косвенного армирования равен 0,3. Расчетные сопротивления Rsw косвенной арматуры принимаются по таблице 6.10.

Таблица 6.10 - Расчетные сопротивления косвенной арматуры

Класс ячеистого бетона по прочности на сжатие

В1,5

В2

В2,5

В3,5

В5

В7,5

B10

В12.5

Расчетное сопротивление косвенной арматуры Rsw

МПа

37,5

50

62,5

87,5

125

187.5

250

310

кгс

см2

380

510

640

900

1270

1900

2550

3200

6.5.16. Расчет кладки на смятие (местное сжатие) при распределенной нагрузке на части площади сечения следует производить по формуле

Ncψ·Rb,loc·Aloc1

(6.7)

где Nc - вертикальная сжимающая сила от местной нагрузки (опорная реакция);

ψ - коэффициент полноты эпюры давления от местной нагрузки, равный 1 при равномерном распределении давления и 0,5 при треугольной эпюре напряжений (под концами балок, прогонов, перемычек);

А1ос1 - площадь приложения сосредоточенной нагрузки;

Rb,loc - расчетное сопротивление кладки на смятие, определяемое по формулам

Rb,loc = φb·R,

(6.8)

(6.9)

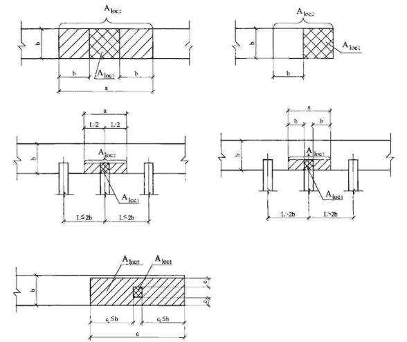
Аlос2 - расчетная площадь смятия, определяемая по рисунку 6.15.

В расчетную площадь А1ос2 включается участок, симметричный по отношению к площади смятия. При этом должны выполняться следующие условия:

- при местной нагрузке по всей ширине стены в расчетную площадь включается участок длиной не более толщины стены в каждую сторону от границы местной нагрузки (рисунок 6.15 а);

- при местной краевой нагрузке по всей ширине стены расчетная площадь A1ос2 равна площади смятия (рисунок 6.15 б) при отсутствии косвенного армирования и А1ос2 при наличии оного;

- при местной нагрузке в местах опирания концов прогонов и балок в расчетную площадь включается участок шириной, равной глубине заделки прогона или балки, и длиной не более расстояния между серединами пролетов, примыкающих к балке (рисунок 6.15 в);

- если расстояние между балками (шаг балок) превышает двойную ширину стены, длина расчетной площади определяется как сумма ширины балки и удвоенной ширины элемента (рисунок 6.15 г);

- при местной нагрузке, приложенной на части длины и ширины стены, расчетная площадь принимается согласно рисунку 6.15 д. При наличии нескольких нагрузок указанного типа расчетные площади ограничиваются линиями, проходящими через середину расстояний между точками приложения двух соседних нагрузок.

- при местной нагрузке от балок, прогонов, перемычек и других элементов, работающих на изгиб, учитываемая в расчете глубина опоры при определении А1ос1 и А1ос2 принимается не более 200 мм при отсутствии косвенного (поперечного) армирования кладки и не более 300 мм при наличии косвенного армирования кладки величиной не менее 0,2 %.

6.5.17. Если прочность кладки на сосредоточенные нагрузки, рассчитанная по формуле (6.7), недостаточна, то возможно ее повышение (но не более чем на 50 %) путем устройства распределительных бетонных плит (подушек), которые должны иметь толщину не менее 60 мм и класс бетона по прочности на сжатие не менее В10 с косвенным армированием не менее 0,3 %.

6.5.18. Глубина опирания балок и плит на стены из ячеистобетонных камней не должна быть менее 120 мм.

6.5.19. Под опорными участками элементов, передающих местные нагрузки на кладку, следует предусматривать слой раствора толщиной не более 15 мм, что должно быть указано в проекте.

6.5.20. Заделка балок в газобетонную кладку с восприятием опорного изгибающего момента (защемление) запрещается.

6.5.21. В любом случае величина сосредоточенной нагрузки на газобетонную кладку не должна превышать 30 кН от одной балки.

Рисунок 6.15 - Расчетные схемы для местного сжатия

6.6. Деформационные швы

6.6.1. Деформационные швы в стенах из ячеистых бетонов предусматриваются в целях устранения или уменьшения отрицательного влияния температурных и усадочных деформаций, осадок фундаментов, природных воздействий (ураганы, тектонические выбросы, наводнения), подземных выработок.

6.6.2. Температурно-усадочные швы устраиваются в местах возможной концентрации температурных и усадочных деформаций, которые могут вызвать в конструкциях недопустимые по условиям эксплуатации и долговечности разрывы, трещины, а также перекосы и сдвиги кладки.

6.6.3. Расстояние между температурно-усадочными швами следует определять расчетом в соответствии с указаниями [5] (приложение 11).

6.6.4. Максимальное расстояние между температурно-усадочными швами кладки из ячеистобетонных мелких блоков (камней), допустимое без расчета, принимается равным 50 м, при наличии армированных сеток через 2 ряда кладки - 60 м, при устройстве армированных поясов в уровне перекрытий сечением арматуры не менее 2Ø12АIII - 70 м.

При расчетных температурах наружного воздуха ниже -35°С указанные расстояния уменьшаются на 10 м.

6.6.5 Осадочные швы и швы для ослабления природных воздействий должны предусматриваться в местах изменения высоты зданий более чем на 6 м, а также между блок-секциями с углом поворота более 30°С.

7. Общие положения по теплотехническому расчету стен из блоков

7.1. Наружные стены из блоков новых и реконструируемых жилых и общественных зданий должны отвечать требованиям СНиП 23-02 и СП 23-101, настоящего СТО по сопротивлению теплопередаче, воздухопроницанию и паропроницанию.

7.2. Требуемые сопротивления наружных блочных стен теплопередаче, воздухопроницанию, паропроницанию определяются по СНиП 23-02 и СП 23-101. Расчетные коэффициенты теплопроводности кладки стен принимаются по таблице 7.1 приложению В.

7.3. Теплозащитные свойства стен из блоков характеризуются приведенным сопротивлением теплопередаче R0, м2·С/Вт, определяемым по СП 23-101 и СНиП 23-02.

7.4. Толщина стены подбирается исходя из расчета удельного расхода тепловой энергии на отопление здания qhdes (кДж/м2·ºС·сут) по СНиП 23-02 и СП 23-101.

7.5. Полученная величина qhdes должна соответствовать нормируемому удельному расходу тепловой энергии на отопление здания qhred (qhdes qhred), кДж/м2·ºС·сут, установленного в СНиП 23-02.

7.6. Величина отношения qhdes/qhred характеризует энергетическую эффективность здания. К нормальному классу по энергетической эффективности относятся здания, у которых 0,91 ≤ qhdes/qhred ≤ 1,05 (СП 23-101).

7.7. Приведенное сопротивление теплопередаче стены R0, при подборе ее толщины принимается не менее 0,63Rrec (СНиП 23-02), где Rreq - величина нормируемого приведенного сопротивления теплопередаче стены.

7.8. Нормируемая величина Rreq, зависящая от количества градусо-суток отопительного периода (Dd, °C), рассчитывается по СНиП 23-02 для каждого пункта строительства в Российской Федерации с учетом климатических параметров холодного периода года и нормированных параметров микроклимата в помещениях, приведенных в СНиП 23-01 и ГОСТ 30494.

Таблица 7.1 - Расчетные коэффициенты теплопроводности кладки

Материал блоков

Марка бетона по средней плотности

Равновесная влажность кладки при условиях эксплуатации ,
% по массе

Б

Расчетные коэффициенты теплопроводности кладки λ, Вт/м·ºС, при условиях эксплуатации  на растворах

Расчетные коэффициенты тепло-
проводности кладки на клею
λ, Вт/м·ºС, при условиях эксплуатации

цементно-
песчаном ρ0 = 1800 кг/м3

известково-
песчаном ρ0 = 1600 кг/м3

цементно-
шлаковом

ρ0 = 1400 кг/м3

цементно-
шлаковом

ρ0 = 1200 кг/м3

поризо-
ванном
ρ0 = 1000 кг/м3

поризо-
ванном
ρ0 = 800 кг/м3

Ячеистый бетон на кварцевом песке

D1200

10

15

0,54

0,62

0,52

0,60

0,51

0,59

0,50

0,57

0,49

0,56

0,48

0,55

0,49

0,57

D1100

10

15

0,51

0,57

0,50

0,56

0,48

0,54

0,47

0,53

0,45

0,51

0,44

0,50

0,45

0,51

D1000

10

15

0,45

0,52

0,44

0,51

0,43

0,49

0,42

0,48

0,40

0,46

0,39

0,45

0,41

0,46

D900

10

15

0,42

0,47

0,41

0,46

0,40

0,45

0,39

0,45

0,39

0,44

0,35

0,40

0,37

0,42

D800

10

15

0,37

0,42

0,37

0,41

0,36

0,40

0,35

0,39

0,35

0,39

0,33

0,37

0,33

0,37

D700

10

15

0,35

0,40

0,34

0,39

0,33

0,38

0,32

0,37

0,31

0,36

0,30

0,34

0,27

0,31

D600

8

12

0,27

0,32

0,26

0,31

0,25

0,30

0,25

0,29

0,24

0,29

0,23

0,27

0,22

0,26

D500

8

12

0,25

0,30

0,24

0,28

0,23

0,28

0,23

0,27

0,22

0,26

0,21

0,25

0,18

0,23

Ячеистый золобетон

D1200

15

22

0,56

0,63

0,54

0,61

0,53

0,60

0,52

0,58

0,51

0,56

0,50

0,56

0,52

0,58

D1100

15

22

0,53

0,59

0,52

0,58

0,50

0,56

0,48

0,54

0,46

0,52

0,46

0,52

0,48

0,54

D1000

15

22

0,48

0,55

0,47

0,54

0,46

0,52

0,45

0,51

0,44

0,50

0,43

0,48

0,44

0,50

D900

15

22

0,45

0,52

0,44

0,51

0,43

0,50

0,43

0,49

0,42

0,48

0,38

0,44

0,39

0,45

D800

15

22

0,40

0,46

0,39

0,45

0,38

0,44

0,37

0,44

0,37

0,43

0,35

0,41

0,35

0,41

D700

15

22

0,39

0,45

0,38

0,44

0,36

0,42

0,36

0,41

0,35

0,40

0,33

0,38

0,30

0,36

D600

12

17

0,31

0,37

0,30

0,36

0,29

0,35

0,28

0,34

0,27

0,33

0,26

0,32

0,25

0,31

D500

12

17

0,28

0,33

0,27

0,32

0,26

0,31

0,25

0,31

0,24

0,30

0,24

0,29

0,19

0,25

8. Отделка стен из мелких ячеистобетонных блоков

8.1. Защитно-декоративная отделка ячеистобетонной кладки производится:

- при соответствующем цвето-фактурном решении проектировщика;

- при кладке без расшивки швов;

- для увеличения морозостойкости ячеистого бетона блоков.

8.2. Защитно-отделочные покрытия по своим основным физико-техническим свойствам должны удовлетворять требованиям таблицы 8.1.

8.3. Цвет отделочного слоя или покрытия, а также его фактура, должны соответствовать проектным решениям здания. На поверхности покрытия не должно быть видимых трещин, шелушений и отслоений, высолов, неоднородности.

8.4. До начала работ по отделке необходимо устранить все конструктивные дефекты узлов, швов и водосливов, вызывающие систематическое увлажнение стен атмосферной влагой.

Таблица 8.1 - Требования к защитно-отделочным покрытиям наружных стен из ячеистобетонных блоков

Свойства покрытия

Метол определения

Допустимые значения и единицы измерения

Сопротивление паропроницанию

По диффузии насыщенного пара в среду ненасыщенного (φп = 54 % ) в стационарных условиях (20 ± 2°С)

Rn 0,5 м2 ч Па/мг

Водонепроницаемость через 24 часа (по средней влажности 30 мм - го слоя ячеистого бетона за отделкой)

По водопоглощению в ванне образца с отделкой

Wоб ≤ 5 %

Адгезия к ячеистому бетон>

Отрыв отделки после 14 дней хранения при t = 20°С и

φn= 54 %

R0сц ≥ 0,6МПа

Морозостойкость

Снижение прочности на отрыв после 35 циклов замораживания и отслаивания

R35цсц ≥ 0,75 R0сц без шелушения и отслаивания

Устойчивость к разрыву по трещине в ячеистом бетоне

Растяжение образца с отделкой при раскрывающейся трещине

Целостность покрытия при раскрытии трещины под ним от 0 до 0.3 мм

Стойкость к переменному увлажнению и высушиванию

Погружение отделки в воду на 30 сек и высушивание кварцевыми лампами до t = 60°С

После 250 циклов

R250цсц ≥ 0,75 R0сц

8.5. Запрещается производить отделку стен во время дождя, зимой по наледи, при порывистом ветре, скорость которого превышает в среднем 10 м/с, в жаркую погоду, при температуре воздуха в тени выше 25°С, при прямом воздействии солнечных лучей.

8.6. Для отделки поверхности стен из мелких ячеистобетонных блоков применяют смеси, содержащие следующие компоненты:

- клеящие вещества (цемент, известь, гипс, полимеризующиеся моно- и олигомеры), обеспечивающие адгезию и когезию;

- стойкие к ультрафиолету (обесцвечиванию) пигменты (минеральные и органические);

- наполнители, обеспечивающие паропроницаемость, трещиностойкость и требуемую текстуру покрытия;

- водоудерживающие добавки, способствующие требуемому набору прочности без пересушивания;

- гидрофобизаторы типа кремнеорганических жидкостей, препятствующие миграции влаги (как увлажнению, так и высолообразованию);

- биоцидные добавки, предотвращающие биокоррозию;

- добавки-нейтрализаторы поверхностного заряда, препятствующие осаждению аэрозолей (пыли) на стенах;

- добавки-антиоксиданты, тормозящие окислительную деструкцию покрытия;

- добавки-пластификаторы, регулирующие удобоукладываемость смесей.

8.7. При изготовлении отделочных смесей на заводе ячеистых бетонов следует использовать материалы, применяемые для изготовления ячеистого бетона и отходы его производства (сырец от калибровки, дробленый брак), в т.ч. молотые высушенные отходы.

8.8. Перед началом отделки необходимо закончить следующие работы:

- остекление окон и лоджий;

- устройство фартуков, отливов, водостоков;

- заделку швов на фасаде дома;

- исправление всех повреждений поверхности стен (если таковые имеются);

- устройство кровли и козырьков над входами, укладка отмостки вокруг дома.

8.9. К отделке рекомендуется приступать только после оформления акта по выполнению подготовительных работ и готовности дома к отделке.

8.10. До начала отделочных работ все неокрашиваемые части стены (окна, двери и др.) рекомендуется закрыть полиэтиленовой пленкой или плотной бумагой ввиду того, что высохшее защитно-отделочное покрытие трудно удаляется.

8.11. Отделываемая поверхность должна быть чистой и сухой. Влажность ячеистого бетона в поверхностном слое на глубину 5 мм не должна превышать 8 % (по массе) при отделке красками и составами на органических растворителях и 20 % (по массе) при отделке водоэмульсионными красками.

8.12. На поверхности стен, подлежащих отделке, не должно быть:

- трещин в бетоне, за исключением местных, поверхностных шириной более 0,2 мм;

- жировых и ржавых пятен;

- пыли;

- раковин, выколов, впадин глубиной более 2 мм и диаметром более 5 мм;

- задиров и наплывов высотой более 1,5 мм.

8.13. При наличии на поверхности стен указанных выше дефектов их необходимо устранить. Ремонт отдельных выбоин, околов углов и ребер следует производить сложным раствором с добавлением 50 % -ной дисперсии ПВА в количестве 10 % от массы цемента. Состав раствора в масс. ч. равен 1:0,2:4 (цемент : известь : песок) и вода до подвижности раствора 8-10 см по конусу ГОСТ 5802.

8.14. При большом количестве дефектов производят выравнивание поверхности растворами, взаимозаменяемые составы которых приведены в таблице 8.2.

8.15. Компоненты раствора перемешивают в мешалке, загружая их в следующей последовательности: половинное количество воды и дисперсию ПВА перемешивают 2-3 мин, затем вводят песок, цемент (или цемент с измельченным газобетоном) и остальную воду затворения. Полученную смесь перемешивают еще 5 мин. Подвижность раствора 8-10 см по конусу ГОСТ 5802.

8.16. Выравнивающий слой наносят на поверхность стены, огрунтованную дисперсией ПВА, разведенной водой в соотношении 1:3 (дисперсия: вода) по объему.

Таблица 8.2 - Состав раствора для отделки стен

Компоненты

Составы в масс. ч.

1

2

Портландцемент марки не ниже 300*

1

1

Измельченный газобетон с удельной поверхностью 80-600 м2/кг

-

1

Песок крупностью до 1,2 мм

3

2

Дисперсия ПВА 50 %-ная пластифицированная

0,35

0,2

Вода

0.35

0.6

* Для ускорения твердения раствора рекомендуется ввести глиноземистый цемент в количестве 10 % от массы портландцемента

8.17. Оштукатуривание стен из мелких блоков рекомендуется производить только при кладке стен на растворе, швы которого имеют неодинаковую толщину.

Штукатурные растворы должны быть обязательно поризованными марки по плотности D1500 и менее.

8.18. Поризованные растворы можно приготавливать путем перемешивания цемента и песка в соотношении 1:3 с введением в них порообразующих добавок или путем введения отдельно приготовленной пены.

8.19. Пена приготавливается в смесителях, оснащенных электродрелью с насадкой, путем перемешивания пенообразователя в воде. Пену добавляют в цементно-песчаный раствор до получения растворной смеси D1500.

8.20. Для последующей отделки оштукатуренных поверхностей стен могут быть применены любые составы, сертифицированные производителями и удовлетворяющие требованиям, приведенным в таблице 8.1.

9. Растворы для кладки стен из блоков

9.1. При кладке наружных стен из блоков рекомендуется применять клеи или легкие растворы с плотностью в сухом состоянии менее 1500 кг/м3.

9.2. При назначении вида, проектной марки и состава строительного раствора или клея для кладки стен из блоков следует учитывать требования, приведенные в СП 82-101, настоящем СТО и ГОСТ 28013.

9.3. Требуемая марка строительного раствора или клея для кладки стен из блоков принимается по результатам расчета несущей способности стен, но не менее М50.

Примечание - При кладке стен малоэтажных зданий, по результатам расчета на прочность, допускается применять строительные растворы с меньшей маркой.

9.4. Кладочные растворы или клеи приготавливаются на цементном или смешанном вяжущем и легких заполнителях, в том числе на заполнителях из дробленых отходов ячеистого бетона или на кварцевых песках с поризацией.

При приготовлении и применении легких строительных кладочных растворов с пористыми заполнителями следует выполнять требования СП 82-101.

9.5. Заводами-изготовителями сухие смеси клеев или кладочных растворов поставляются на строительство в контейнерах с инструкцией по применению.

9.6. При приготовлении раствора в емкость вначале загружается 50 % воды, заполнитель и цемент, которые перемешиваются в течение 1-2 мин. После этого состав перемешивается с остальной водой и добавками, в том числе воздухововлекающими.

9.7. При приготовлении сухих растворных смесей твердые добавки вводятся в смесь на заводе-изготовителе.

Жидкие добавки вводятся в мерные емкости для воды непосредственно перед подачей ее в смеситель.

9.8. При производстве работ по кладке из блоков в зимнее время для обеспечения необходимой прочности раствора рекомендуется применять противоморозные химические добавки: поташ, нитрит натрия или комплексную добавку из нитрита натрия с мочевиной.

Применение противоморозных химических добавок при разных температурах наружного воздуха допускается с соблюдением требований СНиП 3.03.01.

9.9. Кладку стен из блоков 1-й категории рекомендуется выполнять на клеях. Приготавливать клей рекомендуется в мешалках со скоростью вращения лопастей не более 50 об/мин или в пропеллерных мешалках, в т.ч. на основе электродрели с использованием сухих готовых клеевых смесей.

9.10. Для кладки стен при минусовой температуре используют клеи с противоморозными добавками, сухие смеси которых имеют соответствующую маркировку на упаковке.

9.11. Составы поризованных растворов и растворов заданной марки на легких заполнителях и подбираются в соответствии с требованиями инструкции СП 82-101 и [7]. Окончательный состав уточняется контрольными испытаниями прочности раствора в 28-дневном возрасте по ГОСТ 5802.

10. Контроль качества при приемке, транспортировке и хранении блоков

10.1. Приемка блоков осуществляется по ГОСТ 21520 и ГОСТ 13015, ГОСТ 31360 и настоящим СТО.

10.2. Число блоков с отклонениями от линейных размеров, превышающими указанные в таблице 6.2, не должно превышать в сумме 5 % партии.

10.3. Число блоков с повреждениями углов и ребер, превышающими указанные в таблице 6.2, не должно превышать в сумме 5 % партии.

10.4. Блоки с трещинами не допускаются.

10.5. Партии блоков, отличающиеся марками бетона по средней плотности и классами по прочности, должны иметь несмываемую маркировку на упаковке.

10.6. В зависимости от предельных отклонений размеров, формы и показателей внешнего вида изделия подразделяются на две категории, требования к которым приведены в таблице 6.2.

10.7. Изготовитель по заявке потребителя может изготавливать изделия, в соответствии с размерами приведенными в таблице 6.1 с учетом требований таблицы 6.2, исходя из возможностей имеющегося оборудования.

10.8. Условное обозначение изделий должно состоять из наименования изделия (блок), обозначения категории в соответствии с таблицей 6.2 размером по длине, ширине и высоте (толщине) в миллиметрах, марки по средней плотности, класса по прочности на сжатие, марки по морозостойкости и обозначения ГОСТа 31360.

Пример условного обозначения блока категории I, длиной 600, шириной 300 и высотой 200 мм, марки по средней плотности D500, класса по прочности на сжатие B2,5, марки по морозостойкости F25:

Блок I/600*300*200/D500/B2,5/F25/ГОСТ 31360-2007

Допускается в условное обозначение включать дополнительные сведения для полной идентификации изделий.

10.9. Для блоков определяют следующие физико-механические характеристики:

- среднюю прочность;

- прочность на сжатие;

- теплопроводность;

- усадку при высыхании;

- морозостойкость;

- паропроницаемость.

10.10. Контрольную проверку и приемку блоков осуществляют в соответствии с требованиями ГОСТ 31360.

10.11. Возможность использования блоков, не соответствующих заданным по показателям прочности, средней прочности, отпускной влажности, теплопроводности, усадки, морозостойкости и геометрическим параметрам, устанавливает проектная организация или Центр ячеистых бетонов.

10.12. Блоки в упаковке должны быть неслипшимися и свободно разбираться вручную.

10.13. Каждую партию изделий сопровождают документом о качестве, в котором указывают:

- наименование и адрес предприятия-изготовителя;

- назначение изделий;

- условное обозначение изделий;

- объем поставляемой партии, м3;

- размеры изделий;

- класс прочности на сжатие;

- марку по средней плотности;

- марку по морозоустойчивости;

- удельную эффективную активность естественных радионуклидов;

- коэффициент теплопроводности изделий в сухом состоянии;

- усадку при высыхании;

- коэффициент паропроницаемости;

- номер и дату выдачи документа о качестве;

- номер партии;

- обозначение ГОСТа 31360

10.14. Размеры, разность длин диагоналей, искривление граней и ребер проверяют методами ГОСТ 13015, ГОСТ 26433.0 и ГОСТ 26433.1, ГОСТ 21520.

10.15. Все применяемые средства измерения должны быть не ниже 2-го класса точности.

10.16. Контроль глубины повреждения ребер и углов проводят измерением перпендикуляра, опущенного из вершины угла или ребра до условной плоскости дефекта, в соответствии со схемой измерения глубины повреждения углов и ребер блоков штангенглубиномером - по ГОСТ 21520 (подпунк 3.3).

10.17. Технические характеристики блоков контролируются в соответствии с требованиями следующих стандартов:

- прочность сжатия - по ГОСТ 10180;

- средняя плотность - по ГОСТ 12730.1;

- морозостойкость - по ГОСТ 25485;

- усадка при высыхании - по ГОСТ 25485;

- теплопроводность бетона блоков - по ГОСТ 7076;

- отпускная влажность - по ГОСТ 12730.2, ГОСТ 21718;

- удельную эффективную активность естественных радионуклидов - по ГОСТ 30108;

- паропроницаемость - по ГОСТ 25898.

10.18. Транспортировка и хранение блоков осуществляется в соответствии с требованиями ГОСТ 31360.

10.19. Блоки перевозятся в контейнерах по ГОСТ 20259 или на поддонах по типу ГОСТ 18343 - с жесткой фиксацией пакетов скрепляющими средствами.

10.20. Перевозка блоков осуществляется транспортом любого вида в соответствии с правилами, действующими на этих видах транспорта, утвержденными в установленном порядке ГОСТ 13015.

10.21. Запрещается производить погрузку блоков навалом и разгрузку их сбрасыванием.

10.22. Блоки следует хранить рассортированными по типам, категориям, классам по прочности, маркам по средней плотности и уложенными в штабели высотой не более 2,5 м или на стеллажах. Блоки должны быть защищены от увлажнения, обледенения, снегозаносов и замораживания.

11. Правила производства, приемка работ и техника безопасности при возведении стен зданий из блоков

11.1. При возведении зданий из блоков следует выполнять требования, предъявляемые к каменным конструкциям СНиП 3.03.01, а при приготовлении и применении строительных растворов - требования Инструкции СН 82-101.

11.2. Правила приемки, методы испытаний, маркировка, хранение и транспортирование блоков должны осуществляться в соответствии с требованиями ГОСТ 21520, ГОСТ 31360 и настоящего СТО.

11.3. При работе с ячеистым бетоном требуется осторожность и аккуратность. Прежде всего, следует обратить внимание на хранение блоков. Поддоны или контейнеры с блоками необходимо устанавливать на выравненное основание, защищенное от почвенной влаги. При длительном хранении незащищенный ячеистый бетон нужно укрывать от дождя или снега изоляционными материалами (брезентом, толем, полиэтиленовой пленкой)

11.4. Подачу блоков к месту укладки можно осуществить на поддонах с помощью крана или средствами малой механизации.

11.5. Кладку блоков рекомендуется начинать с углов здания и вести рядами по всему периметру. Следует строго следить за правильностью высоты рядов с самого начала кладки с помощью натянутого шнура-причалки, уровней и отвесов или лазерных координаторов.

11.6. Перед укладкой блоки необходимо очистить и визуально проверить на целостность. Имеющие механические повреждения (отколотые кромки, углы) блоки допускается использовать при кладке веранд, фронтонов, парапетов или во внутренних перегородках после механической обработки.

11.7. При кладке стен из блоков на растворе толщина горизонтальных швов принимается не менее 10 мм и не более 15 мм, в среднем 12 мм в пределах высоты этажа. Толщина вертикальных швов принимается от 8 до 15 мм, в среднем 10 мм. Горизонтальные и вертикальные швы между блоками рекомендуется тщательно заполнять пластичным легким раствором.

11.8. При кладке стен из блоков на клею толщина горизонтальных и вертикальных швов принимается (2 ± 1) мм. Швы должны быть тщательно заполнены клеем.

11.9. При небольших объемах кладочный раствор допускается готовить в передвижных растворосмесителях типа СО-46А. Приготовление растворов при большом объеме кладочных работ следует вести в смесителях принудительного действия типа СБ-80, СБ-80-1. Допускается также использовать аналоги смесителей СБ-100 и СБ-130.

11.10. Готовый раствор (клей) выгружают в емкость для временного хранения, затем распределяют по длине стены, выравнивая постель. Блок опускают на раствор (клей) сверху, избегая горизонтальной подвижки более 5 мм. Выдавившиеся излишки раствора (клея) удаляют незамедлительно, не допуская их схватывания. Рихтовку блоков допускается производить покачиванием или подбивкой инструментом, исключающим возможность нанесения механических повреждений.

11.11. Поверхности блока перед нанесением раствора рекомендуется смачивать водой.

11.12. Раствор для кладки стен из блоков рекомендуется приготавливать на месте строительства из готовых сухих смесей или из вяжущего, заполнителя и добавок.

11.13. При возведении зданий из блоков используются следующие инструменты:

- Ленточная пила - предназначена для распиловки блоков из ячеистого бетона при больших объемах работ. Прямой привод, автоматическое отключение.

- Электро- или бензопила ручная - предназначена для распиловки блоков непосредственно на строительной площадке.

- Ручная пила - предназначена для распиловки блоков вручную непосредственно на строительной площадке.

- Сверло для стен, винтовое сверло - предназначено для сверления кладки для трубных разводок.

- Сверло - предназначено для подготовки отверстий для распределительных коробок, розеток и выключателей.

- Ручной штраборез - предназначен для прорезки канавок, пазов, штраб для укладки анкеров, труб и электрической разводки. Применим для ячеистобетонных блоков класса не выше В 2,5.

- Долото - предназначено для нарезки штраб для труб и электрической разводки. Применим для блоков класса не выше В2,5.

- Рубанок ручной - предназначен для снятия фасок с блоков.

- Лопастная мешалка - предназначена в качестве насадки к электрической дрели мощностью не менее 600 Вт.

- Зубчатая кельма - применяется для нанесения клеевого раствора при кладочных работах. Изготавливается для всех толщин стен от 100 до 600 мм.

- Ковш-скребок с зубчатым краем - предназначен для нанесения и расстилки раствора (клея) по поверхности кладки.

- Молоток резиновый - применяется для подгонки блоков при выполнении кладочных работ.

- Шлифовальная доска - предназначена для ликвидации неровностей на поверхности блоков.

- Уголок - предназначен для обеспечения точности обрезки блоков.

- Направляющий шаблон - предназначен для срезки блоков в проемах или откосах.

- Емкость на 5-10 л - предназначена для нанесения раствора (клея) на поверхность блоков.

- Штангенглубиномер.

- Уровни горизонтальный и вертикальный или лазерные координаторы.

- Шнур-причалка.

11.15. Для обеспечения непродуваемости наружных стен из блоков необходимо обеспечить отсутствие пустошовки в горизонтальных и вертикальных швах.

11.16. Для повышения теплотехнических свойств наружных стен из блоков кладку целесообразно вести на клею или на легких (теплых) растворах с заменой кварцевого песка шлаком, шлаковой пемзой, керамзитовым песком или на поризованных цементно-песчаных растворах.

Приложение А
(обязательное)
Перечень основных нормативных документов, на которые имеются ссылки в тексте

СНиП 21-01-97* Пожарная безопасность зданий и сооружений.

СНиП 23-01-99* Строительная климатология.

СНиП 23-02-2003 Тепловая защита зданий.

СНиП 3.03.01-87 Несущие и ограждающие конструкции.

СНиП 52-01-03 Бетонные и железобетонные конструкции. Общие положения.

СНиП II-22-81* Каменные и армокаменные конструкции.

СН 277-80 Инструкция по изготовлению изделий из ячеистого бетона.

СН 82-101-98 Приготовление и применение растворов строительных.

СП 23-101-2004 Проектирование тепловой защиты зданий.

ГОСТ 10178-85 (СТ СЭВ 5683-86) Портландцемент и шлакопортландцемент. Технические условия.

ГОСТ 10180-90 Бетоны. Методы определения прочности по контрольным образцам.

ГОСТ 11024-84 Панели стеновые наружные бетонные и железобетонные для жилых и общественных зданий. Общие технические условия.

ГОСТ 11118-73 Панели из автоклавных ячеистых бетонов для наружных стен зданий Технические требования.

ГОСТ 12504-80* Панели стеновые внутренние бетонные и железобетонные для жилых и общественных зданий. Общие технические условия.

ГОСТ 12730.1-78 Бетоны. Методы определения плотности.

ГОСТ 12730.2-78 Бетоны. Метод определения влажности.

ГОСТ 13015-2003 Изделия железобетонные для строительства. Общие технические требования. Правила приемки, маркировки, транспортирования и хранения.

ГОСТ 14192-96 Маркировка грузов.

ГОСТ 14791-79 Мастика герметизирующая нетвердеющая строительная. Технические условия.

ГОСТ 18105-86 Бетоны. Правила контроля прочности.

ГОСТ 18343-80 Поддоны для кирпича и керамических камней. Технические условия.

ГОСТ 19010-82 Блоки стеновые бетонные и железобетонные для зданий. Общие технические условия.

ГОСТ 19570-74 Панели из автоклавных ячеистых бетонов для внутренних несущих стен, перегородок и перекрытий жилых и общественных зданий. Технические требования.

ГОСТ 20259-80 Контейнеры универсальные. Общие технические условия.

ГОСТ 21520-89 Блоки из ячеистых бетонов стеновые мелкие. Технические условия.

ГОСТ 21718-84 Материалы строительные. Диэлькометрический метод измерения влажности.

ГОСТ 23732-79 Вода для бетонов и растворов Технические условия.

ГОСТ 25485-89 Бетоны ячеистые. Технические условия.

ГОСТ 25621-83 Материалы и изделия полимерные строительные герметизирующие и уплотняющие.

ГОСТ 25818-91 Золы-уноса тепловых электростанций для бетонов. Технические условия

ГОСТ 25898-83 Материалы и изделия строительные. Методы определения сопротивления паропроницанию.

ГОСТ 26433.0-85 Правила выполнения измерений. Общие положения.

ГОСТ 26433.1-89 Правила выполнения измерений. Элементы заводского изготовления.

ГОСТ 27005-86 Бетоны легкие и ячеистые. Правила контроля средней плотности.

ГОСТ 28013-98 Растворы строительные. Общие технические условия.

ГОСТ 30108-94 Материалы и изделия строительные. Определение удельной эффективной активности естественных радионуклидов.

ГОСТ 30494-96 Здания жилые и общественные. Параметры микроклимата в помещениях.

ГОСТ 31108-2003 Цементы общестроительные. Технические условия.

ГОСТ 31359-2007 Бетоны ячеистые автоклавного твердения. Технические условия.

ГОСТ 31360-2007 Изделия стеновые неармированные из ячеистого бетона автоклавного твердения.

ГОСТ 3476-74 Шлаки доменные и электротермофосфорные гранулированные для производства цементов.

ГОСТ 379-95 Кирпич и камни силикатные. Технические условия.

ГОСТ 530-95 Кирпич и камни керамические. Технические условия.

ГОСТ 5494-95 Пудра алюминиевая. Технические условия.

ГОСТ 5632-72 Стали высоколегированные и сплавы коррозионностойкие, жаростойкие и жаропрочные. Марки.

ГОСТ 5742-76 Изделия из ячеистых бетонов теплоизоляционные.

ГОСТ 5802-86 Растворы. Строительные методы испытаний.

ГОСТ 7076-99 Материалы и изделия строительные. Метод определения теплопроводности и термического сопротивления при стационарном тепловом режиме.

ГОСТ 7484-78 Кирпич и камни керамические лицевые. Технические условия.

ГОСТ 8462-85 Материалы стеновые. Методы определения пределов прочности при сжатии и изгибе.

ГОСТ 8736-93 Песок для строительных работ. Технические условия.

ГОСТ 9179-77 Известь строительная. Технические условия.

Приложение Б
Указатель буквенных обозначений

 Таблица Б1 - Указатель обозначений основных символов

Обозначение

Расшифровка обозначения

Единицы измерения

В

Класс бетона по прочности на сжатие

МПа

D

Марка бетона по плотности

кг/м3

F

Марка бетона по морозостойкости

количество циклов

Rb

Расчетные сопротивления бетона для предельных состояний первой группы сжатию

МПа

Rbt

Расчетные сопротивления бетона для предельных состояний первой группы растяжению

МПа

Rsh

Расчетные сопротивления бетона для предельных состояний первой группы срезу

МПа

Rbn, Rb ser

Нормативные сопротивления бетона и расчетные для предельных состояний второй группы сжатию

МПа

Rbtn, Rbt ser

Нормативные сопротивления бетона и расчетные для предельных состояний второй группы растяжению

МПа

Rshn, Rsh,ser

Нормативные сопротивления бетона и расчетные для предельных состояний второй группы срезу

МПа

Еb

Начальный модуль упругости бетона при сжатии и растяжении

МПа

v

Коэффициент Пуассона

безразмерный

αbt

Коэффициент линейной температурной деформации бегона

отн. eд./°С

G

модуль сдвига бетона

МПа

μ

Коэффициент паропроницаемости

мг/м·ч·Па

λ

Коэффициент теплопроводности

Вт/(м·°С)

Dк

Средняя плотность кладки

кг/м3

R

Расчетное сопротивление сжатию кладки

МПа

Nn

Сумма всех вертикальных нагрузок

кН

M

Изгибающий момент от перекрытия и ветра

кН·м

φ

Коэффициент продольного изгиба

безразмерный

α

Упругая характеристика кладки из блоков

безразмерный

Nc

Сжимающая сила от местной нагрузки (опорная реакция)

Н

R0

Приведенное сопротивление теплопередаче

м°С/Вт

qhdes

Удельный расход тепловой энергии на отопление здания

МДж/м2

qhred

Нормируемый удельный расход тепловой энергии на отопление здания

МДж/м2

Rred

Нормируемое приведенное сопротивление теплопередаче стены

м2·оС/Вт

Dd

Градусо-сутки отопительного периода

°С

Библиография

[1] Рекомендации по проектированию и применению панелей покрытий из ячеистых бетонов для жилых и общественных зданий, М., 1982.

[2] Рекомендации по применению мелкозернистых (песчаных) бетонов для несущих и ограждающих конструкций гражданского назначения. Л., 1987;

[3] Рекомендации по изготовлению и проектированию изделий из поризованных мелкозернистых бетонов. Л., 1975

[4] Пособие к СНиП 2.03.01-84 Пособие по проектированию бетонных и железобетонных конструкций из ячеистых бетонов. НИИЖБ, ЦНИИСК, М., 1986

[5] Пособие к СНиП II-22-81 Пособие по проектированию каменных и армокаменных конструкций. ЦНИИСК, М., 1987

[6] Руководство по проектированию бетонных и железобетонных конструкций из ячеистых бетонов. М, 1977

[7] Рекомендации по применению стеновых мелких блоков из ячеистых бетонов. М, 1992

Ключевые слова: Стандарт организации, ячеистый бетон, газобетон, пенобетон, пористость, ячеистобетонные блоки, автоклавное и неавтоклавное твердение, класс бетона, прочность на сжатие, растяжение, срез, теплоизоляционный бетон, конструкционный бетон, многослойные наружные стены

 

 




ГОСТЫ, СТРОИТЕЛЬНЫЕ и ТЕХНИЧЕСКИЕ НОРМАТИВЫ.
Некоммерческая онлайн система, содержащая все Российские Госты, национальные Стандарты и нормативы.
В Системе содержится более 150000 файлов нормативно-технической документации, действующей на территории РФ.
Система предназначена для широкого круга инженерно-технических специалистов.

Рейтинг@Mail.ru Яндекс цитирования

Copyright © www.gostrf.com, 2008 - 2026