Крупнейшая бесплатная информационно-справочная система онлайн доступа к полному собранию технических нормативно-правовых актов РФ. Огромная база технических нормативов (более 150 тысяч документов) и полное собрание национальных стандартов, аутентичное официальной базе Госстандарта. GOSTRF.com - это более 1 Терабайта бесплатной технической информации для всех пользователей интернета. Все электронные копии представленных здесь документов могут распространяться без каких-либо ограничений. Поощряется распространение информации с этого сайта на любых других ресурсах. Каждый человек имеет право на неограниченный доступ к этим документам! Каждый человек имеет право на знание требований, изложенных в данных нормативно-правовых актах!

  


 

Российское акционерное общество
энергетики и электрификации "ЕЭС России"
Акционерное общество

________________

"Фирма по наладке, совершенствованию технологии
и эксплуатации электростанций и сетей ОРГРЭС"

МЕТОДИЧЕСКИЕ УКАЗАНИЯ
ПО ТЕХНИЧЕСКОМУ ОБСЛУЖИВАНИЮ
РЕЛЕ ЧАСТОТЫ РСГ-11

СЛУЖБА ПЕРЕДОВОГО ОПЫТА ОРГРЭС

Москва 1994

Содержание

1. ВВЕДЕНИЕ

2. УКАЗАНИЯ МЕР БЕЗОПАСНОСТИ

3. ОБЪЕМ ПРОВЕРКИ

3.1. Внешний осмотр

3.2. Установка частоты срабатывания и возврата (уставок)

3.3. Проверка частоты срабатывания и возврата

3.4. Проверка времени срабатывания

3.5. Проверка сопротивления и электрической прочности изоляции

3.6. Проверка исправности реле с помощью кнопки профилактического контроля

3.7. Проверка временных диаграмм для определения неисправности реле

4. ПЕРИОДИЧНОСТЬ И ОБЪЕМ ТЕХНИЧЕСКОГО ОБСЛУЖИВАНИЯ РЕЛЕ

Приложение 1 ТЕХНИЧЕСКИЕ ДАННЫЕ И ОПИСАНИЕ РЕЛЕ

Приложение 2 ОСНОВНЫЕ ДАННЫЕ ЭЛЕМЕНТОВ, ВХОДЯЩИХ В СХЕМУ РЕЛЕ

Приложение 3 ПОЛОЖЕНИЕ ШТЕККЕРОВ ДЛЯ УСТАНОВКИ СООТВЕТСТВУЮЩЕГО ЗНАЧЕНИЯ ЧАСТОТЫ СРАБАТЫВАНИЯ И ВОЗВРАТА

Приложение 4 ПЕРЕЧЕНЬ ПРИБОРОВ И УСТРОЙСТВ, ПРИМЕНЯЕМЫХ ПРИ ПРОВЕРКЕ И НАЛАДКЕ РЕЛЕ

Приложение 5 ПРОТОКОЛ ПРОВЕРКИ ПРИ НОВОМ ВКЛЮЧЕНИИ РЕЛЕ РСГ-11

РАЗРАБОТАНО АО "Фирма ОРГРЭС"

ИСПОЛНИТЕЛИ С.А. Шестопалов, С.И. Фейган (электрический цех)

УТВЕРЖДЕНО АО "Фирма ОРГРЭС" 11.06.92 г.

Заместитель главного инженера           Ф.Л. КОГАН

МЕТОДИЧЕСКИЕ УКАЗАНИЯ
ПО ТЕХНИЧЕСКОМУ ОБСЛУЖИВАНИЮ РЕЛЕ ЧАСТОТЫ РСГ-11

В настоящих Методических указаниях приведены описание и принцип работы реле, методы проверки отдельных параметров и элементов схемы реле, а также форма протокола проверки реле при новом включении, рекомендации по техническому обслуживанию.

Методические указания предназначены для персонала наладочных организаций и служб релейной защиты, занимающегося наладкой и эксплуатацией этих реле.

1. ВВЕДЕНИЕ

Реле частоты серии РСГ-11 выпускаемые ПО "ЧЭАЗ" с 1991 г., применяются в устройствах релейной защиты и электроавтоматики в качестве органа, реагирующего на изменение частоты.

Реле частоты серии РСГ-11 используются в качестве пусковых реле устройств частотной разгрузки (АЧР) при снижении частоты ниже допустимого значения, а также в делительных устройствах.

Реле предназначено для работы в вертикальном положении, при температуре окружающей среды от минус 40 до плюс 40 °С, во взрывобезопасной среде, без попадания в него воды, масла, эмульсии.

Высота над уровнем моря - не более 2000 м.

Технические данные и описание реле приведены в приложении 1.

Основные данные элементов, входящих в схему реле, приведены в приложении 2.

При проверке и наладке реле необходимо руководствоваться:

данными Методическими указаниями;

"Инструкцией по проверке промежуточных и указательных реле" (М.: Энергия, 1981);

"Типовой инструкцией по организации и производству работ в устройствах релейной защиты и электроавтоматики электростанций и подстанций" (М.: СПО ОРГРЭС, 1991);

"Правилами технического обслуживания устройств релейной защиты, электроавтоматики, дистанционного управления и сигнализации электростанций и линий электропередачи 35-330 кВ" (М.:СПО Союзтехэнерго, 1989);

"Правилами технического обслуживания устройств релейной защиты и электроавтоматики электрических сетей 0,4-20 кВ" (М.: СПО Союзтехэнерго, 1989);

"Сборником директивных материалов Главтехуправления Минэнерго СССР. Электротехническая часть" (М.: Энергоатомиздат, 1985);

техническим описанием (ТО) и инструкцией по эксплуатации реле частоты типа РСГ-11 УХЛ4 (принципиальная схема реле с поясняющими материалами высылается заводом-изготовителем по запросу).

2. УКАЗАНИЯ МЕР БЕЗОПАСНОСТИ

При проверке и наладке реле необходимо выполнять требования "Правил техники безопасности при эксплуатации электроустановок" (М.: Энергоатомиздат, 1987) и "Правил технической эксплуатации электрических станций и сетей" (М.: Энергоатомиздат, 1989).

3. ОБЪЕМ ПРОВЕРКИ

В объем проверки входят:

3.1. Внешний осмотр

При внешнем осмотре производится:

тщательный осмотр реле с целью выявления дефектов и повреждений отдельных элементов и монтажа, которые могут появиться при транспортировке;

проверка качества пайки как печатного, так и навесного монтажа.

Печатный монтаж проверяется тщательным визуальным осмотром. При этом проверяется отсутствие отслоения и трещин на контактных дорожках.

Навесной монтаж проверяется продергиванием с помощью пинцета;

проверка крепления элементов, наличие зазоров между элементами и печатной платой;

проверка затяжки всех винтовых соединений.

При необходимости исправления паек или замены элементов необходимо выполнять требования, указанные в приложении 1 "Типовой инструкции по организации и производству работ в устройствах релейной защиты и электроавтоматики электростанций и подстанций".

3.2. Установка частоты срабатывания и возврата (уставок)

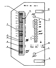
Необходимая частота срабатывания и возврата устанавливается с помощью штеккеров 1 и 2, вставляемых в соответствующие гнезда, расположенные на лицевой плате (рис. 1).

Рис. 1. Лицевая плата реле:

1 - штеккер для установки частоты срабатывания; 2 - штеккер для установки частоты возврата; 3 - штеккер для установки положения "ПОВ"; 4 - штеккер для установки положения "ПОН"; 5 - переключатель уставок выдержек времени; 6 - штеккер для установки положения "ВНЕШ" или "АВТ"; 7 - кнопка "КОНТР" для проверки работоспособности реле; 8 - светодиод; 9 - рамка для записи установленной частоты срабатывания; 10 - рамка, в которой указывается год выпуска реле; 11 - отверстие, в которое устанавливается штеккер, не используемый при установке уставок срабатывания и возврата; 12 - места установки перемычки для определенной выдержки времени.

Примечание. На чертеже показано положение штеккеров для fcp - 48 Гц и fв - 50 Гц.

Положения штеккеров для соответствующего значения частоты срабатывания и возврата определяются по таблице, приведенной в приложении 3. Значения уставок приведены через каждые 0,05 Гц в диапазоне 45-55 Гц. Знаком "+" обозначены положения штеккеров, которые должны быть замкнуты при выбранной частоте срабатывания и возврата.

3.3. Проверка частоты срабатывания и возврата

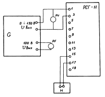
Схема проверки приведена на рис. 2.

Рис. 2. Схема проверки частоты срабатывания и возврата на рабочих уставках:

G - генератор технической частоты ГТЧ-1; PF - частотомер; PV - вольтметр; Н - измерительный прибор (омметр)

Проверка производится при номинальном значении напряжения переменного тока (100 В).

Зажимы (0-150 В) генератора технической частоты ГТЧ-1 подключаются к выводам 1-3 реле. Параллельно подключается вольтметр (PV). Для контроля значения частоты к выводам ГТЧ-1 "100 В" подключается частотомер (PF). Для индикации срабатывания и возврата реле на его выводы 15-17 подключается прибор Н (например, омметр).

Для получения минимального значения погрешности при измерениях частоты срабатывания, выдержка времени на срабатывание устанавливается 0,12 с (см. рис. 1). Проверка производится в следующем порядке.

3.3.1. Проверка частоты срабатывания

С помощью штеккера 1 устанавливается необходимое значение частоты срабатывания. При этом штеккеры, определяющие частоту возврата (см. рис. 1), не должны быть вставлены.

Изменяя значение частоты с помощью генератора ГТЧ-1 проверяется правильность работы реле на данной уставке, а также проверяется собственное значение частоты возврата. Эта разница не должна превышать 0,05 Гц. Измерение повторяется 5 раз.

3.3.2. Проверка частоты возврата

С помощью штеккеров устанавливается необходимое значение частоты возврата реле.

Проверить, что штеккер "АВТ" находится в замкнутом положении (см. рис. 1). Проверяется значение частоты срабатывания и возврата на соответствие выбранным уставкам.

Проверки по пп. 3.3.1 и 3.3.2 производятся для значений контролируемого напряжения в диапазоне (0,4-1,3) Uном.

3.3.3. Проверка схемы дистанционного изменения частоты возврата

Для проверки правильности работы схемы дистанционного изменения частоты возврата следует перевести штеккер из положения "АВТ" в положение "ВНЕШН". Устанавливается перемычка на выводы 11-13 и проверяется значение частоты возврата реле. Это значение не должно отличаться от значения, измеренного по п. 3.3.2.

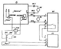
3.4. Проверка времени срабатывания

При выполнении этой проверки следует иметь в виду, что реле РСГ-11 имеет блокировку, запрещающую работу реле при подаче контролируемого напряжения толчком. Блокировка на срабатывание осуществляется вводом задержки по времени, равной 0,8 с.

Поэтому для правильного измерения времени срабатывания реле, рекомендуется провести небольшое изменение схемы генератора технической частоты ГТЧ-1, которое позволило бы осуществить запуск секундомера одновременно с достижением значения частоты, равного значению частоты срабатывания. Изменение схемы ГТЧ-1 выполняется по предложению ВНИИР.

В генератор технической частоты ГТЧ-1 (рис. 3) необходимо установить резистор ППЗ-43-100 Ом ±10 % и два переключателя SA1 и SA2.

Рис. 3. Схема проверки времени срабатывания реле:

KF - реле частоты РСГ-11; PF - частотомер электронно-счетный Ф5137; РТ - измеритель параметров реле цифровой Ф-291; PV - вольтметр Э-59 (кл. 0,5; предел измерения 300 В); R90 - резистор ППЗ-43-100 Ом ±10 %; SA1 и SA2 - переключатели

Дополнительный резистор, обозначенный R90, включается между резисторами R50 и R51 грубой и точной регулировки частоты. Обозначение резисторов R50 и R51 соответствует их обозначению на принципиальной схеме. Для генераторов ГТЧ-1 ранних выпусков в схеме (ЛЭЗ.310.001.ЭЗ) эти резисторы обозначены как R18 и R21. На схеме (см. рис. 3) они обозначены в скобках.

Для проверки времени срабатывания реле понижения частоты выставить уставку срабатывания 50 Гц, уставку возврата 50,1 Гц, штеккер режима работы установить в положение "ПОН". С помощью штеккеров (см. рис. 1) установить необходимое значение уставки выдержки времени (0,12-0,45 с) и замкнуть гнездо "АВТ" штекером 6 (см. рис. 1).

Установить переключатель SA1 в положение "ПОН", SA2 отключить.

Резисторами R50 (R18) и R51 (R21) установить исходное значение частоты 50 Гц. Установить выходное напряжение генератора (100 ±2)В.

Резистором R90 установить конечное значение частоты 49,8 Гц при отключенном переключателе SA2. Переключателем SA2 осуществить пуск секундомера, останов которого осуществляется контактами проверяемого реле.

Для проверки времени срабатывания реле повышения частоты выставить уставку срабатывания 50 Гц, уставку возврата 49,9 Гц, штеккер режима работы установить в положение "ПОВ" с помощью штеккеров (см. рис. 1). Установить необходимое значение уставки выдержки времени (0,12-0,45 с) и замкнуть гнездо "АВТ" штеккером 6 (см. рис. 1).

Переключатель SA2 отключен, SA1 в положении "ПОН". Резисторами R50 (R18) и R51 (R21) установить конечное значение частоты 50,2 Гц. Переключить SA1, установить в положение "ПОВ". Резистором R90 установить исходное значение частоты 49,9 Гц. Пуск секундомера осуществляется включением переключателя SA2.

3.5. Проверка сопротивления и электрической прочности изоляции

Измерение сопротивления изоляции производится в следующей последовательности:

снять напряжение с реле, подводящие концы отсоединить;

объединить вывода реле в три группы (см. рис. 1):

1 группа (выводы 1, 3, 5, 7) - цепи переменного напряжения

контролируемой сети;

2 группа - (выводы 15, 17) - цепь контактов выходного реле;

3 группа - (выводы 3, 11, 13) - цепи реле дистанционного переключателя уставки возврата;

проверить сопротивление изоляции групп относительно друг друга и относительно корпуса (вывод 19) мегаомметром на напряжение 500 В.

Сопротивление изоляции цепей реле должно быть не менее 10 МОм при температуре окружающей среды (20 ±5)°С и относительной влажности 80 %.

Для проверки электрической прочности изоляции реле необходимо подать напряжение 1000 В переменного тока частоты 50 Гц в течение 1 мин между группами, а затем между каждой группой и корпусом.

3.6. Проверка исправности реле с помощью кнопки профилактического контроля

Схема контроля выполнена таким образом, что обеспечивает проверку исправности всей полупроводниковой части.

Проверка производится при контролируемом напряжении 100 В, которое подается на выводы 1-3 (см. рис. 1).

Перед нажатием кнопки "КОНТР" проверить, что реле находится в несработанном состоянии.

При нажатии кнопки "КОНТР" должен загореться светодиод "ИСПР".

Если указанный светодиод не загорается, то необходимо для выявления неисправного узла, проверить временные диаграммы реле.

Временные диаграммы необходимо проверять также для определения любой неисправности.

3.7. Проверка временных диаграмм для определения неисправности реле

Временные диаграммы снимаются с помощью двухлучевого осциллографа. На один вход осциллографа подается входное напряжение, а на второй вход осциллографа - проверяемые параметры.

Для проведения измерений необходимо снять кожух, отвернуть два винта со стороны платы II от угольников, скрепляющих данную плату с цоколем. Отвернуть два винта, скрепляющих верхнюю плату I с боковой платой III. Платы развернуть таким образом, чтобы имелся доступ для подключения осциллографа.

Поиск неисправности следует проводить, руководствуясь временной диаграммой работы реле, приведенной на рис. 4.

Рис. 4. Временная диаграмма работы реле

Примечание. Uкp1; Uкp7Uк - надписи на соответствующих платах реле.

Выявление неисправностей осуществляется в следующей последовательности:

проверить наличие напряжения переменного тока на входе реле (выводы 1-3; 1-5 или 1-7 в зависимости от значения подводимого напряжения);

проверить наличие напряжения питания 24 В и 3 В между контрольными штырями ХР6 и ХР5 (плата III) и ХР4-ХР5 (плата III-II);

проверить с помощью осциллографа наличие импульсов на контрольных штырях ХР7, ХР8, расположенных на плате II относительно "0" (контрольный штырь ХР5, плата III).

Необходимо иметь в виду, что сигнал, равный "1" должен иметь значение 8-9,45 В, а сигнал "0" должен находиться в пределах 0-0,4 В;

проверить наличие управляющих импульсов на контрольных штырях ХР1, ХР2 (плата I);

проверить схему непрерывного (профилактического) контроля.

При исправной схеме на выходе (плата I) должен быть сигнал "1";

проверить работу генератора на контрольном штыре ХРЗ (плата II). Значение частоты напряжения генератора должно составлять 92 кГц;

проверить работу счетчика DS1 (рис. 5). Для этого нужно убедиться в наличии импульсного напряжения на входе 3 DSI (плата 1). На входах 1 и 2 должен быть сигнал "1". При размыкании штеккеров регулирования уставок "fср" и "fв" на входах 4, 5, 6, 7 должен быть сигнал "0" (входы 4 и 6 на рисунке не показаны).

При замыкании штеккеров на этих входах в течение периода возникает положительный импульс длительностью (1…2) мкс (см. рис. 4 UDD1, UDD3.1), а на входах триггера 11, 12, 13, 14 должно быть импульсное напряжение. Аналогично проверяются и счетчики DS2, DS3 (счетчики на схеме не показаны);

проверить работу схемы непрерывного (профилактического) контроля. Для этого подключить осциллограф на вход II микросхемы DD6.4. Должен быть сигнал "1". Закоротить кратковременно конденсатор СII. На выходе микросхемы DD6.4 должен появиться сигнал "0" на время закорачивания СII. Последнее свидетельствует о правильной работе схемы непрерывного контроля.

Перечень приборов и устройств, применяемых при наладке и проверке реле приведен в приложении 4.

Протокол проверки реле при новом включении приведен в приложении 5.

Рис. 5. Структурная схема реле

4. ПЕРИОДИЧНОСТЬ И ОБЪЕМ ТЕХНИЧЕСКОГО ОБСЛУЖИВАНИЯ РЕЛЕ

Периодичность и объем технического обслуживания реле устанавливаются в соответствии с "Правилами технического обслуживания устройств релейной защиты, электроавтоматики дистанционного управления и сигнализации электростанций и подстанций 35-330 кВ" (М.:СПО Союзтехэнерго, 1989) и "Правил технического обслуживания устройств релейной защиты и электроавтоматики электрических сетей 0,4-35 кВ" (М.: СПО Союзтехэнерго, 1989).

Приложение 1

ТЕХНИЧЕСКИЕ ДАННЫЕ И ОПИСАНИЕ РЕЛЕ

Технические данные

Номинальное напряжение переменного тока, В                                            100, 127, 220

Номинальная частота, Гц                                                                                 50

Потребляемая мощность при номинальном напряжении, ВА

до срабатывания                                                                                         4

после срабатывания                                                                                   6

Для реле понижения частоты:

диапазон регулирования уставок срабатывания, Гц                               50,5 - 45

диапазон регулирования уставок возврата, Гц                                        51 - 45,5

Для реле повышения частоты:

диапазон регулирования уставок срабатывания, Гц                               49,5 - 55

диапазон регулирования уставок возврата, Гц                                        49,5 - 55

Масса реле, кг                                                                                                    2,6

Габаритные размеры, мм                                                                                  152×146×181

Описание реле РСГ-11

Все элементы реле смонтированы на механическом прочном влагоустойчивом основании (цоколе) и трех платах, электрически соединяющихся между собой посредством разъема и проводного монтажа.

На передней (лицевой) плате (см. рис. 1) расположены часть элементов схемы и элементы оперативного назначения.

В таблице приведены условные обозначения и назначения отдельных элементов на лицевой плате.

Обозначение на рис. 1

Обозначение на лицевой плате

Обозначение на платах

Назначение, наименование

Диапазон уставок

Применение

1

1-9

ХТ1.1-ХТ1.9

Переключение уставок частоты срабатывания (fсp)

50,5-45 Гц

Положения штеккеров, с помощью которых устанавливается необходимое значение частоты срабатывания, приведены в приложении 3

2

1-9

ХТ1.10-ХТ1.18

Переключение уставок частоты возврата (fв)

45,5-51 Гц

Положения штеккеров с помощью которых устанавливается необходимое значение частоты возврата, приведены в приложении 3

3

ПОВ

XT1.20

Переключение для изменения функции реле

49,5-55 Гц

Перемычка устанавливается в одно из положений "ПОВ" или "ПОН" в зависимости от назначения реле

4

ПОН

ХТ1.21

49,5-55 Гц

50,5-55 Гц

51-45,5 Гц

5

tср

XT1.22

ХТ1.23

Переключение уставок выдержек врем

0,12

Перемычки устанавливаются так, как показано на лицевой плате (поз. 12)

0,3

0,45

6

ВНЕШ

АВТ

ХТ1.19

Переключение режима возврата реле

-

Обеспечивается автоматический или внешний возврат реле в исходное положение

7

КОНТР

SB1

Кнопка для проверки работоспособности реле

 

При нажатии на кнопку "КОНТР" должен загореться светодиод, сигнализирующий об исправности реле

8

ИСПР

VD3

Светодиод, сигнализирующий об исправности реле

-

 

9

-

-

Рамка для записи установленной частоты срабатывания

-

Записывается установленная частота срабатывания

10

-

-

Рамка, в которой указывается год выпуска реле

-

-

11

-

-

Отверстие, в которое устанавливается штеккер, неиспользуемый при уставках срабатывания и возврата

-

-

На рис. 5 приведена структурная схема для реле частоты, которая состоит из следующих основных узлов:

TVI - трансформатор напряжения;

Z1 - фильтр нижних частот;

FL1 - формирователь импульсов в начале (U0) и конце (UT) периода колебаний напряжения контролируемой сети;

GNI - генератор эталонной частоты;

B/FI - преобразователь "код - частота", осуществляющий регулировку коэффициента деления счетчика импульсов и обеспечивающий регулировку уставок частоты срабатывания и возврата;

DSI - триггер, осуществляющий сравнение длительности периодов колебаний напряжения сети и напряжения на выходе счетчика;

FL2 - формирователь импульсов управления преобразователем "код-частота";

DT - элемент задержки на срабатывание для отстройки от переходных процессов в цепях контролируемого напряжения;

AD - логический элемент с усилителем;

К1 - выходное реле;

СОВ1 - схема управления цепью частоты возврата;

СН1 - схема непрерывного и профилактического контроля;

STV - стабилизированный источник напряжения питания.

К2 - реле дистанционного управления цепью частоты возврата.

Напряжение контролируемой частоты подается на выводы 1…7 (см. рис. 1), с которых поступает на первичную обмотку трансформатора TV1. В зависимости от номинального значения напряжения контролируемой частоты, оно подключается на следующие выводы: при номинальном напряжении 100 В на выводы 1-3, при 127 В на выводы 1-5, при 220 В - на выводы 1-7.

Трансформатор TV1 имеет две вторичные обмотки. Обмотка W2 используется для цепей питания элементов реле.

Полная обмотка W2 используется для реле понижения частоты, а для реле повышения частоты - часть обмотки.

Обмотка W3 трансформатора используется в измерительной цепи.

Переключения трансформатора осуществляются с помощью перемычки, которая установлена на задней стороне реле (рис. 6). Для реле понижения частоты перемычка устанавливается на выводы 12-14, а для реле повышения частоты на выводы 14-16.

Рис. 6. Расположение зажимов (вид сзади):

1 - место установки перемычки для понижения частоты срабатывания реле; 2 - место установки перемычки для повышения частоты срабатывания реле

Напряжение с указанной обмотки поступает на фильтр Z1, обеспечивающий ослабление высших гармонических составляющих во входном напряжении контролируемой сети UС. Формирователь импульсов обеспечивает контроль начала и конца периода колебаний напряжения сети.

Принцип действия реле частоты основан на сравнивании периода колебаний напряжения на выходе B/FI с периодом колебаний напряжения контролируемой сети. Начало периодов колебаний указанных напряжений синхронизированы.

Регулировка уставок срабатывания осуществляется путем изменения длительности колебаний напряжения на выходе преобразователя B/FI, в состав которого входят переключатели уставок срабатывания и возврата реле, FL2 формирует импульсы длительностью не более 2 мкс в момент переключения последнего разряда счетчика с уровня "0" на уровень "1", которые поступают через переключатель уставок и изменяют коэффициент деления счетчика. Уровень "0" соответствует напряжению от 0 до 0,4 В, уровень "1" от 8 до 9,45 В.

В начале каждого периода колебания с формирователя FL1 на вход счетчика поступает импульс U0 длительностью не более 3 мкс, который устанавливает триггер счетчика в состояние "0". Этим достигается синхронизация начала колебаний напряжения на выходе счетчика с началом колебаний напряжения контролируемой сети.

В конце периода колебаний напряжения сети с формирователя FL1 поступает импульс UT на вход "С" триггера DSI, а на вход "Д" поступает сигнал с выхода счетчика, входящего в состав преобразователя код-частота B/F1.

Для реле понижения частоты, если частота сети выше частоты на выходе B/F1, в момент прихода переднего фронта импульса UТ на входе "Д" триггера DSI будет присутствовать сигнал "1", а на инверсном выходе триггера сохранится сигнал "0", поэтому срабатывание реле не произойдет.

При частоте напряжения сети равной или меньшей частоты напряжения на входе преобразователя код - частота B/FI на входе "Д" триггера DSI будет присутствовать сигнал "0" в момент прихода переднего фронта импульса конца периода UT, поэтому на инверсном выходе триггера появится сигнал "1". Если этот сигнал будет удерживаться в течение двух периодов, сработает элемент задержки, затем логический элемент с усилителем AD и выходное реле К1, контакты выходного реле (К1.1 и К1.2) соединены последовательно и выведены на выводы 15-17.

Для осуществления возврата реле с уставкой равной частоте возврата, устанавливаемой с помощью перемычек (см. рис. 1), необходимо использовать любое из положений "ВНЕШ" или "АВТ".

При замкнутой перемычке "ВНЕШ" возврат реле с заданной частотой осуществляется при срабатывании реле К2, срабатывание которого осуществляется дистанционным управлением. При положении перемычки "АВТ" возврат реле с заданной уставки по частоте возврата предусмотрен схемой реле.

При отсутствии перемычек "ВНЕШ" или "АВТ" возврат реле происходит с КВ = 1.

Примечание. Необходимо иметь в виду, что реле во избежание ложного срабатывания при кратковременных перерывах питания, имеет блокировку, запрещающую работу реле при подаче напряжения толчком.

На рис. 7 показаны габаритные и установочные размеры реле.

Рис. 7. Габаритные и установочные размеры реле

Приложение 2

ОСНОВНЫЕ ДАННЫЕ ЭЛЕМЕНТОВ, ВХОДЯЩИХ В СХЕМУ РЕЛЕ

Наименование элемента

Тип

Обозначение на плате

Технические данные

Конденсаторы

К73-17

С1, С2, С12

250 В; 0,22 мкФ ±10 %

КД-2-М 1500

С3, С4, С16, С17

51 мкФ ± 10 % 680 мкФ ±50 % 20

КД-2М70

С5, С7, С8

 

К73

С6, С14, С18, С19, С22

250 В; 0,1 мкФ ±10 %

К73-17

С10

160 В; 2,2 мкФ ±10 %

К73-17

С11

250 В; 0,68 мкФ ±5 %

К50-24

С13

25 В; 220 мкФ

К50-24

С15, С23, С24

63 В; 10 мкФ

К73-17

С20

250 В; 0,47 мкФ ±5 %

К73-17

С21

250 В; 1мкФ±5 %

Микросхемы

К561ЛА7

DD1...DD7

-

К561ТМ2

DS4

-

Реле

РЭК29

К1

24 В

РПГ-2-2201УЗ

К2

24 В

Резонатор

РК272

С1

-

Дроссель

ШЛ 12×20

-

W-6000 вит. (зазор 0,5 мм) ПЭВ 2-0,125

Резисторы

МЛТ-0,125

R1, R19

300 кОм ±5 %

МЛТ-0,125

R20, R36, R35, R38, R43, R48.R49,

100 кОм ±10 %

МЛТ-0,125

R21

56 кОм ±10 %

С2-29В-0.125

R22

61,9 кОм ±1 %

С2-29В-0,125

R23, R24

221 кОм ±1 %

МЛТ-0,125

R25, R27, R47

5,1 кОм ±5 %

МЛТ-0,125

R26

1 кОм ±10 %

МЛТ-0,125

R28

100 кОм ±10 %

МЛТ-0,25

R29

5,1 кОм ±5 %

МЛТ-0,125

R30

15 кОм ±10 %

МЛТ-2

R31

5,1 кОм ±5 %

МЛТ-0,5

R32

5,1 кОм ±5 %

МЛТ-0,25

R33

2,4 кОм ±5 %

МЛТ-0,125

R34, R40, R42

10 кОм ±10 %

МЛТ-0,125

R37, R50

33 кОм ±5 %

МЛТ-0,25

R39

348 кОм ±2 %

МЛТ-0,125

R44, R45

20 кОм ±5 %

МЛТ-0,125

R46

3,3 кОм ±5 %

МЛТ-2

R51

13 кОм ±5 %

МЛТ-2

R52

18 кОм ±5 %

Переключатель

ПКн6-1

3В1

-

Трансформатор

Ш16×20

Т1

W1 - 2300 вит; отвод от 1800 вит.

W2 - 2800 вит;

W3 - 1600 вит.; отвод от 1400 вит.

W4 - 700 вит.

ПЭВ-2-0,25-

ПЭВ-2-0,14

Выпрямительный мост

КЦ407А

UZ1, UZ2

-

Диод

КД522Б

UD1; UD2; UD6, UD7; UD9, UD11, UD19

-

Индикатор единичный

ЛП3076И

UD3

-

Стабилитрон

КС512А

UD4, UD5

-

КС482А

UD4

-

Д818Д

UD10

-

Транзистор

КТ340А

UT1

-

КТ3102Е

UT2

-

КТ3102БМ

UТ3

-

Вилка

СМп59-32/94Х 11Б 23-2-0

X1

32/94У11Б-23-2-0

Розетка

СНп59-32/95Х 11р-20-2-0

Х2

32/95ХПр-20-2 0

Лепесток

-

XP1...XP8

-

Розетка

СНп59-64/95Х 11р-20-2-0

ХТ1

64/95x11р-20-2-0

Перемычка

-

ХТ2, ХТЗ

-

Приложение 3

ПОЛОЖЕНИЕ ШТЕККЕРОВ ДЛЯ УСТАНОВКИ СООТВЕТСТВУЮЩЕГО ЗНАЧЕНИЯ ЧАСТОТЫ СРАБАТЫВАНИЯ И ВОЗВРАТА

Значение частоты, Гц

Положение штеккеров

1

2

3

4

5

6

7

8

9

45,00

 

 

+

 

 

 

 

 

 

45,05

 

+

+

 

 

 

 

 

 

45,1

 

 

 

+

 

 

 

 

 

45,15

 

+

 

+

 

 

 

 

 

45,2

+

 

+

+

 

 

 

 

 

45,25

+

+

+

+

 

 

 

 

 

45,3

+

 

 

 

+

 

 

 

 

45,35

+

+

 

 

+

 

 

 

 

45,4

 

+

+

 

+

 

 

 

 

45,45

 

 

 

+

+

 

 

 

 

45,5

 

+

 

+

+

 

 

 

 

45,55

 

 

+

+

+

 

 

 

 

45,6

 

+

+

+

+

 

 

 

 

45,65

+

 

 

 

 

+

 

 

 

45,7

+

+

 

 

 

+

 

 

 

45,75

+

 

+

 

 

+

 

 

 

45,8

+

+

+

 

 

+

 

 

 

45,85

+

 

 

+

 

+

 

 

 

45,9

 

 

+

+

 

+

 

 

 

45,95

 

+

+

+

 

+

 

 

 

46,00

 

 

 

 

+

+

 

 

 

46,05

 

+

 

 

+

+

 

 

 

46,1

 

 

+

 

+

+

 

 

 

46,15

+

+

+

 

+

+

 

 

 

46,2

+

 

 

+

+

+

 

 

 

46,25

+

+

 

+

+

+

 

 

 

46,3

+

 

+

+

+

+

 

 

 

46,35

+

+

+

+

+

+

 

 

 

46,4

+

 

 

 

 

 

+

 

 

46,45

+

+

 

 

 

 

+

 

 

46,5

+

 

+

 

 

 

+

 

 

46,55

 

 

 

+

 

 

+

 

 

46,6

 

+

 

+

 

 

+

 

 

46,65

 

 

+

+

 

 

+

 

 

46,7

 

+

+

+

 

 

+

 

 

46,75

 

 

 

 

+

 

+

 

 

46,8

 

+

 

 

+

 

+

 

 

46,85

 

 

+

 

+

 

+

 

 

46,9

 

+

+

 

+

 

+

 

 

46,95

 

 

 

+

+

 

+

 

 

47,00

+

+

 

+

+

 

+

 

 

47,05

+

 

+

+

+

 

+

 

 

47,1

+

+

+

+

+

 

+

 

 

47,15

+

 

 

 

 

+

+

 

 

47,2

+

+

 

 

 

+

+

 

 

47,25

+

 

+

 

 

+

+

 

 

47,3

+

+

+

 

 

+

+

 

 

47,35

+

 

 

+

 

+

+

 

 

47,4

+

+

 

+

 

+

+

 

 

47,45

+

 

+

+

 

+

+

 

 

47,5

+

+

+

+

 

+

+

 

 

47,55

+

 

 

 

+

+

+

 

 

47,6

+

+

 

 

+

+

+

 

 

47,65

+

 

+

 

+

+

+

 

 

47,7

+

+

+

 

+

+

+

 

 

47,75

+

 

 

+

+

+

+

 

 

47,8

+

+

 

+

+

+

+

 

 

47,85

+

 

+

+

+

+

+

 

 

47,9

+

+

+

+

+

+

+

 

 

47,95

+

 

 

 

 

 

 

+

 

48,00

+

+

 

 

 

 

 

+

 

48,05

+

 

+

 

 

 

 

+

 

48,1

+

+

+

 

 

 

 

+

 

48,15

+

 

 

+

 

 

 

+

 

48,2

+

+

 

+

 

 

 

+

 

48,25

+

 

+

+

 

 

 

+

 

48,3

+

+

+

+

 

 

 

+

 

48,35

+

 

 

 

+

 

 

+

 

48,40

+

+

 

 

+

 

 

+

 

48,45

+

 

+

 

+

 

 

+

 

48,5

+

+

+

 

+

 

 

+

 

48,55

+

 

 

+

+

 

 

+

 

48,6

+

+

 

+

 

 

 

+

 

48,65

+

 

+

+

+

 

 

+

 

48,7

+

+

+

+

+

 

 

+

 

48,75

+

 

 

 

 

+

 

+

 

48,8

+

+

 

 

 

+

 

+

 

48,85

+

 

+

 

 

+

 

+

 

48,9

+

+

+

 

 

+

 

+

 

48,95

+

 

 

+

 

+

 

+

 

49,0

 

+

 

+

 

+

 

+

 

49,05

 

 

+

+

 

+

 

+

 

49,1

 

+

+

+

 

+

 

+

 

49,15

 

 

 

 

+

+

 

+

 

49,2

 

+

 

 

+

+

 

+

 

49,25

 

 

+

 

+

+

 

+

 

49,3

 

+

+

 

+

+

 

+

 

49,35

 

 

 

+

+

+

 

+

 

49,4

 

+

 

+

+

+

 

+

 

49,45

 

 

+

+

+

+

 

+

 

49,5

+

 

+

+

+

+

 

+

 

49,55

+

+

+

+

+

+

 

+

 

49,6

+

 

 

 

 

 

+

+

 

49,65

+

+

 

 

 

 

+

+

 

49,7

+

 

+

 

 

 

+

+

 

49,75

+

+

+

 

 

 

+

+

 

49,8

+

 

 

+

 

 

+

+

 

49,85

 

+

 

+

 

 

+

+

 

49,9

 

 

+

+

 

 

+

+

 

49,95

 

+

+

+

 

 

+

+

 

50,00

 

 

 

 

+

 

+

+

 

50,05

 

+

 

 

+

 

+

+

 

50,1

 

 

+

 

+

 

+

+

 

50,15

+

 

+

 

+

 

+

+

 

50,2

+

+

+

 

+

 

+

+

 

50,25

+

 

 

+

+

 

+

+

 

50,3

+

+

 

+

+

 

+

+

 

50,35

+

 

+

+

+

 

+

+

 

50,4

+

+

+

+

+

 

+

+

 

50,45

 

 

 

 

 

+

+

+

 

50,5

 

+

 

 

 

+

+

+

 

50,55

 

 

+

 

 

+

+

+

 

50,6

 

+

+

 

 

+

+

+

 

50,65

 

 

 

+

 

+

+

+

 

50,7

+

 

 

+

 

+

+

+

 

50,75

+

+

 

+

 

+

+

+

 

50,8

+

 

+

+

 

+

+

+

 

50,85

+

+

+

+

 

+

+

+

 

50,9

+

 

 

 

+

+

+

+

 

50,95

 

+

 

 

+

+

+

+

 

51,0

 

 

+

 

+

+

+

+

 

51,05

 

+

+

 

+

+

+

+

 

51,1

 

 

 

+

+

+

+

+

 

51,15

+

 

 

+

+

+

+

+

 

51,2

+

+

 

+

+

+

+

+

 

51,25

+

 

+

+

+

 

+

+

 

51,3

+

+

+

+

+

+

 

+

 

51,35

 

 

 

 

 

 

 

 

+

51,4

 

+

 

 

 

 

 

 

+

51,45

 

 

+

 

 

 

 

 

+

51,5

 

+

+

 

 

 

 

 

+

51,55

+

+

+

 

 

 

 

 

+

51,6

+

 

+

 

 

 

 

 

+

51,65

+

+

 

+

 

 

 

 

+

51,7

+

 

+

+

 

 

 

 

+

51,75

 

+

+

+

 

 

 

 

+

51,8

 

 

 

 

+

 

 

 

+

51,85

 

+

 

 

+

 

 

 

+

51,9

+

+

 

 

+

 

 

 

+

51,95

+

 

+

 

+

 

 

 

+

52,00

+

+

+

 

+

 

 

 

+

52,05

 

 

 

+

+

 

 

 

+

52,1

 

+

 

+

+

 

 

 

+

52,15

 

 

+

+

+

 

 

 

+

52,2

 

+

+

+

+

 

 

 

+

52,25

+

+

+

+

+

 

 

 

+

52,3

+

 

 

 

 

+

 

 

+

52,35

+

+

 

 

 

+

 

 

+

52,4

 

 

+

 

 

+

 

 

+

52,45

 

+

+

 

 

+

 

 

+

52,5

 

 

 

+

 

+

 

 

+

52,55

+

 

 

+

 

+

 

 

+

52,6

 

+

 

+

 

+

 

 

+

52,65

+

 

+

+

 

+

 

 

+

52,7

 

+

+

+

 

+

 

 

+

52,75

 

 

 

 

+

+-

 

 

+

52,8

 

+

 

 

+

+

 

 

+

52,85

+

+

 

 

+

+

 

 

+

52,9

+

 

+

 

+

+

 

 

+

52,95

+

+

+

 

+

+

 

 

+

53,00

 

 

 

+

+

+

 

 

+

53,05

 

+

 

+

+

+

 

 

+

53,1

+

+

 

+

+

+

 

 

+

53,15

+

 

+

+

+

+

 

 

+

53,2

+

+

+

+

+

+

 

 

+

53,25

 

 

 

 

 

 

+

 

+

53,3

 

+

 

 

 

 

+

 

+

53,35

 

 

+

 

 

 

+

 

+

53,4

+

 

+

 

 

 

+

 

+

53,45

+

+

+

 

 

 

+

 

+

53,5

 

 

 

+

 

 

+

 

+

53,55

 

+

 

+

 

 

+

 

+

53,6

 

 

+

+

 

 

+

 

+

53,65

+

 

+

+

 

 

+

 

+

53,7

+

+

+

+

 

 

+

 

+

53,75

 

 

 

 

+

 

+

 

+

53,8

 

+

 

 

+

 

+

 

+

53,85

 

 

+

 

+

 

+

 

+

53,9

+

 

+

 

+

 

+

 

+

53,95

+

+

+

 

+

 

+

 

+

54,00

 

 

 

+

+

 

+

 

+

54,05

 

+

 

+

+

 

+

 

+

54,1

+

+

 

 

+

 

+

 

+

54,15

+

 

+

+

+

 

+

 

+

54,2

+

+

+

+

+

 

+

 

+

54,25

 

 

 

 

 

+

+

 

+

54,3

 

+

 

 

 

+

+

 

+

54,35

+

+

 

 

 

+

+

 

+

54,4

+

 

+

 

 

+

+

 

+

54,45

 

+

+

 

 

+

+

 

+

54,5

 

 

 

+

 

+

+

 

+

54,55

+

 

 

+

 

+

+

 

+

54,6

+

+

 

+

 

+

+

 

+

54,65

+

 

+

+

 

+

+

 

+

54,7

 

+

+

+

 

+

+

 

+

54,75

 

 

 

 

+

+

+

 

+

54,8

+

 

 

 

+

+

+

 

+

54,85

+

+

 

 

+

+

+

 

+

54,9

 

 

+

 

+

+

+

 

+

54,95

 

+

+

 

+

+

+

 

+

55,00

+

+

+

 

+

+

+

 

+

Приложение 4

ПЕРЕЧЕНЬ ПРИБОРОВ И УСТРОЙСТВ, ПРИМЕНЯЕМЫХ ПРИ ПРОВЕРКЕ И НАЛАДКЕ РЕЛЕ

При проверке и наладке реле используются следующие приборы:

генератор технической частоты ГТЧ-1;

частотомер (Ф-246, Ф-205) или другие частотомеры класса 0,2 или 0,5;

мегаомметр на напряжение 1000 В;

электрический секундомер (Ф-291, ПВ-53П или др.);

осциллограф (C1-96);

рубильники, провода для сборки схемы, пинцет, отвертка.

Приборы, которыми производится настройка реле, должны иметь штамп поверки.

Приложение 5

ПРОТОКОЛ ПРОВЕРКИ ПРИ НОВОМ ВКЛЮЧЕНИИ РЕЛЕ РСГ-11

Минтопэнерго
Российской Федерации

______________________________________

______________________________________

(предприятие, объект)

(организация, выполняющая проверку)

______________________________________

 

(присоединение)

 

"___" ______________________ 19___ г

ПРОТОКОЛ
ПРОВЕРКИ ПРИ НОВОМ ВКЛЮЧЕНИИ
РЕЛЕ РСГ-11

1. Паспортные данные реле

Тип

Обозначение на схеме

Назначение

Напряжение контролируемой сети, В

Заводской номер

РСГ-11

 

 

 

 

2. Заданные уставки. ___________________________________________________________

_____________________________________________________________________________

Fcp = ...Гц

fв - …Гц

tcp - …с

3. Внешний осмотр и механическая ревизия

3.1. Проверено отсутствие повреждений отдельных элементов и внутреннего монтажа реле, состояние съемных плат (отсутствие замыканий, печатный монтаж), исправность и надежность фиксации разъемов, затяжка винтов и резьбовых соединений всех элементов реле.

Результаты проверки _________________________________________________________

4. Проверка сопротивления изоляции

4.1. Объединены выводы реле в три группы:

1 группа (выводы 1, 3, 5, 7) - цепи переменного напряжения контролируемой сети;

2 группа (выводы 15, 17) - цепь контактов выходного реле;

3 группа (выводы 9, 11, 13) - цепи реле дистанционного переключателя уставки возврата.

4.2. Проверено сопротивление изоляции групп относительно друг друга и относительно корпуса мегаомметром на напряжение 500 В.

Сопротивление изоляции ... МОм (должно быть не менее 10 МОм при температуре окружающей среды (20 ±5)°С и относительной влажности 80 %).

5. Проверка электрической прочности изоляции

5.1. Проверена электрическая прочность изоляции между группами, а затем между каждой группой и корпусом напряжением переменного тока 1000 В, 50 Гц в течение 1 мин.

Реле испытано ... (не должно быть пробоя или перекрытий).

6. Проверка исправности реле с помощью кнопки профилактического контроля

6.1. Проверка произведена при контролируемом напряжении 100 В, которое подается на выводы 1-3 (см. рис. 1).

При нажатии кнопки "КОНТР" загорается светодиод "ИСПР". Полупроводниковая часть реле исправна.

6.2. Проверено реле на рабочих уставках

Напряжение контролируемой сети, В

Значение частоты, Гц

fcp

fВ

0,4Uном

 

 

0,6Uном

 

 

0,8Uном

 

 

1,0Uном

 

 

1,2Uном

 

 

1,3Uном

 

 

7. Проверка времени срабатывания реле

При Uном = … В.

Уставка срабатывания, с

0,12

0,3

0,45

Время срабатывания, с

 

 

 

8. Проверка правильности действия схемы дистанционного изменения частоты возврата

Схема работает ….

9. Дополнительная проверка______________________________________________

__________________________________________________________________________

__________________________________________________________________________

10. Повторный осмотр реле, проверка положения перемычек, штеккеров уставки

Заключение

_________________________________________________________________________

Проверку проводили _____________________________________________________

__________________________________________________________________________

Руководитель работ ______________________________________________________

 

 




ГОСТЫ, СТРОИТЕЛЬНЫЕ и ТЕХНИЧЕСКИЕ НОРМАТИВЫ.
Некоммерческая онлайн система, содержащая все Российские Госты, национальные Стандарты и нормативы.
В Системе содержится более 150000 файлов нормативно-технической документации, действующей на территории РФ.
Система предназначена для широкого круга инженерно-технических специалистов.

Рейтинг@Mail.ru Яндекс цитирования

Copyright © www.gostrf.com, 2008 - 2026