Крупнейшая бесплатная информационно-справочная система онлайн доступа к полному собранию технических нормативно-правовых актов РФ. Огромная база технических нормативов (более 150 тысяч документов) и полное собрание национальных стандартов, аутентичное официальной базе Госстандарта. GOSTRF.com - это более 1 Терабайта бесплатной технической информации для всех пользователей интернета. Все электронные копии представленных здесь документов могут распространяться без каких-либо ограничений. Поощряется распространение информации с этого сайта на любых других ресурсах. Каждый человек имеет право на неограниченный доступ к этим документам! Каждый человек имеет право на знание требований, изложенных в данных нормативно-правовых актах!

  


 

ФЕДЕРАЛЬНОЕ АГЕНТСТВО
ПО
ТЕХНИЧЕСКОМУ РЕГУЛИРОВАНИЮ И МЕТРОЛОГИИ

национальный
стандарт
РОССИЙСКОЙ
ФЕДЕРАЦИИ

ГОСТ Р ИСО/ТС
10811-1-
2007

Вибрация и удар

ВИБРАЦИЯ В ПОМЕЩЕНИЯХ С УСТАНОВЛЕННЫМ ОБОРУДОВАНИЕМ

Часть 1

Измерения и оценка

ISO/TS 10811-1:2000
Mechanical vibration and shock
- Vibration and shock in buildings with sensitive equipment - Part 1: Measurement and evaluation
(IDT)

Москва
Стандартинформ
2008

Предисловие

Цели и принципы стандартизации в Российской Федерации установлены Федеральным законом от 27 декабря 2002 г. 184-ФЗ «О техническом регулировании», а правила применения национальных стандартов Российской Федерации - ГОСТ Р 1.0-2004 «Стандартизация в Российской Федерации. Основные положения»

Сведения о стандарте

1. ПОДГОТОВЛЕН Открытым акционерным обществом «Научно-исследовательский центр контроля и диагностики технических систем»

2. ВНЕСЕН Техническим комитетом по стандартизации ТК 183 «Вибрация и удар»

3. УТВЕРЖДЕН И ВВЕДЕН В ДЕЙСТВИЕ Приказом Федерального агентства по техническому регулированию и метрологии от 27 декабря 2007 г. № 586-ст

4. Настоящий стандарт идентичен международному стандарту ИСО/ТС 10811-1:2000 «Вибрация и удар. Вибрация и удар в зданиях, где установлено чувствительное оборудование. Часть 1. Измерения и оценка» (ISO/TS 10811-1:2000 «Mechanical vibration and shock - Vibration and shock in buildings with sensitive equipment - Part 1: Measurement and evaluation»).

При применении настоящего стандарта рекомендуется использовать вместо ссылочных международных стандартов соответствующие им национальные и межгосударственные стандарты, сведения о которых приведены в дополнительном приложении С

5. ВВЕДЕН ВПЕРВЫЕ

Информация об изменениях и дополнениях к настоящему стандарту публикуется е ежегодно издаваемом информационном указателе «Национальные стандарты», а текст изменений, дополнений и поправок - в ежемесячно издаваемых информационных указателях «Национальные стандарты». В случае пересмотра (замены) или отмены настоящего стандарта соответствующее уведомление будет опубликовано в ежемесячно издаваемом информационном указателе «Национальные стандарты». Соответствующая информация, уведомление и тексты размещаются также в информационной системе общего пользования - на официальном сайте Федерального агентства по техническому регулированию и метрологии в сети Интернет

Содержание

НАЦИОНАЛЬНЫЙ СТАНДАРТ РОССИЙСКОЙ ФЕДЕРАЦИИ

Вибрация и удар

ВИБРАЦИЯ В ПОМЕЩЕНИЯХ С УСТАНОВЛЕННЫМ ОБОРУДОВАНИЕМ

Часть 1

Измерения и оценка

Vibration and shock. Vibration in buildings with sensitive equipment. Part 1. Measurement and evaluation

Дата введения - 2008-10-01

1. Область применения

Настоящий стандарт устанавливает методы измерений, анализа и представления результатов измерений (анализа) вибрации помещений, в которых установлено оборудование, чувствительное к динамическим воздействиям.

Единообразные методы сбора данных, анализа и представления необходимы для того, чтобы создать основу для сравнения реальной вибрационной обстановки в помещении с предельными значениями, установленными изготовителями оборудования или в нормативных документах.

Примечание - Классификация условий возбуждения, установленная в соответствии с методом измерений по настоящему стандарту, может использоваться конструкторами, изготовителями и пользователями оборудования, чувствительного к динамическим воздействиям, а также проектировщиками помещений, где это оборудование должно быть установлено.

Настоящий стандарт распространяется на вибрационные воздействия, передаваемые через полы, столы, стены, потолки или системы виброизоляции. Цель проводимых в соответствии с настоящим стандартом измерений заключается в том, чтобы характеризовать воздействие вибрации на оборудование в целом, без учета возможных откликов частей и элементов (механических или электронных) внутри оборудования.

Оборудование, чувствительное к динамическим воздействиям, включает в себя (но не ограничивается) следующее:

a) стационарные компьютеры с периферийными устройствами;

b) стационарное телекоммуникационное оборудование;

c) стационарное лабораторное оборудование (электронные микроскопы, оборудование со сканирующими зондами, биотехническое оборудование, масс-спектрометры и др.);

d) механические высокопрецизионные инструменты (например, используемые при изготовлении изделий микроэлектроники);

e) высокопрецизионные оптические инструменты, фотоповторители;

f) электромеханические системы в центрах управления движением поездов;

g) оборудование систем безопасности (например, пожарной сигнализации) и управления доступом.

Вибрационные воздействия, на которые распространяется настоящий стандарт, могут быть следствием:

- действия внешних источников (например, движения дорожных, рельсовых или воздушных транспортных средств или строительной деятельности, сопровождаемой взрывом скальной породы, забивкой свай, вибрационным уплотнением грунта), в том числе звуковых ударов, акустических волн, ветровых нагрузок;

- работы машин (например, штамповальных прессов, кузнечных молотов, компрессоров, систем кондиционирования воздуха) и перемещения тяжелого оборудования внутри здания;

- непосредственной деятельности человека, связанной с выполнением рабочих заданий (например, движением людей, особенно по фальшполу).

Аспекты измерений и оценки воздействия вибрации и ударов на оборудование в помещениях, рассматриваемые в настоящем стандарте, не включают в себя способность операторов обеспечить управление этим оборудованием в условиях указанного воздействия. Оценка воздействия вибрации на людей рассматривается в стандартах серии ИСО 2631.

Диапазон частот измерений вибрации, воздействующей на чувствительное оборудование, - обычно от 2 до 200 Гц. Как правило, большая часть мощности такой вибрации сосредоточена в диапазоне ниже 100 Гц, поскольку в этом диапазоне максимальный отклик элементов конструкции здания. В ряде случаев диапазон частот анализа может быть расширен.

Уровень вибрации и ее длительность определяются, в первую очередь, видом источника, его расстоянием до объекта воздействия (оборудования) и частотной характеристикой элементов конструкции здания, где это оборудование установлено. Диапазон возможных значений вибрации, выраженной в единицах скорости, - от 0,001 до 10 мм/с.

Результаты измерений, полученные в соответствии с настоящим стандартом, характеризуют максимальный уровень вибрации. Кумулятивное действие вибрации (например, в целях оценки усталостных повреждений) в настоящем стандарте не рассматривается.

2. Нормативные ссылки

В настоящем стандарте использована нормативная ссылка на следующий стандарт:

ИСО 5348:1998 Вибрация и удар. Механическое крепление акселерометров

3. Виды вибрации

Вибрация в помещениях может быть разных видов: синусоидальная (периодическая), случайная или в форме переходного процесса. Типичными примерами источников вибрации каждого вида являются:

a) синусоидальная вибрация: машины вращательного действия;

b) случайная вибрация: дорожное движение (при интенсивном потоке машин);

c) переходные процессы: дорожное движение (при прохождении единичных транспортных средств), забивка свай, удары, взрывы.

Частотный спектр вибрации определяется видом источника, а также динамическими свойствами здания.

Основной целью настоящего стандарта является установление единого метода измерений и анализа, используемого для описания вибрации любого вида.

4. Измерения и анализ

4.1. Общие положения

Чтобы определить режим вибрационного воздействия, которому подвергается оборудование в помещении, необходимо располагать точными и полными результатами измерений.

Вибрацию измеряют в точках, максимально близких к областям контакта оборудования или его основания к полу (стене). Чтобы описать условия воздействия на оборудование крупных размеров, необходимо использовать большое число точек измерений.

Сигнал вибрации измеряют по трем взаимно перпендикулярным осям (предпочтительно в вертикальном и двух горизонтальных направлениях).

Измерения проводят при установленном оборудовании, а если это невозможно, то используют заменяющий его имитатор, имеющий ту же массу и те же динамические характеристики (эффективная масса оборудования может значительно измениться после того как оборудование будет установлено на столе или на фальшполу, поскольку опорные поверхности будут действовать как динамические демпферы, поглощая мощность колебаний на резонансах).

Рекомендуется выполнять измерения как для работающего, так и неработающего оборудования, чтобы разделить действие разных источников вибрации.

4.2. Требования к средствам измерений

Для измерений вибрации могут быть использованы датчики скорости или акселерометры. Поскольку уровень вибрации часто бывает низким, датчики должны иметь большой коэффициент преобразования.

В зависимости от условий применения коэффициент преобразования датчиков может достигать 100 мВ/(м/с2) для акселерометров и 25 мВ/(мм/с) для датчиков скорости. Крепление датчиков - по ИСО 5348.

Собственный шум измерительной цепи (включая электрические помехи), определенный как среднеквадратичное значение в диапазоне частот от 2 до 200 Гц, должен быть не более 5 % максимального значения измеренной вибрации. Для уменьшения влияния электрических помех рекомендуется использовать средства измерений с автономными источниками питания.

Диапазон частот измерений, определяемый по уровню спада частотной характеристики на 3 дБ, должен быть от 1 до 315 Гц. Крутизна спада частотной характеристики по обеим сторонам - 12 дБ/октава. Такая частотная характеристика может быть реализована комбинацией фильтров Баттерворта второго порядка верхних (с частотой среза 1 Гц) и нижних (с частотой среза 315 Гц) частот. Рекомендуемая частота дискретизации для цифровых систем - не менее 2000 Гц. При этом следует использовать дополнительный фильтр для защиты от наложения спектров с правильно подобранной частотой среза.

4.3. Анализ вибрации

Для анализа вибрации используют ансамбль фильтров, отклик которых эквивалентен пиковому значению скорости. Обоснование метода анализа и описание фильтров приведено в приложении А. Каждый фильтр соответствует Q-нормализованному отклику псевдоскорости системы с одной степенью свободы с заданными значениями резонансной частоты и добротности Q. Амплитуда отклика фильтра на синусоидальную волну имеет то же максимальное относительное перемещение, что и у исследуемого сигнала вибрации. Результаты анализа представляют в виде графика зависимости пикового значения скорости от резонансной частоты фильтра.

Резонансные частоты ансамбля фильтров должны быть расположены равномерно по логарифмической шкале плотностью 40 резонансов на декаду. По возможности следует узнать у изготовителя оборудования, какое значение добротности Q следует принять, чтобы оптимальным образом характеризовать условия вибрационного воздействия. При отсутствии такой информации рекомендуется использовать три значения Q: 5, 10 и 20. Если необходимо ограничиться одним значением Q, то это значение выбирают равным 10.

Алгоритм расчета отклика цифрового фильтра приведен в приложении В.

ВНИМАНИЕ! При подаче на ансамбль фильтров сигнала вибрации их отклик, прежде чем стать стационарным, имеет на начальном участке вид переходного процесса. Поэтому максимальный отклик рекомендуется определять через некоторое время, в течение которого переходный процесс затухнет.

4.4. Сравнение с другими методами анализа

4.4.1. Спектральная плотность мощности

Сопоставим метод анализа вибрации по 4.3 с широко применяемым методом описания случайного сигнала через спектральную плотность мощности. Вибрация внутри помещения может быть описана с помощью спектральной плотности мощности ускорения. Ширина полосы фильтра с откликом, эквивалентным пиковой скорости, для заданных значений резонансной частоты fn и добротности Q может быть определена по формуле

                                                                                 (1)

Если на частоте fn спектральная плотность мощности ускорения равна Р, (м/с2)2/Гц, то среднеквадратичное значение скорости сигнала после прохождения фильтра вычисляют по формуле

                                                                              (2)

Чтобы определить ожидаемое максимальное значение скорости, следует задать время измерения Т. Если значение пик-фактора обозначить С, то ожидаемое значение С на интервале T может быть определено по формуле 1)

,                                                                   (3)

где C1 = ;

fn - частота резонанса, Гц;

Т - время измерения, с.

1) Эта формула справедлива в предположении, что сигнал ускорения представляет собой случайный процесс, распределенный по нормальному закону, время корреляции которого определяется характеристиками фильтра. Применимость данной формулы ограничивается тем, что гипотеза о нормальности может не выполняться в реальных условиях измерений и, кроме того, теряет смысл при больших значениях T.

4.4.2. Третьоктавный спектр

Если сигнал описан через среднеквадратичные значения в третьоктавных полосах частот, то оценка максимального значения скорости на основе известного среднеквадратичного значения, приведенная в 4.4.1, может быть построена для любой частоты спектра. Если известно, что вибрация имеет периодический характер, то максимальное значение скорости получают, умножая среднеквадратичное значение на коэффициент 1,4.

4.5. Статистический анализ

Каждая реализация вибрационного процесса (например, в результате прохождения трамвая, взрыва, серии ударов при забивке сваи или работы машины) позволяет построить один спектр отклика, эквивалентного пиковому значению скорости по 4.3. Сколько реализаций вибрационного процесса должно быть подвергнуто анализу, является предметом специального рассмотрения. Рекомендуется учитывать полный цикл событий, вызывающих появление вибрации (например, в течение суток или за ночь). Окончательный результат определяют как максимальное значение отклика на каждой частоте спектра.

4.6. Точность измерений

Каждое средство измерений должно подвергаться поверке при его покупке, а затем - не менее одного раза в год. В процессе поверки рекомендуется проводить калибровку всей измерительной цепи в целом, включая устройство анализа вибрации, т.е. ансамбль фильтров. При этом датчик вибрации воспринимает синусоидальный сигнал с известными характеристиками, а на выходе измерительной цепи должен быть получен сигнал согласно 4.3.

Непосредственно перед каждым измерением целесообразно проверить измерительную цепь (без устройства анализа), возбуждая датчик известным сигналом вибрации. Если средство измерений подверглось грубому обращению (удар или падение), то проводят внеочередную поверку.

Для измерительной системы в целом частотная характеристика в диапазоне от 2 до 200 Гц должна быть постоянной в пределах ± 10 %.

5. Протокол испытаний

В протоколе испытаний приводят следующую информацию:

a) описание оборудования, чувствительного к динамическим воздействиям, в том числе с указанием:

- его местоположения,

- плана помещения с указанием характерных размеров,

- модели оборудования и наименования предприятия-изготовителя,

- способа установки,

- применяемых виброизоляторов (при наличии);

b) описание всех наблюдавшихся повреждений оборудования или случаев его неправильного функционирования;

c) описание действующих источников вибрации (строительные работы, дорожное движение и др.);

d) описание средств измерений (датчиков вибрации, усилителей, устройств записи и анализа), с указанием их модели и наименования предприятия-изготовителя, а также средств проверки их работоспособности;

e) местоположение датчика вибрации и направление измерительной оси;

f) результаты анализа вибрации.

Приложение А
(справочное)
Определение спектра отклика, эквивалентного пиковому значению скорости

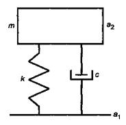
Рассмотрим отклик на ускорение основания а1 системы с одной степенью свободы, описываемой массой т, коэффициентом демпфирования с и жесткостью k (рисунок А.1).

Рисунок А.1 - Система с одной степенью свободы

Если отклик системы обозначить через ускорение а2, то передаточная функция будет иметь вид

,                                                                (A.1)

где s - переменная Лапласа (комплексная частота).

Другой способ описания системы с одной степенью свободы - через резонансную частоту f0 и добротность (коэффициент усиления на резонансе) Q:

                                                                         (А.2)

                                                                              (А.3)

В этом случае передаточная функция может быть определена по формуле

                                       (А.4)

где ω0 = 2πf0 - угловая частота резонанса.

График передаточной функции в зависимости от угловой частоты для значений параметров ω0 = 1 рад/с, Q = 10 приведен на рисунке А.2.

Удобной мерой оценки риска повреждения (неправильного функционирования) оборудования, чувствительного к динамическим воздействиям, является относительное перемещение его элементов. Механическая система оборудования может иметь несколько резонансов, но обычно рассматривают каждый резонанс отдельно, т.е. оборудование представляют в виде совокупности систем с одной степенью свободы. Для описания степени жесткости воздействующей вибрации для разных резонансных частот рассчитывают разность между перемещениями массы d2 и основания d1.

Таким образом, если выходом системы является относительное перемещение d2 - d1 при заданном входном воздействии a1 то передаточная функция будет иметь вид

                                              (А.5)

Если эту передаточную функцию умножить на ω0, то получим передаточную функцию для псевдоскорости

                                                        (А.6)

Рисунок А.2 - Передаточная функция системы с одной степенью свободы (ω0 = 1 рад/с, Q = 10)

Передаточная функция фильтра, выходным сигналом которого является сигнал псевдоскорости, изображена на рисунке А.3.

Рисунок А.3 - Передаточная функция системы с одной степенью свободы для входного сигнала ускорения и выходного сигнала псевдоскорости (ω0 = 1 рад/с, Q = 10)

Чтобы получить фильтр с максимальным откликом, равным единице, значение псевдоскорости на выходе необходимо разделить на добротность Q. В этом случае окончательное значение передаточной функции Ha(s; ω0, Q) для входного сигнала ускорения примет вид

.                                  (А.7)

График нормализованной передаточной функции изображен на рисунке А.4.

Рисунок А.4 - Нормализованная передаточная функция системы для входного сигнала ускорения и выходного сигнала псевдоскорости (ω0 = 1 рад/с)

Для фильтра с нормализованной передаточной функцией максимальный отклик на выходе vmax в ответ на приложенное возбуждение будет равен пиковому значению скорости этого возбуждения, если оно представляет собой синусоидальный сигнал на частоте резонанса. Это является основанием применения в настоящем стандарте метода описания условий возбуждения через отклик, эквивалентный пиковому значению скорости.

При анализе сигнала ускорения, измеряемого в помещении, его подают на ансамбль фильтров, описанных в настоящем приложении, и для каждого фильтра определяют максимальное значение отклика. Резонансные частоты фильтров должны быть расположены равномерно по логарифмической шкале в диапазоне от 2 до 200 Гц с плотностью 40 резонансов на декаду. График, на котором отложены максимальные отклики фильтров в зависимости от их резонансных частот, называют спектром отклика, эквивалентного пиковому значению скорости.

Интерпретировать данную характеристику вибрации можно следующим образом. Если на фильтр, соответствующий некоторой системе с одной степенью свободы, подать синусоидальный сигнал, медленно разворачиваемый по частоте с одновременным изменением амплитуды скорости в соответствии с графиком спектра отклика, эквивалентного пиковому значению скорости, то максимальный отклик будет таким же, как если бы на фильтр подали исследуемый сигнал. Если измеряемым параметром вибрации является не ускорение, а скорость, то фильтр необходимо соответствующим образом модифицировать. Передаточная функция такого фильтра будет иметь вид

.                                                   (А.8)

График этой функции изображен на рисунке А.5.

В качестве примера показан спектр отклика для вибрации на частоте 20 Гц. Амплитуда скорости равна 1 мм/с, что соответствует амплитуде ускорения 125,7 мм/с2. Спектр отклика, эквивалентного пиковому значению скорости для данной вибрации, изображен на рисунке А.5.

Рисунок А.5 - Нормализованная передаточная функция системы для входного сигнала скорости и выходного сигнала псевдоскорости (ω0 = 1 рад/с)

Рисунок А.6 - Спектр отклика, эквивалентного пиковому значению скорости для синусоидального сигнала вибрации на частоте 20 Гц с амплитудой скорости 1 мм/с

Приложение В
(справочное)
Алгоритмы расчета фильтров

B.1. Общие положения

Существуют разные способы проектирования цифровых фильтров, соответствующих заданным аналоговым. В настоящем приложении приведен простой способ расчета фильтров, основанный на билинейном преобразовании. Еще один популярный метод проектирования описан в [9].

Любой метод имеет свои ограничения, поэтому точность, которую он обеспечивает, рекомендуется проверять путем калибровки всей измерительной цепи в целом, включая устройство анализа вибрации.

B.2. Алгоритм для входного сигнала ускорения

Временная последовательность откликов уn на последовательность входных значений сигнала ускорения хn определяется разностным уравнением

yn = b0xn + b1xn-1 + b2xn-2 - а1 yn-1 - a2 yn-2                                                 (B.1)

с коэффициентами

,

b1 = 2b0,

b2 = b0,

,

,

где

;

f0 - резонансная частота;

fs - частота выборки;

Q - добротность.

B.3. Алгоритм для входного сигнала скорости

Временная последовательность откликов уn на последовательность входных значений сигнала скорости vn определяется разностным уравнением

yn = b0vn + b1vn-1 + b2vn-2 - а1yn-1 - a2yn-2                                                   (В.2)

с коэффициентами:

,

b1 = 0,

b2 = -b0,

,

где ;

f0 - резонансная частота;

fs - частота выборки;

Q - добротность.

Приложение С
(справочное)
Сведения о соответствии национальных стандартов ссылочным международным стандартам

Таблица С.1

Обозначение ссылочного международного стандарта

Степень соответствия

Обозначение и наименование межгосударственного стандарта

ИСО 5348:1998

IDT

ГОСТ ИСО 5348-2002 «Вибрация и удар. Механическое крепление акселерометров»

Библиография

[1]

ИСО 2041:1990
(
ISO 2041:1990)

Вибрация и удар. Термины и определения
(Mechanical vibration and shock - Vocabulary)

[2]

ИСО 2631 (все части)
(
ISO 2631, all parts)

Вибрация и удар. Оценка воздействия общей вибрации на человека
(Mechanical vibration and shock - Evaluation of human exposure to whole-body vibration)

[3]

ИСО 4866:1990
(
ISO 4866:1990)

Вибрация и удар. Вибрация зданий. Руководство по измерению вибрации и оценке ее воздействия на здание
(Mechanical vibration and shock - Vibration of buildings - Guidelines for the measurement of vibrations and evaluation of their effects on buildings)

[4]

ИСО 8569:1996
(
ISO 8569:1996)

Вибрация и удар. Измерения вибрации и оценка ее воздействия на оборудование, чувствительное к динамическим воздействиям, установленное внутри зданий
(Mechanical vibration and shock - Measurement and evaluation of shock and vibration effects on sensitive equipment in buildings)

[5]

ИСО/ТС 10811-2:2000
(
ISO/TS 10811-2:2000)

Вибрация и удар. Вибрация и удар в зданиях, где установлено чувствительное оборудование. Классификация
(Mechanical vibration and shock - Vibration and shock in buildings with sensitive equipment - Part 2: Classification)

[6]

ИСО 14964:2000
(
ISO 14964:2000)

Вибрация и удар. Вибрация стационарных сооружений. Специальные требования к менеджменту качества при проведении измерений и оценки вибрации
(Mechanical vibration and shock - Vibration stationary structures - Specific requirements for quality management in measurement and evaluation of vibration)

[7]

МЭК 60068 (все части)
(
IEC 60068, all parts)

Испытания на воздействие внешних факторов
(Environmental testing)

[8]

МЭК 60721 (все части)
(
IEC 60721, all parts)

Классификация условий воздействия внешних факторов
(Classification of environmental conditions)

[9]

 

Smallwood D.O. An Improved Recursive Formula for Calculating Shock Response Spectra. 51st Shock and Vibration Bulletin, 1980

Ключевые слова: оборудование, вибрация, динамическое возбуждение, спектр отклика, измерения, оценка

 

 




ГОСТЫ, СТРОИТЕЛЬНЫЕ и ТЕХНИЧЕСКИЕ НОРМАТИВЫ.
Некоммерческая онлайн система, содержащая все Российские Госты, национальные Стандарты и нормативы.
В Системе содержится более 150000 файлов нормативно-технической документации, действующей на территории РФ.
Система предназначена для широкого круга инженерно-технических специалистов.

Рейтинг@Mail.ru Яндекс цитирования

Copyright © www.gostrf.com, 2008 - 2026